Скачать ГОСТ 17535-77 Детали приборов высокоточные металлические. Стабилизация размеров термической обработкой. Типовые технологические процессыДата актуализации: 01.01.2021
|
| Обозначение: | ГОСТ 17535-77 |
| Обозначение англ: | GOST 17535-77 |
| Статус: | взамен |
| Название рус.: | Детали приборов высокоточные металлические. Стабилизация размеров термической обработкой. Типовые технологические процессы |
| Название англ.: | Metal high precision parts of devices. Dimension stabilization by heat treatment. Typical technological processes |
| Дата добавления в базу: | 01.09.2013 |
| Дата актуализации: | 01.01.2021 |
| Дата введения: | 01.01.1979 |
| Область применения: | Стандарт распространяется на высокоточные металлические детали приборов с наибольшим размером до 600 мм и рабочей температурой до 100°С и устанавливает рекомендуемые типовые технологические процессы термической обработки, обеспечивающие стабилизацию размеров деталей приборов. |
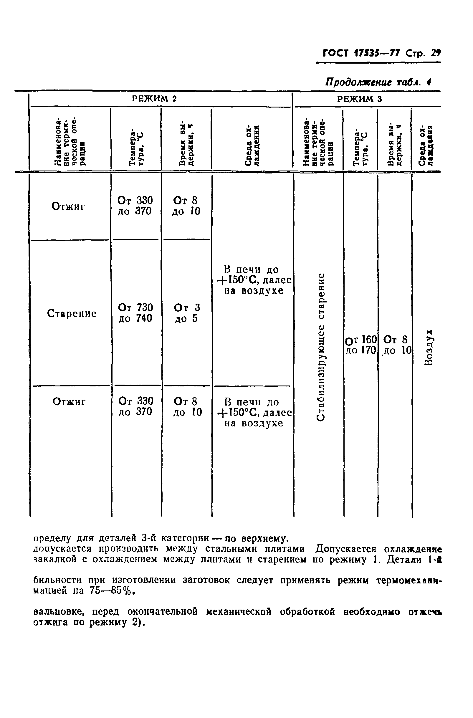
| Оглавление: | 1 Технические требования 2 Типовые технологические процессы для высокочастотных деталей из литейных сталей и сплавов 3 Типовые технологические процессы для высокоточных деталей из деформируемых сплавов Приложение 1 Методы стабилизации размеров деталей Приложение 2 Категории обрабатываемых деталей Приложение 3 Характеристики размерной стабильности |
| Утверждён: | 23.12.1977 Государственный комитет стандартов Совета Министров СССР (USSR National Committee on Standards at the Cabinet of Ministers 3018) |
| Издан: | Издательство стандартов (1978 г. ) |
| Список изменений: |
|
| Заменяет собой: | |
| Нормативные ссылки: |
|














































Текстовое изменение № 1 от 01.01.1984



Текстовое изменение № 2 от 01.01.1989
