Скачать РД 34.11.334-97 Типовая методика выполнения измерений электрической мощности

Дата актуализации: 01.01.2021

РД 34.11.334-97

Типовая методика выполнения измерений электрической мощности

Обозначение: РД 34.11.334-97
Обозначение англ: RD 34.11.334-97
Статус:действует
Название рус.:Типовая методика выполнения измерений электрической мощности
Название англ.:Standard Method for Measurements of Electrical Power
Дата добавления в базу:01.09.2013
Дата актуализации:01.01.2021
Дата введения:01.06.1997
Область применения:Документ устанавливает Типовую методику выполнения измерений (далее - МВИ) активной и реактивной средней мощности (далее - мощность) при производстве, передаче и распределении электроэнергии на электростанциях, подстанциях, линиях электропередачи и других энергообъектах РАО «ЕЭС России» и АО-энерго. МВИ распространяется на измерения мощности с использованием счетчиков активной и реактивной электроэнергии, установленных на энергообъектах в соответствии с требованиями «Правил устройства электроустановок» (ПУЭ) и «Типовой инструкции по учету электроэнергии при ее производстве, передаче и распределении» РД 34.09.101-94. МВИ не распространяется на измерения мощности, проводимые с использованием многофункциональных электронных счетчиков, автоматизированных систем контроля и учета электроэнергии, счетчиков с указателями максимума мощности, ваттметров и варметров. МВИ предназначена для персонала энергообъектов РАО «ЕЭС России» и АО-энерго.
Оглавление:1. Требования к погрешности измерений
2. Средства измерений, вспомогательные устройства
3. Методы измерений
4. Требования безопасности
5. Требования к квалификации операторов
6. Условия измерений
7. Подготовка к выполнению измерений
8. Выполнение измерений
9. Обработка (вычисление) результатов измерений
10. Оформление результатов измерений
11. Контроль точности результатов измерений
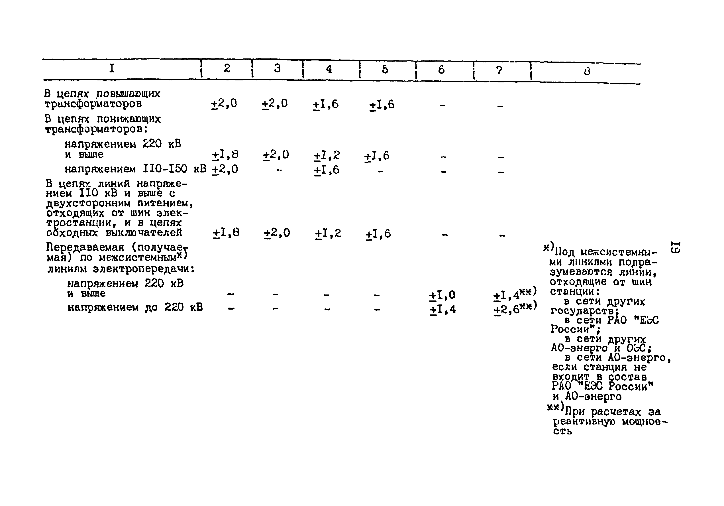
Приложение 1. Нормы точности измерений электрической мощности (по РД 34.11.321-96)
Приложение 2. Формы представления исходных данных, результатов измерений, промежуточных и конечных результатов расчета погрешности измерительных комплексов
Приложение 3. Примеры расчета допускаемых относительных погрешностей измерительных комплексов
Разработан: ВНИИМС (ВНПО Агропромснаб )
АО ВНИИЭ
Утверждён:15.05.1997 РАО ЕЭС России (UES of Russia RAO )
Издан: АО ВНИИЭ (1997 г. )
Нормативные ссылки:
РД 34.11.334-97РД 34.11.334-97РД 34.11.334-97РД 34.11.334-97РД 34.11.334-97РД 34.11.334-97РД 34.11.334-97РД 34.11.334-97РД 34.11.334-97РД 34.11.334-97РД 34.11.334-97РД 34.11.334-97РД 34.11.334-97РД 34.11.334-97РД 34.11.334-97РД 34.11.334-97РД 34.11.334-97РД 34.11.334-97РД 34.11.334-97РД 34.11.334-97РД 34.11.334-97РД 34.11.334-97РД 34.11.334-97РД 34.11.334-97РД 34.11.334-97РД 34.11.334-97РД 34.11.334-97РД 34.11.334-97РД 34.11.334-97РД 34.11.334-97РД 34.11.334-97РД 34.11.334-97РД 34.11.334-97