Скачать ОСТ 45.125-99 Передатчики радиовещательные ОВЧ диапазона, работающие в режиме частотного уплотнения. Параметры, технические требования, методы измеренияДата актуализации: 01.01.2021
|
| Обозначение: | ОСТ 45.125-99 |
| Обозначение англ: | OST 45.125-99 |
| Статус: | не определен законодательством |
| Название рус.: | Передатчики радиовещательные ОВЧ диапазона, работающие в режиме частотного уплотнения. Параметры, технические требования, методы измерения |
| Дата добавления в базу: | 01.09.2013 |
| Дата актуализации: | 01.01.2021 |
| Дата введения: | 01.07.1999 |
| Дата окончания срока действия: | 30.06.2003 |
| Область применения: | Стандарт распространяется на передатчики радиовещательные (далее радиопередатчики) диапазонов частот 65,9 - 74 и 100 - 108 МГц, работающие в режиме частотного уплотнения по системам частотного уплотнения ARI (Autofahrer Rundfunk Information), RDS (Radio Date Sistem), SCA (Subcarier Communication Allocation), УВК-2 (Уплотнение вещательного канала), «Радиотекст». Стандарт определяет структуру суммарного модулирующего сигнала и устанавливает основные параметры радиовещательных передатчиков диапазона очень высоких частот (ОВЧ), работающих в режиме передачи одновременно с основной программой звукового вещания дополнительной информации по одной из систем частотного уплотнения. В стандарте приводятся основные параметры систем частотного уплотнения ARI, RDS, SCA, УВК-2, «Радиотекст», внедряемые в передающих сетях радиовещания Российской Федерации. |
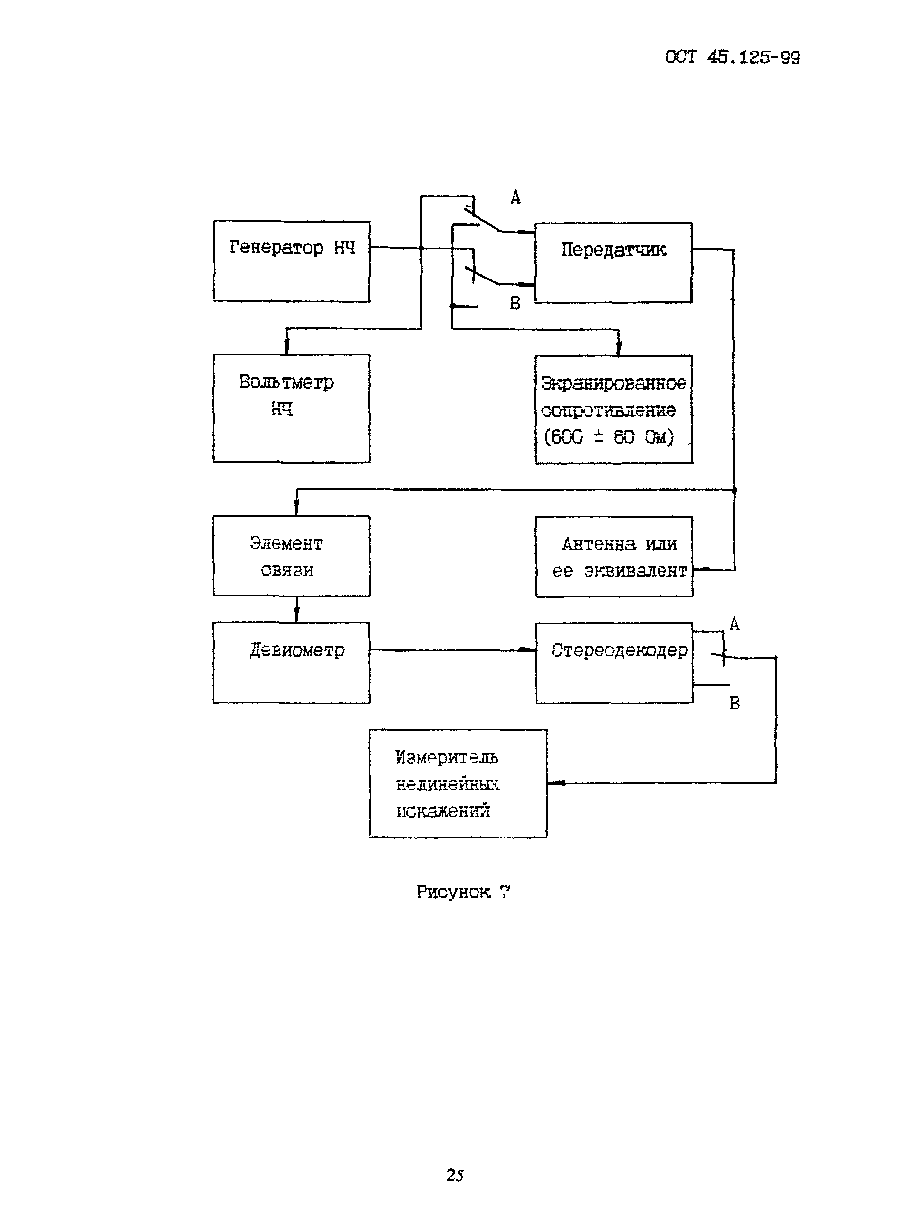
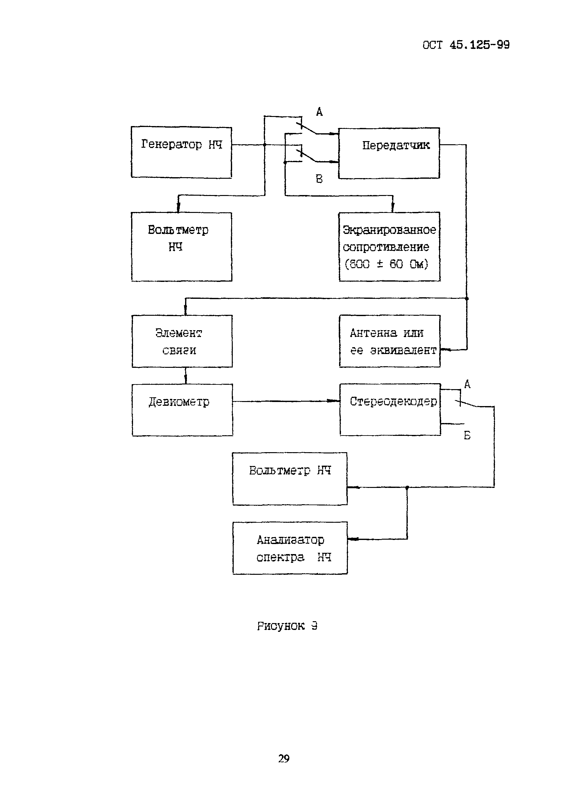
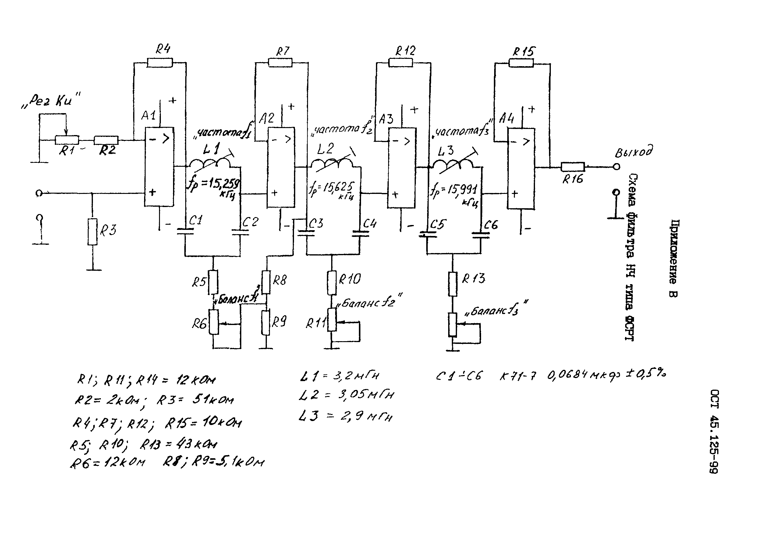
| Оглавление: | 1 Область применения 2 Нормативные ссылки 3 Определения и сокращения 4 Общие положения 5 Характеристика СМС 6 Основные параметры, технические требования 7 Методы измерений 7.1 Условия проведения измерений 7.2 Требования к средствам измерений 7.3 Проведение измерений Приложение А Основные параметры систем частотного уплотнения Приложение Б Перечень средств измерений Приложение В Схема фильтра НЧ типа ФСРТ Приложение Г Библиография |
| Разработан: | НИИ Радио |
| Утверждён: | 01.06.1999 Госкомсвязи РФ (Russian Federation Goskomsvyazy 3462) |
| Издан: | ЦНТИ Информсвязь (1999 г. ) |
| Нормативные ссылки: |
|








































