Скачать Серия 5.903-13 Выпуск 8-95. Опоры трубопроводов подвижныеДата актуализации: 01.01.2021
|
| Обозначение: | Серия 5.903-13 |
| Обозначение англ: | Series 5.903-13 |
| Статус: | не определен законодательством |
| Название рус.: | Выпуск 8-95. Опоры трубопроводов подвижные |
| Дата добавления в базу: | 01.09.2013 |
| Дата актуализации: | 01.01.2021 |
| Дата введения: | 17.02.1997 |
| Дата окончания срока действия: | 30.06.2003 |
| Область применения: | Требования распространяются на рабочие чертежи типовых конструкций подвижных опор трубопроводов тепловых сетей. |
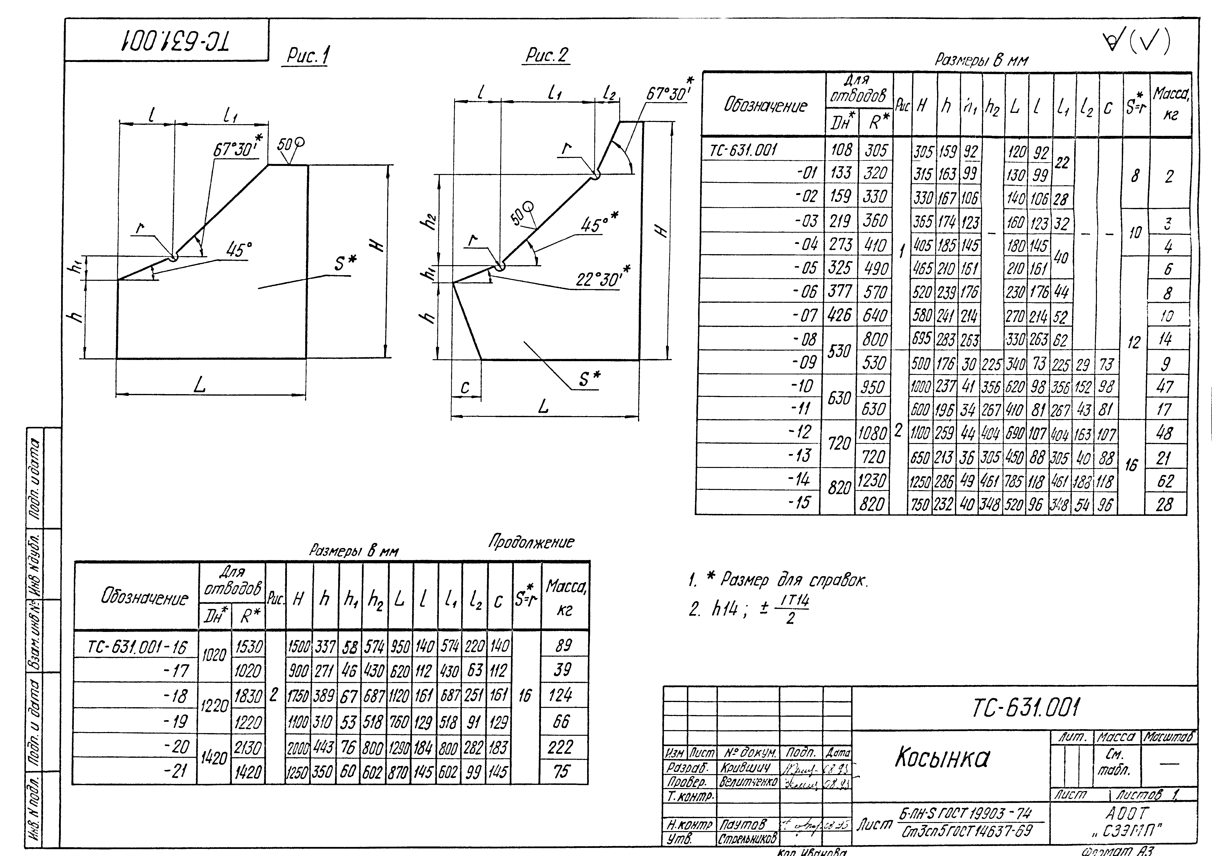
| Оглавление: | ТС-623 Д Технические требования ТС-623.000 Опора скользящая приварная Dy 32-159 мм. Спецификация ТС-623.000СБ Опора скользящая приварная Dy 32-159 мм ТС-623.001 Скоба ТС-623.002 Ребро ТС-624.000 Опора скользящая приварная Dy 194-1420 мм. Спецификация ТС-624.000СБ Опора скользящая приварная Dy 194-1420 мм ТС-624.001 Скоба ТС-624.003 Ребро ТС-624.002 Подушка ТС-625.000 Опора скользящая с плоским хомутом. Спецификация ТС-625.000СБ Опора скользящая с плоским хомутом ТС-625.001 Скоба ТС-625.002 Полухомут ТС-625.003 Ребро ТС-626.00.000 Опора скользящая хомутовая. Спецификация ТС-626.00.000СБ Опора скользящая хомутовая ТС-626.01.000 Корпус. Спецификация ТС-626.01.000 СБ Корпус ТС-626.01.001 Подушка ТС-626.01.002 Ушко ТС-626.00.001 Хомут ТС-626.00.002 Прокладка диэлектрическая ТС-626.00.003 Прокладка диэлектрическая ТС-627.00.000 Опора скользящая бугельная. Спецификация ТС-627.00.000СБ Опора скользящая бугельная ТС-627.01.000 Бугель. Спецификация ТС-627.01.000СБ Бугель ТС-627.00.001 Прокладка диэлектрическая ТС-628.00.000 Опора катковая двухъярусная. Спецификация ТС-628.00.000СБ Опора катковая двухъярусная ТС-628.01.000 Каретка катковая. Спецификация ТС-628.01.000СБ Каретка катковая ТС-628.01.001 Ролик ТС-628.01.002 Ролик крайний ТС-628.01.003 Ось ТС-628.01.100 Корпус каретки. Спецификация ТС-628.01.100СБ Корпус каретки ТС-628.01.101 Швеллер поперечный ТС-628.01.102 Швеллер продольный ТС-628.01.103 Ребро ТС-628.01.104 Угольник ТС-628.01.105 Ребро ТС-628.02.000 Плита опорная. Спецификация ТС-628.02.000СБ Плита опорная ТС-628.02.001 Основание ТС-628.02.002 Полоса ТС-628.02.003 Косынка ТС-628.03.000 Корпус. Спецификация ТС-628.03.000СБ Корпус ТС-628.03.001 Подушка ТС-628.03.002 Скоба ТС-628.03.003 Ребро ТС-628.03.004 Ребро ТС-630.00.000 Опора катковая. Спецификация ТС-630.00.000СБ Опора катковая ТС-630.01.000 Плита опорная. Спецификация ТС-630.01.000СБ Плита опорная ТС-630.01.001 Основание ТС-630.01.002 Направляющая ТС-630.01.003 Упор ТС-630.00.001 Ребро ТС-630.02.000 Обойма. Спецификация ТС-630.02.000СБ Обойма ТС-630.02.001 Каток ТС-630.02.002 Угольник ТС-631.000 Опора сварных отводов. Спецификация ТС-631.000СБ Опора сварных отводов ТС-631.001 Косынка ТС-631.002 Ребро ТС-631.003 Седло ТС-631.004 Основание ТС-632.00.000 Плита опорная диэлектрическая. Спецификация ТС-632.00.000СБ Плита опорная диэлектрическая ТС-632.01.000 Плита опорная. Спецификация ТС-632.01.000СБ Плита опорная ТС-632.01.001 Бобышка ТС-632.00.001 Плита ТС-632.00.002 Прокладка ТС-632.00.003 Втулка ТС-632.00.004 Шайба |
| Разработан: | АООТ Севзапэнергомонтажпроект |
| Утверждён: | АООТ Энергомонтажпроект |
| Принят: | 17.02.1997 АООТ Объединение ВНИПИЭНЕРГОПРОМ (07020/33) |
| Заменяет собой: | |
| Нормативные ссылки: |
|






































































































































































































