Скачать Серия 1.011.1-10 Выпуск 2. Сваи цельные сплошного квадратного сечения с напрягаемой арматурой. Рабочие чертежиДата актуализации: 01.01.2021
|
| Обозначение: | Серия 1.011.1-10 |
| Обозначение англ: | Series 1.011.1-10 |
| Статус: | не определен законодательством |
| Название рус.: | Выпуск 2. Сваи цельные сплошного квадратного сечения с напрягаемой арматурой. Рабочие чертежи |
| Дата добавления в базу: | 01.09.2013 |
| Дата актуализации: | 01.01.2021 |
| Дата введения: | 01.01.1993 |
| Дата окончания срока действия: | 30.06.2003 |
| Область применения: | Настоящий выпуск содержит рабочие чертежи железобетонных свай цельных сплошного квадратного сечения с напрягаемой проволочной, стержневой и арматурой из канатов. Сваи должны изготавливаться из тяжелого бетона класса по прочности на сжатие не ниже приведенных в рабочих чертежах |
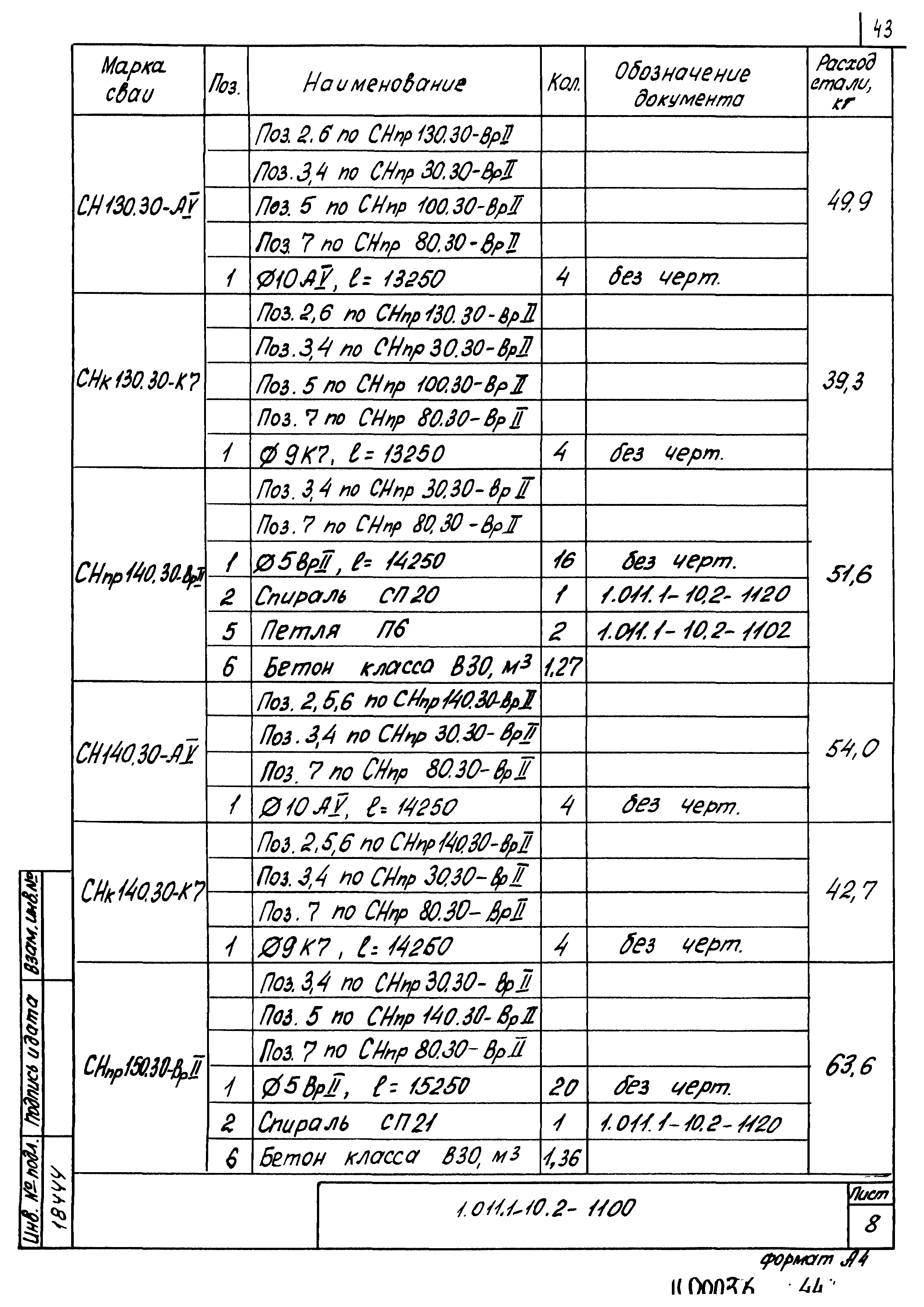
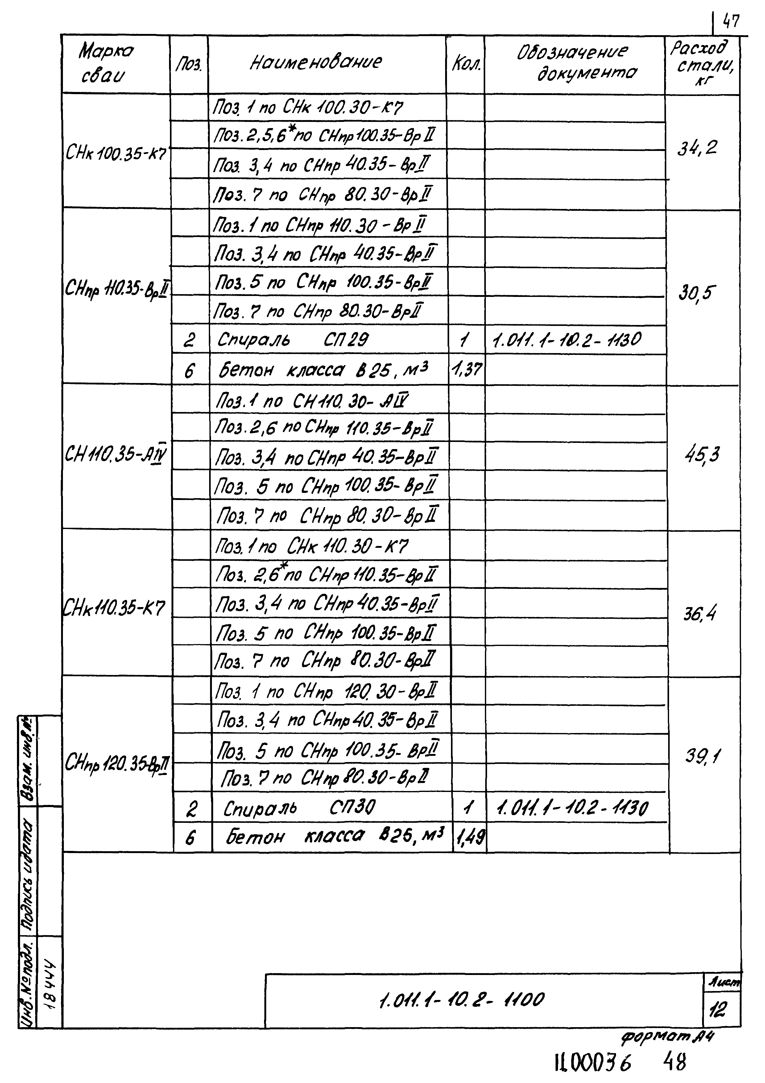
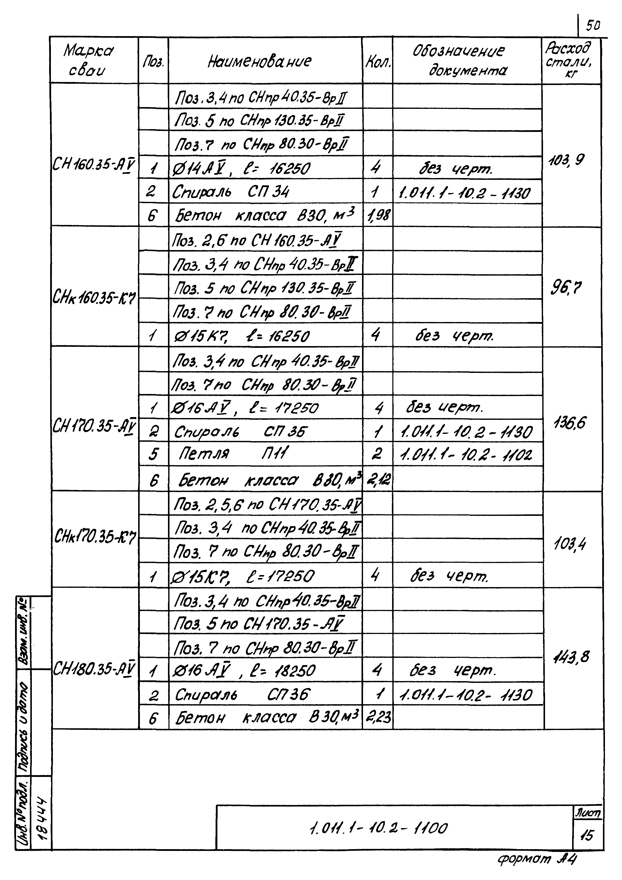
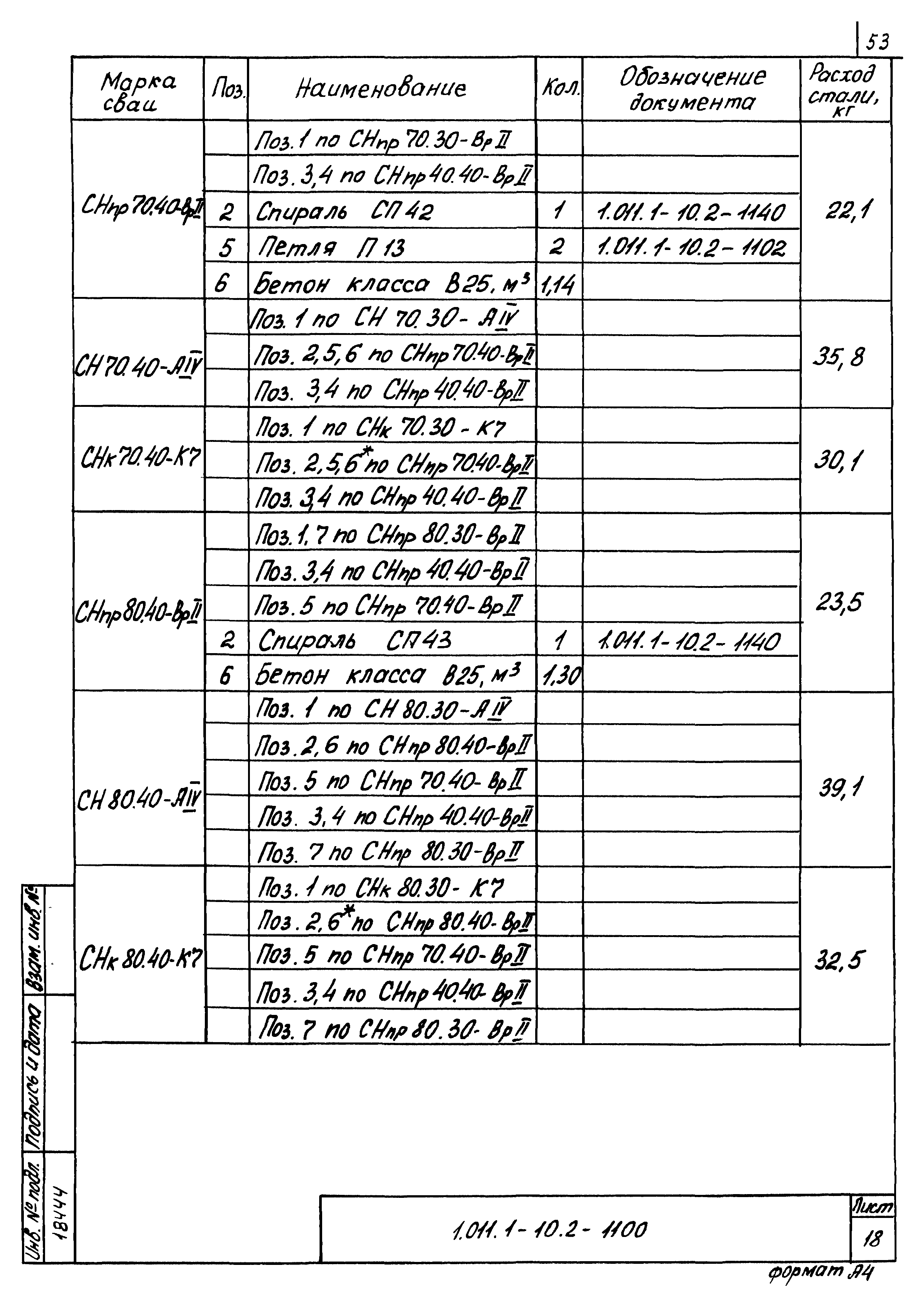
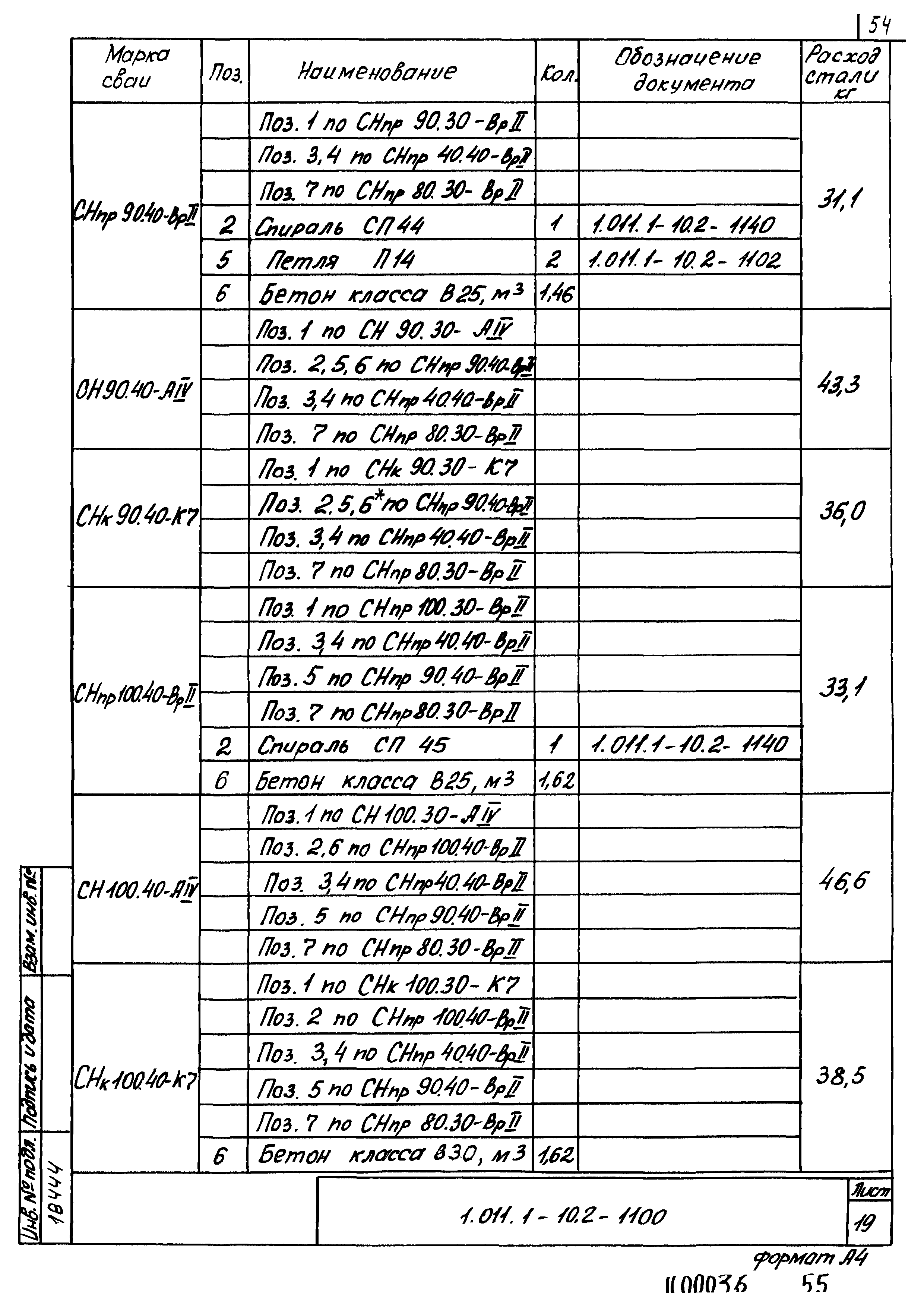
| Оглавление: | 1.011.1-10.2-ТО Техническое описание 1.011.1-10.2-1000 ФЧ Свая СНпр 30, 20 - Вр2… СНх200.40-К7 1.011.1-10.2-1100 Арматурный чертеж сваи СНпр 30.20 - Вр2… СНх200.40-к7 1.011.1-10.2-1100 Спираль СП1…СП8 1.011.1-10.2-1120 Спираль СП9…СП21 1.011.1-10.2-1130 Спираль СП22…СП38 1.011.1-10.2-1140 Спираль СП39…СП55 1.011.1-10.2-1150 Каркас пространственный КПо1… КПо5 1.011.1-10.2-1101 Сетка С20… С40 1.011.1-10.2-1102 Петля П1… П17 1.011.1-10.2-РС Ведомость расхода стали, кг |
| Разработан: | Фундаментпроект |
| Утверждён: | 22.12.1992 Минстрой России (Russian Federation Minstroy 9-1/403) |
| Нормативные ссылки: |
|

















































































