Скачать Серия 1.411.1-6 Выпуск 1. Ростверки. Чертежи-заготовкиДата актуализации: 01.01.2021
|
| Обозначение: | Серия 1.411.1-6 |
| Обозначение англ: | Series 1.411.1-6 |
| Статус: | не определен законодательством |
| Название рус.: | Выпуск 1. Ростверки. Чертежи-заготовки |
| Дата добавления в базу: | 01.09.2013 |
| Дата актуализации: | 01.01.2021 |
| Дата введения: | 07.09.1992 |
| Дата окончания срока действия: | 30.06.2003 |
| Область применения: | Выпуск 1 серии 1.411.1-6 содержит чертежи-заготовки для разработки рабочих чертежей монолитных железобетонных ростверков свайных фундаментов под стальные колонны и рамы одноэтажных промышленных зданий из легких металлических конструкций комплектной поставки |
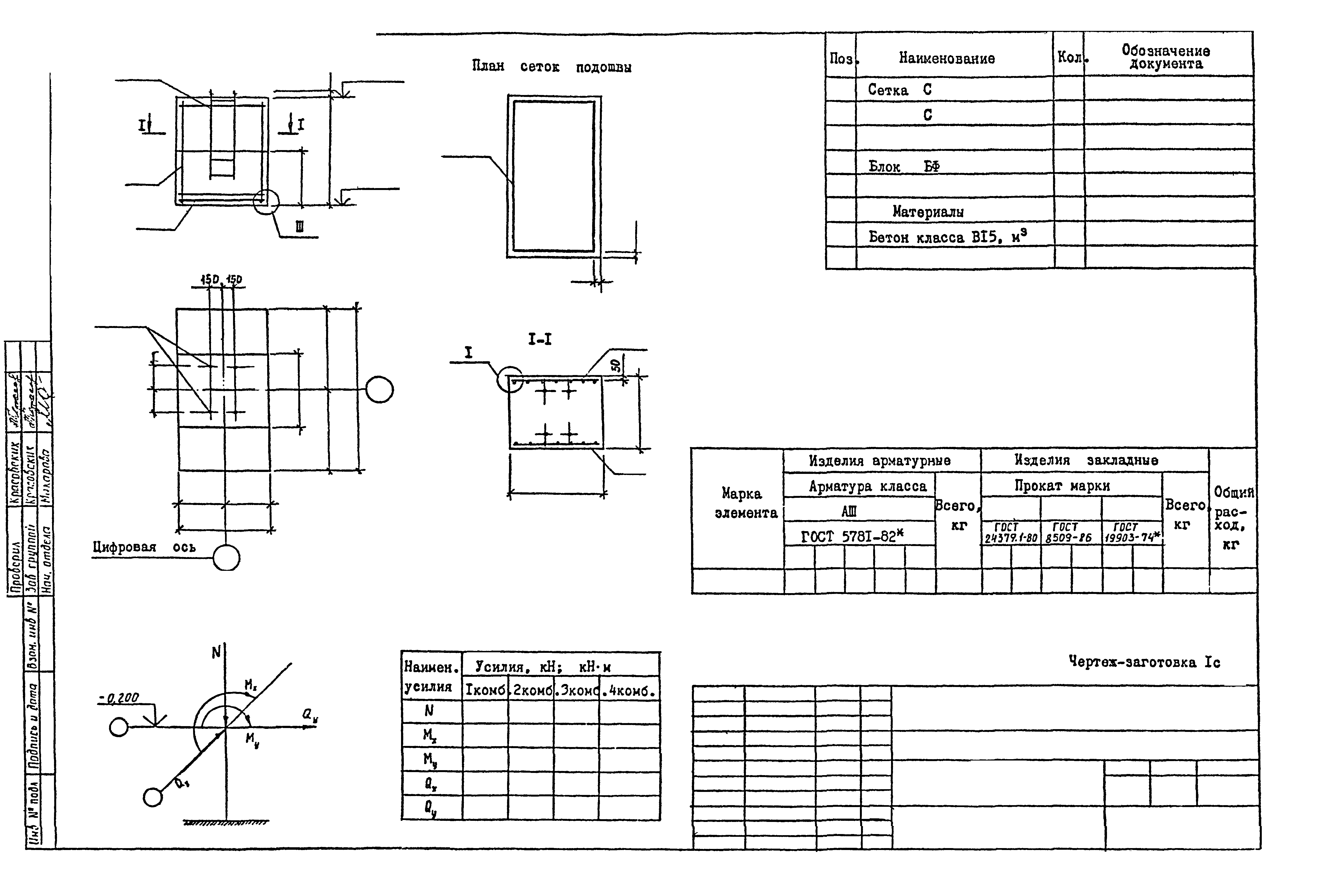
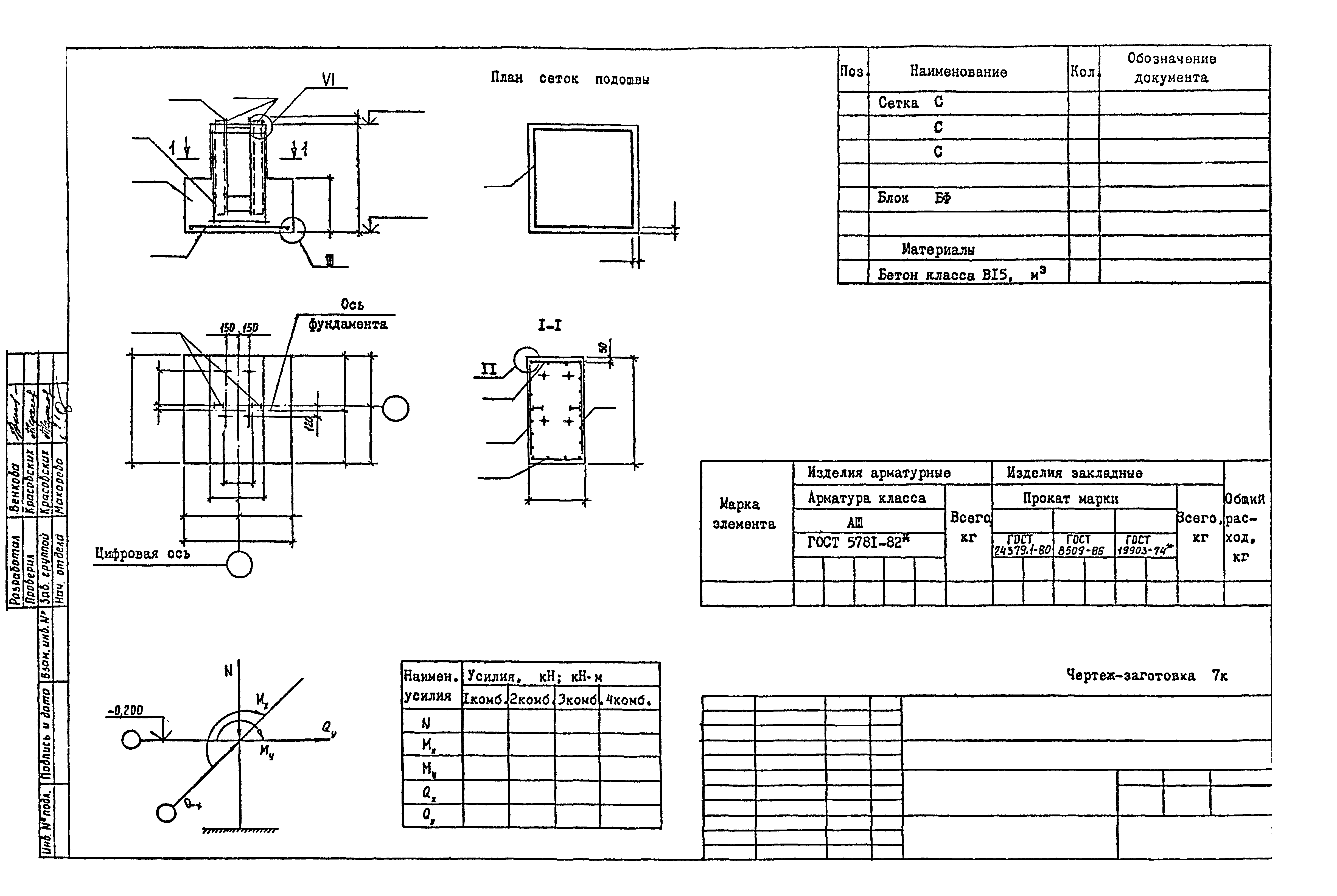
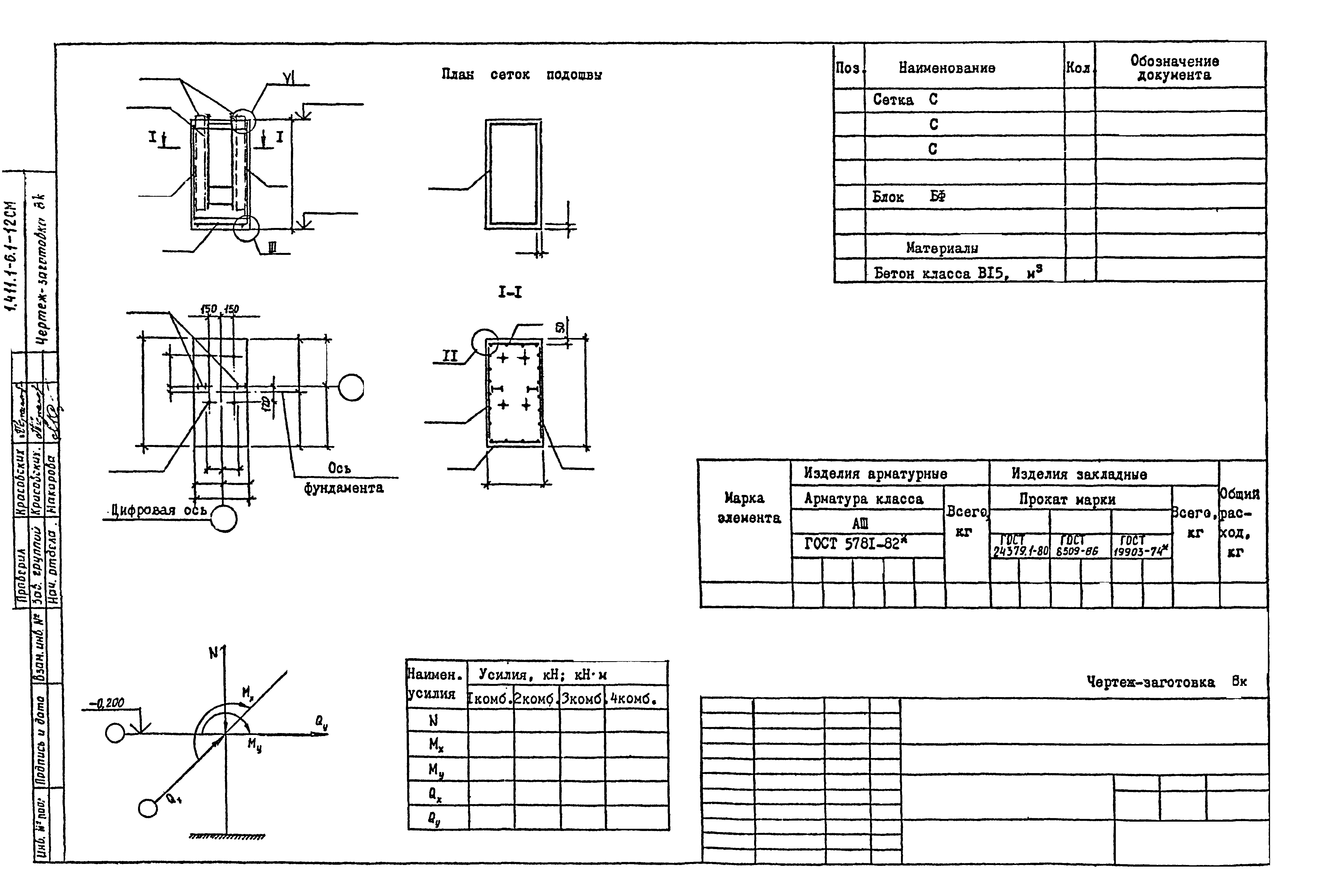
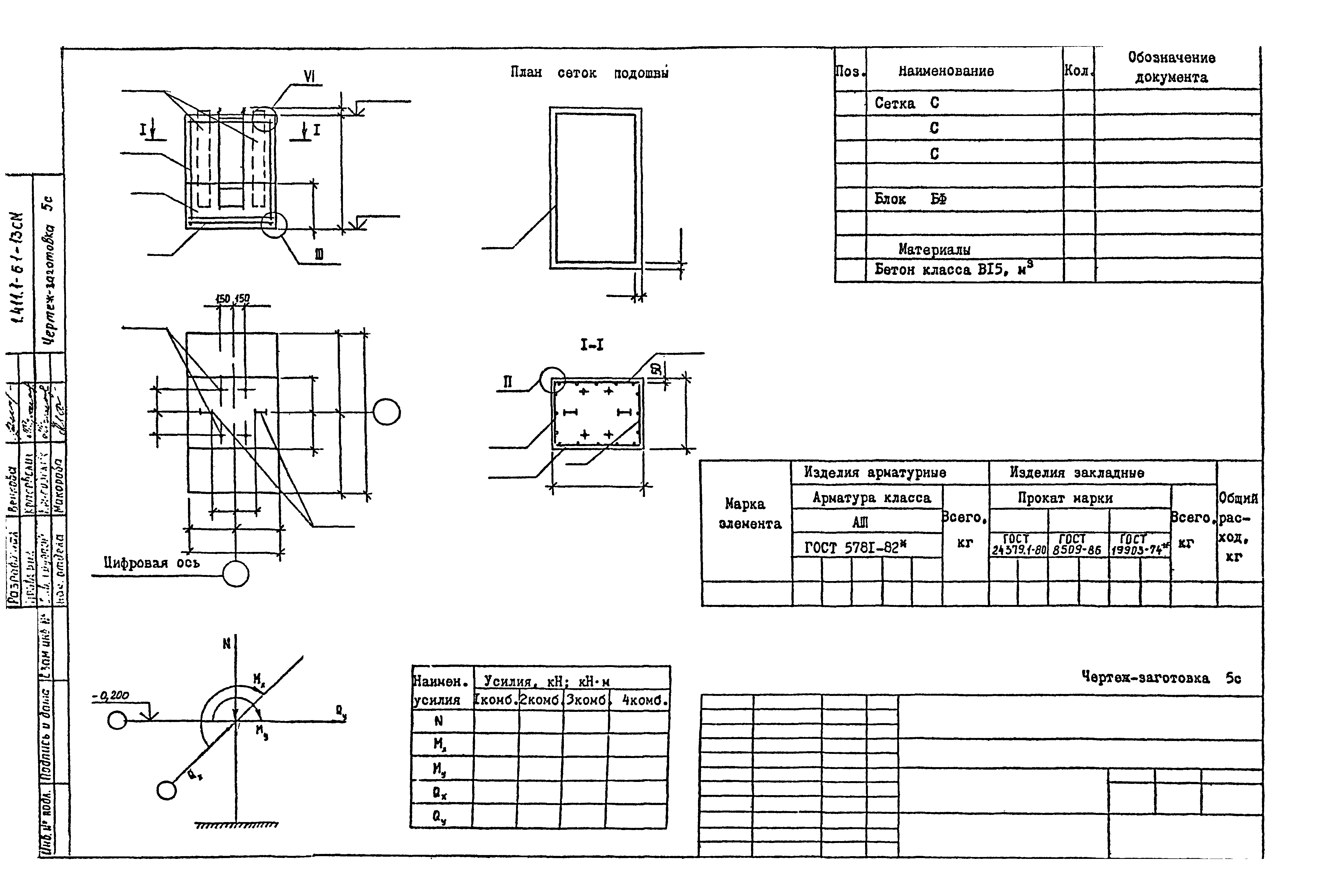
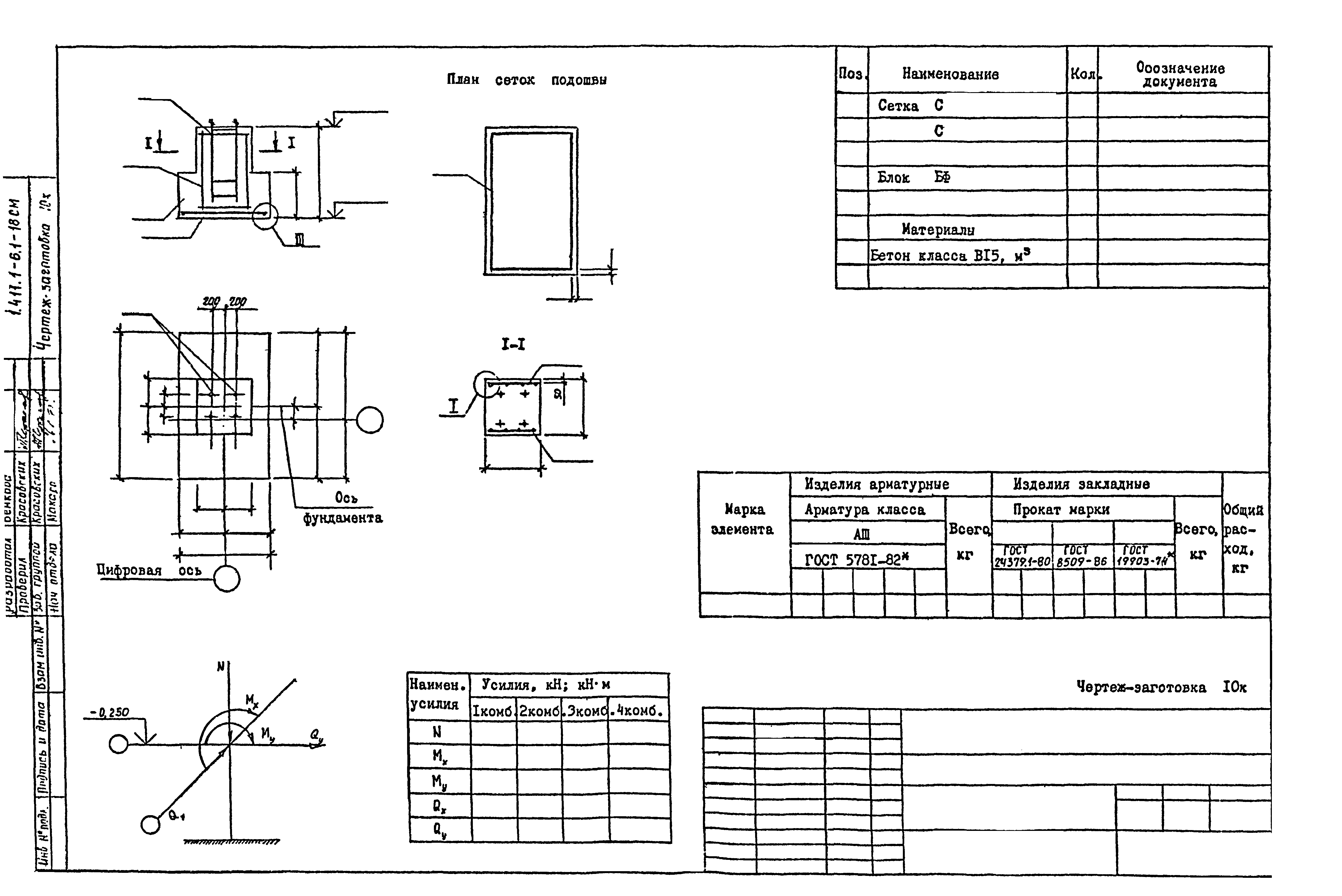
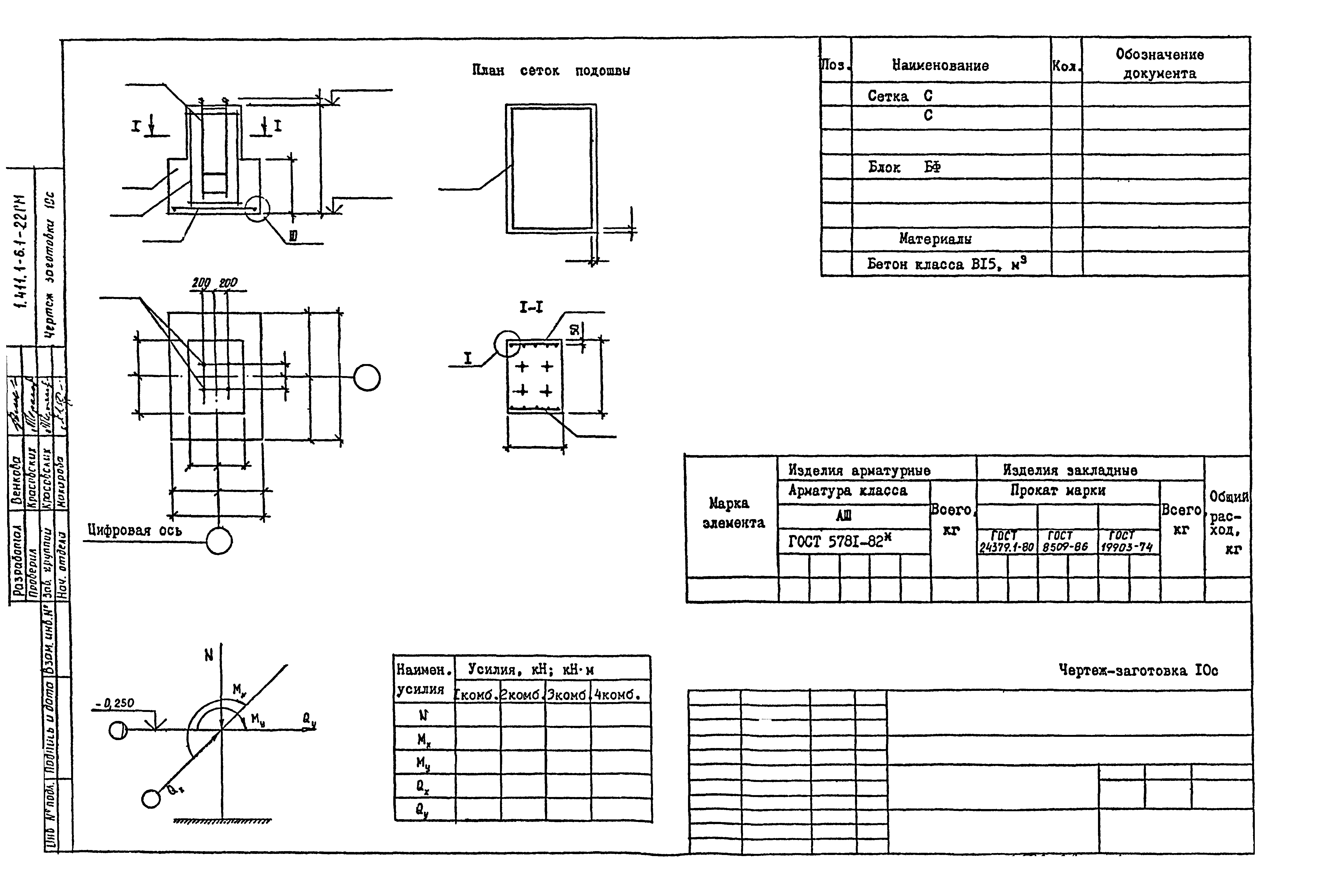
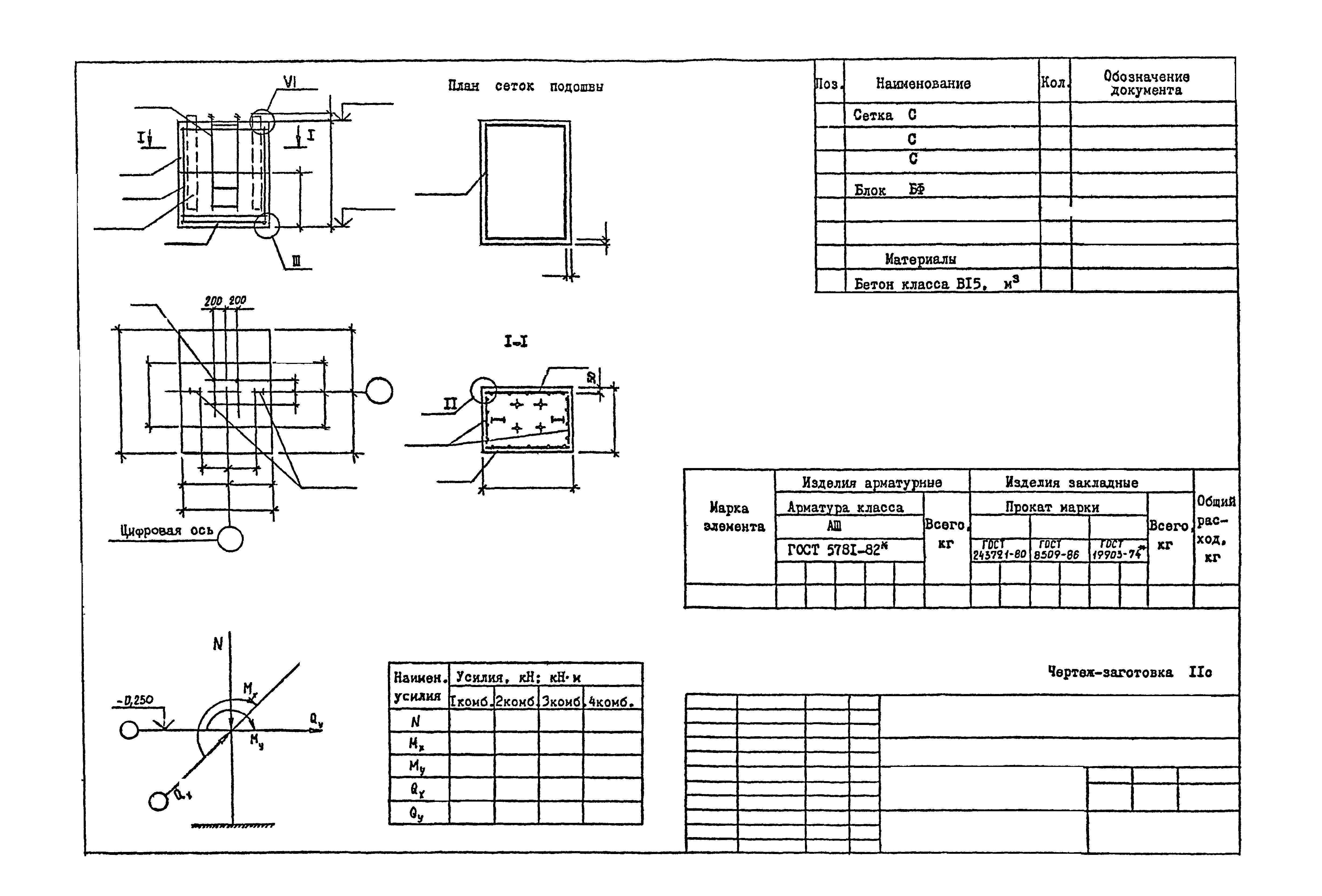
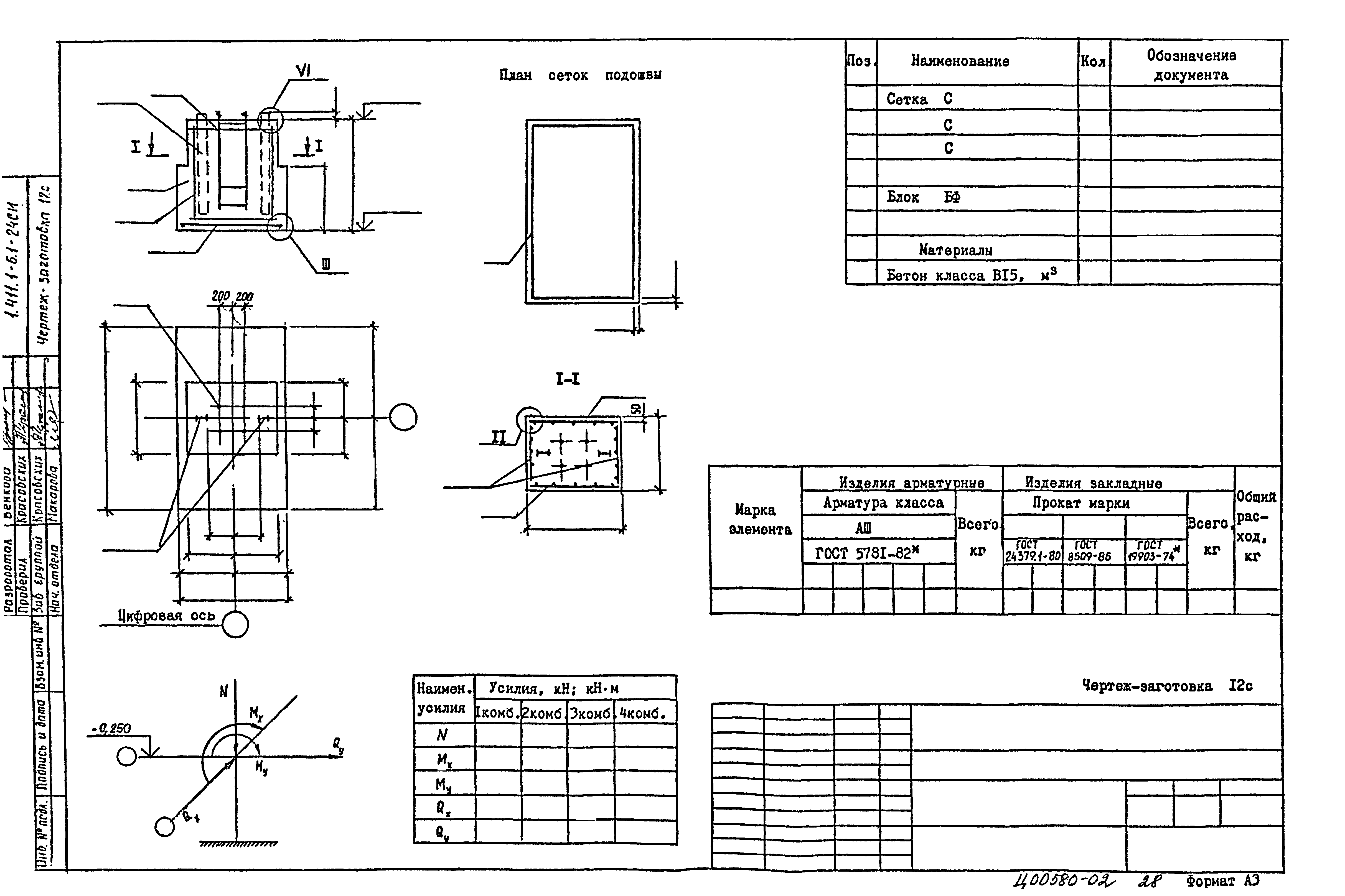
| Оглавление: | 1.411.1-6.1-П3 Пояснительная записка 1.411.1-6.1-1СМ Чертеж-заготовка 1к 1.411.1-6.1-2См Чертеж-заготовка 2к 1.411.1-6.1-3СМ Чертеж-заготовка 3к 1.411.1-6.1-4СМ Чертеж-заготовка 4к 1.411.1-6.1-5СМ Чертеж-заготовка 1с 1.411.1-6.1-6СМ Чертеж-заготовка 2с 1.411.1-6.1-7СМ Чертеж-заготовка 3с 1.411.1-6.1-8СМ Чертеж-заготовка 4с 1.411.1-6.1-9СМ Чертеж-заготовка 5к 1.411.1-6.1-10СМ Чертеж-заготовка 6к 1.411.1-6.1-11СМ Чертеж-заготовка 7к 1.411.1-6.1-12СМ Чертеж-заготовка 8к 1.411.1-6.1-13СМ Чертеж-заготовка 5с 1.411.1-6.1-14СМ Чертеж-заготовка 6с 1.411.1-6.1-15СМ Чертеж-заготовка 7с 1.411.1-6.1-16СМ Чертеж-заготовка 8с 1.411.1-6.1-17СМ Чертеж-заготовка 9к 1.411.1-6.1-18СМ Чертеж-заготовка 10к 1.411.1-6.1-19СМ Чертеж-заготовка 11к 1.411.1-6.1-20СМ Чертеж-заготовка 12к 1.411.1-6.1-21СМ Чертеж-заготовка 9с 1.411.1-6.1-22СМ Чертеж-заготовка 10с 1.411.1-6.1-23СМ Чертеж-заготовка 11с 1.411.1-6.1-24СМ Чертеж-заготовка 12с 1.411.1-6.1-25СМ Узлы армирования ростверков 1.411.1-6.1-26СМ Схема сборки сеток в пространственный каркас |
| Разработан: | Дальневосточный Промстройниипроект Минстроя СССР |
| Утверждён: | 13.04.1992 Концерн РосВостокстрой |
| Нормативные ссылки: |
|




























