Скачать Серия 1.117.1-14 Выпуск 1. Панели для зданий на ленточных фундаментах с техподпольем высотой 1,8 м. Рабочие чертежиДата актуализации: 01.01.2021
|
| Обозначение: | Серия 1.117.1-14 |
| Обозначение англ: | Series 1.117.1-14 |
| Статус: | действует |
| Название рус.: | Выпуск 1. Панели для зданий на ленточных фундаментах с техподпольем высотой 1,8 м. Рабочие чертежи |
| Дата добавления в базу: | 01.09.2013 |
| Дата актуализации: | 01.01.2021 |
| Дата введения: | 15.07.1985 |
| Область применения: | Серия 1.117.1-14 выпуск 1 является откорректированной редакцией серии 1.117-3, выпуски 0-1, 1-1, 1-2, 2-1, 2-2. Панели откорректированы в части сокращения расхода стали за счет повышения расчетного сопротивления арматурной стали |
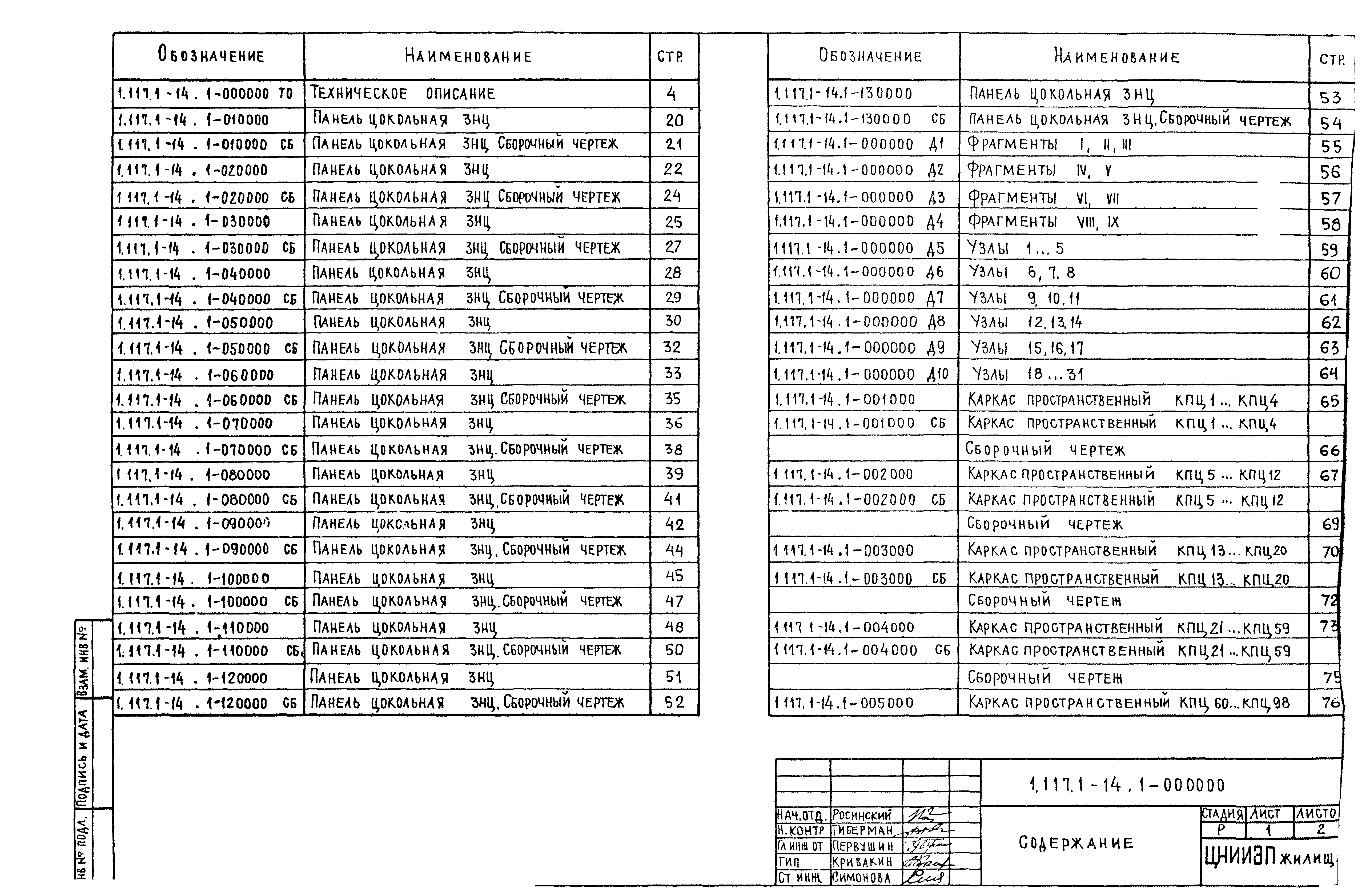
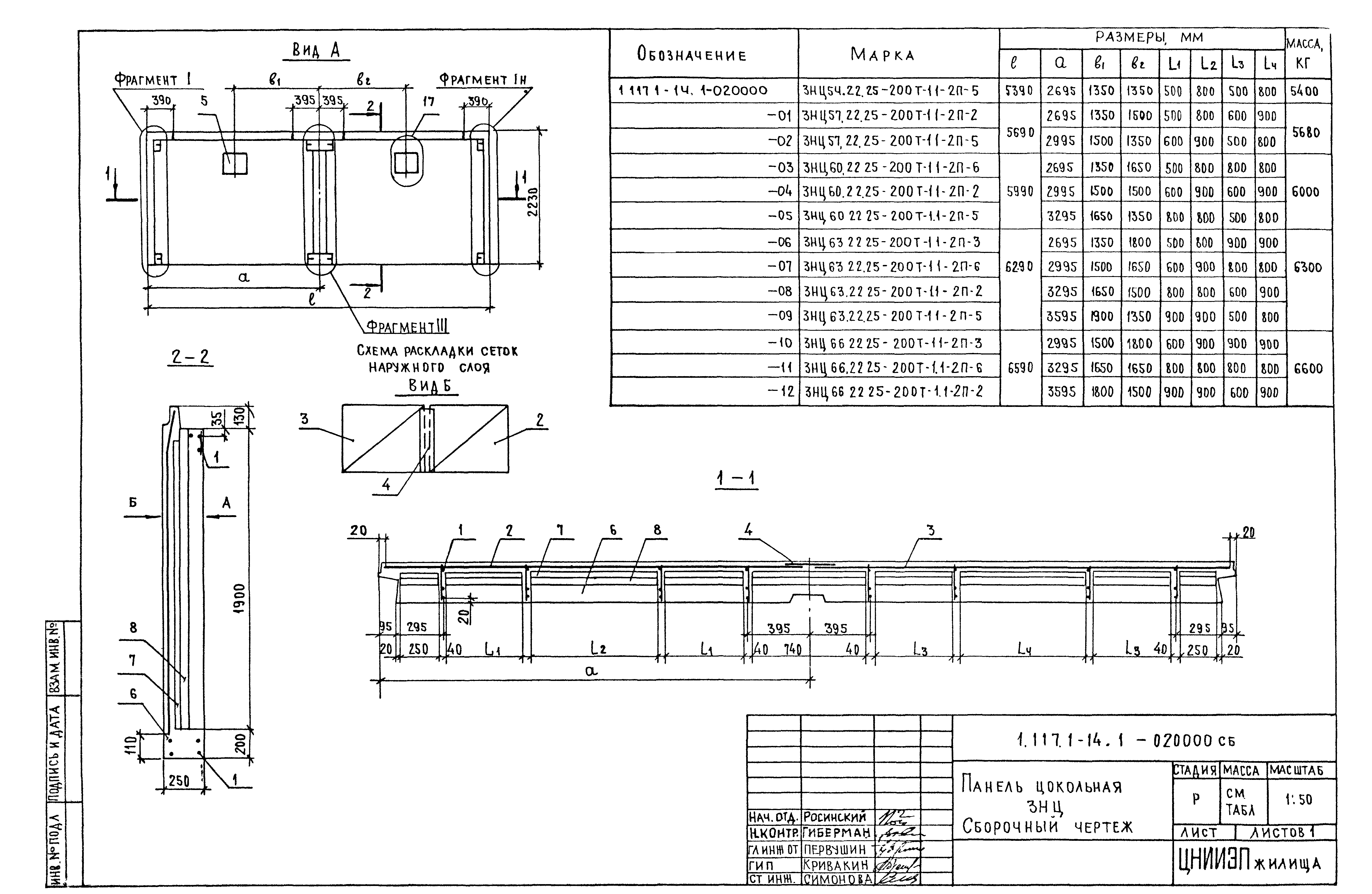
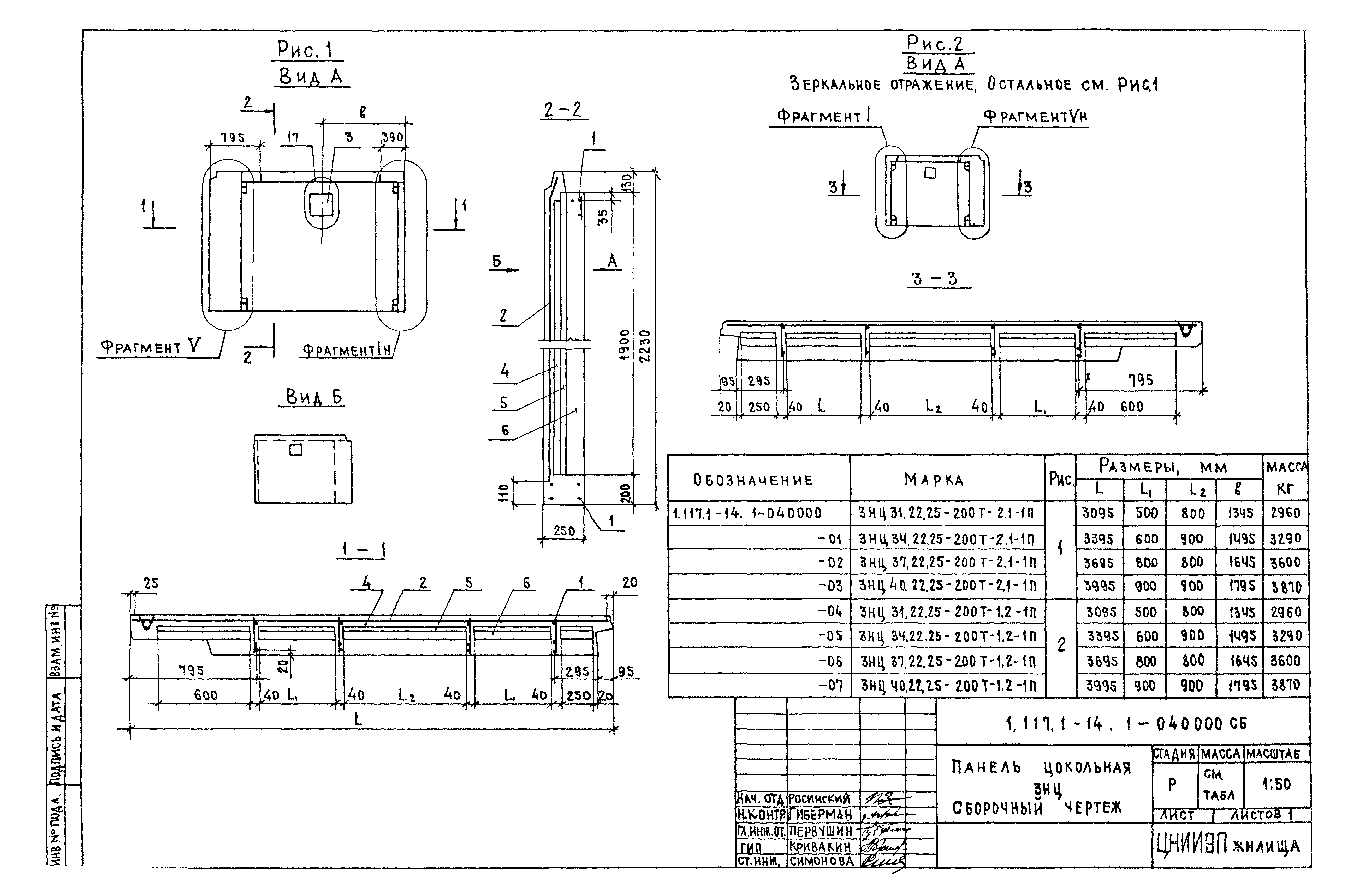
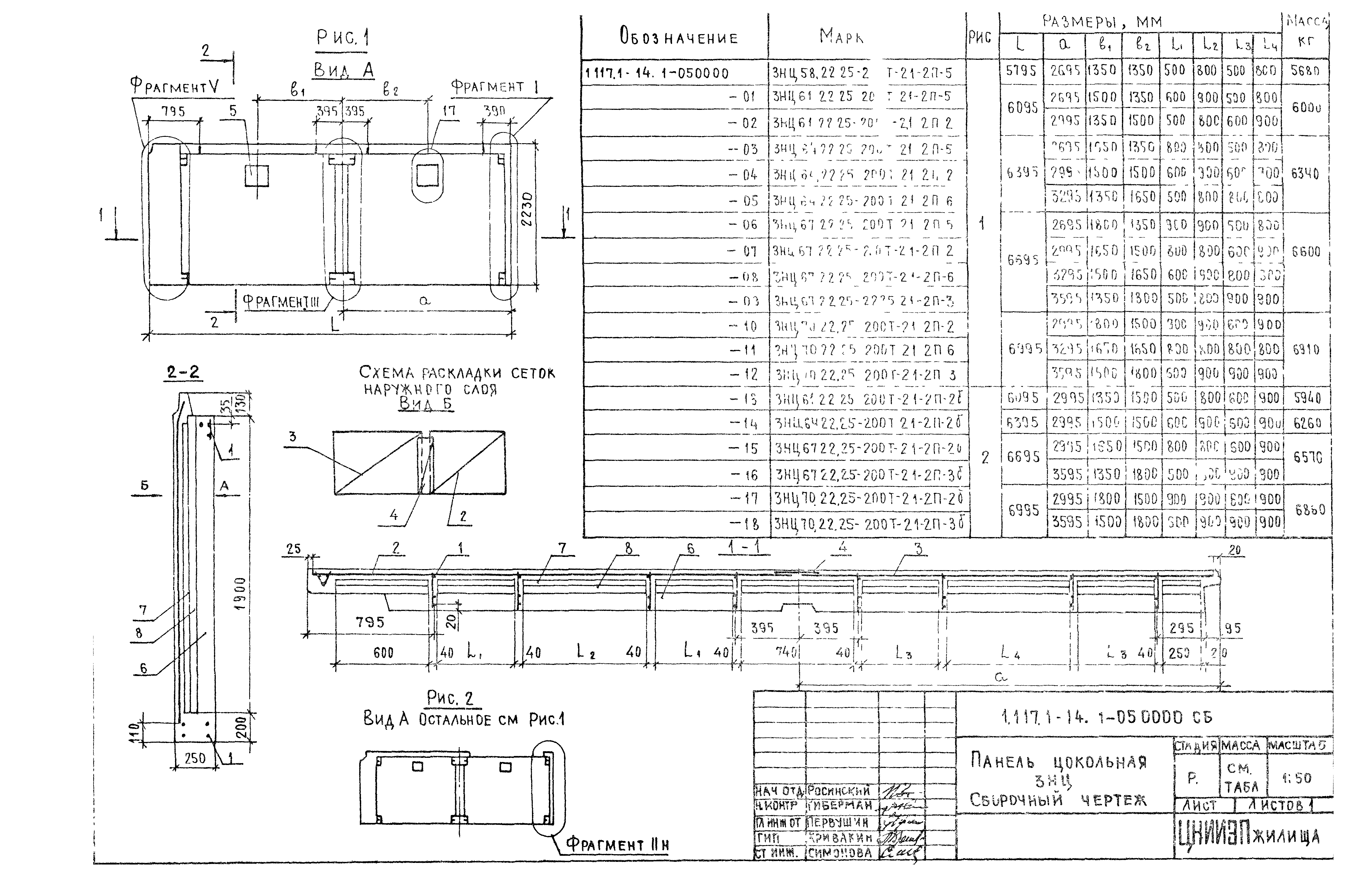
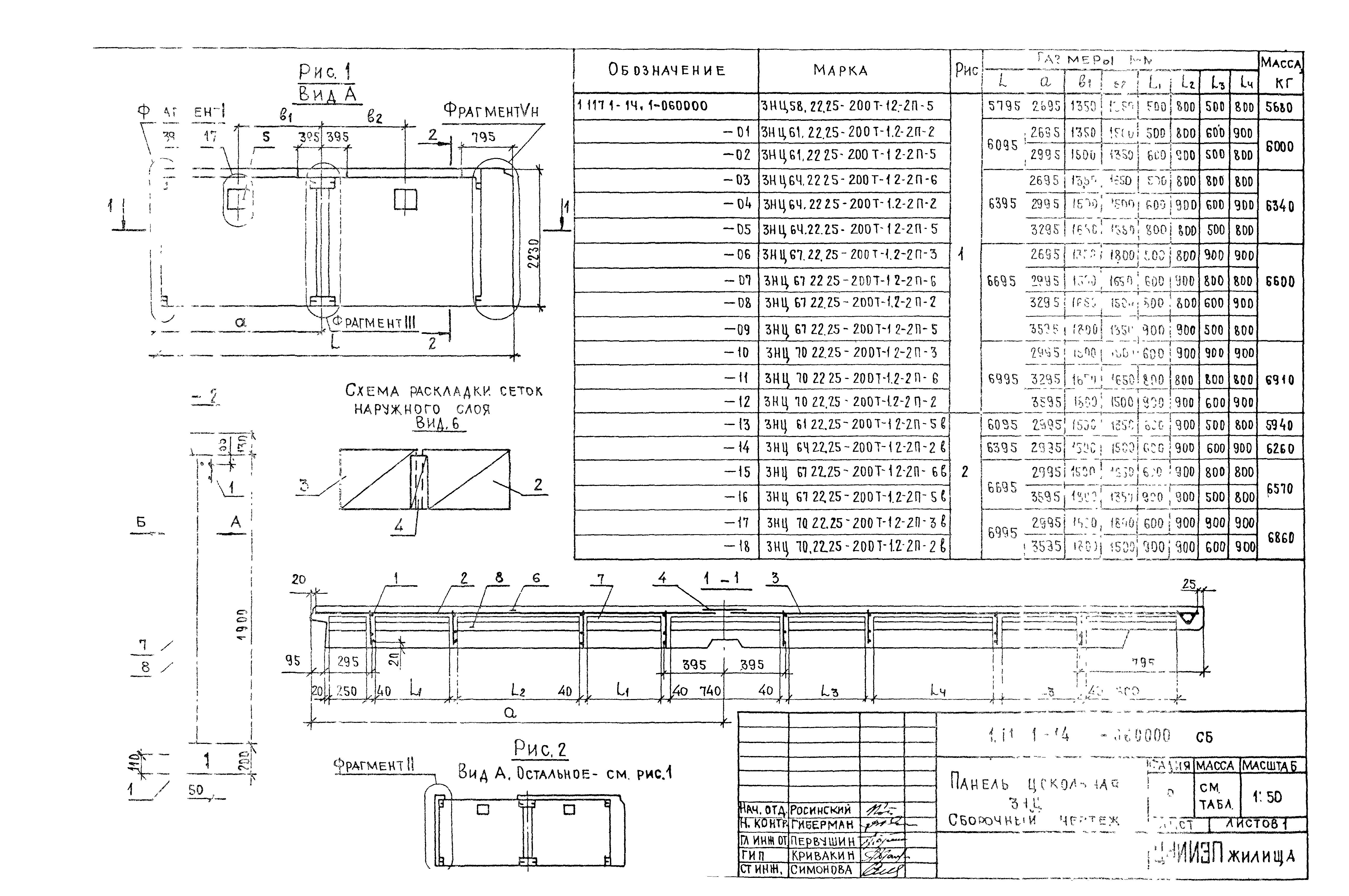
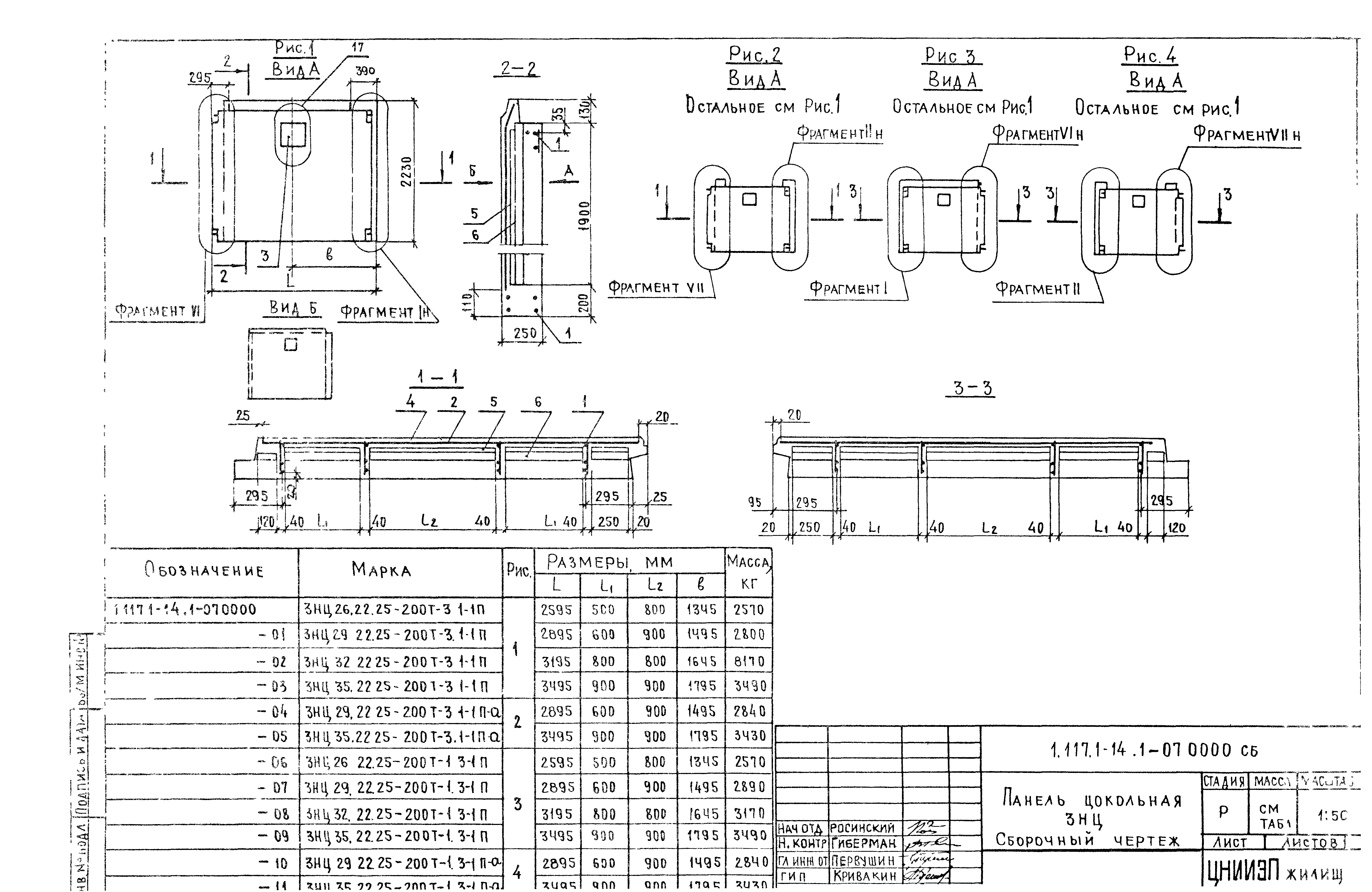
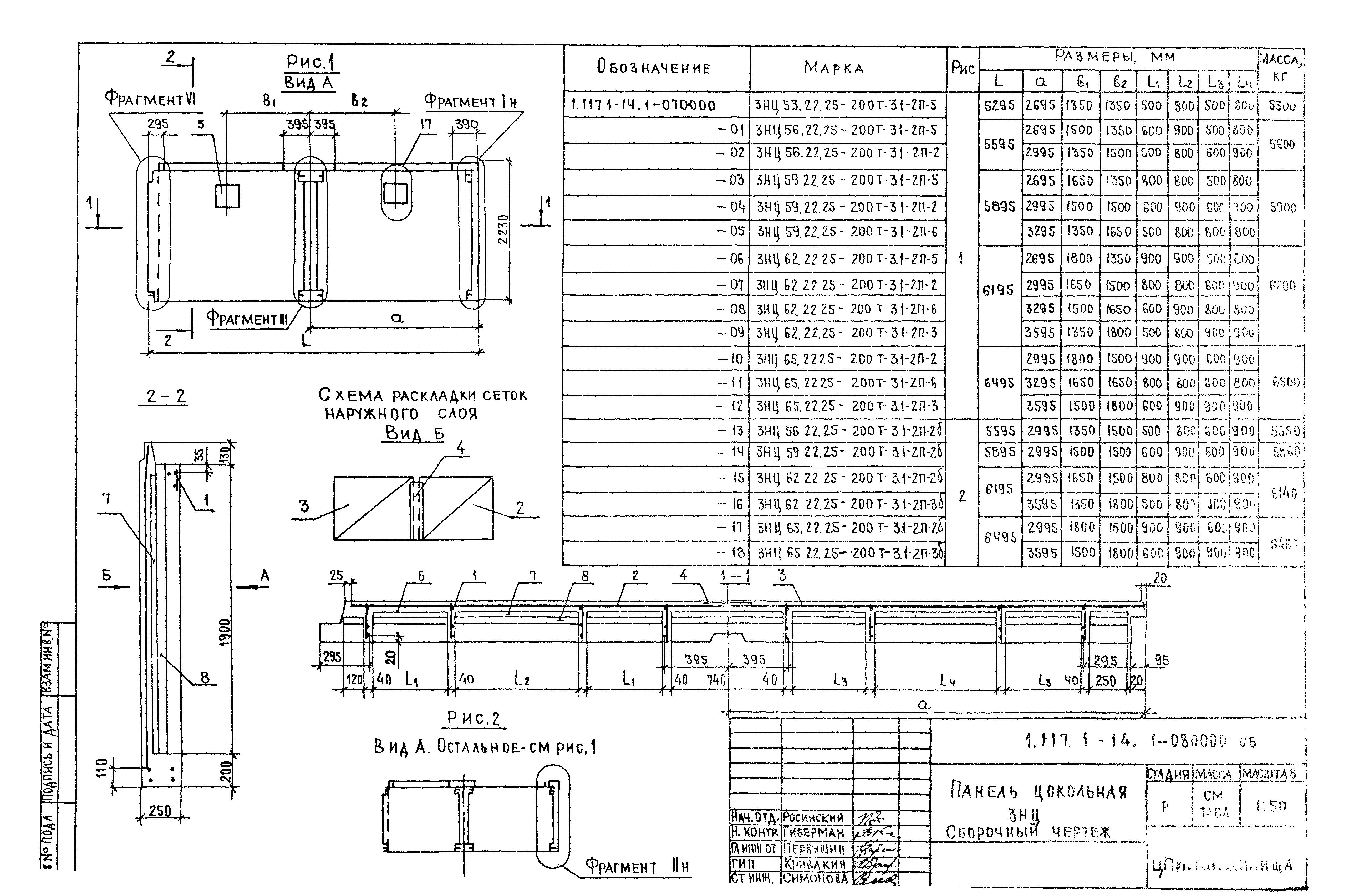
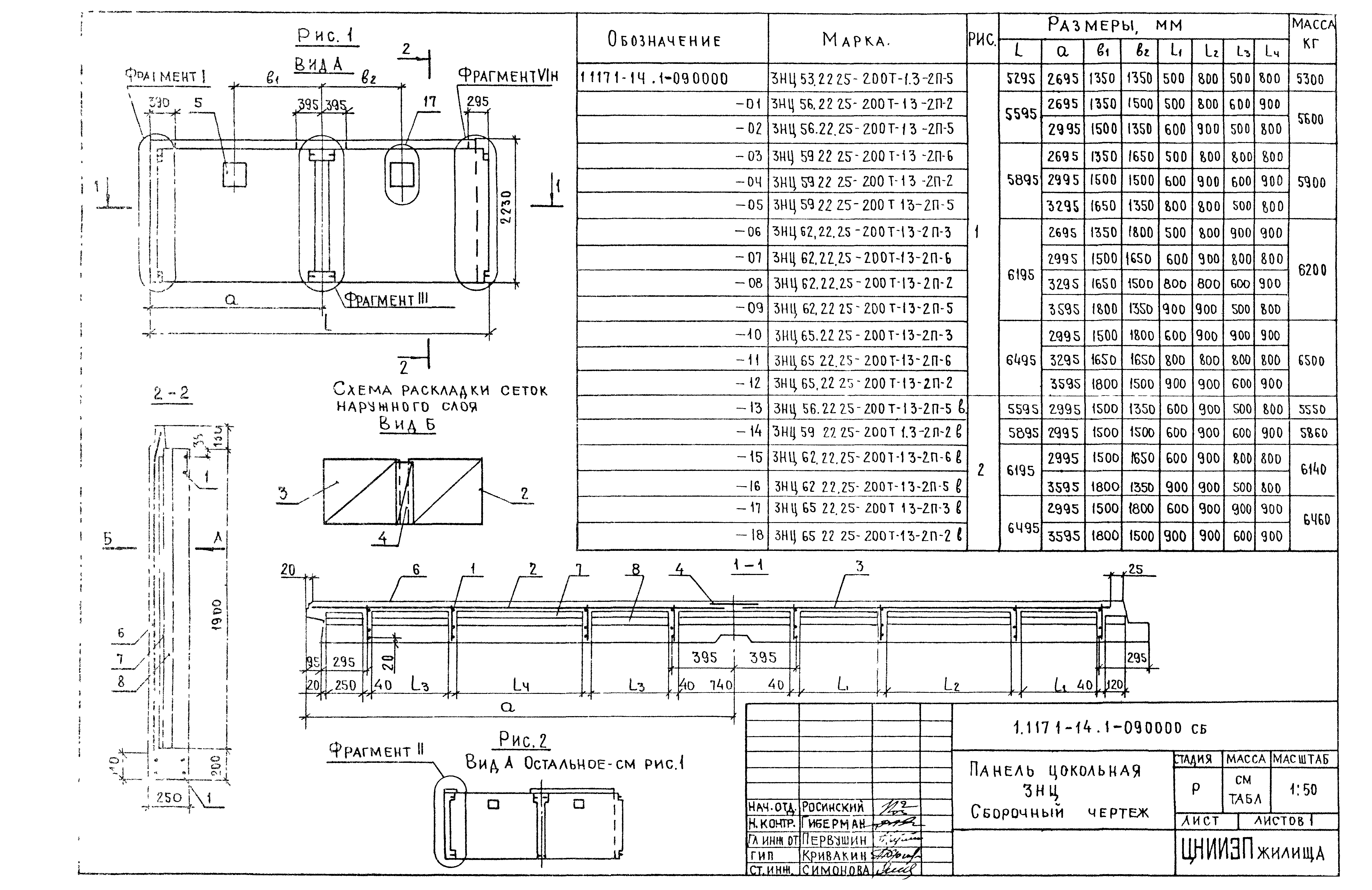
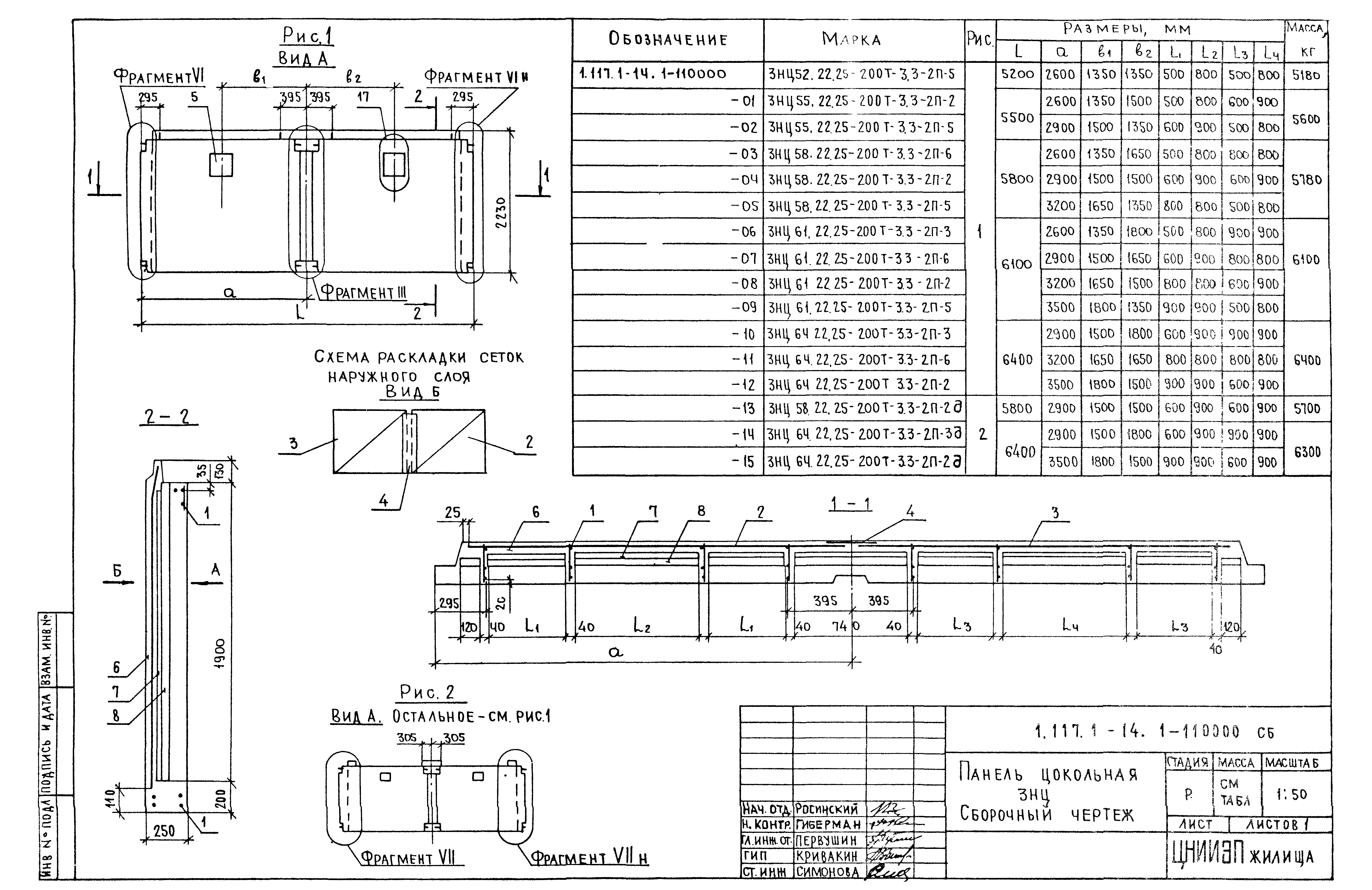
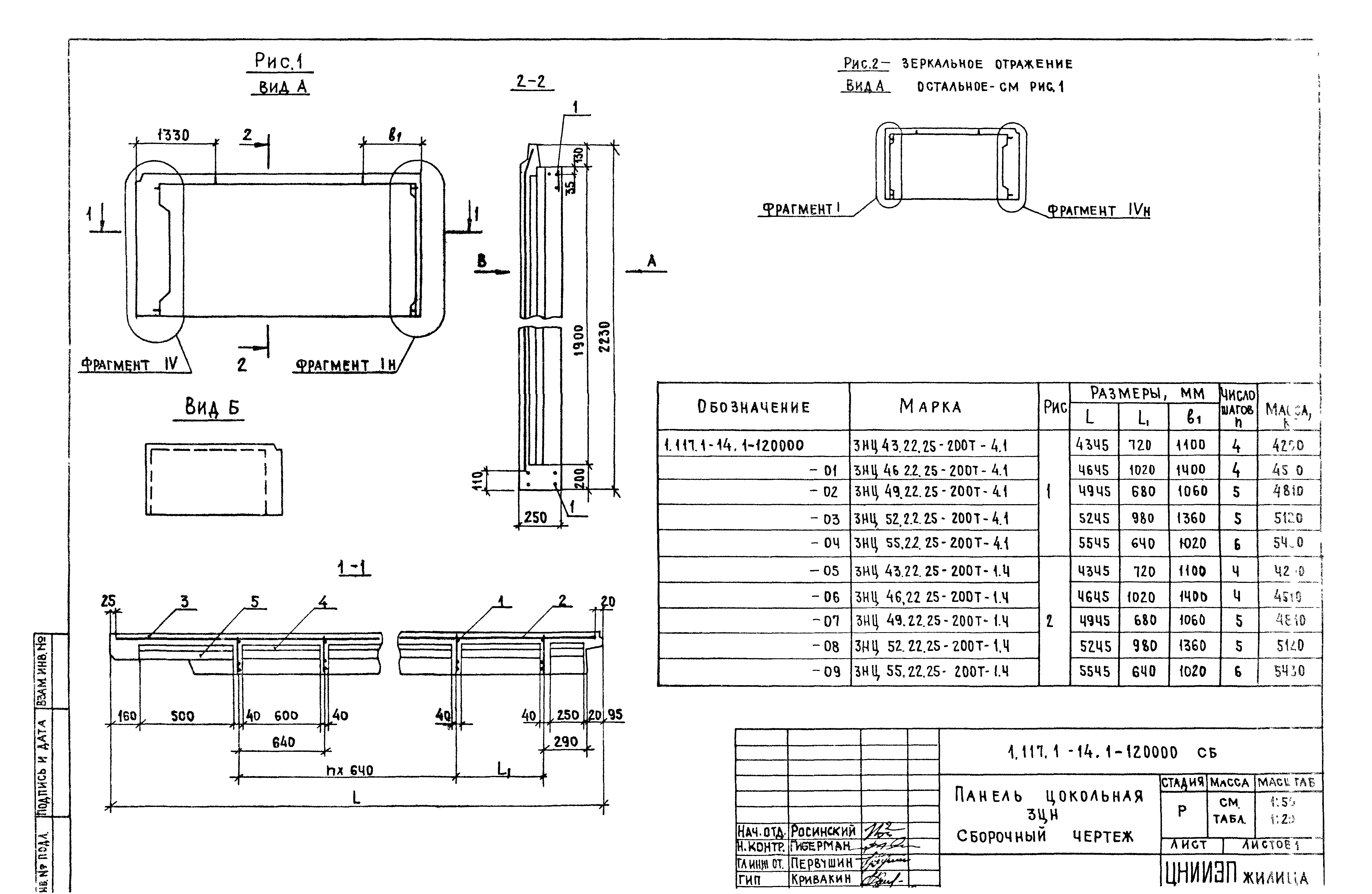
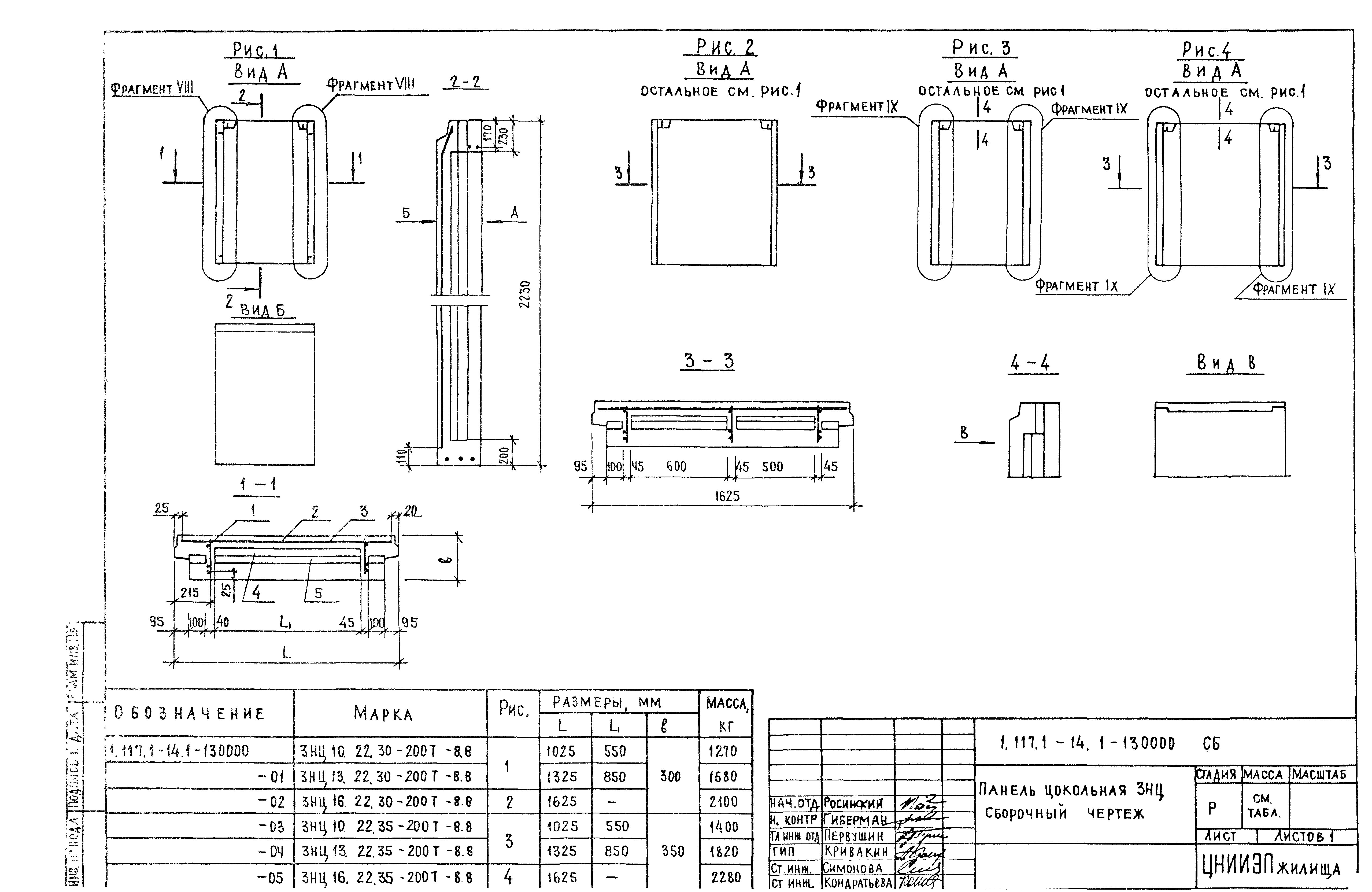
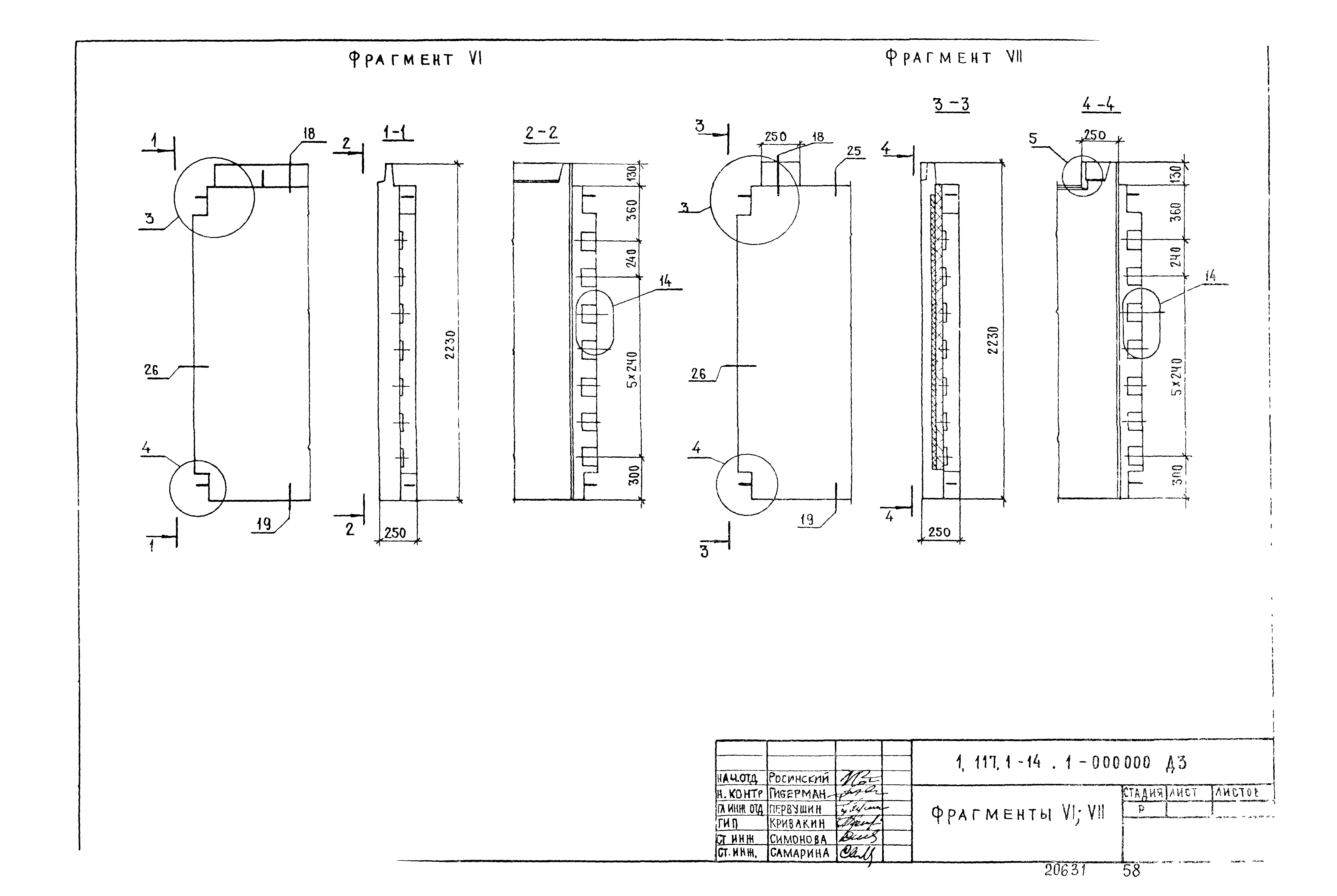
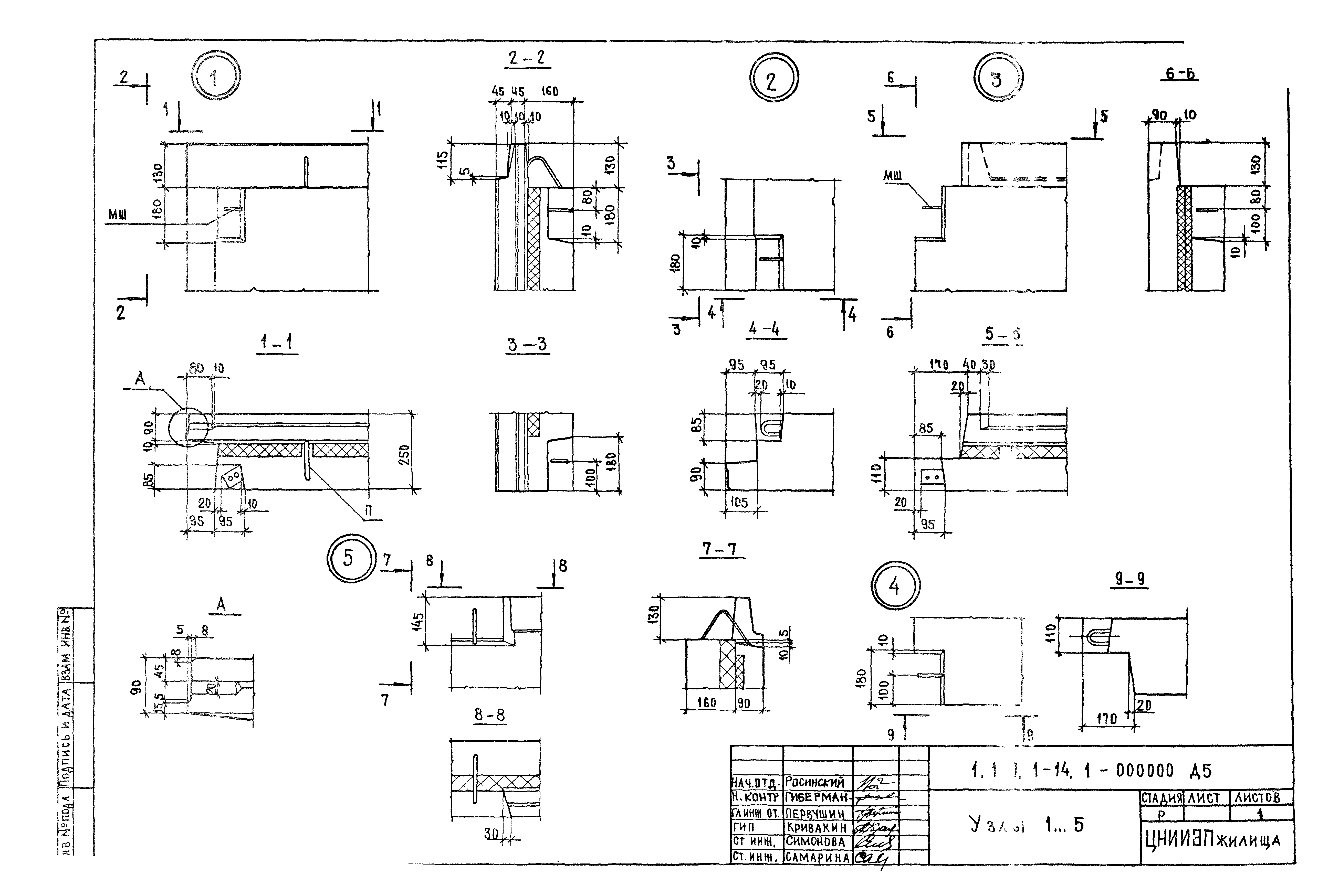
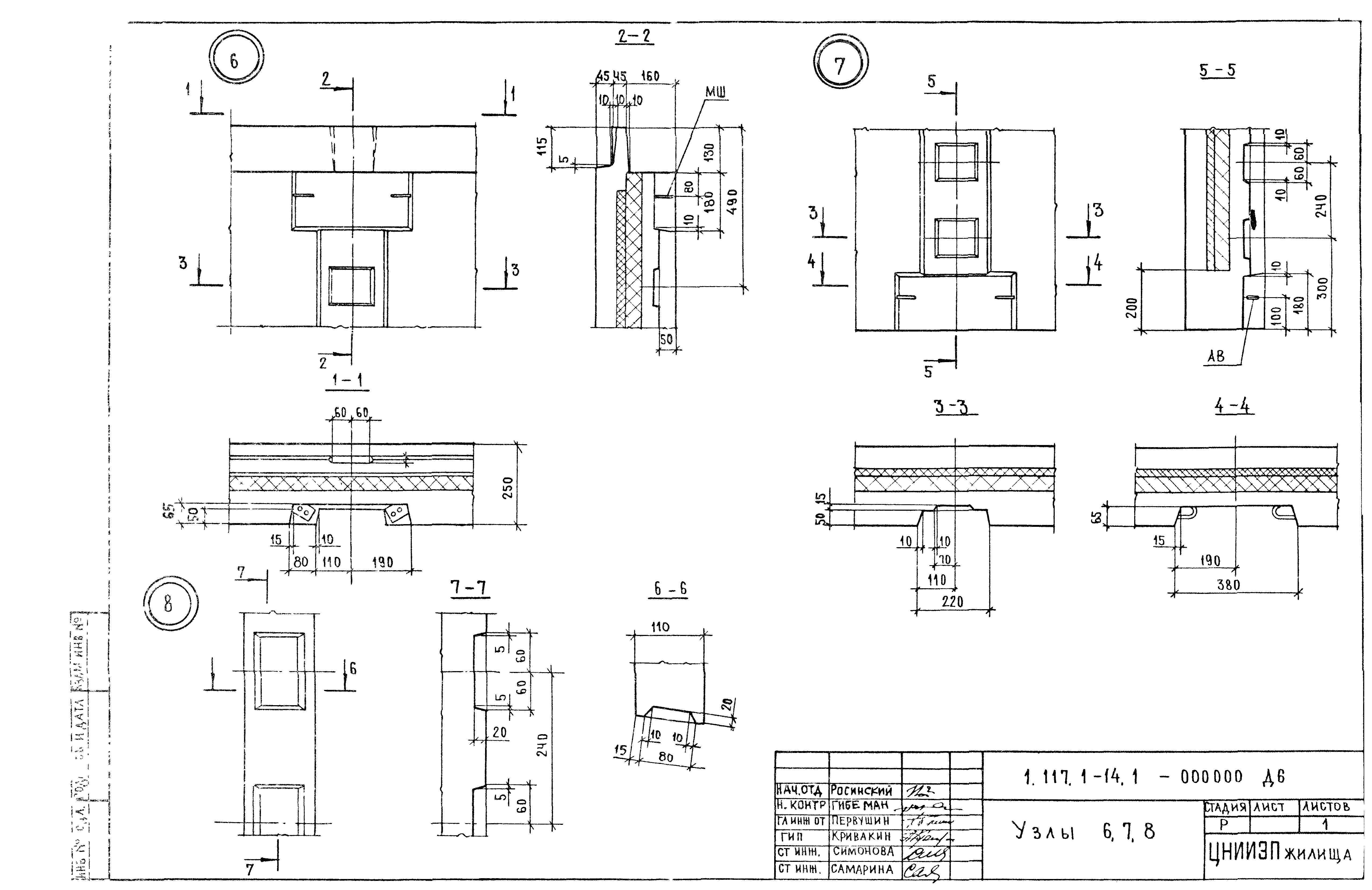
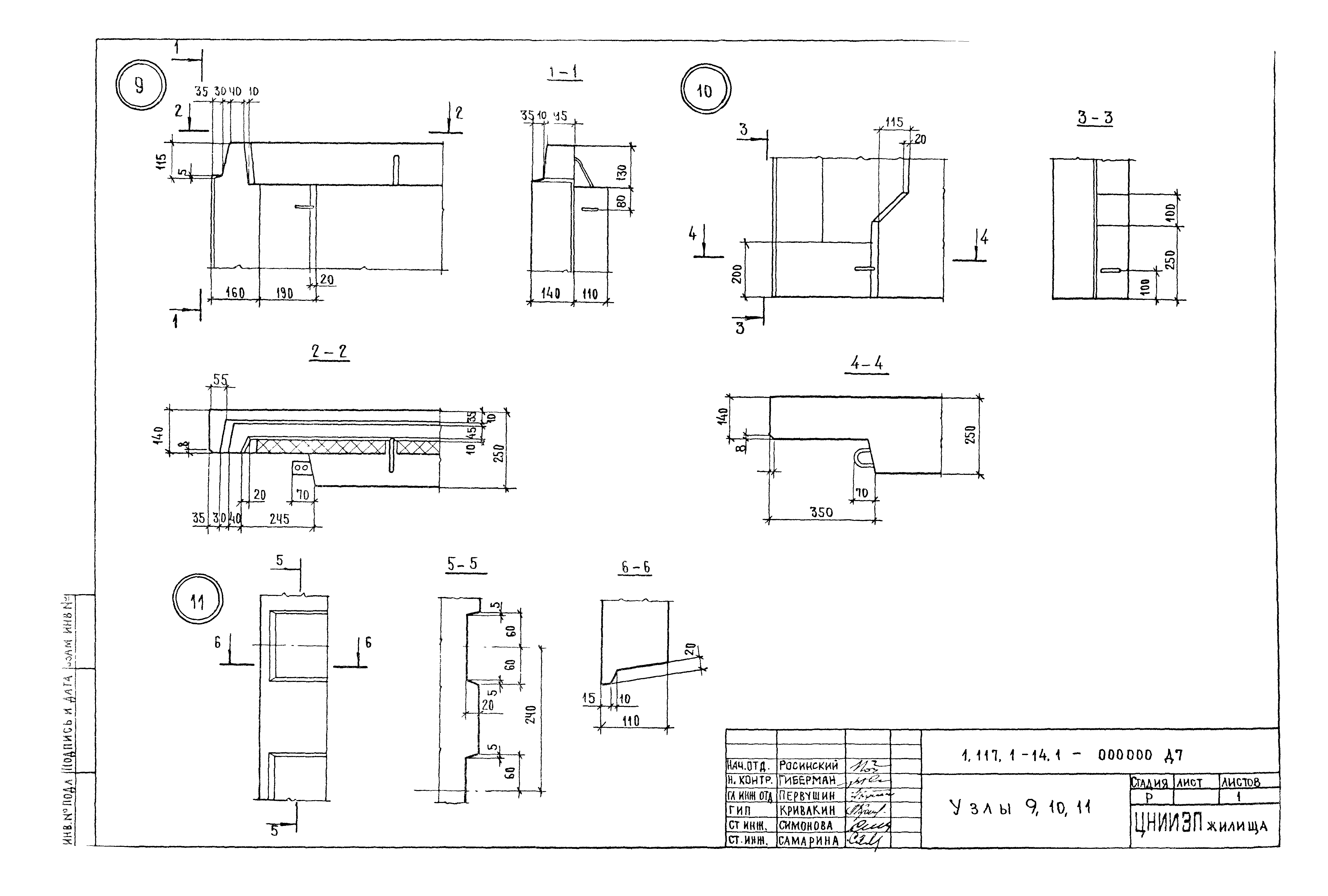
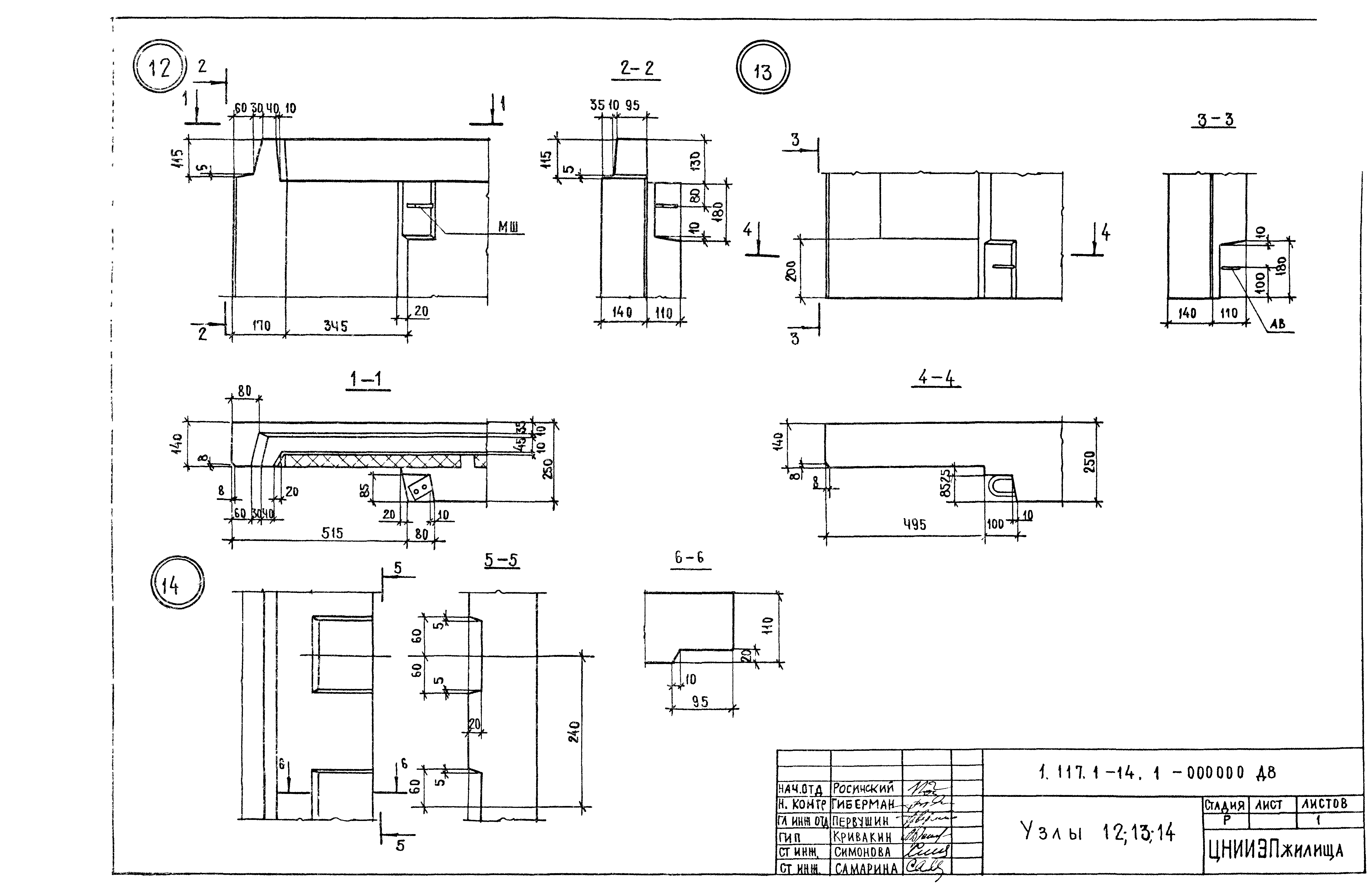
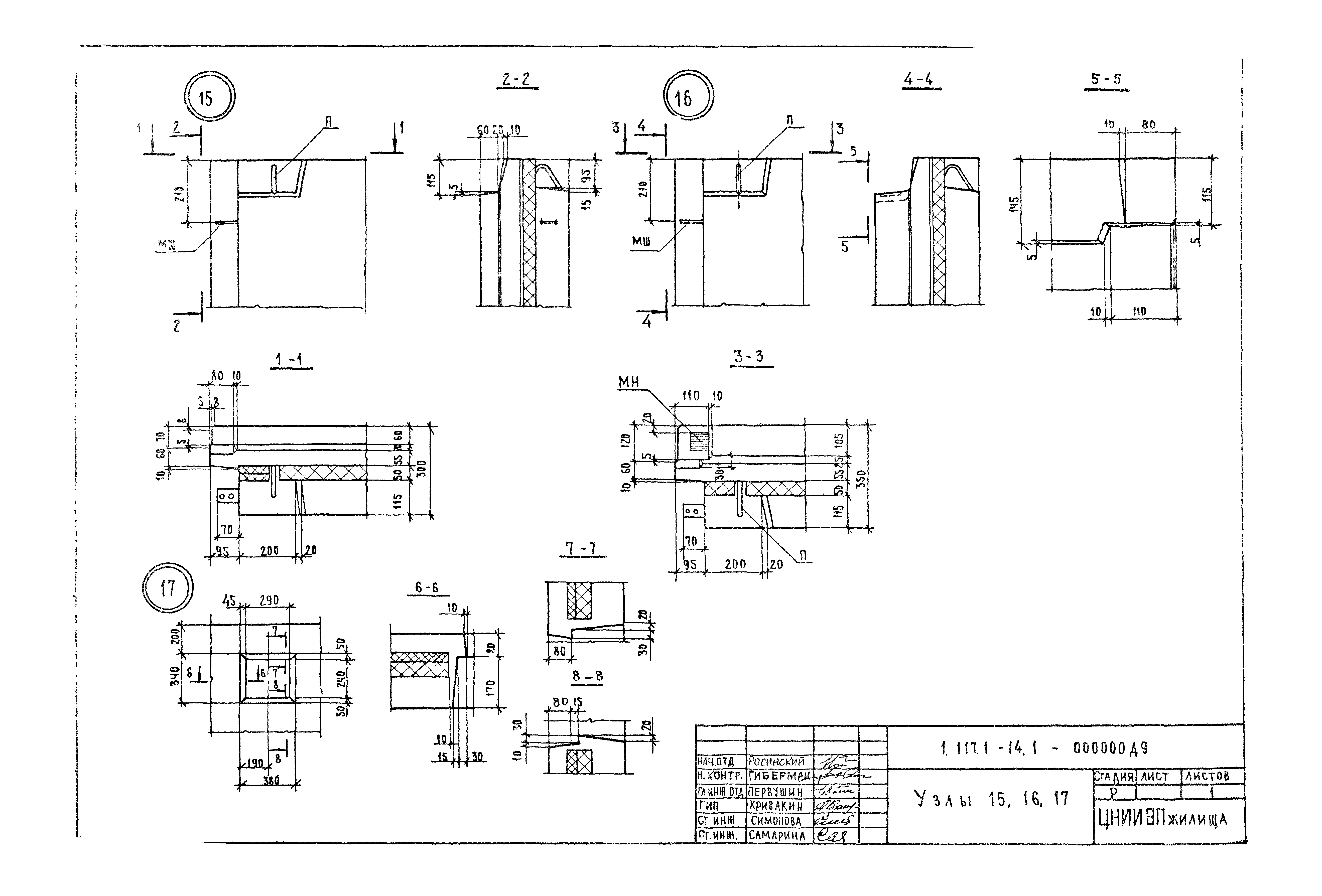
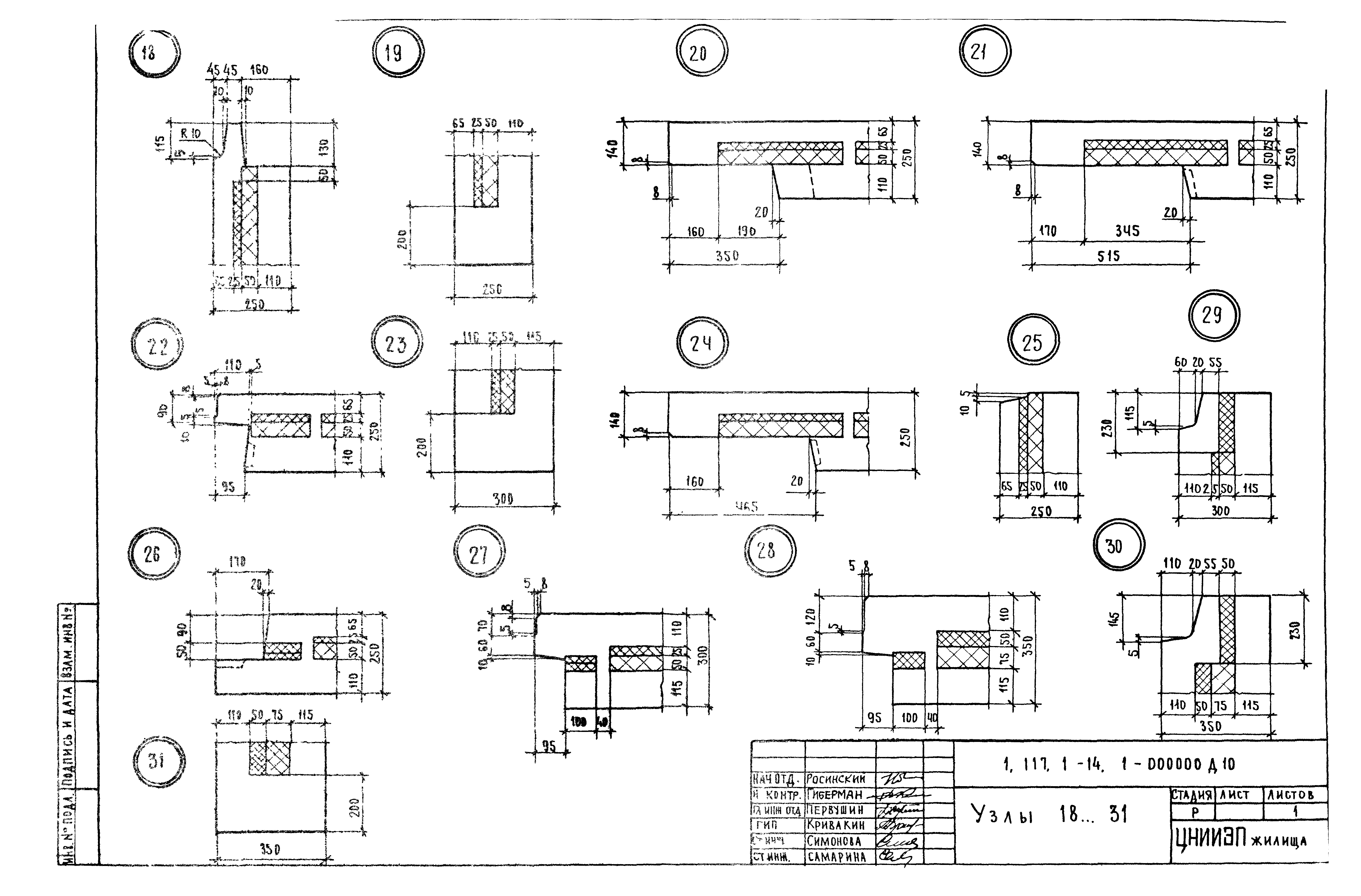
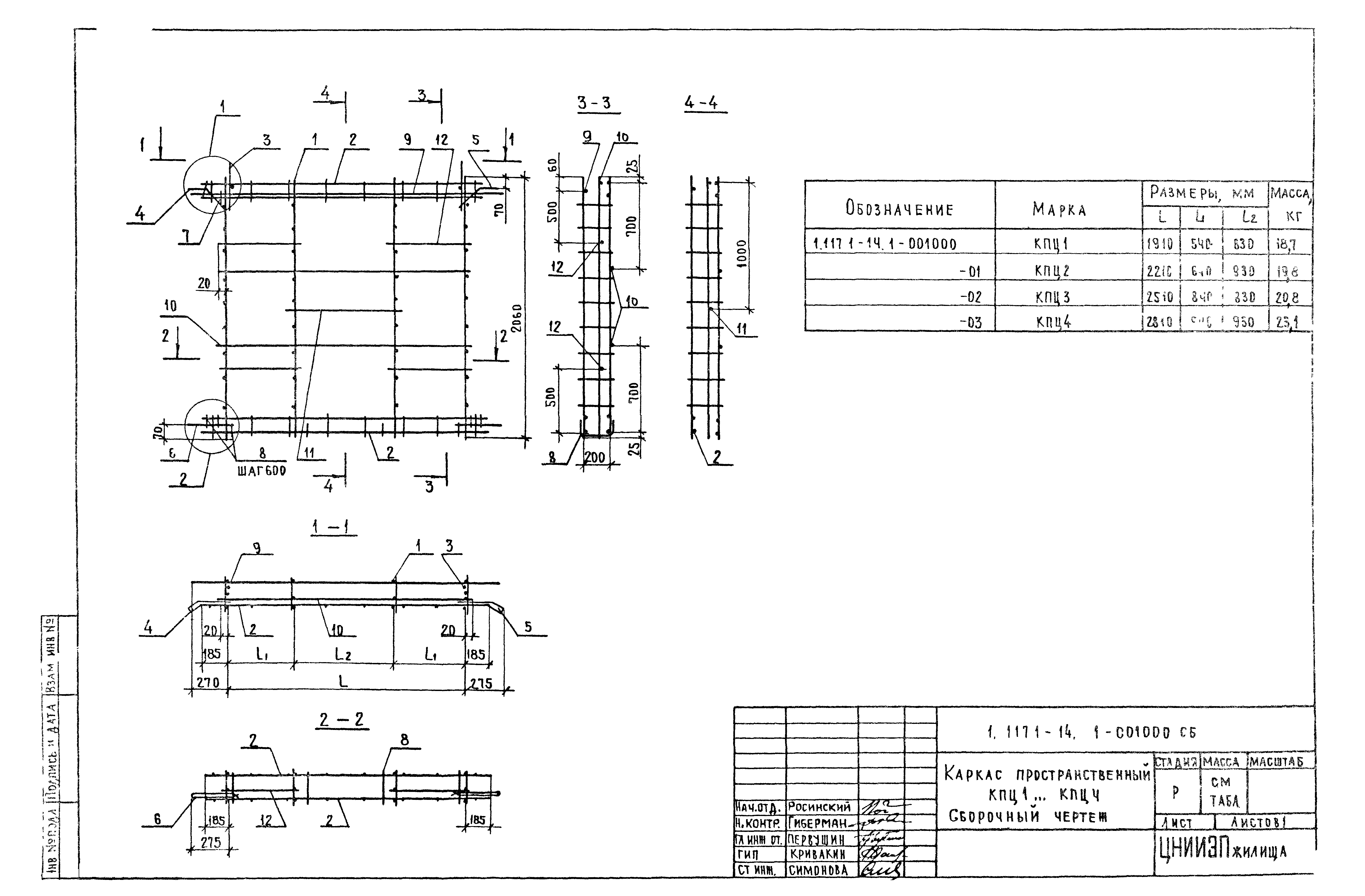
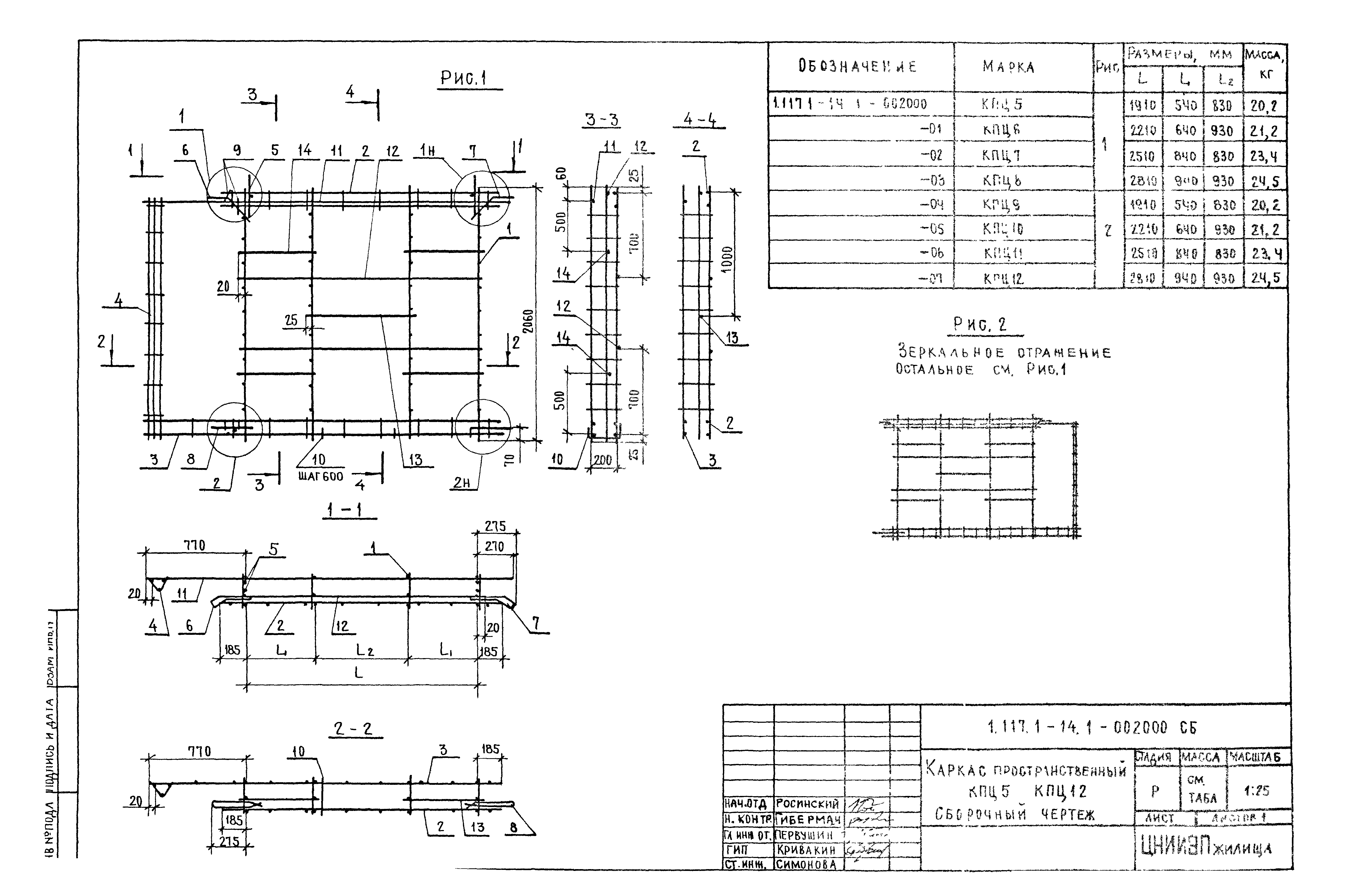
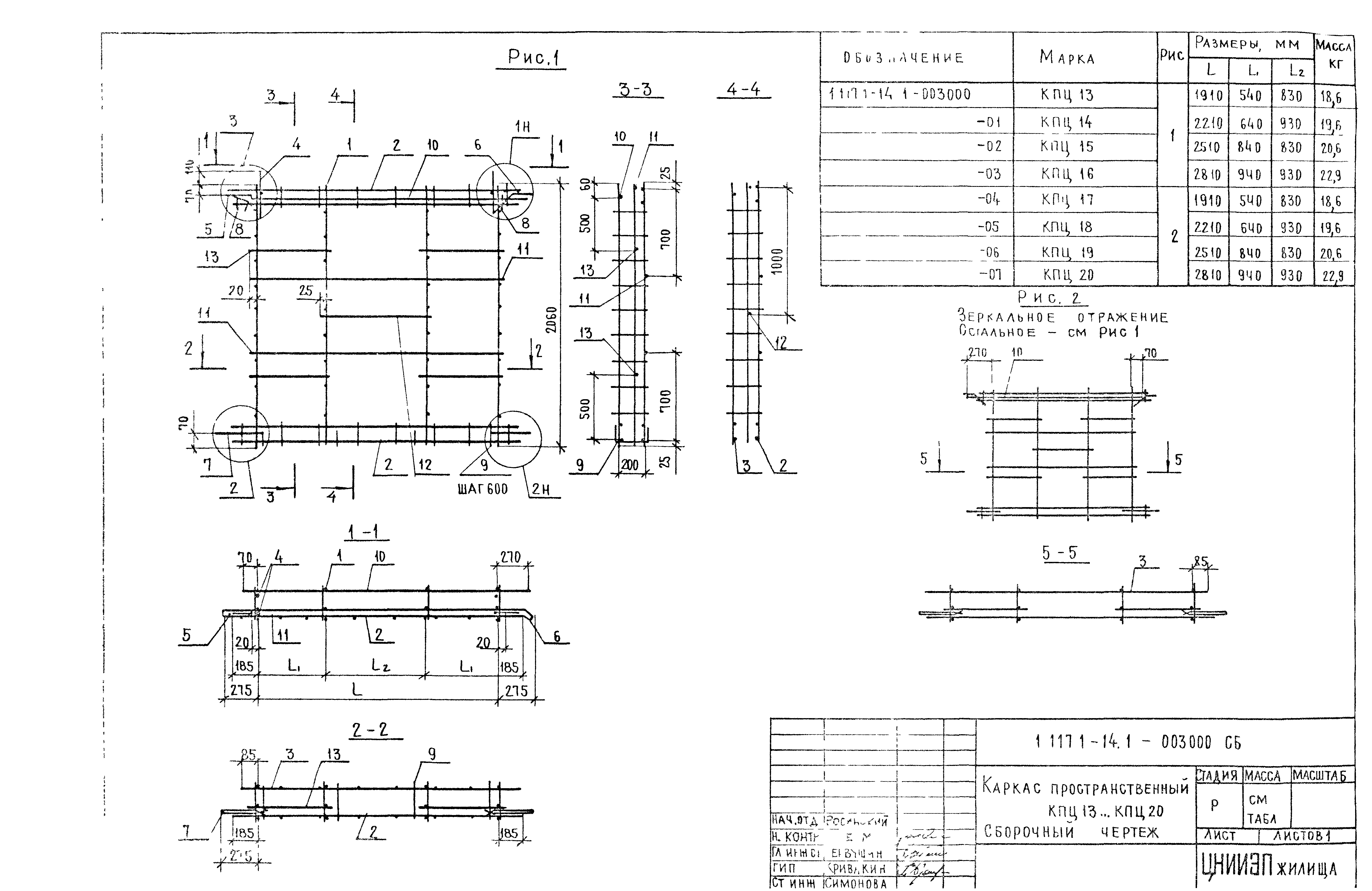
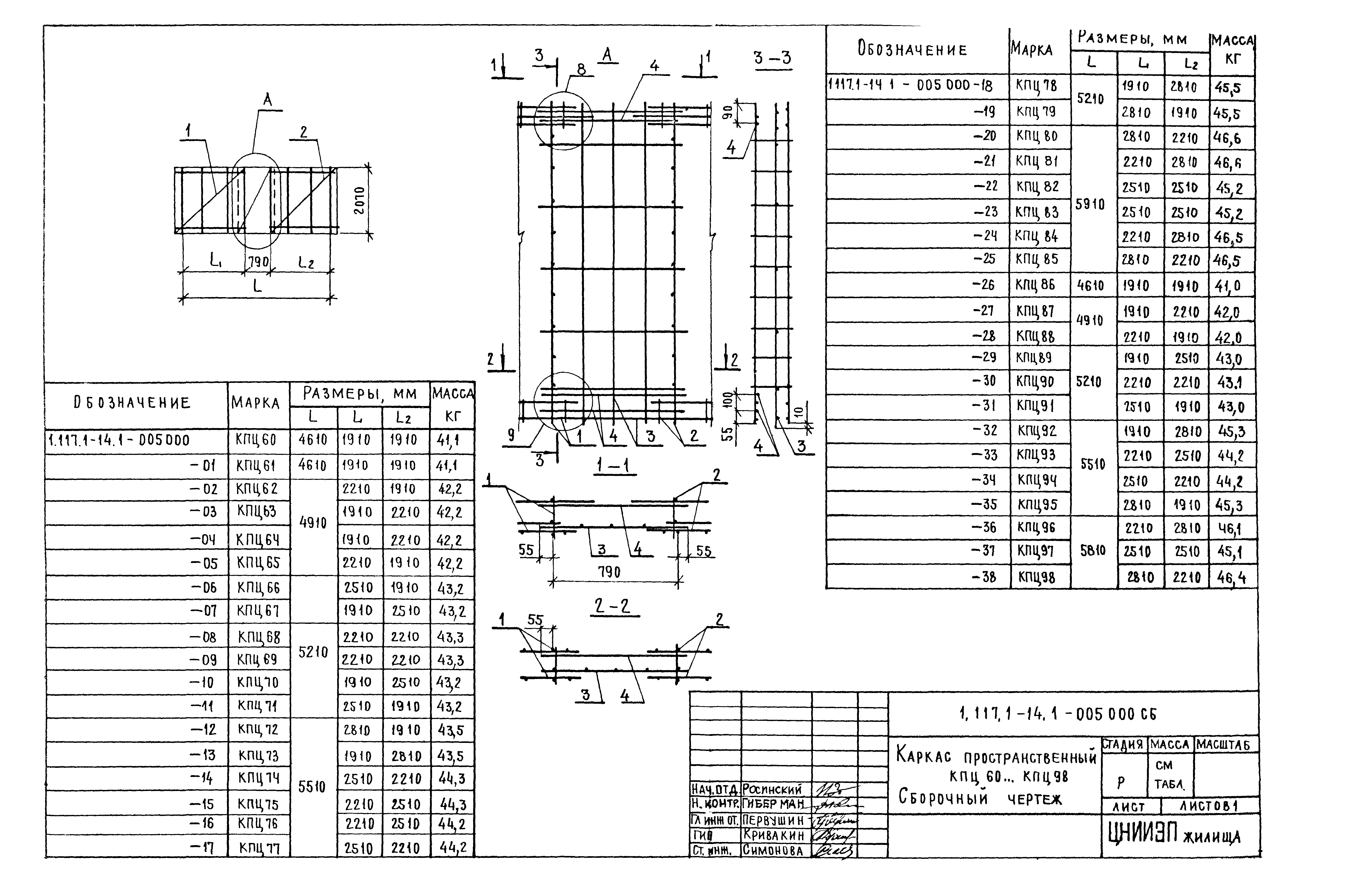
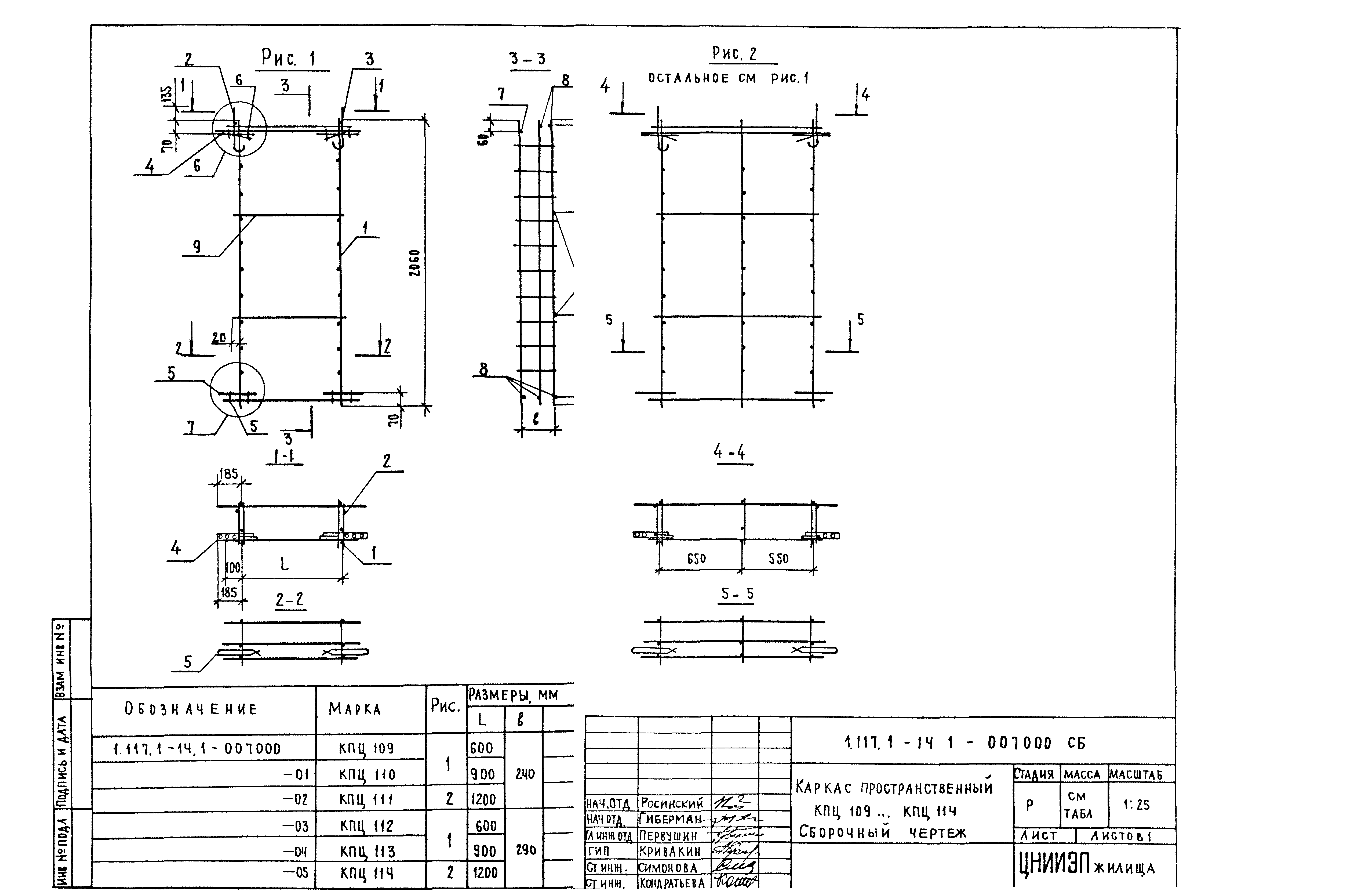
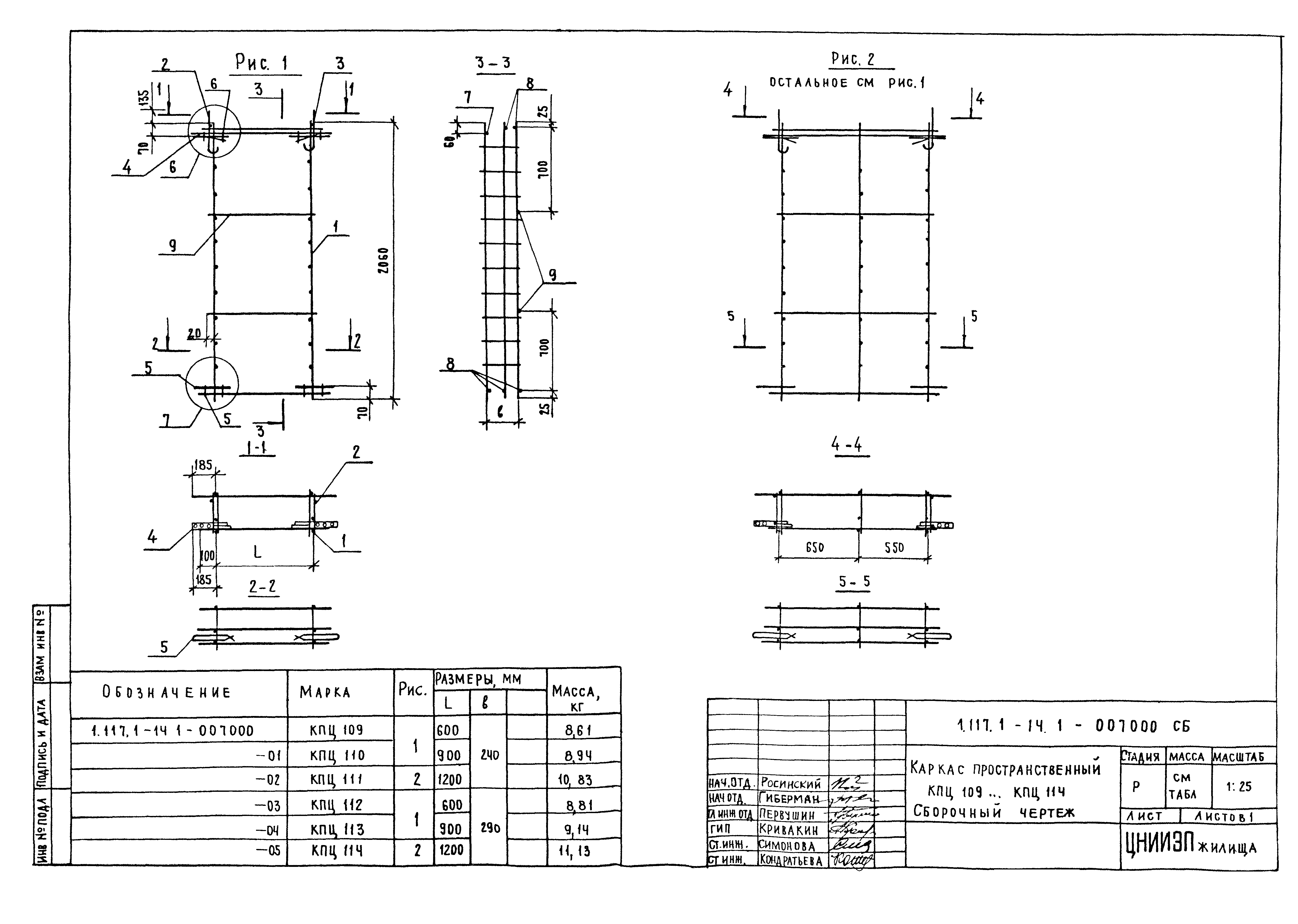
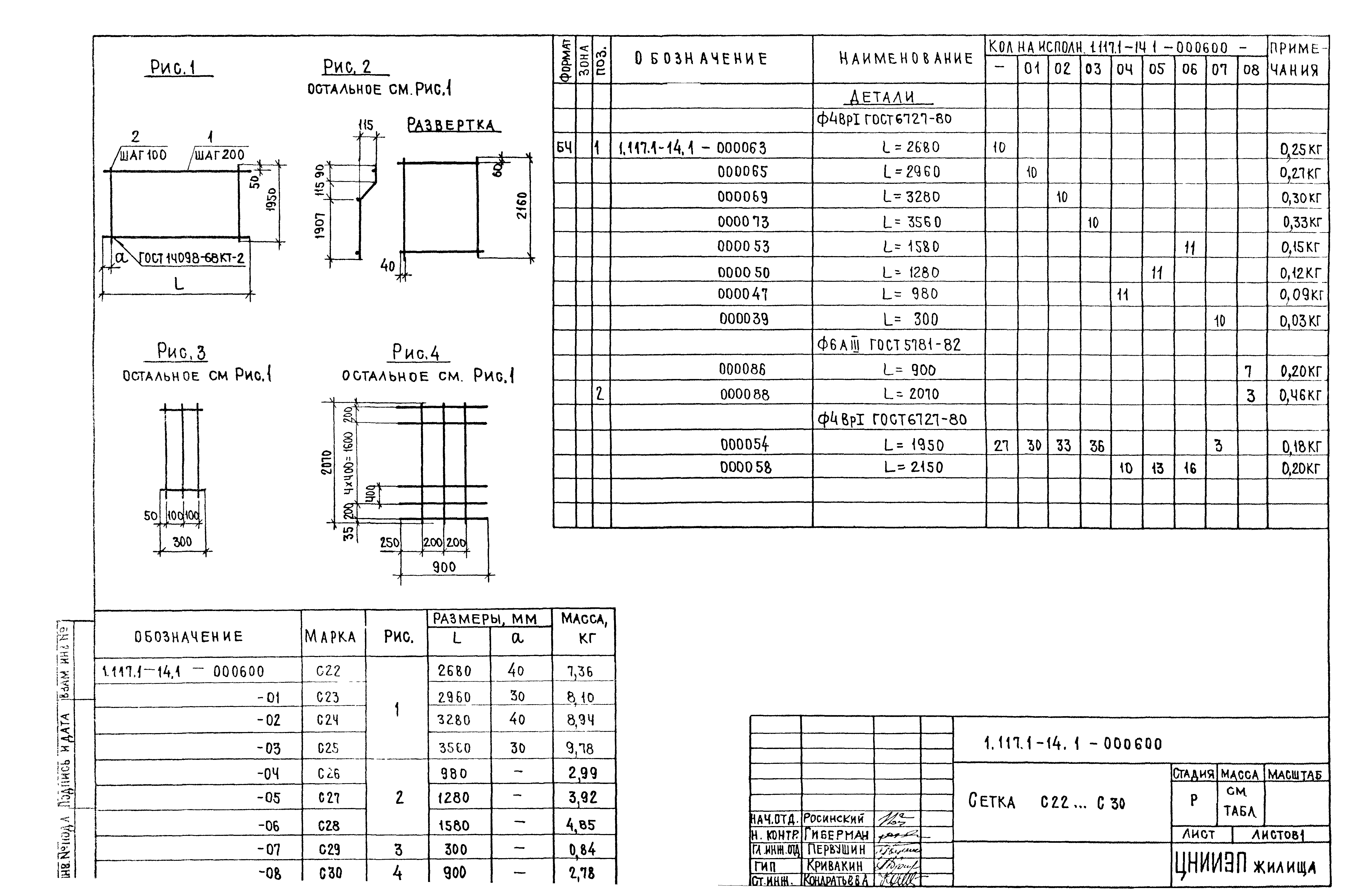
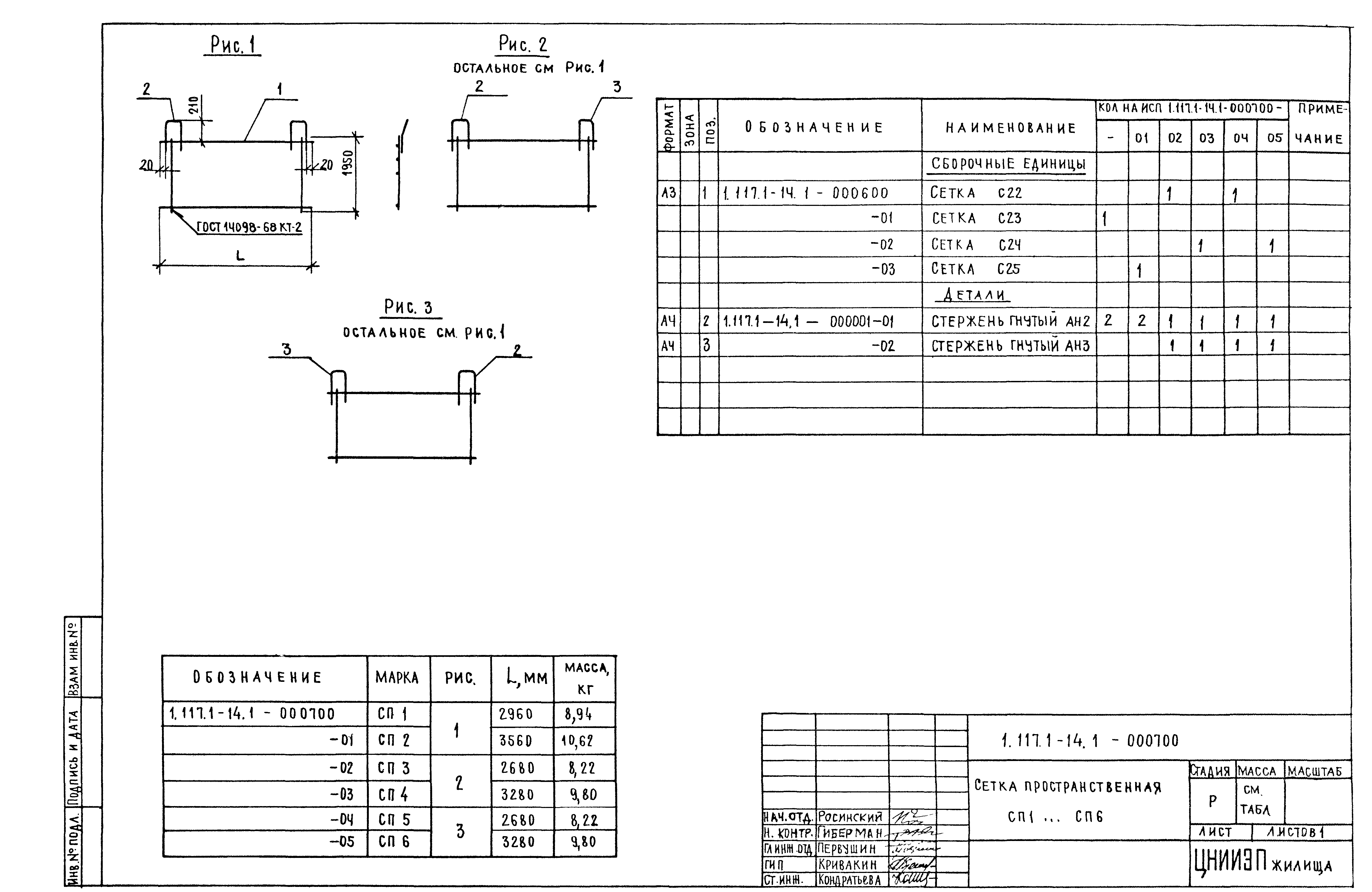
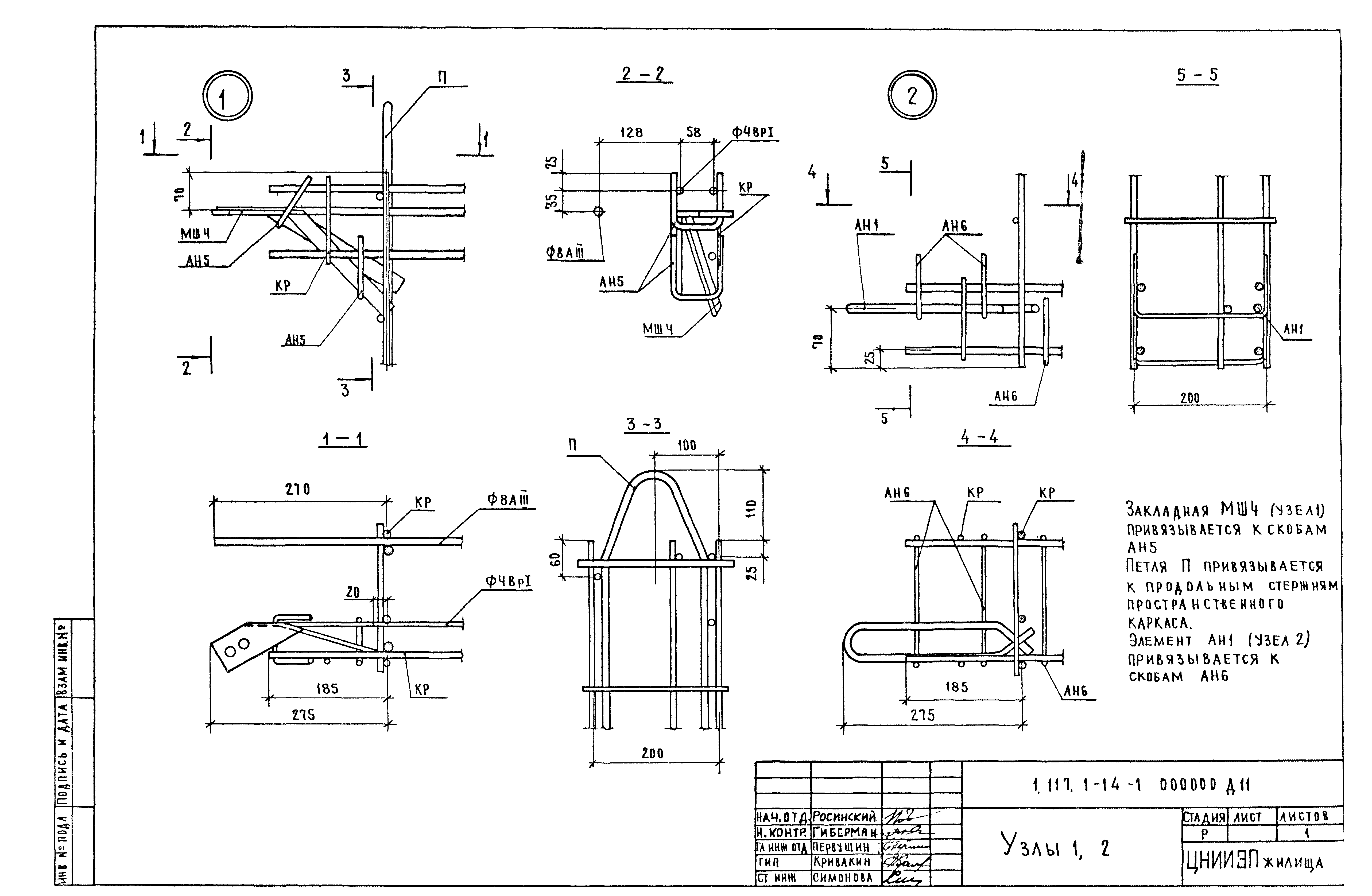
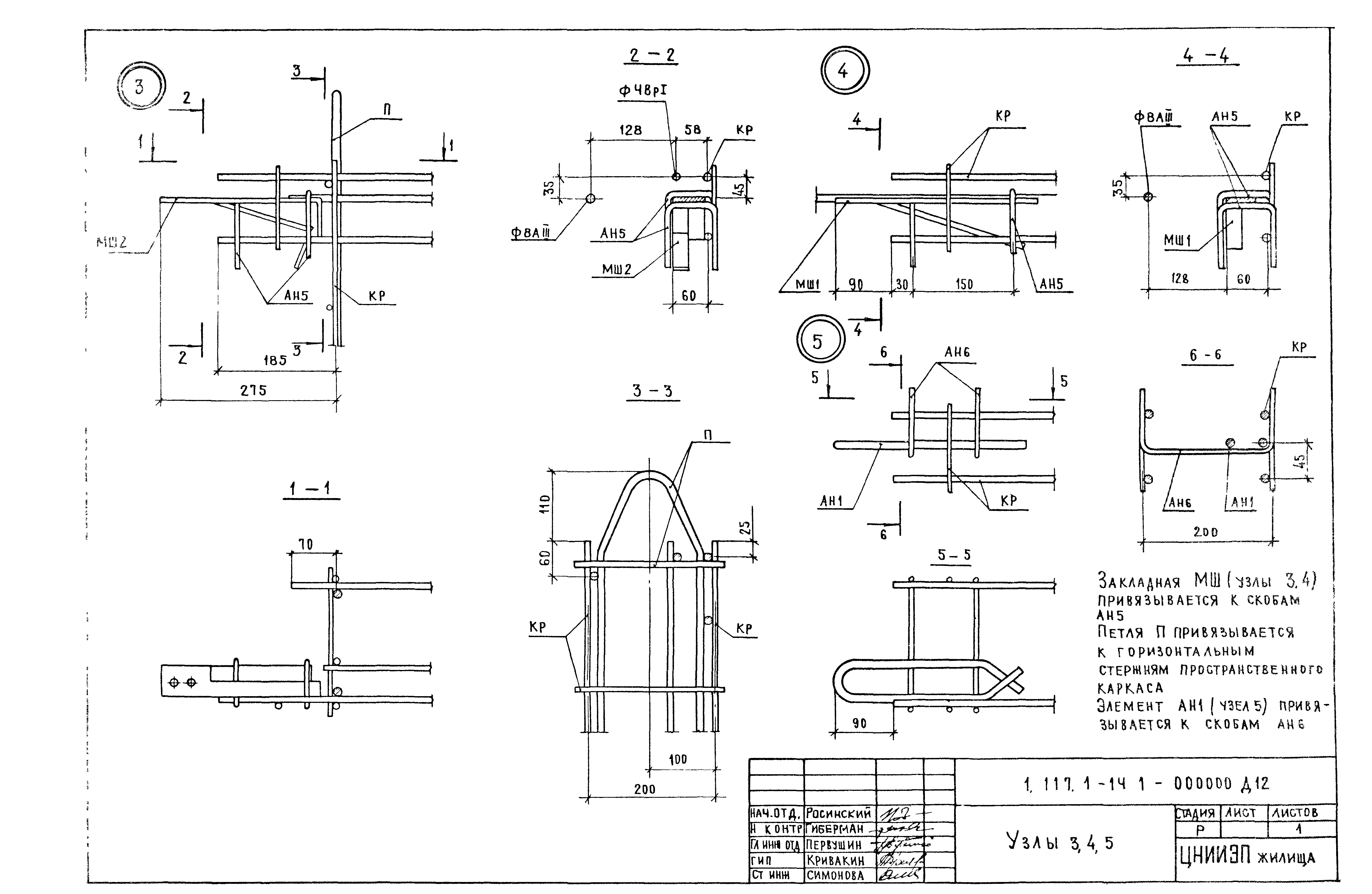
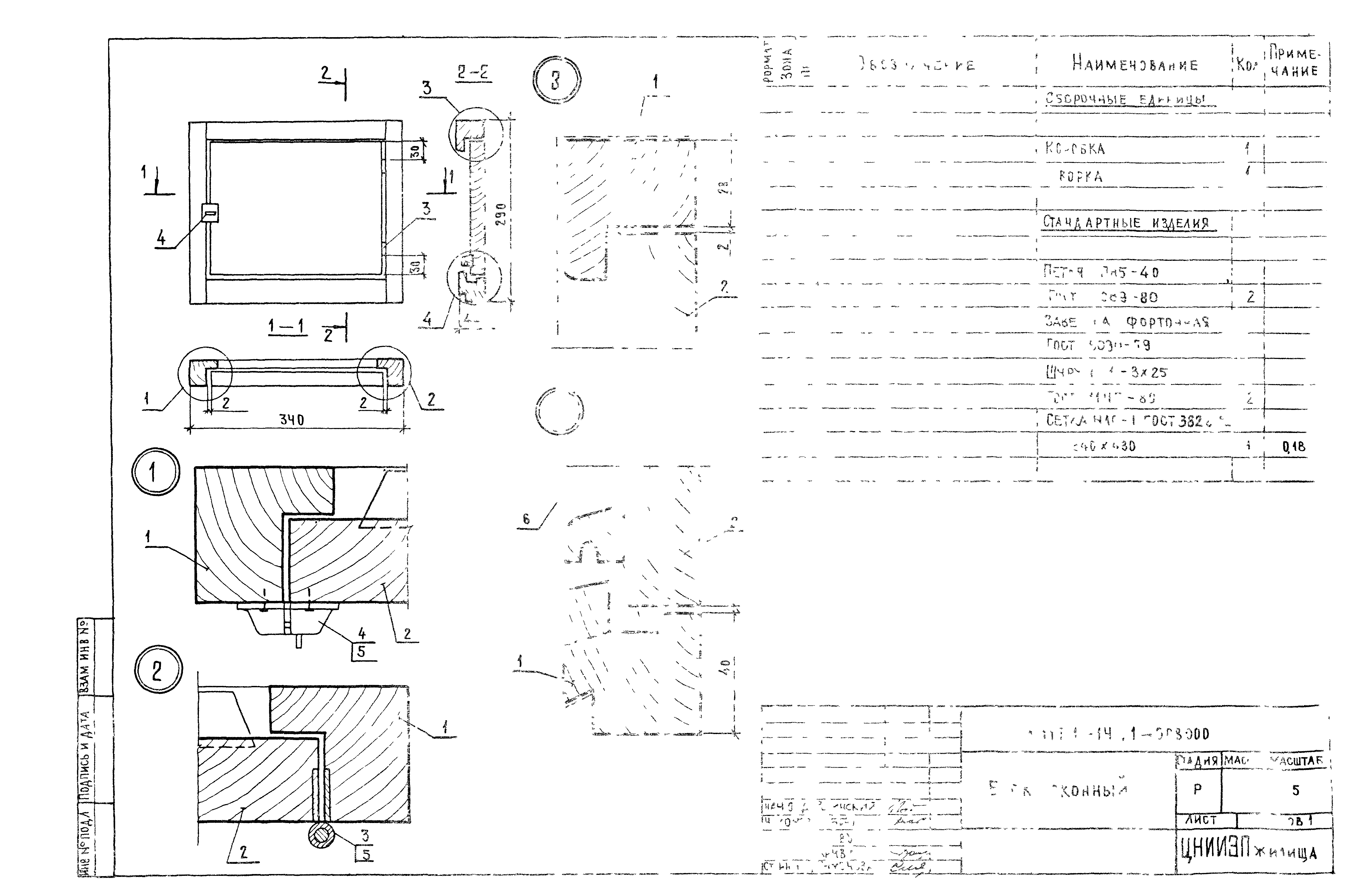
| Оглавление: | 1.117.1-14.1-000000 ТО Техническое описание 1.117.1-14.1-010000 Панель цокольная ЗНЦ 1.117.1-14.1-010000 СБ Панель цокольная ЗНЦ Сборочный чертеж 1.117.1-14.1-020000 Панель цокольная ЗНЦ 1.117.1-14.1-020000 СБ Панель цокольная ЗНЦ Сборочный чертеж 1.117.1-14.1-030000 Панель цокольная ЗНЦ 1.117.1-14.1-030000 СБ Панель цокольная ЗНЦ Сборочный чертеж 1.117.1-14.1-040000 Панель цокольная ЗНЦ 1.117.1-14.1-040000 СБ Панель цокольная ЗНЦ Сборочный чертеж 1.117.1-14.1-050000 Панель цокольная ЗНЦ 1.117.1-14.1-050000 СБ Панель цокольная ЗНЦ Сборочный чертеж 1.117.1-14.1-060000 Панель цокольная ЗНЦ 1.117.1-14.1-060000 СБ Панель цокольная ЗНЦ Сборочный чертеж 1.117.1-14.1-070000 Панель цокольная ЗНЦ 1.117.1-14.1-070000 СБ Панель цокольная ЗНЦ Сборочный чертеж 1.117.1-14.1-080000 Панель цокольная ЗНЦ 1.117.1-14.1-080000 СБ Панель цокольная ЗНЦ Сборочный чертеж 1.117.1-14.1-090000 Панель цокольная ЗНЦ 1.117.1-14.1-090000 СБ Панель цокольная ЗНЦ Сборочный чертеж 1.117.1-14.1-100000 Панель цокольная ЗНЦ 1.117.1-14.1-100000 СБ Панель цокольная ЗНЦ Сборочный чертеж 1.117.1-14.1-110000 Панель цокольная ЗНЦ 1.117.1-14.1-110000 СБ Панель цокольная ЗНЦ Сборочный чертеж 1.117.1-14.1-120000 Панель цокольная ЗНЦ 1.117.1-14.1-120000 СБ Панель цокольная ЗНЦ Сборочный чертеж 1.117.1-14.1-130000 Панель цокольная ЗНЦ 1.117.1-14.1-130000 СБ Панель цокольная ЗНЦ Сборочный чертеж 1.117.1-14.1-000000 Д1 Фрагменты I, II, III 1.117.1-14.1-000000 Д2 Фрагменты IV, V 1.117.1-14.1-000000 Д3 Фрагменты VI, VII 1.117.1-14.1-000000 Д4 Фрагменты VIII, IX 1.117.1-14.1-000000 Д5 Узлы 1… 5 1.117.1-14.1-000000 Д6 Узлы 6, 7, 8 1.117.1-14.1-000000 Д7 Узлы 9, 10, 11 1.117.1-14.1-000000 Д8 Узлы 12, 13, 14 1.117.1-14.1-000000 Д9 Узлы 15, 16, 17 1.117.1-14.1-000000 Д10 Узлы 18… 31 1.117.1-14.1-001000 Каркас пространственный КПЦ1… КПЦ4 1.117.1-14.1-001000 СБ Каркас пространственный КПЦ1… КПЦ4. Сборочный чертеж 1.117.1-14.1-002000 Каркас пространственный КПЦ5… КПЦ12 1.117.1-14.1-002000 СБ Каркас пространственный КПЦ5… КПЦ12. Сборочный чертеж 1.117.1-14.1-003000 Каркас пространственный КПЦ13… КПЦ20 1.117.1-14.1-003000 СБ Каркас пространственный КПЦ13… КПЦ20. Сборочный чертеж 1.117.1-14.1-004000 Каркас пространственный КПЦ21… КПЦ59 1.117.1-14.1-004000 СБ Каркас пространственный КПЦ21… КПЦ59. Сборочный чертеж 1.117.1-14.1-005000 Каркас пространственный КПЦ60… КПЦ98 1.117.1-14.1-005000 СБ Каркас пространственный КПЦ60… КПЦ98. Сборочный чертеж 1.117.1-14.1-006000 Каркас пространственный КПЦ99… КПЦ108 1.117.1-14.1-006000 СБ Каркас пространственный КПЦ99… КПЦ108. Сборочный чертеж 1.117.1-14.1-007000 Каркас пространственный КПЦ109… КПЦ114 1.117.1-14.1-007000 СБ Каркас пространственный КПЦ109… КПЦ114. Сборочный чертеж 1.117.1-14.1-000100 Каркас плоский КР1… КР12 1.117.1-14.1-000200 Каркас плоский КР13… КР21 1.117.1-14.1-000300 Каркас плоский КР22… КР25 1.117.1-14.1-000400 Сетка плоская С1… С12 1.117.1-14.1-000500 Сетка плоская С13… С21 1.117.1-14.1-000600 Сетка плоская С22… С30 1.117.1-14.1-000700 Сетка пространственная СП1… СП6 1.117.1-14.1-000800 Петля строповочная П1… П6 1.117.1-14.1-000001 Стрежень гнутый АН1… АН3 1.117.1-14.1-000002 Стержень гнутый АН4… АН6 1.117.1-14.1-000000 Д11 Узлы 1, 2 1.117.1-14.1-000000 Д12 Узлы 3, 4 , 5 1.117.1-14.1-000000 Д13 Узлы 6, 7 1.117.1-14.1-000000 Д14 Узлы 8, 9 1.117.1-14.1-000800 Блок оконный 1.117.1-14.1-000810 Коробка 1.117.1-14.1-000820 Створка 1.117.1-14.1-009000 Заполнение оконного проема 1.117.1-14.1-000000 РС Ведомость расхода стали на элемент 1.117.1-14.1-000000 РМ Ведомость расхода материалов |
| Разработан: | ЦНИИЭП жилища |
| Утверждён: | 28.06.1985 Госгражданстрой (Gosgrazhdanstroy 194) |
| Нормативные ссылки: |
|
















































































































































