Скачать Серия 1.232.1-10 Выпуск 0. Состав серии. Указания по применению. Номенклатура изделийДата актуализации: 01.01.2021
|
| Обозначение: | Серия 1.232.1-10 |
| Обозначение англ: | Series 1.232.1-10 |
| Статус: | не определен законодательством |
| Название рус.: | Выпуск 0. Состав серии. Указания по применению. Номенклатура изделий |
| Дата добавления в базу: | 01.09.2013 |
| Дата актуализации: | 01.01.2021 |
| Дата введения: | 01.09.1987 |
| Дата окончания срока действия: | 30.06.2003 |
| Область применения: | В настоящем выпуске приведены материалы для проектирования навесных стен из легкобетонных трехслойных панелей на жестких связях для массовых типов общественных многоэтажных каркасных зданий, строящихся в 1 климатическом районе (несейсмических) |
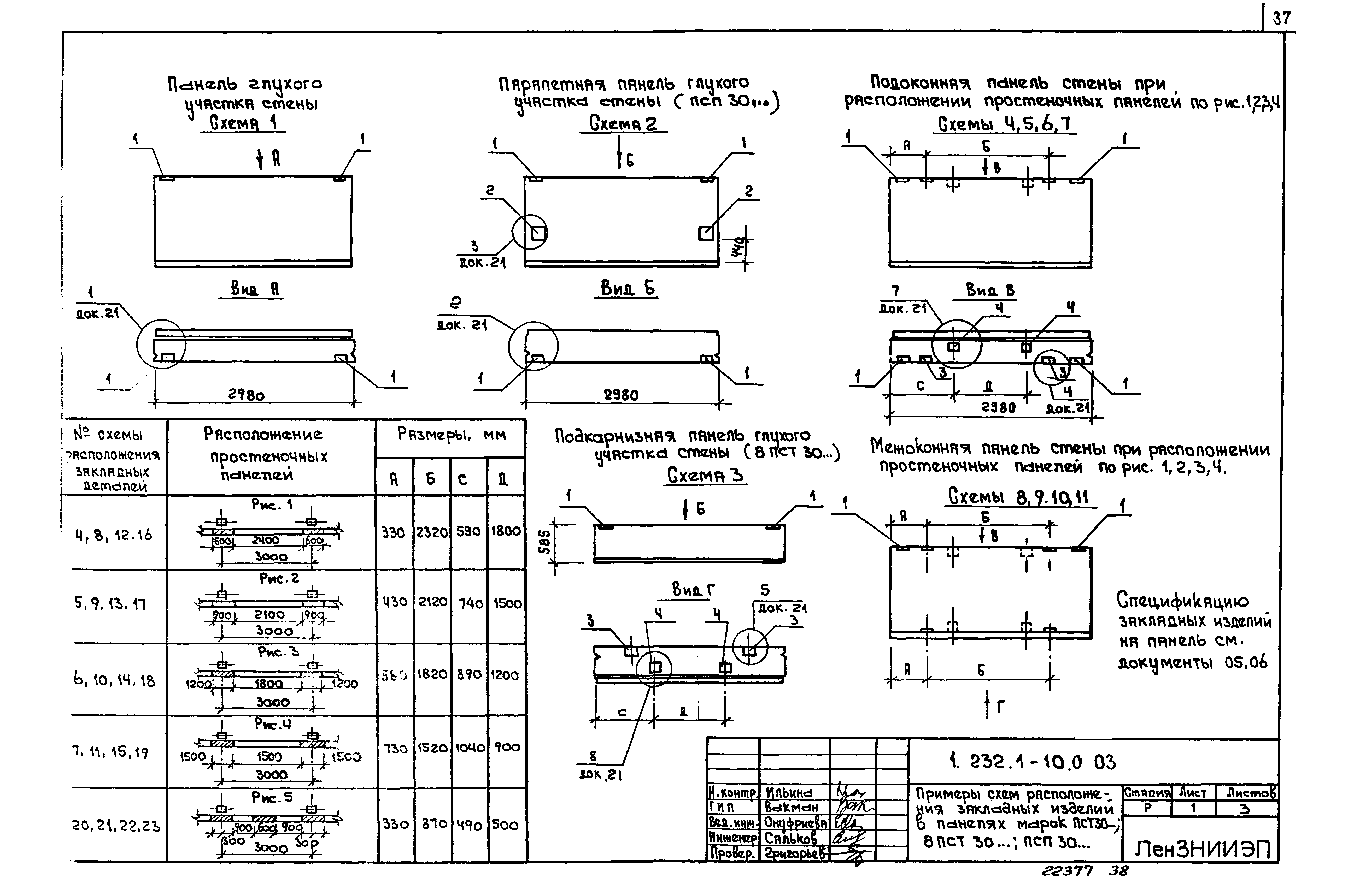
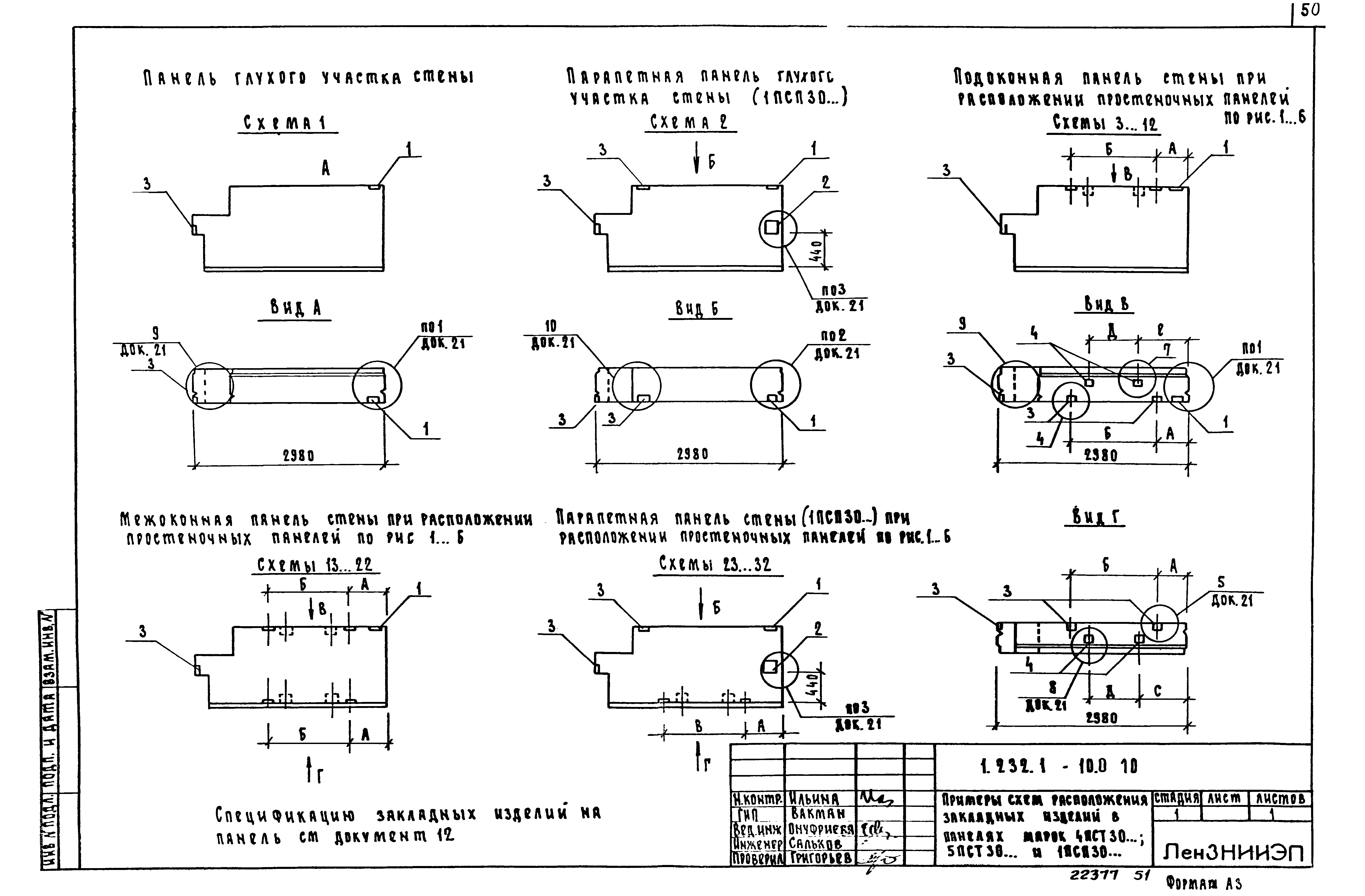
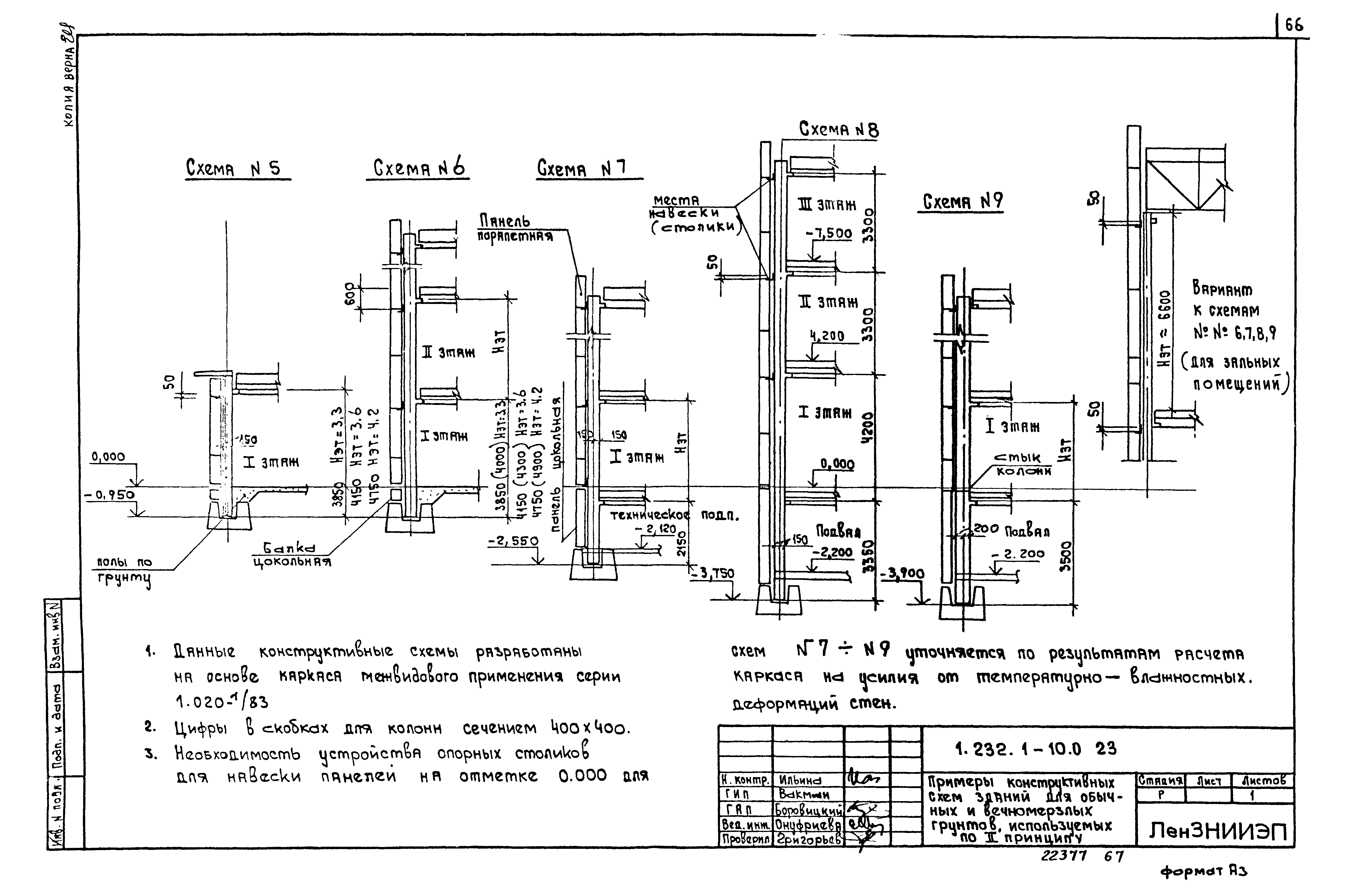
| Оглавление: | 1.232.1-10.0 01 Состав серии 1.232.1-10.0 ТО Техническое описание 1.232.1-10.0 01ПЗ Указания по теплотехническому расчету 1.232.1-10.0 02ПЗ Указания о расчету панелей 1.232.1-10.0 03ПЗ Указания по заводской отделке панелей 1.232.1-10.0 02 Номенклатура изделий 1.232.1-10.0 03 Примеры схем расположения закладных изделий в панелях марок ПСТ30…; 8ПСТ30…; ПСП30… 1.232.1-10.0 04 Примеры схем расположения закладных изделий в панелях марок ПСТ60…; 8ПСТ60…; ПСП60… 1.232.1-10.0 05 Спецификация закладных изделий на панели марок ПСТ30… и ПСТ60…. 1.232.1-10.0 06 Спецификация закладных изделий на панели марок ПСП30… и ПСП60…; 8ПСТ 60 1.232.1-10.0 07 Примеры схем расположения закладных изделий в панелях марок ПСТ72… и ПСП72… 1.232.1-10.0 08 Спецификация закладных изделий на панели марок ПСТ72…; ПСП72…. 1.232.1-10.0 09 Схемы расположения простеночных панелей в пролетах L = 3 м, образующих внутренний угол здания 1.232.1-10.0 10 Примеры схем расположения закладных изделий в панелях марок 4ПСТ30…; 5ПСТ30… и 1ПСП30… 1.232.1-10.0 11 Примеры схем расположения закладных изделий на панели марок 6ПСТ30…; 7ПСТ30… И 2ПСП30… 1.232.1-10.0 12 Спецификация закладных изделий на панели марок 4ПСТ30…; 5ПСТ30… и 1ПСП30… 1.232.1-10.0 13 Спецификация закладных изделий на панели марок 6ПСТ30…; 7ПСТ30… И 2ПСП30… 1.232.1-10.0 14 Схемы расположения простеночных панелей в пролетах L = 6 м, образующих внутренний угол здания 1.232.1-10.0 15 Примеры схем расположения закладных изделий в панелях марок 4ПСТ60…; 5ПСТ60… и 1ПСП60… 1.232.1-10.0 16 Примеры схем расположения закладных изделий в панелях марок 6ПСТ60…; 7ПСТ60… и 2ПСП60… 1.232.1-10.0 17 Спецификация закладных изделий на панели марок 4ПСТ60…; 5ПСТ60… ; 6ПСП60…; 7ПСТ60…; 1ПСП60… ; 2ПСП60… 1.232.1-10.0 18 Примеры схем расположения закладных изделий в простеночных панелях марок 1ПСТ… и 2ПСТ… 1.232.1-10.0 19 Примеры схем расположения закладных изделий в угловых цокольных панелях марок 3ПСТ…; ПСЦ…; 1ПСЦ…; 2ПСЦ…; 3ПСЦ… 1.232.1-10.0 20 Спецификация закладных изделий на панели марок 1ПСТ…; 2ПСТ…; 3ПСТ…; ПСЦ…; 1ПСЦ…; 2ПСЦ…; 3ПСЦ… 1.232.1-10.0 21 Узлы установки закладных изделий 1.232.1-10.0 22 Примеры конструктивных схем зданий для вечномерзлых грунтов, используемых по 1 принципу 1.232.1-10.0 23 Примеры конструктивных схем зданий для вечномерзлых грунтов, используемых по 2 принципу 1.232.1-10.0 24 Пример схемы расположения стеновых панелей для зданий с шагом колонн 6,0 м 1.232.1-10.0 25 Пример схемы расположения стеновых панелей для зданий с шагом колонн 7,2 м 1.232.1-10.0 26 Пример схемы расположения стеновых панелей для зданий с залом 1.232.1-10.0 27 Пример схемы расположения стеновых панелей для внутреннего угла здания 1.232.1-10.0 28 Пример схемы расположения стеновых панелей для зданий с техническим подпольем. Вечномерзлые грунты, 1 принцип 1.232.1-10.0 29 Пример схемы расположения стеновых панелей для зданий с совмещенным перекрытием над холодным подпольем. Вечномерзлые грунты, 1 принцип 1.232.1-10.0 30 Схемы расположения цокольных панелей для вариантов решения нулевого цикла. Обычные и вечномерзлые грунты 2 принцип 1.232.1-10.0 31 Примеры схем расположения карнизных и подкарнизных панелей стен 1.232.1-10.0 32 Схемы расположения узлов крепления стеновых панелей 1.232.1-10.0 33 Схемы расположения узлов крепления подкарнизных и карнизных панелей к колоннам 1.232.1-10.0 34 Схема расположения узлов крепления стеновых панелей для варианта здания с залом 1.232.1-10.0 35 Схемы расположения закладных изделий в панелях марок 1ПСТ…; 2ПСТ…; ПСП60.15.4-л |
| Разработан: | ЛенЗНИИЭП Госгражданстроя КиевЗНИИЭП |
| Утверждён: | 17.07.1987 Госгражданстрой (Gosgrazhdanstroy 223) |
| Нормативные ссылки: |
|


















































































