Скачать Серия 1.832.1-15 Выпуск 1. Панели. Технические условия. Рабочие чертежи

Дата актуализации: 01.01.2021

Серия 1.832.1-15

Выпуск 1. Панели. Технические условия. Рабочие чертежи

Обозначение: Серия 1.832.1-15
Обозначение англ: Series 1.832.1-15
Статус:не определен законодательством
Название рус.:Выпуск 1. Панели. Технические условия. Рабочие чертежи
Дата добавления в базу:01.09.2013
Дата актуализации:01.01.2021
Дата введения:15.12.1991
Дата окончания срока действия:30.06.2003
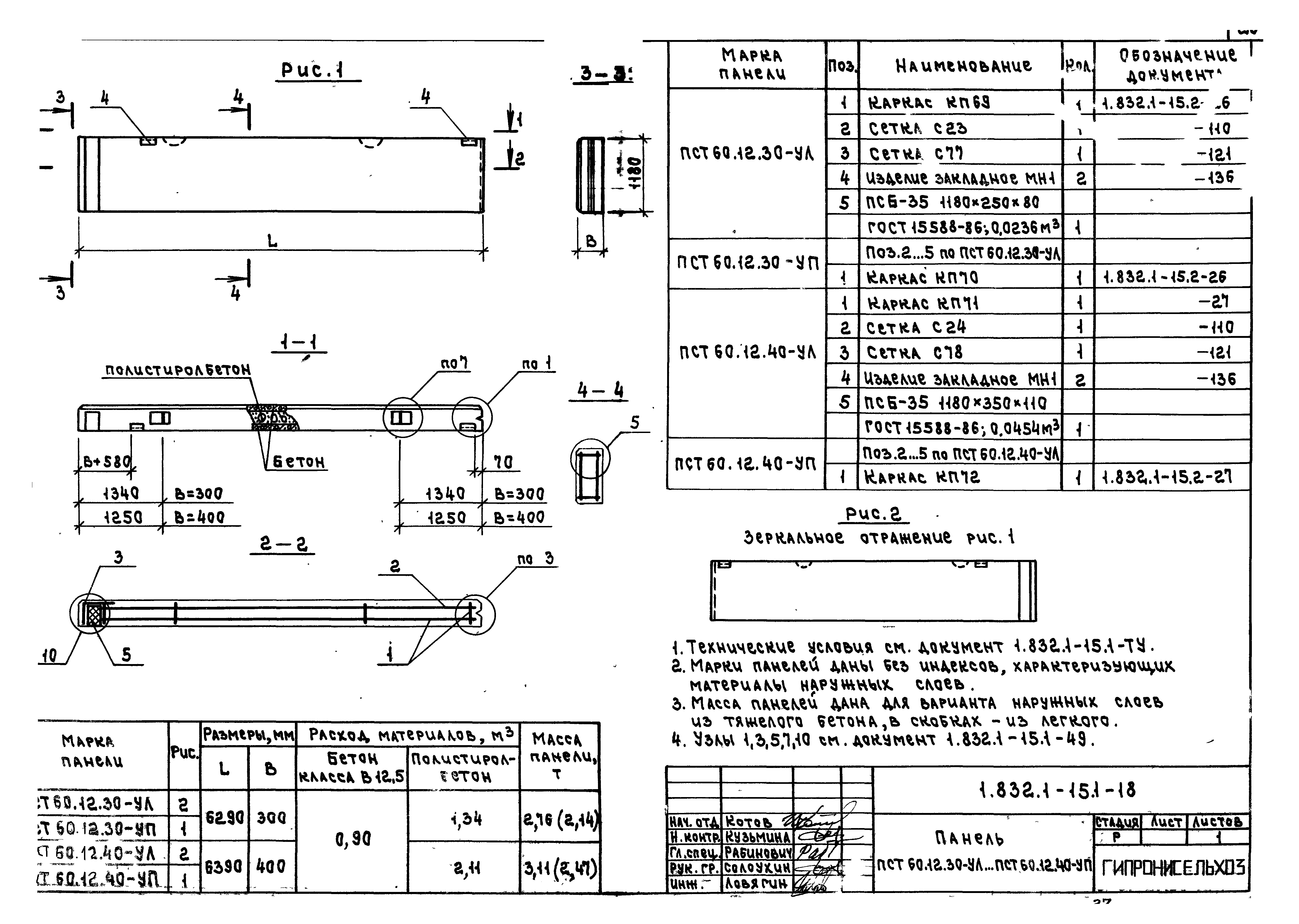
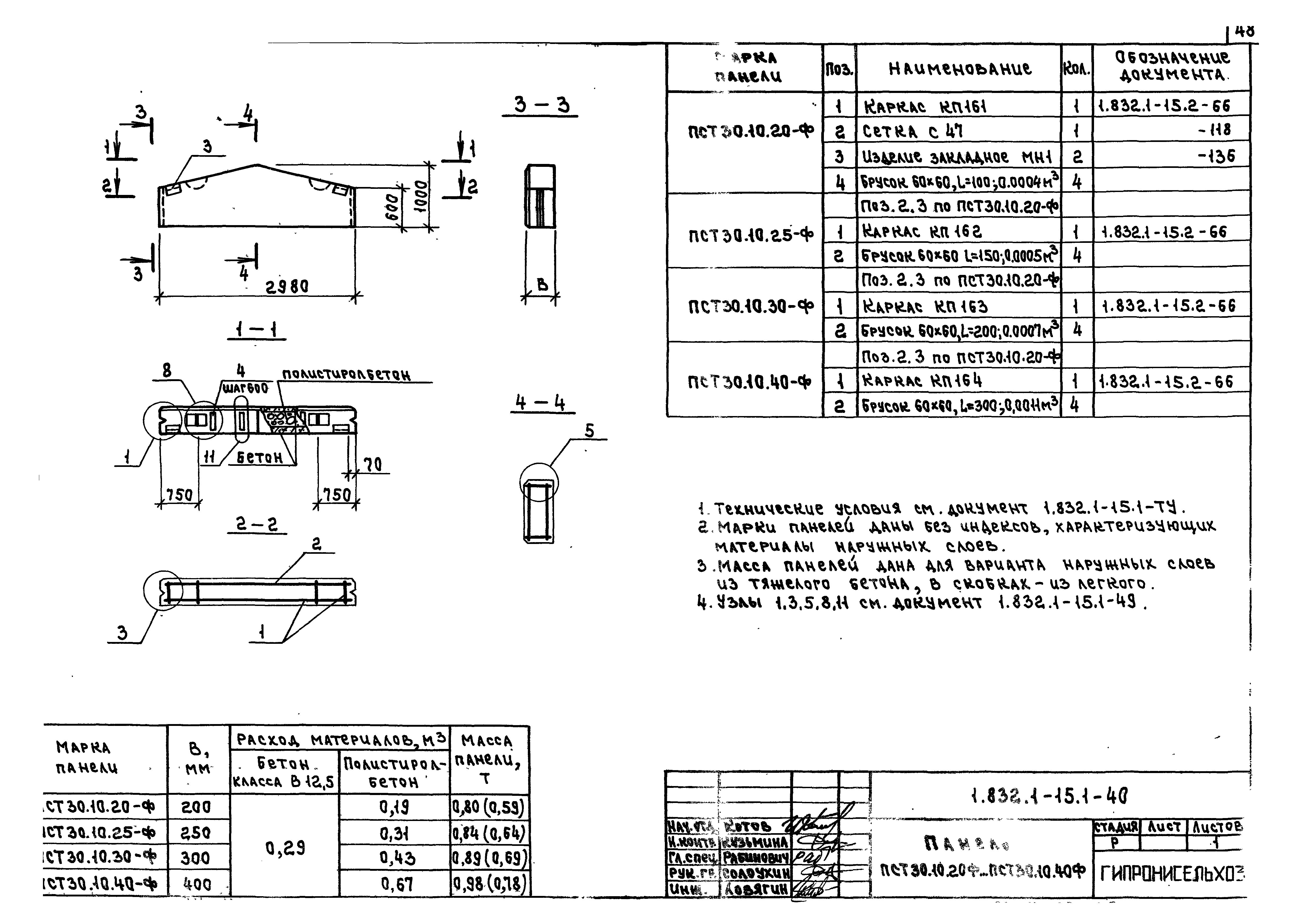
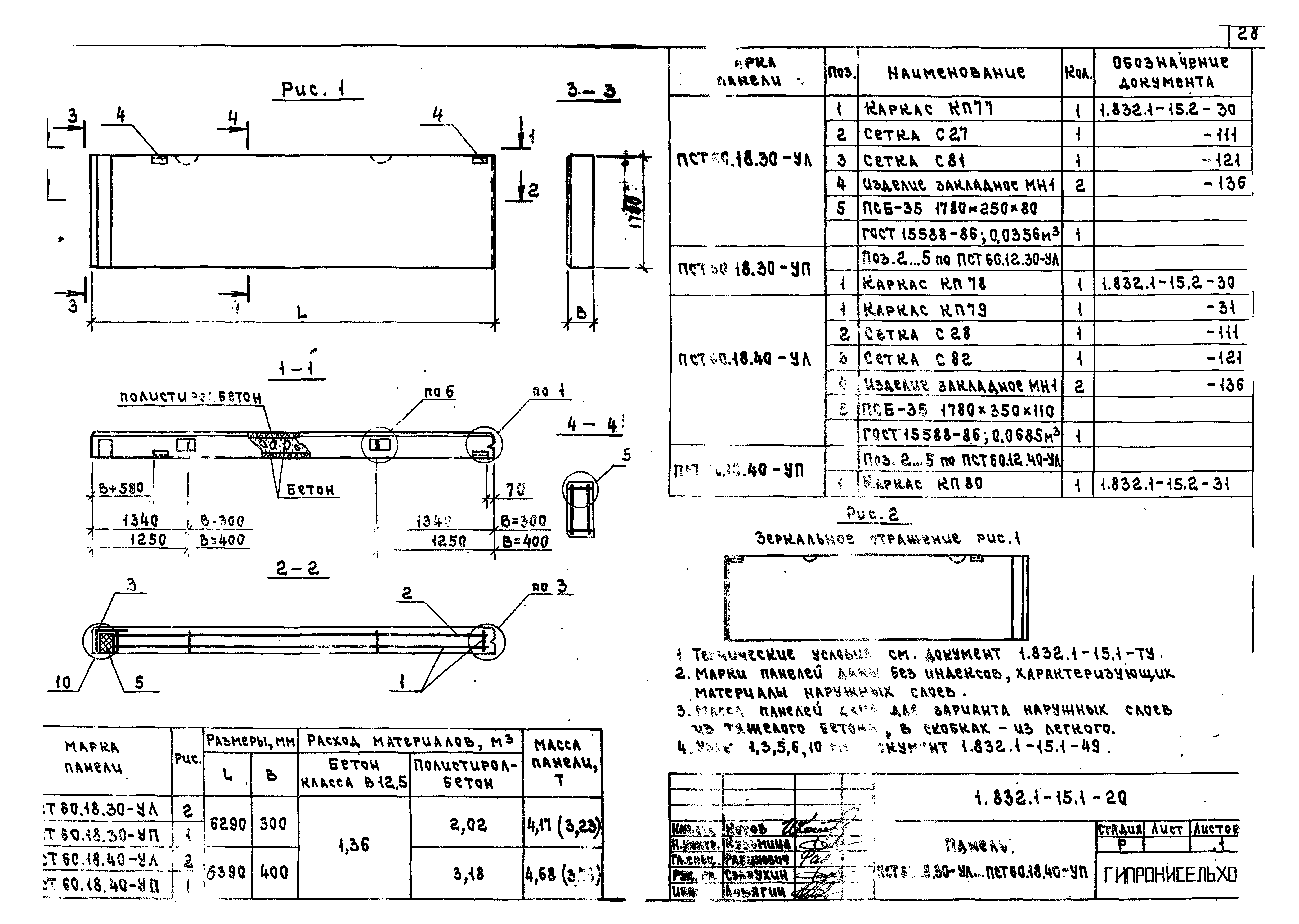
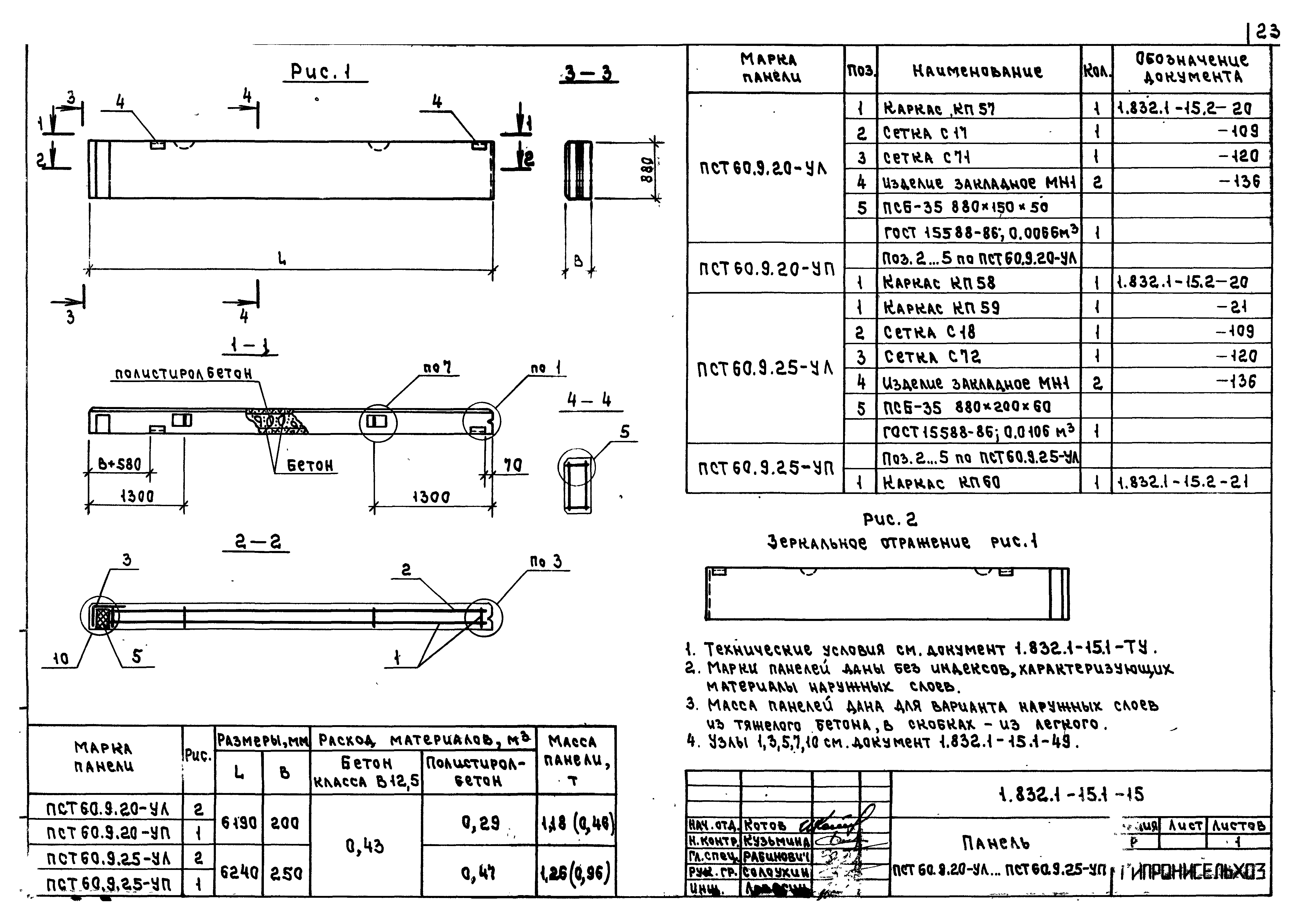
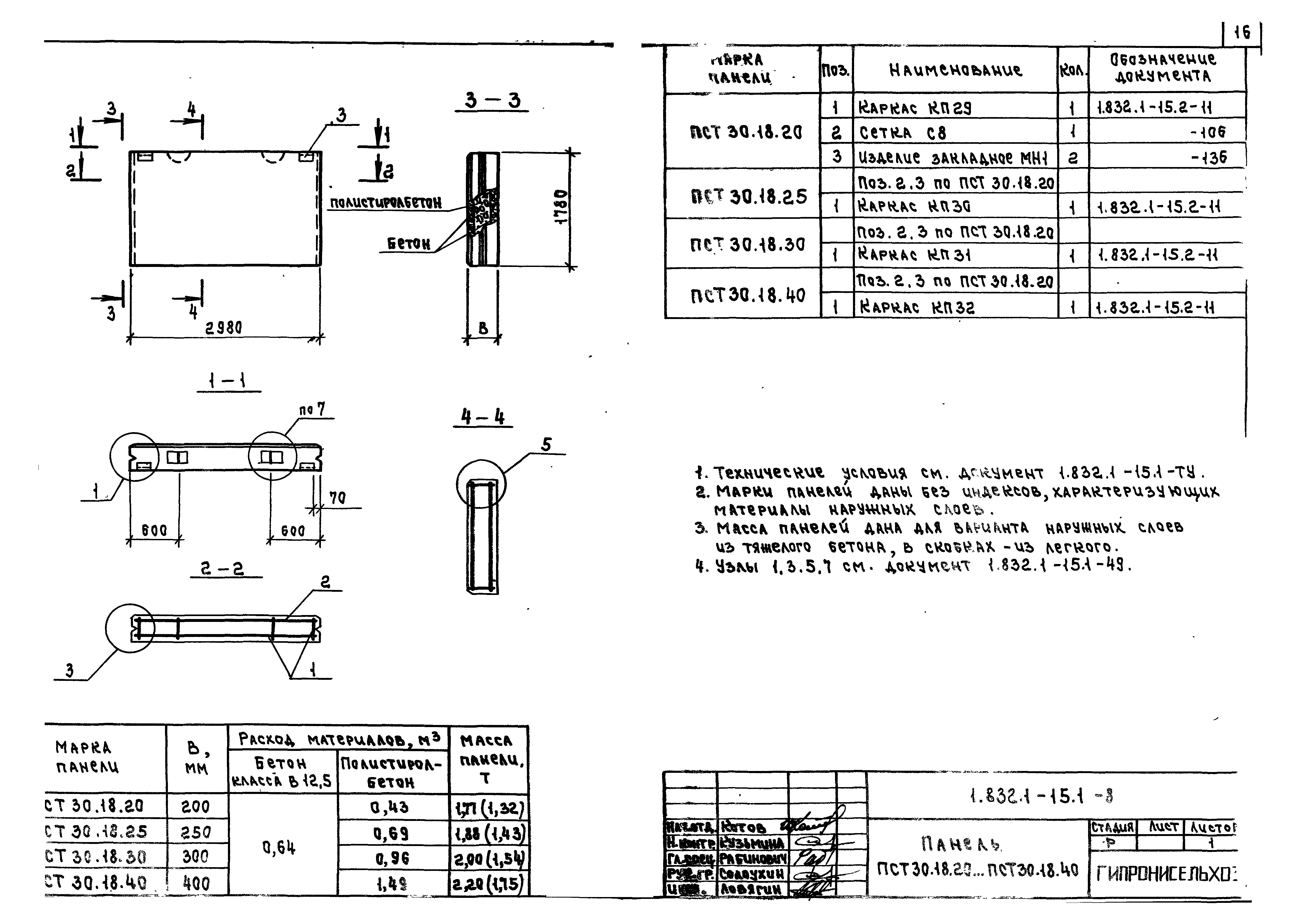
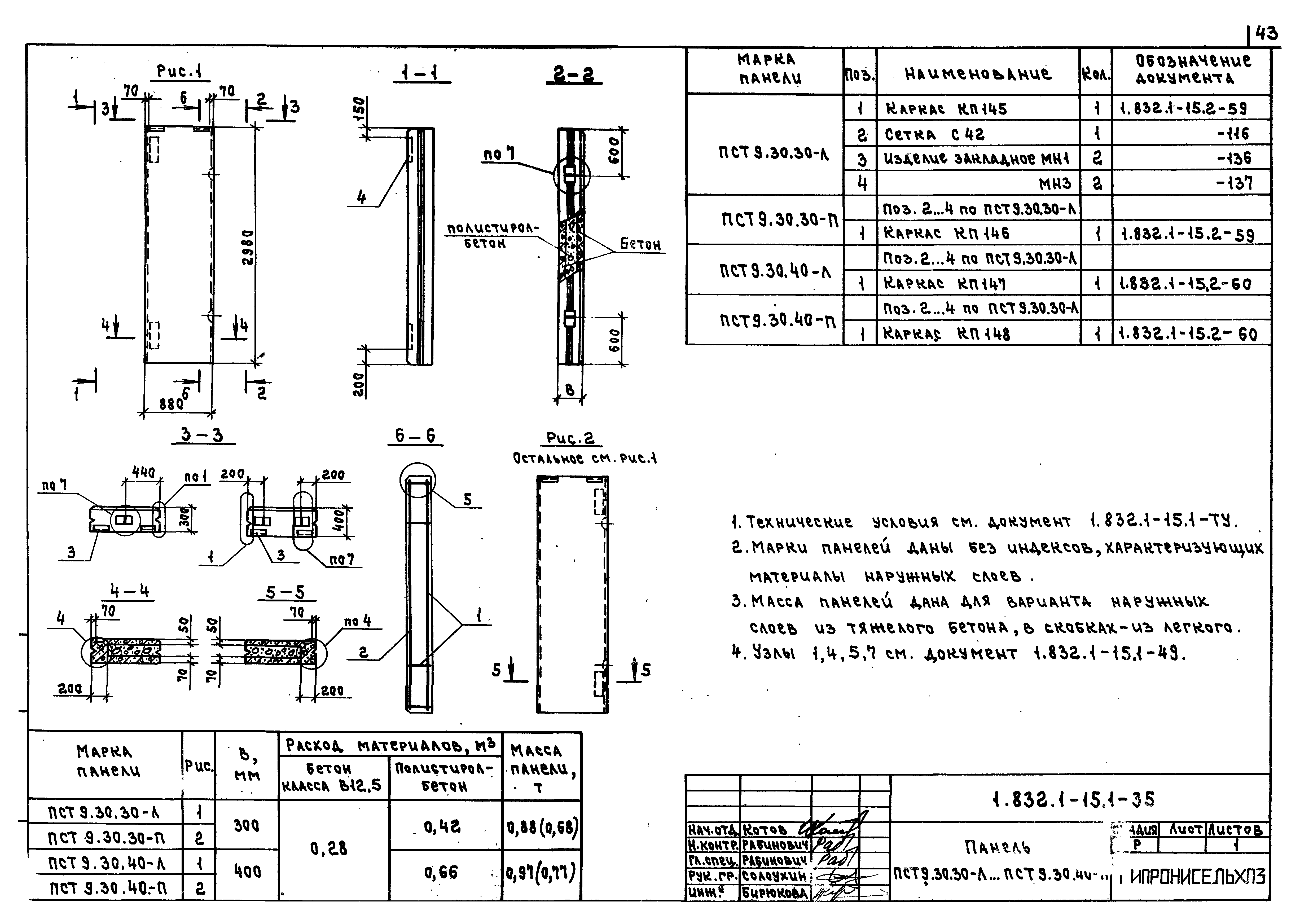
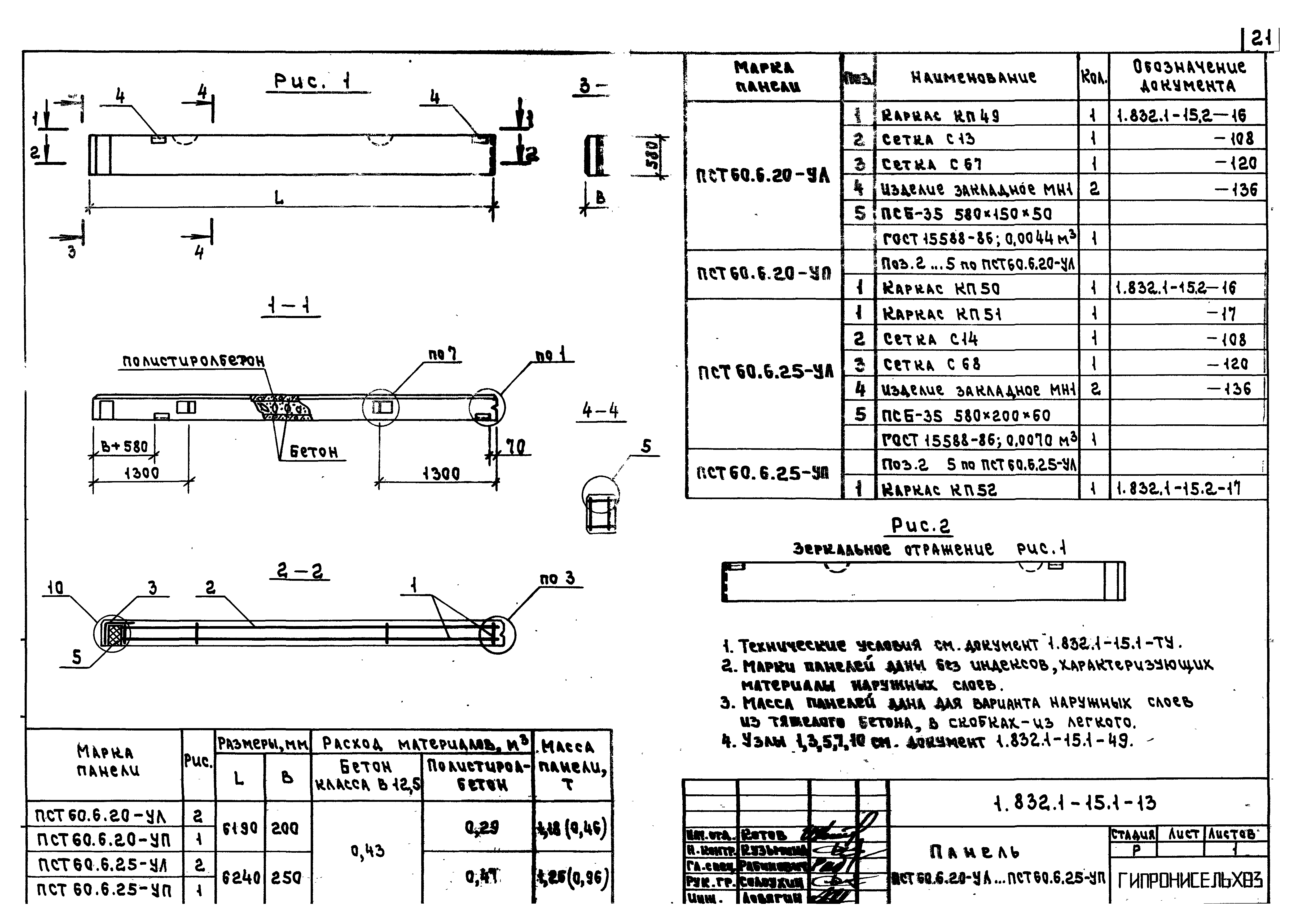
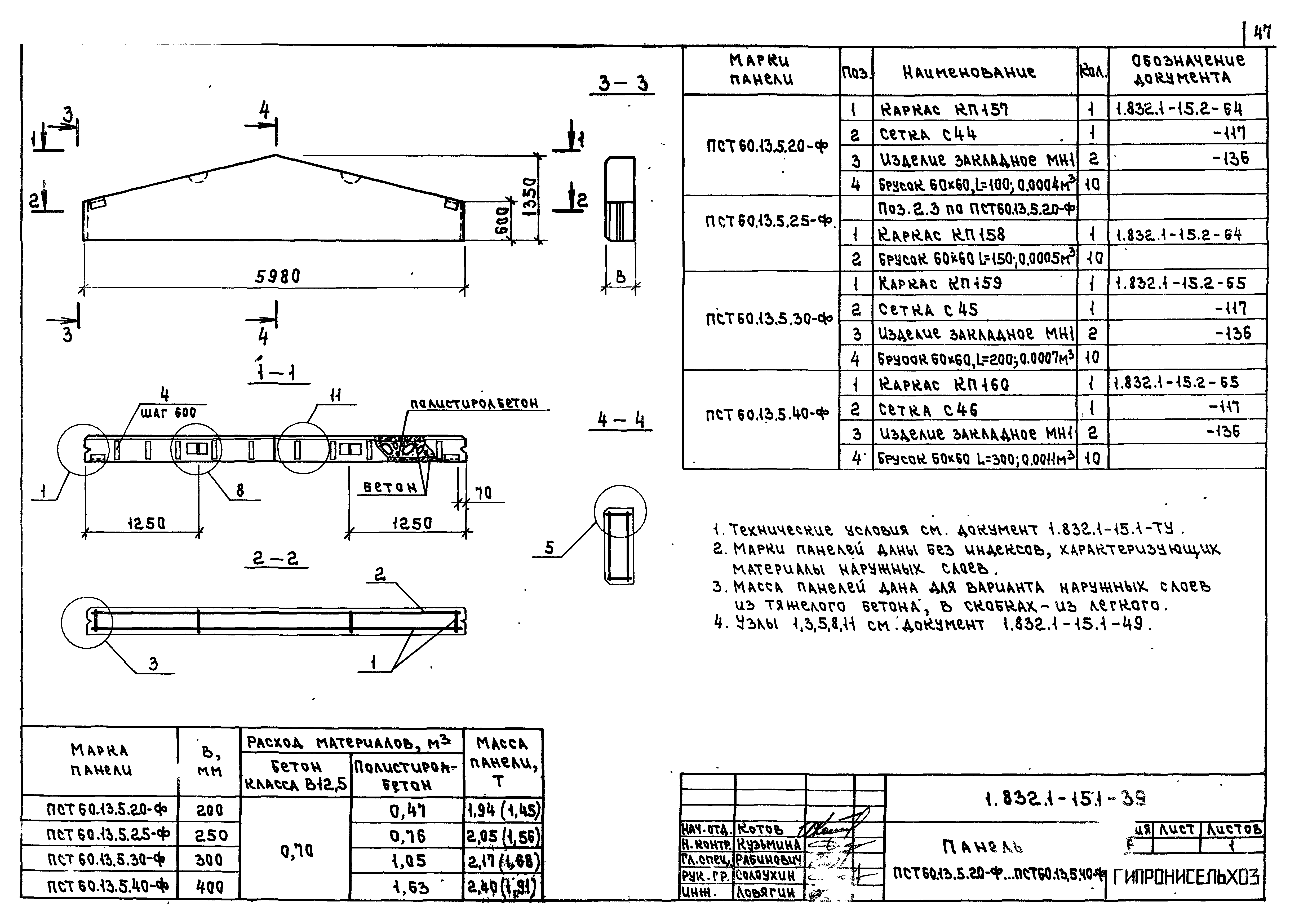
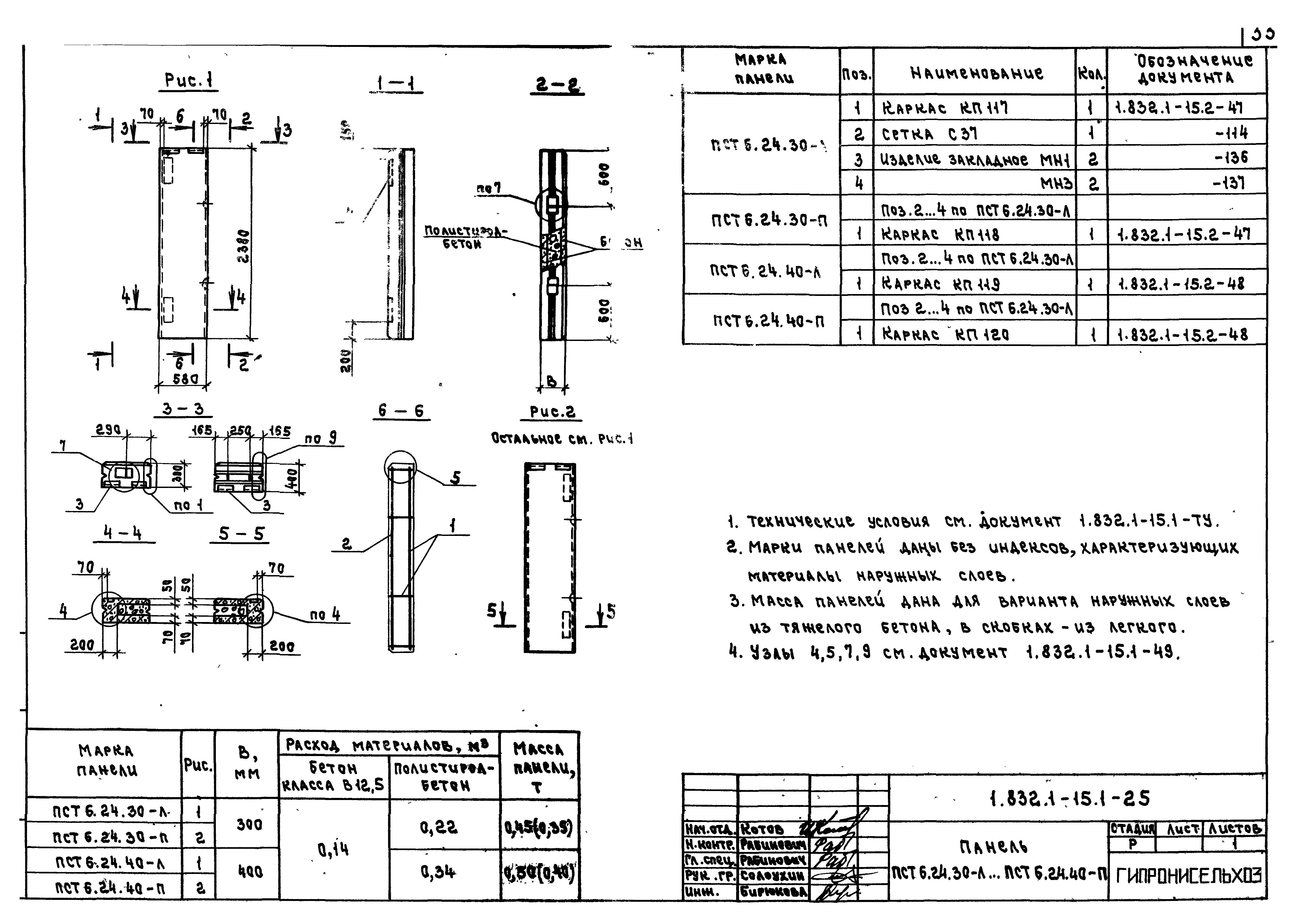
Область применения:Настоящие технические условия распространяются на трехслойные железобетонные панели горизонтальной разрезки с теплоизолирующим слоем из полистиролбетона, монолита связанного с несущими слоями
Разработан: НИИЖБ
ЦНИИЭПсельстрой
ГипроНИсельхоз (Институт Гипронисельхоз )
Утверждён:02.04.1991 Главпроект Госстроя СССР (5/6-89)
Нормативные ссылки:
Серия 1.832.1-15Серия 1.832.1-15Серия 1.832.1-15Серия 1.832.1-15Серия 1.832.1-15Серия 1.832.1-15Серия 1.832.1-15Серия 1.832.1-15Серия 1.832.1-15Серия 1.832.1-15Серия 1.832.1-15Серия 1.832.1-15Серия 1.832.1-15Серия 1.832.1-15Серия 1.832.1-15Серия 1.832.1-15Серия 1.832.1-15Серия 1.832.1-15Серия 1.832.1-15Серия 1.832.1-15Серия 1.832.1-15Серия 1.832.1-15Серия 1.832.1-15Серия 1.832.1-15Серия 1.832.1-15Серия 1.832.1-15Серия 1.832.1-15Серия 1.832.1-15Серия 1.832.1-15Серия 1.832.1-15Серия 1.832.1-15Серия 1.832.1-15Серия 1.832.1-15Серия 1.832.1-15Серия 1.832.1-15Серия 1.832.1-15Серия 1.832.1-15Серия 1.832.1-15Серия 1.832.1-15Серия 1.832.1-15Серия 1.832.1-15Серия 1.832.1-15Серия 1.832.1-15Серия 1.832.1-15Серия 1.832.1-15Серия 1.832.1-15Серия 1.832.1-15Серия 1.832.1-15Серия 1.832.1-15Серия 1.832.1-15Серия 1.832.1-15Серия 1.832.1-15Серия 1.832.1-15Серия 1.832.1-15Серия 1.832.1-15Серия 1.832.1-15Серия 1.832.1-15Серия 1.832.1-15Серия 1.832.1-15Серия 1.832.1-15Серия 1.832.1-15Серия 1.832.1-15Серия 1.832.1-15Серия 1.832.1-15Серия 1.832.1-15Серия 1.832.1-15Серия 1.832.1-15Серия 1.832.1-15Серия 1.832.1-15Серия 1.832.1-15Серия 1.832.1-15Серия 1.832.1-15