Скачать Серия 1.832.5-11 Выпуск 8. Каркасы деревянные для панелей торцов зданий. Рабочие чертежиДата актуализации: 01.01.2021
|
| Обозначение: | Серия 1.832.5-11 |
| Обозначение англ: | Series 1.832.5-11 |
| Статус: | не определен законодательством |
| Название рус.: | Выпуск 8. Каркасы деревянные для панелей торцов зданий. Рабочие чертежи |
| Дата добавления в базу: | 01.09.2013 |
| Дата актуализации: | 01.01.2021 |
| Дата введения: | 15.11.1988 |
| Дата окончания срока действия: | 30.06.2003 |
| Область применения: | Настоящий выпуск содержит рабочие чертежи деревянных каркасов для утепленных вентилируемых стеновых панелей |
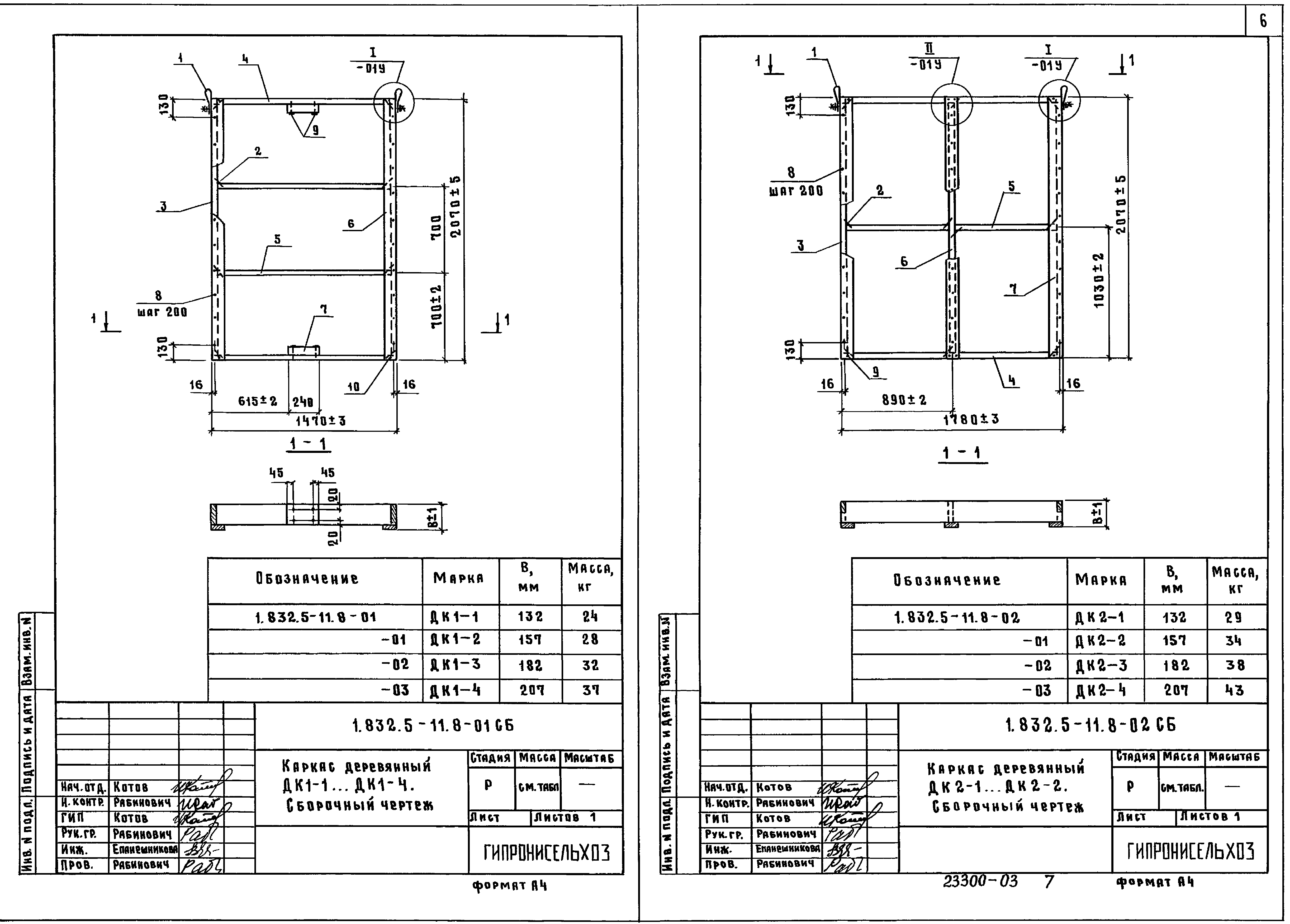
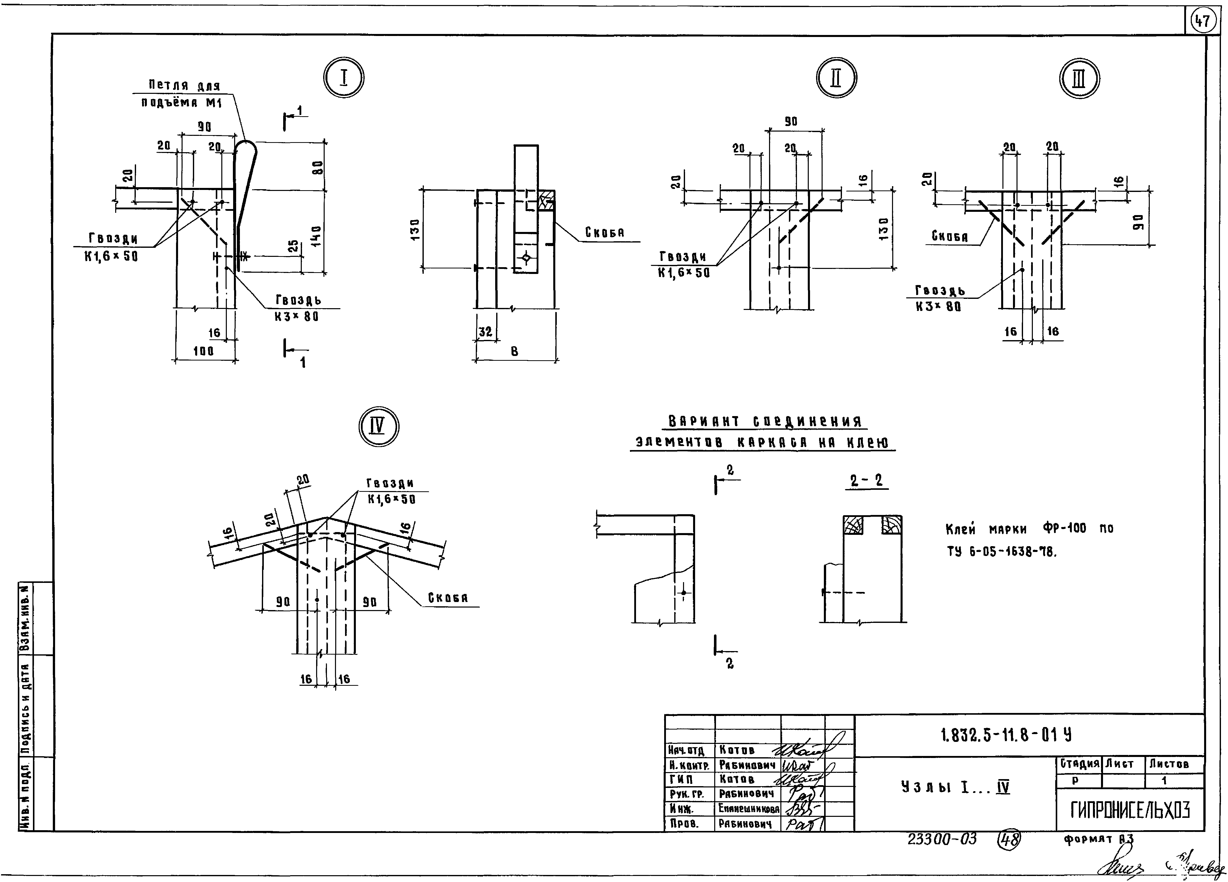
| Оглавление: | 1.832.5-11.8-00 ТУ Технические условия 1.832.5-11.8-01 Каркас деревянный ДК1-1… ДК1-4 1.832.5-11.8-02 Каркас деревянный ДК2-1… ДК2-4 1.832.5-11.8-01 СБ Каркас деревянный ДК1-1… ДК1-4. Сборочный чертеж 1.832.5-11.8-02 СБ Каркас деревянный ДК2-1… ДК2-4. Сборочный чертеж 1.832.5-11.8-03 Каркас деревянный ДК3-1… ДК3-4 1.832.5-11.8-03 СБ Каркас деревянный ДК3-1… ДК3-4. Сборочный чертеж 1.832.5-11.8-04 Каркас деревянный ДК4-1… ДК4-4 1.832.5-11.8-05 Каркас деревянный ДК5-1… ДК5-4 1.832.5-11.8-04 СБ Каркас деревянный ДК4-1… ДК4-4. Сборочный чертеж 1.832.5-11.8-05 СБ Каркас деревянный ДК5-1… ДК5-4. Сборочный чертеж 1.832.5-11.8-06 Каркас деревянный ДК6-1… ДК6-4 1.832.5-11.8-07 Каркас деревянный ДК7-1… ДК7-4 1.832.5-11.8-06 СБ Каркас деревянный ДК6-1… ДК6-4. Сборочный чертеж 1.832.5-11.8-07 СБ Каркас деревянный ДК7-1… ДК7-4. Сборочный чертеж 1.832.5-11.8-08 Каркас деревянный ДК8-1… ДК8-8; ДК9-1… ДК9-8 1.832.5-11.8-08 СБ Каркас деревянный ДК8-1… ДК8-8; ДК9-1… ДК9-8. Сборочный чертеж 1.832.5-11.8-09 Каркас деревянный ДК10-1… ДК10-8; ДК11-1… ДК11-8 1.832.5-11.8-09 СБ Каркас деревянный ДК10-1… ДК10-8; ДК11-1… ДК11-8. Сборочный чертеж 1.832.5-11.8-10 Каркас деревянный ДК12-1… ДК12-8; ДК13-1… ДК13-8 1.832.5-11.8-10 СБ Каркас деревянный ДК12-1… ДК12-8; ДК13-1… ДК13-8. Сборочный чертеж 1.832.5-11.8-11 Каркас деревянный ДК14-1… ДК14-8; ДК15-1… ДК15-8 1.832.5-11.8-11 СБ Каркас деревянный ДК14-1… ДК14-8; ДК15-1… ДК15-8. Сборочный чертеж 1.832.5-11.8-12 Каркас деревянный ДК16-1… ДК16-8; ДК17-1… ДК17-8 1.832.5-11.8-12 СБ Каркас деревянный ДК16-1… ДК16-8; ДК17-1… ДК17-8. Сборочный чертеж 1.832.5-11.8-13 Каркас деревянный ДК18-1… ДК16-8; ДК19-1… ДК19-8 1.832.5-11.8-13 СБ Каркас деревянный ДК18-1… ДК18-8; ДК19-1… ДК19-8. Сборочный чертеж 1.832.5-11.8-14 Каркас деревянный ДК20-1… ДК20-8; ДК21-1… ДК21-8 1.832.5-11.8-14 СБ Каркас деревянный ДК20-1… ДК20-8; ДК21-1… ДК21-8. Сборочный чертеж 1.832.5-11.8-15 Каркас деревянный ДК22-1… ДК22-8; ДК23-1… ДК23-8 1.832.5-11.8-15 СБ Каркас деревянный ДК22-1… ДК22-8; ДК23-1… ДК23-8. Сборочный чертеж 1.832.5-11.8-16 Каркас деревянный ДК24-1… ДК24-8; ДК25-1… ДК25-8 1.832.5-11.8-16 СБ Каркас деревянный ДК24-1… ДК24-8; ДК25-1… ДК25-8. Сборочный чертеж 1.832.5-11.8-17 Каркас деревянный ДК26-1… ДК26-8; ДК27-1… ДК27-8 1.832.5-11.8-17 СБ Каркас деревянный ДК26-1… ДК26-8; ДК27-1… ДК27-8. Сборочный чертеж 1.832.5-11.8-01У Узлы I… IV |
| Разработан: | ЦНИИСК им. В.А. Кучеренко ЦНИИЭПсельстрой ГипроНИсельхоз (Институт Гипронисельхоз ) |
| Утверждён: | 07.05.1988 Госагропром СССР (USSR Gosagroprom 804-48/582) |
| Нормативные ссылки: |
|














































