Скачать Серия 1.832.5-11 Выпуск 9. Элементы каркасов для панелей торцов зданий. Рабочие чертежиДата актуализации: 01.01.2021
|
| Обозначение: | Серия 1.832.5-11 |
| Обозначение англ: | Series 1.832.5-11 |
| Статус: | не определен законодательством |
| Название рус.: | Выпуск 9. Элементы каркасов для панелей торцов зданий. Рабочие чертежи |
| Дата добавления в базу: | 01.09.2013 |
| Дата актуализации: | 01.01.2021 |
| Дата введения: | 15.11.1988 |
| Дата окончания срока действия: | 30.06.2003 |
| Область применения: | Панели предназначены для торцовых стен одноэтажных сельскохозяйственных зданий |
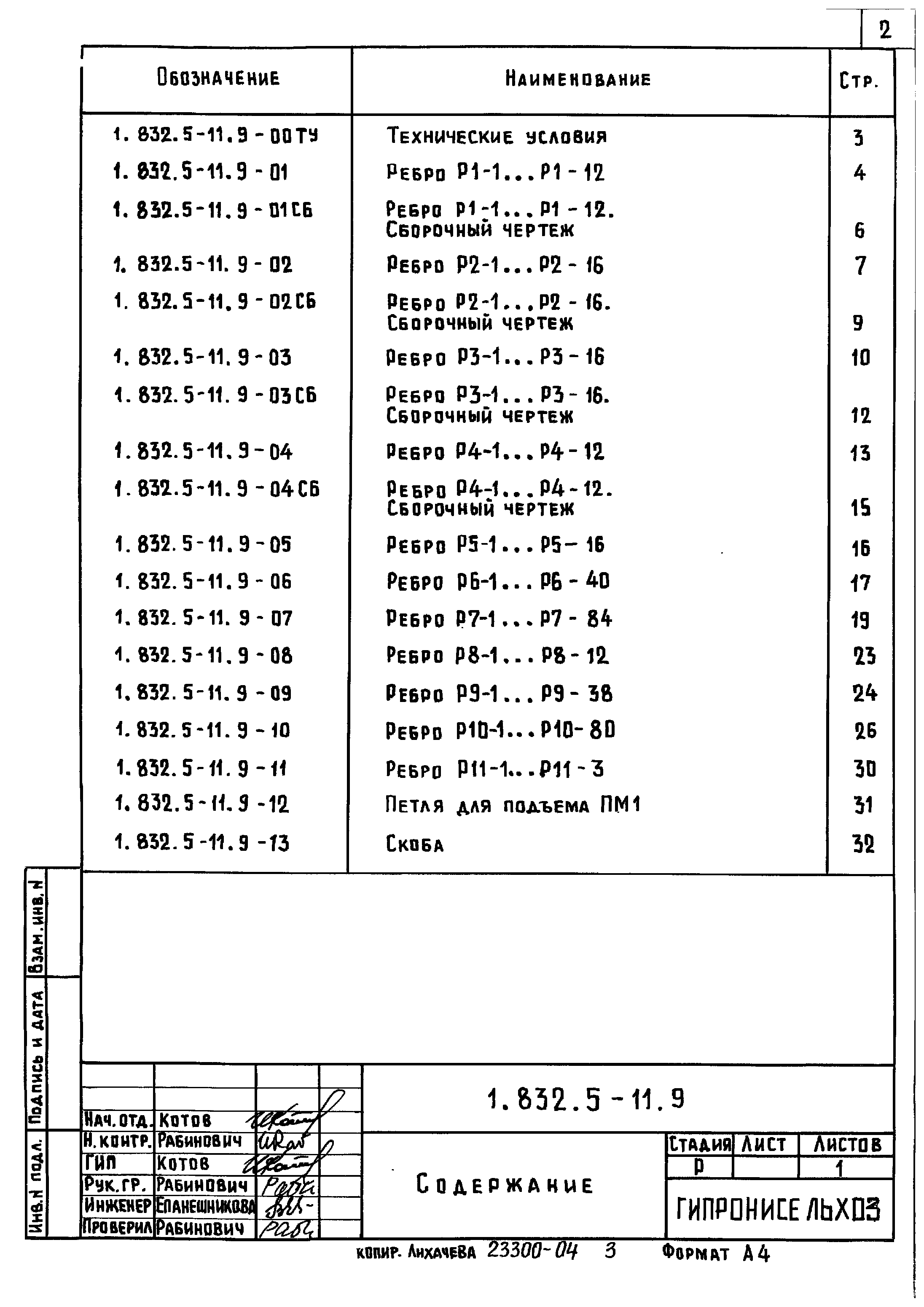
| Оглавление: | 1.832.5-11.9-00 ТУ Технические условия 1.832.5-11.9-01 Ребро Р1-1… Р1-12 1.832.5-11.9-01 СБ Ребро Р1-1… Р1-12. Сборочный чертеж 1.832.5-11.9-02 Ребро Р2-1… Р2-16 1.832.5-11.9-02 СБ Ребро Р2-1… Р2-16. Сборочный чертеж 1.832.5-11.9-03 Ребро Р3-1… Р3-16 1.832.5-11.9-03 СБ Ребро Р3-1… Р3-16. Сборочный чертеж 1.832.5-11.9-04 Ребро Р4-1… Р4-12 1.832.5-11.9-04 СБ Ребро Р4-1… Р4-12. Сборочный чертеж 1.832.5-11.9-05 Ребро Р5-1… Р5-16 1.832.5-11.9-06 Ребро Р6-1… Р6-40 1.832.5-11.9-07 Ребро Р7-1… Р7-84 1.832.5-11.9-08 Ребро Р8-1… Р8-12 1.832.5-11.9-09 Ребро Р9-1… Р9-38 1.832.5-11.9-10 Ребро Р10-1… Р10-80 1.832.5-11.9-11 Ребро Р11-1… Р11-3 1.832.5-11.9-12 Петля для подъема ПМ1 1.832.5-11.9-13 Скоба |
| Разработан: | ЦНИИСК им. В.А. Кучеренко ГипроНИсельхоз (Институт Гипронисельхоз ) |
| Утверждён: | 07.05.1988 Госагропром СССР (USSR Gosagroprom 804-48/582) |
| Нормативные ссылки: |
|
































