Скачать Серия 1.134.1-15 Выпуск 1-5. Блоки укрупненные толщиной 200 мм. Арматурные и закладные детали. Рабочие чертежи

Дата актуализации: 01.01.2021

Серия 1.134.1-15

Выпуск 1-5. Блоки укрупненные толщиной 200 мм. Арматурные и закладные детали. Рабочие чертежи

Обозначение: Серия 1.134.1-15
Обозначение англ: Series 1.134.1-15
Статус:не определен законодательством
Название рус.:Выпуск 1-5. Блоки укрупненные толщиной 200 мм. Арматурные и закладные детали. Рабочие чертежи
Дата добавления в базу:01.09.2013
Дата актуализации:01.01.2021
Дата введения:15.03.1992
Дата окончания срока действия:30.06.2003
Область применения:В настоящем выпуске представлены пространственные каркасы и изделия к ним, для изготовления блоков внутренних стен
Оглавление:1.134.1-15.1-5-ТТ Технические требования
1.134.1-15.1-5-01 Каркас КП1… КП3
1.134.1-15.1-5-02 Каркас КП4… КП6
1.134.1-15.1-5-03 Каркас КП7… КП9
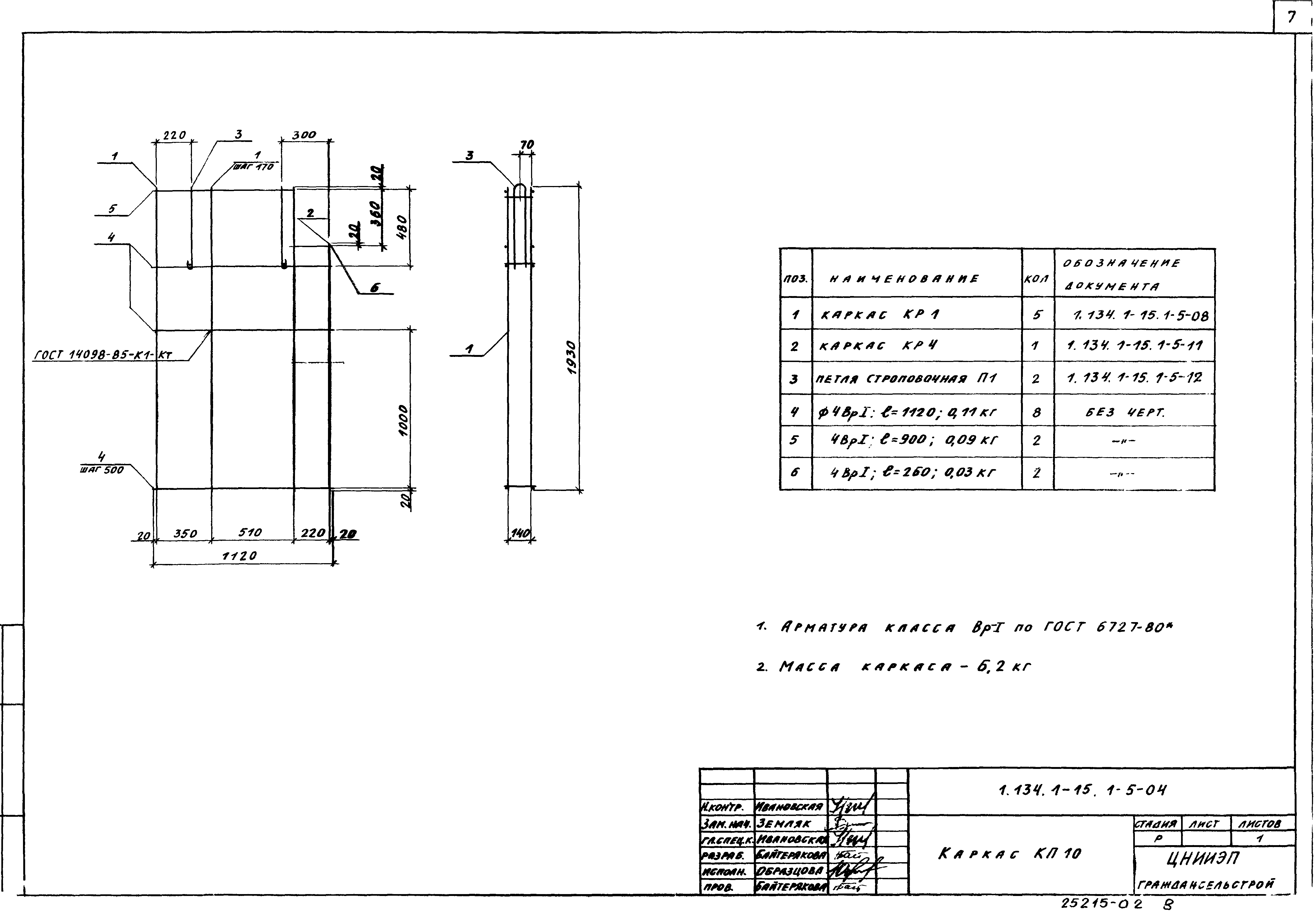
1.134.1-15.1-5-04 Каркас КП10
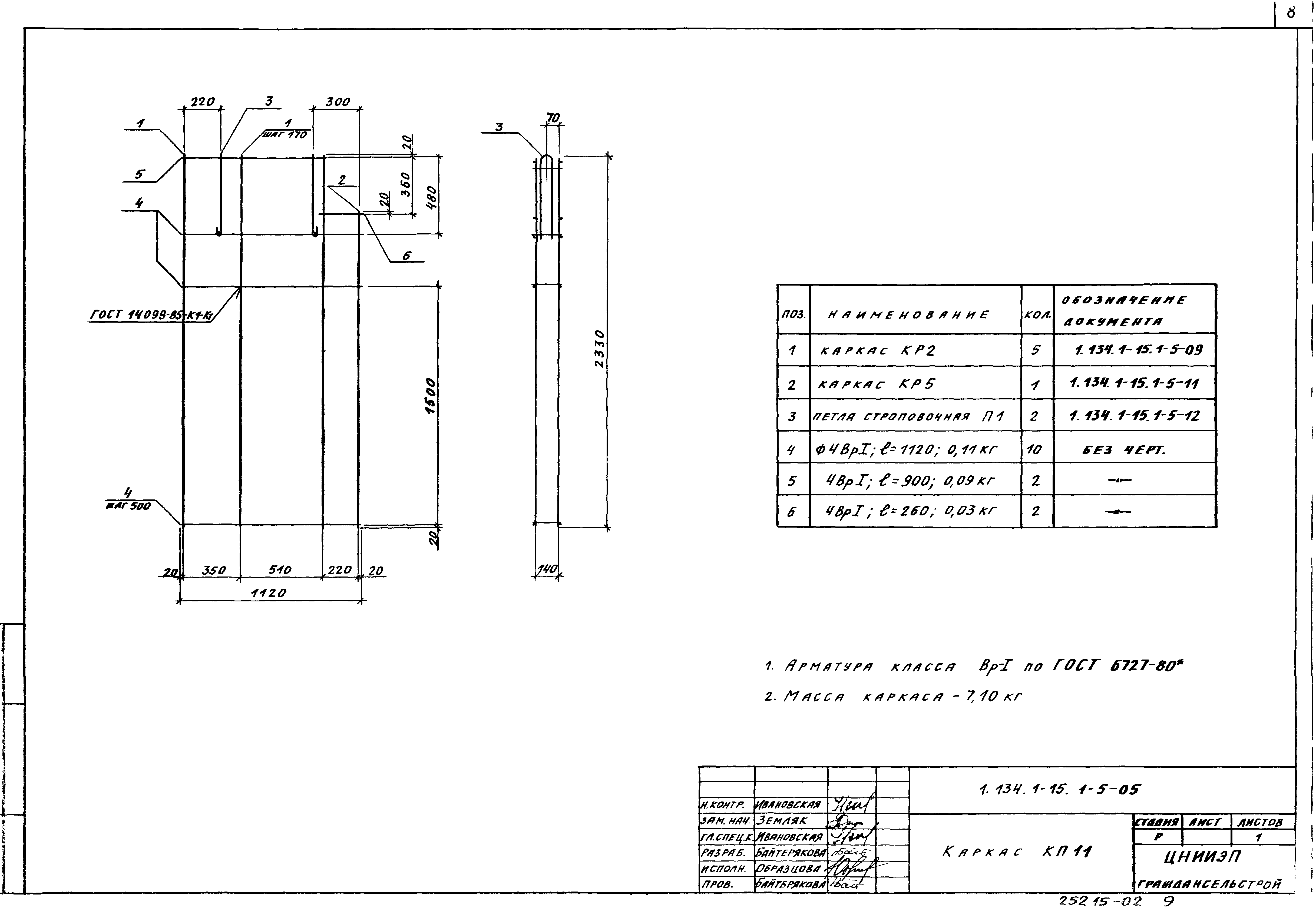
1.134.1-15.1-5-05 Каркас КП11
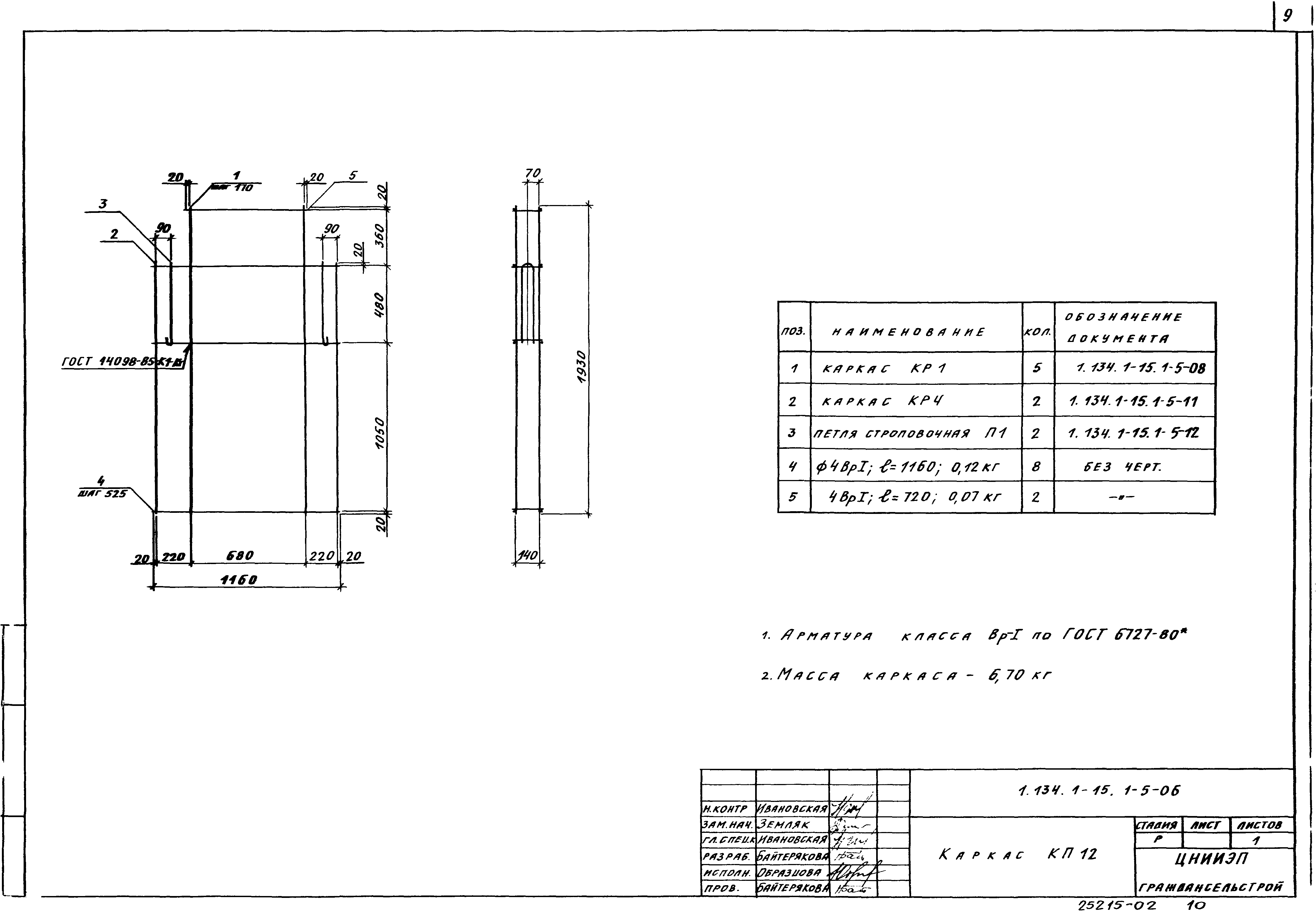
1.134.1-15.1-5-06 Каркас КП12
1.134.1-15.1-5-07 Каркас КП13
1.134.1-15.1-5-08 Каркас КР1
1.134.1-15.1-5-09 Каркас КР2
1.134.1-15.1-5-10 Каркас КР3
1.134.1-15.1-5-11 Каркас КР4, КР5
1.134.1-15.1-5-12 Петля П1… П3
1.134.1-15.1-5-13 Изделие закладное МН1
Разработан: ЦНИИЭП граждансельстрой
Утверждён:08.10.1991 Госкомархитектура (136)
Издан: АПП ЦИТП (1991 г. )
Нормативные ссылки:
Серия 1.134.1-15Серия 1.134.1-15Серия 1.134.1-15Серия 1.134.1-15Серия 1.134.1-15Серия 1.134.1-15Серия 1.134.1-15Серия 1.134.1-15Серия 1.134.1-15Серия 1.134.1-15Серия 1.134.1-15Серия 1.134.1-15Серия 1.134.1-15Серия 1.134.1-15Серия 1.134.1-15