Скачать Руководство по технической эксплуатации складов и объектов горюче-смазочных материалов предприятий гражданской авиации

Дата актуализации: 01.01.2021

Руководство по технической эксплуатации складов и объектов горюче-смазочных материалов предприятий гражданской авиации

Статус:действует
Название рус.:Руководство по технической эксплуатации складов и объектов горюче-смазочных материалов предприятий гражданской авиации
Дата добавления в базу:01.09.2013
Дата актуализации:01.01.2021
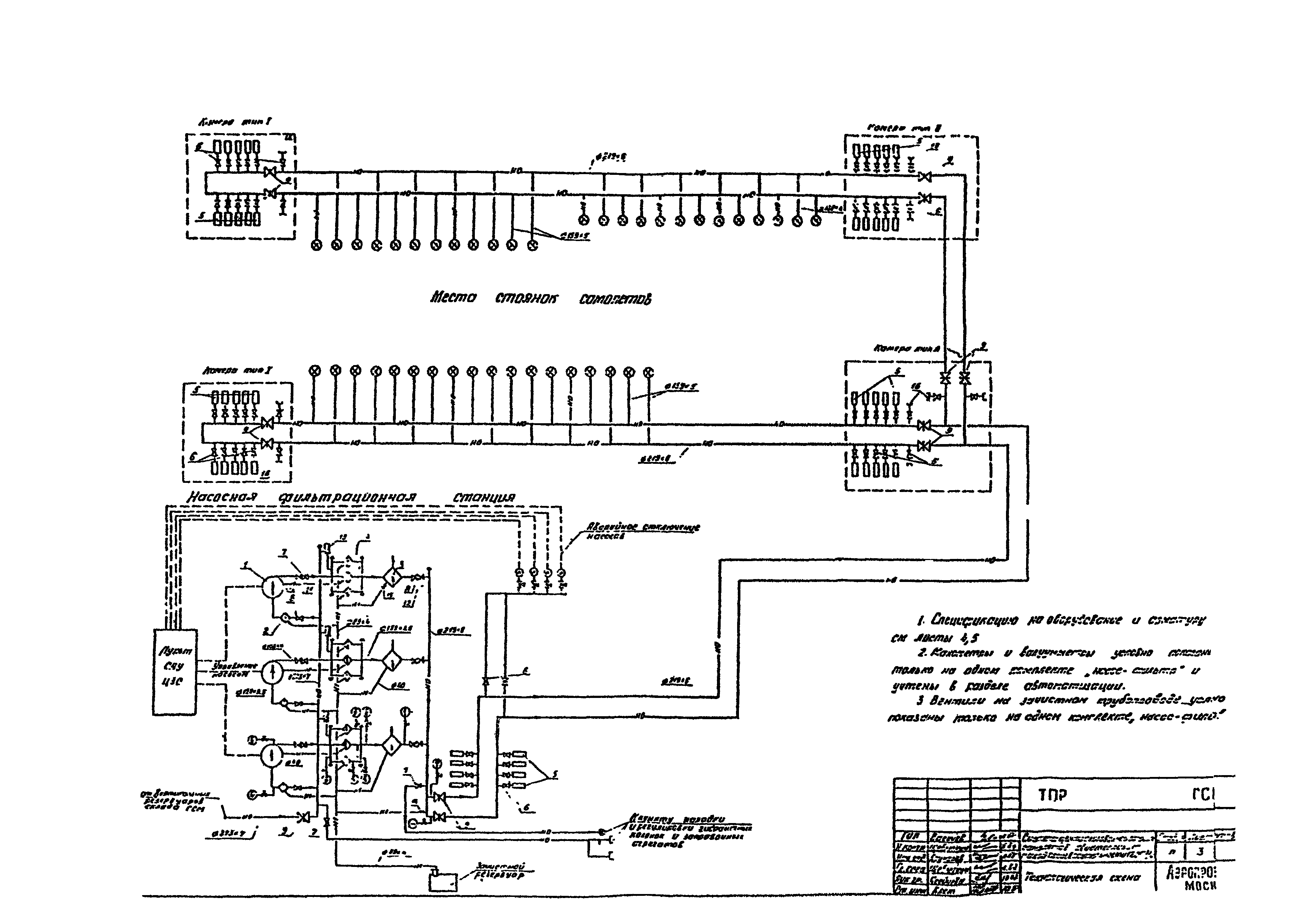
Область применения:Руководство состоит из 3-х частей и содержит требования к эксплуатации основных зданий, сооружений и оборудования складов ГСМ, предназначенных для приема, хранения и выдачи на заправку горюче-смазочных материалов, требования к средствам заправки, охране труда и пожарной безопасности.
Оглавление:Введение
Часть I. Склады горюче-смазочных материалов, отдельные объекты и оборудование службы ГСМ
   1 Общие положения
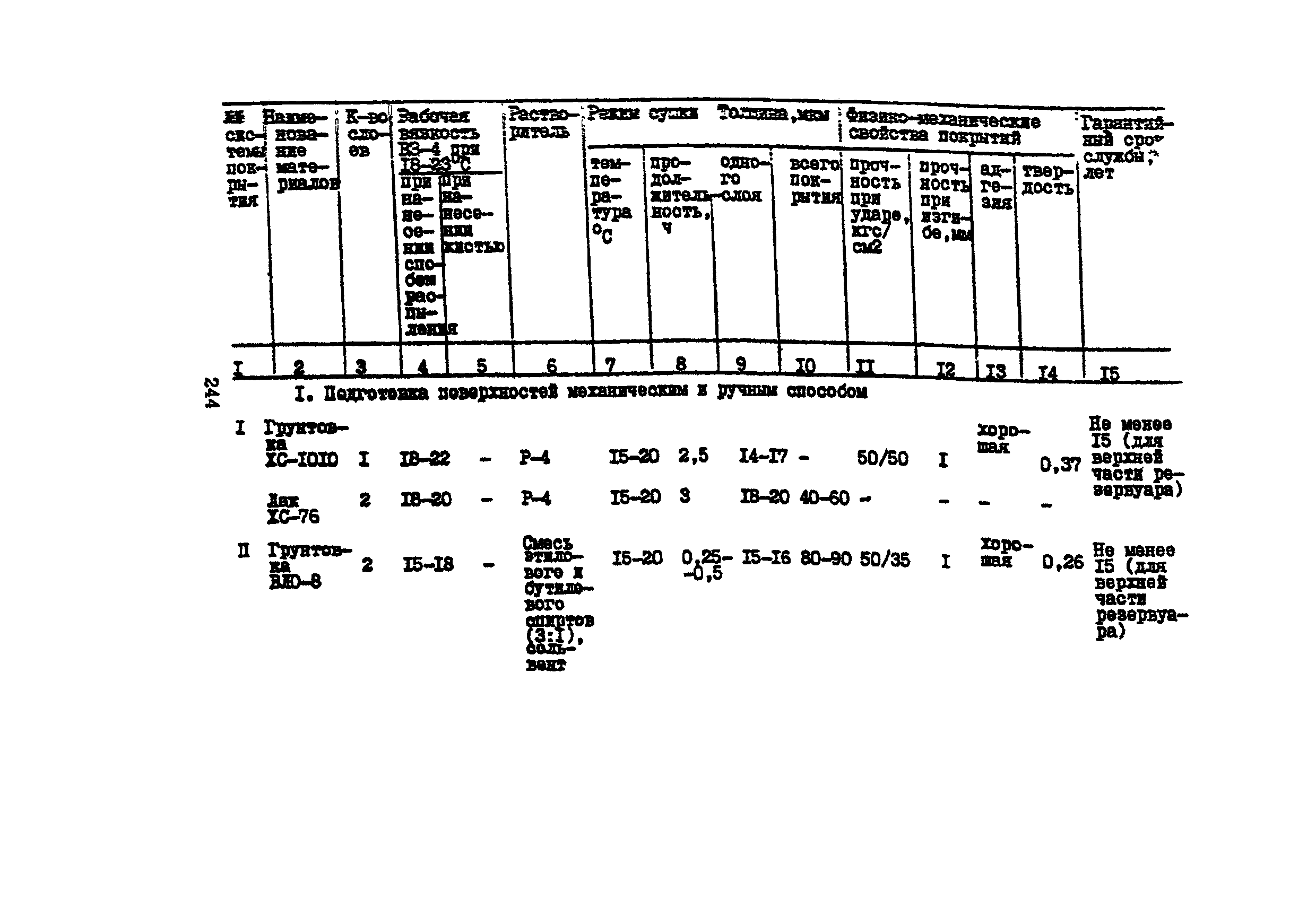
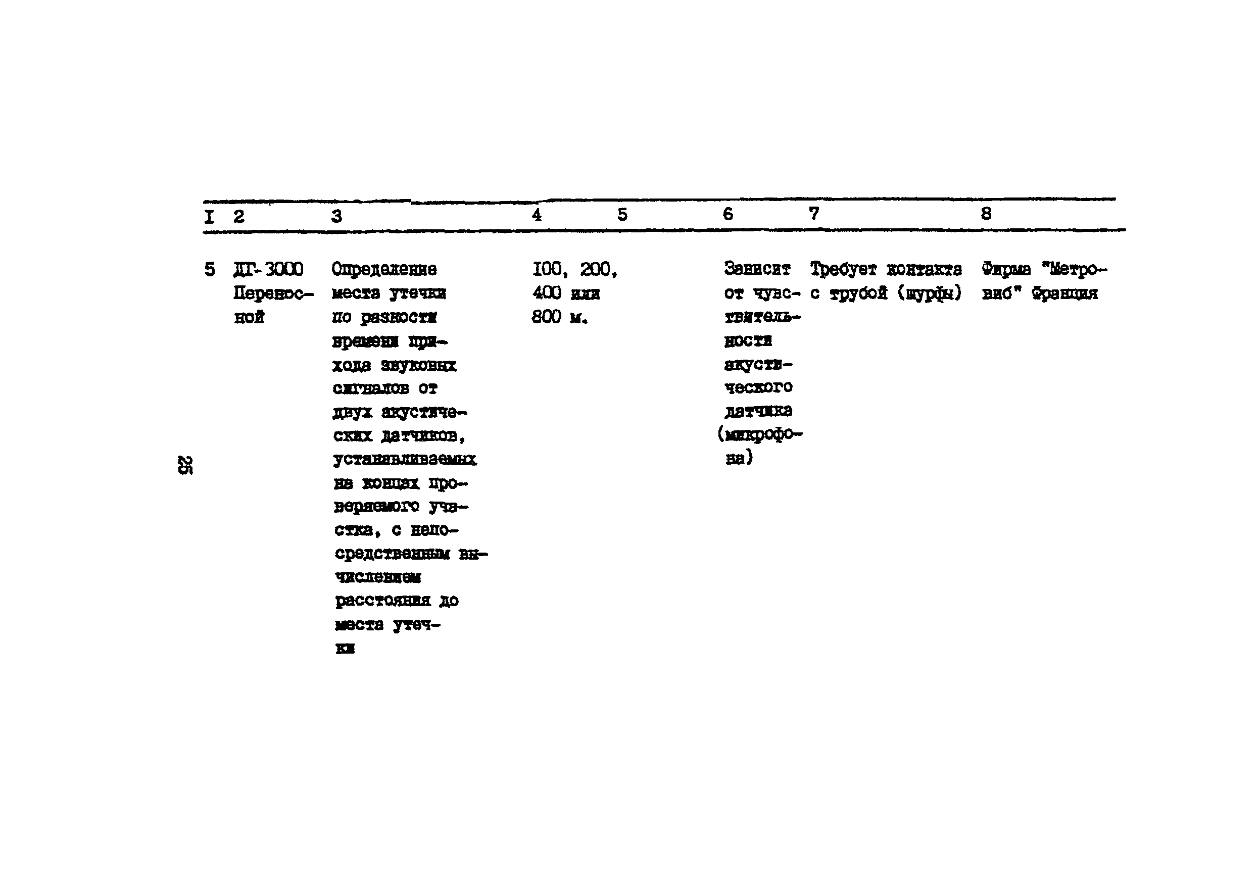
   2 Эксплуатация объектов, сооружений, оборудования склада ГСМ
   3 Окраска и маркировка технологического оборудования
   4 Сбор отработанных нефтепродуктов (ОНП)
   5 Метрологическое обеспечение службы ГСМ
   6 Порядок учета и описания оборудования
Часть II. Средства заправки
   7 Общие положения
   8 Подвижные средства заправки
   9 Передвижные и переносные средства заправки
   10 Системы ЦЭС
Часть III. Охрана труда и пожарной безопасности
   11 Основные положения
   12 Производственная санитария
   13 Техника безопасности
   14 Молниезащита объектов ГСМ
   15 Защита окружающей среды
Приложения
Разработан: Аэропроект МГА СССР
Утверждён:27.07.1991 Министерство гражданской авиации СССР (USSR Ministry of Civil Aviation 9/И)
Заменяет собой:
  • «Инструкция по противокоррозионной защите внутренних поверхностей вертикальных резервуаров» (1988 г.)
  • «Инструкция по устройству и эксплуатации систем централизованной заправки самолетов топливом в предприятиях ГА» (1984 г.)
  • «Инструкция по химико-механизированной очистке резервуаров с использованием моющих средств» (1986 г.)
  • «Нормы потерь ГСМ при зачистке и вводе в эксплуатацию трубопроводов, резервуаров и цистерн» (1988 г.)
  • «Рекомендации по дооборудованию и использованирю ПСГ-160 для нижнего наполнения топливом емкостей ТЗ и автоцистерн» (1977 г.)
  • «Рекомендации по контролю за состоянием и определению мест повреждений подземных трубопроводов» (1979 г.)
  • «Рекомендации по оборудованию резервуаров средствами пожаротушения на складах ГСМ предприятий» (1972 г.)
  • «Рекомендации по окраске и маркировке технологического оборудования объектов ГСМ и средств заправки» (1988 г.)
  • «Рекомендации по сооружению и эксплуатации предперронных пунктов налива топливозаправщиков» (1980 г.)
  • «Рекомендации по срокам службы основного технологического оборудования» (1987 г.)
  • «Указания по правилам эксплуатации раздаточных рукавов для авиатоплива» (1983 г.)
  • 19/И «Инструкция по охране труда и пожарной безопасности на объектах топливообеспечения предприятий гражданской авиации» (от 28.03.84)
  • 20/И «Инструкция по эксплуатации складов горюче-смазочных материалов на предприятиях гражданской авиации» (от 28.03.84 г.)
  • 36 «Правила оценки пригодности резервуаров к эксплуатации» (1986 г.)
  • 51/И «Инструкция по эксплуатации транспортных топливопроводов предприятий» (от 15.02.84 г.)
Нормативные ссылки: