Скачать ГОСТ Р 52850-2007 Автомобильные транспортные средства. Компрессоры одноступенчатого сжатия. Технические требования и методы испытанийДата актуализации: 01.01.2021
|
| Обозначение: | ГОСТ Р 52850-2007 |
| Обозначение англ: | GOST R 52850-2007 |
| Статус: | введен впервые |
| Название рус.: | Автомобильные транспортные средства. Компрессоры одноступенчатого сжатия. Технические требования и методы испытаний |
| Название англ.: | Vehicles. Single-stage compressed air pumps. Technical requirements and test methods |
| Дата добавления в базу: | 01.09.2013 |
| Дата актуализации: | 01.01.2021 |
| Дата введения: | 01.01.2009 |
| Область применения: | Стандарт распространяется на воздушные поршневые компрессоры одноступенчатого сжатия, предназначенные для автомобильных транспортных средств, и устанавливает технические требования и методы их испытаний. |
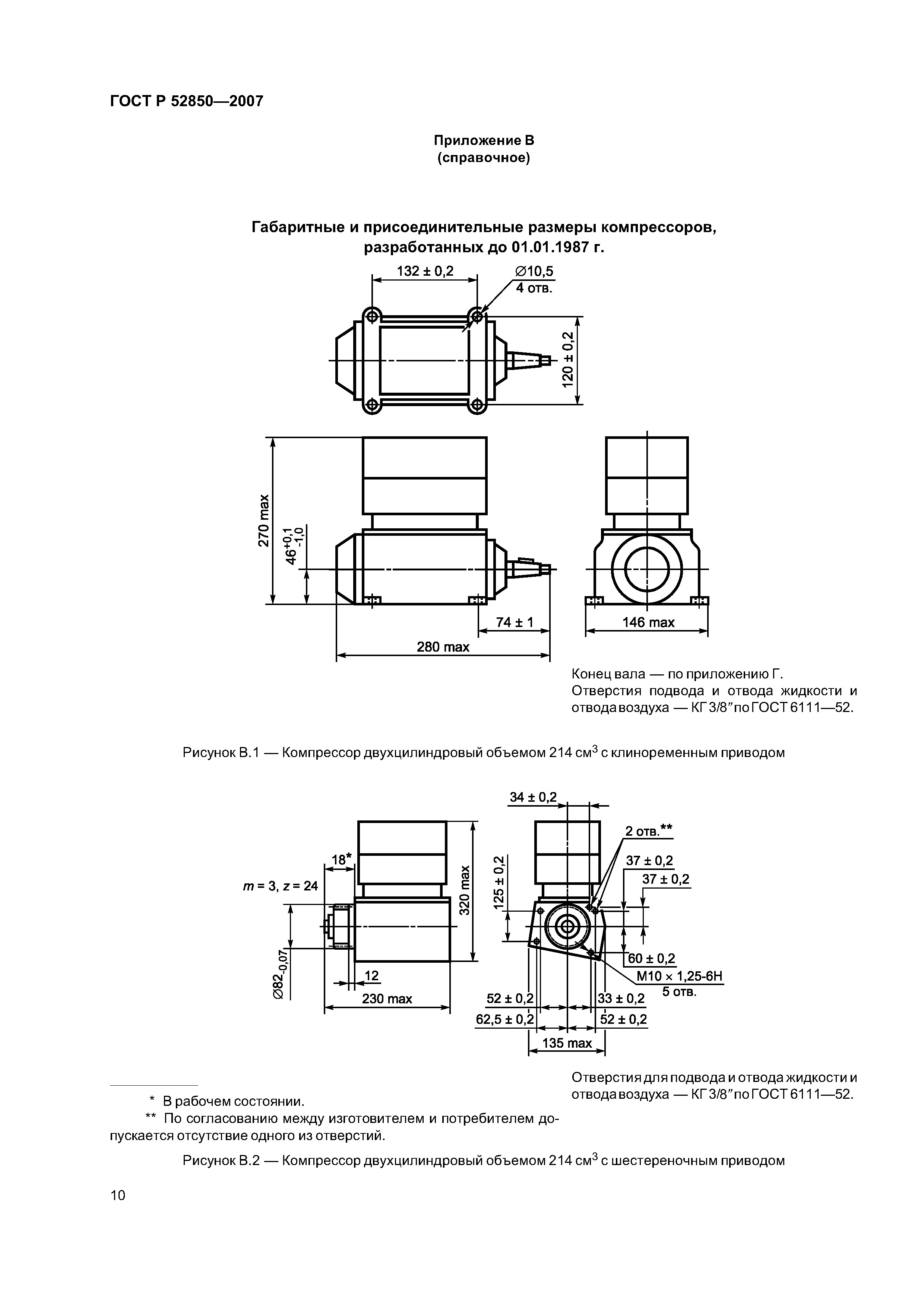
| Оглавление: | 1 Область применения 2 Нормативные ссылки 3 Термины и определения 4 Основные типы, параметры и размеры 5 Технические требования 6 Комплектность 7 Правила приемки и методы контроля 8 Маркировка, упаковка, транспортирование и хранение 9 Указания по эксплуатации 10 Гарантии изготовителя 11 Методы испытаний 12 Оформление результатов испытаний Приложение А (обязательное) Габаритные и присоединительные размеры одноцилиндровых компрессоров с клиноременным приводом Приложение Б (обязательное) Фланцы с четырьмя отверстиями для крепления компрессоров с шестереночным приводом Приложение В (справочное) Габаритные и присоединительные размеры компрессоров, разработанных до 01.01.1987 г Приложение Г (обязательное) Конец вала компрессора конусностью 1:8 Приложение Д (обязательное) Конец вала компрессора конусностью 1:5 Приложение Е (рекомендуемое) Расчет основных характеристик компрессора Приложение И (рекомендуемое) Схемы установок и приспособление для испытаний компрессоров Приложение К (рекомендуемое) Форма протокола испытаний компрессоров одноступенчатого сжатия для автотранспортных средств Библиография |
| Разработан: | ФГУП НАМИ |
| Утверждён: | 27.12.2007 Федеральное агентство по техническому регулированию и метрологии (492-ст) |
| Издан: | Стандартинформ (2008 г. ) |
| Нормативные ссылки: |
|






















