Скачать ГОСТ Р 52854-2007 Болты со звездообразной головкой и малым фланцем. Технические условияДата актуализации: 01.01.2021 ГОСТ Р 52854-2007
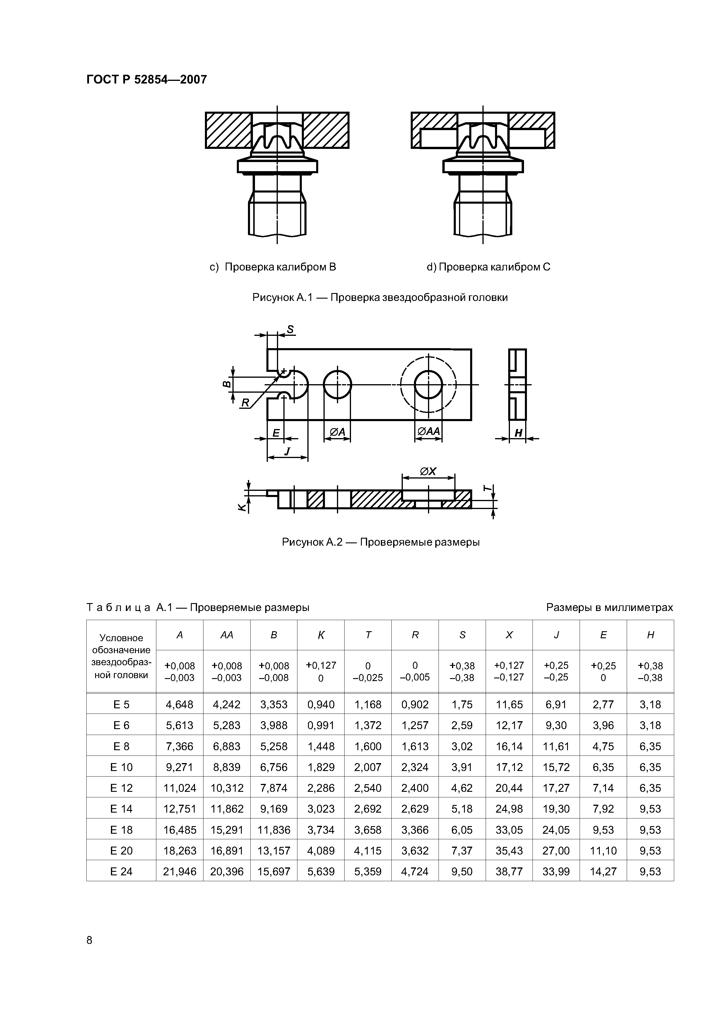
Болты со звездообразной головкой и малым фланцем. Технические условия| Обозначение: | ГОСТ Р 52854-2007 | | Обозначение англ: | GOST R 52854-2007 | | Статус: | заменен | | Название рус.: | Болты со звездообразной головкой и малым фланцем. Технические условия | | Название англ.: | Bolts with star-type head and small flange. Specifications | | Дата добавления в базу: | 01.09.2013 | | Дата актуализации: | 01.01.2021 | | Дата введения: | 01.01.2009 | | Дата окончания срока действия: | 01.06.2020 | | Область применения: | Стандарт устанавливает размеры, механические характеристики болтов со звездообразной головкой и малым фланцем, номинальным диаметром резьбы от 4 до 20 мм, крупным и мелким шагом, из стали с классами прочности 8,8 и 10,9 для болтов классов точности А и В. | | Оглавление: | 1 Область применения 2 Нормативные ссылки 3 Термины и определения 4 Размеры 5 Технические требования 6 Обозначения Приложение А (обязательное) Проверка калибрами звездообразной головки Приложение Б (справочное) Сведения о соответствии ссылочных международных (региональных) стандартов национальным стандартам Российской Федерации, использованным в настоящем стандарте в качестве нормативных ссылок | | Разработан: | ФГУП НАМИ
| | Утверждён: | 27.12.2007 Федеральное агентство по техническому регулированию и метрологии (496-ст)
| | Издан: | Стандартинформ (2008 г. )
| | Нормативные ссылки: |   ГОСТ 17769-83 «Изделия крепежные. Правила приемки»  ГОСТ 9.301-86 «Единая система защиты от коррозии и старения. Покрытия металлические и неметаллические неорганические. Общие требования»  ГОСТ 1759.0-87 «Болты, винты, шпильки и гайки. Технические условия»  Федеральный закон 184-ФЗ «О техническом регулировании»  ГОСТ 1759.1-82 «Болты, винты, шпильки, гайки и шурупы. Допуски. Методы контроля размеров и отклонений формы и расположения поверхностей»  ГОСТ 12414-94 «Концы болтов, винтов и шпилек. Размеры»  ГОСТ 1759.2-82 «Болты, винты и шпильки. Дефекты поверхности и методы контроля»  ГОСТ 27148-86 «Изделия крепежные. Выход резьбы, сбеги, недорезы и проточки. Размеры»  ГОСТ 8724-2002 «Основные нормы взаимозаменяемости. Резьба метрическая. Диаметры и шаги»  ГОСТ 16093-2004 «Основные нормы взаимозаменяемости. Резьба метрическая. Допуски. Посадки с зазором»  ГОСТ 24705-2004 «Основные нормы взаимозаменяемости. Резьба метрическая. Основные размеры»  ГОСТ Р 1.0-2004 «Стандартизация в Российской Федерации. Основные положения»  ГОСТ Р 1.5-2004 «Стандартизация в Российской Федерации. Стандарты национальные Российской Федерации. Правила построения, изложения, оформления и обозначения»  ГОСТ Р 52627-2006 «Болты, винты и шпильки. Механические свойства и методы испытаний»
|
          
|