Скачать Серия ЭЛ-ТП.010.07 Стальные опоры из гнутого профиля для воздушных линий электропередачи 10 кВ с неизолированными проводамиДата актуализации: 01.01.2021
|
| Обозначение: | Серия ЭЛ-ТП.010.07 |
| Обозначение англ: | Series ЭЛ-ТП.010.07 |
| Статус: | не действует |
| Название рус.: | Стальные опоры из гнутого профиля для воздушных линий электропередачи 10 кВ с неизолированными проводами |
| Дата добавления в базу: | 01.09.2013 |
| Дата актуализации: | 01.01.2021 |
| Дата введения: | 01.06.2008 |
| Дата окончания срока действия: | 23.07.2008 |
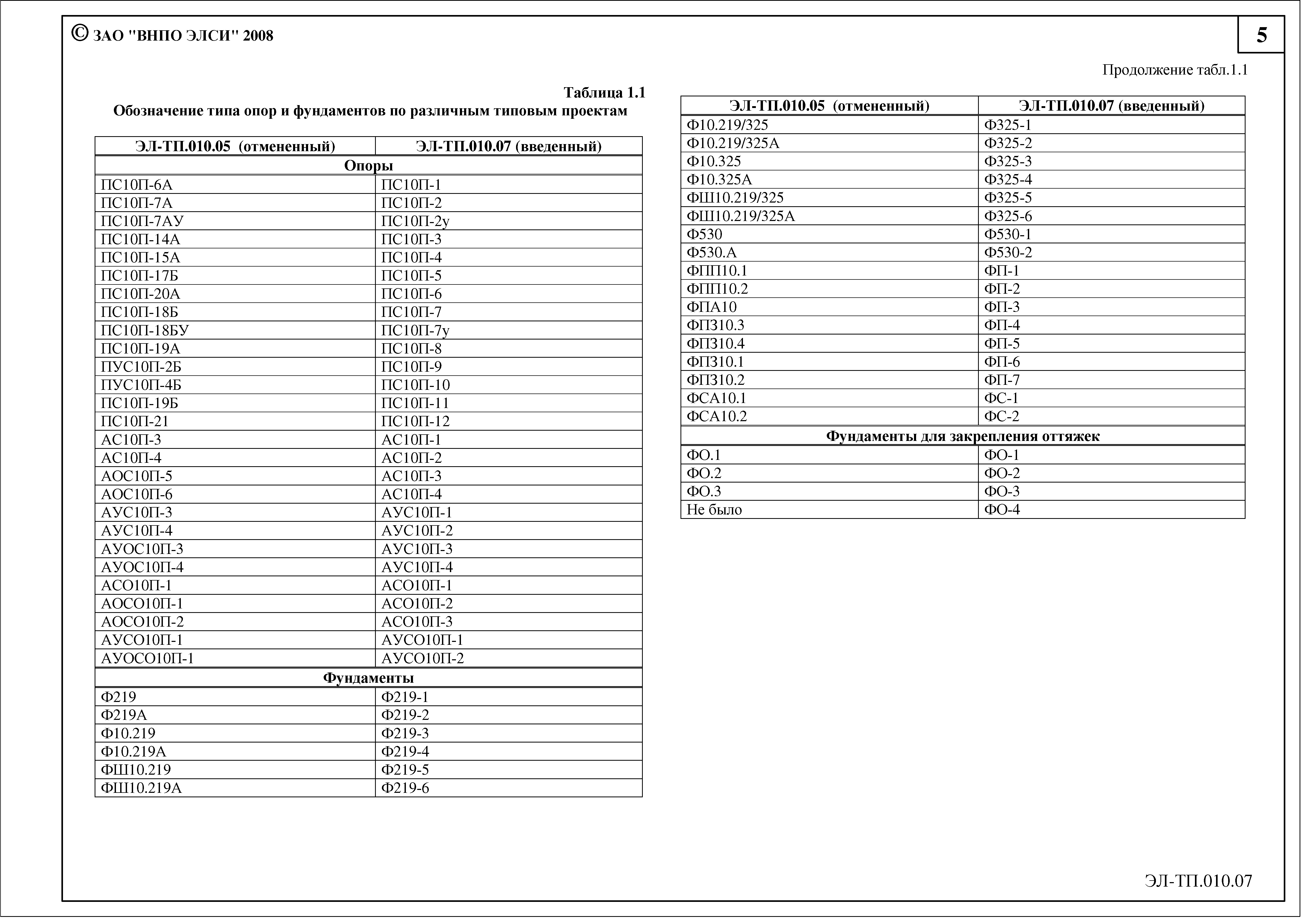
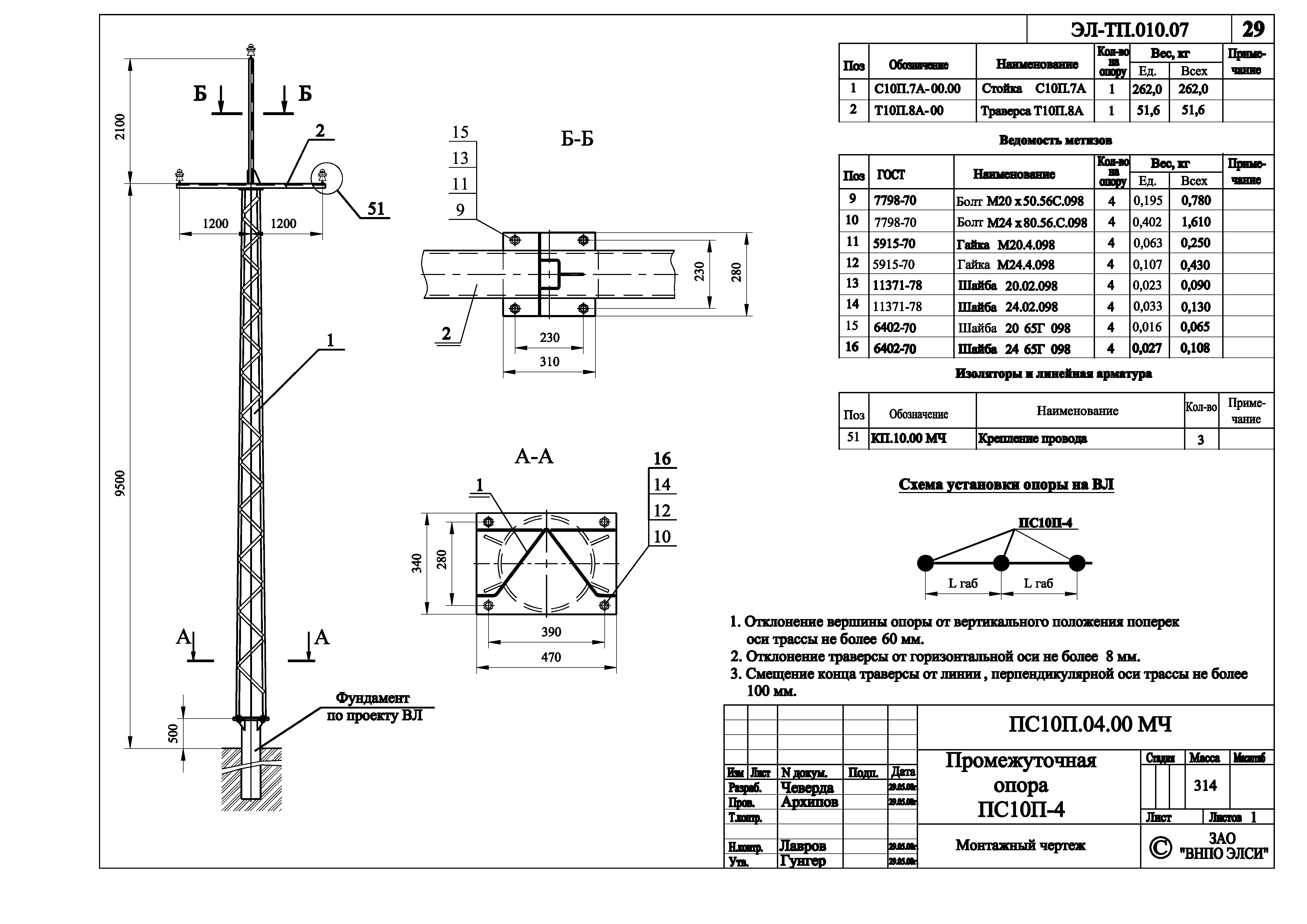
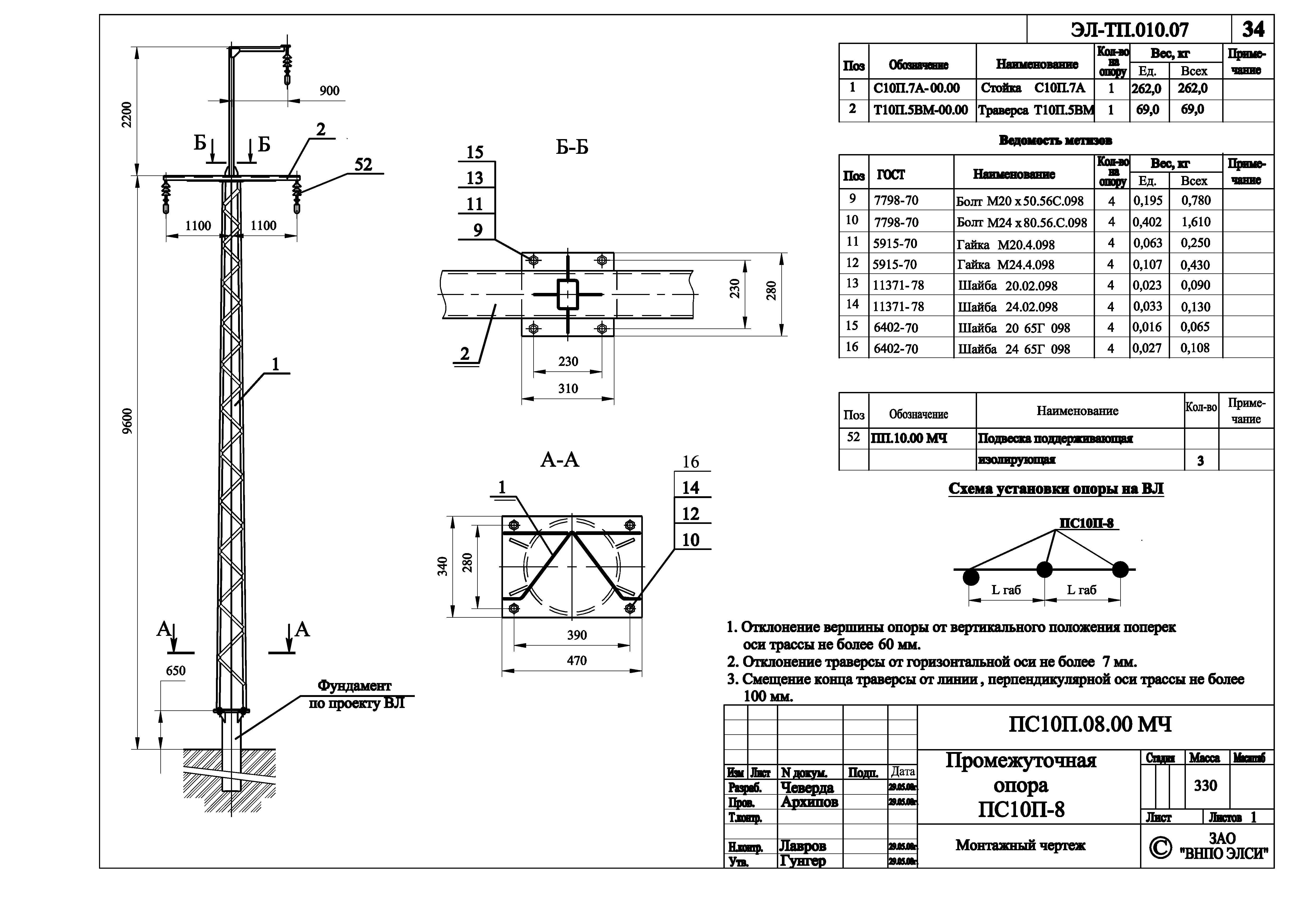
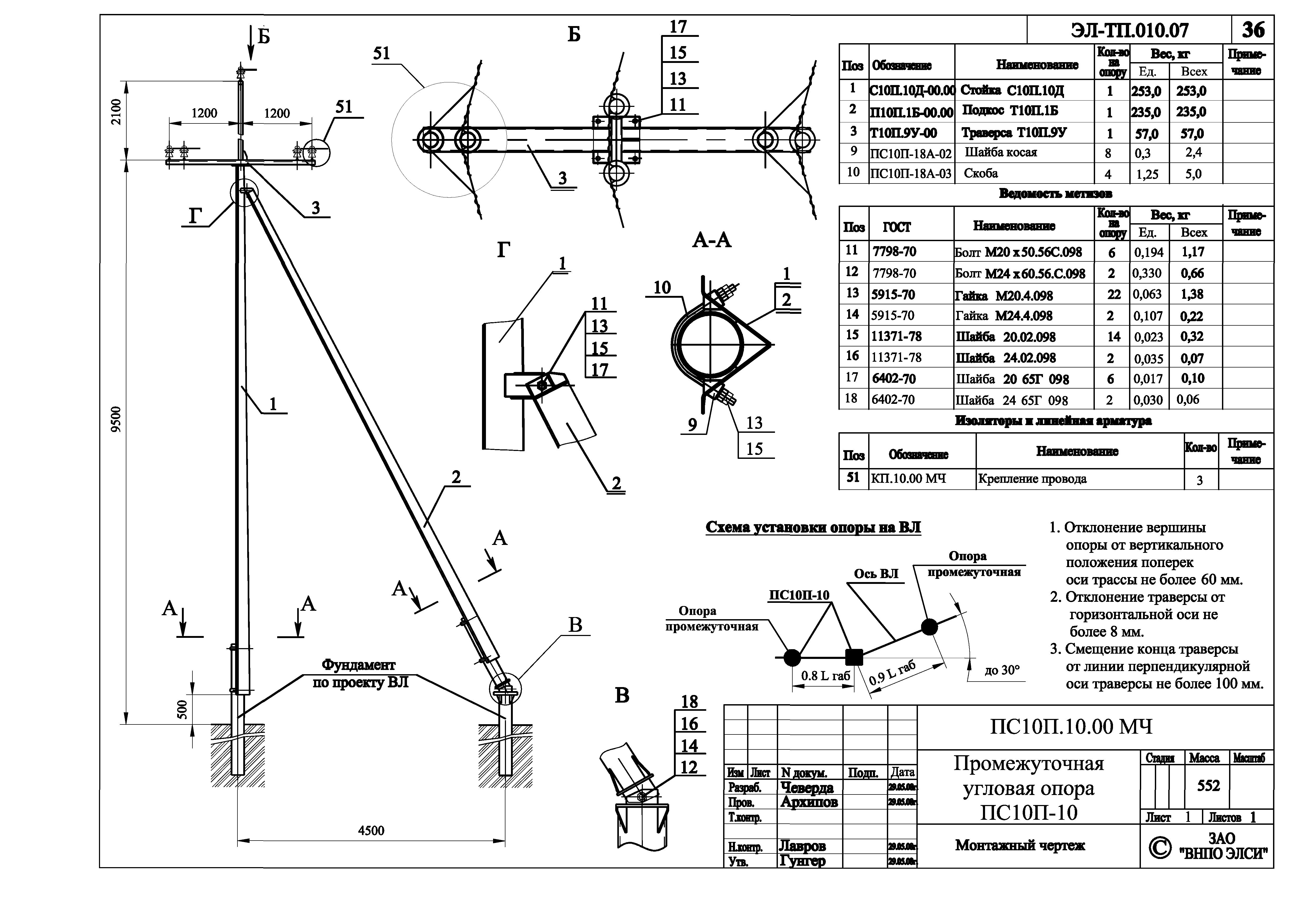
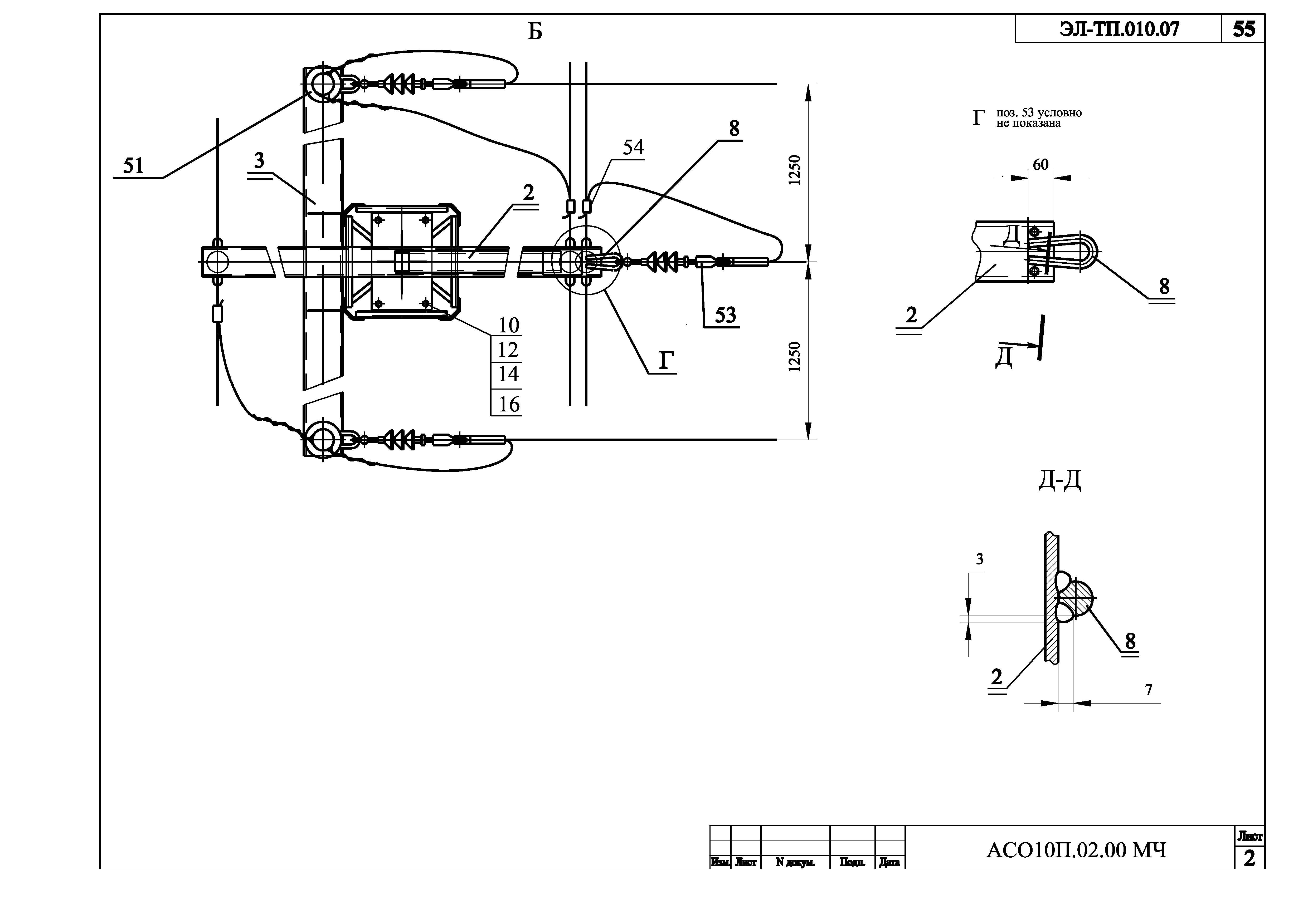
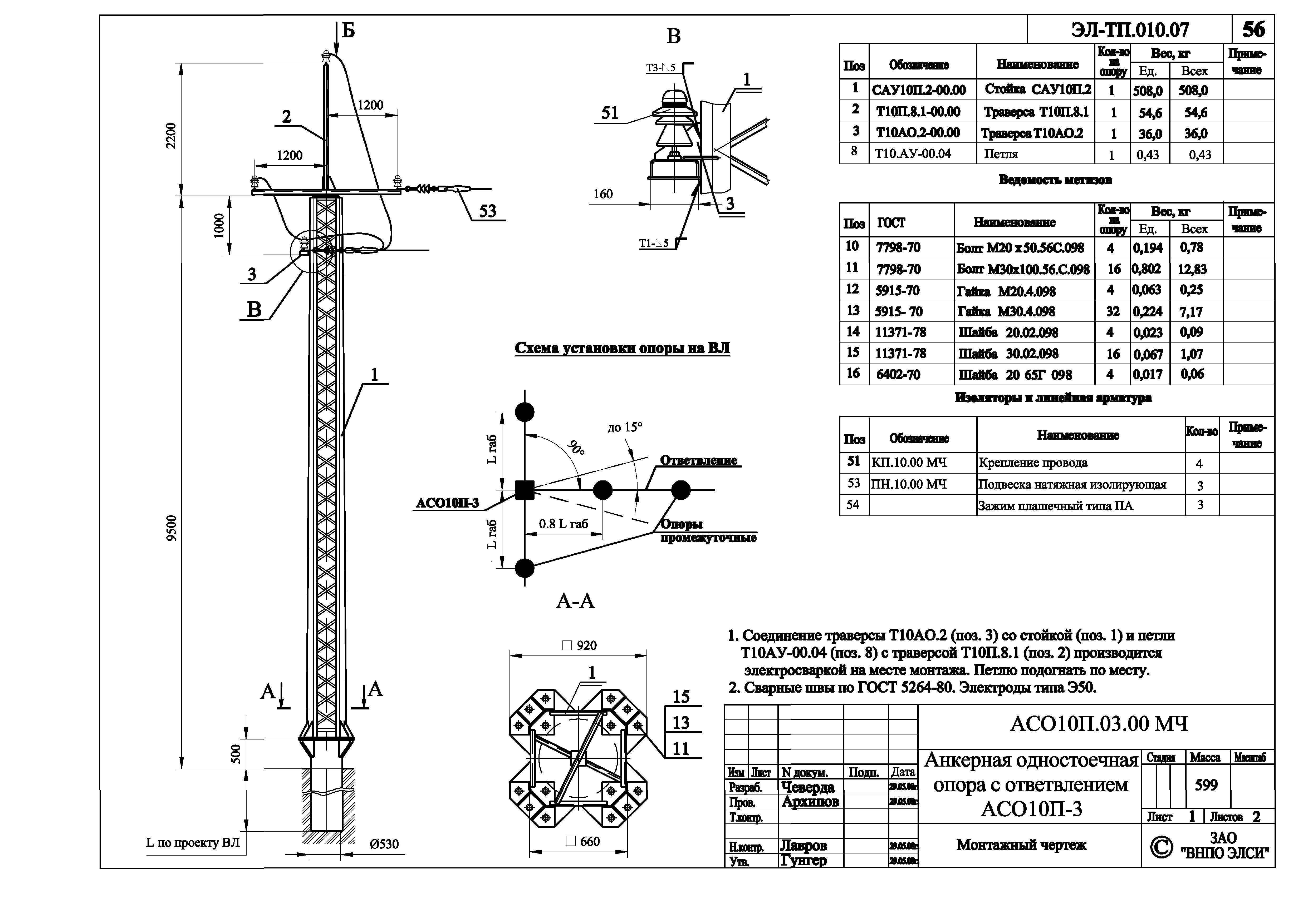
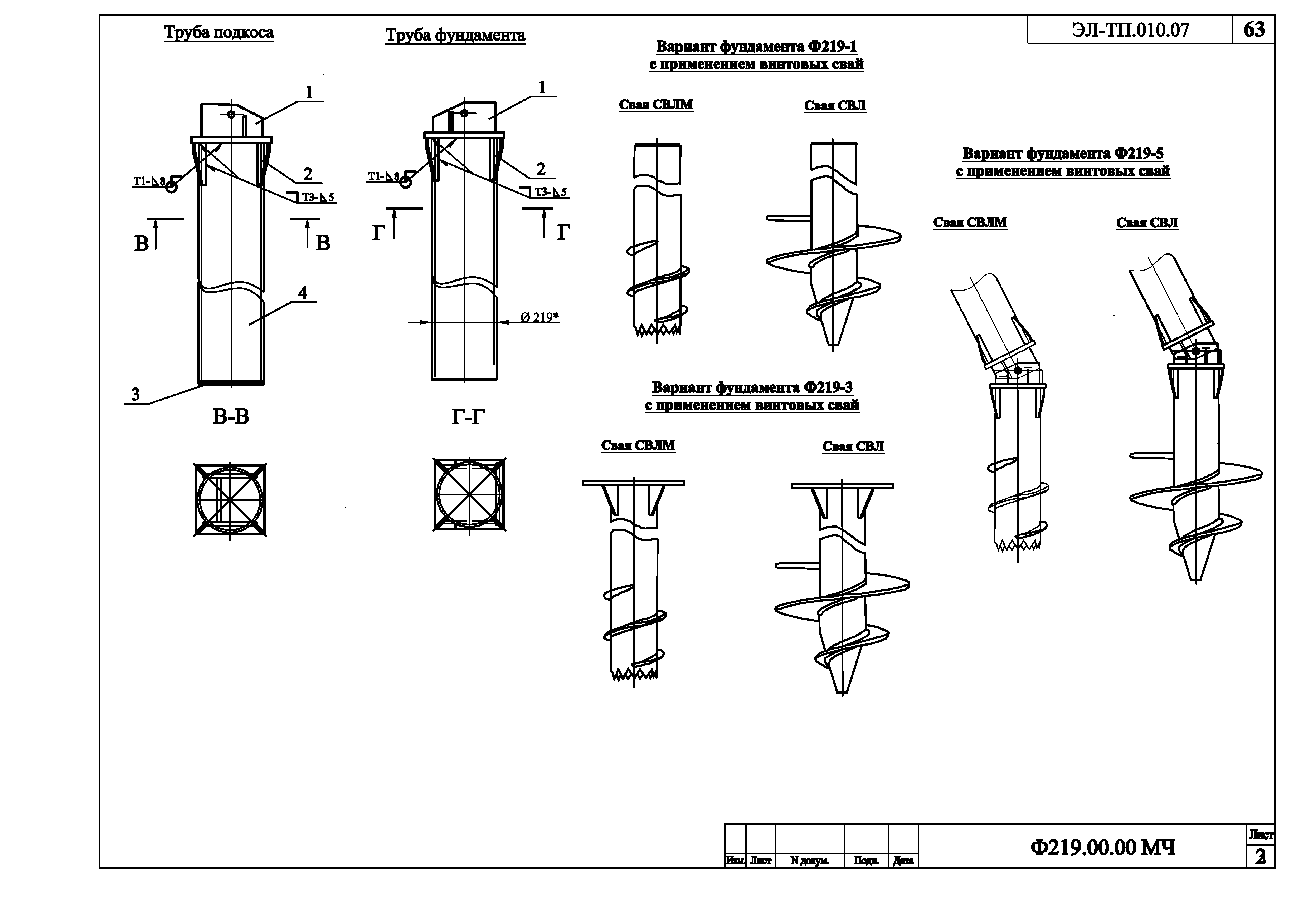
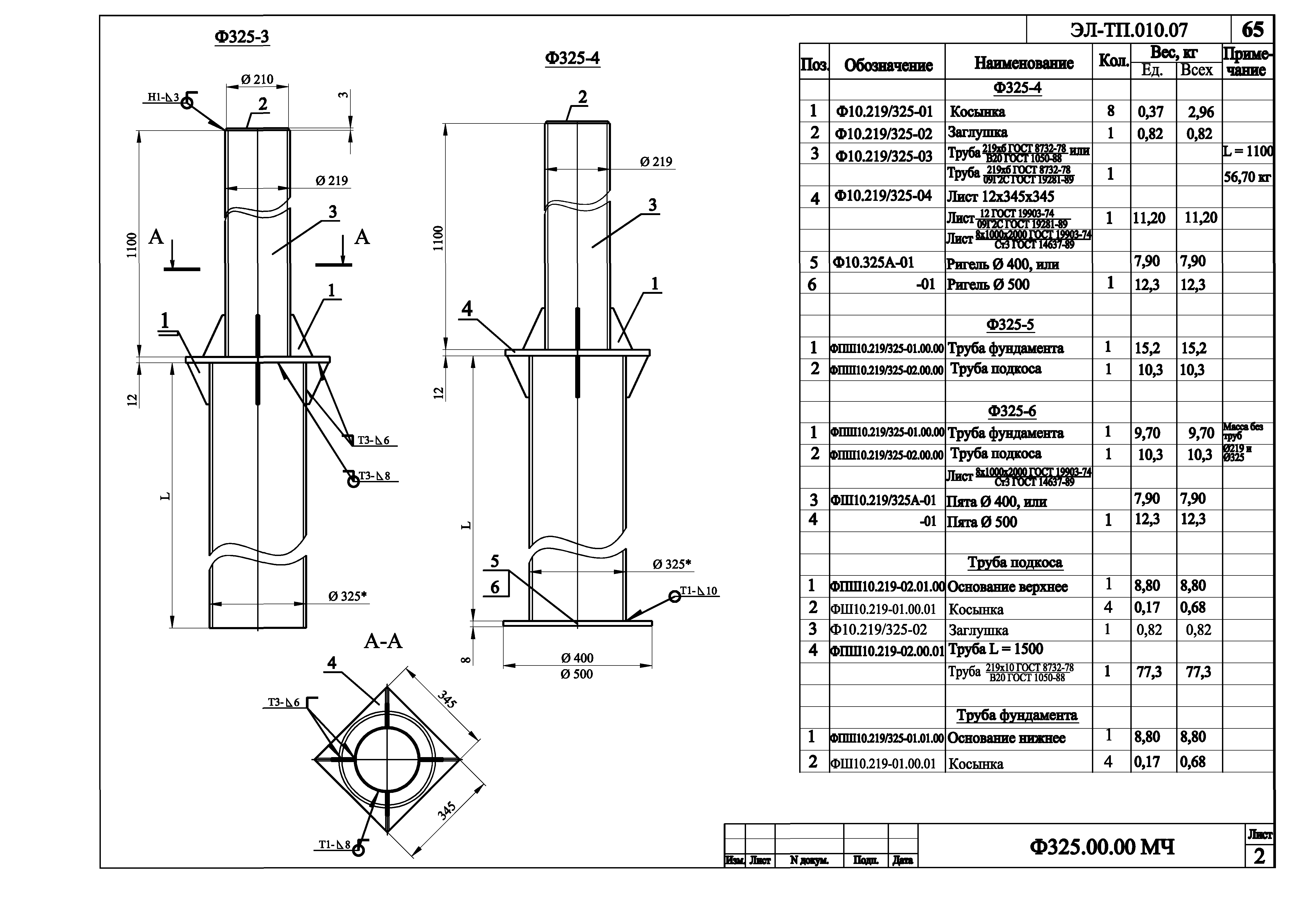
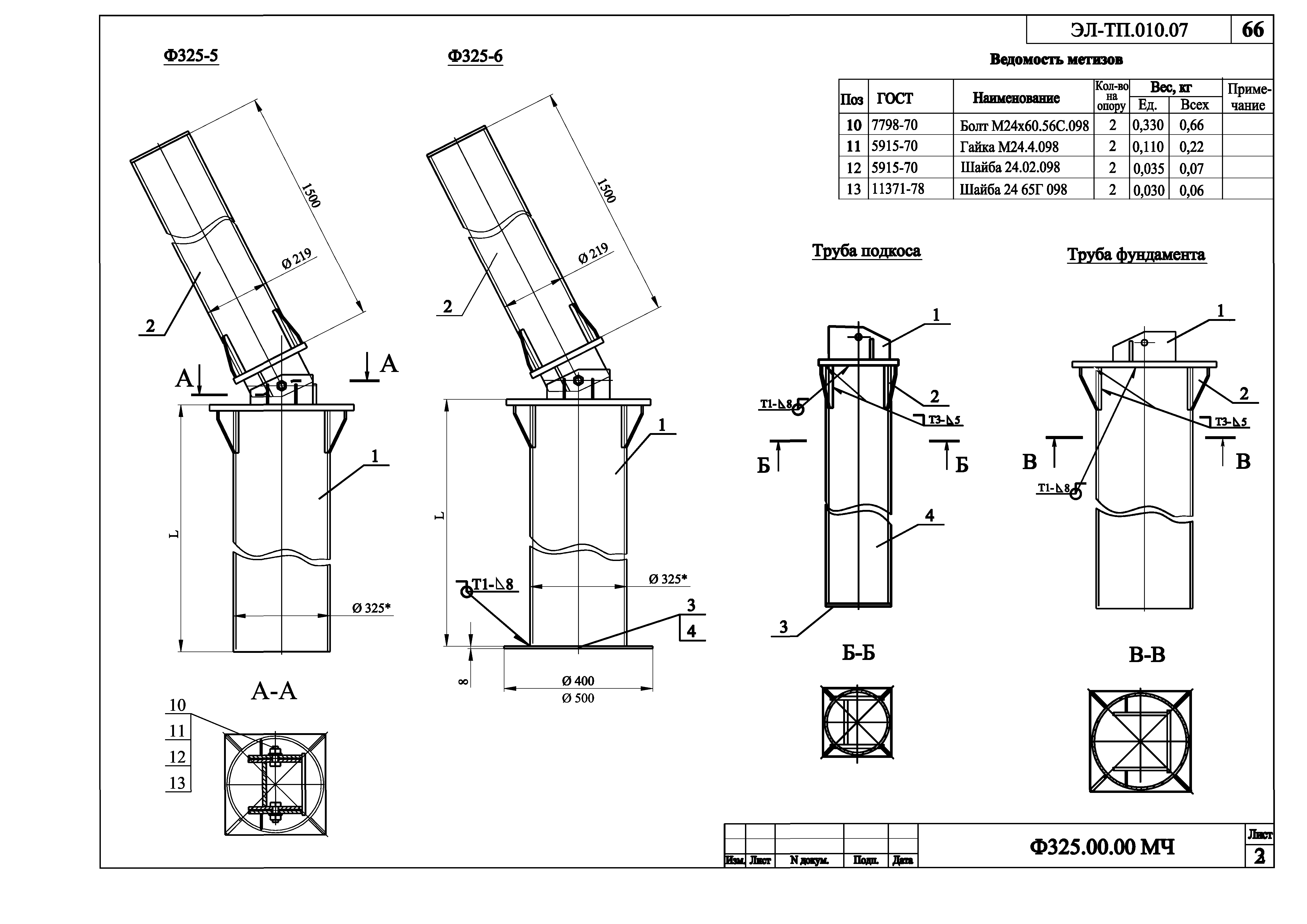
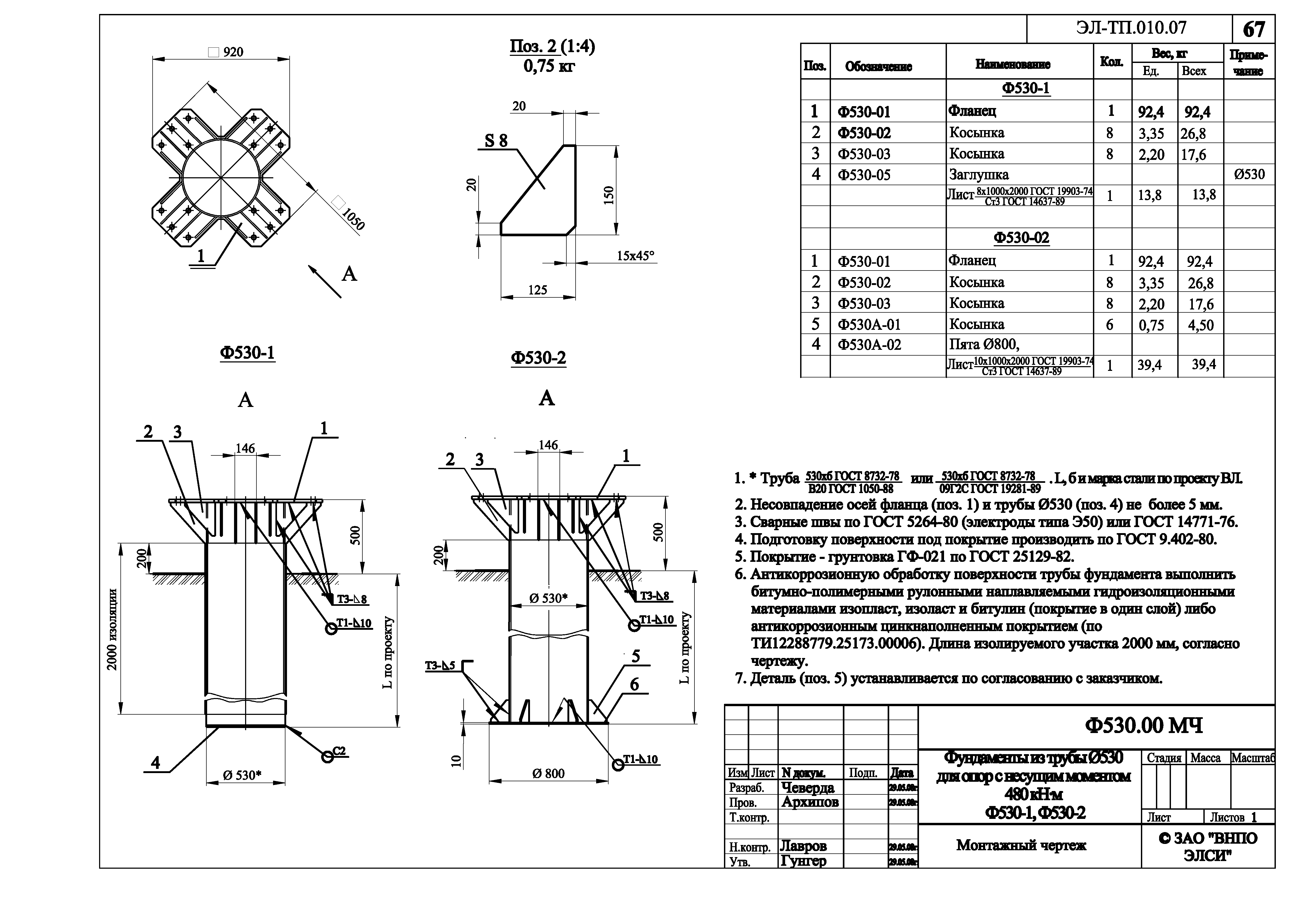
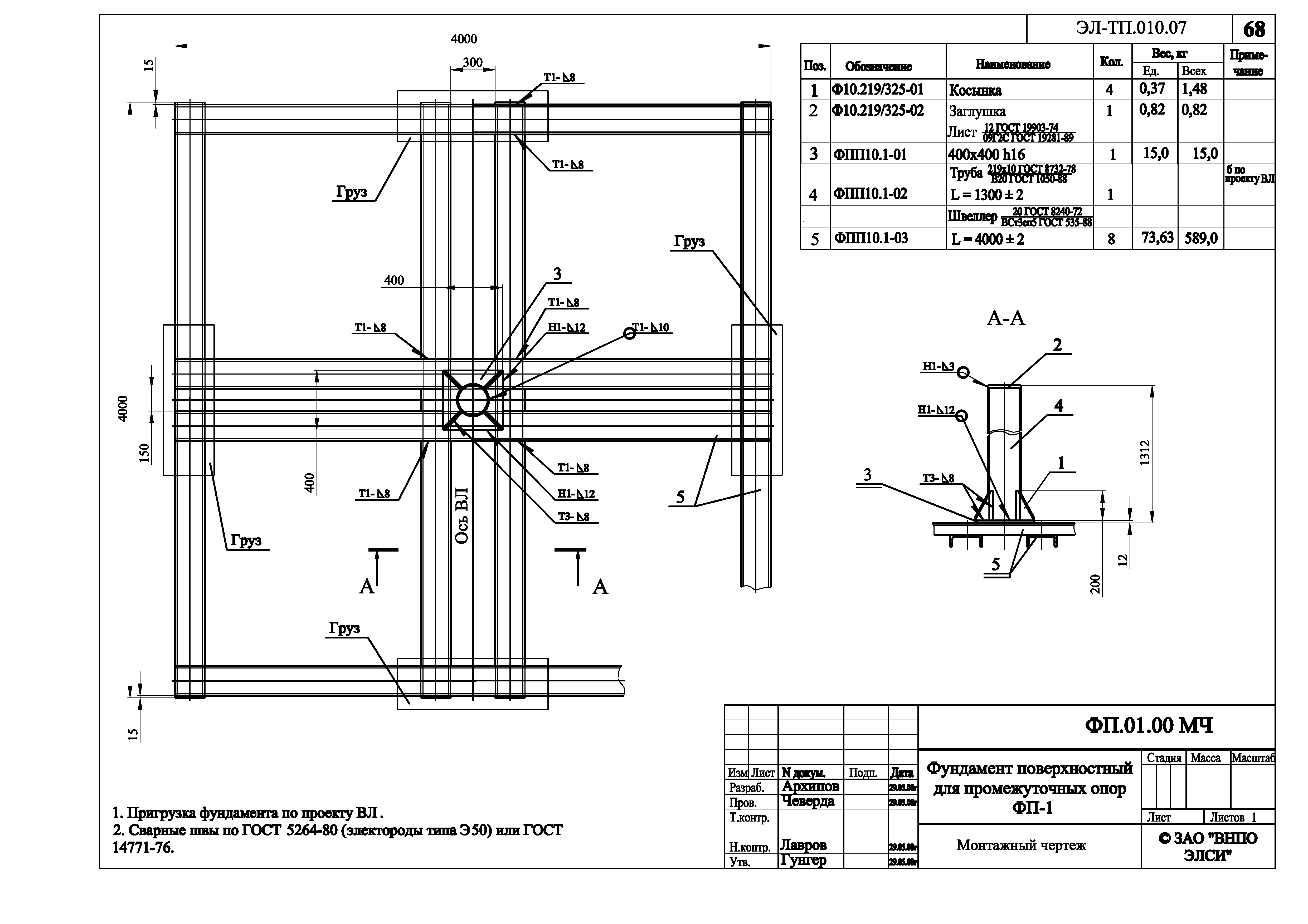
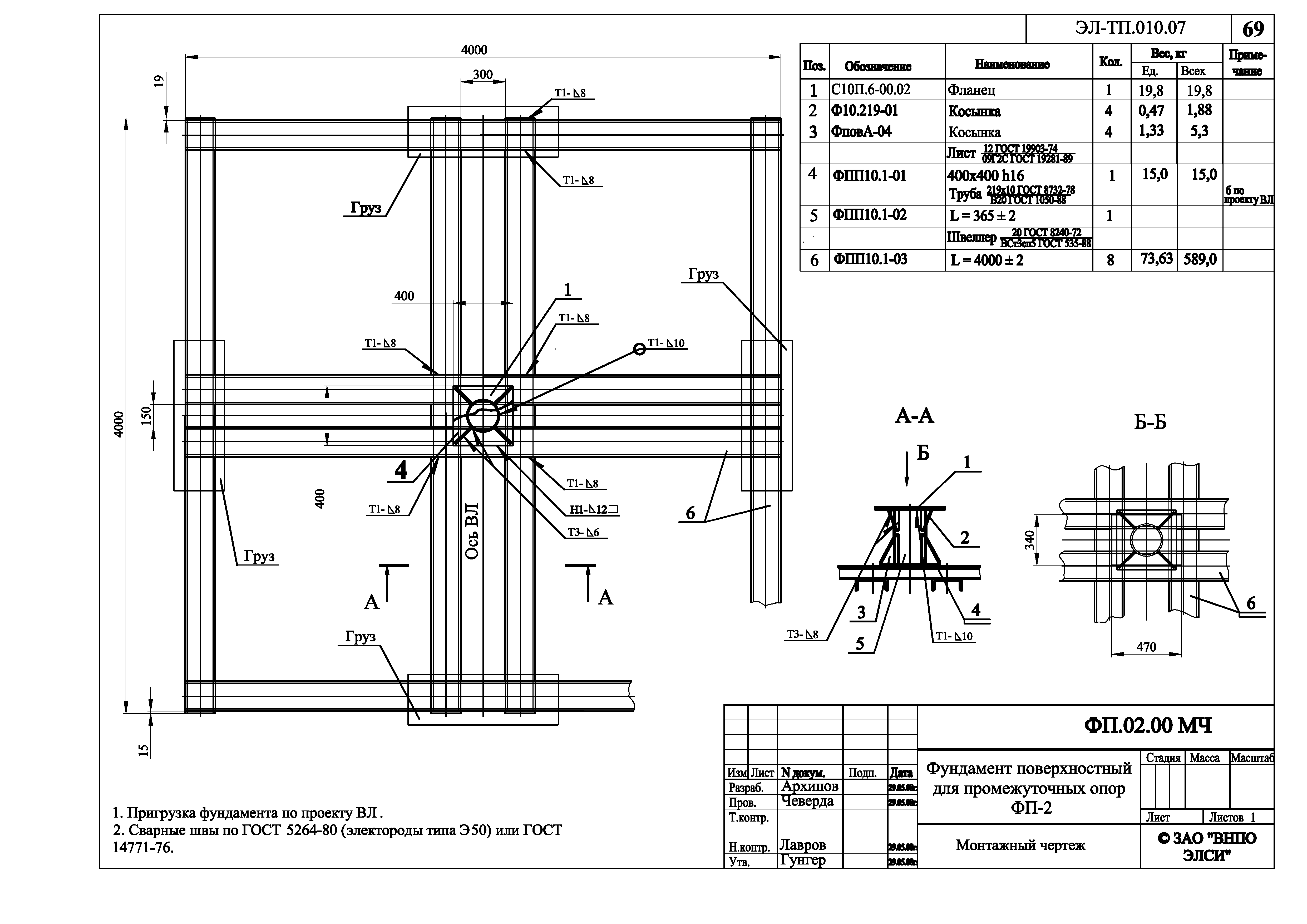
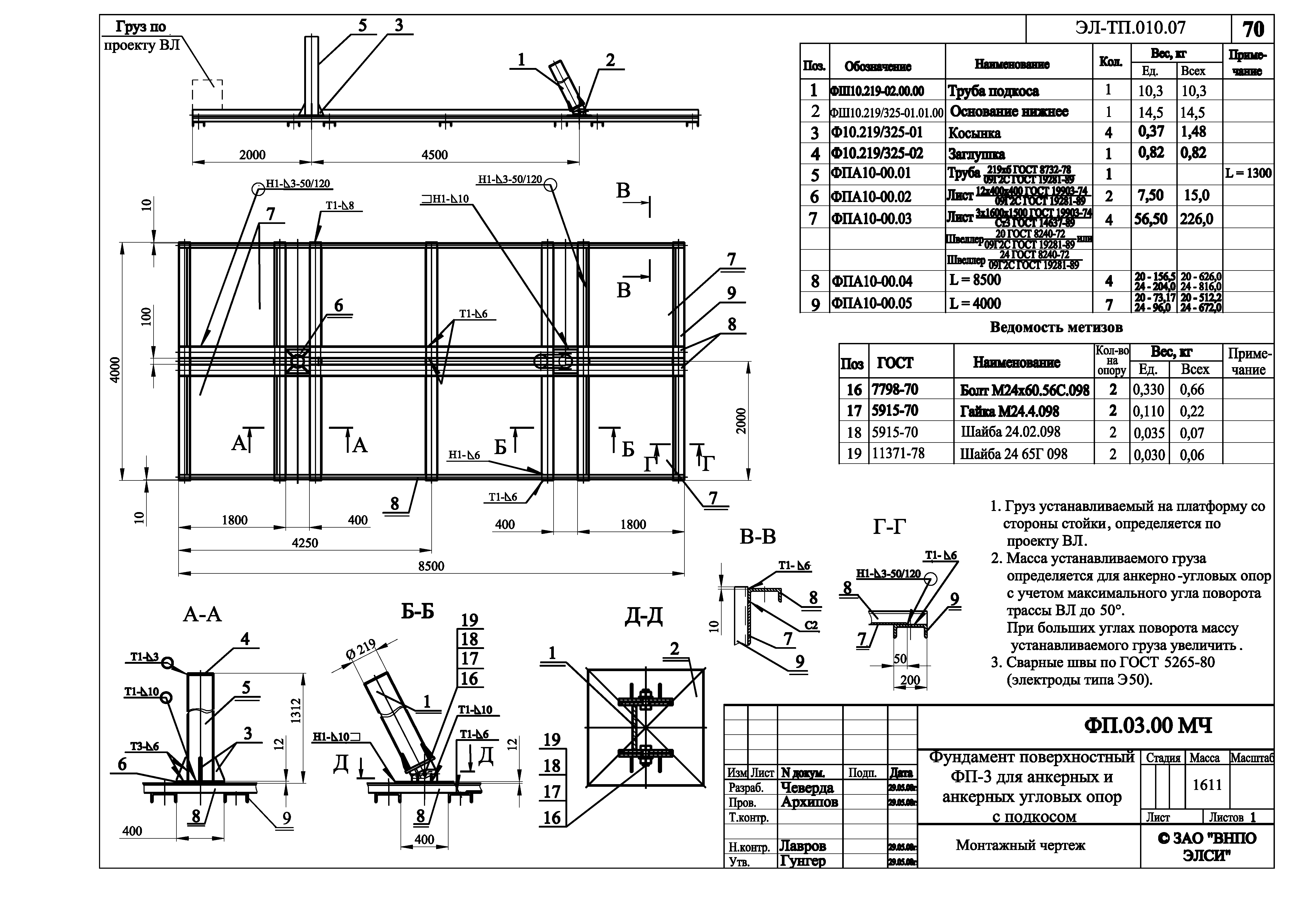
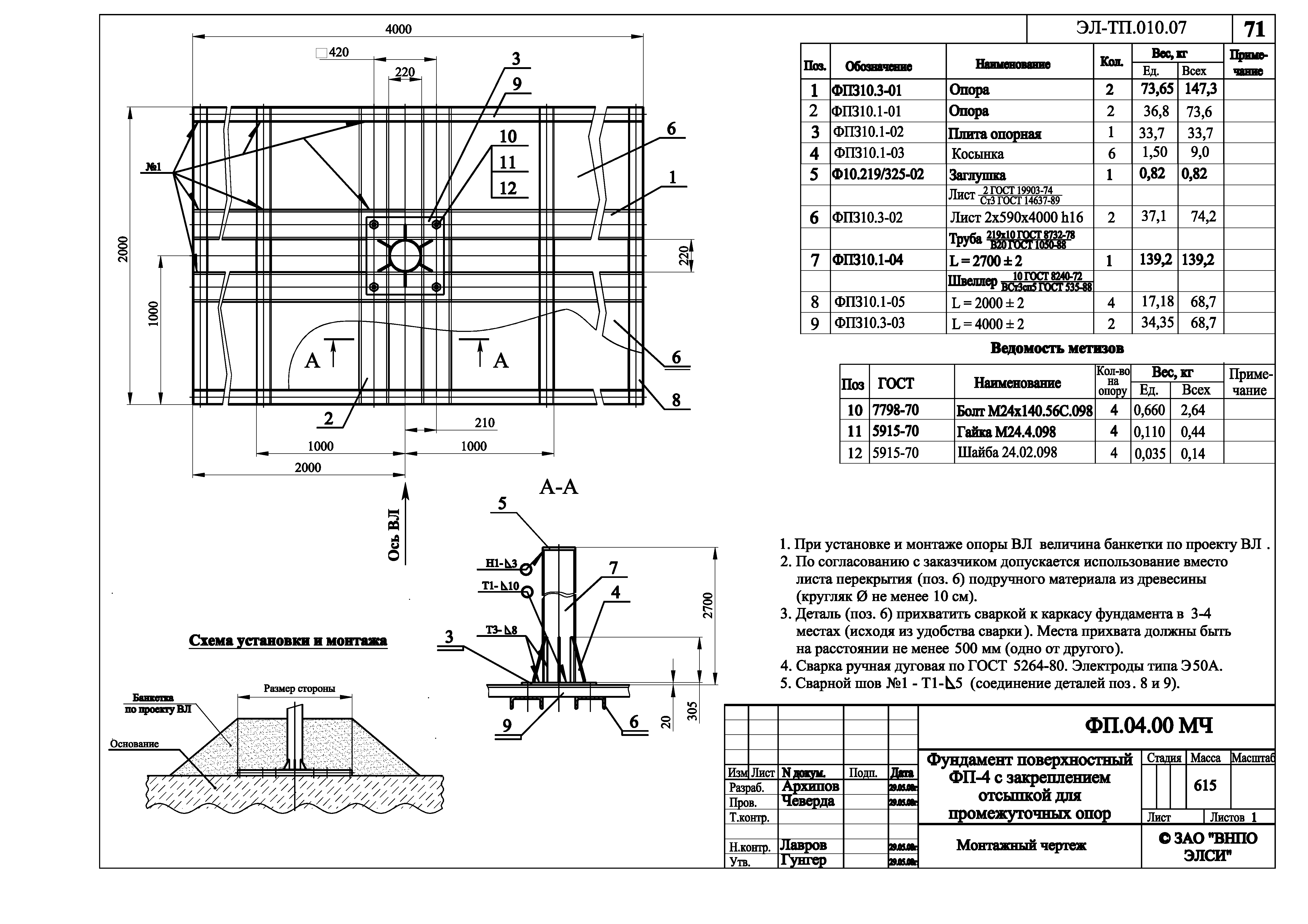
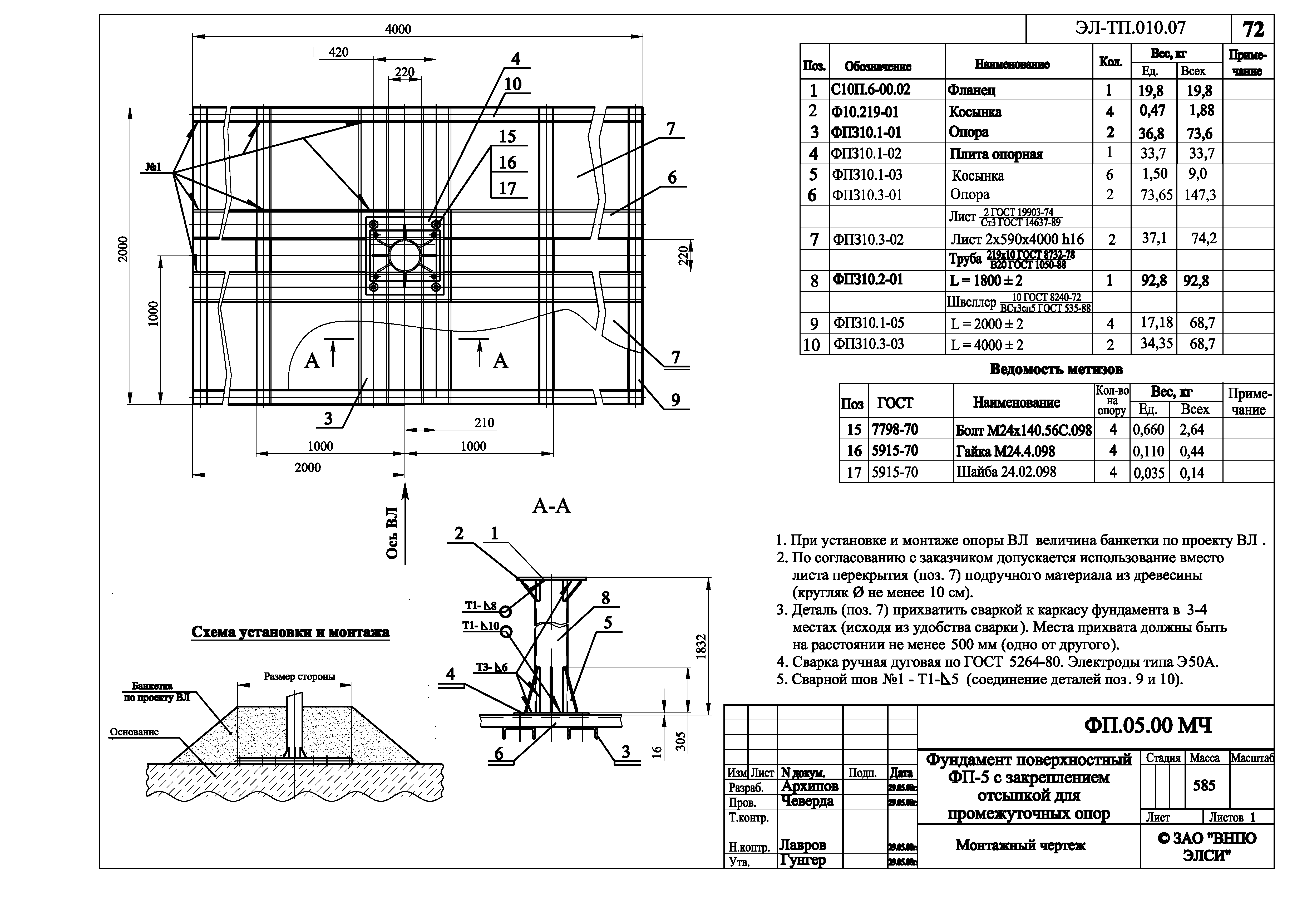
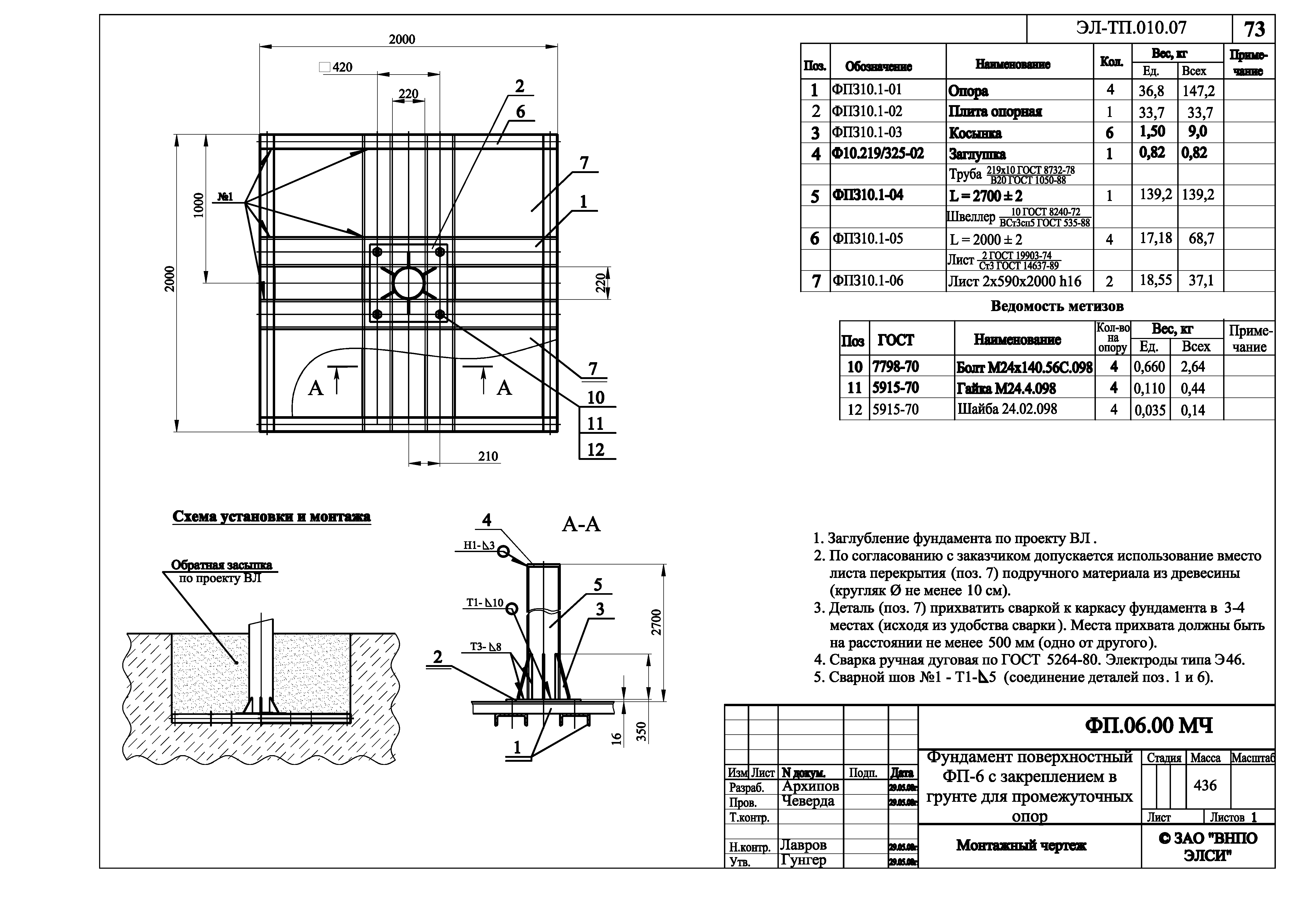
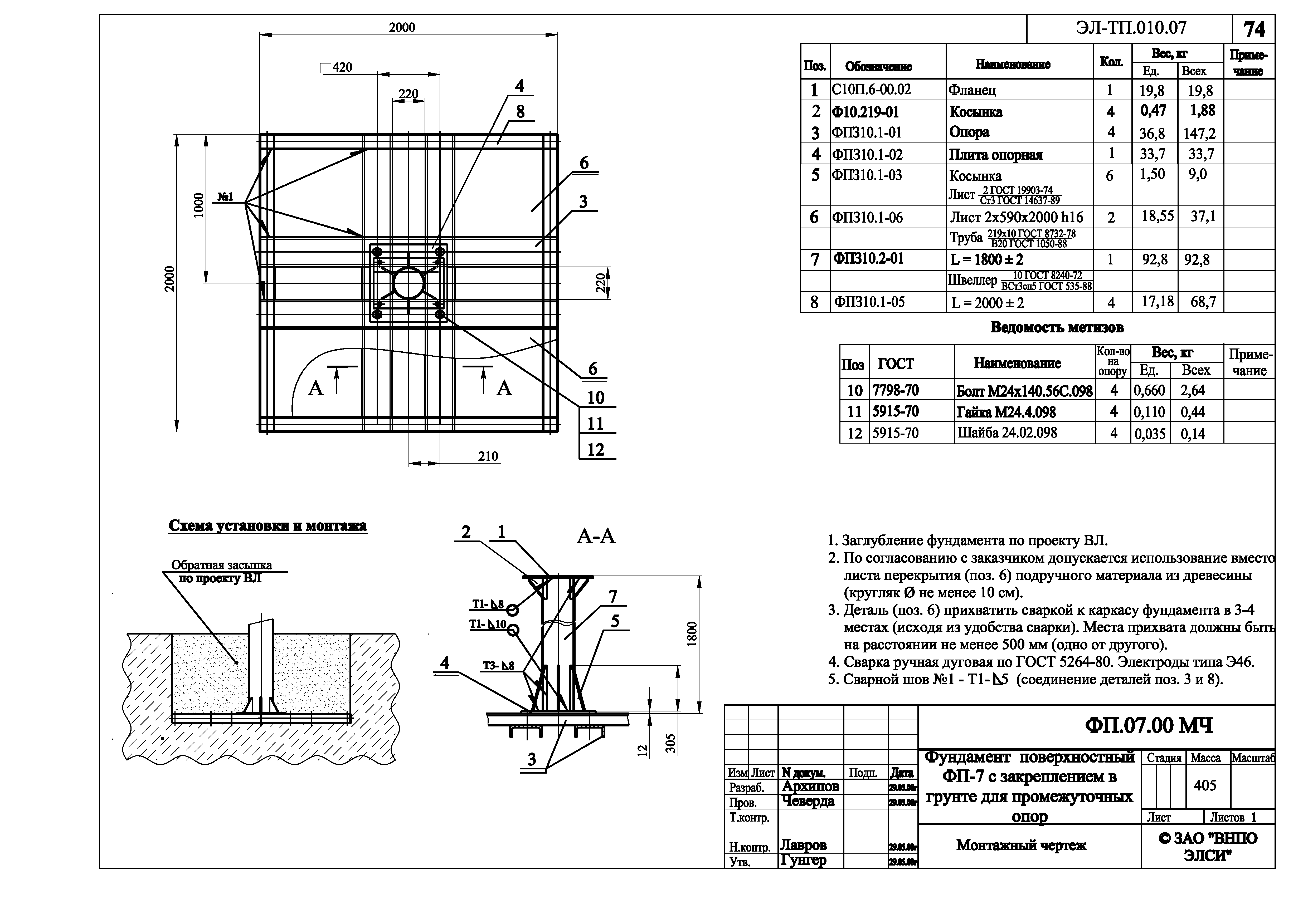
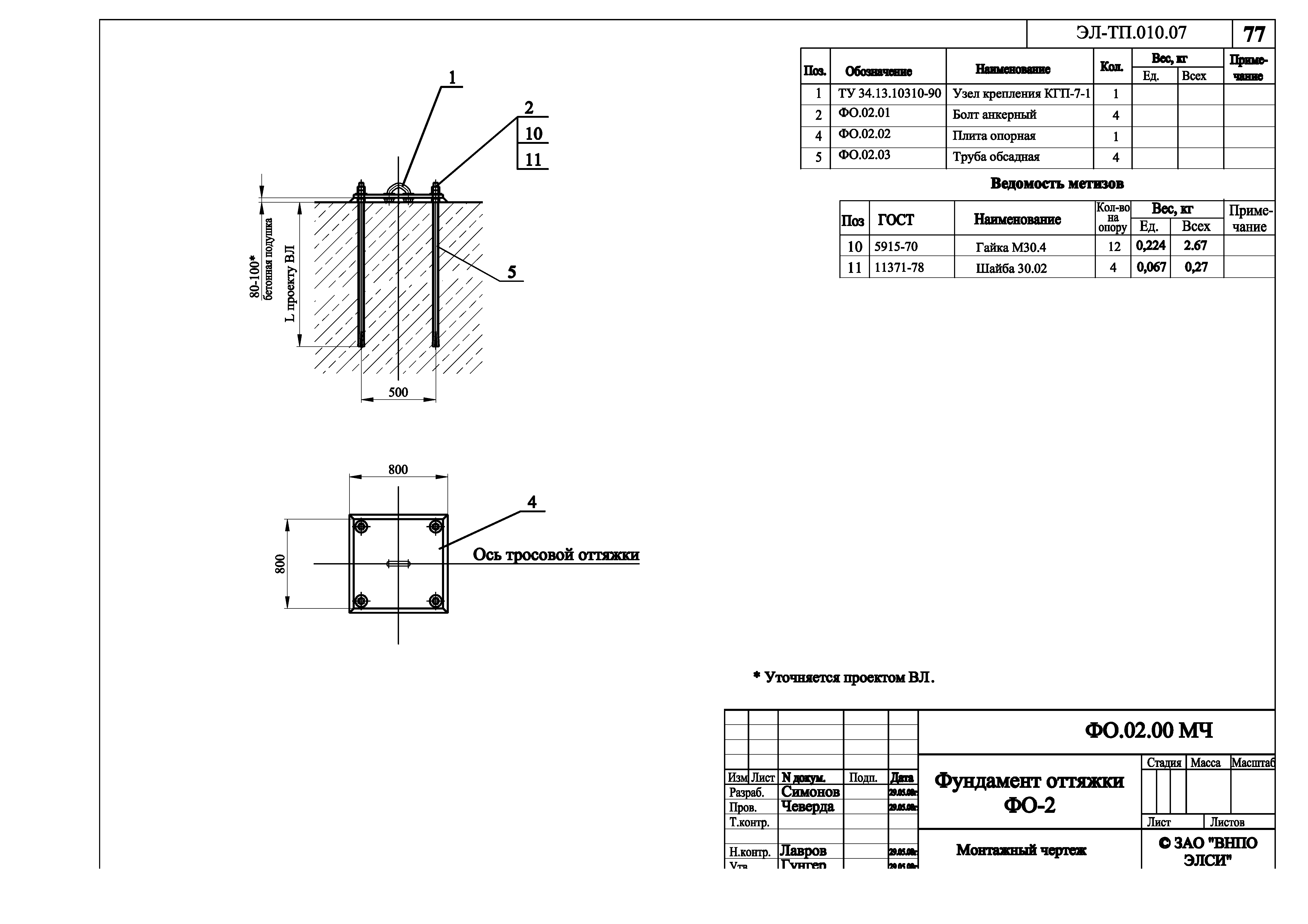
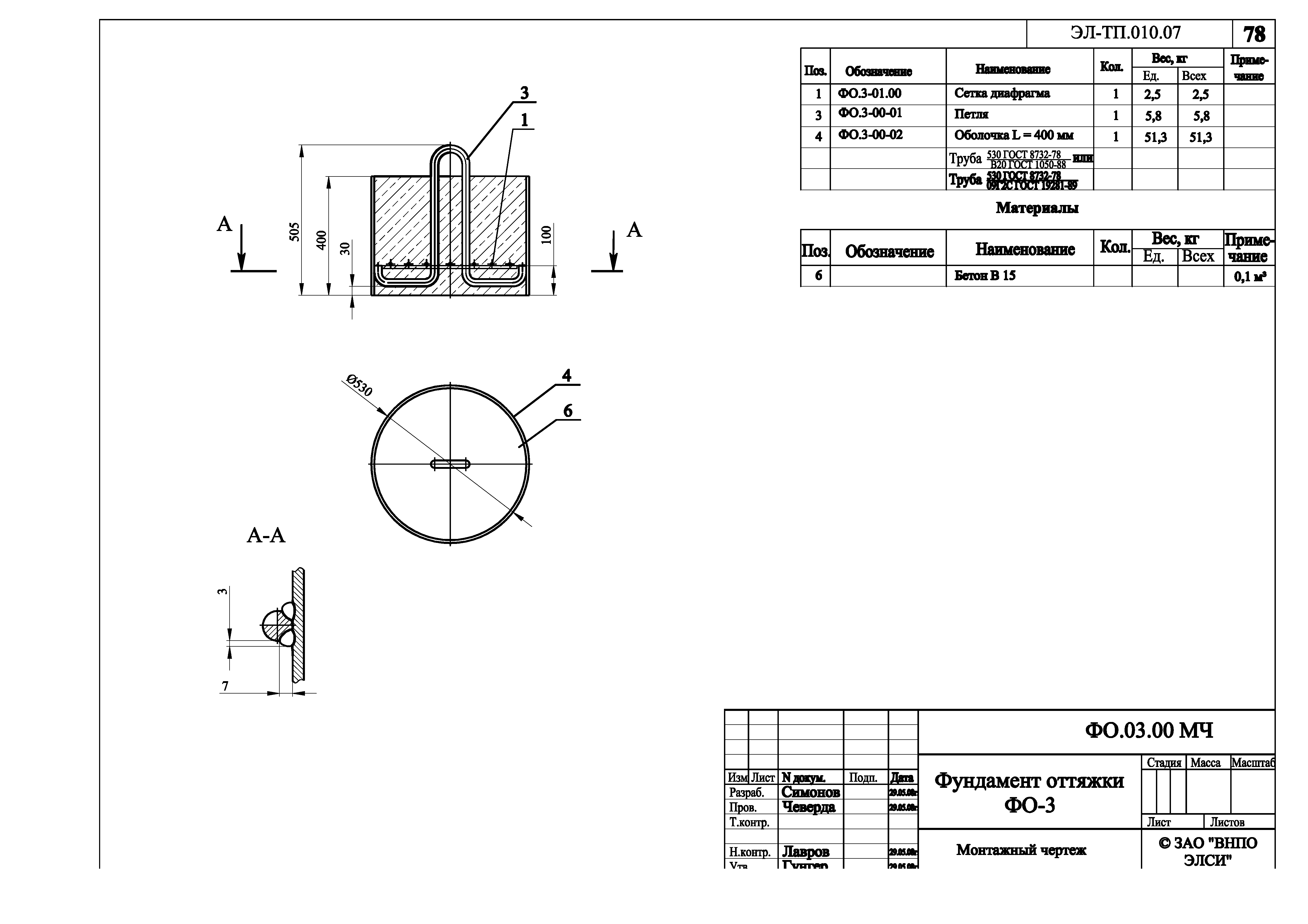
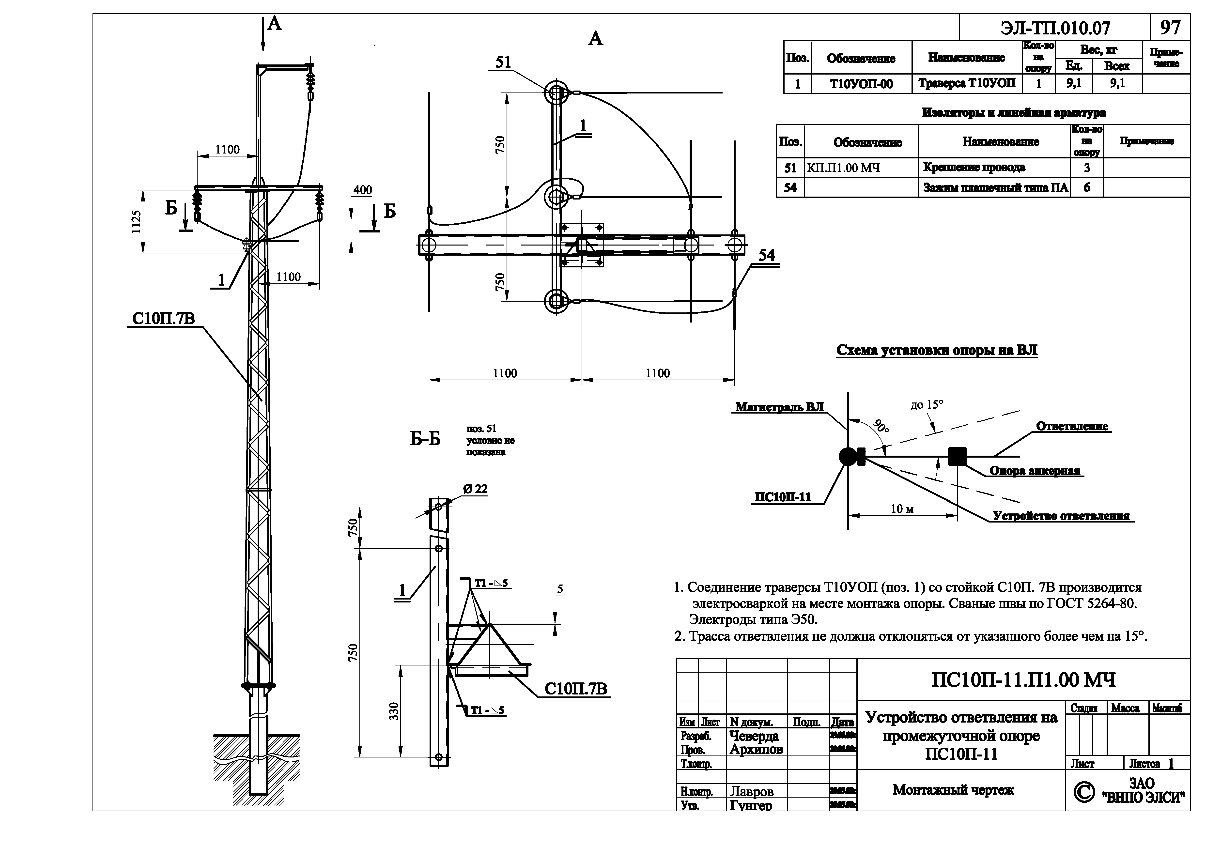
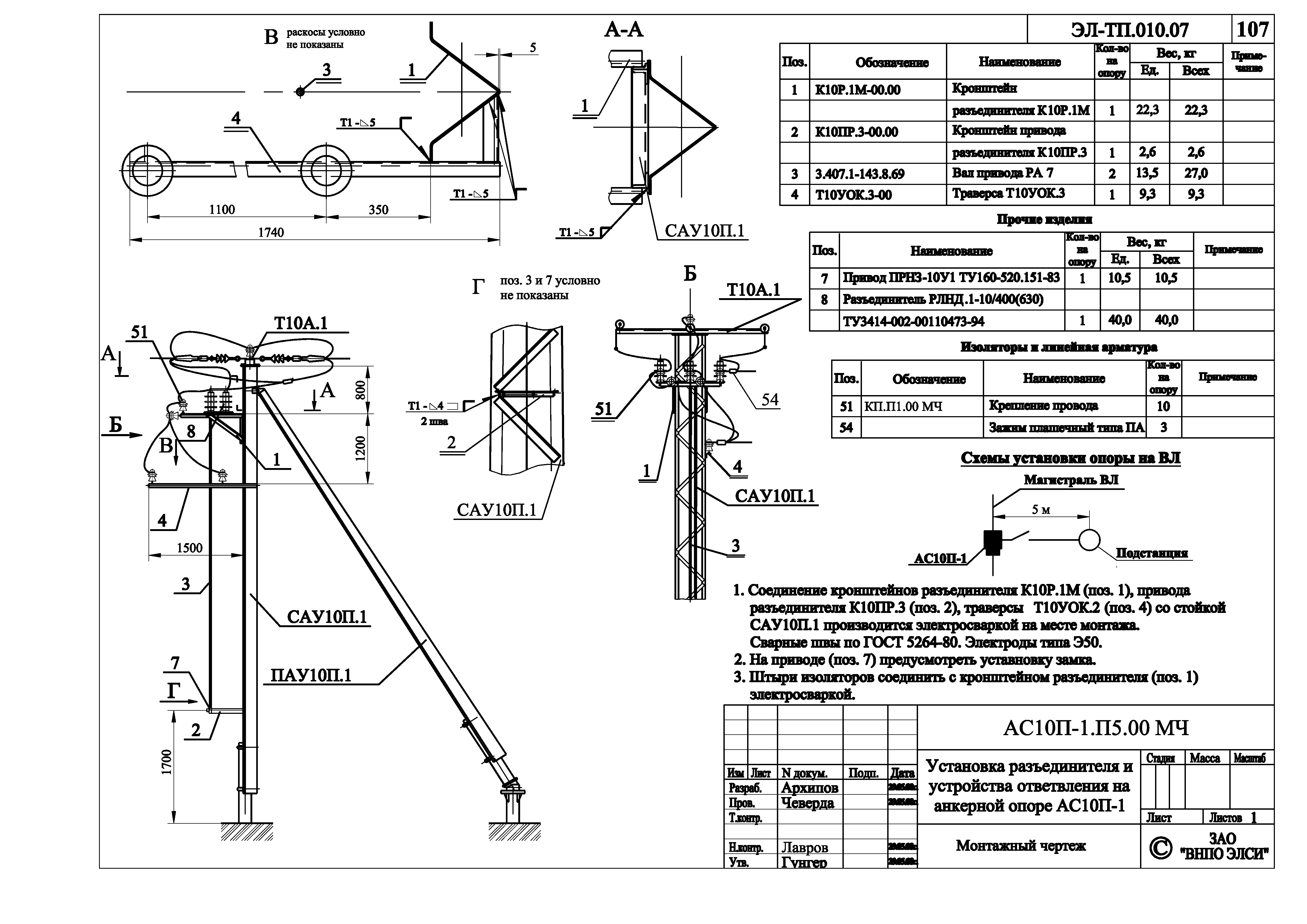
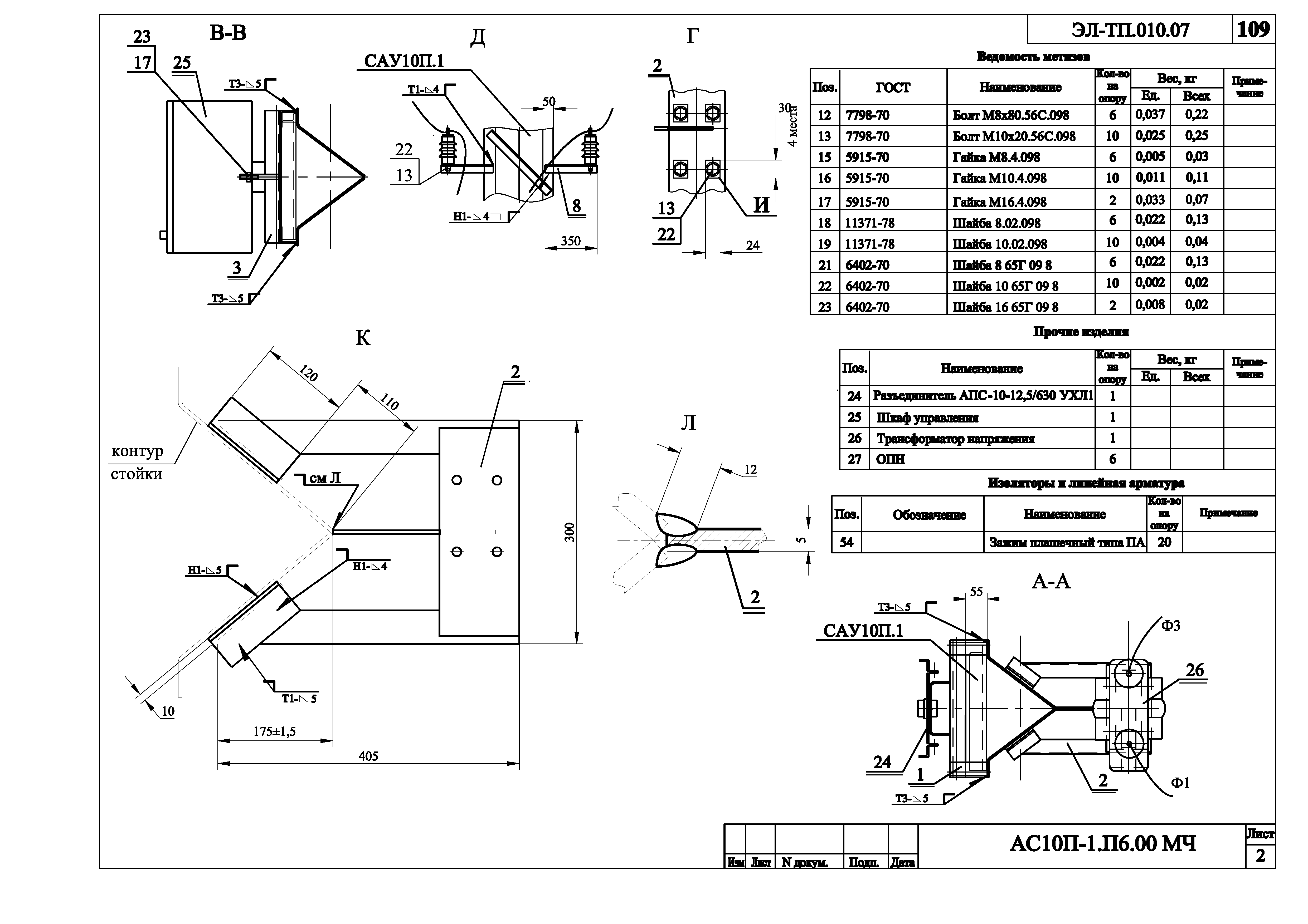
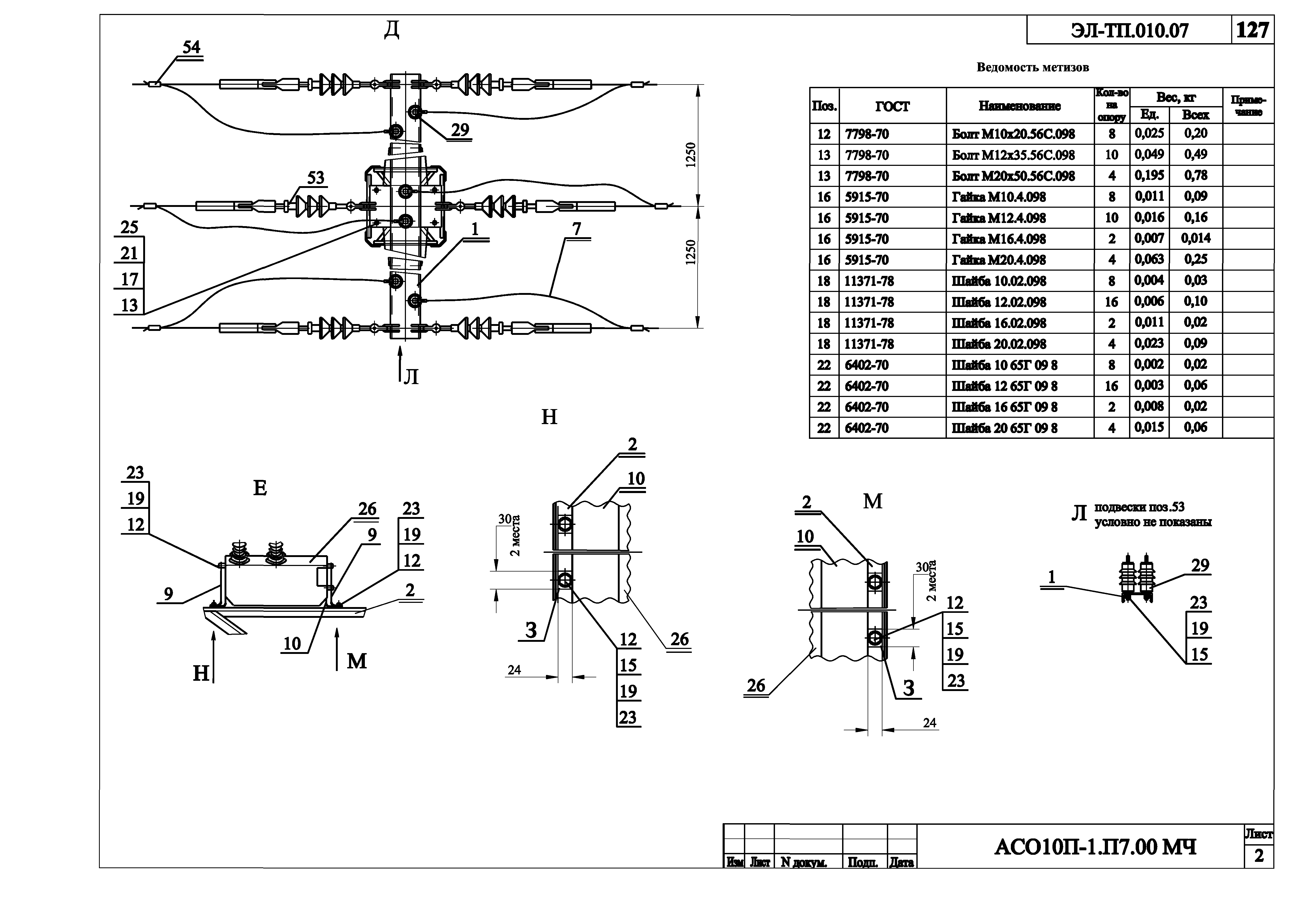
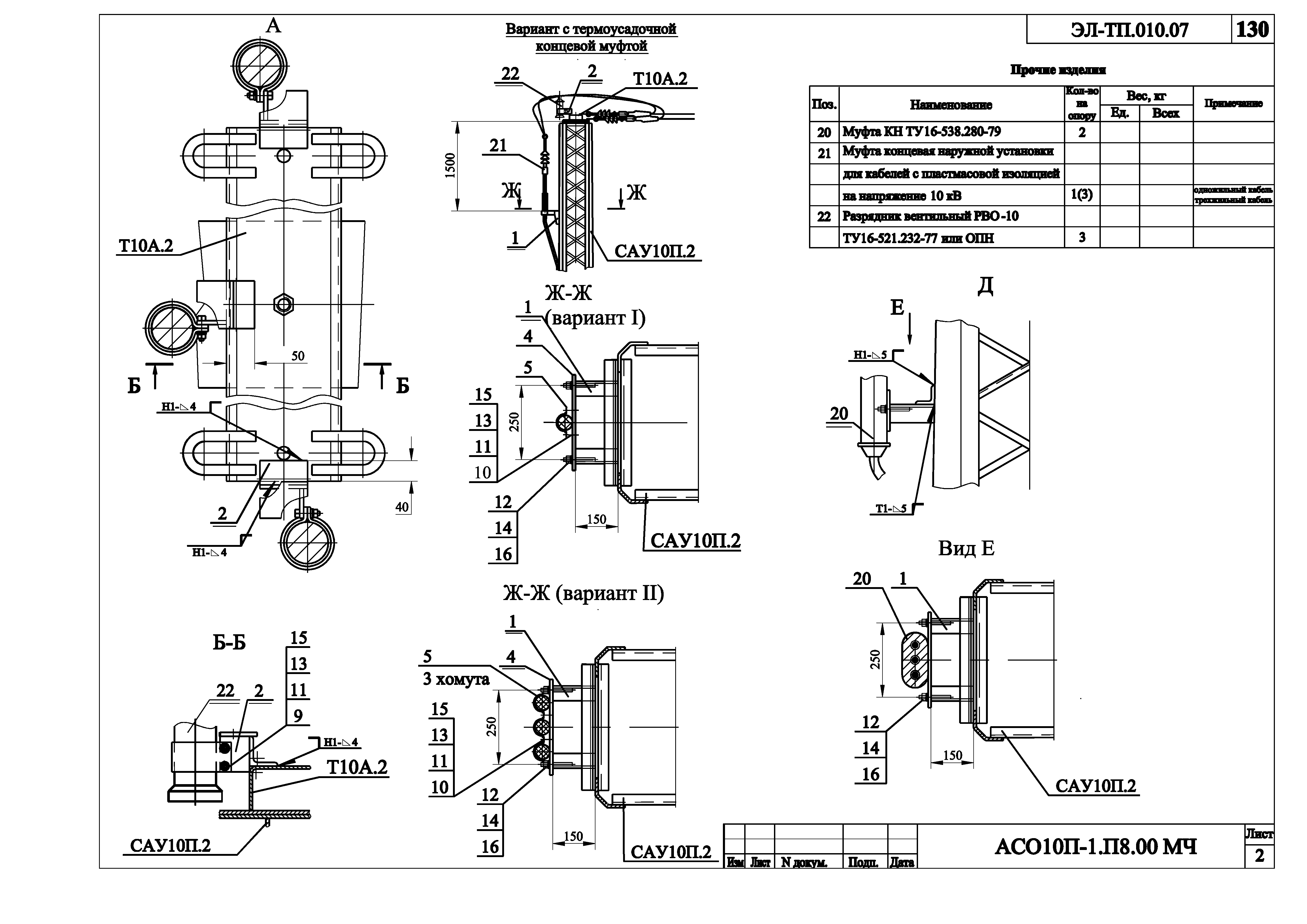
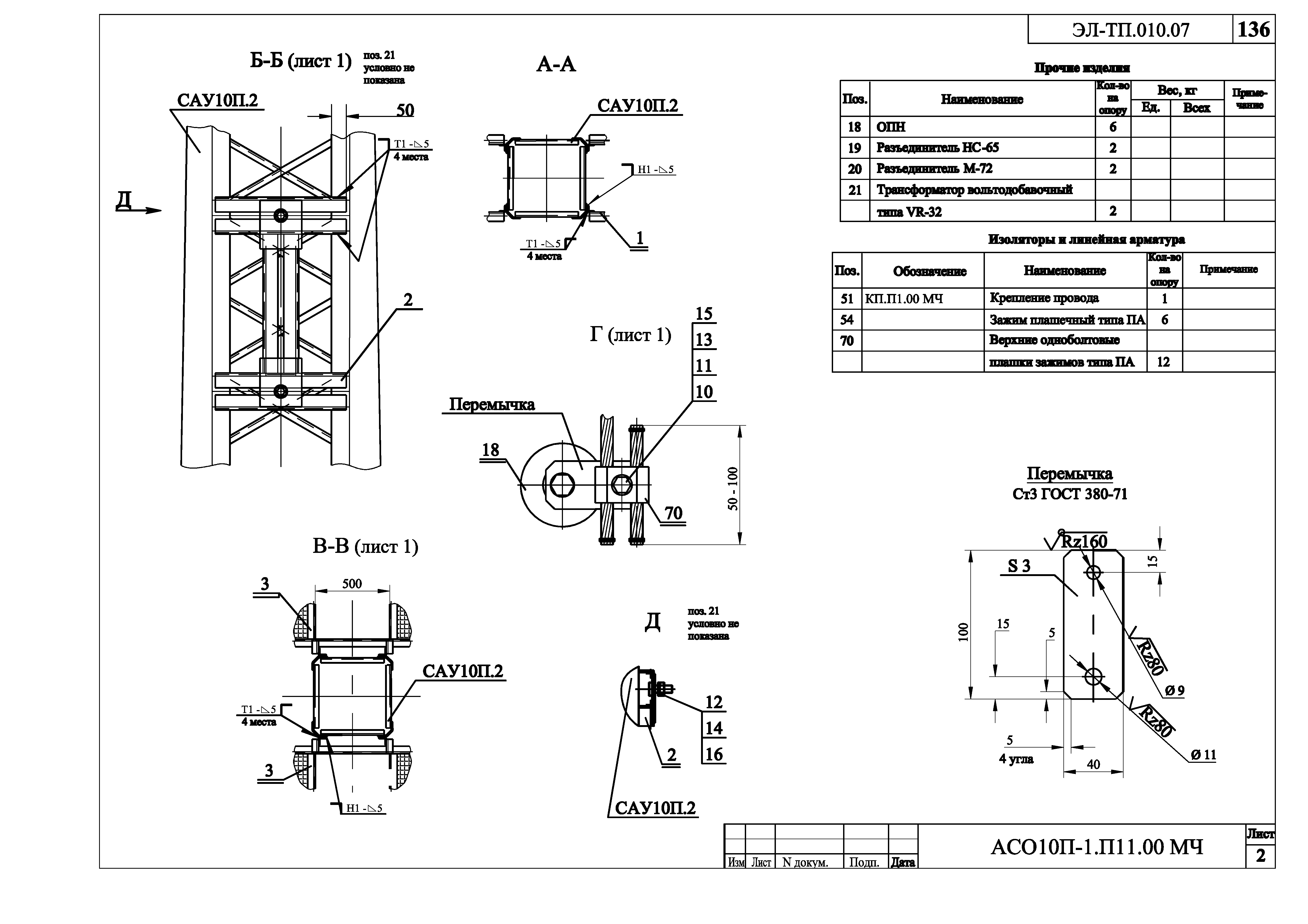
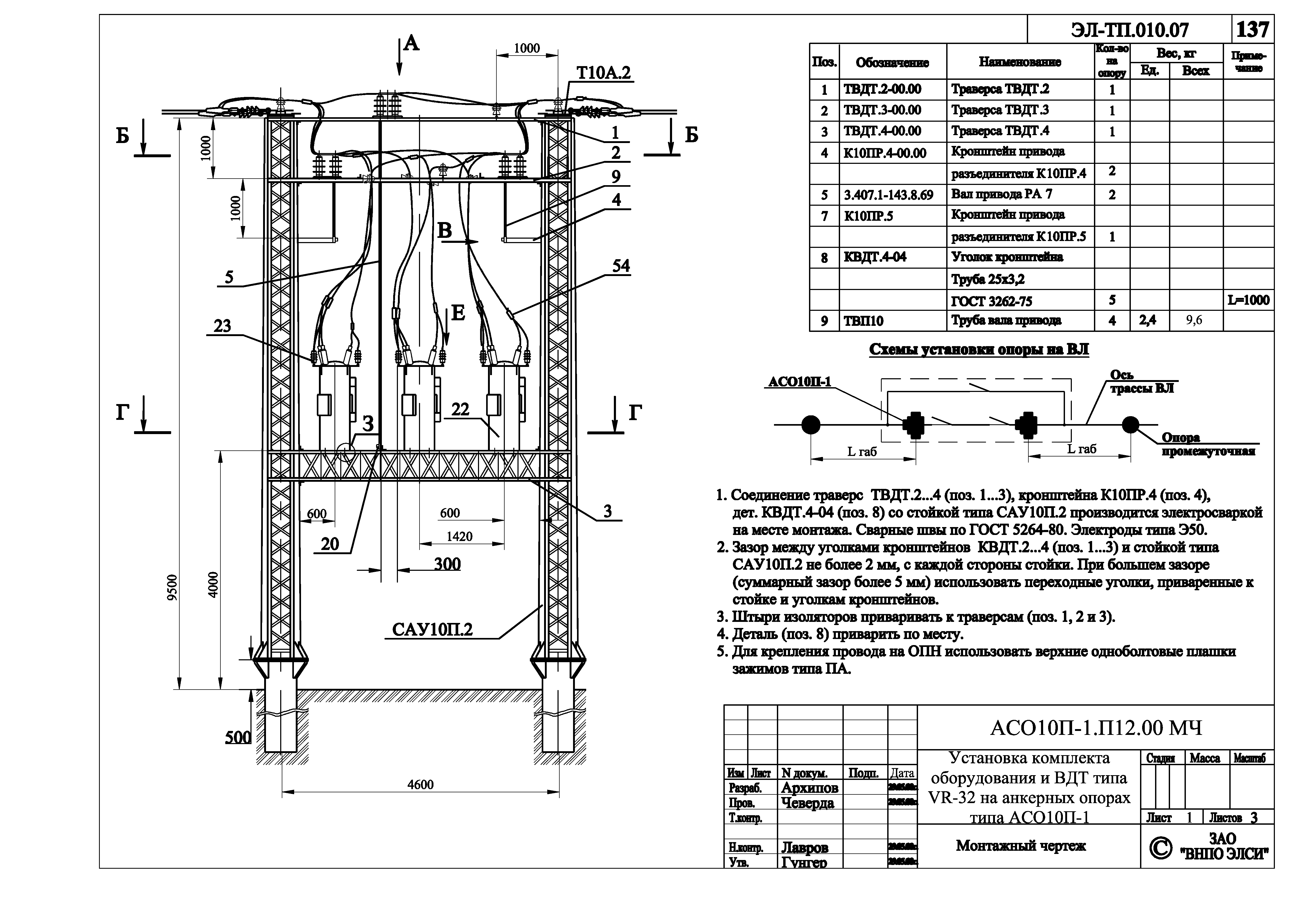
| Оглавление: | Пояснительная записка Введение 1. Общая часть 2. Особенности проектирования ВЛ с учетом требований ПУЭ седьмого издания 3. Указания по применению опор 4. Провода, изоляторы, арматура 5. Основные положения по расчету опор 6. Фундаменты опор 7. Технико-экономические показатели ЭЛ-ТП.010.07 НО Номенклатура опор ВЛ 10 кВ Промежуточные опоры ПС10П.01.00 МЧ ПС10П-1 промежуточная опора ПС10П.02.00 МЧ ПС10П-2 промежуточная опора ПС10П.02у.00 МЧ ПС10П-2у промежуточная усиленная опора ПС10П.03.00 МЧ ПС10П-3 промежуточная опора ПС10П.04.00 МЧ ПС10П-4 промежуточная опора ПС10П.05.00 МЧ ПС10П-5 промежуточная опора ПС10П.06.00 МЧ ПС10П-6 промежуточная опора ПС10П.07.00 МЧ ПС10П-7 промежуточная опора ПС10П.07у.00 МЧ ПС10П-7у промежуточная усиленная опора ПС10П.08.00 МЧ ПС10П-8 промежуточная опора ПС10П.09.00 МЧ ПС10П-9 промежуточная угловая опора ПС10П.10.00 МЧ ПС10П-10 промежуточная угловая опора ПС10П.11.00 МЧ ПС10П-11 промежуточная с разборной секцией ПС10П.12.00 МЧ ПС10П-12 промежуточная с разборной секцией Анкерные и анкерные угловые опоры АС10П-01.00 МЧ АС10П-1 анкерная опора АС10П-02.00 МЧ АС10П-2 анкерная опора АС10П-03.00 МЧ АС10П-3 анкерная в сторону ответвления опора АС10П-04.00 МЧ АС10П-4 анкерная в сторону ответвления опора АУС10П-01.00 МЧ АУС10П-1 анкерная угловая опора АУС10П-02.00 МЧ АУС10П-2 анкерная угловая опора АСУ10П-03.00 МЧ АУС10П-3 анкерная угловая опора с ответвлением АСУ10П-04.00 МЧ АУС10П-4 анкерная угловая опора с ответвлением АСО10П-01.00 МЧ АСО10П-1 анкерная одностоечная опора АСО10П-02.00 МЧ АСО10П-2 анкерная одностоечная опора с ответвлением АСО10П-03.00 МЧ АСО10П-3 анкерная одностоечная опора с ответвлением АУСО10П-01.00 МЧ АУСО10П-1 анкерная угловая одностоечная опора АУСО10П-02.00 МЧ АУСО10П-2 анкерная угловая одностоечная опора с ответвлением Фундаменты для опор ВЛ 10 кВ Ф219.01.00 МЧ Ф219-1 фундамент на трубе 0219 Ф219.02.00 МЧ Ф219-2 фундамент на трубе 0219 с анкером Ф219.03.00 МЧ Ф219-3 фундамент на трубе 0219 Ф219.04.00 МЧ Ф219-4 фундамент на трубе 0219 с анкером Ф219.05.00 МЧ Ф219-5 фундамент шарнирный на трубе 0219 Ф219.06.00 МЧ Ф219-6 фундамент шарнирный на трубе 0219 с анкером Ф325.01.00 МЧ Ф325-1 фундамент на трубе 0325 Ф325.02.00 МЧ Ф325-2 фундамент на трубе 0325 с анкером Ф325.03.00 МЧ Ф325-3 фундамент на трубе 0325 Ф325.04.00 МЧ Ф325-4 фундамент на трубе 0325 с анкером Ф325.05.00 МЧ Ф325-5 фундамент шарнирный на трубе 0325 Ф325.06.00 МЧ Ф325-6 фундамент шарнирный на трубе 0325 с анкером Ф530.01.00 МЧ Ф530-1 фундамент из трубы 0530 для опор с несущим моментом 480 кН-м Ф530.02.00 МЧ Ф530-2 фундамент анкерный из трубы 0530 для опор с моментом 480 кН-м ФП.01.00 МЧ ФП-1 фундамент поверхностный для промежуточных опор ФП.02.00 МЧ ФП-2 фундамент поверхностный для промежуточных опор ФП.03.00 МЧ ФП-3 фундамент поверхностный для анкерных и анкерных угловых опор с подкосом ФП.04.00 МЧ ФП-4 фундамент поверхностный с закреплением отсыпкой для промежуточных опор ФП.05.00 МЧ ФП-5 фундамент поверхностный с закреплением отсыпкой для промежуточных опор ФП.06.00 МЧ ФП-6 фундамент поверхностный с закреплением в грунте для промежуточных опор ФП.07.00 МЧ ФП-7 фундамент поверхностный с закреплением в грунте для промежуточных опор ФС.00.00 МЧ ФС-1 фундамент скальный ФС.00.00 МЧ ФС-2 фундамент скальный Фундаменты для оттяжек ФО.01.00 МЧ ФО-1 фундамент для нормальных грунтов ФО.02.00 МЧ ФО-2 фундамент для скальных грунтов ФО.03.00 МЧ ФО-3 фундамент анкерный цилиндрический ФО.04.00 МЧ ФО-4 фундамент для вечномерзлых грунтов Приложения Приложение 1. Изоляция В Л КП.10.00 МЧ Крепление провода на штыревом изоляторе ПП.10.00 МЧ Подвеска поддерживающая изолирующая ПН.10.00 МЧ Подвеска натяжная изолирующая Приложение 2. Навесное оборудование на опоры ПС10П-1.П1.00 МЧ Установка трансформатора ОМП и устройства УКП на промежуточной опоре ПС10П-1 ПС10П-3.П1.00 МЧ Устройство ответвления на промежуточной опоре ПС10П-3 ПС10П-3.П2.00 МЧ Устройство ответвления и ОПН на промежуточной опоре ПС10П-3 ПС10П-3.П3.00 МЧ Устройство ответвления с разъединителем на промежуточной опоре ПС10П-3 у подстанции ПС10П-4.П1.00 МЧ Устройство ответвления на промежуточной опоре ПС10П-4 ПС10П-4.П2.00 МЧ Устройство ответвления и ОПН на промежуточной опоре ПС 10П-4 ПС10П-4.П3.00 МЧ Устройство ответвления с разъединителем на промежуточной опоре ПС10П-4 у подстанции ПС10П-5.П1.00 МЧ \Устройство ответвления на промежуточной опоре ПС10П-5 ПС10П-7.П1.00 МЧ Устройство ответвления на промежуточной опоре ПС10П-7 ПС10П-7.П2.00 МЧ Устройство ответвления с разъединителем на промежуточной опоре ПС10П-7 у подстанции ПС10П-8.П1.00 МЧ Устройство ответвления на промежуточной опоре ПС10П-8 ПС10П-8.П2.00 МЧ Устройство ответвления с разъединителем на промежуточной опоре ПС10П-8 у подстанции ПС10П-10.П1.00 МЧ Устройство ответвления на промежуточной опоре ПС10П-11 ПС10П-6.П1.00 МЧ Устройство ответвления на промежуточной опоре ПС10П-6 ПС10П-12.П1.00 МЧ Устройство ответвления на промежуточной опоре ПС10П-12 ПС10П-12.П2.00 МЧ Установка трансформатора типа СТП и разъединителя на промежуточной опоре ПС10П-12 АС10П-1.П1.00 МЧ Устройство ответвления на анкерной (концевой) опоре АС10П-1 АС10П-1.П2.00 МЧ Установка разъединителя на концевой опоре АС10П-1 АС10П-1.П3.00 МЧ Установка разъединителя на анкерной опоре АС10П-1 АС10П-1.П4.00 МЧ Установка разъединителя и устройства ответвления на концевой опоре АС10П-1 АС10П-1.П5.00 МЧ Установка разъединителя и устройства ответвления на анкерной опоре АС10П-1 АС10П-1.П6.00 МЧ Установка разъединителя типа АПС (реклоузер) на анкерной опоре АС10П-1 АС10П-1.П7.00 МЧ Установка кабельной муфты на анкерной опоре АС10П-1 АС10П-1.П8.00 МЧ Установка двух кабельных муфт на анкерной опоре АС10П-1 АС10П-1.П9.00 МЧ Установка разъединителя и кабельной муфты на концевой опоре АС10П-1 АС10П-1.П10.00 МЧ Установка разъединителя и двух кабельных муфт на анкерной концевой опоре АС10П-1 АС10П-2.П1.00 МЧ Устройство ответвления на анкерной (концевой) опоре АС10П-2 АС10П-2.П2.00 МЧ Установка разъединителя на анкерной опоре АС10П-2 АСО10П-1.П1.00 МЧ Устройство ответвления на анкерной опоре АСО10П-1 АСО10П-1.П2.00 МЧ Установка разъединителя на концевой опоре АСО10П-1 АСО10П-1.П3.00 МЧ Установка разъединителя на анкерной опоре АСО10П-1 АСО10П-1.П4.00 МЧ Установка разъединителя и устройства ответвления на концевой опоре АСО10П-1 АСО10П-1.П5.00 МЧ Установка разъединителя и устройства ответвления (влево) на анкерной опоре АСО10П-1 АСО10П-1.П6.00 МЧ Установка разъединителя и устройства ответвления (вправо) на анкерной опоре АСО10П-1 АСО10П-1.П7.00 МЧ Установка вакуумного разъединителя типа PBA/TEL на анкерной опоре АСО10П-1 АСО10П-1.П8.00 МЧ Установка кабельной муфты на концевой опоре АСО10П-1 АСО10П-1.П9.00 МЧ Установка разъединителя и кабельной муфты на анкерной (концевой) опоре АСО10П-1 АСО10П-1.П10.00 МЧ Установка разъединителя и двух кабельных муфт на анкерной концевой опоре АСО10П-1 АСО10П-1.П11.00 МЧ Установка комплекта оборудования и ВДТ типа VR-32 на анкерной опоре АСО10П-1 АСО10П-1.П12.00 МЧ Установка комплекта оборудования и ВДТ типа VR-32 на анкерных опорах типа АСО10П-1 АУС10П-3.П1.00 МЧ Установка разъединителя на анкерной угловой ответвительной опоре АУС10П-3 ПС10.01 МЧ Приложение 3. Опоры промежуточные пониженные (пример) ПС10.02 МЧ Приложение 4. Опоры промежуточные повышенные (пример) ЗУ-1.П1.00 МЧ Приложение 5. Схема присоединения заземляющего устройства к стойке опоры Приложение 6. Технология сварки свайных труб СВТ219.00 МЧ Сварка труб диаметром 219 мм СВТ325.00 МЧ Сварка труб диаметром 325 мм АП.00 МЧ Приложение 7. Нанесение антикоррозионного покрытия на фундаменты из труб П1.00.МЧ Приложение 8. Подставка повышающая П-1 |
| Разработан: | ЗАО ВНПО ЭЛСИ |
| Утверждён: | 01.06.2008 ЗАО ВНПО ЭЛСИ |
| Заменяет собой: | |
| Нормативные ссылки: |


















































































































































