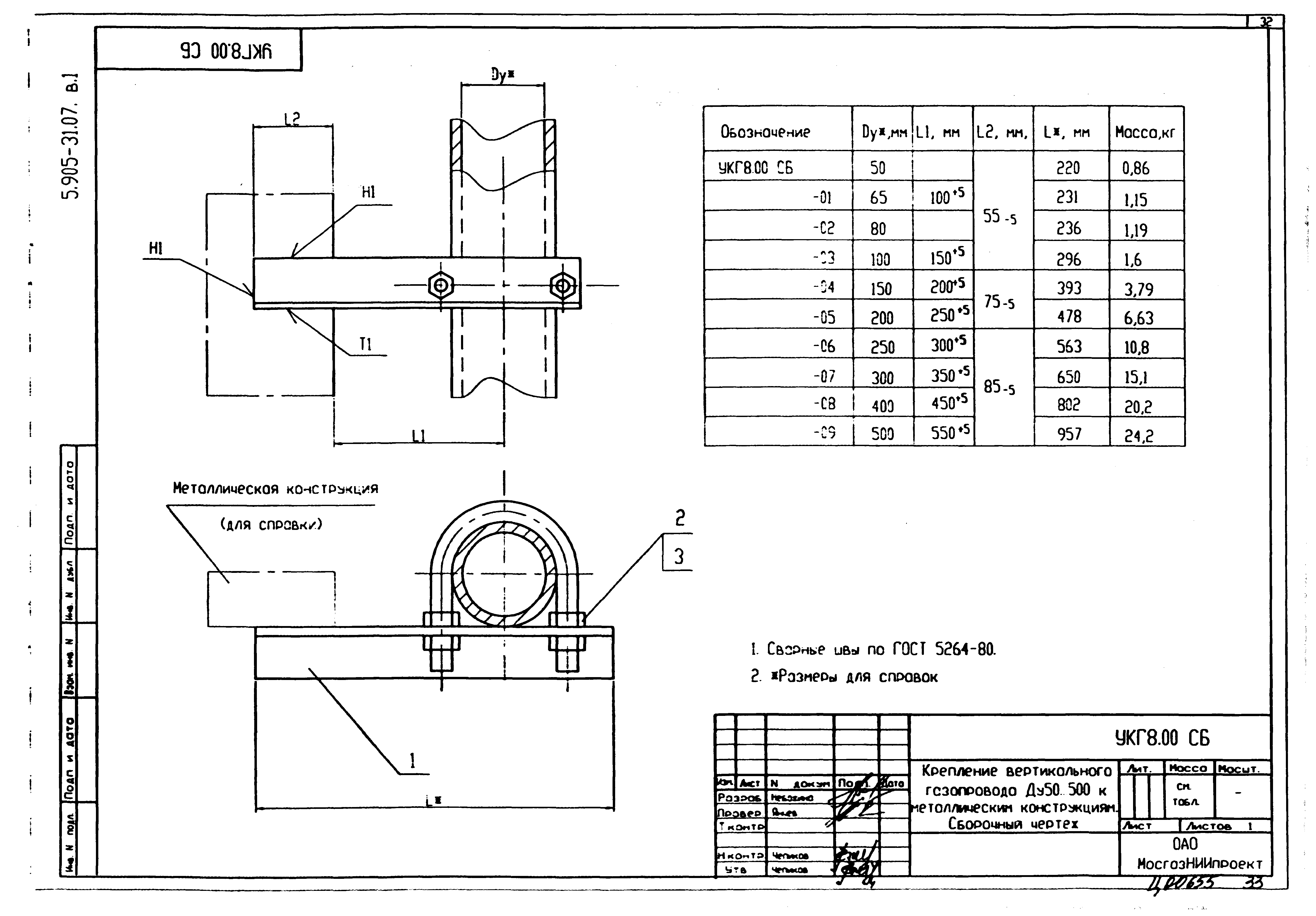
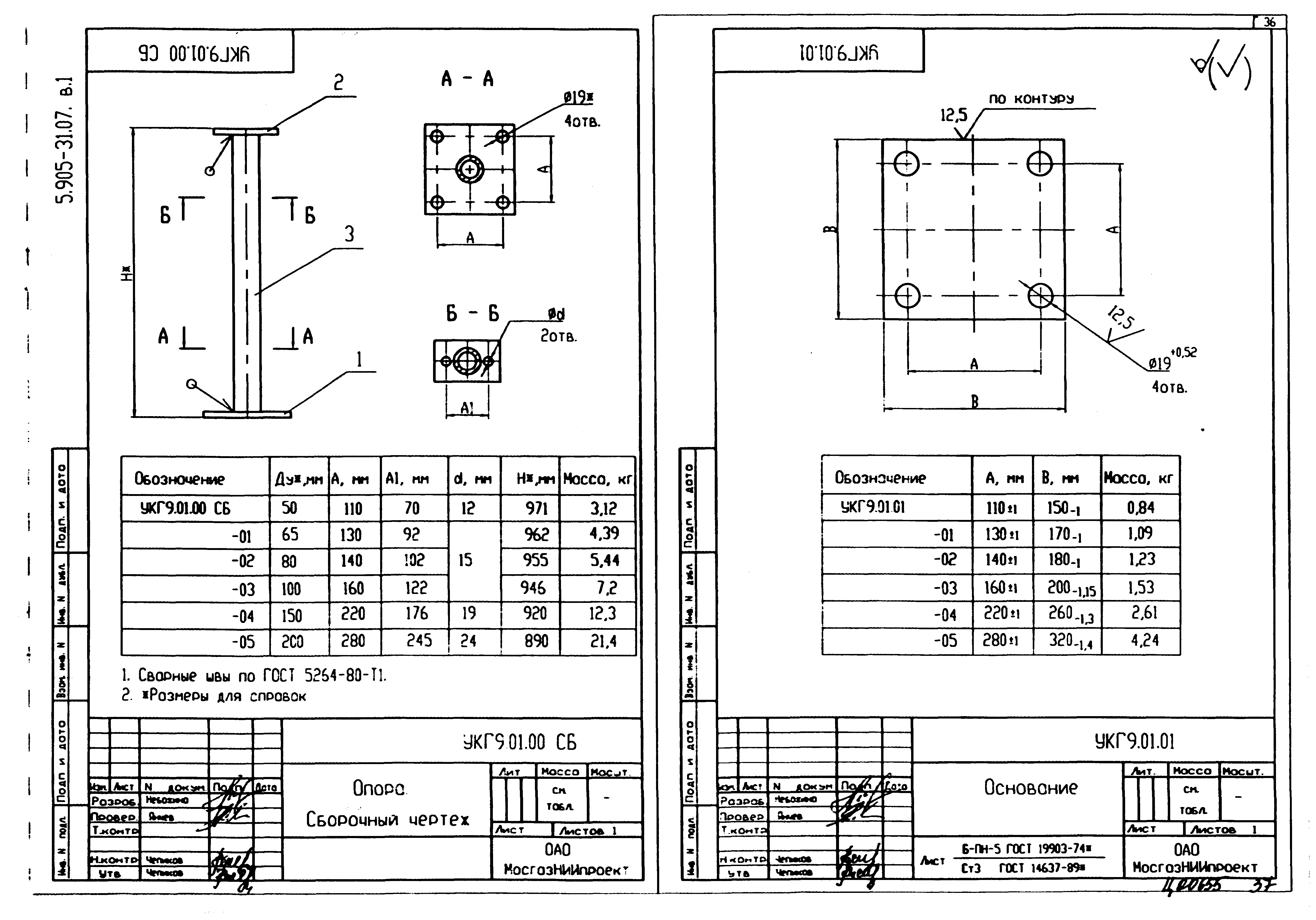
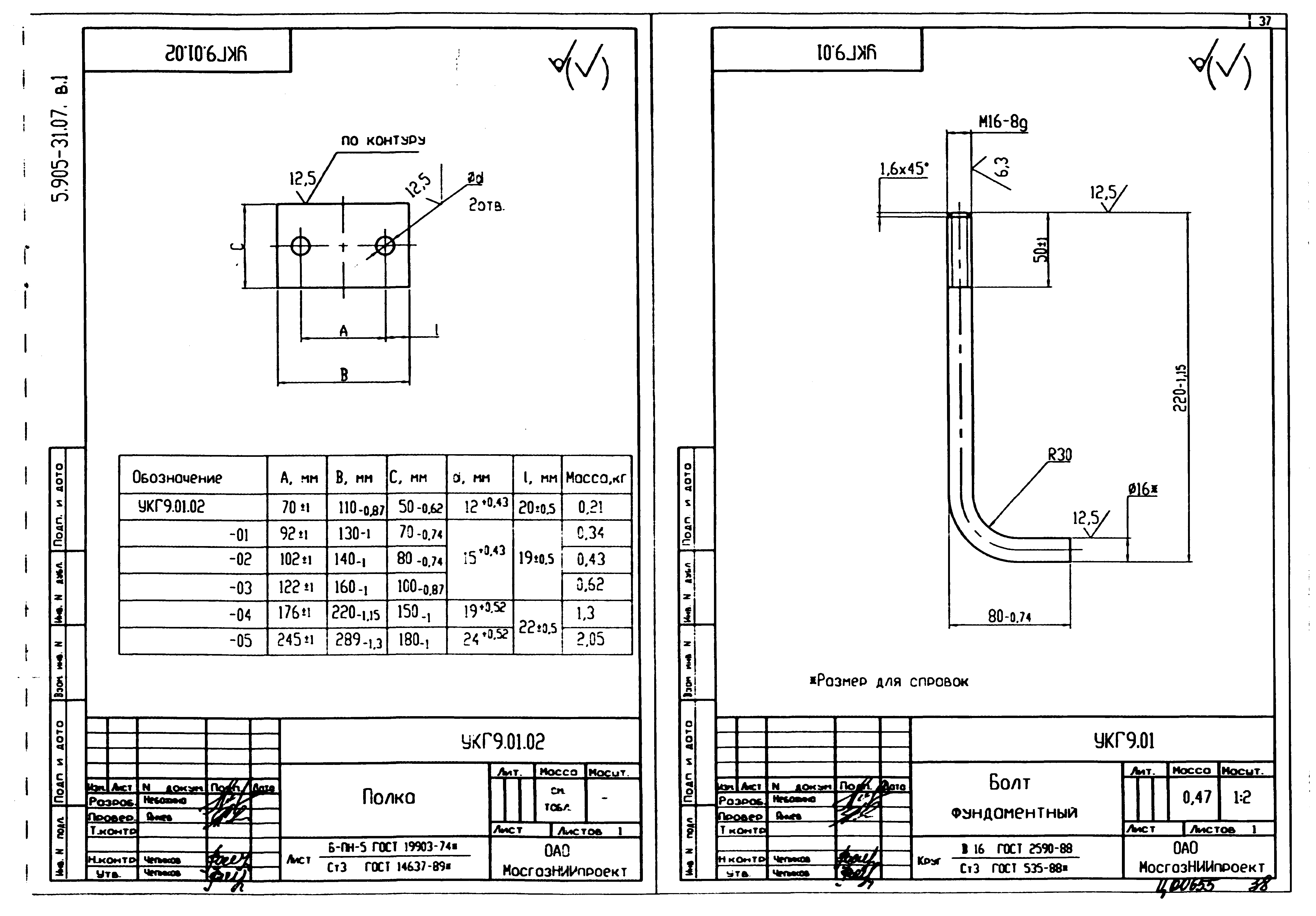
Скачать Серия 5.905-31.07 Выпуск 1. Узлы и детали. Рабочие чертежиДата актуализации: 01.01.2021
|
| Обозначение: | Серия 5.905-31.07 |
| Обозначение англ: | Series 5.905-31.07 |
| Статус: | не определен законодательством |
| Название рус.: | Выпуск 1. Узлы и детали. Рабочие чертежи |
| Дата добавления в базу: | 01.09.2013 |
| Дата актуализации: | 01.01.2021 |
| Дата введения: | 30.06.2003 |
| Разработан: | ОАО МосгазНИИпроект |
| Утверждён: | 11.12.2007 МосгазНИИпроект (65) |
| Издан: | Информационный бюллетень о нормативной, методической и типовой проектной документации ФГУП ЦПП (2008 г. (9)) |
| Заменяет собой: |






























































