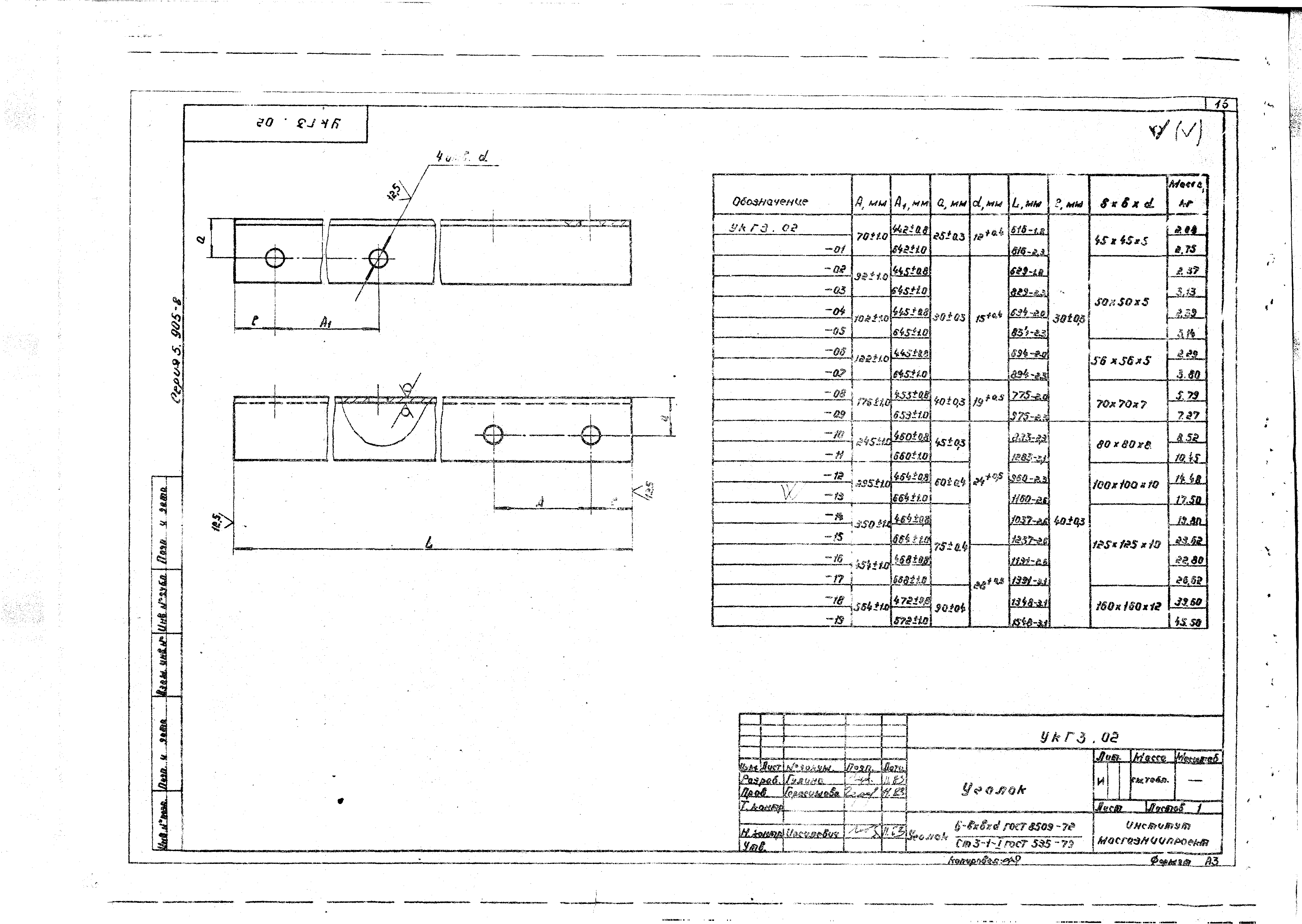
Скачать Серия 5.905-8 Узлы и детали крепления газопроводов. Рабочие чертежиДата актуализации: 01.01.2021
|
| Обозначение: | Серия 5.905-8 |
| Обозначение англ: | Series 5.905-8 |
| Статус: | не действует |
| Название рус.: | Узлы и детали крепления газопроводов. Рабочие чертежи |
| Дата добавления в базу: | 01.09.2013 |
| Дата актуализации: | 01.01.2021 |
| Дата введения: | 10.04.1984 |
| Дата окончания срока действия: | 03.11.2005 |
| Разработан: | Мосгазниипроект Мосгорисполкома |
| Утверждён: | 10.04.1984 Госстрой СССР (Государственный комитет Совета Министров СССР по делам строительства) (USSR Gosstroy ) |
| Заменяет собой: | |
| Чем заменён: |





























































