Скачать ОСТ 1 11933-74 Болты с шестигранной облегченной головкой и короткой резьбовой частью. Конструкция и размерыДата актуализации: 01.01.2021 ОСТ 1 11933-74
Болты с шестигранной облегченной головкой и короткой резьбовой частью. Конструкция и размеры| Обозначение: | ОСТ 1 11933-74 | | Обозначение англ: | 11933-74 | | Статус: | введен впервые | | Название рус.: | Болты с шестигранной облегченной головкой и короткой резьбовой частью. Конструкция и размеры | | Дата добавления в базу: | 01.09.2013 | | Дата актуализации: | 01.01.2021 | | Дата введения: | 01.07.1975 | | Оглавление: | Приложение Коды ОКП болтов | | Утверждён: | 18.12.1974 Министерство (Ministry 087-16)
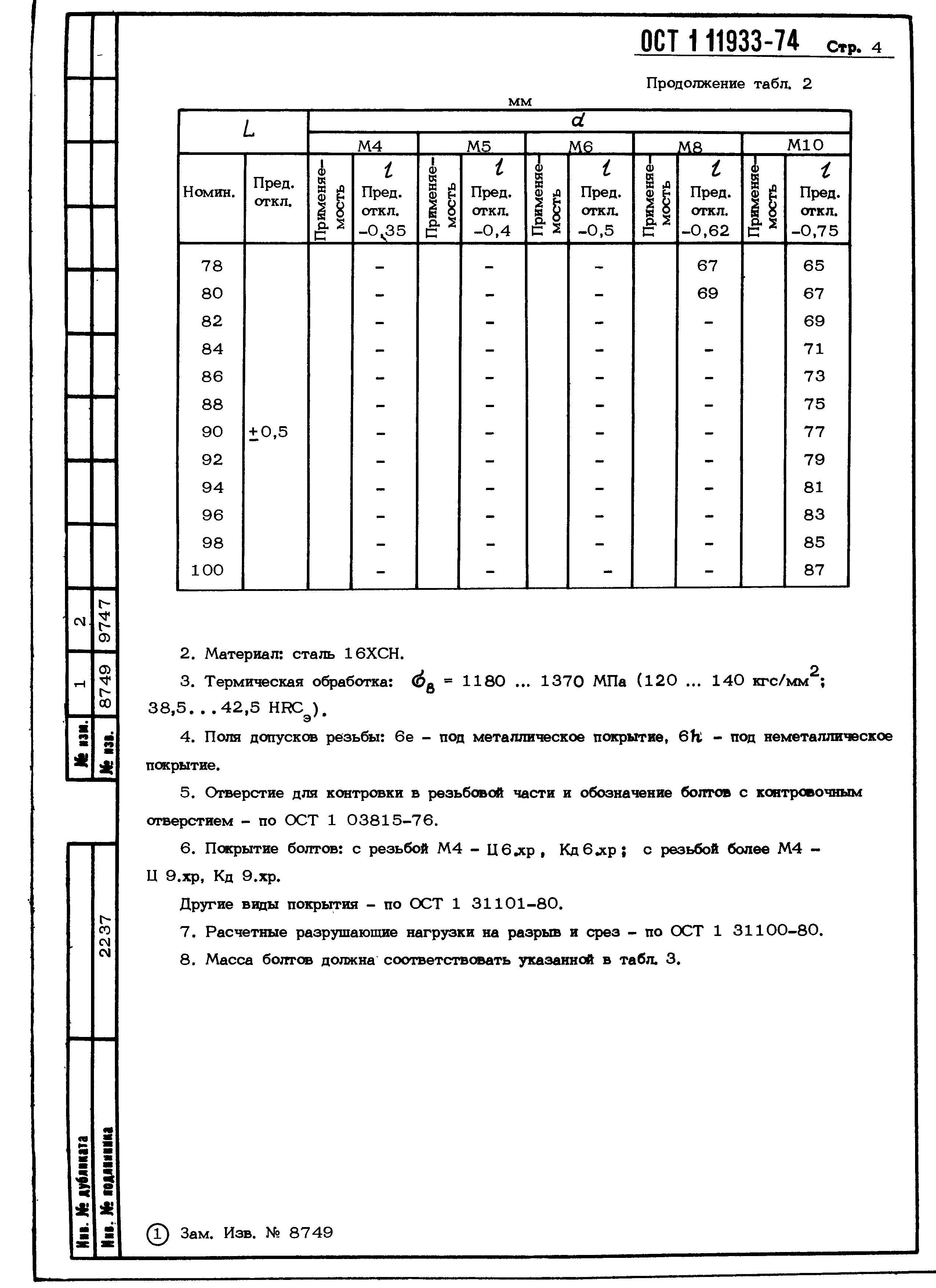
| | Нормативные ссылки: | |
        
|