Скачать ОСТ 1 31101-80 Болты, винты и шпильки. Технические условияДата актуализации: 01.01.2021 ОСТ 1 31101-80
Болты, винты и шпильки. Технические условия| Обозначение: | ОСТ 1 31101-80 | | Обозначение англ: | 31101-80 | | Статус: | действует | | Название рус.: | Болты, винты и шпильки. Технические условия | | Дата добавления в базу: | 01.09.2013 | | Дата актуализации: | 01.01.2021 | | Дата введения: | 01.01.1980 | | Область применения: | Стандарт распространяется на болты, винты и шпильки, предназначенные для применения в изделиях отрасли. | | Оглавление: | 1. Технические требования 2. Правила приемки 3. Методы контроля и испытаний 4. Маркировка, упаковка, транспортирование и хранение Приложение. (Справочное). Глубина крестообразного шлица по ГОСТ 10753-86 на головках болтов и винтов по отраслевым стандартам | | Утверждён: | 30.10.1980 Министерство (Ministry 087-16)
| | Нормативные ссылки: | |
                          
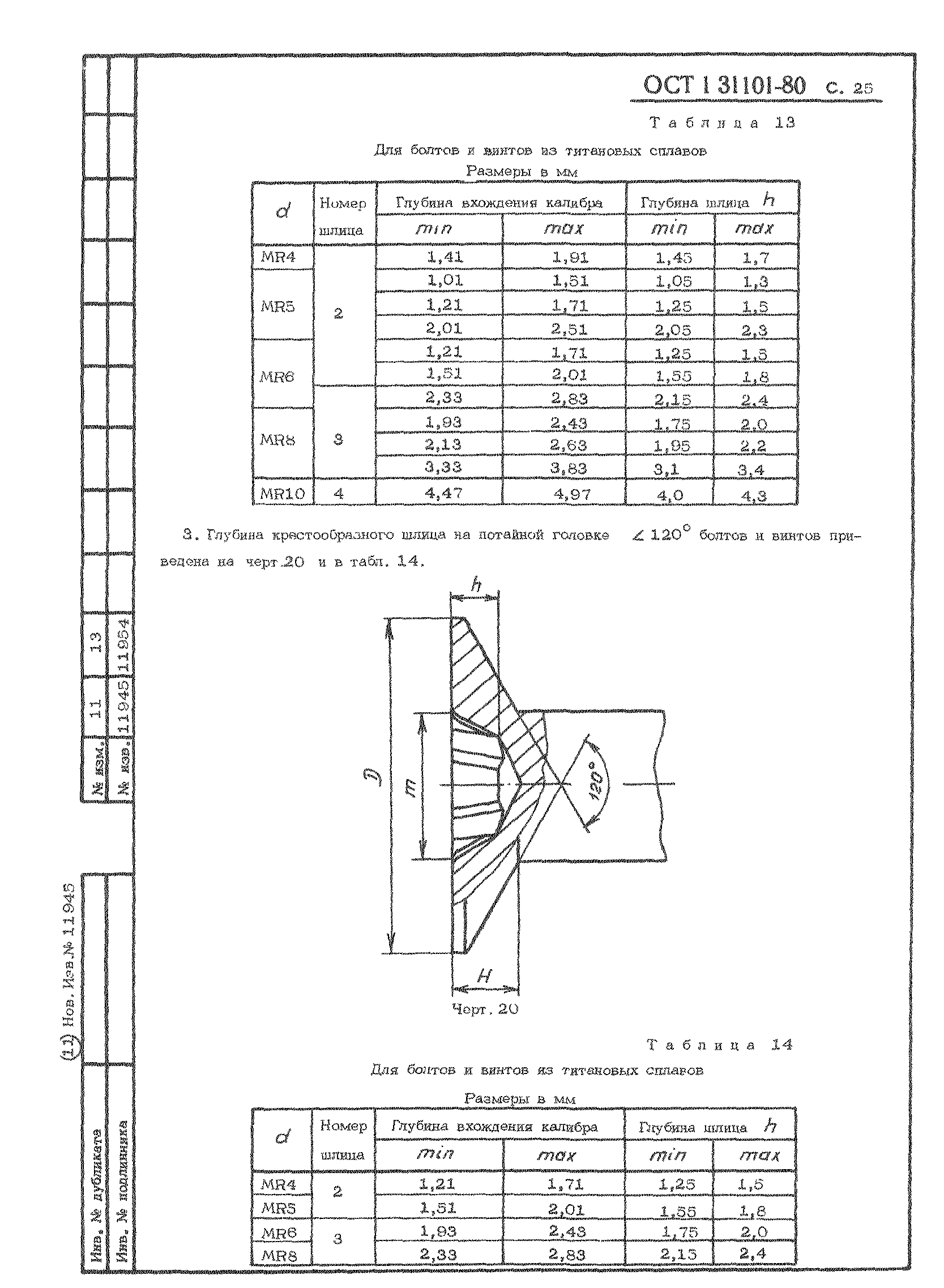
|