Скачать ТУ 102-569-90 Панели двухслойные стальные с трудносгораемым утеплителем под кровлю из рулонных материаловДата актуализации: 01.01.2021
|
| Обозначение: | ТУ 102-569-90 |
| Обозначение англ: | TU 102-569-90 |
| Статус: | не действует |
| Название рус.: | Панели двухслойные стальные с трудносгораемым утеплителем под кровлю из рулонных материалов |
| Дата добавления в базу: | 01.09.2013 |
| Дата актуализации: | 01.01.2021 |
| Дата введения: | 01.01.1991 |
| Дата окончания срока действия: | 31.12.1995 |
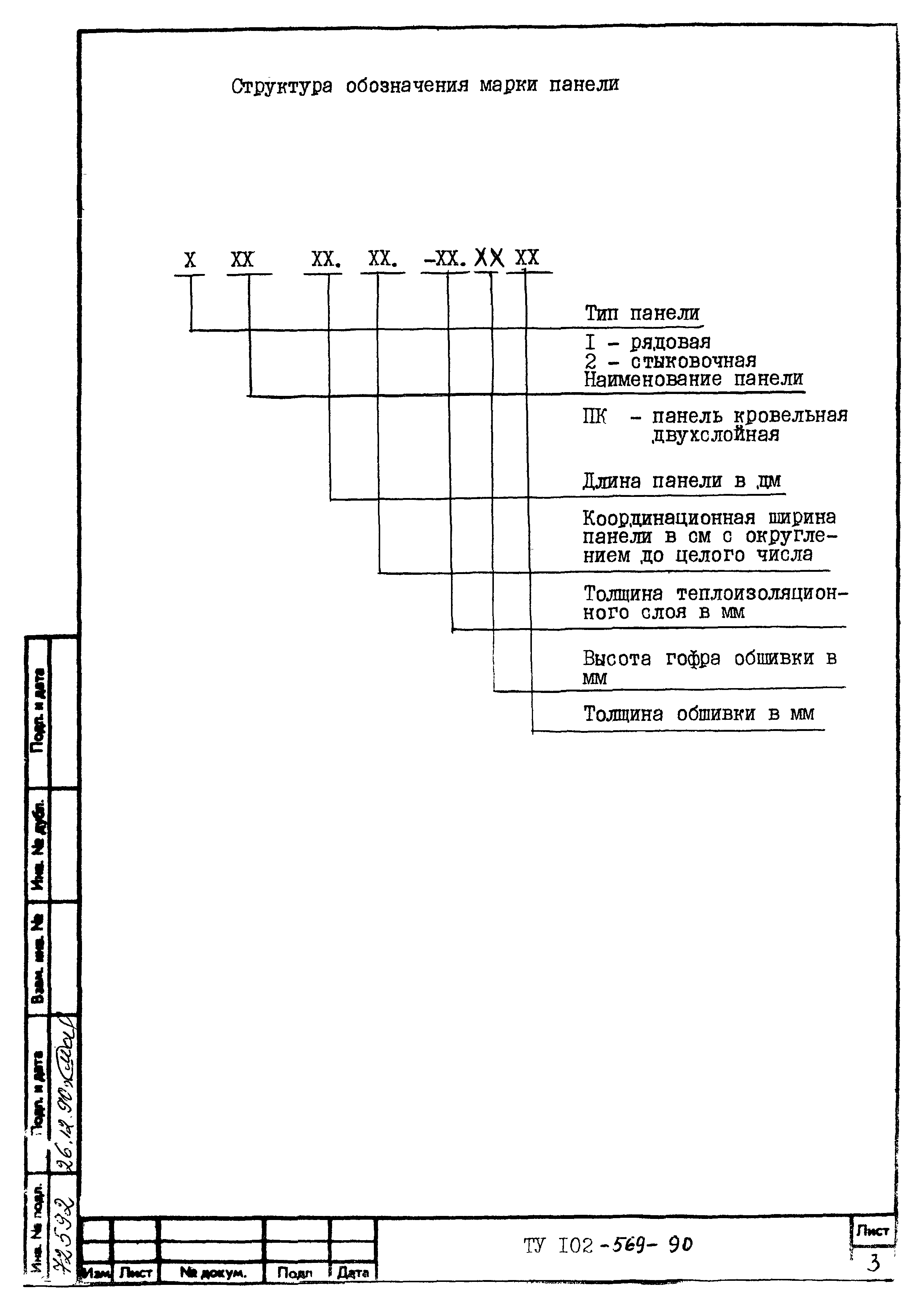
| Область применения: | Технические условия распространяются на панели кровельные двухслойные стальные бескаркасные с трудносгораемым утеплителем, предназначенные для покрытия отапливаемых производственных зданий объектов строительства нефтяной и газовой промышленности с применением в качестве верхнего элемента покрытия рулонных материалов. |
| Оглавление: | 1. Технические требования 2. Приемка 3. Методы контроля 4. Транспортирование и хранение 5. Гарантии изготовителя Приложение |
| Разработан: | ВНИИПКспецстройконструкция |
| Утверждён: | 12.12.1990 Министерство строительства предприятий нефтяной и газовой промышленности (Ministry of Construction Facilities in the Oil and Gas Industry ) |
| Принят: | 05.12.1990 ССО Сибкомплектмонтаж |
| Нормативные ссылки: |
|












