Скачать ОСТ 108.101.104-76 Подогреватели пароводяные. Камеры водяные передние двухходовые с эллиптическими днищами. Конструкция и размеры

Дата актуализации: 01.01.2021

ОСТ 108.101.104-76

Подогреватели пароводяные. Камеры водяные передние двухходовые с эллиптическими днищами. Конструкция и размеры

Обозначение: ОСТ 108.101.104-76
Обозначение англ: OST 108.101.104-76
Статус:не определен законодательством
Название рус.:Подогреватели пароводяные. Камеры водяные передние двухходовые с эллиптическими днищами. Конструкция и размеры
Дата добавления в базу:01.09.2013
Дата актуализации:01.01.2021
Дата введения:01.01.1978
Дата окончания срока действия:30.06.2003
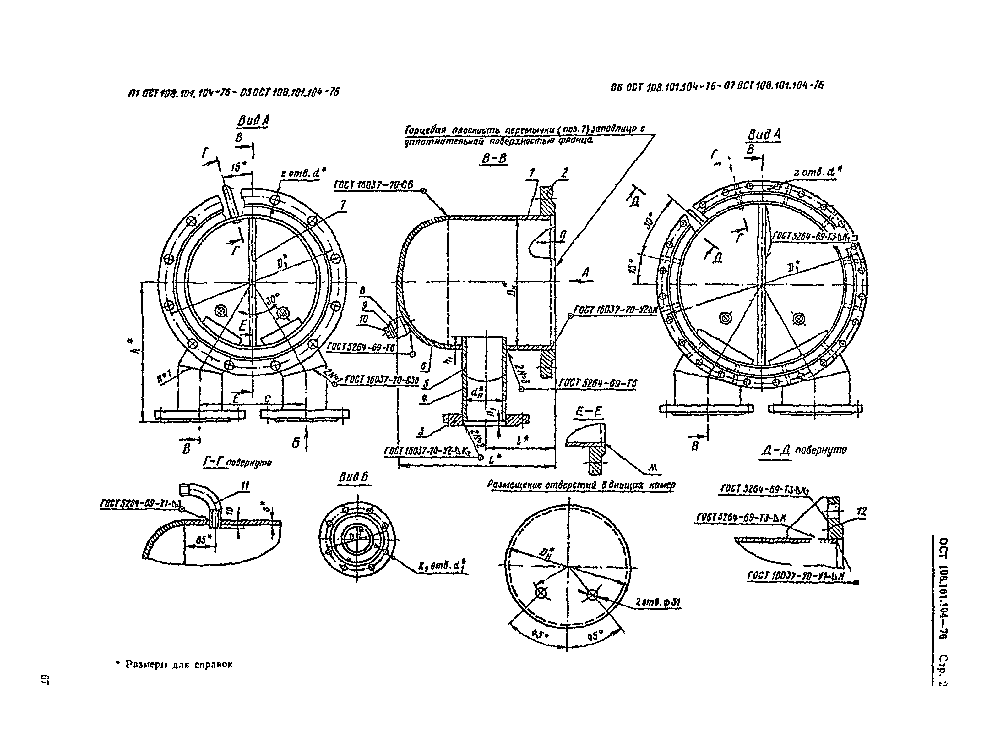
Область применения:Стандарт распространяется на передние водяные камеры пароводяных подогревателей.
Разработан: Ленинградский филиал института Энергомонтажпроект
НПО ЦКТИ
Утверждён:27.12.1976 Министерство энергетического машиностроения (Ministry of Energy Machinery Manufacturing ПС 002/9623)
Принят: Госгортехнадзор СССР (USSR Gosgortekhnadzor )
ЦПКБ Главтехмонтаж Минмонтажспецстроя
Трест Союзкотлокомлект
Список изменений:
Нормативные ссылки:
ОСТ 108.101.104-76ОСТ 108.101.104-76ОСТ 108.101.104-76ОСТ 108.101.104-76ОСТ 108.101.104-76

Текстовое изменение опечатки

опечатки

Текстовое изменение № 1 от 01.01.1983

№ 1

Текстовое изменение № 2 от 01.01.1988

№ 2№ 2

Текстовое изменение № 3 от 01.07.1993

№ 3№ 3№ 3№ 3№ 3

Текстовое изменение № от 15.02.1994

№ № № №