Скачать Допуски при производстве общестроительных работДата актуализации: 01.01.2021 |
| Статус: | не действует |
| Название рус.: | Допуски при производстве общестроительных работ |
| Дата добавления в базу: | 01.09.2013 |
| Дата актуализации: | 01.01.2021 |
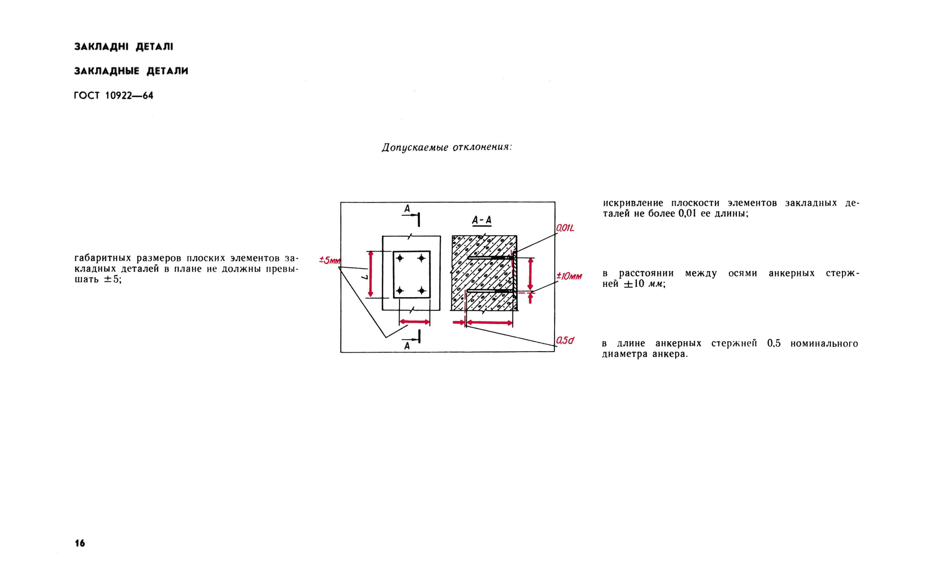
| Область применения: | Альбом предназначен для инженерно-технических работников. В данном альбоме приведены схемы различных узлов с указанием допускаемых отклонений для работ: земляных, опалубочных, арматурных, бетонных, каменных, столярных, антикоррозийных, а также изготовления сборных железобетонных изделий. Нормативный материал дан на состоянию на 1 января 1975 г. |
| Оглавление: | Предисловие Устройство траншей для трубопроводов Устройство траншей для коллекторов Устройство траншей и котлованов с перебором грунта Устройство траншей и котлованов с недобором грунта Устройство насыпей Устройство дренажных канав и траншей Изготовление щитовой деревянной опалубки Изготовление металлической н деревометаллической опалубки Арматурные работы (изготовление) Установка арматуры железобетонных конструкций Сварные соединения арматуры Закладные детали Устройство опалубки фундаментов Монолитные железобетонные фундаменты Фундаменты из крупных блоков Бутобетонные фундаменты Фундаменты из бутового камня Фундаменты под машины и оборудование Кирпичные стены Кирпичные столбы Стены из кирпичных блоков Бутобетонные стены Бутобетонные столбы Стены из крупных блоков Установка опалубки стен Стены из монолитного железобетона Установка опалубки колонн и перекрытий Колонна из монолитного железобетона Плита перекрытия из монолитного железобетона Устройство армированных кирпичных перегородок Монтаж гипсопрокатных перегородок Устройство гипсоблочных перегородок (из гипсолитовых плит) Устройство шлакогипсовых и шлакобетонных коробов . Столярные изделия Устройство мусоропроводов Изготовление сборных железобетонных фундаментов Антикоррозийная защита Изготовление сборных железобетонных колонн Изготовление сборных железобетонных ригелей Изготовление сборных железобетонных подкрановых и фундаментных балок Изготовление сборных железобетонных балок и сегментных ферм Изготовление сборных железобетонных стеновых панелей и перемычек Изготовление сборных железобетонных панелей перекрытий и покрытий Изготовление деревянных конструкций |
| Издан: | Издательство Будивельник (1975 г. ) |
| Нормативные ссылки: |
|
























































