Скачать Серия 1.133.1-7 Выпуск 2-1. Легкобетонные блоки для стен толщиной 500 мм. Рабочие чертежиДата актуализации: 01.01.2021
|
| Обозначение: | Серия 1.133.1-7 |
| Обозначение англ: | Series 1.133.1-7 |
| Статус: | не действует |
| Название рус.: | Выпуск 2-1. Легкобетонные блоки для стен толщиной 500 мм. Рабочие чертежи |
| Дата добавления в базу: | 01.09.2013 |
| Дата актуализации: | 01.01.2021 |
| Дата введения: | 20.06.1986 |
| Дата окончания срока действия: | 01.05.1999 |
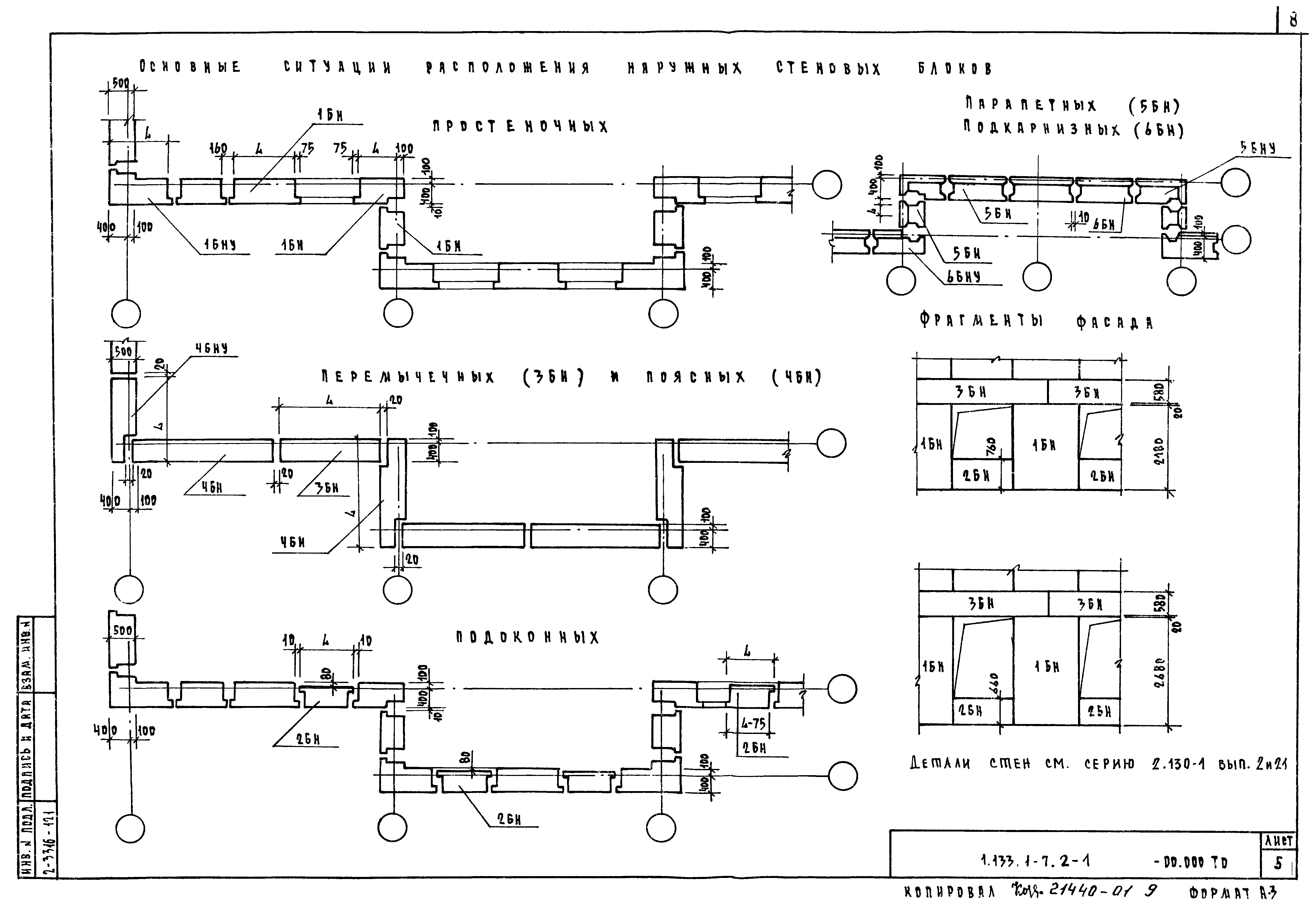
| Область применения: | Разработка рабочих чертежей блоков наружных стен для жилых зданий высотой 1 - 4 этажа и общественных зданий высотой 1 - 3 этажа выполнена в соответствии с заданием Государственного комитета по гражданскому строительству и архитектуре при Госстрое СССР. Настоящий выпуск содержит техническое описание, номенклатуру и сборочные чертежи блоков наружных стен. В настоящем выпуске разработаны блоки простеночные, перемычечные, поясные, подоконные, подкарнизные и парапетные |
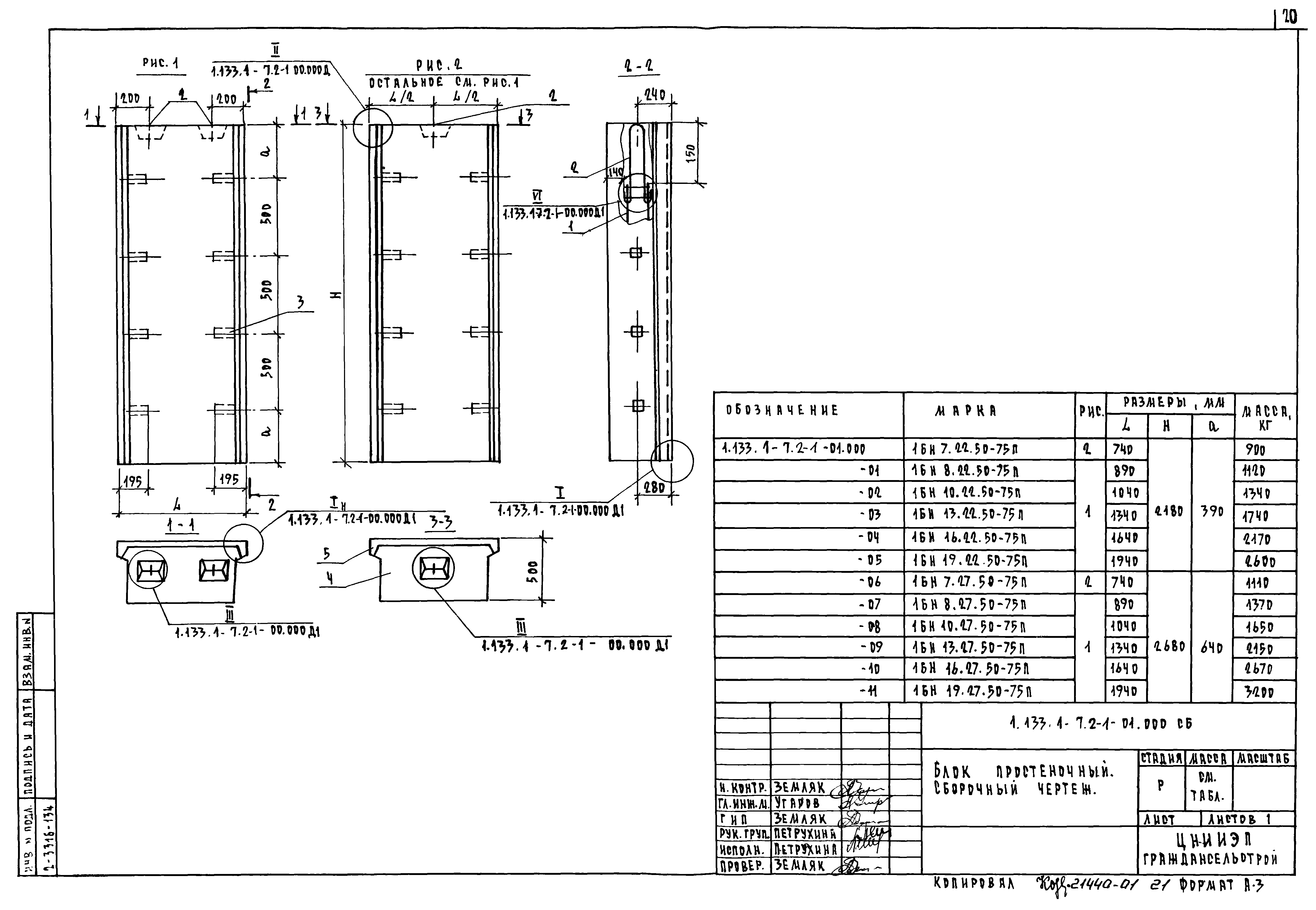
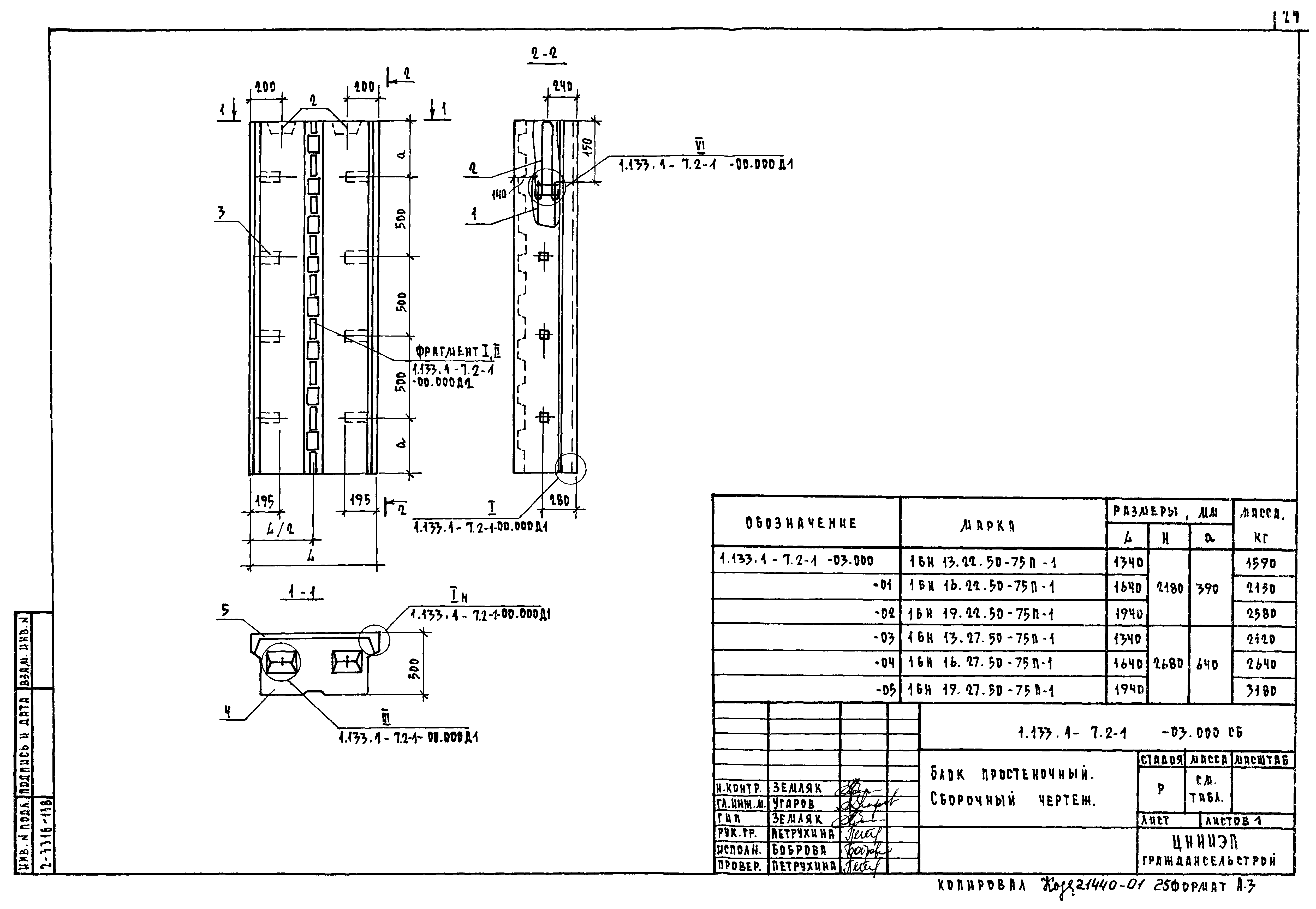
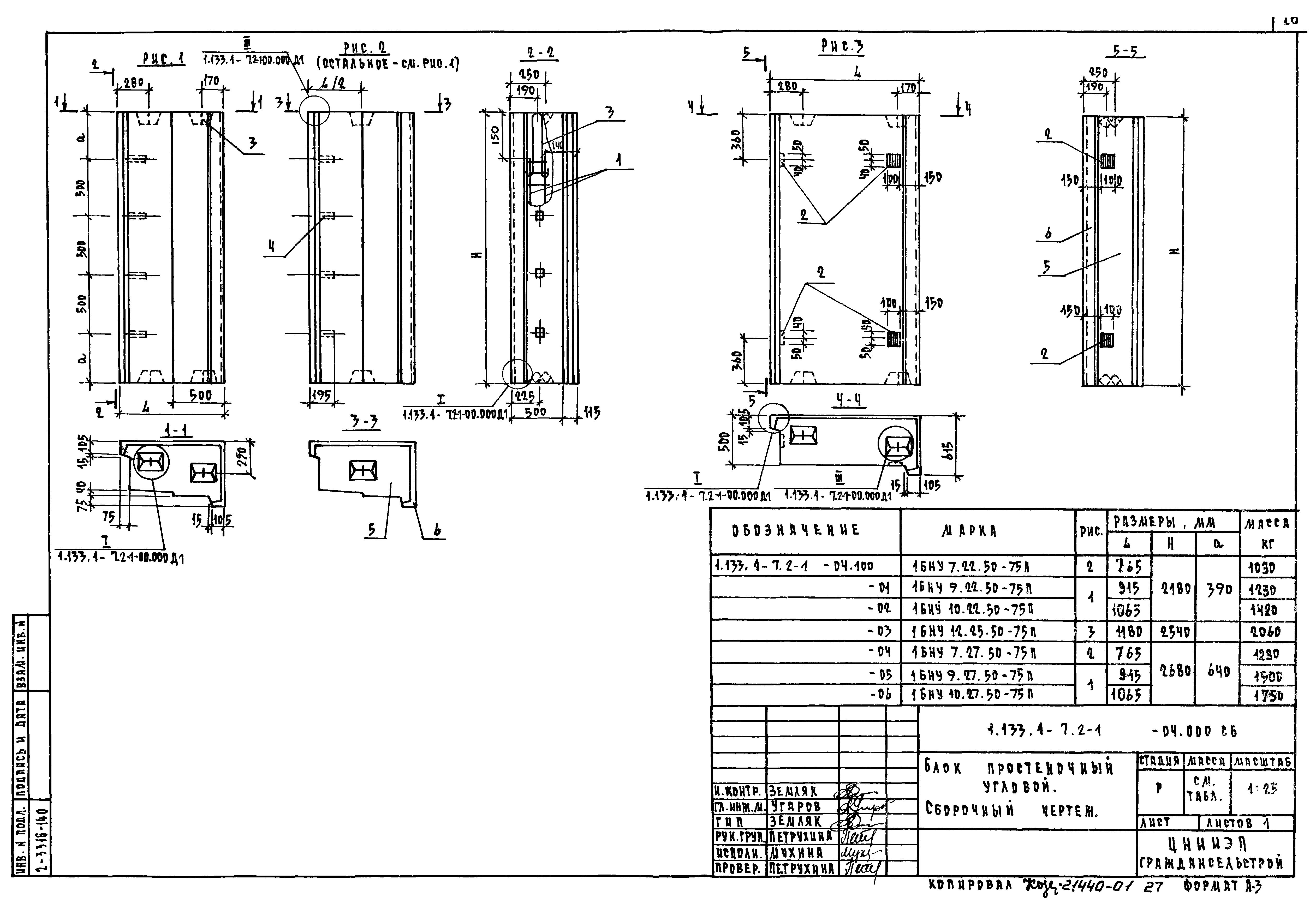
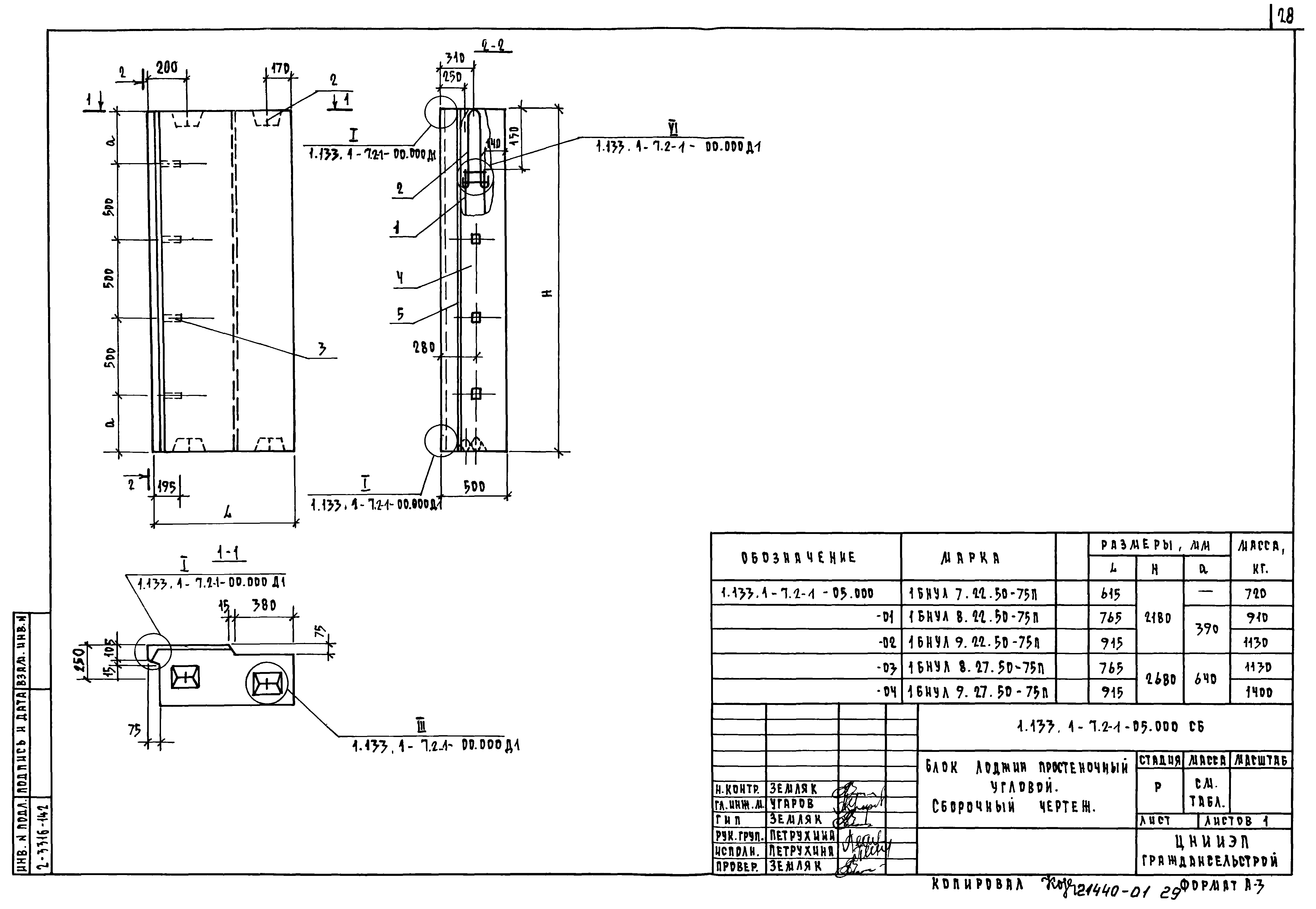
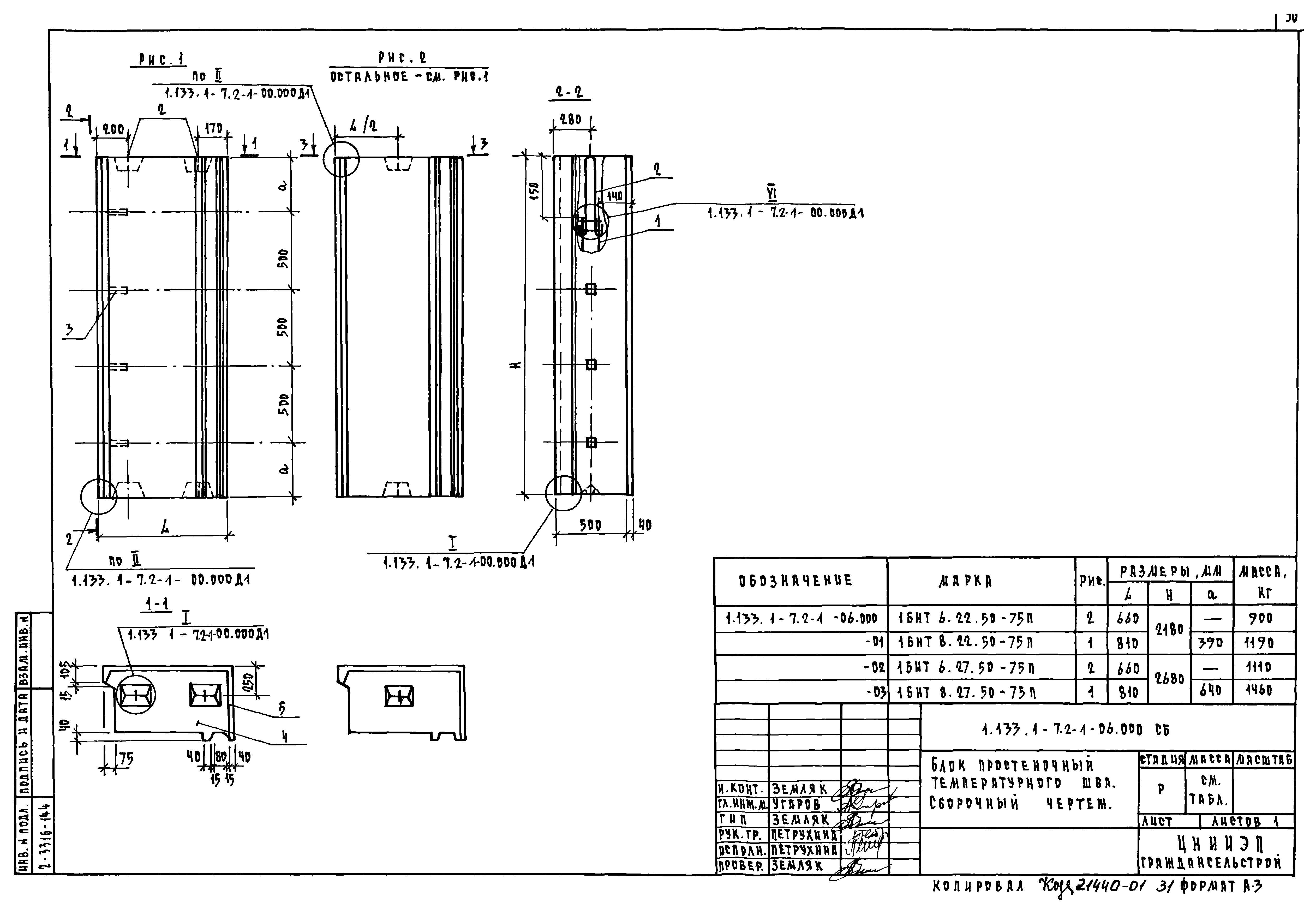
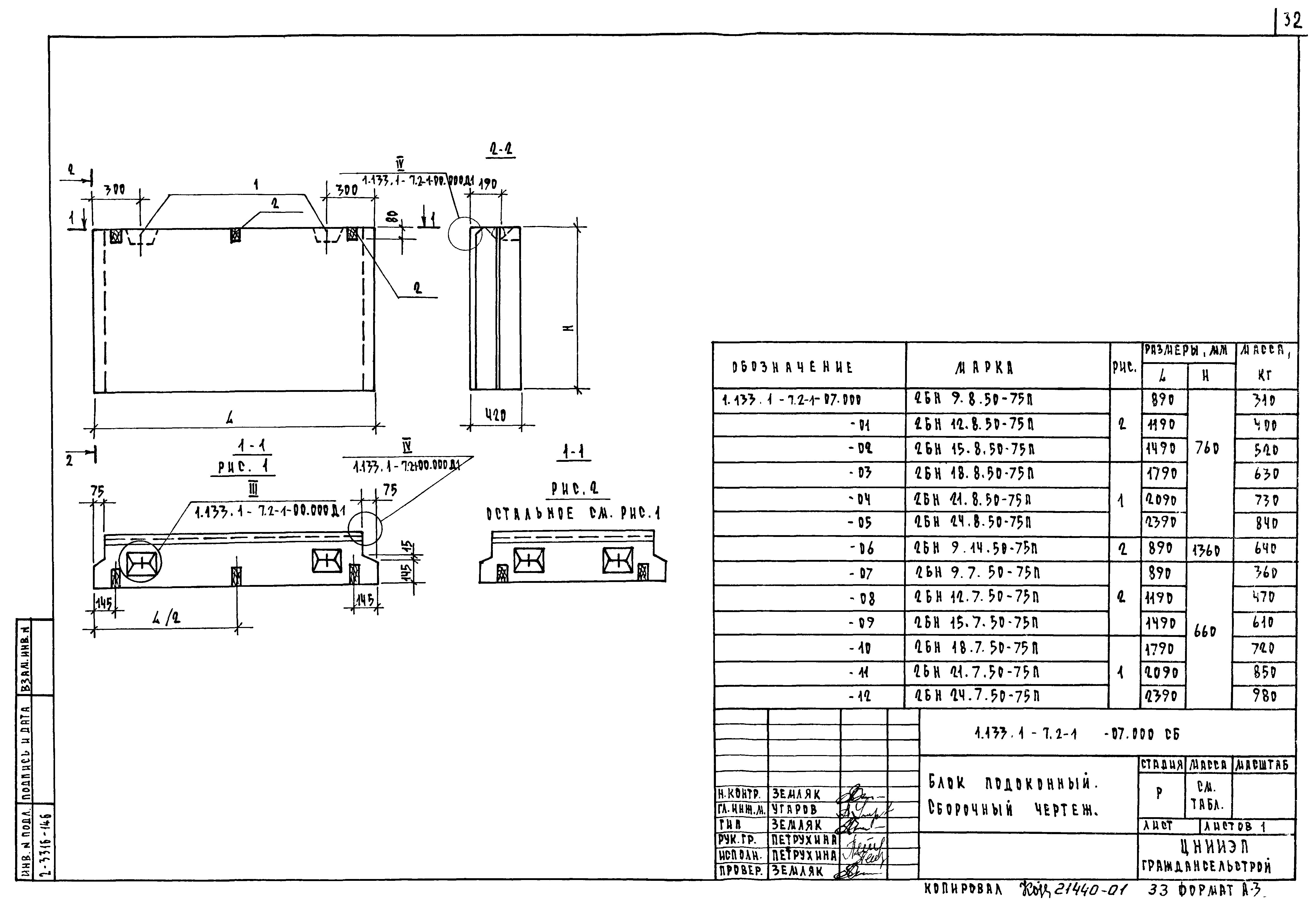
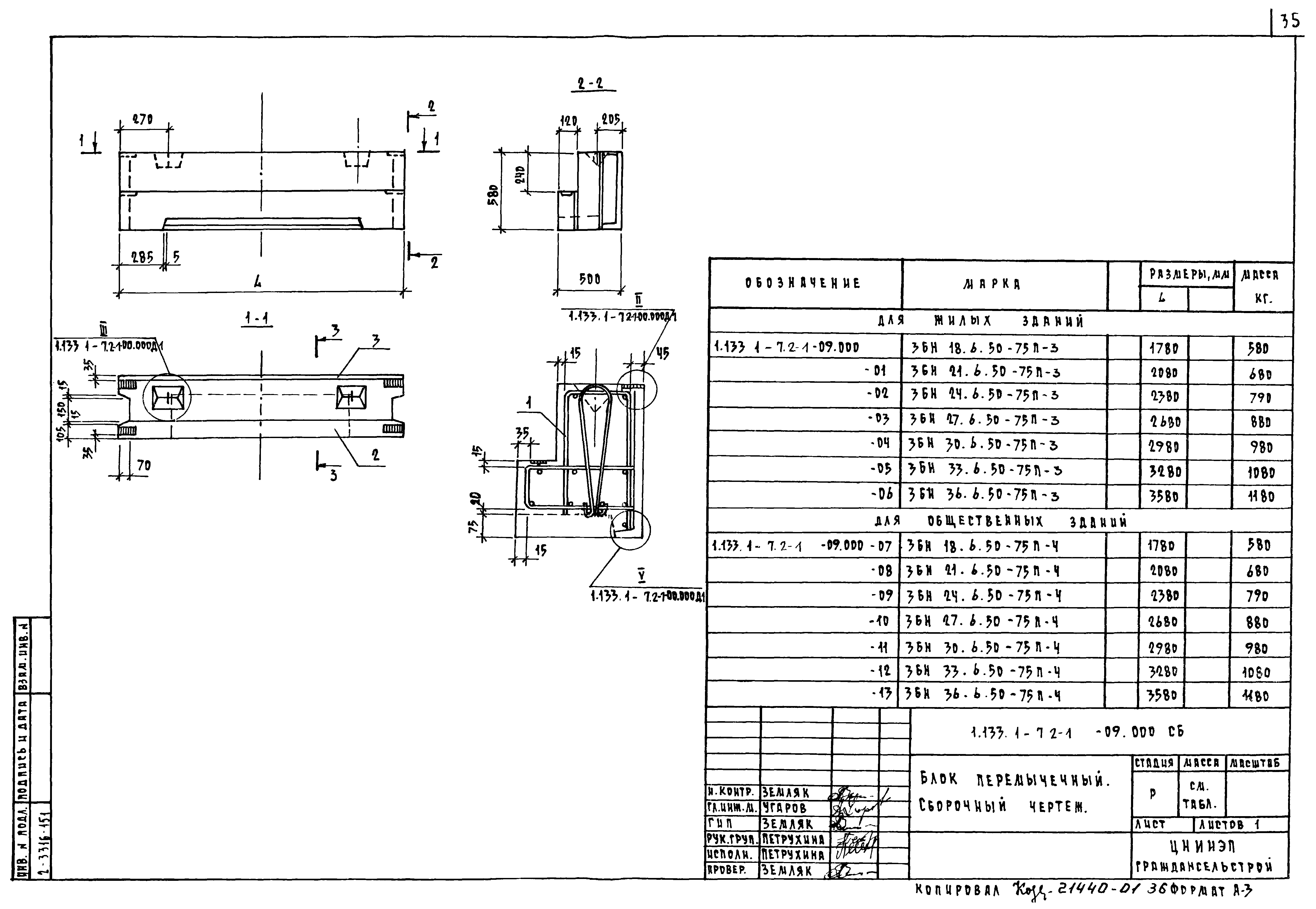
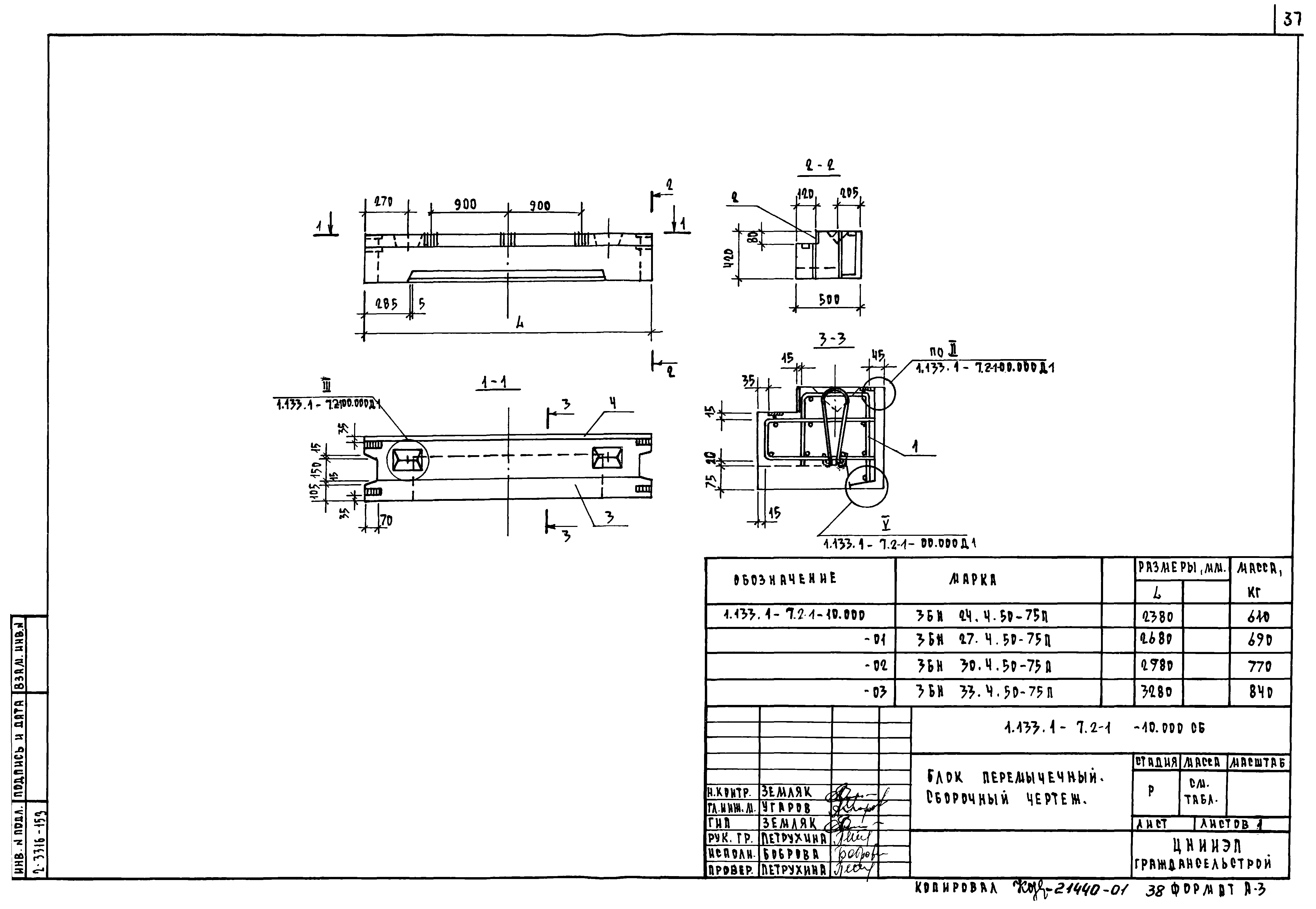
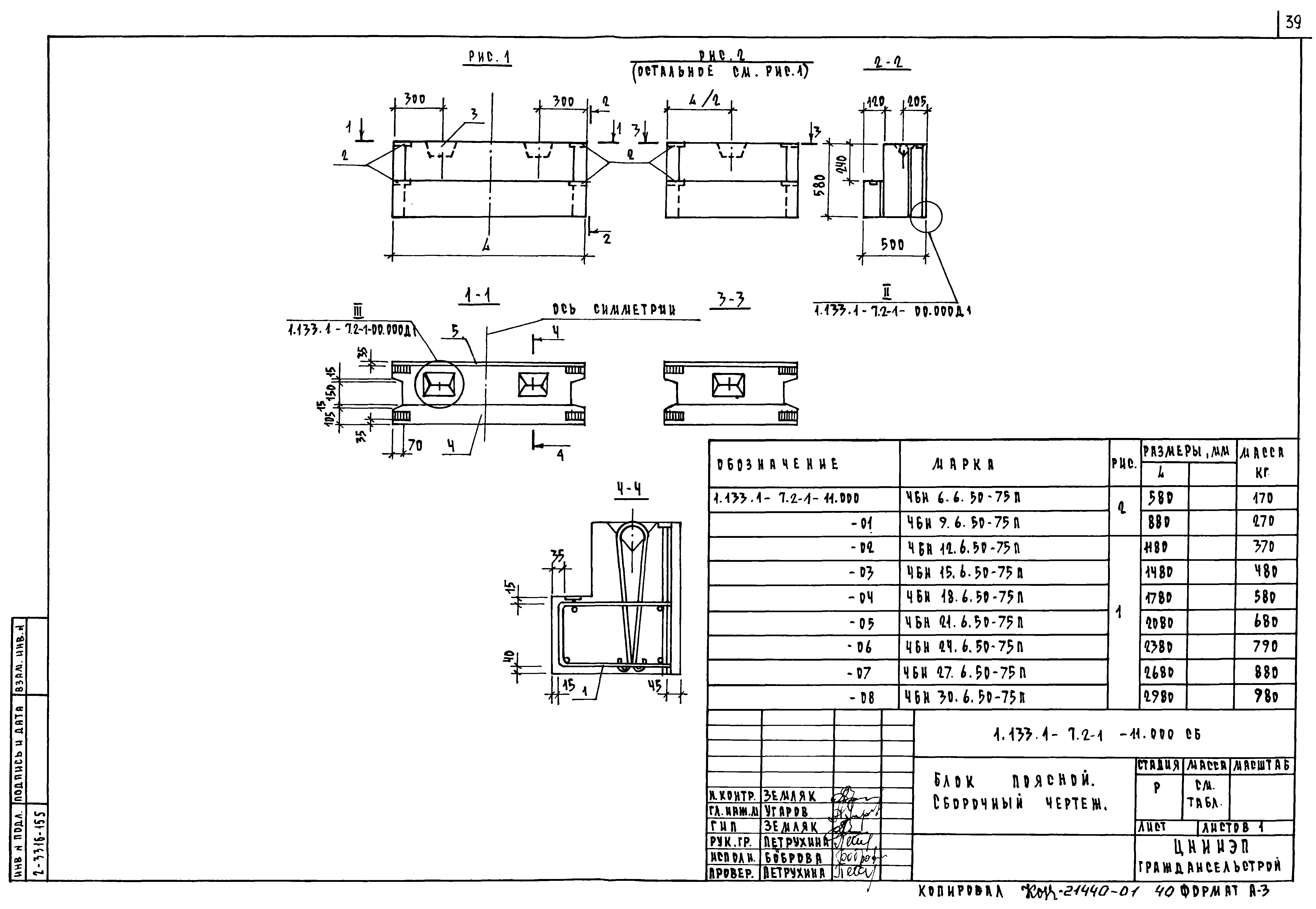
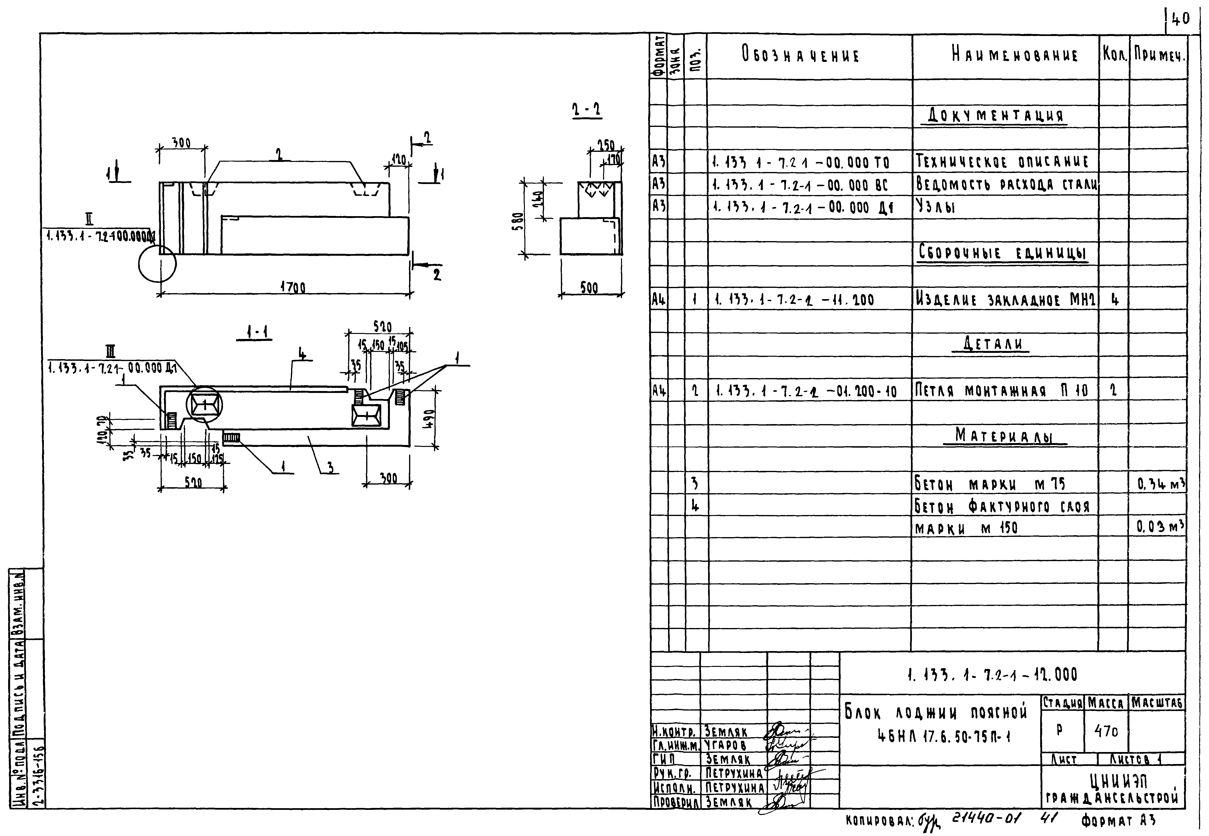
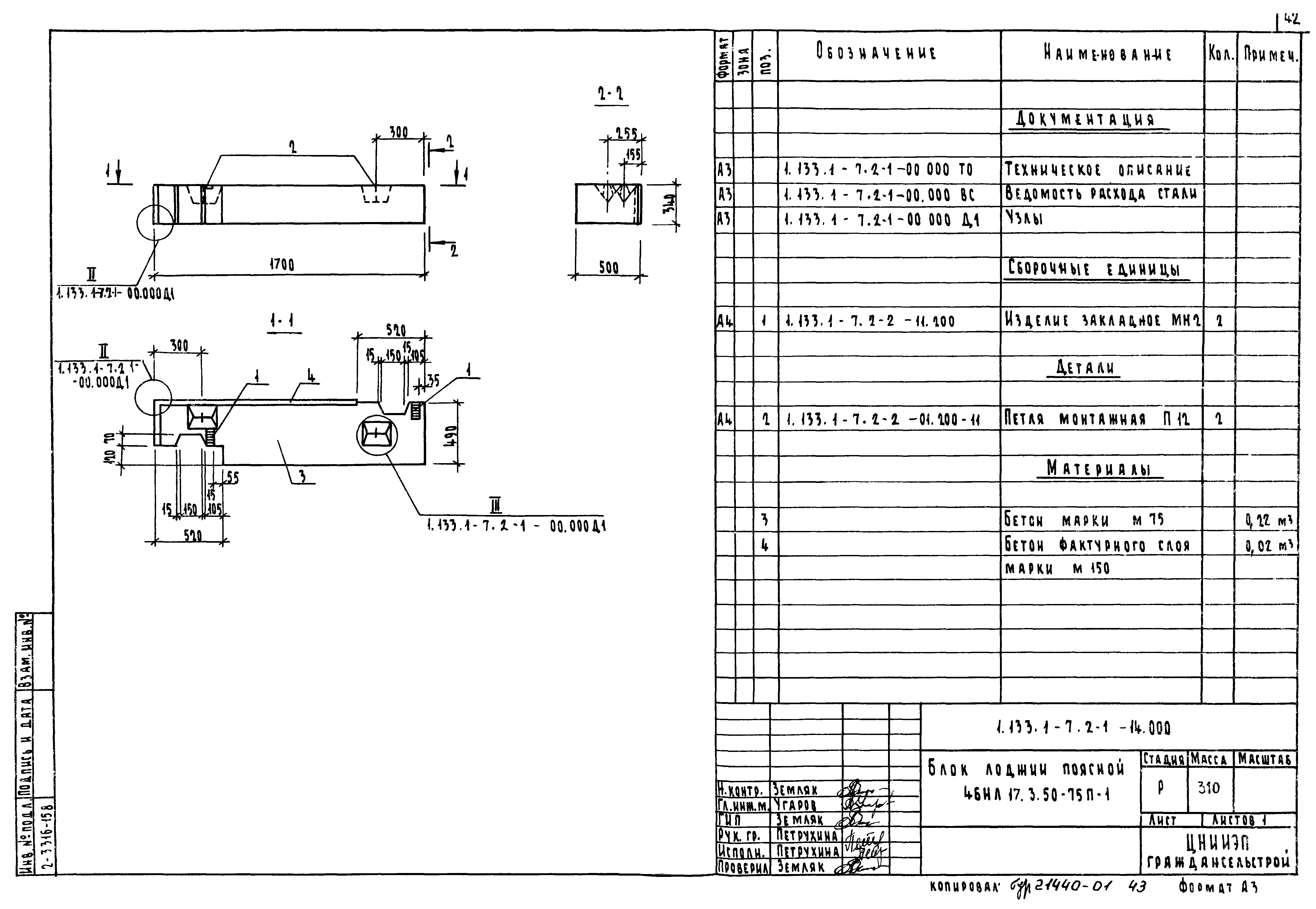
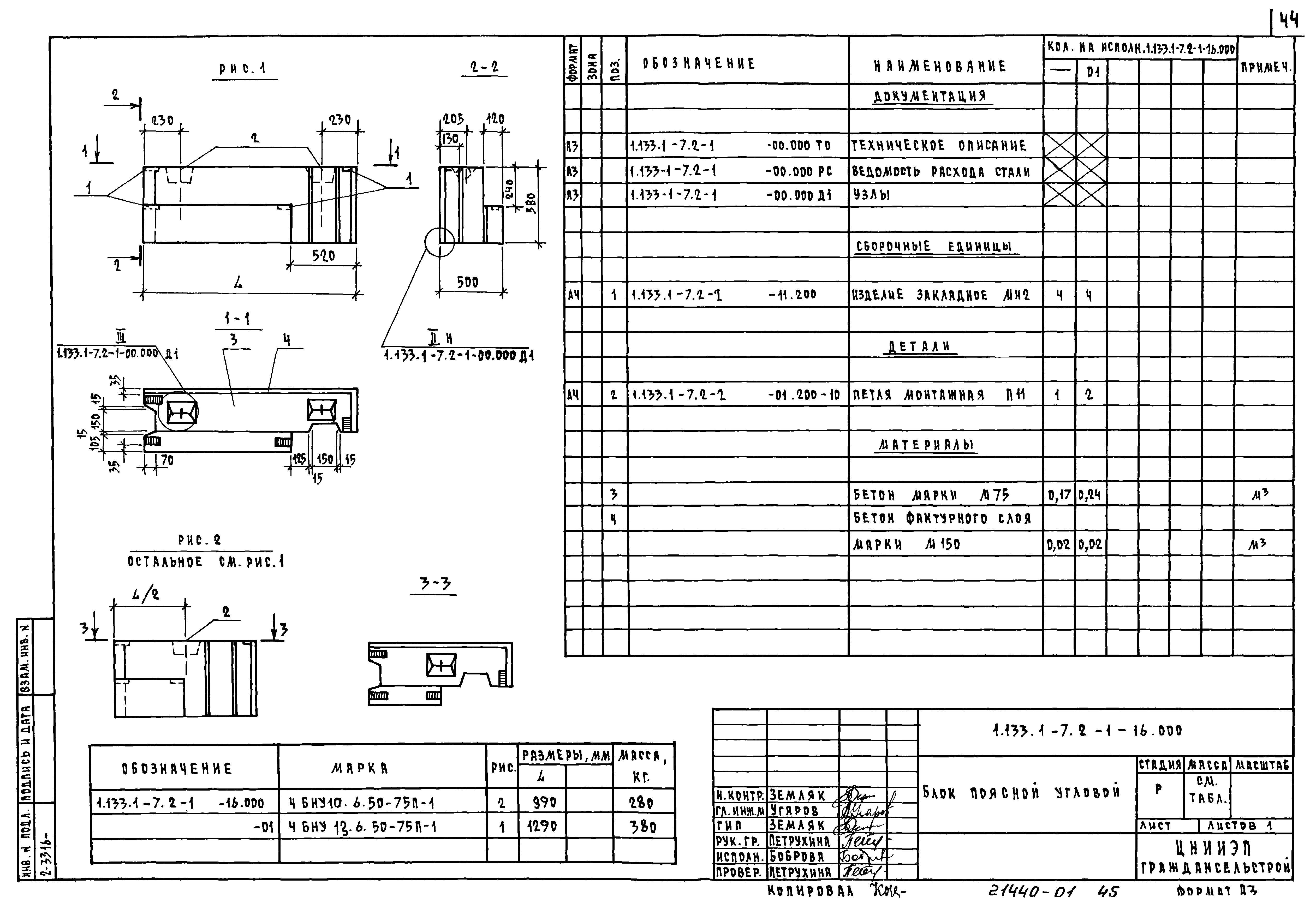
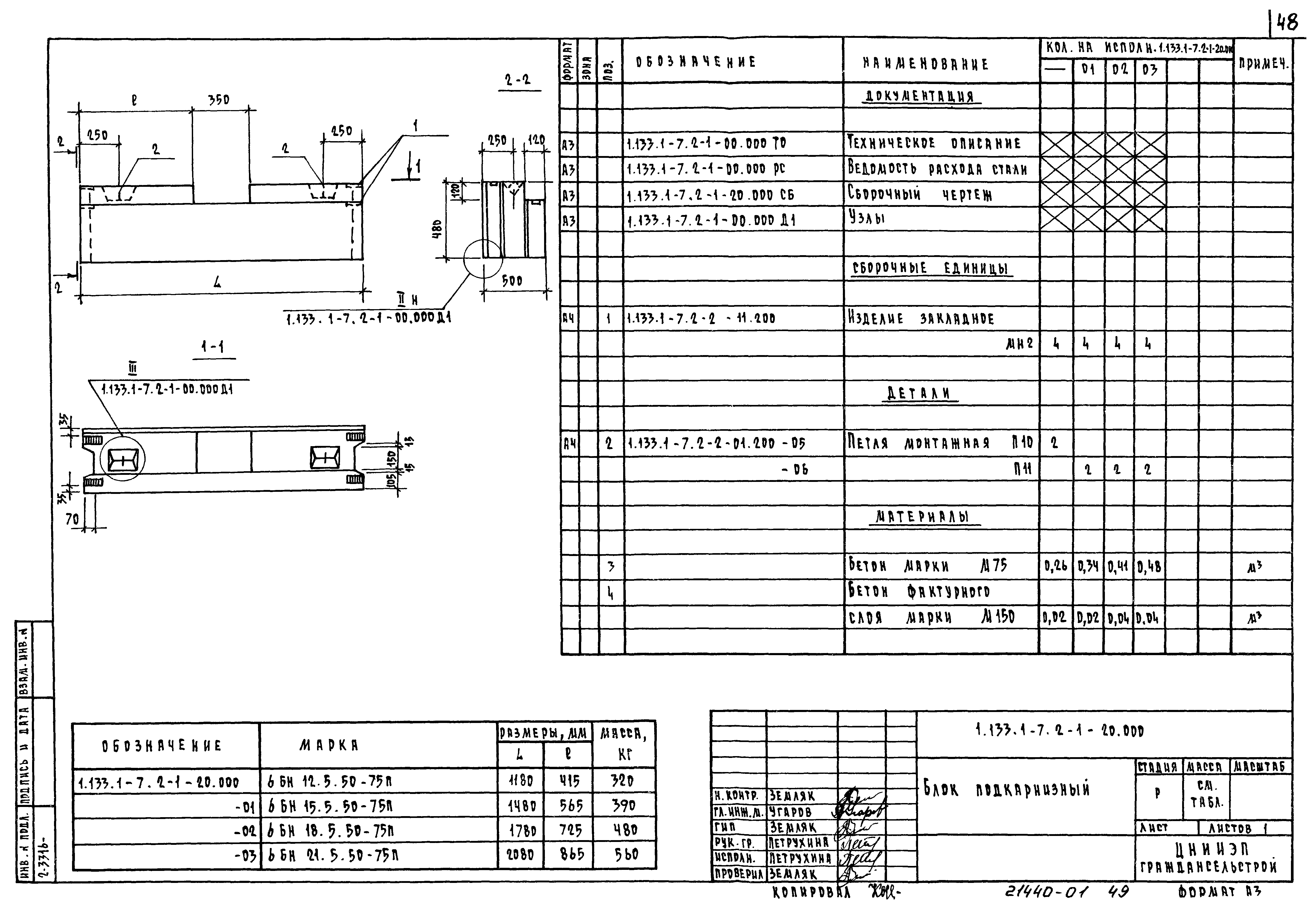
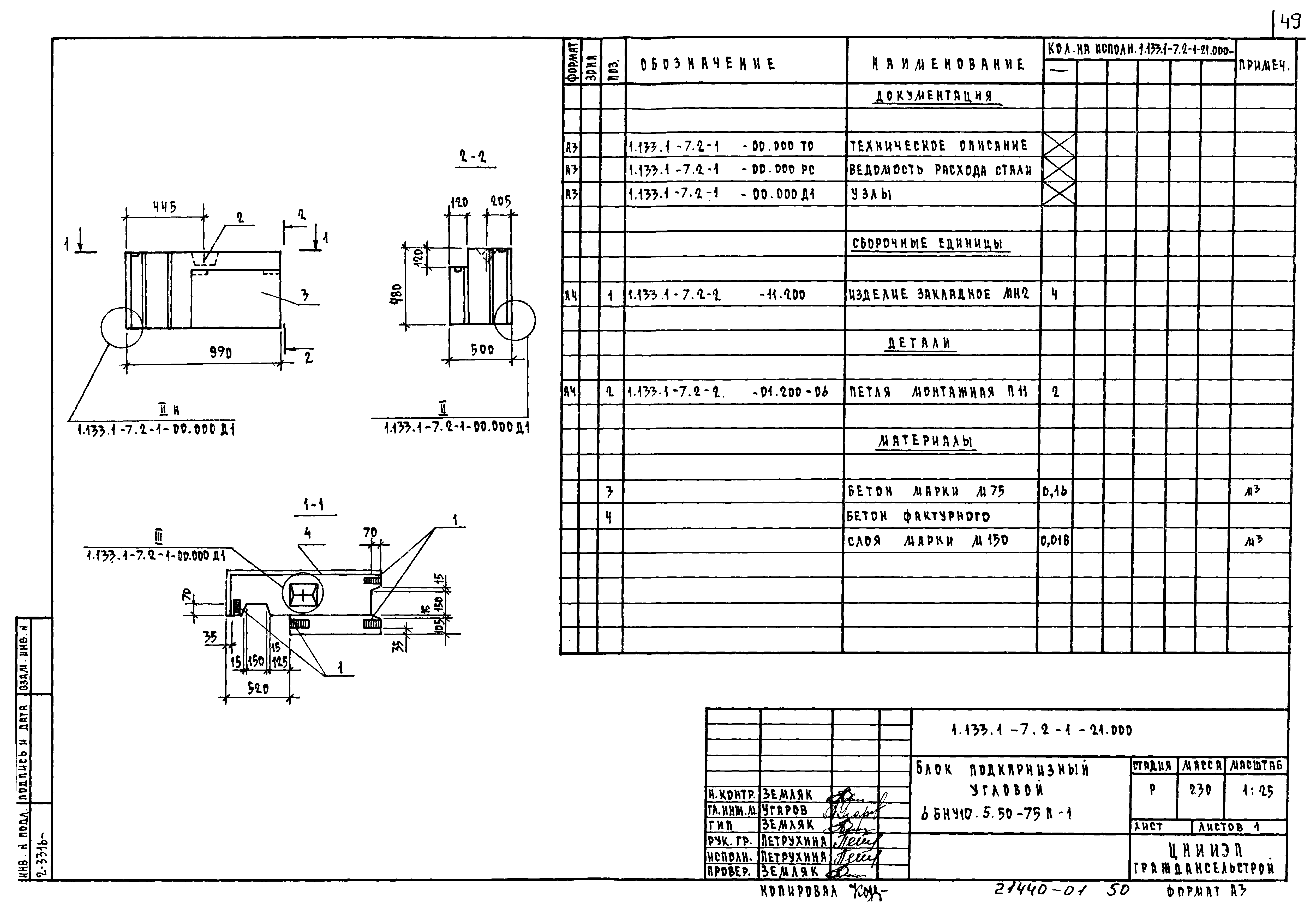
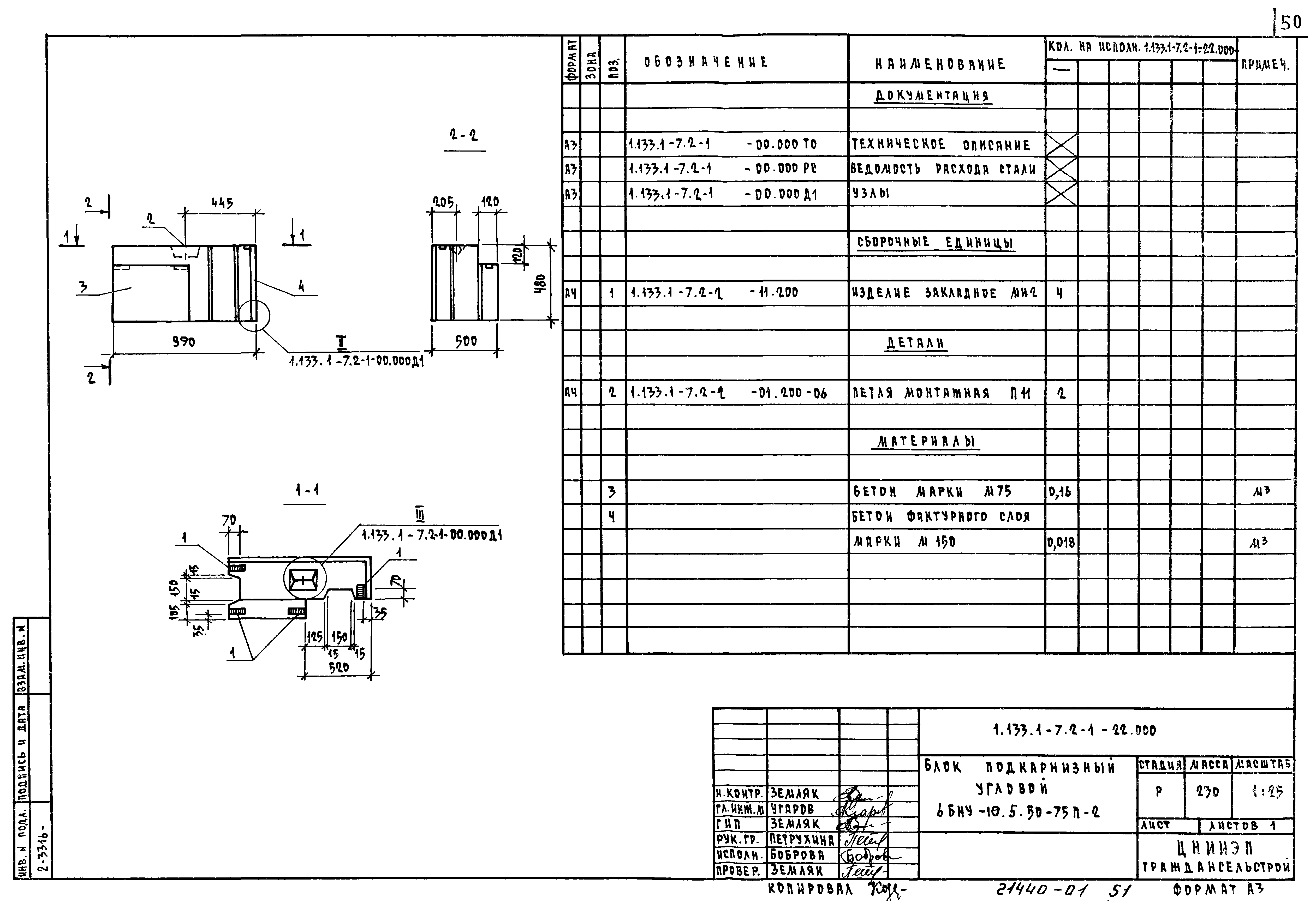
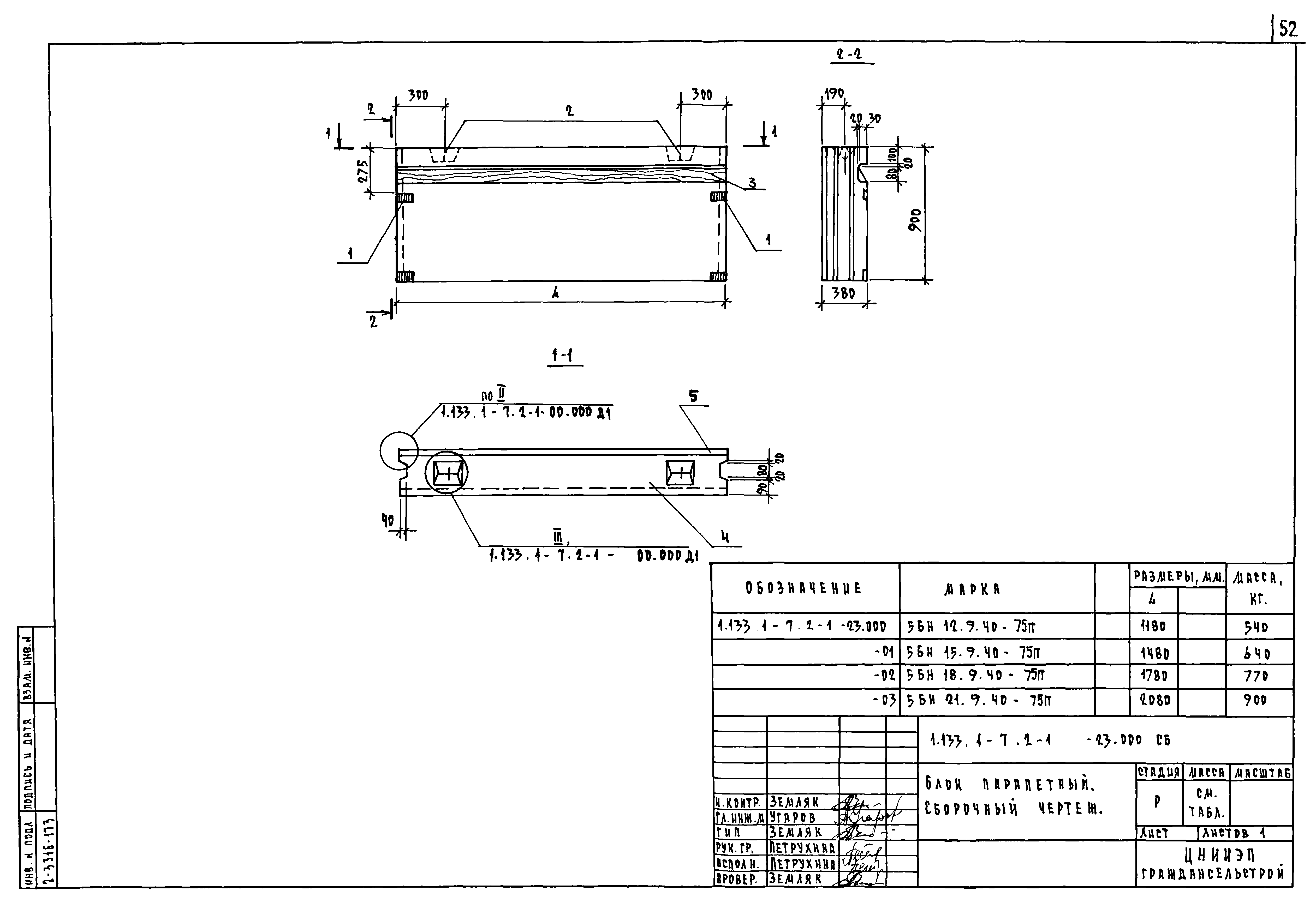
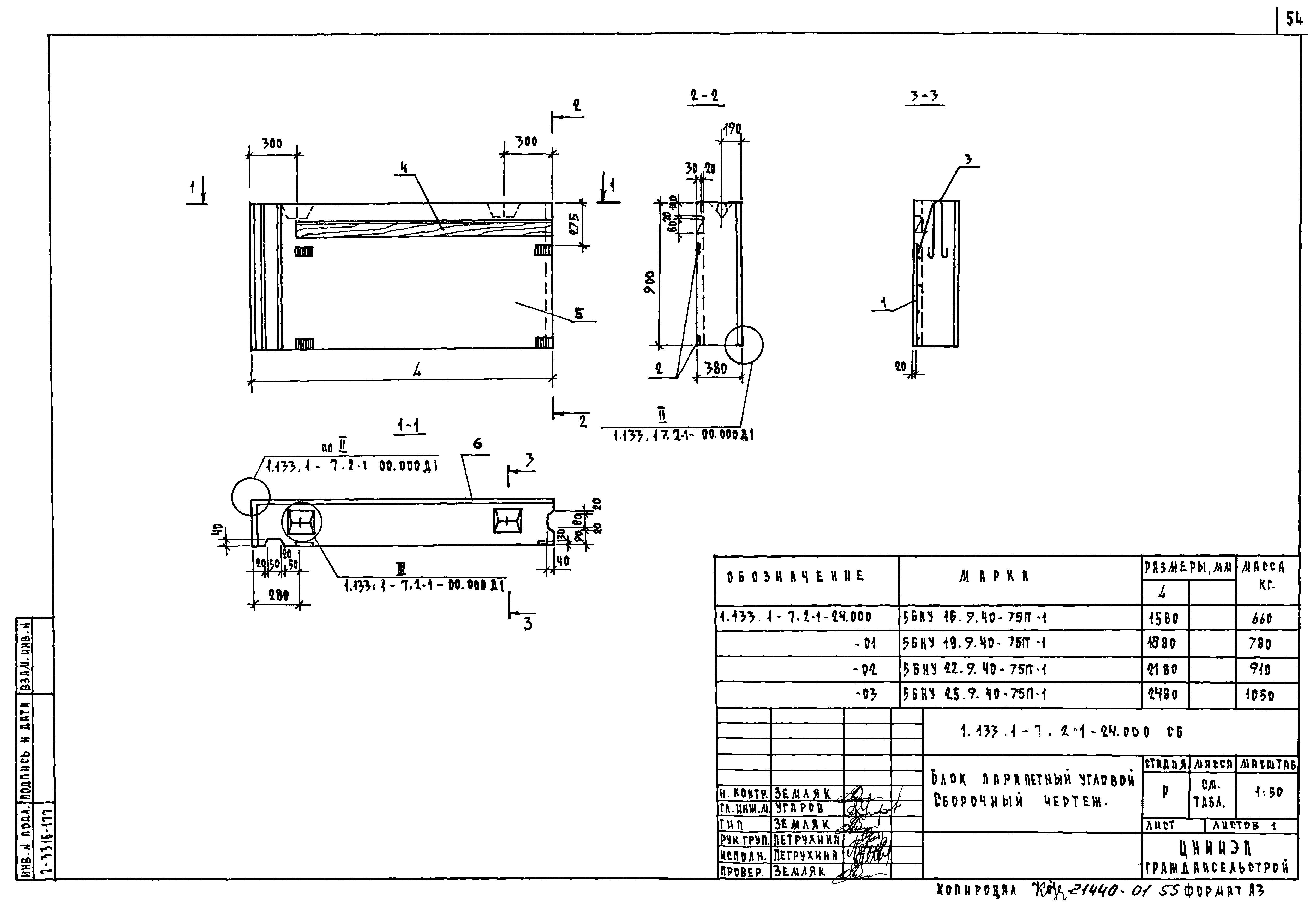
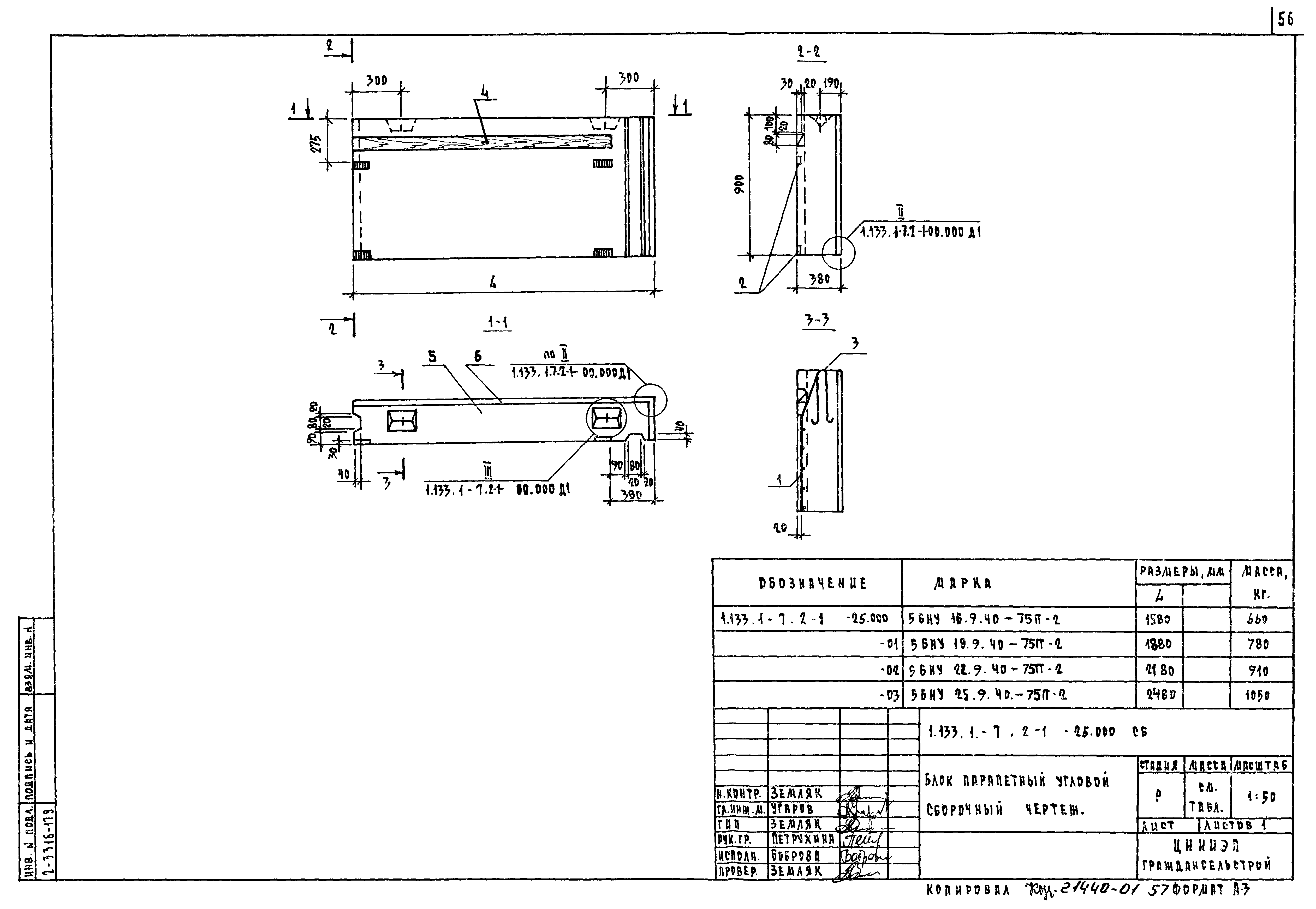
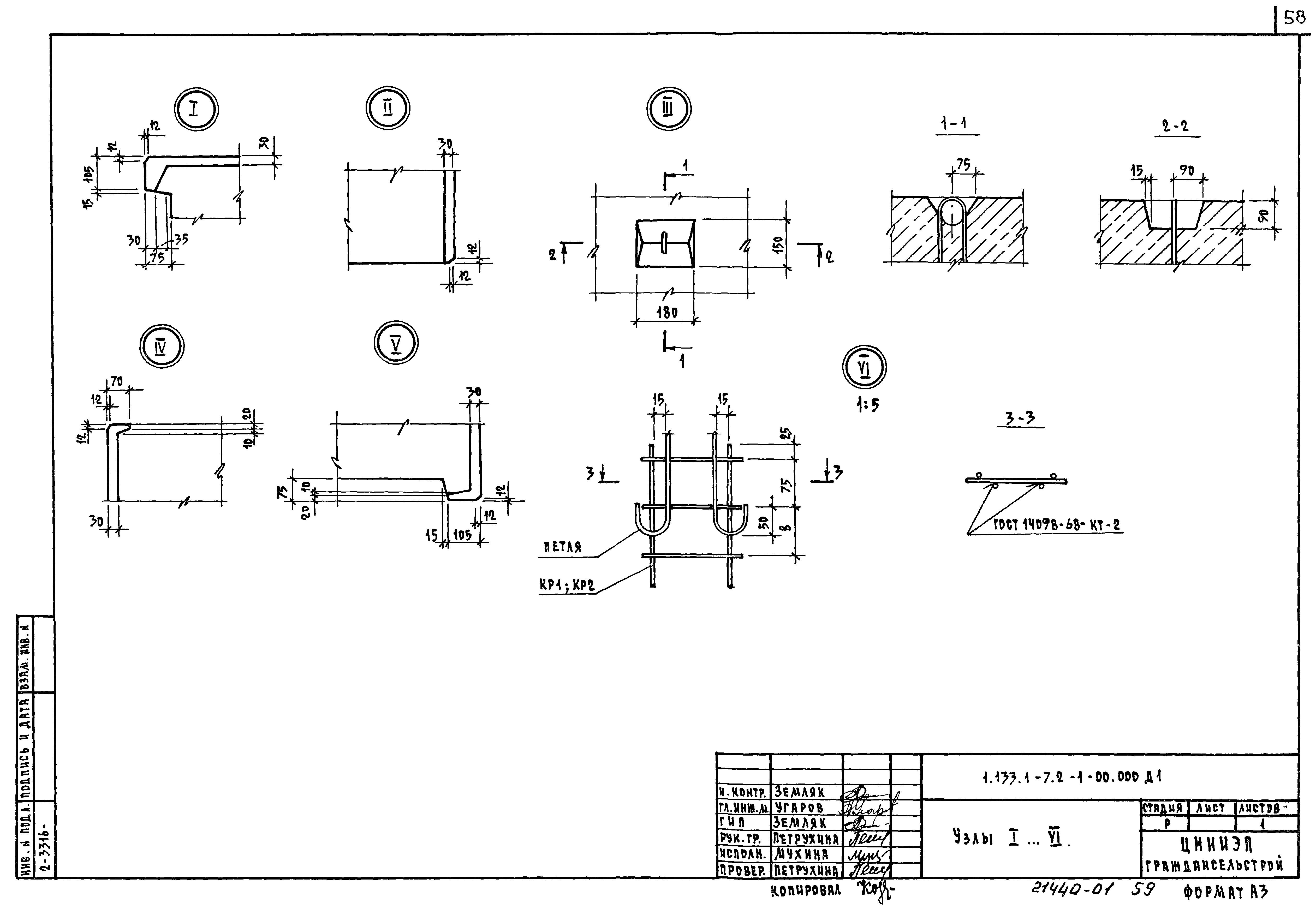
| Оглавление: | 1.133.1-7.2-1-00.000 ТО Техническое описание 1.133.1-7.2-1-00.000 НИ Номенклатура 1.133.1-7.2-1-00.000 РС Ведомость расхода стали 1.133.1-7.2-1-01.000 Блок простеночный 1.133.1-7.2-1-01.000 СБ Блок простеночный. Сборочный чертеж 1.133.1-7.2-1-02.000 Блок лоджий простеночный 1.133.1-7.2-1-02.000 СБ Блок лоджий простеночный. Сборочный чертеж 1.133.1-7.2-1-03.000 Блок простеночный 1.133.1-7.2-1-03.000 СБ Блок простеночный. Сборочный чертеж 1.133.1-7.2-1-04.000 Блок простеночный угловой 1.133.1-7.2-1-04.000 СБ Блок простеночный угловой. Сборочный чертеж 1.133.1-7.2-1-05.000 Блок лоджий простеночный угловой 1.133.1-7.2-1-05.000 СБ Блок лоджий простеночный угловой. Сборочный чертеж 1.133.1-7.2-1-06.000 Блок простеночный температурного шва 1.133.1-7.2-1-06.000 СБ Блок простеночный температурного шва. Сборочный чертеж 1.133.1-7.2-1-07.000 Блок подоконный 1.133.1-7.2-1-07.000 СБ Блок подоконный. Сборочный чертеж 1.133.1-7.2-1-08.000 Блок подоконный балконный 1.133.1-7.2-1-09.000 Блок перемычечный 1.133.1-7.2-1-09.000 СБ Блок перемычечный. Сборочный чертеж 1.133.1-7.2-1-10.000 Блок перемычечный 1.133.1-7.2-1-10.000 СБ Блок перемычечный. Сборочный чертеж 1.133.1-7.2-1-11.000 Блок поясной 1.133.1-7.2-1-11.000 СБ Блок поясной. Сборочный чертеж 1.133.1-7.2-1-12.000 Блок лоджии поясной 4БНЛ 17.6.50-75П-1 1.133.1-7.2-1-13.000 Блок лоджии поясной 4БНЛ 17.6.50-75П-2 1.133.1-7.2-1-14.000 Блок лоджии поясной 4БНЛ 17.3.50-75П-1 1.133.1-7.2-1-15.000 Блок лоджии поясной 4БНЛ 17.3.50-75П-2 1.133.1-7.2-1-16.000 Блок поясной угловой 1.133.1-7.2-1-17.000 Блок поясной угловой 1.133.1-7.2-1-18.000 Блок лоджии поясной угловой 4БНУЛ 10.6.50-75П-1 1.133.1-7.2-1-19.000 Блок лоджии поясной угловой 4БНУЛ 10.6.50-75П-2 1.133.1-7.2-1-20.000 Блок подкарнизный 1.133.1-7.2-1-21.000 Блок подкарнизный угловой 6БНУ 10.5.50-75П-1 1.133.1-7.2-1-22.000 Блок подкарнизный угловой 6БНУ 10.5.50-75П-2 1.133.1-7.2-1-23.000 Блок парапетный 1.133.1-7.2-1-23.000 СБ Блок парапетный. Сборочный чертеж 1.133.1-7.2-1-24.000 Блок парапетный угловой 1.133.1-7.2-1-24.000 СБ Блок парапетный угловой. Сборочный чертеж 1.133.1-7.2-1-25.000 Блок парапетный угловой 1.133.1-7.2-1-25.000 СБ Блок парапетный угловой. Сборочный чертеж 1.133.1-7.2-1-26.000 Подстропильный блок ПБ-1 1.133.1-7.2-1-00.000 Д1 Узлы I - VI 1.133.1-7.2-1-00.000 Д2 Фрагменты I, II 1.133.1-7.2-1-00.000 РМ Ведомость расхода материалов |
| Разработан: | ЦНИИЭП граждансельстрой |
| Утверждён: | 30.05.1986 Госгражданстрой (Gosgrazhdanstroy 183) |
| Заменяет собой: | |
| Нормативные ссылки: |
|



































































