Скачать ГОСТ Р 54443-2011 Сорбенты иодные для атомных электростанций. Метод определения индекса сорбционной способностиДата актуализации: 01.01.2021
|
| Обозначение: | ГОСТ Р 54443-2011 |
| Обозначение англ: | GOST R 54443-2011 |
| Статус: | введен впервые |
| Название рус.: | Сорбенты иодные для атомных электростанций. Метод определения индекса сорбционной способности |
| Название англ.: | Sorbents for trapping radioiodine at nuclear power stations. Method for determination of sorption capacity index |
| Дата добавления в базу: | 01.09.2013 |
| Дата актуализации: | 01.01.2021 |
| Дата введения: | 01.01.2012 |
| Область применения: | Стандарт распространяется на гранулированные и дробленые иодные сорбенты, применяемые для очистки газообразных радиоактивных отходов от радиоиода и его соединений на атомных электростанциях. Стандарт устанавливает метод и условия испытания сорбентов в лабораторных установках. Стандарт распространяется на сорбенты, предназначенные для применения в системах, важных для безопасности атомных электростанций. |
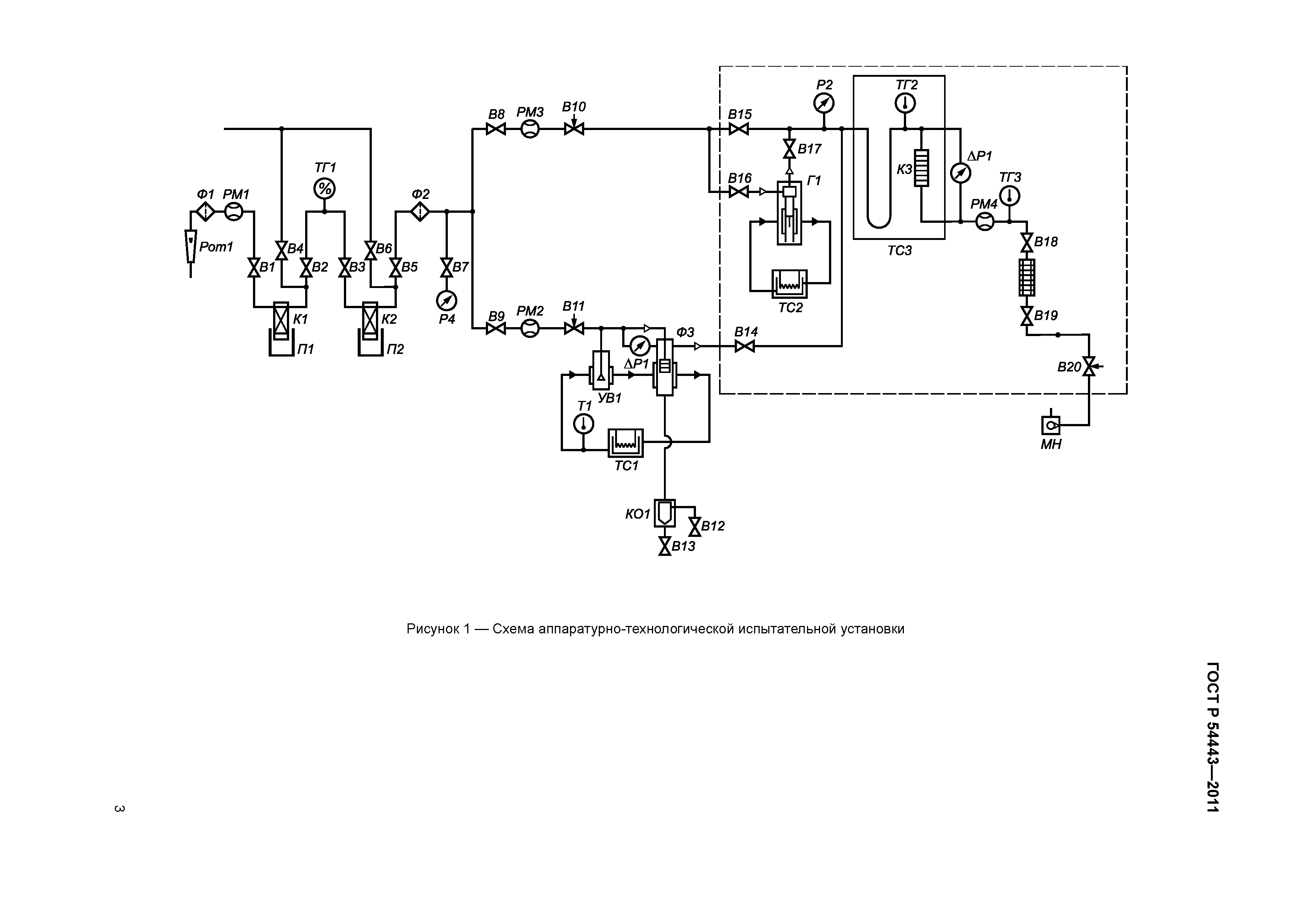
| Оглавление: | 1 Область применения 2 Нормативные ссылки 3 Термины и определения 4 Аппаратура 5 Требования к погрешности измерений 6 Материалы 7 Подготовка установки к испытаниям 8 Условия проведения испытаний сорбентов 9 Подготовка образцов сорбентов и режимов проведения испытаний 10 Проведение испытаний сорбентов 11 Обработка результатов измерений 12 Оформление результатов испытаний 13 Требования безопасности Приложение А (рекомендуемое) Адсорбат - радиоактивный метилиодид Приложение Б (обязательное) Корректировка расхода воздуха Приложение В (обязательное) Номограмма для определения доли свободного объема в полном объеме, занятом гранулированными активированными углями Приложение Г (обязательное) Допустимые минимальные значения индексов сорбционной способности иодных сорбентов Приложение Д (обязательное) Форма протокола испытаний (для заказчика) Приложение Е (обязательное) Форма внутреннего протокола испытаний Библиография |
| Разработан: | ЗАО Прогресс-Экология РХТУ им. Д.И. Менделеева |
| Утверждён: | 13.10.2011 Федеральное агентство по техническому регулированию и метрологии (443-ст) |
| Издан: | Стандартинформ (2012 г. ) Стандартинформ (2019 г. ) |
| Список изменений: |
|
| Нормативные ссылки: |
|


















