Скачать Рекомендации по проектированию заводов металлоконструкций. Типовые технологические процессы сборки и сварки элементов металлоконструкций одноэтажных промышленных зданий

Дата актуализации: 01.01.2021

Рекомендации по проектированию заводов металлоконструкций. Типовые технологические процессы сборки и сварки элементов металлоконструкций одноэтажных промышленных зданий

Статус:не действует
Название рус.:Рекомендации по проектированию заводов металлоконструкций. Типовые технологические процессы сборки и сварки элементов металлоконструкций одноэтажных промышленных зданий
Дата добавления в базу:01.09.2013
Дата актуализации:01.01.2021
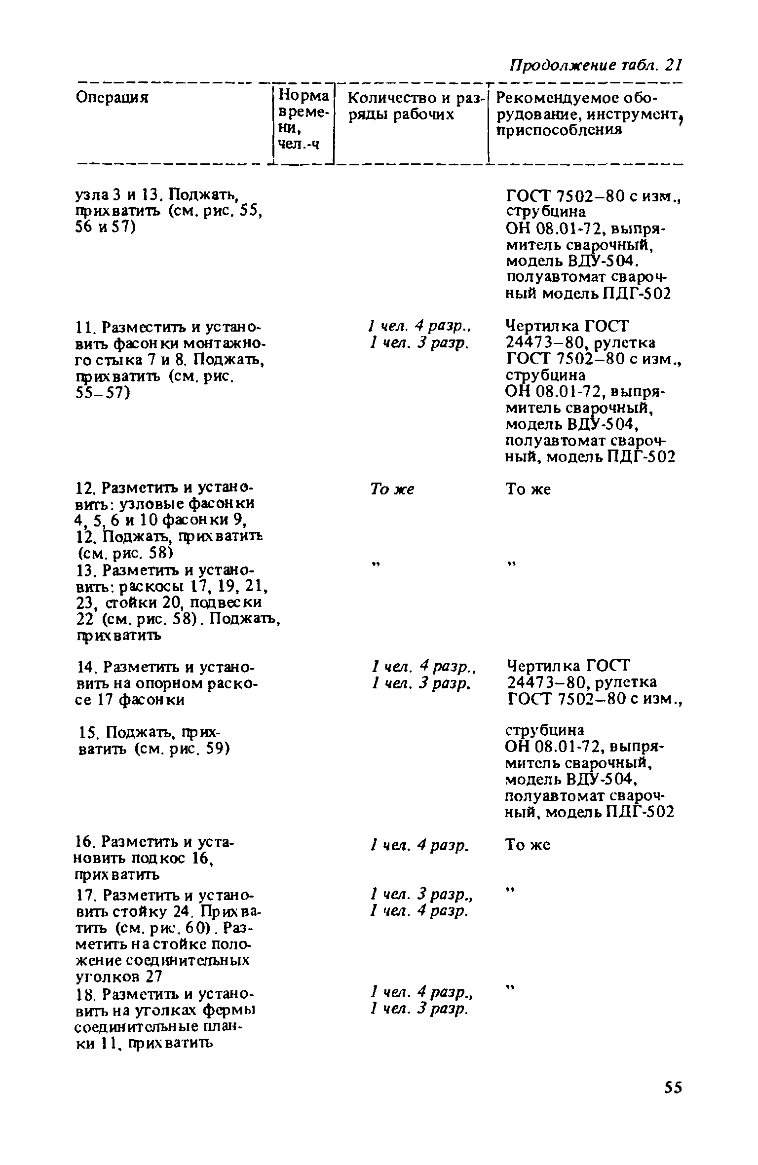
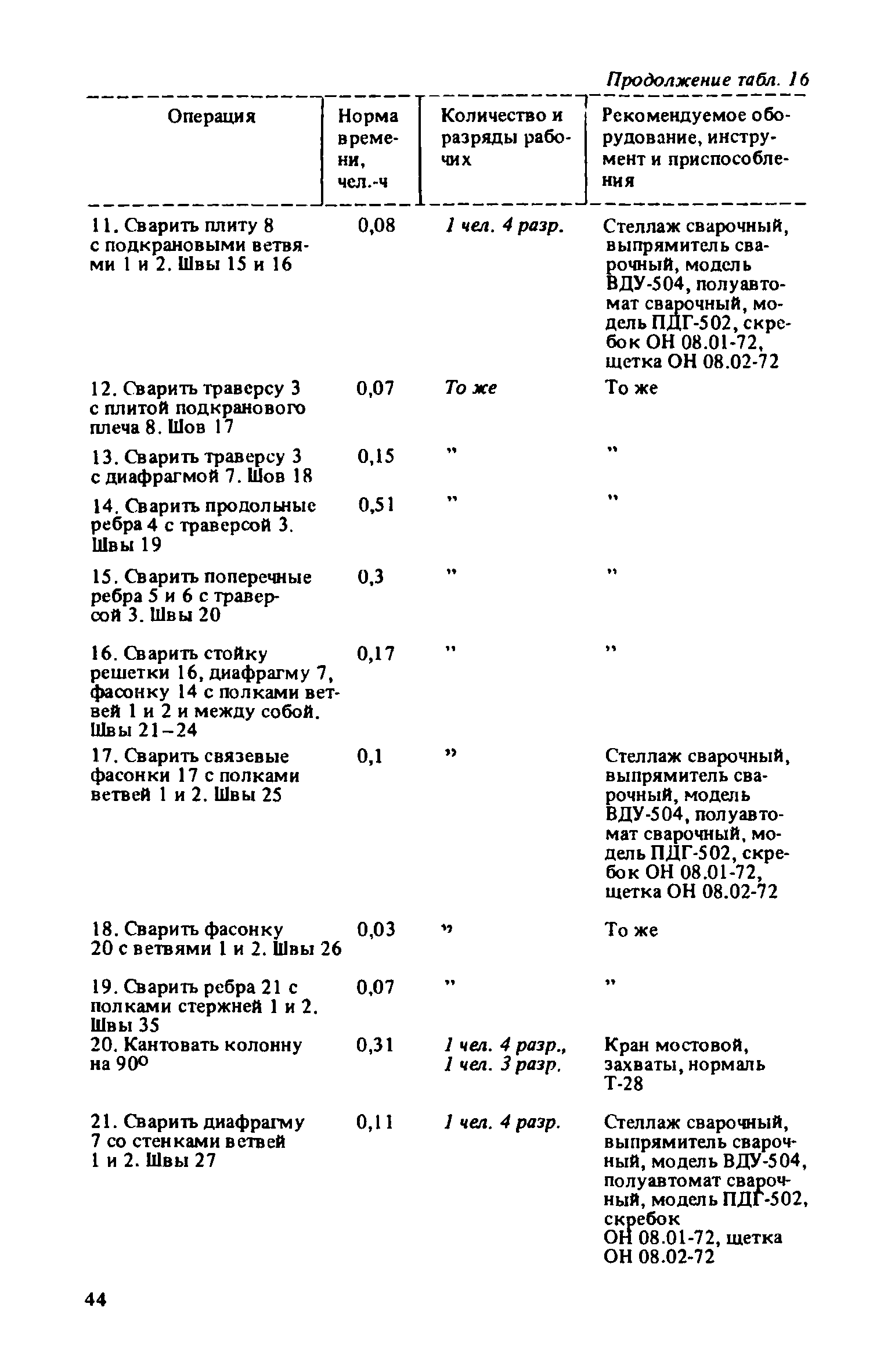
Область применения:В документе рассмотрены вопросы, связанные с особенностями технологии сборки и сварки основных элементов металлоконструкций одноэтажных промышленных зданий (ферм, колонн, подкрановых балок). Помимо традиционной технологии рассмотрены особенности технологии сборки и сварки стропильных ферм из эффективных профилей проката, в том числе и фланцевых соединений.
Оглавление:1. Общие положения
2. Подготовка деталей, инструмента, приспособлений
3. Технологический процесс изготовления стержней двутаврового сечения
4. Технологический процесс изготовления подкрановых балок. Серия 1.426-1
5. Технологический процесс изготовления колонн. Серия 1.424-4
6. Технологический процесс изготовления стропильных ферм. Серия 1.460-2
7. Технологические процессы изготовления конструкций стропильных ферм из эффективных профилей
Приложение 1. Сварочное оборудование для дуговой сварки
Приложение 2. Сварочные материалы для различных способов сварки к расчетной температуре минус 40 градусов Цельсия
Приложение 3. Нормативно-техническая документация, регламентирующая сварочные материалы
Приложение 4. Графики расчета нормы штучного времени
Разработан: ВНИКТИСтальконструкция
ЦНИИпроектстальконструкция Госстроя
Утверждён: ЦНИИПроектстальконструкция Госстроя СССР
Издан: Стройиздат (1986 г. )
Нормативные ссылки: