Скачать Серия 1.232-5 Выпуск 1. Панели толщиной 160 мм на деревянном каркасе с минераловатным утеплителем с обрамлением алюминиевыми профилями со спаренной и раздельной столяркой. Рабочие чертежиДата актуализации: 01.01.2021
|
| Обозначение: | Серия 1.232-5 |
| Обозначение англ: | Series 1.232-5 |
| Статус: | не действует |
| Название рус.: | Выпуск 1. Панели толщиной 160 мм на деревянном каркасе с минераловатным утеплителем с обрамлением алюминиевыми профилями со спаренной и раздельной столяркой. Рабочие чертежи |
| Дата добавления в базу: | 01.09.2013 |
| Дата актуализации: | 01.01.2021 |
| Дата введения: | 01.03.1979 |
| Дата окончания срока действия: | 01.06.1987 |
| Область применения: | Рабочие чертежи наружных стеновых панелей на деревянном каркасе с обшивкой из асбестоцементных листов и минераловатным утеплителем со спаренной и раздельной столяркой разработаны на основании задания, утвержденного Государственным комитетом по гражданскому строительству и архитектуре при Госстрое СССР 21 марта 1977 года |
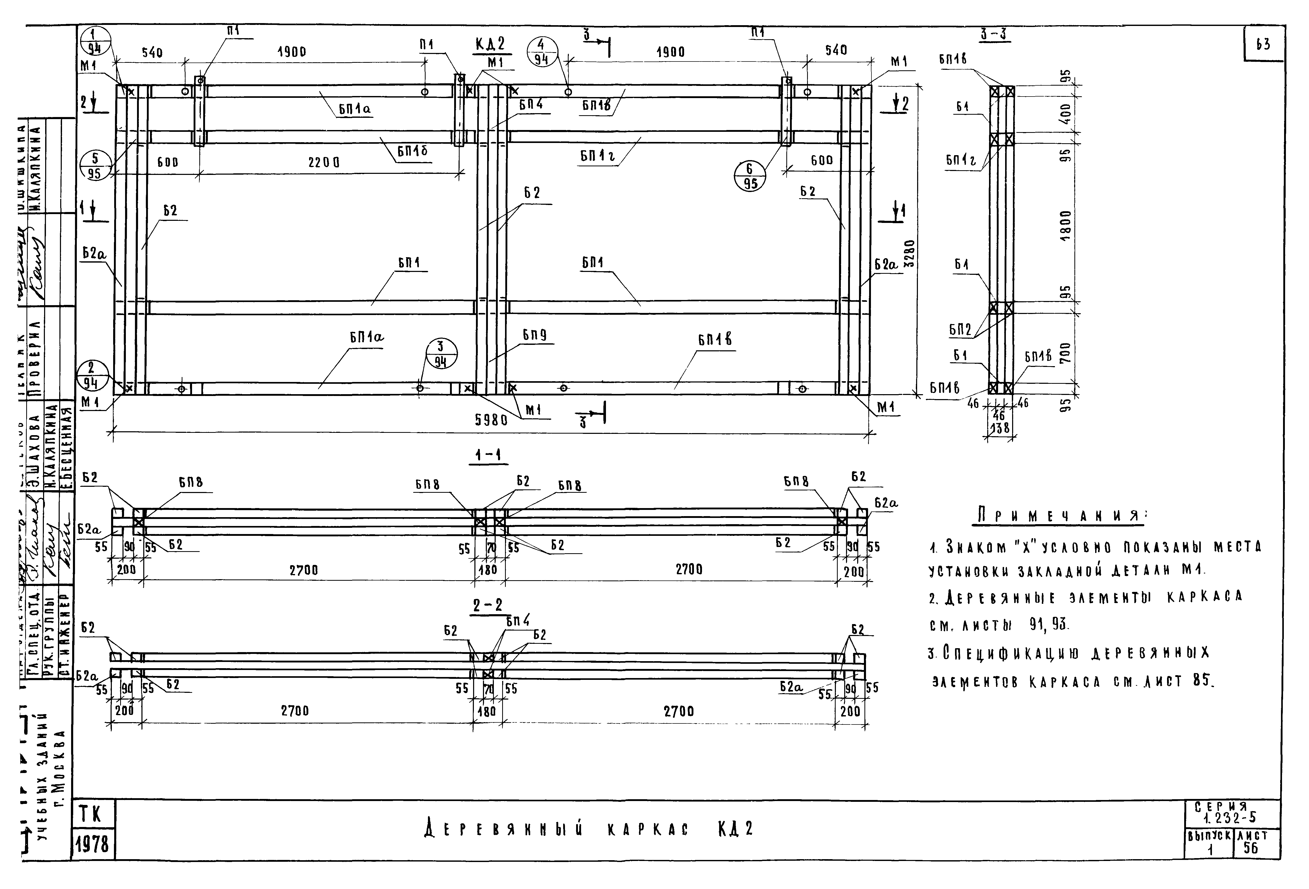
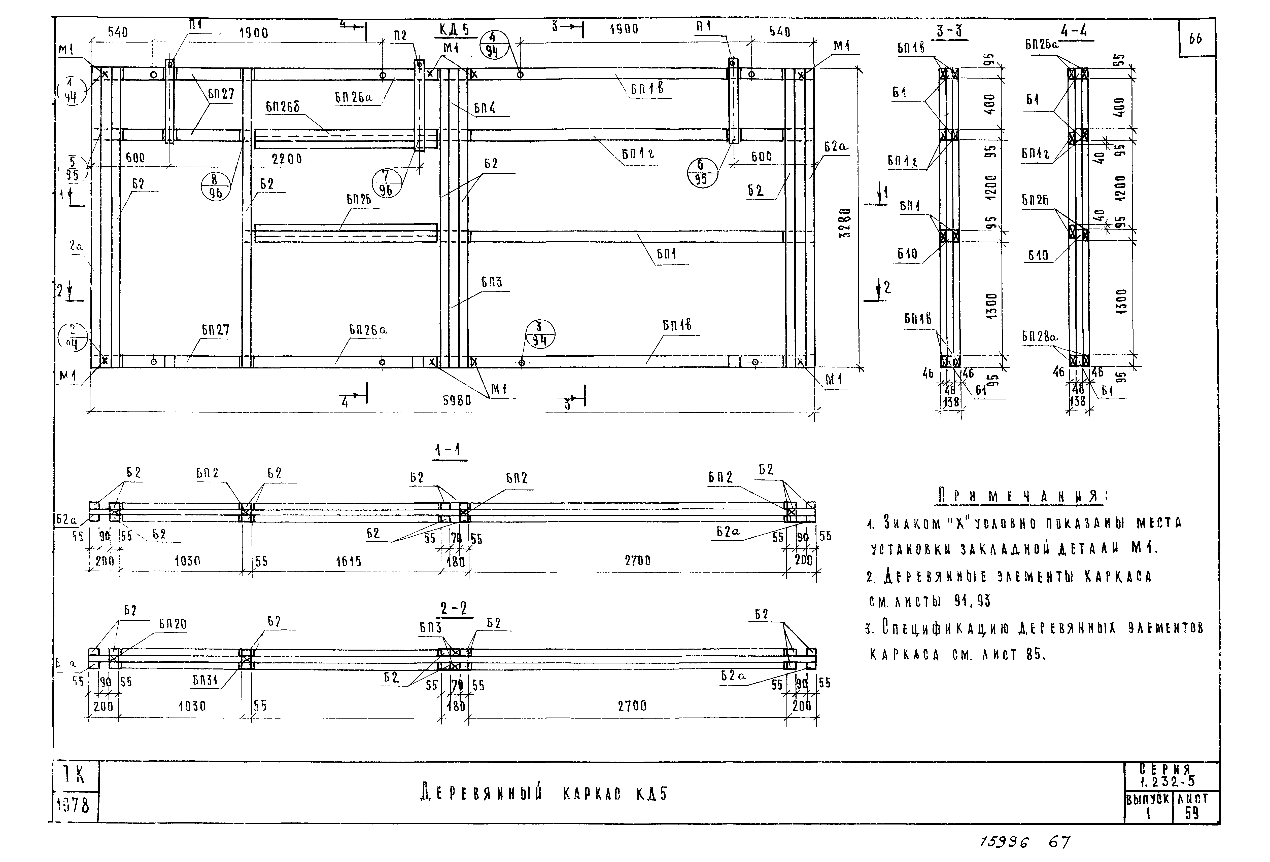
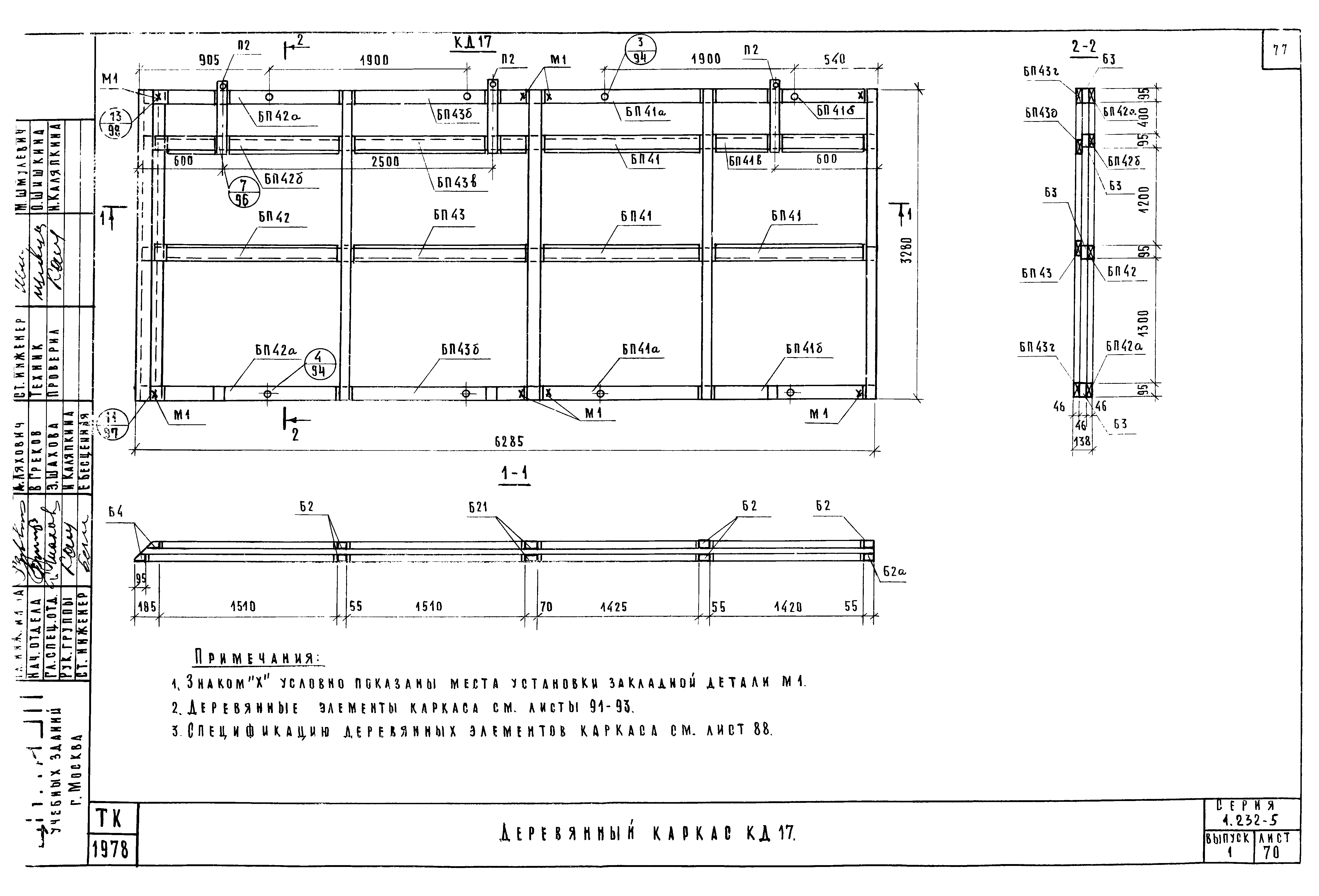
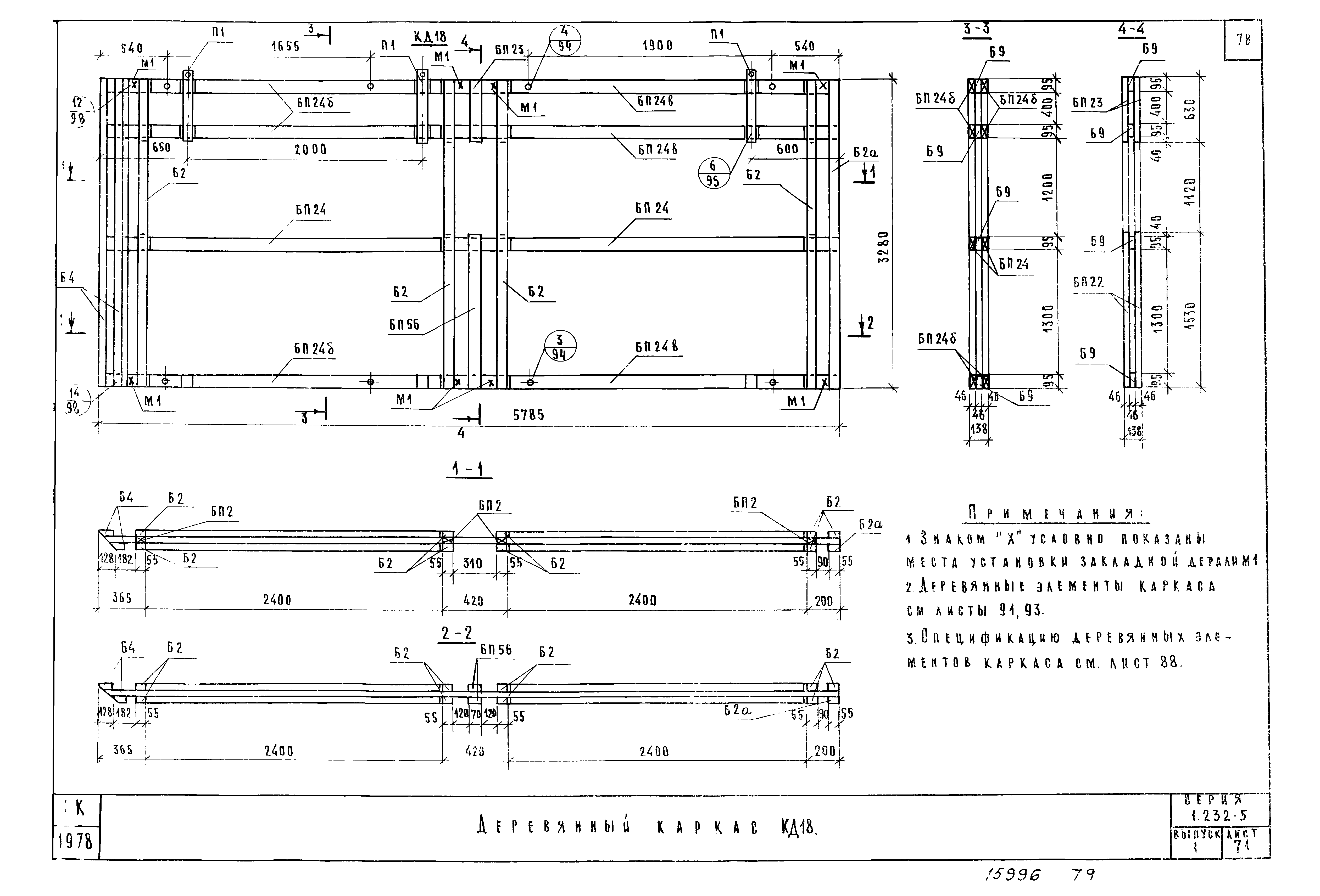
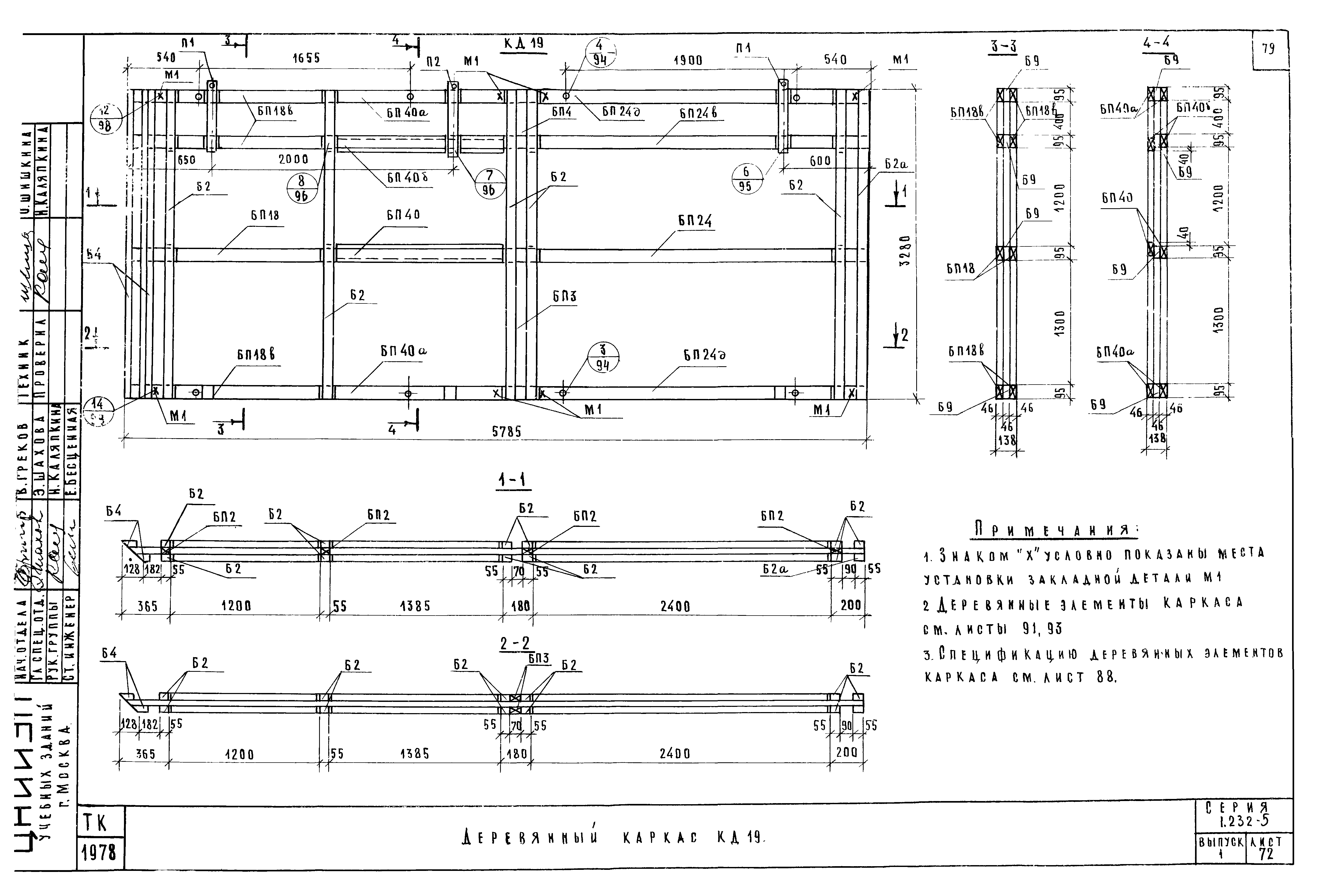
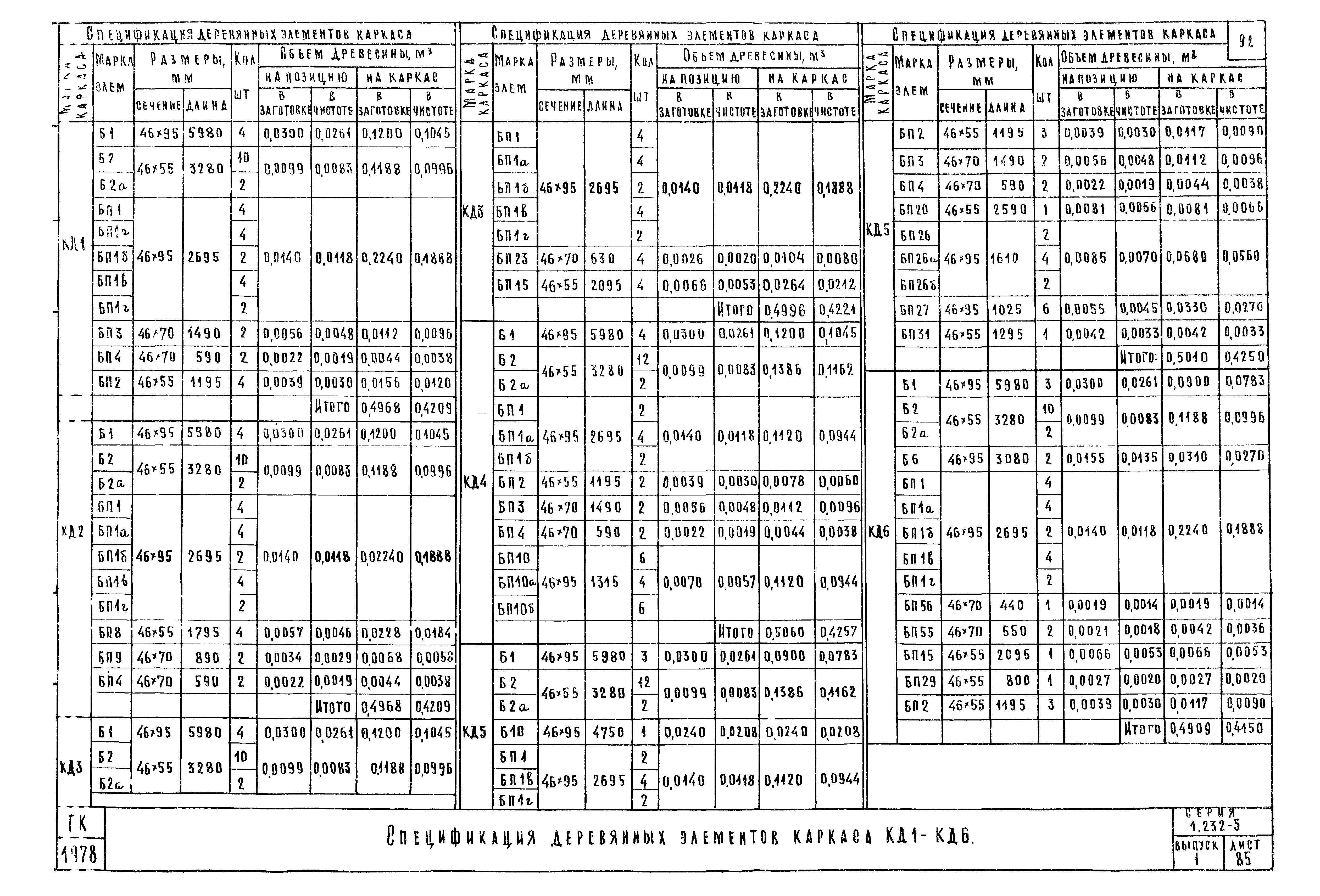
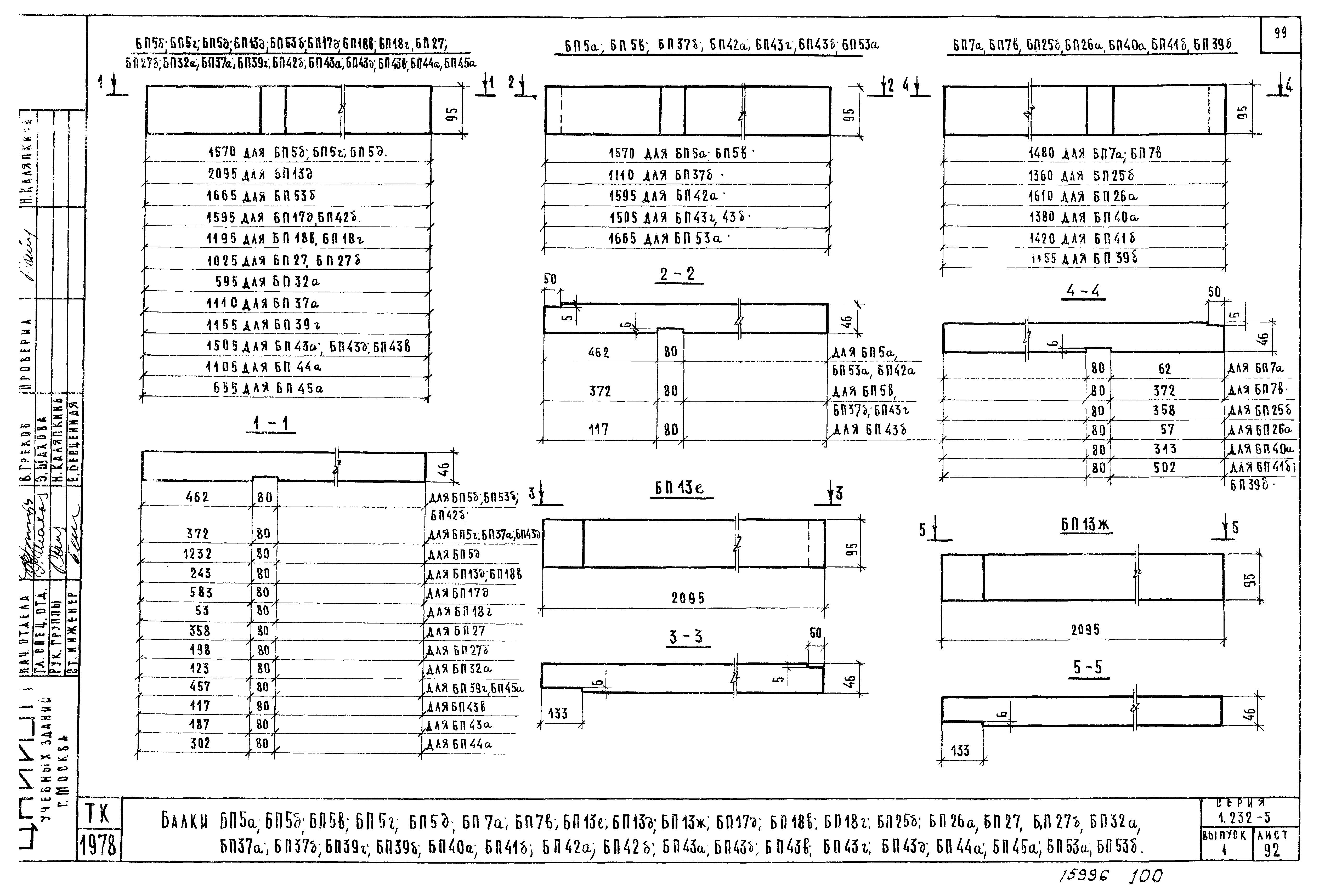
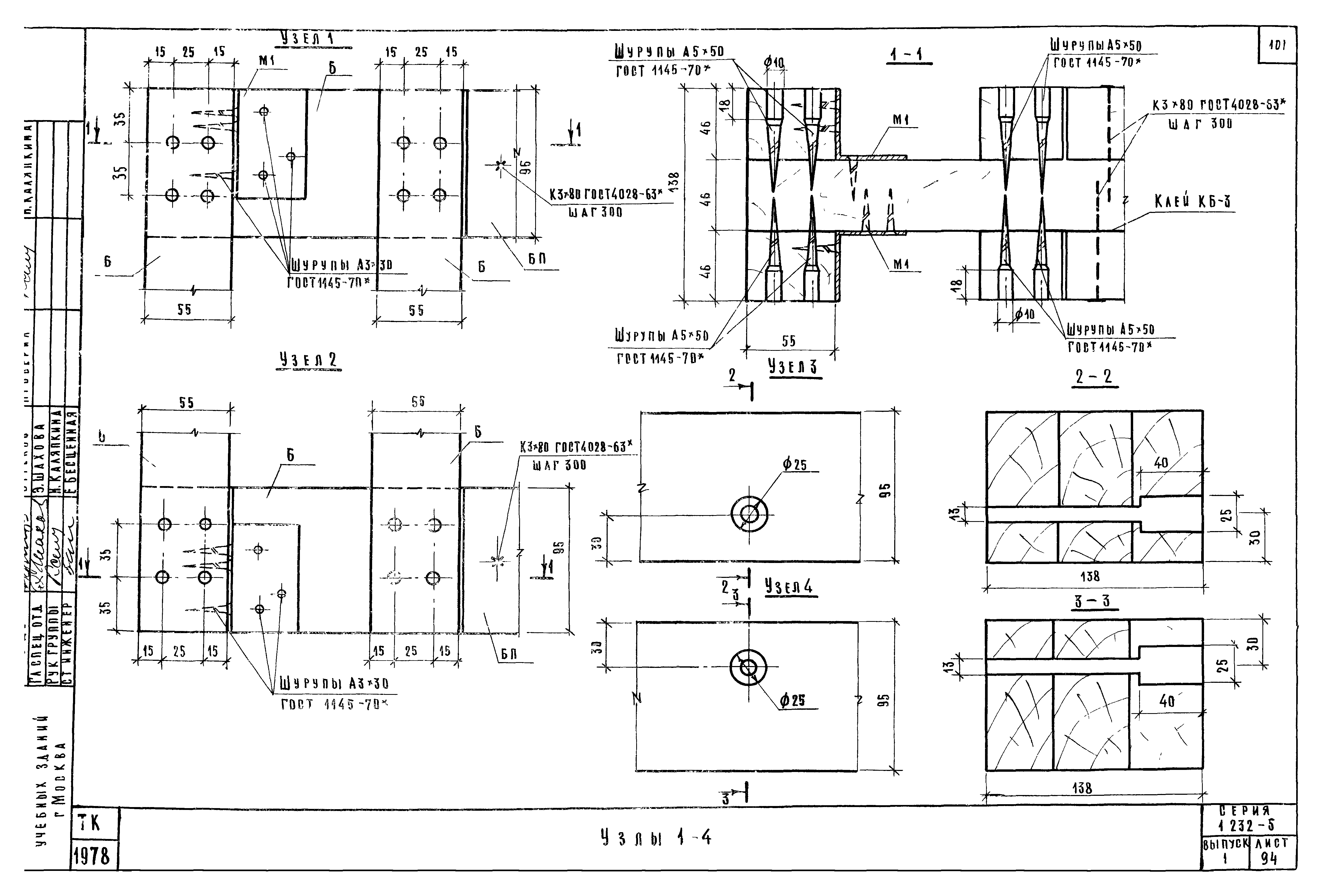
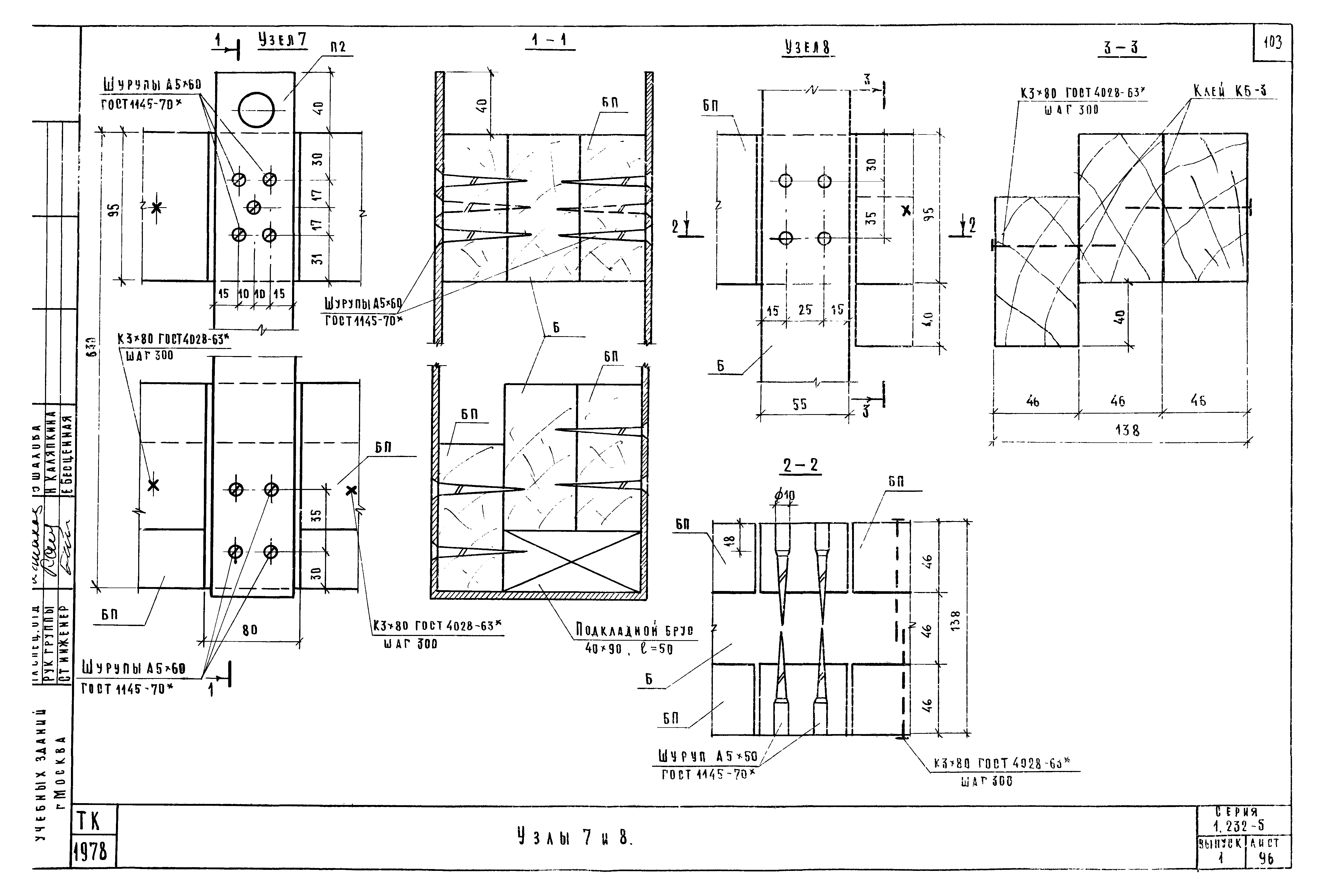
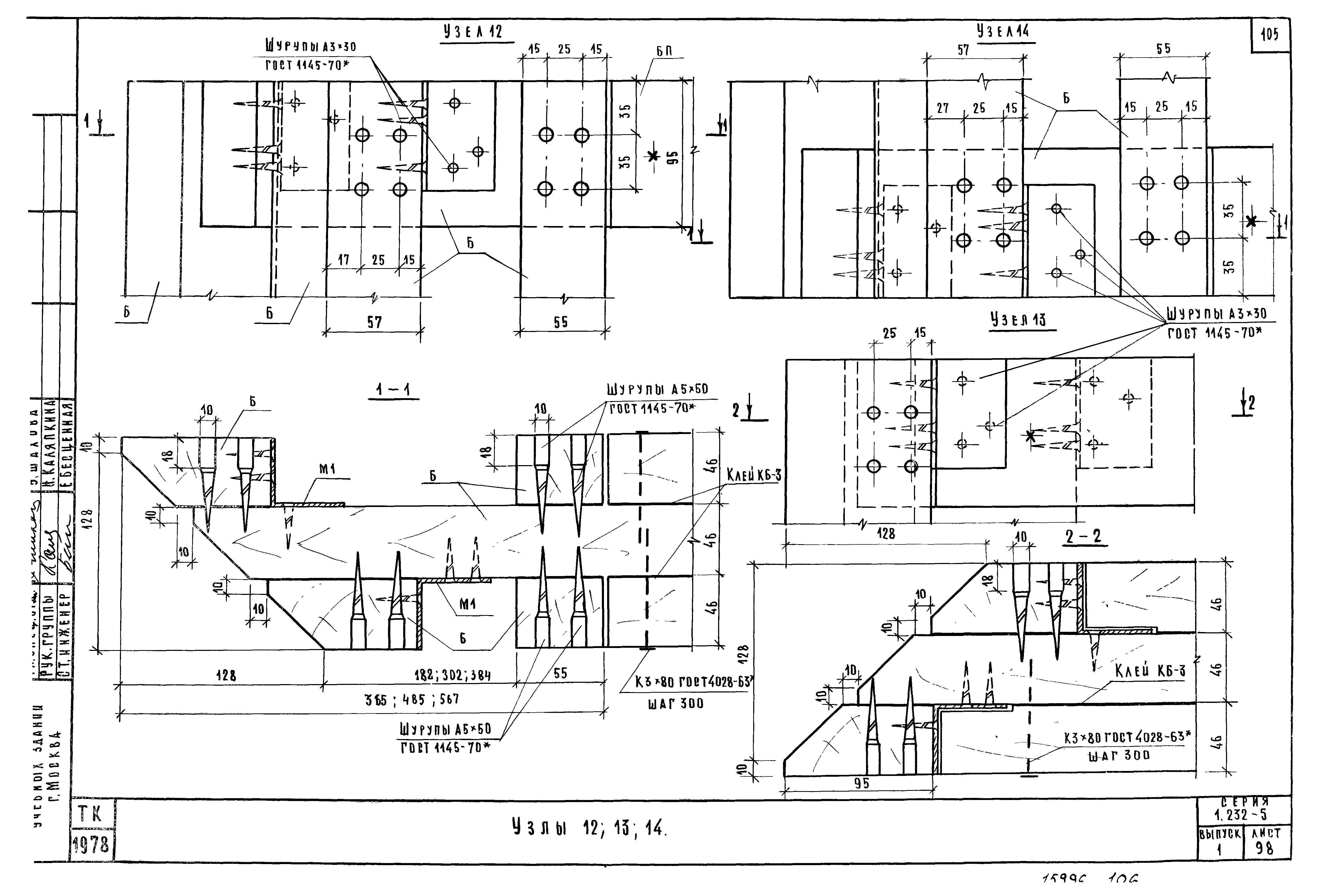
| Оглавление: | Содержание Пояснительная записка Номенклатура Панели Раскладка алюминиевых профилей на панели Пример расположения отверстий под шурупы в профиле Асбестоцементные листы Спецификация асбестоцементных листов Деревянные каркасы КД1 - КД35 Спецификация деревянных элементов каркаса Балки Узлы 1 - 16 Петли П1 и П2. Закладная деталь М1 Узлы 17 - 28 |
| Разработан: | ЦНИИЭП учебных зданий |
| Утверждён: | 12.01.1979 Государственный комитет по гражданскому строительству и архитектуре при Госстрое СССР (5) |
| Нормативные ссылки: |
|


















































































































