Скачать Рекомендации по проектированию антикоррозионной защиты строительных конструкций производственных зданий целлюлозно-бумажной промышленностиДата актуализации: 01.01.2021 |
| Статус: | справочные материалы, мп, тпр |
| Название рус.: | Рекомендации по проектированию антикоррозионной защиты строительных конструкций производственных зданий целлюлозно-бумажной промышленности |
| Дата добавления в базу: | 01.09.2013 |
| Дата актуализации: | 01.01.2021 |
| Область применения: | Рекомендации содержат основные положения по проектированию антикоррозионной защиты строительных конструкций производственных зданий целлюлозно—бумажной промышленности, эксплуатируемых при воздействии жидких, газовых и твердых агрессивных сред. Приведены характеристики агрессивных сред различных цехов целлюлозно—бумажного производства, основные требования к материалам и конструкциям. Изложены мероприятия по защите от коррозии железобетонных и металлических конструкций. Рекомендации предназначены для инженерно—технических работников проектных и строительно—монтажных организаций. |
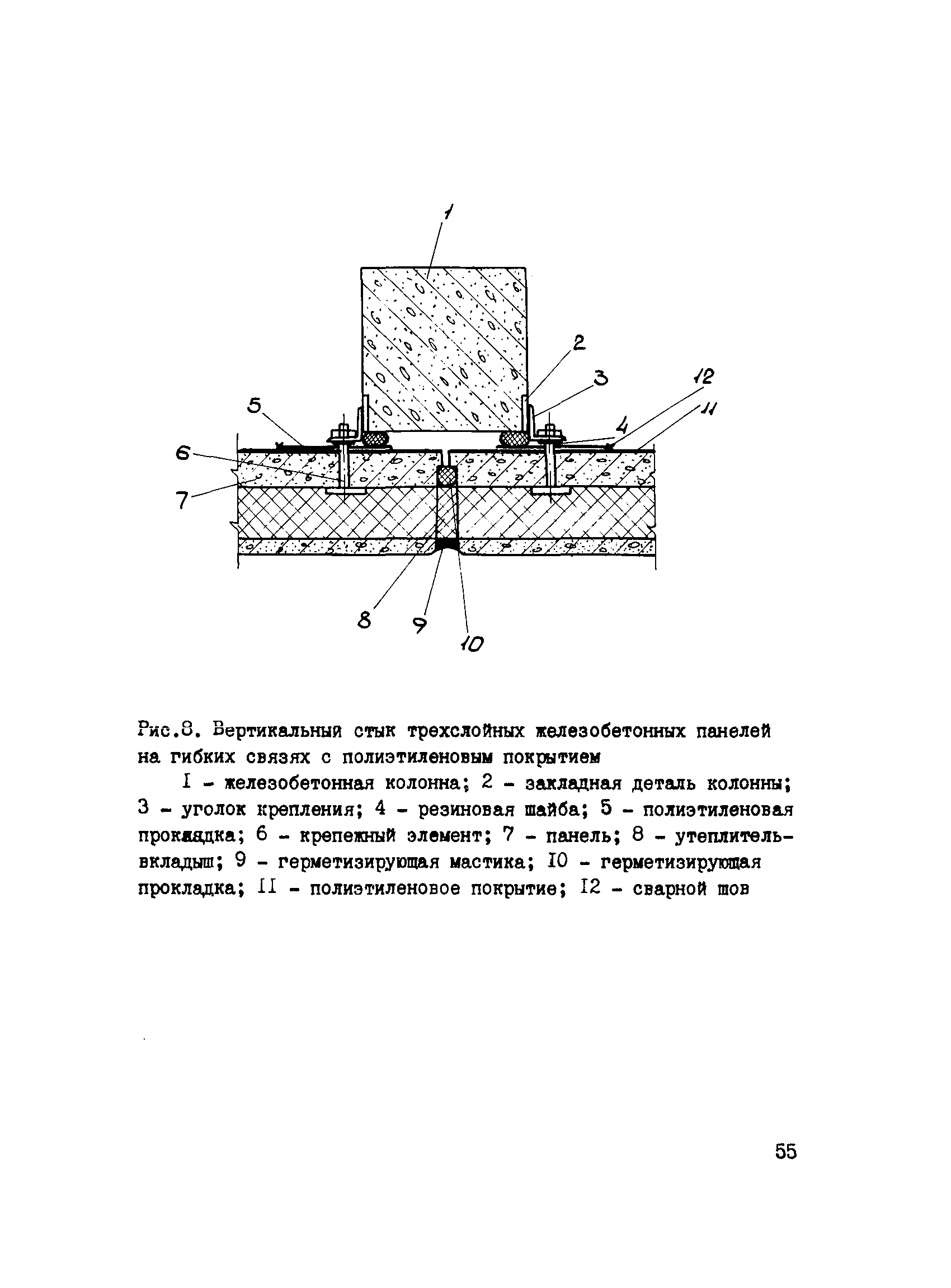
| Оглавление: | Предисловие 1. Основные положения 2. Общие требования к проектированию строительных конструкций зданий и сооружений, подвергающихся воздействию агрессивных сред 3. Железобетонные конструкции 4. Металлические конструкции 5. Стеновые ограждения 6. Кровли 7. Полы и каналы Приложение 1. Составы полимербетонов, антикоррозионных замазок и мастик Приложение 2. Защита от коррозии стыков и узлов сопряжения конструкций Приложение 3. Перечень нормативных документов на строительные и антикоррозионные материалы Приложение 4. Справка об использовании научно-технического достижения (НТД) по данным Рекомендациям |
| Разработан: | МИСИ им. В.В. Куйбышева Минвуза СССР НИИЖБ Госстроя СССР ЦНИИпромзданий Уральский ПромстройНИИпроект |
| Утверждён: | 11.07.1986 НИИЖБ Госстроя СССР (NIIZhB, USSR Gosstroy ) |
| Нормативные ссылки: |
|












































































