Скачать ГОСТ Р 54618-2011 Глобальная навигационная спутниковая система. Система экстренного реагирования при авариях. Методы испытаний автомобильной системы/устройства вызова экстренных оперативных служб на соответствие требованиям по электромагнитной совместимости, стойкости к климатическим и механическим воздействиям

Дата актуализации: 01.01.2021

ГОСТ Р 54618-2011

Глобальная навигационная спутниковая система. Система экстренного реагирования при авариях. Методы испытаний автомобильной системы/устройства вызова экстренных оперативных служб на соответствие требованиям по электромагнитной совместимости, стойкости к климатическим и механическим воздействиям

Обозначение: ГОСТ Р 54618-2011
Обозначение англ: GOST R 54618-2011
Статус:отменен
Название рус.:Глобальная навигационная спутниковая система. Система экстренного реагирования при авариях. Методы испытаний автомобильной системы/устройства вызова экстренных оперативных служб на соответствие требованиям по электромагнитной совместимости, стойкости к климатическим и механическим воздействиям
Название англ.:Global navigation satellite system. Road accident emergency response system. Compliance test methods of in-vehicle emergency call system/device for electromagnetic compatibility, environmental and mechanical resistance requirements
Дата добавления в базу:01.09.2013
Дата актуализации:01.01.2021
Дата введения:01.09.2012
Дата окончания срока действия:01.01.2020
Область применения:Стандарт распространяется на автомобильные системы/устройства вызова экстренных оперативных служб, функционирующие на основе применения глобальной навигационной спутниковой системы Российской Федерации (ГЛОНАСС) и являющиеся структурными элементами системы экстренного реагирования при авариях «ЭРА-ГЛОНАСС». Стандарт устанавливает методы испытаний автомобильных систем/устройств вызова экстренных оперативных служб на соответствие требованиям по электромагнитной совместимости, стойкости к климатическим и механическим воздействиям, установленным в ГОСТ Р 54620, для целей оценки (подтверждения) соответствия требованиям технического регламента ТР ТС 018/2011.
Оглавление:1 Область применения
2 Нормативные ссылки
3 Термины, определения, обозначения и сокращения
4 Общие положения
5 Методы испытаний автомобильной системы/устройства вызова экстренных оперативных служб на соответствие требованиям по электромагнитной совместимости
6 Методы испытаний автомобильной системы/устройства вызова экстренных оперативных служб на соответствие требованиям по стойкости к климатическим воздействиям
7 Методы испытаний автомобильной системы/устройства вызова экстренных оперативных служб на соответствие требованиям по стойкости к механическим воздействиям
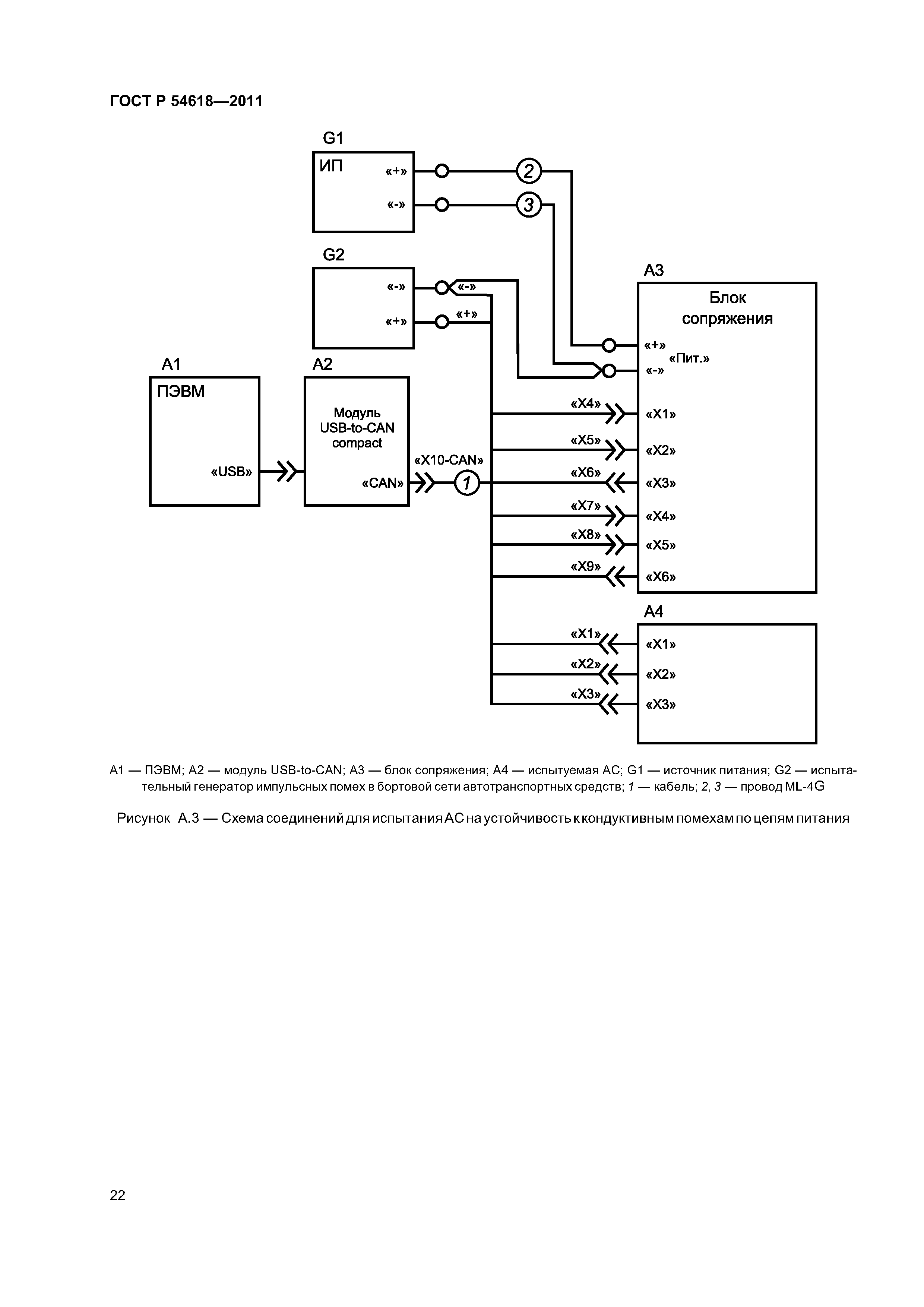
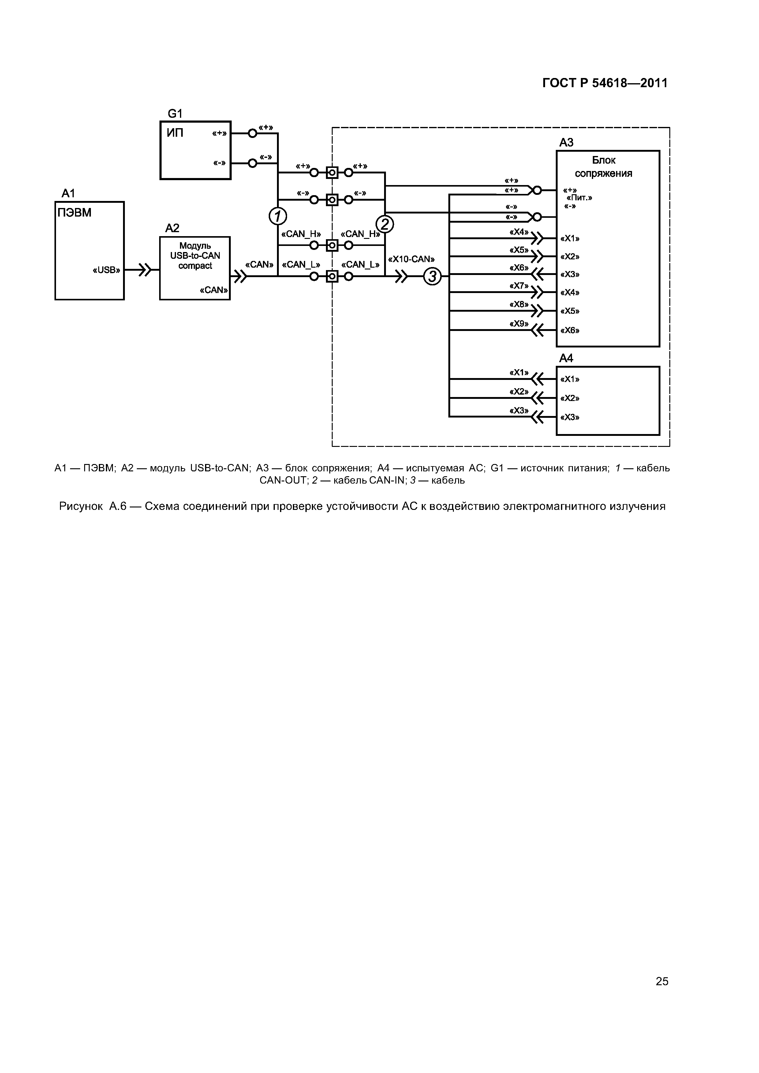
Приложение А (обязательное) Структурные схемы стендов и соединений для испытаний автомобильной системы/устройства вызова экстренных оперативных служб
Библиография
Разработан: ОАО НИС
Утверждён:08.12.2011 Федеральное агентство по техническому регулированию и метрологии (753-ст)
Издан: Стандартинформ (2012 г. )
Список изменений:
  • № 1 от 01.09.2014 (ИУС 8-2014, Изменено заглавие; Текстовое изменение; Изменены ссылочные НД)
Нормативные ссылки:
ГОСТ Р 54618-2011ГОСТ Р 54618-2011ГОСТ Р 54618-2011ГОСТ Р 54618-2011ГОСТ Р 54618-2011ГОСТ Р 54618-2011ГОСТ Р 54618-2011ГОСТ Р 54618-2011ГОСТ Р 54618-2011ГОСТ Р 54618-2011ГОСТ Р 54618-2011ГОСТ Р 54618-2011ГОСТ Р 54618-2011ГОСТ Р 54618-2011ГОСТ Р 54618-2011ГОСТ Р 54618-2011ГОСТ Р 54618-2011ГОСТ Р 54618-2011ГОСТ Р 54618-2011ГОСТ Р 54618-2011ГОСТ Р 54618-2011ГОСТ Р 54618-2011ГОСТ Р 54618-2011ГОСТ Р 54618-2011ГОСТ Р 54618-2011ГОСТ Р 54618-2011ГОСТ Р 54618-2011ГОСТ Р 54618-2011ГОСТ Р 54618-2011ГОСТ Р 54618-2011ГОСТ Р 54618-2011ГОСТ Р 54618-2011ГОСТ Р 54618-2011ГОСТ Р 54618-2011ГОСТ Р 54618-2011ГОСТ Р 54618-2011ГОСТ Р 54618-2011ГОСТ Р 54618-2011

Текстовое изменение № 1 от 01.09.2014

№ 1№ 1№ 1№ 1№ 1№ 1