Скачать ГОСТ 30324.2.29-2012 Изделия медицинские электрические. Часть 2-29. Частные требования безопасности к симуляторам (имитаторам) для лучевой терапииДата актуализации: 01.01.2021
|
| Обозначение: | ГОСТ 30324.2.29-2012 |
| Обозначение англ: | GOST 30324.2.29-2012 |
| Статус: | отменен в рф |
| Название рус.: | Изделия медицинские электрические. Часть 2-29. Частные требования безопасности к симуляторам (имитаторам) для лучевой терапии |
| Название англ.: | Medical electrical equipment. Part 2-29. Particular requirements for the safety of radiotherapy simulators (imitators) |
| Дата добавления в базу: | 01.10.2014 |
| Дата актуализации: | 01.01.2021 |
| Дата введения: | 01.01.2015 |
| Дата окончания срока действия: | 01.02.2015 |
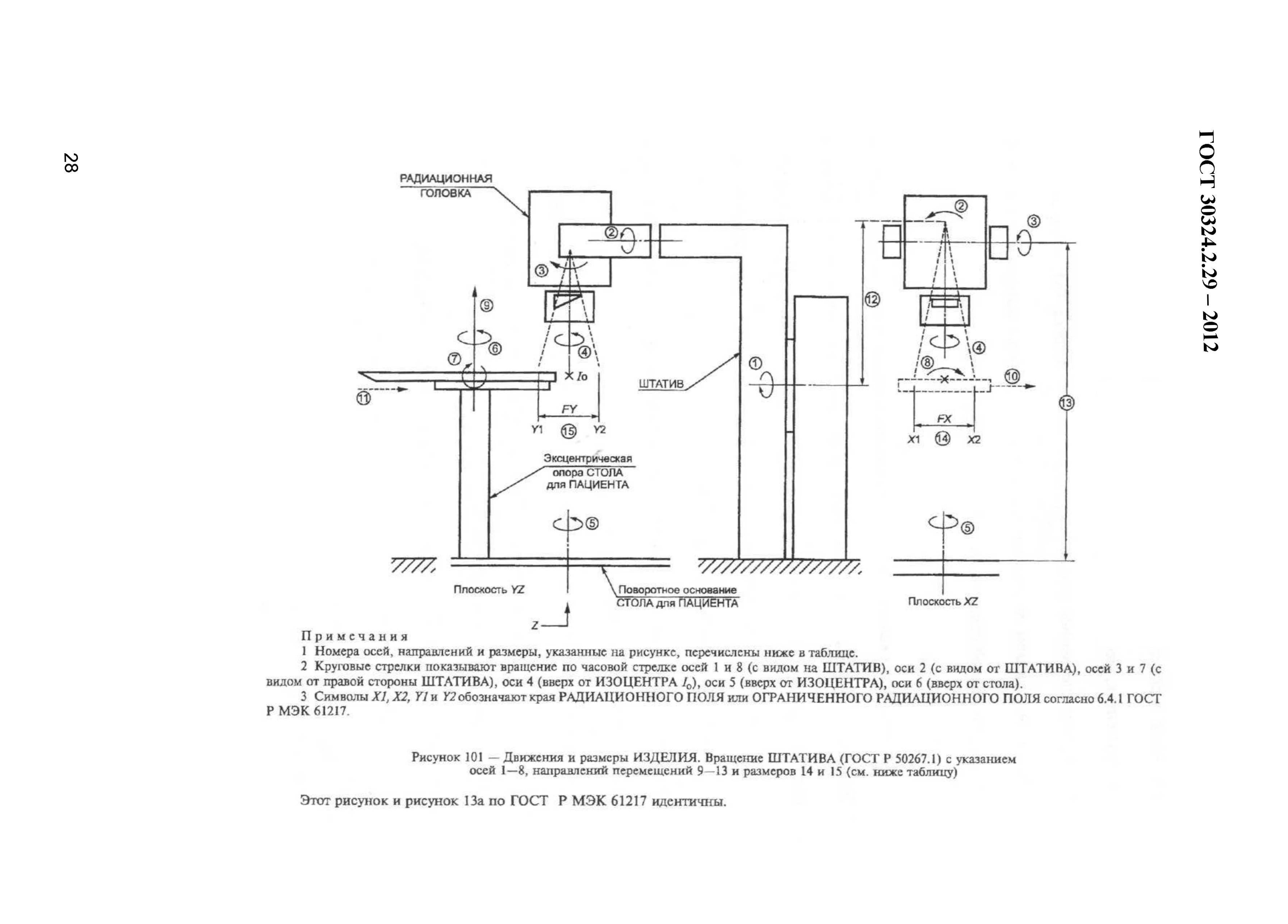
| Область применения: | Требования стандарта распространяются на симуляторы (имитаторы) для лучевой терапии, которые: - используют диагностический рентгеновский аппарат для физического моделирования терапевтического пучка излучения таким образом, чтобы при лучевой терапии можно было ограничить облученный объем и определить положение и размеры радиационного поля; - предназначены исключительно для моделирования процесса облучения, предшествующего терапевтическому лучевому воздействию, а не для другого применения, например для общей диагностики; - используются в условиях окружающей среды и электропитания, нормированных в технической документации; включают в себя следующие элементы: систему, производящую пучок рентгеновского излучения, который моделирует терапевтический пучок излучения; систему, обеспечивающую изображение испускаемого пучка рентгеновского излучения на рентгенографической пленке или посредством рентгеноскопии; устройство для регулирования размеров пучка излучения и маркирования участка, подлежащего облучению; механическое устройство для физического моделирования геометрии и движения аппарата для лучевой терапии и для поддержания системы визуализации; систему стола для пациента. |
| Оглавление: | Раздел первый. Общие положения 1 Область распространения и цель 2 Термины и определения 5 Классификация 6 Идентификация, маркировка и документация Раздел второй. Условия окружающей среды 10 Условия окружающей среды Раздел третий. Защита от опасностей поражения электрическим током 16 Корпуса и защитные крышки 18 Защитное заземление, рабочее заземление и выравнивание потенциалов 19 Длительные токи утечки и дополнительные токи в цепи пациента Раздел четвертый. Защита от механических опасностей 22 Движущиеся части 27 Пневматические и гидравлические системы 28 Подвешенные массы Раздел пятый. Защита от опасностей нежелательного или чрезмерного излучения 29 Рентгеновское излучение, создаваемое симуляторами 36 Электромагнитная совместимость Раздел шестой. Защита от опасностей воспламенения горючих смесей анестетиков Раздел девятый. Ненормальная работа и условия нарушения; испытания воздействие внешних факторов 52 Ненормальная работа и условия нарушения Приложение L (обязательное) Нормативные ссылки Приложение AА (обязательное) Алфавитный указатель терминов Приложение ВВ (справочное) Библиография |
| Разработан: | ФГУП ВНИИНМАШ |
| Утверждён: | 24.05.2012 Межгосударственный Совет по стандартизации, метрологии и сертификации (Inter-Governmental Council on Standardization, Metrology, and Certification 41-2012) 01.11.2012 Федеральное агентство по техническому регулированию и метрологии (663-ст) |
| Издан: | Стандартинформ (2013 г. ) |
| Нормативные ссылки: |
|










































