Скачать Ж3-139 Рекомендации по проектированию трубопроводов водоподготовительных установок. Сортаменты деталей трубопроводов. Конструирование и прокладка трубопроводов

Дата актуализации: 01.01.2021

Ж3-139

Рекомендации по проектированию трубопроводов водоподготовительных установок. Сортаменты деталей трубопроводов. Конструирование и прокладка трубопроводов

Обозначение: Ж3-139
Обозначение англ: Ж3-139
Статус:справочные материалы, мп, тпр
Название рус.:Рекомендации по проектированию трубопроводов водоподготовительных установок. Сортаменты деталей трубопроводов. Конструирование и прокладка трубопроводов
Дата добавления в базу:01.10.2014
Дата актуализации:01.01.2021
Область применения:В Рекомендациях приведены указания по выбору материалов и сортаментов деталей трубопроводов и арматуры водоподготовительных установок в зависимости от свойств транспортируемой среды и климатических условий. Изложены правила конструирования трубопроводов и прокладки их в разных условиях.
Оглавление:1. Детали трубопроводов. Материалы и сортаменты
   1.1. Фасонные части
   1.2. Фланцы
   1.3. Прокладки уплотнительные
   1.4. Крепежные изделия
2. Арматура
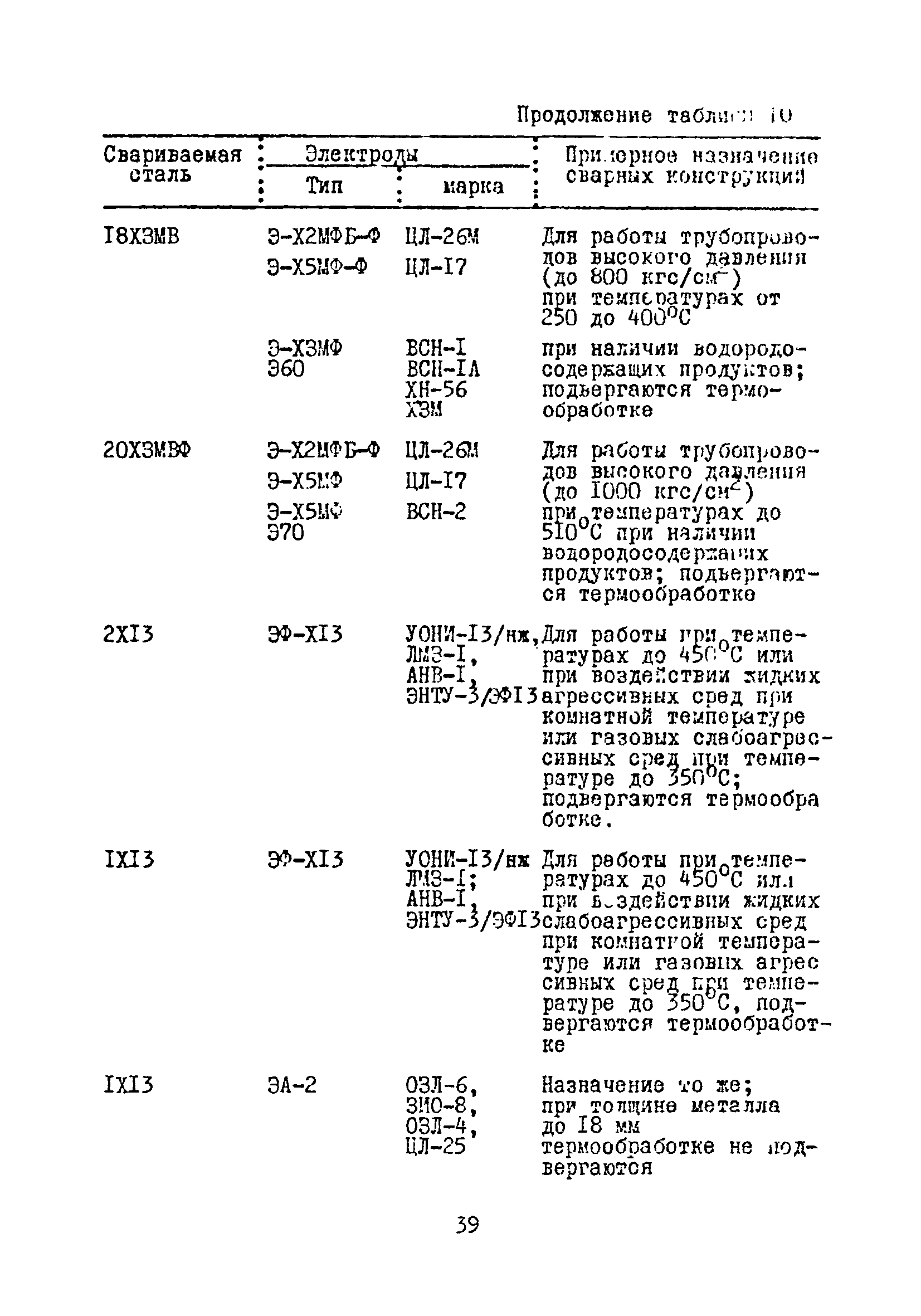
3. Электроды
4. Конструирование трубопроводов
5. Прокладка трубопроводов
Разработан: ГПИ Сантехпроект Госстроя СССР
Утверждён: ГПИ Сантехпроект
Нормативные ссылки:
Ж3-139Ж3-139Ж3-139Ж3-139Ж3-139Ж3-139Ж3-139Ж3-139Ж3-139Ж3-139Ж3-139Ж3-139Ж3-139Ж3-139Ж3-139Ж3-139Ж3-139Ж3-139Ж3-139Ж3-139Ж3-139Ж3-139Ж3-139Ж3-139Ж3-139Ж3-139Ж3-139Ж3-139Ж3-139Ж3-139Ж3-139Ж3-139Ж3-139Ж3-139Ж3-139Ж3-139Ж3-139Ж3-139Ж3-139Ж3-139Ж3-139Ж3-139Ж3-139Ж3-139Ж3-139Ж3-139Ж3-139Ж3-139Ж3-139Ж3-139Ж3-139Ж3-139Ж3-139Ж3-139Ж3-139Ж3-139Ж3-139Ж3-139Ж3-139Ж3-139Ж3-139Ж3-139Ж3-139Ж3-139Ж3-139Ж3-139Ж3-139Ж3-139