Скачать Технологическая карта К-1-26-2 Сооружение фундаментов опор ВЛ из четырех фундаментов типа ФМТС-II-2, ФМТС-II-4, ФМТС-II-4тДата актуализации: 01.01.2021
|
| Обозначение: | Технологическая карта К-1-26-2 |
| Обозначение англ: | К-1-26-2 |
| Статус: | не установлен срок действия |
| Название рус.: | Сооружение фундаментов опор ВЛ из четырех фундаментов типа ФМТС-II-2, ФМТС-II-4, ФМТС-II-4т |
| Дата добавления в базу: | 01.10.2014 |
| Дата актуализации: | 01.01.2021 |
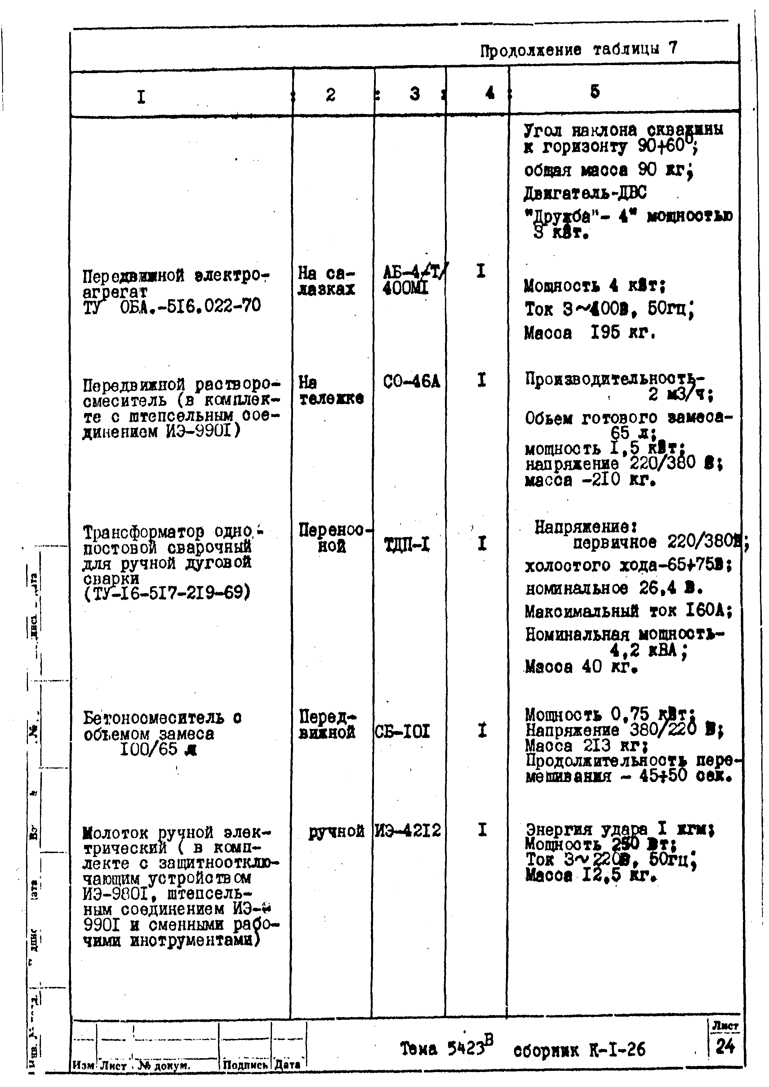
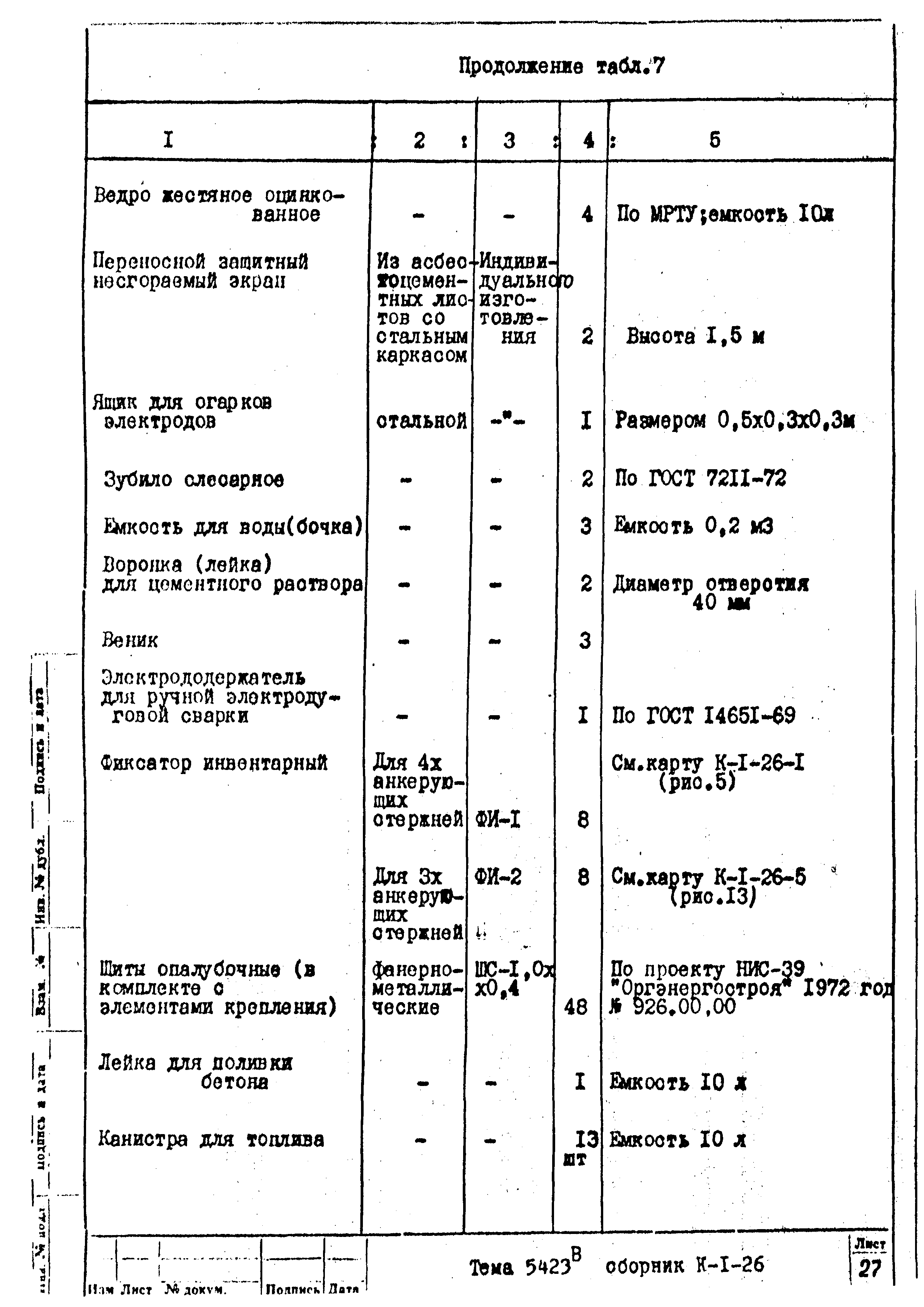
| Область применения: | Технологическая карта служит руководством для сооружения фундаментов опор ВЛ 35 - 500 кВ из четырех фундаментных блоков типа ФМТС-II-2. ФМТС-II-4, ФМТС-II-4т в трещиноватых скальных грунтах. в горных условиях. |
| Оглавление: | Общая часть 1 Область применения 2 Организация и технология строительного процесса 3 Технико-экономические показатели 4 Материально-технические ресурсы Приложение 1. Форма сдаточной документации (образец) |
| Разработан: | Институт Оргэнергострой Одесский филиал |
| Утверждён: | Институт Оргэнергострой Одесский филиал |
| Нормативные ссылки: |
|














































