Скачать ГОСТ 32109-2013 Шум машин. Приемочные испытания зубчатых редукторов на шумДата актуализации: 01.01.2021
|
| Обозначение: | ГОСТ 32109-2013 |
| Обозначение англ: | GOST 32109-2013 |
| Статус: | введен впервые |
| Название рус.: | Шум машин. Приемочные испытания зубчатых редукторов на шум |
| Название англ.: | Noise of machines. Acceptance test code for gear units for airborne sound |
| Дата добавления в базу: | 01.10.2014 |
| Дата актуализации: | 01.01.2021 |
| Дата введения: | 01.09.2014 |
| Область применения: | Стандарт устанавливает методы определения шума зубчатых редукторов и мотор-редукторов. Допускается измерения шума техническим (степень точности 2) и ориентировочным (степень точности 3) методами. Стандарт распространяется на редукторы и мотор-редукторы общемашиностроительного применения с цилиндрическими, коническими и червячными передачами. |
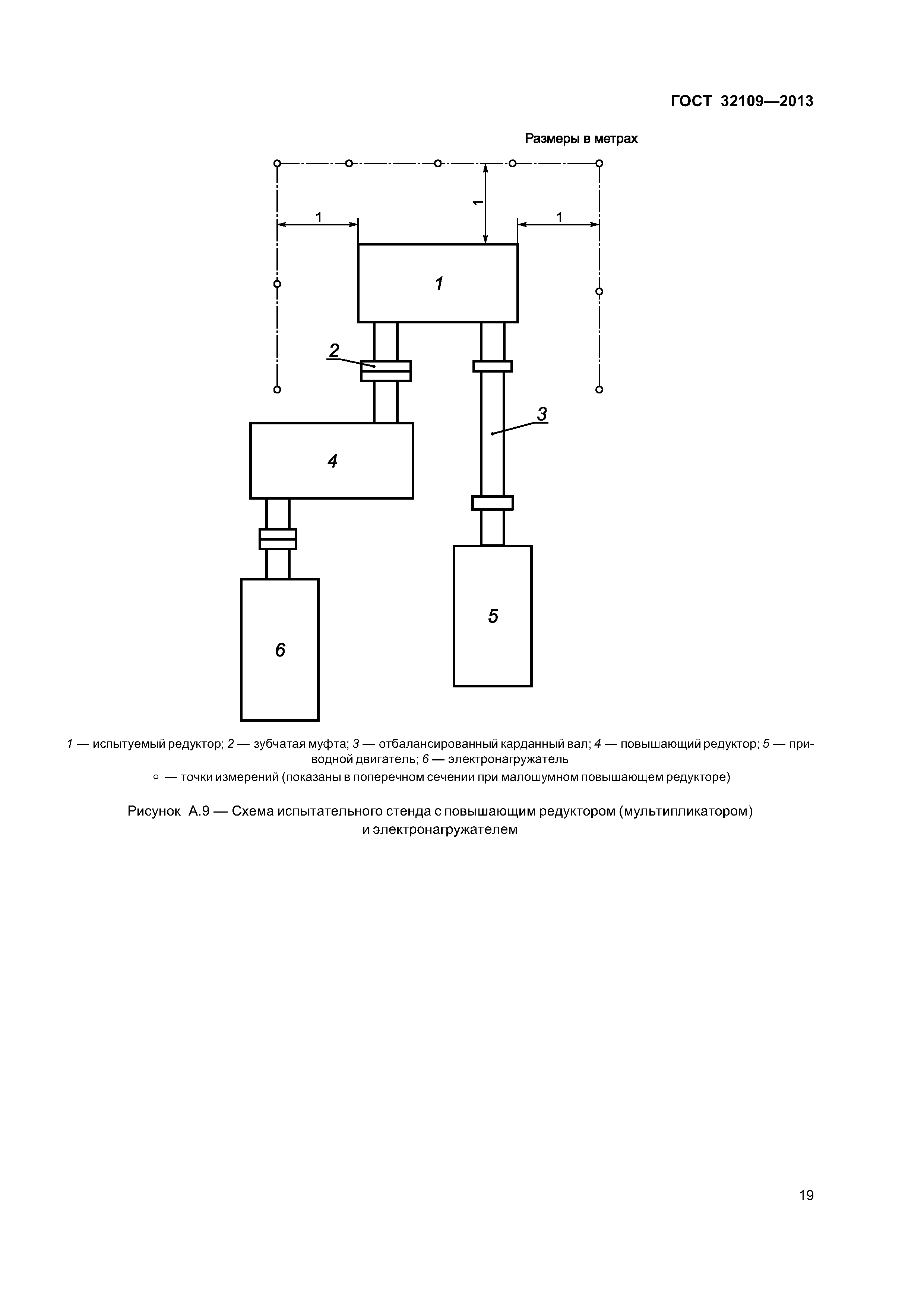
| Оглавление: | 1 Область применения 2 Нормативные ссылки 3 Термины и определения 4 Типы редукторов и акустические условия 5 Определение уровня звуковой мощности 6 Определение уровня звука излучения 7 Установка и монтаж 8 Режим работы 9 Регистрируемая информация 10 Протокол испытаний 11 Заявление и подтверждение значений шумовых характеристик Приложение А (рекомендуемое) Примеры размещения микрофонов на измерительной поверхности для редукторов различных типов и размеров Приложение В (рекомендуемое) Типичные уровни шума редукторов различных типов и размеров (корректированный по А уровень звуковой мощности и уровень звука излучения) Приложение С (справочное) Сведения о методах определения уровней звуковой мощности на основе ГОСТ 31275 и ГОСТ 31277 Приложение ДА (справочное) Перечень технических отклонений настоящего стандарта от примененного в нем международного стандарта ИСО 8579-1:2002 Библиография |
| Разработан: | АНО НИЦ КД |
| Утверждён: | 25.03.2013 Межгосударственный Совет по стандартизации, метрологии и сертификации (Inter-Governmental Council on Standardization, Metrology, and Certification 55-П) 22.11.2013 Федеральное агентство по техническому регулированию и метрологии (1639-ст) |
| Издан: | Стандартинформ (2014 г. ) |
| Нормативные ссылки: |
|













































