Скачать ГОСТ Р 55951-2014 Древесина модифицированная. Метод определения износостойкости и коэффициента тренияДата актуализации: 01.01.2021
|
| Обозначение: | ГОСТ Р 55951-2014 |
| Обозначение англ: | GOST R 55951-2014 |
| Статус: | введен впервые |
| Название рус.: | Древесина модифицированная. Метод определения износостойкости и коэффициента трения |
| Название англ.: | Modified wood. Method for determining the wear resistance and friction coefficient |
| Дата добавления в базу: | 01.10.2014 |
| Дата актуализации: | 01.01.2021 |
| Дата введения: | 01.01.2015 |
| Область применения: | Стандарт распространяется на методы определения износа и коэффициента трения модифицированной древесины и устанавливает требования к аппаратуре, материалам, подготовки к испытаниям, проведению испытаний, обработке результатов |
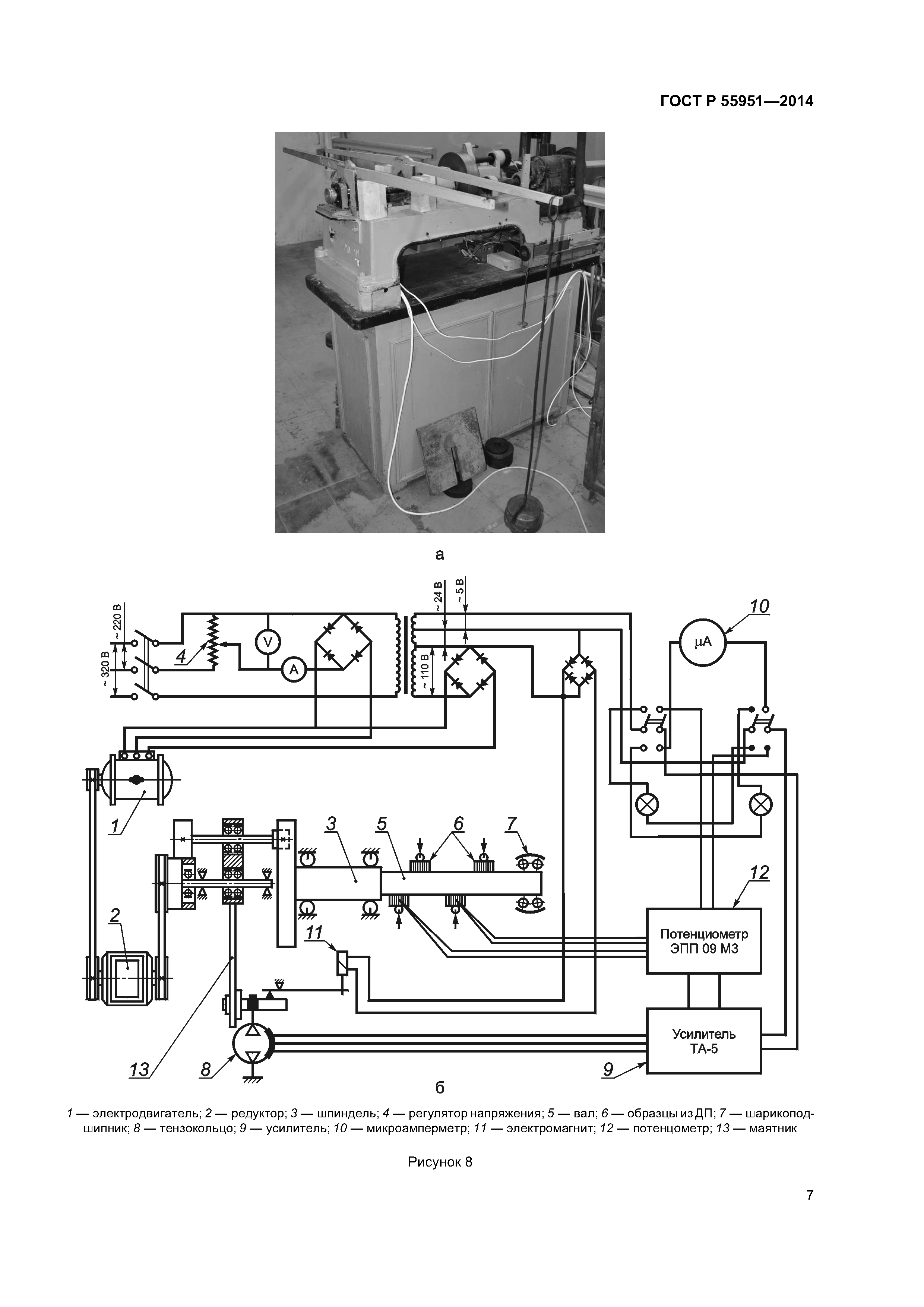
| Оглавление: | 1 Область применения 2 Нормативные ссылки 3 Обозначения и сокращения 4 Древесина модифицированная. Метод определения износостойкости 4.1 Аппаратура и материалы 4.2 Подготовка к испытаниям 4.3 Проведение испытаний 4.4 Обработка результатов 5 Древесина модифицированная. Метод определения коэффициента трения 5.1 Аппаратура и материалы 5.2 Подготовка к испытаниям 5.3 Проведение испытаний 5.4 Обработка результатов Приложение А (рекомендуемое) Протокол измерения износа Приложение Б (рекомендуемое) Протокол измерения коэффициента трения |
| Разработан: | ФГБОУ ВПО Воронежская государственная лесотехническая академия |
| Утверждён: | 26.02.2014 Федеральное агентство по техническому регулированию и метрологии (46-ст) |
| Издан: | Стандартинформ (2014 г. ) |
| Нормативные ссылки: |
|














