Скачать ГОСТ Р 56738-2015 Трансформаторы силовые и реакторы. Требования и методы испытаний электрической прочности изоляцииДата актуализации: 01.01.2021
|
| Обозначение: | ГОСТ Р 56738-2015 |
| Обозначение англ: | GOST R 56738-2015 |
| Статус: | введен впервые |
| Название рус.: | Трансформаторы силовые и реакторы. Требования и методы испытаний электрической прочности изоляции |
| Название англ.: | Power transformers and reactors. Requirements and methods for dielectric tests |
| Дата добавления в базу: | 01.02.2017 |
| Дата актуализации: | 01.01.2021 |
| Дата введения: | 01.08.2016 |
| Область применения: | Стандарт распространяется на силовые трансформаторы (автотрансформаторы), линейные регулировочные трансформаторы, шунтирующие, токоограничивающие и дугогасящие реакторы климатических исполнений У, УХЛ, ХЛ, Т и ТС, категорий размещения 1, 2, 3 и 4 по ГОСТ 15150, предназначенные для работы в установках трехфазного переменного тока частотой 50 Гц классов напряжения от 3 кВ и выше и разработанные после 1 января 2016 г. |
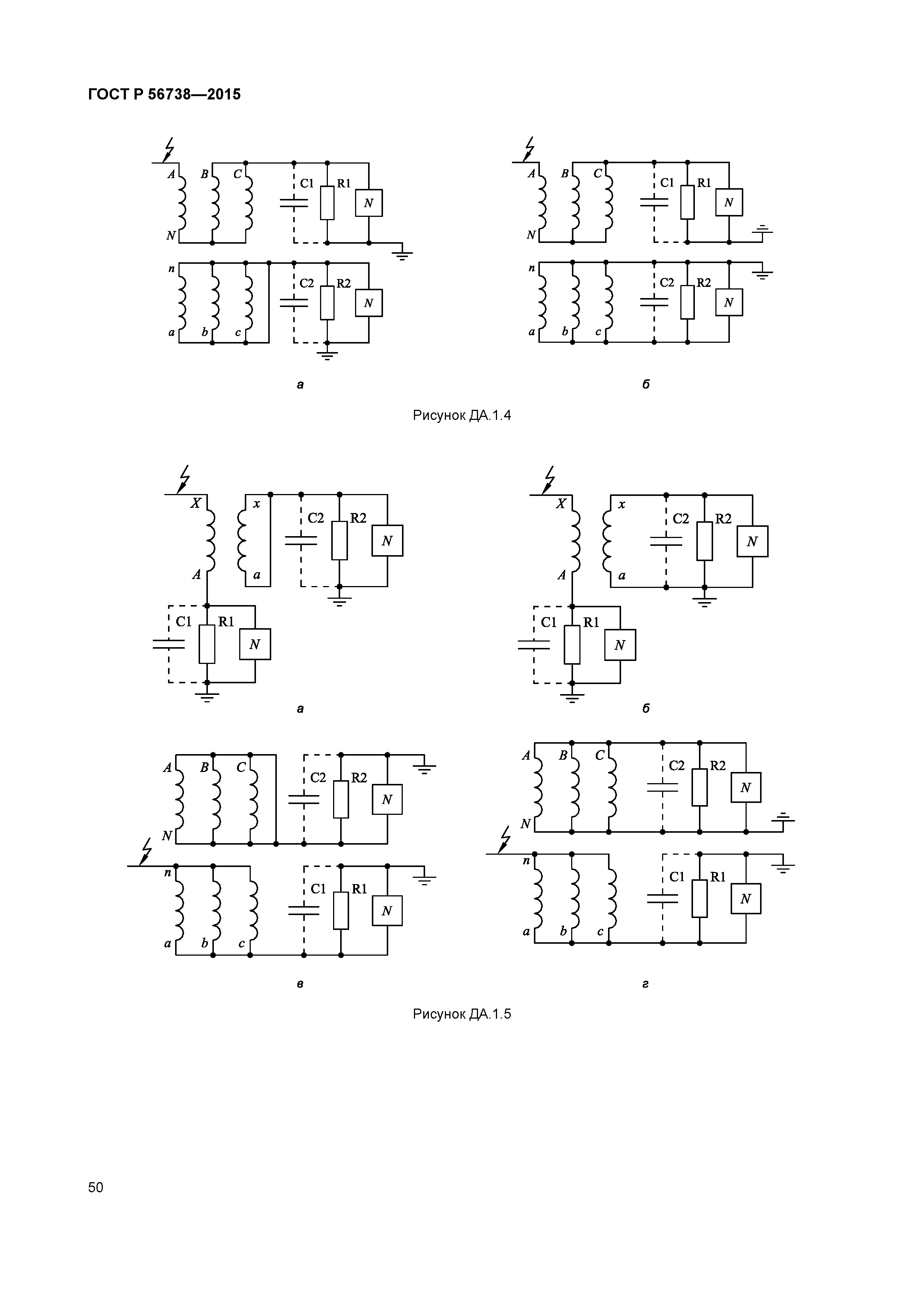
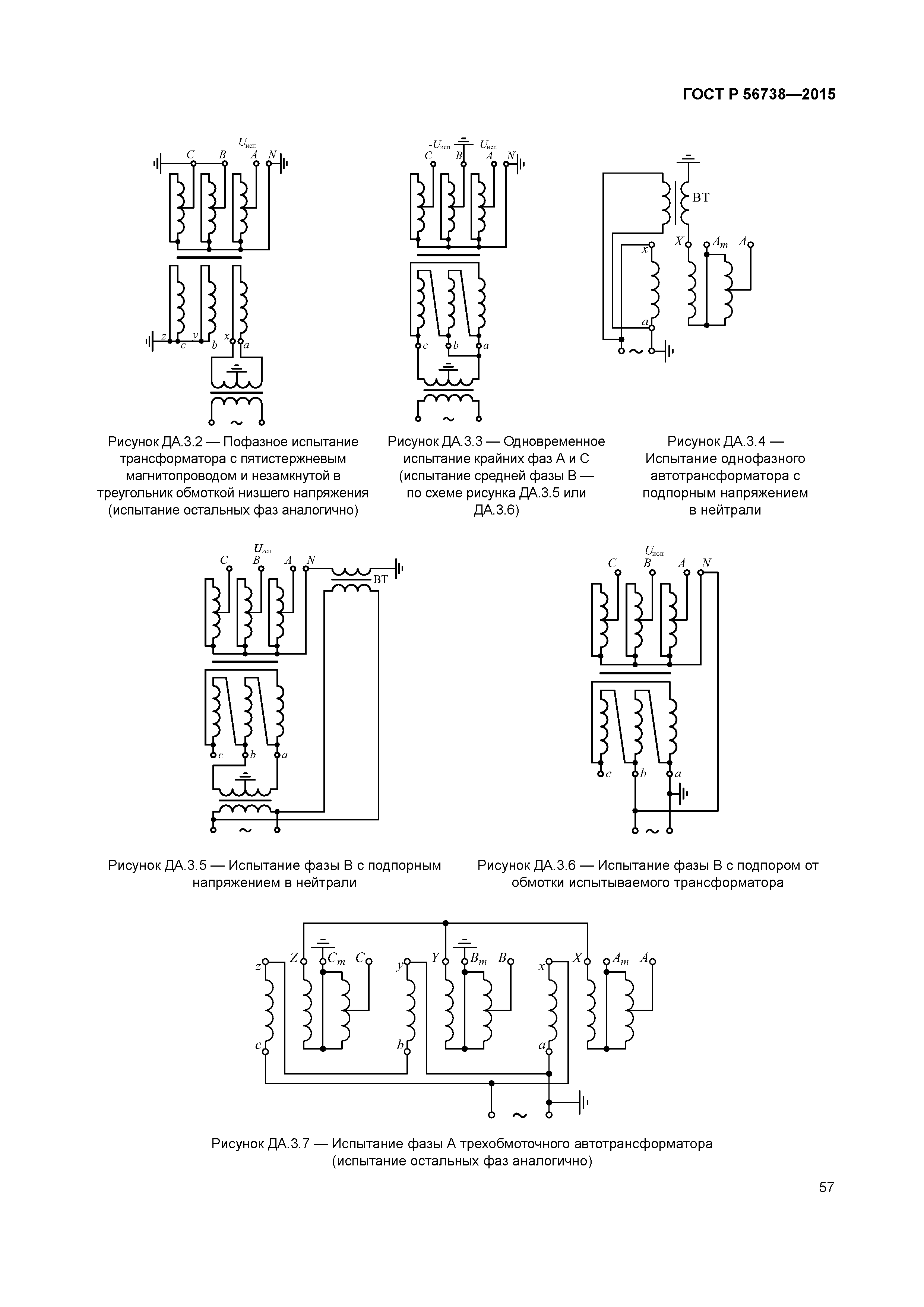
| Оглавление: | 1 Область применения 2 Нормативные ссылки 3 Термины и определения 4 Общие положения 5 Наибольшее рабочее напряжение и уровни изоляции 6 Трансформаторы с пересоединяемыми обмотками 7 Испытания электрической прочности изоляции 7.1 Общие сведения 7.2 Требования к испытаниям электрической прочности изоляции 7.3 Требования к испытаниям отдельных трансформаторов и реакторов 7.4 Испытательные напряжения вывода нейтрали обмотки 8 Испытание электрической прочности изоляции трансформаторов, бывших в эксплуатации 9 Испытание изоляции цепей управления и вспомогательных цепей (ИВЦ) 10 Испытание приложенным кратковременным переменным напряжением (ПКПН) 11 Испытания индуктированным кратковременным и длительным переменным напряжением (ИКПН и ДПН) 11.1 Общие указания 11.2 Испытание индуктированным кратковременным переменным напряжением (ИКПН) 11.3 Испытание длительным переменным напряжением с измерением интенсивности частичных разрядов (ДПН) 12 Испытание линейного вывода кратковременным переменным напряжением (ЛКПН) 13 Испытание напряжениями грозовых импульсов (ПГИ, СГИ, ГИВН, ГИМВ) 13.1 Требования к испытаниям напряжениями грозовых импульсов 13.2 Испытание напряжением полного грозового импульса (ПГИ) 13.3 Испытание напряжением срезанного грозового импульса (СГИ) 13.4 Испытание напряжением грозового импульса вывода нейтрали (ГИВН) 14 Испытание напряжением коммутационного импульса (КИ) 14.1 Общие требования 14.2 Схемы испытаний 14.3 Параметры импульса 14.4 Последовательность испытания 14.5 Критерии успешности испытания 15 Действия в случае неуспешных испытаний 16 Внешние воздушные промежутки 16.1 Общие требования 16.2 Размеры воздушных промежутков Приложение А (справочное) Руководство по измерению интенсивности частичных разрядов в трансформаторах Приложение Б (справочное) Перенапряжения, наведенные на обмотке низшего напряжения с обмотки высшего напряжения Приложение В (справочное) Информация об изоляции трансформатора и испытаниях ее электрической прочности, которую следует предоставлять при запросе и заказе Приложение Г (справочное) Выбор уровня изоляции нейтрали Приложение Д (справочное) Базовые принципы для установления испытаний электрической прочности изоляции, уровней изоляции и внешних воздушных промежутков Приложение ДА (рекомендуемое) Рекомендации по проведению испытаний Приложение ДБ (справочное) Оригинальный текст положений МЭК 60076-3:2013, которые применены в настоящем стандарте с изменением их содержания для учета технических особенностей объекта стандартизации, принятых в Российской Федерации Приложение ДВ (справочное) Сведения о соответствии ссылочных межгосударственных и национальных стандартов международным стандартам, использованным в качестве ссылочных в примененном международном стандарте Библиография |
| Разработан: | ФГУП ВЭИ ООО Ц СВЭП |
| Утверждён: | 20.11.2015 Федеральное агентство по техническому регулированию и метрологии (1905-ст) |
| Издан: | Стандартинформ (2016 г. ) |
| Нормативные ссылки: |
|



















































































