Скачать ГОСТ 33998-2016 Приборы газовые бытовые для приготовления пищи. Общие технические требования, методы испытаний и рациональное использование энергииДата актуализации: 01.01.2021
|
| Обозначение: | ГОСТ 33998-2016 |
| Обозначение англ: | GOST 33998-2016 |
| Статус: | введен впервые |
| Название рус.: | Приборы газовые бытовые для приготовления пищи. Общие технические требования, методы испытаний и рациональное использование энергии |
| Название англ.: | Domestic gas cooking appliances. General technical requirements, test methods and rational use of energy |
| Дата добавления в базу: | 01.01.2018 |
| Дата актуализации: | 01.01.2021 |
| Дата введения: | 01.07.2018 |
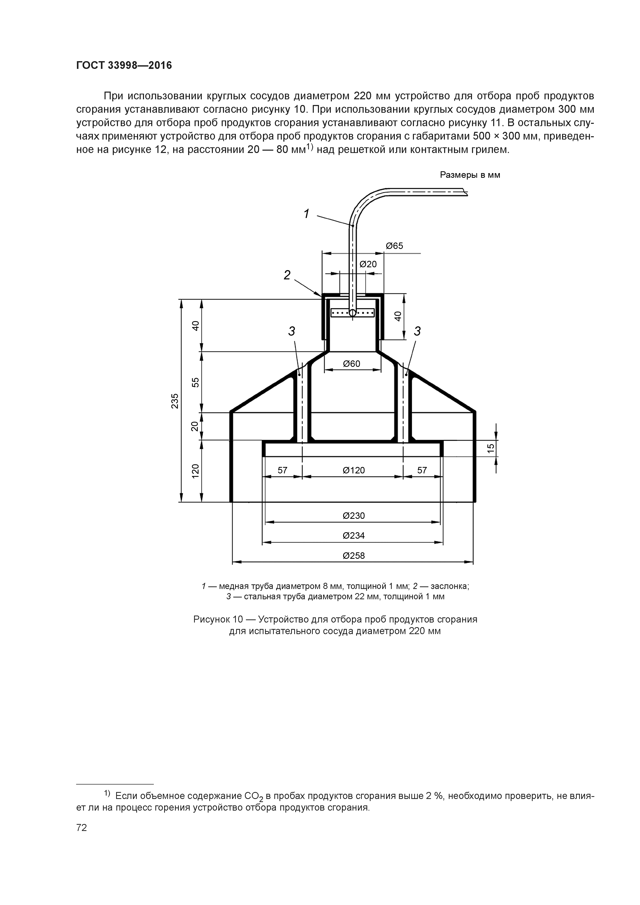
| Область применения: | Стандарт устанавливает требования к конструкции, безопасности, экономному использованию энергии, требования по эксплуатации, методы испытаний, а также классификацию и требования к маркировке отдельно стоящих и встроенных газовых бытовых приборов для приготовления пищи (далее по тексту «Приборы») с классификацией газов согласно 4.1, категорий приборов – согласно 4.2. Стандарт распространяется на следующие типы бытовых приборов для приготовления пищи, согласно определениям в разделе 3 и классификации приборов согласно 4.3: - отдельно стоящая варочная панель; - встроенная варочная панель; - варочная панель с излучающим грилем; - настольная плита; - отдельно стоящая духовка; - встроенная духовка; - отдельно стоящий гриль; - встроенный гриль; - контактный гриль; - отдельно стоящая плита; - встроенная плита. Если далее не делается исключение, настоящий стандарт распространяется на приборы или компоненты приборов независимо от того, применяются они самостоятельно или в комбинации друг с другом, а также если другие нагревательные элементы этой комбинации приводятся в действие с помощью электрической энергии (например комбинированная газоэлектрическая плита). Стандарт содержит требования к электрической безопасности элементов, встроенных в прибор, работающий на газе. Однако стандарт не содержит требований по электробезопасности электрических нагревательных элементов и связанных с ними деталей. Стандарт не распространяется на: a) приборы, эксплуатирующиеся на открытом воздухе; b) приборы с предусмотренным подсоединением к каналу для отвода продуктов сгорания; c) приборы с пиролитической газовой духовкой; d) приборы с закрытыми горелками, которые не соответствуют требованиям к конструкции в 5.2.8.2.2; e) приборы с устройством контроля пламени, и автоматическим устройством зажигания, время зажигания которого ограничено конструкцией; f) приборы с горелками, цикл включения/выключения которых управляется автоматическим выключателем; g) приборы, газовая духовка и/или излучающий гриль которых оснащены вентилятором для: 1) подачи воздуха для горения или отвода продуктов сгорания; или 2) для циркуляции продуктов сгорания внутри духовки; h) приборы, работающие при давлении газа, превышающем значения, указанные в 7.1.2; i) приборы с одной или несколькими горелками с дистанционным управлением (типа 1 или типа 2) за исключением горелок с термореле в духовках с программным выключателем, рассчитанных на запуск с задержкой без присутствия оператора; j) приборы с одним или несколькими горелками варочной панели или излучающего гриля, которые позволяют программировать цикл приготовления пищи, включая начало и/или окончание цикла. Стандарт не содержит требований к баллонам для сжиженных газов третьего семейства и регуляторам давления для них. Стандарт распространяется исключительно на испытания типовых образцов приборов. |
| Оглавление: | 1 Область применения 2 Нормативные ссылки 3 Термины и определения 3.1 Общие термины и определения 3.2 Термины и определения для приборов 3.3 Термины и определения для газов и давления 3.4 Термины и определения отдельных элементов прибора 3.5 Термины и определения режимов работы 4 Классификация 4.1 Классификация газов 4.2 Категории приборов 4.3 Классификация приборов 5 Требования к конструкции 5.1 Общие положения 5.2 Специальные требования 5.3 Дополнительные требования для приборов с одной или несколькими горелками с дистанционным управлением 6 Эксплуатационные требования 6.1 Общие положения 6.2 Специальные требования к варочным панелям 6.3 Специальные требования к духовкам и излучающим грилям 7 Методика испытаний 7.1 Общие положения 7.2 Контроль требований к конструкции 7.3 Контроль требований к режиму работы 8 Маркировка и инструкции 8.1 Маркировка прибора (включая все средства дистанционного управления типа 2) 8.2 Маркировка на упаковке 8.3 Инструкции 9 Требования к эффективному использованию энергии 9.1 Коэффициент полезного действия 9.2 Потребление энергии духовкой 10 Методы испытаний по эффективному использованию энергии 10.1 Общие положения 10.2 Энергоэффективность 10.3 Потребление энергии духовкой Приложение А (справочное) Национальные особенности Приложение В (справочное) Расширение области применения прибора Приложение С (обязательное) Сосуды для испытаний Приложение D (обязательное) Щуп для измерения температуры поверхностей Приложение Е (обязательное) Нанесение символов на прибор и упаковку Приложение F (обязательное) Предупреждающий знак "Не закрывать крышку при работающих горелках" Приложение G (обязательное) Требования к разрушению при испытаниях закаленного натриевоизвесткового стекла Приложение H (справочное) Примеры многокольцевых горелок варочной панели, их устройства управления или регулировки Приложение ДА (справочное) Взаимосвязь между настоящим стандартом и требованиями Технического регламента Таможенного союза "О безопасности аппаратов, работающих на газообразном топливе" (ТР ТС 016/2011) Приложение ДБ (справочное) Сведения о соответствии ссылочных межгосударственных стандартов международным стандартам, использованным в качестве ссылочных в примененных европейских стандартах Библиография |
| Разработан: | ФГУП ВНИИНМАШ |
| Утверждён: | 22.11.2016 Межгосударственный Совет по стандартизации, метрологии и сертификации (Inter-Governmental Council on Standardization, Metrology, and Certification 93-П) 08.06.2017 Федеральное агентство по техническому регулированию и метрологии (525-ст) |
| Издан: | Стандартинформ (2017 г. ) |
| Нормативные ссылки: |
|





























































































































