Скачать ВНМД 36-78/Стройизыскания Рекомендации по поиску и оконтурированию подземных горных выработок геофизическими методамиДата актуализации: 01.01.2021
|
| Обозначение: | ВНМД 36-78/Стройизыскания |
| Обозначение англ: | 36-78/Стройизыскания |
| Статус: | справочные материалы, мп, тпр |
| Название рус.: | Рекомендации по поиску и оконтурированию подземных горных выработок геофизическими методами |
| Дата добавления в базу: | 01.01.2019 |
| Дата актуализации: | 01.01.2021 |
| Область применения: | Рекомендации следует использовать при поисках и оконтурировании подземных горных выработок горизонтального типа, расположенных в необводненных породах на глубине до 30 м. Также методика может применяться при поисках неглубоко залегающих карстовых полостей |
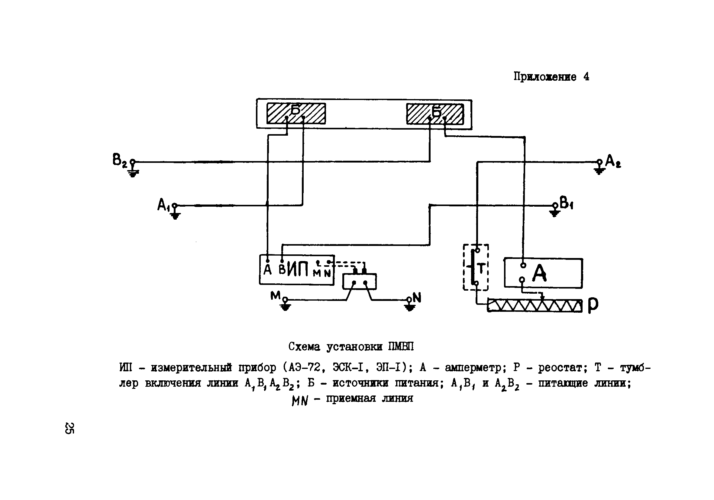
| Оглавление: | Введение 1. Общие положения 2. Методика и техника проведения полевых геофизических работ 3. Обработка и контроль полевых наблюдений Литература Приложение 1. Форма записи электроразведочных наблюдений по схеме "вычитания полей" Приложение 2. Форма записи эманационных наблюдений Приложение 3. Техническая характеристика эманометра типа "Радон" Приложение 4. Схема установки ПМВП Приложение 5. Общий вид эманометра "Радон" Приложение 6. Градуировка эманометра Приложение 7. Схемы градуировки эманометра Приложение 8. Форма геофизических аномалий над горными выработками |
| Разработан: | ЦТИСИЗ |
| Утверждён: | Госстрой РСФСР (Russian Federation Gosstroy ) |
| Нормативные ссылки: |
































