Скачать ТУ 9462-001-53908805-2006 Ампулы стеклянные шприцевого наполнения для лекарственных средств

Дата актуализации: 01.01.2021

ТУ 9462-001-53908805-2006

Ампулы стеклянные шприцевого наполнения для лекарственных средств

Обозначение: ТУ 9462-001-53908805-2006
Обозначение англ: TU 9462-001-53908805-2006
Статус:введен впервые
Название рус.:Ампулы стеклянные шприцевого наполнения для лекарственных средств
Дата добавления в базу:01.02.2020
Дата актуализации:01.01.2021
Дата введения:01.06.2006
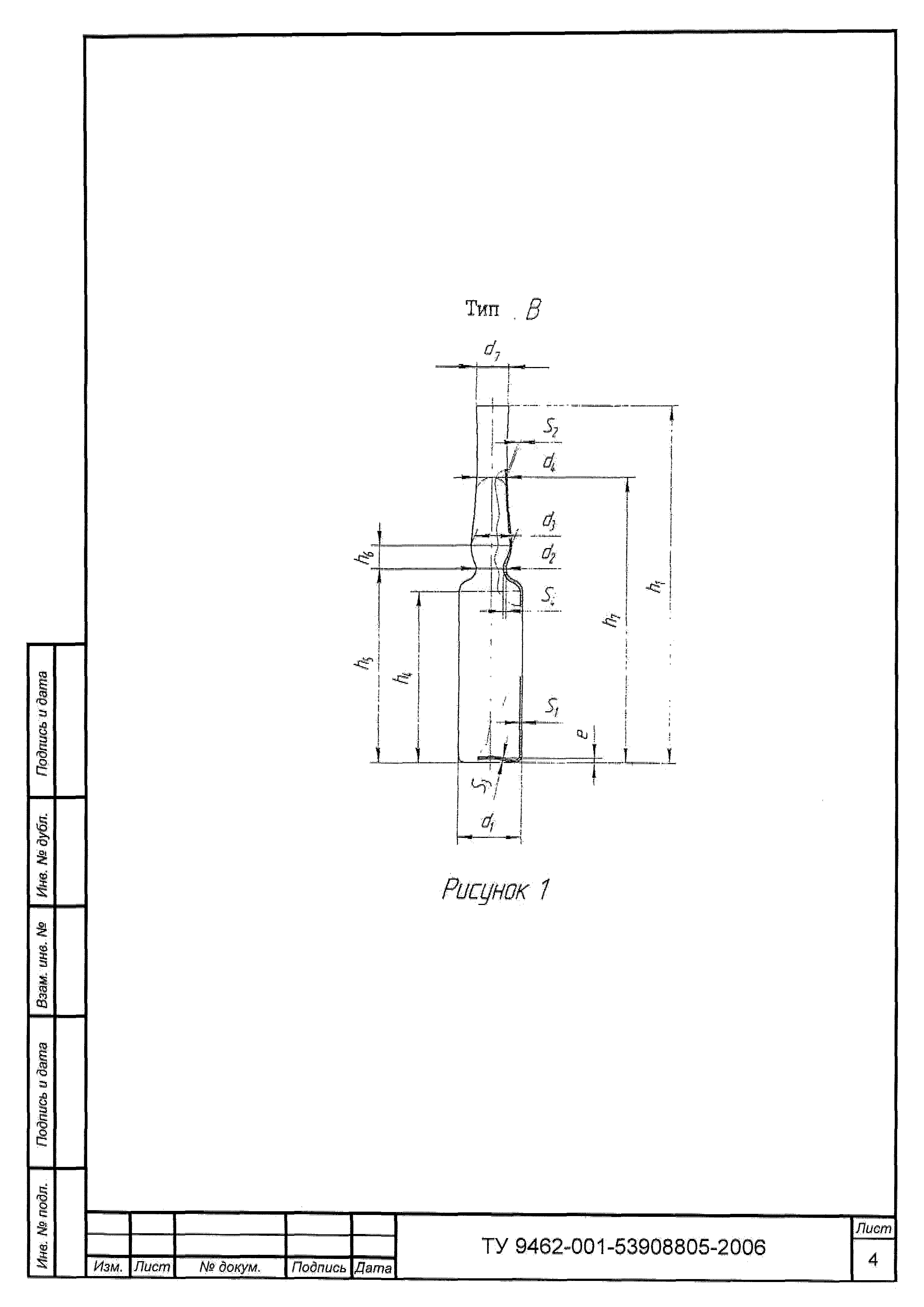
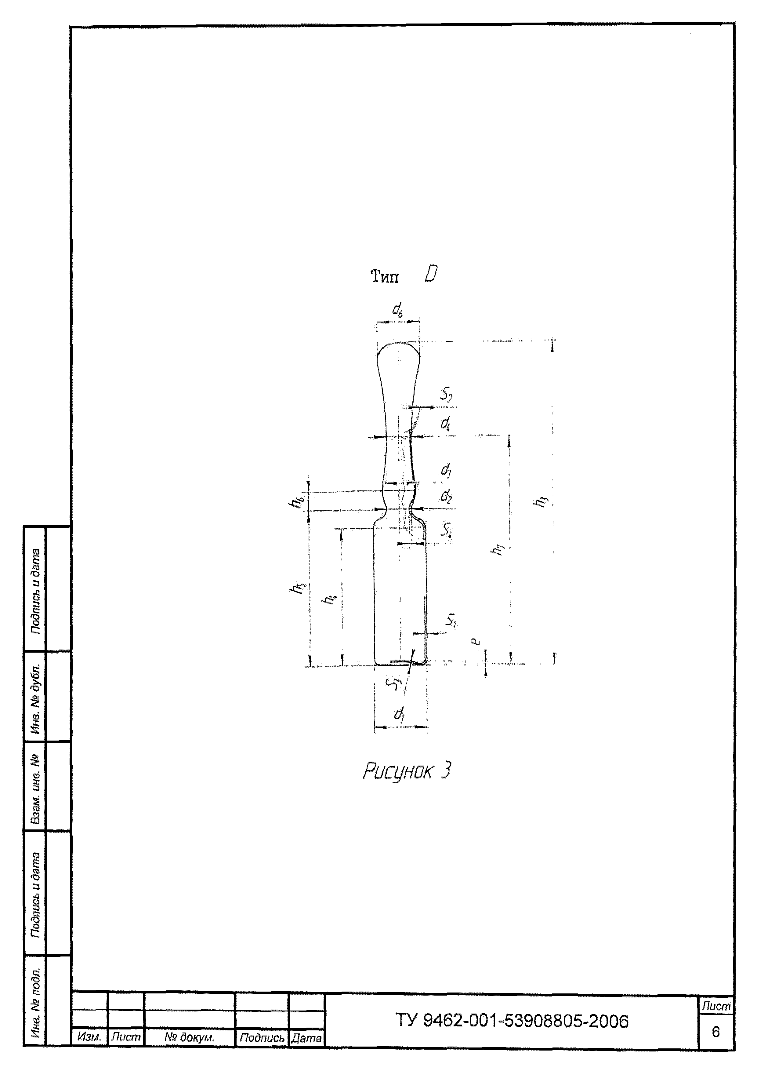
Область применения:Технические условия распространяются на ампулы стеклянные шприцевого наполнения для лекарственных средств вместимостью 1, 2, 3, 5, 10, 20 мл предназначенные для фасовки, транспортирования и хранения лекарственных средств.
Оглавление:1 Технические требования
2 Правила приемки
3 Методы испытаний
4 Транспортирование и хранение
5 Гарантии изготовителя
6 Указания по применению
Приложение А. Перечень нормативных документов, на которые даны ссылки в технических условиях
Приложение Б. Перечень оборудования, необходимого для проведения испытаний
Утверждён:02.05.2006 ООО Клин-Фармаглас
Принят:12.05.2006 ОАО Биохимик
Нормативные ссылки:
ТУ 9462-001-53908805-2006ТУ 9462-001-53908805-2006ТУ 9462-001-53908805-2006ТУ 9462-001-53908805-2006ТУ 9462-001-53908805-2006ТУ 9462-001-53908805-2006ТУ 9462-001-53908805-2006ТУ 9462-001-53908805-2006ТУ 9462-001-53908805-2006ТУ 9462-001-53908805-2006ТУ 9462-001-53908805-2006ТУ 9462-001-53908805-2006ТУ 9462-001-53908805-2006ТУ 9462-001-53908805-2006ТУ 9462-001-53908805-2006ТУ 9462-001-53908805-2006ТУ 9462-001-53908805-2006ТУ 9462-001-53908805-2006ТУ 9462-001-53908805-2006ТУ 9462-001-53908805-2006ТУ 9462-001-53908805-2006ТУ 9462-001-53908805-2006ТУ 9462-001-53908805-2006ТУ 9462-001-53908805-2006ТУ 9462-001-53908805-2006ТУ 9462-001-53908805-2006