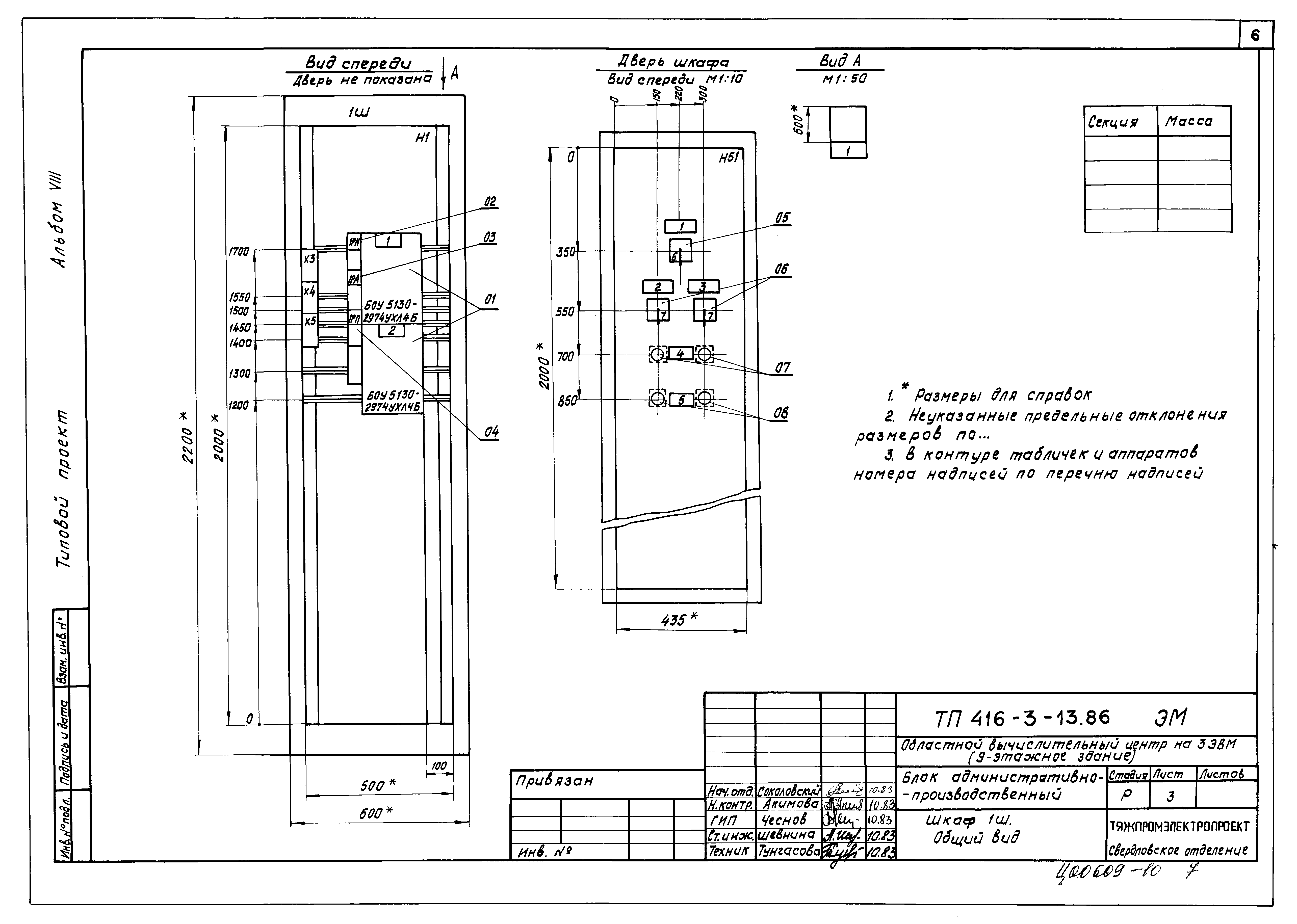
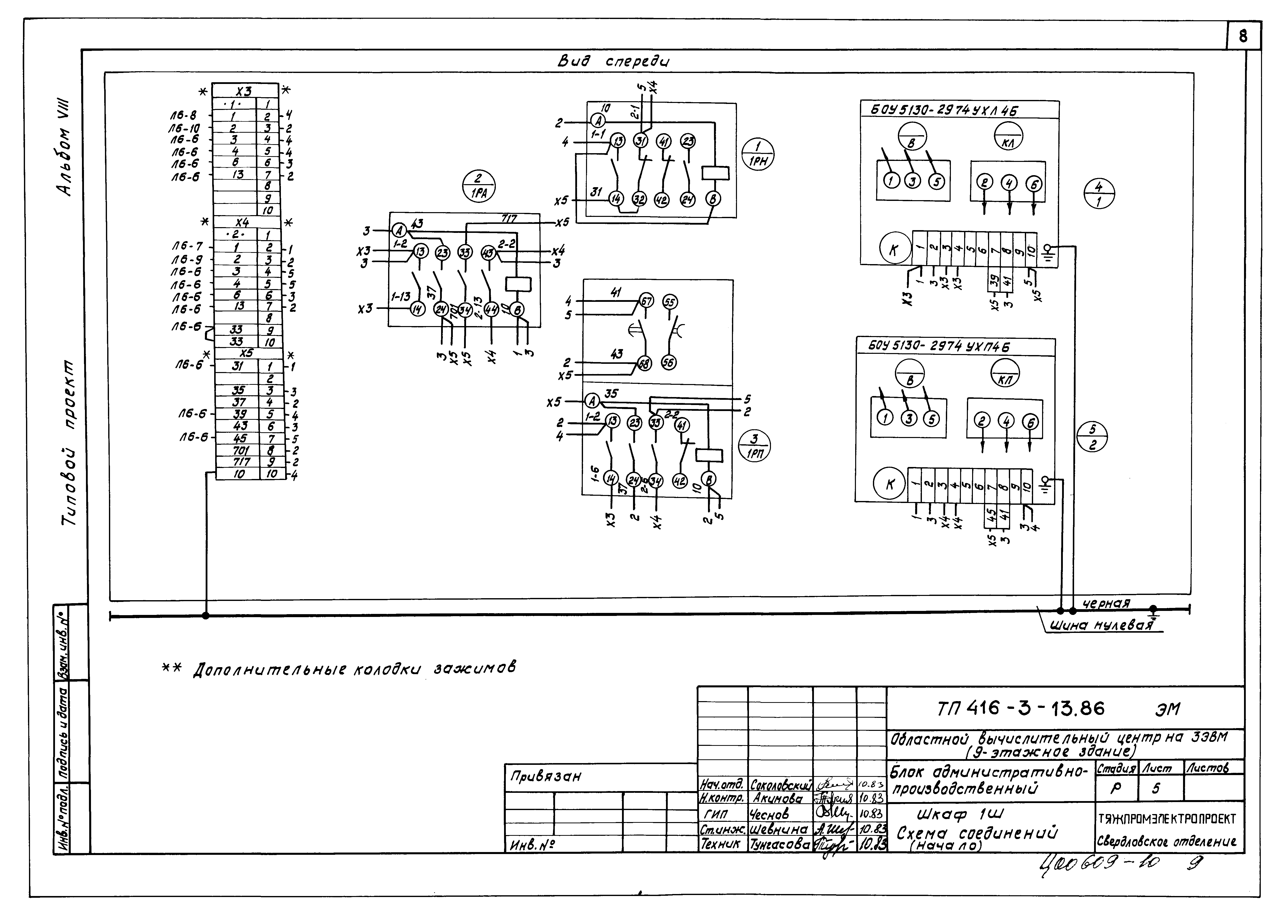
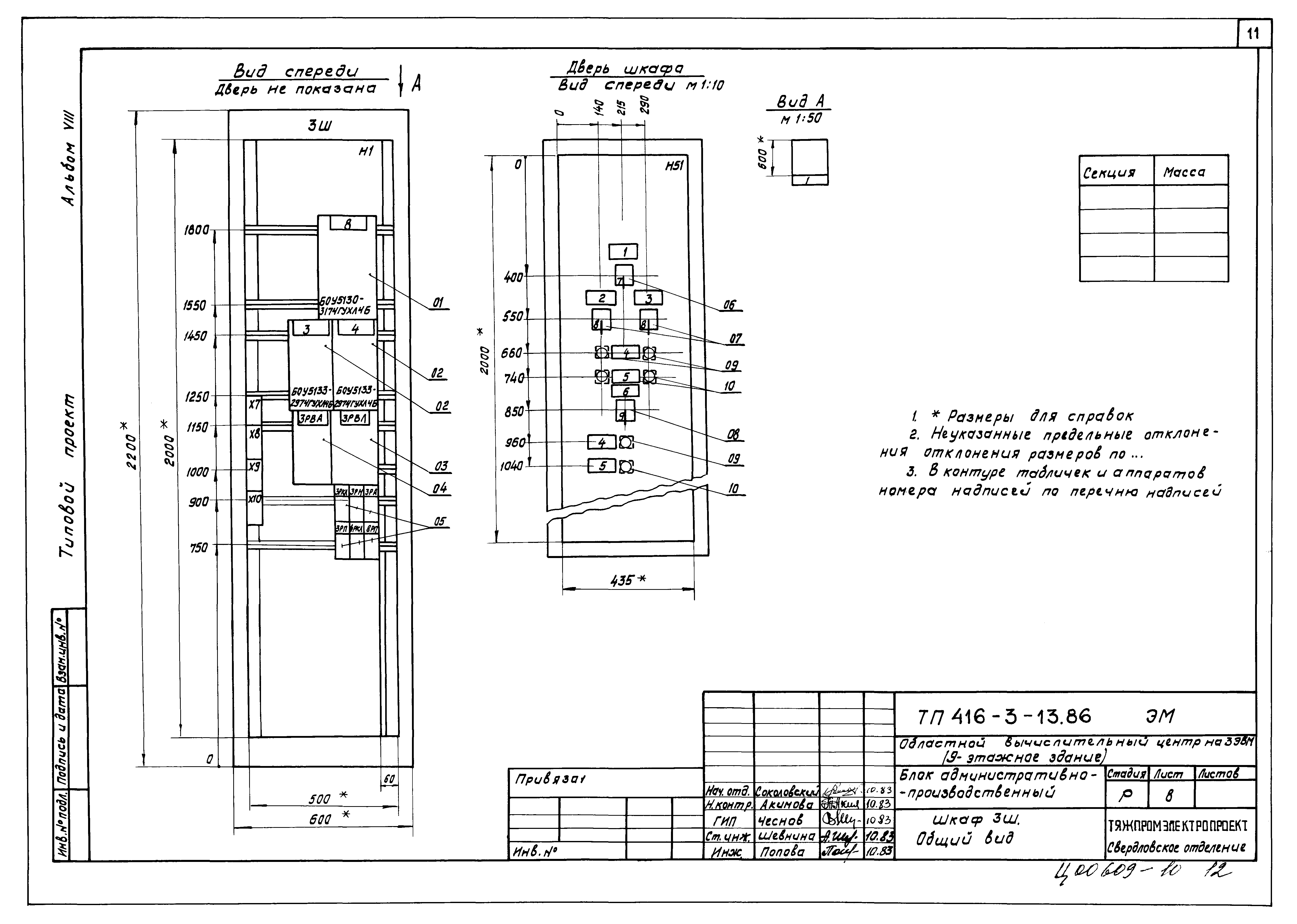
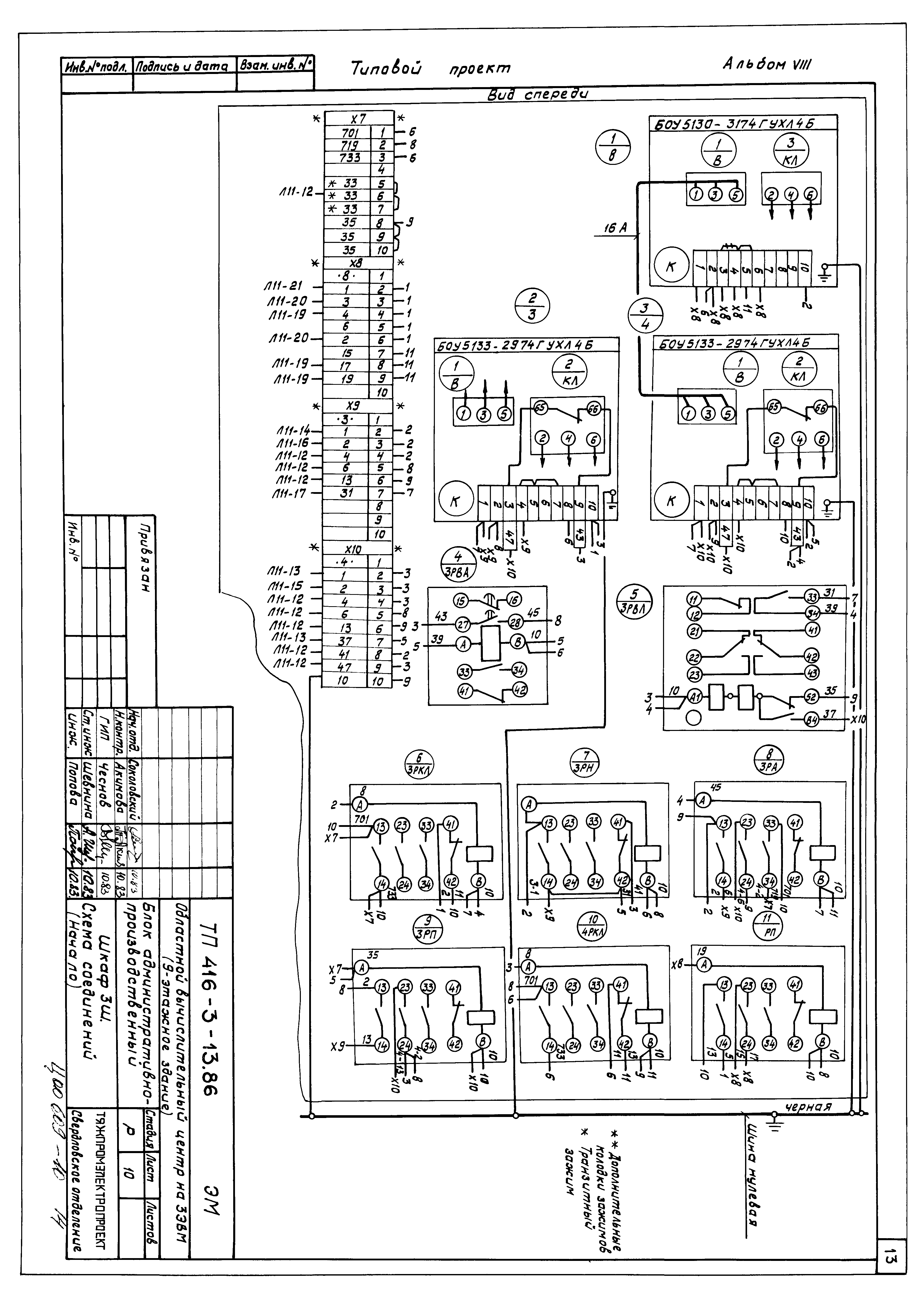
Скачать Типовой проект 416-3-13.86 Альбом VIII. Задания заводам-изготовителямДата актуализации: 01.01.2021
|
| Обозначение: | Типовой проект 416-3-13.86 |
| Обозначение англ: | 416-3-13.86 |
| Статус: | не действует |
| Название рус.: | Альбом VIII. Задания заводам-изготовителям |
| Дата добавления в базу: | 01.02.2020 |
| Дата актуализации: | 01.01.2021 |
| Дата введения: | 19.09.1983 |
| Дата окончания срока действия: | 01.09.2003 |
| Разработан: | ВГПТИ ЦСУ СССР |
| Утверждён: | 19.09.1983 ЦСУ СССР (USSR TsSU 541) |
| Нормативные ссылки: |


























































































