Скачать Пособие по проектированию охраны подземных и поверхностных вод проектов предприятий угольной промышленности

Дата актуализации: 01.01.2021

Пособие по проектированию охраны подземных и поверхностных вод проектов предприятий угольной промышленности

Статус:справочные материалы, мп, тпр
Название рус.:Пособие по проектированию охраны подземных и поверхностных вод проектов предприятий угольной промышленности
Дата добавления в базу:01.01.2021
Дата актуализации:01.01.2021
Область применения:Пособие предназначено для использования при разработке разделов "Водоснабжение и канализация". "Охрана окружающей среды" и "Оценка воздействия на окружающую среду" ТЭО, проектов новых, реконструкцию, расширение и техническое перевооружение действующих шахт, разрезов, обогатительных и брикетных фабрик, других предприятий угольной промышленности, а также их отдельных объектов
Оглавление:Общие положения
1 Производственные сточные вода
2 Шахтные и карьерные воды
3 Бытовые сточные воды
4 Поверхностные сточные воды
5 Гидротехнические сооружения
6 Экономическая оценка водоохранных мероприятий
7 Контроль за водоохранными мероприятиями
Приложение 1. Перечень нормативных документов раздела "Охрана поверхностных и подземных вод"
Приложение 2. Перечень запрашиваемых исходных данных
Приложение 3. Перечень исходных данных в рекомендациях по очистке шахтных (карьерных) вод, представляемых научно-исследовательскими институтами для проектирования СОШВ (СОКВ)
Приложение 4. Показатели физико-химического анализа шахтных (карьерных) вод (средние за год)
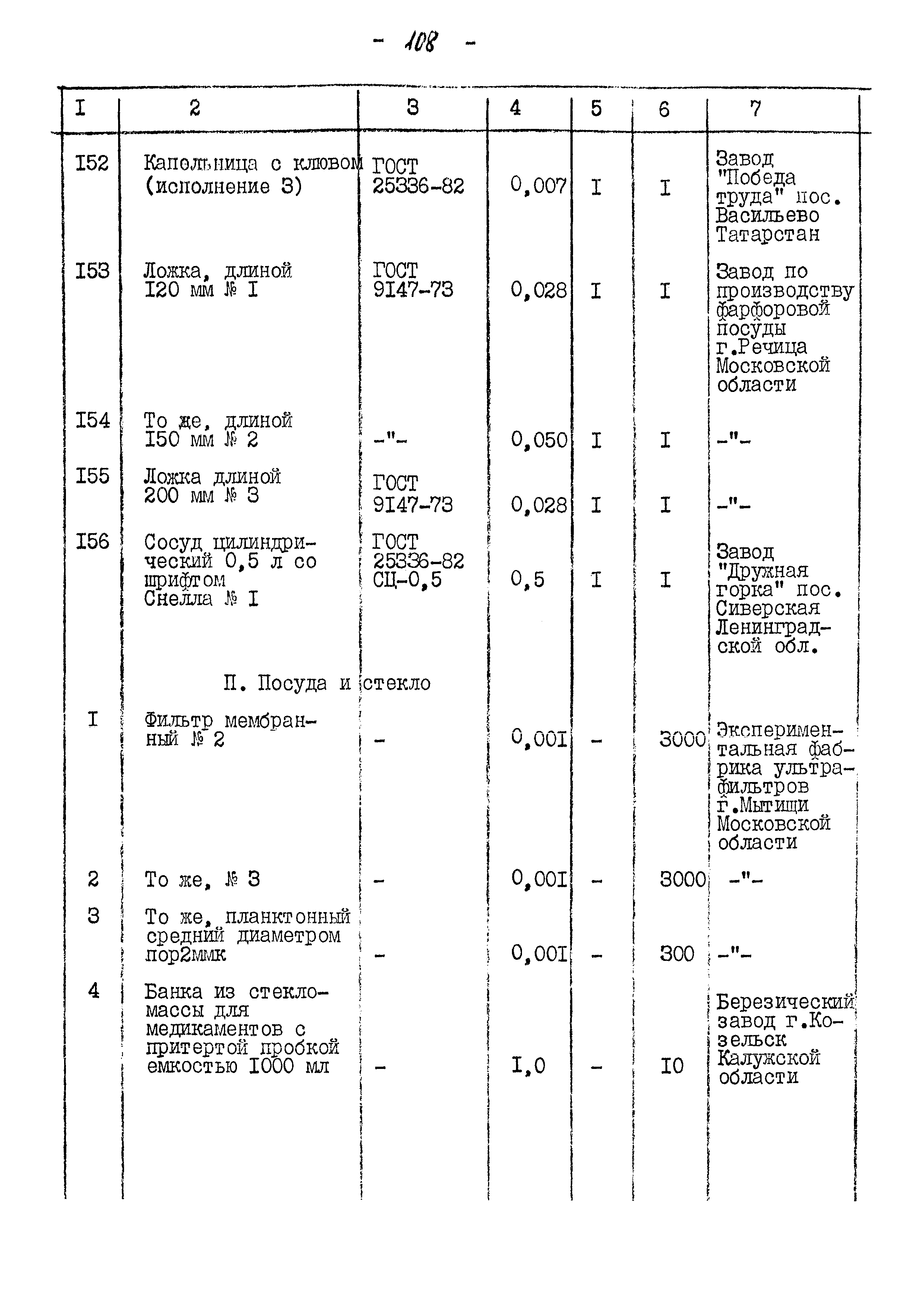
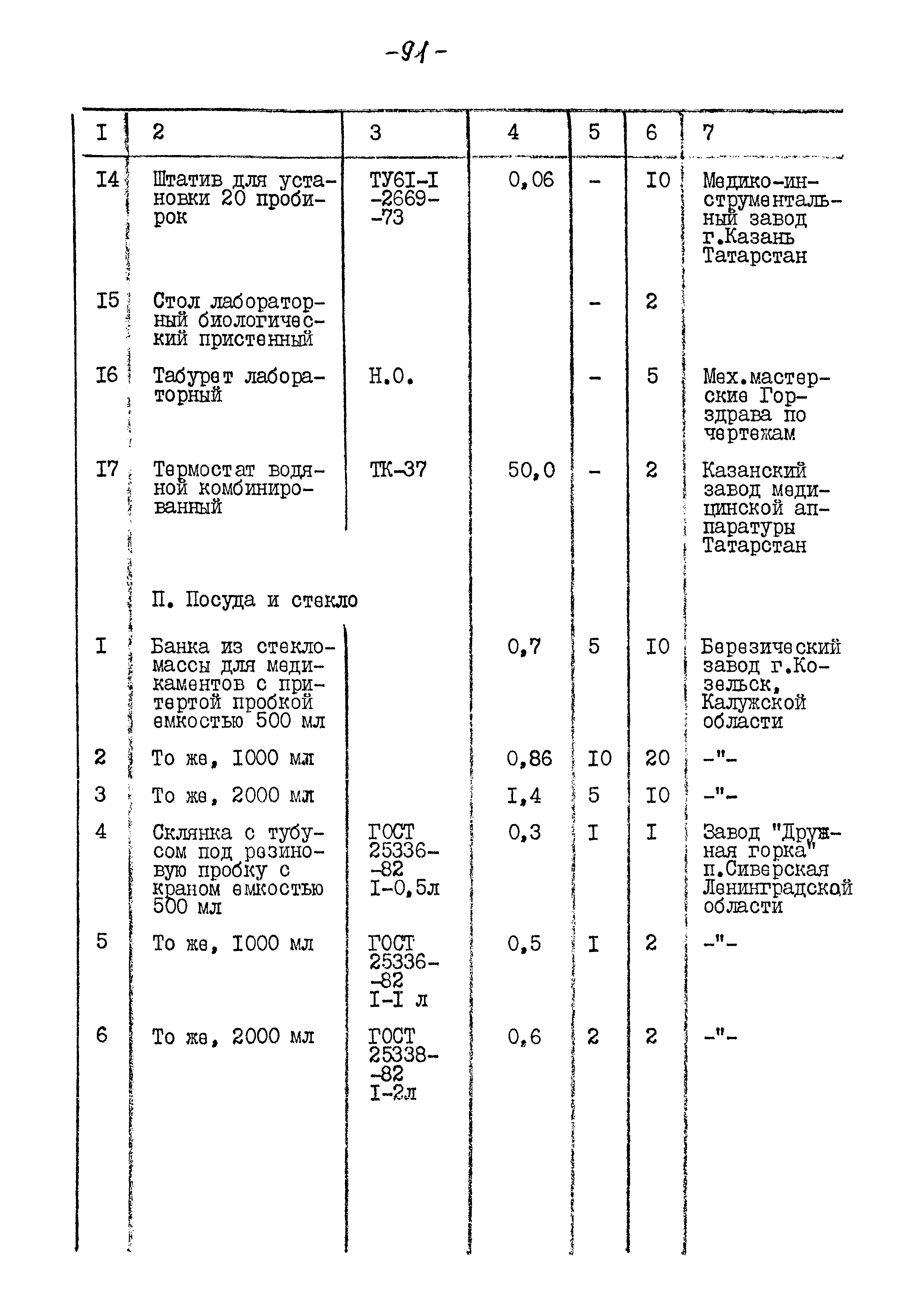
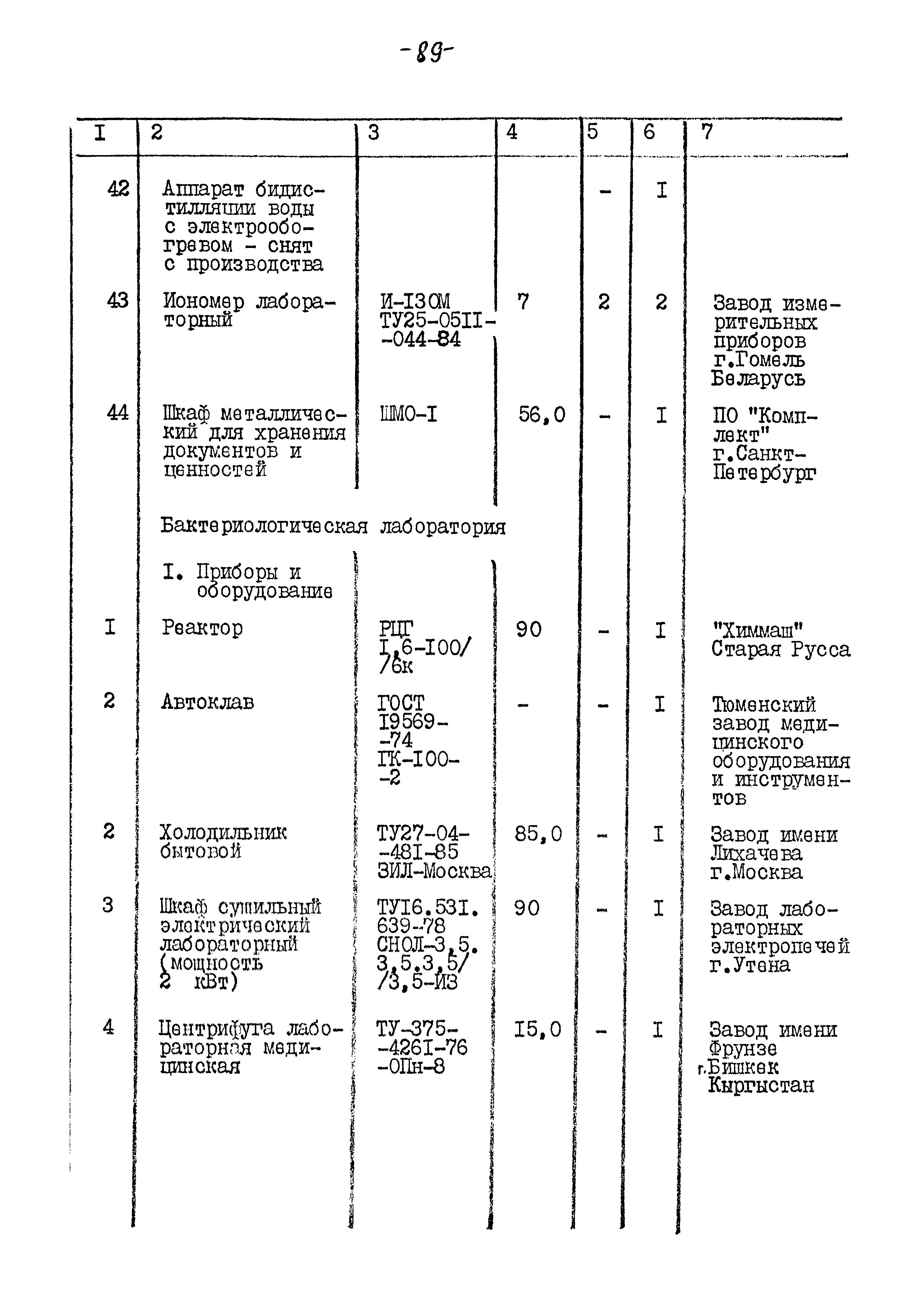
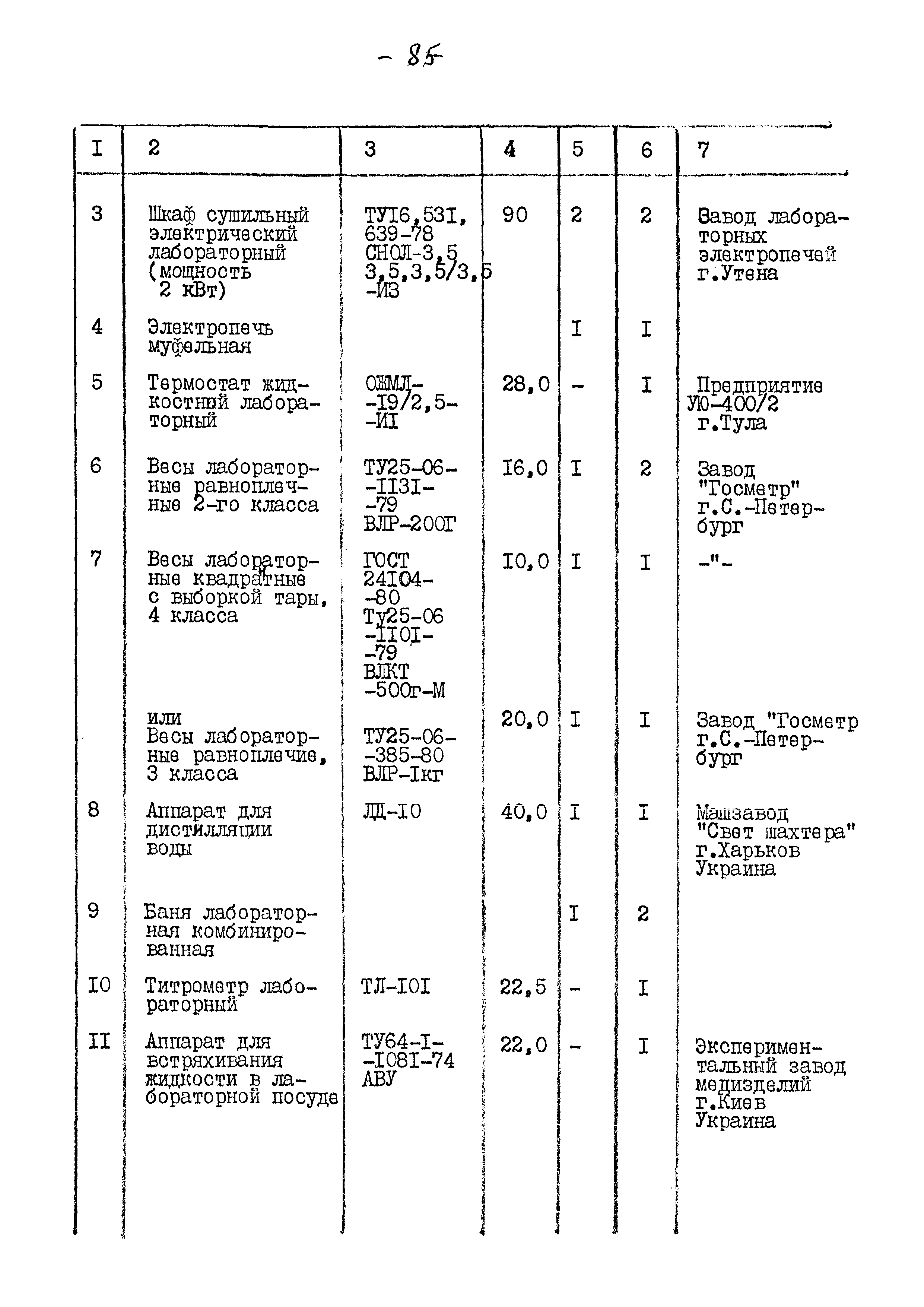
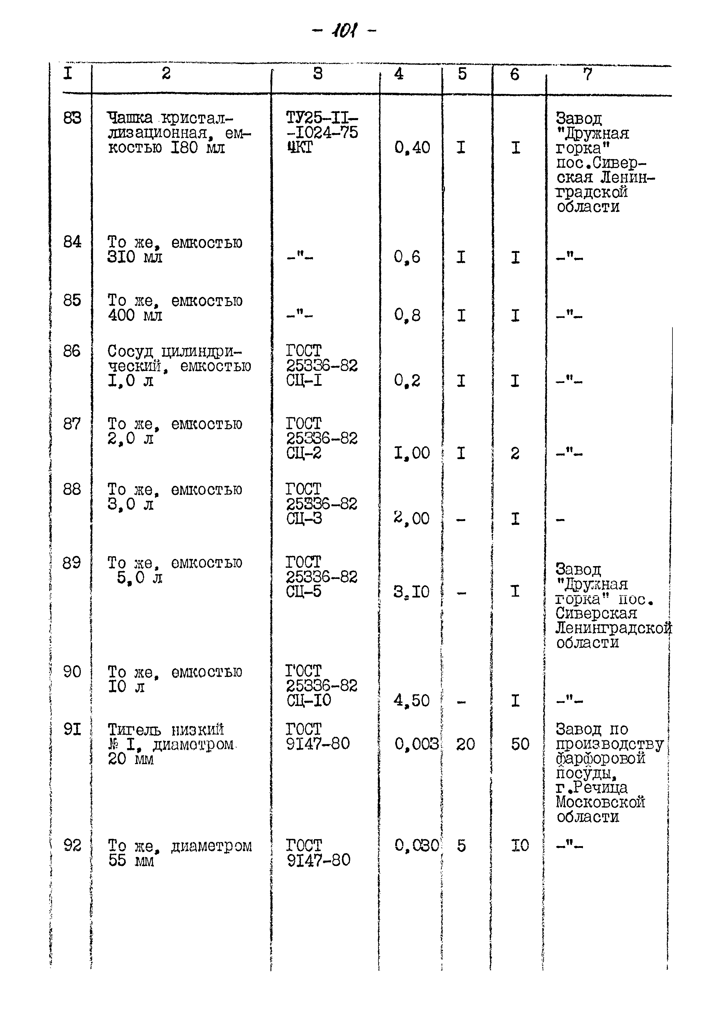
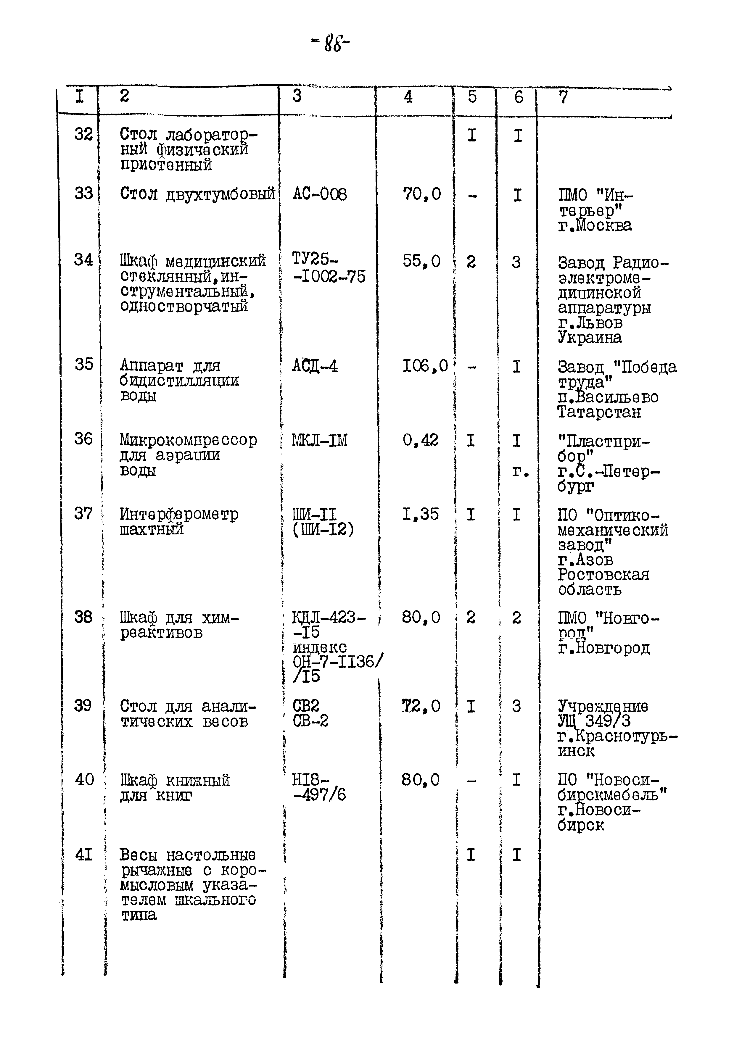
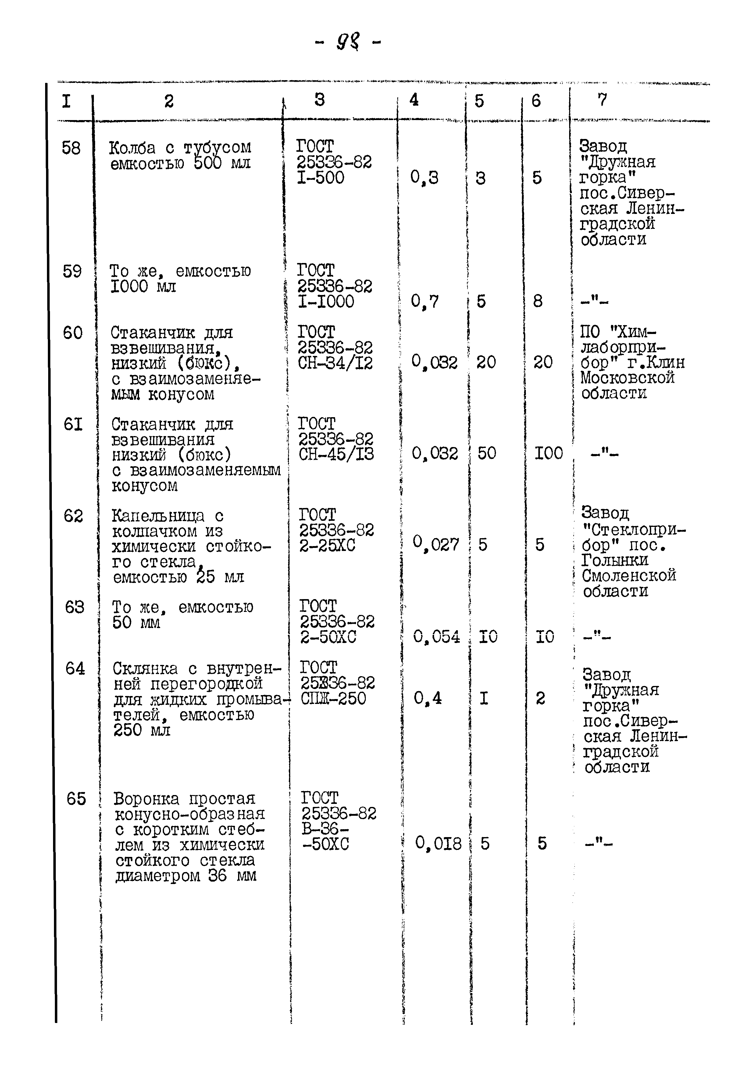
Приложение 5. Перечень табельных приборов, оборудования и лабораторной посуды для физико-химических и бактериологических лабораторий очистных сооружении бытовых и производственных стоков, шахтных (карьерных) вод
Приложение 6. Характеристика отечественных флокулянтов
Приложение 7. Расчет тонкослойных отстойников
Приложение 8. Значение гидравлической крупности частиц (И) в зависимости от их диаметра
Приложение 9. Значение кинематического коэффициента вязкости воды при различной температуре
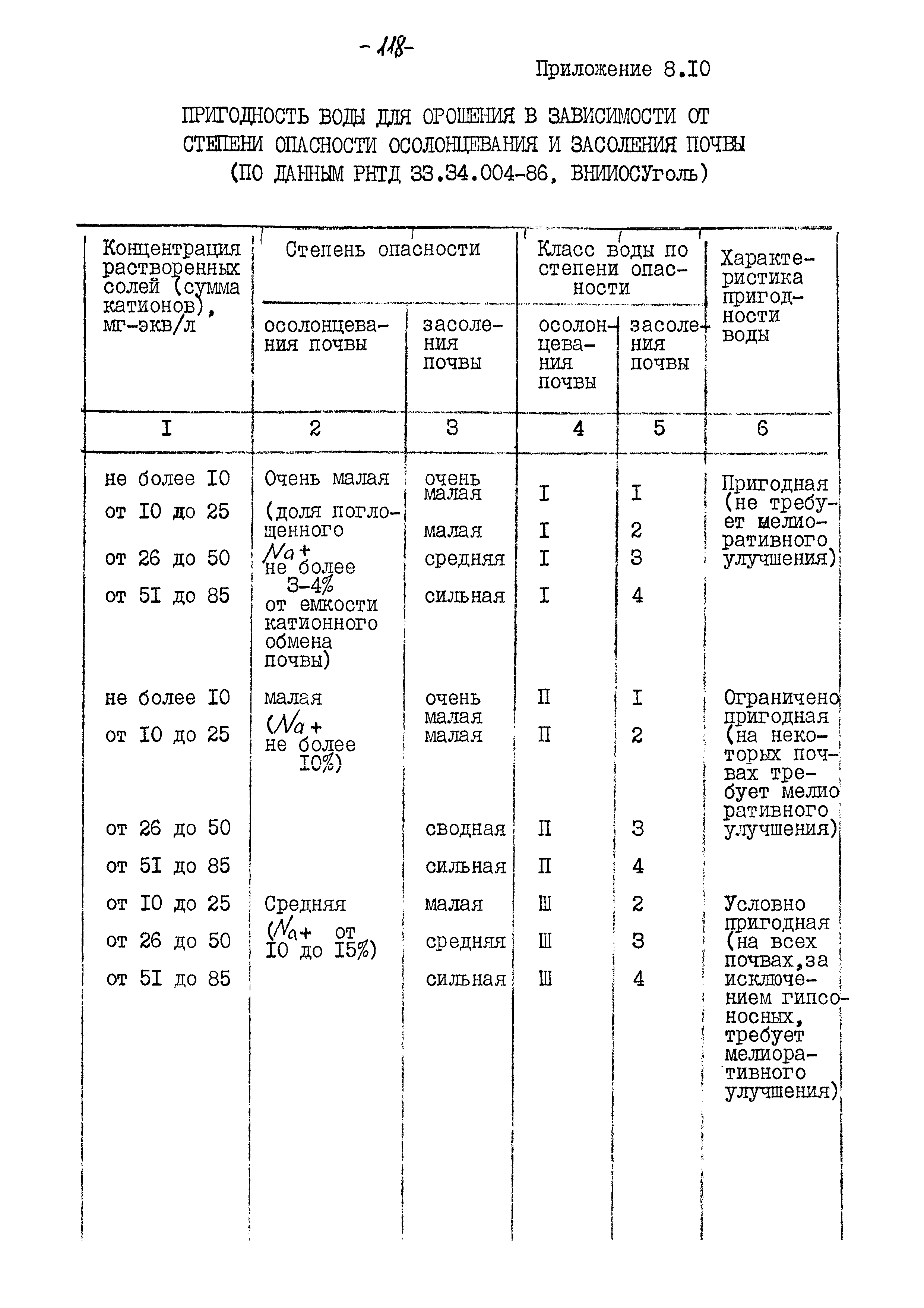
Приложение 10. Пригодность воды для орошения в зависимости от степени опасности осолонцевания и засоления почвы
Приложение 11. Техническая характеристика биологических установок типа "ТАВС" для очистки бытовых сточных вод
Приложение 12. Перечень веществ, удаляемых в процессе биологической очистки на очистных сооружениях бытовых стоков
Приложение 13. Концентрации веществ, максимально допустимые для биологической очистки
Приложение 14. Расчет сифонных водозаборов для отбора осветленной воды из хвостохранилища
Приложение 15. Расчетные температуры и относительная влажность воздуха в помещениях СОШВ (СОКВ)
Разработан: Центрогипрошахт
Гипрошахт
Утверждён:06.01.1994 Департамент угольной промышленности Минтопэнерго России
Принят:27.10.1993 Минприрода РФ (20-2/13-628)
Нормативные ссылки: