Скачать ГОСТ Р 58872-2020 Наконечники кабельные судовые с плоской зажимной частью для жил сечением до 16 мм2. Технические требованияДата актуализации: 01.01.2021
|
| Обозначение: | ГОСТ Р 58872-2020 |
| Обозначение англ: | GOST R 58872-2020 |
| Статус: | введен впервые |
| Название рус.: | Наконечники кабельные судовые с плоской зажимной частью для жил сечением до 16 мм2. Технические требования |
| Название англ.: | Ship cable tips with a flat clamping part for cables and wires of sections up to 16 mm2. Technical requirements |
| Дата добавления в базу: | 01.01.2021 |
| Дата актуализации: | 01.01.2021 |
| Дата введения: | 01.11.2020 |
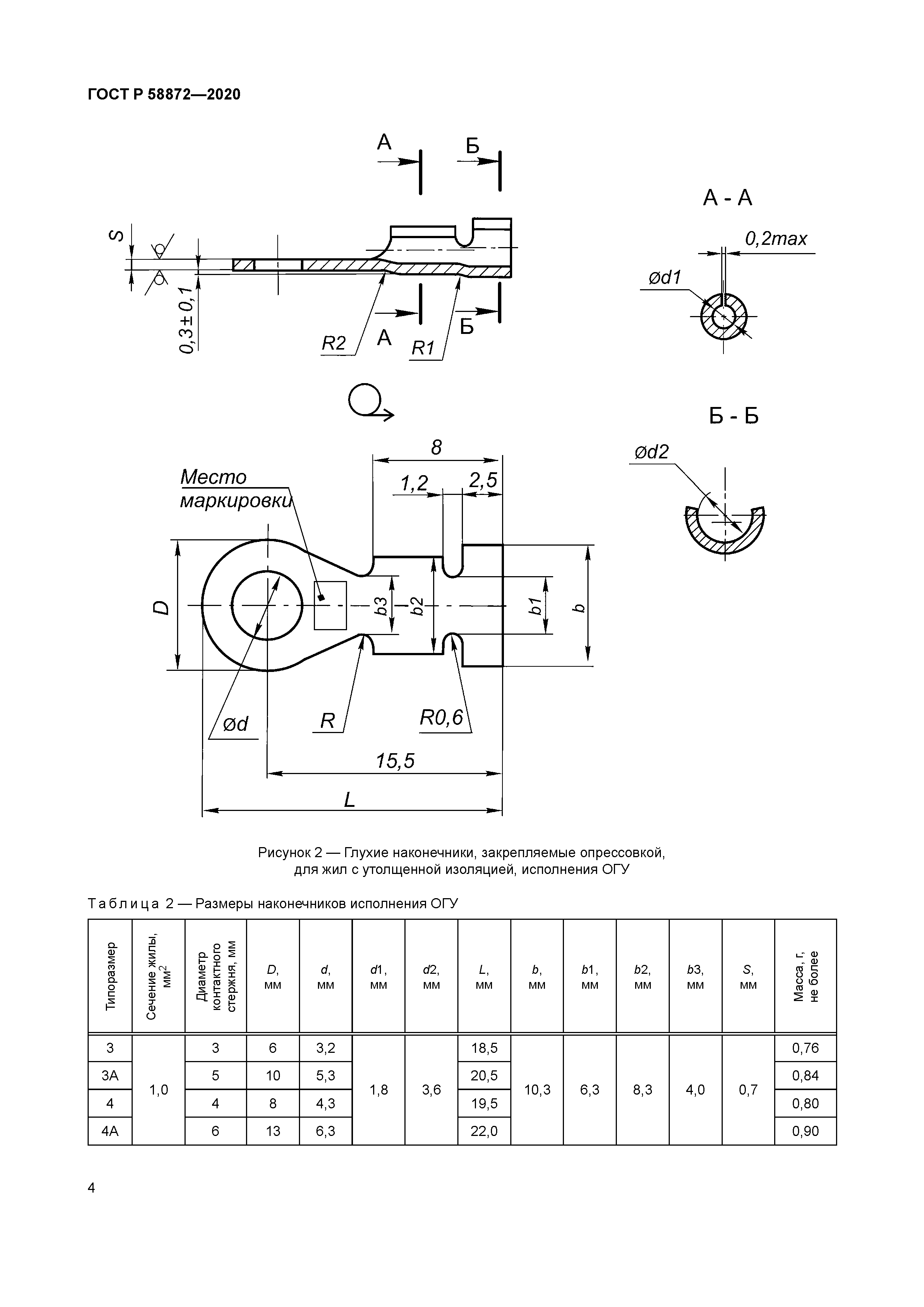
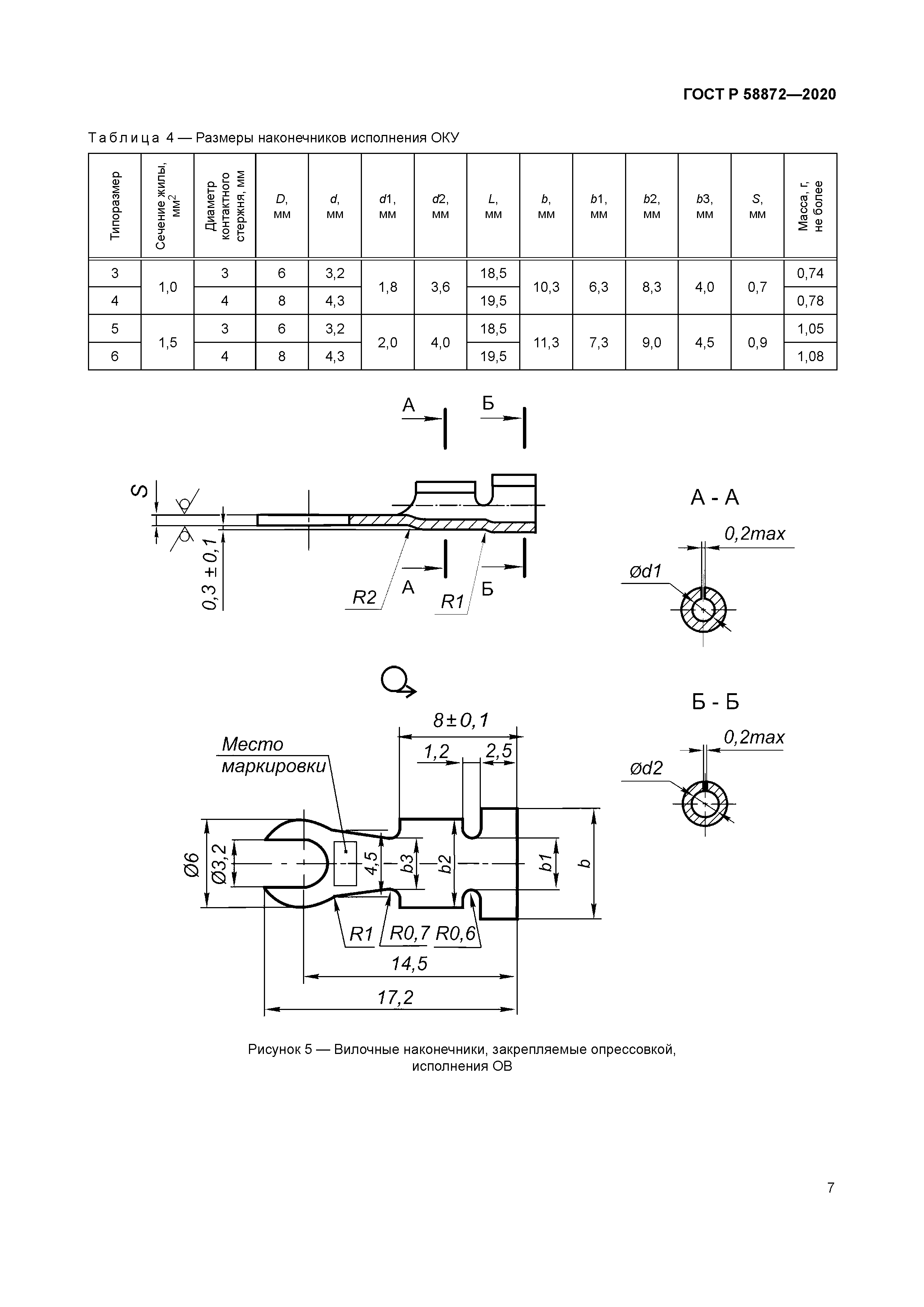
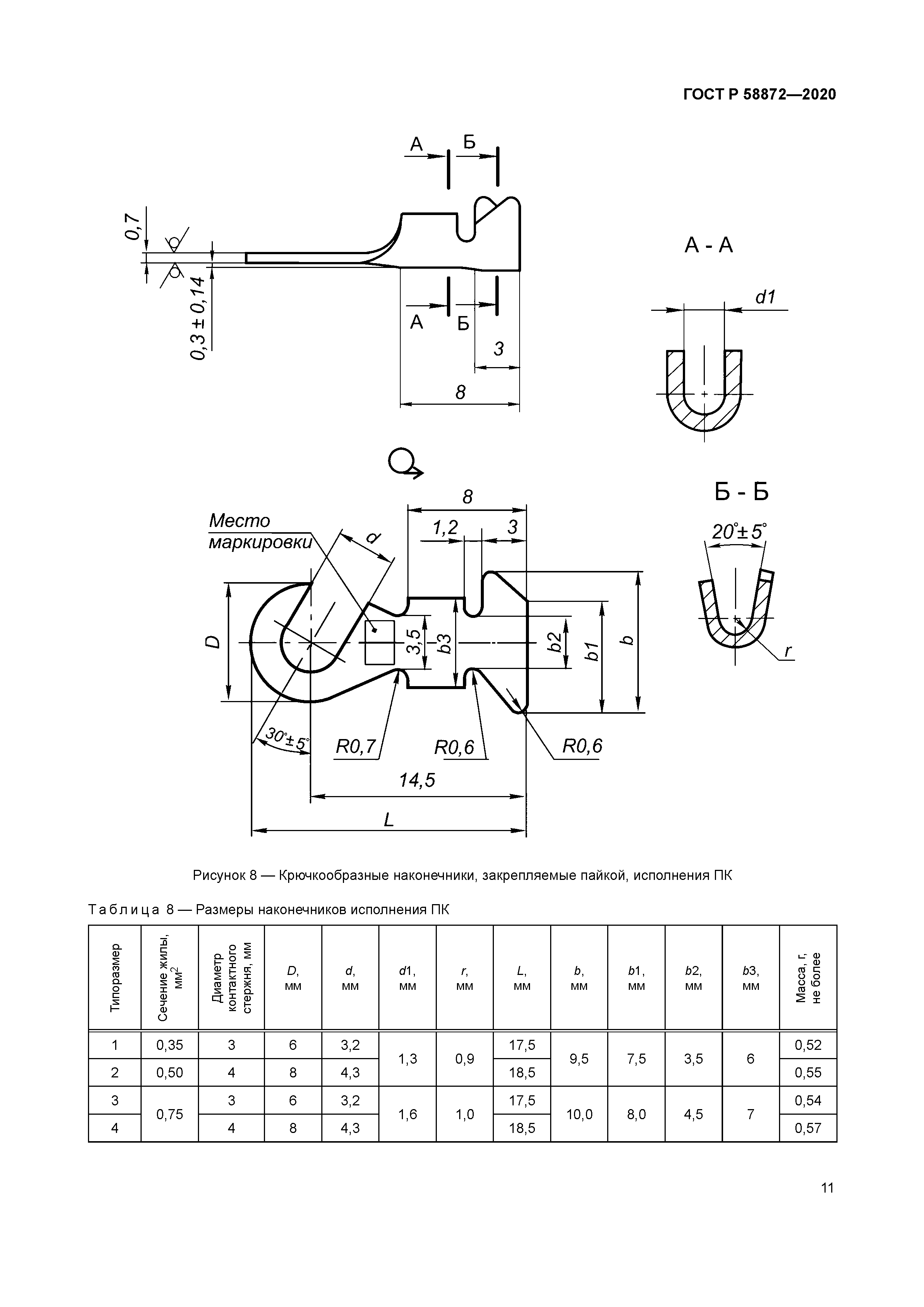
| Область применения: | Стандарт распространяется на кабельные наконечники с плоской зажимной частью для кабелей и проводов сечений от 0,35 до 16 мм2 (далее — наконечники), предназначенные для оконцевания токопроводящих медных жил кабелей и проводов с целью подключения их к выводам судового электрооборудования. Стандарт устанавливает требования к конструкции и размеры наконечников для жил кабелей и проводов сечением от 0,35 до 1,5 мм2, закрепляемых опрессовкой, и от 0,35 до 16 мм2, закрепляемых пайкой. |
| Оглавление: | 1 Область применения 2 Нормативные ссылки 3 Основные параметры и размеры 4 Технические требования 5 Правила приемки 6 Методы испытаний 7 Маркировка, упаковка, транспортирование и хранение 8 Гарантии изготовителя Приложение А (справочное) Технические указания к оконцеванию наконечниками жил кабелей и проводов методом опрессовки |
| Разработан: | ФГУП Крыловский государственный научный центр НИИ Лот ЦНИИ СЭТ ООО ГК КОНДИ |
| Утверждён: | 28.05.2020 Росстандарт (242-ст) |
| Список изменений: |
|
| Нормативные ссылки: |
|


















