ГОСТ 17608-91
МЕЖГОСУДАРСТВЕННЫЙ СТАНДАРТ
ПЛИТЫ БЕТОННЫЕ ТРОТУАРНЫЕ
ТЕХНИЧЕСКИЕ УСЛОВИЯ
ИПК ИЗДАТЕЛЬСТВО СТАНДАРТОВ
Москва
МЕЖГОСУДАРСТВЕННЫЙ СТАНДАРТ
|
ПЛИТЫ БЕТОННЫЕ ТРОТУАРНЫЕ Технические условия Footway concrete
slabs. |
ГОСТ |
Дата введения 01.01.92
Настоящий стандарт распространяется на бетонные тротуарные плиты (далее - плиты), изготовляемые из тяжелого и мелкозернистого (песчаного) бетонов (далее - бетонов) по ГОСТ 26633 в климатическом исполнении УХЛ по ГОСТ 15150, предназначенные для устройства сборных покрытий тротуаров, пешеходных и садово-парковых дорожек, пешеходных площадей и посадочных площадок общественного транспорта.
1.1. Плиты следует изготовлять в соответствии с требованиями настоящего стандарта и технологической документации, утвержденной в установленном порядке.
1.2. Основные параметры и размеры
1.2.1. Плиты подразделяют на типы в зависимости от конфигурации:
К - квадратные;
П - прямоугольные;
Ш - шестиугольные;
Д - окаймляющие четырех- и пятиугольные для окаймления шестиугольных плит и пятиугольные для окаймления квадратных и прямоугольных плит при диагональном способе их укладки;
Ф - фигурные плиты и элементы мощения;
ЭДД - элементы декоративные дорожные.
1.2.2. Марки, форма и размеры плит должны соответствовать указанным в приложении 1.
1.2.3. Плиты могут изготовляться одно- или двухслойными с толщиной верхнего (обычного или цветного) слоя бетона не менее 20 мм.
1.2.4. Плиты с размерами сторон 750 мм допускается изготовлять с конструктивным армированием в соответствии с приложением 2.
1.2.5. Грани плит должны быть взаимно перпендикулярны.
Допускается изготовление плит с технологическим уклоном боковых граней, не превышающим 5 мм размера в плане на каждую сторону.
1.2.6. Грузоподъемные работы (перенос, складирование, погрузка, выгрузка, монтаж) плит массой более 50 кг должны осуществляться при помощи вакуумных захватов, а при их отсутствии в плитах должны быть отверстия для цангового захвата либо монтажные петли, устанавливаемые в соответствии с приложением 2.
1.2.7. Плиты обозначают марками в соответствии с ГОСТ 23009. Марка квадратных, прямоугольных, шестиугольных и окаймляющих плит состоит из буквенно-цифровых групп, разделенных точками, обозначающих: первая цифра - порядковый номер типоразмера, буква - тип плиты, цифра после буквы - толщину плиты в сантиметрах, зависящую от вида основания.
Марка фигурных плит состоит из буквенно-цифровых групп, разделенных точками, обозначающих: первая цифра - порядковый номер данной конфигурации, буква Ф - тип плиты, цифра после буквы Ф - порядковый номер плиты, последняя цифра - толщину плиты в сантиметрах.
Пример условного обозначения квадратной плиты длиной 375 мм, шириной 375 мм, толщиной 70 мм:
4.К.7
То же, фигурной плиты длиной 300 мм, шириной 296 мм, фигуры 1, толщиной 70 мм:
2.Ф.1.7
То же, элемента декоративного дорожного фигуры 1, толщиной 100 мм:
ЭДД.1.10
То же, пятиугольной доборной плиты для окаймления шестиугольных плит 10-го типоразмера, толщиной 10 см:
10Д10
1.3. Характеристики
1.3.1. Прочность бетона плит на сжатие характеризуют классами по прочности на сжатие: В22,5; В25; В30; В35.
Класс бетона плит по прочности на растяжение при изгибе принимают Bвtв 3,2; Bвtв 3,6; Bвtв 4,0; Bвtв 4,4.
Прочность бетона плит на сжатие и растяжение при изгибе принимают по проекту строительства и указывают в заказе потребителя.
Значение нормируемой отпускной прочности тяжелого бетона плит должно составлять 90 % от класса бетона по прочности на сжатие и класса бетона по прочности на растяжение при изгибе в холодный период года и 70 % - в теплый период года.
Примечания:
1. Периоды года принимают, начиная и кончая месяцами, характеризующимися среднемесячной температурой наружного воздуха в соответствии со СНиП 2.01.01 и ГОСТ 13015.0.
2. Допускается по согласованию потребителя с изготовителем значение нормируемой отпускной прочности бетона плит принимать 70 % в любое время года.
1.3.3. Фактическая прочность бетона должна соответствовать требуемой по ГОСТ 18105, в зависимости от нормируемой прочности и показателей фактической однородности прочности бетона.
1.3.4. Марку бетона по морозостойкости принимают по проекту строительства, но не ниже указанной в табл. 1, в зависимости от расчетной температуры наружного воздуха наиболее холодной пятидневки района строительства и указывают в заказе на изготовление камней.
Таблица 1
|
Расчетная температура наружного воздуха наиболее холодной пятидневки района строительства, °С |
Марка бетона по морозостойкости |
|
Ниже -45 |
F300 |
|
От -15 до -45 включ. |
F200 |
|
» -5 » -15 » |
F150 |
|
» 0 » -5 » |
F100 |
1.3.5. Водопоглощение бетона плит не должно превышать по массе, %:
5 - для плит из тяжелого бетона;
6 » » » мелкозернистого »
1.3.6. Истираемость бетона плит в зависимости от условий работы покрытий должна удовлетворять требованиям ГОСТ 13015.0; ее устанавливает потребитель при заказе.
1.3.7. Состав бетона подбирают в соответствии с требованиями ГОСТ 27006 и рекомендаций, пособий и методик научно-исследовательских институтов, утвержденных в установленном порядке.
Водоцементное отношение (В/Ц) должно быть не более 0,40.
1.3.8. Бетонные смеси приготовляют по ГОСТ 7473 с применением воздухововлекающих добавок. Бетонные смеси для тяжелого бетона с маркой по удобоукладываемости П2 или П3 с подвижностью не более 12 см следует приготавливать с обязательным применением пластифицирующих добавок.
1.3.9. Объем вовлеченного воздуха в бетонных смесях с применением воздухововлекающих добавок должен быть от 4 до 5 %.
1.3.10. Для приготовления бетонной смеси следует применять бездобавочный портландцемент, портландцемент для бетонов дорожных и аэродромных покрытий марки не ниже 400, содержащий в цементном клинкере не более 5 % MgO (оксида магния) и не более 8 % Ca3Al (трехкальциевого алюмината) и портландцемент с минеральными добавками до 5 %, отвечающие ГОСТ 10178.
1.3.11. В качестве мелкого заполнителя для бетона плит применяют природные, обогащенные и фракционированные, а также дробленые обогащенные пески по ГОСТ 8736, удовлетворяющие требованиям ГОСТ 26633.
Для мелкозернистого бетона применяют пески с модулем крупности не менее 2,2, а для тяжелого бетона - не менее 2,0.
1.3.12. В качестве крупного заполнителя применяют щебень из естественного камня, гравия и доменного шлака по ГОСТ 8267, ГОСТ 3344, удовлетворяющие требованиям ГОСТ 26633.
Наибольший размер зерен крупного заполнителя:
10 мм - для плит толщиной до 50 мм;
20 мм » » » более 50 мм.
1.3.13. При приготовлении бетона плит следует использовать и другие материалы (золу-унос, шлаки и золошлаки смеси ТЭС), отвечающие требованиям ГОСТ 25818 и ГОСТ 25592, отходы производства, удовлетворяющие требованиям ГОСТ 26633.
1.3.14. Марки щебня по прочности на сжатие должны быть не ниже:
1200 - для щебня из изверженных пород;
800 » » » осадочных »
1.3.15. Марка щебня по морозостойкости должна быть не ниже F200.
1.3.16. Добавки, применяемые для приготовления бетонной смеси, должны удовлетворять ГОСТ 24211, ГОСТ 26633 и приложению 3.
Виды и объем (массу) вводимых добавок определяют опытным путем в зависимости от вида, качества материалов, используемых для приготовления бетонной смеси, технологии изготовления плит, режимов тепловой обработки (тепловлажностной обработки).
В качестве ускорителя твердения для бетонной смеси плит из мелкозернистого бетона следует применять кальций хлористый по ГОСТ 450 или нитрит-нитрат-хлорид кальция по ТУ 6-03-7-04 в объеме до 3 % от массы цемента.
1.3.17. Вода для приготовления бетона - по ГОСТ 23732.
1.3.18. Для изготовления цветных плит следует применять пигменты. Виды и объем (масса) пигментов, вводимых в бетонную смесь, приведены в приложении 4.
1.3.19. При тепловлажностной обработке плит следует соблюдать мягкие режимы твердения (температура не выше 70 °С) с предельной скоростью подъема и снижения температуры обработки не более 25 °С/ч.
1.3.20. Для конструктивного армирования плит применяют арматурную проволоку класса Вр-1 по ГОСТ 6727.
Монтажные петли следует изготовлять диаметром 6 мм из горячекатаной гладкой арматурной стали класса A-I марок ВСт3сп2 и ВСт3пс2 по ГОСТ 5781.
При расчетной зимней температуре ниже минус 40 °С для монтажных петель запрещается применение стали марки ВСт3пс3 по ГОСТ 5781.
1.3.21. Сварные арматурные изделия должны соответствовать ГОСТ 10922.
1.3.22. Значения действительных отклонений геометрических параметров плит не должны превышать предельных, указанных в табл. 2.
Таблица 2
мм
|
Наименование геометрического параметра |
Пред. откл. |
|
|
Длина, ширина: |
||
|
до 250 |
±4 |
|
|
от 250 до 500 |
±5 |
|
|
» 500 » 1000 |
±6 |
|
|
Толщина |
±5 |
|
|
Отклонение от прямолинейности профиля лицевой поверхности |
- |
5 |
|
Отклонение от плоскостности лицевой поверхности |
- |
5 |
|
Отклонение от перпендикулярности торцевых и смежных им граней |
- |
4 |
1.3.23. Для конструктивно армированных плит отклонение от толщины защитного слоя бетона не должно превышать ±5 мм.
1.3.24. Категория лицевой бетонной поверхности - А6, для нелицевой поверхности - А7 по ГОСТ 13015.0.
1.3.25. Трещины на поверхности плит не допускаются, за исключением поверхностных и технологических шириной не более 0,1 мм и длиной до 50 мм в количестве не более 5 шт. на 1 м2 поверхности армированных плит из тяжелого бетона.
Маркировка должна быть нанесена несмываемой краской на торцевую грань не менее чем на 10 % плит от партии в соответствии с ГОСТ 13015.2.
2.1. Плиты принимают партиями по ГОСТ 13015.1 и настоящему стандарту.
2.2. Плиты принимают:
- по результатам периодических испытаний - по показателям прочности, морозостойкости, водопоглощения и истираемости;
- по результатам приемо-сдаточных испытаний - по показателям прочности (классу бетона по прочности на сжатие, отпускной прочности, классу бетона по прочности на растяжение при изгибе), соответствия арматурных изделий, прочности сварных соединений, точности геометрических параметров, толщины защитного слоя бетона до арматуры, ширины раскрытия трещин, категории бетонной поверхности.
2.3. Испытание плит на морозостойкость, истираемость и водопоглощение проводят при освоении производства, изменении состава бетона, технологии, вида и качества материалов, но не реже одного раза в 6 мес.
2.4. Удобоукладываемость бетонных смесей проверяют не реже одного раза в смену.
2.5. Плиты по показателям точности геометрических параметров, категории бетонной поверхности и ширины раскрытия технологических трещин следует принимать по результатам выборочного контроля в соответствии с табл. 3.
Таблица 3
шт.
|
Объем выборки |
Приемочное число |
|
|
До 100 |
5 |
1 |
|
100 - 300 |
10 |
2 |
|
300 - 500 |
20 |
3 |
|
500 - 1000 |
30 |
5 |
|
Св. 1000 |
50 |
7 |
2.6. Контроль прочности бетона плит - по ГОСТ 18105.
2.7. Партия плит, не принятая по результатам выборочного контроля, должна подлежать поштучной приемке. При этом приемка плит должна проводиться по показателям, по которым партия не была принята.
Возможность использования плит, не соответствующих заданным показателям прочности, морозостойкости и истираемости, устанавливает проектная организация.
2.8. Потребитель имеет право проводить контрольную проверку соответствия показателей качества плит, указанных в заказе, требованиям настоящего стандарта.
2.9. Документ о качестве - по ГОСТ 13015.3. В документ о качестве необходимо вносить марку бетона по морозостойкости, водопоглощению и истираемости бетона плит.
По требованию потребителя в документ о качестве вносят результаты контрольных испытаний плит на прочность и другие показатели качества.
3.1. Прочность бетона на сжатие и растяжение при изгибе следует определять по ГОСТ 10180 или ГОСТ 28570, или ГОСТ 17624, или ГОСТ 22690. При изготовлении плит, по способу или режиму уплотнения бетона приводящих к изменению его состава, следует применять поправочный коэффициент к прочности бетона контрольных образцов, устанавливаемый экспериментально в соответствии с ГОСТ 10180.
3.2. Морозостойкость бетона определяют по ГОСТ 10060.0 - ГОСТ 10060.4 или ГОСТ 26134 с насыщением образцов бетона плит, изготовленных по ГОСТ 10180, перед испытанием 5 %-ным водным раствором хлорида натрия.
При этом допускается снижение прочности бетона образцов на сжатие не более чем на 5 % и потеря их массы не более чем на 3 %.
3.3. Водопоглощение бетона плит определяют по ГОСТ 12730.3.
3.4. Истираемость бетона плит определяют по ГОСТ 13087.
3.5. Удобоукладываемость бетонной смеси (подвижность, жесткость) определяют по ГОСТ 10181.
3.6. Сварные арматурные изделия контролируют по ГОСТ 10922.
3.7. Размеры и положение конструктивной арматуры в плите, толщину защитного слоя бетона этой арматуры проверяют по ГОСТ 17625 или ГОСТ 22904.
3.8. Размеры, отклонения от прямолинейности и перпендикулярности плит, ширину раскрытия технологических трещин, размеры раковин, наплывов и околов бетона следует проверять методами, установленными ГОСТ 26433.0 и ГОСТ 26433.1.
4.1. Транспортировать и хранить плиты следует в соответствии с требованиями ГОСТ 13015.4 и настоящего стандарта.
4.2. Плиты перевозят в штабелях, контейнерах по ГОСТ 20259 или поддонах по ГОСТ 18343 транспортом любого вида.
При этом следует обеспечить возможность захвата каждой плиты краном и свободный подъем при разгрузке.
4.4. Высота штабеля плит при транспортировании должна быть не более 1,5 м.
4.5. Погрузка плит навалом и разгрузка их сбрасыванием не допускаются.
4.6. Погрузка и разгрузка плит массой более 50 кг должны осуществляться в соответствии с п. 1.2.6.
4.7. Плиты хранят на складе готовой продукции рассортированными по маркам и видам. При этом плиты с размерами сторон до 500 мм следует хранить в контейнерах и пакетах, а плиты с размером сторон более 500 мм - в штабелях.
4.8. Плиты в штабелях при хранении следует укладывать правильными рядами в положение «на ребро», перевязанными стальной лентой по ГОСТ 3560 или стальной проволокой по ГОСТ 3282, либо лицевой поверхностью вверх на поперечных прокладках толщиной не менее 40 мм по ТУ 400-1-225, расположенных строго по вертикали одна под другой на расстоянии 0,25 длины плиты от каждого ее торца.
Высота штабеля плит при хранении должна быть не более 2,0 м.
5.1. Плиты из бетонов классов В22,5 и В25 предназначены для устройства покрытий садово-парковых и пешеходных дорожек, тротуаров во внутриквартальных проездах, а плиты из бетона классов В30 и В35 - для покрытий тротуаров на магистралях.
5.2. Плиты укладывают на выровненных щебеночных, бетонных, стабилизированных и песчаных основаниях с дифференциацией толщин плит, приведенных в табл. 4, в зависимости от физико-механических показателей основания и условий эксплуатации тротуаров, указанных в проекте строительства.
5.3. В качестве выравнивающих (подстилающих) слоев под тротуарные плиты целесообразно использовать сухие или увлажненные песчано-цементные смеси, содержащие цементы марок М300 и М400 плотностью от 100 до 150 кг/м3.
5.4. После укладки плит, имеющих монтажные петли, лунки должны быть заделаны цементным раствором 1:3.
Обязательное
Таблица 4
|
Форма |
Размеры, мм |
Масса, кг |
Кол. плит в 1 м2, шт. |
||||||
|
Длина |
Ширина b |
Толщина h плит, укладываемых на |
|||||||
|
а |
а1 |
щебеночных и бетонных основаниях |
песчаных и стабилизированных основаниях |
щебеночных и бетонных основаниях на тротуарах в местах заезда тяжелого транспорта |
|||||
|
Квадратные плиты |
|||||||||
|
1К.5 |
|
200 |
- |
200 |
50 |
60 |
80 |
7,68 |
25,0 |
|
1К.6 |
|||||||||
|
1К.8 |
|||||||||
|
2К.5 |
250 |
250 |
100 |
15,00 |
16,0 |
||||
|
2К.6 |
250, 280 |
250, 280 |
- |
11,30 |
12,75 |
||||
|
2К.10 |
250 |
250 |
100 |
15,00 |
16,0 |
||||
|
3К.5 |
300 |
300 |
21,00 |
11,10 |
|||||
|
3К.6 |
|||||||||
|
3.К10 |
|||||||||
|
4К.5 |
375 |
375 |
70 |
33,75 |
7,16 |
||||
|
4К.7 |
|||||||||
|
4К.10 |
|||||||||
|
5К.5 |
400 |
400 |
38,40 |
6,25 |
|||||
|
5К.7 |
|||||||||
|
5К.10 |
|||||||||
|
6К.5 |
500 |
500 |
60,00 |
4,00 |
|||||
|
6К.7 |
|||||||||
|
6К.10 |
|||||||||
|
7К.6 |
750 |
750 |
60 |
80 |
135,00 |
1,78 |
|||
|
7К.8 |
|||||||||
|
7К.10 |
|||||||||
|
8К.8 |
1000 |
1000 |
80 |
100 |
240,00 |
1,00 |
|||
|
8К.10 |
|||||||||
|
Прямоугольные плиты |
|||||||||
|
1П.5 |
|
375 |
- |
250 |
50 |
60 |
100 |
22,50 |
10,67 |
|
1П.6 |
|||||||||
|
1П.7 |
240 |
120 |
70 |
70 |
4,80 |
34,72 |
|||
|
1П.10 |
375 |
250 |
50 |
60 |
22,50 |
10,67 |
|||
|
2П.5 |
500 |
70 |
30,0 |
8,00 |
|||||
|
2П.7 |
|||||||||
|
2П.10 |
|||||||||
|
3П.5 |
500 |
375 |
50 |
70 |
45,0 |
5,33 |
|||
|
3П.7 |
|||||||||
|
3П.10 |
|||||||||
|
4П.6 |
750 |
375 |
60 |
67,5 |
3,68 |
||||
|
4П.7 |
|||||||||
|
4П.10 |
|||||||||
|
5П.6 |
750 |
500 |
90,0 |
2,70 |
|||||
|
5П.7 |
|||||||||
|
5П.10 |
|||||||||
|
6П.8 |
1000 |
500 |
80 |
80 |
150,4 |
2,00 |
|||
|
6П.10 |
|||||||||
|
Шестиугольные плиты |
|||||||||
|
1Ш.5 |
|
250 |
- |
432 |
50 |
60 |
100 |
38,80 |
6,17 |
|
1К.6 |
|||||||||
|
1Ш.10 |
|||||||||
|
2Ш.5 |
375 |
648 |
70 |
87,40 |
1,37 |
||||
|
2Ш.7 |
|||||||||
|
2Ш.10 |
|||||||||
|
3Ш.6 |
500 |
865 |
60 |
80 |
155,70 |
0,65 |
|||
|
3Ш.8 |
|||||||||
|
3Ш.10 |
|||||||||
|
Пятиугольные доборные плиты для окаймления квадратных и прямоугольных плит при диагональном способе их укладки |
|||||||||
|
1Д.5 |
|
177 |
90 |
353 |
50 |
60 |
100 |
15,12 |
15,87 |
|
1Д.6 |
|||||||||
|
1Д.10 |
|||||||||
|
2Д.5 |
212 |
253 |
414 |
35,90 |
6,73 |
||||
|
2Д.6 |
|||||||||
|
2Д.10 |
|||||||||
|
3Д.5 |
233 |
152 |
466 |
30,00 |
7,99 |
||||
|
3Д.6 |
|||||||||
|
3Д.10 |
|||||||||
|
4Д.5 |
265 |
178 |
530 |
39,50 |
6,08 |
||||
|
4Д.6 |
|||||||||
|
4Д.10 |
|||||||||
|
5Д.5 |
283 |
368 |
566 |
69,20 |
3,47 |
||||
|
5Д.6 |
|||||||||
|
5Д.10 |
|||||||||
|
6Д.5 |
353 |
90 |
706 |
45,16 |
5,31 |
||||
|
6Д.6 |
|||||||||
|
6Д.10 |
|||||||||
|
7Д.6 |
529 |
442 |
1058 |
60 |
80 |
179,30 |
1,34 |
||
|
7Д.8 |
|||||||||
|
7Д.10 |
|||||||||
|
8Д.8 |
707 |
86 |
1414 |
80 |
100 |
149,60 |
1,03 |
||
|
8Д.10 |
|||||||||
|
Пятиугольные доборные плиты для окаймления шестиугольных плит |
|||||||||
|
9Д.5 |
|
125 |
125 |
432 |
50 |
60 |
100 |
19,50 |
12,34 |
|
9Д.6 |
|||||||||
|
9Д.10 |
|||||||||
|
10Д.5 |
187 |
375 |
648 |
70 |
72,86 |
3,29 |
|||
|
10Д.7 |
|||||||||
|
10Д.10 |
|||||||||
|
11Д.6 |
250 |
250 |
865 |
60 |
80 |
77,85 |
3,08 |
||
|
11Д.8 |
|||||||||
|
11Д.10 |
|||||||||
|
Четырехугольные доборные плиты для окаймления шестиугольных плит |
|||||||||
|
12.Д.5 |
|
- |
216 |
500 |
50 |
60 |
100 |
19,50 |
7,63 |
|
12.Д.6 |
|||||||||
|
12Д.10 |
|||||||||
|
13Д.5 |
- |
324 |
750 |
70 |
43,74 |
3,40 |
|||
|
13Д.7 |
|||||||||
|
13Д.10 |
|||||||||
|
14Д.6 |
- |
433 |
1000 |
60 |
80 |
77,9 |
1,91 |
||
|
14Д.8 |
|||||||||
|
14Д.10 |
|||||||||
|
Фигурные плиты и элементы мощения |
|||||||||
|
1Ф1.7 |
|
200 |
- |
200 |
70 |
70 |
100 |
6,28 |
38,18 |
|
1Ф1.10 |
|||||||||
|
2Ф1.7 |
300 |
296 |
13,94 |
17,21 |
|||||
|
2Ф1.10 |
|||||||||
|
3Ф1.7 |
430 |
430 |
29,21 |
8,21 |
|||||
|
3Ф1.10 |
|||||||||
|
Ф2.7 |
|
285 |
200 |
9,51 |
25,24 |
||||
|
Ф2.10 |
|||||||||
|
1Ф3.7 |
|
200 |
186 |
70 |
70 |
100 |
6,47 |
38,49 |
|
|
1Ф3.10 |
|||||||||
|
2Ф3.7 |
500 |
470 |
55,80 |
6,15 |
|||||
|
2Ф3.10 |
|||||||||
|
Ф4.7 |
|
250 |
200 |
7,21 |
33,56 |
||||
|
Ф4.10 |
|||||||||
|
1Ф5.7 |
|
200 |
222 |
7,94 |
30,23 |
||||
|
1Ф5.10 |
|||||||||
|
2Ф5.7 |
290 |
260 |
13,60 |
17,67 |
|||||
|
2Ф5.10 |
|||||||||
|
3Ф5.7 |
300 |
150 |
7,20 |
33,33 |
|||||
|
3Ф5.10 |
|||||||||
|
4Ф5.7 |
300 |
300 |
14,40 |
16,60 |
|||||
|
4Ф5.10 |
|||||||||
|
5Ф5.7 |
400 |
444 |
31,97 |
7,51 |
|||||
|
5Ф5.10 |
|||||||||
|
1Ф6.7 |
|
250 |
200 |
7,20 |
33,33 |
||||
|
1Ф6.10 |
|||||||||
|
2Ф6.7 |
500 |
400 |
28,80 |
8,33 |
|||||
|
2Ф6.10 |
|||||||||
|
1Ф7.7 |
|
300 |
300 |
17,16 |
13,99 |
||||
|
1Ф7.8 |
200 |
165 |
80 |
80 |
5,28 |
35,71 |
|||
|
1Ф7.10 |
300 |
300 |
70 |
70 |
17,16 |
13,99 |
|||
|
2Ф7.7 |
400 |
330 |
26,97 |
8,90 |
|||||
|
2Ф7.10 |
|||||||||
|
3Ф7.7 |
560 |
400 |
44,57 |
5,50 |
|||||
|
3Ф7.10 |
|||||||||
|
1Ф8.7 |
|
200 |
150 |
4,66 |
51,55 |
||||
|
1Ф8.10 |
|||||||||
|
2Ф8.7 |
470 |
300 |
22,61 |
10,62 |
|||||
|
2Ф8.10 |
|||||||||
|
1Ф9.7 |
|
244 |
195 |
9,53 |
25,19 |
||||
|
1Ф9.8 |
240 |
220 |
80 |
80 |
8,89 |
21,60 |
|||
|
1Ф9.10 |
244 |
195 |
70 |
70 |
9,53 |
25,19 |
|||
|
2Ф9.7 |
300 |
300 |
18,00 |
13,33 |
|||||
|
2Ф9.10 |
|||||||||
|
1Ф10.7 |
|
210 |
112 |
4,58 |
53,76 |
||||
|
1Ф10.10 |
|||||||||
|
2Ф10.7 |
392 |
210 |
16,31 |
14,71 |
|||||
|
2Ф10.10 |
|||||||||
|
1Ф11.7 |
|
175 |
- |
170 |
100 |
4,84 |
51,02 |
||
|
1Ф11.10 |
|||||||||
|
2Ф11.7 |
302 |
292 |
13,76 |
17,92 |
|||||
|
2Ф11.10 |
|||||||||
|
Ф12.7 |
|
218 |
154 |
5,69 |
42,19 |
||||
|
Ф12.10 |
|||||||||
|
Ф13.7 |
|
220 |
205 |
7,53 |
31,85 |
||||
|
Ф13.10 |
|||||||||
|
Ф14.7 |
|
300 |
300 |
18,71 |
12,82 |
||||
|
Ф14.10 |
|||||||||
|
Ф15.7 |
|
310 |
250 |
15,0 |
16,0 |
||||
|
Ф15.10 |
|||||||||
|
1Ф16.8 |
|
238 |
119 |
80 |
80 |
5,42 |
35,33 |
||
|
1Ф17.8 |
|
245 |
132 |
5,15 |
37,31 |
||||
|
1Ф18.8 |
|
230 |
90 |
140 |
5,04 |
37,74 |
|||
|
Элементы декоративные дорожные |
|||||||||
|
ЭДЦ1.10 |
|
200 |
- |
100 |
100 |
100 |
100 |
6,86 |
50,00 |
|
ЭДД2.10 |
|
100 |
3,43 |
100,00 |
|||||
|
ЭДЦ3.10 |
|
400 |
400 |
54,86 |
6,25 |
||||
|
ЭДД4.7 |
|
200 |
300 |
70 |
70 |
12,80 |
20,00 |
||
|
ЭДД4.10 |
170 |
141 |
6,57 |
52,60 |
|||||
Примечания:
1. Размер а1 приведен для тротуара шириной 3 м. Для тротуара другой ширины размер а1 определяют расчетом. Максимальная величина а1 должна быть меньше 2а.
2. Допускается изготовлять плиты с рифленой лицевой поверхностью с размерами углублений до 3 мм.
3. Допускается изготовление плит с фаской шириной до 10 мм и углом наклона до 45° по периметру лицевой поверхности.
ПРИЛОЖЕНИЕ 1. (Измененная редакция, Изм. № 1).
Рекомендуемое
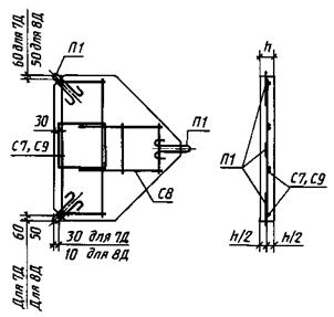
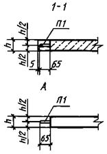
1. Детали установки петель указаны на черт. 1.
2. Расположение арматуры в плитах указано на черт. 2 - 7.
3. Арматурные изделия приведены на черт. 8 - 13.
4. Спецификация арматурных изделий на одну плиту и на одно арматурное изделие, выборка стали на одну плиту приведены в табл. 5 - 7.
Примечание. По согласованию с потребителем допускается изменение армирования плит (конструкции сеток, диаметра и класса арматуры, формы и привязки монтажных петель), связанное с установкой монтажных петель.
Детали установки петель П1
|
в тротуарных плитах 7К, 8К, 4П, 5П, 6П, 7П, 8П и в прямых углах плиты 11Д |
тротуарной плите 3Ш |
|
|
|
|
в тротуарной плите 14Д |
|
|
|
|
Примечание. Допускается установка петель на нижней поверхности или боковых гранях плит.
Черт. 1
|
Армирование тротуарных плит 7К, 8К Черт. 2 |
Армирование тротуарных плит 4П, 5П, 6П
Черт. 3 |
|
Армирование тротуарной плиты 3Ш
Черт. 4 |
Армирование тротуарных плит 7Д, 8Д
Черт. 5 |
|
Армирование тротуарной плиты 11Д |
Армирование тротуарной плиты 14Д |
|
Черт. 6 |
Черт. 7 |
Арматурные сетки C1, C2
Черт. 8
Арматурные сетки С3, С4, С5

Черт. 9
Арматурная сетка С6

Черт. 10
Арматурные сетки С7, С8, С9

Черт. 11
Таблица 5
Спецификация арматурных изделий на одну плиту
|
Сетка |
Петля |
|||
|
Марка |
Кол., шт. |
Марка |
Кол., шт. |
|
|
7К |
С1 |
1 |
П1 |
4 |
|
8К |
С2 |
|||
|
4П |
С3 |
|||
|
5П |
С4 |
|||
|
6П |
С5 |
3 |
||
|
3Ш |
С6 |
|||
|
7Д |
С7, С8 |
|||
|
8Д |
С8, С9 |
|||
|
11Д |
С10 |
|||
|
14Д |
||||
Таблица 6
Спецификация и выборка стали на одно арматурное изделие
|
Марка изделия |
Поз. |
Диаметр, мм |
Длина, мм |
Кол., шт. |
Общая длина, м |
Масса поз., кг |
Выборка стали |
|
|
Диаметр, мм |
Масса изделия, кг |
|||||||
|
С1 |
1 |
4Вр-I |
690 |
8 |
5,52 |
0,51 |
4Вр-I |
0,57 |
|
2 |
170 |
4 |
0,68 |
0,06 |
- |
|||
|
С2 |
3 |
940 |
8 |
7,52 |
0,69 |
4Вр-I |
0,75 |
|
|
2 |
170 |
4 |
0,68 |
0,06 |
- |
|||
|
С3 |
1 |
690 |
2 |
1,38 |
0,13 |
4Вр-I |
0,25 |
|
|
4 |
315 |
4 |
1,26 |
0,12 |
- |
|||
|
С4 |
1 |
690 |
3 |
2,07 |
0,19 |
4Вр-I |
0,35 |
|
|
5 |
440 |
4 |
1,76 |
0,16 |
- |
|||
|
С5 |
3 |
940 |
3 |
2,82 |
0,26 |
4Вр-I |
0,46 |
|
|
5 |
440 |
5 |
2,20 |
0,20 |
- |
|||
|
С6 |
3 |
640 |
6 |
3,84 |
0,35 |
4Вр-I |
0,35 |
|
|
С7 |
3 |
940 |
2 |
1,88 |
0,72 |
|||
|
7 |
340 |
4 |
1,36 |
0,37 |
- |
|||
|
С8 |
6 |
640 |
2 |
1,28 |
0,24 |
4Вр-I |
0,33 |
|
|
7 |
340 |
3 |
1,02 |
0,09 |
- |
|||
|
С9 |
8 |
1240 |
2 |
2,48 |
1,23 |
4Вр-I |
1,67 |
|
|
9 |
190 |
5 |
0,95 |
0,44 |
- |
|||
|
С10 |
6 |
640 |
2 |
1,28 |
0,24 |
4Вр-I |
0,33 |
|
|
7 |
340 |
3 |
1,02 |
0,09 |
- |
|||
|
П1 |
10 |
6A-I |
665 |
1 |
0,665 |
0,15 |
6A-I |
0,15 |
Таблица 7
Расход стали на одну плиту
|
Арматурная сталь по ГОСТ 5781 |
Арматурная сталь по ГОСТ 6727 |
Всего, кг |
|||
|
Класс A-I |
Класс Вр-I |
||||
|
Диаметр 6 мм |
Итого, кг |
Диаметр 4 мм |
Итого, кг |
||
|
7К |
0,60 |
0,60 |
0,57 |
0,57 |
1,17 |
|
8К |
0,75 |
0,75 |
1,35 |
||
|
4П |
0,25 |
0,25 |
0,85 |
||
|
5П |
0,35 |
0,35 |
0,95 |
||
|
6П |
0,46 |
0,46 |
1,06 |
||
|
3Ш |
0,45 |
0,45 |
0,35 |
0,35 |
0,80 |
|
7Д |
1,05 |
1,05 |
1,50 |
||
|
8Д |
2,00 |
2,00 |
2,45 |
||
|
11Д |
0,33 |
0,33 |
0,78 |
||
|
14Д |
0,33 |
0,33 |
0,78 |
||
Рекомендуемое
1. Пластифицирующие (лигносульфонаты технические ЛСТ по ТУ 13-0281036-05 и ЛСБУ по ТУ 13-7308001-738, лигносульфонаты модифицированные ЛСТИ по ОСТ 13-287) в объеме (массе) 0,2 - 0,3 % от массы цемента в пересчете на сухое вещество; сульфитно-дрожжевая бражка по ТУ 13-0281036-05 в объеме (массе) 0,2 % от массы цемента в пересчете на сухое вещество.
2. Воздухововлекающие (смола нейтрализованная воздухововлекающая (СНВ) по ТУ 81-05-75 в объеме (массе) 0,01 - 0,02 от массы цемента в пересчете на сухое вещество.
3. Пластифицирующие-воздухововлекающие (мылонафт и асидол по ГОСТ 13302 в объеме (массе) не менее 0,02 % от массы цемента, кремнийорганические жидкости ГКЖ-10 и ГКЖ-11 по ТУ 6-02-696) в объеме (массе) до 0,2 % от массы цемента в пересчете на сухое вещество.
4. Газообразующие (гидрофобизирующая жидкость 136-41 (ГКЖ-94) по ГОСТ 10834) в объеме (массе) 0,1 % от массы цемента.
5. Разжижитель С-3 (по ТУ 6-36-0204229-625) в объеме (массе) 0,3 - 0,7 % от массы цемента в пересчете на сухое вещество.
Рекомендуемое
Таблица 8
|
Цвет |
Пигменты |
Рекомендуемое содержание пигментов, % от массы цемента |
|
|
|
неорганические (минеральные) |
органические |
|
||
|
Красный |
Редоксайд по ТУ 6-10-667 Сурик железный по ГОСТ 8135 Железоокислый по ТУ МХП 1911 |
- |
5 |
|
|
8 |
|
|||
|
5 |
||||
|
Желтый |
Железоокисный по ТУ МХП 1927 |
|
||
|
Зеленый |
Окись хрома по ГОСТ 2912 |
- |
8 |
|
|
Голубой |
- |
Фталоцианиновый по ГОСТ 6220 |
0,5 |
|
|
Черный |
Руда марганцевая при содержании окиси марганца не менее 90 % по СТУ 100 - 142 Груз. ССР |
- |
10 |
|
|
Белый |
Белый цемент по ГОСТ 965 |
- |
|
|
1. РАЗРАБОТАН Министерством жилищно-коммунального хозяйства РСФСР, Мосстройкомитетом и Главмосархитектурой при Мосгорисполкоме
РАЗРАБОТЧИКИ
Г.М. Хуторцов, канд. техн. наук (руководитель темы); Г.И. Коротких; Э.М. Гольдин, канд. техн. наук; Л.В. Городецкий, канд. техн. наук; В.Г. Майдель, канд. техн. наук; Р.И. Бега, канд. техн. наук; Н.Н. Козеева; Л.П. Щепин; P.M. Колтовская; Н.И. Нагорняк
2. ВНЕСЕН Министерством жилищно-коммунального хозяйства РСФСР
3. УТВЕРЖДЕН И ВВЕДЕН В ДЕЙСТВИЕ Постановлением Государственного строительного комитета СССР от 03.04.91 № 14
Изменение № 1 принято Межгосударственной научно-технической комиссией по стандартизации, техническому нормированию и сертификации в строительстве (МНТКС) 23.04.97
За принятие изменения проголосовали:
|
Наименование государства |
Наименование органа государственного управления строительством |
|
Республика Армения |
Министерство градостроительства Республики Армения |
|
Республика Беларусь |
Минстройархитектуры Республики Беларусь |
|
Республика Казахстан |
Агентство строительства и архитектурно-градостроительного контроля Министерства экономики и торговли Республики Казахстан |
|
Киргизская Республика |
Минархстрой Киргизской Республики |
|
Российская Федерация |
Госстрой России |
|
Украина |
Госкомградостроительства Украины |
4. ВЗАМЕН ГОСТ 17608-81
5. ССЫЛОЧНЫЕ НОРМАТИВНО-ТЕХНИЧЕСКИЕ ДОКУМЕНТЫ
|
Обозначение НТД, на который дана ссылка |
Номер пункта, приложения |
|
Приложение 4 |
|
|
» |
|
|
Приложение 4 |
|
|
Приложение 4 |
|
|
Приложение 3 |
|
|
ОСТ 13-287-85 |
Приложение 3 |
|
ТУ 6-02-696-76 |
» |
|
ТУ 6-03-7-04 |
|
|
ТУ 6-10-667-74 |
Приложение 4 |
|
Приложение 3 |
|
|
Вводная часть |
|
|
ТУ 6-36-0204229-625-90 |
Приложение 3 |
|
ТУ 13-0281036-05-85 |
» |
|
ТУ 13-7308001-738-86 |
» |
|
ТУ 81-05-75-74 |
» |
|
ТУ 400-1-225 |
|
|
ТУ МХП 1911 |
Приложение 4 |
|
ТУ МХП 1927 |
» |
|
СТУ 100-142 Груз. ССР |
» |
6. ИЗДАНИЕ (апрель 2002 г.) с Изменением № 1, утвержденным в июне 1997 г. (ИУС 10-97)