
ГОСУДАРСТВЕННЫЙ СТАНДАРТ СОЮЗА ССР
ПЛИТЫ ПОКРЫТИЙ ЖЕЛЕЗОБЕТОННЫЕ
ДЛЯ ЗДАНИЙ ПРЕДПРИЯТИЙ
ТЕХНИЧЕСКИЕ УСЛОВИЯ
ГОСТ 28042-89
ГОСУДАРСТВЕННЫЙ
СТРОИТЕЛЬНЫЙ КОМИТЕТ СССР
Москва
ГОСУДАРСТВЕННЫЙ СТАНДАРТ СОЮЗА ССР
|
ПЛИТЫ ПОКРЫТИЙ ЖЕЛЕЗОБЕТОННЫЕ Технические условия Reinforced concrete roofings for enterprises
buildings. |
ГОСТ |
Несоблюдение стандарта преследуется по закону
Настоящий стандарт распространяется на железобетонные ребристые и плоские плиты, изготовляемые из тяжелого или конструкционного легкого бетона и предназначенные для несущей основы кровли зданий предприятий всех отраслей промышленности и народного хозяйства за исключением зданий гражданского строительства (жилых и общественных).
Плиты применяют в соответствии с указаниями рабочих чертежей или стандартов на эти плиты.
1.1. Плиты следует изготовлять в соответствии с требованиями настоящего стандарта и технологической документации, утвержденной в установленном порядке, по рабочим чертежам серий 1.465.1-7/84, 1.465.1-13, 1.465.1-14, 1.465.1-15, 1.465.1-16, 1.465.1-17, ПК-01-88, 1.865.1-4/89 и 1.865.1-8.
Допускается изготовлять плиты, отличающиеся типами и размерами от приведенных в настоящем стандарте, по техническим условиям и соответствующим рабочим чертежам, утвержденным в установленном порядке.
(Поправка).
1.2. Основные параметры и размеры
1.2.1. Железобетонные ребристые плиты координационными размерами 1,5´6, 1,5´12, 3´6, 3´12 и 3´18 м изготовляют предварительно напряженными, а доборные ребристые и плоские - с ненапрягаемой арматурой.
(Поправка).
1.2.2. Предварительно напряженные плиты подразделяют на следующие типы:
ПГ - без проемов в полке плиты, с верхней плоской (горизонтальной или двускатной) поверхностью;
ПОГ - то же, со сводчатой верхней поверхностью (плиты- оболочки);
ПВ - с проемами в полке плиты для пропуска вентиляционных шахт с дефлекторами или зонтами, а также воздуховодов крышных вентиляторов, с верхней плоской (горизонтальной или двускатной) поверхностью;
ПОВ - то же, плиты-оболочки;
ПФ - с проемами в полке плиты для установки зенитных фонарей, с верхней плоской (горизонтальной или двускатной) поверхностью;
ПОФ - то же, плиты-оболочки;
ПС - с проемами в полке плиты для установки светоаэрационных фонарей, с верхней плоской (горизонтальной или двускатной) поверхностью;
ПОС - то же, плиты-оболочки;
ПЛ - с проемами в полке плиты для устройства легкосбрасываемой кровли, с верхней плоской (горизонтальной или двускатной) поверхностью;
ПОЛ - то же, плиты-оболочки.
1.2.3. Плиты с ненапрягаемой арматурой изготовляют без проемов в полке и подразделяют на следующие типы:
ПР - ребристые;
ПП - плоские.
1.2.4. форма и основные размеры плит должны соответствовать приведенным в приложении.
1.2.5. Показатели расхода бетона и стали на плиты должны соответствовать указанным в рабочих чертежах или стандартах на эти плиты.
1.2.6. В случаях, предусмотренных проектом здания, плиты могут иметь дополнительные отверстия, вырезы в полках, углубления па наружных гранях продольных ребер для устройства бетонных шпонок между смежными плитами, а также дополнительные закладные изделия.
1.2.7. Плиты обозначают марками в соответствии с требованиями ГОСТ 23009. Марка плиты состоит из буквенно-цифровых групп, разделенных дефисами.
В первой группе указывают обозначение типоразмера плиты.
Во второй группе указывают порядковый номер плиты по несущей способности, класс напрягаемой арматуры (для предварительно напряженных плит), вид бетона (для плит, изготовляемых из легкого бетона).
В третью группу, при необходимости, включают дополнительные характеристики, отражающие особые условия применения плит: их стойкость к воздействию агрессивной среды, сейсмическим и другим воздействиям, а также обозначения конструктивных особенностей плит (наличие, размеры и расположение проемов, наличие дополнительных закладных изделий и др.).
Пример условного обозначения (марки) плиты типоразмера 3ПГ6, второй по несущей способности, с напрягаемой арматурной сталью класса Ат-V, изготовляемой из тяжелого бетона:
3ПГ6-2АтVI
То же, третьей по несущей способности, с напрягаемой арматурной сталью класса Ат-V, изготовляемой из легкого бетона, с дополнительными закладными изделиями:
3ПГ6-3АтVЛ-а
То же, плиты типоразмера 4ПВ6, четвертой по несущей способности, с напрягаемой арматурной сталью класса Ат-V, изготовляемой из легкого бетона, с проемом диаметром 400 мм:
4ПВ6-4АтVЛ-4
Примечание. Допускается принимать обозначения марок плит в соответствии с указаниями рабочих чертежей и стандартов на эти плиты до их пересмотра.
1.3. Характеристики
1.3.1. Плиты должны удовлетворять требованиям ГОСТ 13015.0:
по показателям фактической прочности бетона (передаточной, отпускной и в проектном возрасте);
по морозостойкости бетона, а для плит, эксплуатируемых в условиях воздействия агрессивной газообразной среды также по водонепроницаемости бетона;
по показателю фактической средней плотности легкого бетона;
к маркам сталей для арматурных и закладных изделий, в том числе для монтажных петель;
по толщине защитного слоя бетона до арматуры;
по защите от коррозии.
1.3.2. Плиты должны удовлетворять установленным при проектировании требованиям по прочности, жесткости и трещиностойкости и при испытании их нагруженном выдерживать контрольные нагрузки, указанные в рабочих чертежах или стандартах на эти плиты.
1.3.3. Плиты следует изготовлять из тяжелого бетона по ГОСТ 26633 или легкого бетона плотной структуры по ГОСТ 25820 классов или марок бетона по прочности на сжатие, указанных в рабочих чертежах или в стандартах на эти плиты.
1.3.4. Передачу усилий обжатия на бетон (отпуск натяжения арматуры) в предварительно напряженных плитах следует производить после достижения бетоном требуемой передаточной прочности.
Нормируемая передаточная прочность бетона предварительно напряженных плит в зависимости от класса или марки бетона,
вида и класса напрягаемой арматурной стали должна соответствовать указанной в рабочих чертежах или стандартах на эти плиты.
1.3.5. Нормируемую отпускную прочность бетона предварительно напряженных плит принимают равной нормируемой передаточной прочности, а плит с ненапрягаемой арматурой - 70 % класса или марки по прочности на сжатие.
При поставке плит в холодный период года нормируемая отпускная прочность бетона плит может быть повышена до 85 % класса или марки бетона по прочности на сжатие согласно указаниям рабочих чертежей или стандартов на эти плиты.
1.3.6. Для армирования плит следует применять арматурную сталь следующих видов и классов:
в качестве напрягаемой арматуры - термомеханически упрочненную стержневую классов Aт-VI, Aт-V, Aт-VCK, Aт-IVC, Aт-IVK по ГОСТ 10884, горячекатаную стержневую классов A-V, A-IV по ГОСТ 5781, арматурные канаты класса К-7 по ГОСТ 13840, высокопрочную проволоку периодического профиля класса Вр-II по ГОСТ 7348 и стержневую класса А-IIIв, изготовляемую из арматурной стали класса A-III по ГОСТ 5781 путем упрочнения вытяжкой с контролем величины напряжения и предельного удлинения;
в качестве ненапрягаемой - стержневую арматурную сталь классов A-III и A-I по ГОСТ 5781; термомеханически упрочненную классов Aт-IVC и Aт-IIIC по ГОСТ 10884 и обыкновенную арматурную проволоку класса Вр-1 по ГОСТ 6727.
1.3.7. Стержни напрягаемой арматуры классов А-IIIв, A-IV, A-V и Aт-IVC могут быть состыкованы контактной стыковой сваркой в соответствии с требованиями ГОСТ 14098. Сварные стыки следует размещать от торцов плиты не далее, чем на четверть ее длины.
1.3.8. Значения фактических отклонений напряжений в напрягаемой арматуре не должны превышать предельных, установленных в рабочих чертежах или стандартах на плиты.
1.3.9. Форма и размеры арматурных и закладных изделий и их положение в плитах должны соответствовать указанным в рабочих чертежах или стандартах на эти плиты.
1.3.10. Значения действительных отклонений геометрических параметров плит не должны превышать предельных, указанных в табл. 1.
1.3.11. Разность выгибов предварительно напряженных плит одинаковой марки по несущей способности и напрягаемой арматуре не должны превышать, мм:
10 - при длине плит до 6000 мм;
20 » » » » 12000 мм;
30 » » » » 18000 мм.
Таблица 1
мм
|
Наименование геометрического параметра |
Пред. откл. |
|
|
Отклонение от линейного размера |
Длина плиты: |
|
|
2990 и менее |
±5 |
|
|
5970 |
±6 |
|
|
11960 |
±8 |
|
|
17940, 17960 |
±15 |
|
|
Ширина плиты |
±5 |
|
|
Высота плиты: |
||
|
до 450 включ. |
±5 |
|
|
св. 450 |
±6 |
|
|
Толщина полки |
±3 |
|
|
Размеры ребер |
+3 |
|
|
Положение проемов, отверстий и вырезов |
10 |
|
|
Положение закладных изделий: |
||
|
в плоскости плиты: |
||
|
опорные изделия |
5 |
|
|
дополнительные изделия |
10 |
|
|
из плоскости плиты |
3 |
|
|
Отклонение от прямолинейности профиля наружных боковых поверхностей продольных ребер плит на всей их длине |
Длина плиты: |
|
|
1490, 2990 |
8 |
|
|
5970 |
10 |
|
|
11960 |
12 |
|
|
17940, 17960 |
15 |
1.3.12. Требования к качеству поверхностей и внешнему виду плит - по ГОСТ 13015.0. При этом качество бетонных поверхностей плит должно удовлетворять требованиям, установленным для категории не ниже А6.
1.3.13. Концы напрягаемой арматуры не должны выступать за торцевые поверхности плит более чем на 10 мм и должны быть защищены слоем цементно-песчаного раствора или битумным лаком.
1.3.14. В бетоне плит, поставляемых потребителю, трещины не допускаются, за исключением:
усадочных и других поверхностных технологических трещин, ширина которых не должна превышать в предварительно напряженных плитах 0,05 мм, в плитах с ненапрягаемой арматурой 0,1 мм;
поперечных трещин в верхней зоне продольных ребер от обжатия бетона, а также в торцевых ребрах, ширина которых не должна превышать 0,15 мм.
1.4. Маркировка
1.4.1. Маркировка плит - по ГОСТ 13015.2.
Маркировочные надписи и знаки следует наносить на наружные грани торцевого или продольного ребра плиты, а для плит серии ПК-01-88 - на лицевую поверхность.
2.1. Приемка плит - по ГОСТ 13015.1 и настоящему стандарту. При этом плиты принимают:
по результатам периодических испытаний - по показателям прочности, жесткости и трещиностойкости плит, морозостойкости бетона, пористости уплотненной смеси легкого бетона, а также по водонепроницаемости бетона плит, предназначенных для эксплуатации в условиях воздействия агрессивной газообразной среды;
по результатам приемо-сдаточных испытаний - по показателям прочности бетона (классу или марке бетона по прочности на сжатие, передаточной и отпускной прочности), средней плотности легкого бетона, соответствия арматурных и закладных изделий рабочим чертежам, прочности сварных соединений, точности геометрических параметров, толщины защитного слоя бетона до арматуры, ширины раскрытия технологических трещин, категории бетонной поверхности.
2.2. Периодические испытания нагружением предварительно напряженных плит для контроля их прочности, жесткости и трещиностойкости проводят перед началом массового изготовления плит и в дальнейшем - при внесении в них конструктивных изменений и при изменении технологии изготовления в соответствии с требованиями ГОСТ 13015.1.
В процессе серийного производства плит испытания нагружением проводят не реже одного раза в год. Испытания плит длиной 5970 мм и менее в процессе их серийного производства могут не проводиться, если осуществляется неразрушающий контроль в соответствии с ГОСТ 13015.1.
2.3. Испытания бетона по показателю пористости (объему межзерновых пустот) уплотненной смеси легкого бетона следует проводить не реже одного раза в месяц.
2.4. Плиты по показателям точности геометрических параметров, толщины защитного слоя бетона до арматуры, категории бетонной поверхности и ширины раскрытия технологических трещин следует принимать по результатам выборочного контроля.
2.5. В документе о качестве плит, предназначенных для эксплуатации в условиях воздействия агрессивных газообразных сред, дополнительно должна быть приведена марка бетона по водонепроницаемости (если этот показатель оговорен в заказе на изготовление плит).
3.1. Прочность бетона плит следует определять по ГОСТ 10180 на серии образцов, изготовленных из бетонной смеси рабочего состава и хранившихся в условиях, установленных ГОСТ 18105.
При контроле прочности бетона неразрушающими методами фактическую передаточную и отпускную прочность бетона на сжатие следует определять ультразвуковым методом по ГОСТ 17624 или приборами механического действия по ГОСТ 22690, а также другими методами, предусмотренными стандартами на методы испытаний бетона.
3.2. Морозостойкость бетона плит следует определять по ГОСТ 10060 на серии образцов, изготовленных из бетонной смеси рабочего состава.
3.3. Водонепроницаемость бетона плит, предназначенных для эксплуатации в условиях воздействия агрессивной газообразной среды, следует определять по ГОСТ 12730.0 и ГОСТ 12730.5 на серии образцов, изготовленных из бетонной смеси рабочего состава.
3.4. Показатели пористости уплотненной смеси легкого бетона следует определять по ГОСТ 10181.0 и ГОСТ 10181.3.
3.5. Среднюю плотность легкого бетона плит следует определять по ГОСТ 12730.0, ГОСТ 12730.1 или радиоизотопным методом по ГОСТ 17623.
3.6. Контроль сварных арматурных и закладных изделий следует проводить по ГОСТ 10922 и ГОСТ 23858.
3.7. Силу натяжения арматуры, контролируемой по окончании натяжения, следует измерять по ГОСТ 22362.
3.8. Размеры и отклонения от прямолинейности поверхностей плит, ширину раскрытия технологических трещин, размеры раковин, наплывов и околов бетона плит следует проверять методами, установленными ГОСТ 26433.0 и ГОСТ 26433.1.
3.9. Размеры и положение арматурных и закладных изделий, а также толщину защитного слоя бетона до арматуры следует определять по ГОСТ 17625 и ГОСТ 22904. При отсутствии необходимых приборов допускается вырубка борозд и обнажение арматуры плит с последующей заделкой борозд.
4.1. Транспортировать и хранить плиты следует в соответствии с требованиями ГОСТ 13015.4 и настоящего стандарта.
4.2. Плиты следует транспортировать и хранить в рабочем (горизонтальном) положении в штабелях с опиранием плит на четыре точки.
Высота штабеля плит при их хранении не должна превышать 2,5 м.
4.3. Подкладки под ребристыми плитами с плоской горизонтальной верхней поверхностью и прокладки между ними в штабеле следует располагать по вертикали одна под другой на расстоянии не более 500 мм от торца плиты.
Подкладки и прокладки под плоскими плитами следует располагать в опорной части плиты.
4.4. Хранение и транспортирование плит с плоской двускатной или сводчатой верхней поверхностью следует осуществлять с использованием специальных приспособлений, обеспечивающих описание плит в зоне опорных закладных изделий или стальных анкеров (в плитах-оболочках) на консольные столики или металлические балки.
При хранении плит в один ряд по высоте на выровненной поверхности пола под угловые закладные изделия или анкеры должны быть уложены деревянные прокладки шириной 200 мм; все прокладки должны иметь одинаковую толщину не менее 50 мм.
4.5. Подъем плит длиной 6 м и более следует осуществлять специальными траверсами (с захватом за монтажные петли или строповочные детали), обеспечивающими равномерное распределение нагрузки на все четыре петли поднимаемой плиты и гарантирующими отсутствие сгиба петли и соблюдение угла наклона стропов в соответствии с черт. 1.
Допускается производить подъем плит длиной 6 м четырехветвевыми стропами с утлом наклона стропов не менее 45 к горизонту.
Черт. 1
4.6. Ребристые и плоские плиты длиной до 3 м следует транспортировать уложенными в штабели и закрепленными от смещений растяжками за монтажные петли плит.
4.7. При транспортировании плит длиной свыше 3 м железнодорожным транспортом не допускается применять схемы погрузки, предусматривающие крепление штабеля плит растяжками, увязываемыми за монтажные петли плит.
Таблица 2
|
Обозначение типоразмера плиты |
Основные размеры плиты, мм |
Номер чертежа плиты |
Обозначение серии рабочих чертежей или стандарта |
||
|
длина |
ширина |
высота на опоре |
|||
|
Плиты типов ПГ, ПВ, ПФ, ПС, ПЛ |
|||||
|
1ПГ6 |
5970 |
2980 |
250 |
1.865.1-4/89 |
|
|
1ПВ6 |
|||||
|
2ПГ6 |
1480 |
||||
|
2ПВ6 |
|||||
|
3ПГ6 |
2980 |
300 |
1.465.1-17 |
||
|
3ПВ6 |
|||||
|
3ПФ6 |
|||||
|
3ПЛ6 |
|||||
|
4ПГ6 |
1480 |
1.465.1-7/84 |
|||
|
4ПВ6 |
|||||
|
4ПФ6 |
|||||
|
4ПЛ6 |
|||||
|
1ПГ12 |
11960 |
2980 |
450 |
1.465.1-15 |
|
|
1ПВ12 |
|||||
|
1ПФ12 |
|||||
|
1ПЛ12 |
|||||
|
2ПГ12 |
18* |
||||
|
2ПВ12 |
19* |
||||
|
2ПФ12 |
|||||
|
2ПЛ12 |
|||||
|
3ПГ12 |
1480 |
1.465.1-16 |
|||
|
3ПВ12 |
|||||
|
3ПЛ12 |
|||||
|
1ПГ18 |
17940 |
2960 |
600 |
22* |
1.465.1-13 |
|
1ПВ18 |
|||||
|
1ПФ18 |
|||||
|
1ПС18 |
27* |
||||
|
1ПЛ18 |
|||||
|
Плиты типов ПОГ, ПОВ, ПОФ, ПОС, ПОЛ |
|||||
|
ПОГ18 |
17960 |
2980 |
150 |
29* |
1.465.1-14 |
|
ПОВ18 |
30* |
||||
|
ПОФ18 |
|||||
|
ПОС18 |
|||||
|
ПОЛ18 |
|||||
|
Плиты типов ПР, ПП |
|||||
|
ПР3 |
2990 |
495 |
140 |
ПК-01-88 |
|
|
ПР1 |
1490 |
||||
|
1ПП |
750 |
500 |
40 |
||
|
2ПП |
600 |
400 |
|||
|
1ПР6 |
5970 |
550 |
2501 |
1.865.1-8 |
|
|
2ПР6 |
440 |
||||
|
3ПР6 |
260 |
||||
___________
* На черт. 18, 19, 22-24, 27, 29 и 30 в скобках приведен второй вариант размеров плит в связи с увеличением толщины их полки на 5 мм в случаях, указанных в рабочих чертежах на эти плиты.
(Поправка).
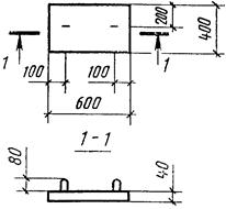
Плита типоразмера 1ПГ6
Черт. 2
Плита типоразмера 1ПВ6 с проемом диаметром 400, 700 или 1000 мм
Черт. 3
Плита типоразмера 2ПГ6
Черт. 4
Плита типоразмера 2ПВ6 с проемом диаметром 400, 700 или 1000 мм
Черт. 5
Плита типоразмера 3ПГ6
Черт. 6
Плита типоразмера 3ПВ6
С проемом диаметром 400 или 700 мм
С проемом диаметром 1000 или 1450 мм

Черт. 7
Плита типоразмера 3ПФ6 с проемом размерами 2600´2700 мм
Плита типоразмера 3ПЛв
Черт. 8
Черт. 9
Плита типоразмера 4ПГ6
Черт. 10
Плита типоразмера 4ПВ6 с проемом диаметром 400, 700 или 1000 мм
Черт. 11
Плита типоразмера 4ПФ6
С одним проемом размерами 1200´1700 мм
С двумя проемами размерами 1200´1700 мм

Черт. 12
Плита типоразмера 4ПЛ6
Черт. 13
Плита типоразмера 1ПГ12
Черт. 14
Плита типоразмера 1ПВ12
С проемом диаметром 400, 700 или 1000 мм
Черт. 15
С проемом диаметром 1450 мм

Черт. 15 (продолжение)
Плита типоразмера 1ПФ12
С четырьмя проемами размерами 1500´1700 мм.
С двумя проемами размерами 2600´2700 мм

Черт. 16
Плита типоразмера 1ПЛ12
Черт. 17
Плита типоразмера 2ПГ12
Черт. 18
Плита типоразмера 2ПВ12
С проемом диаметром 400 или 700 мм
Черт. 19
С проемом диаметрам 1000 или 1450 мм

Черт. 19 (продолжение)
Плита типоразмера 2ПФ12
С четырьмя проемами размерами 1500´1700 мм
С двумя проемами размерами 2600´2700 мм

Черт. 20
Плита типоразмера 2ПЛ12
Черт. 21
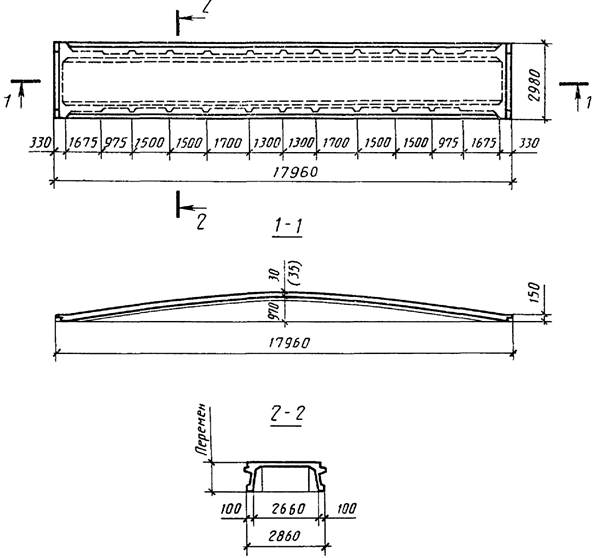
Плита типоразмера 1ПГ18
Черт. 22
Плита типоразмера 1ПВ18 с проемом, расположенным в торцевой части плиты
Проем диаметром 400, 700 или 1000 мм
Проем диаметром 1450 мм.

Черт. 23
Плита типоразмера 1ПВ18 с проемом, расположенным в средней части плиты
Проем, диаметром 400, 700 или 1000 мм

Проем диаметром 1450 мм

Черт. 24
Плита типоразмера 1ПФ18 с проемами размерами 1400´1700 мм
С четырьмя проемами
С двумя проемами

Черт. 25
Плита типоразмера 1ПФ18 с проемами размерами 2800´2700 мм
С двумя проемами
С одним проемом

Черт. 26
Плита типоразмера 1ПС18
Черт. 27
Плита типоразмера 1ПЛ18
Черт. 28
Плита типоразмера ПОГ18
Черт. 29
Плита типоразмера ПОВ18
С одним проемом диаметром 400, 700, 1000 или 1450 мм
С двумя проемами диаметром 400, 700, 1000 или 1450 мм

Черт. 30
Плита типоразмера ПОФ18 или ПОС18
Черт. 31
Плита типоразмера ПОЛ 18
Черт. 32
Плита типоразмера ПРЗ
Черт. 33
Плита типоразмера ПР1
Черт. 34
Плита типоразмера 1 П Р6
Черт. 35
Плита типоразмера 2ПР6
Черт. 36
Плита типоразмера 3ПР6
Черт. 37
Плита типоразмера 1ПП
Черт. 38
Плита типоразмера 2ПП
Черт. 39
Плита типоразмера 3ПГ12
Черт. 40
Плита типоразмера 3ПВ12

Плита типоразмера 3ПЛ12
Черт. 42
(Поправка).
ИНФОРМАЦИОННЫЕ ДАННЫЕ
1. РАЗРАБОТАН И ВНЕСЕН Центральным научно-исследовательским и проектно-экспериментальным институтом промышленных зданий и сооружений (ЦНИИпромзданий) Госстроя СССР
ИСПОЛНИТЕЛИ
В. А. Бажанова (руководитель темы); А. Я. Розенблюм; Н. М. Гримайло; Г. И. Бердичевский, д-р техн. наук; А А. Светов, канд. техн. наук; М. Г. Коревицкая, канд. техн. наук; Л. С. Сианнут, канд. техн. наук; В. А. Козлов; А. П. Дужак; М. А. Янкелевич, д-р техн. наук А. Д. Либерман, канд. техн. наук; А. В. Шапиро; И. Н. Котов; В. И. Пименова; Е. И. Серговская; В. И. Деныциков
(Поправка).
2. УТВЕРЖДЕН И ВВЕДЕН В ДЕЙСТВИЕ Постановлением Государственного строительного комитета СССР от 27.02.89 № 3
3. Введен впервые
4. ССЫЛОЧНЫЕ НОРМАТИВНО-ТЕХНИЧЕСКИЕ ДОКУМЕНТЫ
|
Обозначение НТД, на который дана ссылка |
Номер пункта, подпункта, приложения |
Обозначение НТД, на который дана ссылка |
Номер пункта, подпункта, приложение |
|
ГОСТ 10180-78 |
|||
|
То же |
|||
|
» |
|||
|
ГОСТ 22904-78 |
|||
|
|
|