СОВМЕСТИМОСТЬ ТЕХНИЧЕСКИХ
СРЕДСТВ, РАЗМЕЩАЕМЫХ НА МОРСКИХ
ПОДВИЖНЫХ ОБЪЕКТАХ,
ЭЛЕКТРОМАГНИТНАЯ

НОРМЫ, ПРАВИЛА ОБЕСПЕЧЕНИЯ
И МЕТОДЫ КОМПЛЕКСНОЙ ОЦЕНКИ

 

РД 50-726-92

 

 

 

ИЗДАТЕЛЬСТВО СТАНДАРТОВ

Москва

1993

 

РУКОВОДЯЩИЙ ДОКУМЕНТ ПО СТАНДАРТИЗАЦИИ

СОВМЕСТИМОСТЬ ТЕХНИЧЕСКИХ СРЕДСТВ, РАЗМЕЩАЕМЫХ НА МОРСКИХ ПОДВИЖНЫХ ОБЪЕКТАХ, ЭЛЕКТРОМАГНИТНАЯ

Нормы, правила обеспечения и методы комплексной оценки

РД
50-726-93

Дата введения 01.01.94

Настоящий руководящий документ (РД) распространяется на вновь разрабатываемые, изготовляемые и эксплуатируемые технические средства (ТС), фидерные тракты (ФТ) и антенные устройства (АУ), а также на верхнепалубные устройства (ВПУ), размещаемые на морских подвижных объектах (МПО) гражданского назначения.

РД устанавливает нормы допустимых уровней радиопомех, излучаемых и воспринимаемых ТС, ФТ, АУ через антенну, цепи питания, корпус и кабели внешних соединений, контакты ВПУ с переменным сопротивлением, методы их измерения, правила обеспечения и методы комплексной оценки электромагнитной совместимости (ЭМС) ТС на МПО.

РД предназначен для использования:

проектными организациями при разработке проектов МПО;

судостроительными организациями при постройке МПО;

разработчиками и изготовителями ТС при разработке эксплуатационной документации на ТС конкретного назначения;

эксплуатирующими организациями при ремонте и модернизации МПО и ТС в условиях эксплуатации.

В приложениях 1 и 2 приведены термины, их пояснения и обозначения, применяемые в настоящем РД.

1. ОБЩИЕ СВЕДЕНИЯ

1.1. Требования РД по обеспечению допустимого уровня радиопомех и ЭМС приведены с учетом того, что в радиоэлектронных средствах (РЭС), антенно-фидерных трактах (АФТ) и источниках индустриальных радиопомех (ИРП) выполнены мероприятия по защите приема сигналов от радиопомех.

1.2. Контроль нормируемых параметров РЭС МПО осуществляют с помощью измерительной аппаратуры, перечень которой приведен в приложении 3, при разработке РЭС, на этапах предварительных и государственных испытаний, а также при установке их на суда и другие МПО и на этапах швартовных и ходовых испытаний этих объектов.

1.3. Для обеспечения ЭМС РЭС при разработке проектными организациями проектов новых и модернизируемых судов должны выполняться требования по подавлению ИРП, источников контактных радиопомех (КП) в судовых ВПУ и по размещению АУ в объеме требований настоящего РД.

1.4. В период эксплуатации РЭС на судах и других МПО контроль нормируемых параметров осуществляется в соответствии с правилами технической эксплуатации РЭС.

2. НОРМЫ ДОПУСТИМЫХ УРОВНЕЙ РАДИОПОМЕХ НА МПО

2.1. Нормы внешней помехозащищенности радиоприемников, антенных усилителей, коммутаторов и электронных систем обработки информации

2.1.1. РД нормирует допустимые значения напряжения (напряженности поля) радиопомех, воздействующих на вход устройства помимо антенного входа, в том числе через экраны, по цепям питания, управления и коммутации, и не приводящих к ухудшению основных технических характеристик (параметров) испытываемых устройств.

2.1.2. Нормы параметров внешней помехозащищенности (напряженность электромагнитного поля) радиоприемников, антенных усилителей, коммутаторов и электронных систем обработки информации приведены на черт. 1.

2.1.3. Нормы параметров помехозащищенности по сети (в э.д.с.) в диапазоне рабочих частот до 30 МГц должны составлять не менее:

146 дБмкВ - для радиоприемников первой категории сложности по ГОСТ 25792, антенных усилителей и коммутаторов;

140 дБмкВ - для радиоприемников второй категории сложности по ГОСТ 25792;

132 дБмкВ - для электронных систем обработки информации, размещенных ниже главной палубы

2.1.4. На радиоприемники, антенные усилители, коммутаторы и электронные системы обработки информации, разработанные для установки на МПО, нормы допустимых значений внешней помехозащищенности устанавливают в технических условиях (ТУ). Если нормы, установленные в ТУ, превышают нормы, приведенные на черт. 1, то выполняют нормы ТУ.

Нормы параметров внешней помехозащищенности (напряженность электромагнитного поля)

1 - приемники первой категории сложности, антенные усилители и коммутаторы; 2 - приемники второй категории сложности; 3 - электронные системы обработки информации, расположенные ниже главной палубы

Черт. 1

2.1.5. При совпадении частоты помехи с промежуточной частотой радиоприемника норма помехозащищенности на этой частоте для радиоприемников первой категории сложности должна соответствовать не менее 140 дБмкВ/м, а для радиоприемников второй категории сложности - не менее 134 дБмкВ/м.

2.2. Нормы допустимых значений напряжения и напряженности поля ИРП, создаваемых судовыми РЭС и электротехническими средствами

2.2.1. Напряжение и напряженность поля радиопомех, создаваемых устройствами, устанавливаемыми и эксплуатируемыми на МПО совместно с радиоприемными устройствами, не должны превышать значений, приведенных на черт. 2 и 3.

Напряжение радиопомех

1 - РЭС, размещаемые внутри блоков с антенными цепями; 2 - РЭС, размещаемые в постах с радиоприемными и радионавигационными устройствами, а также на открытых местах и в неэкранированных помещениях верхней палубы и надстроек судов с металлическими корпусами; 3 - РЭС, размещаемые внутри металлического корпуса судна вне экранированного поста с радиоприемными устройствами, а также на катерах, не оборудованных радиоприемными устройствами

Черт. 2

2.2.2. Уровень радиопомех для аппаратуры АФТ радиоприемных устройств измеряют только на зажимах, электрически связанных с устройствами, расположенными внутри блоков с антенными цепями и ФТ.

2.2.3. Напряженность поля радиопомех, создаваемых оборудованием, измеряют только в том случае, если его устанавливают в постах с радиоприемными и радионавигационными устройствами на открытых местах верхней палубы и надстроек, а также на мачтах.

Напряженность поля радиопомех

Черт. 3

Для устройств внутри блоков с антенными цепями, не отделенных от них сплошными металлическими экранами, устройств внутри блоков с антенными цепями, отделенных от них экраном, и электрически связанных с ними устройств вне блоков с антенными цепями, а также для оборудования, размещаемого вблизи чувствительных к радиопомехам элементов аппаратуры радиоприемных устройств, эксплуатируемого на радиостанциях МПО, допустимое значение напряжения ИРП в полосе частот 0,15 - 100 МГц не должно превышать 15 дБмкВ.

2.3. Нормы допустимых уровней побочных радиоизлучений (ПИ) радиопередатчиков

2.3.1. Уровень любого ПИ, передаваемого радиопередатчиком в АФТ устройства на частоте ПИ, не должен превышать относительного и абсолютного значений, указанных в табл. 1.

2.3.2. Допустимые уровни помех в частотных полосах приемных станций спутниковой связи (ССС), навигации и оповещения о бедствии могут быть более жесткие по сравнению с приведенными в табл. 1 и определяться в ТУ на разработку новых радиопередатчиков.

2.4. Нормы необходимой ширины полосы радиочастот и допустимый уровень внеполосных радиоизлучений радиопередатчиков

2.4.1. Занимаемая ширина полосы частот для всех классов излучений не должна превышать необходимую ширину полосы частот более чем на 20 %. Значения необходимой ширины полосы частот и допустимого уровня внеполосного радиоизлучения с каждого его края (величина Вн/2) для определения занимаемой ширины полосы частот приведены в табл. 2.

2.4.2. Необходимую ширину полосы частот для различных классов излучений вычисляют по формулам, приведенным в табл. 2.

2.4.3. Внеполосные спектры всех классов излучений, используемых в МПО, нормируют до уровня минус 60 дБ индивидуально для каждого класса излучения по значениям ширины полосы частот, приведенным в табл. 3. Значения измерительных уровней при контроле спектров внеполосных радиоизлучений зависят от возможностей измерительной аппаратуры применительно к используемым в радиопередатчиках видам и параметрам модуляции.

2.4.4. Необходимая ширина полосы частот для основного режима работы в морской подвижной службе F1B и внеполосные спектры этого режима в полосе 500 Гц приведены на черт. 4. За пределами полосы 500 Гц нормы устанавливают по табл. 2 и 3.

Ширина полосы частот и внеполосные спектры для режима F1B

Черт. 4

Таблица 1

Допустимые уровни ПИ радиопередатчиков

Диапазон основных частот (исключая нижний предел и включая верхний предел) и средняя мощность радиопередатчика

Уровень ПИ

для радиопередатчиков, установленных до 01.01.85*

для радиопередатчиков, установленных после 01.01.85*

9 кГц - 30 МГц

Минус 40 дБ (не более 200 мВт)

Минус 40 дБ (не более 50 мВт)

30 МГц - 235 МГц:

 

 

25 Вт и менее

Минус 40 дБ (не более 10 мкВт)

Минус 40 дБ (не более 2,5 мкВт)

более 25 Вт

Минус 60 дБ (не более 10 мкВт)

Минус 60 дБ (не более 2,5 мкВт)

235 МГц - 960 МГц:

 

 

25 Вт и менее

Не более 10 мкВт

Минус 40 дБ (не менее 2,5 мкВт)

более 25 Вт

Минус 60 дБ (не более 10 мкВт)

Минус 60 дБ (не более 2,5 мкВт)

0,96 ГГц - 17,7 ГГц

Уровни ПИ должны быть настолько низкими, насколько это практически возможно

Минус 50 дБ (не более 100 мВт)

* Любой радиопередатчик, устанавливаемый на суда после 01.01.85, может создавать в полосе частот 1535 - 1543,5 МГц уровень помех, не превышающий минус 130 дБмВт в измеряемой полосе 20 кГц. Допустимый уровень действует до 01.01.94.

Таблица 2

Значения ширины полосы радиочастот и внеполосных излучений радиопередатчиков морской подвижной службы

Класс излучения

Дополнительная характеристика

Формулы для расчета

Примечание

 

необходимой ширины полосы радиочастот (Вн)

контрольной ширины полосы радиочастот (Вк)

внеполосных излучений

 

на уровне X дБ

ширины полосы (Вх)

 

1. АМПЛИТУДНАЯ МОДУЛЯЦИЯ

1.1. Сигнал с информацией в квантованной или цифровой форме

Телеграфия, незатухающие колебания, А1А, А1В

Радиопередатчики мощностью более 100 Вт

KB, где К = 5 для линий, подверженных замираниям, и К = 3 для линий без замираний

В

40

1,3Вн

 

50

1,6Вн

60

2,0Вн

 

Радиопередатчики мощностью 100 Вт и менее

5В

1,4Вн

40

2,6Вн

 

 

Тональная телеграфия, А2А, А2В

 

2Fв + 5B

2Fв + 6,8B

35

2Fв + 10Bн

 

 

Многоканальная тональная телеграфия, одна боковая полоса частот, подавленная несущая, J7B

 

Fв - Fн, где Fв и Fн соответственно верхняя и нижняя частоты однополосного канала

1,2Вн

40

2,1Вн

 

50

4,0Вн

60

6,9Вн

1.2. Факсимиле

 

Факсимиле с модуляцией несущей модулированной по частоте поднесущей, одна боковая полоса частот, ослабленная несущая, R3C

 

Fп + 1,5Fв

Bн + Fв

40

Bн + 2Fв

 

50

Bн + 3Fв

 

Bн + 4Fв

2. УГЛОВАЯ МОДУЛЯЦИЯ

2.1. Телеграфия

 

Телеграфия одноканальная, J1В

 

B + 2,4D

Для 1,5 £ m < 7

4,3Ö;

для m > 7

(т + 7)В

43

Для 1,5 < m < 5;

5,8Ö;

для m > 5

(1,2m + 7)В

m = 2D/B

 

 

 

 

 

50

Для 1,5 £ m < 12

8,1Ö;

для m ³ 12

(1,2m + 15)В

 

 

 

 

 

 

60

Для 1,5 £ m < 16

11Ö;

для m ³ 16

(1,3m + 23)В

 

 

УОФТ, G1B

Радиопередатчики морской подвижной службы диапазонов гектометровых (ГКМ) и декаметровых (ДКМ) волн

1,1В

2,4В

40

3,6Вн

Рекомендуется использовать скорость телеграфирования 100 или 200 бит/с

50

5,1Вн

60

6,6Вн

2.2. Телефония

 

Телефония, F3E

 

2Fв + 2D

Вн

40

Для 0,25 £ m < 1,3

(7,8m + 3)Fв;

для m ³ 1,3

(7,8m + 4)Fв

 

 

 

 

 

 

50

Для 0,25 £ m < 1,3

(8,4m + 4,4)Fв;

для m ³ 1,3

(8,4m + 6)Fв

 

 

 

 

 

 

60

Для 0,25 £ m < 1,3

(9m + 6)Fв;

для m ³ 1,3

(8,8m + 8)Fв

 

 

 

Таблица 3

Требования к внеполосным излучениям радиопередатчиков морской подвижной службы, работающих классами излучений R3E, Н3Е, Н2В, J3E

Полоса частот

Порядок комбинационных составляющих двухтонового сигнала, попадающих в данные полосы частот излучения классов J3E, Н3Е, Н2В, R3E

Уровень внеполосных составляющих на любой дискретной частоте, дБ, относительно

пиковой мощности огибающей

одной из основных составляющих спектра модулирующего двухтонового сигнала

От fпр = 1,5 кГц

до fпр = 4,5 кГц

3

31

25

От fпр = 4,5 кГц

до fпр = 7,5 кГц

5 и 7

38

32

От fпр = 7,5 кГц

до fпр = 10 кГц

9

43*

37*

* С абсолютным значением мощности не более 50 мВт.

Примечание. Присвоенная частота радиопередатчика (fпр) на 1400 Гц выше частоты несущей или ее остатка.

3. ПРАВИЛА ОБЕСПЕЧЕНИЯ ЭМС НА МПО

3.1. Общие правила

3.1.1. Подавление ИРП обеспечивают проведением мероприятий, направленных на увеличение затухания ИРП в электрических сетях и уменьшение связей этих сетей с радиоприемными антеннами и элементами ФТ.

К таким мероприятиям относят:

размещение приемной аппаратуры связи в специальных экранированных помещениях;

выполнение специальных требований по прокладке и экранированию АФТ;

экранирование отдельных электрических сетей с соблюдением непрерывности экранирования;

подавление ИРП в сетях питания приемных РЭС и установку помехоподавляющих конденсаторов в электрораспределительных устройствах;

дополнительное экранирование интенсивных источников ИРП.

3.1.2. Подавление КП, возникающих в ВПУ, обеспечивают мероприятиями, направленными на устранение переменных сочленений в ВПУ и уменьшение наводимых в них э.д.с. Эти мероприятия осуществляют способом заземления, изолирования или экранирования ВПУ, а также комплексным использованием этих способов.

3.1.3. Размещение АУ РЭС должно обеспечивать снижение напряжений, наводимых в приемных антеннах РЭС при работе излучающих средств судна, сохранность входных цепей аппаратуры и достижение минимальной ширины пораженной полосы при одновременной работе приемных и передающих средств.

3.1.4. Требования настоящего РД следует также учитывать при размещении и монтаже ССС на судах.

3.1.5. Размещение ССС должно обеспечивать уменьшение влияния ВПУ на усиление и диаграмму направленности (ДН) антенны ССС, снижение уровня наводимых на ССС напряжений и помех от излучающих радиосредств судна.

3.2. Правила подавления ИРП

3.2.1. Правила подавления ИРП на судах с металлическими корпусами

3.2.1.1. При размещении приемных РЭС на борту сами РЭС, коммутаторы антенн, антенные переключатели и широкополосные антенные усилители (ШАУ) должны размещаться в экранированных помещениях.

3.2.1.2. При размещении РЭС связи в выгородках, ходовых и рулевых рубках малых судов эти помещения должны соответствовать требованиям, предъявляемым к экранированным помещениям, за исключением требования о непрерывности их экранов (наличия экранированных дверей). При установке в этих же помещениях высокочастотных блоков (ВЧБ) навигационных радиолокационных станций (РЛС) приемные РЭС связи должны быть удалены от них на расстояние не менее 1 м.

Поверхности экранированного помещения должны быть металлическими, соединенными между собой при помощи сварки или пайки.

Переборки, выполняемые из тонколистовых металлов, допускается соединять с палубой и подволоком сваркой прерывистым швом с шагом 150 - 160 мм.

Торцевые поверхности ребер жесткости (гофров) специальной заделки не требуют.

Толщина поверхностей, образующих экранирование помещения, толщина экранирующих кожухов и труб находится в зависимости от рабочего диапазона размещаемых в них РЭС связи и должна быть для РЭС связи диапазонов ГКМ, ДКМ волн не менее 1,0 мм, для диапазонов метровых и дециметровых (ДЦМ) волн не менее 0,2 мм.

3.2.1.3. Допускается применять в качестве экрана металлизированную стеклоткань для помещений с аппаратурой метровых и ДЦМ волн на судах с питающей сетью переменного тока.

3.2.1.4. Двери экранированных помещений должны быть металлическими. Двери, выполненные из диэлектрического материала, должны быть экранированы металлическим листом, толщина которого должна быть не менее толщины экрана помещения. Лист должен быть соединен двумя перемычками с металлической переборкой помещения.

3.2.1.5. В экранированных помещениях с приемными РЭС допускается наличие иллюминаторов и окон, выходящих на открытые места при условии, что все источники ИРП, располагаемые в этих районах, соответствуют нормам, приведенным в разд. 2.

При выполнении палубы и переборок экранированного помещения из разнородных металлов их сварное соединение выполняют с применением биметаллических прокладок.

Электрическое соединение палуб и переборок, выполненных из разнородных металлов, изолированных друг от друга, выполняют заземляющими перемычками, устанавливаемыми по периметру. Расстояние между приварными перемычками должно быть не более 0,5 м для помещений с РЭС диапазонов метровых и ДЦМ волн и 1 м для помещений с РЭС ДКМ и ГКМ волн.

3.2.1.6. Во всех РЭС и электроаппаратуре, располагаемой в экранированном помещении с приемными РЭС связи, должны быть приняты меры по подавлению ИРП в соответствии с нормами, приведенными в разд. 2.

3.2.1.7. Все РЭС и электроаппаратура должны иметь надежное заземление на корпус судна.

3.2.1.8. Весь судовой монтаж, прокладываемый в помещениях с РЭС, должен быть выполнен экранированным кабелем. Экранирующие оболочки кабелей должны иметь надежное электрическое соединение с корпусами приборов, к которым они подходят.

Не рекомендуется прокладывать магистральные кабельные трассы через экранированные помещения.

В случае необходимости прокладывания транзитных кабелей, не отделенных металлической обшивкой, через экранированные помещения они должны быть дополнительно экранированы на участке внутри этих помещений. В качестве экрана должны применяться металлические трубы, кожухи или обшивка с толщиной стенки, равной толщине экрана помещения. Допускается использовать перфорированные кожухи с отверстиями площадью до 100 мм2 при шаге 250 мм. Отдельные секции кожухов могут соединяться точечной сваркой с шагом не более 250 мм или винтовым (болтовым) соединением с предварительной зачисткой соприкасающихся поверхностей.

Экранирующие оболочки кабелей, металлические кожухи и трубопроводы в местах прохода через переборки экранируемых помещений должны быть надежно заземлены.

3.2.1.9. Электропитание РЭС связи осуществляют от отдельного распределительного щита, подключение к которому других потребителей электроэнергии, не относящихся к РЭС связи и навигации, не допускается.

На малых судах допускается осуществлять электропитание РЭС связи и навигации от распределительного щита потребителей ответственного назначения или от распределительных устройств объединенного пульта управления судном.

3.2.2. Правила прокладывания АФТ

3.2.2.1. АФТ всех приемных, приемопередающих и передающих антенн на всем протяжении прокладывают радиочастотными кабелями или выполняют специальными высокочастотными шахтами.

3.2.2.2. Для РЭС, в ТУ на которые не установлены особые требования, прокладывание АФТ осуществляют в соответствии с требованиями настоящего РД.

3.2.2.3. Приемные, приемопередающие АФТ диапазонов ГКМ, ДКМ, метровых и ДЦМ волн должны прокладываться радиочастотным кабелем на расстоянии не менее 200 мм от прочих судовых трасс и электроустройств. При наличии дополнительного экрана (плетенка, труба) допускается их прокладка в общих трассах.

3.2.2.4. Радиочастотные кабели, имеющие экран в виде одной оплетки, должны пересекаться с прочими кабельными трассами под прямым углом. В местах пересечения с кабельными трассами антенный фидер должен быть дополнительно экранирован металлическим кожухом или панелью, на участке не менее 200 мм в обе стороны от мест пересечения. Материал и толщину кожуха или панели выбирают в соответствии с требованиями п. 3.2.1.2. Данное требование не распространяется на пересечение антенных фидеров.

3.2.2.5. На всем протяжении АФТ должна быть обеспечена непрерывность экранирования, для чего экранирующие оболочки кабелей соединяют с корпусами приборов, к которым они подходят, а корпуса приборов заземляют на корпус судна.

3.2.2.6. Экранирующие оболочки кабелей должны заземляться:

при входе (выходе) в экранированные помещения и выгородки;

в местах выхода на открытые места судна.

Внешний дополнительный экран из плетенки типа ПМЛ должен заземляться у прибора (устройства). Если конструкция высокочастотного разъема не дает возможность заземлять обе экранирующие оплетки, внешний экран (в том числе труба или кожух) должен быть заземлен на расстоянии не более 300 мм от места подключения кабеля к прибору.

Прокладывание АФТ через помещения ВЧБ РЛС и высокочастотных медицинских установок допускается только при дополнительном экранировании их сплошными металлическими кожухами или трубами с толщиной стенки не менее 1 мм.

3.2.2.7. Трубы и кожухи в местах прохода через палубы и переборки помещений должны соединяться с ними при помощи сварки сплошным швом.

Не допускается применять перфорированные кожухи и использовать точечную сварку для указанных выше соединений.

3.2.2.8. Передающие АФТ диапазона ДКМ волн внутри корпуса судна допускается прокладывать радиочастотными кабелями без их дополнительного экранирования в общих трассах с другими кабелями, если они не могут использоваться как приемные.

3.2.3. Правила прокладывания электрических сетей.

3.2.3.1. Независимо от требований ТУ экранированными кабелями прокладывают электросети:

в экранированных помещениях и выгородках;

на открытых местах судна;

на вращающихся ВПУ (антеннах РЛС, грузовых электрокранах и т.п.).

3.2.3.2. В электрических сетях, прокладываемых экранированными кабелями, должна соблюдаться непрерывность экранирования, для чего экранирующие оболочки кабелей соединяют с корпусами приборов, к которым они подходят, а корпуса приборов заземляют на корпус судна.

3.2.3.3. Экранирующие оболочки, кроме того, заземляют:

при входе в экранированные помещения и выгородки или выходе из них;

в местах выхода на открытые места судна.

Кабели, проходящие по открытым местам судна, должны иметь экранирующую оболочку. Кабели, не имеющие экрана, на этих участках должны быть экранированы плетенкой типа ПМЛ, металлической трубкой или кожухом.

При невозможности непосредственного соединения экранов кабелей с корпусами приборов допускается производить заземление дополнительной плетенки под ближайшей к прибору крепежной скобой, удаленной не более чем на 300 мм от прибора.

3.2.3.4. Расстояние от экранирующих труб и кожухов до приборов должно быть не более 300 мм.

3.2.4. Правила подавления ИРП в электрических сетях

3.2.4.1. Во всех РЭС и электроаппаратуре должны быть приняты меры по подавлению ИРП в соответствии с нормами, приведенными в разд. 2.

3.2.4.2. Во все кабели питания приемных РЭС связи, заходящие в экранированные помещения и выгородки, должны быть включены помехоподавляющие фильтры.

Помехоподавляющие фильтры устанавливают на расстоянии не более 5 м по длине кабеля от места ввода кабеля в экранированное помещение с приемной аппаратурой.

3.2.4.3. Кабели, выходящие из фильтра и идущие в экранированные помещения, должны быть экранированы, а экранирующие оболочки соединены с корпусом фильтра, надежно заземлённым на корпус судна.

Выходящие из фильтра кабели прокладывают вместе только с экранированными кабелями. От неэкранированных кабелей их удаляют на расстояние не менее 200 мм.

3.2.4.4. В распределительных щитах сетей постоянного тока устанавливают помехоподавляющие конденсаторы емкостью 0,1 - 0,22 мкФ. Длину проводника, соединяющего конденсатор с шиной питания, устанавливают минимально возможной (не более 150 мм).

Не допускается устанавливать помехоподавляющие конденсаторы в главные распределительные щиты переменного тока основных и аварийных электростанций, не входящие в комплект этих электростанций.

3.2.4.5. При установке распределительных щитов или коробок основного освещения с помехоподавляющими фильтрами на расстоянии не более 5 м (по длине кабеля) от места ввода кабелей в помещение с приемными РЭС связи помехоподавляющие фильтры в эти кабели не устанавливают.

Кабели от щитов и коробок основного освещения прокладывают в соответствии с требованиями п. 3.2.4.3.

3.2.4.6. При подключении сигнально-осветительных фонарей к щиту сигнальных огней в кабель питания со стороны бортовой сети должен быть включен помехоподавляющий фильтр. От фильтров до светильников кабели прокладывают в соответствии с требованиями п. 3.2.4.3.

3.2.5. Правила дополнительного экранирования источников ИРП

3.2.5.1. ВЧБ РЛС и высокочастотные медицинские промышленные и научные установки устанавливают в экранированных помещениях с толщиной экрана не менее 1 мм.

3.2.5.2. Поверхности экранированного помещения, выполненного из разнородных металлов, изолированных друг от друга, должны быть соединены приварными перемычками, устанавливаемыми по периметру с шагом не более 0,5 м.

3.2.5.3. Волноводные тракты, экранирующие оболочки кабелей, выходящих на открытые места судна, металлические кожухи и трубопроводы при выходе из экранированного помещения должны иметь надежное заземление.

3.2.5.4. В кабели питания и освещения, заходящие в такие помещения, помехоподавляющие фильтры не устанавливают.

3.2.6. Правила подавления ИРП на судах с неметаллическими корпусами

3.2.6.1. Требования подавления ИРП, перечисленные ниже в пп. 3.2.6.3 - 3.2.6.9, распространяются на суда, полностью выполняемые из неметаллических материалов, а также на суда с металлическими корпусами, имеющие помещения, выполненные из неметаллических материалов. В таком случае указанные мероприятия выполняют только в этих помещениях.

3.2.6.2. Объем мероприятий по подавлению ИРП должен включать в себя весь комплекс требований, приведенных в подразделе 3.2.1, с учетом приведенных ниже особенностей.

3.2.6.3. В качестве материала для экранирования помещения применяют латунь любой марки толщиной не менее 0,2 мм. Отдельные листы экрана соединяют между собой пайкой сплошным швом.

Допускается применять в качестве экрана металлизированную стеклоткань для помещений с аппаратурой метровых и ДЦМ волн на судах с основной сетью переменного тока.

3.2.6.4. Экран помещения должен быть соединен с подкильным листом медными шинами сечением не менее 1´25 мм, прокладываемыми по кратчайшему пути.

3.2.6.5. Во всех электро- и радиоэлектронных средствах независимо от мест их установки подавление ИРП осуществляют в соответствии с требованием норм, приведенных в разд. 2.

3.2.6.6. Все кабели, независимо от мест их прокладки, должны иметь экранирующие оболочки, а во всех схемах должна соблюдаться непрерывность экранирования. Кабели, имеющие наружные экраны, проходящие в одной трассе, через каждые 5 м должны быть спаяны между собой медной лентой без подключения к магистральной шине заземления.

3.2.6.7. Экранирующие оболочки кабелей в кабельных трассах, проложенных вдоль металлических мачт и закрытых металлическим кожухом, между собой не соединяют.

3.2.6.8. Аккумуляторные батареи аварийного электропитания размещают в металлических шкафах, на корпус которых заземляют экранирующие оболочки подходящих кабелей.

3.2.6.9. На судах, где требуется одновременная работа РЭС связи, гребные валы должны иметь контактные устройства, соединяющие вал с шиной заземления.

3.2.7. Правила подавления ИРП на судах, перевозящих легковоспламеняющиеся и взрывоопасные грузы

3.2.7.1. Система подавления ИРП на судах, перевозящих легковоспламеняющиеся и взрывоопасные грузы, должна включать в себя весь комплекс мероприятий, выполняемых на судах с металлическими корпусами.

3.2.7.2. Не допускается применять заземленные конденсаторные помехоподавляющие фильтры во всех электро- и радиоэлектронных средствах, имеющих непосредственную (кондуктивную и гальваническую) связь с кабельными сетями, частично или полностью проложенными во взрывоопасных помещениях.

3.2.8. Правила подавления ИРП на доках

3.2.8.1. Система подавления ИРП на самоходных и буксируемых доках должна включать в себя весь комплекс мероприятий, выполняемых на судах с металлическими корпусами, применительно к РЭС связи и электрическим средствам, служащим для обеспечения самостоятельного перехода и буксировки.

3.2.8.2. На электрические средства, используемые при проведении ремонтных работ, требования настоящего РД не распространяются.

3.3. Правила подавления КП в ВПУ

Нормы допустимых на МПО уровней КП и интермодуляционных помех на контактных переходах (ИКП) и методика их измерения, контроля, приведения уровня к нормированному расстоянию, полосе пропускания и чувствительности радиоприемника приведены в приложении 4.

3.3.1. Правила подавления источников КП на судах с металлическими корпусами

3.3.1.1. Подавление источников КП в судовых ВПУ в объеме требований настоящего раздела должно производиться для судов, на которых к составу РЭС связи диапазонов ГКМ и ДКМ волн предъявляют требование их одновременной работы.

3.3.1.2. К судовым ВПУ относятся все устройства, расположенные на открытых местах судна и надпалубного пространства, такие как грузовые и шлюпочные устройства, скользящие швы корпуса, трапы, сходни, леерное ограждение, дельные вещи, антенны аппаратуры радиосвязи и РЛС, специальные установки и другие устройства.

3.3.1.3. Подавление источников КП осуществляют во всех ВПУ, имеющих шарнирные, петлевые, скользящие и поворотные сочленения, прилегающие друг к другу металлические поверхности, а также в ВПУ, источники КП в которых могут появиться вследствие наличия условий их взаимного перемещения.

3.3.1.4. Мероприятия по подавлению источников КП осуществляют во всех корпусных конструкциях и ВПУ, имеющих длину более 1 м или площадь, превышающую 0,5 м2, расположенных на открытых местах палуб, надстроек и мачт на всем протяжении судна.

3.3.1.5. Для корпуса судна и корпусных конструкций в максимальном объеме должны использоваться однородные металлы, соединяемые между собой сваркой.

3.3.1.6. Для соединения конструкций корпуса, выполненных из разнородных металлов (сталь и алюминиевый сплав), должны быть использованы биметаллические пластины из нержавеющей стали и алюминиевого сплава марки 12´18Н10Е-Фмг6; разнородные поверхности соединяют сваркой по всему периметру.

3.3.1.7. Скользящие швы корпуса и надстроек, проходящие по открытым местам, должны быть соединены приварными перемычками. Расстояние между перемычками не должно превышать 2 м.

3.3.1.8. Максимально возможное число судовых устройств и конструкций следует располагать под рострами или под верхней палубой. В устройствах, расположенных в этих местах, мероприятия по подавлению источников КП не проводят.

3.3.1.9. В качестве ограждения в максимальном объеме должен использоваться фальшборт и постоянное леерное ограждение.

3.3.1.10. При комплектации судна ВПУ необходимо использовать их модификацию в помехозащищенном исполнении.

3.3.1.11. При разработке новых ВПУ в них должны быть предусмотрены элементы подавления КП. В максимальном объеме должны использоваться диэлектрические материалы.

3.3.1.12. Подъемные фалы лучевых антенн, сигнальных фигур, флагов и фонарей, боковые оттяжки стрел, шлюпок и т.п. выполняют из канатов с растительным или пластиковым волокном. Для оттяжек грузовых стрел большой грузоподъемности и откидных площадок возможность применения неметаллических канатов устанавливают в каждом конкретном случае.

Бухты с металлическими канатами должны быть закрыты надежно закрепленным и заземленным металлическим экраном или убраны под палубу.

3.3.1.13. Не рекомендуется использовать плетеные металлические сетки в качестве элементов ВПУ. При применении сетчатых поверхностей проволоки сеток во всех местах соприкосновения соединяют между собой сваркой или пропайкой.

3.3.1.14. Цепные леера, применяемые на судне, должны быть длиной не более 0,5 м.

3.3.1.15. Основным методом подавления источников КП в ВПУ является заземление, осуществляемое сваркой или установкой гибких перемычек. Перемычки устанавливают таким образом, чтобы при взаимном перемещении деталей ВПУ канат перемычки работал на скручивание.

3.3.1.16. Перемычки с разъемными соединениями применяют только в тех случаях, когда другие методы заземления не могут быть использованы.

При установке разъемных перемычек должны быть обеспечены чистота контактных поверхностей, плотность контакта и возможность обслуживания при эксплуатации.

3.3.1.17. Детали ВПУ, выполненные из разнородных металлов, заземляют перемычками с биметаллическими наконечниками, которые следует устанавливать так, чтобы сваркой соединялись однородные металлы наконечника и ВПУ.

3.3.1.18. Для заземления концевых отрезков стальных канатов допускается использовать перемычку-выплетку из основного каната.

3.3.1.19. Трубопроводы всех назначений на открытых местах палуб, надстроек и мачт соединяют с корпусом судна перемычками, расстояние между которыми должно быть не более 2 м в радиусе 10 м от приемных и передающих антенн и не более 4 м в остальных районах судна.

3.3.1.20. Для подавления источников КП методом изолирования могут использоваться:

изолирующие звенья;

антенные и такелажные изоляторы;

изолирующие втулки;

изолирующие прокладки.

3.3.1.21. Изолирующие звенья, антенные и такелажные изоляторы применяют для разбивки по длине стоячего такелажа, канатов, леерного ограждения, тентового устройства, оттяжек и ВПУ, выполняемых из стальных канатов.

3.3.1.22. Для разбивки канатов леерного ограждения, тентового устройства применяют изолирующие звенья, выполненные из прессованного материала АГ-4С.

В оттяжках применяют такелажные или антенные изоляторы.

Конкретный тип изолятора устанавливают исходя из эксплуатационных условий и механических нагрузок.

Изолирующие элементы устанавливают по концам канатов и равномерно по длине через каждые 2 - 3 м.

При креплении каната леерного ограждения к промежуточной стойке используют изоляционные вставки.

3.3.1.23. Такелаж из стальных канатов, разбивка которых изоляторами не допускается (направляющие струны сигнальных фигур, штормовые леера без промежуточных струн), должен иметь по концам надежное заземление без установки изоляторов.

3.3.1.24. Изолирующие втулки используют в местах прохода стальных канатов через промежуточные устройства его крепления, а также в шарнирных узлах различных ВПУ для исключения электрического контакта между сопрягаемыми металлическими деталями.

3.3.1.25. Изолирующие прокладки применяют для изоляции от корпуса таких металлических устройств, как спасательные плоты, бочки с горючим, мелкие предметы судового обихода и т.п., заземление которых является нецелесообразным.

3.3.1.26. В районах судна, подверженных значительным термическим воздействиям (трубы, выхлопные патрубки), не допускается применять изолирующие прокладки и подавление КП осуществляют методом заземления.

3.3.1.27. Для изготовления изолирующих прокладок допускается использовать любой изоляционный материал, обладающий необходимой механической прочностью и стойкостью к воздействию морской воды.

3.3.1.28. Изолирующие прокладки допускается окрашивать только со стороны поверхностей, не имеющих контакта с металлическими конструкциями.

3.3.1.29. Для изоляции неподвижных участков стальных канатов, соприкасающихся с корпусом судна или ВПУ, канатов крепления бочек, спасательных плотов и т.п. используют резиновые прокладки и отрезки резинотканевых шлангов.

3.3.1.30. Гибкие незакрепленные кабели с наружной металлической оболочкой, подходящие к подъемным сигнальным фонарям, прожекторам и т.п., по всей длине должны быть обшиты влагостойкой парусиной.

3.3.1.31. При подавлении источников КП методом экранирования в максимальном объеме применяют стационарные экраны, входящие в конструкцию ВПУ. Марка металла экрана должна быть аналогичной металлу ВПУ, на котором их устанавливают при помощи сварки.

Толщина экрана должна определяться необходимостью обеспечения механической прочности.

3.3.1.32. Элементы конструкции корпуса судна - ростры, крытые переходы, внутренние помещения - также являются стационарными экранами.

3.3.1.33. Съемные экраны применяют для подавления КП в малогабаритных ВПУ, конструкция которых не дает возможности выполнения их в помехозащищенном исполнении (переносные мотопомпы, вьюшки буксирных или швартовных канатов и пр.).

3.3.1.34. Съемный экран при его установке должен полностью закрывать ВПУ и обеспечивать надежный контакт с корпусом судна и защищаемым ВПУ. Конструкция экрана должна быть сварной.

При использовании экранов, состоящих из отдельных секций, их составные части соединяют между собой сваркой сплошным швом или точечной сваркой с интервалом 100 мм.

3.3.1.35. Для замены вышедших из строя элементов подавления КП в ведомостях ЗИПа должна быть предусмотрена поставка на судно заземляющих перемычек и изоляционных звеньев из расчета 10 % от общего числа.

3.3.2. Правила подавления источников КП на судах с неметаллическими корпусами

3.3.2.1. Перечисленные в подразделе 3.3.1 методы и элементы подавления источников КП в ВПУ применяют на судах с неметаллическими корпусами и осуществляют только в устройствах, расположенных на открытых местах палуб, надстроек и мачт.

3.3.2.2. ВПУ, в которых подавление радиопомех выполняется методом заземления, соединяют с подкильным листом заземляющей шиной минимальной длины сечением не менее 0,5´20 мм.

3.3.2.3. Максимальное число механических устройств во внутренних помещениях судна выполняют из диэлектрических материалов или в помехозащищенном исполнении.

3.3.2.4. Во всех возможных случаях необходимо предусматривать металлизацию верхней палубы и надстроек методом газоплазменного напыления металла или обшивкой металлическими листами. Метод металлизации устанавливают в каждом отдельном случае.

При газоплазменном напылении слой металла наносят не менее двух раз.

3.4. Правила размещения оборудования ССС

3.4.1. Конкретное место установки антенного поста (АП) ССС выбирает проектировщик в соответствии с требованиями приложения 5 и с учетом следующих факторов:

влияния физических препятствий на судне (антенн, мачт и других конструкций);

обеспечения ЭМС станции с радиооборудованием судна;

соблюдения норм на СВЧ излучения от антенны станции.

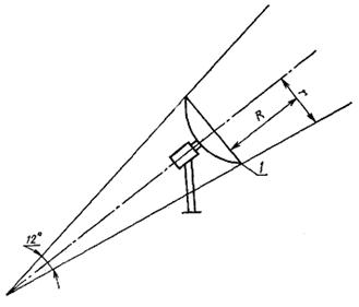
3.4.2. Пространственное разнесение по вертикали электрических центров антенн ССС и РЛС диапазона 9,3 - 9,5 ГГц при установке АП ССС на площадке с антенным комплексом РЛС должно быть не менее 1,5 м.

3.4.2.1. Пространственное разнесение антенн ССС и РЛС диапазонов 9,3 - 9,5 ГГц и 2,9 - 3,1 ГГц при размещении антенны ССС в других местах должно соответствовать приведенному на черт. 5а.

3.4.2.2. При пространственном разнесении антенн ССС и РЛС диапазонов 9,3 - 9,5 ГГц и 2,9 - 3,1 ГГц по горизонтали на расстоянии менее 5 м угол между горизонталью из электрического центра антенны РЛС и прямой из него до кромки радиопрозрачного укрытия (РПУ) АП ССС должен быть не менее 15 град.

3.4.2.3. При пространственном разнесении антенн ССС и РЛС диапазонов 9,3 - 9,5 ГГц и 2,9 - 3,1 ГГц по горизонтали на расстоянии 5 м и более угол между горизонталью из электрического центра антенны РЛС и прямой из него до кромки РПУ АП ССС должен быть не менее 10 град.

3.4.2.4. При невозможности размещения антенн РЛС и ССС в соответствии с требованиями пп. 3.4.2.1 - 3.4.2.3, они могут быть размещены на одном уровне по вертикали, при этом расстояние в горизонтальном направлении между ними должно быть не менее 5 м (см. черт. 5б).

3.4.3. Пространственное разнесение антенны ССС и антенны радиопередатчика связи ДКМ диапазона мощностью 1 кВт и более должно быть не менее 10 м.

Варианты установки антенн спутниковой связи относительно антенн РЛС

1 - антенна РЛС; 2 - антенный пост ССС; а - при пространственном разнесении по вертикали:

j > 15° - для расстояния между антеннами по горизонтали менее 5 м;

j > 10° - для расстояния между антеннами по горизонтали 5 м и более;

б - при размещении на одном уровне по вертикали

Черт. 5

Расстояние от ввода антенны радиопередатчика ГКМ диапазона волн до антенны ССС должно быть не менее 5 м.

3.4.4. Пространственное разнесение антенны ССС и антенн РЭС связи метрового диапазона, спутниковых приемоиндикаторов должно быть не менее 4 м.

3.4.5. АП ССС рекомендуется устанавливать по другую сторону от имеющихся судовых верхнепалубных конструкций (мачт с антенным комплексом РЛС, фальштруб).

3.4.6. Алгоритм выбора места установки АП ССС приведен в приложении 6.

3.4.7. Для малых (менее 300 регистровых тонн) судов при отсутствии возможности размещать АУ ССС в соответствии с требованиями пп. 3.4.2 - 3.4.5 установку АУ ССС согласовывают с заказчиком.

3.5. Правила размещения АУ

3.5.1. Правила размещения АУ, приведенные в настоящем РД, распространяются на РЭС (за исключением АП ССС), на которые в ТУ не оговорены особые требования.

3.5.2. Приемные и передающие АУ РЭС группируют в отдельных, максимально удаленных друг от друга местах для обеспечения ЭМС.

3.5.3. Передающие, приемопередающие и приемные АУ РЭС размещают на максимально возможных расстояниях от антенн РЛС и ВПУ, являющихся экранами и источниками радиопомех.

3.5.4. Приемные, приемопередающие и передающие АУ РЭС размещают в соответствии с требованиями, изложенными в табл. 4 - 12.

3.5.5. Для малых судов по согласованию с заказчиком допускается уменьшать расстояние между АУ РЭС, приведенных в табл. 4 - 8, но не более чем на 25 %, за исключением расстояний, требуемых для обеспечения сохранности входных цепей, приведенных в табл. 4.

3.5.6. При наличии на судне ВПУ, экранирующих передающие АУ РЭС от приемных, расстояния, требуемые для обеспечения ЭМС (см. табл. 4), по согласованию с заказчиком могут быть уменьшены, но не более чем на 30 %.

3.5.7. Приемопередающие АУ РЭС диапазонов метровых и ДЦМ волн размещают на максимально возможной высоте от ватерлинии. Число антенн, подверженных облучению основными лепестками диаграмм направленности (ДН) антенн РЛС, должно быть минимально возможным.

3.5.8. АУ РЭС диапазонов метровых и ДЦМ волн размещают в соответствии с требованиями, приведенными в табл. 7 - 9, 13, 14 и приложениях 7 - 10.

Расстояния и углы при пространственном разносе устанавливают между ближайшими точками АУ.

3.5.9. Размещение широкодиапазонных АУ РЭС диапазонов метровых и ДЦМ волн должно соответствовать требованиям, установленным для АУ РЭС диапазона метровых волн.

3.5.10. Для малых судов (менее 300 регистровых тонн) при отсутствии возможности обеспечить расстояния между АУ РЭС, приведенные в табл. 9 - 14, размещение АУ РЭС должно быть согласовано с заказчиком.

Таблица 4

Минимально допустимые расстояния между передающими и приемными АУ РЭС диапазонов ГКМ и ДКМ волн

м

Номинальная мощность радиопередатчика, кВт

Обеспечение сохранности входных цепей радиоприемников и ШАУ для АУ

Обеспечение ЭМС при одновременном использовании РЭС для АУ

одной поляризации

разной поляризации

одной поляризации

разной поляризации

0,25

5

4

12

10

0,50

7

5

17

14

1,00

10

8

24

20

2,00

14

11

34

28

3,00

18

14

43

36

Таблица 5

Минимально допустимые расстояния между передающими АУ РЭС диапазонов ГКМ и ДКМ волн

Номинальная мощность радиопередатчиков, кВт

Расстояние между передающими антеннами, м

0,05

2,5

0,25

2,5

0,5

3,0

1,0

3,5

3,0

4,0

Таблица 6

Минимально допустимые расстояния между приемными АУ РЭС диапазонов ГКМ и ДКМ волн

Приемные АУ

Расстояние между АУ, м

Штыревые с ШАУ

6

Штыревые без ШАУ

3

Лучевые с ШАУ

7

Лучевые без ШАУ

4

Таблица 7

Минимально допустимые расстояния между приемопередающими АУ РЭС диапазона метровых волн

Пространственный разнос АУ

Номинальная мощность радиопередатчика, Вт

15

30

50

Вертикальный

2,7

3,3

3,7

Под углом 60°

4,0

5,0

5,5

Под углом 30°

7,0

10,0

12,0

Горизонтальный

13,0

20,0

25,0

Таблица 8

Минимально допустимые расстояния между приемопередающими АУ РЭС диапазона ДЦМ волн

Пространственный разнос АУ

Номинальная мощность радиопередатчика, Вт

15

30

50

Вертикальный

1,1

1,3

1,5

Под углом 60°

1,6

2,0

2,2

Под углом 30°

2,8

4,0

4,8

Горизонтальный

5,2

8,0

10,0

Таблица 9

Минимально допустимые расстояния между приемопередающими АУ РЭС диапазона метровых волн и приемопередающими АУ РЭС диапазона ДЦМ волн

Пространственный разнос АУ

Номинальная мощность радиопередатчика, Вт

15

30

50

Вертикальный

1,2

1,5

2,2

Под углом 60°

1,5

2,0

2,8

Под углом 30°

1,8

2,8

5,5

Горизонтальный

2,6

4,0

9,0

Таблица 10

Минимально допустимые расстояния между приемопередающими АУ РЭС диапазонов метровых и ДЦМ волн и передающими АУ РЭС диапазонов ГКМ и ДКМ волн

Номинальная мощность радиопередатчиков диапазонов ГКМ и ДКМ волн, кВт

Пространственный разнос

вертикальный

горизонтальный

0,25

1,0

3,0

0,50

1,4

4,2

1,00

2,0

6,0

2,00

2,8

8,0

3,00

3,5

10,0

Примечание. При размещении антенн РЭС диапазона метровых волн под углом 20 - 45° относительно оси штыревой антенны должны обеспечиваться те же расстояния, что и при горизонтальном разносе АУ.

Таблица 11

Минимально допустимые расстояния между ВПУ и приемными АУ РЭС диапазонов ГКМ и ДКМ волн

Условие размещения ВПУ и АУ РЭС связи

Расстояние между ВПУ и АУ, м

Вращающиеся ВПУ (антенны РЛС и др.)

3

Грузовые, шлюпочные и другие устройства, имеющие бегучий такелаж из стальных тросов

6

Таблица 12

Минимально допустимые расстояния между ВПУ и передающими АУ РЭС диапазонов ГКМ и ДКМ волн

м

Условие размещения ВПУ и АУ РЭС связи

Номинальная мощность радиопередатчиков, кВт

0,25

0,5

1,0

2,0

3,0

Вращающиеся ВПУ, грузовые, шлюпочные устройства; ВПУ, имеющие стальной бегучий такелаж, антенны РЛС и др.

3

4

6

7

8

Таблица 13

Минимально допустимые расстояния между АУ РЭС диапазонов метровых и ДЦМ волн и ВПУ

м

Диаметр (сторона) ВПУ

АУ РЭС диапазона метровых волн

АУ РЭС диапазона ДЦМ волн

вертикальный разнос

горизонтальный разнос

вертикальный разнос

горизонтальный разнос

До 0,3

1,0

2,3

0,4

0,9

0,2 - 0,5

1,5

3,8

0,5

1,5

0,6 - 1,0

1,6

4,0

0,6

1,6

1,1 - 2,0

1,8

4,3

0,7

1,7

2,1 - 4,0

2,0

4,5

0,8

1,8

4,1 - 6,0

2,2

4,7

0,9

1,9

6,1 - 8,0

2,4

4,9

1,0

2,0

8,1 - 10,0

2,6

5,1

1,1

2,1

10,1 - 15,0

3,0

5,5

1,2

2,2

Таблица 14

Минимально допустимые расстояния между АУ РЭС диапазонов метровых и ДЦМ волн и вращающихся АУ РЛС

м

Площадь раскрыва АУ РЛС, м2

АУ РЭС диапазона метровых волн

АУ РЭС диапазона ДЦМ волн

под углом 30°

под углом 60°

по вертикали

под углом 30°

под углом 60°

по вертикали

До, 0,5

2,7

1,9

1,7

1,1

0,7

0,4

0,6 - 1,0

3,0

2,1

1,8

1,2

0,8

0,6

1,1 - 2,0

3,5

2,4

1,9

1,4

0,9

0,8

2,1 - 3,0

4,0

2,6

2,0

1,6

1,0

1,0

3,1 - 5,0

4,4

2,8

2,1

1,8

1,1

1,2

4. МЕТОДИКИ ИЗМЕРЕНИЯ И КОНТРОЛЯ ОБЕСПЕЧЕНИЯ ЭМС РАДИОЭЛЕКТРОННОГО И ЭЛЕКТРОТЕХНИЧЕСКОГО ОБОРУДОВАНИЯ НА МПО

4.1. Требования к средствам измерения и контроля

4.1.1. Общие требования

4.1.1.1. Используемая измерительная аппаратура должна перекрывать весь диапазон частот, используемый в морской подвижной службе и подвергаемый контролю. Допускается перекрывать этот диапазон по участкам различными измерительными средствами.

4.1.1.2. Абсолютная погрешность измерения мощности (напряжения), измерительного прибора (приемника) не должна превышать 2,5 дБ.

Нижний предел измерения мощности (напряжения) измерительного прибора (приемника) при измерениях в АФТ должен соответствовать условиям:

                                                  (1)

                                                (2)

4.1.1.3. Ослабление чувствительности побочных каналов приема измерительного прибора (приемника) относительно основного в децибелах должно составлять

                                                               (3)

В случае если это требование не удовлетворяется, следует применить дополнительный фильтр для ослабления излучения на рабочей частоте на входе измерительного прибора (приемника) в децибелах на величину

                                                         (4)

4.1.1.4. Измерительный прибор (приемник) при измерениях должен работать только в линейном режиме.

4.1.1.5. Абсолютная погрешность измерительного прибора (приемника) при измерении мощности (напряжения) непрерывной помехи не должна превышать 2,5 дБ.

4.1.1.6. При измерении «по полю» измерительная антенна должна иметь линейную поляризацию (с возможностью ее установки в двух ортогональных плоскостях) и быть аттестована либо по эффективной площади с погрешностью не более 30 %, либо по коэффициенту усиления. В последнем случае ее эффективную площадь (Si) вычисляют по формуле

                                                                (5)

4.1.1.7. Коэффициент стоячей волны (КСВ) измерительной антенны должен быть не более 2,5.

4.1.1.8. КСВ входа фильтра должен быть не более 2,5.

4.1.1.9. Измерительный аттенюатор должен иметь мощность рассеяния Ратт ³ Р0kн.о и обеспечивать минимальное затухание, вычисляемое по формуле

amin ³ 10lgP0kНО/Рвн.                                                      (6)

4.1.1.10. Направленный ответвитель (НО) должен быть рассчитан на мощность, значение которой не меньше мощности контролируемого радиопередатчика. Коэффициент передачи по мощности НО в измерительный тракт на рабочей частоте должен находиться в пределах

                                          (7)

4.1.1.11. КСВ входа НО должен быть не более 1,8, а его направленность - не менее 20 дБ.

4.1.1.12. Допустимая мощность рассеяния на эквивалентном нагрузочном сопротивлении должна быть не менее максимальной средней мощности основного излучения контролируемого радиопередатчика.

4.1.1.13. КСВ на входе эквивалентного нагрузочного сопротивления в диапазоне частот контроля должен быть не более 1,4.

4.1.1.14. Вспомогательные измерительные элементы (высокочастотные переходы, переключатели и т.п.) должны быть аттестованы во всем диапазоне частот контроля, и их КСВ должен быть не более 1,5.

4.1.1.15. Высокочастотные переходы и переключатели не должны вносить дополнительные затухания более 0,5 дБ.

4.1.2. Требования к анализаторам спектра

4:1,2.1. Диапазон частот анализатора спектра должен перекрывать рабочий диапазон частот испытуемого радиопередатчика. Допускается проводить измерения по участкам диапазона различными типами анализаторов спектра.

4.1.2.2. Полоса обзора анализатора спектра должна обеспечивать измерение огибающей спектра напряжения в полосе частот, соответствующей минимальному измерительному уровню.

Примечание. При отсутствии анализаторов спектра с требуемой полосой обзора допускается измерять огибающую контролируемого спектра по участкам.

4.1.2.3. Полоса пропускания анализатора спектра на уровне минус 3 дБ должна быть:

при использовании периодических испытательных напряжений - в 3 раза меньше частоты манипуляции;

для импульсных излучений - 0,1/t;

для шумовых испытательных напряжений - 0,05Вк.

В этом случае анализатор спектра должен иметь последетекторную интегрирующую (усредняющую) цепочку с постоянной времени

t¢ > 16/Df.                                                                  (8)

4.1.2.4. Динамический диапазон анализатора спектра должен обеспечивать измерение минимального измерительного уровня.

4.1.2.5. Неравномерность амплитудно-частотной характеристики (АЧХ) анализатора спектра в установленной полосе частот не должна превышать 3 дБ.

4.1.2.6. Погрешность измерения уровней должна быть не более 10 %.

4.1.3. Требования к генераторам сигналов (помех и шума)

4.1.3.1. Неравномерность спектральной плотности мощности на выходе генератора шума в полосе измерения должна быть не более 2 дБ.

4.1.3.2. Уровень мощности шума на выходе генератора должен обеспечивать нормальный режим модуляции. Допускается использовать генератор шума с меньшим уровнем мощности совместно с усилителем. Частотная характеристика усилителя должна иметь неравномерность не более 1 дБ (в полосе частот 0,9Fн - 1,2Fв). Усилитель должен иметь коэффициент нелинейных искажений не более 3 % (при подаче на вход усилителя синусоидального сигнала последовательно на частотах 300, 600 и 1000 Гц).

4.1.3.3. Погрешность установки выходного уровня - не более 6 %.

4.1.3.4. Наиболее подходящим для проведения намерений является генератор шума Г2-37 со следующими характеристиками:

диапазон частот: 15 Гц - 6,5 МГц;

уровень выходного сигнала: 3 мкВ - 1 В;

погрешность установки выходного сигнала: 4 % от конечного значения шкалы.

4.1.3.5. Основные технические характеристики генераторов низкочастотных сигналов приведены в табл. 15.

Таблица 15

Основные характеристики генераторов низкочастотных сигналов

Тип прибора

Диапазон частот

Основная погрешность установки частоты, %

Выходное напряжение, В

Г3-111

20 Гц - 2 МГц

(3 + 50/f)

5 (600 Ом)

Г3-112

10 Гц - 10 МГц

(2 + 30/f)

5 (50 Ом)

4.1.3.6. Основные технические характеристики генераторов стандартных сигналов приведены в табл. 16.

Таблица 16

Основные характеристики генераторов стандартных сигналов

Тип генератора

Диапазон частот

Г3-119

10 Гц - 10 МГц

Г4-76А

0,4 - 1,2 ГГц

Г4-78

1160 - 1780 МГц

Г4-79

1780 - 2560 МГц

Г4-80

2560 - 4000 МГц

Г4-81

4000 - 5600 МГц

Г4-82

5600 - 7500 МГц

Г4-83

7500 - 10500 МГц

Г4-102

10 кГц - 50 МГЦ

Г4-141

37,5 - 53,57 ГГц

Г4-151

1 - 512 МГц

Г4-152

1 - 512 МГц

Г4-158

0,01 - 100 МГц

4.1.4. Требования к измерительным приемникам и селективным микровольтметрам

4.1.4.1. Основные технические характеристики отечественных измерительных приемников и селективных микровольтметров приведены в табл. 17.

Таблица 17

Основные технические характеристики измерительных приемников

Тип прибора

Диапазон частот

Предел измерения мощности

Полоса пропускания, МГц

Погрешность измерения уровня, дБ

Экранировка, дБ

Вид детектора

П5-34

8,24 - 12,05 ГГц

3 × 10-12 - 10-4 Вт

51; 102

2,5

30

Квадратичный пиковый

П5-13

12 - 16,7 ГГц

3 × 10-13 - 10-6 Вт

10

2

20

То же

П5-14А

16,6 - 25,8 ГГц

10-12 - 10-6 Вт

10

1,8

25

То же

4.1.4.2. Основные технические характеристики селективных микровольтметров приведены в табл. 18.

Таблица 18

Основные технические характеристики селективных микровольтметров

Тип прибора

Диапазон частот

Диапазон измерения напряжения

Погрешность измерения уровня, %

В6-9

20 Гц - 200 кГц

1 мкВ - 1 В

15

В6-10

0,1 МГц - 30 МГц

1 мкВ - 1 В

15

4.1.4.3. Основные технические характеристики измерительных антенн приведены в табл. 19.

Таблица 19

Основные технические характеристики измерительных антенн

Тип антенны

Диапазон частот, ГГц

Эффективная площадь, см2

Погрешность аттестации, %

Примечание

П6-33

0,1 - 1

Не менее 350

25

 

П6-23А

1 - 12

Не менее 150

20

 

П0-30

16,7 - 25,8

Не менее 50

 

Не входит в комплект измерителя плотности потока мощности П3-9

4.1.4.5. Основные технические характеристики приборов для измерения мощности приведены в табл. 20.

Таблица 20

Основные технические характеристики приборов для измерения мощности

Тип прибора

Диапазон частот, ГГц

Пределы измерения мощности, Вт

Допустимая импульсная мощность, кВт

КСВ

М3-58А

0 - 3

10-4 - 1

1,5 (при 10 мкс)

1,2

М3-62

0 - 17,8

0,1 - 100

3 (при 2 мкс)

1,2 - 1,4

4.1.5. Требования к формирующим полосовым и режекторным фильтрам

4.1.5.1. Схема фильтра, формирующего спектр речевого сигнала, приведена на черт. 6, а его частотная характеристика - на черт. 7.

4.1.5.2. Допускаются отклонения частотной характеристики фильтра от кривой, приведенной на черт. 7, в отдельных участках на величину до 2 дБ.

4.1.5.3. Формирующий фильтр должен быть метрологически аттестован.

4.1.5.4. Основные технические характеристики ферритовых полосовых и режекторных фильтров приведены в табл. 21.

Схема фильтра, формирующего спектр речевого сигнала

Черт. 6

4.1.6. Требования к аттенюаторам

4.1.6.1. Аттенюаторы во всей полосе контролируемых частот должны обеспечивать максимальное ослабление amax (дБ), определяемое из условия

amax ³ 10lgPaтт/Pвп.                                                         (9)

Частотная характеристика фильтра, формирующего спектр речевого сигнала

Черт. 7

Таблица 21

Основные технические характеристики ферритовых полосовых и режекторных фильтров

Тип фильтра

Диапазон частот, ГГц

Полоса пропускания на уровне 3 дБ, МГц

Затухание вне полосы пропускания, дБ

КСВ, не более

ФП-01

6,85 - 9,93

15

50

2,5

ФП-02

8,24 - 12,05

15

40 - 50

2,5

ФП-03

12,05 - 17,44

25

40

2,5

ФП-04

17,44 - 25,86

40 - 45

45

2,5

ФП-02М

8,24 - 12,05

20 - 25

43 - 55

2,5

РФ1 - РФ4

0,093 - 1,05

-

30

3,0

ФП-03М

12,05 - 17,44

20 - 25

43 - 55

2,5

4.1.6.2. КСВ по напряжению входа (выхода) переменного аттенюатора не должен превышать 1,4.

4.1.6.3. Погрешность установки затухания - не более 1 дБ.

4.2. Методика определения и контроля допустимых значений внешней помехозащищенности радиоприемников, антенных коммутаторов и электронных систем обработки информации

4.2.1. Измерения параметров помехозащищенности радиоприемников и других устройств на частотах до 30 МГц проводят на заводе-изготовителе в экранированных помещениях.

4.2.2. Измерения параметров помехозащищенности радиоприемников и других устройств на судах допускается проводить в радиорубках или в специальных судовых помещениях, предназначенных для установки приемных РЭС.

4.2.3. Выходы радиоприемника и других устройств по звуковой и промежуточной частотам, а также импульсные выходы должны быть нагружены эквивалентами реальных погрузок.

4.2.4. Измерительные сигналы подают на вход радиоприемника через эквивалент антенны, оговоренной в ТУ, а оценивают значением э.д.с, выражаемой в микровольтах или в децибелах относительно одного микровольта.

4.2.5. Измерения выполняют в режимах приема излучений классов J3E и F1B.

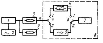
4.2.6. На черт. 8 приведена функциональная схема измерения помехозащищенности по отношению к магнитному полю, а на черт. 9 - по отношению к электрическому полю.

Структурная схема измерения помехозащищенности по отношению к магнитному полю помех

1 - генератор сигналов; 2 - согласующее устройство; 3 - вольтметр; 4 - Н-установка; 5 - испытуемое устройство; 6 - вольтметр

Черт. 8

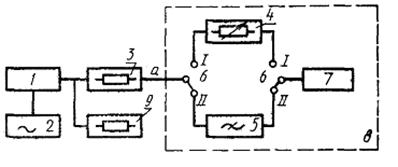
Структурная схема измерения помехозащищенности по отношению к электрическому полю помех

1 - генератор сигналов; 2 - коаксиальный тройник; 3 - вольтметр; 4 - согласующее устройство; 5 - Е-установка; 6 - испытуемое устройство; 7 - вольтметр

Черт. 9

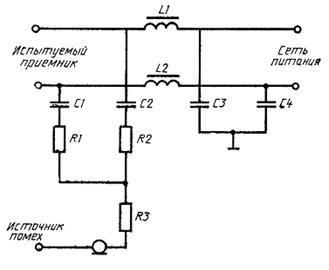
4.2.7. На черт. 10 приведена принципиальная схема устройства ввода радиопомех в сеть питания радиоприемника и других устройств, а на черт. 11 - функциональная схема измерения помехозащищенности по отношению к помехам от сети питания.

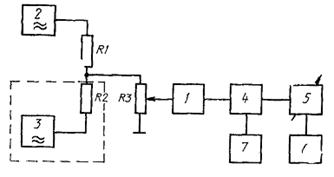
Принципиальная схема устройства ввода помех в сеть питания

R1 = R2 = 75 Ом; R3 = 62 Ом; С1 = С2 = 0,01 мкФ; С3 = С4 = 0,047 мкФ; L1 = L2 = 60 мкГн

Черт. 10

Структурная схема измерения помехозащищенности по отношению к помехам в сети питания

1 - генератор сигналов; 2 - устройство ввода; 3 - испытуемое приёмное устройство; 4 - вольтметр

Черт. 11

4.3. Методика измерения и контроля допустимых значений напряжения и напряженности поля ИРП

4.3.1. Измерения напряжения радиопомех проводят на всех внешних зажимах испытуемых устройств и в бортовых сетях судов, за исключением отдельных разъемов коаксиальных и экранированных цепей с высокочастотными или импульсными сигналами и зажимов межприборных (межблочных) экранированных кабелей одного устройства (или системы).

4.3.2. Измерение напряжения радиопомех проводят в экранированных помещениях. В отдельных случаях допускается проводить измерения в неэкранированных помещениях при условии, что уровни посторонних помех на 10 дБ ниже допустимых нормами величин.

4.3.3. При измерении радиопомех от судовых электростанций, агрегатов, преобразователей и других источников питания допускается проводить измерения на холостом ходу, если предварительно установлено, что напряжение радиопомех при наличии нагрузки не возрастает.

4.3.4. При измерении радиопомех к испытуемому устройству подключают только те электрические приборы, которые входят в комплект испытуемого устройства. Для обеспечения номинальных режимов работы устройства к соответствующим его значениям подключают эквиваленты нагрузки.

4.3.5. Измерения радиопомех проводят после установления рабочего режима электроустройства.

4.3.6. При установке аппаратуры и оборудования для измерения напряжения и напряженности поля радиопомех допускается отклонение от расстояний, указанных в Нормах 15-78, не более чем на 5 %.

4.3.7. Если позволяет величина и частота тока питания на стенде при измерении напряжений помех применяют эквивалент сети (ЭС), который должен соответствовать требованиям ГОСТ 11001 для V-образного типа. Номинальное сопротивление ЭС в полосе частот от 30 до 100 МГц должно быть равно 50 Ом.

4.3.8. Измерения радиопомех проводят на следующих контрольных частотах: 0,25; 0,5; 1,0; 1,6; 3,0; 6,0; 10; 16; 20; 30; 160; 200 и 300 МГц с допустимым отклонением от номинала не более 10 %.

При этом в соответствии с Нормами 15-78 ширину полосы приема измерителя радиопомех берут равной 9 кГц для диапазона 0,15 - 30 МГц.

На частотах, расположенных между центральными частотами, радиопомехи контролируют по индикаторному прибору измерителя радиопомех при плавной перестройке частоты. При наличии превышений величин радиопомех, измеренных на контрольных частотах, измерение проводят на каждой частоте превышения.

4.3.9. Напряженность поля радиопомех в полосе частот 30 - 300 МГц измеряют при горизонтальном и вертикальном положениях приемной антенны измерительной системы.

4.3.10. Если в результате испытаний на судах имеет место превышение нормы, то следует применять дополнительные меры, например, по экранированию этих источников, в соответствии с приведенными в приложении 11.

4.4. Методика измерения и контроля допустимого уровня ПИ радиопередатчиков

4.4.1. Измерения и контроль проводят при максимальном значении мощности излучения, предусмотренной ТУ на радиопередатчик конкретного типа. Испытуемый радиопередатчик должен работать в режиме излучений 100 % мощности несущей модуляции (А1А нажатие или F1В без манипуляции).

4.4.2. Измерения и контроль проводят не менее чем в трех точках каждого поддиапазона, выделенного для морской подвижной службы.

4.4.3. Во всем диапазоне частот контроля по возможности должен использоваться один вид измерительного прибора (приемника). Полосу частот пропускания этого прибора (приемника) Вп устанавливают постоянной при измерениях во всем диапазоне частот контроля, и она должна соответствовать значениям, приведенным в табл. 22.

Таблица 22

Полоса пропускания измерительного прибора (приемника)

Полоса частот

Полоса пропускания, не менее

9 кГц < f0 < 30 МГц

1 кГц

30 МГц < f0 < 300 МГц

10 кГц

300 МГц < f0 < 4000 МГц

100 кГц

4 ГГц < f0 < 40 ГГц

1 МГц

4.4.4. Измерения и контроль проводят, как правило, с использованием средств измерений, перечень которых приведен в приложении 3.

4.4.5. Допускается использовать методы измерения ПИ, отличающиеся от рекомендаций настоящего РД, но оговоренные в ТУ на радиопередатчики конкретного типа.

4.4.6. Функциональные схемы измерений ПИ приведены на черт. 12 и 13. Фильтр в измерительный тракт включают в случае, если относительный уровень побочного канала превышает по абсолютному значению динамический диапазон измерительного прибора (приемника).

4.4.7. Относительный уровень побочного канала в ФТ радиопередатчика вычисляют по формуле

                                                   (10)

или

                                            (10)

Структурная схема измерения ПИ маломощных радиопередатчиков

1 - контролируемый радиопередатчик; 2 - звуковой генератор; 3 - развязывающий аттенюатор; 4 - измерительный аттенюатор; 5 - фильтр; 6 - высокочастотный переключатель; 7 - измерительный приемник; 8 - экранированная камера (при необходимости); 9 - эквивалентное нагрузочное сопротивление

Черт. 12

Структурная схема измерения ПИ мощных радиопередатчиков

1 - контролируемый радиопередатчик; 2 - звуковой генератор; 3 - направленный ответвитель; 4 - измерительный аттенюатор; 5 - фильтр; 6 - высокочастотный переключатель; 7 - измерительный приемник; 8 - эквивалентное нагрузочное сопротивление; 9 - экранированная камера (при необходимости)

Черт. 13

4.4.8. Испытуемый радиопередатчик соответствует норме, если выполняется условие

 и Риi/(kиiki) £ Na,                                                (12)

или

                                                       (13)

4.5. Методика измерения и контроля ширины полос радиочастот и допустимого уровня внеполосных излучений радиопередатчиков

4.5.1. Измерения и контроль проводят не менее чем в трех точках каждого поддиапазона, выделенного для морской подвижной службы.

4.5.2. Измерения и контроль следует осуществлять, как правило, с использованием средств измерений, перечень которых и их основные характеристики приведены в приложении 3.

4.5.3. Для радиопередатчиков, в которых используют однополосные классы излучений, допускается проводить контроль выполнения настоящих норм только излучения класса J3E.

4.5.4. Измерения контрольной ширины полосы частот и внеполосных излучений радиопередатчиков проводят по функциональной схеме, приведенной в общем виде на черт. 14. При измерениях используют ту часть схемы, которая соответствует методике измерений данного класса излучения.

4.5.5. При контроле радиопередатчиков, работающих телеграфными классами излучений, измерения проводят при модуляции радиопередатчика испытательным сигналом типа «прямоугольные телеграфные точки» при максимальной скорости манипуляции, оговоренной в ТУ на испытуемый радиопередатчик.

При контроле радиопередатчиков морской подвижной службы, работающих классом излучения G1B в режиме узкополосной относительной фазовой телеграфии, измерения проводят при скорости телеграфирования В = 0,88Вmax, где Вmax - максимальная скорость телеграфирования в радиоканале.

При контроле радиопередатчиков, работающих классом излучения F1B, измерения проводят при максимальных штатных значениях девиации частоты на максимальной скорости манипуляции и при наиболее часто применяемых сочетаниях девиации и скорости манипуляции.

4.5.6. При контроле радиопередатчиков, работающих классом излучения F3E, измерения проводят при максимальной девиации частоты. Девиацию устанавливают с точностью не ниже 5 %.

Примечание. Нормы на контрольную ширину полосы частот излучений вещательных радиопередатчиков с широкополосным линейным трактом модуляции выполняются, если не превышается установленное максимальное значение девиации частоты при соблюдении норм на нелинейные искажения, шумы и фон радиопередатчиков.

Структурная схема измерения ширины полосы радиочастот и внеполосных излучений радиопередатчиков

1 - имитатор телеграфных сигналов; 2 - низкочастотный генератор; 3 - генератор шума; 4 - формирующий фильтр; 5 - передающее устройство измерителя переходных помех; 6 - генератор испытательных телевизионных сигналов; 7 - измеритель мощности; 8 - квадратичный вольтметр; 9 - контролируемый радиопередатчик (модулятор); 10 - элемент связи (направленный ответвитель); 11 - эквивалент антенны; 12 - девиометр; 13 - модулятор; 14 - анализатор спектра; 15 - аттенюатор; 16 - частотомер

Черт. 14

4.5.7. Измерения контрольной ширины полосы частот и внеполосных излучений при необходимости допускается проводить и анализатором спектра с радиопередатчиком «по полю». При этом следует использовать антенны, соответствующие требованиям настоящих измерений по широкополосности, а саму измерительную аппаратуру при необходимости помещают в экранированную камеру.

4.5.8. При измерении и контроле внеполосных излучений радиопередатчиков морской подвижной службы, работающих однополосными классами излучений, уровень любой дискретной спектральной составляющей выходного сигнала радиопередатчика в пределах внеполосного спектра при модуляции радиопередатчика двухтоновым испытательным сигналом, обеспечивающим его модуляцию до номинальной пиковой мощности огибающей, не должен превышать величин, указанных в табл. 3.

4.5.9. Измерения и контроль внеполосных спектров излучений радиопередатчиков, работающих в режиме J3E, проводят по схеме, приведенной на черт. 15.

Примечание. Измерение пиковой мощности огибающей выходного сигнала радиопередатчика допускается проводить по методике, изложенной в ГОСТ 26997.

Структурная схема измерения внеполосных излучений радиопередатчиков, работающих в режиме J3E

1 - радиопередатчик; 2, 3 - низкочастотные генераторы; 4 - эквивалент антенны; 5 - делитель; 6 - анализатор спектра; 7 - измеритель средней или пиковой мощности

Черт. 15

4.5.10. На вход радиопередатчика подают сигнал от одного из генераторов с частотой 470 Гц и уровнем, при котором на выходе радиопередатчика обеспечивается мощность

Р¢ср = 0,25Рпик.ном,                                                         (14)

где Рпик.ном - номинальная пиковая мощность огибающей.

Затем, не отключая сигнал от первого низкочастотного генератора, на радиопередатчик подают сигнал от второго низкочастотного генератора с частотой 2550 Гц, уровень которого устанавливают таким образом, чтобы на выходе радиопередатчика обеспечивалась мощность

                                                        (15)

4.5.11. Полосу обзора анализатора спектра устанавливают не менее 20 кГц, полосу пропускания анализирующего фильтра - 50 - 150 Гц. Скорость анализа и другие параметры анализатора спектра устанавливают исходя из следующих критериев.

Полосу пропускания узкополосного тракта анализатора спектра на уровне минус 3 дБ (Df) при использовании периодических испытательных сигналов выбирают в 3 раза меньше частоты манипуляции, а для импульсных классов излучений - близкой к 1/10t. При контроле импульсных классов излучений форма частотной характеристики узкополосного тракта анализатора спектра должна быть близкой к колоколообразной.

При использовании шумовых испытательных сигналов Df должна быть не больше 0,05Вк.

Полосу обзора анализатора спектра П (а при использовании анализатора спектра, подключаемого к тракту усиления промежуточной частоты приемника, и ширину полосы пропускания приемника) устанавливают в 1,5 - 2 раза шире значений ширины полосы частот, вычисленной по данным табл. 2.

4.5.12. Постоянную времени последетекторного фильтра и время анализа анализатора спектра выбирают в зависимости от класса излучения радиопередатчика.

4.5.12.1. При измерении дискретных излучений постоянная времени должна быть минимальной из устанавливаемых в анализаторе спектра. Время анализа должно удовлетворять условию

                                                               (16)

при этом могут использоваться анализаторы спектра с линейным или логарифмическим детектором.

4.5.12.2. При измерении излучений однополосных классов могут использоваться анализаторы спектра с линейным, квадратичным и логарифмическим детектором, при этом постоянная времени () должна удовлетворять условию

t¢ ³ 16/Df.                                                           (17)

Время анализа выбирают исходя из следующих условий:

если наклон огибающей спектра Q в точке измерения составляет величину менее 30 дБ/октава, то время анализа прибором, имеющим линейный, квадратичный и логарифмический детектор, вычисляют по формулам:

                                               (18)

если наклон огибающей спектра Q в точке измерения превышает 30 дБ/октава, то время анализа вычисляют по формулам:

                                            (19)

Если вычисленное по формулам (18) и (19) время анализа окажется больше максимального времени развертки анализатора спектра, то измерения проводят с использованием ручной развертки.

Величину Q оценивают перед точными измерениями контрольной ширины полосы частот излучения следующим образом: полосу обзора анализатора спектра выбирают в 3 - 4 раза шире Вк, после чего величину Q оценивают непосредственно по экрану анализатора спектра с логарифмическим детектором в соответствии с черт. 16 или по разности показаний аттенюаторов анализатора спектра при последовательном отсчете значений Вк и 2Вк.

Примечание. Допускается проводить оценку величины Q по разности уровней Q между полосами Вк и 1,5Вк. Тогда величину Q рассчитывают по формуле Q = 1,7Q¢.

Оценка величины наклона огибающей спектра

Черт. 16

4.5.13. Нулевой уровень, относительно которого отсчитывают измерительный уровень X дБ, на анализаторе спектра устанавливают следующим образом:

при измерениях дискретных (телеграфных) излучений - по уровню немодулированной (неманипулированной) несущей;

при измерениях излучений однополосных классов - по максимальному уровню огибающей спектра в пределах боковой полосы частот (т.е. уровень несущей или ее остатка не учитывают).

Амплитуду соответствующей спектральной составляющей на экране анализатора спектра устанавливают на отметку «0 дБ» или в качестве отметки нулевого уровня принимают любую фиксированную горизонтальную линию в верхней трети экрана (индикатора) анализатора спектра.

Установку нулевого уровня и собственно измерения контрольной ширины полосы частот и внеполосных излучений проводят при одних и тех же параметрах анализатора спектра: полосы пропускания узкополосного тракта, времени развертки и постоянной времени последетекторного фильтра.

4.5.14. После установки нулевого уровня проводят измерения контрольной ширины полосы частот и внеполосных излучений.

В случае использования анализатора спектра с логарифмическим детектором отсчет контрольной ширины полосы частот и внеполосных излучений проводят непосредственно по шкале анализатора спектра на соответствующих уровнях по частотному интервалу между крайними спектральными составляющими, превышающими этот уровень (см. черт. 17). Такой отсчет допускается, если погрешность данного анализатора спектра по логарифмической шкале не превышает 2 дБ. В ином случае отсчет проводят при использовании линейного детектора.

Калибровку анализатора спектра с линейным детектором проводят при затухании отсчетных аттенюаторов анализатора спектра (в тракте высокой частоты и промежуточной частоты), превышающем значение уровня X дБ. После подачи на радиопередатчик модулирующего сигнала, не меняя полосы пропускания узкополосного тракта анализатора спектра и полосы обзора, затухание отсчетных аттенюаторов уменьшают на величину Х дБ и с помощью частотомера проводят отсчет измеряемой ширины полосы частот на отметке нулевого уровня (см. черт. 18) между спектральными составляющими справа и слева от средней части спектра. Если при этом измеряемая ширина полосы частот излучения выходит за пределы шкалы анализатора спектра, то после изменения полосы обзора повторно проводят калибровку анализатора спектра по уровню немодулированной несущей, после этого следует повторить описанные выше операции.

Внеполосные излучения на анализаторе спектра с логарифмическим детектором

Черт. 17

Внеполосные излучения на анализаторе спектра с линейным или квадратичным детектором

Черт. 18

4.5.15. При измерении и контроле внеполосных излучений судовых радиопередатчиков, работающих однополосными классами излучений, спектральные составляющие модулирующего сигнала устанавливают (по горизонтали) в центре шкалы анализатора спектра.

В случае равенства уровней спектральных составляющих модулирующего сигнала их путем регулировки коэффициента передачи анализатора спектра устанавливают на отметку «0 дБ» или на другую заменяющую ее отметку, расположенную в верхней трети шкалы анализатора спектра. Если уровни спектральных составляющих модулирующего сигнала не равны, путем небольшого изменения уровней модулирующих сигналов добиваются их равенства, следя чтобы не нарушались соотношения формулы (18), а затем выравненные уровни спектральных составляющих модулирующего сигнала устанавливают на отметку «0 дБ» или заменяющую ее отметку шкалы анализатора спектра.

4.5.16. Измерения уровней комбинационных составляющих 3 - 9-го порядков или любых других составляющих, попадающих в полосы частот, указанные в табл. 3, при использовании анализатора спектра с логарифмической шкалой проводят непосредственно по шкале анализатора спектра, а при использовании анализатора спектра с линейной шкалой - с помощью аттенюаторов анализатора спектра согласно его описанию. Измеренные уровни должны быть ослаблены по отношению к уровню спектральных составляющих модулирующего сигнала не менее, чем это указано в табл. 3.

По измеренным величинам ослабления спектральных составляющих, лежащих в полосе частот fпр = 7,5 кГц, вычисляют их мощность. Мощность каждой из этих составляющих в соответствии с табл. 3 не должна превышать 50 мВт.

4.5.17. Измерения и контроль внеполосных спектров излучений радиопередатчиков, работающих в режиме Н3Е, проводят по схеме, приведенной на черт. 15, из которой исключают элементы, обведенные пунктиром.

Уровень несущей радиопередатчика устанавливают таким образом, чтобы на его выходе обеспечивалась мощность в соответствии с формулой (14). Затем на радиопередатчик подают сигнал от низкочастотного генератора с частотой 2000 Гц, уровень которого устанавливают таким образом, чтобы на выходе радиопередатчика обеспечивалась мощность в соответствии с формулой (15).

После этого проводят измерения уровней составляющих аналогично приведенным в пп. 4.5.13, 4.5.14 и 4.5.15.

4.5.18. Измерения и контроль внеполосных спектров излучений радиопередатчиков, работающих в режиме Н2В, проводят при установке радиопередатчика в режим постоянного «нажатия» по методике, изложенной в п. 4.5.17.

4.6. Методика контроля обеспечения ЭМС радиоэлектронного и электротехнического оборудования на МПО

4.6.1. Контроль обеспечения ЭМС на судах, находящихся в эксплуатации

4.6.1.1. Одновременную работу аппаратуры радионавигации и метеоинформации с электрооборудованием судна проверяют при стоянке судна на рейде или на ходу.

Радиопеленгатор настраивают на радиомаяк и работают в режиме радиопеленгования, приемоиндикаторы должны принимать и индицировать сигналы местных радионавигационных систем.

При запуске электрооборудования судна должна быть обеспечена возможность приема и обработки номинального рабочего сигнала, а также выделения необходимой информации.

В случае появления сбоев или отклонения от характеристик проверяемой аппаратуры радионавигации и метеоинформации путем последовательного отключения фиксируют электрообрудование судна, при работе которого возникает помеха. Порядок запуска электрооборудования составляет проектант судна.

4.6.1.2. Одновременную работу аппаратуры радионавигации и приема метеоинформации с радиопередающими средствами судна проверяют на экономическом ходу судна.

Влияние радиопередатчиков на системы радионавигации и приема метеоинформации проверяют при поочередной работе радиопередающих средств диапазонов ГКМ, ДКМ и метровых волн в телеграфном режиме работы. При измерениях радиопередатчики должны быть настроены на частоты, соответствующие крайним и средним точкам их рабочих поддиапазонов в режимах, используемых для радиосвязи. Перед испытаниями проводят контрольную проверку работы средств радионавигации в соответствии с инструкцией по эксплуатации. Аппаратура радионавигации должна принимать сигналы радионавигационных систем, работающих в районе испытаний судна. Приемные средства метеоинформации должны работать в режиме приема синоптической карты. В момент работы радиопередатчиков проводят наблюдение за работой средств радионавигации.

Радиопередающие устройства не должны вызывать сбои или ухудшать качество принимаемого сигнала.

Амплитуда собственного шума приемных средств метеоинформации при работе радиопередатчиков не должна увеличиваться более чем в 1,5 раза.

При этом точность определения радиокурсового угла радиопеленгаторов должна соответствовать требованиям ТУ на радиопеленгаторы конкретного типа.

Примечание. Проверку одновременной работы средств радионавигации и приема метеоинформации с электрооборудованием и радиопередающими средствами судна совмещают с аналогичной проверкой приемников связи и радиотрансляции.

4.6.1.3. Одновременную работу средств радиосвязи с электрооборудованием и излучающими средствами судна проверяют в соответствии с методикой оценки уровня ИРП.

4.6.1.4. Одновременную работу радиопередатчиков диапазонов ГКМ и ДКМ волн проверяют при стоянке судна на рейде.

Влияние работы передатчика ДКМ волн на систему автонастройки передатчика ГКМ волн проверяют при работе обоих передатчиков в режиме А1А на близко расположенные антенны. Радиопередатчик ДКМ волн должен работать на излучение на частотах в полосах 4; 6; 8; 12; 16; 18; 22 и 25 МГц в режиме излучения 100 % мощности. При этом проводят настройку радиопередатчика ГКМ волн последовательно на фиксированные частоты в автоматическом режиме. Оценку способности автоматической настройки передатчика ГКМ волн на фиксированные частоты проводят в соответствии с инструкцией по эксплуатации. При работе радиопередатчика ДКМ волн на излучение система автоматической настройки радиопередатчика ГКМ волн должна работать устойчиво.

4.6.2. Контроль обеспечения ЭМС на строящихся судах во время швартовных испытаний

4.6.2.1. Проверку монтажа элементов защиты радиоприемника от помех, создаваемых электроустановками, осуществляют путем осмотра и контроля качества монтажа системы, сравнения соответствия правильности установки элементов защиты проекту, а также качества их выполнения. При этом проверяют:

надежность заземления корпусов приставных фильтров, экранирующих кожухов и труб, корпусов различных приборов и пр.;

правильность выполнения непрерывности экранирования в кабельных схемах и антенных фидерах;

надежность соединений в волноводных трактах РЛС;

правильность установки и включения фильтров.

4.6.2.2. Проверку монтажа элементов защиты радиоприема от помех, возникающих в ВПУ, проводят внешним осмотром.

В качестве технической документации при проведении проверки используют рабочие чертежи.

4.6.3. Контроль обеспечения ЭМС на строящихся судах во время ходовых испытаний

4.6.3.1. Проверка эффективности защиты радиоприема от помех, создаваемых электроустройствами

Эффективность системы защиты радиоприемника от помех, создаваемых электроустройствами судна, проверяют путем прослушивания таких помех на одном наиболее чувствительном приемнике каждого диапазона.

При проверке радиоприемник поочередно коммутируют на все приемные антенны радиорубки. Прослушивание помех проводят при следующих положениях органов настройки приемника:

ручку усиления низкой частоты устанавливают в положение наибольшего усиления;

ручкой усиления промежуточной или высокой частоты устанавливают напряжение собственных шумов радиоприемника на выходе, равное 1/3 его нормального выходного напряжения (с отключенной антенной);

переключатель автоматической регулировки устанавливают в положение ручного усиления;

переключатель рода работы устанавливают в положение, соответствующее телеграфии незатухающими колебаниями (А1А или F1B).

Прослушивание ведут при основных режимах работы всех электроустройств судна по всему диапазону радиоприемника.

Группы электроустройств и последовательность их включения для проверки помех устанавливают при испытании.

При проверке на открытых местах верхней палубы и надстройках не должно быть никаких временных электропроводок.

В случае обнаружения помех путем поочередного включения и выключения электроустройств судна определяют электроустройство, создающее помехи, и измеряют их следующим образом:

радиоприемник отключают от антенны и на его выходе в телеграфном режиме устанавливают напряжение собственных шумов, равное 1/3 его нормального выходного напряжения (U0);

к радиоприемнику подключают антенну, выключают электроустройство, создающее помехи и на выходе радиоприемника измеряют суммарное напряжение атмосферных помех и внутренних шумов радиоприемника (U1);

включают электроустройство, создающее помехи, и на входе радиоприемника измеряют суммарное напряжение помех от электроустройства, внешних помех и собственных шумов радиоприемника (U2).

Приращение выходного напряжения (DU) радиоприемника за счет помех, создаваемых электроустройствами, выраженное в процентах:

                                                 (20)

считают допустимым, если оно не превышает значений, приведенных в табл. 23.

Таблица 23

Величина приращения выходного напряжения радиоприемника за счет помех, создаваемых электроустройствами

U1/U0

DU, %

1,0 - 1,5

40

1,6 - 3,0

30

3,1 - 5,0

20

Прослушивание помех на выходе радиоприемников диапазона метровых волн проводят при следующих положениях органов настройки:

ручку регулировки громкости устанавливают в положение, соответствующее максимальному усилению;

полосовые, узкополосные и дуплексные фильтры должны быть включены.

Проверку проводят на каждом фиксированном канале.

Включение электроустройства не должно вызывать увеличения напряжения шумов на выходе радиоприемника более чем на 20 % по сравнению с максимальным уровнем шумов приемника.

4.6.3.2. Проверка эффективности защиты радиоприема от помех, создаваемых РЛС

Эффективность защиты при одновременной работе радиоприемников с передатчиками судовых РЛС проверяют путем прослушивания помех на выходе радиоприемников.

При обнаружении помех проводят измерение их уровня.

Прослушивание помех на радиоприемниках проводят в телефонном режиме, а измерение - в телеграфном.

Прослушивание помех на выходе радиоприемников диапазона метровых волн проводят на каждом фиксированном канале.

При измерении уровней помех радиоприему антенна РЛС должна работать в режиме кругового обзора.

Помехи измеряют при значениях поля внешних помех, которые соответствуют соотношению

U1 £ 5U0.                                                            (21)

Уровень помех радиоприему от РЛС в диапазоне метровых волн считают допустимым, если он не превышает 20 % над максимальным уровнем шумов приемника.

Уровень помех радиоприему от РЛС в диапазонах ГКМ и ДКМ волн определяют отношением U2/U1 которое не должно превышать значений, приведенных в табл. 24.

Таблица 24

Величина приращения выходного напряжения радиоприемника за счет помех, создаваемых РЛС

U2/U1

DU, %

1,0 - 1,5

40

1,5 - 3,0

30

3,1 - 5,0

20

4.6.3.3. Проверка одновременной работы средств радиосвязи диапазонов ГКМ и ДКМ волн

Одновременную работу средств радиосвязи проверяют на эксплуатационном ходу судна.

В ходе подготовки к проверке одновременной работы средств связи и при самой проверке должны быть закреплены по походному и находиться в неподвижном состоянии: такелаж, рангоут, подъемные устройства, леерные ограждения, трапы и другие судовые устройства на открытых местах верхней палубы, надстроек и мачт.

Одновременную работу средств радиосвязи проверяют при работе радиопередатчиков на антенны, на которые выполнена их настройка, и при работе приемников на основные антенны.

Уровень помех радиоприему, возникающих в такелаже, рангоуте и ВПУ при работе радиопередатчиков, проверяют на одном из приемников в телеграфном режиме. Условия одновременности проверяют при работе передатчиков во всем диапазоне частот.

При проверке одновременной работы на каждой частоте используют только один передатчик наибольшей мощности.

Наличие помех, возникающих в такелаже, рангоуте и ВПУ, проверяют прослушиванием помех при перестройке приемника, начиная с самой низкой частоты до самой высокой.

На каждом поддиапазоне приемника вначале определяют на слух участки, на которых при нажатии ключа испытуемого передатчика обнаруживают помехи.

После определения граничных участков диапазона, в котором прослушивают помехи, антенну радиоприемника отключают и на его выходе устанавливают напряжение собственных шумов U0, равное 1/3 его нормального выходного напряжения, при этом:

ручку усиления низкой частоты радиоприемника устанавливают в положение наибольшего усиления;

переключатель автоматической регулировки усиления приемника устанавливают в положение ручного усиления;

род работы должен соответствовать самой узкой полосе пропускания по промежуточной частоте.

К радиоприемнику снова подключают антенну и на выходе измеряют суммарное напряжение атмосферных помех и собственных шумов U1 на данной частоте настройки.

Нажимают ключ передатчика и на выходе приемника измеряют суммарное напряжение помех от такелажа, рангоута и ВПУ, атмосферных помех и собственных шумов приемника U2.

Величину U2, в которую входят и помехи, возникающие в такелаже, рангоуте и ВПУ, проверяют при отношениях U1/U0 £ 5.

Приращение выходного напряжения радиоприемника за счет помех, возникающих в такелаже, рангоуте и ВПУ, выраженное в процентах:

                                                 (22)

допустимо, если оно не превышает значений, приведенных в табл. 25.

Таблица 25

Величина приращения выходного напряжения радиоприемника за счет помех, возникающих в такелаже, рангоуте и ВПУ

U1/U0

DU, %

1,0 - 1,5

100

1,6 - 2,0

70

2,1 - 3,0

50

3,1 - 5,0

20

Участки диапазона, в пределах которых уровень этих помех превышает указанные величины, являются пораженными полосами приема на основных частотах работающих радиопередатчиков.

4.6.3.4. Проверка одновременной работы радиостанций диапазона метровых волн

Одновременную работу проверяют при наличии на судах двух и более радиостанций диапазона метровых волн. Определение пораженных полос проводят при поочередной работе каждого передатчика.

Проверку проводят равномерно по всему диапазону через промежутки, равные 1/10 диапазона, на границы которых последовательно настраивают передатчик проверяемой радиостанции.

Испытуемые приемники радиостанций диапазона метровых волн перестраивают на каждую частоту диапазона и проводят поиск пораженных частот путем прослушивания и измерения напряжений на выходе приемника.

Пораженными считают те участки частот, на которых уровень принимаемого сигнала превышает уровень шумов приемника более чем на 20 % или наблюдается устойчивое подавление шумов приемника более чем на 50 %.

ПРИЛОЖЕНИЕ 1

Справочное

ТЕРМИНЫ, ПРИМЕНЯЕМЫЕ В НАСТОЯЩЕМ РД, И ИХ ПОЯСНЕНИЯ

Термин

Пояснение

Класс излучения

По ГОСТ 24375

Необходимая ширина полосы радиочастот

По ГОСТ 23611

Внеполосное радиоизлучение

По ГОСТ 23611

Полоса частот радиоизлучения на уровне X дБ

По ГОСТ 23611

Контрольная ширина полосы частот излучения

По ГОСТ 24375

Побочное излучение

По ГОСТ 23611

Радиоизлучение на гармонике

По ГОСТ 23611

Радиоизлучение на субгармонике

По ГОСТ 23611

Паразитное излучение

По ГОСТ 23611

Комбинационное излучение

По ГОСТ 23611

Интермодуляционное излучение

По ГОСТ 23611

Пиковая мощность радиопередатчика

По ГОСТ 24375

Средняя мощность радиопередатчика

По ГОСТ 24375

Присвоенная полоса радиочастот

По ГОСТ 24375

Мощность побочного излучения

Мощность колебания, относящегося к побочным излучениям, передаваемая радиопередатчиком в АФТ или эквивалент нагрузки

Характерная частота

Частота, которая легко опознается и измеряется в данном излучении (например, несущая частота)

Основная частота

Частота, лежащая в полосе основного излучения

Основное излучение

Излучение радиопередатчика в необходимой полосе радиочастот, предназначенное для передачи сигнала

Контактные помехи

КП

Электромагнитные помехи, обусловленные переизлучением токопроводящих контактов и (или) среды с нелинейной проводимостью при воздействии на них электромагнитного поля

Интермодуляционные помехи на контактных переходах

Помехи радиоприему, возникающие на частотах

икп

fикп = ±mf1 ± nf2 ± ... ± lfк

 

в результате воздействия суммарного электромагнитного поля радиопередатчиков в ближней зоне на контакты ВПУ с переменным сопротивлением, где f1, f2, ..., fк - частоты радиопередатчиков; т, п, ..., l - целые положительные числа (включая нуль). Сумма Sикп = т + п + ... + l обозначает порядок ИКП. При одном радиопередатчике (простейший случай) fикп - частота гармоники соответствующего порядка

Относительное значение уровня КП или ИКП

Отношение абсолютного значения КП или ИКП к уровню излучения радиопередатчика на основной (основных) частотах, взятых в одних и тех же единицах измерения и выраженное в дБ. Измерение этих уровней осуществляется в одном и том же месте пространства

Время установления телеграфного сигнала (импульса)

Время, в течение которого ток телеграфного сигнала (импульса) изменяется от 0,1 до 0,9 (или наоборот) величины, достигаемой в установившемся режиме; в случае асимметричного сигнала - время установления в начале и в конце сигнала может быть различным

Относительное время установления телеграфного сигнала (импульса)

Отношение времени установления к длительности импульса на уровне половины его амплитуды

Относительное значение мощности ПИ (ПК)

Отношение средней мощности ПИ (ПК) к средней мощности основного излучения (колебания) в пределах необходимой ширины полосы частот радиопередатчика, взятых в одних и тех же единицах измерения

Абсолютное значение мощности побочных колебаний

Значение уровня побочных колебаний, выраженное в единицах мощности (мВт, мкВт)

Диапазон частот контроля

Диапазон частот, в котором контроль уровней побочных излучений является обязательным

Внешняя помехозащищенность

Свойство аппаратуры препятствовать проникновению в ее тракт радиопомех, воздействующих на нее помимо антенного входа, в том числе через экраны, по цепям питания, управления и коммутации

Абсолютное значение мощности побочных излучений

Значение уровня побочных излучений, выраженное в единицах мощности (мВт, мкВт), подаваемой в фидер антенны на частоте побочного излучения

ПРИЛОЖЕНИЕ 2

Справочное

ОБОЗНАЧЕНИЯ ВЕЛИЧИН, ПРИМЕНЯЕМЫХ В НАСТОЯЩЕМ РД

Uкп - напряжение контактной помехи, дБмкВ;

h - относительное значение уровня ИКП, дБ;

Вн - необходимая ширина полосы частот, Гц;

Вк - контрольная ширина полосы частот, Гц;

Вх - полоса частот радиоизлучения на уровне X дБ, Гц;

Вп - полоса частот пропускания измерительного приемника Гц, кГц, МГц;

U - значение внешней помехозащищенности, дБмкВ/м;

X - значение относительного уровня, минус дБ;

В - скорость телеграфирования, бит/с;

K - числовой коэффициент, зависящий от допустимого искажения сигнала;

f0 - рабочая частота радиопередатчика, Гц;

Fв - максимальная частота модуляции, Гц;

Fн - минимальная частота модуляции, Гц;

Fп - частота поднесущей, Гц;

D - пиковая девиация частоты (половина разности между максимальной и минимальной величинами мгновенной частоты), Гц;

т - индекс модуляции;

kmin - минимальный коэффициент передачи по мощности измерительного прибора (приемника);

kиi - коэффициент передачи измерительного прибора (приемника) на частоте i-го измерения;

Gi - эффективная длина антенны на частоте i-го измерения;

li - длина волны при i-м измерении;

ki - коэффициент передачи контролируемого радиопередатчика на частоте i-го измерения;

kи - коэффициент передачи контролируемого радиопередатчика на частоте побочного канала;

Риi(Uиi) - измеренное значение мощности (напряжения) на входе измерительного приемника на частоте i-го измерения, Вт (В);

kно - коэффициент передачи по мощности направленного ответвителя (развязывающего аттенюатора);

k0 - коэффициент передачи по мощности высокочастотного измерительного тракта на рабочей частоте;

Н - ослабление чувствительности побочных каналов приема измерительного приемника относительно чувствительности основного канала приема, дБ;

a - затухание, вносимое аттенюатором, дБ;

Сф - затухание, вносимое фильтром вне полосы пропускания, дБ;

fпр - присвоенная радиочастота, Гц;

Df - ширина статической полосы пропускания узкополосного тракта анализа спектра на уровне минус 3 дБ, Гц;

П - полоса обзора анализатора спектра, Гц;

T - время анализа (длительность прямого хода развертки), с;

t - постоянная времени последетекторного фильтра, с;

Q - наклон огибающей спектра в его внеполосной части в дБ на октаву;

N - норма на относительное значение уровня побочного канала (ПК), дБ;

Nа - норма на абсолютное значение уровня ПК, Вт, В, мкВ/м;

Ротн - относительный уровень ПК (ПИ), дБ;

Рпр - проходящая мощность ПК, Вт;

Рн.п(Uн.п) - нижний предел измерения мощности (напряжения) измерительного приемника, Вт (В);

Pв.п(Uв.п) - верхний предел измерения мощности (напряжения) измерительного приемника, Вт (В);

Р0 - мощность контролируемого радиопередатчика на рабочей частоте, Вт;

Ри0(Uи0) - измеренное значение мощности (напряжения) на входе измерительного приемника, на рабочей частоте контролируемого радиопередатчика, Вт (В);

Ратт - допустимая мощность рассеяния аттенюатора (направленного ответвителя), Вт;

Rвх - входное сопротивление измерительного приемника, Ом;

Rвых - выходное сопротивление измерительного генератора, Ом.

ПРИЛОЖЕНИЕ 3

Рекомендуемое

ПЕРЕЧЕНЬ РЕКОМЕНДУЕМОЙ ИЗМЕРИТЕЛЬНОЙ АППАРАТУРЫ

1. Основные технические характеристики рекомендуемых к применению электронно-счетных частотомеров приведены в табл. 26.

Таблица 26

Основные технические характеристики электронно-счетных частотомеров

Тип прибора

Диапазон измеряемых частот

Погрешность измерения частоты

в режиме непрерывной генерации

в режиме импульсной модуляции

Ч3-63

0,1 Гц - 1000 МГц

5 × 10-7 ± 1 сч. ед.

-

Ч3-58

10 Гц - 18 ГГц

2,5 × 10-7

-

Ч3-61

8,15 - 37,5 ГГц

d0 ± 1 сч. ед.

d0 + 150/f ± 1 сч. ед.

Примечание. d0 - погрешность измерения в соответствии с техническим описанием.

2. Основные технические характеристики рекомендуемых к применению вольтметров приведены в табл. 27.

Таблица 27

Основные технические характеристики вольтметров

Тип прибора

Диапазон измерения напряжений, В

Диапазон частот

Погрешность измерений, %

ВЗ-57

10-5 - 300

5 Гц - 5 МГц

1 - 4

ВЗ-48

3 × 10-4 - 300

10 Гц - 50 МГц

2,5 - 10

ВЗ-59

2,65 × 10-4 - 300

10 Гц - 100 МГц

0,4 - 2,5

3. Основные технические характеристики рекомендуемых к применению измерителей коэффициента модуляции (модулометров) приведены в табл. 28.

Таблица 28

Основные характеристики измерителей коэффициента модуляции (модулометров)

Тип прибора

Диапазон несущих частот, МГц

Диапазон модулирующих частот, кГц

Пределы измерения

Чувствительность, мВ

в режиме ЧМ

в режиме AM

в режиме ЧМ

в режиме AM

в режиме ЧМ, кГц

в режиме AM, %

СК3-39

0,1 - 50

5 - 6

0,1 - 50

5 - 6

0,03 - 15

0,03 - 15

10 - 30

0,1 - 100

50

СК3-46

1 - 1500

1 - 500

0,05 - 30

0,05 - 30

1 - 300

1 - 100

30 - 100

4. Преобладание «телеграфных точек» у имитаторов телеграфных сигналов не должно превышать 3 %. Относительное время установления импульсов не должно превышать 2 % Должна обеспечиваться стандартная скорость манипуляции, применяемая в испытываемом радиопередатчике.

5. В качестве телеграфных сигналов возможно использовать двухканальный имитатор телеграфных сигналов ДИТС-32, имеющий следующие основные технические характеристики.

5.1. Вид испытательного сигнала (тест-сигнала): точки, любая 5- или 7-элементная комбинация, комбинация 1:15, квазипериодическая (псевдослучайная) последовательность из 29 - 1 элементов (рекуррентный тест-сигнал), нажатие.

5.2. Скорости манипуляции стандартные от 47 до 2400 Бод (47, 50, 75, 94, 100, 141, 150, 188, 200, 282, 300, 1200 и 2400 Бод) с относительной погрешностью не более 6 × 10-5.

5.3. При использовании внешнего манипулирующего генератора скорость манипуляции может быть в пределах от 40 до 2500 Бод с относительной погрешностью, определяемой стабильностью частоты внешнего генератора.

5.4. Имитатор имеет два независимых по скорости и виду манипуляции канала.

5.5. Каждый канал имеет регулируемый тональный и импульсный выходы, а также три дополнительных нерегулируемых импульсных выхода. Уровень сигналов на импульсном выходе - (0 - 60) В и 25 В, на тональном - (0 - 5,5) В.

5.6. Несущие частоты тональных выходов: 900, 1200, 1620, 1980, 3000 и 4000 Гц ± 2 %.

5.7. Преобладание импульсных посылок не превышает 1 %.

6. КСВ по напряжению каждого вспомогательного элемента высокочастотного тракта не должен превышать 1,5.

ПРИЛОЖЕНИЕ 4

Рекомендуемое

НОРМЫ ДОПУСТИМЫХ УРОВНЕЙ И МЕТОДИКИ ИЗМЕРЕНИЯ КП И ИКП

1. Нормы допустимых уровней КП и ИКП

1.1. Абсолютные уровни КП и относительные уровни ИКП нормируют в полосе частот 400 кГц - 30 МГц.

1.2. КП нормируют при расстоянии 3 и 10 м от приемной антенны при полосе пропускания измерительного радиоприемника 3 кГц. При измерении уровня КП при других расстояниях от приемной антенны и других полосах путем экстраполяции и интерполяции осуществляют приведение значения уровня КП к расстоянию 3 или 10 м и полосе 3 кГц. При этом используют методику, приведенную в пп. 3.1 - 3.5 настоящего приложения.

1.3. Допустимые уровни КП приведены на черт. 19.

1.4. ИКП нормирует при расстояниях 3 и 10 м от приемной антенны при полосе пропускания измерительного радиоприемника 3 кГц. При измерении уровня ИКП при других расстояниях от приемной антенны и других полосах путем экстраполяции и интерполяции осуществляют приведение значения уровня ИКП к расстоянию 3 и 10 м и полосе 3 кГц. При этом используют методику, приведенную в пп. 3.1 - 3.5 настоящего приложения.

1.5. Допустимые уровни ИКП третьего порядка (в дБ относительно первой гармоники основного излучения или сигнала одного из радиопередатчиков) приведены на черт. 20.

2. Методика измерения и контроля КП и ИКП

2.1. Измерение уровня КП проводят с помощью селективного вольтметра при полосе пропускания 3 кГц и расстояниях 3 и 10 м от приемной антенны.

2.2. Уровень КП измеряют при работе радиопередатчика на следующих контрольных частотах, 0,454; 0,512; 2,550; 4,205; 6,310; 8,410; 12,570; 16,790; 22,360 и 25,200 МГц.

2.2.1. При нажатом ключе (класс излучений А1А мощностью 100 %) измеряют уровень основного излучения радиопередатчика. Включают класс излучений F1B (мощность 100 %, манипуляция со скоростью 50 бит/с) и измеряют уровень основного излучения радиопередатчика (на частотах 0,454; 0,512 МГц; измерения проводят при классе излучений А1А, мощность 100 %, скорость манипуляции 40 бит/с).

2.2.2. Далее проводят измерение уровня КП при отстройке от частоты настройки радиопередатчика на 0,01; 0,05; 0,1; 0,5; 1,5 и 10 %. В случае, если при небольших отстройках наблюдают блокировку селективного микровольтметра, то измерения проводят только при отстройках, где отсутствует блокирование, а на частотах, где наблюдают блокирование измерения, - при мощности 25 %.

2.3. Измерения по п. 2.2 настоящего приложения проводят при движении судна с максимальной скоростью.

2.4. Ширину полосы пропускания селективного вольтметра во время измерений выбирают минимальной.

2.4.1. Измерение уровня ИКП на выходе приемной антенны проводят с помощью селективного вольтметра при одновременном излучении двумя, а при возможности и тремя радиопередатчиками при работе классами излучений А1А (мощность 100 %, нажатие). Радиопередатчики настраивают на 2 - 3 частоты каждой из полос, отведенных для морской подвижной службы.

Допустимые уровни контактных радиопомех

1 - при расстоянии 10 м от приемной антенны; 2 - при расстоянии 3 м от приемной антенны; fн - частота настройки радиопередатчика; Df - частота отстройки радиоприемника от частоты настройки радиопередатчика

Черт. 19

Допустимые уровни интермодуляционных контактных радиопомех

1 - при расстоянии 10 м от приемной антенны; 2 - при расстоянии 3 м от приемной антенны

Черт. 20

2.5. Частоту измерения вычисляют из следующих соотношений:

при одновременной работе трех радиопередатчиков

fизм = ±kf1 ± lf2 ± mf3;                                                       (23)

при одновременной работе двух радиопередатчиков

fизм = ±kf1 ± lf2;                                                           (23)

где f1, f2, f3 - частота настройки соответствующего радиопередатчика;

k, l, m - целые числа.

2.6. Определение источников ИКП и измерения уровня этих помех осуществляют с помощью селективного вольтметра.

2.6.1. Измерительный комплекс (вольтметр) размещают на пеленгаторной палубе (желательно, чтобы его антенна находилась вне зоны радиоосвещенности передающих антенн).

2.6.2. Включают два или три радиопередатчика (мощность 100 %, класс излучения - А1А) и по ИКП третьего порядка определяют направление на наиболее мощный источник ИКП. Определяют сам источник и по возможности осуществляют его подавление методами, предусмотренными в п. 2.3.

2.7. Учитывая, что при малых уровнях КП и ИКП измерения осуществляют в присутствии других видов помех и суммарное измеренное напряжение образуется наложением напряжения помех от многих источников, для определения уровня КП и ИКП каждый раз проводят как минимум два измерения: при включенных и выключенных судовых радиопередатчиках. По результатам двух таких измерений абсолютный уровень КП или ИКП вычисляют по формуле

                                                         (25)

где U1 - напряжение (напряженность поля) помех при наличии КП или ИКП;

U2 - напряжение (напряженность поля) помех при отсутствии КП или ИКП.

Для обеспечения достоверности результатов измерения уровня остальных видов помех, U1 и U2 при измерениях должны оставаться постоянными, что достигается за счет малых промежутков измерения, в течение которых посторонние помехи не успевают измениться.

3. Методика приведения уровня КП и ИКП к нормированному расстоянию, полосе пропускания и чувствительности радиоприемника

3.1. В качестве нормированного расстояния при измерении КП и ИКП считается расстояние 3 и 10 м от места размещения приемной антенны.

3.2. Зависимость уровня КП от расстояния может быть получена посредством измерения напряженности поля этих помех при различных расстояниях при отсутствии между источником помех и измерителем затеняющих металлических предметов.

В полосе частот до 20 МГц ориентировочно следует считать, что при расстояниях до 0,1 А, напряженность поля убывает обратно пропорционально кубу от расстояния, при расстояниях от 0,1 до 3l - обратно пропорционально квадрату расстояния и при расстоянии более 3l - обратно пропорционально расстоянию.

3.3. Зависимость ослабления уровня КП от расстояния в полосе частот 0,4 - 30 МГц при высоте установки передающей антенны над палубой 1 м и приемной (измерительной) - от 0,5 до 1 м приведены на черт. 21.

3.4. Уровни КП и ИКП нормированы при полосе пропускания 3 кГц для чувствительности радиоприемника 4 мкВ, определенной в единицах э.д.с. несущей (Е) в микровольтах, включенной последовательно с эквивалентным сопротивлением источника и определяемой для амплитудной модуляции в виде

                                                    (26)

где F - коэффициент шума (отношение мощностей);

R - эквивалентное сопротивление источника (эквивалент антенны), Ом;

h2 - отношение сигнала к шуму по мощности на выходе;

т - коэффициент модуляции;

K - постоянная Больцмана, равная 1,37 × 10-23 Дж/К;

Т - термодинамическая (абсолютная) температура (T обычно принимают равной 293 К, тогда КТ ≈ 400 × 10-23 Дж);

В - ширина эффективной полосы шума, Гц.

Для однополосной модуляции чувствительность (Е) в микровольтах в виде э.д.с. компоненты сигнала до новой полосы вычисляют по формуле

                                                    (27)

3.5. Если чувствительность судового радиоприемника отличается от значения 4 мкВ или полоса пропускания измерительного приемника (или судового радиоприемника) отличается от 3 кГц, то по формулам (26) и (27) допустимые значения КП и ИКП пересчитывают для параметров используемых радиоприемников.

Зависимость ослабления уровня КП от частоты

1 - при расстоянии 30 м; 2 - при расстоянии 10 м; 3 - нулевой уровень при расстоянии 10 м

Черт. 21

ПРИЛОЖЕНИЕ 5

Рекомендуемое

УСТАНОВКА АП ССС

1. АП ССС следует размещать на фундаменте (опоре) (черт. 22), который должен выдерживать общий вес антенного устройства и возможное увеличение веса от осадков, ожидаемый момент сил, воздействующий на фундамент при максимально допустимых значениях килевой и бортовой качки и ветра.

Типы конструкций фундамента (опоры) для ССС

а - для установки антенны над палубой на высоте 2 м и менее; б - для установки антенны над палубой на высоте более 2 м

Черт. 22

Допускается устанавливать АП ССС на площадке с антенным комплексом РЛС или на мачте при выполнении требований к допустимым нагрузкам (черт. 23).

Варианты установки АП ССС

а - размещение АП на мачте и на площадке с антенной РЛС; б - размещение АП на мачте и на площадке с антенной РЛС с дополнительным усилением конструкции; 1 - платформа; 2 - антенна РЛС; 3 - дополнительное усиление; 4 - мачта

Черт. 23

2. Конкретное место установки АП ССС выбирает проектировщик с учетом следующих факторов:

обеспечения ЭМС станции с радиооборудованием судна;

соблюдения норм на СВЧ излучения от антенны станции;

влияния физических препятствий на судне (антенн, мачт и других конструкций);

соблюдения норм на уровни вибрации.

3. АП ССС следует размещать таким образом, чтобы мешающие верхнепалубные конструкции судна, по возможности, не попадали во все азимутальные направления главного лепестка ДН антенны при углах места (возвышения) от 0 до 90°. На черт. 24 приведен рекомендуемый угловой размер незатеняемой зоны.

Рекомендуемый угловой размер незатеняемой зоны для антенны ССС

1 - зеркало антенны; r - радиус эффективной зоны распространения на расстоянии R от антенны

Черт. 24

ПРИЛОЖЕНИЕ 6

Рекомендуемое

АЛГОРИТМ ВЫБОРА МЕСТА УСТАНОВКИ АП ССС

1. При выборе места установки АП ССС рекомендуется пользоваться алгоритмом, приведенным на черт. 25.

2. Алгоритм установки АП ССС учитывает как вопрос обеспечения ЭМС ССС с другими судовыми РЭС, так и вопросы обеспечения допустимых уровней вибрации в месте антенны.

Алгоритм выбора места установки АП ССС

Черт. 25

ПРИЛОЖЕНИЕ 7

Рекомендуемое

ЗАВИСИМОСТЬ НАПРЯЖЕННОСТИ ПОЛЯ И НАВЕДЕННЫХ НАПРЯЖЕНИЙ В ПРИЕМНЫХ АНТЕННАХ, СОЗДАВАЕМЫХ СУДОВЫМИ РАДИОПЕРЕДАТЧИКАМИ, ОТ РАССТОЯНИЯ

1. Размещение антенн на судах следует проводить с учетом напряженности электромагнитного поля, создаваемой радиопередатчиками в точке размещения приемных антенн и наведенных в них напряжений.

2. На черт. 26 - 28 приведены кривые зависимости напряженности поля радиопередатчиков РЭС диапазона метровых волн от расстояния при различном взаиморасположении антенн.

3. На черт. 29 приведены кривые зависимости напряженности поля радиопередатчиков диапазона ГКМ волн от расстояния при различных мощностях радиопередатчиков.

4. На черт. 30 приведены кривые зависимости наведенных напряжений в штыревых приемных антеннах высотой 6 м от расстояния, на которое они удалены от передающих антенн.

Зависимость напряженности поля радиопередатчиков РЭС диапазона метровых волн от расстояния относительно плоскости, перпендикулярной оси антенны

1 - мощность радиопередатчика 1 кВт; 2 - 50 Вт; 3 - 30 Вт; 4 - 15 Вт

Черт. 26

Зависимость напряженности поля радиопередатчиков РЭС диапазона метровых волн от расстояния под углом 30° относительно плоскости, перпендикулярной оси антенны

1 - мощность радиопередатчика 1 кВт; 2 - 50 Вт; 3 - 30 Вт; 4 - 15 Вт

Черт. 27

Зависимость напряженности поля радиопередатчиков РЭС диапазона метровых волн от расстояния под углом 60° относительно плоскости, перпендикулярной оси антенны

1 - мощность радиопередатчика 1 кВт; 2 - 50 Вт; 3 - 30 Вт; 4 - 15 Вт

Черт. 28

Зависимость напряженности поля радиопередатчиков РЭС диапазона ГКМ волн от расстояния при различных мощностях радиопередатчиков

1 - мощность радиопередатчика 0,25 кВт; 2 - 1 кВт; 3 - 3,0 кВт

Черт. 29

Зависимость наведенных напряжений в штыревых приемных антеннах высотой 6 м от расстояния, на которое они удалены от передающих антенн

1 - мощность радиопередатчика 0,05 кВт; 2 - 0,25 кВт; 3 - 1 кВт; 4 - 3 кВт

Черт. 30

ПРИЛОЖЕНИЕ 8

Рекомендуемое

ОПРЕДЕЛЕНИЕ ПОТЕРЬ ОТ ПРЕПЯТСТВИЯ И ДОПУСТИМЫХ РАССТОЯНИЙ ДО ПРЕПЯТСТВИЙ

1. Для определения потерь от препятствия и допустимых расстояний до них при разработке проекта места установки АП ССС необходимо пользоваться данными, приведенными на черт. 31 - 39.

2. Площадь нецилиндрического препятствия, как это показано на черт. 34 и 37, вычисляют как часть эффективной зоны распространения.

3. При определении потерь от препятствий следует обращать внимание, что при потерях более 4 дБ качество и надежность связи существенно ухудшаются и даже возможно полное нарушение связи.

Зависимость потерь усиления антенны от направления на цилиндрическое препятствие

q - угол отклонения от прямого направления на препятствие; I - диаметр препятствия d = 0,15 м; II - d = 0,45 м;

 - расстояние до препятствия R = 9,6 м;

 - R = 4,8 м;

 - R = 2,4 м

Черт. 31

Зависимость потерь усиления антенны от направления на препятствие типа фальштрубы

q - угол отклонения от прямого направления на препятствие;

 - расстояние до препятствия R = 12 м;

 - R = 15 м

Черт. 32

Зависимость потерь усиления антенны от направления на препятствие в виде треугольной мачты и фальштрубы

q - угол отклонения от прямого направления на препятствие;

1 - антенна ССС диаметром 1,2 м; 2 - треугольная мачта; 3 - фальштруба; I - только треугольная мачта, R = 6 м; II - только треугольная мачта, R = 2,1 м; III - треугольная мачта и фальштруба, R = 15 м, R¢ = 6 м; IV - треугольная мачта и фальштруба, R = 15 м, R¢ = 2,l м

Черт. 33

Зависимость потерь усиления антенны от направления на препятствие в виде четырехугольной мачты и фальштрубы

q - угол отклонения от прямого направления на препятствие;

1 - только четырехугольная мачта, R = 15,2 м, R¢ = 3 м, R² = 2,4 м; II - только четырехугольная мачта, R = 15 м, R¢ = 7,2 м, R² = 4,8 м; III - четырехугольная мачта и фальштруба, R = 15,2 м, R¢ = 3 м, R² = 2,4 м; IV - четырехугольная мачта и фальштруба, R = 15 м, R¢ = 7,2 м, R² = 4,8 м

Черт. 34

Зависимость потерь усиления антенны от расстояния до цилиндрического препятствия и его диаметра

I - диаметр препятствия 0,45 м; II - диаметр препятствия 0,3 м; III - диаметр препятствия 0,15 м

Черт. 35

Зависимость потерь усиления антенны от диаметра цилиндрического препятствия и расстояния до него

Черт. 36

Пример определения эффективной площади затенения для нецилиндрических поверхностей

1 - эффективная площадь распространения, равная pr2; 2 - эффективная площадь затенения; 3 - АП ССС; r - радиус эффективной зоны распространения; R - расстояние до препятствия

Черт. 37

Зависимость потерь усиления антенны для нецилиндрических препятствий от эффективной площади препятствия и расстояния до препятствия

Черт. 38

Зависимость радиуса эффективной зоны распространения от расстояния до нецилиндрического препятствия

Черт. 39

ПРИЛОЖЕНИЕ 9

Рекомендуемое

ОПРЕДЕЛЕНИЕ ОСЛАБЛЕНИЯ СИГНАЛА, ПРИНИМАЕМОГО ССС, ЗА СЧЕТ ЭФФЕКТА ОТРАЖЕНИЯ РАДИОВОЛН ОТ ВЗВОЛНОВАННОЙ МОРСКОЙ ПОВЕРХНОСТИ

1. Энергетические потери, вызванные явлением многолучевого распространения радиоволн на участке спутник - судно в полосе частот 1535 - 1543,5 МГц за счет отражения от взволнованной морской поверхности, при разработке проекта места установки определяют в соответствии с данными, приведенными на черт. 40 - 44.

2. В табл. 29 приведена наиболее распространенная на флоте шкала, связывающая состояние моря в баллах и высоту морской волны в метрах. Статистически установлено, что большинство случаев (более 90 %) как по количеству, так и по времени в различных районах мирового океана высота волн не превышает 4 м.

3. На черт. 40 приведена статистическая зависимость параметра взволнованности морской поверхности (gв) от высоты морской волны в мировом океане (hв). Параметр взволнованности статистически связан с отношением высоты волны к ее длине.

4. На черт. 41 и 42 представлены зависимости глубины замираний от высоты морской волны. Результирующий фединг определяется суммированием когерентной и некогерентной составляющих.

5. На черт. 43 приведена зависимость глубины замираний от угла возвышения из-за многолучевости антенны ССС стандарта А для 99 % времени и значений параметра взволнованности морской поверхности, равных 0,04 и 0,07.

6. На черт. 44 приведена зависимость глубины замираний из-за отражений от морской поверхности для 99 % времени как функция угла возвышения антенны ССС в зависимости от ее коэффициента усиления для высоты морских волн от 1,6 до 3,2 м при полном проявлении некогерентной составляющей.

Зависимость параметра взволнованности морской поверхности от высоты морской волны

Черт. 40

Зависимость глубины замираний от высоты морской волны

Lмн (99 %) - глубина некогерентной составляющей фединга для 99 % времени; Lмк - глубина когерентной составляющей фединга; G - коэффициент усиления антенны ССС; b - угол возвышения; gв - параметр взволнованности морской поверхности

Черт. 41

Зависимость глубины замираний от высоты морской волны

Lмн (99 %) - глубина некогерентной составляющей фединга для 99 % времени; Lмк - глубина когерентной составляющей фединга; G - коэффициент усиления антенны ССС; Р - угол возвышения; gв - параметр взволнованности морской поверхности

Черт. 42

Зависимость глубины замираний из-за многолучевости от угла возвышения антенны ССС стандарта А для 99 % времени

Черт. 43

Зависимость глубины замираний для 99 % времени от угла возвышения

G - коэффициент усиления антенны ССС

Черт. 44

Таблица 29

Соотношение состояния моря и высоты волн

Состояние моря, баллы

Высота волн, м

Состояние моря, баллы

Высота волн, м

0

0

5

2,6 - 4

1

0,3

6

4 - 7

2

0,3 - 1

7

7 - 13

3

1 - 1,8

8

13

4

1,8 - 2,6

9

Нет данных

ПРИЛОЖЕНИЕ 10

Рекомендуемое

ЗАТУХАНИЕ ЭЛЕКТРОМАГНИТНЫХ ВОЛН НА ГАРМОНИКАХ ОСНОВНОГО ИЗЛУЧЕНИЯ

1. Расстояние между антеннами при разных длинах фидера радиопередатчика ДКМ диапазона определяют в соответствии с графиками, приведенными на черт. 45 и 46.

2. На черт. 45 приведена зависимость затухания электромагнитных волн в свободном пространстве и в фидере РК 75-13-17 для гармоник радиопередатчика ДКМ волн, расположенных в полосе частот 1535 - 1543,5 МГц, от расстояния между антеннами.

3. На черт. _46 приведена зависимость потерь при распространении гармоник радиопередатчика ДКМ волн в фидере РК 75-13-17 от частоты.

Зависимость затухания электромагнитных волн в свободном пространстве и в фидере РК 75-13-17 для частот 1535 - 1543,5 МГц от расстояния между антеннами и длины фидера

1 - затухание электромагнитных волн в свободном пространстве

Черт. 45

Зависимость потерь в фидере РК 75-13-17 от частоты

æ - коэффициент затухания; 1 - при температуре 40 °С; 2 - при температуре 20 °С

Черт. 46

ПРИЛОЖЕНИЕ 11

Рекомендуемое

ЗАЩИТА ОТ РАДИОПОМЕХ ПОСРЕДСТВОМ ЭКРАНИРОВАНИЯ ИСТОЧНИКОВ РАДИОПОМЕХ

1. Если уровень радиопомех превышает допустимые нормы, в ряде случаев его возможно уменьшить за счет применения специальных экранов. Эффективность экранирования зависит от типа применяемого материала.

2. На черт. 47 - 50 приведены кривые эффективности экранирования различных металлов: на черт. 47 - стали при различной толщине экранирующего листа; на черт. 48 - алюминия, на черт. 49 - меди и на черт. 50 - латуни.

3. В табл. 30 приведены данные по эффективности экранирования стальных сеток.

Таблица 30

Эффективность экранирования стальных сеток

Сетка

Ослабление, дБ, на частоте, МГц

ГОСТ

номер

размер стороны ячейки в свету, мм

диаметр проволоки, мм

0,01

0,1

1,0

10,0

100,0

ГОСТ 3826

1

1,0

0,4

96

94

83

72

59

ГОСТ 3826

10

10,0

1,0

106

94

86

63

43

Эффективность экранирования стали

1 - толщина экранирующего листа 1,0 мм; 2 - 0,5 мм; 3 - 0,3 мм

Черт. 47

Эффективность экранирования алюминия

1 - толщина экранирующего листа 2 мм; 2 - 1 мм; 3 - 0,5 мм; 4 - 0,3 мм

Черт. 48

Эффективность экранирования меди

1 - толщина экранирующего листа 1 мм; 2 - 0,5 мм; 3 - 0,3 мм

Черт. 49

Эффективность экранирования латуни

1 - толщина экранирующего листа 1 мм; 2 - 0,5 мм; 3 - 0,3 мм

Черт. 50

4. В табл. 31 приведена эффективность экранирования латунных и стальных сеток при применении их в диапазоне сантиметровых волн.

Таблица 31

Эффективность экранирования сеток

Сетка

Ослабление, дБ, при длине волны, см

номер сетки

размер стороны ячейки в свету, мм

диаметр проволоки, мм

3,2

6,3

10,6

35,0

50,0

 

01

0,01

0,06

40

 

 

-

-

 

02

0,02

0,12

40

-

-

-

-

 

05

0,50

0,25

38

-

-

-

-

 

08

0,80

0,30

35

-

-

-

-

 

09

0,90

0,40

36

40

40

-

-

 

1

1,00

0,40

34

-

-

-

-

 

1,25

1,25

0,40

30

-

-

-

-

 

2

2,00

0,50

24

30

35

-

-

 

1,2

1,20

0,32

29

39

40

-

-

 

1,4

1,40

0,36

27

36

40

-

-

 

1,8

1,80

0,45

25

31

36

-

-

 

2,5

2,50

0,50

25

31

26

-

-

 

3,2

3,20

0,80

19

24

34

40

40

 

5

5,00

1,60

17

20

27

37

26

 

12

12,00

2,00

-

5,5

9

19

22

 

Величина ослабления соответствует нормальному падению ППЭ электромагнитной помехи относительно плоскости сетки. Сетки 01 - 2 - латунные, а 1,2 - 12 - стальные по ГОСТ 3826.

В табл. 32 приведены характеристики экранирующих свойств иллюминаторных стекол.

Таблица 32

Экранирующие свойства иллюминаторных стекол

гост

Характеристика стекла

Ослабление, дБ

ГОСТ 9424

Иллюминаторное толщиной 6 мм

3

6. В табл. 33 приведены характеристики экранирующих свойств хлопчатобумажной ткани с микропроводом при применении ее в диапазоне сантиметровых волн.

Таблица 33

Экранирующие свойства хлопчатобумажной ткани с микропроводом

Длина волны, см

Ослабление, дБ

0,8

20

3,2

28

10

40

25

43

50

46

100

54

 

ИНФОРМАЦИОННЫЕ ДАННЫЕ

1. РАЗРАБОТАН И ВНЕСЕН Техническим комитетом по стандартизации в области электромагнитной совместимости технических средств (ТК 30 ЭМС)

РАЗРАБОТЧИКИ

К.К. Венскаускас (руководитель), В.В. Крестьянинов, А.И. Ситников, А.А. Ильин, А.Б. Петров

2. УТВЕРЖДЕН И ВВЕДЕН В ДЕЙСТВИЕ Постановлением Госстандарта России от 19.01.93 № 14

Руководящий документ соответствует международному стандарту МЭК 533-77

3. ВВЕДЕН ВПЕРВЫЕ

4. ССЫЛОЧНЫЕ НОРМАТИВНО-ТЕХНИЧЕСКИЕ ДОКУМЕНТЫ

Обозначение НТД, на который дана ссылка

Номер пункта, приложения

ГОСТ 3826-82

Приложение 11

ГОСТ 9424-79

Приложение 11

ГОСТ 11001-80

4.3.7

ГОСТ 23611-79

Приложение 1

ГОСТ 24375-80

Приложение 1

ГОСТ 25792-85

2.1.3

Нормы 15-78

4.3.6, 4.3.8

 

СОДЕРЖАНИЕ

1. Общие сведения. 1

2. Нормы допустимых уровней радиопомех на мпо.. 2

3. Правила обеспечения эмс на мпо.. 7

4. Методики измерения и контроля обеспечения эмс радиоэлектронного и электротехнического оборудования на мпо.. 19

Приложение 1. Термины, применяемые в настоящем рд, и их пояснения. 38

Приложение 2. Обозначения величин, применяемых в настоящем рд.. 39

Приложение 3. Перечень рекомендуемой измерительной аппаратуры.. 40

Приложение 4. Нормы допустимых уровней и методики измерения кп и икп.. 41

Приложение 5. Установка ап ссс.. 45

Приложение 6. Алгоритм выбора места установки ап ссс.. 47

Приложение 7. Зависимость напряженности поля и наведенных напряжений в приемных антеннах, создаваемых судовыми радиопередатчиками, от расстояния. 48

Приложение 8. Определение потерь от препятствия и допустимых расстояний до препятствий. 51

Приложение 9. Определение ослабления сигнала, принимаемого ссс, за счет эффекта отражения радиоволн от взволнованной морской поверхности. 55

Приложение 10. Затухание электромагнитных волн на гармониках основного излучения. 58

Приложение 11. Защита от радиопомех посредством экранирования источников радиопомех. 59