Российское открытое акционерное общество энергетики и
электрификации
«ЕЭС России»
ПРИКАЗ
13.07.2006 № 490
Об утверждении и вводе в действие
Стандарта ОАО РАО «ЕЭС России»
«Методики оценки технического состояния
основного оборудования гидроэлектростанций»
В соответствии с решением Правления ОАО РАО «ЕЭС России» (протокол заседания от 22.11.2004 № 1106пр/2), Некоммерческим партнерством «Гидроэнергетика России» при участии ОАО «ВНИИЭ» и ОАО «Инженерный центр ЕЭС - филиал Фирма ОРГРЭС» разработан Cтандарт ОАО РАО «ЕЭС России» «Методики оценки технического состояния основного оборудования гидроэлектростанций». Проект стандарта прошел процедуры, предусмотренные Положением о порядке разработки, рассмотрения и утверждения технических стандартов организации корпоративного уровня в ОАО РАО «ЕЭС России». Центральная комиссия ОАО РАО «ЕЭС России» по техническому регулированию приняла решение об утверждении Cтандарта (протокол от 21.02.2006 № 2).
ПРИКАЗЫВАЮ:
1. Утвердить Стандарт ОАО РАО «ЕЭС России» «Методики оценки технического состояния основного оборудования гидроэлектростанций» (далее - Стандарт).
2. Ввести Стандарт в действие с 1 августа 2006 года.
3. Департаменту корпоративного управления и взаимодействия с акционерами КЦ, Бизнес-единице «Гидрогенерация», Бизнес-единице № 1, Бизнес-единице № 2 обеспечить рассмотрение Советами директоров подведомственных ДЗО, дочерних и зависимых обществ ДЗО ОАО РАО «ЕЭС России», в структуре которых имеются гидроэлектростанции, вопроса о присоединении указанных ДЗО к Стандарту.
4. Отменить действие в Холдинге нормативных документов согласно приложению 1 и исключить их из Реестра действующих в электроэнергетике нормативно-технических документов, утвержденного приказом ОАО РАО «ЕЭС России» от 14.08.2003 № 422 «О пересмотре нормативно-технических документов (НТД) и порядке их действия в соответствии с ФЗ «О техническом регулировании».
5. Руководителям Бизнес-единицы «Гидрогенерация», Бизнес-единицы № 1, Бизнес-единицы № 2:
5.1. Обеспечить до 30.11.2006 внесение изменений в действующую нормативно-техническую документацию с учетом требований указанного Стандарта.
5.2. Организовать изучение Стандарта и проведение инструктажа персонала гидроэлектростанций до 30.11.2006.
6. Дирекции организации, методологии конкурсных закупок и стандартизации обеспечить регистрацию и учет Стандарта.
7. Члену Правления, руководителю Рабочей группы по организации и координации разработки нормативно-правовой документации технического регулирования Зубакину В.А., Департаменту по взаимодействию со СМИ, Дирекции организации, методологии конкурсных закупок и стандартизации обеспечить размещение на интернет-портале по техническому регулированию ОАО РАО «ЕЭС России» уведомления об утверждении и вводе в действие Стандарта в соответствии с действующим порядком.
8. Службе технического контроллинга обеспечить контроль за действием Стандарта на энергопредприятиях Холдинга в соответствии с указанными в приказе сроками.
9. Контроль за исполнением настоящего приказа возложить на члена Правления, Технического директора ОАО РАО «ЕЭС России» Вайнзихера Б.Ф.
Заместитель Председателя Правления Уринсон Я.М.
Приложение
к приказу ОАО РАО «ЕЭС России»
от 13.07.2006 № 490
Перечень нормативных документов,
подлежащих отмене в связи с вводом в действие Стандарта ОАО РАО
«ЕЭС России»
«Методики оценки технического состояния основного
оборудования
гидроэлектростанций»
1. РД 34.31.301 (CO 34.31.301, № 1155) «Методические указания по испытаниям системы регулирования гидротурбин» (МУ 34-70-160-86, утвержден Главтехуправлением Минэнерго СССР 19.12.86).
2. РД 34.31.304-95 (СО 34.31.304-95, № 1158). «Методические указания по оценке технического состояния гидрогенератора, его систем и узлов» (утвержден Департаментом науки и техники РАО «ЕЭС России» 12.04.95).
3. РД 34.31.503-95 (СО 34.31.503-95, № 1166) «Методические указания по проведению осмотров гидрогенераторов» (Утвержден Департаментом науки и техники РАО «ЕЭС России» 18.04.95).
4. РД 34.31.303-96 (CO 34.31.303-96, № 1157) «Методические указания по эксплуатационному контролю вибрационного состояния конструктивных узлов гидроагрегатов» (утвержден Департаментом науки и техники РАО «ЕЭС России» 23.05.96).
5. РД 34.31.305-96 (CO 34.31.305-96, № 1159) «Методические указания по определению форм ротора и статора гидрогенераторов и оценке симметрии воздушного зазора» (утвержден Департаментом науки и техники РАО «ЕЭС России» 27.11.96).
6. РД 34.31.306-96 (CO 34.31.306-96, № 1160) «Методические указания по контролю нагревов паяных соединений лобовых частей обмоток статора гидрогенераторов» (утвержден Департаментом науки и техники РАО «ЕЭС России» 19.12.96).
7. РД 34.31.307-97 (CO 34.31.503-95, № 1161) «Методические указания по контролю состояния прессовки сердечника статора гидрогенератора и ее восстановлению» (утвержден Департаментом науки и техники РАО «ЕЭС России» 03.04.97).
8. РД 153-34.2-31.308-98 (CO 34.31.308-98, № 1162) «Методические указания по обследованию узлов гидроагрегатов при их повреждениях» (утвержден Департаментом стратегии развития и научно-технической политики РАО «ЕЭС России» 02.03.98).
9. РД 153-34.0-20.642-98 (CO 34.20.642-98, № 692) «Рекомендации по обследованию гидроэнергетического оборудования ГЭС РАО «ЕЭС России» при их реконструкции и техническом перевооружении» (утвержден Департаментом стратегии развития и научно-технической политики РАО «ЕЭС России» 13.07.98).
10. (СО 34.31.607, № 1177) «Методические указания по эксплуатационным энергетическим испытаниям гидроагрегатов» (утвержден ПО «Союзтехэнерго» 30.12.87).
11. (СО 34.31.606, № 1176) «Методические указания по проведению натурных испытаний подпятников гидротурбинных агрегатов» (утвержден ПО «Союзтехэнерго» 13.12.88).
12. Циркуляр № Ц-01-84(Т) Минэнерго СССР от 03.12.84 «Контроль металла рабочих колес гидротурбин».

Российское открытое акционерное
общество энергетики и электрификации
«ЕЭС России»
СТАНДАРТ ОРГАНИЗАЦИИ
ОАО РАО «ЕЭС РОССИИ»
МЕТОДИКИ ОЦЕНКИ ТЕХНИЧЕСКОГО
СОСТОЯНИЯ
ОСНОВНОГО ОБОРУДОВАНИЯ ГИДРОЭЛЕКТРОСТАНЦИЙ
СТО 17330282.27.140.001-2006
Дата введения - 2006-08-01
Сведения о стандарте
1. РАЗРАБОТАН Некоммерческим Партнерством «Гидроэнергетика России», ОАО «Инженерный центр ЕЭС - Филиал «Фирма ОРГРЭС», ОАО «ВНИИЭ».
|
Руководитель организации-разработчика Некоммерческое партнерство «Гидроэнергетика России» Исполнительный директор |
_____________ |
Р.М. Хазиахметов |
|
личная подпись |
||
|
Руководитель разработки специалист, к.т.н. |
_____________ |
В.С. Серков |
|
личная подпись |
||
|
Исполнитель специалист |
_____________ |
Т.П. Усталова |
|
личная подпись |
||
|
СОИСПОЛНИТЕЛИ |
||
|
Руководитель организации-соисполнителя ОАО «Инженерный центр ЕЭС» филиал «Фирма ОРГРЭС» Главный инженер |
_____________ |
В.А. Купченко |
|
личная подпись |
||
|
Руководитель разработки Начальник ЦИГЭС |
_____________ |
В.Н. Байков |
|
личная подпись |
||
|
Исполнители зам. начальника ЦИГЭС, к.т.н. |
_____________ |
Г.С. Киселев |
|
личная подпись |
||
|
бригадный инженер |
_____________ |
В.А. Усталов |
|
личная подпись |
||
|
Руководитель организации-соисполнителя ОАО «Научно-исследовательский институт электроэнергетики» Исполнительный директор, к.т.н. |
_____________ |
Ю.И. Моржин |
|
личная подпись |
||
|
Руководители разработки зав. сектором, к.т.н. |
_____________ |
Б.В. Кислицкий |
|
личная подпись |
||
|
зав. сектором, к.т.н. |
_____________ |
А.Б. Нецеевский |
|
личная подпись |
2. ВНЕСЕН Некоммерческим Партнерством «Гидроэнергетика России»
3. УТВЕРЖДЕН И ВВЕДЕН В ДЕЙСТВИЕ Приказом Российского открытого акционерного общества энергетики и электрификации «ЕЭС России» от 13 июля 2006 г. № 490
ВВОДИТСЯ ВПЕРВЫЕ
Введение
Стандарт организации ОАО РАО «ЕЭС России» «Методики оценки технического состояния основного оборудования гидроэлектростанций» (далее - Стандарт) разработан в соответствии с требованиями Федерального закона № 184-ФЗ «О техническом регулировании».
Стандарт направлен на повышение безопасности эксплуатации основного оборудования гидроэлектрических станций (далее - ГЭС).
При разработке Стандарта актуализированы относящиеся к области его применения действовавшие в электроэнергетике нормативно-технические документы или отдельные разделы этих документов. В Стандарт включены апробированные, подтвержденные опытом эксплуатации технические нормы, методики и рекомендации по оценке текущего состояния оборудования, уточнены применительно к гидроэлектростанциям действующие порядок и правила работы при осуществлении контроля технического состояния основного гидроэнергетического оборудования ГЭС.
Требования Стандарта исходят из оценки взаимодействия основного оборудования и влияния состояния отдельных элементов и конструктивных узлов этого оборудования на работоспособность и безопасность гидроагрегата в целом.
Установленные Стандартом методики оценки технического состояния оборудования учитывают подтвержденные опытом эксплуатации потенциальные опасности и сценарии развития опасных ситуаций с учетом требований безопасности.
В Стандарте не рассмотрены методики оценки технического состояния силовых трансформаторов и другого электротехнического оборудования.
Стандарт должен быть пересмотрен в случаях ввода в действие новых технических регламентов и национальных стандартов, содержащих не учтенные в Стандарте требования, а также при необходимости введения новых требований и рекомендаций, обусловленных развитием новой техники.
1.1. Стандарт устанавливает требования к контролю состояния основного гидроэнергетического оборудования при эксплуатации гидроэлектростанций и определяет методики, которые следует применять при оценке технического состояния этого оборудования.
1.2. Стандарт не учитывает все возможные особенности исполнения его требований на разнотипном оборудовании. В развитие Стандарта для применения на каждой гидроэлектростанции ее собственником (эксплуатирующей организацией) может быть в установленном порядке разработан и утвержден индивидуальный стандарт организации (далее - СТО ГЭС), учитывающий особенности установленного на ней оборудования, не противоречащий Правилам технической эксплуатации электрических станций и сетей [1] и не снижающий уровень требований, предъявляемых названными Правилами, Стандартом и конструкторской (заводской) документацией.
1.3. Стандарт распространяется на следующее оборудование гидроэлектростанций:
1.3.1. гидротурбины вертикального исполнения (код ОКП 31 1140);
1.3.2. гидрогенераторы вертикальные (код ОКП 33 8410);
1.3.3. механическое оборудование гидротурбинного блока;
1.3.4. вспомогательные технические системы, обеспечивающие функционирование перечисленного основного оборудования:
автоматического регулирования гидротурбин;
технического водоснабжения;
охлаждения и вентиляции;
смазки;
перевода в режим синхронного компенсатора;
торможения.
1.4. Стандарт может быть использован на гидроаккумулирующих электростанциях (ГАЭС) и малых ГЭС при составлении СТО ГЭС, в которых должны быть дополнительно учтены специфические особенности их оборудования и условий его эксплуатации.
1.5. Стандарт определяет нормы и объем контроля состояния оборудования, минимально необходимого для оценки исправности и/или работоспособности контролируемого оборудования, а также для принятия решений о проведении технических обследований по специальным программам с целью определения остаточного ресурса и/или продления срока службы.
1.6. Стандарт в соответствии с Правилами технической эксплуатации электрических станций и сетей устанавливает порядок и правила оценки технического состояния оборудования ГЭС при постоянном и периодическом контроле:
1.6.1. при постоянном контроле состояния работающего оборудования;
1.6.2. при периодических осмотрах выведенного из работы оборудования;
1.6.3. при технических освидетельствованиях оборудования;
1.6.4. при технических обследованиях оборудования.
1.7. Стандарт устанавливает методики измерений контролируемых параметров и испытаний оборудования, которые необходимо применять при комплексных и индивидуальных технических обследованиях, проводимых по специальным программам, в том числе с привлечением специализированных организаций.
Применение иных методик допускается исключительно с целью их апробации при условии, что они разработаны при соблюдении требований действующих в электроэнергетике нормативных технических документов и не противоречат требованиям Стандарта; полученные при их применении результаты должны рассматриваться как справочные. После достаточной апробации новые методики могут быть введены для широкого применения в установленном порядке в форме дополнений к Стандарту.
1.8. Стандарт не предъявляет требований к типам и видам используемых при техническом контроле штатной контрольной аппаратуры и специальных средств измерений, устанавливаемых для временного применения, если эти аппаратура и средства измерений отвечают допустимым погрешностям измерений по установленным Стандартом методикам.
1.9. Требования Стандарта являются минимально необходимыми для обеспечения безопасности эксплуатируемого оборудования ГЭС, если оно используется по прямому назначению в соответствии с эксплуатационными инструкциями, не противоречащими конструкторской (заводской) документации, на протяжении срока, установленного технической документацией, с учетом возможных нештатных (опасных) ситуаций.
1.10. В Стандарте использованы основные нормативно-технические, распорядительные и информационные документы, относящиеся к области применения Стандарта, действовавшие в период его разработки.
В Стандарте использованы нормативные ссылки на следующие стандарты и классификаторы:
ГОСТ Р 1.0-2004 Стандартизация в Российской Федерации. Основные положения.
ГОСТ Р 1.4-2004 Стандартизация в Российской Федерации. Стандарты организации. Общие положения.
ГОСТ Р 1.5-2004 Стандартизация в Российской Федерации. Стандарты национальные Российской Федерации. Правила построения, изложения, оформления и обозначения.
ГОСТ Р 1.12-2004 Стандартизация в Российской Федерации. Термины и определения.
ГОСТ Р 8.563-96 Государственная система обеспечения единства измерений. Методики выполнения измерений.
ГОСТ 15467-79 (СТ СЭВ 3519-81). Управление качеством продукции. Основные понятия. Термины и определения.
ГОСТ 16504-81*. Система государственных испытаний продукции. Испытания и контроль качества продукции. Основные термины и определения.
ГОСТ 19431-84. Энергетика и электрификация. Термины и определения.
ГОСТ 19919-74. Контроль автоматизированный технического состояния изделий авиационной техники. Термины и определения.
ГОСТ 20911-89. Техническая диагностика. Термины и определения
ГОСТ 22373-82. Затворы дисковые и шаровые для гидравлических турбин. Общие технические условия.
ГОСТ 23875-88. Качество электрической энергии. Термины и определения.
ГОСТ 25866-83. Эксплуатация техники. Термины и определения.
ГОСТ 27.002-89. Надежность в технике. Основные понятия. Термины и определения.
ГОСТ 5616-89. Генераторы и генераторы-двигатели электрические гидротурбинные. Общие технические условия.
ГОСТ 26945-86. Турбины гидравлические вертикальные. Общие технические требования.
ГОСТ 27528-87. Турбины гидравлические поворотно-лопастные, радиально-осевые. Типы. Основные параметры.
ГОСТ 27807-88. Турбины гидравлические вертикальные. Технические требования и приемка.
ГОСТ 28842-90. Турбины гидравлические. Методы натурных приемочных испытаний.
ГОСТ 28446-90. Оценка кавитационной эрозии в гидротурбинах, насосах гидроаккумулирующих станций и насосах-турбинах.
ГОСТ 34003-90. Автоматизированные системы. Термины и определения.
ГОСТ 2.103-68*. ЕСКД. Стадии разработки.
ГОСТ 2.601-95. ЕСКД. Эксплуатационные документы
OK (MK [ИСО/ИНФКО МКС] 001-96) 001-2000. Общероссийский классификатор стандартов.
ОК 005-93. Общероссийский классификатор продукции.
В настоящем Стандарте в его целях применены следующие термины с соответствующими определениями:
ОБОРУДОВАНИЕ ГИДРОЭЛЕКТРОСТАНЦИЙ:
гидроэлектростанция, ГЭС: электростанция, преобразующая механическую энергию воды в электрическую энергию (ГОСТ 19431-84, ГОСТ 23875-88).
гидроагрегат: агрегат, состоящий из гидравлической турбины и электрического гидрогенератора.
гидроагрегат вертикальный: гидроагрегат с вертикальным валом.
гидравлическая турбина (гидротурбина): турбина, в которой в качестве рабочего тела используется вода.
гидравлическая турбина поворотно-лопастная: гидравлическая турбина с поворотными лопастями рабочего колеса.
гидравлическая турбина радиально-осевая: гидравлическая турбина, в рабочем колесе которой вода движется по криволинейным поверхностям вращения, изменяющим направление потока от радиального к осевому.
гидрогенератор: электрический синхронный генератор, вращаемый гидравлической турбиной. Ротор гидрогенератора укреплен на одном валу с рабочим колесом гидротурбины.
техническая система: объект техники, агрегат, состоящий из элементов и зависимых узлов, предназначенный для выполнения функций, обеспечивающих работоспособность единиц оборудования (в целях настоящего Стандарта - система автоматического регулирования, система смазки и др.).
единица оборудования: объект техники, созданный для выполнения конкретной производственной функции при производстве отпускаемой продукции (в целях настоящего Стандарта - гидравлическая турбина, гидрогенератор, регулятор гидротурбины).
элемент оборудования: составная часть единицы оборудования и/или технической системы, выполняющая определенные технологические функции (в целях настоящего Стандарта - рабочее колесо, направляющий аппарат гидротурбины, ротор, статор гидрогенератора и др.).
конструктивный узел оборудования: составная часть элемента оборудования, состоящая из ряда конструкций и деталей (в целях настоящего Стандарта - лопасть рабочего колеса, лопатка направляющего аппарата, обмотки ротора и статора гидрогенератора и другие).
деталь оборудования: неделимая составная часть конструктивного узла оборудования.
ТЕХНИЧЕСКИЙ КОНТРОЛЬ НА ГИДРОЭЛЕКТРОСТАНЦИЯХ:
техническое диагностирование (диагностирование): определение технического состояния объекта.
Примечания: 1. Задачами технического диагностирования являются: контроль технического состояния, поиск места и определение причин отказа (неисправности), прогнозирование технического состояния.
2. Термин «Техническое диагностирование» применяют в наименованиях и определениях понятий, когда решаемые задачи технического диагностирования равнозначны или основной задачей является поиск места и определение причин отказа (неисправности). Термин «Контроль технического состояния» применяется, когда основной задачей технического диагностирования является определение вида технического состояния (ГОСТ 20911-89).
технический контроль состояния оборудования: система организационных и инженерно-технических мер, осуществляемых с целью получения прямых и/или косвенных данных об изменениях свойств оборудования (его элементов, конструктивных узлов) в процессе эксплуатации.
постоянный контроль состояния оборудования: контроль технического состояния оборудования гидроэлектростанции, осуществляемый оперативным и оперативно-ремонтным персоналом посредством инструментальных и/или визуальных наблюдений, проводимых регулярно в режиме, определяемом СТО ГЭС.
технический осмотр: контроль технического состояния оборудования, осуществляемый в основном при помощи органов чувств (органолептический контроль) и, в случае необходимости, средств измерительного контроля, номенклатура которых установлена соответствующей документацией (ГОСТ 16504-81).
периодический осмотр оборудования: контроль состояния оборудования, осуществляемый в форме технического осмотра лицами, контролирующими его безопасную эксплуатацию, или комиссией, назначаемой техническим руководителем ГЭС, с периодичностью, устанавливаемой СТО ГЭС.
техническое освидетельствование оборудования: контроль технического состояния оборудования, осуществляемый комиссией, возглавляемой техническим руководителем ГЭС, с периодичностью, установленной нормативными документами.
техническое обследование оборудования гидроэлектростанций: контроль технического состояния оборудования, включающий измерения, испытания и исследования, проводимые по специальным программам, как правило, с привлечением специализированных организаций по решению технического руководителя ГЭС и/или комиссий, производящих периодический осмотр или регулярное техническое освидетельствование оборудования.
органолептический контроль: контроль, при котором первичная информация воспринимается органами чувств (ГОСТ 16504-81).
визуальный контроль: органолептический контроль, осуществляемый органами зрения (ГОСТ 16504-81).
измерительный контроль: контроль, осуществляемый с применением средств измерений (ГОСТ 16504-81).
испытания: экспериментальное определение количественных и/или качественных характеристик свойств объекта испытаний как результата воздействия на него при его функционировании, при моделировании объекта и (или) воздействий (ГОСТ 16504-81).
параметр изделия: характеристика изделия, отображающая физическую величину (ГОСТ 19919-74).
диагностический (контролируемый) параметр: параметр объекта, используемый при его диагностировании (контроле) (ГОСТ 20911-89).
определяющий параметр: параметр изделия, используемый при контроле для определения вида технического состояния этого изделия (ГОСТ 19919-74).
номинальное значение параметра: значение параметра, определяемое его функциональным назначением и служащее началом отсчета отклонений (ГОСТ 19919-74).
предельно допустимое значение параметра: наибольшее или наименьшее значение параметра, которое может иметь работоспособное изделие (ГОСТ 19919-74).
измеренное значение параметра: значение параметра, установленное в результате его измерения определенным средством контроля (ГОСТ 19919-74).
карта измерений: технологический документ контроля, предназначенный для регистрации результатов измерения контролируемых параметров, с указанием подписей исполнителя операции, руководителя участка и контролирующего лица (приказ ОАО РАО «ЕЭС России» от 11.05.2005 № 296 [4]).
СОСТОЯНИЕ ОБОРУДОВАНИЯ ГИДРОЭЛЕКТРОСТАНЦИЙ:
техническое состояние: совокупность подверженных изменению в процессе эксплуатации свойств объекта, характеризуемая в определенный момент времени признаками, установленными технической документацией на этот объект (ГОСТ 19919-74).
вид технического состояния: категория технического состояния, характеризуемая соответствием или несоответствием качества объекта определенным техническим требованиям, установленным технической документацией на этот объект.
Примечания: 1. Различают виды технического состояния: исправность и неисправность, работоспособность и неработоспособность, правильное функционирование и неправильное функционирование.
2. Под функционированием объекта следует понимать выполнение предписанного объекту алгоритма функционирования при применении объекта по назначению.
3. Алгоритм функционирования - по ГОСТ 34.003-90.
признак технического состояния: качественная или количественная характеристика любых свойств объекта [4].
параметр технического состояния: признак технического состояния, количественно характеризующий любые свойства объекта [4].
исправное состояние (исправность): состояние объекта, при котором он соответствует всем требованиям нормативной и (или) конструкторской (проектной) документации (ГОСТ 27.002-89).
неисправное состояние (неисправность): состояние объекта, при котором он не соответствует хотя бы одному из требований нормативной и (или) конструкторской (проектной) документации (ГОСТ 27.002-89).
работоспособное состояние (работоспособность): состояние объекта, при котором значения всех параметров, характеризующих способность выполнять заданные функции, соответствуют требованиям нормативной и (или) конструкторской (проектной) документации (ГОСТ 27.002-89).
неработоспособное состояние (неработоспособность): состояние объекта, при котором значение хотя бы одного параметра, характеризующего способность выполнять заданные функции, не соответствует требованиям нормативной и (или) конструкторской (проектной) документации.
Примечание: для сложных объектов возможно деление их неработоспособных состояний. При этом из множества неработоспособных состояний выделяют частично неработоспособные состояния, при которых объект способен частично выполнять требуемые функции (ГОСТ 27.002-89).
предельное состояние: состояние объекта, при котором его дальнейшая эксплуатация недопустима или нецелесообразна, либо восстановление его работоспособного состояния невозможно или нецелесообразно (ГОСТ 27.002-89).
Примечание: При переходе объекта в предельное состояние его эксплуатация должна быть временно или окончательно прекращена - он выводится из работы в ремонт или снимается с эксплуатации и уничтожается (списывается).
критерий предельного состояния: признак или совокупность признаков предельного состояния объекта, установленные нормативной и/или конструкторской (проектной) документацией (ГОСТ 27.002-89).
остаточный ресурс: суммарная наработка объекта от момента контроля его технического состояния до перехода объекта в предельное состояние (ГОСТ 27.002-89).
срок службы: календарная продолжительность эксплуатации от начала эксплуатации объекта или ее возобновления после ремонта до его перехода в предельное состояние. В Стандарте срок службы определяется в соответствии с ГОСТ 26945-86 и ГОСТ 5616-89.
нормальная эксплуатация: эксплуатация изделий в соответствии с действующей эксплуатационной документацией (ГОСТ 25866-83).
нештатная (опасная) ситуация: режим работы оборудования, отличающийся от проектного, возникающий при отказе технического устройства, создающий опасность возникновения аварии.
ВИДЫ НЕИСПРАВНОСТЕЙ ОБОРУДОВАНИЯ ГИДРОЭЛЕКТРОСТАНЦИЙ:
отказ: 1. самопроизвольные запуск или прекращение функционирования технического устройства, а также выход параметров функционирования за допустимые границы.
2. событие, заключающееся в нарушении работоспособного состояния объекта (ГОСТ 27.002-89).
Примечание: отказ объекта происходит из-за появления в нем дефекта (дефектов) - выхода параметра (характеристики) технического состояния, определяющего работоспособность объекта, за установленные пределы.
критерий отказа: признак или совокупность признаков нарушения работоспособного состояния объекта, установленные в нормативной и (или) конструкторской (проектной) документации (ГОСТ 27.002-89).
критичность отказа: совокупность признаков, характеризующих последствия отказа.
Примечание: классификация отказов по критичности (например, по уровню прямых и косвенных потерь, связанных с наступлением отказа, или по трудоемкости восстановления после отказа) устанавливается нормативной и/или конструкторской документацией по согласованию с заказчиком на основании технико-экономических соображений и соображений безопасности. В международных документах по стандартизации (ИСО, МЭК и др.) различают несущественные, существенные, критические и катастрофические отказы. Классификация отказов по последствиям необходима при нормировании надежности (в частности, для обоснованного выбора номенклатуры и численных значений нормируемых показателей надежности), а также при установлении гарантийных обязательств. (ГОСТ 27.002-89).
повреждение: 1. изменение в процессе эксплуатации значения любого параметра (характеристики) состояния изделия и (или) его составных частей относительно его номинального уровня, определенного в эксплуатационной, ремонтной или нормативной документации, в сторону установленных пределов, при нарушении которых изделие переходит в неисправное или неработоспособное состояние.
Примечание: Повреждение может характеризоваться увеличением числа, глубины и площади царапин, вмятин на поверхности составной части, числа и (или) размеров несплошностей в ее материале или ухудшением его механических или изоляционных свойств и др. [4].
2. событие, заключающееся в нарушении исправного состояния объекта при сохранении работоспособного состояния (ГОСТ 27.002-89).
дефект: Каждое отдельное несоответствие продукции установленным требованиям (ГОСТ 15467-79); несоответствие значения любого параметра или характеристики состояния изделия установленным требованиям.
Примечания: 1. Термин «дефект» применяется при контроле качества изготовления изделий, а также при их ТО и ремонте, в частности, при дефектации и контроле качества отремонтированных изделий. При этом «дефект» при изготовлении означает несоответствие значения параметра состояния изделия требованиям на изготовление, вызываемое, например, нарушением технологии или ее недостатками, а «дефект» при ремонте - это, в первую очередь, выход фактического значения параметра состояния изделия за установленные пределы, имеющие в основе критерии его отказа и «предельного состояния», вызванный изнашиванием и старением изделия. Иными словами, «дефект» при ремонте - это накопленное повреждение;
2. Термин «дефект» связан с терминами «неисправность» и «отказ», но не является их синонимом. Находясь в неисправном состоянии, изделие имеет один или несколько дефектов. Отказ изделия может произойти в результате появления в нем одного или нескольких дефектов, но в том случае, когда вышедший за установленный предел параметр (характеристика) состояния является определяющим для работоспособности изделия [4].
малозначительный дефект: дефект, который существенно не влияет на использование продукции по назначению и ее долговечность (ГОСТ 15467-79).
значительный дефект: дефект, который существенно влияет на использование продукции по назначению и (или) на ее долговечность, но не является критическим (ГОСТ 15467-79).
критический дефект: дефект, при наличии которого использование продукции по назначению практически невозможно или недопустимо (ГОСТ 15467-79).
устранимый дефект: дефект, устранение которого технически возможно и экономически целесообразно (ГОСТ 15467-79).
неустранимый дефект: дефект, устранение которого технически невозможно или экономически нецелесообразно (ГОСТ 15467-79).
ПЕРСОНАЛ ГИДРОЭЛЕКТРОСТАНЦИЙ:
персонал: личный состав организации собственника (эксплуатирующей организации), работающий по найму, персонал работает на обеспечение целей организации [4].
оперативный персонал гидроэлектростанции: штатные дежурные работники организации собственника (эксплуатирующей организации), уполномоченные на выдачу и выполнение команд по управлению энергетическим режимом конкретной ГЭС, а также на непосредственное воздействие на органы управления гидроагрегатами этой ГЭС.
оперативно - ремонтный персонал: категория работников из числа ремонтного персонала организации собственника (эксплуатирующей организации) с правом непосредственного воздействия на органы управления технологического оборудования (Правила работы с персоналом в организациях электроэнергетики Российской Федерации [2]).
ремонтный персонал: категория работников организации собственника (эксплуатирующей организации), связанных с техническим обслуживанием, ремонтом, наладкой и испытанием энергоустановок [2].
вспомогательный персонал: категория работников вспомогательных профессий, выполняющих работу в зоне действующих энергоустановок [2].
дежурный работник объекта электроэнергетики (ГЭС): штатный работник организации собственника (эксплуатирующей организации), уполномоченный на выдачу и выполнение команд по управлению электроэнергетическим режимом ГЭС, а также на непосредственное воздействие на ее органы управления (постановление Правительства Российской Федерации от 27.12.2004 № 854 «Об утверждении правил оперативно-диспетчерского управления в электроэнергетике»).
технический руководитель гидроэлектростанции (ГЭС): лицо в штате организации собственника (эксплуатирующей организации), уполномоченное принимать решения и отдавать распоряжения по всем техническим вопросам касательно оборудования и сооружений данной гидроэлектростанции.
субъекты оперативно-диспетчерского управления: организации и физические лица, уполномоченные на выдачу оперативных диспетчерских команд и распоряжений, обязательных для субъектов оперативно-диспетчерского управления нижестоящего уровня.
управляющая компания: организация, оказывающая на основании договора услуги по выполнению функций единоличного исполнительного органа других обществ (АО-энерго, АО-ФЭС, АО-электростанций и др.) [Федеральный закон от 26 декабря 1995 г. № 208-ФЗ «Об акционерных обществах»].
эксплуатирующая организация: организация, имеющая в собственности, хозяйственном ведении или оперативном управлении имущество гидроэлектростанции, осуществляющая в отношении этого имущества права и несущая обязанности, необходимые для ведения деятельности по безопасному производству электроэнергии в соответствии с действующими нормами и правилами.
ДОКУМЕНТАЦИЯ ГИДРОЭЛЕКТРОСТАНЦИЙ:
стандарт гидроэлектростанции (СТО ГЭС): нормативный документ (стандарт организации), отвечающий требованиям Федерального закона «О техническом регулировании», введенный в установленном порядке для применения на данной гидроэлектростанции.
рабочая конструкторская документация: конструкторская документация, разработанная на основе технического задания или проектной конструкторской документации и предназначенная для обеспечения изготовления, контроля, приемки, поставки, эксплуатации и ремонта изделия (ГОСТ 2.103-68); совокупность конструкторских документов, предназначенных для изготовления, контроля, приемки, поставки, эксплуатации и ремонта изделия [10].
техническая документация: совокупность документов, необходимая и достаточная для непосредственного использования на каждой стадии жизненного цикла продукции.
Примечание: к технической документации относятся конструкторская и технологическая документация, техническое задание на разработку продукции и т.д. Техническую документацию можно подразделить на исходную, проектную, рабочую, информационную [10].
эксплуатационные документы: конструкторские документы, предназначенные для использования при эксплуатации, обслуживании и ремонте изделия в процессе эксплуатации (ГОСТ 2.102-68); текстовые и графические рабочие конструкторские документы, которые в отдельности или в совокупности дают возможность ознакомления с изделием и определяют правила его эксплуатации (использования по назначению, технического обслуживания, текущего ремонта, хранения и транспортирования), а также предназначены для отражения сведений, удостоверяющих гарантированные изготовителем значения основных параметров и характеристик (свойств) изделия, гарантий и сведений по его эксплуатации за весь период (длительность и условия работы, техническое обслуживание, ремонт и другие данные), а также сведений по его утилизации (ГОСТ 2.601-95).
паспорт изделия: эксплуатационный документ, содержащий сведения, удостоверяющие гарантии изготовителя, значения основных параметров и характеристик (свойств) изделия, а также сведения о сертификации и утилизации изделия (ГОСТ 2.601-95).
ГЭС - гидравлическая электрическая станция
КРК - камера рабочего колеса
КПД - коэффициент полезного действия
МНУ - маслонапорная установка
НА - направляющий аппарат
ПЛ - поворотнолопастная (-ое) (гидротурбина, рабочее колесо)
РК - рабочее колесо гидротурбины
РО - радиально-осевая (-ое) (гидротурбина, рабочее колесо)
РЧВ - регулятор частоты вращения гидротурбины
СТО ГЭС - стандарт гидроэлектростанции
СК - синхронный компенсатор
ТВС - техническое водоснабжение
ЭМП - эластичный металлопластмассовый (опорный сегмент)
5.1. Контроль и оценка технического состояния оборудования ГЭС имеют целью:
повышение безопасности эксплуатации оборудования посредством выявления и своевременного устранения возникших повреждений (дефектов);
определение возможности и целесообразности продолжения эксплуатации выработавших срок службы единиц оборудования, их элементов и конструктивных узлов, определяющих безопасность эксплуатации гидроагрегата;
выработку рекомендаций по ремонтному обслуживанию и продолжению эксплуатации оборудования, имеющего повреждения (дефекты), включая введение при необходимости специальных эксплуатационных мер (дополнительный контроль, режимные ограничения, внеплановый ремонт и т.п.);
обоснование для модернизации единиц оборудования в целом, их элементов и конструктивных узлов.
5.2. Стандарт в соответствии с [1] устанавливает для применения на гидроэлектростанциях следующие обязательные формы контроля технического состояния оборудования:
5.2.1. постоянный контроль состояния работающего оборудования и технических систем (далее оборудования);
5.2.2. периодические осмотры выведенного из работы оборудования;
5.2.3. регулярные технические освидетельствования оборудования;
5.2.4. технические обследования оборудования.
5.3. Графики постоянного контроля и периодических осмотров оборудования должны быть утверждены техническим руководителем ГЭС.
5.5. Постоянный контроль технического состояния основного оборудования осуществляют с целью оперативного выявления нарушений его безопасной эксплуатации и принятия оперативных решений о необходимых мерах по устранению выявленных нарушений и/или о возможности дальнейшей работы оборудования с выявленным нарушением.
Постоянный контроль осуществляет оперативный и оперативно-ремонтный персонал. На ГЭС без ежедневного дежурства оперативного и оперативно-ремонтного персонала должен быть налажен дистанционный контроль показателей, определяемых проектной документацией и/или СТО ГЭС, на пункте с постоянным нахождением дежурного персонала.
5.6. Периодический осмотр выведенного из работы оборудования (внешний и внутренний) осуществляют с целью своевременного выявления и анализа причин повреждений и дефектов, включая скрытые, которые не могут быть установлены при постоянном контроле, и выработки решений по предупреждению их развития и устранению. Осмотр производят лица, контролирующие безопасную эксплуатацию конкретного оборудования (элемента оборудования).
Не реже одного раза в год осмотр выведенного из работы оборудования должен быть произведен комиссией, состав которой утверждает технический руководитель ГЭС. Такой осмотр проводят обязательно до наступления весеннего половодья, а в отдельных случаях - летне-осеннего паводка, с целью проверки готовности оборудования к работе с максимальной нагрузкой в течение многоводного периода.
Периодичность и объем осмотров устанавливает технический руководитель ГЭС.
В случаях повреждения оборудования, имевших следствием непредвиденный вывод его из работы, должны быть произведены внеочередные осмотры.
Периодические осмотры выведенного из работы оборудования должны быть, как правило, приурочены ко времени проведения ремонта [7].
По результатам периодических осмотров технический руководитель ГЭС может назначить техническое обследование (испытания) оборудования (элементов оборудования).
Периодичность, объём и порядок технического освидетельствования оборудования установлены Правилами технической эксплуатации [1].
Результаты технического освидетельствования должны быть занесены в технические паспорта ГЭС и оборудования. По результатам каждого освидетельствования в зависимости от состояния оборудования назначают срок проведения последующего освидетельствования. К эксплуатации не допускают оборудование с нарушенными сроками технического освидетельствования.
Решение о проведении обследования принимает технический руководитель ГЭС по результатам периодических осмотров и технических освидетельствований.
Техническое обследование должно быть проведено в случае внезапного повреждения (отказа) оборудования в процессе эксплуатации.
Методики, применяемые при техническом обследовании, должны обеспечить выявление всех основных дефектов, развитие которых может привести к необратимому ухудшению технического состояния оборудования, а также дефектов, не выявляемых при постоянном контроле и при периодических осмотрах.
После достижения срока службы, определенного ГОСТ 26945-86 и ГОСТ 5616-89, результаты диагностирования технического состояния оборудования при техническом обследовании могут стать основанием для решения о продлении срока службы или о полной или частичной модернизации (замене) этого оборудования [7].
5.9. Программы работ по техническому обследованию с указанием используемых методик утверждает технический руководитель ГЭС с учетом типа, технического состояния, срока службы, условий и опыта эксплуатации обследуемого оборудования. При необходимости к разработке программы привлекаются организации, специализирующиеся в области диагностики гидроэнергетического и электротехнического оборудования.
5.10. Оценку технического состояния оборудования производят на основе анализа результатов всех форм технического контроля для каждого элемента и конструктивного узла; решения принимают с учетом возможности устранения выявленных дефектов и/или замены изношенных узлов.
5.11. Техническое состояние оборудования ГЭС оценивают как:
5.11.1. «Работоспособное», если контролируемые параметры, характеризующие способность оборудования выполнять заданные функции, соответствуют требованиям нормативной и/или конструкторской (проектной) документации, и при контроле технического состояния дефекты не выявлены или выявлены малозначительные легко устранимые дефекты на ранней стадии развития;
5.11.2. «Частично неработоспособное», если при контроле технического состояния выявлены значительные, но устранимые дефекты, при которых оборудование способно частично выполнять требуемые функции, и продолжение работы оборудования требует временного введения ограничений (снижения эксплуатационных нагрузок, сокращения межремонтного периода и т.п.);
5.11.3. «Неработоспособное», если контролируемые параметры, характеризующие способность оборудования выполнять заданные функции, не соответствуют требованиям нормативной и/или конструкторской (проектной) документации, и при контроле технического состояния выявлены критические или значительные, трудно устранимые дефекты, и восстановление работоспособности оборудования требует его немедленного вывода в ремонт;
5.11.4. «Предельное», если при контроле технического состояния выявлены критические дефекты, и дальнейшая эксплуатация оборудования недопустима или нецелесообразна, либо восстановление его работоспособного состояния невозможно или нецелесообразно.
5.13. Для обеспечения безопасной работы оборудования и предотвращения повреждений, которые могут быть вызваны дефектами конструктивных узлов и деталей оборудования при изготовлении, монтаже и ремонте, а также развитием процессов эрозии, в том числе кавитационной, коррозии, снижением прочностных характеристик при эксплуатации, должен быть организован эксплуатационный контроль состояния металла.
Эксплуатационный контроль состояния металла следует проводить по программе, утвержденной техническим руководителем ГЭС.
В СТО ГЭС должны содержаться требования по входному и эксплуатационному контролю состояния металла в пределах нормативного и сверхнормативного срока службы.
5.14. Оценку технического состояния оборудования следует производить по совокупности фактических данных о параметрах (показателях) его элементов и конструктивных узлов путем сопоставления их с нормативными требованиями и базовыми (исходными) данными о заведомо исправном состоянии таких узлов и оборудования в целом, по динамике изменений показателей в процессе эксплуатации. Оценка должна учитывать данные о предшествовавшей работе рассматриваемого оборудования и данные о работе аналогичных видов оборудования (показателей надёжности, аварийных повреждений, дефектов, выявленных и устранённых при ремонтах, результатов предшествующих испытаний и т.п.). Для этих целей могут быть также использованы акты расследования аварий и отказов, а также документация (формуляры, акты) текущих и капитальных ремонтов.
5.15. Оценку технического состояния единицы (элемента) оборудования в целом производят по худшей из оценок технического состояния его конструктивных и функциональных узлов.
5.16. В системах управления технологическими процессами ГЭС, в том числе автоматизированных (АСУ ТП), должны быть реализованы информационные, аналитические и диагностические функции по контролю состояния основного оборудования.
6.1. Порядок контроля технического состояния оборудования на ГЭС должен быть надлежащим образом закреплен в СТО ГЭС и в инструкциях для персонала. Должны быть установлены:
объемы, сроки и методы реализации контроля;
маршруты и периодичность обходов, осмотров и проверок оборудования;
правила пользования штатными контрольными средствами измерений;
требования к ведению первичной технической документации по контролю технического состояния оборудования;
правила техники безопасности при осуществлении технического контроля.
Является обязательным строгое соблюдение утвержденных в установленном порядке графиков, планов и программ технического контроля.
6.2. На ГЭС необходимо вести техническую документацию по формам, утвержденным техническим руководителем ГЭС, в которых регистрируют все результаты контроля технического состояния оборудования.
На каждую единицу оборудования должен быть заведен паспорт по форме, установленной нормативным документом ОАО РАО «ЕЭС России» на момент приобретения оборудования.
Результаты постоянного контроля регистрируют в суточных эксплуатационных ведомостях и в журналах.
Результаты периодических осмотров регистрируют в журналах осмотров с приложением актов осмотров и планов мероприятий, разработанных по зафиксированным результатам осмотров.
Результаты технических освидетельствований регистрируют в паспортах каждой из освидетельствованных единиц оборудования с приложением актов освидетельствований и планов мероприятий по зафиксированным результатам освидетельствований.
Результаты технических обследований должны быть зарегистрированы в журналах обследований и подробно изложены в технических отчетах о проведенных измерениях, испытаниях, исследованиях с приложением утвержденных в установленном порядке программ и актов обследований, всех материалов обследований, включая протоколы испытаний и анализов, и планов мероприятий, разработанных по результатам обследований.
6.3. В организации собственника (эксплуатирующей организации) должен быть организован учет и анализ информации об отказах, повреждениях, нештатных (опасных) ситуациях в работе каждой единицы установленного на ГЭС оборудования (элемента оборудования) для разработки мероприятий по обеспечению их безопасной эксплуатации. По каждой единице оборудования следует вести журналы и/или картотеку указанной информации.
Для обеспечения сравнимости и унификации при оформлении результатов постоянного контроля, осмотров и обследований необходимо использовать стандартные бланки и формуляры.
6.4. Вся ведущаяся документация, в которой зарегистрированы результаты контроля и содержится информация об отказах, повреждениях, нештатных ситуациях, должна храниться до списания оборудования (элемента оборудования).
6.5. Все проверки и испытания оборудования и технических систем ГЭС следует выполнять в соответствии с действующими в ОАО РАО «ЕЭС России» нормативными техническими документами и конструкторской (эксплуатационной) документацией заводов-изготовителей, согласованной с РАО «ЕЭС России».
6.6. Контроль технического состояния оборудования требует оснащения ГЭС средствами измерений (СИ) [12] и соблюдения правил по обеспечению единства измерений [16, 27].
6.7. Оснащение оборудования ГЭС СИ производится в соответствии с проектной, конструкторской и нормативной документацией и с техническими условиями на поставку оборудования; установленные СИ должны обеспечивать постоянный контроль за техническим состоянием оборудования и режимом его работы.
6.8. Комплекс мероприятий по обеспечению единства измерений, выполняемый на каждой ГЭС при организации контроля технического состояния оборудования, должен включать:
своевременное представление в поверку СИ, подлежащих государственному контролю и надзору [27];
организацию и проведение работ по калибровке СИ, не подлежащих поверке [16];
использование аттестованных методик выполнения измерений (МВИ);
обеспечение соответствия точностных характеристик применяемых СИ требованиям к точности измерений технологических параметров.
6.9. Поверке подлежат все используемые на ГЭС средства измерений (СИ), относящиеся к сфере государственного контроля и надзора, в том числе эталоны, используемые для поверки и калибровки СИ, рабочие СИ, относящиеся к контролю параметров окружающей среды, обеспечению безопасности труда, а также при геодезических работах.
Организация собственника (эксплуатирующая организация) составляет по каждой ГЭС конкретный перечень СИ, подлежащих поверке, и направляет его для сведения в орган государственной метрологической службы, на обслуживаемой территории которого находится ГЭС.
Результаты поверки СИ удостоверяют поверительным клеймом и/или свидетельством о поверке, форма которых и порядок нанесения устанавливаются регламентами и стандартами России.
6.10. Калибровке подлежат все СИ, используемые на ГЭС для контроля надежной и экономичной работы оборудования, при проведении наладочных, ремонтных и научно-исследовательских работ, не подлежащие поверке и не включенные в перечень СИ, применяемых для наблюдения за технологическими параметрами, точность измерения которых не нормируется [16].
Периодичность калибровки СИ устанавливает лицо, в установленном порядке уполномоченное выполнять на ГЭС функции в области метрологии по согласованию с ее технологическими подразделениями, и утверждает технический руководитель ГЭС.
Результаты калибровки СИ удостоверяют отметкой в его паспорте, калибровочным знаком, наносимым на СИ, или сертификатом о калибровке, а также записью в эксплуатационной документации.
6.11. В процессе эксплуатации оборудования измерительные каналы информационно-измерительных систем (ИИС) подвергают периодической поверке и/или калибровке в установленном порядке.
К использованию в работе (в том числе сторонними организациями) допускаются исключительно ИИС, прошедшие поверку и калибровку.
6.12. Каждый работник ГЭС, включая вспомогательный персонал, находясь на территории электростанции, должен обращать внимание на любые отклонения от нормы в работе оборудования и технических систем (на появившиеся протечки воды и масла из магистралей и соединений, усиленные или необычные звуки и шумы от работающего оборудования, повышенную ощутимую вибрацию оборудования и строительных конструкций, нарушения плотности воздушных магистралей, посторонние запахи, появление дыма и огня и другие). Обо всем замеченном работник должен немедленно сообщать оперативному персоналу в порядке, зафиксированном в СТО ГЭС.
7.1. В целях максимального снижения риска производственного и материального ущерба при принятии лицом, контролирующим техническое состояние оборудования, решений по оценке технического состояния оборудования, по выбору варианта при реализации первоочередных действий и по назначению технических мероприятий принятию таких решений должно предшествовать выполнение ряда условий и процедур.
7.2. Лицо, принимающее решение, должно:
обладать профессиональными знаниями и производственными навыками в области эксплуатации, наладки, ремонта оборудования;
располагать достаточной информацией о работе оборудования в штатных и нештатных (опасных) ситуациях;
располагать технической и экономической нормативной базой, необходимой для оценки технического состояния конкретного вида и типа оборудования и для принятия хозяйственного решения о продолжении его эксплуатации или о выводе в ремонт, техническом перевооружении, полной замене.
Для создания информационно-аналитической базы данных в сферах производственной и хозяйственной деятельности организации собственника (эксплуатирующей организации) при необходимости могут быть привлечены специализированные научные и инженерные организации соответствующего профиля деятельности.
7.3. Принятию окончательного решения о техническом состоянии оборудования должен предшествовать глубокий анализ всех документально зафиксированных событий, связанных с авариями, повреждениями, отказами в работе данного оборудования, в том числе событий во внешней среде, независимой от функционирования ГЭС.
7.4. В целях создания информационно-аналитической базы данных, необходимой для принятия решений, в организации собственника (эксплуатирующей организации) должны быть созданы, постоянно накапливаться и актуализироваться (обновляться) данные:
конструкторской (заводской) документации по всему составу оборудования ГЭС;
документации, связанной с ремонтом, модернизацией и заменой оборудования, наладочными и экспериментальными работами;
материалов постоянного контроля состояния оборудования, периодических осмотров, технических освидетельствований, технических обследований;
сведений об авариях, повреждениях, отказах, нештатных ситуациях, возникавших при разборке, монтаже и работе оборудования в обычных и непроектных режимах, о результатах расследования аварий и повреждений, о выполненных после этого мероприятиях.
7.5. С использованием созданных баз данных в организации собственника (эксплуатирующей организации) должно быть организовано производственное обучение персонала по программе поведения при возникновении нештатных (опасных) и аварийных ситуаций при работе оборудования.
7.6. В организации собственника (эксплуатирующей организации) должно быть создано автоматизированное рабочее место (АРМ) специалиста, принимающего решения по оценке технического состояния оборудования.
7.7. В целях снижения уровня риска при принятии решений в организации собственника (эксплуатирующей организации) для каждой ГЭС должны быть разработаны и введены для применения научно обоснованные практические, технические и экономические рекомендации и мероприятия с целью повышения достоверности оценки технического состояния оборудования и выработки типовых решений, учитывающие все особенности функционирования конкретной гидроэлектростанции.
7.8. В сложных случаях, не имеющих аналогов в практике эксплуатации ГЭС данной организации, для участия в выработке объективного решения должны быть приглашены эксперты из специализированных организаций и от заводов-изготовителей.
8.1.1. Энергетические характеристики гидротурбин являются важным показателем их технического уровня и критерием для оценки технического состояния в период эксплуатации.
На гидроэлектростанциях необходимо регулярно проводить эксплуатационные энергетические испытания гидротурбин и приемочные испытания вновь вводимых (модернизированных) гидротурбин:
с непосредственным измерением расходов воды через гидротурбину (абсолютным методом) при вводе в эксплуатацию штатных гидроагрегатов (гидротурбин) после достижения проектного напора и при вводе в работу гидротурбин после модернизации и/или замены элементов гидротурбины или изменения формы проточного тракта; число испытываемых абсолютным методом гидроагрегатов рекомендуется принимать: на ГЭС с числом установленных или модернизированных однотипных гидроагрегатов до 4 - 1, от 5 до 10 - 2, от 11 до 20 и более - 3;
без непосредственного измерения расходов воды через гидротурбину (индексным методом) не реже одного раза в 10 лет, в том числе при вводе гидроагрегатов в работу после капитального ремонта, связанного с изменениями проточного тракта гидротурбины. Испытания индексным методом следует проводить на всех гидроагрегатах ГЭС не менее чем при трех значениях напоров, охватывающих полный диапазон их изменения.
Методики эксплуатационных энергетических испытаний (Приложение А) позволяют получить следующие энергетические характеристики: мощностную (зависимость мощности гидротурбины от открытия направляющего аппарата); рабочую (зависимость КПД гидротурбины от ее мощности); расходную (зависимость расхода воды через гидротурбину от ее мощности) и эксплуатационную (зависимость КПД турбины от напора и мощности турбины). При энергетических испытаниях проверяют также состояние комбинаторной зависимости поворотно-лопастных гидротурбин.
8.1.2. При энергетических испытаниях вводимой в эксплуатацию новой или модернизированной гидротурбины абсолютным методом определяют фактические значения КПД, в том числе его максимальное значение, и максимальную мощность гидротурбины с целью проверки выполнения гарантий завода-изготовителя (гарантийные испытания) и/или оценки эффективности модернизации; при последующих испытаниях аналогичные данные используют для оценки фактического состояния гидротурбины.
При энергетических испытаниях индексным методом решают задачи по:
проверке гарантий завода по максимальной мощности гидротурбины;
оценке изменения характеристик действующей гидротурбины в процессе ее эксплуатации;
определению формы рабочей характеристики гидротурбины (гидроагрегата) с целью выбора оптимальных режимов работы гидроагрегата;
определению оптимальной комбинаторной зависимости поворотно-лопастных гидротурбин и проверке ее соответствия установленной комбинаторной связи.
8.1.3. Испытания проводят по программе, утвержденной техническим руководителем ГЭС, согласованной с соответствующим диспетчерским центром; при проведении гарантийных испытаний программу согласовывают также с заводом-изготовителем.
При проведении энергетических испытаний следует также руководствоваться требованиями ГОСТ 28842-90 «Турбины гидравлические. Методы натурных приемочных испытаний» и Международными правилами натурных приемочных испытаний по определению гидравлических характеристик турбин, аккумулирующих насосов и обратимых турбин [18].
8.1.4. Энергетические испытания абсолютным методом позволяют определить фактические (абсолютные) значения расходов воды через гидротурбину и ее КПД. Рекомендуется использовать отработанный в отечественной практике метод «площадь-скорость», при котором расход гидротурбины определяется интегрированием поля местных скоростей в выбранном для этого створе, измеряемых гидрометрическими вертушками.
Стандарт допускает возможность применения с этой целью иных методов, например, акустических, гидравлического удара и других, при условии их метрологической аттестации, произведенной в установленном порядке.
Испытания рекомендуется проводить при напоре гидротурбины, близком к расчетному.
При проведении испытаний абсолютным методом должна быть одновременно произведена градуировка расходомерного створа спиральной камеры, которую в последующем используют при проведении испытаний индексным методом.
Проведение энергетических испытаний абсолютным методом на деривационных ГЭС допускает два варианта выбора створа для установки гидрометрических вертушек: в напорном трубопроводе; в пазах плоских затворов водоприемника.
Использование первого варианта при соблюдении требований МЭК обеспечивает значения погрешности измерения расхода гидротурбины в интервале от ±1,0 до ±1,5 %; второй вариант при тех же условиях обеспечивает значения погрешности в интервале от ±1,2 до ±2,0 %.
8.1.5. Энергетические испытания индексным методом требуют наличия как минимум двух работоспособных пьезометрических выводов из спиральной камеры, расположенных в одном радиальном сечении; входное отверстие одного из выводов размещают на внешнем радиусе спирали, другого вывода - на внутреннем радиусе у статорных колонн.
При индексном методе испытаний измеряется не фактический расход воды, а пропорциональная ему величина. Сущность метода заключается в определении условного или индексного КПД гидротурбины и/или гидроагрегата путем измерения фактических значений мощности и напора и условной (индексной) величины расхода воды. Из-за увеличения погрешности измерения перепада давления индексный метод не рекомендуется применять при расходах гидротурбины менее 50 % от максимального для данного напора.
8.1.6. Оценку технического состояния гидротурбины по результатам энергетических испытаний производят на основании их сравнения с результатами предыдущих испытаний (или заводской эксплуатационной характеристикой):
по снижению максимального абсолютного или относительного КПД;
по изменению формы рабочей характеристики гидротурбины (смещению зоны максимума КПД в сторону больших или меньших мощностей);
по снижению максимальной мощности при том же напоре гидротурбины и открытии направляющего аппарата (для поворотно-лопастных гидротурбин - при отсутствии нарушения комбинаторной связи);
по выявлению во время испытаний при максимальных нагрузках отсутствовавшего ранее «срыва» КПД и мощности.
Выявление причин ухудшения состояния гидротурбины требует дополнительного анализа.
При проведении сравнительных испытаний следует соблюдать условия идентичности: использовать одни и те же пьезометрические выводы из спиральной камеры, одну и ту же измерительную аппаратуру; идентичными должны быть напор и высота отсасывания. Следует также учитывать повышенную погрешность сравнительных испытаний поворотно-лопастных гидротурбин с неполноохватной бетонной спиральной камерой.
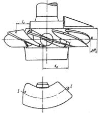
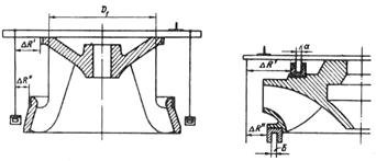
8.2.1. Стандарт устанавливает требования к оценке технического состояния рабочих колес гидротурбин поворотно-лопастного и радиально-осевого типов при эксплуатации. Стандарт распространяется на гидротурбины с диагональными рабочими колесами; их конкретные особенности учитывают в СТО ГЭС.
Вследствие недоступности рабочих колес гидротурбин во время работы гидроагрегата для непосредственного контроля и отсутствия специальной контрольно-измерительной аппаратуры в узлах и механизмах, оценку состояния рабочих колес производят:
- на работающем оборудовании по косвенным признакам;
- на остановленном гидроагрегате при осушенном проточном тракте по данным осмотров, освидетельствований, технических обследований (испытаний) и контрольных измерений.
Требования к техническому контролю рабочих колес поворотно-лопастных гидротурбин содержатся в таблице 1, радиально-осевых гидротурбин - в таблице 2.
8.2.2. Ухудшение технического состояния гидротурбин и/или их эксплуатационных показателей проявляется во время работы под нагрузкой или в переходных режимах по следующим косвенным признакам:
недобор мощности: мощность гидротурбины, измеренная с использованием штатных приборов, не достигает паспортной (по эксплуатационной характеристике) при фиксированном открытии направляющего аппарата, напоре и высоте отсасывания; причины недобора мощности выявляют по результатам осмотра и/или технического обследования (испытаний) гидроагрегата;
увеличение биения вала и вибрации опорных конструкций гидроагрегата в зоне шахты гидротурбины (крышка турбины, корпус турбинного подшипника, опора подпятника) сверх значений, установленных документацией завода изготовителя: отчетливое повышение биения вала или вибрации по сравнению с обычным уровнем или изменение характера колебаний;
резкое повышение расхода воды на смазку подшипника с водяной смазкой по сравнению с обычными эксплуатационными значениями (паспортными или установленными на основании опыта эксплуатации);
повышение температуры подшипника с масляной смазкой;
возникновение шумов и ударов под крышкой турбины и в отсасывающей трубе при работе в нормальных эксплуатационных режимах.
У поворотно-лопастных гидротурбин дополнительными косвенными признаками ухудшения их состояния являются:
увеличение перетоков масла в сервоприводе разворота лопастей: повышенный уровень масла в ванне маслоприемника при работе гидроагрегата под нагрузкой оценивают по результатам испытаний системы регулирования; предельное значение перетоков соответствует переливу масла через гребенку лабиринтного уплотнения маслоприемника;
потери масла из системы регулирования: снижается уровень масла в баке маслонапорной установки (МНУ), предельное снижение уровня контролируется уставкой датчика уровня;
появление масла на поверхности воды в нижнем бьефе ГЭС: утечка масла происходит в результате ухудшения работы уплотняющих конструкций втулки рабочего колеса, в частности, уплотнений цапф лопастей рабочего колеса; возможно обводнение масла в системе регулирования.
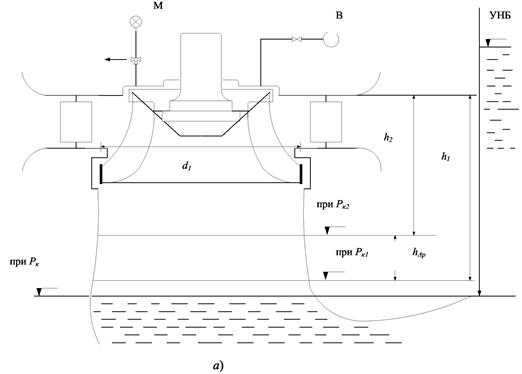
У радиально-осевых гидротурбин дополнительными признаками являются:
повышение давления в разгрузочной полости: норму уровня давления в полости устанавливают по данным завода-изготовителя или исходя из опыта эксплуатации;
повышение температуры подпятника гидрогенератора, не связанное с сезонными или режимными изменениями температуры;
увеличение протечек через уплотнение вала в крышке турбины.
8.2.3. При осмотре и оценке состояния рабочих колес гидротурбин следует руководствоваться Приложениями Б и В. В случае привлечения сторонних специализированных организаций объемы, сроки и порядок проведения работ по оценке состояния рабочего колеса уточняются в программе работ, утверждаемой техническим руководителем ГЭС.
8.2.4. Осмотр рабочего колеса производят на выведенном из работы гидроагрегате при осушенном проточном тракте гидротурбины.
Осмотр с помощью специальных (работающих под водой) автономных средств без осушения проточного тракта может быть произведен только в исключительных случаях (авария, невозможность осушения).
8.2.5. При осмотре рабочих колес должны быть выявлены:
очаги кавитационных повреждений на лопастях, втулке и обтекателях;
наличие трещин, каверн и иных поверхностных повреждений, их характер, размеры и расположение относительно фиксированных точек.
При осмотре поворотно-лопастных рабочих колес дополнительно выявляют:
протечки масла через уплотнения лопастей и другие конструктивы, наличие потеков масла на втулке РК, из-под крышки втулки РК, из-под фланцев лопастей и в конусе (обтекателе) из-под нижней крышки, из-под заглушек, пробок и клапанов;
состояние заглушек болтов крепления лопасти, сливных и наливных отверстий и клапанов, стопоров гаек и головок болтовых соединений, наличие механических, кавитационных и абразивных повреждений, нарушение стопорных устройств.
Все выявляемые повреждения должны быть документально зафиксированы, привязаны к характерным точкам, обмерены и сфотографированы в масштабе для сравнения с предыдущими замерами; должно быть сделано их краткое описание.
8.2.6. При эксплуатации рабочих колес в пределах гарантийных режимов гидротурбины должна быть оценена интенсивность кавитационной эрозии по величине весовой потери металла (кг) из рабочего колеса и элементов проточной части за определенное число часов работы в соответствии с гарантиями завода-изготовителя гидротурбин.
В случае отсутствия заводских гарантий по потере металла при кавитационном износе допустимый объем этих потерь должен быть определен в соответствии со стандартом Международной электротехнической комиссии [17].
8.2.7. Состояние металла лопастей оценивают при визуальном и инструментальном контроле. Работы производят в соответствии с Приложением Г. Проверку на наличие трещин в металле лопастей производят в соответствии с [17]. Контроль состояния металла рабочего колеса следует, как правило, совмещать с капитальным ремонтом гидротурбины
Контроль состояния металла рабочих колес в процессе эксплуатации гидротурбины необходимо производить с участием квалифицированных специалистов. Периодический контроль следует выполнять в первый раз не позднее чем через 8000 ч работы после начала эксплуатации гидротурбины, последующий контроль должен производится не позднее чем через 25000 ч после начала эксплуатации. Этот срок с учетом фактического состояния рабочих колес может быть изменен техническим руководителем ГЭС.
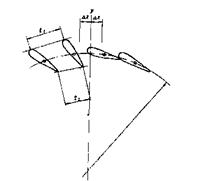
8.2.8. При необходимости, выявляемой при осмотрах и освидетельствованиях, необходимо проверять геометрическую форму лопастей, симметричность их расположения, состояние кромок.
Проверка геометрических форм лопастей должна производиться в сроки, определяемые техническим руководителем ГЭС, с привлечением специализированной организации.
У поворотно-лопастных гидротурбин должна быть проверена геометрическая форма камеры рабочего колеса. Работы следует производить в соответствии с Приложением Е и с учетом рекомендаций [23, 24].
|
Диаметр РК, м |
2,0 |
4,0 |
6,0 |
8,0 |
|
Отклонение, мм |
1,0 |
2,0 |
2,5 |
3,0 |
Величина выступа кромок входного сечения РК относительно закладных частей и крышки турбины в зависимости от диаметра РК соответственно не должна превышать следующих значений:
|
Диаметр РК, м |
2,0 |
4,0 |
6,0 |
8,0 |
|
Отклонение, мм |
1,0 |
1,0 |
2,0 |
3,0 |
Зазоры между РК и неподвижными частями гидротурбины, а также в лабиринтных уплотнениях не должны отличаться от заданных конструкторской документацией более чем на 20 %.
Неконцентричность между собой верхнего и нижнего лабиринтных колец и несоосность их с валом допускается в пределах 10 % от размера одностороннего зазора в лабиринтном уплотнении РК.
Работа должна производиться в соответствии с требованиями Приложения Д и рекомендациями [6, 23, 24].
Состояние клапана на торце вала, болтовых соединений оценивают по наличию механических, кавитационных и эрозионных повреждений, фиксируют нарушение стопорных устройств.
8.2.10. При осмотрах и освидетельствованиях рабочих колес поворотно-лопастных гидротурбин должны быть исследованы форма периферийных кромок лопастей, форма камеры рабочего колеса, зазор «камера-лопасть». Размер зазора «камера-лопасть» должен соответствовать нормативам конструкторской и/или монтажной документации [6]. При отсутствии соответствующих документов зазор «камера-лопасть» не должен превышать 0,001 от диаметра рабочего колеса. Контроль зазора следует производить в соответствии с требованиями Приложений Д и К.
8.2.11. В случае неудовлетворительной работы рабочего колеса при полном соответствии контролируемых параметров проектным и монтажным требованиям должен быть произведен обмер геометрических размеров его элементов, включая построение профилей и решетки лопастной системы в соответствии требованиями Приложения Е.
8.2.12. Состояние механизма разворота лопастей при осмотрах и обследованиях (без разборки РК) должен оцениваться по косвенным признакам, для чего проверяются: комбинаторная зависимость, равномерность углов установки лопастей, наличие люфтов и провисания лопастей.
Положение лопастей при проверке комбинаторной зависимости по углу разворота при заданном открытии направляющего аппарата не должно отличаться от проектного более чем на 0,5 %.
Расхождение в углах установки лопастей, замеренное в соответствии с требованиями Приложения Е не должно превышать 1,0 % от угла их полного разворота.
8.2.13. Оценку величины перестановочных усилий и люфтов в механизме поворота лопастей следует производить в соответствии с требованиями Приложения Ж.
Изменение величины перестановочных усилий в процессе эксплуатации гидротурбины выявляют путем сравнения значений, полученных при измерениях во время очередного осмотра или освидетельствования, с их значениями, полученными ранее при измерениях, выполненных по методике завода на остановленном агрегате во время монтажа или последнего капитального ремонта и зафиксированных в соответствующих документах (актах, протоколах, формулярах) как базовые значения для последующих контрольных измерений в процессе эксплуатации.
Оценку состояния механизмов и узлов трения рабочего колеса производят исходя из того, что изменение значений перестановочных усилий в механизме поворота лопастей допускается только в сторону их уменьшения по сравнению с базовыми (первоначально зафиксированными).
8.2.14. Общее состояние рабочего колеса оценивают, исходя из степени износа основных деталей и узлов, наличия повреждений, соответствия паспортным или проектным требованиям.
Эксплуатация поворотно-лопастных рабочих колес в пропеллерном режиме недопустима, в соответствии с ГОСТ 27.002-89 и конструкторской заводской документацией ее следует рассматривать как эксплуатацию неисправного оборудования.
Таблица 1. Нормы контроля технического состояния рабочего колеса радиально-осевой гидротурбины
|
Уровень контроля |
Наблюдаемые и контролируемые параметры |
Способы и средства контроля |
Режим контроля |
Допустимые значения параметров |
Способ регистрации результатов контроля |
|
|
1 |
2 |
3 |
4 |
5 |
6 |
7 |
|
1. |
Постоянный инструментальный и визуальный контроль на работающем оборудовании |
Давление, вакуум, пульсация давления в проточной части, вибрация, биение вала. |
Инструментальный, автоматизированный дистанционный контроль |
Непрерывно при наличии датчиков дистанционного контроля, визуально не реже 1 раза в смену при обходах |
Проектно-конструкторская, монтажная документация, СТО ГЭС |
Журнал дефектов, суточная ведомость. |
|
2. |
Периодический осмотр, техническое обследование |
Кавитационный износ элементов рабочего колеса. Механические повреждения. Трещины |
Визуальный, инструментальный, автоматизированный дистанционный контроль |
При осушенной проточной части. По графику и при необходимости |
В соответствии с гарантиями завода изготовителя или со стандартом МЭК, публикация № 609. Наличие трещин не допускается. По результатам анализа металла РК |
Формуляр, схема замеров. Фото. |
|
Зазоры в лабиринтном уплотнении. Высотное положение РК. |
Инструментальный контроль |
В соответствии с требованиями завода изготовителя. В соответствии с данными, приведенными в п. 8.2.9. |
Формуляры, акты, схема замеров. |
|||
|
Наличие повреждений спиральной камеры, облицовки отсасывающей трубы, закладных элементов. |
Визуальный, инструментальный. Контроль металла при техническом обследовании. |
Повреждения не должны препятствовать безопасной эксплуатации гидротурбины. |
Формуляры, акты, фото, описания. Технические отчеты. |
Таблица 2. Нормы контроля технического состояния рабочего колеса поворотно-лопастной гидротурбины
|
Уровень контроля |
Наблюдаемые и контролируемые параметры |
Способы и средства контроля |
Режим контроля |
Допустимые значения параметров |
Способ регистрации результатов контроля |
|
|
1 |
2 |
3 |
4 |
5 |
6 |
7 |
|
1. |
Постоянный инструментальный контроль. Периодический, во время обходов, |
Давление, вакуум, пульсация давления в проточной части агрегата, вибрация, биение вала. |
Инструментальный. Автоматизированный дистанционный контроль. |
Непрерывно при наличии датчиков дистанционного контроля. Периодический при обходах. |
Требования завода изготовителя, НТД, местная инструкция по эксплуатации. |
Журнал дефектов, суточная ведомость. |
|
2. |
Периодический осмотр |
Зазор камера-лопасть. Форма РК, форма камеры рабочего колеса по кромкам лопастей. |
Инструментальный контроль |
При осушенной проточной части. При необходимости |
В пределах 20 % от заданного проектного зазора камера лопасть. |
Акты, формуляры замеров. |
|
3. |
Периодический осмотр |
Кавитационный износ. Механические и коррозионные повреждения. |
Визуальный и инструментальный контроль. |
При осушенной проточной части. При необходимости |
В соответствии с гарантиями завода изготовителя или со стандартом МЭК, публикация № 609. |
Формуляр, Схема замеров. Фото. |
|
4. |
Периодический осмотр |
Кавитационный износ лопастей. Механические повреждения. Трещины |
Инструментальный контроль |
При осушенной проточной части. При необходимости |
В соответствии с гарантиями завода изготовителя или со стандартом МЭК, публикация № 609. Наличие трещин не допускается. |
Акты, формуляры замеров. |
|
5. |
Периодический осмотр |
Комбинаторная зависимость. |
Инструментальный контроль |
При осушенной проточной части. При необходимости |
Комбинаторная зависимость должна соответствовать оптимальной. Метки на фланце лопасти, маслоприемнике и регуляторе должны совпадать. |
Запись в акте протоколы |
|
6. |
Техническое обследование |
Давление в полостях сервомоторов. Перестановочные усилия. |
Инструментальный контроль |
На остановленном агрегате |
Изменение величины перестановочных усилий допускается только в сторону уменьшения |
Формуляр. Акт. |
|
7. |
Техническое обследование |
Равномерность установки всех лопастей. |
Инструментальный контроль |
При осушенной проточной части. |
Расхождение в углах установки лопастей не должно превышать 0,5 %. |
Формуляр. Акт. |
|
8. |
Периодический осмотр, техническое обследование |
Величина люфтов механизма обратной связи. |
Инструментальный контроль |
На остановленном агрегате |
Не более 0,5 % от полного хода сервомотора |
Акты, формуляры замеров. |
|
9. |
Техническое обследование |
Равномерность установки углов разворота лопастей. |
Инструментальный контроль |
На остановленном агрегате |
Расхождение в углах установки лопастей не должно превышать 0,5 % от полного разворота. |
Акты, формуляры замеров. |
|
10. |
Периодический осмотр |
Протечки масла через уплотнения, стыки и разъемы, втулки рабочего колеса. |
Визуальное обследование. Инструментальное по уровню в баке МНУ. |
На работающем и остановленном агрегате. |
Уровень ниже уставки датчика на баке МНУ. Протечки масла через уплотнения РК не допускаются. |
Суточная ведомость. Протокол. Акт. |
8.3.1. На работающем агрегате состояние маслоприемника оценивают по внешнему виду, величине протечек масла через уплотнения штанги и величине перетоков в системе сервопривода механизма разворота лопастей рабочего колеса.
8.3.2. Долговечность и надежность маслоприемника в работе определяет качество центровки маслоприемника и гидроагрегата, величина отклонения от перпендикулярного положения линии вала гидрогенератора и зеркального диска подпятника, соосность штанг маслоприемника, их направляющих и подшипников гидрогенератора, а также величина установленных в подшипниках зазоров.
При оценке текущего состояния маслоприемника по этим признакам необходимо учитывать величину и характер биения вала у верхнего генераторного подшипника, радиальную составляющую вибрации верхней крестовины генератора и корпуса маслоприемника, которые должны отвечать допустимым нормам в соответствии с требованиями приложения И. Превышение этих норм ведет к прогрессивному ухудшению состояния маслоприемника.
8.3.3. При анализе и оценке технического состояния маслоприемника должна быть использована эксплуатационная, монтажная и ремонтная документация в части проверки линии вала и регулировки зазоров в направляющих подшипника и штангах маслоприемника [11].
Проверка этих параметров должна быть выполнена в соответствии с требованиями Приложений Д и К.
8.3.4. Основным критерием при оценке состояния маслоприемника и сервопривода механизма разворота лопастей во время работы гидроагрегата служит величина протечек масла через фланцевые соединения и уплотнения штанг, которая контролируется визуально по величине протечек, а при наличии датчика уровня в ванне маслоприемника - дистанционно.
8.3.5. Надежным признаком возникновения нарушений в работе системы управления лопастями рабочего колеса служит изменение режима работы насосов МНУ, характеризуемого отношением времени работы его на аккумулятор к суммарному времени работы на слив и простоя.
При нормальном состоянии системы регулирования, сервомотора механизма разворота лопастей рабочего колеса и маслоприемника насос работает в режиме 1 : (12 ... 20). Об ухудшении состояния названных узлов свидетельствует режим работы 1 : (4 ... 6).
8.3.6. При оценке состояния узла маслоприемника во время осмотров необходимо исключать влияние на его работу других элементов системы регулирования гидротурбины путем временного ограничения их перемещений или перекрытия задвижек на маслопроводах сервомоторов направляющего аппарата.
При проведении работ по оценке состояния маслоприемника необходимо руководствоваться Приложением Ж, а также рекомендациями [24].
8.3.7. Во время периодических осмотров маслоприемника (табл. 3) на остановленном гидроагрегате основное внимание обращают на: наличие потеков масла на корпусе, фланцевых соединениях и опорных конструкциях маслоприемника; состояние уплотняющих элементов; состояние штанги в зоне ее перемещения (при технической возможности).
8.3.8. При осмотрах и освидетельствованиях маслоприемника:
оценивают наличие и вид натиров, раковин, следов перегрева и других повреждений, фиксируют их размещение, характер и размеры;
оценивают механическое состояние втулок, качество и плотность их запрессовки в корпус, состояние стопорных устройств, степень износа;
измеряют и фиксируют зазоры «штанга-втулка» в зоне перемещения штанги;
по результатам измерений определяют протечки и перетоки масла в маслоприемнике и сервомоторе рабочего колеса;
оценивают механическое состояние узлов механизма обратной связи (заделка троса, крепление кронштейнов, состояние подшипников, троса или штанги, люфты, зазоры и др.);
проверяют величину и равномерность зазоров в лабиринтном уплотнении маслоприемника;
оценивают состояние изоляции маслоприемника от подшипниковых токов (сопротивление изоляции не менее 1 МОм);
оценивают состояние крепежа и контрящих устройств корпуса маслоприемника и фланцевых соединений;
производят проверку манометров, датчика уровня масла;
проверяют соответствие показаний указателей угла разворота лопастей на маслоприемнике, колонке регулятора и фланце лопастей РК.
8.3.9. Величину зазоров, несоосность и неконцентричность узлов и деталей оценивают в сопоставлении с конструкторской документацией завода-изготовителя или с монтажными формулярами [6]. При отсутствии соответствующей документации оценку следует производить на основании нижеприведенных данных:
Таблица 3. Нормы контроля технического состояния узлов и механизмов маслоприемника гидротурбины
|
Уровень контроля |
Наблюдаемые и контролируемые параметры |
Способы и средства контроля |
Режим контроля |
Допустимые значения параметров |
Способ регистрации результатов контроля |
|
|
1 |
2 |
3 |
4 |
5 |
6 |
7 |
|
1. |
Постоянный инструментальный контроль на работающем оборудовании. Периодический визуальный. |
Уровень масла в ванне маслоприемника. |
Визуальный или инструментальный контроль |
Непрерывно при наличии дистанционного контроля. Периодически при обходах 1 раз в сутки |
Не превышает установившийся уровень. Не допускается повышение уровня до гребенки лабиринтного уплотнения. |
Лента самописца, журнал дефектов, срочная информация для ремонтного и оперативного персонала. |
|
2. |
Периодический визуальный. |
Состояние пар трения «штанга- втулка». |
Визуальный контроль |
Периодически, при необходимости. |
Величина протечек и температуры не превышают установившихся значений, одностороннее смещение штанги не допускается. |
Запись в журнал дефектов, срочная информация для ремонтного и оперативного персонала. |
|
3. |
Постоянный инструментальный контроль на работающем оборудовании. Периодический визуальный. |
Температура сегментов подшипника генератора. Биение вала. Вибрация маслованны, верхней крестовины. |
По показаниям датчиков температуры, биения вала, вибрации маслованны, крестовины |
Непрерывно при наличии дистанционного контроля. Периодический при обходах1 раз в сутки. |
В соответствии с конструкторской заводской документацией и СТО ГЭС |
Лента самописца, журнал дефектов, срочная информация для ремонтного и оперативного персонала. |
|
4. |
Инструментальный контроль |
Показания датчиков перемещения (индикаторы часового типа)вала генератора. |
Во время ремонта при необходимости. |
В соответствии с конструкторской заводской документацией и СТО ГЭС |
Протокол проверки линии вала. |
Примерные допуски для оценки технического состояния маслоприемника, мм
|
Диаметр рабочего колеса, м |
3 |
5 |
7 |
9 |
|
Негоризонтальность верхнего опорного фланца основания маслоприемника (ванны) |
0,10 |
0,10 |
0,15 |
0,20 |
|
Неконцентричность зазоров в лабиринтном уплотнении маслоотражателя |
0,05 |
0,10 |
0,15 |
0,15 |
|
Несоосность корпуса маслоприемника с основанием (ванной) |
0,05 |
0,05 |
0,10 |
0,10 |
8.4.1. Стандарт устанавливает требования к оценке технического состояния цилиндрического направляющего аппарата (НА), кинематического механизма и элементов сервопривода направляющего аппарата вертикального гидроагрегата. Общее состояние НА оценивают по степени его износа, определяющего объем ремонтных восстановительных работ для восстановления проектных параметров [20, 21].
8.4.2. Постоянный контроль технического состояния НА при работе гидроагрегата должен выявлять следующие признаки ухудшения состояния НА (табл.4):
- увеличение времени выбега гидроагрегата после подачи команды на останов и закрытие НА;
- возобновление вращения ротора гидроагрегата после полной остановки и отключения тормозов;
- наличие значительных протечек воды через уплотнения цапф лопаток НА;
- повторяющиеся повреждения предохранительных устройств на рычагах лопаток (разрывных болтов, срезных штифтов, пальцев и др.);
- наличие шума текущей воды в проточной части гидротурбины при закрытом НА;
- увеличение потерь сжатого воздуха (увеличение частоты подкачки) при работе гидроагрегата в режиме синхронного компенсатора;
- увеличение протечек и перетоков в сервомоторах НА (изменение цикла «включение-выключение» насосов МНУ);
- увеличение частоты включения лекажного агрегата;
- наличие стуков и заеданий при перемещении регулирующего кольца, необычное смещение элементов кинематики (например, при разрушении срезного пальца);
- повышенные перестановочные усилия сервомоторов НА.
8.4.3. Для общей оценки состояния элементов кинематической схемы управления определяют величину суммарных люфтов и мертвых ходов в обратной связи. В жестких обратных связях, в случае необходимости, люфты должны определяться поэлементно для выявления изношенных шарниров.
8.4.4. При осмотрах остановленного гидроагрегата при осушенной проточной части должны быть выявлены и оценены эрозионные, кавитационные и механические повреждения узлов и деталей НА. При этом производят качественную и количественную оценку кавитационных и эрозионных (гидроабразивных и коррозионных) повреждений лопаток, а также верхнего и нижнего колец НА. Должно быть выполнено фотографирование, обмеры и привязка поврежденных участков к осям гидроагрегата, бьефам и берегам или к другим фиксированным элементам для возможности сравнения с предыдущими замерами. Аналогичную работу производят по оценке состояния защитных облицовок (при их наличии).
Уровень коррозионного и абразивного износа частей НА не должен быть более высоким, чем на прилегающих к нему элементах проточной части выполненных из аналогичного материала.
При обнаружении скорости износа более 0,1 мм/год следует проводить специальные восстановительные мероприятия.
Выявляют наличие натиров и повреждений на верхнем и нижнем кольцах НА в зоне перемещения лопаток.
8.4.5. При осмотрах и освидетельствованиях измеряют зазоры по перу и торцам лопаток, оценивают состояние резиновых уплотнений, пазов и контактных поясков.
Зазоры по перу измеряют в трех точках по высоте лопаток щупом при закрытом положении НА; при высоте лопаток менее 500 мм измерения производят в двух точках по их высоте.
Размер допускаемых зазоров в НА, не имеющих уплотнений, нормируется в зависимости от высоты пера лопатки или диаметра РК гидротурбины:
|
Высота лопатки, мм |
500 |
1000 |
1500 |
2000 |
|
Диаметр РК, мм |
2000 |
3000 |
4000 |
5000 |
|
Зазор, мм |
0,05 |
0,1 |
0,15 |
0,20 |
Суммарная длина всех местных зазоров между двумя смежными лопатками, превышающих норму, не должна превышать 20 % от длины пера лопатки.
В направляющем аппарате, имеющем резиновые уплотнения, измерения производят в трех точках по высоте лопатки щупом при сервомоторе, находящемся на стопоре. Резина уплотнения при измерениях должна быть сжата равномерно без зазоров по всей высоте пера. Зазоры по металлу в зоне контакта между соседними лопатками при этом должны быть равномерными по высоте пера и составлять 0,5 - 1,0 мм.
8.4.6. Размер полного открытия НА измеряют нутромером по минимальному расстоянию в свету (просвет) между полностью развернутыми соседними лопатками: измеренный размер должен соответствовать документации завода изготовителя гидротурбины. Общее отклонение допускается только в сторону увеличения. Отклонение размеров полного открытия между разными лопатками не должно превышать 3 %.
8.4.7. Оценку состояния уплотнений по перу и торцам лопаток производят визуально. В случае обнаружения повреждений или отсутствия уплотнителя необходимо оценить состояние пазов под закладку нового шнура, а также входных кромок на торцах лопаток.
Таблица 4. Нормы контроля технического состояния направляющего аппарата.
|
Узлы и детали |
Контролируемый параметр |
Контрольное значение |
Примечание |
|
|
1 |
2 |
3 |
4 |
5 |
|
1 |
Лопатки, нижнее кольцо, верхнее кольцо НА |
Коррозионный и абразивный износ |
0,1 мм/год |
Не более 5 мм |
|
Кавитационный износ |
Не допускается |
|||
|
2 |
Подшипники лопаток, втулки, цапфы лопаток |
Износ, трещины в облицовке, отставание или выкрашивание |
Зазоры в пределах допусков, предусмотренных в чертежах, трещины, отставание и выкрашивание не допускаются |
|
|
3 |
Узлы трения кинематики |
Износ |
Зазоры в пределах допусков, предусмотренных в чертежах |
|
|
Увеличенные перестановочные усилия |
Усилия в пределах допусков завода-изготовителя |
|||
|
4 |
Узлы и детали кинематики НА |
Наличие трещин |
Не допускается |
|
|
5 |
Срезные пальцы |
Поломки |
Частые поломки без видимых причин не допускаются |
|
|
6 |
Трущиеся поверхности регулирующего кольца |
Износ |
Нормы завода изготовителя в пределах конструктивных зазоров. |
0,001 от диаметра кольца, но не более 5 мм |
|
7 |
Уплотнения цапф лопаток |
Протечки |
Допускается в пределах обеспечения откачки с крышки турбины |
|
|
8 |
Уплотнения лопаток по перу и торцам |
Протечки через НА |
Допускаются протечки, допускающие остановку гидроагрегата на выбеге без торможения |
|
|
9 |
Сервомоторы |
Износ цилиндров, уплотнений поршней |
Допускаются протечки, величина которых обеспечивает цикл насосов МНУ не хуже 1:10 |
|
|
10 |
Фланцевые соединения |
Протечки не допускаются |
||
|
11 |
Кинематика НА |
Суммарные люфты |
Практически наличие люфтов считается недопустимым |
Не более 0,5 % от полного хода сервомотора. |
8.4.8. При наличии ограничителей поворота лопаток следует проверить их состояние.
8.4.9. При периодических осмотрах контролируют степень износа направляющих регулирующего кольца при открытии и закрытии направляющего аппарата в диаметральном и вертикальном направлениях, наличие перекосов установки сервомоторов и их штоков, наличие трещин в местах крепления опор сервомоторов. При обнаружении повышенных перемещений регулирующего кольца и люфта производится разборка узлов трения с последующей оценкой их состояния.
8.4.10. Величина натяга сервомотора НА должна соответствовать документации завода изготовителя. При отсутствии документации натяг проверяют при минимальном давлении в МНУ, обеспечивающем перемещение регулирующих органов (около 5 кг/см2) Величина натяга должна составлять 1 … 1,5 % от полного хода сервомотора. После снятия давления установленная величина натяга должна обеспечивать плотное закрытие НА без зазоров и перекосов. При этом резиновый шнур между лопатками должен быть сжат до величины зазора между металлическими поверхностями лопаток 0,5 … 0,1 мм. При зазоре между вилкой стопора и упором поршня 0,5 … 0,8 мм натяг при снятом давлении в сервомоторах должен сохраняться (обеспечивать плотность закрытия НА) несмотря на возврат поршня сервомотора со стопорам на величину зазора и поршня без стопора на большую величину.
8.4.11. При контроле технического состояния особое внимание должно быть обращено на состояние узлов и деталей, поломки которых имели место в период эксплуатации, при этом объем и методы контроля определяются, исходя из необходимости получения полной информации о причинах имевшихся нарушений.
8.4.12. При выявлении трещин на лопатках следует проводить контроль металла путем вырезки образцов для металлографического анализа и определения свойств металла.
8.5.1. Оценку технического состояния крышки гидротурбины следует производить с учетом ее функций в качестве места размещения конструктивных узлов, агрегатов и деталей ряда элементов и технических систем гидроагрегата, например, опорных конструкций подпятника гидрогенератора и направляющего подшипника гидротурбины, клапана срыва вакуума, системы откачки воды, сервомоторов и кинематики НА, стопорных и предохранительных устройств НА, аппаратуры и трубопроводов системы перевода гидроагрегата в режим СК, лекажного агрегата и других. Поэтому оценка технического состояния крышки гидротурбины должна отражать ее соответствие специфическим требованиям этого оборудования.
8.5.2. Крышка гидротурбины является сборником протечек: воды из проточной части через неплотности уплотнений ряда узлов и деталей; масла из всех расположенных выше маслосодержащих элементов гидроагрегата (маслованн, маслопроводов, арматуры). По объему и содержанию протечек, откачиваемых с крышки гидротурбины, можно косвенно оценить качество работы водяных и масляных уплотнений, состояние стыков и фланцевых соединений.
8.5.3. При постоянном контроле состояния крышки гидротурбины во время работы гидроагрегата (табл. 5) фиксируют визуально и измеряют при помощи штатных и переносных измерительных средств:
- уровень воды в крышке;
- наличие и объем протечек через уплотнения цапф лопаток направляющего аппарата, уплотнение вала в крышке турбинного подшипника и крышке гидротурбины, фланцевые соединения крышки, люки, клапаны, сливные и дренажные устройства;
- наличие масла на поверхностях деталей и оборудования и в крышке;
- частоту срабатывания насосов откачки и эффективность работы эжектора;
- наличие посторонних звуков в проточной части;
- наличие повышенной вибрации и биения вала в зоне крышки и корпуса турбинного подшипника;
- состояние крепежа, закладных и крепежных элементов;
- показания контрольно-измерительных приборов в шахте турбины.
8.5.4. На остановленном гидроагрегате при периодических осмотрах со стороны осушенной проточной части оценивают состояние следующих конструктивных частей крышки гидротурбины:
- всей поверхности крышки для выявления участков кавитационного и гидроабразивного износа;
- зоны за НА в месте стыка крышки и верхнего кольца НА;
- состояние металла вокруг отверстий в крышке.
8.5.5. Выявление неудовлетворительной работы (состояния) конструкций и систем, связанной с их размещением на крышке гидротурбины, может потребовать технического обследования (испытаний) крышки по специальным программам, в том числе связанным с оценкой ее прочности и жесткости.
Таблица 5. Нормы контроля технического состояния крышки гидротурбины.
|
Наблюдаемые и контролируемые параметры |
Способы и средства контроля |
Режим контроля |
Допустимые значения параметров |
Способ регистрации результатов контроля |
|
|
1 |
2 |
3 |
4 |
5 |
6 |
|
Постоянный технический контроль |
Протечки воды |
Визуальный и автоматизированный дистанционный контроль уровня воды в крышке |
Непрерывно, при наличии датчиков дистанционного контроля; при обхода оборудования 1 раз в смену. |
Параметры не должны превышать значений, установленных заводской документацией и/или СТО ГЭС. Допустимый уровень - объем протечек не превышает производительности насосов осушения. |
Запись в журнале осмотра |
|
Протечки масла |
Визуально |
При обходах оборудования 1 раз в смену |
Протечки масла не допускаются |
Формуляры, акты, схема замеров |
|
|
Вибрация, биение вала; давление под крышкой; температура |
Визуальный и инструментальный контроль. |
Непрерывно, при наличии дистанционного контроля. При обходах оборудования 1 раз в смену |
Параметры не должны превышать значений, установленных заводской документацией и/или СТО ГЭС |
Запись в журнал дефектов, информация для ремонтного и оперативного персонала. |
8.6.1. Стандарт устанавливает требования к оценке технического состояния камеры рабочего колеса (КРК) ПЛ гидротурбины, облицовки спиральной камеры, отсасывающей трубы и закладных элементов проточной части турбины (водозаборов, приямков, сбросных трубопроводов) вертикального гидроагрегата.
8.6.2. Из-за тяжести последствий первостепенное значение имеет своевременная оценка технического состояния КРК и выявление внутренних дефектов и повреждений. Ухудшение технического состояния КРК или ее эксплуатационных показателей должно быть своевременно выявлено во время периодических осмотров и регулярных технических освидетельствований, а также в аварийных ситуациях при обнаружении нарушений в работе гидротурбины, проводимых при осушенной проточной части.
8.6.3. Периодическому осмотру и оценке состояния подлежат следующие конструктивные части КРК:
- облицовка камеры;
- отъемный сегмент;
- сопрягающий пояс;
- заоблицовочное пространство.
8.6.4. Общее техническое состояние КРК и ее конструктивных частей оценивают по следующим показателям:
- наличие механических, кавитационных и гидроабразивных повреждений металлических поверхностей;
- состояние (повреждения, дефекты) конструктивных и ремонтных сварных швов и наплавки;
- состояние геометрической формы КРК;
- состояние (повреждения, дефекты) сопрягающего пояса, отъемного сегмента, пробок заглушек, штуцеров, ниппелей, отводящих и подводящих трубопроводов.
Инструментальному контролю подлежат габаритные размеры и форма сферической части КРК (отклонение формы от окружности). Контроль производят в соответствии с документацией завода изготовителя или в соответствии с требованиями Приложения Е.
8.6.5. На основе оценки общего состояния КРК и ее конструктивных частей при осмотре и освидетельствовании в случае необходимости определяют порядок и объем специального технического обследования (углубленных исследований, испытаний).
8.6.6. Техническое состояние отъемного сегмента оценивают по показателям состояния его отдельных частей и деталей:
- общее состояние конструктивных частей сегмента и сопрягающихся с ним конструктивных частей КРК;
- состояние крепежа, талрепов, домкратов, закладных и крепежных элементов в нише бетонного массива;
- качество и состояние соединения облицовок отъемного сегмента и КРК.
8.6.7. Оценку технического состояния облицовки и сопрягающего пояса КРК производят в следующем порядке:
- определяют характер, площадь и глубину кавитационных повреждений;
- производят фотографирование повреждений в масштабе, снятие формуляров с привязкой к характерным точкам КРК, составляют краткое описание для сравнения с результатами предыдущих осмотров;
- оценивают качество прилегания облицовки к штрабному бетону, ребрам жесткости и другим частям КРК;
- выявляют наличие заоблицовочных пустот, их площадь и координаты относительно характерных точек КРК, составляют формуляры и описания заоблицовочных пустот;
- измеряют толщину облицовки в характерных точках: при наличии уноса металла толщину облицовки восстанавливают до проектного значения;
- оценивают состояние сопрягающего пояса и место его соединения с облицовкой.
Критериями при оценке состояния КРК служат: состояние металлических элементов КРК, оцененное по результатам осмотра и обмеров; величина кавитационного и гидроабразивного износа облицовки (оценивают по весу унесенного металла в кг за контрольный срок). Допустимую норму уноса металла определяют по конструкторской документации (гарантиям) завода-изготовителя, а при ее отсутствии - на основании стандарта МЭК [17]. Допустимую норму уноса включают в СТО ГЭС.
Не допускают эксплуатацию КРК с трещинами, сквозными отверстиями и механическими повреждениями конструктивных частей.
Для проведения технических обследований с целью выявления причин, вызывающих повреждения КРК и ее частей, следует привлекать специализированные организации, имеющие соответствующий опыт работы. Для устранения дефектов следует привлекать заводы-изготовители и использовать технологии, рекомендованные этими заводами.
8.6.8. Осмотры, освидетельствования и технические обследования металлических облицовок спиральной камеры и отсасывающей трубы производят при осушенной проточной части.
Осмотру подлежат поверхности металлических облицовок, пробки, заглушки, штуцера, ниппели отводящих и подводящих импульсных трубопроводов, водозаборы, сливные приямки, люки, лаз в камеру отъемного сегмента, сопряжения облицовки с закладными частями турбины, затворов и облицовки оголовков разделительных бычков. Порядок осмотра соответствует порядку, рекомендованному для осмотра КРК.
При осмотре выявляют также участки повреждений в сопряжении с облицовкой закладных трубопроводов и других конструкций.
Оценку состояния трубопроводов, примыкающих к облицовке, производят на основе материалов их внешнего осмотра, а также по результатам продувки, опрессовки и простукивания.
8.7.1. Требования Стандарта распространяются на металлические плоские и сегментные аварийные и аварийно-ремонтные затворы, установленные в водоприемниках гидротурбинных блоков, предтурбинные дисковые и шаровые затворы (ГОСТ 22373-82), установленные в концевой части напорных подводящих трубопроводов ГЭС (далее - затворы) и на сороудерживающие решетки, установленные в водоприемниках гидротурбинных блоков [19, 20, 22].
8.7.2. Контроль технического состояния затворов и сороудерживающих решеток должен подтверждать [9, 15]:
постоянную готовность затворов к работе: к аварийному закрытию - для предотвращения разгона гидроагрегата при отказе системы управления направляющим аппаратом гидротурбины, при понижении давления в МНУ гидротурбины ниже допустимого, при разрыве подводящего напорного турбинного трубопровода; к нормальному закрытию - перед проведением ремонтных работ в проточной части гидротурбины, при переводе гидроагрегата в режим синхронного компенсатора; к открытию - перед вводом гидроагрегата в работу, по режимным и эксплуатационным условиям;
надежность защиты гидротурбинного блока сороудерживающими решетками от попадания крупного плавающего сора (бревен, глыб льда и других крупных предметов) во избежание повреждений элементов проточной части гидротурбины или от нарушения гидродинамической структуры потока, способного вызвать повышенную вибрацию оборудования и строительных конструкций.
Контроль должен предупреждать о возможности возникновения на сороудерживающих решетках предельных значений перепада напора, устанавливаемых СТО ГЭС.
8.7.3. Требования Стандарта учитывают необходимость заблаговременного выявления и предупреждения наиболее вероятных повреждений затворов и сороудерживающих решеток, в том числе:
у затворов: механические, коррозионные, эрозионные повреждения элементов (уплотнений, опорно-ходовых частей, несущих конструкций, обшивок), заклинивание в пазах плоских затворов, неравномерное движение предтурбинных затворов при неисправной работе подъемных и управляющих механизмов, повреждениях закладных частей;
у систем управления затворами: отказы в аварийных режимах, нарушение расчетного времени аварийного закрытия затворов, согласованного с условиями режимов (гарантий) регулирования гидротурбин при сбросах нагрузки гидроагрегатом;
у сороудерживающих решеток: усталостные (вибрационные), механические (от воздействия крупного сора или льда), коррозионные и эрозионные (от истирания, биологического обрастания) повреждения стержней и несущих конструкций, в том числе при эксплуатации с перепадами напора, превышающими расчетный по прочности; у сороудерживающих решеток, оборудованных электрообогревом должны дополнительно быть выявлены и предупреждены отказы в системе обогрева (нарушение изоляции, замыкания между кабелями и на каркас решетки.
8.7.4. При постоянном контроле состояния плоских и сегментных затворов необходимо один раз в смену контролировать их положение - по приборам, если это предусмотрено системой дистанционного контроля, и/или визуально во время обходов ГЭС. Ежесуточно при обходе ГЭС необходимо производить осмотр подъемных (подъемно-опускных) механизмов и их приводов (канатных, гидравлических), а также доступных для осмотра участков конструкций затворов и пазов в объеме, применительно к указанному в таблице 6, выявлять вновь возникающие и развивающиеся повреждения. Верхние участки затворов и пазов должны быть свободны от обмерзания и наледей. Результаты осмотра заносят в оперативный журнал и в журнал дефектов (при обнаружении повреждений). Объем постоянного контроля устанавливают в СТО ГЭС с учетом конкретных возможностей для его осуществления в условиях работающего гидроагрегата.
8.7.5. При периодических осмотрах плоских и сегментных затворов (проводят при ремонтах основного оборудования при установленных ремонтных заграждениях и осушенном водоприемнике) контроль осуществляют в объеме, указанном в таблице 6.
При осмотрах затворов необходимо оценивать состояние:
- обшивки (повреждения, коррозионный износ, обрастание моллюсками, наличие трещин в сварных швах, болтовых и заклепочных креплений элементов на обшивке) и других водонепроницаемых мест конструкции затворов: они должны быть плотными и водонепроницаемыми в рабочем состоянии;
- уплотнений затворов: они должны быть тщательно пригнаны по всему контуру к закладным частям и соприкасающимся кромкам секции, должны сохранять проектные свойства (необходимую гибкость, упругость и подвижность), на управляемых уплотнительных устройствах должна обеспечиваться управляемость в пределах нормативного хода;
- поверхности забральной балки в пределах перемещения верхнего уплотнения глубинных затворов и контактной поверхности боковых уплотнений: она должна быть гладкой, без задиров и иных повреждений;
- опорных полозьев плоских скользящих затворов из дерева, древесно-слоистого пластика ДСП-Б-гт, стали, из масленита Д и других материалов: они должны быть гладкими, без повреждений, сколов, трещин и плотно прилегать к рабочему пути (закладной части паза); образование канавочной выработки на полозьях допустимо в пределах значений, приведенных в СТО ГЭС;
- опорных катков, шарнирных опор, втулок и осей рабочих колес, балансиров (шарниров) колесных тележек, обратных тележек: боковые и торцевые колеса и другие механизмы и детали должны быть чистыми и смазаны;
- масленок и смазочных каналов: они должны быть прочищенными и свободно пропускать смазку; качество масла и сроки его замены должны соответствовать требованиям, включаемым в СТО ГЭС;
- рабочих и обратных путей в пазах колесных затворов: они должны быть ровными, без деформаций, трещин и других повреждений;
- сцепок секций затворов: они не должны иметь деформаций щек и осей крепления, оси должны быть смазаны, уплотнения между секциями должно быть тщательно пригнаны по всему контуру;
- перепускных устройств: они должны иметь плотно прилегающие уплотнения;
- штанг, подвесов и подхватов: должны отсутствовать деформации присоединяемых узлов, оси шарниров должны быть смазаны;
- аэрационных отверстий: они должны быть свободны от засорения и льда.
Обязателен контроль за объемом протечек через уплотнения (боковые, верхнее, нижнее), который осуществляют путем непосредственного наблюдения при закрытом затворе после удаления ремонтного заграждения. Результаты отражают в журнале осмотра, при осмотре составляют также ведомость дефектов с указанием сроков их ликвидации.
8.7.6. Во время периодических осмотров плоских и сегментных затворов (не реже 1 раза в год) проводят техническое обследование (испытания) подъемных (подъемно-опускных) механизмов (электромеханических, гидромеханических), в том числе канатов, тяговых органов, изоляции проводов и заземления, схем управления, состояния освещения и сигнализации, с целью определения готовности затворов к аварийному закрытию при опускании в текущую воду. Осмотр затворов проводят также после каждого аварийного закрытия; при этом обращают внимание на значение прогиба основных ригелей, которое не должно превышать расчетное или установленное по опыту эксплуатации, включаемое в СТО ГЭС.
8.7.7. Технические освидетельствование плоских и сегментных затворов производят с их выемом из пазов на подготовленную площадку в том же порядке, что и периодические осмотры. Особое внимание должно быть обращено на: инструментальную оценку обнаруженных повреждений и участков, подверженных коррозии, обрастанию; оценку состояния подшипников ходовой части; инструментальную оценку износа поверхностей скольжения (глубина износа не должна превышать 3 мм); инструментальную оценку износа (повреждений) резиновых уплотнений (износ не должен превышать 5 мм при отсутствии разрывов).
При техническом освидетельствовании подлежат разборке приводные механизмы для обнаружения дефектов вращающихся и трущихся частей (подшипники, гидроприводы, их уплотнения и системы управления). При оценке их технического состояния следует руководствоваться стандартами (инструкциями) заводов-изготовителей.
Порядок освидетельствования определяет технический руководитель ГЭС. Результатом технического освидетельствования является акт с оценкой состояния затвора и рекомендациями по срокам устранения выявленных дефектов и, при необходимости, по проведению технических обследований (испытаний) с целью уточнения состояния затвора, систем и механизмов управления.
8.7.8. При технических обследованиях плоских и сегментных затворов по необходимости проводят испытания для определения времени аварийного закрытия в потоке и нормального закрытия в спокойной воде, времени открытия, для измерения протечек через уплотнения затворов, для определения характеристик систем электромеханического и гидромеханического приводов, для определения состояния металла ригелей, стоек и обшивки. Обращают внимание на согласование времени и программы аварийного закрытия затвора с гарантиями регулирования переходного процесса при сбросе нагрузки гидроагрегатом. По результатам технического обследования составляют технический отчет и акт, подписываемый участниками обследования и техническим руководителем ГЭС, в котором отражается работоспособность затвора и определяются мероприятия, необходимые для обеспечения надежности работы затвора.
8.7.10. Оценка технического состояния предтурбинных дисковых и шаровых затворов предусматривает соблюдение следующих правил.
При постоянном контроле предтурбинные затворы недоступны для непосредственного контроля их состояния во время работы гидроагрегата. Необходимо один раз в смену контролировать полностью открытое положение затворов по штатным приборам. Косвенным признаком произвольного изменения положения затвора может служить изменение давления в спиральной камере, контролируемое штатным прибором. При подтверждении произвольного изменения положения затвора гидроагрегат должен быть остановлен для внеочередного осмотра затвора и камеры затвора.
Во время обходов один раз в смену необходимо осматривать состояние корпуса затвора, соединений с трубопроводом (компенсатором), байпасов и их гидроприводов, клапанов срыва вакуума и впуска воздуха, индивидуальной маслонапорной установки (при ее наличии), сервомоторов, маслонасосных агрегатов и маслопроводов, контролировать давление и уровень масла в баке МНУ, убедиться в отсутствии протечек масла в системе управления и соединениях масляных трубопроводов, выявлять вновь возникающие и развивающиеся повреждения. Результаты осмотра заносят в оперативный журнал и в журнал дефектов (при обнаружении повреждений). Объем постоянного контроля устанавливают в СТО ГЭС с учетом особенностей конструкции управляющих органов и возможностей для осуществления контроля в условиях работающего гидроагрегата.
8.7.11. При периодических осмотрах предтурбинных затворов (проводят при ремонтах основного оборудования при закрытом ремонтном затворе в верхней части трубопровода и осушенном трубопроводе) технический контроль осуществляют в объеме, указанном в таблице 7, руководствуясь также конструкторской документацией завода-изготовителя.
При периодическом осмотре затворов проверяют:
работоспособность схем автоматического, дистанционного и местного управления;
время закрытия и открытия ротора (диска) затвора (должно быть в пределах 60 - 120 с);
наличие кавитационного износа уплотнительного кольца;
наличие абразивного износа затвора;
состояние (износ) уплотнений и системы подачи воздуха в уплотнения (при ее наличии);
состояние корпуса, крепежа фланцевых соединений и опорных конструкций;
протечки через рабочие уплотнения - на длине 1 м протечки не должны превышать 0,2 л/с для дисковых затворов и 0,005 л/с - для шаровых затворов; протечки проверяют после заполнения турбинного трубопровода при наличии исправных уплотнений и установки фиксаторов (стопоров), предупреждающих открытие затвора.
8.7.12. При техническом освидетельствовании предтурбинных затворов помимо объема контроля, выполняемого при периодическом осмотре, осуществляют разборку и осмотр (ревизию) приводных механизмов для обнаружения дефектов вращающихся и трущихся частей (подшипники, гидроприводы, маслонасосы, их уплотнения и системы гидравлического управления), при этом руководствуются конструкторской документацией заводов-изготовителей.
По результатам технического освидетельствования составляют акт, подписанный участниками обследования, в котором определяют уровень работоспособности затвора и представляют рекомендации по проведению технического обследования (испытаниям). Результаты технического освидетельствования отражают также в паспорте оборудования.
8.7.13. Техническое обследование (испытания) предтурбинных затворов проводят, как правило, в период капитального ремонта гидроагрегата.
При техническом обследовании затворов проводят испытания на определение времени закрытия и открытия затворов, наличие протечек через уплотнения затворов и в системах гидравлического управления. При этом время закрытия затворов должно быть согласовано с противоугонной автоматикой гидроагрегата и зафиксировано в СТО ГЭС.
8.7.14. Оценку работоспособности предтурбинных затворов производят по показателям, приведенным выше в п. 8.7.9. В сложных случаях необходимо участие завода-изготовителя.
8.7.15. Оценка технического состояния сороудерживающих решеток предусматривает соблюдение следующих правил. Объем постоянного технического контроля, осуществляемого оперативным и оперативно-ремонтным персоналом, устанавливают в соответствии с таблицей 8.
Контроль перепада напора на сороудерживающих решетках осуществляют по показаниям штатных приборов с записью в суточной ведомости и/или на лентах самописцев; периодичность контроля - не реже одного раза в смену и чаще (в зависимости от времени года и от наличия перед створом ГЭС сора и льда периодичность на основании опыта эксплуатации устанавливают в СТО ГЭС).
При перепаде напора, близком к нормативному экономическому, должны быть приняты меры по расчистке решеток, при увеличении перепада до расчетного по прочности решеток должны быть приняты меры сначала по разгрузке гидроагрегата, а затем по выводу его из работы во избежание разрушения решеток. Значения допустимого перепада напора на решетках устанавливают при их проектировании в зависимости от прогнозируемого поступления сора: от 2 - 3 м до полного гидростатического напора. Эти значения указывают в СТО ГЭС.
При постоянном техническом контроле, кроме наблюдений за перепадом напора, необходимо не реже одного раза в смену осматривать состояние решеток в пределах их видимой части, фиксировать возникновение вибрации стержней, оценивать наличие сора и прогнозировать его поступление к решеткам и принимать меры, предотвращающие увеличение перепада напора. На обогреваемых решетках в морозный период при пропуске шуги и ледового «сала» контролируют режим (по приборам контроля силы тока и потребляемой мощности) и эффективность обогрева.
8.7.16. При периодических осмотрах сороудерживающих решеток объем контроля устанавливают в соответствии с таблицей 8. Осмотр проводят при осушенной водоприемной части гидротурбинного блока под защитой ремонтных заграждений и/или с выемкой секций решетки на поверхность. При благоприятных условиях (хорошая видимость в воде, отсутствие сора) допустимо при остановленном гидроагрегате осуществлять осмотр подводным способом.
При осмотре решеток устанавливают:
- состояние сварных швов, стержней, опорных узлов, шпилек и втулок, резьбовых соединений, сцепок и штанг (проушин, щек, подхватов и др.);
- отсутствие вибрации при эксплуатационных режимах;
- коррозионный и механический износ элементов решетки; допустим коррозионный износ на 10 % площади элемента решетки (стержня, ригеля, стойки, обшивки) [9, 25];
- наличие и характер трещин с измерением их глубины и протяженности;
- площадь обрастания моллюсками;
- состояние элементов обогрева стержней, электрических соединений, состояние изоляции и крепления.
Обогреваемые решетки подлежат ежегодному осмотру при подготовке ГЭС к зиме в сроки, достаточные для устранения дефектов в системе обогрева [28]. При этом выемка секций решеток обязательна.
По результатам осмотров назначают мероприятия по устранению выявленных повреждений. При наличии трещин назначают техническое обследование с анализом металла на усталостную прочность.
Результаты осмотров фиксируют в установленном Стандартом порядке.
8.7.17. Технические освидетельствования сороудерживающих решеток проводят при их извлечении из воды на подготовленную площадку. При освидетельствовании проверяют состояние тех же элементов, что и при периодическом осмотре; обследуются все узлы и детали, проверяется крепеж. Коррозионный износ определяют площадью поврежденной поверхности методом фотографирования и измерения параметров каверн.
Техническому освидетельствованию должны предшествовать водолазное обследование пространства перед решеткой и уборка скопившегося на решетке сора.
Результаты технического освидетельствования фиксируют в актах и в паспортах решеток. Должны быть сформулированы выводы о состоянии каждой освидетельствованной решетки, режимах ее дальнейшей эксплуатации и необходимости технического обследования.
8.7.18. Объем технических обследований устанавливают при периодических осмотрах и при технических освидетельствованиях.
При наличии трещин проводят анализы металла, устанавливают причины возникновения трещин и назначают меры для их заделки. Возможность и сроки эксплуатации решеток при наличии трещин определяют по результатам анализа с участием специалистов.
При технических обследованиях возможно проведение испытаний сороудерживающих решеток, в том числе с целью:
- изучения динамики потока и характеристик вибрации стержней при различных режимах работы гидроагрегата;
- проверки систем обогрева;
- исследования обтекаемости профиля стержней.
8.7.19. Работоспособными признают сороудерживающие решетки, способные надежно предотвращать попадание сора в проточную часть гидротурбины.
Решетки, имеющие трещины в стержнях или каркасе, но способные без разрушения выполнять заданные функции, признают частично неработоспособными. Решением технического руководителя ГЭС за такими решетками устанавливают усиленный режим контроля.
Решетки (секции решеток), имеющие значительные деформации стержней и несущих конструкций, мешающие их нормальной расчистке от сора, создающие риск разрушения признают неработоспособными; такие решетки подлежат замене.
Таблица 6. Нормы контроля технического состояния аварийных и аварийно-ремонтных затворов водоприемника
|
Контролируемые показатели технического состояния |
Метод контроля |
Периодичность контроля |
Допустимые значения, отклонения контролируемых показателей |
Документ, отражающий результаты контроля |
Вероятное решение по результатам контроля |
|
|
1 |
2 |
3 |
4 |
5 |
6 |
7 |
|
Постоянный контроль состояния затворов во время работы гидроагрегатов |
||||||
|
Положение затвора |
Готовность к аварийному закрытию |
Штатный прибор, визуальный |
1 раз в смену |
Оперативный журнал, журнал дефектов (при обнаружении) |
Немедленное исправление дефекта |
|
|
Подъемные (подъемно-опускные) механизмы |
Готовность к работе при аварийном закрытии затвора |
Штатные приборы, визуальный |
1 раз в смену |
Оперативный журнал, журнал дефектов (при обнаружении) |
Немедленное исправление дефекта |
|
|
Участки конструкций затвора, пазов, аэрационные трубы |
Обрыв, износ, повреждение, промерзание пазов и труб |
Визуальный в зоне, доступной для осмотра |
1 раз в сутки, в морозный период 1 и раз в смену и чаще |
Отсутствие видимых повреждений, промерзания пазов и труб, работоспособность систем, предупреждающих обмерзание |
Оперативный журнал, журнал дефектов при обнаружении) |
Немедленное исправление дефекта |
|
Периодический осмотр затворов на специальной площадке |
||||||
|
Обшивка |
Коррозионный износ, обрастание, вмятины |
Визуальный |
По графику, утверждаемому техническим руководителем ГЭС |
Оценочно процент повреждения поверхности, глубины коррозионных каверн (до 10 % поверхности) |
Журнал осмотра, ведомость дефектов |
Рекомендации по устранению дефектов, сроки устранения |
|
Несущие конструкции, ригели |
Коррозионный износ, наличие трещин в сварных швах, наличие других механических повреждений |
Визуальный с применением оптических и измерительных средств для оценки трещин |
То же |
Оценочно процент повреждения поверхности, глубины коррозионных каверн, оценка трещин (глубина, продолжительность) |
Журнал осмотра, ведомость дефектов |
Рекомендации по устранению дефектов, сроки устранения |
|
Уплотнения |
Обрыв, повреждения (в т.ч. кавитационные), повреждение креплений |
Визуальный с применением оптических и измерительных средств |
То же |
Отсутствие фильтрации по всей линии уплотнения, суммарная фильтрация не должна превышать 0,2 л/сек на 1 п.м. уплотнений |
Журнал осмотра, ведомость дефектов |
Рекомендации по устранению дефектов, сроки устранения |
|
Закладные части затворов |
Коррозионный износ металла, размыв штрабного бетона вокруг закладной части |
Визуальный с применением оптических и измерительных средств |
То же |
Коррозионный износ до 10 % поверхности, отсутствие обходной фильтрации |
Журнал осмотра, ведомость дефектов |
Рекомендации по устранению дефектов, сроки устранения |
|
Ходовая часть скользящих затворов |
Износ опорной части: дерево, ДСП, фторопласт |
Визуальный с применением оптических и измерительных средств |
То же |
Отсутствие повреждений, препятствующих опусканию затвора |
Журнал осмотра, ведомость дефектов |
Рекомендации по устранению дефектов, сроки устранения |
|
Ходовая часть колесных плоских затворов |
Натиры и задиры на колесах, повреждения опорной части и осей, наличие смазки |
Визуальный с применением оптических и измерительных средств |
То же |
Отсутствие видимых повреждений |
Журнал осмотра, ведомость дефектов |
Рекомендации по устранению дефектов, сроки устранения |
|
Подъемные (подъемно-опускные) механизмы, захваты, зацепы, сочленения с приводом, системы управления |
Износ шарниров и проушин, трещины, коррозия, повреждения тросов, приводных цилиндров, гидроприводов, маслосистем |
Штатные приборы, визуальный с применением оптических и измерительных средств |
Не реже 1 раза в год |
Отсутствие повреждений, препятствующих аварийному закрытию затвора |
Журнал осмотра, ведомость дефектов |
Рекомендации по устранению дефектов, сроки устранения |
|
Техническое освидетельствование |
||||||
|
Затвор, подъемные (подъемно-опускные) механизмы |
Все возможные повреждения, износ, дефекты |
инструментальная оценка величины коррозии и обнаруженных повреждений |
По графику, утверждаемому техническим руководителем ГЭС |
Акт освидетельствования, паспорт затвора |
Оценка технического состояния затвора, рекомендации по устранению дефектов, сроки устранения, рекомендации по проведению технического обследования |
|
|
ревизия подшипников ходовой части |
То же |
|||||
|
инструментальная оценка износа скользящих поверхностей |
То же |
степень износа не более 3 мм |
||||
|
инструментальная оценка износа (повреждений) резиновых уплотнений |
То же |
не более 5 мм, отсутствие обрывов |
||||
Таблица 7. Нормы контроля технического состояния предтурбинных затворов
|
Контролируемые показатели технического состояния |
Метод контроля |
Периодичность контроля |
Допустимые значения отклонения контролируемых показателей |
Документ, отражающий результаты контроля |
Вероятное решение по результатам контроля |
|
|
1 |
2 |
3 |
4 |
5 |
6 |
7 |
|
Постоянный контроль состояния затворов во время работы гидроагрегатов |
||||||
|
Положение затвора |
Готовность к аварийному закрытию, контроль полного открытия |
Штатные приборы, визуальный |
1 раз в смену |
Недопустимость частичного закрытия |
Оперативный журнал, журнал дефектов (при обнаружении) |
Немедленное исправление дефекта |
|
Корпус затвора |
Коррозия, состояние фланцевых креплений, опорных конструкций, наличие протечек воды |
Визуальный |
1 раз в смену |
Оперативный журнал, журнал дефектов (при обнаружении) |
Рекомендации по устранению дефектов, сроки устранения |
|
|
Система управления |
Давление масла, отсутствие протечек |
Штатные приборы, визуальный |
1 раз в смену |
Оперативный журнал, журнал дефектов (при обнаружении) |
Немедленное устранение дефекта |
|
|
Байпас |
Состояние корпуса |
Визуальный |
1 раз в смену |
Оперативный журнал, журнал дефектов (при обнаружении) |
Немедленное устранение дефекта |
|
|
Периодический осмотр затворов |
||||||
|
Корпус затвора |
Коррозия, наличие трещин, состояние фланцевых соединений, опорных конструкций, абразивный износ |
Визуальный, инструментальный (трещины, затяжки болтовых соединений) |
Во время ремонта основного оборудования, не реже 1 раза в год |
Оценочно процент повреждения поверхности, глубина и продолжительность трещин |
Журнал осмотра, ведомость дефектов |
Рекомендации по устранению дефектов, сроки устранения |
|
Системы управления |
Работоспособность систем управления |
По программе, визуальный и инструментальный (давление, время срабатывания) |
Во время ремонта основного оборудования, не реже 1 раза в год |
В соответствии со СТО ГЭС и заводской инструкцией. Время закрытия и открытия ротора (диска) в пределах 60 - 120 сек. |
Журнал осмотра, ведомость дефектов |
Рекомендации по устранению дефектов, сроки устранения |
|
Уплотнения |
Кавитационный и абразивный износ |
Визуальный, инструментальный |
Во время ремонта основного оборудования, не реже 1 раза в год |
Протечки через рабочие уплотнения на 1 п.м. не более 0,2 л/сек для дисковых, 0,005 л/сек - для шаровых |
Журнал осмотра, ведомость дефектов |
Рекомендации по устранению дефектов, сроки устранения |
|
Техническое освидетельствование |
||||||
|
Корпус затвора, соединения с трубопроводом, опоры, системы управления |
Все возможные повреждения, износ, дефекты |
Инструментальная оценка величины коррозии и обнаруженных повреждений |
Не реже 1 раза в 5 лет |
Акт освидетельствования, паспорт затвора |
Оценка технического состояния затвора, рекомендации по устранению дефектов, сроки устранения, рекомендации по проведению технического обследования |
|
|
Ревизия систем управления с полной разборкой и оценкой состояния, релейных устройств, системы автоматики |
Время закрытия и открытия в пределах 60 - 120 сек (по заводской инструкции) |
|||||
|
Инструментальная оценка износа уплотнений |
Для дисковых затворов допустимая величина протечек 0,2 л/с на 1 п.м., для шаровых - 0,005 л/с на 1 п.м. |
|||||
Таблица 8. Нормы контроля технического состояния сороудерживающих решеток
|
Контролируемые показатели технического состояния |
Метод контроля |
Периодичность контроля |
Допустимые значения, отклонения контролируемых показателей |
Документ, отражающий результаты контроля |
Вероятное решение по результатам контроля |
|
|
1 |
2 |
3 |
4 |
5 |
6 |
7 |
|
Постоянный технический контроль |
||||||
|
Сороудерживающая решетка |
Перепад напора на решетке |
Показания штатной аппаратуры |
По СТО ГЭС, но не реже 1 раза в сутки, в период шуго- и ледохода не реже 1 раза в час |
Допустимый перепад на решетках определяют проект и СТО ГЭС |
Самописец, оперативная ведомость, оперативный журнал |
Расчистка решетки, при перепаде выше допустимого разгрузка, останов гидроагрегата |
|
Стержни решетки, несущий каркас |
Коррозионный износ, усталостный вибрационный износ |
Визуальный в местах, доступных для осмотра |
По СТО ГЭС |
Коррозионный износ не более 10 % по площади, отсутствие усталостных трещин |
Журнал дефектов |
Разработка мер по защите от коррозии, исследование вибрации |
|
Системы обогрева |
Повреждения электропроводящей сети |
Контроль потребляемой мощности |
По СТО ГЭС, но не реже 1 раза в смену в период шуго- и ледохода |
Мощность не должна быть ниже 80 % и не выше 120 % от номинальной, перепад - не выше допустимого |
Оперативная ведомость, самописец мощности и перепада напора |
Усиление контроля, расчистка решетки, разгрузка, останов гидроагрегата. |
|
Периодический осмотр извлеченной из воды решетке при остановленном гидроагрегате* |
||||||
|
Стержни решетки |
Коррозионный, усталостный износ, механические повреждения |
Визуальный, с использованием оптических приборов и измерительного инструмента |
В соответствии с графиком, утверждаемым техническим руководителем ГЭС, но не реже 1 раза в 1 - 2 года |
Коррозионный износ не более 10 % по площади поверхности, отсутствие усталостных трещин |
Журнал осмотра, ведомость дефектов |
Разработка мер по защите от коррозии, рекомендация по исследованию вибрации, анализу металла, устранению повреждений |
|
Несущий каркас решетки |
То же |
|||||
|
Пазовые конструкции |
То же |
|||||
|
Системы обогрева |
Повреждения электропроводящей сети (кабели, система коммутации) |
Электрические испытания, ревизия системы |
При подготовке к зиме, не реже 1 раза в год |
По СТО ГЭС в соответствии с проектной и наладочной документацией |
Журнал осмотра, ведомость дефектов |
Предложения по ремонту, модернизации системы |
|
Техническое освидетельствование извлеченной из воды решетки |
||||||
|
Все узлы и системы |
Визуальный, измерения, испытания |
В соответствии с графиком, утверждаемым техническим руководителем ГЭС |
По СТО ГЭС, проектной и наладочной документации |
Акт освидетельствования, паспорта решеток |
Предложения по техническому обследованию, ремонту, модернизации |
|
______________
* Допустим подводный осмотр конструкций сороудерживающих решеток с соблюдением условий по п. 8.7.16 Стандарта
9.1.1. Оценку технического состояния гидрогенераторов, находящихся в эксплуатации, производят с использованием форм контроля в соответствии с п. 5.2 Стандарта с учетом категорий контроля, принятых в РД 34.45-51.300-97 «Объем и нормы испытаний электрооборудования» [3].
9.1.2. Текущую оперативную оценку технического состояния конструктивных узлов гидрогенератора производят при необходимости в соответствии с [3] по показателям, которые могут быть получены с использованием штатных средств без демонтажа этих узлов и без разборки электрической схемы гидрогенератора. Работу выполняет персонал постоянно.
9.1.3. Оценку технического состояния (техническое диагностирование) гидрогенераторов производят по двухуровневой системе:
на первом уровне оценку производят по результатам постоянного штатного контроля состояния гидрогенератора и по результатам периодических осмотров и технических обследований его систем и узлов в соответствии с [3 (категории М, Т)], конструкторской заводской документацией, нормами Стандарта (Приложение Л);
на втором уровне оценку производят по результатам работ (осмотры, технические обследования), выполняемые в соответствии со «Сборником распорядительных материалов по эксплуатации энергосистем. Электрическая часть. Часть 1. М.: СПО ОРГРЭС, 2002» [5], [3 (категории К, П)], нормами Стандарта.
9.1.4. Оценку технического состояния узлов гидрогенератора по результатам технических обследований выполняют с учётом анализа ранее полученных результатов оценок, произведенных на всех уровнях.
9.1.5. Задачей первого уровня оценки технического состояния узлов гидрогенератора является выявление дефектов (признаков дефектов) на основе сопоставления значений контролируемых параметров с их исходными и предельными значениями; работы выполняет персонал ГЭС в основном своими силами.
9.1.6. Задачей второго уровня оценки технического состояния гидрогенератора является углубленное техническое диагностирование, определение параметров и вида его состояния и остаточного ресурса. Работы второго уровня выполняет персонал ГЭС с привлечением при необходимости специализированных организаций, имеющих опыт проведения технических обследований и владеющих необходимыми для этого методиками.
Состав и периодичность проведения работ по второму уровню устанавливает технический руководитель ГЭС в зависимости от результатов первого уровня, условий эксплуатации, технического состояния и срока службы гидрогенератора, в соответствии с нормативными документами [5, 8], конструкторской заводской документацией, нормами Стандарта.
9.1.7. Необходимость и объём технического обследования определяют по результатам периодических осмотров и технических освидетельствований или на основании выявленных аномальных явлений, возникших при эксплуатации генератора (чрезмерный или нехарактерный шум, повышенное искрение, посторонние запахи и т.п.). Задачей технического обследования является углубленная оценка технического состояния гидрогенератора с применением современных методов технической диагностики. Техническое обследование может выполнять персонал ГЭС (при необходимом уровне технической подготовки и степени оснащённости средствами контроля) с привлечением специализированных организаций. Объём технического обследования включает работы, выполняемые в соответствии с [3, 8], а также дополнительные работы, в том числе выполняемые в соответствии с требованиями Стандарта. Все работы по техническим обследованиям проводят по специальным программам на основании решений технического руководителя ГЭС, в том числе принятых по результатам работы комиссий, проводящих периодические осмотры и технические освидетельствования (п.п. 5.7 и 5.8).
9.1.8. Оценка состояния по результатам комплексного технического обследования гидрогенератора должна охватывать следующие конструктивные узлы:
- обмотка статора;
- стальные конструкции статора, включая активную часть статора (сердечник);
- стальные конструкции ротора;
- обмотка возбуждения и демпферная обмотка ротора;
- щеточно-контактный аппарат.
9.1.9. Программа работ по комплексному техническому обследованию должна включать:
- анализ ремонтной документации и опыта эксплуатации гидрогенератора с учетом его конструктивных особенностей, режимов работы, данных постоянного штатного контроля, результатов предшествующих испытаний;
- контроль состояния изоляции обмотки статора, ротора и цепей возбуждения;
- испытания гидрогенератора на нагревание;
- вибрационные испытания гидрогенератора;
- технический осмотр гидрогенератора;
- контроль плотности прессовки пакетов активной стали;
- контроль формы воздушного зазора гидрогенератора;
- оценка теплового состояния паяных соединений головок лобовых частей обмотки статора;
- измерение частичных разрядов на гидрогенераторах, вращающихся под нагрузкой и выведенных в ремонт;
- контроль состояния изоляции шихтованных листов активной стали сердечника статора и выявление опасных очагов замыкания листов;
- контроль исправности щеточно-контактного аппарата.
Конкретная программа работ и перечень используемых методов диагностирования при проведении второго уровня контроля устанавливается и утверждается техническим руководителем предприятия с учетом типа, технического состояния, срока службы, условий и опыта эксплуатации обследуемого и однотипных гидрогенераторов.
9.1.10. Оценку технического состояния принимают на основе анализа всех результатов контроля и технических обследований для каждого конструктивного узла гидрогенератора с учетом возможности и результатов устранения выявленных дефектов и/или замены изношенных узлов.
Сводная таблица норм контроля технического состояния узлов гидрогенератора приведена в Приложении Л.
9.1.11. Оценку технического состояния при техническом обследовании производят по данным измерений, осуществляемых: при вращении ротора гидрогенератора (в том числе работающего в сети); при неподвижном роторе и отключении гидрогенератора от сети.
При вращении ротора гидрогенератора производят:
- измерение электрических параметров - напряжений, токов, мощности (активной и реактивной), частоты - штатными системами с использованием в необходимых случаях приборов класса точности 0,2 или 0,5;
- контроль теплового состояния обмоток статора и ротора, стали статора - штатными системами с установкой, при необходимости, дополнительных термоэлектрических датчиков;
- контроль исправности щёточно-контактного аппарата - штатными системами в сочетании со специальными средствами;
- измерение вибрации элементов статора и ротора, биения вала - штатными системами, дополнительными датчиками и измерительными средствами;
- измерение воздушного зазора с целью определения динамических форм ротора и статора и определение взаимного положения последних - специальными средствами;
- измерение частоты вращения ротора - штатной системой;
- измерение частичных разрядов в обмотке статора - по специальной методике;
- снятие характеристик холостого хода и короткого замыкания гидрогенератора.
При неподвижном роторе и отключении гидрогенератора от сети производят:
- измерение сопротивлений изоляции обмоток статора и ротора;
- испытания изоляции обмотки статора повышенным выпрямленным напряжением;
- испытания изоляции обмоток статора и ротора повышенным напряжением промышленной частоты;
- измерение интенсивности частичных разрядов;
- измерение сопротивлений обмоток статора и ротора постоянному току; на роторе, кроме того, производят измерение сопротивления по полюсам или парам полюсов, а также измерение сопротивления контактного соединения катушек полюсов;
- измерение сопротивлений обмоток полюсов или пар полюсов ротора переменному току промышленной частоты;
- измерение воздушного зазора, с целью определения статических форм ротора и статора, центровки статора и ротора;
- испытание стали сердечника статора методом высокочастотного сканирования расточки статора специальным датчиком;
- испытание сердечника статора при кольцевом намагничивании с индукцией 1,0 ± 0,1 Тл при косвенном и 1,4 ± 0,1 Тл при непосредственном охлаждении обмоток;
- проверку плотности водяной системы охлаждения обмотки статора;
- оценку плотности посадки обода на спицах ротора при подъёме его на тормозах - по величине аксиальных статических перемещений обода относительно спиц;
- проверку плотности прессовки сердечника (активной стали) статора - с применением тарировочного ножа.
9.1.12. В случае выявления при техническом обследовании быстро развивающихся дефектов гидрогенератор выводят из работы для внеочередного осмотра и принятия решения по корректировке межремонтного периода или по сокращению периодичности контроля.
При отсутствии (по результатам технического обследования) дефектов по решению технического руководителя ГЭС может быть изменен (увеличен) межремонтный период.
9.1.13. Стандарт устанавливает следующие рекомендации по реализации принятых оценок технического состояния гидрогенераторов (п. 5.12):
при оценке состояния как «работоспособное» гидрогенератор признается пригодным для нормальной дальнейшей эксплуатации с проведением в необходимом объёме плановых ремонтных и профилактических мероприятий;
при оценке состояния как «частично неработоспособное» должны быть обоснованы и назначены мероприятия для восстановления работоспособности (проведение ремонта, модернизации, замены отдельных деталей и узлов); до проведения этих мероприятий технический руководитель ГЭС должен принять решение о целесообразности введения режимных ограничений и сокращенной периодичности контроля;
при оценке состояния основных узлов гидрогенератора как «неработоспособное» должны быть немедленно приняты меры по выводу оборудования из работы и восстановлению его работоспособности путём ремонта, модернизации или замены поврежденных конструктивных узлов;
при оценке состояния основных узлов гидрогенератора как «предельное» должны быть немедленно приняты меры по выводу оборудования из работы с целью замены поврежденных элементов и конструктивных узлов.
9.1.14. Решения по оценке состояния гидрогенератора после технического обследования принимает технический руководитель ГЭС с учетом заключения создаваемой им комиссии на основании рекомендаций Приложения Л.
Заключение комиссии должно включать:
- паспортные данные оборудования;
- сведения об осуществленных заменах основных узлов и причинах замен;
- сводку результатов предыдущих диагностических проверок;
- сведения об имевших место повреждениях (дефектах) конструктивных узлов и методах, примененных при их устранении;
- перечень основных дефектов, выявленных при проведении технического обследования, рекомендации по их устранению;
- оценку технического состояния конструктивных узлов и гидрогенератора в целом, возможность и условия его дальнейшей эксплуатации.
9.1.15. Необходимо осуществлять замену обмоток статоров и полюсов роторов гидрогенераторов, имеющих устаревшие типы изоляции. Решение о замене обмотки статора является обязательным при оценке ее состояния как «предельное» по результатам вибрационного контроля, наличию не устранимых дефектов и повреждений (большое количество пробоев изоляции в работе и при высоковольтных испытаниях, высокий уровень частичных разрядов, массовые механические повреждения изоляции стержней на выходе из паза и в лобовых частях и др.).
9.1.16. Замену сердечника статора назначают при оценке состояния как «предельное» по результатам вибрационного контроля, наличию не устранимых дефектов и повреждений (массовое разрушение сердечника в местах крепления его к корпусу, большое количество уплотняющих клиньев в пакетах активной стали, массовые замыкания шихтованных листов и оплавления активной стали).
9.2.1. Требования Стандарта учитывают необходимость заблаговременного выявления и предупреждения наиболее вероятных повреждений, определяющих техническое состояние обмоток статоров:
- механические повреждения изоляции обмоток статоров, выводных шин, проходных и опорных изоляторов генераторного напряжения; повреждения выявляют путем профилактических испытаний напряжением промышленной частоты и выпрямленным напряжением согласно [3], а также путем осмотра согласно Приложению М;
- перегревы, в том числе перемычек и паек головок лобовых частей; выявляют по результатам осмотров и испытаний в соответствии с Приложениями М, Н и П;
- увлажнение; выявляют на основании измерения коэффициента абсорбции и тока утечки при испытании выпрямленным напряжением согласно [3]; измерение тока утечки в гидрогенераторах с водяным охлаждением производится, если позволяет конструкция гидрогенератора;
- загрязнение; выявляют на остановленных гидрогенераторах осмотром согласно Приложению М;
- ослабление крепления в пазовой и лобовых частях; выявляют осмотром согласно Приложению М и методами измерения частичных разрядов на вращающихся и остановленных гидрогенераторах (Приложения Р и С);
- течи и закупорки полых проводников стержней обмоток статоров гидрогенераторов с водяным охлаждением; выявляют по результатам гидравлических испытаний согласно [3];
- обрывы элементарных проводников; выявляют путем измерения сопротивления постоянному току токоведущей части обмотки согласно [3];
- электрическое и тепловое старение изоляции; выявляют путем профилактических испытаний напряжением промышленной частоты и выпрямленным напряжением согласно [3], а также путем измерения частичных разрядов на гидрогенераторах, выведенных в ремонт (Приложение Р);
- повреждение изоляции вследствие термомеханических циклов; выявляют путем профилактических испытаний напряжением промышленной частоты и выпрямленным напряжением согласно [3], а также осмотром согласно Приложению М;
- повышенная вибрация лобовых частей; выявляют на основании результатов вибрационных испытаний в соответствии с Приложением И и осмотром в соответствии с Приложением М.
9.2.2. Измерения сопротивления меди обмотки постоянному току производят при практически холодном состоянии гидрогенераторов для каждой фазы и для каждой параллельной ветви обмотки, имеющей отдельный вывод. Приведённые к одинаковой температуре сопротивления не должны отличаться:
- фаз обмотки друг от друга более, чем на 2 %;
- параллельных ветвей обмотки друг от друга, более чем на 5 %;
- от исходных данных (при исправном состоянии обмоток) более, чем на 2 %.
Превышения относительно приведенных значений требуют дополнительного обследования для выяснения причин, в частности, могут проводиться измерения переходных сопротивлений в пайках головок лобовых частей. Нарушение паек головок может быть выявлено с помощью термоэтикеток по методике, приведенной в Приложении Н.
9.2.3. Измерения сопротивления изоляции обмотки выполняют мегомметром 2500 В для каждой фазы и каждой доступной для измерения параллельной ветви обмотки по отношению к корпусу, заземлённым другим фазам и ветвям при температуре машины 10 ... 30 °С. Значения сопротивления отсчитываются через 15 и 60 секунд после начала измерения и должны удовлетворять следующим критериям:
- R60″ не менее 10 МОм на 1 кВ номинального линейного напряжения;
- R60″/R15″ не менее 1,3.
Измерение сопротивления изоляции обмоток, непосредственно охлаждаемых дистиллятом, производят после удаления и продувки дистиллята и осушения всего тракта сжатым воздухом. Допускается измерение сопротивления при циркуляции дистиллята, если это предусмотрено конструкторской заводской документацией.
9.2.4. Испытание изоляции обмотки повышенным выпрямленным напряжением с измерением тока утечки. Измерения токов утечки и электрической прочности изоляции при выпрямленном напряжении определяют при приложении этого напряжения к одной из фаз или доступной (по конструктивным условиям) параллельной ветви по отношению к корпусу и заземлённым другим фазам и параллельным ветвям. Уровень испытательного выпрямленного напряжения принимают равным 1,6 испытательного напряжения промышленной частоты.
Оценку состояния изоляции производят по коэффициенту нелинейности зависимости токов утечки от напряжения:
![]()
где: Uнб - наибольшее, т.е. испытательное напряжение последней ступени;
Uнм ≈ 0,5Uнб - наименьшее напряжение первой или последующих ступеней (при токе утечки не менее 10 мкА);
Iнб, Iнм - значения токов утечки при отсчёте через 60″ с момента установления напряжений Uнб и Uнм. Значение KU должно быть не более 3.
Рост тока при одноминутной выдержке напряжения на какой-либо ступени является признаком дефекта изоляции, включая возможность увлажнения.
Коэффициент нелинейности не учитывается, если токи утечки на всех ступенях напряжения не превосходят 50 мкА. Во избежание местных перегревов изоляции токами утечки выдержка напряжения на очередной ступени допускается лишь в том случае, когда токи утечки не превышают значения 250 мкА.
9.2.5. Испытание изоляции повышенным напряжением промышленной частоты. Оценку прочности изоляции фаз или параллельных ветвей относительно корпуса и заземлённых других фаз и ветвей определяют приложением испытательного напряжения промышленной частоты величиной 1,7UН (при испытаниях, проводимых реже одного раза в год) или 1,5UН (при ежегодных испытаниях) в течение 1 мин. Критерием исправного состояния изоляции является отсутствие пробоя. После выдержки в течение 1 мин. испытательное напряжение снижают до номинального значения и выдерживают 5 мин., в течение которых ведётся наблюдение за короной в лобовых частях обмотки. При этом не должно наблюдаться сосредоточенное в отдельных точках свечение жёлтого и красноватого цвета, дым, тление бандажных вязок и т.д. Допускается голубое свечение.
Дополнительные сведения о величинах испытательного напряжения и порядке проведения испытаний содержатся в [3].
9.2.6. Измерение частичных разрядов в изоляции обмотки производят на остановленном гидрогенераторе при подаче фазного напряжения промышленной частоты от постороннего источника. Если фазное напряжение ниже 6 кВ, то подают напряжение 6 кВ. Напряжение подают на каждую фазу или ветвь, если ветви имеют отдельные выводы, при других заземленных фазах или ветвях. Измерения производят по пазам статора с применением специальной методики и аппаратуры (Приложение Р). Для термопластичной микалентной компаундированной изоляции критерием исправного состояния является приведенный уровень частичных разрядов 150 мкВ/м. Для термореактивной изоляции, кроме указанного выше критерия, признаком исправного состояния является отсутствие разрядов искрового типа («пазовых» разрядов).
Стержни с уровнем частичных разрядов выше критического (150 мкВ/м) должны быть заменены. Стержни с термореактивной изоляцией, в которых зафиксированы пазовые разряды, должны быть уплотнены в пазах боковыми прокладками из полупроводящего волнистого стеклотекстолита, если их изоляция выдержала нормированные испытания переменным напряжением.
На гидрогенераторах мощностью 100 МВт и выше с номинальным напряжением 13,8 кВ и выше целесообразно устанавливать аппаратуру непрерывного или периодического контроля частичных разрядов. Аппаратура устанавливается в нейтрали обмотки статора и позволяет фиксировать на стадии зарождения ряд дефектов изоляции и токоведущих частей (Приложение С).
9.2.7. Оценка состояния полупроводящего покрытия изоляции обмотки. Состояние полупроводящих покрытий поверхности стержней (катушек) с термореактивной изоляцией оценивают путём обследования вынутых стержней, а также по результатам измерения и наблюдения частичных разрядов в процессе испытаний переменным напряжением. Удельное поверхностное сопротивление пазового покрытия, измеренное мегомметром 2500 В, должно составлять 104 - 106 Ом, лобового покрытия 108 - 109 Ом.
Разрушения покрытий могут быть вызваны вибрацией слабо закреплённых в пазах стержней (катушек) и пазовыми разрядами. Нормированных критериев по этому показателю нет. Наличие дефектов считается подтверждённым, если имеет место:
- выгорание полупроводящего покрытия по ширине хотя бы одного пакета стали;
- образование каверн в изоляции под действием пазовых разрядов;
- выгорание прокладок между стержнями, на дне паза и под клином;
- истирание полупроводящего покрытия и изоляции в одном или нескольких местах по длине стержня;
- наличие пазовых разрядов при измерении частичных разрядов.
9.2.8. Оценку физико-механических характеристик изоляции обмотки производят в основном по результатам осмотров, которые рекомендуется проводить с использованием лупы, эндоскопов, аппаратуры для фотосъёмки. При возникновении сомнений в отношении состояния обмотки статора, в частности её изоляции, производят осмотр вынутых из пазов специально для обследования верхних стержней (сторон катушек). При осмотре оценивают наличие или отсутствие и степень развития нижеследующих дефектов изоляции:
- общая или локальная рыхлость;
- истирание в лобовых и доступных для осмотра пазовых частях;
- локальные признаки повышенного нагрева;
- порезы, истирания и другие значительные повреждения, вызванные отломившимися листами сердечника статора или посторонними предметами, другими причинами.
Нормированные показатели допустимой степени развития таких дефектов отсутствуют. Заключение о механическом состоянии изоляции и степени её пригодности для дальнейшего использования составляется экспертным путём.
9.2.9. Испытание обмотки статора на нагревание проводят в соответствии с указаниями, содержащимися в Приложении П.
Испытания длительно работающих гидрогенераторов на нагревание, как правило, проводят с контролем температуры обмотки с помощью штатной системы теплоконтроля. В отдельных случаях могут устанавливаться термоэлектропреобразователи на нескольких стержнях (катушках), близких к нейтрали обмотки.
Испытания на нагревание производят при четырёх нагрузках 0,6; 0,75; 0,9; 1,0 номинальной мощности (РН). Результаты измерений по штатному контролю сопоставляются с результатами, полученными при заведомо исправном (исходном) состоянии гидрогенератора. Увеличение нагрева при номинальной нагрузке не должно превышать 5 °С.
Абсолютные значения измеренных температур не должны превышать допустимые значения, а именно 130 °С для изоляции класса «B» и 155 °C для изоляции класса «F».
9.2.10. Измерение вибрации головок лобовых частей (Приложение И) выполняют при работе гидрогенератора в режиме установившегося 3-фазного короткого замыкания (к.з.) при номинальной скорости вращения ротора и производят не менее чем на 10 головках вверху и внизу статора.
Оценку вибрации головок при номинальной нагрузке определяют по уровню амплитуды вибрации с частотой 100 Гц:
(2Апр.)нагр. = 1,3(2Апр.)к.з.,
где: (2Апр.)к.з. - предельная вибрация в режиме установившегося 3-фазного к.з. при номинальной скорости вращения ротора и номинальном токе статора.
Предельную вибрацию вычисляют по формуле:
(2Апр.)к.з. = 2
+ s×t(p),
где: s, t(p) - статистические параметры, соответственно эмпирический стандарт и коэффициент, зависящий от объёма выборки, т.е. количества охваченных измерениями лобовых частей;
- среднеарифметическое значение
вибрации, измеренное на различных головках.
Состояние креплений обмотки в лобовых частях оценивают по уровню вибрации и по результатам осмотра в соответствии с критериями, указанными в приведенной ниже таблице.
Периодичность контроля, в зависимости от вибрационного состояния:
работоспособное, 4 - 6 лет (до планового капитального ремонта);
неработоспособное, 1 раз в 2 года;
предельное, не реже 1-го раза в год до выполнения соответствующих ремонтно-профилактических работ.
Вибрационный контроль после капитального ремонта выполняют только в случаях реализованных ремонтных мероприятий с целью оценки их эффективности.
|
Параметры, определяющие состояние обмотки |
Состояние |
|
|
Вибрация частоты 100 Гц, мкм |
Результаты осмотров |
|
|
до 50 |
Замечаний нет, или в отдельных местах небольшие ослабления системы крепления, не препятствующие нормальной работе. |
Работоспособное |
|
50 - 100 |
Массовые ослабления элементов крепления. Следы истирания. Отдельные течи воды в головках стержней. |
Неработоспособное |
|
более 100 |
Массовые нарушения целостности элементов крепления. Массовые течи воды в головках стержней. |
Предельное |
9.2.11. Оценка состояния крепления обмотки и выводных шин. Оценку состояния крепления обмотки статора в пазовой части производят на основании осмотров главным образом на выходе из паза и простукиванием пазовых клиньев.
Оценку состояния крепления обмотки в лобовых частях производят на основании осмотра (ослабление бандажных вязок, истирание изоляции в местах прилегания к элементам крепления) и результатам измерения вибрации головок с частотой 100 Гц при номинальной нагрузке (см. п. 9.2.10).
Нормированных критериев для оценки результатов осмотров нет, оценку производят экспертно.
9.2.12. Оценка состояния проходных и опорных изоляторов генераторного напряжения. Опорные и проходные изоляторы экранированных токопроводов генераторного напряжения после длительного простоя гидрогенератора в холодное время года отпотевают, следствием чего является их перекрытие после пуска гидрогенератора. Во избежание этого следует перед пуском генератора после длительного простоя изоляторы подогреть, используя вентиляцию токопровода горячим воздухом. Пуск генератора следует производить сразу после подогрева изоляторов.
9.3.1. Требования Стандарта учитывают необходимость заблаговременного выявления и предупреждения наиболее вероятных повреждений, определяющих техническое состояние стальных конструкций статоров:
- ослабление плотности прессовки и «распушение» зубцов пакетов сердечника статора; выявляют в соответствии с Приложением Т;
- ослабление плотности стыковки секторов разъемного сердечника; выявляют по результатам вибрационных испытаний в соответствии с Приложением И и по результатам осмотра в соответствии с Приложением М;
- деформации («волна» и «домики») пакетов активной стали сердечника; выявляют на основании результатов осмотра в соответствии с Приложением М;
- замыкание листов активной стали и возникновение местных повышенных нагревов сердечника; выявляют согласно Приложению У; в случае обнаружения опасных очагов должны быть проведены испытания на потери и нагрев методом кольцевого намагничивания в соответствии с [3];
- повышенная вибрация сердечника, ухудшение состояния или разрушение элементов крепления сердечника к корпусу и корпуса к фундаменту; выявляют на основании результатов вибрационных испытаний в соответствии с Приложением И и результатов осмотра в соответствии с Приложением М;
- ослабление крепления и перекос нажимных гребенок; выявляют на основании результатов осмотра в соответствии с Приложением М;
- нарушение цилиндрической формы расточки статора; выявляют на основании результатов испытаний в соответствии с Приложением Ф;
- нарушение системы охлаждения сердечника; выявляют на основании результатов испытаний согласно [3] и Приложению П.
9.3.2. Измерения радиальной вибрации сердечника статора «полюсной» частоты (Приложение И) производят при работе генератора в установившемся режиме при различных нагрузках и при холостом ходе с номинальным возбуждением. Измерения дополняют осмотрами спинки сердечника и узлов крепления его к корпусу. Ниже в таблице приведены критерии оценки состояния сердечника и его креплений к корпусу с учетом результатов осмотра.
Периодичность контроля, в зависимости от вибрационного состояния:
работоспособное, 4 - 6 лет (до планового капитального ремонта);
неработоспособное, 1 раз в год (до ближайшего планового капитального ремонта);
предельное, не реже 1-го раза в полгода до выполнения соответствующих ремонтно-профилактических работ.
|
Критерии оценки состояния сердечника и его креплений |
Состояние |
||
|
Двойная амплитуда «полюсной» (100 Гц) вибрации, мкм. |
Результаты осмотра |
||
|
Нагрузка, близкая к номинальной (сердечник горячий) |
Холостой ход с номинальным возбуждением (сердечник холодный) |
||
|
до 30 |
до 50 |
Замечаний нет. Следы контактной коррозии на спинке сердечника. |
Работоспособное |
|
более 30 |
более 50 |
Обильная контактная коррозия на спинке сердечника и узлах его крепления. |
Неработоспособное |
|
более 30 |
более 50 |
Обильная контактная коррозия, трещины, выкрашивание листов пакетов сердечника, повреждения узлов крепления (клиньев). |
Предельное |
Вибрационный контроль после капитального ремонта выполняют только в случаях реализованных ремонтно-профилактических мероприятий с целью оценки их эффективности.
9.3.3. Измерения радиальной низкочастотной («оборотной») вибрации сердечника статора (Приложение И) производят при работе генератора в установившемся режиме при различных нагрузках и при холостом ходе с номинальным возбуждением. Выше в таблице приведены критерии оценки состояния креплений сердечника к корпусу по результатам измерения низкочастотной вибрации и осмотров.
|
Параметры, определяющие состояние генератора |
Состояние |
|
|
Размах радиальной низкочастотной («оборотной» и кратных ей) вибрации сердечника статора, мкм |
Результаты осмотров |
|
|
до 80 |
Замечаний нет |
Работоспособное |
|
от 80 до 180 |
Ослабление распорных домкратов. «Выползание» отдельных штифтов фланца корпуса, нарушение контровочных сварных швов между корпусом статора и фундаментными плитами. |
Неработоспообное |
|
более 180 |
Наличие серьёзных повреждений в узлах крепления сердечника к корпусу. Массовое «выползание» штифтов фланца корпуса. |
Предельное |
Периодичность вибрационного контроля аналогична п. 9.3.2.
9.3.4. Оценка нарушения формы статора. Форму статора определяют в соответствии с рекомендациями, изложенными в Приложении Ф. Критерием состояния статора при искажении его формы являются: степень искажения Δс и температура сегментов направляющих подшипников υ, при этом первый показатель определяется следующим соотношением:
![]()

где: (Ас)макс. и (dс)ср. - соответственно максимальное и среднее значения воздушного зазора между фиксированным полюсом ротора и симметрично расположенными точками расточки статора.
Ниже в таблице представлены критерии оценки искажения формы статора:
|
Параметры оценки формы статора |
Состояние |
|
|
Степень искажения формы статора, Dс, % |
Температура сегментов направляющих подшипников, °С |
|
|
< 5 |
< υном. |
Работоспособное |
|
5 - 15 |
< (υном. + 5) |
Частично неработоспособное |
|
> 15 |
> (υном. + 10) |
Неработоспособное |
Номинальное значение температуры сегментов направляющего генераторного подшипника (υ) устанавливает для каждого типа гидрогенераторов завод изготовитель.
Периодичность контроля на работающем агрегате аналогична п. 10.3.2., на остановленном - при каждом капитальном ремонте. При оценке состояния как «частично неработоспособное» коррекцию положения ротора относительно статора производят в ближайший плановый текущий или капитальный ремонт. При «неработоспособном» состоянии эту операцию выполняют безотлагательно.
9.3.5. Испытания сердечника статора на потери и нагрев проводят при демонтаже ротора (Приложение П). Сердечники статоров гидрогенераторов с косвенной системой охлаждения обмоток испытывают при индукции 1,0 ± 0,1 Тл. При непосредственном охлаждении обмотки статора испытание проводят при индукции 1,4 ± 0,1 Тл.
Продолжительность испытаний равна 90 мин. при индукции 1,0 Тл и 45 мин. при индукции 1,4 Тл. Для этих значений индукции определяют удельные потери Р. Если индукция Висп. отлична от указанных значений, то продолжительность испытаний tисп и удельные потери уточняют по формулам:
tисп. = 90 (1,0/Висп.)2 или tисп. = 45 (1,4/Висп.)2;
Р1,0 = Рисп. (1,0/Висп.)2 или Р1,4 = Рисп. (1,4/Висп.)2,
где: Рисп. - удельные потери, определённые по результатам измерений при испытании.
Оценку состояния сердечника производят по результатам измерения нагрева за время испытания и по величине удельных потерь.
Определённые с помощью приборов инфракрасной техники или/и термопар наибольшее повышение температуры не должно превышать 25 °С и наибольшая разность нагревов различных зубцов должна быть не более 15 °С. Удельные потери в стали не должны превышать их исходные значения при заведомо хорошем состоянии сердечника более, чем на 10 %. Если исходных значений нет, то удельные потери не должны быть больше значений, нормированных для различных марок стали.
При превышении нагревов и/или удельных потерь относительно допустимых значений решение о мерах по устранению превышений и о работоспособности сердечника принимает экспертная комиссия.
9.3.6. Выявление очагов опасного замыкания листов активной стали сердечника статора основано на методе высокочастотного сканирования расточки статора с помощью индуктора, подключённого к генератору синусоидального тока частоты 1,5 кГц, напряжения 30 В и уравновешенной индикаторной схеме. Признаком замыкания является расстройство равновесия схемы и увеличение тока питания индуктора. Опасность замыкания определяют по результатам градуировки. Зависимость тока индуктора от мощности тепловыделения в месте замыкания практически линейна, поэтому есть возможность оценивать по показанию индикатора расчётную мощность в месте дефекта при рабочих индукциях. Описание метода и аппаратуры приведены в Приложении У.
В случае обнаружения указанным методом очагов с опасной мощностью тепловыделения проводят испытания сердечника на потери и нагрев при кольцевом намагничивании с большой индукцией (1,0 Тл или 1,4 Тл) для подтверждения наличия дефекта.
9.3.7. Оценку плотности прессовки пакетов сердечника статора в соответствии с Приложением Т производят по двум параметрам - глубине проникновения тарировочного ножа и результатам осмотра. Критерии для оценки состояния указаны ниже в таблице:
|
Параметры, определяющие состояние прессовки |
Состояние |
|
|
Глубина проникновения тарировочного ножа, мм |
Результаты осмотра |
|
|
< 5 |
Замечаний нет |
Работоспособное |
|
5 |
Незначительная контактная коррозия |
Неработоспособное |
|
> 5 |
Обильная контактная коррозия, повреждения пакетов и изоляции пазовой части обмотки статора |
Предельное |
При глубине проникновения тарировочного ножа более 5 мм проводят уплотнение пакетов сердечника стеклотекстолитовыми клиньями соответствующей толщины. В случаях серьёзных повреждений (выкрашивание листов пакетов, повреждение изоляции обмотки статора на выходе из паза) выполняют протезирование пакетов, восстановление изоляции стержней обмотки.
9.3.8. Испытания сердечника статора на нагревание производят в нормальных установившихся режимах при испытаниях гидрогенератора на нагревание (Приложение П). Так же, как для обмоток, за допустимые принимаются значения температур (округлённые в большую сторону до 5 °С), определённые при испытании на нагревание генератора при вводе в эксплуатацию. Эти температуры не должны превышать для класса изоляции «B» - 130 °С и «F» - 155 °С.
9.3.9. Оценку состояния узлов крепления сердечника к корпусу и корпуса к фундаменту выполняют по результатам осмотра (приложение М) с учетом результатов вибрационных испытаний.
9.4.1. Требования Стандарта учитывают необходимость заблаговременного выявления и предупреждения наиболее вероятных повреждений, определяющих техническое состояние стальных конструкций роторов:
- ослабление посадки обода на спицы остова; выявляются осмотром в соответствии с Приложением М и по результатам испытаний в соответствии с Приложением Ф;
- ослабление посадки полюсов на ободе; выявляются осмотром в соответствии с Приложением М;
- нарушение цилиндрической формы огибающей полюсов, смещение оси вращения; выявляются по результатам испытаний в соответствии с Приложением Ф;
- сколы «заплечиков» клиновой полосы обода; выявляются осмотром в соответствии с Приложением М;
- трещины в сварных соединениях остова ротора; выявляются осмотром в соответствии с приложением М.
9.4.2. Оценку нарушения формы ротора выполняют по степени искажения формы (∆р) и определяют из соотношения (Приложение Ф):

где: (Ар)макс., (dр)ср. - соответственно максимальное и среднее значения по всем замерам формы ротора.
Ниже в таблице приведены критерии оценки состояния механической части ротора по результатам измерения низкочастотной вибрации, степени нарушения формы ротора и осмотрам:
|
Параметры, определяющие форму ротора |
Состояние |
||
|
Размах радиальной низкочастотной («оборотной» и кратных ей) вибрации сердечника статора, мкм |
Степень искажения формы ротора, ∆р, % |
Результаты осмотров |
|
|
до 80 |
≤ 3 |
Замечаний нет. |
Работоспособное |
|
от 80 до 180 |
3 < ∆р £ 8 |
Ослабление распорных домкратов. Выползание отдельных штифтов фланца корпуса. Нарушение крепления корпуса статора к фундаменту. |
Неработоспособное |
|
более 180 |
> 8 |
Наличие серьёзных повреждений в узлах крепления сердечника к корпусу. |
Предельное |
Периодичность контроля аналогично п. 9.3.4.
9.4.3. Оценку плотности посадки обода на спицах ротора производят по аксиальному перемещению обода относительно спиц при подъёме ротора на тормозах, по результатам «обстукивания» забивных клиньев, осмотра опорных поверхностей брусьев, выявлению следов контактной коррозии, повреждений посадочных мест. Могут быть при этом использованы и более сложные методы с использованием тензометрии и других средств.
9.4.4. Измерение воздушного зазора между статором и ротором гидрогенератора в соответствии с требованиями [3] производят в диаметрально противоположных точках. При этом измеренные величины не должны отличаться друг от друга более чем на ±20 % от среднего значения, равного их полусумме.
Оценку воздушного зазора выполняют по данным измерений форм статора и ротора (см. п.п. 9.3.4, 9.4.2).
Периодичность контроля аналогична п.п. 9.3.4, 9.4.2.
9.5.1. Требования Стандарта учитывают необходимость заблаговременного выявления и предупреждения наиболее вероятных повреждений, определяющих техническое состояние обмоток роторов:
- замыкание на землю; выявляют нормированными профилактическими испытаниями согласно [3];
- витковое замыкание; выявляют путем измерения полного сопротивления обмотки каждого полюса согласно [3];
- перегрев обмотки; выявляют измерением сопротивления обмотки постоянному току согласно [3], а также осмотром в соответствии с Приложением М;
- загрязнение и увлажнение изоляции; выявляют по результатам нормированных профилактических испытаний согласно [3], а также осмотром в соответствии с Приложением М;
- нарушение крепления и паек, перегрев межполюсных соединений; выявляют путем измерения сопротивления обмотки постоянному току согласно [3], а также осмотром в соответствии с приложением М;
- ослабление крепления и перегрев демпферных стержней; выявляют осмотром в соответствии с приложением М.
9.5.2. Измерение сопротивления обмотки возбуждения постоянному току производят в холодном состоянии гидрогенератора для обмотки возбуждения в целом и для каждого полюса в отдельности или попарно. Сопротивление постоянному току приводится к температуре 15 °С. Кроме того, измеряют переходное сопротивление между катушками полюсов.
Измеренные значения сопротивлений не должны отличаться от исходных при одинаковых температурах более чем на 2 %.
9.5.3. Измерение сопротивления обмотки возбуждения переменному току промышленной частоты производят с целью выявления витковых замыканий в обмотке ротора. При измерении ротор неподвижен. Напряжение промышленной частоты подводят к обмотке каждого полюса или каждой пары полюсов. Величину напряжения определяют из условия 3 В на виток, но не более 200 В. Для возможности сравнения результатов испытания при обследовании с данными предыдущих измерений необходима идентичность условий, при которых проводятся измерения: одинаковые подведённые напряжения, аналогичное состояние генератора - вставленный или вынутый ротор, разомкнутая или замкнутая накоротко обмотка статора при вставленном роторе. Отклонение полученных при обследовании результатов от данных предыдущих измерений или от среднего значения измеренных сопротивлений полюсов или пар полюсов не должно превышать 5 %.
9.5.4. Испытания изоляции обмотки возбуждения включают следующие операции:
- измерения сопротивления изоляции;
- испытания приложенным повышенным напряжением промышленной частоты;
- осмотр.
Сопротивление изоляции измеряют мегаомметром с номинальным напряжением 1 кВ. Значение сопротивления изоляции при температуре 10 - 30 °С должно быть не менее 1 МОм.
Изоляция обмотки возбуждения гидрогенератора должна выдерживать в течение 1 мин. испытательное напряжение промышленной частоты, равное шестикратному номинальному напряжению возбуждения, но не менее 1 кВ.
9.5.5. Испытание обмотки возбуждения на нагревание на основе методики, изложенной в Приложении П, имеет целью оценку среднего нагрева обмотки возбуждения. Среднюю температуру обмотки определяют методом измерения сопротивления при установившихся по нагреву режимах гидрогенератора, указанных в методике. Результаты определения средней температуры обмотки не должны превышать температуру, определённую ранее (исходную) при заведомо исправном состоянии генератора, более чем на 5 °С при номинальном токе возбуждения. При этом абсолютное значение средней температуры не должно быть больше допустимых значений, а именно 130 °С для изоляции класса «B» и 155 °С для изоляции класса «F».
При осмотре, а также с помощью термоэтикеток или термокрасок определяют наличие локальных недопустимых перегревов паяных соединений на перемычках между обмотками соседних полюсов.
9.5.6. Выявление локальных дефектов демпферной системы, стальных конструкций полюсов, полюсных наконечников и других конструктивных узлов ротора выполняют на основе результатов их осмотра с использованием технических средств. При этом особое внимание должно быть уделено выявлению следующих возможных дефектов:
- следы недопустимого нагрева стержней демпферной системы, мест их заделки в замыкающие сегменты, перемычек демпферной системы между полюсами, полюсных наконечников;
- наличие изломов или трещин в элементах демпферной системы, стальных конструкциях ротора;
- ослабление расклиновки полюсов на ободе;
- ослабление всех болтовых соединений в зоне полюсов.
Наличие таких дефектов является недопустимым и требует проведения дополнительных исследований для разработки мероприятий по устранению дефектов и причин их возникновения.
Требования Стандарта учитывают необходимость заблаговременного выявления и предупреждения наиболее вероятных повреждений и дефектов, определяющих техническое состояние щеточно-контактного аппарата. Оценку состояния щеточно-контактного аппарата производят по совокупности выявленных следующих дефектов (Приложение Х):
- повышенная вибрация и бой контактных колец выявляются в рабочем режиме гидрогенератора с применением индикатора-микрометра часового типа, а также бесконтактных индикаторов (например, индуктивного типа) при их наличии;
- снижение сопротивления изоляции контактных колец выявляется профилактическими испытаниями с измерением тока утечки;
- загрязнение контактных колец, повышенный износ щеток, ослабление соединения колец с шинами обмотки возбуждения выявляются осмотром в рабочем режиме гидрогенератора и во время ремонта;
- перегрев контактных колец и щеток выявляется измерением их температуры с помощью дистанционного пирометра или измерением инфракрасного излучения при наличии соответствующей аппаратуры, а также визуально по следам перегрева - цветам побежалости;
- повышенное искрение щеток сопровождает большинство дефектов щеточно-контактного аппарата и выявляется осмотром.
10.1.1. Требования Стандарта распространяются на подпятники вертикальных гидрогенераторов зонтичного и подвесного исполнения.
10.1.2. Стандарт учитывает основные наиболее вероятные повреждения деталей подпятников, в том числе:
плохое состояние рабочей поверхности сегментов;
повышенную шероховатость зеркальной поверхности диска;
повышенную макронеровность зеркальной поверхности диска;
неперпендикулярность плоскости пяты к оси вала агрегата;
смятие головок опорных болтов или опорных вкладышей;
вмятины на тарельчатых опорах в местах контакта с опорными болтами;
разрушение отдельных тарельчатых опор;
разрегулировку нагрузки на сегменты;
неправильную установку тангенциального и радиального эксцентриситета сегментов;
разгерметизацию упругих камер подпятников на гидравлической опоре;
уменьшение расхода воды в маслоохладителях подпятников;
повреждение трубок маслоохладителей; повышенный выход масла или масляных паров из маслованны.
10.1.3. Для текущей оценки технического состояния подпятника при работе агрегата необходимо постоянно контролировать:
температура сегментов;
температура масла в ванне;
уровень масла в ванне;
наличие потока охлаждающей воды через маслоохладители;
проседание упругих камер (для подпятников на гидравлической опоре).
Оценка технического состояния подпятника при постоянном техническом контроле на работающем гидроагрегате требует наличия штатной контрольно-измерительной системы [13].
10.1.4. Измерения и регистрация температуры сегментов и масла в маслованне подпятника следует производить: непрерывно при наличии автоматической системы контроля; регулярно (по графику, установленному местной инструкцией, но не реже 1 раза в смену) - при отсутствии такой системы.
10.1.5. Для каждого гидрогенератора на основании регулярных наблюдений при гарантированно нормальной работе подпятника должны быть установлены и указаны в СТО ГЭС максимальные допустимые установившиеся значения температуры сегментов и масла в маслованне для наибольших температур наружного воздуха (для данного времени года).
10.1.6. При повышении температуры одного или нескольких сегментов сверх наибольшего установившегося в процессе эксплуатации значения (в самое жаркое время года):
при автоматической системе контроля при превышении температуры на 5 °C - должен подаваться предупредительный сигнал; при превышении на 10 °С - аварийный сигнал (импульс на останов гидроагрегата);
при отсутствии автоматической системы контроля дежурный работник ГЭС должен при превышении температуры на 5°C увеличить частоту контроля до 1 раза в час, а при превышении на 10 °С остановить гидроагрегат.
Значения предупредительных и аварийных уставок автоматической системы контроля определяются на основе опыта эксплуатации и вносятся в СТО ГЭС.
10.1.7. Повышение температуры одного или нескольких сегментов подпятника на 3 … 4 °С выше обычных установившихся значений для данного времени года при сохранении температуры масла на прежнем уровне является признаком ухудшения состояния поверхностей трения этих сегментов и требует усиления контроля за ними.
10.1.8. Повышение температуры масла в маслованне подпятника сверх установившегося значения для данного времени года с последующим повышением температуры сегментов является признаком ухудшения работы системы охлаждения и требует проверки системы охлаждения и при необходимости проведения чистки фильтров, трубок маслоохладителей.
10.1.9. Понижение температуры одного или нескольких сегментов однорядного подпятника на жёсткой винтовой опоре до значений, близких к температуре масла в маслованне (при исправном термоконтроле) свидетельствует о выходе этих сегментов из работы, что может произойти в результате разрушения тарельчатых опор, и требует осмотра этих сегментов и замены опор.
10.1.10. Контроль уровня масла в маслованне подпятника должен осуществляться постоянно с автоматической выдачей сигнала при выходе за установленные пределы, а также периодически по масломерному стеклу по графику, установленному местной инструкцией.
При повышении уровня масла сверх допустимого значения требуется срочный анализ наличия воды в маслованне и проверки отсутствия повреждения трубок маслоохладителей.
При понижении уровня масла ниже допустимого значения необходимо срочно проверить плотность конструкций и арматуры маслованны с целью предупреждения утечки масла и долив масла до нормального уровня.
10.1.11. В подпятниках на гидравлической опоре необходимо контролировать высотное положение упругих камер. При проседании упругих камер на 1 мм ниже нормального уровня (при работе агрегата под нагрузкой) должен подаваться предупредительный сигнал, а при проседании ещё на 1 мм - импульс на останов гидроагрегата.
10.1.12. Техническое обследование подпятников проводят, как правило, во время капитальных ремонтов с разборкой гидроагрегата. При обследовании должны быть определены и зафиксированы следующие параметры:
макронеровность (волнистость) зеркальной поверхности диска в направлении вращения;
макронеровность зеркальной поверхности диска в радиальном направлении;
неперпендикулярности плоскости пяты к оси вала гидроагрегата; микронеровность (шероховатость) зеркальной поверхности диска подпятника;
износ рабочей поверхности сегментов;
сопротивление изоляции между диском и втулкой подпятника;
распределение нагрузки между сегментами подпятника; тангенциальный эксцентриситет установки сегментов;
радиальный эксцентриситет установки сегментов;
величина смятия сферических головок опорных болтов или опорных вкладышей;
величина вмятин на тарельчатых опорах в местах контакта с опорными болтами, наличие трещин на верхней стороне тарельчатых опор;
величины зазоров между сегментами и ограничивающими упорами в тангенциальном и радиальном направлении.
В двухрядных подпятниках дополнительно измеряют и фиксируют: размеры зазоров между балансирами и стенками балансирных коробок; длины плеч балансиров.
В подпятниках на гидравлической опоре осуществляют проверку «маяков» т.е. расстояний от фиксированных мест корпуса подпятника до зеркальной поверхности диска.
10.1.13. Измеренные фактические значения всех параметров, характеризующих техническое состояние подпятников, не должны выходить за пределы нормативных значений (таблица 9) или значений, установленных конструкторской заводской документацией, а также на основании специальных испытаний и исследований для конкретной ГЭС, включенных в СТО ГЭС.
10.1.14. Методики определения параметров подпятников изложены в приложении Ц.
10.1.15. В случае длительного превышения нормативных значений параметров или при повреждении подпятника должны быть проведены его испытания в соответствии с Приложением Ц.
Таблица 9. Нормы контроля технического состояния подпятников
|
п.п. |
Элемент подпятника |
Уровень контроля |
Наблюдаемые и контролируемые параметры |
Способы и средства контроля |
Периодичность контроля |
Нормативные значения параметров |
Способ регистрации результатов |
|
1 |
2 |
3 |
4 |
5 |
6 |
7 |
8 |
|
1 |
Зеркальный диск |
Техническое обследование при вскрытой маслованне |
Макронеровность зеркальной поверхности диска в направлении вращения (волнистость) |
Часовые индикаторы или датчики с автоматической регистрацией. Измерения производятся при прокрутке ротора |
При каждом капитальном и аварийном ремонте |
0,08 мм для однорядных, 0,12 мм для двухрядных и гидравлических подпятников |
Запись в акте или протоколе |
|
2 |
Макронеровность зеркальной поверхности диска в радиальном направлении |
Часовые индикаторы или датчики, перемещаемые в радиальном направлении; лекальная линейка. Измерения на 12 радиусах |
0,03 мм для дисков диаметром менее 2 м и 0,04 мм для дисков диаметром более 2 м |
||||
|
3 |
Шероховатость зеркальной поверхности диска |
Профиломер |
Ra < 0,32 мкм |
||||
|
4 |
Сегменты |
Техническое обследование при вскрытой маслованне |
Нагрузка на каждый сегмент |
Рычажно-индикаторный способ. Индикаторный способ (для гидравлических подпятников) |
При каждом капитальном и аварийном ремонте |
10 % разброса нагрузки для подпятников на жёсткой опоре, 0,2 мм разницы проседания - для гидравлических подпятников |
Запись в акте или протоколе |
|
5 |
Сегменты |
Техническое освидетельствование при вскрытой маслованне |
Тангенциальный эксцентриситет |
Измерения с помощью контрольных линеек и приспособлений и вычисление по формулам (Приложение Ц) |
При каждом капитальном и аварийном ремонте |
(4 ± 1) % |
Запись в акте или протоколе |
|
6 |
Радиальный эксцентриситет |
(0 ± 1) % |
|||||
|
7 |
Опорные болты |
Смятие сферических головок |
Специальный шаблон и щуп |
0,05 мм |
|||
|
8 |
Тарельчатые опоры |
Вмятины в местах контакта с опорными болтами |
Индикатор |
0,25 мм |
|||
|
9 |
Сегменты и масло в маслованне |
Постоянно при работе гидроагрегата |
Температура |
Стандартные термодатчики |
1 раз в смену |
Устанавливает СТО ГЭС |
Запись в суточной ведомости |
|
10 |
Маслованна подпятника |
Уровень масла |
Стандартный датчик уровня |
Непрерывно |
Запись в журнале при выходе за нормативные значения |
||
|
11 |
Упругие камеры подпятника на гидравлической опоре |
Проседание упругих камер |
Специальные датчики или контакты |
1 мм - сигнал, 2 мм - останов |
10.2.1. Стандарт устанавливает требования к оценке технического состояния направляющих подшипников гидроагрегата: подшипников гидротурбин с водяной и масляной смазкой; подшипников гидрогенераторов с масляной смазкой.
10.2.2. Оценку состояния турбинного направляющего подшипника с обрезиненным вкладышем на водяной смазке производят по следующим признакам:
- снижение давления в напорной ванне подшипника;
- увеличение расхода воды на смазку и охлаждение подшипника;
- устойчивая тенденция к увеличению амплитуды биения вала в зоне подшипника при работе гидроагрегата на номинальных нагрузках и напорах;
- ухудшение работы уплотнения вала в крышке ванны подшипника.
В уплотнении вала в крышке гидротурбины в зависимости от конструкции оценивают:
- состояние уплотняющего элемента (воротника, плоской кольцевой манжеты, сальниковой набивки и других);
- состояние вала в зоне контакта с уплотнением по размерам выработки и состоянию поверхности;
- состояние торцевого уплотнения (однорядного или двухрядного) по степени и равномерности износа в зоне контакта и по состоянию уплотняющих элементов;
- при наличии принудительной подачи воды к уплотнению оценивают состояние системы подвода (засорение, повреждения коррозией, зарастание дрейсеной, износ арматуры и др.).
Требования к контролю при эксплуатации турбинного направляющего подшипника на водяной смазке представлены в таблице 10.
10.2.3. Оценку состояния направляющих подшипников с масляной смазкой на работающем гидроагрегате производят по следующим признакам:
- биение вала у направляющих подшипников, уровень вибрации корпусов маслованн;
- температура вкладышей, сегментов, масла (включая изменение температуры в сходных режимах в процессе эксплуатации); повышение температуры вкладышей (сегментов) подшипника указывает на недостаточный зазор, ухудшение охлаждения либо на ухудшение состояния рабочих поверхностей вкладышей (сегментов) подшипника и втулки вала;
- постепенное повышение температуры сегментов турбинного подшипника на 2 … 3 °С по сравнению с установившейся величиной, рост температуры масла и сегментов на одинаковую величину; вероятная причина - уменьшение расхода охлаждающей воды в маслоохладителе турбинного подшипника либо понижение уровня масла в маслованне;
- резкое повышение температуры сегментов турбинного подшипника до температуры 65 °С на сигнал и до 70 °С на отключение агрегата; вероятные причины - подплавление сегментов подшипника вследствие понижения уровня масла; повышение уровня масла и вытеснение его водой из маслоохладителей; неправильно выставленные зазоры по сегментам подшипника (возможно при выходе гидроагрегата из ремонта или монтажа); уменьшение или прекращение поступления охлаждающей воды в маслоохладители турбинного подшипника; заклинивание одного или нескольких сегментов подшипника; попадание твердых частиц между трущимися поверхностями сегментов подшипника и втулкой вала; неисправность датчиков температурного контроля;
- повышение уровня масла в маслованне направляющего подшипника гидроагрегата. Вероятная причина: попадание воды из маслоохладителей в маслованну; перелив масла при заливке или доливки в маслованну;
- понижение уровня масла в маслованне направляющего подшипника гидроагрегата. Вероятная причина: утечка масла через неплотно закрытый сливной пробковый кран маслованны, через неплотности соединения выгородки и корпуса маслованны.
10.2.4. При осуществлении контроля следует проверять состояние уплотнения между валом и корпусом маслованны подшипника, обеспечивающего защиту гидроагрегата от замасливания протечками и парами масла: уплотнительные элементы (резина, войлок, кожа) не должны иметь задиров, обеспечивать плотный контакт с валом, при этом уплотнение должно работать, не вызывая местный перегрев зоны контакта на валу гидроагрегата.
10.2.5. Перед выводом гидроагрегата в ремонт в случаях проявления нарушений в работе подшипника необходимо производить отбор масла из маслованн подшипников для химического анализа.
10.2.6. Требования к контролю технического состояния турбинного направляющего подшипника с масляной смазкой представлены в таблице 11.
Таблица 10. Нормы контроля технического состояния турбинного направляющего подшипника на водяной смазке
|
Уровень контроля |
Наблюдаемые и контролируемые параметры |
Способы и средства контроля |
Режим контроля |
Допустимые значения параметров |
Способ регистрации результатов контроля |
|
|
1 |
2 |
3 |
4 |
5 |
6 |
7 |
|
1. |
Постоянный контроль на работающем оборудовании |
Давление воды подводящем трубопроводе. |
Электроконтактный манометр |
Постоянно |
Соответствие давления требованиям завода изготовителя |
Запись в суточной ведомости |
|
2. |
Постоянный контроль на работающем оборудовании |
Наличие расхода воды на смазку и охлаждение подшипника |
Дифманометр или иные средства контроля. Визуально указатель наличия струи. |
Постоянно |
Соответствие расхода воды требованиям завода изготовителя |
Запись в журнале дефектов. Акт обследования. |
|
3. |
Постоянный контроль на работающем оборудовании |
Увеличение расхода воды на смазку и охлаждение подшипника |
Дифманометр или иные средства контроля |
При обходах. |
Соответствие расхода воды документации завода изготовителя |
Запись в журнале дефектов. Акт обследования. |
|
4. |
Постоянный контроль на работающем оборудовании |
Биение вала у турбинного подшипника |
Индикатор, при наличии - штатные датчики биения вала |
При обходах. |
Биение вала не должно превышать значений, установленных документацией завода изготовителя |
Запись в суточной ведомости Запись в журнале дефектов. Акт обследования |
|
5. |
Периодический контроль на работающем оборудовании |
Вибрация турбинного подшипника |
Переносная виброизмерительная аппаратура, при наличии - штатные датчики вибрации |
Периодически в соответствии с Приложением И |
Вибрация не должна превышать значений, установленных Приложением И |
Запись в журнале дефектов. |
|
6. |
Периодический контроль на работающем оборудовании |
Состояние крепления корпуса турбинного подшипника |
Визуально |
При обходах согласно СТО ГЭС |
Крепление корпуса подшипника не должно быть ослаблено и вызывать его податливость |
Запись в журнале дефектов. Акт обследования |
Таблица 11. Требования к техническому контролю при эксплуатации масляных направляющих подшипников
|
Уровень контроля |
Наблюдаемые и контролируемые параметры |
Способы и средства контроля |
Режим контроля |
Допустимые значения параметров |
Способ регистрации результатов контроля |
|
|
1 |
2 |
3 |
4 |
5 |
6 |
7 |
|
1. |
Постоянный контроль на работающем оборудовании |
Температура вкладыша подшипника. |
Термосопротивления, термосигнализатор |
Постоянно |
Температура, установленная местной инструкции по эксплуатации |
Запись в суточной ведомости |
|
2. |
Уровень масла в маслованне подшипника. |
Реле давления, визуально по масломерному стеклу |
Постоянно |
Уровень масла не должен выходить за максимальное и минимальное значение установленное местной инструкцией по эксплуатации |
Запись в журнале дефектов. Акт обследования |
|
|
3. |
Периодический контроль на работающем оборудовании |
Биение вала у подшипника |
Индикатор При наличии датчиков биения вала - постоянный контроль |
При обходах |
Биение вала не должно превышать значение установленное заводом-изготовителем |
Запись в суточной ведомости Запись в журнале дефектов. Акт обследования |
|
4. |
Вибрация подшипника |
Переносная виброизмерительная аппаратура При наличии датчиков вибрации - постоянный контроль |
Периодически в соответствии с Приложением И |
Вибрация не должна превышать значение, установленное Приложением И |
Запись в журнале дефектов. Акт обследования |
|
|
5. |
Состояние уплотнений и маслованн подшипника |
Визуально |
При обходах |
Протечки масла через выгородки маслованн, фланцевые соединения и уплотнения недопустимы |
Запись в журнале дефектов. Акт обследования |
10.3.1. Стандарт устанавливает требования к методам контроля и оценки технического состояния валов (валопроводов) вертикальных гидроагрегатов, включая валы гидротурбины и гидрогенератора, промежуточные валы и надставки валов, в том числе фланцы валов и шейки направляющих подшипников.
10.3.3. Контроль за техническим состоянием валопровода осуществляют на работающем и остановленном гидроагрегате. При необходимости проводят освидетельствование при разобранных направляющих подшипниках [11].
10.3.4. При постоянном контроле, осуществляемом под нагрузкой на работающем гидроагрегате или на остановленном гидроагрегате без опорожнения спиральной камеры следует производить проверки и фиксировать внешние признаки ухудшения состояния вала: увеличение биения вала у направляющих подшипников, повышенные вибрации подшипников, наличие признаков износа шеек и уплотнений вала.
10.3.5. На работающем гидроагрегате следует периодически контролировать величину биения вала у турбинного подшипника. При технической возможности следует производить аналогичные измерения у генераторного подшипника. Рекомендуется применение стационарной системы контроля (мониторинга) биения вала. Периодичность контроля за биением вала: при наличии автоматической системы - постоянно, при осуществлении контроля персоналом - 1 - 2 раза в сутки с записью в суточную ведомость, а при возникновении повышенного биения вала частоту контроля по решению технического руководителя ГЭС увеличивают.
10.3.6. На работающем гидроагрегате следует обращать внимание на следующие признаки ухудшения состояния линии вала:
- повышенное значение биения вала гидроагрегата у направляющих подшипников и фланцевых соединениях валов, измеряемое в соответствии с Приложением И (допустимое значение биения определяет СТО ГЭС на основании документации завода изготовителя и опыта эксплуатации);
- повышенная горизонтальная вибрация направляющих подшипников гидроагрегата, измеряемая в соответствии с Приложением И;
- повышенная вертикальная вибрация опоры пяты, измеряемая в соответствии с Приложением И;
- постепенное повышение биения вала (увеличение зазоров в направляющих подшипниках) в течение межремонтного периода при одинаковых режимах работы гидроагрегата.
10.3.7. На остановленном гидроагрегате при проведении осмотра проверяют плотность фланцевых соединений по внешним признакам (наличие течи масла через фланцевое соединение, раскрытие фланцевого соединения визуально).
10.3.8. Состояние линии вала контролируют по косвенным признакам:
- увеличенное биение вала у направляющих подшипников, которое может быть следствием излома во фланцевых соединениях, износа шейки вала в подшипнике;
- односторонний перегрев сегментов направляющих подшипников из-за расцентровки вала.
10.3.9. При осмотрах и обследованиях вала гидроагрегата должны выявляться параметры состояния в соответствии с таблицей 12.
Таблица 12. Нормы контроля технического состояния вала гидроагрегата
|
Уровень контроля |
Наблюдаемые и контролируемые параметры |
Способы и средства контроля |
Режим контроля |
Допустимые значения параметров |
Способ регистрации результатов контроля |
|
|
1 |
2 |
3 |
4 |
5 |
6 |
7 |
|
Турбинный вал, генераторный вал у шеек подшипников |
Периодический контроль, постоянный мониторинг |
Биение вала |
Инструментальный контроль |
На работающем оборудовании |
Нормы завода изготовителя |
Запись в суточную ведомость, в архив данных |
|
Турбинный вал, генераторный вал у шеек подшипников, подшипники гидроагрегата |
Специальные испытания или постоянный мониторинг |
Вибрация опорных конструкций и биение вала |
Инструментальный контроль |
На работающем оборудовании |
Нормы по Приложению И |
Техническое заключение, отчет, запись в архив данных |
|
Фланцевое соединение |
При необходимости |
Плотность соединений |
Визуальный, инструментальный контроль |
На остановленном оборудовании |
Односторонний зазоры до 0,03 мм на длине не более 200 мм |
Технический акт |
|
Шейка вала |
При необходимости |
Износ шейки, наличие трещин, отставания облицовки, вырывов. |
Визуальный, инструментальный контроль |
На остановленном оборудовании при разборке подшипника |
Трещины, отставания, вырывы не допускаются, износ в пределах биения вала установленного для подшипника, шероховатость по нормам завода-изготовителя |
Технический акт |
11.1.1. Стандарт устанавливает требования к правилам и методам контроля и оценки технического состояния систем автоматического регулирования гидротурбин с одиночным (без комбинатора) и двойным (с комбинатором) регулированием. Стандарт не рассматривает требования к контролю и оценке технического состояния общестанционных систем автоматического управления гидроагрегатами.
11.1.2. Настоящий подраздел Стандарта включает требования к контролю и оценке технического состояния оборудования системы регулирования гидротурбины:
электрогидравлических и гидромеханических регуляторов частоты вращения (РЧВ);
маслонапорных установок (МНУ);
лекажных агрегатов;
сервомоторов направляющего аппарата (НА) и рабочего колеса (РК).
11.1.3. Работоспособные регуляторы частоты вращения гидротурбин должны обеспечивать исполнение основных предусмотренных для них функций:
управление открытием регулирующих органов гидротурбины при пуске и останове гидроагрегата, его переводе в режим синхронного компенсатора (СК) и выводе из режима СК;
автоматическое поддержание на заданном уровне частоты вращения при работе гидроагрегата на холостом ходу для обеспечения условий точной синхронизации гидрогенератора;
обеспечение участия в первичном регулировании частоты в энергосистеме при работе гидроагрегата под нагрузкой;
отработка с заданной скоростью сигналов задания мощности гидроагрегата в режиме индивидуального и группового регулирования;
автоматическое поддержание комбинаторной зависимости поворотно-лопастной гидротурбины при изменении ее мощности и напора;
выполнение гарантий регулирования при сбросах нагрузки.
Техническое состояние РЧВ, как основного элемента системы регулирования гидротурбины, оценивается качеством выполнения им перечисленных функций. Для оценки динамики изменения качества при очередной проверке следует использовать заводские характеристики или результаты предыдущих проверок.
11.1.4. Стандарт устанавливает основные принципы контроля за техническим состоянием систем регулирования гидротурбин, которые являются общими для всех регуляторов, независимо от их типа; непосредственное техническое исполнение проверок различно в зависимости от конструктивного исполнения и схемы регулятора и осуществляется в соответствии Приложением Ж. Виды контроля и их периодичность приведены в таблице 13.
11.1.5. Контроль за техническим состоянием оборудования системы регулирования гидротурбины должен своевременно предупреждать о возникновении неисправностей с целью принятия мер для их устранения. Проверки производятся при работе гидроагрегата под нагрузкой и на холостом ходу.
11.1.6. При проверка РЧВ при работе гидроагрегата на холостом ходу при номинальном значении частоты вращения определяют точность поддержания частоты и наличие или отсутствие периодических перемещений сервомотора НА,
Качество процесса регулирования оценивают по виду переходного процесса при ступенчатом изменении уставки частоты в пределах ±(0,3 ... 0,5) Гц. Переходный процесс должен быть апериодическим, допускается одно перерегулирование. Наличие колебаний свидетельствует о неудовлетворительном качестве регулирования. Для выявления причин колебаний следует определить переходные процессы при других значениях параметров динамической настройки (изодромной обратной связи). Сохранение колебаний свидетельствует о наличии каких-либо дефектов регулятора, которые выявляются при его поузловой проверке.
При текущей эксплуатации гидроагрегата качество регулирования оценивают во время выполнения точной синхронизации гидрогенератора при включении его в сеть по процессу подгонки частоты генератора к частоте сети. Если процесс проходит без колебаний, это свидетельствует о нормальной работе РЧВ.
11.1.7. При работе гидроагрегата под нагрузкой определяют показатели готовности гидроагрегата к участию в первичном регулировании частоты (ПРЧ) и плавность хода регулирующих органов гидротурбины.
Для определения быстродействия ПРЧ производят по возможности быстрое изменение измеряемого значения частоты. Способ выполнения подобного изменения частоты зависит от типа регулятора. На гидромеханических регуляторах толчок по отклонению частоты может быть создан при быстром смещении механизма изменения оборотов (МИО). На большинстве электрогидравлических регуляторов для быстрого изменения частоты используют генератор технической частоты. В микропроцессорных РЧВ возможно непосредственное изменение измеренного значения частоты. Быстродействие ПРЧ определяется продолжительностью времени с момента подачи импульса изменения частоты до момента отработки 75 % полного изменения мощности.
На ГЭС, имеющих возможность работы на изолированный энергорайон, точность поддержания частоты и качество переходного процесса регулирования частоты определяют аналогично тому, как это выполняется при работе агрегата на холостом ходу.
Эффективность участия гидроагрегата в ПРЧ зависит не только от быстродействия, но и от наличия мёртвой зоны (зоны нечувствительности) по частоте. Фактическую величину мертвой зоны определяют по статической характеристике регулятора, снятой для прямого и обратного хода. При этом случайная погрешность измерения частоты должна быть не более 0,005 Гц, а положения штока сервомотора НА - не более 0,2 %. По статической характеристике регулятора определяется величина статизма регулятора. Величина статизма регулирования частоты по мощности определяется по статической характеристике регулирования, которая представляет собой зависимость мощности гидроагрегата от частоты и снимается одновременно со статической характеристикой регулятора.
Плавность хода регулирующих органов гидротурбины при изменении задания мощности проверяют при ходе в обоих направлениях в полном диапазоне изменения нагрузки. Для определения быстродействия регулирования мощности регистрируют переходный процесс при быстром (толчком) изменении заданной мощности как при индивидуальном, так и при групповом регулировании. Производят сравнение с результатами предыдущей проверки. При этом необходимо обеспечить идентичность условий, при которых производилась проверка (величина напора, диапазон изменения нагрузки).
11.1.8. Проверка действия РЧВ при переходных процессах (при пуске, нормальной остановке, переводе в режим СК и выводе из него, при внезапном сбросе нагрузки).
При автоматическом пуске гидроагрегата следует фиксировать пусковое открытие НА, перерегулирование по частоте, продолжительность вывода гидроагрегата на холостой ход и до момента включения в сеть. Следует производить регистрацию пуска гидроагрегата с записью хода НА, частоты вращения и мощности. Сравнение полученной регистрограммы с аналогичной при предыдущих испытаниях даёт возможность оценить отсутствие каких-либо изменений в настройках РЧВ.
При выполнении нормальной остановки гидроагрегата контролируют его разгрузку и закрытие НА после отключения генераторного выключателя. При нормальной остановке гидроагрегата, работающего в режиме СК, фиксируют величину открытия НА и выдержку времени до начала его закрытия.
При переводе в режим СК и выводе из режима СК контролируют правильность исполнения команд на закрытие и открытие НА.
Испытания на сбросы нагрузки имеют целью проверку выполнения гарантий регулирования. При сбросах измеряют следующие величины: частота вращения, открытие НА, угол разворота лопастей, давление в спиральной камере и отсасывающей трубе. В протоколе испытаний должны быть зафиксированы значения этих параметров до сброса, максимальные отклонения и установившиеся значения, а также время закрытия НА. Полученные результаты сравнивают с документацией завода изготовителя гидротурбины.
Степень износа главных золотников определяют по величине протечек масла через золотники при среднем их положении. При наличии отдельных задвижек к главным золотникам НА и РК протечки можно определить отдельно для каждого золотника. В этом случае протечки определяют на остановленном гидроагрегате. При наличии общей задвижки протечки определяют суммарно через оба золотника.
При определении протечек оба золотника с помощью ограничителя открытия и механизма ручного управления лопастями должны быть установлены в среднее положение, когда значения давления в обеих полостях сервомотора равны между собой. При неизменном положении золотников измеряется цикл работа маслонасоса МНУ в виде отношения времени работы маслонасоса на аккумулятор tр ко времени его работы на слив tс (или при прерывистом режиме работы - ко времени, в течение которого насос не работает). При известной производительности маслонасоса Qн величина протечек масла q определяется выражением:
q = Qнtр /(tр + tс) (л/с).
Сравнение полученной величины с величиной протечек в новой колонке или измеренной при предыдущих испытаниях позволяет оценить динамику износа золотников.
11.1.10. При оценке технического состояния маслонапорной установки (МНУ) рекомендуется определить производительность маслонасосов по методике, приведенной в Приложении Ж.
Проверку и настройку всех механизмов и арматуры МНУ следует производить в соответствии с документацией завода изготовителя.
11.1.11. При оценке технического состояния сервомоторов направляющего аппарата и рабочего колеса должны быть определены перестановочные усилия и величина протечек масла через сервомоторы.
Перестановочное усилие определяется минимальным значением перепада давления в полостях сервомотора, необходимого для его перемещения из неподвижного состояния. Для трогания сервомотора необходимо преодолеть силу трения и гидравлическое усилие, которое может действовать как в сторону закрытия, так и открытия.
Для оценки динамики изменения перестановочных усилий их можно выражать через величину перепада давления. При этом необходимо иметь в виду, что при разных площадях поршня сервомотора с одной и с другой стороны для получения более точных результатов следует производить расчёт перестановочных усилий по разности сил, как произведения давления на площадь поршня.
Для определения перестановочных усилий рекомендуется применять метод трогания. Измерения производят при работающем в сети гидроагрегате. РЧВ переводится на ограничитель открытия. От положения полного закрытия сервомотор последовательно переустанавливают ступенями в 10 % в разные положения. При каждом положении сервомотора производят медленное смещение ограничителя открытия в сторону открытия НА. При этом надо следить за изменением давления в обеих полостях сервомотора. Сначала перепад давления будет возрастать. В момент трогания сервомотора происходит резкое изменение давления в противоположную сторону. Записываются величины максимальных отклонений давления в каждой полости перед резким их изменением. Измерения производят сначала при движении сервомотора на открытие, а затем на закрытие. При определении перестановочных усилий на сервомоторе РК порядок испытаний тот же, что и для сервомотора НА. При этом управление лопастями производят с помощью механизма ручного управления.
Величины сил трения Fт и гидравлической силы Fг определяют из следующих выражений:
Fт = 0,5(DРо + DРз)
Fг = 0,5(DРо - DРз),
где DРо и DРз - перепад давлений в полостях при движении сервомотора на открытие и на закрытие. При этом принято, что гидравлическая сила действует в сторону закрытия.
Измерение перестановочных усилий необходимо производить периодически в соответствии с рекомендациями завода-изготовителя гидротурбины особенно при использовании новых материалов в поверхностях трения цапф лопастей РК
Протечки между лопастями сервомотора НА зависят от состояния уплотнений поршня сервомотора. Для сервомотора РК они зависят, кроме этого, от состояния уплотнений регулирующих штанг и маслоприёмника. Оценку состояния этих элементов производят по динамике изменения протечек при периодических их измерениях.
Величину протечек определяют по циклу маслонасоса выражением, приведенным в 11.1.9. Измерения цикла производятся при полном смещении главного золотника на закрытие или на открытие, когда протечки через отсекающие кромки золотника практически отсутствуют. Опыт производят на остановленном агрегате.
11.1.12. Находящиеся в длительной эксплуатации регуляторы различных типов, электрогидравлические и гидромеханические, морально устаревают и становятся непригодными для выполнения ряда функций с учетом возрастающих системных требований к конкретной ГЭС; в связи с чем необходимо осуществлять их замену современными типами РЧВ.
Таблица 13. Нормы контроля технического состояния системы автоматического регулирования гидротурбин
|
Уровень контроля |
Наблюдаемые и контролируемые параметры |
Способы и средства контроля |
Режим контроля |
Допустимые значения параметров |
Способ регистрации результатов контроля |
|
|
1 |
2 |
3 |
4 |
5 |
6 |
7 |
|
РЧВ |
Постоянный контроль на работающем оборудовании |
Частота вращения, перемещение регулирующих органов гидротурбины |
Визуально по приборам АЩУ, шкафа и колонки РЧВ |
В процессе пуска и остановки агрегата и при его работе в сети |
Определяются конструкторской заводской документацией и СТО ГЭС |
Архив АСУ ТП и микропроцессорного РЧВ |
|
РЧВ |
Техническое обследование |
То же и электрические параметры шкафа РЧВ |
Испытания по специальной программе. Вольтметр, амперметр, осциллограф |
Во время капитального ремонта |
||
|
МНУ |
Постоянный контроль |
Давление, уровень масла |
Визуально по манометру и датчику уровня |
Автоматический контроль с выдачей предупредительных и аварийных сигналов |
Определяются конструкторской документацией и СТО ГЭС |
Журнал дефектов |
11.2.1. Стандарт устанавливает требования к оценке технического состояния оборудования системы технического водоснабжения вертикального гидроагрегата, независимо от принятой схемы охлаждения и состава потребителей.
11.2.2. На работающем и остановленном оборудовании периодическому осмотру и оценке состояния подлежат следующие элементы и механизмы системы технического водоснабжения (ТВС) агрегата:
- водозаборы;
- водозаборные и агрегатные трубопроводы;
- эксплуатационная и ремонтная арматура;
- контрольно-измерительная и регулирующая аппаратура;
- фильтры, регуляторы давления;
- воздухоохладители гидрогенератора;
- маслоохладители направляющих подшипников генератора и подпятника;
- маслоохладители турбинного подшипника (масляная смазка);
- уплотнения турбинного подшипника (водяная смазка);
- уплотнения вала турбины;
- охлаждение лабиринтного уплотнения рабочего колеса РО турбины при работе в режиме синхронного компенсатора;
эжекторы и насосы для откачки воды с крышки турбины и для обеспечения водой системы ТВС эжекторного типа;
- схема рециркуляции и промывки фильтров;
- схема питания теплообменников гидрогенераторов с непосредственным водяным охлаждением;
- система подвода воды на охлаждение трансформаторов;
- схема промыва порогов и пазов затворов водоводов и отсасывающих труб;
- схема залива насосов системы дренажа и осушения проточной части;
- схема защиты от обмерзания пазов затворов.
11.2.3. Состояние трубопроводов оценивается путем осмотров на наличие механических и коррозионных повреждений, а так же по изменению пропускной способности и результатам опрессовки.
11.2.4. Состояние оперативной запорной арматуры с гидравлическими или пневматическими приводами и дросселями следует проверять и оценивать на работающем и на остановленном оборудовании.
11.2.5. При оценке состояния закладных водозаборных трубопроводов производят обследование участков трубы в зоне выхода из бетона, а также их опрессовку и продувку.
11.2.6. При оценке состояния насосных установок проверяют качество заделки анкеров, состояние фундаментного блока горизонтальность установки рамы, прицентровку двигателя к насосу, осматривают подводящие и отводящие трубопроводы, компенсаторы (при их наличии), осматривают и проверяют работоспособность приёмных и обратных клапанов.
В схемах осушения проточной части гидроагрегата и откачки из дренажных приямков контролю и осмотру подлежат приемные фильтры и приямки.
11.2.7. Состояние водозаборных устройств, расположенных в проточной части оценивают при проведении периодических осмотров основного оборудования.
Обследованию и оценке состояния подлежат: сорозащитные решетки, их закладные части, фильтрующие насадки, водосбросные и водоприемные участки трубопроводов.
11.2.8. На работающем гидроагрегате подлежит оценке способность системы ТВС автоматически поддерживать давление в заданных пределах и необходимую подачу воды к потребителям.
В системах ТВС используется давление воды 1,6 ... 5,0 кг/см2, которое назначают заводы изготовители оборудования из конструктивных соображений, а также исходя из условий прочности теплообменных аппаратов.
При техническом контроле необходимо проверять способность регуляторов давления или дроссельных устройств в схемах охлаждения трансформаторов и теплообменных аппаратах других систем, заполненных маслом обеспечивать давление масла больше давления воды не менее чем на 0,1 кг/см2.
11.2.9. Состояние оборудования системы ТВС в процессе эксплуатации оценивают по следующим признакам:
- масло- и воздухоохладители оценивают по эффективности работы оборудования, на котором они установлены, а также по обеспечению нормативных перепадов давления и температуры на входе и выходе из охладителя;
- состояние водозаборов, насосов, фильтров, дросселей, вентилей, задвижек, контрольно-измерительной аппаратуры и других элементов системы оценивают по результатам измерения давления, перепада давления и расхода воды на работающем оборудовании, последовательно выполненяя этих замеры на элементах оборудования, по соответствию измеренных показателей требованиям завода изготовителя или СТО ГЭС.
11.2.10. В целях надежного обеспечения безопасности работы основного оборудования помимо автоматического дистанционного контроля за наличием струи в трубопроводах маслоохладителей подпятника, направляющего подшипника генератора, а также за расходом и давлением воды в напорной ванне турбинного подшипника и углеграфитового уплотнения гидротурбины, следует осуществлять постоянный контроль за давлением, перепадом давления, наличием струи и температурой непосредственно по штатным приборам в местах их установки.
Проверке и оценке состояния также подлежат датчики визуального контроля, установленные на водозаборах, на входе и выходе фильтров и насосов.
11.2.11. Оценку состояния насосных агрегатов производят по их производительности, уровню вибрации опорных конструкций и подшипниковых узлов, работе сальников и подшипников (протечки, температура, уровень и тон шума), потребляемому току электродвигателей.
Нормы на вибрацию насосных агрегатов (насос двигатель) указывает завод изготовитель оборудования. В случае отсутствия таких указаний двойная амплитуда вибрации подшипников электродвигателей, сочлененных с механизмами, не должна быть выше следующих значений [1, п. 5.2.10]:
|
Синхронная частота вращения, об/мин |
3000 |
1500 |
1000 |
750 и менее |
|
Двойная амплитуда колебаний, мкм |
30 |
60 |
80 |
95 |
11.2.12. Следует проверять исправность контрольной и сигнализирующей аппаратуры (реле, ЭКМ и другой) при подаче предупредительных импульсов на включение резервного питания и с выдержкой времени - на аварийный останов гидроагрегата.
11.2.13. Для оценки пригодности к дальнейшей эксплуатации фильтров необходимо контролировать режим их работы, качество и чистоту очистки воды, а также эффективность очистки фильтрующих элементов.
Таблица 14. Нормы контроля технического состояния оборудования системы технического водоснабжения
|
№ п/п |
Уровень контроля |
Наблюдаемые и контролируемые параметры |
Способы и средства контроля |
Режим контроля |
Допустимые значения параметров |
Способ регистрации результатов контроля |
|
1 |
2 |
3 |
4 |
5 |
6 |
7 |
|
1. |
Постоянный контроль на работающем оборудовании |
Давление в водозаборном трубопроводе. Напор, потери напора. |
Визуально по штатным манометрам. |
При обходах |
В соответствии с СТО ГЭС. Давление ниже установленного и перегрев оборудования не допускается. |
Журнал дефектов. |
|
2. |
Падение напора по длине трубопровода. Наружные коррозионные и механические повреждения. |
Визуально по штатным манометрам. инструментально Толщиномер. |
При обходах. По необходимости |
Наружная коррозия не допускается. Внутренняя поверхность 0,1 мм/год. Допускается 30 % от первоначальной толщины стенки. |
Запись в журнале дефектов. Акт обследования. |
|
|
3. |
Работоспособность арматуры, Протечки. |
Визуальный контроль на работающем оборудовании. Осмотр во время ремонта. |
При обходах. По необходимости |
Исправность. Отсутствие протечек. |
Запись в журнал дефектов, Информация для ремонтного и оперативного персонала. |
|
|
4. |
Постоянный контроль на работающем оборудовании Осмотр во время ремонта. |
Перепад давления. Состояние арматуры и общее состояние регуляторов давления, фильтров. |
Периодический визуальный контроль на работающем оборудовании Во время ремонта. |
При обходах. По необходимости |
Соответствие перепада давления требованиям завода изготовителя |
Журнал дефектов. |
|
5. |
Перепад давления и температуры. Состояние арматуры и общее состояние воздухо и масло охладителей. |
Периодический визуальный контроль на работающем оборудовании Во время ремонта. |
При обходах. По необходимости |
Температура и давление оборудования не превышает, рекомендованную заводом изготовителем. |
Суточная ведомость, журнал дефектов. |
|
|
6. |
Постоянный контроль на работающем оборудовании Осмотр во время ремонта. |
Давление в трубопроводе подачи смазки и охлаждения к уплотнениям ванны подшипника, крышки турбины, лабиринтным уплотнениям РК.в режиме СК |
Периодический визуальный контроль на работающем оборудовании. Во время ремонта. |
При обходах. При капитальных ремонтах. По необходимости |
Давление величина протечек должны соответствовать рекомендациям завода изготовителя. |
Журнал дефектов. |
11.3.1. Стандарт устанавливает требования к оценке технического состояния элементов оборудования системы охлаждения и вентиляции вертикального гидроагрегата независимо от принятой схемы охлаждения и состава потребителей.
11.3.2. Система охлаждения должна обеспечивать работоспособность гидрогенератора, направляющих подшипников генератора и турбины, подпятника, а так же системы регулирования при наличии маслоохладителей в баке МНУ.
11.3.3. Система вентиляции относится исключительно к оборудованию гидрогенератора и обеспечивает охлаждение ротора и статора непосредственно или комплексно с другими системами охлаждения, в зависимости от мощности, принятой системы охлаждения и конструкции генератора.
11.3.4. При оценке состояния элементов системы и системы в целом в процессе эксплуатации, независимо от конструкции и применяемой схемы охлаждения, необходимо контролировать способность системы обеспечивать надежную работу основного оборудования гидроагрегата.
При ухудшении работы системы охлаждения, не зависящем от изменения внешней температуры, (общее повышение температуры узла или отдельных элементов) необходимо выполнить работы по выявлению причины нарушения и по ее устранению.
11.3.5. При визуальном обследовании оборудования выявляют наличие застойных зон и воздушных пробок, проверяют равномерность нагрева масло- и воздухоохладителей, оценивают состояние воздухоразделительных щитов, выгородок, лопаток вентиляторов, проверяют положение регулирующих устройств на пылеулавливающих фильтрах, наличие перетоков воздуха из зоны холодного или горячего воздуха, подсосов, качество изоляции системы от внешней среды (двери, проемы, люки).
11.3.6. При выполнении работ по выявлению дефектов, сбоев или нарушений в работе системы положение регулирующих органов и состояние конструктивных узлов системы должно соответствовать документации завода исполнителя.
11.3.7. По степени загрязнения и замасливания активного железа и обмоток гидрогенератора оценивают эффективность и работоспособность уплотнений маслованны подпятника, генераторного направляющего подшипника и системы защиты от замасливания, которые косвенно влияют на эффективность системы охлаждения гидрогенератора.
11.3.8. При регулировке системы с целью восстановления ее эффективности необходимо контролировать допустимые пределы максимального рабочего давления воды в воздухоохладителях, как правило, - не менее 0,5 МПа и не более 1 МПа.
Необходимо контролировать перепад давления воды в воздухоохладителе, который не должен превышать 0,05 МПа. В случаях, оговоренных в конструкторской заводской документации, допускается увеличение или уменьшение перепада давления.
При повышении температуры охлаждающего воздуха сверх номинального значения следует ограничить нагрузку гидрогенератора.
Допустимые режимы работы гидрогенераторов при температурах охлаждающего воздуха, отличных от номинального значения, устанавливают в инструкциях по эксплуатации в соответствии с результатами испытаний.
11.3.9. У гидрогенератора с непосредственным водяным охлаждением контролю и оценке состояния подлежат элементы системы водоподготовки: дистилляторы, водяные насосы, теплообменники, магнитные и ионообменные фильтры механической очистки, уравнительные баки, азотная (дегазационная) установка, запорная арматура, датчики, КИПиА.
При наличии обогревателей, установленных в стакане генератора для защиты от выпадения росы на обмотках генератора, оценивают их состояние и работоспособность системы их автоматического включения.
Таблица 15. Нормы контроля технического состояния системы охлаждения и вентиляции
|
№ п/п |
Уровень контроля |
Наблюдаемые и контролируемые параметры |
Способы и средства контроля |
Режим контроля |
Допустимые значения параметров |
Способ регистрации результатов |
|
1 |
2 |
3 |
4 |
5 |
6 |
7 |
|
1. |
Постоянный контроль на работающем и остановленном оборудовании |
Температура сегментов подпятника, подшипников, масла |
Инструментальный контроль |
При обходах |
Соответствие требованиям конструкторской заводской документации |
Журнал обходов |
|
2. |
Внешний вид, температура и давление, перепад давления воздухоохладителей |
Инструментальный и визуальный контроль |
Соответствие требованиям конструкторской заводской документации. Температура воздуха на выходе не более 55 °С перепад не более 0,5 МПа |
Журнал обходов |
||
|
3. |
Температура и давление, перепад давления маслоохладителей. |
Инструментальный и визуальный контроль |
Соответствие требованиям конструкторской заводской документации |
Журнал обходов |
||
|
4. |
Замасливание оборудования |
Визуальный контроль |
Сухая поверхность оборудования. Отсутствие масла на крышке маслованны подпятника, рифленках. |
Запись в акте (журнале) осмотра |
||
|
5. |
Протечки из системы |
Визуальный контроль |
Герметичность и капельные протечки в зависимости от назначения оборудования и технологических требований |
Запись в акте (журнале) осмотра |
11.4.1. Стандарт устанавливает требования к оценке технического состояния оборудования системы смазки вертикального гидроагрегата, не зависимо от принятой схемы и состава потребителей.
11.4.2. Система масляной смазки обеспечивает работу направляющих подшипников вала агрегата, подшипников механизма разворота лопастей РК и подпятника генератора. В состав системы входят: маслованны подшипников и подпятника, корпус (втулка РК), вал агрегата, маслопроводы, арматура, контрольно-измерительные, и предохранительные устройства.
11.4.3. Оценку состояния маслованн подпятника и направляющих подшипников на работающем оборудовании производят при периодических осмотрах, во время которых выявляют общее состояние маслованны, наличие потеков масла на корпусе и крышке ванны, в зоне сварных швов, фланцевых соединений, сальников, уплотнений, кабельных выводов, кранов и вентилей.
11.4.4. Оценке состояния подлежат следующие элементы и механизмы системы смазки агрегата: маслованны направляющих подшипников агрегата; маслованна подпятника; маслопроводы и установленная на них ремонтная и эксплуатационная арматура; маслоохладители; система защиты от замасливания конструкций генератора; качество масла; состояние изоляции от подшипниковых токов.
11.4.5. Общей оценке подлежит способность системы смазки обеспечивать оптимальный режим смазки и отвод тепла из зоны трения подшипников и подпятника при всех режимах работы агрегата.
11.4.6. В случае применения схемы охлаждения масла с выносными маслоохладителями и двумя циркуляционными насосами (рабочий и резервный) контролю подлежат выносные маслоохладители, система трубопроводов, арматура и насосные агрегаты.
11.4.7. При оперативном регулировании расхода и давления воды для обеспечения необходимой температуры следует поддерживать рабочее давление воды в маслоохладители в ваннах подпятника в пределах от 0,5 МПа до 1 МПа.
Перепад давления воды в маслоохладителе не должен превышать 0,05 МПа, если иное не оговорено в конструкторской документации завода изготовителя или в СТО ГЭС (на основании опыта эксплуатации и результатов технических обследований).
11.4.8. Контролю подлежит надежность изоляции маслованн подпятника и подшипников, трубопроводов и датчиков, установленных в маслованнах для защиты от подшипниковых токов.
11.4.9. По степени замасливания в результате попадания масла и его паров на узлы и обмотки генератора оценивают работоспособность системы защиты от замасливания и эффективность мероприятий по защите от замасливания.
11.4.10. Качество работы и состояние маслоохладителей на работающем оборудовании оценивают по косвенным признакам: расходу воды и перепаду температур воды на входе и выходе из маслованны, температурному режиму в зоне трения, температуре масла в маслованне, наличию воды или обводнению масла.
11.4.11. Периодически, в соответствии с графиком необходимо производить анализ качества масла и оценивать его потери из маслованн.
11.4.12. Проверке подлежит качество работы уплотнений вала в крышке и в выгородке маслованны. Оценивают способность уплотнений препятствовать попаданию масляных паров в вакуумную зону под ротором генератора, а так же возможность потерь масла из-за перелива через выгородку в переходных режимах.
11.4.13. Состояние маслопроводов и установленной на них арматуры оценивается по наличию протечек через сальники и фланцевые соединения. Путем опробования контролируется качество работы кранов, вентилей и задвижек.
11.4.14. Оценке состояния и проверке работоспособности подлежат устройства для наполнения и слива масла из маслованн и оборудование защитных устройств от переполнения, а также средства контроля (датчики, преобразователи): температуры, уровня и обводнения масла.
11.5.1. Стандарт устанавливает требования к оценке технического состояния оборудования системы перевода гидроагрегата в режим синхронного компенсатора, независимо от принятой схемы.
11.5.2. Оценку состояния системы в процессе эксплуатации производят на основании осмотров, данных эксплуатационной документации, учета имевшихся повреждений и дефектов, результатов проведенных испытаний.
Состояние системы перевода гидроагрегата в режим СК оценивают в соответствии с Приложением Ш, используя также рекомендации [14].
11.5.3. Состояние воздухосборников оценивают в соответствии с требованиями Правила устройства и безопасной эксплуатации сосудов, работающих под давлением [26].
11.5.4. Следует контролировать герметичность воздушной системы и камеры рабочего колеса. Для этого измеряют давление в пневмосистеме и камере через определенные интервалы времени. Измерения производятся с помощью манометров класса точности 0,4 и секундомера.
При контроле герметичности воздушной системы периодически измеряют давление в воздухосборниках в течение 2 ч с начала испытаний. Давление регистрируют по контрольному манометру, который устанавливают параллельно рабочему или вместо него. Испытания проводят при номинальном рабочем давлении в системе при полностью открытой ремонтной и закрытой рабочей запорной арматуре (клапанах, задвижках и др.).
Герметичность воздушной системы считается удовлетворительной, если через 2 ч после начала испытаний давление в воздухосборниках снизится не ниже давления уставки на включение компрессоров.
Проверку герметичности камеры рабочего колеса гидротурбины производят на остановленном гидроагрегате. Пуск сжатого воздуха в камеру осуществляют вручную. Воду отжимают до уровня, близкого к уровню колена отсасывающей трубы. Подача воздуха в камеру прекращают при давлении воздуха в камере РК, равном давлению водяного столба между отметками уровня нижнего бьефа и выбранного уровня отжатой воды.
Давление в камере фиксируют по контрольному манометру, устанавливаемому вместо рабочего на приборной доске в шахте турбины в точке «за направляющим аппаратом». После отключения подачи сжатого воздуха производят измерение давления в камере рабочего колеса и времени с интервалами, зависящими от интенсивности утечки воздуха.
11.5.5. При работе гидроагрегатов в режиме СК необходимо периодически контролировать утечку воздуха из камеры рабочего колеса, которая при обеспечении герметичности камеры зависит прежде всего от протечек воды через направляющий аппарат. Для осуществления такого контроля необходимо измерить время, за которое изменится давление в камере в одних и тех же пределах. Сравнивая утечки на отдельных гидроагрегатах, определяют, на каком из них ухудшается состояние уплотнения направляющего аппарата. Наносится зона нормальных утечек, значения которых определяют при наладке системы СК. Значения утечек, полученных при периодических измерениях на данном гидроагрегате, сравнивают со значениями нормальных утечек. В условиях эксплуатации удобнее оценивать утечки как повышение уровня в камере (м/ч) за фиксированный промежуток времени, но при этом следует учитывать изменение уровня нижнего бьефа.
11.5.6. На работающем гидроагрегате необходимо проводить осмотр воздухосборников, трубопроводов, компенсаторов, запорной арматуры, приводов на наличие утечек воздуха, механических повреждений, коррозионных повреждений. Следует также проводить испытание трубопроводов и запорной арматуры пробным давлением в соответствии с требованиями конструкторской документации или СТО ГЭС.
При работе гидроагрегата необходимо убедиться в соответствии фактического значения давления в системе значению, указанному в документации завода изготовителя.
11.5.7. Следует контролировать состояние промежуточных и анкерных опор воздухопроводов.
11.5.8. Необходимо контролировать надежность прокладок фланцевых соединений, уплотнений крышки и вала гидротурбины, цапф и лопаток направляющего аппарата.
11.5.9. Периодичность регулярных осмотров определяется техническими возможностями ГЭС, но не должна превышать 12 мес. для контроля герметичности воздушной системы. Контроль герметичности камеры рабочего колеса гидротурбины производят после ремонта. После ревизии и ремонта компрессоров следует производить проверку их производительности, уровня вибрации опорных конструкций и подшипниковых узлов, работы сальников и подшипников (температура, уровень и тон шума), тока электродвигателей.
11.5.10. Нормы на вибрацию компрессорных агрегатов (компрессор-двигатель) определены в документации завода изготовителя. В случае отсутствия документации двойная амплитуда вибрации подшипников электродвигателей, сочлененных с механизмами, не должна быть выше следующих значений [1, п. 5.2.10]:
|
Синхронная частота вращения, об/мин |
3000 |
1500 |
1000 |
750 и менее |
|
Двойная амплитуда колебаний, мкм |
30 |
60 |
80 |
95 |
11.5.11. Система автоматического управления режимом СК и автоматика компрессорных агрегатов должна обеспечивать осуществление необходимых технологических операций по управлению гидроагрегатом и его вспомогательным оборудованием при переходных и установившихся режимах работы в режиме СК в соответствии со своими техническими характеристиками, паспортными данными оборудования и результатами испытаний системы СК.
11.5.12. Испытания системы СК должны проводится после монтажа, перед вводом системы СК в эксплуатацию, после проведения реконструкции или модернизации как пневмосистемы, так и основного гидротурбинного оборудования, которая может вызвать изменение параметров процесса отжатия воды из камеры рабочего колеса.
Испытания и обработка результатов проводится в соответствии с Приложением Ш.
Таблица 16. Нормы контроля технического состояния системы перевода гидроагрегатов в режим СК
|
Узлы и детали |
Контролируемый параметр |
Пороговое значение |
|
Общее состояние системы |
Обеспечение перевода в режим СК Герметичность системы СК Герметичность камеры рабочего колеса Утечка воздуха в НБ Обмерзание узлов |
Не менее двух последовательных переводов агрегата в режим СК без восстановления давления в системе Время падения давления в системе до уставки включения компрессора не менее 2 ч. Определяется и назначается во время испытаний системы СК Определяется и назначается во время испытаний системы СК Не допускается |
|
Вохдухосборники |
Деформации, наличие трещин, степень коррозии и др. |
По заключению надзорного органа Ростехнадзора |
|
Компрессоры |
Производительность, уровни вибрации, посторонний шум, нагрев двигателей и пр. |
В соответствии с документацией завода изготовителя, в случае отсутствия в ней норм на вибрацию - общие нормы на вибрацию |
|
Трубопроводы |
Коррозионный износ Защемление в промежуточных опорах |
Не допускаются |
|
Анкерные и промежуточные опоры |
Трещины, выкрашивание бетона, подвижность заделки, деформации |
Не допускаются |
|
Компенсаторы |
Трещины, деформации не предусмотренные проектом |
Не допускаются. |
|
Фланцевые соединения |
Утечки, деформации, повреждения прокладок |
Не допускаются |
|
Запорная арматура: ремонтные задвижки, обратные клапана, клапана пуска воздуха, привода |
Утечки, механические повреждения |
Не допускаются |
|
«Подкачка»: клапан, воздуходувка |
Достаточность подкачки |
Включение не чаще одного раза в час. |
|
Система подачи воды на охлаждение лабиринтных уплотнений |
Работоспособность и достаточность |
В соответствии с нормами, назначенными по результатам испытаний |
|
Средства автоматизации |
Работоспособность, достаточность |
В соответствии с техническими характеристиками используемых средств |
11.6.1. Стандарт устанавливает требования к правилам и методам контроля и оценки технического состояния следующих конструктивных узлов системы механического торможения вертикальных гидроагрегатов: домкратов (тормозных цилиндров), тормозных трубопроводов, систем управления системой торможения.
11.6.2. Система торможения гидроагрегата получает воздух из общестанционной системы. Общестанционная система сжатого воздуха состоит из компрессорных установок, ресиверов, трубопроводов, запорной и регулирующей арматуры. Оценка состояния общестанционной системы производится на основании Правил устройства и безопасной эксплуатации сосудов, работающих под давлением [26].
11.6.3. Настоящий подраздел Стандарта включает требования к контролю и оценке технического состояния конструктивных узлов системы торможения гидроагрегата. Проверки производят на остановленном гидроагрегате.
11.6.4. Проверяют работу тормозных цилиндров (домкратов). Основными дефектами при работе тормозных домкратов являются: заедание в цилиндрах отдельных поршней; отсутствие перемещения в рабочем направлении и возврата в исходное положение при снятии давления; негерметичность поршня и соединений цилиндра с магистралью; интенсивный износ тормозных колодок; ослабление креплений домкратов и тормозного диска.
11.6.5. Герметичность тормозных цилиндров (домкратов) уплотнений соединительных фланцев тормозного трубопровода проверяют опрессовкой давлением, установленным заводом изготовителем, а при отсутствии таких данных - давлением, на 20 % превышающим давление, при котором ротор поднимается маслом на домкратах, при этом проверяется плавность и равномерность хода тормозных цилиндров (домкратов).
11.6.6. Ревизии отдельного тормозного цилиндра (домкрата), на котором при осмотре выявлен дефект, производят с его демонтажем со своего места, полной разборкой и осмотром трущихся частей и уплотнительных манжет.
11.6.7. После проведения любых работ, при которых производили демонтаж отдельных цилиндров, арматуры автоматики или участков трубопровода, необходимо испытать систему давлением масла, установленным заводом изготовителем, а при отсутствии таких данных - давлением, на 20 % превышающим давление, создаваемое перед домкратами при подъеме ротора.
11.6.8. Управление процессом торможения гидроагрегата следует осуществляться автоматически и вручную.
При автоматическом управлении торможение должно включаться и обеспечивать остановку гидроагрегата после снижения частоты вращения ротора до 30 % от номинальной (для гидрогенераторов, оснащенных ЭМП-сегментами подпятника, допускается включение торможения на более низких оборотах).
11.6.9. Торможение должно быть непрерывным с плавно нарастающим давлением. После остановки гидроагрегата давление в системе должно поддерживаться в течение 60 … 90 с. После остановки ротора и срабатывании клапана сброса давления тормозные колодки должны опуститься в исходное положение.
11.6.10. Для предотвращения пуска гидроагрегата с поднятыми тормозами, в схему включены контактные выключатели для блокировки и сигнализации о неготовности к пуску, установленные на всех тормозных цилиндрах, и общий электроконтактный манометр, подающий сигнал (звуковой, световой) о наличии давления воздуха в системе торможения. Необходимо контролировать исправность этих узлов.
11.6.11. Состояние автоматического клапана включения тормозов производят проверкой соответствия его технических параметров паспортным данным (по документации завода изготовителя).
11.6.12. При проверке технического состояния фрикционных накладок рабочей части тормозных колодок контролируют их толщину, которая не должна достигать минимальной предельной толщины, установленной заводом изготовителем, и иметь равномерный износ на всех тормозных колодках. Фрикционные накладки должны иметь прочное соединения с колодками, отсутствие местных следов износа и повреждений.
11.6.13. Биение тормозного диска гидрогенератора проверяется при прокрутках гидроагрегата монтажными методами по индикатору. Биение тормозного диска не должно превышать 3 мм для роторов диаметром до 9 м и 4 мм для роторов до 15 м.
11.6.14. Тормозные цилиндры (домкраты) должны обеспечивать возможность подъема ротора гидроагрегата при ремонтах и ревизиях от внешней маслонапорной установки. Гайки с рукоятками, которыми фиксируются грузовые площадки тормозов при подъемах ротора на длительное время, должны перемещаться по резьбе свободно, без заеданий.
11.6.15. Подъем ротора гидроагрегата на высоту до значения определенного заводской инструкцией гидрогенератора и согласованного с заводом изготовителем гидротурбины (обычно не более 15 мм) должен автоматически отключаться по сигналу концевого выключателя.
|
Правила технической эксплуатации электрических станций и сетей Российской Федерации. РД 34.20.501-03. Приказ Минтопэнерго России от 19.06.2003 № 49. Зарегистрировано в Минюсте России 20.06.2003, рег. № 4799. |
|
|
Правила работы с персоналом в организациях электроэнергетики Российской Федерации. Приказ Минтопэнерго России от 19.02.2000 № 49. Зарегистрировано в Минюсте России 16.03.2000, рег. № 2150. |
|
|
РД 34.45-51.300-97. Объём и нормы испытаний электрооборудования. НЦ ЭНАС, М., 2003. |
|
|
Термины и определения ОАО РАО «ЕЭС России». Справочник. Приказ ОАО РАО «ЕЭС России» от 11.05.2005 № 296. |
|
|
Сборник распорядительных материалов по эксплуатации энергосистем. Электрическая часть, Часть 1, М: СПО ОРГРЭС, 2002. |
|
|
Технические условия на монтаж гидроагрегатов./ЛФ Оргэнергострой. Утв. ГПТУС Минэнерго СССР, решение от 30.04.74 № 117. М., Информэнерго, 1975. |
|
|
Правила организации технического обслуживания и ремонта оборудования, зданий и сооружений электростанций и сетей (СО 34.04.181-2003) |
|
|
РД 34.45.501-88. Типовая инструкция по эксплуатации генераторов на электростанциях. Союзтехэнерго, 1989. |
|
|
РД 34.21-501. Типовая инструкция по эксплуатации механического оборудования гидротехнических сооружений. Союзтехэнерго, 1982. |
|
|
Р 50-605-80-93. Рекомендации по стандартизации. СРПП. Термины и определения. |
|
|
РД 34.31.601. Инструкция по центровке вертикальных гидроагрегатов |
|
|
РД 34.20.161. Рекомендации по проектированию технологической части гидроэлектростанций и гидроаккумулирующих электростанций. Утв. Приказом Минэнерго РФ от 30.06.2003 № 285. (* СО 153-34.20.161-2003). |
|
|
РД 34.31.501-97. Методические указания по эксплуатации подпятников вертикальных гидроагрегатов. |
|
|
Методические указания по переводу гидроагрегатов в режим синхронного компенсатора, 1986. |
|
|
Рекомендации по защите от коррозии и обрастания оборудования и металлоконструкций гидротехнических сооружений ГЭС. Л.: Энергия. 1981. |
|
|
РД 34.11.115-97. Положение о системе калибровки средств измерений в электроэнергетике. |
|
|
Стандарт Международной электротехнической комиссии, публикация № 609. IEC 60609. Турбины гидравлические, насосы гидроаккумулирующих станций и насос-турбины. Оценка кавитационных разрушений. |
|
|
Стандарт МЭК 4(ЦБ) 48. |
|
|
Справочник монтажника механического оборудования гидротехнических сооружений. Под ред. В.Я. Мартенсона. М., Энергоатомиздат, 1984. |
|
|
Справочник по гидротурбинам. Под ред. Н.Н. Ковалева. Л., ЛО «Машиностроение», 1984. |
|
|
Гидроэнергетическое и вспомогательное оборудование гидроэлектростанций. Справочное пособие. Т. 1. Основное оборудование гидроэлектростанций. Под ред. Ю.С. Васильева. Д.С. Щавелева. М., Энергоатомиздат, 1988. |
|
|
Гидроэнергетическое и вспомогательное оборудование гидроэлектростанций. Справочное пособие. Т. 2. Вспомогательное оборудование гидроэлектростанций. Под ред. Ю.С. Васильева. Д.С. Щавелева. М., Энергоатомиздат, 1990. |
|
|
Справочник по эксплуатации и ремонту гидротурбинного оборудования. Под ред. Е.П.Штерна. М., Энергоатомиздат, 1985. |
|
|
Эксплуатация гидроэлектростанций. Под ред. В.С.Серкова. М., «Энергия», 1977. |
|
|
European scale of degree of rusting for anticorrosive paints. Corrosion Committee of the Royal Swedish Academy of Engineering Sciences. Stockholm, 1961. |
|
|
ПБ 03-576-03. Правила устройства и безопасной эксплуатации сосудов, работающих под давлением. М., ПИО ОБТ, 2003. |
|
|
РД 34.11.101-96. Методические указания. Планирование работ по метрологическому обеспечению в отрасли «Электроэнергетика». Организация и порядок проведения. СПО ОРГРЭС, 1998. |
|
|
ВСН 029-70. Указания по расчету систем обогрева элементов механического оборудования гидротехнических сооружений. Минэнерго СССР. 1970. |
(обязательное)
Методические указания по эксплуатационным энергетическим испытаниям гидроагрегатов
Методические указания устанавливают условия и порядок проведения эксплуатационных энергетических испытаний гидроагрегатов гидроэлектростанций абсолютным и индексным методами, применяемые средства измерений, а также порядок обработки и представления результатов испытаний. Действие Методических указаний распространяются на гидроагрегаты с гидротурбинами различных типов, мощности и геометрических размеров.
Методические указания составлены на основе «Международного кода натурных приемо-сдаточных испытаний гидравлических турбин» и ГОСТ 8.439-81 «Расход воды в напорных трубопроводах».
А.1 Общие положения
А.1.1. Основной целью натурных энергетических испытаний гидроагрегатов является уточнение энергетических характеристик, необходимых для наиболее экономичной эксплуатации гидроагрегатов. При поставке на ГЭС гидротурбинного оборудования энергетические характеристики выдают заводы-изготовители по результатам пересчета с характеристик модельной гидротурбины. Вследствие не учитываемых при расчете факторов, а также отклонений при изготовления рабочих колес и проточной части гидротурбины фактические энергетические характеристики имеют отличия от пересчитанных с модельных и могут быть различны для отдельных гидроагрегатов той же ГЭС.
Эти различия в процессе эксплуатации могут увеличиваться вследствие неодинакового износа рабочих колес и проточной части и отклонений при восстановления профилей лопастей при ремонтно-восстановительных работах.
Натурные энергетические испытания агрегатов могут производиться также:
для определения эффективности модернизации и ремонтно-восстановительных работ на гидротурбинах;
для определения ограничений максимальной мощности из-за возникновения кавитационных явлений при понижении уровня нижнего бьефа;
для оптимизации комбинаторной связи поворотно-лопастных гидротурбин.
А.1.2. В результате испытаний можно получить следующие энергетические характеристики:
рабочую - зависимость КПД от мощности;
расходную - зависимость расхода воды через турбину от мощности;
эксплуатационную - зависимость КПД от мощности (или расхода воды) и напора;
мощностную - зависимость мощности от открытия регулирующих органов турбины.
А.1.3. В зависимости от целей испытаний может быть использован один из двух методов энергетических испытаний: абсолютный или индексный.
Абсолютный метод предусматривает определение фактических (абсолютных) значений КПД. При индексном методе определяется индексное или относительное значение КПД.
А.1.4. Известны несколько видов абсолютных методов испытаний, из которых наибольшее распространение получили метод «давление - время», метод «площадь - скорость» и термодинамический метод.
В отечественной практике испытаний гидротурбин, как правило, применяется метод «площадь - скорость», который и рекомендован Методическими указаниями. Это не исключает возможности освоения и применения других методов испытаний.
А.1.5. Метод «площадь - скорость» предусматривает измерение местных скоростей в мерном сечении. Интегрированием поля местных скоростей вычисляют среднюю скорость; ее значение умножают на площадь мерного сечения и таким образом определяют расход воды.
А.1.6. При испытаниях однотипных агрегатов в случае размещения мерного створа во входном сечении водоприемника гидротурбины может применяться упрощенный способ, представляющий собой модификацию метода «площадь - скорость». В этом случае средняя скорость определяется как среднеарифметическое значение скоростей, измеренных в отдельных точках сечения, умноженное на коэффициент коррекции, принимаемый единым для всех однотипных гидроагрегатов и определяемый по результатам испытаний одного из гидроагрегатов абсолютным методом.
А.1.7. Местные скорости измеряются гидрометрическими вертушками, которые могут быть установлены как в закрытом, так и в открытом водоводах. Для снижения погрешности измерений необходимо, чтобы поток в мерном створе удовлетворял требованиям по отсутствию в нем косоструйности, закручивания, несимметричности и повышенной турбулентности.
А.1.8. Сущность индексного метода испытаний заключается в определении условного или индексного КПД гидротурбины (гидроагрегата) путем измерения фактических значений мощности и напора и условной (относительной) величины расхода воды через гидротурбину. Вычисленный по результатам измерений КПД выражается в произвольно выбранных индексных величинах.
А.1.9. При индексном методе испытаний измеряется величина, пропорциональная фактическому расходу воды. Наибольшее распространение получил способ Винтера-Кеннеди, заключающийся в измерении перепада давления между двумя специально выбранными точками спиральной камеры турбины; при этом принимается, что расход пропорционален корню квадратному из значения перепада давления. Индексный метод не рекомендуется применять при расходах, меньших половины номинального.
А.1.10. При измерении расхода по способу Винтера-Кеннеди требуется наличие двух пьезометрических выводов в одном и том же радиальном сечении спиральной камеры, расположенном между статорными колоннами. Один вывод размещается на внешнем радиусе спирали, другой - на внутреннем радиусе у статорных колонн (рис. 1, а и б). Для повышения надежности измерения перепада обычно размещают несколько пьезометрических выводов. Это позволяет произвести уточнение показателя степени в формуле (5.7), принимаемого обычно на нетарированном створе равным 0,5.
А.1.11. Испытания индексным методом могут быть примены самостоятельно или совместно с абсолютным методом. Применение абсолютного метода позволяет произвести тарировку расходомерного пьезометрического створа, в котором определяют индексный расход,. и в последующем пересчитать индексный расхода на фактический. Поэтому сочетание обоих методов весьма эффективно при неоднократных испытаниях гидроагрегата, например, с целью установления его эксплуатационной характеристики.
Индексные испытания на нетарированном расходомерном створе в сочетании с модельными испытаниями гидротурбины позволяют установить форму рабочей характеристики турбины и применяются в основном для выявления изменений КПД гидротурбины с течением времени вследствие износа рабочего колеса и проточной части, после проведения ее капитального ремонта, изменения высоты отсасывания и т.д., а также для определения оптимальной комбинаторной зависимости поворотно-лопастных гидротурбин.
Рис. 1. Схема расположения пьезометрических выводов 1 и 2:
а
- в металлической спиральной камере (a
= 45 - 90°; b = ±130°; g
= 0 ± 45°);
б - в бетонной спиральной камере (a
= 20 - 50°)
А.2. Организация испытаний
А.2.1. Подготовительные работы
А.2.1.1. На основании типовой технической программы (приложения 1 - 3) должна быть составлена рабочая программа испытаний в которой указываются:
цель испытаний;
объем подготовительных работ - подготовка аппаратуры, схем измерения, изготовление необходимых для испытаний приспособлений, оборудование постов наблюдений;
режимы работы агрегатов;
порядок производства измерений;
данные о подготовке персонала к проведению испытаний (по производству измерений и выполнению мер безопасности);
расчет времени, необходимого на испытания, и время аварийной готовности агрегата.
Рабочую программу утверждает технический руководитель ГЭС по согласованию с заинтересованными организациями (завод-изготовитель турбины, проектная организация и др.).
А.2.1.2. В соответствии с программой испытаний и с учетом необходимости выполнения ряда подготовительных работ, требующих останова гидроагрегата, оперативный персонал ГЭС должен заблаговременно подать заявку в соответствующий диспетчерский центр.
А.2.1.3. При производстве испытаний абсолютным методом необходимо изготовить вертушечную раму. После установки вертушечной рамы в трубопроводе или перед опусканием ее в пазы водоприемника следует произвести установку лопастных винтов вертушек и проверку их контактной системы.
А.2.1.4. При применении упрощенного способа испытаний нескольких гидроагрегатов должны быть соблюдены следующие условия:
идентичность конструкции и одинаковые размеры входного сечения водоводов;
фиксированное положение вертушек относительно потока;
использование одних и тех же вертушек при испытании всех гидроагрегатов;
одинаковые режимы работы соседних с испытуемым агрегатов.
Рама для упрощенного способа испытаний должна перекрыть все измерительное сечение водоприемника.
А.2.1.5. До проведения испытаний следует обмерить мерные сечения для вертушечных измерений расхода воды. Ширину прямоугольного входного сечения спиральной камеры следует измерять не менее чем на пяти горизонталях, находящихся на одинаковом расстоянии одна от другой, металлической рулеткой с миллиметровыми делениями при осушенном от воды входном сечении.
Высоту прямоугольных сечений следует измерять металлической рулеткой, штангой или тросом с грузом не менее чем на пяти вертикалях, равно отстоящих одна от другой. Если такой обмер невозможен, указанные размеры принимаются на основании строительной технической документации.
А.2.1.6. Площадь мерного сечения круглого напорного трубопровода необходимо вычислить по результатам измерений не менее чем на четырех диаметрах. Если разность между двумя измерениями оказывается более 0,5 %, число измерений следует удвоить. Диаметр трубопровода принимают равным среднему арифметическому значению этих измерений.
Погрешность измерения линейных размеров при определении площади мерного прямоугольного сечения не должна превышать 0,2 %, а круглого - 0,1 %.
А.2.1.7. Перед измерением уровней воды в бьефах должно быть проверено исправное состояние водомерных реек, правильность показаний дистанционных датчиков уровня; нивелировкой или другими методами должны быть определены значения отметок, от которых должен производиться отсчет уровней бьефов с помощью рулетки.
А.2.1.8. Все используемые во время испытаний отборы давления должны быть проверены и промыты водой. В необходимых случаях следует произвести их продувку сжатым воздухом, а перед испытаниями произвести ревизию состояния пьезометрических выводов в спиральной камере: выводы и прилегающая к ним поверхность спиральной камеры должны быть очищены от наслоений ржавчины, грязи и заусенцев, пьезометрические отверстия должны быть откалиброваны сверлом диаметром 6 мм. После заполнения спиральной камеры водой все отборы давления должны быть промыты водой, изо всех трубок должен быть удален воздух и произведено подсоединение измерительных приборов.
А.2.1.9. На гидроагрегате, как правило, остановленном, следует произвести подключение ваттметра и счетчика активной энергии, а после пуска гидроагрегата проверить правильность их показаний по щитовым приборам. При последующих испытаниях следует подключать ваттметр к тем же трансформаторам, что и ранее.
А.2.1.10. После установки приборов и проверки их показаний руководитель испытаний должен произвести инструктаж всех участков испытаний, во время которого предупредить о необходимости выполнения мер безопасности и проверить выполнениетехнических мероприятий в соответствии с требованиями ПТБ.
А.2.2. Порядок проведения испытаний
А.2.2.1. Руководитель испытаний непосредственно перед их началом должен согласовать с оператором ГЭС программу испытаний и уточнить все вопросы, связанные с режимами работы испытываемого гидроагрегата. В процессе испытаний необходимый режим работы гидроагрегата поддерживается строго стабильным в течение всего времени измерений.
А.2.2.2. Испытания всех типов гидротурбин проводят идентично. При этом на поворотно-лопастных гидротурбинах устанавливают комбинаторную связь, соответствующую напору, при котором проводятся испытания. При определении оптимальной комбинаторной зависимости комбинаторную связь разобщают.
Для предупреждения существенных изменений напора в ходе испытаний следует поддерживать постоянную нагрузку на ГЭС, для чего изменения нагрузки на испытуемом гидроагрегате следует компенсировать соответствующим изменением нагрузки на других агрегатах, по возможности наиболее удаленных от испытуемого.
А.2.2.3. При испытаниях следует устанавливать ряд режимов по нагрузке агрегата в пределах от 30 - 40 % до максимального значения, а при испытаниях абсолютным методом - от холостого хода.
Изменение нагрузки производить ступенями через 5 - 7 %, в рабочей зоне нагрузок ступени должны быть меньше, чем в нерабочей зоне. Необходимую нагрузку агрегата устанавливать изменением положения регулирующих органов с помощью ограничителя открытия строго в направлении открытия от минимальной до максимальной нагрузок. В необходимых случаях, например, для проверки наличия люфтов в регулирующих органах, следует произвести измерения при обратном ходе. При этом после установки максимальной нагрузки производить снижение нагрузки ступенями при повороте рукоятки ограничителя открытия строго в сторону закрытия.
Для получения достаточно представительного ряда измерений следует задавать не менее 10 значений нагрузки как для прямого, так и для обратного хода.
А.2.2.4. Выполнение измерений следует начинать через 2 - 3 мин после установления нагрузки. При протяженном водоподводящем тракте время выдержки следует увеличить до 5 - 15 мин. Измерения производят в течение 1 - 2 мин.
При этом определяют среднеинтервальное значение каждого измеряемого параметра.
А.2.2.5. Для исключения во
время испытаний случайных неверных записей показаний приборов в процессе
испытаний или сразу же по окончании всех измерений следует произвести косвенный
контроль достоверности полученных результатов. Для этого используют
функциональные зависимости между измеряемыми параметрами
или P
= f(S), где S - ход штока сервомотора направляющего
аппарата.
При отклонении измеренного значения в точке на величину, превышающую погрешность измерений, производятся повторные измерения при той же или близкой нагрузке. При этом сохраняется прежний порядок установки нагрузки.
А.3 Выполнение измерений
А.3.1 Напор
А.3.1.1 Напор гидроустановки (ГЭС) определяется разностью осредненных по сечению значений удельной энергии воды в верхнем и нижнем бьефах ГЭС (рис. 2, а):
где коэффициенты кинетической энергии a0 и a2 обычно принимаются равными единице, Z0 и Z2 - уровни воды в сечениях 0 и 2.
Рис. 2. Схема определения напора:
а - для
низконапорной реактивной турбины; б - для высоконапорной реактивной
турбины;
в - для ковшовой турбины
При измерении уровня в верхнем бьефе (ВБ) на некотором удалении от входа в водоприемник, где скоростной напор близок к нулю (сечение «0»), и уровня в нижнем бьефе (НБ) на удалении от выхода из отсасывающей трубы (сечение 3), где уровень имеет максимальное значение, напор определяется выражением
Нг = ÑВБ - ÑНБ. (4.2)
Напор гидротурбины в общем случае определяется напором ГЭС за вычетом потерь напора, т.е.
Нт = Нг - Нw. (4.3)
Напор гидротурбины в низконапорных гидроэлектостанциях может быть определен по измерениям уровней воды в сечениях 1 и 2 или 1 и 3 (рис. 2, а):
(4.4)
или
(4.4)
Для высоконапорных реактивных турбин напор турбины определяется выражением (рис. 2, б)
(4.5)
где Р1 - манометрическое давление с учетом отметки установки манометра.
Напор ковшовой гидротурбины определяется выражением (рис. 2, в)
(4.5)
Для деривационных гидроэлектростанций, особенно с общим для нескольких агрегатов деривационным водоводом, определяют напор блока, который равен напору ГЭС за вычетом потерь напора в деривации. Напор блока измеряется по уровню воды в напорном бассейне (при открытой деривации) или уравнительном резервуаре (при напорной деривации) с учетом скоростного напора в водоводе в точке измерения уровня.
А.3.1.2. Для измерения уровней в бьефах применяются водомерные рейки и дистанционные приборы пульта управления ГЭС. Рейки устанавливаются в каждом подводящем водоводе испытываемой гидротурбины. Нули реек должны быть привязаны нивелировкой к одному общему реперу ГЭС.
Для измерения уровней могут быть использованы штатные уровнемеры. В этом случае перед испытаниями они должны быть проверены с целью определения соответствия их показаний фактическим значениям уровней воды.
А.3.1.3. Для измерения давления в водоводах и проточном тракте турбин могут применяться пружинные манометры, пьезометры, дифференциальные манометры и грузопоршневые манометры.
Пружинные стрелочные манометры могут применяться для измерения давления в точках напорного тракта при отсутствии существенных пульсаций давления. Класс точности используемых приборов должен быть не ниже 0,6. Допустимо применять манометры более низкого класса точности с обязательной их проверкой по уровню верхнего бьефа на остановленном агрегате. Измеряемое давление должно находиться в диапазоне 0,5 - 0,8 предела измерения прибора.
При выборе мест для подключения приборов по измерению давления в водоводах необходимо придерживаться следующих рекомендаций:
участок должен быть прямолинейным с гладкими стенками;
неравномерность потока на данном участке должна быть минимальной;
отбор давления производить в точке на горизонтальной или вертикальной (вверху) оси водовода.
Для измерения среднего давления на входе в спиральную камеру турбины следует использовать осредняющие кольца с отверстиями, соединяющими несколько точек по окружности водовода.
Для повышения точности измерения давления при его колебаниях рекомендуется применять демпфирующие устройства. Они должны быть абсолютно симметричными, т.е. обладать одинаковым сопротивлением потоку в обоих направлениях.
Пьезометры для измерения давления (или разности давлений) должны выполняться с соблюдением следующих требований:
трубки пьезометров должны иметь непрерывный подъем без петель и прогибов во избежание скопления воздуха;
в верхней части пьезометрической системы должен быть предусмотрен клапан для выпуска скапливающегося в трубках воздуха;
система пьезометрических измерений не должна иметь протечек.
Рис. 3. Схема соединения грузопоршневого манометра с дифманометром
При измерении давления с помощью дифференциального манометра одну его полость соединяют с пьезометрическим выводом испытываемой турбины, а другую - с аналогичным выводом соседней неработающей турбины. Для этой цели могут применяться как ртутные U-образные дифманометры, так и обратные U-образные водовоздушные дифманометры, а также электрические дифманометры.
Для точного измерения давления в напорных водоводах могут применяться грузопоршневые манометры МП-60. Возможны две схемы их подключения: непосредственного соединения с выводом или через дифманометр (рис. 3). Вторая схема соединений более предпочтительна при существенных пульсациях давления.
А.3.2. Мощность
А.3.2.1. При энергетических испытаниях гидротурбин производят измерение мощности гидрогенератора, по которой при известном КПД генератора определяют мощность на валу турбины.
А.3.2.2. Мощность трехфазных генераторов при возможной несимметричной нагрузке фаз может измеряться с помощью трех однофазных ваттметров. Однако более распространенной является схема измерения с помощью двух однофазных ваттметров (рис. 4), обеспечивающая измерение всей активной мощности трехфазной системы независимо от нагрузки фаз. Для измерения необходимы два трансформатора тока и два трансформатора напряжения, соединенные по схеме открытого треугольника. Трансформаторы должны иметь класс точности не ниже 0,5; ваттметры - 0,2. Измеренная мощность (Р, Вт) определяется по формуле
Р = Ктт × Ктн × (W1 + W2) × n, (4.6)
где Ктт и Ктн - коэффициенты трансформации трансформаторов тока и напряжения;
W1 и W2 - показания ваттметров;
n - цена деления шкалы приборов.
А.3.2.3. Для измерений может применяться трехфазный ваттметр, представляющий собой по существу схему двух однофазных ваттметров с одной общей подвижной частью. Класс точности приборов должен быть 0,2 - 0,5.
Для обеспечения необходимой точности измерений необходимо следить за тем, чтобы нагрузка измерительных трансформаторов не превышала номинального значения для данного класса.
Рис. 4. Схема измерения активной мощности в трехфазных цепях двумя однофазными ваттметрами
А.3.2.4. Для определения среднеинтервального значения мощности могут быть использованы трехфазные счетчики активной энергии класса точности 0,5 - 1,0. При этом подсчитывают количество оборотов диска за единицу времени (секунду), которое умножают на постоянную счетчика и коэффициенты трансформации трансформаторов тока и напряжения. При использовании электронных цифровых счетчиков приращение выработки электроэнергии определяют непосредственно по цифровому указателю.
А.3.3. Перепад давления в спиральной камере
А.3.3.1. Измерение перепада давления производится с помощью дифманометров различных типов. При больших перепадах давления (более 3 м вод.ст.) следует применять U-образные ртутные дифманометры (рис. 5, а). Разность давлений (Р, м вод.ст.) вычисляют по формуле
DР = g(rрт - r)h, (4.7)
где r и rрт - плотность воды и ртути.
А.3.3.2 При перепадах давления менее 3 м вод.ст. следует применять обратные U-образные водовоздушные дифманометры (рис. 5, б), выполненные из калиброванных стеклянных трубок, соединенных резиновыми шлангами. Воду из верхней части трубок следует отжимать сжатым воздухом из пневмосистемы низкого давления или с помощью насоса.
Рис. 5. Схема измерения перепада давления в спиральных камерах турбин с помощью дифманометров:
а - обратного U-образного водовоздушного дифманометра; б - U-образного ртутного дифманометра
При использовании водовоздушных дифманометров для измерения больших перепадов давления (5 - 10 м вод. ст) целесообразно применять чашечный дифманометр (рис. 6). Одно колено в нем выполнено из тонкой стеклянной трубки (диаметром 10 - 12 мм), а другое содержит металлический сосуд (чашу), уровень воды в котором определяют с помощью стеклянной трубки. Площадь сосуда в 100 и более раз больше площади поперечного сечения трубки. Воду из верхней части сосуда с помощью сжатого воздуха отжимают таким образом, чтобы при равных давлениях в коленах уровень воды находился в средней части сосуда. С повышением расхода воды уровень воды изменятся практически только в стеклянной трубке.
А.3.3.3. Для измерения перепада давления могут быть также использованы электрические дифманометры класса точности 0,5 - 1,0 в сочетании со стрелочным или регистрирующим миллиамперметром класса точности 0,5. Регистрация позволяет упростить отсчет показаний и повысить точность измерений малых перепадов давления.
3.4. Расход воды
А.3.4.1. Определение расхода воды на гидроэлектростанциях производят методом «площадь-скорость» по измерениям местных скоростей гидрометрическими вертушками.
На низконапорных ГЭС мерное сечение располагают обычно во входном сечении водоприемника турбинного водовода; на средне- и высоконапорных ГЭС - преимущественно в напорных трубопроводах.
А.3.4.2. При измерениях расхода воды в водоприемнике прямоугольного сечения мерный створ должен быть замкнутым и должен удовлетворять основным требованиям гидрометрии: поток, проходящий через это сечение, должен быть прямолинейным и должен иметь направление скоростей, перпендикулярное сечению, при минимальной пульсации скорости.
Рис. 6. Чашечный дифманометр

Рис. 7. Схема дифманометра с трубами большого диаметра:
1 - стеклянные трубки; 2 - металлические трубки; 3 - шкала
А.3.4.3. Гидрометрические вертушки должны быть расположены в мерном створе таким образом, чтобы направление потока, натекающего на вертушку, не превышало 10 град. Практически у порога и на верхних горизонталях углы натекания могут составлять более 10 град, поэтому следует применять компонентные вертушки (ГР-21, ГР-55, ГР-99).
А.3.4.4. Для обеспечения достаточно точного измерения расхода воды через турбину необходимо определенное насыщение мерного створа гидрометрическими вертушками. Количество точек измерения в прямоугольном створе определяют из соотношения
(3.8)
где F - площадь сечения, м2;
М - количество вертушек, равное количеству точек измерения.
Весь мерный створ разбивают вертикальными и горизонтальными линиями, пересечение которых определяет положение точек измерения. Крайние вертикали и горизонтали выбирают как можно ближе к стенкам водоприемника. Пример расположения измерительных точек в мерных сечениях приведен на рис. 8.
При упрощенном способе испытаний количество точек измерения выбирают в четыре - пять раз меньше, чем по (3.8). Вертушки размещают равномерно по измерительному сечению.
Рис. 8. Пример расположения мерных точек в сечении водовода турбины
Рис. 9. Однорядная вертушечная рама
А.3.4.5 При измерении скоростей в водоприемниках вертушки устанавливают на горизонтальной сварной раме. Рама может быть однорядной (рис. 9) или многорядной. Рама должна быть достаточно прочной и обтекаемой.
А.3.4.6 Рекомендуется применять точечный способ измерений, когда при каждом режиме работы турбины предусматривается последовательная установка рамы и измерение скоростей на отдельных горизонталях в пределах полной высоты мерного створа. Допускается применять и интегральный способ измерений.
А.3.4.7 Для перемещения вертушечных рам используют подъемные краны ГЭС или электрические лебедки. Требуемые положения рамы должны быть заранее размечены по тросу или электрическому кабелю, связывающему вертушки с регистрирующим устройством. В качестве последнего могут применяться хронографы, шлейфовые осциллографы или специальные счетчики импульсов.
А.3.4.8. При измерении расхода воды в напорных трубопроводах круглого сечения мерный створ выбирают на прямых участках трубопровода, где измеряемые скорости находятся в пределах рабочего диапазона гидрометрических вертушек. Длина прямого участка вверх по потоку должна быть не менее 20 диаметров, а длина между мерным створом и местным сопротивлением, расположенным ниже по потоку, должна быть не менее 5 диаметров.
А.3.4.9. В круглом сечении минимальное число точек измерений должно быть 13. Точки располагают на пересечении двух взаимно перпендикулярных диаметров, проведенных под углом 45 град к горизонтали. На каждом радиусе берут не менее трех точек, не считая контрольной, расположенной в центре трубопровода.
Крайние точки располагают как можно ближе к стенкам трубопровода, однако расстояние между стенкой и осью вертушки не должно быть менее 0,75 диаметра ротора вертушки. Количество точек (М) на одном радиусе определяются из соотношения
(3.9)
где R - радиус трубопровода.
Рис. 10. Схема расположения вертушек в круглом трубопроводе
На рис. 10 показано расположение точек измерений с установкой в мерном створе круглого трубопровода вертушек ГР-55 и ГР-21 в зависимости от числа точек измерений на радиусе. В табл. 1 приведены относительные длины радиусов измерительных окружностей при числе точек измерений на радиусе от 3 до 8. (Здесь rм - радиус измерительной окружности вертушки, ближайшей к стенке трубопровода).
А.3.4.10. Местные скорости потока можно измерять параллельным и интеграционным способами.
При параллельном способе измерений в мерном створе устанавливают стационарную раму с гидрометрическими вертушками. В зависимости от диаметра трубопровода она может состоять из двух или трех штанг. В качестве примера на рис. 11 показана стационарная рама из двух штанг.
При интеграционном способе непосредственно измеряют средние скорости на окружностях круглого сечения. Для этого применяют поворотную раму. Приводом рамы должен быть электродвигатель, который через редуктор поворачивает раму на один оборот.
А.3.4.11. Для исключения влияния пульсаций скорости на точность измерения продолжительность измерения местной скорости должна быть не менее 100 с.
Для точного отсчета временных интервалов на регистратор должны быть заведены сигналы отметчиков времени. Погрешность определения заданного интервала не должна превышать 0,2 %.
Рис. 11. Стационарная батарея
А.3.5. Положение регулирующих органов турбины
А.3.5.1. Измерение открытия направляющего аппарата и угла разворота лопастей поворотно-лопастных гидротурбин производят по шкалам сервомоторов. При этом используют тарировочные зависимости указанных параметров от хода штока сервомотора направляющего аппарата и от указателя угла на маслоприемнике, после монтажа оборудования или окончания капитального ремонта при осушенном проточном тракте турбины.
А.3.5.2. Для повышения точности отсчета к штатной шкале указателей рекомендуется поставить миллиметровую линейку или наклеить на шкалу миллиметровую бумагу. Целесообразно одновременно производить измерения открытий регулирующих органов по указателям на колонке регулятора частоты вращения.
А.4. Обработка материалов испытаний
А.4.1. Вычисление расхода воды
А.4.1.1. Расход воды вычисляется как произведение средней скорости потока на площадь поперечного сечения мерного створа; при этом принимают направление скорости перпендикулярно плоскости сечения. Среднюю скорость вычисляют интегрированием поля местных скоростей, заданного в виде эпюры скоростей в сечении потока. В практике измерения расходов воды на ГЭС наибольшее применение нашел метод графо-аналитического интегрирования поля местных скоростей, являющийся разновидностью метода графического интегрирования. Ниже приведена последовательность вычисления расхода воды указанным методом.
Значение местной скорости в каждой точке измерения определяют по частоте вращения вертушечной лопасти, определяемой по числу замыканий контактов вертушки в единицу времени. По частоте вращения, пользуясь градуировочной характеристикой вертушки, определяют значение скоростей в каждой точке измерения.
А.4.1.2. Вычисление расхода воды в водоводах прямоугольного сечения выполняется следующим образом.
Для каждой измерительной горизонтали строится эпюра скоростей как зависимость скорости от расстояния до стенки водовода (рис. 13), и подсчитывается площадь эпюры. Она состоит из двух частей, одна из которых заключена между двумя крайними измеренными скоростями, а другая образована пристеночными зонами между стенкой и крайней измеренной скоростью. Площадь пристеночных зон (S 41 0) с двух сторон измерительной горизонтали вычисляют по приближенной формуле
(5.2)
где m - коэффициент, определяемый экспериментально в соответствии с ГОСТ 9.439-81. При отсутствии экспериментальных данных можно принимать m = 7;
Vу - местная скорость в крайних точках измерительной горизонтали на расстоянии у от ближайшей стенки. Площадь остальной части эпюры может быть определена графически планиметром или графо-аналитическим методом.
Средняя скорость на горизонтали (V, м/с) определяется выражением
(5.3)
где
и
-
площади пристеночных зон.
Рис. 13. Эпюры скоростей в мерном створе прямоугольного сечения
Строят график зависимости V от высоты измерительного сечения (см. рис. 13). Площадь эпюры S4 между крайними горизонталями определяют графо-аналитическим методом, а площади пристеночных зон вычисляют по формуле
(5.2)
где Vу - средняя скорость на крайних горизонталях.
Средняя в сечении скорость (Vср, м/с) определяется выражением
(5.3)
Расход воды численно равен произведению средней скорости на площадь сечения мерного створа.
А.4.1.3. При вычислении расхода воды в круглом трубопроводе средняя скорость потока (Vср, м/с) определяется суммой двух интегралов
(5.4)
где rм - радиус окружности, на которой расположены точки измерения, ближайшие к стенке (рис. 14, а);
- средняя скорость на
окружности радиусом r.
Средние скорости V на измерительных окружностях вычисляют как среднеарифметическое местных скоростей, определенных на каждой окружности.
Строят график зависимости V от (r/R)2 от r = 0 до r = rм (рис. 14, б). Площадь полученной эпюры определяют методом трапеций. Так, при установке трех вертушек на радиусе площадь эпюры до крайней измеренной точки будет равна
![]()
где а = (r1/R)2; b = (r2/R)2 - (r1/R)2; c = (r3/R)2 - (r2/R)2
Площадь эпюры (S2) в пристеночной зоне вычисляется по приближенной зависимости
(5.5)
Рис. 14. Графики для определения расхода воды в круглом трубопроводе:
а
- схема расположения измерительных окружностей; б - кривая зависимости
от ![]()
где m - коэффициент, определяемый экспериментально (m = 4 - 10); при отсутствии экспериментальных данных рекомендуется принимать m = 7;
-
средняя скорость в ближайшей к стенке точке измерения.
Средняя скорость потока численно равна сумме площадей S1 и S2, а расход - произведению средней скорости на площадь поперечного сечения трубопровода.
А.4.1.4. Для вычисления расхода воды при упрощенном способе испытаний обязательно должен быть испытан агрегат с протарированным створом спиральной камеры. По результатам испытаний с одновременным измерением скоростей потока и перепада давления производят вычисление расхода воды в соответствии с выражением (5.7) и среднеарифметического значения скорости (V)
(5.6)
где vi - скорость в i-й точке измерения; М - число точек измерения.
5.1.5. Делением расхода воды на площадь мерного сечения вычисляют среднюю скорость (vcp, м/с) и определяют коэффициент коррекции a
(5.6¢)
Полученное значение a распространяется на все агрегаты, и расход воды определяется выражением
(5.6²)
где F - площадь мерного сечения, м2.
А.4.2. Определение параметров тарировочного уравнения расходомерного створа спиральной камеры
А.4.2.1. Связь между расходом воды и перепадом давления в спиральной камере определяется тарировочным уравнением расходомерного створа:
Q = К × hn, (5.7)
где К - тарировочный коэффициент;
n - показатель степени.
А.4.2.2. Определение численных значений параметров тарировочного уравнения производят по результатам одновременных измерений расходов воды и перепада давления. Для проверки постоянства параметров уравнения в диапазоне измерения расходов строят зависимость lgQ = f(lgh) (рис. 15), представляющую прямую линию. Точки, отклоняющиеся от прямой за пределы зоны погрешностей, должны быть исключены из дальнейшей обработки (например, точки 1, 2 на рис. 15). При отсутствии разброса точек от прямой значения К и n могут быть определены непосредственно из графика.
(5.8)
Рис. 15. Тарировочная характеристика расходомерного створа спиральной камеры в логарифмических координатах
(5.9)
где М - число измерений.
А.4.3. Вычисление напоров
А.4.3.1. Напор гидроустановки (напор - брутто) вычисляется как разность уровней верхнего и нижнего бьефов, и только в тех случаях, когда измерение нижнего бьефа производится непосредственно на выходе из отсасывающей трубы испытуемого агрегата, учитывается скоростной напор по формуле (4.1).
А.4.3.2. Для определения напора турбины (напор - нетто) во всех случаях рекомендуется пользоваться формулой (4.3), предварительно определив зависимость потерь напора от расхода воды. Потери напора для низконапорных турбин (см. рис. 2,а) определяются зависимостью
(5.10)
Рис. 16. График зависимости потерь напора в турбинном водоводе от расхода воды
а для высоконапорных турбин (см. рис. 2, б) - зависимостью
(5.10¢)
Вычисленные значения потерь напора наносят на график в поле координат Hw - Q, по которым проводится параболическая кривая Hw = С × Q2 (рис. 16). Значение коэффициента С определяется по методу наименьших квадратов выражением
(5.11)
А.4.4. Порядок построения основных энергетических характеристик при абсолютном методе испытаний
А.4.4.1. Для окончательного расчета энергетических характеристик должны быть использованы тщательно проверенные результаты измерений, приведенные к постоянному напору и номинальному значению частоты вращения. При отклонении частоты вращения гидроагрегата от номинального значения более чем на 0,5 % производят пересчет измеренного значения напора по формуле
где индекс ч относится к измеренным значениям частоты и напора, а индекс п - к номинальному значению частоты и приведенному к ней напору.
При отклонениях напора от среднего или заданного значений в пределах ±3 % выполняют пересчет измеренных значений мощности и расхода воды по формулам подобия
(5.14¢)
где Qпр, Рпр - расход и мощность, приведенные к постоянному напору Нпр.
А.4.4.2. После внесения необходимых корректировок измеренных значений расхода и мощности строят контрольные графики зависимости расхода и мощности от открытия направляющего аппарата. Для дальнейших расчетов оставляют точки, не выходящие за пределы зоны максимальных погрешностей измерений.
По указанным точкам выполняют построение расходной характеристики гидроагрегата для постоянного напора ГЭС или напора гидроагрегатного блока (для деривационных ГЭС с общим для нескольких агрегатов деривационным водоводом) (рис. 18).
Рис. 18. Расходная характеристика гидроагрегата (1) и турбины (2)
Коэффициент полезного действия гидротурбинного блока (hбл) вычисляют по формуле
(5.15)
Для деривационных ГЭС с общим для нескольких агрегатов водоводом вместо напора Нг для расчетов используют напор Нбл, КПД гидроагрегата (hа) вычисляют по аналогичной формуле
(5.15¢)
Для представления рабочей характеристики гидроагрегата и турбины при постоянном напоре турбины расход и мощность должны быть приведены к этому напору по формулам (5.14) и (5.14).
Для определения характеристик турбины необходимо знать зависимость КПД генератора (hг) от мощности для cos j, при котором выполнены испытания. Указанная зависимость принимается либо по данным натурных испытаний, либо при отсутствии таковых по гарантиям завода-изготовителя генератора.
Вычисляют значения КПД и мощности гидротурбины:
hт = hа/hг; (5.16)
Nт = Р/hг. (5.17)
По вычисленным значениям выполняют построение рабочих характеристик блока, агрегата и турбины (рис. 19), а также расходной характеристики турбины для постоянного значения напора турбины (см. рис. 18).
Рис. 19. Рабочие характеристики гидротурбинного блока (1), гидроагрегата (2) и гидротурбины (3)
Для проверки соответствия расходных и рабочих характеристик необходимо иметь в виду, что точка Ро на касательной, проведенной из нуля к расходной характеристике, соответствует максимальному значению КПД.
А.4.4.3. Для построения эксплуатационной характеристики необходимо иметь результаты испытаний как минимум при трех напорах. Для удобства использования характеристики эксплуатационным персоналом ГЭС ее построение выполняют в координатах Нг-Р, т.е. представляют эксплуатационную характеристику гидротурбинного блока.
Для построения характеристики предварительно строят серии рабочих и расходных характеристик для постоянных значений напора Нг (рис. 20). При значениях КПД в целых числах определяют соответствующие им значения мощности. Полученные точки наносят в поле координат Нг-Р и по ним строят линии равных КПД. Координаты линий равных расходов определяют по серии расходных характеристик.
На эксплуатационную характеристику (рис. 21) наносят линии ограничения максимальной мощности. Вертикальная линия соответствует максимальной мощности генератора, а наклонная - турбины.
Последняя наносится по результатам натурных испытаний с учетом гарантий завода-изготовителя. Пересечение линий соответствует расчетному напору ГЭС.
С эксплуатационной характеристики турбины на построенную характеристику могут быть также перенесены линии допустимых высот отсасывания.
Рис. 20. Рабочие и расходные характеристики гидротурбинного блока для трех напоров
Рис. 21. Эксплуатационная характеристика гидротурбинного блока:
1
- линия равных КПД; 2 - линия равных расходов; 3 - линия
ограничения мощности генератора;
4 - линия ограничения мощности турбины
А.4.4.4. Эксплуатационная характеристика является основой для построения остальных энергетических характеристик (удельных расходов воды, относительных приростов и т.д.). Так, по желанию заказчика могут быть представлены серии характеристик удельных расходов воды q = f(Р) для постоянных значений напоров. Удельный расход определяется выражением
м3/МВт×ч (5.18)
Он является мерой энергетической эффективности использования стока, т.е. затрат энергоносителя (воды) на выработку электроэнергии. Наиболее экономичный режим работы агрегата соответствует минимальному значению удельного расхода.
А.4.5. Определение КПД при индексном методе испытаний
А.4.5.1. В случае, когда численные значения параметров тарировочного уравнения расходомерного створа спиральной камеры определены предшествующими испытаниями абсолютным методом, по уравнению (5.7) производят вычисление расхода воды по измеренным значениям перепада давления. Последующие расчеты и построение характеристик производят так же, как и при абсолютном методе испытаний (п. 5.4).
А.4.5.2. При проведении испытаний на нетарированном створе принимают наиболее вероятное значение показателя степени n = 0,5 (если нет других данных, свидетельствующих, что n ≠ 0,5). По измеренным значениям перепада давления вычисляют индексное значение расхода воды
(5.19)
где k - масштабный коэффициент, значение которого может быть принято любым, в том числе равным единице.
При подсчете по приведенной формуле следует помнить, что не всегда показатель степени равен 0,5. Часто значения показателя степени составляют от 0,48 до 0,52 и характерны в основном для полуспиральных конструкций спиральных камер. Для стальных спиральных камер полного охвата отклонение показателя степени находится в пределах 0,49 - 0,51 при 95 % доверительной вероятности.
Эффект изменения показателя степени отражается на форме кривой относительного КПД, поэтому при проведении испытаний с целью уточнения рабочих характеристик гидротурбины следует использовать результаты дополнительных испытаний с использованием двух независимых пар отборов давления, а также произвести сопоставление получаемой характеристики относительного КПД с рабочей характеристикой, пересчитанной с модельной.
А.4.5.3. При отклонении частоты вращения от номинального значения выполняют пересчет значений Qи, Н и Р по формулам (5.12) и (5.13), а при отклонениях напора от среднего - по формулам (5.14), (5.14).
Так же как и при абсолютном методе, производят построение контрольных графиков и отбор действительных точек для последующих расчетов, а затем строят кривую зависимости индексного значения расхода от мощности.
По всем действительным точкам производят вычисление индексного КПД блока (Аηбл):
По полученным точкам строят индексную рабочую характеристику блока, которая должна представлять собой плавную линию, осредняющую нанесенные точки в пределах допустимой погрешности. На построенной индексной рабочей характеристике находят точку Ро с максимальным значением КПД (Аηбл)макс. Все найденные индексные значения КПД могут быть пересчитаны в относительные значения КПД (h*):
по которым строят рабочую характеристику в относительных единицах КПД.
А.4.5.4. Для вычисления потерь напора и определения рабочей характеристики турбины принимается, что максимальное значение КПД турбины равно гарантированному значению КПД для данного напора. При этом для ПЛ-турбин комбинаторная зависимость должна соответствовать оптимальной. Пользуясь паспортными данными генератора, определяют КПД генератора для мощности Ро. Определение расхода воды, соответствующего мощности Ро, выполняют методом итераций.
На первом шаге считают, что потери напора в подводящем тракте равны измеренному значению потерь Нw1 при мощности Ро или при перепаде давления hо.
Тогда Нт1 = Нг - Нw1
Для найденного значения напора турбины по заводской эксплуатационной характеристике турбины при нагрузке Nо = Ро/ηг определяют КПД турбины ηт и вычисляют величину расхода
Qo1 = 102×Po/g×hт×hг×Нг1
и скоростной напор
,
где F - площадь сечения в месте установки манометра.
На втором шаге производят следующие вычисления:
Hw2 = Hw1 - Hv1;
Hт2 = Hг - Hw2;
Qo2 = 102×Po/g×hт×hг×Нг2;
.
Вычисления повторяют до тех пор, пока не будет выполнено условие (Qoi/Qo(i+1) - 1)×100 % £ e, где e - желаемая степень приближения, например, 0,5 %.
После выполнения заданного условия значение расхода, определенное на последнем шаге, принимается за истинное и определяется тарировочный коэффициент расходомерного створа спиральной камеры
По измеренным значениям перепада давления производят вычисление абсолютных значений расхода воды, после чего и построение энергетических характеристик производят так же, как и при абсолютном метод испытаний.
А.4.5.5. Полученные в результате расчетов рабочие характеристики турбины и блока представляют зависимость абсолютных значений КПД от мощности. Однако следует помнить, что испытания индексным методом не устанавливают абсолютные значения КПД и на характеристиках следует указывать, что они получены из условия равенства максимальных значений КПД турбины гарантированному заводом значению.
Все полученные рабочие характеристики могут быть представлены в относительных значениях КПД, которые определяются их отношением к максимальному значению КПД турбины.
А.4.6. Оценка погрешностей
А.4.6.1. Для оценки зоны неопределенности энергетических характеристик, получаемых в результате испытаний, должны быть указаны погрешности результатов измерений.
Все погрешности подразделяются на систематические и случайные. Первые из них имеют характер постоянных составляющих, и в тех случаях, когда они могут быть предсказаны, учитываются в окончательном результате измерений. К такому типу погрешностей может быть отнесена неточность нуля отсчета. Непредсказуемые систематические погрешности чрезвычайно трудно обнаружить, поэтому невозможно скорректировать результат измерения.
Случайная погрешность измерения легко обнаруживается последующими измерениями, поэтому ее значение может быть существенно уменьшено увеличением количества и продолжительности измерений. Так, при n-кратном измерении величины Хi за результат измерения принимается среднее арифметическое значение Хi:
(5.23)
Среднеквадратическое
отклонение
определяется
как
(5.24)
При построении функциональной
зависимости по усредненным результатам измерений
в n точках полоса
ее неопределенности sх
уменьшается в
раз, т.е.
(5.25)
А.4.6.2. Максимальные погрешности измерений основных энергетических параметров определяются следующими выражениями. Для напора гидроэлектростанции
(5.26)
где DВБ и DНБ - абсолютная погрешность измерений уровней верхнего и нижнего бьефов, определяемая средним размахом колебаний уровней.
Для напора гидротурбины
(5.27)
где DНw - абсолютная погрешность определения потерь напора.
Для активной мощности при измерении ее трехфазным или двумя однофазными ваттметрами при равномерной загрузке фаз
(5.28)
где dтт и dтн - предельные относительные погрешности трансформаторов тока и напряжения, определяемые их классом точности;
dвтт - погрешность ваттметра.
Погрешность измерения расхода воды (dQ) гидрометрическими вертушками рассчитывают в соответствии с требованиями ГОСТ 8.439-81 или при отсутствии необходимых данных принимают по Международному коду (публикация 41):
для закрытых турбинных входов и трубопроводов диаметром 1,2 - 1,5 м - 1,2 %;
для трубопроводов диаметром более 1,5 м - 1 %.
Погрешность измерения расхода воды (dq) индексным методом с помощью ртутного или водовоздушного дифманометров определяется как
(5.29)
где h - абсолютная погрешность измерения перепада давления, определяемая ценой деления дифманометра.
При измерении перепада давления электрическими дифманометрами
(5.30)
где dд и dп - предельные относительные погрешности дифманометра и вторичного прибора, определяемые их классом точности.
Погрешность определения КПД (dh) вычисляется по формуле
(5.31)
А.4.6.3. Погрешность результата при определении разности КПД двух сравнительных испытаний может быть ниже, чем при определении самих значений КПД. Это достигается выполнением испытаний в идентичных условиях с использованием одинаковых методов и средств измерений, благодаря чему большая часть систематических погрешностей может не учитываться.
При измерении мощности с использованием тех же трансформаторов тока и напряжения их погрешности могут не приниматься в расчет. Систематические погрешности ваттметров могут не учитываться только в тех случаях, когда используются те же приборы, которые между испытаниями не подвергались воздействиям, могущим повлечь за собой изменение их погрешности.
Поскольку сравнительные испытания проводятся в основном индексным методом, то при вычислении погрешности измерения расхода может не учитываться точность тарировки расходомерного створа, т.е. может приниматься в расчет только случайная погрешность, которая путем увеличения количества отсчетов может быть достаточно малой.
А.4.6.4. При нахождении характеристик по измеренным точкам методом наименьших квадратов для оценки среднего квадратического отклонения определения характеристики можно пользоваться формулами (5.21) и (5.22), полагая за Х значение в i-й точке, найденное по характеристике.
А.5. Определение оптимальной комбинаторной зависимости поворотно-лопастных гидротурбин
А.5.1. Метод пропеллерных характеристик
А.5.1.1. Сущность метода пропеллерных характеристик заключается в определении оптимальной комбинаторной зависимости, обеспечивающей такое соотношение между открытием направляющего аппарата и разворотом лопастей рабочего колеса, которое соответствует наивысшему из возможных значений КПД гидротурбины. Линия наивысших значений КПД получается, как огибающая пропеллерных рабочих характеристик, представляющих собой кривую зависимости КПД гидротурбины от мощности при постоянном угле разворота лопастей.
А.5.1.2. Для определения оптимальной комбинаторной зависимости не обязательно знать абсолютные значения КПД, поэтому испытания проводятся, как правило, индексным методом. Методика выполнения измерений должна соответствовать разд. 2 Методических указаний.
А.5.1.3. Снятию пропеллерных характеристик предшествует определение рабочей характеристики гидроагрегата при установленной комбинаторной связи. Для этого задают нагрузки от минимальной, соответствующей минимальному углу разворота лопастей, до максимальной. Порядок выполнения испытаний определен в п. 2.2.
А.5.1.4. После снятия рабочей характеристики комбинаторную связь разобщают и механизмом ручного управления производят установку различных открытий направляющего аппарата и углов разворота лопастей рабочего колеса. Пропеллерные характеристики должны быть сняты не менее чем при пяти углах разворота лопастей; при каждом угле устанавливают не менее пяти различных открытий направляющего аппарата.
Для исключения влияния люфтов в механизмах управления регулирующими органами их перемещение при установке нужного режима следует производить всегда в одном направлении, например, всегда в сторону открытия.
А.5.1.5. Во время проведения испытаний для контроля за правильностью выполнения измерений. Рекомендуется производить построение контрольных графиков h = f(S) и Р = f(S). Для контроля за ходом снятия пропеллерной характеристики необходимо вычислять индексное значение КПД без учета изменений напора и производить построение пропеллерных характеристик. Опыт по определению пропеллерной характеристики можно считать завершенным, когда на восходящей и нисходящей ветвях каждой характеристики находится не менее чем по две точки.
А.5.1.6. Для уточнения профиля кулачка комбинатора в полном диапазоне изменений напоров испытания должны быть выполнены не менее чем при трех значениях напоров.
А.5.1.7. При обработке результатов измерений следует учесть влияние изменений напора и при необходимости привести их к постоянному напору по формулам подобия. Производится уточнение контрольных графиков h = f(S) и Р = f(S). При имеющемся разбросе точек все линии проводятся как осредняющие. Уточнение отдельных кривых может быть произведено путем дополнительного построения кривых h = f(φ0) при S = const и P = f(φ0)при S = const; первые из них должны быть близки к прямым линиям, наклон которых возрастает с увеличением S. По контрольным графикам производят построение графиков h = f(Р), представляющих собой монотонно-вогнутые функции.

Рис. 24. Пропеллерные расходные характеристики
Рис. 25. Графики для определения координат оптимальной комбинаторной зависимости
А.5.1.8. Подсчитанные по формуле (5.20) значения индексных КПД наносят на график в координатах А и Р; при расчете используют уточненные значения измеренных параметров, а для уточнения формы пропеллерных характеристик могут быть взяты дополнительные точки с соответствующих кривых.
По полученным пропеллерным характеристикам проводят огибающую являющуюся рабочей характеристикой гидроагрегата при оптимальной комбинаторной связи. Точки касания огибающей с пропеллерными характеристиками позволяют определить координатыоптимальной зависимости. Для этого на том же графике (см. рис. 25) строят кривые S = f(Р), по которым находят значение S, соответствующее точке касания при известном значении φ. По найденным координатам производят построение комбинаторной зависимости φ0 = f(S).
А.5.1.9. Эффект оптимизации комбинаторной связи оценивают по разнице в КПД между огибающей и рабочей характеристикой, снятой при установленной комбинаторной связи.
А.5.1.10. Для построения серии комбинаторных зависимостей с необходимым шагом по напору выполняют построение графиков линий равных углов в координатах Н 4г 0-S (рис. 26), для чего используют комбинаторные зависимости, построенные по результатам испытаний. Из графиков по сечениям для нескольких постоянных напоров строят оптимальные комбинаторные зависимости (рис. 27).
Сравнивая полученные зависимости с установленными на турбине или заводскими, уточняют способ коррекции комбинаторных связей, которая может быть произведена либо исправлением профиля кулачка комбинатора, либо регулированием рычажных и зубчатых передач в элементах комбинаторной связи.
Рис. 26. Графики линий равных углов в координатах Нг - S
Рис. 27. Оптимальные комбинаторные зависимости для рабочего диапазона напоров
ТИПОВАЯ ТЕХНИЧЕСКАЯ ПРОГРАММА ЭНЕРГЕТИЧЕСКИХ ИСПЫТАНИЙ ГИДРОАГРЕГАТА АБСОЛЮТНЫМ МЕТОДОМ
1. Цель испытаний. Определение действительных рабочей и расходной характеристик гидротурбины, сравнение измеренных значений КПД с гарантированными заводом-изготовителем; тарировка расходомерного створа спиральной камеры гидротурбины.
2. Подготовительные работы. Должен быть выполнен следующий объем работ:
изготовление рамной конструкции для установки гидрометрических вертушек;
монтаж вертушек на раме и разводка кабеля от вертушек до регистрирующего устройства;
установка при остановленном гидроагрегате рамы с вертушками в мерном створе, который выбирается в зависимости от схемы подвода воды к ГЭС либо внутри турбинного трубопровода, либо в водоприемнике;
проверка и продувка пьезометрических выводов из спиральной камеры, установка и проверка дифманометров и манометров;
подключение ваттметра;
проверка приборов для измерения уровней верхнего и нижнего бьефов.
Все посты наблюдений и измерений должны быть оборудованы в соответствии с действующими «Правилами техники безопасности при эксплуатации водного хозяйства, гидротехнических сооружений и гидромеханического оборудования электростанций».
3. Содержание испытаний. Испытания должны выполняться в соответствии с «Международным кодом натурных приемо-сдаточных испытаний гидравлических турбин» и ГОСТ 8.439-81 «Расход воды в напорных трубопроводах».
Во время испытаний должны быть приняты меры к поддержанию стабильного режима работы по активной мощности и уровню напряжения на шинах ГЭС.
Порядок выполнения испытаний следующий:
на испытуемом агрегате изменяют нагрузку ступенями в 5 - 7 %; на каждой ступени сохраняют постоянным положение регулирующих органов турбины в течение времени, устанавливаемого рабочей программой испытаний;
выполняют измерение уровней верхнего и нижнего бьефов ГЭС, перепада давления и давления на входе в спиральную камеру, активной мощности и положения регулирующих органов, регистрируют показания гидрометрических вертушек.
Измерения должны быть проведены не менее чем при десяти различных нагрузках агрегата.
Общее время испытаний при установке вертушек в трубопроводе составляет 4 - 6 ч, а при их установке в водоприемнике зависит от числа положений рамы и должно быть уточнено в рабочей программе испытаний.
В конце испытаний агрегат должен быть остановлен и рама с вертушками демонтирована.
Техническое руководство испытаниями осуществляет представитель организации, которая проводит испытания.
Рабочая программа испытаний утверждается техническим руководителем гидроэлектростанции, а при проведении испытаний головных образцов оборудования она подлежит предварительному согласованию с заводом-изготовителем.
Приложение 2
ТИПОВАЯ ТЕХНИЧЕСКАЯ ПРОГРАММА ЭНЕРГЕТИЧЕСКИХ ИСПЫТАНИЙ ГИДРОАГРЕГАТА ИНДЕКСНЫМ МЕТОДОМ
1. Цель испытаний. Определение формы рабочей характеристики (при нетарированной спиральной камере) или действительных рабочей и расходной характеристик (при тарированной спиральной камере); определение выполнения заводских гарантий по максимальной мощности турбины.
2. Подготовительные работы. Должен быть выполнен следующий объем работ:
проверка и продувка пьезометрических выводов из спиральной камеры турбины, установка и проверка дифманометра и манометров;
подключение ваттметра для измерения мощности генератора;
проверка приборов для измерения уровней верхнего и нижнего бьефов.
Все посты наблюдений и измерений должны быть оборудованы в соответствии с действующими «Правилами техники безопасности при эксплуатации водного хозяйства, гидротехнических сооружений и гидромеханического оборудования электростанций» и «Правилами техники безопасности при эксплуатации электроустановок».
3. Содержание испытаний. Испытания должны выполняться в соответствии с «Международным кодом натурных приемо-сдаточных испытаний гидравлических турбин» и «Методическими указаниями по эксплуатационным энергетическим испытаниям гидроагрегатов».
Во время испытаний должны быть приняты меры к поддержанию стабильного режима работы ГЭС по активной мощности. На испытуемом агрегате следует поддерживать постоянное значение cosφ = 0.
Порядок выполнения испытаний следующий:
на испытуемом агрегате изменяют нагрузку ступенями в 5 - 7 %; на каждой ступени открытие регулирующих органов турбины сохраняют постоянным в течение 3 - 10 мин в течение которых выполняют измерение уровней верхнего и нижнего бьефов, перепада давления и давления на входе в спиральную камеру, активной мощности и положения регулирующих органов.
В пределах рабочего диапазона работы турбины устанавливают не менее десяти различных нагрузок.
Общая продолжительность испытаний составляет 3 - 4 ч.
По завершении испытаний должны быть демонтированы установленные приборы и агрегат сдан оперативному персоналу.
Техническое руководство испытаниями осуществляет представитель организации, которая проводит испытания.
Рабочая программа испытаний утверждается техническим руководителем гидроэлектростанции, а при проведении испытаний головных образцов оборудования она подлежит предварительному согласованию с заводом-изготовителем.
ТИПОВАЯ ТЕХНИЧЕСКАЯ ПРОГРАММА ЭНЕРГЕТИЧЕСКИХ ИСПЫТАНИЙ ПО ОПРЕДЕЛЕНИЮ ОПТИМАЛЬНОЙ КОМБИНАТОРНОЙ ЗАВИСИМОСТИ ГИДРОТУРБИН
1. Цель испытаний. Определение зависимости между открытием направляющего аппарата и углом разворота лопастей рабочего колеса, обеспечивающей работу гидротурбины при наивысших значениях КПД.
2. Подготовительные работы. Должен быть выполнен следующий объем работ:
проверка и продувка пьезометрических выводов из спиральной камеры турбины, установка и проверка дифманометра и манометров;
подключение ваттметра для измерения мощности генератора;
проверка приборов для измерения уровней верхнего и нижнего бьефов.
Все посты наблюдений и измерений должны быть оборудованы в соответствии с действующими «Правилами техники безопасности при эксплуатации водного хозяйства, гидротехнических сооружений и гидромеханического оборудования электростанций» и «Правилами техники безопасности при эксплуатации электроустановок».
3. Содержание испытаний. Испытания должны выполняться в соответствии с «Международным кодом натурных приемо-сдаточных испытаний гидравлических турбин» и «Методическими указаниями по эксплуатационным энергетическим испытаниям гидроагрегатов».
Во время испытаний должны быть приняты меры к поддержанию стабильного режима работы ГС по активной мощности. На испытуемом агрегате следует поддерживать постоянное значение cosj.
Испытания производят при работе агрегата под нагрузкой на ручном управлении при разобщенной комбинаторной связи.
Порядок испытаний следующий: при нескольких постоянных значениях угла разворота лопастей устанавливают различные открытия направляющего аппарата и, наоборот, при нескольких постоянных значениях открытия направляющего аппарата устанавливают различные углы разворота лопастей; каждый установленный режим выдерживают в течение 3 - 5 мин; производят измерение уровней верхнего и нижнего бьефов, перепада давления по дифманометру, активной мощности генератора и положения регулирующих органов. Общее время испытаний 4 - 6 ч.
По завершении испытаний должна быть восстановлена комбинаторная связь, демонтированы установленные приборы и агрегат сдан оперативному персоналу.
Техническое руководство испытаниями осуществляет представитель организации, которая проводит испытания.
Рабочая программа испытаний утверждается техническим руководителем гидроэлектростанции.
(обязательное)
Методические указания по техническому обследованию узлов гидроагрегатов при их повреждениях
Б.1 Общие положения.
Анализ аварий и отказов гидромеханического оборудования гидроэлектростанций показывает, что наиболее повреждаемыми элементами оборудования являются: рабочие колеса гидротурбин, камеры рабочих колес поворотно-лопастных гидротурбин, направляющие подшипники гидротурбин и гидрогенераторов, подпятники гидроагрегатов и маслоприемники поворотно-лопастных гидротурбин. На их долю приходится порядка 2/3 всех нарушений и практически все аварии. Ниже изложены методические указания по обследованию упомянутых узлов при их повреждениях, а также указан минимальный объем данных по гидроагрегату и поврежденному узлу, необходимых для установления причин повреждения.
Б.2 Рабочее колесо и камера рабочего колеса гидротурбины.
Б.2.1 Общие данные по гидроагрегату, рабочему колесу гидротурбины и камере рабочего колеса гидротурбины:
Б.2.1.1 Тип турбины (ПЛ, Пр, Д, РО), тип и исполнение гидрогенератора.
Б.2.1.2 Мощность гидрогенератора, частота вращения, напор ГЭС.
Б.2.1.3 Дата ввода в эксплуатацию гидроагрегата.
Б.2.1.4 Сведения о перемаркировке гидроагрегата на повышенную мощность, на сколько была повышена мощность, дата перемаркировки.
Б.2.1.5 Основные данные рабочего колеса и камеры рабочего колеса:
- типоразмер турбины;
- диаметр рабочего колеса;
- число лопастей рабочего колеса;
- диаметр камеры рабочего колеса;
- толщина стенки камеры.
Б.2.1.6 Выполнение радиально-осевого рабочего колеса: литое, сварно-литое, цельное сварно-литое или составное (из половин).
Б.2.1.7 Материал ступицы, обода и лопастей радиально-осевого рабочего колеса; наличие защитной облицовки лопастей.
Б.2.1.8 Материал лопастей поворотно-лопастного или пропеллерного рабочего колеса; наличие защитной облицовки лопастей.
Б.2.1.9 Материал камеры рабочего колеса ПЛ или Пр гидротурбины: чугунное или стальное литье, стальной прокат и сварка, наличие облицовки из нержавеющей стали и др.
Б.2.1.10 Повреждения (или нарушения в работе), имевшиеся на данном рабочем колесе и камере рабочего колеса за последние 10 лет, их даты, краткое описание, причины.
Б.2.1.11 Мероприятия, проводившиеся на данном рабочем колесе в процессе эксплуатации с целью повышения его надежности: изменение геометрии лопастей или замена элементов конструкции (подрезка или подварка лопастей, забетонирование отъемного сегмента, замена части лопастей и т.д.), введение дополнительных деталей или устройств (подача воздуха непосредственно к местам кавитации на лопастях, установка антикавитационных планок на лопастях и т.д.) и др.
Б.2.1.12 Дата последнего ремонта рабочего колеса и камеры рабочего колеса, перечень и результаты работ, проводившихся при этом ремонте (дефектоскопия металла, балансировка рабочего колеса, если они проводились).
Б.2.1.13 Число часов работы гидроагрегата после последнего ремонта рабочего колеса и/или камеры рабочего колеса.
Б.2.2 Обстоятельства, предшествовавшие и сопутствовавшие повреждению:
Б.2.2.1 Режим работы гидроагрегата перед повреждением и при повреждении. В каких режимах и как длительно гидроагрегат работал перед повреждением. Была ли длительная работа в нерасчетных режимах: холостой ход, малые нагрузки, перегрузки, низкие напоры, нерасчетная высота отсасывания и др.
Б.2.2.2 Какие изменения режимов проводились непосредственно перед повреждением: набор или снятие нагрузки, пуск, останов, сброс нагрузки и т.д. Осуществлялись ли эти операции на автоматическом или на ручном управлении. Указать точное время проведения всех операций и время останова при повреждении.
Б.2.2.3 Каким образом был остановлен гидроагрегат при повреждении: действием защиты или оперативным персоналом.
Б.2.2.4 Особенности поведения гидроагрегата перед повреждением и при повреждении:
- имелись ли замечания к системе регулирования («качания» в системе, пульсация давления в маслопроводах, частое включение насосов МНУ и др.);
- отмечалось ли повышенное биение вала гидротурбины и повышенная вибрация узлов гидротурбины;
- появлялись ли посторонние шумы и стуки в проточной части гидротурбины или в других узлах гидроагрегата.
Б.2.3 Объем обследований рабочего колеса при повреждении:
Б.2.3.1 Визуальное обследование всех поверхностей рабочего колеса гидротурбины с регистрацией явных повреждений и нарушений: обломов кромок лопастей, смятий, вырыва облицовки лопастей, кавитационных повреждений, трещин в основном и наплавленном металле и др.: указывается место, площадь и глубина повреждений.
Б.2.3.2 Обследование крепежа деталей рабочего колеса: плотность затяжки и состояние болтов крепления лопастей ПЛ-гидротурбин, плотность соединения конуса и обтекателя рабочего колеса. При необходимости проведение ультразвукового контроля болтов крепления лопастей рабочего колеса ПЛ-гидротурбины.
Б.2.3.3 Проведение дефектоскопии металла лопастей на входных, выходных и периферийных кромках, в зоне галтельных переходов, а также в местах трещин, обнаруженных при визуальном обследовании на лопастях и других деталях рабочего колеса с использованием методов магнитопорошковой, цветной дефектоскопии, травления или других методов.
Б.2.3.4 Измерение зазоров между лопастями и камерой рабочего колеса поворотно-лопастной или пропеллерной гидротурбины и зазоров в лабиринтах радиально-осевой гидротурбины.
Б.2.3.5 При выеме рабочего колеса РО-гидротурбины производят визуальное обследование лабиринтных уплотнений, определение правильности формы (отсутствие овальности), проведение магнитопорошковой или другой дефектоскопии. При необходимости проводят проверку действительных геометрических размеров лопастной системы.
Б.2.3.6 При отломах кусков лопастей или болтов крепления лопастей ПЛ-гидротурбины производят тщательное обследование поверхности излома для выявления возможных металлургических дефектов и установления характера разрушения (усталостный, от перегрузки и др.).
При необходимости проводят лабораторные исследования металла для определения его прочностных свойств и соответствия заводским требованиям (химический анализ, определение механических свойств, металлографические исследования и др.).
Б.2.4 Объем обследований камеры рабочего колеса гидротурбины при повреждениях:
Б.2.4.1 Визуальное обследование всей поверхности камеры рабочего колеса и сопрягающего пояса с регистрацией повреждений облицовки: вырывов кусков облицовки, вмятин от действия посторонних предметов или от задевания лопастей за камеру, кавитационных разрушений, трещин и др. Указывают место, размеры и глубину повреждений облицовки. При сквозном разрушении облицовки или ее вырыве указывают состояние бетона в месте вырыва (глубину вырывания).
Б.2.4.2 Определение мест и размеров отставания облицовки от бетона и наличие пустот за облицовкой путем простукивания или инструментальным способом.
Б.2.4.3 Проведение дефектоскопии металла облицовки в местах наличия трещин и других локальных дефектов.
Б.2.4.4 Проведение обследований и анализа поверхности излома металла в местах вырыва облицовки для выявления характера разрушения (ударный, усталостный и пр.). При необходимости производится химический, металлографический и др. анализы металла облицовки.
Б.2.4.5 Определение фактической толщины облицовки камеры рабочего колеса в местах повреждения.
Б.2.4.6 Определение формы камеры рабочего колеса (выявление местных выступов, впадин или эллипсности) в горизонтальной плоскости по оси поворота лопастей или близкой к ней.
Б.2.4.7 Определение состояния съемного сегмента камеры рабочего колеса ПЛ-гидротурбины: обследование рабочей поверхности съемного сегмента (со стороны проточной части турбины); обследование крепежа (затяжка и состояние талрепов, домкратов, болтов по периметру); проверка состояния ребер жесткости.
Б.3 Направляющий подшипник гидротурбины
Б.3.1 Общие данные по гидроагрегату и турбинному подшипнику
Б.3.1.1 Тип гидротурбины, тип и исполнение гидрогенератора.
Б.3.1.2 Мощность гидротурбины, частота вращения.
Б.3.1.3 Основные данные направляющего подшипника гидротурбины:
- тип (кольцевой резиновый на водяной смазке, сегментный резиновый на водяной смазке, кольцевой баббитовый на масляной смазке, сегментный баббитовый на масляной смазке);
- диаметр расточки вкладышей (сегментов) подшипника; высота кольцевого подшипника, число вкладышей; расположение вкладышей в один или в два яруса по высоте;
- число и размеры сегментов (в сегментных подшипниках): высота, ширина;
- тип уплотнения вала над и под турбинным пошипником (торцевой резиновый, торцевой углеграфитовый, воротниковый и др.);
- величина эксцентриситета сегментов (для сегментных направляющих подшипников);
- система опирания сегментов в сегментных подшипниках (на сферический вкладыш, на болт со сферической поверхностью, на опору с цилиндрической поверхностью);
- способ регулировки зазоров (прокладками, болтовой, клиновой);
- нормативная величина зазора между валом и вкладышами (сегментами);
- способ смазки (самоциркуляция масла в ванне, принудительная циркуляция с помощью электронасоса, принудительная циркуляция с помощью трубок Пито и вращающейся маслованны, проточная система и др.);
- система охлаждения масла в турбинных подшипниках на масляной смазке (с помощью встроенных маслоохладителей, в охлаждающих отсеках обтекателя крышки турбины и др.).
Б.3.1.4 Дата ввода в эксплуатацию данного гидроагрегата; дата последнего капитального ремонта, перечень работ, проводившихся с турбинным подшипником при этом ремонте.
Б.3.1.5 Повреждения, имевшиеся на данном турбинном подшипнике ранее; краткое описание, причины.
Б.3.1.6 Мероприятия, проводившиеся на данном турбинном подшипнике с целью повышения его надежности (изменение или замена элементов конструкции, изменение системы смазки и охлаждения и др.).
Б.3.1.7 Какие операции и когда производились на данном турбинном подшипнике последний раз (регулировка зазоров, проверка и подтяжка крепежа, ревизия поверхностей трения и др.).
Б.3.1.8 В скольких сегментах или вкладышах баббитового подшипника установлены термосопротивления и термосигнализаторы. Какова величина уставок на сигнал и на останов гидроагрегата.
Б.3.1.9 Какими средствами осуществляется контроль смазки подшипника (расход воды или масла, давление воды или масла в камере подшипника, уровень воды или масла и др.).
Б.3.1.10 Какими средствами и с какой периодичностью осуществляется контроль биения вала у турбинного подшипника.
Б.3.2 Обстоятельства, предшествовавшие и сопутствовавшие повреждению:
Б.3.2.1 Режим работы гидроагрегата перед повреждением и при повреждении. В каких режимах и как длительно гидроагрегат работал перед повреждением (включая отклонения уровней бьефов от расчетных по напору и высоте отсасывания).
Б.3.2.2 Какие изменения режимов проводились непосредственно перед повреждением (набор или снятие нагрузки, перевод в режим СК или из режима СК, пуск, останов). Осуществлялись ли эти операции на автоматическом или ручном управлении. Указать точное время проведения всех операций и время останова при повреждении.
Б.3.2.3 Каким образом остановлен гидроагрегат при повреждении: действием защиты или оперативным персоналом.
Б.3.2.4 Особенности поведения гидроагрегата перед повреждением и во время повреждения: имелись ли замечания к работе системы регулирования, системы автоматики и другим системам. Не отмечалось ли повышенной вибрации и биения вала, появления постоянных стуков и шумов в гидроагрегате и т.п.
Б.3.2.5 Каково было значение параметров, характеризующих работу подшипника перед повреждением и при повреждении: биения вала, расхода воды на смазку и давления воды в камере турбинного подшипника на водяной смазке, температуры сегментов и масла подшипника на масляной смазке. Происходило ли изменение параметров быстро, медленно или они были постоянными.
Б.3.3 Объем обследования турбинного подшипника при повреждении:
Б.3.3.1 Измерение зазоров между валом и сегментами (вкладышами) перед разборкой подшипника.
Б.3.3.2 Проверка крепления корпуса подшипника к крышке гидротурбины.
Б.3.3.3 Проверка состояния поверхностей трения сегментов (вкладышей) с отражением в формулярах мест и размеров местных повреждений (трещин, царапин, вырывов и выкрашиваний резины или баббита и др.), степени износа, отставаний резины или баббита от основания.
Б.3.3.4 Проверка состояния рубашки вала с отражением в формуляре местных повреждений, трещин, рисок, обрыва электрозаклепок и т.д.
Б.3.3.5 Определение степени износа рубашки вала подшипника на водяной смазке и проверка ее эллипсности.
Б.3.3.6 Проверка состояния опорных болтов или опорных вкладышей в сегментных подшипниках (смятие опорных поверхностей, состояние резьбы и пр.).
Б.3.3.7 Проверка состояния уплотнений турбинного подшипника: поверхностей трения резинового кольца и вращающегося диска в торцевых уплотнениях, состояние резины и ее крепления в манжетных уплотнениях, состояние элементов углеграфитового уплотнения и др.
Б.3.3.8 Проверка состояния фильтров в системе смазки резиновых подшипников, величины расхода воды на смазку, состояние запорных и регулирующих устройств, устройств выпуска воздуха из камеры подшипника.
Б.4 Маслоприемники
Б.4.1 Общие данные по гидроагрегату и маслоприемнику:
Б.4.1.1 Тип гидротурбины, тип и исполнение гидрогенератора, расположение направляющего подшипника(-ов) гидрогенератора.
Б.4.1.2 Мощность гидрогенератора, частота вращения.
Б.4.1.3 Основные данные маслоприемника:
тип маслоприемника (высокий с внешним расположением маслопроводов; пониженной высоты с внешним расположением маслопроводов; частично утопленный в полости вала с закрытым расположением маслопроводов); для последнего типа указать также типоразмер;
давление масла в системе регулирования;
внутренний диаметр подводящих маслопроводов;
внутренний диаметр сливного(-ых) маслопровода(-ов) из сливной ванны маслоприемника;
внешние диаметры штанг маслоприемника.
Б.4.1.4 Дата ввода в эксплуатацию данного гидроагрегата; дата последнего ремонта маслоприемника и перечень работ, проводившихся в нем при этом ремонте.
Б.4.1.5 Повреждения, имевшиеся на данном маслоприемнике за последние 10 лет (или нарушения в его работе), их даты, краткое описание, причины.
Б.4.1.6 Мероприятия, проводившиеся на данном маслоприемнике в процессе эксплуатации с целью повышения его надежности (изменение, замена или введение дополнительных элементов конструкции).
Б.4.2 Обстоятельства, предшествовавшие и сопутствовавшие повреждению:
Б.4.2.1 Режим работы агрегата перед повреждением и при повреждении. В каких режимах и как длительно агрегат работал перед повреждением.
Б.4.2.2 Какие изменения режимов проводились непосредственно перед повреждением: набор или снятие нагрузки, пуск, останов, режимы испытаний (сброс нагрузки, разобщение комбинаторной зависимости). Осуществлялись ли эти мероприятия на автоматическом или на ручном управлении. Указать точное время проведения всех операций и время останова при повреждении.
Б.4.2.3 Каким образом остановлен гидроагрегат при повреждении: действием защиты или оперативным персоналом.
Б.4.2.4 Особенности поведения гидроагрегата перед повреждением и при повреждении:
имелись ли замечания к системе регулирования («качания», плохой цикл работы насосов МНУ, повышение температуры масла в системе регулирования и др.);
наблюдались ли повышенные протечки масла или его выплескивание через сливную ванну маслоприемника;
отмечалось ли повышенная вибрация или биения вала гидрогенератора;
появлялись ли посторонние шумы и стуки на гидроагрегате, в каком месте и др.
Б.4.2.5 Каково было значение следующих параметров перед повреждением: биения вала генератора, цикла насосов МНУ, температуры масла в системе регулирования. Происходило ли изменение этих параметров перед повреждением и как (быстро, медленно).
Б.4.3 Объем обследования маслоприемника при повреждениях
Б.4.3.1 Измерение диаметров втулок и штанг; определение зазоров между ними.
Б.4.3.2 Измерение зазоров между сегментами и втулкой генераторного подшипника.
Б.4.3.3 Обследование втулок маслоприемника с отражением в акте и формуляре плотности их посадки на своих местах, наличия задиров, натиров и других дефектов на поверхности трения и др.
Б.4.3.4 Обследование штанг, выявление трещин, обломов у фланцевого соединения, плотности крепежа; выявление состояния поверхностей трения штанг с отражением в акте и формуляре выработки металла, полос бронзы, изменения цвета поверхности и других дефектов.
Б.4.3.5 Выявление состояния узлов механизма обратной связи.
Б.4.3.6 Определение зазоров по лабиринту маслоприемника.
Б.4.3.7 Проверка состояния изоляции маслоприемника от подшипниковых токов.
Б.5 Подпятник
Б.5.1 Общие данные гидроагрегата и подпятника
Б.5.1.1 Тип гидротурбины, тип и исполнение гидрогенератора, расположение подпятника, количество и места расположения направляющих подшипников.
Б.5.1.2 Мощность гидрогенератора, номинальная частота вращения.
Б.5.1.3 Основные данные подпятника:
тип (однорядный, двухрядный, на гидравлической опоре, на пружинном основании и т.д.);
конструкция сегментов (с баббитовой облицовкой или с ЭМП-покрытием, однослойные или двухслойные);
число сегментов;
радиальный и тангенциальный (по средней линии) размер сегментов;
наружный и внутренний диаметр диска;
общая нагрузка на подпятник (расчетная и действительная);
удельная нагрузка на сегменты Па (кгс/см2);
средняя окружная скорость;
величина тангенциального эксцентриситета;
тип масла в ванне подпятника.
Б.5.1.4 Дата ввода в эксплуатацию данного агрегата; дата установки в подпятнике ЭМП-сегментов; дата последнего капитального ремонта; указание работ, проводившихся в подпятнике при этом ремонте; число часов работы и число пусков агрегата с момента монтажа и с момента последнего капитального ремонта.
Б.5.1.5 Повреждения, имевшиеся на данном подпятнике ранее, их даты, краткое описание, причины.
Б.5.1.6 Мероприятия, проводившиеся на данном агрегате с целью повышения надежности подпятника (изменения элементов конструкции подпятника, введение ограничений в режимы работы агрегата и др.)
Б.5.1.7 В скольких сегментах подпятника (и в каких) установлены термосопротивления (для периодической регистрации температуры) и в скольких сегментах - термосигнализаторы (для сигнализации и защиты). Каковы величины уставок на сигнал и останов агрегата.
Б.5.1.8 Проводились ли мероприятия по повышению эффективности термоконтроля ЭМП-сегментов (прорези в ЭМП-покрытии и др.) и когда.
Б.5.2 Обстоятельства, предшествовавшие и сопутствовавшие повреждению
Б.5.2.1 Режим работы гидроагрегата перед повреждением и в момент повреждения. Как длительно и при каких режимах гидроагрегат работал перед повреждением.
Б.5.2.2 Какие изменения режимов проводились непосредственно перед повреждением (набор или снятие нагрузки, перевод в режим СК или обратно, пуск, останов). Осуществлялись ли эти операции на автоматическом или ручном управлении. Указать точное время проведения всех операций и время отключения и останова агрегата при повреждении подпятника. Каким образом остановлен агрегат при повреждении: действием защиты или дежурным персоналом.
Б.5.2.3 Особенности поведения агрегата перед и во время повреждения подпятника: имелись ли замечания к работе системы регулирования, автоматики, торможения и другим системам. Не отмечалось ли повышенной вибрации и повышенного биения вала агрегата, появления посторонних стуков и шумов в агрегате, ненормального изменения уровня масла в ванне подпятника и т.п.
Б.5.2.4 Какова была температура сегментов подпятника и масла в ванне во всех точках измерения в течение 2-х суток до повреждения, непосредственно перед повреждением и при повреждении. Каков был характер изменения температуры перед повреждением: медленное повышение, быстрое повышение, постоянная величина. Каковы были значения температуры подпятников других (хотя бы двух соседних) гидроагрегатов ГЭС.
Б.5.3 Объем обследования подпятника. При обследовании поврежденного подпятника должно быть проверено и отражено следующее:
Б.5.3.1 Состояние рабочей поверхности сегментов. Должны быть отражены в формуляре и указаны места и размеры повреждений: подплавлений, выкрашиваний и выпучивания баббита, истирание, натиры, риски и другие дефекты на рабочей поверхности; степень износа рабочей поверхности ЭМП-сегментов по контрольным рискам или по измерениям толщины сегментов в контрольных точках; состояние скосов на набегающей и сбегающей кромках фторопластовой поверхности ЭМП-сегментов; наличие и места отставания баббита от стального основания; нарушение припайки ЭМП-вкладыша к стальному основанию сегмента и другие возможные нарушения.
Б.5.3.2 Состояние зеркальной поверхности диска. Визуальное обследование диска (с отражением наличия рисок, царапин, каверн, помутнения и других дефектов зеркальной поверхности); при необходимости определение шероховатости методом слепков или другим методом. Определение волнистости (макронеровности) зеркальной поверхности диска путем прокрутки или с помощью поверочной линейки.
Б.5.3.3 Состояние прокладок между диском и втулкой (при их наличии). Наличие зазоров между втулкой и диском подпятника при поднятом на тормозах и при опущенном роторе путем осмотра и промеров по контуру. Проверка плотности затяжки болтов крепления диска к втулке.
Б.5.3.4 Состояние тарельчатых опор. Обследование с целью выявления наличия или отсутствия трещин на верхней поверхности; определение состояния нижней поверхности в месте контакта с опорным болтом с регистрацией глубины и диаметра вмятины от сферической головки болта. При необходимости проверка на прессе прогиба опор.
Б.5.3.5 Состояние головок опорных болтов. Определение величины смятия сферической поверхности болтов или вкладышей в болты с помощью специального шаблона и щупа. При необходимости проверка твердости головок опорных болтов или вкладышей, определение состояния резьбы болтов и втулок.
Б.5.3.6 Определение в двухрядных подпятниках состояния поверхностей цилиндрических опор и сопряженных с ними поверхностей балансиров.
Б.5.3.7 Наличие вмятин и натиров на упорах, ограничивающих радиальное и тангенциальное смещение сегментов, и на сегментах в местах соприкосновения с упорами. Глубина и расположение вмятин и натиров.
Б.5.3.8 Величина действительных зазоров между сегментами и упорами (в тангенциальном и радиальном направлении).
Б.5.3.9 Свобода качания сегментов (отсутствие защемления сегментов между упорами), а в двухрядных подпятниках - свобода качания балансиров.
Б.5.3.10 Действительная величина тангенциального и радиального эксцентриситета сегментов и соответствие его нормативным значениям.
Б.5.3.11 Расстояние от зеркальной поверхности диска подпятника на гидравлической опоре до основания в фиксированных точках («маяках») для проверки герметичности упругих камер.
Б.5.3.12 Равномерность осадки упругих камер в подпятниках на гидравлических опорах.
Б.5.3.13 Проверка изоляции между диском и втулкой подпятника в генераторах подвесного исполнения.
Б.5.3.14 Анализ масла в ванне подпятника с целью определения механических примесей, воды и пр.
Б.5.3.15 Равномерность распределения нагрузки между сегментами подпятника.
Б.5.3.16 Контроль прилегания корпуса подпятника к дну маслованны и дна маслованны к опоре.
Б.6 Направляющие подшипники генератора
Б.6.1 Общие данные гидроагрегата и направляющих подшипников гидрогенератора
Б.6.1.1 Тип и исполнение гидрогенератора, тип гидротурбины. Количество и место расположения направляющих подшипников гидрогенератора.
Б.6.1.2 Мощность гидрогенератора, частота вращения.
Б.6.1.3 Основные данные направляющего подшипника гидрогенератора (если подшипников гидрогенератора два, то данные привести отдельно по каждому подшипнику);
диаметр расточки сегментов (диаметр втулки вала);
число сегментов и их размеры (высота, ширина);
материал рабочей поверхности сегментов (баббит, фторопласт, др.);
система опирания сегментов (на сферическую поверхность опорного болта или вкладыша, на цилиндрическую поверхность опорного сухаря);
способ регулировки зазоров (болтовой, клиновой, прокладками);
нормативная величина зазоров между сегментами и втулкой вала;
нормативная величина эксцентриситета установки сегментов;
способ выполнения втулки (откована заодно с валом или насажена на вал); указать, если направляющий подшипник находится в одной ванне с подпятником и его сегменты размещены вокруг цилиндрической поверхности втулки подпятника;
способ смазки (самоциркуляция масла в ванне, принудительная циркуляция с помощью насоса и др.);
система охлаждения масла (встроенными охладителями, внешними охладителями, через стенки маслованны без охладителей);
тип масла в ванне подшипника(-ов).
Б.6.1.4 Дата ввода в эксплуатацию данного гидроагрегата; дата последнего ремонта и перечень работ в генераторном подшипнике, проводившихся при этом ремонте.
Б.6.1.5 Повреждения, имевшиеся на данном генераторном подшипнике ранее; их дата, краткое описание, причины.
Б.6.1.6 Мероприятия, проводившиеся на данном генераторном подшипнике ранее с целью повышения его надежности (изменение или замена элементов конструкции, системы смазки, охлаждения и др.).
Б.6.1.7 В скольких (и каких) сегментах установлены термосопротивления и термосигнализаторы. Какова уставка на сигнал и на останов гидроагрегата.
Б.6.1.8 Какими средствами и с какой периодичностью осуществляется контроль биения вала у генераторного(-ых) подшипника(-ов).
Б.6.2 Обстоятельства, предшествовавшие и сопутствовавшие повреждению:
Б.6.2.1 Режим работы гидроагрегата перед повреждением и в момент повреждения. Имелись ли какие-либо ненормальные, нерасчетные режимы и нарушения в работе гидроагрегата перед повреждением: короткие замыкания, сбросы нагрузки, вынужденная работа в нерасчетных режимах (например, при малых нагрузках) и т.д.
Б.6.2.2 Какие изменения режимов были непосредственно перед повреждением (набор или снятие нагрузки, перевод в режим СК или из режима СК, пуск, останов). Осуществлялись ли эти операции на автоматическом или ручном управлении. Точное время проведения этих операций и время останова при повреждении. Каким способом остановлен гидроагрегат: действием защиты или оперативным персоналом.
Б.6.2.3 Особенности поведения агрегата перед повреждением и во время повреждения: имелись ли замечания к работе системы регулирования, системы автоматики и другим системам. Не отмечалось ли повышенной вибрации и биения вала, появления постоянных стуков и шумов в агрегате, ненормального изменения уровня масла в ванне подшипника и т.п.
Б.6.2.4 Каково было значение температуры сегментов и масла генераторного подшипника, а также биения вала гидрогенератора в течение двух суток до повреждения, непосредственно перед повреждением и при повреждении. Отмечено ли изменение температуры и биения, происходило ли оно быстро, или медленно.
Б.6.3 Объем обследования генераторного подшипника при повреждении:
Б.6.3.1 Измерение зазоров между валом и сегментами перед разборкой подшипника.
Б.6.3.2 Проверка состояния поверхностей трения сегментов с отражением в формуляре зон подплавлений, натиров, выкрашиваний баббита, царапин и т.д.
Б.6.3.3 Проверка фактической величины эксцентриситета установки сегмента.
Б.6.3.4 Определение плотности сцепления баббита со стальным основанием; указание мест и размеров зон отставания баббита.
Б.6.3.5 Проверка состояния рабочей поверхности втулки подшипника с указанием мест и размеров нарушений поверхности: рисок, язвин, коррозии, помутнений, следов баббита и др.
Б.6.3.6 Проверка состояния изоляции от подшипниковых токов.
Б.6.3.7 Проверка состояния опорных болтов или опорных вкладышей (смятие сферических или цилиндрических поверхностей, нарушение резьбы и др.), а также сопряженных с ними элементов со стороны сегмента.
Б.6.3.8 Проверка плотности посадки на вал втулки генераторного подшипника.
Б.6.3.9 Проверка состояния уплотнений маслованны.
(обязательное)
В.1. Организация освидетельствования
В.1.1. Освидетельствование гидроэнергетического оборудования предполагает проведение комплекса работ, на основании которых может быть дана объективная оценка состояния оборудования в целом и отдельных его узлов, сделаны выводы о возможности его дальнейшей эксплуатации или необходимости замены в процессе модернизации или реконструкции.
В.1.2. Назначение сроков начала работ и формирование комиссий по освидетельствованию основного и вспомогательного оборудования осуществляет собственник (управляющая компания) ГЭС. Он же осуществляет финансирование этих работ и направляет заявки организациям и лицам, привлекаемым к освидетельствованию.
В.1.3. Работы по освидетельствованию состояния гидроэнергетического оборудования должны производиться комплексно в соответствии с программой, разработанной собственником с привлечением при необходимости специализированной организации с привлечением соответствующих специалистов отрасли. В программе должны быть предусмотрены следующие основные этапы работ:
- оценка технического состояния основного и вспомогательного гидроэнергетического оборудования на основании изучения эксплуатационной и ремонтной документации;
- анализ затрат на эксплуатацию и ремонт этого оборудования;
- проведение осмотров и испытаний отдельных узлов, систем, и гидроагрегата в целом для получения дополнительной информации о состоянии оборудования, полученной на основании изучения эксплуатационной и ремонтной документации гидроагрегатов;
- контроль состояния металла основных узлов оборудования с целью оценки остаточного ресурса его работы.
В.1.4. Результаты испытаний и работ по обследованию оборудования в объеме п. В.3 настоящих рекомендаций оформляются в соответствии с перечнем п. В.2 и передаются техническому руководителю ГЭС.
В.1.5. Технический руководитель ГЭС совместно с управляющей компанией организует представительное обсуждение результатов освидетельствования совместно с представителями заводов-изготовителей основного оборудования, ремонтных, научных и проектных организаций для принятия решения об объеме реконструкции или модернизации оборудования ГЭС.
В.1.6. При реконструкции многоагрегатных ГЭС, гидроагрегаты которых значительно отличаются по срокам пуска, конструкции, либо выполнены разными заводами-изготовителями, освидетельствование производится по группам гидроагрегатов одной серии.
В.2 Перечень документов, оформляемых по результатам освидетельствования
По результатам выполненных при освидетельствовании работ оформляются следующие документы:
В.2.1 Основные технические данные по ГЭС, гидротурбинному и гидрогенераторному оборудованию (Приложение 1).
В.2.2 Сведения об использовании и ремонтах гидроагрегатов (Приложение 2).
В.2.3 Эксплуатационные данные по ГЭС за последние 15 лет, гистограмма режимов работы (Приложение 3).
В.2.4 Сведения по произведенным заменам и реконструкциям узлов, перемаркировке гидроагрегатов (Приложение 4).
В.2.5 Сведения о натурных энергетических испытаниях гидроагрегатов (Приложение 5).
В.2.6 Натурные эксплуатационные энергетические характеристики гидротурбины (Приложение 6).
В.2.7 Сведения о вибрационных характеристиках и биении вала гидроагрегата, в соответствии с Приложением «И» настоящего Стандарта (Приложение 7).
В.2.8. Результаты визуального и инструментального освидетельствования проточной части гидротурбины (Приложение 8).
В.2.9 Результаты визуального и инструментального освидетельствования рабочего колеса, направляющего аппарата, подшипника, вала и маслоприемника гидротурбины (Приложение 9).
В.2.10 Результаты технического обследования (испытаний) системы регулирования гидротурбины и маслонапорной установки (Приложение 10).
В.2.11 Результаты обследования (измерений и испытаний) статора гидрогенератора (Приложение 11).
В.2.12. Результаты обследования (измерений и испытаний) ротора гидрогенератора (Приложение 12).
В.2.13 Результаты освидетельствования подпятника и подшипников гидроагрегата (Приложение 13).
В.2.14 Результаты обследования системы возбуждения гидрогенератора (Приложение 14).
В.2.15 Результаты освидетельствования и технического обследования оборудования технических систем гидроагрегата (приложение 15):
В.2.15.1 Системы технического водоснабжения.
В.2.15.2 Система технического воздухоснабжения (пневмохозяйство).
В.2.15.3 Система осушения проточной части гидротурбины, откачки и дренажа.
В.2.15.4 Система пожаротушения гидроагрегата.
В.2.15.5 Система измерения параметров режимов работы гидротурбины.
В.2.16 Результаты оценки состояния системы автоматического управления и защиты гидроагрегата (Приложение 16).
В.2.17 Результаты оценки состояния и функциональных возможностей АСУ ТП ГЭС и системы мониторинга и эксплуатационного контроля параметров вибрации, биения вала, температуры элементов гидроагрегата (Приложение 17).
В.3 Объем работ по освидетельствованию основных узлов гидроагрегата
В.3.1 Гидротурбина
В.3.1.1. Спиральная камера и статор.
Оценка состояния спиральной камеры включает в себя осмотр внутренней поверхности спиральной камеры, при этом особо тщательно осматриваются швы приварки облицовки к поясам статора. Простукиванием определяют плотность прилегания облицовки спиральной камеры к основному бетону, а в случае наличия заклепочных соединений - плотность заклепочных соединений. Измерение толщины облицовки в случае повреждения ее поверхности производят ультразвуковым толщиномером либо высверливанием в нескольких точках в зоне сопряжения спиральной камеры и поясов статора и на периферийном радиусе сечения спиральной камеры. Измерение толщины металлической оболочки спиральной камеры производят на участках, очищенных механическим способом от минеральных отложений и ржавчины.
Контроль на наличие трещин в металлической оболочке и сварных соединениях спиральной камеры производят на нескольких участках с применением магнитопорошковой дефектоскопии.
Визуальный контроль состояния статора гидротурбины проводят для определения степени абразивного износа и наличия явных трещин. При необходимости контроль неразрушающими способами (ЦД или МПД) производят для колонн статора в зоне их сопряжения с поясами статора.
Объем контроля металла неразрушающими методами определяют по результатам визуального контроля, обычно производят контроль нескольких зон шириной 100 мм у верхнего и нижнего поясов (Приложение 8, п. 1, 2).
В.3.1.2. Крышка турбины
Производят визуальный и измерительный контроль состояния крышки турбины для оценки степени кавитации, коррозионного, абразивного износа, состояния сварных и болтовых соединений (Приложение 8, п. 3).
В.3.1.3. Камера рабочего колеса (КРК)
Фактическое состояние КРК определяют по результатам визуального и измерительного контроля в ходе которого устанавливают: наличие трещин на поясах, особенно в зоне приварки ребер обечайки, степень кавитационных разрушений, площадь зон неплотного прилегания обечайки к основному бетону простукиванием (приложение 8, п. 4).
В.3.1.4. Рабочее колесо
Контроль металла рабочих колес гидротурбин проводят в соответствии с Приложением «Г» к настоящему Стандарту. Контроль состояния деталей механизма разворота лопастей проводится визуально и измерительными инструментами с целью оценки их износа и отсутствия трещин.
Оценка износа цапф лопастей и втулок проводится инструментальным способом в соответствии с Приложением 9, п. 1.
В.3.1.5. Направляющий аппарат и сервомоторы
Состояние направляющего аппарата оценивают по результатам визуального контроля и инструментальных измерений, на основании которых устанавливается степень кавитационного, абразивного и коррозионного износа лопаток, верхнего и нижнего колец направляющего аппарата, состояние подшипников, износ цапф лопаток, вкладышей, уплотнений цапф, уплотнений лопаток (по перу и торцам).
При этом обращают внимание на наличие трещин в зоне перехода лопаток к цапфам и по сварным швам регулирующего кольца, а также на состояние трущихся поверхностей (натиры, разрушения). При необходимости производят выборочный контроль травлением на наличие трещин на рычагах, серьгах, накладках, штоках сервомоторов (Приложение 9, п. 2).
В.3.1.6. Турбинный подшипник
Оценку состояния вкладышей и трущихся поверхностей подшипника, смятия опорных элементов (клиньев, болтов), состояния крепежных болтов производят визуально. При необходимости проводят контроль травлением на наличие трещин на сухарях, по сварным швам, на корпусе (Приложение 9, п. 3).
В.3.1.7. Вал турбины
Контроль металла вала на наличие трещин проводят травлением в зоне фланцев, особено в зоне отверстий под болты. Состояние шейки или облицовки вала в зоне турбинного подшипника оценивавют на основании визуального и измерительного контроля (Приложение 9, п. 4).
В.3.1.8. Маслоприемник ПЛ-гидротурбины
Оценку состояния маслоприемника производят по величине протечек масла и инструментальному контролю износа штанг и подшипников в соответствии с Приложением 9, п. 5.
В.3.1.9. Маслонапорная установка
Состояние МНУ оценивают на соответствие требованиям Ростехнадзора по результатам обследования на наличие трещин сварных швов и измерения толщины стенок. Оценивают также состояние и производительность насосов МНУ, обратных клапанов и запорной арматуры (Приложение 10).
В.3.1.10. Регулятор частоты вращения
Оценку состояния регулятора производят по результатам испытаний системы регулирования в соответствии с Приложением «Ж» к настоящему Стандарту в объеме, устанавливаемом программой специализированной организации. Кроме того, производят оценку состояния маятников гидромеханических регуляторов, степени изношенности поверхностей трения игл, букс, золотников, редукторов колонки регулятора, достаточность перестановочных усилий сервомоторов направляющего аппарата (Приложение 10).
В.3.2. Гидрогенератор
В.3.2.1. Статор
Оценку состояния стальных конструкций статора производят на основании осмотра узлов крепления сердечника, спинки сердечника и стыков секторов статора, фундаментных креплений, а также на основании результатов вибрационных испытаний (Приложение 7).
Оценка состояния активной стали статора (прессовки сердечника, наличие коробления пакетов, ослабления крепления вентиляционных распорок, наличие контактной коррозии, местных перегревов) производится на основании осмотров, а также проверок по циркуляру Э-8/80 («О контроле состояния прессовки зубцов сердечника статора гидрогенераторов, СТЭ, 1980 г.), испытаний стали статора по определению удельных потерь в соответствии с «Типовой инструкцией по эксплуатации генераторов на электростанциях» (РД.34.45.501-88, СТЭ, М, 1989 г.) и испытаний на нагревание в соответствии с «Методическими указаниями по проведению испытаний на нагревание генераторов» (МУ 34-70-069-84, СТЭ, М, 1984 г.) с учетом «Норм испытания электроооборудования», 1978 г.
Оценку состояния крепления стержней, бандажей, поясных соединений и термореактивной изоляции обмотки производят на основании осмотров и испытаний, включающих измерение сопротивления обмоток при постоянном токе в практически горячем состоянии (по ГОСТ 11828-86 с учетом «Норм испытания электрооборудования», 1978 г.) испытаний на внезапное короткое замыкание для оценки механической прочности машины, а также для определения электромагнитных параметров по ГОСТ 10169-77, измерений вибрации лобовых частей по циркуляру Ц-01-84(Э), испытаний электрической прочности изоляции обмоток относительно корпуса и между обмотками по ГОСТ 11828-86, испытаний электрической прочности междувитковой изоляции обмоток по ГОСТ 11828-86 и ГОСТ 183-74 с учетом «Норм испытания электрооборудования», 1987г., измерений сопротивления изоляции относительно корпуса и между обмотками по ГОСТ 11828-86 и «Норм испытания электрооборудования», 1978г., определения коэффициента абсорбции для оценки влажности изоляции в соответствии с «Типовой инструкцией по эксплуатации генераторов на электростанциях», РД 34.45.501-88, СТЭ, М, 1989 г.
Контроль пайки лобовых частей и перемычек стержней производят неразрушающим методом.
Определение зазора между статором и ротором и формы их поверхности производят на основании обмеров и анализа осциллограм Э.Д.С. витка в зазоре.
Оценку состояния системы охлаждения обмотки с непосредственным водяным охлаждением производят на основании осмотров, измерения сопротивления и расхода дистиллята, эффективности охлаждения в летний период.
Производят оценку состояния фторопластовых шлангов, изоляционных крепежных элементов, насосов, фильтров, регуляторов.
Производят оценку состояния воздухоохладителей.
Оценку достаточности и надежности схемы охлаждения производят на основании данных опыта ее эксплуатации (Приложение 11).
В.3.2.2. Ротор
Оценку состояния остова, обода и полюсов производят на основании результатов осмотра, визуального контроля на наличие трещин сварных соединений ротора, величины проседания обода на спицах, состояния крепления полюсов на ободе, а также по результатам измерения Э.Д.С. витка в зазоре между ротором и статором.
Оценку состояния изоляции паяных соединений, наличия местных перегревов обмотки возбуждения и демпферной обмотки, а также контроль наличия межвитковых замыканий в обмотках полюсов производят на основании результатов испытаний, включающих измерения сопротивления обмотки переменному (по ГОСТ 10169-77) и постоянному току (по ГОСТ 11828-86), измерения кажущегося сопротивления при переменном токе каждого полюса ротора, а также измерения температуры в соответствии с ГОСТ 11828-86 и «Методическими указаниями на нагревание генераторов», МУ 34.70.069-84, СТЭ, М, 1984 г. и определения номинального тока возбуждения, номинального напряжения и регулировочной характеристики по ГОСТ 10169-77.
Состояние лопаток вентиляторов воздушной системы охлаждения оценивают по данным визуального контроля (Приложение 12).
В.3.2.3. Подпятник
Производят проверку шероховатости зеркальной поверхности диска подпятника, визуальную оценку состояния поверхностей трения ЭМП-сегментов. При необходимости проводят испытания по определению уровней напряжений в тарельчатых опорах и опорных болтах с последующей оценкой остаточного ресурса по усталостной прочности. Рассматривают возможность перевода подпятника с ЭМП-сегментами на гидравлической опоре на жесткое опирание согласно «Методическим указаниям по проведению натурных испытаний подпятников гидротурбинных агрегатов», Москва, СТЭ, 1980 г. Контролируют наличие трещин у тарельчатых опор и опорных болтов, сварных соединений стола подпятника, проверяют уровень изоляции подпятника.
Производят оценку состояния маслоохладителей (Приложение 13).
В.3.2.4. Подшипник генератора
Производят визуальную оценку состояния трущихся поверхностей (сегментов, шейки вала), смятия опорных элементов (болтов, вкладышей), крепежных элементов. Визуальный контроль наличия трещин по сварным швам опорных элементов и корпуса, при необходимости проводят контроль травлением.
Оценивают состояние маслоохладителей, трубопроводов, запорной арматуры, насосов и двигателей принудительной системы циркуляции масла, а также удобство эксплуатации и недостатки системы охлаждения (Приложение 13).
В.3.2.5. Система возбуждения
При наличии электромашинных возбудителей при реконструкции или модернизации гидрогенератора производят их замену на систему тиристорного возбуждения.
Оценку состояния системы тиристорного возбуждения производят на основании осмотров, изучения эксплуатационной документации, измерений сопротивления изоляции, проверок тиристорных преобразователей (отклонений параметров, характеристик), а также испытаний системы возбуждения в режиме холостого хода и при работе генератора в сети.
Производят оценку состояния системы водяного охлаждения тиристоров (насосов, трубопроводов, фильтров) с учетом данных опыта эксплуатации и выявленных при эксплуатации недостатках (компоновке, эффективности, надежности) (Приложение 14).
В.3.3. Вспомогательное оборудование
Оценку состояния вспомогательного оборудования производят на основании осмотров, изучения эксплуатационной документации и проведения необходимых испытаний.
В.3.3.1. Система технического водоснабжения
Оценивается состояние трубопроводов, запорной арматуры, фильтров и насосов (эжекторов), величина расхода воды в системе ТВС и работа устройств ТВС (насосов, эжекторов,сифонов и др.), а также состояние и достаточность средств автоматизации и регулирования расхода охлаждающей воды в зависимости от температуры воды. Определяется необходимость изменения схемы ТВС с учетом мнения эксплуатационного персонала (Приложение 15, п. 1).
В.3.3.2. Система технического воздухоснабжения
Оценивается состояние и производительность компрессоров высокого и низкого давления, состояние запорной арматуры, приводов и средств автоматизации. Состояние системы перевода агрегата в режим СК (если есть) оценивается в соответствии с разделом 5 «Методических указаний по переводу гидроагрегатов в режим синхронного компенсатора», СПО Союзтехэнерго, М 1986 г. (Приложение 15, п. 2).
В.3.3.3. Система осушения проточной части гидротурбины и откачки дренажа
Оценивается величина фильтрации через уплотнения затворов и работа насосов во время осушения проточной части турбины. Оценивается состояние откачивающих воду насосов и эжекторов, состояние сливных трубопроводов (наличие и глубина коррозионных повреждений на открытых участках), состояние запорной арматуры и привода, степень их автоматизации. Производится оценка (по сравнению с проектной) объема поступления дренажной воды в здание ГЭС (в том числе на крышку турбины) и работы откачивающих устройств с крышки турбины и средств автоматизации в соответствии со стандартом организации ГЭС (Приложение 15, п. 3).
В.3.3.4. Система пожаротушения гидроагрегата
Оценивается состояние устройств пожаротушения (датчики, трубопроводы, запорная арматура, привод и т.д.) и их соответствие современным требованиям по компоновке, надежности и автоматизации (Приложение 15, п. 4).
В.3.3.5. Система измерения гидравлических параметров гидротурбины
Оценивается состояние, надежность, достаточность и соответствие современным требованиям аппаратуры и схем системы измерений. (Приложение 15, п. 5).
Основные технические данные по _______________ ГЭС, гидротурбинному и гидрогенераторному оборудованию
|
Наименавание показателя |
Значение |
|
1. Характеристика ГЭС: состав гидросооружений, длина напорного фронта, расчетные и наиболее характерные напоры, объем водохранилища |
|
|
2. Установленная мощность ГЭС, МВт |
|
|
3. Количество гидроагрегатов |
|
|
4. Первичная схема электрических соединений |
|
|
5. Характерный режим работы (пиковый, базовый), его изменение во времени |
|
|
6. Единичная мощность гидроагрегата, МВт |
|
|
7. Типоразмер турбины |
|
|
8. Завод-изготовитель турбины |
|
|
9. Год выпуска турбины |
|
|
10. Напоры: минимальный, м |
|
|
расчетный, м |
|
|
максимальный, м |
|
|
11. Расход воды через турбину при расчетном напоре, м/с |
|
|
12. Мощность турбины при расчетном напоре, МВт |
|
|
13. Требуемая высота отсасывания турбины при расчетном напоре и максимальной нагрузке, м |
|
|
14. Число лопастей рабочего колеса |
|
|
15. Число лопаток направляющего аппарата |
|
|
16. Количество и тип сервомоторов направляющего аппарата |
|
|
17. Тип направляющего подшипника турбины |
|
|
18. Тип гидрогенератора |
|
|
19. Завод-изготовитель гидрогенератора |
|
|
20. Год выпуска гидрогенератора |
|
|
22. Номинальная частота вращения ротора, об/мин |
|
|
23. Напряжение статора, кВ |
|
|
24. Ток ротора, А |
|
|
25. Коэффициент мощности |
|
|
26. Диаметр расточки статора, мм количество секторов, шт. |
|
|
27. Тип обмотки статора |
|
|
28. Тип изоляции обмотки статора |
|
|
29. Число полюсов ротора |
|
|
30. Тип изоляции обмоток ротора |
|
|
31. Тип системы охлаждения статора и ротора |
|
|
32. Тип подпятника(краткое описание) |
|
|
33. Максимальная нагрузка на подпятник, т |
|
|
34. Удельная нагрузка на подпятник, МПа |
|
|
35. Тип подшипников гидрогенератора (краткое описание) |
|
|
36. Тип системы возбуждения |
|
|
37. Тип регулятора частоты вращения |
|
|
38. Типоразмер МНУ |
|
|
39. Гарантии регулирования: |
|
|
- заброс оборотов при сбросе полной нагрузки |
|
|
- заброс давления в спиральной камере при сбросе полной нагрузки |
|
|
- вакуум в отсасывающей трубе 40. Тип АСУ ТП |
Сведения об использовании и
ремонтах гидроагрегатов
_____________________ ГЭС на ___________г.
|
Ст N гидроагрегата |
Дата ввода в эксплуатацию |
Завод изготовитель турб/генер |
Число часов работы с начала эксплуатации |
Выработка эл. энергии с начала эксплуатации |
Количество пусков с начала эксплуатации |
Годы капит. ремонтов |
Структура ремонтного цикла (периодичность КР, ТР, СР) |
Эксплуатационные данные по ___________________ ГЭС за последние 15 лет
|
Год |
Среднегодовой напор, м |
Выработка эл. энергии с начала эксплуатации |
Число часов использования |
Коэффициент технического использования |
Количество аварий и отказов |
||
|
в работе |
в ремонте |
в резерве |
|||||
Сведения по произведенным заменам и реконструкциям оборудования
|
Замена или реконструкция оборудования (название узла, краткое содержание и год проведения работ) |
№ гидроагрегата |
||||
|
1 |
2 |
3 |
4 |
||
Сведения о натурных энергетических испытаниях гидроагрегатов
|
Дата испытаний |
Исполнитель |
Необходимость проведения испытаний |
Краткое содержание и результаты выполненных работ |
Натурные энергетические характеристики гидротурбины
1. Эксплуатационная энергетическая характеристика гидроагрегата: график, когда и кем получена.
2. Эксплуатационная расходная характеристика гидроагрегата: график, когда и кем получена.
3. Сведения по обеспеченным высотам отсасывания.
4. Сведения по средневзвешенному напору (напору наибольшей продолжительности или напору при котором обеспечивается наибольшая выработка).
Сведения о вибрационных характеристиках и биении вала гидроагрегата (по циркуляру № Ц-01-96(Э))
|
Дата испытаний |
Исполнитель |
Необходимость проведения испытаний |
Объем испытаний, краткое содержание и результаты выполненных работ (наличие ограничений в зависимости от напора и нагрузки) |
Результаты визуального и инструментального обследования проточной части гидротурбины
|
Перечень контролируемых параметров по узлам |
Состояние узлов по указанным параметрам |
|
1. Спиральная камера |
|
|
- наличие трещин в облицовке (визуально) |
|
|
- оценка состояния бетона визуально (для бетонных спиральных камер) |
|
|
- толщина стенок металлической камеры |
|
|
- плотность прилегания облицовки к бетону простукиванием |
|
|
2. Статор турбины |
|
|
- наличие трещин в колоннах статора (визуальный контроль) |
|
|
- степень абразивного износа и наличие трещин на поверхности колонн и поясов (визуальный контроль) |
|
|
3. Крышка турбины |
|
|
- состояние крышки турбины по кавитационным разрушениям наплавкам и трещинам (визуальный контроль) |
|
|
4. Камера рабочего колеса |
|
|
- наличие трещин облицовки (визуально) |
|
|
- степень кавитационных и других разрушений (площадь, глубина) |
|
|
- прилегание облицовки к основному бетону простукиванием |
|
|
5. Отсасывающая труба |
|
|
- состояние бетона (визуально) |
Результаты визуального и инструментального обследования рабочего колеса, направляющего аппарата, подшипника, вала и маслоприемника гидротурбины
|
Перечень контролируемых параметров по узлам |
Состояние узлов по указанным параметрам |
|
1. Рабочее колесо |
|
|
- степень кавитационных разрушений лопастей и корпуса (место, площадь, глубина) |
|
|
- наличие трещин на лопастях (место, характерный размер) |
|
|
- состояние мезанизма разворота |
|
|
- состояния уплотнений лопастей (визуально, по данным о протечках масла) |
|
|
- состояние лабиринтных уплотнений для РО турбин |
|
|
2. Направляющий аппарат |
|
|
- состояние лопаток в зоне перехода пера к цапфам (визуально или специальными методами на наличие трещин) |
|
|
- состояние верхнего и нижнего кольца направляющего аппарата (визуально) |
|
|
- степень кавитационного износа выходных кромок лопаток |
|
|
- состояние регулирующего кольца (наличие трещин визуально) |
|
|
- на наличие трещин на рычагах серьгах, накладках (визуально, специальными методами) |
|
|
- износ трущихся поверхностей кинематики (натиров, разрушений - визуально) |
|
|
- состояние цпаф, подшипников и уплотнений цапф лопаток (визуально) |
|
|
- состояние уплотнений лопаток |
|
|
- состояние сервомоторов (поршней, цилиндров, штоков) |
|
|
3. Подшипник турбины |
|
|
- состояния вкладышей и трущихся поверхностей (визуальная оценка) |
|
|
- состояние уплотнений |
|
|
- наличие трещин на сухарях, по сварным швам, на корпусе (визуально или специальными методами) |
|
|
- состояние опорных элементов (болтов, клиньев) - визуально |
|
|
- состояние крепежных болтов (визуальная оценка) |
|
|
4. Вал турбины |
|
|
- наличие трещин в зоне фланцев, особенно в зоне отверстий под болты (контроль травлением) |
|
|
- состояние шейки вала или облицовки в зоне подшипника (визуальный контроль) |
|
|
- инструментальная оценка износа шейки или облицовки |
|
|
5. Маслоприемник ПЛ гидротурбины |
|
|
- наличие выбросов масла,оценка величины протечек (визуально) |
|
|
- степень износа штанг, втулок, подшипников (визуально, инструментальный контроль) |
Результаты обследования системы регулирования гидротурбины
|
Перечень контролируемых параметров по узлам |
Состояние узлов по указанным параметрам |
|
- состояние электрического шкафа ЭГР: (наличие и причины сбоев, наличие запасных элементов, уровень изоляции). |
|
|
- состояние гидромеханической колонки регулятора (износ поверхностей трения игл, букс, золотников, состояние редукторов и маятника у гидромеханических регуляторов, надежность ЭГП) |
|
|
- качество регулирования оборотов на холостом ходу и при сбросах нагрузки |
|
|
- качество отработки задания на изменение мощности при ручном регулировании и при работе с системой ГРАМ |
|
|
- соответствие комбинаторной зависимости ПЛ гидротурбин оптимальной, полученной по результатам натурных испытаний |
|
|
- состояние котла МНУ (по результатам обследования на соответствие требованиям Госгортехнадзора) |
|
|
- состояние насосов МНУ по производительности и износу оборудования |
|
|
- состояние обратных клапанов, запорной арматуры (по данным эксплуатации) |
|
|
- время цикла работы насосов на котел и на слив в летнее время |
|
|
- достаточность запаса по перестановочным усилиям сервомоторов направляющего аппарата |
Результаты обследования статора гидрогенератора
|
Перечень контролируемых параметров по узлам |
Состояние узлов по указанным параметрам |
|
- наличие усталостных трещин сварных швов, элементов крепления клиньев и стяжных шпилек корпуса, нашихтовочных клиньев, крепления к фундаменту (визуальный контроль) |
|
|
- состояние активной стали: наличие контактной коррозии, ослабление прессовки (веер зубцов, выламывание, трещины листов), выпучивание пакетов, наличие местных перегревов, оплавлений (визуальный контроль) |
|
|
- состояние нажимных пальцев, гребенок: наличие ослаблений крепления, деформаций, перекосов (визуальный контроль) |
|
|
- ослабление крепления вентиляционных распорок (визуальный осмотр и простукивание) |
|
|
- состояние стыков статора |
|
|
- состояние креплений лобовых и пазовых частей стержней обмотки (визуальный контроль) |
|
|
- состояние пазовых клиньев сердечника, состояние заклиновки (визуальный контроль и простукивание) |
|
|
- состояние паяных соединений головок лобовых частей обмотки и перемычек (контроль неразрушающими методами) |
|
|
- состояние изоляции: наличие натеков лака, обугливания поверхности стержней и бандажей, расслоение и трещины в изоляции (визуальный контроль) |
|
|
- наличие неплотностей (течи) в системе водяного охлаждения стержней обмотки статора |
|
|
- состояние фторопластовых шлангов, изоляционных крепежных элементов (визуальный контроль) |
|
|
- состояние насосов,фильтров,регуляторов (по данным эксплуатации) |
|
|
- оценка состояния системы водяного охлаждения на основании измерений сопротивления дистиллята, тепловых испытаний (по данным эксплуатации) |
|
|
- состояние воздухоохладителей |
Результаты обследования ротора гидрогенератора
|
Перечень контролируемых параметров по узлам |
Состояние узлов по указанным параметрам |
|
- состояние стальных конструкций: наличие трещин сварных соединений остова, ослабление посадки обода на спицы, смещения, ослабление посадки и крепления полюсов на обод ротора, несовпадение средней линии полюсов и обода ротора на величину, превышающую допуск (визуальная оценка) |
|
|
- форма ротора и статора, отклонения от норм (измерение воздушного зазора, осциллографирование Э.Д.С. витка) |
|
|
- состояние межполюсных соединений: распайки, наличие трещин, перегревов (визуальный контроль) |
|
|
- состояние демпферной системы: ослабление крепежных элементов, состояние пайки, наличие местных перегревов (визуальный контроль) |
|
|
- состояние крепления токопровода (визуальный контроль) |
|
|
- состояние лопаток вентиляторов воздушной системы охлаждения (визуальный контроль) |
Результаты обследования подпятника и подшипников гидрогенератора
|
Перечень контролируемых параметров по узлам |
Состояние узлов по указанным параметрам |
|
1. Подпятник состояние поверхностей трения ЭМП-сегментов (визуальная оценка) |
|
|
- наличие трещин тарельчатых опор (визуальный контроль, специальные методы) |
|
|
- величина смятия опорных болтов, опорных тарелок (инструментальный контроль) |
|
|
- наличие трещин в сварных соединениях стола подпятника (визуальный контроль) |
|
|
- шероховатость зеркальной поверхности диска (визуальный контроль, слепками) |
|
|
- величина макронеровности диска (измерения при прокрутке ротора) |
|
|
- состояние маслоохладителей |
|
|
2. Подшипник |
|
|
- состояние трущихся поверхностей сегментов и втулки (визуальный контроль) |
|
|
- состояние опорных частей: вкладыши, сухари, опорные болты (осмотр и обмеры) |
|
|
- состояние сварных швов опорных элементов и корпуса (визуальный контроль, керосиновая проба на наличие трещин) |
|
|
- состояние изоляции сегментов (визуальная оценка, измерения) |
|
|
- состояние маслоохладителей |
Результаты обследования системы возбуждения гидрогенератора
|
Перечень контролируемых параметров по узлам |
Состояние узлов по указанным параметрам |
|
- состояние тиристоров и систем управления (по данным осмотров и испытаний) |
|
|
- состояние системы водяного охлаждения тиристоров (насосов, трубопроводов, фильтров, теплообменников) |
|
|
- состояние системы воздушного охлаждения (вентиляторов, креплений) |
|
|
- оценка надежности, недостатки схемы и компоновки (по данным эксплуатации) |
Результаты обследования вспомогательного оборудования гидроагрегата
|
Перечень контролируемых параметров по узлам |
Состояние узлов по указанным параметрам |
|
1. Система технического водоснабжения |
|
|
- состояние трубопроводов, запорной арматуры, насосов, эжекторов |
|
|
- состояние системы смазки подшипников |
|
|
- максимальная величина расхода воды в системе |
|
|
- состояние средств автоматизации и регулирования расхода (наличие, достаточность, соответствие современным требованиям) |
|
|
- недостатки схемы техводоснабжения, необходимость изменения (по данным эксплуатации) |
|
|
2. Система технического воздухоснабжения |
|
|
- состояние компрессоров высокого и низкого давления, надежность резерва, недостатки компоновки (по данным эксплуатации) |
|
|
- состояние воздухосборников и воздухопроводов (по заключению Котлонадзора) |
|
|
- состояние запорной арматуры, приводов, средств автоматизации (визуальный контроль, данные эксплуатации) |
|
|
- состояние системы перевода гидроагрегата в режим СК, надежность, недостатки компоновки, необходимость оптимизации (по данным эксплуатации и на основании результатов натурных испытаний) |
|
|
3. Система осушения проточной части гидротурбины и откачки дренажа |
|
|
- величина фильтрации через уплотнения затворов |
|
|
- состояние откачивающих насосов (эжекторов) (достаточность резерва по данным эксплуатации) |
|
|
- состояние сливных трубопроводов (визуальный контроль) |
|
|
- состояние запорной арматуры и приводов (по данным эксплуатации) |
|
|
- состояние насосов (эжекторов) откачки дренажа (достаточность резерва по данным эксплуатации) |
|
|
- проявившиеся недостатки и необходимость изменения схемы осушения и дренажа (по данным эксплуатации) |
|
|
4. Система пожаротушения гидроагрегата |
|
|
- состояние датчиков, трубопроводов, запорной арматуры, приводов |
|
|
- недостатки, выявленные за период эксплуатации |
|
|
5. Система измерения гидравлических параметров турбины (уровня, напора, расхода и др.) |
|
|
- состояние измерительной аппаратуры, тип, соответствие современным требованиям |
|
|
- состояние системы, трубопроводов, датчиков (визуальный контроль) |
|
|
- оценка достаточности и надежности (по данным эксплуатации) |
Состояние системы автоматического управления и защиты гидроагрегата
|
Наименование показателя |
Значение |
|
1. Система автоматического управления |
|
|
- краткое описание системы (тип управляющего ИВК на станционном уровне, на агрегатном уровне, наличие резервирования) |
|
|
- состояние системы (соответствие современным требованиям) |
|
|
- характерный режим функционирования (автоматический, информационная система) |
|
|
- оценка надежности (по данным эксплуаации) |
|
|
2. Система защиты гидроагрегата |
|
|
- состав аппаратуры защиты (краткое описание) |
|
|
- состояние системы, соответствие современным требованиям |
|
|
- оценка надежности (по данным эксплуатации) |
Состояние средств эксплуатационного контроля параметров вибрации, биения вала, температуры
|
Наименование показателя |
Значение |
|
- состав средств контроля вибрации, биения вала, температуры (датчики, вторичная аппаратура, наличие выхода в АСУ) |
|
|
- периодичность контроля |
|
|
- места измерения параметров, количество точек измерения |
|
|
- состояние средств контроля,соответствие современным требованиям |
|
|
- оценка надежности и достаточности средств контроля в соответствии с действующими НТД |
(обязательное)
Контроль металла рабочих колес гидротурбин
Г.1 Общая часть
При эксплуатации гидротурбин металл рабочих колес подвержен воздействию кавитационных, эрозионных, коррозионных, усталостных процессов, что с течением времени приводит к появлению различных дефектов в металле и повреждениям гидротурбин. При этом микроструктура металла не изменяется, однако его прочность снижается.
Методики, объемы и периодичность контрольно-диагностических операций, проводимых на рабочих колесах действующих ГЭС, не всегда обеспечивают выявления дефектов, что приводит к снижению надежности гидротурбин. Для контроля используют неоднотипное оборудование, применяют не всегда обоснованные методы диагностики, в результате чего снижается достоверность результатов диагностики металла. Недостатки диагностики в процессе эксплуатации приводили в ряде случаев к аварийным повреждениям рабочих колес гидротурбин.
Г.2 При эксплуатации гидротурбин следует проводить эксплуатационный контроль металла рабочих колес всех типов независимо от их мощности и конструкции в объемах и с периодичностью, указанной в приложении I. При необходимости по решению технического руководителя ГЭС периодичность проведения контроля может быть сокращена, а объемы увеличены по сравнению с периодичностью и объемами, приведенными в приложении I.
Г.2. Контроль металла следует проводить силами специалистов соответствующего профиля из состава эксплуатационного персонала, привлекаемых специализированных организаций, ремонтных организаций.
Г.3. На ГЭС должен быть организован контроль металла рабочих колес гидротурбин, налажен учет и расследование всех случаев выявления дефектов и возникновения повреждений металла в процессе эксплуатации. Сведения о повреждениях, выявленных при осмотре и ремонте, следует регистрировать в технической документации, которая должна храниться на ГЭС в течение всего периода эксплуатации контролируемого рабочего колеса.
Г.4. Если при проведении контроля по настоящему циркуляру будут обнаружены дефекты основного или наплавленного металла, включая сварные швы, следует производить повторный контроль в удвоенном объеме. Если при увеличенном повторном контроле снова будут обнаружены дефекты, необходимо производить 100 %-ный контроль.
Г.5. В случае затруднений в оценке надежности рабочего колеса из-за неоднократных повреждений металла вопрос о дальнейшей эксплуатации решать совместно со специализированными организациями и заводами-изготовителями.
Приложение 1
Эксплуатационный контроль металла рабочих колес гидротурбин
1. Периодичность контроля
1.1 Первый контроль металла рабочих колес гидротурбин следует выполнять не позднее чем через 8000 ч после начала эксплуатации. Если дефекты не будут обнаружены, последующие контрольные проверки следует выполнять не позднее чем через 25000 ч работы гидротурбины.
1.2 Если при первой проверке будут выявлены дефекты металла, то сроки проведения последующих контрольных проверок должны быть сокращены. Периодичность проведения контроля устанавливается техническим руководителем ГЭС по представлению специалистов из числа эксплуатационного персонала, при необходимости согласованном со специализированной организацией.
2 Объемы и методы контроля
2.1 Радиально-осевые гидротурбины
2.1.1 Лопасти рабочих колес (рис. 1) радиально-осевых гидротурбин подвергаются контролю для выявления кавитационных, эрозионных и коррозионно-усталостных повреждений и трещин в основном и направленном металле следующими методами и в объемах:
визуальный осмотр поверхности - 100 %;
магнитопорошковая дефектоскопия поверхностей рабочих колес гидротурбин диаметром не менее 4 м - выборочно на поверхностях, наиболее подверженных разрушениям1: лопастей из перлитных сталей - 10 %; лопастей из нержавеющих сталей - 5 %;
______________
1 Допускается замена МПД травлением или цветной дефектоскопией.
магнитопорошковая дефектоскопия сварных швов рабочих колес гидротурбин диаметром не менее 4 м - в объеме 10 %;
лабиринтные уплотнения (только в случае демонтажа рабочего колеса): визуальный осмотр - 100 %; магнитопорошковая дефектоскопия - 20 %**;
болты крепления лопастей рабочих колес гидротурбин: УЗК в объеме 100 %*.
2.1.2 Ультразвуковая дефектоскопия проводится по методикам заводов-изготовителей, магнитопорошковая и цветная дефектоскопии - в соответствии с приложением 2.
входной и выходной кромок лопастей - 100 %*;
галтельных переходов - 100 %.*
______________
* Независимо от марки стали.
** Допускается замена МПД травлением или цветной дефектоскопией.
Рис. 1. Схема лопасти рабочего колеса радиально-осевой гидротурбины с указанием основных мест контроля:
1
- верхний обод рабочего колеса; 2 - зона приварки лопасти к верхнему
ободу рабочего колеса;
3 - входная кромка; 4 - нижний обод рабочего колеса;
5 - зона приварки лопасти к нижнему ободу рабочего колеса; 6 -
выходная кромка.
2.2 Поворотно-лопастные гидротурбины
2.2.1 Лопасти рабочих колес (рис. 2) поворотно-лопастных гидротурбин подвергаются контролю для выявления кавитационных, эрозионных и коррозионно-усталостных повреждений и трещин в основном и наплавленном металле следующими методами и в объемах:
визуальный осмотр поверхности - 100 %;
магнитопорошковая дефектоскопия поверхностей колес гидротурбин диаметром не менее 4 м - выборочно на поверхностях, наиболее подверженных разрушениям**:
лопастей из перлитных сталей - 10 %;
лопастей из нержавеющих сталей - 5 %;
пера в зоне монтажного отверстия - 100 %*;
периферийной кромки лопастей - 100 %;
галтельных переходов - 100 %;
болты крепления лопастей рабочих колес гидротурбин подвергаются УЗК в объеме 100 %.
______________
* Независимо от марки стали.
** Допускается замена МПД травлением или цветной дефектоскопией.

Рис. 2. Схема лопасти рабочего колеса поворотно-лопастной гидротурбины с указанием основных мест контроля.
1 - входная кромка; 2 - монтажное отверстие; 3
- выходная кромка;
4 - периферийная кромка; 5 - корневое сечение - место сопряжения
фланца с пером;
6 - галтель - радиусный переход от фланца к перу
3. Техническая документация по результатам контроля
3.1. Для каждой гидротурбины следует вести учет выявленных при контроле дефектов по форме приложения 3 и формуляры с указанием мест расположения и размеров дефектов.
3.2. Техническая документация, утвержденная техническим руководителем ГЭС, должна быть сохранена как приложение к паспорту гидроагрегата в течение всего периода эксплуатации.
3.3. По результатам проведенного контроля следует определять объем ремонтно-восстановительных работ и разрабатывать техническую документацию на их выполнение в соответствии с «Инструкцией по организации ремонта энергетического оборудования электростанций, и подстанций» (М.: СЦНТИ ОРГЭС, 1975).
Справочное
Перечень документов, определяющих методики контроля металла рабочих колес гидротурбин
1. ГОСТ 21105-75. Контроль не разрушающий. Магнитопорошковый метод.
2. Инструкция по применению портативных намагничивающих устройств для проведения магнитно-порошковой дефектоскопии деталей энергооборудования без зачистки поверхностей. - М.:СПО Союзтехэнерго, 1978.
3. ССТ 34.42.545-81. Соединения сварные оборудования АХ. Дефектоскопия. Капиллярный цветной и люминесцентный методы.
Наименование электростанции _________________________________
Станционный номер и тип гидроагрегата _________________________
СВЕДЕНИЯ О РЕЗУЛЬТАТАХ КОНТРОЛЯ
|
Элемент (деталь) |
Номер чертежа |
Завод-изготовитель (фирма) |
Заводской номер |
Марка стали |
Дата изготовления/дата ввода в эксплуатацию |
Время наработки с начала эксплуатации, ч |
Время наработки от предыдущего контроля, ч |
Контроль поверхности |
Размеры выборки после удаления дефектов, мм |
Контроль за качеством сварки |
Примечание |
|||||||
|
Дата, организация, номер заключения |
Визуальный осмотр |
Дефектоскопия |
Длина |
Ширина |
Глубина |
Дата, организация, номер заключения |
Оценка качества заварки |
Трудоемкость работ по контролю металла и устранению дефекта/длительность простоя, чел.-ч/ч |
||||||||||
|
Описание дефекта |
Метод |
Описание дефекта |
||||||||||||||||
|
1 |
2 |
3 |
4 |
5 |
6 |
7 |
8 |
9 |
10 |
11 |
12 |
13 |
14 |
15 |
16 |
17 |
18 |
19 |
(справочное)
Методические указания по контролю линии валов вертикальных гидроагрегатов
Д.1. Введение
Д.1.1.В излагаемых ниже разделах инструкции приняты следующие условные обозначения:
Д.1.1.1.Точки (риски) обозначения разбивки окружности вала - I, II, III, ...; VIII (крупные валы - до ХII).
Д.1.1.2.Диаметральные плоскости, в которых подсчитываются биения отдельных компонентов линии вала - I-V, II-VI, III-VII, IV-VIII (при разбивке окружности на 12 частей наименование плоскостей изменится: I-VII, II-VIII и т.д.).
Д.1.1.3.Показания приборов, регистрирующих биение по отдельным компонентам линии вала в каждой из точек по п. 1.4.1:
IГ - в зоне генераторного подшипника (верхнего);
Iд - по зеркальному диску подпятника;
IФ - по фланцу вала;
IТ - в зоне турбинного подшипника.
Д.1.1.4. Отклонения отдельных компонентов линии вала с учетом перемещения в генераторном подшипнике (в тех же точках):
DФ = IФ - IГ - фланца вала;
DT = IT - IГ - шейки вала в зоне турбинного подшипника.
Д.1.1.5. Полное биение (размах) тех же компонентов в четырех диаметральных плоскостях по п. 1.4.2:
торцовое dд = Iдn
-
;
радиальное dф = Dфn -
;
радиальное dт = Dтn -
,
где n - от I до IV
Д.1.1.6. Смещение бьющей
точки от оси
вращения
Д.1.1.7. Обозначение размеров:
l - расстояние между верхним генераторным подшипником и рассматриваемым сечением (lT и lФ);
Д - диаметр расположения на зеркальном диске регистрирующего биение прибора;
Дд - диаметр зеркального диска;
Докрб - диаметр окружности регулировочных болтов сегментов.
Д.1.1.8. Излом К - отклонение нижнего конца последующего валаот осевой линии предыдущего.
Д.1.1.9. Зазор (на диаметр) в турбинном подшипнике - f.
Д.1.1.10. Уклон ε, мм/м.
Д.2. Технические требования к технологической последовательности операций по проверке центровки и устранению ее дефектов
Д.2.2. Проверка податливости грузонесущей крестовины путем фиксации разницы в перемещениях под нагрузкой каждой лапы в соответствии с картой измерения № 1.
Устранение неравномерно распределенной нагрузки на лапы путем перераспределения толщины прокладок под ними с перепроверкой податливости.
Д.2.3. Проверка общей линии валов методом поворота ротора агрегата на 360°. Инструктивные указания по проверке представлены в подразделе Д.3.1,
Выявление необходимости устранения неперпендикулярности зеркального диска подпятника или излома валов во фланцах.
Д.2.4.Проверка по струне центровки неподвижных частей агрегата 2 и, при необходимости, приведение к соосности всех расточек. Инструктивные указания даны в подразделе Д.3.3.
Д.2.5.Устранение в ходе капитального ремонта неправильности формы рабочего колеса и его камеры, а также ротора генератора.
Д.2.6.Устранение неперпендикулярности зеркального диска подпятника и излома линии валов во фланцах с последующей перепроверкой общей линии валов.
Д.2.7. Проверка уклона валов (для агрегатов с подпятниками на жесткой опоре); устранение уклона. Инструктивные указания даны в подразделе Д.3.2.
Д.2.8. Центровка неподвижных частей агрегата (расточки под направляющие подшипники, статор генератора и пр.) по ротору. Заполнение карт измерений (графы «после ремонта») по узлам, указанным в п. Д.2.1.
Д.3. Технологическая инструкция по проверке центровки и устранению ее дефектов
Проверка центровки должна производиться в следующих случаях:
а) при проведении капитального ремонта впервые после монтажа;
б) при отсутствии данных по предыдущим проверкам;
в) при возникновении вибраций, связанных с повышенными биениями вала;
г) при замене или ремонте с разборкой каких-либо звеньев линии валов.
Д.3.1. Проверка общей линии валов методом поворота ротора на 360°
Д.3.1.1. Методы поворота роторов гидроагрегатов
В качестве основного способа поворота средних и крупных гидроагрегатов рекомендуется электрический поворот роторов, применяемый рядом гидроэлектростанций. Возможен также «крановый» способ с помощью троса, пропущенного через один или два блока и застроенного за специальные приливы на спицах ротора генератора; в процессе поворота трос последовательно перестрапливается. Указанный трос может быть навит на специальный сварной барабан, прикрепленный к верхнему торцу генераторного вала (рис. 1).
На рис. 2 показан простейший способ поворота ротора краном. Недостаток его в несимметричности прилагаемого усилия относительно центра ротора, приводящего к обязательному боковому смещению ротора в пределах зазора в направлявшем подшипнике. На рис. 3 представлен способ симметричного поворота, свободный от указанных недостатков и предпочтительный для поворота агрегатов с подпятниками на гидравлической опоре.
Рис. 1. Схема поворота ротора агрегата:
1 - блок; 2 - приспособление для поворота ротора; 3 - гак мостового крана
Рис. 2. Несимметричный способ поворота ротора гидроагрегата
Рис. 3. Симметричный способ поворота ротора гидроагрегата
В качестве смазки сегментов подпятника и направляющего подшипника следует применять:
а) для легких роторов - свиное несоленое топленое сало, белую или серую ртутную мазь;
б) для тяжелых - бараний и говяжий жир, смесь свиного топленого сала с хорошо просеянным серебристым графитом, белую или серую ртутную мазь с графитом.
При температуре воздуха в машинном зале выше 20 °С целесообразно ввести в животный жир порошок дисульфида молибдена (М025).
Д.3.1.2. Подготовительные работы
Д.3.1.2.1.Разобрать все направляющие подшипники агрегата, за исключением одного, наиболее близко расположенного к подпятнику; в оставшемся подшипнике следует установить минимальные зазоры для уменьшения боковых перемещений ротора при его поворотах.
Д.3.1.2.2.Подготовить к применению следующее:
а) оборудование для электрического поворота или такелаждля поворота ротора краном;
б) смазку по п.Д.3.1.1 - 8 кг;
в) бесконтактные приборы дистанционного измерения биения на основе датчика Холла или индикаторы со штативами - по одному на каждое фланцевое соединение валов, шейку турбинного вала, зеркальный диск подпятника, а также на каждую шейку генераторного вала.
Д.3.1.2.3. Разметить окружность вала на восемь равных частей и нанести через каждые 45° риски мелом или белой масляной краской на втулку подпятника или непосредственно на ротор генератора так, чтобы они хорошо были видны крановщику, поворачивающему ротор.
Риски нумеруются от I до VIII против направления вращения ротора; при этом точка 1 ориентируется по какой-либо детали ротора (чаще всего по нумерованным полюсам). В этом случае угол поворота отсчитывается го числу полюсов ротора генератора, приходящихся на 1/8 часть окружности.
Д.3.1.2.4. Установить указанные в п. Д.3.1.2.2 приборы, регистрирующие биение отдельных компонентов ротора агрегата, согласно схеме карты измерения № 2. Прибор, регистрирующий торцовое Биение зеркального диска, устанавливается между гофрами в одной вертикальной плоскости со всеми остальными приборами на расстоянии около 50 мм от наружного края диска.
Правила установки индикаторов следующие:
а) штатив индикаторов закрепляется надежно и не должен смещаться;
б) натяг ножки индикатора подбирается так, чтобы большая стрелка ориентировалась на «нуль», а малая находилась в середине шкалы; в этом случае индикатор будет иметь возможность отсчитывать показания на «плюс» и на «минус».
Д.3.1.2.5. Произвести пробный поворот ротора, уделяя особое внимание отсутствию его задеваний за неподвижные части агрегата, что выражается в плавном изменении показаний приборов. Операция заканчивается подведением точки I ротора к выбранному месту начала отсчета (контрольная метка на статоре генератора).
Д.3.1.3. Измерение и обработка полученных данных
Д.3.1.3.1. Произвести поворот ротора агрегата с остановами в каждой точке разметки по окружности, снятием показаний всех приборов, регистрирующих биение отдельных компонентов ротора, и записью результатов в карту измерения № 2. При каждом останове ротора обязательно следует ослабить натяжение тягового троса, чтобы не искажалось значение показаний индикаторов. Поворачивание ротора заканчивается при возвращении точки 1 в исходное положение.
Д.3.1.3.2.Выявление неперпендикулярности зеркального диска подпятников на гидравлической опоре имеет своеобразные особенности: часть биения диска проявляется, как и для жестких подпятников, в виде радиального биения генераторного вала во фланце; остальная часть сглаживается гидравлическими опорами, что регистрируется установленным к диску «торцовым» прибором (индикатором). Синтез указанных составляющих осуществляется в относительных величинах (мм/м).
Поэтому полное торцовое биение зеркального диска (по его внешнему диаметру) равно

при условии отсутствия волнистости рабочей поверхности диска.
Характерным для агрегатов с такими подпятниками следует признать несовпадение показаний приборов после поворота ротора на 360°, в частности, невозврат к нулю биения в точке 1. Указанное явление имеет место из-за перераспределения соотношения радиальных биений фланца вала и торцовых биений зеркального диска после первого протяжения краном.
Поэтому при подсчетах биений отдельных компонентов линии вала (по п. Д.3.1.3.3) следует оперировать данными по точке 1 в самом конце поворота, а не нулевыми в начале отсчета.
Д.3.1.3.3. Осуществить подсчет биений зеркального диска подпятника и шейки турбинного вала в четырех диаметральных плоскостях согласно зависимостям, приведенным в таблицах карты измерения № 2. Полное биение зеркального диска не должно превышать 0,12 мм, биение шейки турбинного вала не должно превышать величины суммарного (на диаметр) зазора f в турбинном подшипнике. Пример подсчета биений представлен непосредственно в карте измерения.
Д.3.1.3.4. В случае наличия выходящей за пределы допустимого хотя бы одной из указанных величин построить график состояния линии валов в четырех диаметральных плоскостях (рис. 4).
Рис. 4. Пример построения графика состояния линии вала
График строится в двух масштабах: длина вала l - в уменьшенной, смещение вала от оси вращения д/2 в увеличенном.
У осевых линий вала сверху ставится наименование плоскости; положение цифр наименования плоскости относительно оси позволяет ориентировать на графике направление бьющей точки.
Продолжив геометрические линии вала генератора за фланцевые соединения (на графике - пунктиром), можно по масштабу снять расхождение «К» осевых линий валов на длине lT - lФ турбинного вала.
Наибольшая величина Кмакс из всех плоскостей является расчетной для исправления излома в данном фланцевом соединении и указывает плоскость направления излома.
Конкретный пример проверки линии валов представлен непосредственно в карте измерения № 2.
Проверка уклона валов производится непосредственно вслед за проверкой общей линии валов после устранения неперпендикулярности зеркального диска подпятника и излома валов во фланцах.
Настоящая Инструкция не рассматривает широко известную в монтажной практике проверку по четырем струнам из-за ее значительной трудоемкости и невозможности применения к зонтичным гидроагрегатам с опорой подпятника на крышку турбины.
Д.3.2.1. Проверка с помощью микрометрического уровня
Д.3.2.1.1. В случае проверки по нерабочей поверхности вала закрепить на генераторном валу (непосредственно над фланцевым соединением) три хомута с расстоянием 350 мм по высоте друг от друга. Указанное мероприятие осуществляется для усреднения показаний по соответствующим сечениям 1, 2, 3 (см. эскиз карты измерения № 3) и ослабления тем самым влияния дефектов профиля по высоте вала.
При проверке по хорошо обработанной поверхности (шейке вала) достаточен один хомут.
Д.3.2.1.2. Для фиксации мест установки угольника с уровнем нанести на вал в зоне обозначенных сечений 4 вертикальных линий, соответствующие направлениям осей: +х (правый берег); -х (левый берег); +у (ВБ); -у (НБ). Нанести также наименования указанных осей (рис. 5).
Рис. 5. Разметка вала агрегата для проверки центровки уровнем «Геологоразведка»:
-х, +х, -у, +у - места
закрепления угольника для установки уровня;
а - разметка; б - сечение вала в месте установки уровня;
1, 2, 3 - места установки хомутов
Последующие измерения уклона по каждой из этих осей (т.е. с двух сторон вала) предусмотрены в целях устранения влияния погрешности изготовления прямого угла угольника.
Д.3.2.1.3. Установить угольник (рис. 6) поочередно на каждый хомут в места его пересечения с обозначенными вертикальными линиями, притягивая его каждый раз к валу стяжным тросиком другим устройством (рис. 7).
В каждом из фиксируемых положений установить на горизонтальную полку угольника микрометрический уровень завода «Геологоразведка», очертить карандашом его положение и произвести измерение уклона.
Рис. 6. Уголок для проверки линии валов с помощью уровня
Развернуть уровень на 180°, оставив его на очерченной площадке, и повторить измерение.
Таким образом, всего должно быть произведено 24 измерения (8 измерений - при проверке по шейке вала), результаты которых следует внести в таблицу карты измерения № 3.
Д.3.2.1.4. Произвести подсчет уклона согласно руководящим указаниям карты измерения.
Рис. 7. Ротор генератора:
1 - хомут; 2 - стяжной тросик; 3 - уровень; 4 - угольник
Усреднение результата измерений 0 и 180° (среднее внутри-осевое) производится алгебраическим сложением показаний и делением суммы пополам. У среднего значения ставится знак большего по абсолютному значению показания.
Аналогичным образом рассчитывается усреднение показаний между положительными и отрицательными осями при получении осевых составляющих уклона ех и еу.
При проверке по нерабочим поверхностям производится усреднение по сечениям 1, 2, 3.
Подсчет завершается переводом результирующей величины уклона из делений шкалы в миллиметры на метр (одно деление - 0,1 мм/м).
Д.3.2.1.5. Пример расчета уклона валов с помощью микрометрического уровня представлен непосредственно в карте измерения.
Д.3.2.2. Проверка с помощью маятникового электроизмерителя (МЭИ)
Д.3.2.2.1. Выполнить требования п. 3.2.1.1.
Д.3.2.2.2. Установить МЭИ последовательно на каждый хомут и, перемещая его по окружности в прижатом к валу состоянии, найти и зафиксировать плоскость наибольшего отклонения стрелки индикатора (одно деление шкалы - 0,01 мм/м) с проставлением знака направления уклона.
Проверить правильность полученного измерения повторным замером с другой стороны вала (под углом 180°). В этом случае величина уклона должна сохраниться прежней, а направление уклона измениться на противоположное.
Усреднить результаты измерения по трем сечениям.
Проверка уклона валов с помощью МЭИ отличается большой точностью измерений и меньшей трудоемкостью за счет исключения операций по многочисленным перестановкам и креплению к валу угольника при двухразовых измерениях в каждом его положении.
Д.3.3. Центровка неподвижных частей гидроагрегата
Д.3.3.1. При ремонте без выемки ротора агрегата
Д.3.3.1.1. Произвести измерение радиальных зазоров между:
1) ротором и статором генератора;
2) якорем и магнитной системой возбудителя;
3) ротором и статором регуляторного генератора;
4) штангами и втулками маслоприемника;
5) корпусами подшипников гидроагрегата и валом;
6) выгородкой масляной ванны подпятника и валом;
7) подвижными и неподвижными гребенками лабиринтных уплотнений вала турбины;
8) между камерой рабочего колеса и его лопастями или между ободами и неподвижными лабиринтными кольцами.
Д.3.3.1.2. В случае проведения наплавочных работ по рабочему колесу и его камере, при замене лопастей, а также отсутствии данных по предыдущим измерениям повторить измерения по п. Д.3.1.1 «а» и «з» при повороте ротора агрегата на 360° с остановами через каждый полюс генератора для проверки формы ротора и статора генератора, а также рабочего колеса и камеры или ободов и неподвижных лабиринтных колец. Устранить дефекты формы.
Д.3.3.1.3. Определить сравнением диаметрально противоположных зазоров величину и направление смещения неподвижных частей гидроагрегата относительно вращающихся. Величина смещения равна половине разности максимальных и минимальных зазоров; направление в сторону минимальных зазоров.
Д.3.3.2. При ремонте с выемкой ротора агрегата
Д.3.3.2.1. Подвесить внутри неподвижных частей агрегата отвес стальную струну с грузом, опущенным в ведро с вязким маслом, и отцентрировать ее по оси камеры или неподвижного лабиринтного конца с точностью 0,2 - 0,5 мм.
Д.3.3.2.2.Измерить штихмассом расстояния внутренних поверхностей (неподвижных частей) от струны в четырех направлениях: -х, +х, -у, +у, совпадающих с осями агрегата. Результаты измерений внести в карту измерений № 4.
Д.3.3.2.3. Произвести совмещение осей неподвижных частей с общей осью агрегата согласно рекомендациям п. Д.3.1.3.
Д.3.4. Устранение дефектов центровки.
Д.3.4.1. Устранение неперпендикулярности зеркального диска подпятника
Дефект устранить посредством шабрения опорной поверхности втулки подпятника или тыльной стороны диска, при этом максимальная толщина сшабриваемого клинового слоя h должна находиться со стороны положительного биения диска:

В качестве временной меры (до следующего капитального ремонта) допускается сшабривание клинового слоя со свободной поверхности изоляционной прокладки, приклеиваемой к тыльной стороне зеркального диска с помощью эпоксидной смолы. При следующем капитальном ремонте необходимо шабрить втулку (или диск) и заменять прокладку.
Установка между втулкой и диском клиновой ступенчатой прокладки из отдельных листов фольги или бумаги запрещается.
Д.3.4.2. Устранение излома линии валов во фланцах
Дефект устранить посредством шабрения торца одного из фланцев (как правило, нижнего); при этом максимальная высота сшабриваемого клинового слоя h1 должна располагаться со стороны отрицательного отклонения шейки турбинного вала:
![]()
Установка между фланцами клиновой ступенчатой прокладки также запрещается.
Д.3.4.3. Устранение уклона линии валов
Дефект устранить посредством регулировки высоты отдельных сегментов подпятника согласно схеме рис. 8.
Рис. 8. Схема регулировки высоты элементов подпятника для устранения уклона линии валов
На проекции сегментов, перпендикулярной вектору уклона, строится треугольник высот подъема сегментов (h1, h2, h3 и т.д.) с максимальной высотой hмакс = е × Докрб, расположенной прямо противоположно вектору уклона (в данном случае, максимальный подъем сегмента № 2). Операция заканчивается регулировкой равномерности нагрузки на сегменты подпятника.
Приложение
КАРТЫ ИЗМЕРЕНИЙ
Карта № 1

Определение податливости крестовины
|
№ - лучей крестовины |
1 |
2 |
3 |
4 |
5 |
6 |
7 |
8 |
|
|
до ремонта |
|||||||||
|
Показания индикаторов в ненагруженном состоянии |
I1 |
||||||||
|
I2 |
|||||||||
|
Показания индикаторов в нагруженном состоянии |
I1 |
||||||||
|
I2 |
|||||||||
|
Податливость опор в точках |
1 |
||||||||
|
2 |
|||||||||
|
после ремонта |
|||||||||
|
Показания индикаторов в ненагруженном состоянии |
I1 |
||||||||
|
I2 |
|||||||||
|
Показания индикаторов в нагруженном состоянии |
I1 |
||||||||
|
I2 |
|||||||||
|
Податливость опор в точках |
1 |
||||||||
|
2 |
|||||||||
Карта № 2
Проверка общей линии валов методом поворота ротора агрегата на 360°

|
Обозначение приборов и отклонений вала |
Показания приборов, регистрирующих биение и подсчет отклонений в точках по окружности |
||||||||
|
I |
II |
III |
IV |
V |
VI |
VII |
VIII |
I |
|
|
Iг |
0 |
+0,02 |
+0,015 |
+0,010 |
+0,010 |
-0,005 |
+0,012 |
+0,028 |
+0,03 |
|
Iд* |
0 |
-0,06 |
-0,05 |
0,00 |
+0,02 |
+0,01 |
+0,03 |
+0,01 |
-0,02 |
|
Iф |
0 |
-0,20 |
-0,19 |
-0,05 |
-0,03 |
+0,16 |
+0,30 |
0,00 |
-0,08 |
|
Iт |
0 |
-0,21 |
-0,35 |
+0,18 |
+0,01 |
-0,23 |
-0,18 |
-0,11 |
+0,07 |
|
Отклонение шейки вала в зоне турбинного подшипника Dт = Iт - Iг |
0 |
+0,19 |
+0,20 |
+0,17 |
0,00 |
-0,225 |
-0,168 |
-0,138 |
+0,04 |
|
Отклонение фланцевого соединения Dф = Iф - Iг |
0 |
-0,22 |
-0,205 |
-0,06 |
-0,04 |
+0,165 |
+0,312 |
-0,028 |
-0,11 |
_____________
* Измерение биения зеркального диска производится лишь для агрегатов с подпятниками на гидравлической основе.
|
Диаметральные плоскости |
Биение d, мм |
||||
|
фланца вала dф |
шейки турбинного подшипника dт |
торцовое
зеркального диска для агрегата с подпятником на жесткой опоре |
для агрегата с подпятником на гидравлической опоре |
||
|
торцовое зеркального диска dд |
полное торцовое
|
||||
|
I-V |
-0,07 |
+0,04 |
- |
-0,04 |
-0,57 |
|
II-VI |
-0,385 |
+0,415 |
- |
-0,09 |
-0,18 |
|
III-VII |
-0,517 |
+0,368 |
- |
-0,08 |
-0,20 |
|
IV-VIII |
-0,22 |
-0,032 |
- |
-0,01 |
-0,06 |
|
[dп] £ 0,12 |
Подсчет dп произведен при lф = 8,8 м; Д = 3,9 м; Дд = 4,0 м; f = 0,2 мм для агрегата с подпятником на гидравлической опоре |
||||
|
[dт] < f |
|||||
Вывод: следует устранить неперпендикулярность зеркального диска в плоскости III - VII и излом валов во фланцах в пл. II - VI.
Карта № 3
Проверка уклона линии валов с помощью микрометрического уровня завода «Геологоразведка»

|
Сечения замеров |
Места замеров по окружности вала |
-х |
+х |
-у |
+у |
||||
|
Положение уровня на плоскости угольника (градусов) |
0 |
180 |
0 |
180 |
0 |
180 |
0 |
180 |
|
|
1 |
Показания с исправлением ухода пузырька |
|
|
|
|
|
|
|
|
|
Среднее внутриосевое |
|
|
|
|
|||||
|
е1х; е1у |
|
|
|||||||
|
2 |
Число делений с направлением ухода пузырька |
|
|
|
|
|
|
|
|
|
Среднее внутриосевое |
|
|
|
|
|||||
|
е2х; е2у |
|
|
|||||||
|
3 |
Деления |
|
|
|
|
|
|
|
|
|
Среднее |
|
|
|
|
|||||
|
е3х; е3у |
|
|
|||||||
|
Уклоны ех и еу |
В
дел. ех = |
В
дел. еу = |
|||||||
|
ех = -0,76 мм/м |
еу = +0,74 мм/м |
||||||||
Абсолютная величина уклона генераторного вала
![]()
Примечания: 1. Показания записываются в делениях прибора (цена деления 0,1 мм/м) с проставлением над цифрой стрелки, указывающей направление ухода пузырька (направление ухода вала). Знак «+» перед цифрой ставится при ориентации этой стрелки по положительной оси и «-» в противном случае. Окончательные результаты составляющих уклонов переводятся в миллиметры на метр. 2. Направление уклона проставляется на принятой системе координат путем построения векторной суммы составляющих ех и еу. 3 Данный метод проверки уклона следует принять только после устранения неперпендикулярности зеркала пяты.
Карта № 4
Проверка центровки неподвижных частей насосного агрегата по струне

|
№ сечения (по эскизу) |
Места измерений |
Зазоры по осям |
|||||||
|
До ремонта Дата _________ |
После ремонта Дата _________ |
||||||||
|
-Х |
+Х |
-Y |
+Y |
-Х |
+Х |
-Y |
+Y |
||
|
1 |
Закладное кольцо всасывающей трубы |
||||||||
|
2 |
Нижний поясок нижнего подшипника |
||||||||
|
3 |
Верхний поясок нижнего подшипника |
||||||||
|
4 |
Нижний поясок верхнего подшипника |
||||||||
|
5 |
Верхний поясок верхнего подшипника |
||||||||
|
6 |
Нижний подшипник электродвигателя |
||||||||
|
7 |
Низ расточки статора электродвигателя |
||||||||
|
8 |
Верх расточки статора электродвигателя |
||||||||
|
9 |
Верхний подшипник электродвигателя |
||||||||
(обязательное)
Методики проверки геометрической формы и размеров проточной части гидротурбин
Е.1 Общая часть
Опыт монтажа и эксплуатации оборудования ГЭС подтверждает отсутствие в процессе изготовления, монтажа и ввода в эксплуатацию должного контроля за соответствием действительных размеров и технологического состояния проточной части турбин проектным.
К числу таких отклонений относятся:
а) различие углов установки лопастей рабочего колеса поворотнолопастных гидротурбин;
6} несоответствие диаметров рабочего колеса турбины и камеры рабочего колеса;
в) различие проходных сечений между лопастями рабочего колеса;
г) несоответствие профиля лопастей рабочего колеса расчетному;
д) несоответствие профиля
элементов проточной части турбины
расчетному (например, зуба спирали или колена отсасывающей трубы);
е) недостаточная чистота обработки поверхностей проточной части (в стыках, неровности металла и бетона и др.).
Эти и подобные им дефекты проточной части гидротурбин вызывают нежелательные динамические процессы, являющиеся причиной неполадок в работе гидроагрегатов. Так, например, гидравлический небаланс рабочего колеса турбины, вызванный неравномерностью его решетки, отрицательно сказывается на работе турбины. Нарушенный всего на 0,5° угол установки лопастей рабочего колеса поворотно-лопастной гидротурбины уже существенно изменяет соотношение сил, действующих на лопасти, по сравнению с расчетной схемой.
Разное качество исполнения входных кромок лопастей рабочего колеса одной и той же гидротурбины вызывает неравномерность напряжений в идентичных точках лопастей.
Несоответствие диаметров рабочего колеса гидротурбины и его камеры приводит к необходимости обрубать лопасти на стадии монтажа, что существенно изменяет расчетный зазор между лопастями и облицовкой камеры и ведет к увеличению объемных потерь и снижению к.п.д.
Некоторые из названных и подобных отклонений элементов проточной части гидротурбин от проектных значений остаются не устраненными и могут неблагоприятно влиять на работу гидротурбины, некоторые отклонения могут быть устранены в процессе монтажа оборудования. После ввода оборудования в эксплуатацию также могут быть обнаружены скрытые дефекты.
В связи с этим эксплуатационный персонал ГЭС должен проверять соответствие форм и размеров элементов проточной части гидротурбины проектно-конструкторской документации и монтажным формулярам.
Настоящее Приложение регламентирует контрольные промеры, производимые персоналом ГЭС с участием монтажной (ремонтной) организации и с привлечением завода-изготовителя и/или специализированных организаций.
Рекомендуемые измерения следует выполнять при приемке оборудования в монтаж, в процессе монтажа по мере готовности проточной части гидротурбины и подготовки к монтажу рабочего колеса, перед приемкой гидроагрегата в эксплуатацию, а также при необходимости, вызванной неполадками в работе оборудования, в период эксплуатации
Е.2 Выбор элементов, подлежащих измерениям
Выбор элементов, подлежащих измерению, основан на ограничении проверкой небольшого числа параметров, характерных для данного узла.
При обнаружении несоответствия проекту или формуляру характерного параметра, например шага t лопастей (характеризующего наклон, угол установки и расстояние в свету), измерения производятся более подробно для определения причины несоответствия. При этом мерное сечение выбирается в плоскости, удобной для измерений.
Е.2.1. Турбинная камера
Наиболее распространенной формой подводящей турбинной камеры является спиральная камера таврового или круглого сечения.
В зависимости от напора спиральные камеры выполняются бетонными или металлическими. Внутри спирали расположен статор, являющийся несущей конструкцией турбины. Статор охватывает направляющий аппарат. Согласованность (совпадение) направления скоростей воды в спиральной камере с направлением входных элементов статорных колонн и направляющих лопаток обеспечивает минимальную величину потерь энергии в проточном тракте. Причем потери анергии в направляющем аппарате при отсутствии указанной согласованности составляют основную часть суммы потерь в системе «спираль - статор - направляющий аппарат». Кроме того, возмущения потока, а также неравномерность распределения скоростей по периметру направляющего аппарата оказывают влияние на работу гидроагрегата в целом, вызывая неравномерность сил, действующих на рабочее колесо турбины.
Поэтому в основе контрольных замеров в турбинной камере лежит проверка взаимно правильного расположения колонн статора и лопаток направляющего аппарата, а также равномерности направляющего аппарата, т.е. относительной разницы расстояний между его лопатками.
Измерения производятся после окончательной готовности турбинной камеры. В основу контрольных измерений положены технические условия на монтаж гидроагрегатов.
Основными элементами контроля являются; подводящая воду часть камеры, статор и направляющий аппарат турбины. При этом уделяется внимание положению зуба спирали.
Технические условия на монтаж гидроагрегатов определяют объем измерений и допуски на установку статоров гидротурбин. Причем для статоров с неотъемными колоннами (будь то неразъемная конструкция или состоящая из отдельных сегментов) предусматриваются специальные измерения, фиксирующие положение статора в целом относительно осей X и Y. Для статоров же с отъемными колоннами производятся измерения, фиксирующие положение каждой колонны относительно специальной расчетной окружности, а также относительно радиуса.
Небольшие цельнолитые статоры обычно имеют правильную форму и точные размеры, поэтому тщательным измерениям при монтаже не подвергаются.
Однако предусматривается объем контрольных измерений, фиксирующий с достаточной точностью отклонения по основным влияющим на работу гидроагрегата параметрам.
При этом учитывается, что определяющими параметрами являются:
а) в турбинной камере - входное сечение и радиусы спирали;
б) в статоре - положение колонн в плане и их общее положение по отношению к осям X и Y;
в) в направляющем аппарате - расстояние между лопатками и высота, а также привязка лопаток к осям X и Y.
Е.2.1.1 Спиральная камера таврового сечения.
Измерению подлежат:
Входное сечение турбинного водовода - ширина А в сечении пазов решетки. Если имеется разделительный бычок, то измеряются размеры а1 и а2 и размер DY и привязка носка бычка к оси Х-DY.
Сечение спирали: радиальный размер 1 (расстояние от внешней окружности установки колонн статора до стенки спирали) и в последующих сечениях - размеры 2, 3, 4 соответственно по осям X, ХY, Y, YХ, вертикальный размер 1¢ (расстояние от потолка до днища спирали) и в последующих сечениях - размеры 2¢, 3¢, 4¢ по тем же осям.
Измерения вертикальных и горизонтальных размеров спирали производятся с допуском на величину отклонения от геометрической формы в отсасывающих трубах, предусмотренным техническими условиями на монтаже гидроагрегатов. При диаметре рабочего колеса от 2000 мм и выше допустимое значение отклонений для размеров A, а, б, Y, 1-4, 1¢-4¢ составляет 0,005 проектного размера.
Расстояние t1 между входными кромками колонн статора по корде (без измерения расстояния между зубом спирали и прилегающим к нему колоннами статора); расстояние t2 между выходными кромками колонн статора по хорде (начиная от зуба спирали); привязка зуба спирали к оси X-DY3.
Расстояние t1 между входными кромками лопаток направляющего аппарата по хорде (приложение 2); расстояние t2 между выходными кромками лопаток направляющего аппарата по хорде; привязка низшего кольца направляющего аппарата к осям Y и X; высота направляющего аппарата b0 (см. приложение 1).
Правильность округления оголовка промежуточного бычка определяется шаблоном, изготовленным по размерам на чертежах проектной документации.
Измерения по пунктам 3 и 4 производятся в любой выбранной горизонтальной плоскости 1-1 при полном открытии направляющего аппарата.
В таблице Е.1 приведены допуски на установку статоров, предусмотренные техническими условиями на монтаж гидроагрегатов. Эти же допуски являются определяющими и при контрольных измерениях.
Таблица Е.1 Допуски на установку статоров гидротурбин
|
Отклонение (мм) для диаметра рабочего колеса, м |
||||||
|
До 2,0 |
От 2,0 до 3,5 |
От 3,5 до 5,5 |
От 5,5 до 7,5 |
От 7,5 до 9,5 |
От 9,5 до 10,5 |
|
|
Смещение осевых меток на деталях относительно осей гидроагрегата X и Y (ΔX, ΔY) |
2,0 |
2,0 |
2,0 |
3,0 |
5,0 |
5,0 |
|
Шаг на установочной окружности (по хорде) между колоннами |
8,0 |
8,0 |
10,0 |
12,0 |
15,0 |
15,0 |
|
Нецилиндричность (расстояние от центральной оси до внутренней расточки детали в местах, заданных формуляром |
0,5 |
0,8 |
1,0 |
1,2 |
1,5 |
2,0 |
Е.2.1.2 Спиральная камера круглого сечения (приложение 3)
Измерению подлежат:
1. В сварных спиралях - сечение спирали: радиальный размер 1 (расстояние от внешней окружности статора до стенки спирали) и в последующих сечениях - размеры 2, 3 и т.д. соответственно по осям Х, ХY, Y, YХ в плоскости оси направляющего аппарата; вертикальный размер 1¢ и в последующих сечениях - размеры 2¢, 3¢ и т.д.
Статор и направляющий аппарат - измерения производятся так же, как в спиралях таврового сечения.
Привязка зуба спирали к оси X - DY3.
При этих измерениях необходимо руководствоваться следующими допусками:
нарушение формы сечения сварной спиральной камеры не должно превышать 0,005 размера в данном сечении;
смещение центральной оси входного сечения спиральной камеры от оси Y не должно превышать 12, 18, 25, 30 и 40 мм при диаметре входного сечения спиральной камеры соответственно 2,0; 3,0; 4,5; 6,0 и 8,0 м.
В литых спиралях - расстояние t2 между выходными кромками колонн статора по хорде.
Е.2.2. Рабочее колесо гидротурбины
Рабочее колесо гидротурбины - вращающийся элемент проточной части. Несоответствие его размеров, формы и состояния поверхностей влияет не только на энергетические свойства, но и на механическое состояние гидроагрегата в целом.
В Приложении рассматриваются основные типы рабочих колес: радиально-осевые разной быстроходности и поворотно-лопастные. В принцип контроля этого элемента положены определение равномерности решетки рабочего колеса, соответствие окружности ободов и лопастей, концентричность ободов, правильность профилей лопастей и угла их установки.
Контрольные измерения производятся на монтажной площадке ГЭС перед установкой рабочего колеса в кратер турбины. Профиль лопастей принимается заказчиком по заводским формулярам.
Е.2.2.1. Рабочее колесо радиально-осевого типа (приложение 4)
Измерению подлежат:
Ширина t1 прохода между лопастями на входе в любом сечении I-I (расстояние между входными кромками) по хорде.
Ширина t2 прохода между лопастями на выходе в любом сечении II-II на расстоянии a от нижнего обода (расстояние между выходными кромками) по хорде.
Высота входного сечения h в четырех точках, по осям X и Y.
Часть лопасти между определенными входным и выходным сечениями должна быть непрерывной, плавной кривой. После сборки и центровки гидроагрегата проверяются зазоры в лабиринтах между вращающимися и неподвижными частями в четырех точках по диаметру.
Отклонение зазоров в лабиринтных уплотнениях рабочего колеса радиально-осевых турбин после центровки гидроагрегата не должно превышать 20 % проектного зазора.
Е.2.2.2. Рабочее колесо осевого (поворотно-лопастного, пропеллерного) типа (приложение 5)
Измерению подлежат:
1. Ширина t1 прохода между лопастями на входе в любом кольцевом сечении 1-1 между точками а по хорде.
Ширина t2 прохода между лопастями на выходе в кольцевом сечении между точками б по хорде.
Радиальное расстояние ΔR крайней точки лопасти b, лежащей в горизонтальной плоскости, проходящей через ось поворота лопастей.
Примечание. Измерения по пунктам 1 и 2 производятся при максимальном и минимальном углах разворота лопастей.
Измерения на рабочих колесах турбин, предлагаемые данной Методикой, основаны на допусках, указанных заводом-изготовителем и согласованных с заказчиком.
Е.2.3. Камера рабочего колеса турбины
Форма камеры оказывает большое влияние не только на энергетические и кавитационные качества рабочего колеса турбины. Подчас из-за несоответствия диаметров камеры и рабочего колеса лопастного типа при монтаже производится обрезка кромок его лопастей по месту, что нарушает балансировку рабочего колеса и расчетный зазор между лопастью и камерой. Поэтому предварительным контрольным измерениям в камере перед опусканием колеса в кратер следует уделять особое внимание.
У радиально-осевых гидротурбин форма и концентричность наружных лабиринтных уплотнений сказываются также не только на энергетических показателях работы турбины, но и на ее механических характеристиках, таких, как вибрация (например, от задевания вращающихся частей о неподвижные) или подшипниковое действие высоких щелевых уплотнений.
В основу поверочных контрольных замеров камеры рабочего колеса поворотнолопастных турбин и закладных частей радиально-осевых турбин положены измерения диаметральных размеров, характеризующих соответствие данного сечения правильной окружности. Контрольные измерения в камере рабочего колеса поворотнолопастной турбины производятся до и после бетонирования в соответствии с техническими условиями на монтаж гидроагрегатов.
При контрольных измерениях лабиринтных уплотнений радиально-осевых турбин измерению подлежат (приложение 6):
1. Радиальные размеры ΔR между струнами мерительного инструмента и верхним и нижним уплотнительными кольцами с помощью штихмаса с вилкой.
При соответствии формы уплотнительных колец правильной окружности и при концентричности этих колец разность радиальных замеров ΔR¢- ΔR² для диаметрально противоположных струн одинакова. При измерениях мерительное устройство не обязательно совмещать с каким-то центром.
Неконцентричность уплотнительных колец верхнего и нижнего ободов рабочего колеса относительно вала допускается в пределах до 0,1 величины одностороннего зазора в лабиринтных уплотнениях.
2. Щелевые размеры a и б по осям +Х, +У, -Х, -У.
Е.2.4. Отсасывающая труба (приложение 7)
Отсасывающая труба - концевой элемент проточной части реактивной гидротурбины. Ее форма и геометрические размеры выбираются на основании оптимальных данных испытаний расчетных моделей. От точного соблюдения геометрических размеров, от плавности переходов одних элементов трубы в другие зависят как энергетические, так и механические свойства турбин. Однако на практике не всегда соблюдается строгое выполнение отсасывающих труб.
В основе контроля отсасывающей трубы лежат измерения размеров, определяющих геометрическую форму и основные сечения трубы.
Контрольные измерения проводятся после бетонирования закладных частей отсасывающей трубы.
Измерению подлежат:
1. Размеры а, б, в, г, д, l, h, определяющие геометрическую форму трубы.
В отсасывающих трубах с промежуточными бычками измеряются также размеры геометрического положения бычков относительно стенок и проверяются радиусы округления этих бычков шаблоном, изготовленным по чертежам,
2. Радиальные размеры R1 и R2, определяющие нецилиндричность по осям Х, ХY, Y и YX, а также радиусы колена отсасывающей трубы при переходе в горизонтальную часть.
Эти измерения проводятся совместно с монтажной организацией. При контрольных измерениях в отсасывающей трубе следует руководствоваться допусками (таблица Е.2).
Таблица Е.2 Допуски на монтаж отсасывающей трубы
|
Отклонение (мм) для диаметра рабочего колеса, м |
||||||
|
До 2,0 |
От 2,0 до 3,0 |
От 3,0 до 5,0 |
От 5,0 до 7,5 |
От 7,5 до 9,5 |
От 9,5 до 10,5 |
|
|
Отклонение высотных размеров |
8 |
10 |
15 |
20 |
25 |
25 |
|
Нецилиндричность |
5 |
6 |
10 |
15 |
20 |
25 |
|
Отклонение от геометрической формы (размеры а, б, в, г, д, l) |
Не более 0,1 проектного размера |
|||||
|
Примечание. Допустимые неровности в бетоне должны быть не более 0,5 % D1. |
||||||
Е.3. Способы измерения
Больше диаметры и длина замеряются в гидротурбостроении различными измерительными средствами (приложение 8). При этом широкое распространение имеют прямой метод измерения, при котором предусматривается непосредственное определение искомой величины, и косвенный метод, позволяющий определить эту величину по результатам измерения другой величины, связанной с искомой определенной зависимостью.
И тот и другой методы используются как заводами-изготовителями гидротурбин, так и специализированными монтажными организациями или могут быть использованы представителями заказчика - дирекции эксплуатации ГЭС.
Естественно, что измерения, производимые в заводских условиях, отличаются большей точностью и выполняются более совершенным инструментом, разработанным на заводе применительно к требуемой технологии.
Так, для измерения внутренних размеров применяются, как правило, регулируемые штихмасы с микрометрической головкой. Диаметры до 5000 мм обмеряются непосредственно, а свыше 5000 мм - косвенным методом.
Для измерения наружных размеров (диаметры до 6000 мм) применяются диаметральные или линейные сигарообразные скобы с микрометрами или индикаторами. Размеры свыше 6000 мм измеряются косвенными методами рулетками или от переходных, баз. Методы измерений от переходных баз различны в зависимости от конфигурации деталей, их габаритов и требуемой точности.
Распространенным косвенным методом измерения наружных диаметров в гидротурбостроении является метод опоясывания рулеткой. Недостаток этого метода заключается в том, что он не позволяет выявить овальности сечения.
Монтажные организации ведут измерения принципиально теми же методами.
Наиболее распространенные из них (рис. 1):
а) прямой метод измерения от струны, совмещенной с осью гидроагрегата, с помощью штихмаса или калиброванной рулетки;
б) косвенный метод измерения от поворотного приспособления, базирующегося на стойке, совмещенной с базовой струной с помощью штихмаса или индикатора.
Для проверки концентричности например бандажных и уплотнительных колец радиально-осевого рабочего колеса, используется специальное приспособление (рис. 2).
Рис. 1. Проверка размеров камеры рабочего колеса с помощью струны
Рис. 2. Приспособление для проверки концентричности
|
_________________ ГЭС Гидроагрегат ст. № ___ |
СПИРАЛЬНАЯ КАМЕРА ТАВРОВОГО СЕЧЕНИЯ |
Форумляр № 1 |
|
|
|
Обозначения |
Размер по чертежу |
Фактический размер |
Фактическое отклонение |
Допустимое отклонение |
|
А |
||||
|
а |
||||
|
б |
||||
|
DУ |
||||
|
DУ3 |
||||
|
1/1¢ |
||||
|
2/2¢ |
||||
|
3/3¢ |
||||
|
4/4¢ |
|
Обозначения |
Размеры между колоннами номер |
|||||||||||
|
1-2 |
2-3 |
3-4 |
4-5 |
5-6 |
6-7 |
7-8 |
8-9 |
9-10 |
10-1 |
Допустимое отклонение |
||
|
t1 |
по чертежу |
|||||||||||
|
фактическое |
||||||||||||
|
Dt1 |
фактическое отклонение |
|||||||||||
|
t2 |
по чертежу |
|||||||||||
|
фактическое |
||||||||||||
|
Dt2 |
фактическое отклонение |
|||||||||||
Замеры производил ___________________________________ Дата ______________
|
_________________ ГЭС Гидроагрегат ст. № ___ |
НАПРАВЛЯЮЩИЙ АППАРАТ |
Форумляр № 2 |
|
|
|
Обозначения |
Размер по чертежу |
Фактический размер |
Фактическое отклонение |
Допустимое отклонение |
|
в0 |
||||
|
DХ |
||||
|
DУ |
|
Обозначения |
Размеры между лопатками направляющего аппарата, номер |
|||||||||||||
|
1-2 |
2-3 |
3-4 |
4-5 |
5-6 |
6-7 |
... |
20-21 |
21-22 |
22-23 |
23-24 |
24-1 |
Допустимое отклонение |
||
|
t1 |
по чертежу |
|||||||||||||
|
фактическое |
||||||||||||||
|
Dt1 |
фактическое отклонение |
|||||||||||||
|
t2 |
по чертежу |
|||||||||||||
|
фактическое |
||||||||||||||
|
Dt2 |
фактическое отклонение |
|||||||||||||
Замеры производил ___________________________________ Дата ______________
|
_________________ ГЭС Гидроагрегат ст. № ___ |
СПИРАЛЬНАЯ КАМЕРА КРУГЛОГО СЕЧЕНИЯ |
Форумляр № 3 |
|
|
|
Обозначения |
Размер по чертежу |
Фактический размер |
Фактическое отклонение |
Допустимое отклонение |
|
1/1¢ |
||||
|
2/2¢ |
||||
|
3/3¢ |
||||
|
4/4¢ |
||||
|
5/5¢ |
||||
|
6/6¢ |
||||
|
7/7¢ |
||||
|
DУ3 |
||||
|
R |
|
Обозначения |
Размеры между колоннами номер |
|||||||||||
|
1-2 |
2-3 |
3-4 |
4-5 |
5-6 |
6-7 |
7-8 |
8-9 |
9-10 |
10-1 |
Допустимое отклонение |
||
|
t1 |
по чертежу |
|||||||||||
|
фактическое |
||||||||||||
|
Dt1 |
фактическое отклонение |
|||||||||||
|
t2 |
по чертежу |
|||||||||||
|
фактическое |
||||||||||||
|
Dt2 |
фактическое отклонение |
|||||||||||
Замеры производил ___________________________________ Дата ______________
|
_________________ ГЭС Гидроагрегат ст. № ___ |
РАБОЧЕЕ КОЛЕСО РАДИАЛЬНО-ОСЕВОГО ТИПА |
Форумляр № 5 |
|
|
|
Обозначения |
Размеры между лопастями номер |
|||||||||
|
1-2 |
2-3 |
3-4 |
4-5 |
5-6 |
6-7 |
7-8 |
... |
Допустимое отклонение |
||
|
t1 |
по чертежу |
|||||||||
|
фактическое |
||||||||||
|
Dt1 |
фактическое отклонение |
|||||||||
|
t2 |
по чертежу |
|||||||||
|
фактическое |
||||||||||
|
Dt2 |
фактическое отклонение |
|||||||||
|
Обозначения |
Размер по чертежу |
Фактические размеры по осям |
Фактическое максимальное отклонение |
Допустимое отклонение |
|||
|
+Х |
+У |
-Х |
-У |
||||
|
h |
|||||||
Замеры производил ___________________________________ Дата ______________
|
_________________ ГЭС Гидроагрегат ст. № ___ |
РАБОЧЕЕ КОЛЕСО ПОВОРОТНОЛОПАСТНОГО ТИПА |
Форумляр № 6 |
|
|
|
Обозначения |
Размер по чертежу |
Фактический размер |
Фактическое отклонение |
Допустимое отклонение |
|
DR |
|
Обозначения |
Размеры между лопастями номер |
||||||
|
1-2 |
2-3 |
3-4 |
4-1 |
... |
Допустимое отклонение |
||
|
t1 |
по чертежу |
||||||
|
фактическое |
|||||||
|
Dt1 |
фактическое отклонение |
||||||
|
t2 |
по чертежу |
||||||
|
фактическое |
|||||||
|
Dt2 |
фактическое отклонение |
||||||
Замеры производил ___________________________________ Дата ______________
|
_________________ ГЭС Гидроагрегат ст. № ___ |
ЛАБИРИНТНЫЕ УПЛОТНЕНИЯ РАДИАЛЬНО-ОСЕВЫХ ТУРБИН |
Форумляр № 7 |
|
|
|
Обозначение |
Размер по чертежу |
Фактические размеры по осям |
Фактическое максимальное отклонение |
Допустимое отклонение |
|||||||
|
+У |
+У+Х |
+Х |
+Х-У |
-У |
-У-Х |
-Х |
-Х+У |
||||
|
DR¢ |
|||||||||||
|
DR² |
|||||||||||
|
а |
|||||||||||
|
б |
|||||||||||
Замеры производил ___________________________________ Дата ______________
|
_________________ ГЭС Гидроагрегат ст. № ___ |
отсасывающая труба |
Форумляр № 7 |
|
|
|
Обозначения |
Размер по чертежу |
Фактический размер |
Фактическое отклонение |
Допустимое отклонение |
|
а |
||||
|
б |
||||
|
в |
||||
|
г |
||||
|
д |
||||
|
l |
||||
|
h |
|
Обозначение |
Размер по чертежу |
Фактические размеры по осям |
Фактическое отклонение |
Допустимое отклонение |
|||||||
|
+У |
+У+Х |
+Х |
+Х-У |
-У |
-У-Х |
-Х |
-Х+У |
||||
|
R1 |
|||||||||||
|
R2 |
|||||||||||
Замеры производил ___________________________________ Дата ______________
Методика предусматривает использование при контрольных измерениях следующих средств измерения:
|
Объект измерения |
Средство измерения |
|
Турбинная камера и отсасывающая груба (большие линейные размеры) |
Рулетка |
|
Статор, направляющий аппарат (малые линейные размеры) |
Рулетка, линейка |
|
Камера рабочего колеса и закладные части радиально-осевых турбин (диаметральные размеры) |
Штихмас, поворотное приспособление, щуп |
|
Рабочее колесо поворотно-лопастных турбин (диаметральные размеры, малые линейные размеры) |
Рулетка, линейка, поворотное приспособление |
|
Рабочее колесо радиально-осевых турбин (диаметральные размеры, малые линейные размеры) |
Штихмас, рулетка, линейка, поворотное приспособление |
(обязательное)
Методические указания по испытаниям системы регулирования гидротурбин
Ж.1. Введение
В современных мощных энергосистемах гидроагрегаты работают, как правило, или в остропиковых режимах, когда важно минимальное время работы на холостом ходу, или в составе системы группового регулирования активной мощности регулируют перетоки мощности по линиям электропередач. Нередки случаи выделения гидроэлектростанций на работу в изолированном энергорайоне с ответственным потребителем, когда гидроагрегаты регулируются индивидуальными регуляторами частоты вращения.
Экономичная и безаварийная работа гидроагрегата в этих режимах зависит от правильной наладки системы регулирования.
В настоящем Приложении использованы следующие принципиальные схемы ЛМЗ:
для ЭГР с ламповым электронным усилителем первой модификации А-2052699;
для ЭГР с ламповым электронным усилителем второй модификации А-2065453;
для ЭГР-М Бу-2078383; для ЭГР-2М Бу-2101356;
для ЭГР-1Т Б-2139177. Б-2137188, Б-2150648;
для ЭГР-2И-1 2168901 ЭЗ, 2168902 ЭЗ, 2168904 ЭЗ, 2169690 ЭЗ.
Ж.2. Принятые сокращения
САР - система автоматического регулирования;
РЧВ - регулятор частоты вращения;
ЭГР - электрогидравлический РЧВ;
ЭГРК - то же с комбинатором;
НА - направляющий аппарат гидротурбины;
ЛРК - лопасти рабочего колеса гидротурбины;
СМА - сервомотор направляющего аппарата;
МИЧ (МИЧВ, МИЧО) - механизм изменения частоты;
МИМ - механизм изменения мощности;
МОО - механизм ограничения открытия НА;
МНУ - маслонапорная установка;
ОС - обратная связь;
ЖОС - жесткая обратная связь;
МЖОС - местная ЖОС;
ИОС - изодромная обратная связь;
ГОС - гибкая обратная связь;
ЧЧЭ - частоточувствительный элемент;
М - маятник (механический ЧЧЭ);
ПЗ - побудительный золотник;
ГЗ - главный золотник;
ЭГП - электрогидравлический преобразователь;
КНА - контакты направляющего аппарата;
ХХ - холостой ход.
Ж.3. Виды и объем испытаний
Ж.3.1. Контрольные натурные испытания
Ж.3.1.1. Контрольным испытаниям должен подвергаться каждый регулятор частоты вращения в целях проверки соответствия его требованиям стандартов и техническим условиям поставки, а также проверки качества изготовления, монтажа, наладки и готовности регулятора к вводу в эксплуатацию.
Контрольные испытания системы регулирования частоты вращения гидротурбины предусматривают проверку и наладку в процессе испытаний узлов РЧВ и комплексное опробование системы регулирования в целом при пусконаладочных работах.
Испытания проводятся вначале при опорожненной спиральной камере, а затем продолжаются после заполнения водой водоподводящих и водоотводящих сооружений.
Ж.3.1.2. Перед испытаниями в период монтажных работ должна быть осуществлена лабораторная проверка элементов РЧВ, проверка правильности проектирования, изготовления и выполнения монтажных работ, а также проверка системы РЧВ при подаче напряжения электропитания и давления масла от МНУ. К началу контрольных испытаний гидроагрегата система МНУ и лекажный агрегат должны пройти наладку и работать в автоматическом режиме.
Объем контрольных испытаний должен быть наиболее полным, так как данные этих испытаний служат материалом для приемочной комиссии, а снятые характеристики отдельных элементов и системы в целом входят в техническую документацию по системе регулирования гидротурбин, необходимую для эксплуатации ГЭС.
Ж.3.1.3. Объем испытаний, проводимых до заполнения водой проточного тракта:
снятие характеристик механизмов управления регулятора частоты вращения (механизма изменения частоты вращения МИЧ, механизма изменения мощности МИМ, механизма ограничения открытия МОО);
проверка действия стопора направляющего аппарата и сигнализации в его конечных положениях;
опробование действия сервомотора направляющего аппарата турбины. Определение продолжительности полного открытия и закрытия направляющего аппарата при максимальном ходе главного золотника (время действия замедляющих устройств в сервомоторе не учитывается) от действия МОО и МИМ и золотника аварийного закрытия ЗАЗ. Определение постоянной времени сервомотора и времени демпфирования при закрытии направляющего аппарата;
опробование действия сервомотора рабочего колеса турбины. Определение продолжительности полного разворота и сворачивания лопастей при максимальном ходе его главного золотника. Определение постоянной времени сервомотора;
определение зависимости открытия направляющего аппарата от хода поршня сервомотора;
определение зависимости угла разворота лопастей рабочего колеса турбины от хода поршня сервомотора;
определение числа полных ходов сервомотора направляющего аппарата при номинальном давлении в МНУ и отключенных маслонасосах;
определение комбинаторной зависимости у поворотно-лопастных гидротурбин;
определение протечек масла в системе регулирования при крайних (главный золотник смещен до упора) и среднем положениях сервомоторов регулирующих органов турбины;
определение утечек масла из системы регулирования в положении регулятора на автоматическом и ручном управлении при нормальном давлении в МНУ и фактической температуре масла;
определение мертвых ходов в рычажных и тросовых передачах прямой и обратной связи регулятора и коэффициентов передачи между элементами регулятора;
настройка контактов положения открытия сервомотора в РЧВ и КНА, задействованных в схемах технологической автоматики управления гидроагрегатом;
опробование и проверка в действии механизмов электрической части и механических узлов регулятора с имитацией пуска с пульта управления;
опробование действия механизмов и сигнализации аварийной остановки агрегата с имитацией ее работы от всех защитных устройств;
проверка показаний шкалы открытия НА и РК во всем диапазоне измерений на колонке регулятора и панелях автоматики;
определение значения и продолжительности открытия и закрытия холостых выпусков при различных скоростях сервомотора направляющего аппарата;
проверка работоспособности клапанов впуска воздуха (срыва вакуума) турбины, действующих через привод от СНА.
Ж.3.1.4. Объем испытаний, проводимых после заполнения водой турбинной камеры:
пробный пуск гидроагрегата на ручном управлении (согласно инструкции завода-изготовителя) посредством МОО;
снятие характеристики регуляторного генератора;
проверка действия регулятора на автоматическом управлении;
определение диапазона изменения частоты вращения от МИЧ
при нулевом статизме (+5 % номинальной частоты);
определение амплитуды и периода колебаний поршня сервомотора НА и частоты вращения;
проверка устойчивости работы агрегата при различных уставках постоянной времени и интенсивности изодрома. Окончательный выбор уставок изодрома и статизма в режиме ХХ. Проверка переходного процесса регулирования при изменении ступенчатого сигнала от МИЧ в пределах 5 - 10 % номинальной частоты вращения.
Ж.3.1.5. Объем испытаний после подключения гидрогенераторов к энергосистеме:
снятие фактической зависимости мощности гидрогенератора от открытия НА (для фактического напора) при прямом и обратном ходе;
выбор уставок изодрома в режиме нагрузки;
определение диапазона изменения мощности от МИМ при максимальном статизме;
проверка нормальной остановки гидроагрегата;
проверка автоматического пуска гидроагрегата и синхрони-
зации его с энергосистемой;
аварийная остановка гидроагрегата с воздействием на ЗАЗ (КАЗ) после набора максимальной нагрузки;
проверка заводских гарантий регулирования со сбросом нагрузки последовательно 25, 50, 75 и 100 % номинальной или максимально возможной мощности в случае пуска гидроагрегата при пониженном напоре;
испытания на наброс нагрузки в случае необходимости по решению рабочей пусковой комиссии.
Условия проведения испытаний и значения мощностей при набросах нагрузки должны быть согласованы с заводами-изготовителями турбины и генератора. При набросах нагрузки необходимо фиксировать те же величины, что и при сбросах;
определение минимального значения давления в МНУ, достаточного для управления турбиной;
проверка закрытия НА при аварийно низких давлении и уровне масла в котле МНУ;
определение минимального значения давления в МНУ, необходимого для создания проектного натяга в звеньях направляющего аппарата;
определение перестановочных усилий направляющего аппарата и лопастей рабочего колеса при номинальном и минимальном давлении в МНУ.
Ж.3.2. Приемо-сдаточные натурные испытания
Ж.3.2.1. Приемо-сдаточные натурные испытания системы регулирования частоты вращения проводятся в целях определения гарантий, выдаваемых изготовителем (поставщиком). Испытания должны проводиться в соответствии с требованиями международного кода для испытаний систем регулирования гидравлических турбин. Приемо-сдаточные испытания проводятся на работающей турбине.
Ж.3.2.2. Перед началом испытаний необходимо проверить, что:
все оборудование находится в удовлетворительном состоянии (не имеет дефектов) и пригодно для проведения испытаний;
все шкалы соответствуют реальным значениям измеряемых величин;
система автоматического управления, сигнализации и защиты опробована и введена в работу;
регулятор частоты вращения полностью укомплектован в соответствии со спецификацией, на нем выставлены рабочие уставки параметров регулирования;
напор и расход во время испытаний имеют расчетные значения (или по согласованию заказчика и поставщика достаточны для их проведения);
высота всасывания и мощность турбины при испытаниях имеют значения, при которых исключается ее работа в кавитационном режиме;
давление масла в системе регулирования в пределах, обусловленных технической документацией на МНУ;
на все оборудование имеется необходимая техническая документация (спецификация, паспорт, чертежи, акты, формуляры, результаты комплексного опробования и пусконаладочных испытаний).
Ж.3.2.3. В объем приемо-сдаточных испытаний включаются следующие проверки предельных и установленных значений параметров системы регулирования:
пределов изменения командного сигнала;
необходимых давлений в сервомоторах для перемещения направляющего аппарата и лопастей рабочего колеса во всем диапазоне напоров и открытий;
диапазона изменения остающейся неравномерности (статизма) регулятора или диапазона изменения статизма регулирования;
диапазона изменения временной неравномерности;
времени закрытия и открытия сервомотора;
времени демпфирования сервомотора;
постоянной времени изодромного устройства;
постоянной времени воздействия по производной;
постоянной времени интегрирования;
постоянной времени сервомотора;
мертвой зоны в узлах регулятора;
неточности отработки входного сигнала;
запаздывания в элементах регулятора и системы регулирования в целом.
Ж.3.2.4. Проверка гарантий на управление объектом регулирования состоит в следующем:
испытания при пуске и остановке агрегата;
определение качества регулирования частоты вращения гидроагрегата на холостом ходу в установившемся и переходном режимах при подаче возмущающего воздействия, а также при работе гидроагрегата в энергосистеме и на индивидуальную нагрузку;
проверка гарантий регулирования, относящихся к изменению частоты вращения и давления в спиральной камере при сбросах и набросах нагрузки.
Ж.3.3. Сравнительные натурные испытаний головного образца
Ж.3.3.1. В натурных условиях на ГЭС эти испытания проводятся в целях сравнения статических и динамических характеристик различных типов регуляторов. Как правило, испытания проводятся заводами-изготовителями с участием научно-исследовательских и наладочных организаций.
Ж.3.3.2. Статические и динамические характеристики отдельных узлов регулятора частоты вращения могут быть получены при стендовых испытаниях на заводе, поэтому целью испытания системы регулирования в натурных условиях является испытание разомкнутой и замкнутой систем регулирования гидротурбины и дополнительно к этому снятие динамических характеристик САР при различных настройках регулятора в виде переходных либо частотных характеристик.
Ж.3.4. Эксплуатационные испытания
Ж.3.4.1. При плановом ремонте основного оборудования система регулирования также должна выводиться в капитальный или текущий ремонт. При этом производятся нормальные испытания системы регулирования.
Ж.3.4.2. Ускоренные испытания при капитальном ремонте для узлов, подлежащих ремонту, производятся до и после вывода агрегата из капитального ремонта. В объем этих испытаний входит:
снятие характеристик основных узлов регулятора (частото-чувствительного элемента, усилителей преобразователей, изодрома, рычажной передачи, сервомотора);
определение минимального времени закрытия и открытия сервомотора;
определение чувствительности по различным входным сигналам и определение неточности регулятора;
снятие статической характеристики регулятора и комбинаторной зависимости;
определение перестановочных усилий до и после капитального ремонта;
испытания на сбросы (набросы) нагрузки с гидроагрегата.
Ж.3.4.3. Испытания при среднем ремонте должны проводиться в следующем объеме:
проверка уставок и снятие характеристик основных узлов регулятора по сокращенной программе, например, определение выхода штифта маятника при номинальной частоте вращения, проверка действующей уставки постоянной времени изодромного устройства, определение коэффициента передачи от измерителя частоты до главного золотника;
проверка качества синхронизации, времени реализации сигнала от МИСВ;
проверка уставки статизма регулятора частоты вращения; определение мертвых ходов в рычажной системе передач.
Ж.3.5. Исследовательские натурные испытания
Ж.3.5.1. Исследовательские натурные испытания проводятся для устранения дефектов, выявленных в процессе эксплуатации. Объем этих испытаний значительно меньше, чем испытаний, проводимых при пусконаладочных работах. Он определяется в основном характером и количеством обнаруженных дефектов системы регулирования. Иногда приходится выполнять специальные исследования: причин вибрации высокой частоты, возникающей при определенных режимах в регуляторе гидротурбины; определение рационального закона закрытия направляющего аппарата и сворачивания лопастей рабочего колеса в целях предотвращения подъема вращающихся частей гидроагрегата и др.
Ж.3.5.2. К указанному виду испытаний относятся также специальные испытания, связанные с упрощением и реконструкцией системы регулирования, а также с разработкой новых способов управления гидроагрегатами, например, в связи с изменением режима работы ГЭС, применением новых принципов автоматизации гидроагрегата и пр.
Ж.4. Подготовка к испытаниям и условия их проведения
Ж.4.1. Общие требования
Ж.4.1.1. Каждый вид испытаний должен быть подготовлен, проведен в соответствии с требованиями безопасного выполнения работ в определенных условиях работы основного оборудования.
Ж.4.1.2. Должны быть назначены лица, ответственные за проведение испытаний. Руководитель испытаний является ответственным за весь персонал, участвующий в испытаниях, за правильность измерений, расчетов результатов и подготовку окончательного отчета. По любому вопросу проведения испытаний его решение является окончательным. Все члены бригады, проводящей испытания, должны обладать необходимым практическим навыком для работы с вверенными им приборами.
Ж.4.1.3. Должна быть составлена, согласована и утверждена рабочая программа испытаний. Рабочая программа составляется на основании типовой программы. В ней указываются конкретно производимые отключения и переключения в электрической схеме первичных соединений, отключения и переключения в электрической и гидромеханической схемах системы регулирования со станционным обозначением аппаратуры. Рабочая программа испытаний может составляться по одному или нескольким пунктам общей типовой программы.
Ж.4.1.4. Чертежи приспособлений и все необходимые для опытов данные, документы, спецификации паспорта и отчеты по результатам эксплуатации должны быть предоставлены в распоряжение персонала, проводящего испытания. Персонал должен иметь доступ ко всей информации по турбине, водоводам, генератору с его регулятором напряжения и связанной с ним электрической сети.
Ж.4.1.5. При проведении испытаний на работающем агрегате оборудование должно быть осмотрено не более чем за три дня до начала опытов, если нет других указаний в программе испытаний.
Это определяется необходимостью проверки укомплектования системы регулирования согласно спецификации; пределы измерений средств измерений соответствуют значениям измеряемых параметров, все измерительные соединения свободны от посторонних предметов, подключены и действуют датчики и приспособления, установленные для опытов.
Ж.4.1.6. Для выполнения работ, связанных с изменением режима работы агрегата или выводом оборудования из работы, должны быть своевременно в установленном порядке поданы заявки в соответствующие диспетчерские центры.
Ж.4.1.7. Перед выполнением пусконаладочных испытаний по окончании монтажа должны быть проверены электрические цепи и маслопроводы системы регулирования в соответствии с электрической и гидромеханической схемами. Замеченные несоответствия должны быть устранены.
Ж.4.1.8. Сопротивление изоляции электрооборудования относительно корпуса на зажимах присоединения напряжения постоянного и переменного тока проверяется мегаомметром на 1000 - 1500 В, а на остальных зажимах - мегаомметром на 500 В. Сопротивление изоляции должно быть не менее указанного в заводской технической документации (10 МОм). Перед проверкой должно быть отсоединено заземление электрической схемы; отсоединены со стороны кабеля цепи питания постоянного и переменного тока; снята электронная лампа, закорочены все диоды и все выводы транзисторов (в регуляторах ЭГР (К)-1Т; ЭГР(К)-2И-1), изъяты из стойки блоки и субблоки. Для проверки изоляции электрических цепей субблоков относительно каркаса следует пользоваться специальным разъемом, представляющим собой розетку, все выводы которой со стороны подключения жгута соединены между собой накоротко.
Ж.4.1.9. Маслопроводы системы регулирования должны быть проверены рабочим давлением масла. В системе регулирования не должно быть утечек и протечек масла (кроме технологических). При устранении неисправностей следует соблюдать меры безопасности.
Ж.4.2. Указания мер безопасности
Ж.4.2.1. При испытаниях и наладке системы регулирования необходимо руководствоваться требованиями действующих «Правил техники безопасности при эксплуатации электроустановок», «Правил пользования и испытания защитных средств. применяемых в электроустановках» и «Правил технической эксплуатации электрических станций и сетей».
При наладке необходимо также пользоваться требованиями действующих «Правил техники безопасности при электромонтажных и наладочных работах».
Ж.4.2.2. Не следует допускать к проведению работ по испытанию и наладке системы регулирования лиц, не знакомых с действием узлов и всей системы регулирования и не имеющих допуска к работе с ней.
Ж.4.2.3. Для предотвращения несчастных случаев при проведении работ необходимо вывешивать предупредительные плакаты около органов управления и вблизи подвижных частей системы регулирования.
Ж.4.2.4. Затяжку штуцерных и фланцевых соединений болтов и гаек механизмов производить при снятых давлении масла и напряжении питания электрических и электромеханических аппаратов.
Ж.4.2.5. Пайку соединений в электрической схеме производить при снятом напряжении паяльником соответствующей мощности, включенным через разделительный трансформатор (с заземленным жалом при работе с микросхемами).
Ж.4.3. Типовая программа испытаний
Ж.4.3.1. Перед проведением испытаний регуляторов частоты вращения турбины необходимо выполнить предварительный объем работ, не связанных с режимом работы гидроагрегата, а именно:
организация рабочих мест для измерения и осциллографирования параметров;
изготовление приспособлений для установки датчиков, их предварительная градуировка;
расстановка аппаратуры, монтаж и наладка вспомогательных схем для испытания.
Ж.4.3.2. Время, необходимое для выполнения подготовительных работ, не регламентировано и не включено во время проведения испытаний. Типовая программа приводится для испытаний исправной системы регулирования (см. таблицу).
Таблица Ж.1 Типовая программа испытаний систем регулирования гидротурбин
|
Режим работы агрегата. Аварийная готовность |
Наименование испытаний |
Продолжительность испытаний, ч |
Примечание |
|
1. Остановлен. Водовод осушен закрыты ремонтные затворы со стороны верхнего и нижнего бьефов. Электрическая схема разобрана разъединителем. Имеется доступ в спиральную и турбинную камеры |
Определение зависимости открытия НА от хода штока сервомотора или регулирующего кольца |
8 |
|
|
Определение зависимости угла разворота ЛРК от открытия НА. Градуировка шкалы указателя угла ЛРК |
4 |
||
|
Определение времени закрытия и открытия аварийного (быстродействующего) затвора. Проверка действия последней ступени защиты от разгона |
1 |
||
|
Проверка действия схемы автоматического пуска (и остановки) |
0,5 |
Если в схеме пуска-остановки задействован турбинный затвор |
|
|
2. Остановлен. Затвор со стороны верхнего бьефа закрыт (турбинный). Спиральная камера разгружена от напора. Электрическая схема разобрана разъединителем. Аварийная готовность 30 мин. |
Проверка действия сервомотора НА, определение времени открытия и закрытия при максимальном ходе главного золотника, времени демпфирования, проверка действия стопора. Определение характеристики сервомотора |
3 |
Те же испытания проводятся для отсекателя ковшовых турбин |
|
Проверка действия сервомотора РК, определение продолжительности полного разворота и сворачивания лопастей при максимальном ходе главного золотника. Определение характеристики сервомотора РК |
2 |
||
|
Определение комбинаторной зависимости при различных настройках коррекции по напору. Градуировка шкал указателей |
2 |
Те же испытания проводятся для ковшовых турбин |
|
|
Проверка действия регулятора при имитации работы схемы автоматического пуска и остановки, перевода режим СК, проверка настройки КНА |
2 |
||
|
Проверка работы защиты от разгона с воздействием на ЗАЗ |
0,5 |
||
|
Определение протечек масла в системе регулирования |
6 |
||
|
Определение значения и продолжительности открытия и закрытия холостых выпусков, клапанов впуска воздуха, срыва вакуума, действующих через привод от СНА |
1 |
||
|
3. Работает на XX, отключен от сети, на ручном и автоматическом управлении. Электрическая схема разобрана разъединителем. Аварийная готовность 30 мин |
Проверка действия и уставок регулятора при пуске и остановке агрегата, при синхронизации генератора с энергосистемой |
1,5 |
|
|
Определение характеристики пендель-генератора и характеристики измерителя частоты (ЧЧЭ, ИПЧ, маятника) |
1 |
||
|
Проверка уставок стабилизирующих элементов (изодрома) |
0,5 |
||
|
Определение характеристики механизма изменения частоты (МИЧ, МИСВ) |
0,5 |
||
|
Проверка уставок реле частоты вращения (реле оборотов), задействованных в схемах РЧВ и защиты от разгона |
0,5 |
||
|
Испытания для определения характеристик объекта регулирования |
1,5 |
||
|
4. Работает в сети на ручном управлении без изменения нагрузки. Аварийная готовность 15 мин. |
Определение характеристик узлов электрического шкафа ЭГР, электрогидравлического преобразователя |
8 |
|
|
Проверка цепей электропитания ЭГР |
1 |
||
|
5. Работает в сети на ручном управлении с изменением нагрузки в диапазоне от 0 до 100 %. Аварийная готовность 15 мин. |
Определение диапазона действия МОО, МИМ, МИСВ при различных значениях остающейся неравномерности. Градуировка механизмов |
8 |
|
|
Определение нечувствительности и неточности системы регулирования |
2 |
||
|
Определение характеристики сервомоторов НА и РК |
6 |
||
|
Проверка закрытия НА при аварийно низком давлении в МНУ. Определение минимального значения давления в МНУ, достаточного для управления турбиной |
4 |
||
|
Определение перестановочных усилий НА и ЛРК при номинальном и минимальном давлении в МНУ |
4 |
||
|
Определение характеристик объекта регулирования |
4 |
||
|
6. Работает в сети на автоматическом управлении с изменением нагрузки от 100 % до 0. Аварийная готовность 30 мин. |
Проверка гарантий регулирования (при сбросах нагрузки) и защиты от разгона при неисправности РЧВ |
4 |
Сброс нагрузки отключением генераторного выключателя |
|
Проверка действия регулятора при переводе агрегата в режим СК и при выводе из режима СК |
1 |
||
|
Определение оптимальных уставок РЧВ при работе агрегата в мощной энергосистеме на индивидуальном управлении и при работе в системе группового регулирования активной мощности (ГРАМ) |
3 |
||
|
Определение диапазона действия ограничителей открытия НА «сверху» и «снизу» |
0,5 |
||
|
7. Работает на изолированную нагрузку. Аварийная готовность 15 мин. |
Определение оптимальных уставок РЧВ при работе агрегата на изолированную нагрузку |
2 |
|
|
Проверка гарантий регулирования при сбросах и набросах нагрузки |
4 |
Сбросы и набросы нагрузки производятся при отключении от энергосистемы для работы на изолированную нагрузку |
Ж.5. Испытания отдельных узлов гидромеханических регуляторов частоты вращения
Ж.5.1. Снятие статической характеристики маятника
Ж.5.1.1. Статическая характеристика маятника представляет собой зависимость выхода штифта (буксы) маятника от частоты вращения или частоты тока.
Целью снятия статической характеристики является определение:
ее линейности;
крутизны характеристики; мертвой зоны (нечувствительности); выхода штифта маятника при номинальной частоте вращения.
Характеристика маятника может быть снята разными способами:
при остановленном агрегате (маятник приводится во вращение электродвигателем постоянного тока с регулируемой частотой вращения);
при работе агрегата в режиме холостого хода;
на ограничителе открытия или на ручном управлении;
на автоматическом управлении в пределах зоны действия МИСВ.
Частота вращения маятника определяется при установившемся ее значении путем измерения частоты напряжения возбужденного генератора, если частота пендель-генератора отлична от 50 Гц. При этом значение напряжения генератора рекомендуется поддерживать неизменным.
Выход штифта измеряется индикатором с погрешностью ±0,005 мм.
На регуляторах с непосредственным сочленением маятника с иглой или буксой побудительного золотника (регуляторы типов Р, РС, РКМ и т.д.) измеряется ход тяги обратной связи к побудительному золотнику при работе на МИСВ в установившемся режиме. Полученная при этом характеристика (рис. 1) будет показывать суммарную мертвую зону маятника и побудительного золотника.
Для обнаружения нечувствительности характеристику маятника следует снимать при повышении и снижении частоты вращения. Точки прямого и обратного ходов нанести на график и соединить плавной линией.
Ж.5.1.2. Примерный вид статической характеристики маятника показан на рис. 1. Мертвая зона маятника определяется из выражения
(1)
Разброс точек при прямом или обратном ходе обычно вызван недостаточной точностью измерения. Мертвая зона современных маятников очень мала (около 0,01 %). В пределах полного хода штифта маятника характеристика должна быть линейной.
По характеристике определяется неравномерность маятника, равная значению изменения частоты вращения, необходимому для полного хода его штифта и выраженному в процентах от средней частоты вращения:
(2)
Крутизна характеристики маятника выражается удельной неравномерностью (δуд), равной изменению частоты вращения (в процентах) при ходе штифта на 1 мм (обычно это значение составляет 2 - 4 %/мм).
Рис. 1. Статическая характеристика маятника с зоной нечувствительности
Ж.5.2. Определение характеристик изодромного устройства
Ж.5.2.1. Изодромная обратная связь применяется в регуляторах частоты вращения для стабилизации процесса регулирования и характеризуется двумя параметрами: значением временной неравномерности Bt и постоянной времени Тd. Порядок определения этих параметров зависит от типа регулятора и примененного в нем изодромного устройства.
Различают следующие виды изодромных механизмов:
фрикционно-лобовой;
масляный катаракт без предварительного натяжения пружины;
масляный катаракт с предварительным натяжением пружин.
Фрикционно-лобовой изодром применялся на первых типах регуляторов частоты вращения. В нем не предусматривается возможность изменения его параметров, поэтому при проверке определяется только полное время и точность возврата диска из крайнего положения в среднее.
При применении масляных катарактов обычно предусматривается возможность изменения обоих параметров. Величина временной неравномерности изменяется ступенями или плавно при изменении соотношения между плечами рычагов, а величина постоянной времени - при изменении положения иглы дросселирующего отверстия.
Ж.5.2.2. В заводском паспорте на регулятор для каждого положения рычага обычно указывается значение временной неравномерности. При отсутствии таких данных оно может быть определено следующим образом.
На регуляторах с
однопоршневым катарактом (УК, РК, Р, Фойт и т.д.) следует предварительно
определить коэффициент передачи от поршня сервомотора НА к стакану катаракта:
мм/% на
остановленном агрегате с опорожненной спиральной камерой либо на работающем в
сети агрегате. Перемещения сервомотора измеряются миллиметровой линейкой,
стакана - штангенциркулем или стрелочным индикатором.
Далее по соотношению плеч рычагов или с помощью двух индикаторов необходимо определить коэффициент передачи К2 от поршня катаракта к штифту маятника (или маятникового рычага в точке его соприкосновения со штифтом). Для регуляторов Канова и Фойт К2 = 1,0.
Значение временной неравномерности рассчитывается следующим образом:
bt = dуд × K1 × K2 × 100% (3)
На регуляторе РС временная неравномерность определяется аналогично; отличие состоит в том, что правую часть приведенного соотношения следует умножить на К3, равный отношению перемещений выходного и входного поршней катаракта. Этот коэффициент определяется при полностью закрытом дросселирующем отверстии.
На регуляторе РКМ, как и на регуляторе с однопоршневым катарактом, следует определить коэффициент передачи от сервомотора НА к входному поршню катаракта. Так как в этом катаракте нельзя измерить перемещение выходного поршня, то определение коэффициента передачи от входного поршня к буксе маятника производится косвенно по смещению иглы побудительного золотника. Для этого от поршня катаракта следует отсоединить обратную связь по положению сервомотора направляющего аппарата. При работающем в сети агрегате и полностью закрытом дросселирующем отверстии произвести вручную смещение входного поршня и измерить перемещение иглы побудительного золотника, которое в установившемся состоянии равно смещению буксы маятника.
Определение временной неравномерности производится по приведенному отношению (3).
В общем случае значение временной неравномерности косвенно может быть определено по осциллограмме переходного процесса. Опыт должен проводиться на работающем в сети агрегате в следующей последовательности:
полностью закрыть дросселирующее отверстие катаракта;
остающуюся неравномерность установить равной нулю;
рукоятку МИСВ резко сместить из первоначального положения
на 0,5 - 1 оборот.
Примерный вид переходного процесса приведен на рис. 2.
Вначале регулятор работает как статический, затем из-за протечек масла в катаракте сервомотор НА может медленно смещаться. Значение неравномерности определяется так:
(4)
где Dn - смещение МИСВ, пересчитанное на изменение частоты вращения, %;
Ymax - полный ход сервомотора НА, мм (обычно принимаемый за 100 %);
DY - значение первоначального (быстрого) перемещения сервомотора НА, мм.
Ж.5.2.3. Постоянная времени изодрома определяется по его переходной характеристике, представляющей собой зависимость перемещения поршня катаракта во времени при ступенчатом смещении стакана. Примерный вид такой характеристики приведен на рис. 3. При быстром смещении стакана поршень смещается на то же значение, затем под действием пружины по мере перетекания масла через дросселирующее отверстие он возвращается в начальное положение. Теоретически кривая возврата выражается экспоненциальной кривой. Практически характеристика изодрома отличается от экспоненты, поэтому постоянную времени следует определять по средней части характеристики (2 - 4 мм смещения поршня от среднего положения). В тех случаях, когда характеристика резко отлична от экспоненты, настройку катаракта условно можно характеризовать временем перемещения поршня последнего миллиметра хода к среднему положению.
Рис. 2. Переходная характеристика открытия направляющего аппарата
Рис. 3. Переходная характеристика изодрома
Характеристику катаракта следует снимать следующим образом. На шток поршня катаракта установить индикатор. Поршень катаракта принудительно вывести из среднего положения на 5 - 10 мм (для облегчения выдернуть иглу). Затем поршень отпустить и после того как он начнет возвращаться к своему среднему положению, последовательно с помощью секундомера измерить время прохождения поршнем заранее намеченных точек, например: 10 - 5 - 3 - 2 - 1,5 - 1,0 - 0,8 - 0,6 - 0,5 - 0,4 - 0,3 - 0,2 - 0,1 мм. Характеристику необходимо снимать при возвращении поршня катаракта к среднему положению как сверху вниз, так и снизу вверх.
Невозврат поршня в среднее положение не должен превышать 0,02 мм.
На регуляторах Фойт, Канова, РКМ и др., где доступ к поршню катаракта затруднен, его характеристику следует снимать при перемещении тяги обратной связи, которую в этом случае необходимо расцепить с валом выключателя. На регуляторе Канова ход поршня катаракта измерять индикатором по перемещению специального хомутика, Надеваемого для этой цели на втулку крепления пружины, а на регуляторах Фойт и РМ - по смещению иглы побудительного золотника.
Характеристики могут быть сняты как при остановленном агрегате, так и при работе его в энергосистеме. В первом случае сервомотор НА следует застопорить, поскольку осушается спиральная камера, а маятник вращать с постоянной скоростью от специального электродвигателя.
Порядок снятия характеристики следующий. Тягу обратной связи резко сместить из своего начального положения и зафиксировать. При этом поршень катаракта сначала также смещается, а затем начинает возвращаться к среднему положению. Игла побудительного золотника все время следит за смещением буксы, поэтому по ее перемещению следует измерять смещение поршня катаракта. Характеристику необходимо снимать при смещении тяги на закрытие и на открытие.
При наличии осциллографа характеристики катаракта могут быть записаны на ленте. Для этого следует вместо индикатора установить датчик перемещения (реохорд, тензодатчик). Порядок снятия характеристик тот же.
Переходные характеристики катаракта должны сниматься при различных положениях дросселирующей иглы. По характеристикам определяется постоянная времени изодрома.
Точность определения постоянной времени изодрома в связи с отличием его переходной характеристики от экспоненциальной кривой невысока, погрешность составляет ±5 % измеренного значения.
Ж.5.3. Снятие характеристики сервомотора
Ж.5.3.1. Характеристика сервомотора - это зависимость скорости его перемещения от хода распределительного золотника. Практический интерес представляет определение характеристик только тех сервомоторов, которые являются интегрирующими элементами регуляторов частоты вращения, т.е. от которых заводится гибкая обратная связь. На большинстве регуляторов - это главный сервомотор направляющего аппарата, на регуляторе типа «Канова» - это вспомогательный сервомотор.
Целью снятия характеристики является определение нечувствительности по ходу золотника и определение скоростных свойств сервомоторов. Нечувствительность зависит от значений положительных перекрытий на золотнике и сервомоторе, сил сухого трения в направляющем аппарате. Нечувствительность для разных регуляторов различна, но обычно не превышает ±0,2 мм.
Ж.5.3.2. Характеристику главного сервомотора (рис. 4) следует снимать при разгруженной от напора спиральной камере и отсоединенной от сервомотора тяге обратной связи. Перемещение золотника измерять индикатором, перемещение сервомотора - миллиметровой линейкой, а время - секундомером. Скорость сервомотора выражается в 1/с
(5)
где t - время перемещения сервомотора на DY.
Смещение главного золотника на определенное значение задается рукояткой ограничителя открытия. Скорость перемещения сервомотора определяется в пределах его рабочего хода, за исключением зоны демпфирования. Погрешность в определении скоростной характеристики может быть около 5 %.
Рис. 4. Характеристика главного сервомотора
Ж.5.3.3. Характеристику сервомотора без отключения обратной связи следует снимать следующим образом. Ограничитель открытия и МИСВ отвести в положение, обеспечивающее полное открытие направляющего аппарата. На вспомогательном сервомоторе главного золотника установить ограничения хода на открытие и закрытие. Воздействием на побудительный золотник (вручную) главный золотник сместить до установленного упора и удерживать в этом положении на протяжении времени перемещения сервомотора в измеряемом диапазоне открытий.
Ж.5.3.4. Характеристика главного сервомотора может быть определена и при работе агрегата в энергосистеме. Порядок снятия характеристики тот же. При этом из-за изменения гидравлических усилий, действующих на лопатки НА, скорость движения сервомотора будет изменяться, поэтому секундомером определяется средняя скорость. Для более точного определения скорости сервомотора следует осциллографировать его перемещение.
Ж.5.4. Градуировка механизма остающейся неравномерности
Ж.5.4.1. Указанный механизм регуляторов частоты вращения обычно имеет шкалу, для каждого деления которой в паспорте регулятора указывается значение остающейся неравномерности. Градуировка проводится в тех случаях, когда отсутствуют паспортные данные или неравномерность маятника отличается от паспортного значения.
Ж.5.4.2. Для градуировки при различных уставках остающейся неравномерности необходимо снять статическую характеристику регулятора, представляющую собой зависимость изменения открытия направляющего аппарата от частоты вращения агрегата (или частоты генераторного напряжения) при неизменном положении МИСВ. Статическую характеристику регулятора рекомендуется снимать косвенным методом.
Для этого при работе агрегата в энергосистеме (в условиях практически неизменной частоты) воздействием на механизм изменения частоты вращения нагрузку на агрегате изменить ступенями во всем диапазоне от нуля до максимальной. В каждом положении механизма при установившемся режиме следует измерить ход гайки МИСВ стрелочным индикатором и открытие НА - миллиметровой линейкой. При работе агрегата на холостом ходу определить зависимость частоты вращения от положения гайки МИСВ. Из сопоставления двух зависимостей построить статическую характеристику регулятора следующим образом. Измеренные при одном и том же положении МИСВ значения открытия НА и частоты вращения нанести на график. По статической характеристике (рис. 5) определяется значение (в %) остающейся неравномерности на данной установке механизма:
Рис. 5. Статическая характеристика регулятора
(6)
где Dnмакс - определяется при графическом построении характеристики как наибольшее изменение частоты вращения при полном ходе НА, 1/с;
nном - номинальная частота вращения 1/с.
Ж.5.4.3. Статическая характеристика регулирования, представляющая собой зависимость мощности агрегата от частоты вращения может быть определена аналогично статической характеристике регулятора. Мощность генератора следует измерять трехфазным ваттметром либо двумя однофазными ваттметрами класса точности 0,5, либо по счетчику активной энергии.
По статической характеристике регулирования (рис. 6) определить значение статизма в рассматриваемой рабочей точке (Рto):
(7)
Нелинейность характеристики обусловлена нелинейной зависимостью мощности от открытия.
Рис. 6. Статическая характеристика регуливания
Ж.5.5. Проверка механизма изменения частоты вращения МИСВ
Ж.5.5.1. Целью указанной проверки является определение диапазона действия МИСВ и чувствительности регулятора (по смещению МИСВ).
Ж.5.5.2. Диапазон действия МИСВ следует проверять при работе агрегата на холостом ходу с нулевой степень остающейся неравномерности, для чего поворотом рукоятки МИСВ от одного упора до другого определить при установившемся режиме минимальную и максимальную частоту вращения агрегата.
Ж.5.5.3. Чувствительность регулятора по положению механизма изменения частоты вращения следует определять при работе агрегата в энергосистеме (в условиях постоянства частоты). Для этого вручную медленно поворачивая рукоятку МИСВ в одну сторону до момента трогания сервомотора, отметить положение рукоятки МИСВ, затем медленно поворачивая рукоятку в другую сторону до момента трогания сервомотора в обратную сторону, так же отметить положение рукоятки. Область между двумя отмеченными положениями рукоятки МИСВ, в которой сервомотор не перемещается, равна мертвой зоне регулятора по положению МИСВ.
Ж.5.6. Проверка механизма ограничителя открытия МОО
Ж.5.6.1. Цель проверки состоит в установлении диапазона действия МОО и нечувствительности регулятора по входу от него. Диапазоне действия МОО должен обеспечивать изменение открытия НА от нуля до максимального открытия.
Ж.5.6.2. Проверку следует производить либо на остановленном агрегате с опорожненной спиральной камерой, либо на работающем в сети агрегате с полностью отведенным МИСВ.
Проверку МОО производить так же, как для МИСВ.
Ж.5.7. Определение мертвого хода в прямой и обратной связях рычажных передач регулятора
Ж.5.7.1. Определение мертвого хода следует производить с помощью двух индикаторов, установленных по концам проверяемой системы. Так, при определении мертвого хода в обратной связи индикаторы необходимо установить на шток поршня сервомотора и на золотниковый рычаг в месте соединения с катарактом (рис. 7 - для регуляторов УК).
Ж.5.7.2. Мертвый ход в передаче следует определять по зависимости между перемещениями двух точек проверяемой системы при прямом и обратном ходах.
Рис. 7. Схема для определения мертвого хода в рычажной системе обратной связи:
1 - сервомотор; 2 - катаракт
Ж.6. Испытания электрогидравлических регуляторов частоты вращения
Ж.6.1. Проверка цепей электропитания
Ж.6.1.1. Проверку цепей электропитания в регуляторе ЭГР необходимо производить при наличии напряжения питания от щита собственных нужд на зажимах 095-096 220 В постоянного тока. При этом на остановленном агрегате ток в пусковой катушке ЭГП должен быть не менее 10 мА, якоря реле 10Р и 11Р подтянуты, токи в рабочих катушках ЭГП равны нулю, а стрелка балансного прибора установлена на нуль. При напряжении переменного тока собственных нужд ГЭС на зажимах 001-002 220 В напряжение на вторичной обмотке трансформатора (отпайки 3-4) должно быть 110 В. Напряжение накала лампы (6,0 - 6,3) В. При необходимости регулирование напряжения накала произвести изменением отпаек дросселя L31 или изменением воздушного зазора в сердечнике дросселя.
Напряжения на отпайках трансформатора питания Т6 (1-2, 3-4, 5-6, 7-8, 9-10, 11-12, 13-14) должны быть соответственно равны 110, 158, 158, 128, 128, 47, 33 В. Напряжение постоянного тока в цепях анодного напряжения и смещения на конденсаторах С3 и С4 - 190 В, на резисторе R 305 в цепи накала лампы (16 - 17) В.
Напряжение цепей питания от тахогенератора следует проверять при работе агрегата в сети (на ручном управлении) или на холостом ходу с номинальной частотой вращения. Последнюю контролируют по частотомеру, включенному на напряжение тахогенератора. Напряжение на вторичной обмотке трансформатора Т22 (зажимы 208-209, 205-206, 008-010) должно быть (110 7+ 02) В. При необходимости его регулирование следует произвести изменением отпаек от первичной или вторичной обмотки трансформатора. Показание электротахометра корректируют резистором R 312.
Методика проверки цепей электропитания ЭГР второй модификации аналогична. При наличии оперативного постоянного тока на зажимах 001-010 питание схемы регулятора постоянным током подать включением автомата А501, а напряжение (220 В) контролировать на зажимах 057-058.
Напряжение переменного тока собственных нужд ГЭС 220 В с зажимов 048-049 подать в схему регулятора на трансформатор Т401 включением автомата А502 и контролировать на зажимах 425-426. Напряжение на вторичной обмотке Т401 (110 В), измеренное на зажимах 113-114, регулировать отпайками первичной обмотки. Напряжение на отпайках питающего трансформатора Т105 (выводы 1-3, 2-4, 5-7, 6-8, 10-12, 13-15, 11-19) соответственно должно быть 110, 128, 158, 47, 33, 128, 158 В. Напряжения на конденсаторах С101, С102 - 190 В, на резисторе R108 в цепи накала лампы - (16 - 17) В. Напряжение накала лампы Л101, равное (6 - 6,3) В, регулировать дросселем L102.
Напряжение тахогенератора регулируют отпайками на первичной или вторичной обмотках трансформатора Т402; оно измеряется на зажимах 044-045 (227-228) при номинальной частоте вращения и должно быть (110 7+ 02) В.
Напряжение питания схем защиты от разгона и контроля частоты вращения, измеренное на зажимах 037-038 должно быть (70 - 75) В при номинальной частоте вращения. Показание электротахометра корректируют резистором R410 или R411.
Ж.6.1.2. Проверку цепей электропитания в регуляторах ЭГР-М, ЭГР-2М можно производить на агрегате, работающем в сети или на холостом ходу с номинальной частотой вращения при включенном автомате А001. Напряжение питания от тахогенератора на вторичной обмотке трансформатора Т001, измеренное на зажимах 053-054 в ЭГР-М (058-059 в ЭГР-2М), должно быть (110 7+ 02)В. Регулирование этого напряжения производится на отпайках первичной и вторичной обмоток Т001. В ЭГР-М напряжение на вторичных обмотках питающего трансформатора Т105 должно быть: на выводах (2-4) и (4-6), (8-10) и (10-12) - 50 В, (5-7) - 100 В. На вторичных обмотках питающего трансформатора Т204: на выводах (2-4) - 35 В, на выводах (6-8) - 35 В, на выводах (5-7) - 30 В. В регуляторе ЭГР-2М напряжение на вторичных обмотках питающего трансформатора Т105 должно быть: на выводах (2-4) и (4-6) - 7,5 В, (8-10) и (10-12) - 36 В, (5-7) - 120 В, (9-11) и (13-15) - 130В. На вторичных обмотках питающего трансформатор Т201: на выводах (2-4) и (6-8) - 250 В, (5-7) - 55 В.
На вторичных обмотках питающего трансформатора Т204 на выводах (2-4) и (4-6) - 23 В, (5-7) - 25 В.
При наличии напряжения переменного тока собственных нужд 220 В на зажимах 605-606 и включенном выключателе П601 напряжение а отпайках трансформатора Т601 питания схемы настройки по напору в регуляторах ЭГР-М (2М) должно быть: на выводах (1-9)- 240 В, (1-3) - 21 В, (1-5) - 110 В, (2-4) - 25 В,(2-6) - 50В, (8-10) - 22,5 В.
При номинальной частоте вращения агрегата напряжение питания схем защиты от разгона и измерения должно быть (70 - 75) В на зажимах 043-044 в регуляторе ЭГР-М, на зажимах 054-056 в регуляторе ЭГР-2М. Показание электротахометра корректируют резистором R402 или R403 в ЭГР-М, R402 в ЭГР-2М.
При наличии напряжения оперативного постоянного тока напряжение 220 В питания схемы в ЭГР-М (2М) на остановленном агрегате проверить на зажимах 001-010. При этом пусковой ток в катушке ЭГП в ЭГР-М должен быть (10 - 15) мА, а якорь реле Р406 в ЭГР-М (Р405 в ЭГР-2М) подтянут. В ЭГР-2М ток в катушке ЭГП должен быть равным 0, а стрелка балансного прибора установлена на нуль.
Ж.6.1.3. Проверку цепей электропитания в регуляторе ЭГР-1Т следует производить на агрегате, работающем в сети или на холостом ходу с номинальной частотой вращения при включенном автомате А001. Номинальную частоту вращения установить по частотомеру, включенному на напряжение тахогенератора. Напряжение питания цепей от тахогенератора и от сети собственных нужд проверить в контрольных гнездах на блоке питания регулятора (БПР), блоке защиты агрегата (БЗА) и блоке релейной автоматики (БРА). В случае необходимости значение напряжения питания цепей от тахогенератора на гнездах БПР регулируют на отпайках автотрансформатора Т001. Значения контролируемых напряжений указаны на контрольных гнездах блоков.
Настройку напряжения стабилизатора питания микросхем ±12,6 В в ГСС производят при снятых субблоках СБ20, СБ21, СБ22 регулированием резистора R6 в субблоке СБ19. При этом блок ГСС и субблок СБ19 должны быть подключены через испытательные гибкие шланги. Напряжение +12,6 В и -12,6 В измерить на контрольных точках 3 и 7 относительно общей точки схемы 1 на плате субблока СБ19.
При проверке цепей электропитания проверить освещение шкал контрольных приборов, показания электротахометров и при необходимости скорректировать показание тахометра гидромеханической колонки резистором R7 в блоке БЗА, а показание тахометра электрического шкафа - резистором R5 в блоке БПР.
Ж.6.1.4. Проверка цепей электропитания в регуляторе ЭГР-2И-1 может быть произведена как на остановленном, так и на работающем агрегате при наличии питания переменным током 220 В собственных нужд на зажимах 123-126 регулятора и постоянным оперативным током 220 В на зажимах 81-84. При исправных цепях питания регулятора должны светиться лампы Л1 (наличие постоянного тока 12 В) и Л2 (наличие постоянного тока 24 В). Бесперебойность питания регулятора проверить поочередным отключением напряжения переменного и постоянного тока. Проверить наличие питания датчиков переменным током 12 В 400 Гц на зажимах 46-18 электрического шкафа регулятора.
Ж.6.2. Проверка работы схемы автоматики регулятора
Ж.6.2.1. Проверку следует производить на агрегате с опорожненной спиральной камерой при имитации: пуска, включения в сеть, работы агрегата в различных режимах и остановки агрегата. Перед началом испытаний все механизмы управления должны быть установлены в положение, которое они занимают перед пуском на автоматическом управлении, кроме того, отключен ключ включения в групповое регулирование, автоматы питания постоянным и переменным током отключены. В регуляторе ЭГР-М на ряде зажимов 1К должны стоять штеккеры только те, что указаны на схеме. С помощью корректора стрелку балансного прибора и электротахометра установить на 0.
Ж.6.2.2. Испытания релейной части схемы могут быть проведены без опорожнения спиральной камеры на остановленном и переведенном на ручное управление агрегате.
Ж.6.2.3. Для проведения испытаний схемы автоматики в регуляторе ЭГР на зажимы 001-002 (или 301-302) подключить ЛАТР выводами «нагрузка», а на зажимы 201-202 - вольтметр. На зажимы 095-096 подать напряжение оперативного постоянного тока 220 В и проверить срабатывание реле 10Р и 41Р. При увеличении и уменьшении напряжения питания переменным током собственных нужд проверить срабатывание и отпадание якоря реле 17Р, контролирующего напряжение накала лампы. Якорь реле должен отпадать при напряжении 110 - 130 В. Для имитации работы агрегата ЛАТР подключить выводами «нагрузка» на зажимы 013-014. а вольтметр для контроля напряжения питания цепей тахогенератора на зажимы 208-209. Для того, чтобы при испытаниях изменения частоты сети не отражались на работе регулятора, следует отключить измеритель-преобразователь частоты (LС - контур) на зажиме 309.
Ж.6.2.4. Пуск имитировать кратковременным замыканием зажимов 351-348. Проверить правильность и последовательность операций пуска:
срабатывание реле 1Р, 2Р, 12Р;
отвод ограничителя на пусковое открытие и отпадание якоря реле 2Р в конце процесса отвода ограничителя;
сворачивание лопастей рабочего колеса и отпадание якоря реле 12Р при установке ролика на кулачок комбинатора;
открытие направляющего аппарата до пускового открытия (при испытаниях с опорожненной спиральной камерой). Затем подать напряжение переменного тока (от сети собственных нужд) на ЛАТР и постепенно увеличить напряжение на зажимах 208-209 до 110 В. Одновременно проверить напряжение срабатывания реле 20Р - (85 - 90) В, отпадание якоря реле 10Р, 11Р и наличие на балансном приборе полного сигнала «на прибавить». При напряжении 110 В направляющий аппарат должен закрыться от пускового открытия до открытия холостого хода, обеспечиваемого уставками механизмов МИЧ и МИМ. Действие реле управления двигателем МИЧ проверить замыканием зажимов 347-362 и 347-363 (имитация работы при синхронизации). Включение генераторного выключателя имитировать замыканием зажимов 347-354. При этом проверить:
срабатывание реле 5Р, 6Р, Р;
срабатывание реле 2Р и отвод ограничителя открытия на полное открытие.
Ж.6.2.5. Действие реле управления двигателем МИМ проверить от ключа управления. По окончании переходного процесса стрелка балансного прибора должна возвращаться к некоторому значению тока небаланса «на убавить», обусловленному уставкой длины распора.
Ж.6.2.6. При отключении напряжения, поданного от ЛАТР на зажимы 208-209, направляющий аппарат должен медленно перемещаться в сторону открытия. При необходимости правильность этого действия обеспечивается регулированием длины распора в гидромеханической колонке.
Ж.6.2.7. Действие автоматики при переводе агрегата в режим СК проверить при установке перемычки на зажимы 094-047.
Следует контролировать:
срабатывание реле 7Р, 8Р;
закрытие ограничителя (и направляющего аппарата) до полного;
срабатывание реле 9Р, 10Р, 11Р;
установку стрелки балансного прибора на 0;
сворачивание лопастей рабочего колеса.
Ж.6.2.8. Для вывода из режима СК следует снять перемычку с зажимов 094-047 и кратковременно замкнуть зажимы 351-348 (имитация пуска). Ограничитель открытия должен отвестись полностью, а направляющий аппарат открыться до установки МИМ; лопасти рабочего колеса должны установиться на комбинаторную зависимость.
Ж.6.2.9. Остановку имитировать снятием перемычки с зажимов 354-357 и установкой ее на зажимы 356-357.
Следует контролировать:
срабатывание реле 16Р (при снятии перемычки с зажимов 354-357) и сгон МИМ в положение открытия холостого хода;
закрытие направляющего аппарата до открытия холостого хода;
срабатывание реле 8Р (после установки перемычки на зажимах 356-357);
закрытие ограничителя открытия (и направляющего аппарата до полного);
срабатывание реле 9Р в конце процесса закрытия ограничителя открытия;
разворот лопастей рабочего колеса на пусковой угол.
При снижении напряжения с помощью ЛАТР на зажимах 208-209 до (50 - 60) В проверить отпадание якоря реле 10Р, 11Р и переход лампы в режим подогрева. Стрелка балансного прибора должна установиться на 0, а выходной шток ЭГП переместиться в крайнее верхнее положение под действием сигнала в пусковой катушке.
В регуляторе ЭГР второй модификации проверку работы релейной части производить аналогичным образом.
Ж.6.2.10. При отключенных автоматах А502, А503 проверку работы реле Р101 контроля накала лампы Л101 произвести с помощью ЛАТР, подключенного на зажимы 513-514. При этом должен быть подтянут якорь реле Р405.
Для имитации работы агрегата ЛАТР включить на зажимы 428-430, а вольтметр - на зажимы 227-228.
Измеритель-преобразователь частоты (LС - контур) отключить на зажиме 107.
При включении автомата А501 должно сработать реле Р204.
Ж.6.2.11. Пуск имитировать замыканием зажимов 002-005. Проверить правильность и последовательность операций пуска:
срабатывание реле Р401;
отвод ограничителя открытия на пусковое открытие и отпадание якоря реле Р401 в конце процесса отвода ограничителя;
сворачивание лопастей рабочего колеса до комбинаторной зависимости;
открытие направляющего аппарата до пускового открытия.
При повышении напряжения с помощью ЛАТР на зажимах 428-430 до 110 В проверить напряжение срабатывания реле Р407 (85-90 В).
Управление двигателем МИО проверить ключом КУ.
Включение выключателя имитируют замыканием зажимов 203-210. При этом следует проверить:
срабатывание реле Р203, Р205;
отпадание якоря реле Р204 (подготовка схемы сгона МИО);
срабатывание реле Р401 и отвод ограничителя до полного открытия.
Ж.6.2.12. Действие автоматики при переводе агрегата в режим СК проверить при установке перемычки на зажимы 408-410.
Следует контролировать:
срабатывание реле Р406;
отклонение стрелки балансного прибора от 0 «на убавить»;
полное закрытие направляющего аппарата;
сворачивание лопастей рабочего колеса.
Ж.6.2.13. Для вывода из режима СК достаточно снять перемычку с зажимов 408-410.
Направляющий аппарат должен открыться до положения определяемого уставкой МИО (а лопасти развернуться на комбинаторную зависимость).
Ж.6.2.14. Проверку работы механизма управления агрегатом произвести воздействием на ключ КУ. Действие схемы слежения МИО за ограничителем открытия проверить при закрытии и открытии направляющего аппарата ограничителем.
Отключение выключателя имитируется снятием перемычки с зажимов 203-210. При этом должен произойти сгон МИО в положение холостого хода, сработать реле Р204, а направляющий аппарат закрываться до открытия холостого хода.
Ж.6.2.15. Остановку имитируют замыканием зажимов 007-064. Следует проверить срабатывание реле Р402, закрытие ограничителя открытия и направляющего аппарата до полного, разворот лопастей рабочего колеса на пусковой угол.
Ж.6.2.16. Проверку работы защиты от разгона 115 % следует производить при открытом до пускового открытия направляющем аппарате (после сигнала на пуск или открытом на ручном управлении). Перед испытаниями необходимо отключить обмотку тахогенератора. На зажимы 318-319 ЭГР первой модификации 037-038 ЭГР второй модификации подать напряжение переменного тока (от сети собственных нужд) через ЛАТР. На эти же зажимы подключить вольтметр. При повышении напряжения проверить уставку срабатывания реле 23Р (Р408) по вольтметру и электротахометру, работу золотника аварийного закрытия, полное закрытие направляющего аппарата.
Ж.6.2.17. При проверке релейной части ЭГРК-М (2М) для питания цепей переменного тока от сети собственных нужд на зажимы 053-054 в регуляторе ЭГР-М и зажимы 058-059 в регуляторе ЭГР-2М включить ЛАТР (зажимами «нагрузка»). Для установки и контроля напряжения на те же зажимы включить вольтметр.
Чтобы изменения частоты в сети не отражались на работе регулятора при испытаниях, следует отключить измеритель-преобразователь частоты (LС - контур): в регуляторе ЭГР-М снять штеккер 1К-11-12 (в регуляторе ЭГР-2М разомкнуть цепь на зажиме 119). Непосредственно перед испытаниями включить автомат А002 и проверить напряжение постоянного тока (220 В) на зажимах 001-010.
Ж.6.2.18. Пуск имитируется кратковременным замыканием зажимов 071-073 в регуляторе ЭГР-М, 006-008 - в регуляторе ЭГР-2М. Проверить правильность и последовательность операций автоматического пуска:
срабатывание реле Р401 и Р402;
отвод ограничителя и открытие направляющего аппарата до пускового открытия;
наличие тока в катушке ЭГП «на прибавить» 1 - 1,5 деления по балансному прибору (в регуляторе ЭГР-2М после срабатывания реле Р405 в начале процесса отвода ограничителя);
сворачивание лопастей рабочего колеса (установку ролика на кулачок комбинатора);
отпадание якоря реле Р401 при окончании процесса отвода ограничителя на пусковое открытие.
Затем с помощью ЛАТР (при отключенном автомате А001 напряжение питания регулятора переменным током повысить до 110 В. Одновременно фиксировать напряжение срабатывания (85 - 90 В) реле включения электрической части регулятора (Р406 в ЭГР-М, Р407 в ЭГР-2М) и отпадание якоря реле Р405 в регуляторе ЭГР-2М. После работы этих реле должно происходить закрытие направляющего аппарата до открытия холостого хода (точнее - до установки МИО в ЭГР-М и МИЧ с МИМ в ЭГР-2М).
Включение выключателя генератора имитируют замыканием зажимов 408-410 в регуляторе ЭГР-М и 410-409 в регуляторе ЭГР-2М. При этом следует проверить:
срабатывание реле-повторителей выключателя Р202 и Р403 в регуляторе ЭГР-М, Р201 и Р403 в ЭГР-2М;
срабатывание реле переключения воздействия с МИЧ на МИМ Р202 (и отпадание якоря реле Р205 в схеме сгона МИМ в регуляторе ЭГР-2М);
работу реле Р401, Р402 и отвод ограничителя до полного открытия.
Ж.6.2.19. Проверку работы реле и механизмов управления агрегатом производят воздействием на ключ управления МИО в ЭГР-М или МИЧ - МИМ в ЭГР-2М. При этом следует проверить:
работу реле управления двигателя механизма (Р203, Р204) и срабатывание реле подготовки схемы сгона МИО Р405 в регуляторе ЭГР-М после отвода МИО из среднего положения;
скорость перемещения МИО или МИМ на открытие и закрытие направляющего аппарата. Действие схемы слежения МИО (МИМ) за ограничителем открытия проверить при закрытии и открытии направляющего аппарата ограничителя. При этом проверить работу реле Р204 и микропереключателя П705.
Ж.6.2.20. Для имитации работы регулятора ЭГР-М при переводе агрегата в режим СК необходимо установить перемычку на зажимы 208-224, разомкнуть зажим 006 (или 075), затем снять перемычку с зажимов 208-224. При этом проверить наличие на балансном приборе сигнала «на убавить», закрытие направляющего аппарата и разворот лопастей рабочего колеса на пусковой угол. Для имитации работы в режим СК регулятора ЭГР-2М необходимо установить перемычку на зажимы 410-415. Проверить срабатывание реле Р405, отклонение стрелки балансного прибора «на убавить», закрытие направляющего аппарата.
Ж.6.2.21. Остановку агрегата имитируют «оживлением» реле закрытия ограничителя открытия Р404 в ЭГР-М, Р406 в ЭГР-2М. Для этого требуется перемычку с зажимов 408-410 в ЭГР-М, 409-410 в ЭГР-2М перенести на зажимы 010-079 в ЭГР-М7 017-018 в ЭГР-2М.
В регуляторе ЭГР-М проверить работу реле Р404, концевого выключателя П703, скорость перемещения и закрытие направляющего аппарата до полного, установку стрелки указателя положения ограничителя на красной точке. При уменьшении значения напряжения питания регулятора переменным током фиксировать отпадание якоря реле Р405.
В регуляторе ЭГР-2М при подаче команды на остановку проверить работу реле Р406, концевого выключателя П703, закрытие направляющего аппарата до нуля и установку указателя ограничителя на красной точке, при снятии напряжения переменного тока - отпадание якоря реле Р407.
В регуляторах для поворотно-лопастных гидротурбин проверить установку лопастей рабочего колеса на пусковой угол при подходе стрелки ограничителя открытия к нулю по шкале указателя.
Ж.6.2.22. Проверку работы реле защиты 110 % (Р501) в регуляторе ЭГРК-2М следует производить при повышении напряжения питания регулятора переменным током. При этом должно действовать устройство программного закрытия направляющего аппарата до открытия холостого хода и разворота лопастей рабочего колеса на пусковой угол.
Проверку работы защиты от разгона 115 % следует производить при открытом до пускового открытия направляющем аппарате (после сигнала на пуск или открытом на ручном управлении). Перед испытаниями необходимо отключить обмотку тахогенератора на зажиме 043 в ЭГР-М, 056 в ЭГР-2М. На зажимы 041-044 в ЭГР-М, 054-055 в ЭГР-2М подать напряжение переменного тока (от сети собственных нужд) через ЛАТР. На эти же зажимы включить вольтметр. При повышении напряжения проверить уставку срабатывания реле Р407 в ЭГР-М, Р502 в ЭГР-2М по вольтметру и электротахометру, работу золотника аварийного закрытия, полное закрытие направляющего аппарата и разворот лопастей рабочего колеса на пусковой угол.
Ж.6.2.23. При проверке релейной части регулятора ЭГРК-1Т для питания цепей переменного тока от сети собственных нужд на зажимы 52-53 подать напряжение 220 В. Для питания цепей реле и электромагнитов оперативный постоянный ток подать на зажимы 61-60. Для питания цепей тахогенератора от сети собственных нужд при отключенном автомате А001 в гнезда 220 т.г. БПР включить ЛАТР (зажимами «нагрузка»). Для установки и контроля напряжения в гнезда 110 т.г. БПР (или на зажимы 47-48) включить вольтметр. На зажимы 702-745 установить перемычку, если в процессе пуска участвует электромагнит пуска ЕМ701.
Чтобы при испытаниях изменения частоты сети не отражались на работе регулятора, следует отключить измеритель частоты LС контур путем изъятия субблока СБ1 из блока ЧЧЭ.
Ж.6.2.24. Пуск следует имитировать кратковременным замыканием зажимов 100-102.
Проверить правильность и последовательность операций автоматического пуска:
срабатывание электромагнита пуска ЕМ-701;
срабатывание реле Р2 и Р27;
наличие тока в катушке ЭГП «на прибавить» 1 - 1,5 деления по балансному прибору (после срабатывания реле Р27);
отвод ограничителя и открытие направляющего аппарата до пускового открытия.
При размыкании зажима 757 и обесточивании электромагнита ЕМ706 происходит сворачивание лопастей рабочего колеса и установка ролика на кулачок комбинатора. (После проверки работы электромагнита ЕМ706 и гидроусилителей зажим 757 можно замкнуть, чтобы при дальнейших испытаниях лопасти рабочего колеса оставались развернутыми (при наличии в цепи электромагнита размыкающего контакта 3-4 реле оборотов РО - 50 %).
Работу электромагнита холостого хода ЕМ704 проверить при установке перемычки на зажимы 70-81 (или при снятии перемычки с зажимов 745-702 и установке ее на зажимы 745-705). При этом направляющий аппарат должен закрыться до открытия холостого хода. (Следует иметь в виду, что открытие холостого хода корректируется по напору автоматически, поэтому с изменением напора значение открытия холостого хода изменяется).
Затем с помощью ЛАТР (при отключенном автомате А001) напряжение питания регулятора переменным током повысить до 110 В. При этом фиксировать напряжение срабатывания (85 - 90 В) реле включения электрической части регулятора (Р21, Р31). После установки 110 В перемычку с зажимов 70-81 (745-705) снять. После этого открытие холостого хода определяется уставками МИЧ и МИМ. Проверить работу механизма управления агрегатом на холостом ходу (МИЧ) от ключа МИЧ-МИМ.
Имитировать включение генераторного выключателя замыканием зажимов 86-73.
При этом проверить:
срабатывание реле Р4 и отвод ограничителя до полного открытия;
срабатывание повторителя выключателя генератора Р14 и реле переключения изодрома Р15, реле мертвой зоны Р16.
Ж.6.2.25. Проверку реле и механизмов управления агрегатом произвести воздействием на ключ управления МИЧ-МИМ. При этом проверить: действие МИМ, концевых выключателей МИМ «сверху» и «снизу», автоматическое переключение воздействия с МИМ на МИЧ.
Ж.6.2.26. Для имитации работы регулятора при переводе агрегата в режим СК необходимо на зажимы 86-69 и 86-75 установить перемычки.
При этом проверить:
срабатывание реле Р3;
сгон МИМ до ограничения «снизу» (и сгон МИЧ);
закрытие направляющего аппарата;
отпадание якоря реле Р3 при закрытии направляющего аппарата (размыкание контакта КНА-6) до открытия холостого хода;
срабатывание реле Р5;
закрытие ограничителя открытия и направляющего аппарата до полного;
установку на 0 стрелки балансного прибора ЭГП;
разворот лопастей рабочего колеса.
Ж.6.2.27. Действие фиксатора открытия направляющего аппарата проверить при открытом на 50 - 60 % направляющем аппарате и снижении напряжении от ЛАТР. Предварительно на зажимы 56-86 установить перемычку. При отпадании якоря реле Р21 и Р31 должен срабатывать электромагнит ЕМ705. От действия ограничителя направляющий аппарат должен закрываться ниже 50 - 60 % и открываться до 50 - 60 %. При восстановлении напряжения от ЛАТР до 110 В фиксатор должен оставаться в работе до снятия перемычки с зажимов 45-86 или до перевода рукоятки ЭГП из положения «автомат» в положение «ручное».
Ж.6.2.28. Остановку агрегата имитировать установкой перемычки на зажимы 86-122 и 86-69. При этом проверить:
срабатывание реле Р3;
сгон МИМ до ограничения «снизу» (и сгон МИЧ);
закрытие направляющего аппарата;
срабатывание реле Р2 и электромагнита остановки ЕМ701;
отпадание якоря реле Р3 при закрытии направляющего аппарата до открытия холостого хода (размыкание контакта КНА-6);
полное закрытие направляющего аппарата и ограничителя открытия (до красной точки по шкале указателя на гидромеханической колонке);
разворот лопастей рабочего колеса на пусковой угол.
Ж.6.2.29. Проверку работы реле защиты 110 % (Р23) произвести при повышении напряжения питания регулятора переменным током до 120 В. При срабатывании Р23 наблюдается срабатывание реле Р7, электромагнита программного закрытия ЕМ703, закрытие направляющего аппарата до открытия холостого хода.
Ж.6.2.30. Проверку работы защиты от разгона 115 % произвести при открытом до пускового открытия направляющем аппарата (после сигнала на пуск или открытом на ручном управлении). Перед испытаниями необходимо отключить обмотку тахогенератора на зажиме 43 (44), а в гнезда Г1, 72 блока защиты агрегата БЗА подать напряжение переменного тока (от сети собственных нужд) через ЛАТР. На эти же гнезда включить вольтметр. При повышении напряжения проверить уставку срабатывания реле по вольтметру и электротахометру, срабатывание золотника аварийного закрытия ЗАЗ, закрытие направляющего аппарата и разворот лопастей рабочего колеса на пусковой угол.
Ж.6.2.31. При проверке релейной части регулятора ЭГРК-2И-1 для питания электрической схемы регулятора, цепей реле и электромагнитов оперативный постоянный ток 220 В подать на зажимы 81-84 ряда зажимов шкафа регулятора. Для освещения шкал указателей напряжение переменного тока 220 В собственных нужд ГЭС подать на зажимы 123-126.
На зажимы 1-2, отключенные со стороны кабеля, включить выход генератора промышленной частоты, а на его выходе установить частоту ниже 45 Гц.
На зажимы 41-42 подать напряжение сети 100 - 120 В от измерительного трансформатора напряжения ТU 7 4s 0. Переключатель «S» скольжение» поставить в положение «отключено».
Ж.6.2.32. Пуск имитировать установкой перемычки на зажимы 81-93. Проверить правильность и последовательность операций автоматического пуска:
отвод ограничителя открытия до полного по шкале на гидромеханической колонке:
открытие направляющего аппарата до пускового открытия,
заданного в электрической схеме регулятора;
срабатывание электромагнита ЕМ-10 и сворачивание лопастей рабочего колеса (восстановление комбинаторной зависимости).
На выходе генератора промышленной частоты (ГПЧ) установить 50 Гц и контролировать закрытие направляющего аппарата до открытия холостого хода (до открытия, обусловленного положениями МИЧ и МИМ).
Проверить действие МИЧ воздействием на ключ SLС 7 0 (МИЧ-МИМ). При изменении уставок изодрома холостого хода должно изменяться быстродействие регулятора. Действие схемы автоматической подгонки частоты вращения агрегата до синхронной с частотой сети проверить при включении переключателя S «скольжение». При этом при частоте на выходе ГПЧ на 0,5 Гц выше частоты сети направляющий аппарат должен закрываться под действием постоянного сигнала на ЭГП «убавить», а при частоте от ГПЧ на 0,5 Гц ниже частоты сети - открываться под действием неизменного сигнала на ЭГП «прибавить». После испытаний переключатель «S» отключить, на выходе ГПЧ установить 50 Гц, МИЧ установить в среднее положение.
Включение выключателя генератора имитировать установкой перемычки на зажимы 81-97 (перемычка с зажимов 81-93 может быть снята).
Ж.6.2.33. Правильность действия релейной автоматики следует проверять следующим образом:
автоматику переключения с МИЧ на МИМ и слежения МИМ за ограничителем - при воздействии на ключ SLC (МИЧ-МИМ) в сторону открытия направляющего аппарата закрытием направляющего аппарата ограничителем открытия на 10 - 20 % от установленного МИМ значения и последующем отводе ограничителя открытия. При этом направляющий аппарат не должен открываться вслед за ограничителем открытия;
автоматику переключения с МИМ на МИЧ и с изодрома холостого хода на изодром нагрузки - рядом последующих действий.
С помощью ключа SLC при частоте на выходе ГПЧ 50 Гц направляющий аппарат открыть на 100 % (по указателю WG), а на балансном приборе ЭГП «SI» установить неизменный сигнал «на прибавить». При статизме Вр = 10 % частоту на выходе ГПЧ установить 53 - 55 Гц (направляющий аппарат должен закрыться).
При переключении уставок изодрома нагрузки быстродействие регулятора при действии на МИЧ через ключ SLC в сторону увеличения открытия направляющего аппарата должно изменяться.
Аналогичным образом проверить действие автоматики при закрытии направляющего аппарата от SLC и последующем уменьшении частоты от ГПЧ до 45 Гц. При этом быстродействие регулятора должно изменяться при переключении уставок изодрома нагрузки и действии на МИЧ через ключ SLC в сторону закрытия направляющего аппарата.
Ж.6.2.34. Для имитации работы регулятора при переводе агрегата в режим СК необходимо установить перемычки на зажимы 81-97 и 81-99 (после имитации пуска). Наблюдать закрытие направляющего аппарата от действия МИМ (МИЧ) до открытия холостого хода, а затем до полного под действием ограничителя открытия; установку на 0 стрелки балансного прибора (SI) при закрытии ограничителя до 0. Для приведения схемы автоматики в состояние готовности к другим операциям завершение режима СК (отжатие воды) имитировать установкой перемычки на зажимы 81-100.
Ж.6.2.35. В схеме автоматики поворотно-лопастных гидротурбин действие программного закрытия направляющего аппарата при сбросе нагрузки необходимо проверить при снятии перемычки с зажимов 81-97 (отключение выключателя) и установке перемычки на зажимы W51-W92 в гидромеханической колонке. Следует проверить срабатывание электромагнитов ЕМ11, ЕМ9, закрытие направляющего аппарата до открытия холостого хода и разворот лопастей рабочего колеса на пусковой угол.
Ж.6.2.36. Остановку агрегата следует имитировать установкой перемычки на зажимы 81-96 (после проверки операций пуска и включения в сеть).
При этом необходимо проверить:
закрытие направляющего аппарата под действием сигнала от МИМ (и МИЧ) до открытия холостого хода;
закрытие ограничителя открытия и установку стрелки на красной точке по шкале указателя;
полное закрытие направляющего аппарата;
срабатывание электромагнита ЕМ9 и разворот лопастей рабочего колеса на пусковой угол (после имитации отключения выключателя путем снятия перемычки с зажимов 81-97).
Ж.6.2.37. Проверку работы защиты 115 % произвести после завершения операций по пуску путем имитации работы реле защиты РЗА, например, от контакта реле РО 115 %.
Проверить:
срабатывание электромагнита и золотника аварийного закрытия;
закрытие направляющего аппарата до полного;
срабатывание электромагнита ЕМ9 и разворот лопастей рабочего колеса на пусковой угол.
Ж.6.3. Определение характеристик функциональных узлов
Характеристика частоточувствительного элемента в электрогидравлическом регуляторе с усилителем на электронной лампе представляет собой зависимость разбаланса токов в катушке ЭГП от частоты напряжения тахогенератора (рис. 8). Характеристика снимается на агрегате, работающем на холостом ходу на ручном управлении.
Рис. 8. Характеристика усилителя по входу частоты
Перед снятием характеристики необходимо отключить все входы, кроме ЧЧЭ:
в регуляторе первой модификации сигнал от МИЧ на трансформаторе Т5 (зажимы 315-316), в регуляторе второй модификации - от МИО на трансформаторе Т103 (зажимы 111-112) установить равным нулю, а на зажимы поставить перемычку;
потенциометр статизма и переключатель интенсивности изодрома холостого хода установить на нуль. В плечи катушки ЭГП для измерения токов включить миллиамперметры I1 и I2 (зажимы 037 и 039 в ЭГР первой модификации, 050 и 052 в ЭГР второй модификации). Частоту измерять стрелочным частотомером Д506, включенным на напряжение тахогенератора.
С помощью ограничителя открытия частоту вращения агрегата следует изменять ступенями через 0,2 - 0,4 % в зоне от 49 до 51 Гц. На каждой ступени измерить установившуюся 0 частоту f напряжения тахогенератора и токи I1, I2 в плечах катушки ЭГП. Разбаланс определить по разности токов ΔI = I1 - I2. По полученным значениям построить характеристику, по которой определить коэффициент передачи узлов ЧЧЭ, ФЧВ и усилителя по частоте Кf = 8 - 9 мА/Гц, частоту резонанса LC контура 49,5 - 50,1 Гц (при ΔI = 0), линейность характеристики в зоне ±(0,6 - 0,8) Гц относительно точки резонанса. Частоту резонанса определяют при сравнении полученной характеристики с характеристикой ФЧВ и усилителя. Если последняя проходит через начало координат, то резонансную частоту определяют по пересечению полученной характеристики с осью абсцисс (ось частоты).
Ж.6.3.2. Характеристику частоточувствительного элемента в ЭГР-М (2М) определяют совместно с фазочувствительным выпрямителем (рис. 9). Входным параметром характеристики является частота, а выходным - ток в обмотках управления магнитного усилителя. Ток следует измерять в распайке резистора R119 микроамперметром, а частоту - частотомером, включенным в гнезда «частота» или на напряжение тахогенератора. Характеристику следует снимать на агрегате, работающем на холостом ходу на ручном управлении.
Перед снятием характеристики необходимо отключить все другие входы, кроме ЧЧЭ:
Рис. 9. Характеристика МИЧ (МИО) и ЧЧЭ:
0 - среднее положение механизма; 1 - характеристика МИЧ (МИО)
в регуляторе ЭГР-М снять штекеры 159-10, 1К15-16 и разомкнуть цепь на зажиме 222, а на зажимы 114-115 установить перемычку, в регуляторе ЭГР-2М разомкнуть цепь на зажимах 044 и 062;
потенциометр статизма установить на 0.
Методика получения характеристики аналогична изложенной в п. Ж.6.3.1. Характеристика должна быть без насыщения и линейна во всем диапазоне изменения частоты. Коэффициент передачи ЧЧЭ совместно с ФЧВ Кf = (11 - 12) мкА/Гц (ЭГР-М), Кf = (3 - 5) мкА/Гц (ЭГР-2М). Частоту резонанса LC контура определяют при сравнении полученной характеристики с характеристикой ФЧВ.
Ж.6.3.3. Характеристика частоточувствительного элемента в регуляторе ЭГР-1Т представляет собой зависимость напряжения на выходе блока ЧЧЭ (в гнездах Г1-Г3, Г1-Г2) от частоты питающего ЧЧЭ напряжения. Зависимость используют для определения работоспособности блока ЧЧЭ и для расчета параметров обратных связей интегратора БИУ.
Испытания следует проводить при работе агрегата на холостом ходу на ручном управлении, они также могут быть проведены на остановленном агрегате при питании регулятора от ГТЧ. В последнем случае на ряде зажимов регулятора необходимо отклю-
чить внешние провода на зажимах 115 и 116, а вместо них подключить выход ГТЧ. Питание регулятора от ГТЧ возможно не на всех модификациях ЭГР-1Т, при выходной мощности ГТЧ не менее 50 Вт и возможности на выходе ГТЧ устанавливать напряжение 110 В. Отключить со стороны кабеля зажимы 41 и 42, на них подать через ЛАТР напряжение переменного тока, значение которого (110 В) контролировать на зажимах 47 и 49 или на гнездах Г1-Г4 блока питания регулятора БПР.
Перед проведением испытаний на работающем на холостом ходу агрегате необходимо провести следующие подготовительные операции:
провести управление на ручное;
отключить со стороны кабеля зажимы 115, 116 и соединить их со стороны цепей регулятора с зажимами 47, 48 или Г1-Г4 БПР для испытания ЧЧЭ-2;
изъять субблок СБ-2 блока ЧЧЭ-2 при испытаниях ЧЧЭ-1, блока ЧЧЭ-1 при испытаниях ЧЧЭ-2;
включить стрелочный частотомер на напряжение тахогенератора, в гнезда Г1-Г2 (ЧЧЭ-1), Г1-Г3 (ЧЧЭ-2) включить вольтметр (при испытаниях от ГТЧ рекомендуется использовать цифровой частотомер).
Испытания следует проводить по методике, аналогичной приведенной в п. 6.3.1. Характеристики ЧЧЭ должны быть линейными во всем диапазоне изменения частоты. Частоту резонанса (0 на выходе ЧЧЭ) настраивают на 50 Гц регулированием резистора R4 в СБ-5 блока ЧЧЭ. Полярность сигнала выхода ЧЧЭ-1 должна быть обратной полярности сигнала выхода ЧЧЭ-2.
Коэффициент передачи блока ЧЧЭ должен быть около 1,5 В/Гц (на Г1-Г2).
Ж.6.3.4. Характеристика измерителя частоты ИПЧ в регуляторе ЭГР-2И-1 представляет собой зависимость напряжения выхода субблока Н6 (Н8) от частоты напряжения на входе.
Характеристика может быть получена как на работающем на ручном управлении, так и на остановленном агрегате при включенном питании регулятора. На отключенные со стороны кабеля зажимы 1-2 (для снятия характеристики ИЧ-1) или 41-42 (ИЧ-2) включить выход ГТЧ мощностью не менее 10 Вт. Напряжение выхода ИЧ измерять на контрольных гнездах субблока. Характеристика должна быть линейной в пределах ±10 В выходного напряжения. Коэффициент передачи ИЧ Кf = 1,5 - 2 В/Гц регулируют резистором R1, а смещение характеристики в начало координат - резистором R3 (грубо) и R2 (точно).
Ж.6.3.5. Характеристика механизма изменения частоты в электрогидравлическом регуляторе с усилителем на электронной лампе представляет собой зависимость разбаланса токов в катушке ЭГП от напряжения на первичной обмотке трансформатора Т5 (Т103 для ЭГР второй модификации). Характеристика может быть получена на работающем на ручном управлении или на остановленном агрегате при питании цепей регулятора напряжением переменного тока от схемы собственных нужд.
Перед снятием характеристики необходимо отключить все другие входы:
ЧЧЭ в ЭГР первой модификации отключить на зажиме 432, в ЭГР второй модификации на зажиме 107; потенциометр статизма, переключатели интенсивности и времени изодромов холостого хода и нагрузки установить на 0. В плечи катушки ЭГП включить миллиамперметры, а на зажимы 315-316 (первичная обмотка трансформатора Т5), в ЭГР второй модификации на зажимы 111-112 Т103 включить вольтметр.
Характеристику МИЧ (МИО) получают совместно с ФЧВ и усилителем.
Напряжение на Т5 (Т103) следует менять изменением положения движка резистора R502 (R201) вручную или при воздействии на двигатель от ключа управления МИЧ (МИО).
Характеристика должна быть линейной в пределах 4 - 5 мА по току разбаланса, коэффициент передачи К МИЧ 0 должен быть равен (1 ± 0,1) мА/В для ЭГР первой модификации и К МИО = (1,15 ± 0,05) мА/В для ЭГР второй модификации.
Пределы действия механизма устанавливают непосредственно при работе агрегата на холостом ходу или пересчитывают по измерениям напряжения в крайних положениях механизма. Диапазон действия следует определять по формуле
Гц, (8)
где U - напряжение в крайнем положении механизма.
Ж.6.3.6. В электрогидравлических регуляторах ЭГР-М и ЭГР-2М характеристика МИО (МИЧ) представляет собой зависимость тока в обмотках управления первого каскада магнитного усилителя от напряжения на первичной обмотке трансформатора Т103 в ЭГР-М (Т102 в ЭГР-2М). Испытания могут быть проведены на работающем на ручном управлении или на остановленном агрегате при питании цепей регулятора напряжением переменного тока от схемы собственных нужд.
Для снятия характеристики миллиамперметр следует включить в распайку резистора R119, на зажимы 114-115 (в ЭГР-М), 112-113 (в ЭГР-2М) включить вольтметр. Потенциометр статизма, переключатели интенсивности и времени изодромов холостого хода и нагрузки установить на 0. Характеристику МИЧ (МИО) получают совместно с ФЧВ во всем диапазоне действия механизма.
По результатам испытаний следует построить зависимость тока в цепи R119 от напряжения на трансформаторе. Характеристика должна быть линейной во всем диапазоне действия механизма. По характеристике определить диапазон действия механизма и коэффициент передачи К МИО = 1,5 - 1,6 мкА/В (в ЭГР-М), К МИЧ = 0,5 - 0,6 мкА/В (в ЭГР-2М). Необходимо проверить и настроить «среднее» положение механизма.
В регуляторе ЭГР-М «среднее» положение МИО характеризуется тем, что движок резистора R201 находится в среднем для него положении (здесь же должно происходить срабатывание переключателя П207), рукоятка - на отметке 0, а с помощью R222 на трансформаторе установлено такое напряжение, чтобы ток в цепи R119 был равен току от ЧЧЭ при 50 Гц (см. рис. 3.9), но имел противоположный знак. Значение этого тока определяется по характеристике ЧЧЭ. В регуляторе ЭГР-2М «среднее» положение МИЧ характеризуется тем, что в этом положении на сельсине МИЧ (зажимы 060-061) напряжение равно нулю, рукоятка МИЧ находится в среднем (от упоров) положении, а с помощью резисторов R273 и R274 на трансформаторе установлено такое напряжение, что создается такое же соотношение значений, как и в предыдущем случае.
Ж.6.3.7. Характеристику механизма изменения частоты в регуляторе ЭГР-1Т снимают для определения правильности настройки узла и диапазоне действия. Контрольная характеристика МИЧ представляет собой зависимость напряжения на контрольных гнездах Г1, Г3 блока ВВС от положения механизма. Диапазон действия МИЧ по частоте может быть определен непосредственно по значениям частоты в крайних положениях механизма при испытаниях на холостом ходу или рассчитан по известным коэффициентам передачи БИУ по входам от МИЧ и ЧЧЭ.
Контрольная характеристика может быть снята на работающем на ручном управлении или остановленном агрегате с питанием регулятора от постороннего источника. Перед проведением испытаний следует выполнить следующие операции:
изъять из блока ВВС субблок СБ-4 (при проведении испытаний на работающем в сети агрегате), т.е. перевести управление на МИЧ;
включить вольтметр на контрольные гнезда Г1, Г3 блока ВВС
Воздействием на ключ управления «МИЧ-МИМ» положение МИЧ изменить во всем диапазоне действия ступенями через 2 В.
На каждой ступени измерить напряжение в контрольных гнездах Г1, Г3 блока ВВС.
По результатам испытаний определяют правильность настройки механизма и диапазон действия. Входное напряжение на Г1,Г3 должно быть в пределах ΔU ± 14 В и проходить через 0 в середине диапазона действия МИЧ. Смещение характеристики в начало координат следует производить поворотом статора сельсина МИЧ в обойме. Диапазон действия определяют по формуле
(9)
где
-
коэффициент передачи блока БИУ по входу от МИЧ;
- коэффициент передачи БИУ по
входу от ЧЧЭ;
Kf - коэффициент передачи блока ЧЧЭ, В/Гц.
Ж.6.3.8. Характеристику МИЧ в регуляторе ЭГР-2И-1 снимают для определения диапазоне и правильности действия узла. Характеристика может быть снята как на работающем, так и на остановленном агрегате. На работающем в сети на ручном управлении агрегате следует установить переключатель статизма «Вр» на 0, чтобы перевести управление на МИЧ. Выходное напряжение субблока Н5 измерять в контрольном гнезде Х1 блока Н. Диапазон дейcтвия ±10 В проверить при воздействии на ключ SLC в сторону «прибавить» и «убавить». Симметричность диапазона следует проверить по равенству времени изменения выходного сигнала от 0 до +10 или -10 В при непрерывном сигнале управления от ключа. Время интегрирования сигнала на «прибавить» и «убавить» регулируют резистором R4 в субблоке Н5.
Стабильность характеристики МИЧ следует проверять по неизменности выходного напряжения (не более 0,2 В) в течение суток.
Ж.6.3.9. В регуляторе ЭГР первой и второй модификаций характеристику усилителя электрических сигналов снимают совместно с фазочувствительным выпрямителем по различным входам. Характеристика представляет собой зависимость разбаланса токов в катушке ЭГП от напряжения на первичной обмотке трансформатора испытуемого входа (рис. 10).
Рис. 10. Характеристика усилителя по входу на Т4:
1 - действительная характеристика; 2 - граница зоны действительных точек; 3 - недействительные точки
По полученной характеристике можно судить об исправности фазочувствительного выпрямителя, лампы и определить коэффициенты усиления по различным входам. Например, коэффициент усиления по входу Т4 составляет 0,9 мА/В, по входу Т5 - 1,1 мА/В. В ЭГР второй модификации коэффициент передачи по входу Т102 составляет 0,57 мА/В, по входу Т103 - 1,15 мА/В.
При замене электронной лампы достаточно получить характеристику усилителя по одному из входов и пропорционально вновь полученному значению коэффициента усиления пересчитать значения коэффициентов передачи по остальным входам.
Ж.6.3.10. В регуляторах ЭГР-М и ЭГР-2М характеристику магнитного усилителя (МУ) необходимо снимать при тех же условиях, что и характеристику МИЧ (или ФЧВ). При этом дополнительно на выход усилителя (в катушку ЭГП) следует включить миллиамперметр (с внутренним сопротивлением не более 5 Ом): в ЭГР-М - в рассечку зажима 018, в ЭГР-2М - зажима 043.
Перед снятием характеристики МУ рекомендуется проверить правильность настройки смещения характеристик дросселей в каскадах усилителя. Смещение в каскадах проверять следующим образом. При закороченных выходных зажимах МУ (102-117 в ЭГР-М и 102-101 в ЭГР-2М) измерить напряжение на R112, R113 в ЭГР-М иR101, R102 в ЭГР-2М при нулевом значении тока в обмотках управления по основному входу (в цепи R119). При необходимости смещением установить одинаковые напряжения. Затем на этих резисторах (и, следовательно, при нулевом значении тока в обмотках управления второго каскада МУ) снять закоротку с выходных зажимов и проверить равенство напряжений на R116, R117 в ЭГР-Мт и R107, R108 в ЭГР-2М. При правильной настройке ток в катушке ЭГП при этих условиях должен быть равен нулю.
Характеристику МУ по основному входу следует снимать следующим образом.
При изменении уставки МИО (МИЧ) необходимо фиксировать установившиеся значения токов на входе МУ по микроамперметру, включенному в распайку резистора R119, и на выходе МУ по миллиамперметру, включенному в катушку ЭГП.
По полученным результатам построить зависимость выходного тока от входного. По характеристике определить коэффициент передачи усилителя по основному входу, зону линейности характеристики и правильность установки смещения в каскадах. При правильно выбранном смещении характеристика МУ должна проходить через начало координат, а зоны линейности должны быть практически одинаковыми по обе стороны осей координат. Коэффициент усиления МУ в ЭГР-М должен быть 2500 - 3000, а в ЭГР-2М - около 10000.
Ж.6.3.11. В регуляторе ЭГР-1Т необходимо снять характеристики усилителей в блоках БИУ и ГСС. Для наладки используется статическая характеристика БИУ как инерционного звена (а не интегратора), поэтому коэффициент передачи усилителя определяют при определенном положении движка резистора R1 «статизм». По характеристике можно определить одновременно исправность сумматора СБ-11, модулятора СБ-2, усилителя УПД-2-0,3 демодулятора СБ-3 и фильтра на выходе БИУ до гнезд Г1, Г2. Перед проведением испытаний следует выполнить подготовительные операции:
перевести управление агрегатом на ручное при снятии характеристики на работающем агрегате. При проведении испытаний на остановленном агрегате подать питание на регулятор от постороннего источника. Для этого зажимы 41 и 42 отключить со стороны кабеля, на зажимы 41 и 42 в электрическую схему регулятора подать напряжение через ЛАТР и установить 110 В на зажимах 47, 48, на зажимы 73, 61 поставить перемычку;
установить рукоятку «статизм» движка резистора R1 в положение «10»;
установить переключатели интенсивности и времени изодромов в положение «0»;
установить переключатель П2 «подгонка частоты» в положение «отключено»;
поставить перемычку на гнезда Г1, Г3 ЧЧЭ;
изъять из БВВС субблок СБ-4 (при проведении испытаний на работающем в сети агрегате), т.е. перевести управление на МИЧ;
поставить закоротку на гнезда Г1, Г3 БВВС;
включить вольтметр на гнезда Г1, Г2 БИУ;
установить «0» БИУ. Установку «0» произвести потенциометром «настройка» на задней части панели блока. Корректировку «0» можно производить переменным резистором R29 в субблоке СБ11 блока БИУ. Установку «0» БИУ следует производить при частоте 50 Гц или близкой к ней;
снять закоротку с Г1, Г3 БВВС после установки «0» БИУ, а в гнезда включить вольтметр.
Характеристика представляет собой зависимость выходного напряжения блока от напряжения на входе. Входной сигнал следует изменять в пределах диапазона действия МИЧ и измерять по вольтметру, включенному в гнезда Г1, Г3 блока БВВС. Характеристика должна быть линейной в пределах ±60 В выходного и ±14 В входного сигналов. Коэффициент передачи по входу от МИЧ КБИУмич = 5, по входу от ЧЧЭ КБИУх = 10 (при Вр = 10 %). Для определения КБИУх используется методика п. 6.3.3.
Необходимо характеристику усилителя ГСС (СБ-20) по различным входам снять для определения исправности усилителя, работающего совместно с входным сумматором (СБ-11) и модулятором-демодулятором (СБ22), а также для градуировки сигналов по входам от БИУ, МИМ, Сс701.
При снятии характеристики по одному из входов все другие входы должны быть отключены. Характеристика представляет собой зависимость тока в катушке ЭГП от напряжения входного сигнала. Перед снятием характеристики следует проверить и при необходимости установить «0» усилителя ГСС. Для этого:
перевести управление работающим агрегатом на ручное (при проведении испытаний на остановленном агрегате подать питание на регулятор от постоянного источника);
изъять блок ГСС из стойки регулятора и двумя ремонтными жгутами подключить к штепсельным разъемам;
установить перемычку на выводы Г1, Г3 блока ЧЧЭ, переключатель «подгонка частоты» установить в положение «отключено»;
изъять субблок СБ-4 из блока ВВС (при проведении испытаний на работающем в сети агрегате), т.е. перевести управление на МИЧ;
установить с помощью МИЧ «0» напряжения на выходе БИУ по вольтметру, включенному в гнезда Г1, Г2;
выставить МИМ в среднее положение (установить «0» на гнездах Г2, Г3 блока ВВС), после чего на гнезда поставить закоротку;
поставить перемычку на гнезда Г2-Г4 блока ГСС (предварительно отключить датчик открытия направляющего аппарата на зажиме 6 ряда зажимов регулятора);
включить миллиамперметр в разрыв зажима 84 (на выход ГСС в обмотку катушки ЭГП).
При нормальной балансировке выход блока ГСС (ток ЭГП) должен быть равен 0. При нарушении баланса ГСС необходимо изъять субблок СБ-22 и с помощью ремонтного жгута подключить его к основному блоку. С помощью резистора R3 установить «0» выхода блока.
Характеристику необходимо снять в диапазоне 7 + 060 мА тока в катушке ЭГП при воздействии на МИЧ. В измеряемом диапазоне характеристика должна быть линейной, коэффициент передачи схемы по входам составлять: КГССБИУ = (6 - 7) мА/В, КГССв = (4 - 5) мА/%, КГССМИМ = (18 ± 0,5) мА/В.
Ж.6.3.12. В регуляторе ЭГР-2И-1 снимают характеристики усилителей: интегрирующего в субблоке Н3 и выходного следящей системы в субблоке Н9. Характеристики усилителей могут быть сняты как на остановленном, так и на работающем агрегате.
Для наладки используется статическая характеристика интегрирующего усилителя в субблоке Н3 как инерционного звена (а не интегратора), поэтому коэффициент передачи усилителя определяют при определенном положении переключателя статизма «Вр». По характеристике можно определить исправность микросхем А2 и А4 с корректирующими цепями. Перед проведением испытаний следует выполнить следующие подготовительные операции:
перевести на работающем в сети агрегате управление от ключа SLC на МИЧ - разомкнуть зажим 61 (или 62) регулятора;
изъять субблок Н4;
установить переключатель статизма «Вр» в положение «10»;
поставить переключатели S «скольжение», fd «мертвая зона» и Кр в положение «отключено»;
установить на 0 переключатели интенсивности и времени изодромов холостого хода и нагрузки «Тn производная»;
включить вольтметры в контрольные гнезда блока Н и субблока Н3 на выход усилителя;
поставить закоротку на контрольные гнезда на выходе субблока Н6;
поставить на точки 14 и 3 платы субблока Н5 - съемную перемычку (отключить сигнал от МИМ).
Характеристика представляет собой зависимость напряжения на выходе субблока Н3 от напряжения на контрольном гнезде Х1. Характеристика, снятая во всем диапазоне действия МИЧ, должна быть линейной в диапазоне ±10 В выходного сигнала, проходить через 0 в середине диапазоне, коэффициент передачи должен быть равен 2.
Характеристику усилителя следящей системы субблока Н9 снимают для определения исправности субблока и градуировки сигналов по входам.
Характеристика представляет собой зависимость тока в катушке ЭГП (выход усилителя) от напряжения на входе. При снятии характеристики по одному из входов все другие входы должны быть отключены. Перед снятием характеристики по входу от регулятора частоты при проведении испытаний на остановленном агрегате в дополнение к вышеперечисленным операциям разомкнуть зажим 053 (включить вход на Н9), изъять субблок Н4 (отключить обратную связь). Характеристика усилителя следящей системы Н9 снимается воздействием на интегрирующий усилитель через МИЧ по указанной выше методике. Выходной сигнал усилителя (ток в катушке ЭГП) следует измерять в разрыве зажима 50, напряжение на входе - в контрольных гнездах субблока Н3.
Характеристика должна быть линейной в диапазоне ±60 мА тока в катушке ЭГП, коэффициент передачи Ку равен расчетному значению завода-изготовителя (2160413 ТО).
Ж.6.3.13. Характеристику фазочувствительного выпрямителя как отдельного функционального узла снимают в регуляторах с магнитным усилителем (ЭГР-М и ЭГР-2М). В остальных типах регуляторов характеристику ФЧВ получают совместно с другими функциональными узлами (с усилителем, ЧЧЭ и т.д.) ввиду конструктивных особенностей регуляторов.
Характеристика ФЧВ можно снять как на работающем в сети агрегате на ручном управлении, так и на остановленном агрегате (в этом случае питание электрической схемы регулятора осуществляется от постороннего источника).
Для снятия характеристики следует отключить ЧЧЭ - в регуляторе ЭГР-М снять штекер 1К 11-12, в регуляторе ЭГР-2М разомкнуть зажим 119. Отключить обратные связи: в регуляторе ЭГР-М снять штекеры 1К 9-10, 1К 15-16, в регуляторе ЭГР-2М разомкнуть зажим 044 (или 045). Потенциометр статизма установить на 0. На выводы 1-3 трансформатора Т104 подключить вольтметр (с большим внутренним сопротивлением), в распайку R119 включить миллиамперметр.
При изменении уставки МИО (МИЧ) измерить напряжение на Т104 и ток в R119. По полученным результатам построить зависимость тока от напряжения. Характеристика должна быть линейной и проходить через начало координат (допускается некоторое смещение характеристики от начала координат). Коэффициент передачи ФЧВ составляет 7 - 8 мкА/В в ЭГР-М и 2 - 3 мкА/В в ЭГР-2М.
Ж.6.3.14. Механизм изменения мощности входит во все схемы электрогидравлических регуляторов, кроме ЭГР второй модификации и ЭГР-М.
В ЭГР с ламповым усилителем характеристику механизма изменения мощности МИМ снимают для определения диапазона действия механизма и коэффициента передачи по входу на усилитель через трансформатор Т4. Коэффициент передачи от потенциометра МИМ (R501) к трансформатор Т4 зависит от уставки потенциометра статизма r35, поэтому для определенности характеристику МИМ снимают на уставке статизма «10».
Характеристику можно снимать на работающем в сети на ручном управлении агрегате или на остановленном с опорожненной спиральной камерой при открытии направляющего аппарата на 50 %. В этом случае фаза напряжения, измеренного на Т4, изменяется в середине диапазоне действия МИМ. Диапазон действия МИМ, пересчитанный к входу по частоте, должен составлять ±10 % изменения частоты при статизме Вр = 10 %. Коэффициент передачи усилителя по ходу от Т4 К = (0,9 ± 0,1) мА/В. Методика снятия характеристики МИМи усилителя аналогична. При снятии характеристики отключить ЧЧЭ на зажиме 432, МИЧ установить в среднее положение (О В на зажимах 315-316),а на зажимы 315-316 установить закоротку. Для общности с методикой снятия характеристики по входу от обратной связи переключатели изодромов могут быть установлены на 0.
Ж.6.3.15. В регуляторе ЭГР-1Т характеристику МИМ необходимо снимать для определения правильности настройки узла. Характеристику можно снимать как на работающем на ручном управлении агрегате, так и на остановленном при питании электрической схемы регулятора от постороннего источника. Для снятия характеристики управления перевести на МИМ, шторки ограничителей на указателе положения МИМ следует отвести в крайние положения. Характеристика представляет собой зависимость напряжения в гнездах 12-13 блока ВСС от положения механизма. Характеристика должна быть линейной в диапазоне действия механизма и проходить через 0 в середине диапазона; напряжение, измеренное в крайних положениях, должно быть 14 В, а указатель находиться в диапазоне 0 - 100 % (регулируется резистором R2 в субблоке СБ12 блока ВСС).
Ж.6.3.16. В регулятор ЭГР-2М характеристика механизма изменения мощности может быть снята как на работающем в сети на ручном управлении, так и на остановленном агрегате (питание электрической схемы регулятора осуществляется от сети собственных нужд).
Перед проведением испытаний необходимо отключить ЧЧЭ (разомкнуть зажим 119), потенциометр статизма установить на деление 10, отключить МИЧ (разомкнуть зажим 314, а на зажимы 112-113 поставить закоротку). Провод на С1 (С2) сельсина-датчика открытия направляющего аппарата С701 отключить на зажиме 744 (750) или на выводах сельсина. Для общности с методикой снятия характеристики по входу от обратной связи переключатели изодромов могут быть установлены на 0. В распайку резистора R119 включить микроамперметр, а на зажимы 044-045 - вольтметр.
Характеристику снять при перемещении рукоятки механизма во всем диапазоне действия МИМ. По результатам испытаний построить зависимость тока в цепи R119 от напряжения на зажимах 044-045.
По характеристике определить коэффициент передачи схемы КМИМ = 0,2 - 0,3 мкА/В, диапазон действия механизма (±10 % в пересчете на частоту) и выставить среднее от упоров положение механизма при нулевом значении тока в цепи R119 поворотом статора сельсина в обойме.
Ж.6.3.17. Характеристику МИМ в регуляторе ЭГР-2И-1 снимают для определения правильности действия узла и исправности элементов электрической схемы.
Характеристику МИМ снимают совместно с усилителем в субблоке НЗ. Характеристика может быть снята как на работающем в сети на ручном управлении агрегате, так и на остановленном при переведении управления от ключа SLC на МИМ.
Перед снятием характеристики следует отключить ИПЧ путем установки закоротки на контрольных гнездах субблока Н6 и МИЧ - установкой закоротки между контрольным гнездом Х1 блока Н и общей точкой схемы. Переключатели интенсивности и времени изодромов установить на 0, переключатель статизма «Вр» - на деление 10. Правильность действия МИМ следует проверить по равенству напряжений, измеренных в контрольных гнездах субблока Н3 (на выходе усилителе) на краю диапазона действия МИМ. Напряжение должно составлять ±10 В и изменять знак в середине диапазона, которая устанавливается регулированием (резистором R5) времени изменения напряжения от 0 до +10 В и от 0 до -10 В
при непрерывном воздействии на ключ SLC в сторону «прибавить» и «убавить». При правильной настройке МИМ это время должно быть одинаковым.
Качество хранения информации (стабильность МИМ) необходимо проверить по неизменности выходного напряжения (не более 0,2 В) в течение суток.
Ж.6.3.18. Характеристика обратной связи и градуировка датчика положения регулирующего органа в регуляторах ЭГР с ламповым усилителем представляет собой зависимость напряжения на первичной обмотке трансформатора схемы сумматора до открытия направляющего аппарата (хода сервомотора). Для определенности характеристику снимают при уставке потенциометра статизма 10 дел. В регуляторе ЭГР первой модификации МИМ необходимо установить в положение холостого хода, которое определяется тем, что при открытии холостого хода напряжение на Т4 равно нулю при всех положениях движка потенциометра статизма.
Характеристику следует снимать при изменении открытия направляющего аппарата ограничителем от 0 до максимального ступенями через 5 - 10 %. Открытие направляющего аппарата измерять по ходу штока сервомотора (или регулирующего кольца) линейкой с ценой деления 1 мм. Напряжение на Т4 - на зажимах 311, 313.
Для определения мертвой зоны в обратной связи характеристику необходимо снимать при прямом и обратном ходе.
Ж.6.3.19. В регуляторах ЭГР второй модификации характеристику обратной связи снимают аналогичным образом на трансформаторе Т102 (зажимы 119-120). Движок резистора R203 должен быть установлен так, чтобы при открытии холостого хода напряжение на зажимах 119-120 было равно нулю при всех положениях потенциометра статизма. Коэффициент передачи должен быть Кв = 0,8 - 0,9 В/%. Мертвая зона в тросовой обратной связи jу не более 0,4 % от полного хода регулирующего органа.
Аналогичным образом должна сниматься характеристика по входу на изодром на трансформаторах Т1 в ЭГР первой модификации и Т201 в ЭГР второй модификации.
Данные этих испытаний следует использовать для градуировки переключателей статизма и интенсивности изодромов.
Для более точного определения мертвой зоны в обратной связи в какой-либо зоне открытий направляющего аппарата следует до начала испытаний отключить ЧЧЭ и изодром, затем на автоматическом управлении с помощью МИО или МИМ установить открытие направляющего аппарата на краю этой зоны. Подведя ограничитель открытия, перевести управление агрегатом на «ручное» и снять характеристики для прямого и обратного хода в этой зоне по приведенной выше методике, не отключая МИО (МИМ).
Ж.6.3.20. В регуляторе ЭГР-2М для снятия характеристики следует произвести следующие подготовительные операции:
отключить ЧЧЭ (разомкнуть зажим 119);
отключить МИЧ (рукоятку МИЧ поставить в среднее положение, а на зажимы 112-113 подключить перемычку;
отключить изодром установкой переключателей на 0;
установить потенциометр статизма на деление 10;
отключить провод к С1 (С2) МИМ на зажиме 744 (или 750);
включить вольтметр в распайку резистора R119, а на зажимы 044-045 - вольтметр.
Методика снятия характеристики аналогична приведенной выше. По полученным результатам построить зависимости:
напряжения от перемещения штока сервомотора или регулирующего кольца (достаточно для одного хода). По этой характеристике определить коэффициент передачи узла в В/%, произвести градуировку датчика открытия направляющего аппарата и выставить среднее положение С701 при 50 % открытия;
тока от хода штока сервомотора или регулирующего кольца (прямой и обратный ход).
По этой характеристике определить коэффициент передачи обратной связи в мкА/ % и мертвую зону в обратной связи jу %.
В регуляторе ЭГР-М для снятия характеристики обратной связи произвести следующие подготовительные операции:
отключить ЧЧЭ и изодром (снять штеккеры 1К9-10, 1К11-12, 1К15-16),потенциометр статизма установить на деление 10;
включить микроамперметр в распайку резистора R119, а на зажимы 108-219 (108-216, 108-312 - в зависимости от того, градуировка какого датчика производится) включить вольтметр;
поставить в среднее положение рукоятку МИО, а зажимы 114-115 закоротить. Методика проведения испытаний аналогична приведенной выше. По результатам испытаний определяют аналогичные параметры обратной связи и производят настройку резисторов R122, R701 (при открытии холостого хода ток в цепи R119 должен быть равен нулю при любых положениях движка потенциометра статизма).
Ж.6.3.21. В регуляторах ЭГР-1Т и ЭГР-2И-1 характеристику обратной связи по положению регулирующего органа в следящей системе снимают для определения исправности узла. Определение мертвой зоны в передаче при устойчивой работе следящей системы можно не производить.
Характеристика в регуляторе ЭГР-1Т представляет собой зависимость напряжения на зажимах Г2-Г4 блока ГСС от хода регулирующего органа, а в регуляторе ЭГР-2И-1 - напряжения в гнездах субблока Н4 от хода регулирующего органа или от мощности агрегата. Последняя может быть получена только при работе агрегата в сети.
При проведении испытаний другие входы на следящую систему могут не отключаться. Методика снятия характеристики аналогична приведенной выше. Коэффициент передачи, определенный по характеристике в регуляторе ЭГР-1Т, должен быть Кв = 0,4 В/%, а в регуляторе ЭГР-2И-1 Кв = 0,2 В/% открытия или мощности.
Ж.6.3.22. Во всех типах электрогидравлических регуляторов в качестве стабилизирующих элементов применяются жесткая обратная связь по положению регулирующего органа (по выходу регулятора частоты в ЭГР-1Т и ЭГР-2И-1), создающая остающуюся неравномерность (статизм) регулятора, и гибкая изодромная обратная связь, создающая временную неравномерность. Проверка правильности действия узлов заключается в градуировке переключателей статизма, интенсивности и времени изодрома. Статизм и интенсивность изодрома рассчитывают по зависимости, содержащей коэффициенты передачи узлов: измерителя преобразователя частоты (ЧЧЭ), обратной связи, связывающих узлов и коэффициента передачи испытуемого узла.
Интенсивность изодрома определяют, как правило, при закороченном конденсаторе RС-цепи. Переходная характеристика электрического изодрома практически не отличается от экспоненты, поэтому в отличие от механического изодромного устройства (катаракта) снимать его переходную характеристику не обязательно. Постоянную времени изодрома определяют по известному свойству экспоненциальности кривой.
В ЭГР с ламповым усилителем градуировку переключателей статизма и интенсивности изодрома производят по измерению разбаланса токов в обмотках катушки ЭГП на выходе усилителя и пересчитывают на вход от частоточувствительного элемента.
Для градуировки переключателя интенсивности изодрома холостого хода на работающем в сети агрегате (на ручном управлении) необходимо имитировать отключение выключателя (замкнуть зажим 094 в ЭГР первой модификации, зажим 230 в ЭГР второй модификации). При градуировке переключателей интенсивности изодрома нагрузки на работающем на холостом ходу (на ручном управлении) или на остановленном агрегате необходимо имитировать включение выключателя (установить перемычку на зажимы 094-095 в ЭГР первой модификации, на зажимы 058-060 в ЭГР второй модификации).
Для отключения ЧЧЭ разомкнуть зажим 412 в ЭГР первой модификации, зажим 107 в ЭГР второй модификации. Потенциометр статизма установить на 0, а с помощью МИЧ (МИО) установить баланс токов в обмотках катушки ЭГП по миллиамперметрам, включенным на выход усилителя при отключенном входе изодрома (при разомкнутом зажиме 420 в ЭГР первой модификации, 220 в ЭГР второй модификации). На вход изодрома (зажимы 419-420, 227-220) подать напряжение такого значения, чтобы разбаланс токов был в линейной зоне характеристики усилителя при максимальной уставке переключателя интенсивности изодрома. Разбаланс токов необходимо определять на каждой уставке переключателя, а интенсивность рассчитывать из выражения
где DI - разбаланс токов на уставке, мА;
Kb - коэффициент передачи обратной связи (датчика открытия R702), В/%;
Kf - коэффициент передачи усилителя с ЧЧЭ, мА/%;
U - напряжение на входе изодрома, В.
Градуировку потенциометра статизма следует производить аналогичным образом.
Переключатели интенсивности изодрома установить на О. Разбаланс токов в обмотках катушки ЭГП измерять на каждой уставке потенциометра статизма. При этом напряжение на потенциометр статизма подавать такого значения, чтобы разбаланс токов был в линейной зоне характеристики усилителя. Статизм «Вр» определяют по приведенной выше зависимости, где Кв - коэффициент передачи датчика открытия R705 в ЭГР первой, R701 - в ЭГР второй модификации.
Ж.6.3.23. В ЭГР с магнитным усилителем градуировку потенциометра статизма следует производить по току управления усилителя в цепи R119. Испытания могут быть проведены по приведенной выше методике с предварительной градуировкой датчика открытия направляющего аппарата и могут быть проведены по приведенной ниже методике при непосредственном изменении открытия направляющего аппарата. Для проведения испытаний необходимо отключить ЧЧЭ (снять штеккер 1К-11 - 1К-12 в ЭГР-М, разомкнуть зажим 119 в ЭГР-2М); установить МИО (МИЧ) в среднее положение, а на зажимы 114-115 в ЭГР-М, 112-113 в ЭГР-2М поставить перемычку; в распайку резистора R119 включить микроамперметр. Дополнительно на первичную обмотку трансформатора Т102 (зажимы 102-105) в регуляторе ЭГР-М, Т103 (зажимы 107-108) в регуляторе ЭГР-2М включить вольтметр.
Испытания следует проводить следующим образом. При работе агрегата на автоматическом управлении с помощью МИО (МИМ) установить по указателю на колонке открытие направляющего аппарата, равное 50 % полного (может быть установлено любое открытие от 10 до 90 %). Затем управление агрегатом перевести на «ручное» и установить открытие НА, равное 60 % полного. На этом открытии измерить напряжение на датчике открытия и при различных положениях рукоятки потенциометра статизма фиксировать значения тока в цепи R119 и напряжения на трансформаторе (Т102 в ЭГР-М, Т103 в ЭГР-2М). После этого с помощью ограничителя направляющий аппарат закрыть до 40 % опять измерить напряжение на датчике открытия. На этом открытии НА для тех же положений рукоятки потенциометра статизма (при тех же напряжениям на Т102 или Т103) измерить значения тока в цепи R119. Статизм на различных уставках потенциометра можно рассчитать по формуле (10),
где ΔI - алгебраическая разность (сумма абсолютных значений) токов в цепи 119 при открытиях 60 и 40 %, мкА;
ΔU - разность (для ЭГР-2М, так как при открытии 50 % изменяется фаза напряжения) напряжений на датчике открытия, соответствующих 60 и 40 % открытия НА, В.
Результаты испытаний оформляются в виде таблицы уставок потенциометра и соответствующих им значений статизма.
Допускается вместо измерения напряжения на датчике открытия измерять открытие НА непосредственно на штоке сервомотора или регулирующего кольца по линейке с ценой деления 1 мм. Тогда равенство преобразуется в
![]()
где ΔY - разность устанавливаемых открытий направляющего аппарата (в %).
Ж.6.3.24. Градуировку переключателей временной неравномерности в регуляторах ЭГР-М можно проводить на работающем в сети агрегате на ручном управлении или на остановленном (с питанием электрической части от сети собственных нужд). Подготовительные операции: регулятор перевести на ручное управление, отключить ЧЧЭ (снять штеккер 1К11-12), потенциометр статизма установить на 0, снять штеккеры 1К-9-10, 1К-15-16, разомкнуть зажим 051, на зажимы 224, 225 включить ЛАТР зажимами «сеть 220В», на зажим 216 через рубильник включить движок ЛАТР, к зажимам 222 и закоротить зажимы 114-115. В разрыв зажима 212 включить микроамперметр.
Для градуировки переключателя изодрома (нагрузки или холостого хода) рекомендуется известный способ - по максимальному значению выходного параметра цепочки RC, так как широко применяемый способ определения интенсивности изодрома при закороченном конденсаторе не отражает действительную работу изодрома регулятора ЭГР (К)-М.
Испытания проводят следующим образом. На вольтметре, включенном на ЛАТР, установить напряжение, соответствующее 5 - 10 % открытия направляющего аппарата. Для этого предварительно должен быть отградуирован потенциометр-датчик открытия на R702.
При выбранных положениях переключателей П201, П203, П204 (или П202, П205, П206) замкнуть рубильник и фиксировать ток при максимальном отклонении стрелки микроамперметра. После окончания переходного процесса изменить полярность подключения микроамперметра.
Затем при размыкании рубильника опять фиксировать ток максимального отклонения стрелки. Временную неравномерность следует рассчитывать по формуле (10), где
ΔI - ток при максимальном отклонении стрелки, мкА;
U - напряжение, подаваемое на вход изодрома, В.
Интенсивность изодрома, определенная при замыкании рубильника, соответствует открытию НА, при размыкании - закрытию.
Испытания необходимо проводить при различных сочетаниях положений переключателей П201, П203, П204 (П202, П205, П206).
Результаты испытаний заносятся в таблицу, форма которой приведена в приложении.
Ж.6.3.25. Градуировку переключателя интенсивности изодрома в регуляторе ЭГР-2М производят по той же методике, что и в ЭГР-М. Отличие состоит в подготовительных операциях и в том, что градуировку переключателя П202 (или П204) достаточно провести только при одном из положений переключателя времени П201 (или П203). В целях уменьшения ошибки при измерениях из-за динамического заброса стрелки рекомендуется градуировку П202 (П204) производить на уставке 8 переключателя П201. В отличие от ЭГР-М в регуляторе ЭГР-2М градуировку переключателя интенсивности изодрома П202 (П204) можно производить при закороченном конденсаторе С201 (С205).
Подготовительные операции заключаются в следующем. Регулятор следует перевести на ручное управление. Потенциометр статизма установить на 0, отключить ЧЧЭ (разомкнуть зажим 119). Отключить МИЧ, разомкнуть зажим 060, а на зажимы 112-113 поставить закоротку. В разрыв зажима 208 включить микроамперметр, отключить гибкую обратную связь МУ (размыкается зажим 230). В разрыв зажима 044 включить рубильник. На зажимы 044-045 включить вольтметр и с помощью МИМ установить на нем напряжение, соответствующее 5 - 10 % открытия НА. Перед этим должен быть отградуирован сельсин-датчик открытия С701.
Градуировку переключателя временной неравномерности следует производить по приведенной для ЭГР (К)-М методике с учетом изложенных выше упрощений.
Ж.6.3.26. В регуляторах ЭГР-1Т и ЭГР-2И-1 градуировку переключателей статизма «Вр» и интенсивности изодромов производят измерением коэффициента передачи интегрирующего усилителя в блоке БИУ (ЭГР-1Т), в субблоке НЗ (ЭГР-2И-1) на различных уставках переключателей. Статизм и интенсивность изодрома рассчитывают по известным коэффициентам передачи узлов.
Для градуировки переключателя статизма перед испытаниями следует произвести подготовительные операции, как при снятии характеристики усилителя по входу от МИЧ.
Испытания заключаются в определении коэффициента передачи усилителя на каждом положении переключателя статизма. Статизм определяют по формуле
(11)
где Kb - коэффициент передачи обратной связи от регулирующего органа, В/%;
Kf - коэффициент передачи ЧЧЭ, В/ %;
,
- коэффициенты передачи
усилителя блока ГСС соответственно по входам от БИУ и обратной связи, мА/В;
- коэффициент передачи
усилителя БИУ, измеренный на испытуемой установке переключателя статизма.
Градуировку переключателя изодрома холостого хода и нагрузки следует производить аналогичным образом при положении переключателя статизма «Вр» = 0 и закороченном конденсаторе изодрома. Интенсивность «Вt» изодрома определяют по той жеформуле, где
, а ![]()
Ж.6.3.27. Определение постоянной времени изодрома в регуляторах с ламповым и магнитным усилителями следует производить при подаче на вход изодрома и снятии ступенчатого электрического сигнала, градуированного в единицах перемещения регулирующего органа.
Градуировку переключателя постоянной времени изодрома производят следующим образом. При замыкании и размыкании рубильника необходимо измерить время возврата стрелки миллиамперметра или микроамперметра от n делений до 0,37 ´ n. Согласно известному свойству экспоненты измеренное таким образом время представляет собой постоянную времени экспоненты, а в данном случае постоянную времени изодрома.
В ЭГР с ламповым усилителем выход изодрома (ток) следует измерять по миллиамперметру в обмотке катушки ЭПГ, а в ЭГР с магнитным усилителем - микроамперметром в обмотках управления усилителя. Максимальный ток отклонения стрелки прибора должен быть в пределах линейности характеристики лампового усилителя.
Ж.6.3.28. Для регулятора ЭГР-М градуировку переключателя постоянной времени изодрома следует производить при различных сочетаниях положений переключателей П201, П203, П204 (П202, П205, П206).
Ж.6.3.29. Для регулятора ЭГР-2М градуировку переключателя «времени» П201 (П203) следует производить при одном из положений переключателя интенсивности П202 (П204), при котором обеспечивается первоначальное отклонение стрелки на всю шкалу прибора.
Ж.6.3.30. Для градуировки переключателя постоянной времени изодрома в регуляторе ЭГР-1Т дополнительно к подготовительным операциям градуировки переключателей интенсивности необходимо изъять субблок СБ-3 из блока БИУ; на гнезда Г1, Г2 блока БИУ подать напряжение постоянного тока с гнезд Г2, Г5 блока БПР; снять закоротку с конденсатора изодрома в субблоке СБ-6 блока БИУ.
На вывод 12 платы 1 переключателей 1П (П4) (выход изодрома) включить вольтметр. Сигнал на вход изодрома подается включением напряжения постоянного тока на Г1, Г2 БИУ от БПР, снимается - отключением БПР с гнезд БИУ и установкой на Г1, Г2 перемычки.
Ж.6.3.31. В регуляторе ЭГР-2И-1 при градуировке переключателя постоянной времени изодрома «Тd» следует дополнительно переключатели Вр и Вt установить на 0, установить от МИЧ сигнал, проводящий выход интегрирующего усилителя в субблоке Н3 к +10 В или -10 В. На выход микросхемы А1 (вывод 11 платы 11 переключателя В 4t 0) включить вольтметр. Сигнал на входе изодрома (выходе усилителя) изменять установкой (снятием) перемычки на контрольные гнезда выхода усилителя.
Ж.7. Испытания гидромеханической части ЭГР
Ж.7.1. Характеристика главного сервомотора
Ж.7.1.1. Характеристику снимают, как правило, в районе открытий НА с максимальными перестановочными усилиями, но ее можно снимать и в районе других открытий в целях определения влияния перестановочных усилий на работу регулятора (на чувствительность, работоспособность и т.д.). В данном случае методика испытаний в районе 50 % открытия НА от полного.
Ж.7.1.2. Перед проведением испытаний необходимо провести подготовительные операции в следующем порядке:
перевести агрегат на ручное управление;
отключить все входы на усилитель, кроме входа от МИЧ (МИО), установить переключатели статизма и изодрома на 0;
установить на вспомогательный (промежуточный) сервомотор индикатор ИЧ-10 в среднее положение (чтобы малая стрелка указывала на цифру 5, а большая на цифру 0);
перевести рукоятку ЭГП в положение «автомат»;
установить с помощью ограничителя открытие НА на 5 - 10 % больше верхнего в снимаемом диапазоне открытий (для рассматриваемого примера - 65 - 70 %).
С помощью МИЧ (МИО) установить ток в катушке ЭГП, действующий «на убавить» по балансному прибору.
Ж.7.1.3. Последовательность испытаний следующая. Установить определенный ток через катушку ЭГП и произвести измерения:
тока в катушке ЭГП по миллиамперметру;
смещения главного золотника из «среднего» по индикатору;
времени перемещения сервомотора по секундомеру в заданном диапазоне изменения открытия НА по указателю на колонке (в рассматриваемом случае время перемещения сервомотора от 60 до 40 % полного, т.е. на 20 %). При медленном перемещении сервомотора диапазон можно уменьшить до 5 - 10 %.
Ж.7.1.4. После проведения необходимых измерений МИЧ (МИО) следует перевести в среднее положение, а затем в положение «на открытие».
Произвести измерения тех же величин при движении сервомотора в сторону открытия.
Во всех района открытия скоростную характеристику главного сервомотора следует снимать за одну установку индикатора.
Ж.7.1.5. По обработанным соответствующим образом результатам испытаний необходимо построить характеристики и определить: характеристику главного сервомотора, коэффициент передачи рычажной системы и тракта от ЧЧЭ до главного золотника, правильность регулирования долины распора.
Характеристика главного сервомотора представляет собой зависимость скорости перемещения сервомотора НА от значения тока в катушке ЭГП. Вид характеристики в районе максимальных перестановочных усилий (при максимальном напоре) представлен на рис. 3.4. По характеристике можно определить мертвую зону и среднюю скорость сервомотора на открытие и закрытие. По видоизменению этой характеристики в различных зонах открытий НА и при различных напорах оценить влияние перестановочных усилий на работу регулятора и работоспособность сервомотора.
Ж.7.1.6. Коэффициент передачи ЭГП к главному золотнику можно определить по зависимости перемещения главного золотника от значения тока в катушке ЭГП. С учетом коэффициента передачи электрогидравлического преобразователя по этой зависимости можно определить также коэффициент передачи рычажной системы от ЭГП к главному золотнику.
Коэффициент передачи от ЧЧЭ к главному золотнику определяется произведением Кf, полученным при испытаниях ЧЧЭ, на коэффициент передачи от ЭГП к главному золотнику и коэффициенты передачи элементов в тракте от ЧЧЭ до ЭГП.
Правильность установленной длины распора можно проверить по характеристике рис. 3.4. При правильно отрегулированной его длине площадка на характеристике. определяющая мертвую зону, должна располагаться слева от начала координат и смещаться влево при уменьшении перестановочных усилий или напора. Это определяется условием, что при потере питания или обрыве цепи к катушке ЭГП сервомотор не должен перемещаться или может медленно перемещаться на открытие НА.
Ж.7.1.7. Ход главного золотника до упоров и максимальную скорость перемещения сервомотора при крайних положениях золотника можно определить по зависимости скорости перемещения сервомотора от значения смещения золотника из «среднего» положения.
Проверку действия выявителя движения регулирующего органа в защите от разгона 115 % (катаракта или микровыключателя) следует производить при испытаниях по указанной выше методике. Проверка правильности действия катаракта заключается в определении минимальной скорости движения сервомотора, при которой поршень катаракта поднимается, воздействует на микропереключатель и не опускается во время движения сервомотора.
При проверке действия микровыключателя на главном золотнике следует измерять смещение золотника на закрытие, при котором происходит срабатывание микровыключателя.
Катаракт должен быть настроен так чтобы его поршень не возвращался при скорости движения сервомотора не меньшей, чем при закрытии от аварийного золотника. Такую же скорость движения сервомотора должно обеспечивать смещение золотника, при котором происходит срабатывание микровыключателя, установленного на главном золотнике (вспомогательном сервомоторе).
Ж.7.2. Электрогидравлический преобразователь
Ж.7.2.1. Характеристики электрогидравлического преобразователя (ЭГП) снимаются на остановленном агрегате (при наличии давления в МНУ и гидромеханической колонке), а также могут быть сняты на работающем агрегате на ручном управлении в сети или на холостом ходу.
Статическую характеристику ЭГП, представляющую собой зависимость выхода штока гидроусилителя от тока в катушке, снимают для определения коэффициента передачи ЭГП, определения диапазона действия выходного штока гидроусилителя и его «среднего» положения, а также для определения нечувствительности ЭГП (рис. 11).
Ж.7.2.2. Для снятия характеристики следует провести подготовительные операции в следующем порядке: на работающем в сети или остановленном агрегате рукоятку ЭГП перевести в положение «ручное». Снять распор от рычага под ЭГП к золотниковому рычагу. С помощью пружины (или резиновой ленты) замкнуть рычажную систему под ЭГП, рукоятку ЭГП перевести в положение «автомат»
При снятии характеристики в гидромеханических колонках второй и третьей модификаций (ЭГР-100 (250) - 2 или 3) рекомендуется измерять перемещение не выходного штока, а конца рычага в точке сочленения с распором - тягой от рычага под ЭГП к золотниковому рычагу. Установить индикатор непосредственно на шток гидроусилителя или в точке сочленения штока с рычагом невозможно, так как шток закрыт корпусом механизма перемещения опоры. В гидромеханической колонке четвертой модификации индикатор можно устанавливать непосредственно на выходной шток ЭГП без демонтажа рычажной системы.
Рис. 11. Статическая характеристика ЭГП:
а - для определения коэффициента передачи в диапазоне
действия;
б - для определения мертвой зоны и неточности ЭГП:
1 - прямой ход; 2 - обратный ход
В гидромеханических колонках второй и третьей модификаций подвижную опору рекомендуется устанавливать в крайнее положение. В этом случае коэффициент передачи рычажной системы Кр = 2 и при пересчете к штоку ЭГП показания индикатора достаточно разделить пополам. При отсутствии тока в катушке ЭГП индикатор установить в среднее положение.
Ж.7.2.3. Ток в катушке изменять ступенями. На каждой ступени фиксировать ток в катушке и показания индикатора. Для определения мертвой зоны характеристику следует снимать для прямого и обратного ходов. По результатам испытаний построить зависимость выхода штока гидроусилителя ЭГП от значения тока в обмотке катушки ЭГП и определить коэффициент передачи ЭГП, мертвую зону по току в катушке и неточность по перемещению штока. Перемещение штока от крайнего до положения, при котором ток в катушке ЭГП равен нулю, характеризую «среднее» положение поршня гидроусилителя ЭГП.
Ж.7.2.4. При снятии характеристик ЭГП следует измерить сопротивление катушки мостом постоянного тока. Измерения производить непосредственно на выводах катушки.
Ж.8. Испытания исполнительных органов системы регулирования гидротурбин
Ж.8.1. Снятие зависимости открытия направляющего аппарата от хода его главного сервомотора
Ж.8.1.1. Испытания необходимо проводить при остановленном агрегате и осушенной спиральной камере турбины.
Перемещение главного сервомотора следует производить ограничителем открытия ступенями через 10 % от полного закрытия до полного открытия, а затем в обратном направлении. При этом следует измерять положение штока сервомотора и просвет между тремя парами лопаток направляющего аппарата, расположенными через 120 друг от друга в трех точках по высоте лопатки.
По измеренным данным строится зависимость хода направляющего аппарата (средняя из измерений в указанных трех точках) от положения сервомотора.
Ж.8.1.2. Из полученной таким образом кривой (рис. 12) устанавливается характер зависимости и значение мертвого хода в передаче от сервомотора к направляющему аппарату в процентах полного хода сервомотора направляющего аппарата.
Рис. 12. Кривая зависимости открытия НА от хода штока сервомотора
Погрешность измерения хода сервомотора ±0,5 мм, погрешность измерения открытия лопаток направляющего аппарата ±0,5 мм.
Допустимый мертвый ход в направляющем аппарате i на ≤ 0,5 % полного его хода.
Ж.8.2. Снятие зависимости угла разворота лопастей рабочего колеса от хода его главного сервомотора
Ж.8.2.1. Испытания необходимо проводить при остановленном агрегате и осушенной спиральной камере.
На втулке рабочего колеса следует укрепить временную шкалу, отградуированную в градусах.
С помощью механизма ручного управления комбинатора произвести перемещение главного сервомотора рабочего колеса ступенями через 10 % от полного закрытия до полного открытия, а затем в обратном направлении. При этом следует измерить положение штока главного сервомотора (по указателю положения лопастей на маслоприемнике) и угол разворота лопастей по временной шкале, установленной на втулке рабочего колеса.
Ж.8.2.2. По измеренным данным построить зависимость угла разворота лопастей от хода главного сервомотора лопастей.
Из полученной кривой можно установить характер зависимости и значение мертвого хода в передаче от сервомотора рабочего колеса к лопастям.
Погрешности измерения хода сервомотора ±0,5 мм, угла лопастей 0,5.
Допустимый мертвый ход iφ ≤ Io.
Ж.8.3. Проверка комбинаторной связи
Ж.8.3.1. Проверка комбинаторной связи поворотно-лопастных гидротурбин можно производить при работе гидроагрегата в энергосистеме. Проверка включает в себя определение комбинаторной зависимости, мертвой зоны и зоны неопределенности.
Для определения комбинаторной зависимости следует снять зависимость угла разворота лопастей рабочего колеса от хода сервомотора направляющего аппарата при прямом и обратном ходах. Для этого ограничителем открытия в зоне действия комбинаторной связи изменить открытие направляющего аппарата ступенями 5 - 7 % полного хода при движении его сначала в одном, а затем в другом направлении. При каждом установившемся состоянии системы регулирования произвести измерение открытия направляющего аппарата по шкале сервомотора (в мм) и угла разворота лопастей рабочего колеса по шкале на маслоприемнике (в град), при достаточной точности штатной шкале следует произвести дополнительно измерения по миллиметровой линейке. Для определения люфта в обратной связи следует также измерить положение груза обратной связи в колонке регулятора по миллиметровой линейке. Для каждого направления движения направляющего аппарата должно быть получено не менее 10 точек.
Ж.8.3.2. По результатам измерений построить график комбинаторной зависимости и сравнить с заводской или оптимальной комбинаторной зависимостью, определенной в результате натурных испытаний. Нанесение на график точек прямого и обратного ходов позволяет выявить наличие петли гистерезиса.
Мертвую зону в комбинаторной связи следует определять при различных (например, четырех) значениях открытия направляющего аппарата. Для ее определения на золотник сервомотора рабочего колеса установить индикатор перемещений частого типа. При медленном смещении направляющего аппарата ограничителем открытия в направлении закрытия необходимо наблюдать по индикатору за смещением золотника на закрытие. В момент трогания сервомотора рабочего колеса (начинается возврат золотника к среднему положению) измерить значение открытия направляющего аппарата. Затем при медленном перемещении сервомотора направляющего аппарата на открытие измерять то открытие, при котором после смещения золотника на открытие начинается его возврат в среднее положение. Разность между двумя измеренными открытиями направляющего аппарата равна значению мертвой зоны. Опыт следует повторить несколько раз. За значение мертвой зоны следует принимать среднее из измеренных. Результат будет тем точнее, чем медленнее будет перемещаться направляющий аппарат. Перемещение следует производить небольшими ступенями с паузами между ними.
Ж.8.3.3. Зона неопределенности установки лопастей рабочего колеса численно равна сумме мертвой зоны и люфта в обратной связи, приведенных к углу разворота лопастей по комбинаторной зависимости. При силах трения, превышающих гидравлические усилия, действующие на лопасти, зона неопределенности может проявляться в статическом отклонении угла разворота лопастей относительно найденной комбинаторной зависимости в пределах зоны.
В противном случае отклонения могут возникать при медленных колебаниях разворота лопастей при неизменном открытии направляющего аппарата.
Ж.8.4. Определение перестановочных усилий на главных сервомоторах
Ж.8.4.1. Определение значения перестановочных усилий производится по измерению усилия на штоке сервомотора, которое определяется для одного сервомотора как произведение площади его поршня на перепад давлений в его полостях. При двух сервомоторах площади полостей соответственно суммируются.
В момент трогания сервомотора можно записать следующие равенства:
при движении сервомотора в сторону открытия
Dpo × Sпо = FГ + FT
при движении сервомотора в сторону закрытия
Dpз × Sпз = FГ - FT
где Dpo и Dpз - перепад давлений соответственно при движении сервомотора на открытие и на закрытие, равный разности давлений в полостях открытия и закрытия;
Sпо, Sпз - площадь поршня сервомотора соответственно полости открытия и закрытия;
FГ - гидродинамическая сила, направление действия принято в сторону закрытия;
FТ - сила трения направлена встречно движению.
Из приведенных равенств можно получить выражения для расчета сил трения и гидродинамического воздействия
![]()
![]()
Ж.8.4.2. Известны два способа измерения перестановочных усилий: трогания, равномерного движения.
При измерении перестановочных усилий направляющего аппарата способом трогания на гидроагрегате, работающем в энергосистеме, регулятор частоты вращения перевести на ручное управление.
Начиная с полного закрытия главный сервомотор последовательно через 10 % устанавливать на определенное открытие. При каждом положении открытия НА следует производить медленное смещение ограничителя открытия в одну сторону и при этом необходимо наблюдать изменения давления в обеих полостях главного сервомотора.
В момент резкого изменения давления в сторону, противоположную медленному изменению давления, фиксировать значения максимальных отклонений давления в каждой полости в момент времени, предшествовавший указанному толчку давления.
Затем опыт следует повторить при том же открытии направляющего аппарата, но при медленном перемещении ограничителя открытия в противоположную сторону.
Положение главного сервомотора можно измерять по шкале указателя на колонке управления. Давление в полостях сервомотора необходимо измерять с помощью манометров класса точности не ниже 0,5, либо записывать с помощью специальных тензоманометров на осциллограф или другой регистрирующий прибор.
При использовании осциллографа вместо измерения давления в полостях сервомотора можно производить запись усилий в тягах сервомоторов с помощью тензодатчиков.
Ж.8.4.3. При определении перестановочных усилий на главном сервомоторе лопастей рабочего колеса порядок испытаний тот же, что и для главного сервомотора направляющего аппарата, только управление лопастями осуществляется с помощью механизма ручного управления лопастей.
Рис. 13. Примерный вид характеристики перестановочных усилий сервомотора НА:
1 - усилие трения; 2 - гидравлическое усилие
Ж.8.4.4. Измерение перестановочных усилий регулирующих органов методом равномерного движения следует производить следующим образом. С помощью ограничителя открытия сервомотор медленно перемещают с постоянной скоростью. Время полного смещения сервомотора 1 - 2 мин. В процессе равномерного перемещения сервомотора через каждые 10 % хода необходимо фиксировать давление в обеих его полостях. При применении осциллографирования следует производить одновременную запись перемещения направляющего аппарата и давления в полостях сервомотора. Допустимая точность измерений такая же, как указывалось в первом способе.
Ж.8.4.5. На основании данных испытаний следует построить зависимость перестановочных усилий Fт и Fг от положения главного сервомотора (рис. 13), по которой определить характер, направление и значения действующих усилий.
Для оценки качества монтажа и ремонта регулирующего органа иногда необходимо определить силу трения в нем без гидродинамического усилия воды. Тогда перестановочные усилия следует определять при опорожненной от воды спиральной камере.
Ж.9. Испытания замкнутой системы регулирования
Ж.9.1. Испытания системы регулирования при работе гидроагрегата в режиме холостого хода
Ж.9.1.1. Для выбора оптимальных настроек регулятора следует записывать переходные процессы изменения частоты и открытия направляющего аппарата при ступенчатом изменении положения МИЧ (МИСВ). Значение ступенчатого сигнала не должно превышать зону линейности характеристики сервомотора. Запись обеих величин следует производить с помощью самопишущего прибора Н-320. Допускается также запись одной величины - частоты - с помощью самопишущего частотомера Н-345. Примерный вид переходных процессов приведен на рис. 14. По ним определяют основные показатели качества регулирования.
Рис. 14. Переходные процессы при холостом ходе агрегата:
а - по частоте; б - по открытию НА
перерегулирование по частоте и открытию НА

амплитуда установившихся
колебаний частоты
и открытий НА
.
По серии осциллограмм переходных процессов, полученных при различных параметрах настройки регулятора, можно выбрать такие настройки, при которых обеспечиваются наименьшие σx и Тn. Для получения наименьшего времени точной синхронизации генератора желательно выбирать апериодический или близкий к нему переходный процесс. Период колебаний частоты в установившемся состоянии должен быть более 15 с.
Ж.9.1.2. При выбранных параметрах настройки регулятора частоты вращения должен быть проверен процесс протекания ручной и автоматической точной синхронизации генератора. Наблюдение за уровнем частот производят по стрелке синхроноскопа. Необходимо проверить плавность изменения частоты вращения стрелки синхроноскопа при воздействии на МИСВ (МИЧ).
При установившемся процессе регулирования частоты вращения колебания частоты напряжения генератора и направляющего аппарата турбины должны иметь непериодический характер, так как они вызываются действием гидравлических возмущений потока воды. Наличие периодических колебаний системы регулирования может быть вызвано наличием люфтов в направляющем аппарате или в обратных связях.
Ж.9.2. Испытания системы регулирования при работе гидроагрегата в изолированной энергосистеме
Ж.9.2.1. При возможности выделения ГЭС на изолированную нагрузку должно быть проверено качество поддержания частоты в изолированной энергосистеме. Поскольку режим работы на изолированную нагрузку является временным, то согласно ПТЭ (гл. 39) допускается регулировать частоту с отклонениями в пределах ±0,2 Гц. Для выбора оптимальных настроек регуляторов необходимо осциллографировать процесс реализации сигнала изменения уставки частоты и процесс восстановления частоты при толчках мощности. Запись процесса изменения частоты можно производить самопишущим частотомером Н-345. Одновременно значение частоты следует контролировать по стрелочному частотомеру классы точности 0,2 - 0,5.
Ж.9.2.2. Для проведения испытаний с потребителями энергии должна быть согласована возможность их кратковременной работы при отклонениях частоты в пределах ±0,5 Гц. Для испытаний следует выбирать типичный случай работы ГЭС на изолированную нагрузку: состав потребителей энергии, число работающих агрегатов, параллельно работающих электростанций. При проведении испытаний на гидростанции все параллельно действующие с ней электростанции должны работать с теми настройками регулятора, которые они реально имеют при выделении их на изолированную нагрузку.
При наличии на ГЭС системы группового регулирования должно быть установлено требуемое режимом значение статизма (может быть также установлена нулевая степень неравномерности). С помощью корректора частоты в энергосистеме необходимо установить частоту на уровне минимально возможном из условий работы потребителей. На всех регуляторах задать одинаковые параметры настройки изодрома. Корректором частоты скачком подать сигнал на повышение частоты на 0,5 - 0,7 Гц (в пределах линейности системы регулирования) и произвести запись процесса изменения частоты. По окончании переходного процесса подать толчок на уменьшение частоты. Подобные опыты необходимо повести в пределах отсутствия колебательности при нескольких значениях параметров настройки изодрома.
Ж.9.2.3. По переходным процессам определяют основные показатели качества (как указано в п. Ж.9.1). При отсутствии на ГЭС системы группового регулирования, когда параллельная работа агрегатов осуществляется по статическим характеристикам регуляторов частоты вращения, определение качества процесса изменения уставки частоты следует проводить только в тех случаях, когда с помощью данной ГЭС осуществляется синхронизация ее с энергосистемой. В этой случае сигнал на изменение частоты следует подавать с помощью МИСВ (МИЧ) одного из агрегатов.
Ж.9.2.4. Процесс восстановления частоты необходимо проверить при сбросах и набросах нагрузки. Сброс нагрузки следует производить либо отключением потребителей, либо разделением с системой при наличии перетока мощности в сторону системы. Наброс нагрузки производить либо подключением потребителя, либо отключением одного из генераторов. Перед сбросом нагрузки частоту необходимо установить на минимально возможном уровне, а перед набросом - на максимально возможном уровне. Значение толчка должно быть не менее толчков нагрузки при нормальной работе потребителей. По переходному процессу изменения частоты (см. рис. 14, а) следует определить заброс частоты b ивремя переходного процесса Тn:
![]()
Ж.9.2.5. По переходным процессам изменения частоты при подаче управляющего (уставка частоты) и возмущающего (толчок нагрузки) воздействий можно выбрать приемлемые параметры настройки изодрома из следующих условий:
малая степень колебательности (не более одного - двух перерегулирований);
минимальное время восстановления частоты при толчках нагрузки с наименьшим из возможных забросов частоты;
минимальное время реализации измерения уставки частоты при наименьшем перерегулировании по частоте.
В зависимости от режимных особенностей работы ГЭС преимущественное внимание может уделяться либо второму, либо третьему условию.
Ж.9.3. Испытания системы регулирования при работе гидроагрегата в мощной энергосистеме
Ж.9.3.1. Испытания заключаются в определении характера процесса отработки заданной мощности. Задание мощности можно изменять дистанционно с помощью ключа механизма изменения мощности и от системы ГРАМ.
При управлении ключом МИМ следует проверить процесс ступенчатого набора и снятия нагрузки при отключенной и включенной изодромной обратной связи регулятора.
Ж.9.3.2. При выполнении связи между ГРАМ и регуляторами в виде параметрического сигнала управления осциллографирование процесса отработки мощности следует производить при подаче на вход регулятора ступенчатого сигнала управления. Регистрировать необходимо сигнал управления, смещение главного золотника, открытие направляющего аппарата и мощность на шинах генератора. Испытания следует производить при различных значениях открытия направляющего аппарата. В результате можно определить время переходного процесса изменения мощности, запаздывание мощности и регулятора.
Ж.9.3.3. При специальных испытаниях регулятора аналогично можно получить переходные характеристики при подаче ступенчатого воздействия по току в ЭГП (практически ступенчатое смещение главного золотника).
Ж.9.4. Испытания при сбросах нагрузки
Ж.9.4.1. Целью проведения испытаний на сбросы нагрузки с генератора является проверка не только качества работы системы регулирования, но и безопасности работы гидроагрегата и гидротехнических сооружений. Завод, изготавливающий турбинное оборудование, гарантирует обычно два параметра:
допустимое значение увеличения частоты вращения в процентах номинального значения при сбросе 100 % нагрузки;
допустимое значение повышения давления в напорных водоводах.
Если увеличение частоты вращения определяется целиком работой регулятора, то повышение давления зависит также от работы клапана холостого выпуска (при его наличии), поэтому присбросах должно контролироваться его перемещение.
Для поворотно-лопастных турбин, где в ряде случаев возникает опасность подъема вращающихся частей после сброса нагрузки, следует контролировать во время сбросов давление над рабочим колесом и в отсасывающей трубе, а также осевое усилие.
Ж.9.4.2. Сбросы нагрузки следует выполнять перед наладкой и после наладки регулятора. Предналадочные испытания на сбросы нагрузки служат для выявления дефектов системы регулирования, а посленаладочные испытания позволяют установить состояние введенной в эксплуатацию системы регулирования. Испытания необходимо проводить последовательно при сбросах 25, 50, 75 и 100 % нагрузки от номинальной мощности агрегата. В случае, когда возможна работа агрегата с перегрузкой, следует проверять САР при сбросе максимальной мощности.
При сбросе нагрузки целесообразно осциллографировать следующие величины:
частоту вращения турбины;
открытие направляющего аппарата;
угол разворота лопастей рабочего колеса;
давление в напорном водоводе (в спиральной камере турбины);
давление над рабочим колесом турбины;
давление в отасасывающей трубе.
Одновременно с осциллографированием указанных величин необходимо производить их визуальные измерения.
Ж.9.4.3. При плановых эксплуатационных испытаниях допускается не производить осциллографирование.
В таком случае следует производить измерение следующих величин:
максимальной и установившейся частоты вращения;
времени закрытия направляющего аппарата;
повышения давления в спиральной камере;
сбрасываемой нагрузки.
Ж.9.4.4. Перед началом сбросов нагрузки необходимо произвести инструктаж наблюдателей: разъяснить порядок проведения испытаний и применения сигналов, а также правила заполнения протоколов испытаний. После получения разрешения на проведение сброса нагрузки наблюдателей расставить по их рабочим места и подать команду: «Подготовиться к сбросу». По этой команде следует произвести измерения контролируемых параметров. Непосредственно перед сбросом нагрузки руководитель должен подать команду на включение осциллографа, а затем на отключение генераторного выключателя. Наблюдатели должны записать максимальное и установившееся значения измеряемой величины. По окончании переходного процесса руководитель испытаний должен проверить по протоколам измеренные величины и вычислить максимальные значения гарантируемых величин.
Увеличение частоты вращения
![]()
где nмакс - максимальная частота вращения после сброса нагрузки, 1/с;
n0 - частота вращения до сброса нагрузки, 1/с.
Повышение давления DР в напорном подводе определяется как
![]()
где Рмакс - максимальное давление в спиральной камере после сброса наргузки, м;
Рстат - статическое давление в спиральной камере, м.
Разрешение на проведение следующего сброса нагрузки дается только в том случае, если контролируемые величины не превышают допустимых значений.
Измерение частоты вращения следует производить по тахометру - стационарному или переносному. Давление измерять по образцовым манометрам. Измерение вакуума над рабочим колесом и в отсасывающей трубе должно производиться в зоне, близкой к оси вала агрегата. Осевое усилие может измеряться и осциллографироваться по механическим напряжениям в несущей крестовине или в вале гидроагрегата путем наклейки тензодатчиков.
По осциллограммам и протоколам визуальных наблюдений при сбросах нагрузки следует определить максимальные значения частоты вращения, давления, взвешивающего осевого усилия, вакуума над рабочим колесом и в отсасывающей трубе и произвести их сравнение с допустимыми значениями. Определить время и характер перемещения направляющего аппарата и лопастей рабочего колеса, запаздывания в элементах системы регулирования, открытия клапана холостого выпуска и клапана срыва вакуума и время их возврата в нормальное положение.
По осциллограмме определяют качество переходного процесса регулирования: число и период перерегулирования, время окончания переходного процесса.
Ж.9.5. Определение нечувствительности и неточности системы регулирования
Ж.9.5.1. Определение можно производить несколькими способами. Один из них - по моменту начала перемещения регулирующего органа в разомкнутой системе автоматического регулирования (астатически настроенной) при непрерывном медленном (или ступенчатом с малыми ступенями) изменении командного сигнала, поданного на вход регулятора. Непосредственное определение нечувствительности регулятора к изменениям частоты может быть произведено при работе агрегата в энергосистеме, когда частота изменяется медленно с амплитудой, превышающей мертвую зону регулятора. Для этого на поршень сервомотора направляющего аппарата необходимо установить стрелочный индикатор и вблизи него частотомер. Путем одновременного наблюдения за показаниями индикатора и частотомера следует определить диапазон изменений частоты, в котором сервомотор не перемещается.
Описанный способ непосредственного определения мертвой зоны регулятора прост, однако он не дает достаточной точности.
Другой способ - определение мертвой зоны регулятора как суммы мертвых зон элементов, входящих в состав прямого тракта системы регулирования.
При работе агрегата в энергосистеме регулятор необходимо перевести на ограничитель открытия. Установить индикатор перемещений на конце маятникового рычага в точке его воздействия на побудительный золотник. Медленно поворачивая рукоятку ограничителя открытия, необходимо следить за показаниям индикатора. Стрелка индикатора будет перемещаться в одну сторону до тех пор, пока не сместится сервомотор и не возвратит рычаг к среднему положению. Отметить максимальное отклонение стрелки индикатора, после которого она начинает возвращаться к исходному положению. Аналогично измерить другое положение рычага при обратном направлении вращения рукоятки ограничителя. Зона между двумя положениями рычага образует мертвую зону.
В электрогидравлических регуляторах точкой измерений может служит выход усилителя на ЭГП или вход на магнитный усилитель от схемы суммирования сигналов от МИЧ и обратной связи. В этом случае следует измерять ток в ЭГП или распайке R119, а сигнал задавать МИЧ или МИО.
Зная удельную неравномерность маятника (ЧЧЭ) и коэффициент передачи от маятника (от ЧЧЭ) к измеряемой точке, мертвую зону по перемещению этой точки можно пересчитать на изменение частоты.
Этот способ дает полную оценку мертвой зоны системы регулирования, так как учитывает нечувствительность при преодолении подвижными элементами сил сопротивления трогания, которые больше сил трения движения.
Третий способ - по статическим характеристикам в замкнутой системе автоматического регулирования.
Ниже приводится методика определения нечувствительности и неточности по статическим характеристикам в системе автоматического регулирования, имеющей мертвую зону в прямом тракте и в обратной связи. В общем случае неточность системы регулирования определяется суммой мертвой зоны, приведенной к перемещению регулирующего органа, и неопределенности положения регулирующего органа, т.е. равенством:
iy = kic + jy (12)
где iу - неточность САР по положению регулирующего органа;
k - коэффициент передачи системы;
iс - мертвая зона по командному положению;
jу - неопределенность положения регулирующего органа.
Ж.9.5.2. Способ определения нечувствительности и неточности САР по статическим характеристикам заключается в следующем. При ступенчатом изменении командного сигнала, поданного на вход САР, необходимо получить статические характеристики прямого и обратного ходов. На каждой ступени измерить: командный сигнал, положение регулирующего органа и сигнал жесткой обратной связи. По полученным данным построить характеристики зависимости сигнала жесткой обратной связи от значений командного сигнала (рис. 15, а) и зависимости сигнала жесткой обратной связи от перемещения регулирующего органа (рис. 15, б). По первой характеристике можно определить мертвую зону ic системы регулирования по командному сигналу, а по второй - неопределенность системы регулирования jу, зависящую от значения мертвой зоны в обратной связи.
Рис. 15. Статические характеристики системы регулирования для определения мертвой зоны:
а - по командному сигналу; б - в обратной связи: 1 - прямой ход; 2 - обратный ход
Коэффициент передачи системы можно определить по зависимости (см. рис. 15, а) как отношение перемещения регулирующего органа к соответствующему приращению командного сигнала:
![]()
Неточность САР следует определять по выражению (12), приведенному выше. В тех случаях, когда требуется определить только мертвую зону по частоте, мертвая зона по командному сигналу может быть определена по разности в точке суммирования командного сигнала и сигнала обратной связи при прямом и обратном ходах, а затем пересчитана на мертвую зону по частоте. В электрогидравлических регуляторах разность сигналов можно измерить на выходе лампового усилителя (на входе в обмотках управления магнитного усилителя) и через коэффициенты передачи узлов пересчитать ко входу регулятора.
Ж.9.5.3. В гидромеханических регуляторах разность сигналов следует измерять по положению гайки МИСВ (или любой точки маятникового или золотникового рычага) при прямом и обратном ходах. Мертвая зона регулятора по частоте определяется суммой измеренной мертвой зоны (по ходу МИСВ), приведенной к точке маятника, и мертвой зоны самого маятника.
Ж.9.5.4. В электрогидравлических регуляторах с магнитным усилителем определение мертвой зоны и неточности можно производить следующим образом.
Нечувствительность регулятора (мертвая зона по входному сигналу или частоте) следует определять при работе агрегата на автоматическом управлении при статической настройке регулятора частоты вращения.
Перед снятием характеристики необходимо произвести следующие подготовительные операции:
регулятор перевести на ручное управление;
отключить цепи схемы группового регулирования (ключ КЗ01 перевести в положение «индивидуальное»);
отключить ЧЧЭ (в регуляторе ЭГР-М снять штеккер 1К11-12, в регуляторе ЭГР-2М отключить зажим 119);
в регуляторе ЭГР-2М отключить МИЧ (зажим 060 разомкнуть, а зажимы 112-113 закоротить);
в распайку резистора R119 включить микроамперметр (класса точности не ниже 1);
на обмотку управления 6Н-6К МУ включить схему (рис. 3.16);
рукояткой МИО (МИМ) выставить 0 на балансном приборе;
рукоятку ЭГП перевести в положение «автомат»;
переключатель изодрома нагрузки поставить в положение 0, чтобы исключить влияние гибкой обратной связи.
Рис. 16. Электрическая схема сигналов задания
Испытания производят следующим образом. В диапазоне открытий направляющего аппарата, где требуется определить чувствительность регулятора, изменением сигнала (от схемы рис. 16) открытие НА необходимо изменять ступенями 0,5 - 1 % сначала в одну, затем в другую сторону. На каждой ступени фиксировать показания вольтметра. По результатам испытаний построить графические зависимости тока от напряжения для прямого и обратного ходов. Разница в значениях тока при одном направлении характеризует чувствительность регулятора по входному сигналу (iс). Приведенная к частоте через коэффициент передачи (Кf) схемы ФЧВ-ЧЧЭ эта величина выражается в единицах изменения частоты (iх).
С изменением открытия направляющего аппарата мертва зона (чувствительность регулятора) по частоте может изменять в зависимости от перестановочных усилий, сил трения в направляющем аппарате и т.д.
Определение неточности регулятора следует производить одновременно с определением нечувствительности. Дополнительно к величинам, получаемым при определении нечувствительности на каждой ступени, измеряется ход сервомотора или регулирующего кольца по линейке с ценой деления 1 мм (с погрешностью ±0,5 мм).
По полученным данным необходимо построить зависимость тока в распайке резистора R119 от хода сервомотора (регулирующего кольца). По полученной характеристике можно определить коэффициент передачи статически настроенной системы регулирования (как отношение приращения хода сервомотора к соответствующему приращению тока в распайке резистора R119) и мертвую зону в обратной связи. Неточность регулятора следует определять по формуле
iy = kic + jy, (13)
где iу - неточность регулятора по 7 0 ходу сервомотора, %;
К - коэффициент передачи статически настроенной системы регулирования, %/мкА;
iс - мертвая зона по входному сигналу, мкА;
jу - мертвая зона в обратной связи, % полного хода сервомотора.
Коэффициент передачи системы регулирования может быть рассчитан как
К = 100/Bs, где Bs - установленный статизм, %.
Ж.10. Испытания вспомогательных устройств системы регулирования
Ж.10.1. Испытания холостых выпусков и клапанов срыва вакуума
Ж.10.1.1. Испытания холостого выпуска состоят, во-первых, в измерении значения и времени подъема клапана и времени его посадки при максимальной скорости закрытия направляющего аппарата и, во-вторых, в определении той скорости сервомотора, при которой клапан холостого выпуска начинает открываться. Смещение клапана следует измерять линейкой с ценой деления 1 мм, а время - секундомером. Целесообразно также применять осциллографирование перемещений сервомотора направляющего аппарата и холостого выпуска. Испытания необходимо проводить при различных положениях дросселирующей иглы катаракта.
При наладке холостого выпуска следует стремиться к тому, чтобы клапан не открывался при нормальной скорости регулирования и управления агрегатом и открывался до максимального значения при максимальной скорости сервомотора.
Ж.10.1.2. Клапаны срыва вакуума служат для уменьшения вакуума, образующегося под крышкой турбины при сбросах нагрузки. Обычно используются два принципа в работе этих клапанов:
открытие клапана определяется скоростью закрытия направляющего аппарата;
открытие клапана срыва вакуума определяется значением вакуума под крышкой турбины.
Испытания первого типа клапанов не отличаются от испытаний холостых выпусков. Проверка эффективности их действия должна проводиться при испытаниях на сбросы нагрузки с агрегата. Время наладки клапана должно составлять 20 - 30 с. Испытания второго типа клапанов должны проводиться только при сбросе нагрузки с агрегата. При этом записывается ход клапана и вакуум под рабочим колесом. Начало открытия клапана должно происходить при разрежении 10 кПа (0,1 м вод.ст.).
Ж.10.2. Испытания защиты от разгона гидроагрегата
Ж.10.2.1. Испытания следует проводить на агрегате, работающем в режиме х.х. или остановленном с опорожненной спиральной камерой.
При сбросе нагрузки первую ступень защиты агрегата от разгона осуществляет регулятор турбины. В случае его неисправности действует вторая ступень - противоразгонная защита. На гидроагрегатах с гидромеханическими регуляторами последняя обычно представляет собой центробежный выключатель, срабатывающий при повышении частоты вращения до 140 - 145 % номинальной и действующий на золотник аварийного закрытия либо быстродействующие затворы. В связи с указанной последовательностью действия этой защиты скорость закрытия направляющего аппарата либо быстродействующего затвора устанавливается значительной меньшей, чем при действии первой ступени защиты.
Ж.10.2.2. Электрогидравлический регулятор имеет две ступени защиты: первая действует при повышении частоты вращения до 115 % и недостаточной скорости закрытия направляющего аппарата, а вторая - при разгоне агрегата до 140 - 160 % номинальной частоты вращения.
Скорость закрытия направляющего аппарата контролируется или с помощью противоразгонного катаракта, поршень которого поднимается достаточно для замыкания контакта микропереключателя только при определенной скорости закрытия направляющего аппарата, или смещением главного золотника, определяющим расчетную скорость закрытия НА.
Ж.10.2.3. При проверке противоразгонной защиты необходимо определять уставку по частоте вращения, при которой срабатывает реле оборотов или центробежный выключатель. Опыт следует производить при работе гидроагрегата в режиме холостого хода на ограничителе открытия при отключенном частоточувствительном элементе. Открытие сервомотора постепенно необходимо увеличивать до тех пор, пока не срабатывает противоразгонная защита, измерить частоту вращения в момент срабатывания защиты. Необходимо производить также проверку времени и характера закрытия быстродействующего затвора при действии разгонной защиты. Это время не должно превышать значения, установленного заводом-поставщиком, а сигнал на закрытие направляющего аппарата (на остановку) должен подаваться после полного закрытия затвора. Указанная проверка может проводиться при опорожненной от воды спиральной камере. Направляющий аппарат следует открыть полностью и подать импульс на закрытие от аварийного золотника. Если последнего нет в схеме, то импульс следует подать на закрытие быстродействующего затвора. При этом необходимо фиксировать время и характер закрытия направляющего аппарата или затвора.
Ж.10.2.4. Катаракт противоразгонной защиты электрогидравлического регулятора может проверяться при опорожненной от воды спиральной камере. При работе на ограничителе открытия направляющий аппарат необходимо закрывать с различной скоростью; определить минимальную скорость, при которой срабатывает контакт, шунтирующий действие схемы противоразгонной защиты. Определить время возврата поршня в исходное положение или время размыкания контакта микропереключателя после остановки сервомотора направляющего аппарата, которое должно составлять 2 - 3 с.
Правильность настройки контакта на главном золотнике может определяться при закрытом направляющем аппарате. С помощью ограничителя открытия главный золотник необходимо сместить «на закрытие» до упора. На шток вспомогательного сервомотора установить индикатор и заметить его показания. С помощью ограничителя открытия главный золотник сместить «на открытие» до замыкания контакта переключателя (но не больше чем до среднего положения золотника). Измеренный по индикатору ход должен быть не менее заданного заводом-поставщиком (около 1 мм).
Ж.10.3. Испытания маслонапорной установки
Ж.10.3.1. Маслонапорная установка (МНУ) состоит из аккумулятора давления, масляного бака, насосов с электроприводами, механизмов автоматики, контрольно-измерительных приборов и специальной арматуры.
Аккумулятор давления - сосуд, заполненный сжатым воздухом и маслом в определенном соотношении. В масляный бак поступает отработанное масло из системы регулирования; из бака масло засасывается насосом и подается в аккумулятор. Контрольно-измерительные приборы предназначены для измерения давления в аккумуляторе, уровня масла в аккумуляторе и в масляном баке. Механизмы автоматики обеспечивают автоматическое поддержание заданного уровня и давления масла в аккумуляторе.
Механизмы и арматура МНУ поставляются заводом-изготовителем в собранном виде испытанными и отрегулированными.
Необходимость в регулировании и наладке механизмов и арматуры возникает после каждой ревизии и ремонта МНУ. В таких случаях эксплуатационный персонал должен проводить подобные работы согласно инструкциям завода-поставщика, которые определяют порядок приведения МНУ в рабочее состояние. Эксплуатационный персонал ГЭС должен самостоятельно выполнять ряд работ, связанных с проверкой режима работы маслонасосов, действием перепускных и предохранительных клапанов, проверкой реле давления, определением протечек масла и т.д.
Ж.10.3.2. Подача маслонасоса определяется на остановленном агрегате при нормальном давлении в МНУ. Необходимо открыть запорный вентиль спускной трубы аккумулятора и снизить уровень масла до нижнего конца стекла указателя уровня. Затем вентиль плотно закрыть и пустить маслонасос в работу на аккумулятор. Маслонасос следует отключить при подъеме масла до наибольшего уровня. Секундомером измерить время работы насоса. По масломерному стеклу определить разность уровней масла в дециметрах до начала работы насоса и после его отключения. При этом следует иметь в виду, что изменение уровня масла по стеклу может отставать от изменений уровня масла в аккумуляторе, поэтому следует учитывать разность между наибольшим и наименьшим уровнями.
Подача насоса подсчитывается по формуле
![]()
где Dв - внутренний диаметр котла, дм (определяется по чертежу котла).
Измерения повторить два - три раза. Из полученных результатов вычислить среднее значение. Неточность полученных результатов тем больше, чем больше протечки масла, поэтому при испытаниях должно быть обращено особое внимание на плотность закрывания всех сливных вентилей.
При наличии шкалы указателя уровня масла в гидроаккумуляторе, цена деления которой составляет 1 % его объема, при определении подачи насоса следует использовать эту шкалу, что избавит от необходимости расчетов.
Ж.10.3.3. Определение протечек масла в системе регулирования следует производить по циклу работы маслонасосов МНУ.
При работе системы регулирования происходит переток масла из напорных полостей в безнапорные. В результате давления в аккумуляторе падает. Скорость снижения давления определяется несколькими факторами: протечками, связанными с технологией работы элементов системы, интенсивностью регулирования, зависящей от режима работы ГЭС, и состоянием золотников, маслопроводов и сервомоторов системы регулирования.
Режим работы насоса характеризуется отношением времени работы его на аккумулятор tр к времени работы на слив tс (или при прерывистом режиме работы - к времени, в течение которого насос не работает), т.е.
![]()
При нормальном состоянии системы регулирования режим работы должен быть 1:12 - 1:20. О явно ненормальном состоянии системы регулирования свидетельствует режим работы насоса 1:4 - 1:6. В этом случае должны быть выяснены причины столь больших протечек масла. Протечки через какую-либо масляную систему следует определять по разности протечек при открытом и закрытом давлении к этой системе.
Вначале необходимо определить протечки при всех полностью открытых запорных устройствах (qо). Для определения протечек через систему рабочего колеса следует определить протечки при закрытом запорном вентиле к системе рабочего колеса (q1).
Разница между qо и q1 составит значение протечек через масляную систему рабочего колеса. Аналогичным образом можно определить протечки через масляную систему направляющего аппарата, золотник ручного регулирования, электрогидравлический преобразователь, арматуру маслонапорной установки и т.д.
Значение протечек может быть вычислено:
по режиму работы насоса и его подаче
л/с;
непосредственным измерением снижения уровня масла в аккумуляторе на величину h за промежуток времени t при остановленном насосе
л/с.
В большинстве конструкций гидромеханических регуляторов и в электрогидравлических регуляторах нет запорных устройств, с помощью которых можно отделить систему управления сервомотором рабочего колеса от системы управления сервомотором направляющего аппарата. С помощью главной задвижки можно лишь отделить протечки через арматуру МНУ от протечек через системы управления сервомоторами. Поэтому протечки раздельно через сервомотор (рабочего колеса или направляющего аппарата) и присоединенный к нему маслопровод, а также через аппаратуру гидромеханической колонки (золотники, ЭГП и т.д.) рекомендуется определять по следующей методике.
Испытания, как правило, проводят при опорожненной спиральной камере. Испытания могут быть проведены также на остановленном или работающем в сети агрегате. Управление сервомотором направляющего аппарата следует осуществлять ограничителем открытия, а сервомотором лопастей рабочего колеса - ручным управлением.
Протечки через арматуру маслонапорной установки qм определить при закрытой главной задвижке от котла МНУ к регулятору.
Протечки через гидромеханическую колонку qк определить при установки главных золотников СНА и СРК в «среднее» положение, которое характеризуется равенством давлений в полостях соответствующего сервомотора, находящегося не в крайнем положении. Из полученных суммарных протечек q1, необходимо вычесть протечки через арматуру МНУ: qк = q1 - qм.
Протечки через сервомотор
рабочего колеса (и маслопроводы к нему) qсрк следует определять при установке
главного золотника сервомотора направляющего аппарата в среднее положение, а
главного золотника СКР - в одно из крайних положений. Из полученных при этих
испытаниях протечек q2 для получения
необходимо вычесть протечки через
арматуру МНУ и аппаратуру гидромеханической колонки
= q2 - qк -qм = q2 -
q1.
Аналогичным образом можно
определить протечки через сервомотор направляющего аппарата. Главный золотник
сервомотора рабочего колеса при этом необходимо установить в «среднее»
положение, а главный золотник СНА - в крайнее:
= q3 - qк - qм = q3 - q1.
Ж.11. Средства испытаний, обработка и оформление результатов испытаний
Ж.11.1. При проведении испытаний следует пользоваться средствами измерений, поверенными или аттестованными в установленном Госстандартом порядке и имеющими действующие поверительные клейма или свидетельства о поверке или аттестации.
Ж.11.2. При проведении повторных испытаний следует пользоваться приборами того же типа и класса точности.
Ж.11.3. Мгновенные измерения должны производиться по сигналу одновременно всеми наблюдателями и через равные интервалы для каждой точки измерений.
Ж.11.4. Диапазон изменения измеряемой величины должен приходиться на всю шкалу прибора. Относительная погрешность измерений меньше, если показания приборов приходятся на вторую половину шкалы.
Ж.11.5. Микроамперметры и миллиамперметры следует включать в ту часть цепи, которая заземляется. Следует пользоваться миллиамперметрами и микроамперметрами с малым, а вольтметрами - с большим внутренним сопротивлением.
Ж.11.6. Неэкранированные приборы не рекомендуется располагать вплотную друг к другу, так как один прибор может влиять на магнитное поле другого.
Ж.11.7. Для использования при различных измерениях должно быть подготовлено достаточное количество удобных для работы протоколов с четким указанием величин, подлежащих измерениям. Примерный вид протоколов приводится в приложении.
Ж.11.8. При снятии характеристик следует обращать внимание на полярность сигнала. За положительные значения сигналов рекомендуется принимать полярность (или фазу), вызывающую действие на открытие направляющего аппарата.
Ж.11.9. Возможно погрешности в измерениях рассчитываются по приборной погрешности и приводятся через масштаб при графическом построении характеристики к зоне действительных измерений. Зона действительных измерений определяется следующим образом:
абсолютные инструментальные погрешности измеряемых параметров Δ1 и Δ2 определяются как
![]()
при выбранных масштабах m1 и m2 для графического построения характеристики приборная погрешность выражается как
![]()
зона, в которой относительно действительной характеристики располагаются точки совместных измерений, определенные с погрешностью, не превышающей приборную, выражается как
![]()
При графическом построении характеристики ее следует проводить так, чтобы большинство измеренных точек лежало внутри зоны действительных измерений. Линия, проведенная через середину зоны, представляет собой определяемую характеристику, наиболее приближенную к действительной (см. рис. 10).
Точки, находящиеся за пределами зоны действительных измерений, следует считать недействительными. Если более четверти всех измеренных точек попадает за пределы зоны разброса, опыт считается недействительным. Действительных точек должно быть не менее 10.
Ж.11.10. Рекомендуется на каждый регулятор иметь папку, в которой должны храниться протоколы последних и предыдущих испытаний, протоколы испытаний до и после наладки, а также тетрадь с регистрацией сбоев в работе регуляторов и мероприятий по устранению неисправностей.
Приложение
ТИПОВЫЕ ПРОТОКОЛЫ ИСПЫТАНИЙ
ПРОТОКОЛ № 1 от _______________ 198 ____ г.
Объект __________ агрегат № _______ РЧВ N _______ тип ЭГР ________________
Исполнители: __________________________________________________________
Характеристика частоточувствительного элемента
(по входу частоты)
|
Прибор |
Номер |
Тип |
Класс точности |
Шкала делений |
Предел измерения |
Погрешность |
Место установки или включения |
|
Частотомер |
±Df |
||||||
|
Микроамперметр |
±DI |
Отпайки L 101 R119 = _______ кОм
|
1 |
2 |
3 |
4 |
5 |
6 |
7 |
8 |
9 |
10 |
11 |
12 |
13 |
14 |
|
|
f Гц |
||||||||||||||
|
I мкА (дел.) |
Kx = мкА/Гц Kf = дел/Гц
При графическом построении характеристики
Масштаб частоты mf Гц/мм
= мм.
Масштаб тока mI = мкА/мм
= мм.
Зона действительных точек
= мм.
Дополнительные данные:
Заключение:
Подписи:
ПРОТОКОЛ № 2 от _______________ 198 ____ г.
Объект ___________ агрегат № ________ РЧВ № _______ тип ЭГР ______________
Исполнители: ___________________________________________________________
Градуировка потенциометра статизма
|
Прибор |
Номер |
Тип |
Класс точности |
Шкала делений |
Предел измерения |
Погрешность |
Место установки |
|
Микроамперметр |
Uпит = В R119 = ___________ кОм
|
1. y1 = % |
|
|
вр дел. |
|
|
Iy1 мкА |
|
|
Kжос = _____________ |
|
|
2. y2 = % |
|
|
вр дел. |
|
|
Iy2 мкА |
|
|
DIy мкА |
|
|
вр % |
|
|
вр % |
|
(по
протоколу № 1 от ____)
DIy = Iy1 - Iy2 (при одинаковых значениях вр дел.). Dy = y1 - y2
Дополнительные данные:
Заключение:
Подписи:
ПРОТОКОЛ № 3 от _______________ 198 ____ г.
Объект __________ агрегат № ________ РЧВ № _______ тип ЭГР ______________
______________________________________________________________________
Характеристика главного сервомотора
|
Прибор |
Номер |
Тип |
Класс точности |
Шкала делений |
Предел измерений |
Погрешность |
Место установки или включения |
|
Миллиамперметр |
|||||||
|
Индикатор |
|||||||
|
Секундомер |
|||||||
|
Указатель |
Напор H = м
1. В районе открытий yмин = ____________; yмакс = ______________
|
1 |
2 |
3 |
4 |
5 |
6 |
7 |
8 |
9 |
10 |
11 |
12 |
13 |
14 |
|
|
I мА |
||||||||||||||
|
U мм |
||||||||||||||
|
y % |
||||||||||||||
|
V %/с |
||||||||||||||
|
t c |
Мертвая зона is = ______________ iI = мА
2. В районе открытий yмин = ________________; yмакс = ____________
|
1 |
2 |
3 |
4 |
5 |
6 |
7 |
8 |
9 |
10 |
11 |
12 |
13 |
14 |
|
|
I мА |
||||||||||||||
|
U мм |
||||||||||||||
|
y % |
||||||||||||||
|
t с |
||||||||||||||
|
V %/c |
Мертвая зона is = мм, iI = мА
При графическом построении характеристик рис. № ____________
Масштаб тока mI = мА/мм f1 = _____________ = мм.
Масштаб перемещения золотника m0 = мм/мм fU = ______________ = мм.
Масштаб скорости mU = %/с мм fU = ______________ = мм.
Зона действительных точек
= мм.
Дополнительные данные:
Заключение:
Подписи:
ПРОТОКОЛ № 4 от _______________ 198 ____ г.
Объект ___________ агрегат № ________ РЧВ № ______ тип ЭГР ______________
Исполнители: __________________________________________________________
______________________________________________________________________
Градуировка переключателей интенсивности и постоянной времени изодрома
|
Прибор |
Номер |
Тип |
Класс точности |
Шкала делений |
Предел измерений |
Погрешность |
Место установки |
|
Вольтметр |
|||||||
|
Микроамперметр |
|||||||
|
Секундомер |
|||||||
|
Линейка |
1. Градуировка датчика положения регулирующего органа
Uпит =
|
1 |
2 |
3 |
4 |
5 |
6 |
7 |
8 |
9 |
10 |
11 |
12 |
13 |
14 |
|
|
y мм |
||||||||||||||
|
U В |
Kдо = B/% за 100 % хода регулирующего органа принято _________ мм хода
2. Интенсивность изодрома ______________________
Переключатель постоянной времени __________________ дел.
|
вt дел. |
0 |
1 |
2 |
3 |
4 |
5 |
6 |
7 |
8 |
9 |
10 |
11 |
12 |
|
DU В |
|||||||||||||
|
I мкА |
Открытие |
||||||||||||
|
I мкА |
Закрытие |
||||||||||||
|
вt % |
Закрытие |
||||||||||||
|
вt % |
Открытие |
||||||||||||
Kк = мкА/% по протоколу № 1 от ________________
3. Постоянная времени изодрома ______________________
Переключатель интенсивности ____________________ дел.
|
Td дел. |
0 |
1 |
2 |
3 |
4 |
5 |
6 |
7 |
8 |
9 |
10 |
11 |
12 |
13 |
14 |
|
Td с |
Открытие |
||||||||||||||
|
Td с |
Закрытие |
||||||||||||||
Дополнительные данные:
Заключение:
Подписи:
ПРОТОКОЛ № 5 от _______________ 198 ____ г.
Объект ____________ агрегат № _________ РЧВ № ________ тип ЭГР ____________
Исполнители: ____________________________________________________________
_________________________________________________________________________
Чувствительность регулятора
|
Прибор |
Номер |
Тип |
Класс точности |
Шкала делений |
Предел измерений |
Погрешность |
Место установки |
|
Вольтметр |
|||||||
|
Микроамперметр |
Uпит = _____ В. Уставка потенциометра статизма _______ дел.
Kx = (по протоколу № 1 от ________________)
1. В районе открытий y1 = ______________ y2 = ______________
|
Прямой ход |
1 |
2 |
3 |
4 |
5 |
6 |
7 |
8 |
9 |
10 |
11 |
12 |
13 |
14 |
|
Uз B |
||||||||||||||
|
Ic мкА |
|
Обратный ход |
1 |
2 |
3 |
4 |
5 |
6 |
7 |
8 |
9 |
10 |
11 |
12 |
13 |
14 |
|
Uз B |
||||||||||||||
|
Ic мкА |
Мертвая зона по входному сигналу ic = __________________________________
2. В районе открытий y1 = ______________ y2 = ______________
|
Прямой ход |
1 |
2 |
3 |
4 |
5 |
6 |
7 |
8 |
9 |
10 |
11 |
12 |
13 |
14 |
|
Uз B |
||||||||||||||
|
Ic мкА |
|
Обратный ход |
1 |
2 |
3 |
4 |
5 |
6 |
7 |
8 |
9 |
10 |
11 |
12 |
13 |
14 |
|
Uз B |
||||||||||||||
|
Ic мкА |
Мертвая зона:
по входному сигналу ic = ________
по частоте ix = ____________
При графическом построении характеристики ______
Масштаб тока сигнала задания
Масштаб входного сигнала
Зона действительных точек
Дополнительные данные: неточность регулятора iy = %
Заключение:
Подписи:
ПРОТОКОЛ № 6 от __________ 198 ______ г.
Объект _____________ агрегат № ___________ РЧВ __________ тип ЭГР ________
Исполнители: __________________________________________________________
Гарантии регулирования при сбросах нагрузки
|
Прибор |
Тип |
Класс точности |
Шкала делений |
Предел измерений |
Погрешность |
Место включения или установки |
|
Условия измерений |
Контролируемые величины |
Сбрасываемая мощность |
|||
|
25 % (МВт) |
50 % (МВт) |
75 % (МВт) |
100 % (МВт) |
||
|
Установившиеся значения перед сбросом |
Открытие НА, % |
||||
|
Угол лопастей РК, ° |
|||||
|
Давление в спиральной камере, м |
|||||
|
Давление под РК, м |
|||||
|
Частота вращения, % (об/мин) |
|||||
|
Наибольшие значения в процессе сброса |
Частота вращения, % (об/мин) |
||||
|
Давление в спиральной камере, м |
|||||
|
Давление под РК, м |
|||||
|
Наименьшие значения после сброса |
Открытие НА, % |
||||
|
Частота вращения, % (об/мин) |
|||||
|
Давление под РК, м |
|||||
|
Давление в МНУ, МПа (кгс/см2) |
|||||
|
Установившиеся значения после сброса |
Открытие НА, % |
||||
|
Частота вращения, % (об/мин) |
|||||
|
Давление в спиральной камере, м |
|||||
|
Давление под РК, м |
|||||
|
Время закрытия НА, с |
|||||
|
Время сворачивания лопастей РК, с |
|||||
|
Число ходов сервомотора |
|||||
|
Изменение частоты вращения Dn, % |
заводскоефактическое |
||||
|
Изменение давления в спиральной камере DH, % |
заводскоефактическое |
||||
;
.
Дополнительные данные:
Заключение:
Подписи:
(обязательное)
И.1 Общие положения.
И.1.1 Определение вибрационного состояния гидроагрегата осуществляется путем измерения вибрации его опорных конструкций, биения вала и вибрации стальных конструкций и лобовых частей обмоток статора, которые должны подвергаться также тщательному осмотру. Мерой вибрации узлов гидроагрегатов является размах полигармонического виброперемещения. Результаты вибрационных испытаний совместно с результатами осмотра позволяют достаточно объективно судить об эксплуатационном состоянии агрегата.
И.1.2 Измерение вибрации гидроагрегата, а также осмотр конструктивных узлов и лобовых частей обмотки статора должны проводиться до и после каждого капитального ремонта. В межремонтный период необходимость проведения измерений и осмотров устанавливается в зависимости от результатов предыдущих обследований и при возникших предположениях об изменении (ухудшении) вибрационного состояния агрегата. В частности, после аварийных переходных режимов(например, несинхронного включения или внезапного КЗ на шинах генератора или близкого КЗ за трансформатором) должны быть проведены внеплановые измерения вибрации лобовых частей обмотки статора и их осмотр. Решение о проведении внеочередных технических обследований принимает технический руководитель гидроэлектростанции.
И.1.3 Измерения вибрации и биения вала гидроагрегата желательно производить в одних и тех же точках датчиками с одинаковыми техническими и метрологическими характеристиками, по возможности одними и теми же датчиками.
И.1.4 Вибрационные испытания проводятся по программе, подписанной руководителем испытаний и уполномоченными представителями технических подразделений ГЭС, согласованной при необходимости с территориальным диспетчерским центром и утвержденной техническим руководителем гидроэлектростанции.
И.1.5 Результаты вибрационных испытаний необходимо фиксировать в протоколах с четким указанием места измерения вибрации, применявшейся аппаратуры, параметров вибрации (частота, размахи) и всех параметров режима работы гидрогенератора (активная и реактивная мощности, напряжение и ток статора, ток ротора, температура меди обмотки и сердечника статора, уровни бьефов, открытие направляющего аппарата, углы установки лопастей рабочего колеса).
И.1.6 По результатам измерений вибрации должно быть составлено заключение с оценкой вибрационного состояния гидроагрегата и соответствующими рекомендациями.
И.1.7 При затруднениях у персонала ГЭС и/или у управляющей компании ОГК (ТГК) в определении причин повышенной вибрации и разработке мероприятий по их устранению, должна быть привлечена специализированная организация для проведения углубленного технического обследования (специальных испытаний) и разработки рекомендаций.
И.2 Средства измерения вибрации и биения вала
И.2.1 Основные требования к аппаратуре, используемой для измерения вибрации опорных конструкций гидроагрегата и стальных конструкций статора гидрогенератора, следующие:
|
- рабочий диапазон частот - |
0,7 - 200 Гц; |
|
- рабочий диапазон размаха виброперемещений - |
5 - 1000 мкм; |
|
- рабочий диапазон температур: |
|
|
для первичных преобразователей (вибродатчиков) |
+5 - +80 ºС; |
|
для вторичного прибора |
+10 - +40 ºС; |
|
- допустимая индукция внешнего магнитного поля - |
0,1 Т; |
|
- неравномерность АЧХ в рабочем диапазоне частот - |
10 %; |
|
- масса вибродатчика не более - |
0,5 кг; |
И.2.2 Основные требования к измерителям биения вала следующие:
|
- рабочий диапазон частот - |
0,4 - 20 Гц; |
|
- рабочий диапазон размаха биений - |
30 - 2000 мкм; |
|
- рабочий диапазон температур - |
+5 - +40 ºС; |
|
- допустимая индукция внешнего магнитного поля - |
0,1 Т; |
|
- масса датчика не более - |
0,2 кг; |
Датчики биения вала должны быть бесконтактными с зазором между датчиком и валом не менее 2 мм, устойчивыми к воздействию воды и масла.
И.2.3 Аппаратура, используемая для измерения вибрации лобовых частей обмотки статора гидрогенератора должна удовлетворять следующим требованиям:
|
- рабочий диапазон частот - |
40 - 300 Гц; |
|
- рабочий диапазон размаха виброперемещений - |
5 - 1000 мкм; |
|
- рабочий диапазон температур: |
|
|
для первичных преобразователей (вибродатчиков) |
+5 - +80 ºС; |
|
для вторичного прибора |
+10 - +40 ºС; |
|
- допустимая индукция внешнего магнитного поля - |
0,3 Т; |
|
- неравномерность АЧХ в рабочем диапазоне частот - |
10 %; |
|
- масса вибродатчика не более - |
0,2 кг; |
И.2.4 Аппаратура для измерения вибрации и биения вала может иметь на выходе стрелочный прибор, но при этом должна быть обеспечена возможность параллельной записи сигнала на светолучевом осциллографе или ввода в ПЭВМ для автоматического анализа.
Аппаратура может также иметь встроенный анализатор для выделения и измерения гармонических составляющих вибрации.
И.2.5 Виброизмерительная аппаратура должна быть аттестована или подвергаться контрольной тарировке перед испытаниями.
И.3 Контроль вибрации опорных конструкций и биения вала гидроагрегата
И.3.1 Причины повышенной вибрации.
И.3.1.1 Силы, вызывающие вибрацию опорных опорных конструкций и биение вала агрегата, имеют механическое, гидравлическое и электромагнитное происхождение. Как правило, они воздействуют на узлы агрегата одновременно, но в разной степени.
И.3.1.2 Характерным признаком наличия механических возмущающих сил является наличие вибрации при работе агрегата после отключения из режима синхронного компенсатора или после закрытия направляющего аппарата при останове агрегата.
И.3.1.3 Характерным признаком наличия гидравлических возмущающих сил является исчезновение или значительное снижение вибрации при переводе гидроагрегата в режим синхронного компенсатора с освобождением от воды камеры рабочего колеса.
И.3.1.4 Характерным признаком наличия электромагнитных возмущающих сил является увеличение вибрации при подаче возбуждения на холостом ходу агрегата.
И.3.1.5 Измерение вибрации и биения вала в объеме и в режимах, указанных в п. 3.2. настоящего приложения, позволяет оценить уровень вибрации и установить, какие возмущающие силы - механические, гидравлические или электрические - вызывают повышенную вибрацию.
И.3.2 Места установки вибропреобразователей и датчиков биения вала и режимы испытаний гидроагрегата.
И.3.2.1 На вертикальном гидроагрегате первичные вибропреобразователи (вибродатчики) следует устанавливать следующим образом:
- на грузонесущей крестовине для измерения вертикальной и горизонтальной вибрации;
- на опоре пяты (при опирании подпятника на крышку турбины через опорный конус) для измерения вертикальной вибрации;
- на негрузонесущей крестовине, имеющей направляющий подшипник, для измерения горизонтальной вибрации;
- на крышке турбины для измерения вертикальной вибрации;
- на корпусе турбинного подшипника для измерения горизонтальной вибрации.
И.3.2.2 Вибродатчики для измерения вертикальной вибрации грузонесущей крестовины и крышки гидротурбины следует устанавливать возможно ближе к оси гидроагрегата. Вибродатчики для измерения вертикальной вибрации опоры пяты следует устанавливать возможно ближе к основанию подпятника у дна маслованны.
Вибродатчики для измерения горизонтальной вибрации следует устанавливать таким образом, чтобы вибрация измерялась в радиальном направлении.
И.3.2.3 Все вибропреобразователи на вертикальном гидроагрегате следует устанавливать в одной вертикальной плоскости, например, со стороны правого берега. В случае крестовины мостового типа, имеющей различную жесткость в разных направлениях, измерения горизонтальной вибрации следует производить в направлении наименьшей жесткости, и в этой плоскости следует устанавливать все вибропреобразователи на гидроагрегате.
И.3.2.4 Измерение биения вала вертикального гидроагрегата следует производить у всех направляющих подшипников (турбинного, верхнего и нижнего генераторного). Датчики биения вала должны быть установлены в одной вертикальной плоскости с датчиками вибрации.
И.3.2.5 На горизонтальном гидроагрегате первичные вибропреобразователи следует устанавливать следующим образом:
- на корпусе каждого опорного подшипника сверху для измерения вертикальной вибрации и сбоку (в горизонтальной плоскости, проходящей через ось агрегата) для измерения горизонтальной вибрации в радиальном направлении;
- на корпусе упорного подшипника для измерения горизонтальной вибрации в осевом направлении;
- на ребро капсулы в горизонтальной плоскости, проходящей через ось агрегата, для измерения вертикальной вибрации.
И.3.2.6 Биение вала горизонтального гидроагрегата следует измерять у каждого опорного подшипника сверху.
И.3.2.7 Необходимо обеспечить надежный контакт каждого вибропреобразователя с деталью, на которую он устанавливается. При невозможности установки вибропреобразователя непосредственно на деталь, следует применять промежуточные жесткие полки или кронштейны, обеспечивающие передачу вибрации без искажений. Собственная частота полки или кронштейна с вибропреобразователем не должна совпадать с частотой какой-либо составляющей измеряемых колебаний.
И.3.2.8 Датчики биения вала могут устанавливаться как на корпусах подшипников, так и на специальных кронштейнах, прикрепленных к неподвижным конструкциям (стенкам шахты турбины, опорному конусу, крестовине и др.). В последнем случае кронштейны должны быть достаточно жесткими.
И.3.2.9 Измерение вибрации и биения вала следует производить при следующих режимах работы гидроагрегата:
- холостой ход без возбуждения с частотами вращения ротора 0,8; 0,9; 1,0 и 1,1 от номинальной;
- холостой ход с номинальным возбуждением и при номинальной частоте вращения;
- параллельная работа с сетью при нагрузках от нуля до номинальной ступенями по 20 % номинальной нагрузки;
- режим синхронного компенсатора с камерой рабочего колеса, освобожденной от воды;
выбег гидроагрегата после отключения от сети из режима синхронного компенсатора при освобожденной от воды камере рабочего колеса; при отсутствии на ГЭС режима синхроннного компенсатора с освобожденной от воды камерой рабочего колеса измерения производят при выбеге из генераторного режима.
И.3.3. Оценка уровня вибрации опорных конструкций и биения вала гидроагрегата.
И.3.3.1 Оценка вибрации опорных узлов гидроагрегата производится по размаху виброперемещения в зависимости от частоты в диапазоне частот 1 - 30 Гц (рисунок). При частоте более 30 Гц недопустимым считается размах более 40 мкм, при частоте менее 1 Гц - 180 мкм.

Оценка вибрации опорных конструкций гидроагрегата
И.3.3.2 При периодической вибрации оценка производится по размаху виброперемещения каждой его гармонической составляющей и по суммарному размаху виброперемещения с использованием зависимостей, приведенных на рисунке. При этом оценка суммарного размаха виброперемещения проводится по нормам для низшей из составляющих частот. Из всех оценок принимается худшая.
И.3.3.3 Если вибрация имеет непериодический характер, то оценка уровня вибрации производится по среднему размаху и средней частоте. Средний размах определяется как отношение суммы пиковых значений вибрации на выбранном интервале времени к половине числа пиков. Интервал времени должен быть выбран таким, чтобы на нем было не менее 10 периодов оборотной частоты.
Среднюю частоту определяют как отношение половины числа пиков за выбранный интервал времени к этому интервалу.
В протоколе с результатами контроля вибрации кроме среднего должен быть указан также максимальный размах вибрации на выбранном интервале времени.
И.3.3.4 Типовые решения, принимаемые на основе оценки вибрационного состояния конструктивных узлов гидроагрегата, приведены в таблице И.1.
Таблица И.1
|
Решение |
|
|
«Отлично» |
Периодичность измерений вибрации не реже одного раза в 6 лет |
|
« Хорошо» |
Периодичность измерений вибрации один раз в 3 года |
|
«Удовлетворительно» |
Периодичность измерений вибрации один раз в год |
|
«Неудовлетворительно» |
Устранение повышенной вибрации при первой возможности. До устранения повышенной вибрации проводить контроль вибрации не реже одного раза в два месяца |
|
«Недопустимо» |
Эксплуатация агрегата без особого разрешения управляющей компании ОГК (ТГК) не допускается. |
И.3.3.5 Оценку уровня биения вала гидроагрегата следует производить сравнением результатов измерения с предельными значениями, установленных на основе рекомендаций заводов-изготовителей гидротурбины и гидрогенератора и опыта эксплуатации и указанными в стандарте организации ГЭС.
И.4 Контроль вибрационного состояния стальных конструкций статора
И.4.1 Причины вибрации.
И.4.1.1 Вибрация стальных конструкций статора гидрогенератора содержит составляющую частоты 100 Гц и полигармоническую низкочастотную составляющую, которая представляет собой, как правило, сумму четырех - пяти низших гармонических составляющих. Частота первой гармонической составляющей равна частоте вращения вала гидроагрегата, а частоты более высоких порядков кратны первой.
И.4.1.2 Наиболее вероятной причиной повышенной вибрации частоты 100 Гц являются недостаточная плотность стыковых соединений составного сердечника, которая в процессе эксплуатации может существенно уменьшаться. Вибрация может быть как общей, так и местной, причем ее неравномерность может быть не только вдоль окружности сердечника, но и по его высоте. Ранним признаком ухудшения состояния стыков является повышенный уровень вибрации на «холодном» (до 30 ºС) сердечнике, и ее уменьшение по мере нагрева генератора.
И.4.1.3 Другими, менее распространенными причинами вибрации сердечника частоты 100 Гц могут быть неудачная схема обмотки статора и уравнительные токи генератора. При неудачном выборе числового ряда обмотки наблюдается рост вибрации сердечника с увеличением нагрузки генератора. Влияние уравнительных токов может быть обнаружено по наличию периодических изменений (типа биений) уровня вибрации.
И.4.1.4 Низкочастотная вибрация статора, имеющая место при всех режимах работы агрегата, в том числе при холостом ходе без возбуждения, обусловлена механическими причинами и передается с вращающихся частей агрегата через опорные конструкции. Низкочастотная вибрация, возникающая при подаче возбуждения, является следствием искажения формы ротора или витковых замыканий в обмотках его полюсов. Способы определения форм ротора и статора подробно изложены в Приложении Ф.
И.4.2 Места измерения вибраций, установка вибропреобразователей и режимы работы генератора при испытаниях.
И.4.2.1 Вибрация частоты 100 Гц измеряется в радиальном направлении на спинке сердечника статора в среднем сечении по его высоте по обеим сторонам каждого стыка секторов, а также в середине каждого сектора.
И.4.2.2 Низкочастотная вибрация измеряется в радиальном направлении на спинке сердечника, полках и обшивках корпуса статора в среднем сечении по его высоте в середине каждого сектора, а также в нескольких точках по окружности фланца корпуса и в прилежащих точках фундамента.
И.4.2.3 На кольцевых (бесстыковых) статорах вибрация частоты 100 Гц и низкочастотная вибрация измеряются на сердечнике и полках корпуса в двух сечениях по высоте и в 4-х - 6-ти точках по окружности гидрогенератора при номинальном напряжении. В 2-х - 4-х точках измеряются вибрации верхнего и нижнего фланца корпуса в местах их крепления к верхней крестовине и фундаментным плитам соответственно. Особо следует проверять зависимости вибраций от теплового состояния гидрогенератора.
И.4.2.4 Крепление вибропреобразователей к исследуемому конструктивному узлу может осуществляться с помощью болтов, жестких распорок, струбцин, клеев на эпоксидной основе и т.п. Крепление должно обеспечивать жесткий механический контакт, исключающий взаимное перемещение исследуемого узла и вибропреобразователя.
И.4.2.5 Измерения вибрации следует производить при следующих режимах работы гидрогенератора:
- холостой ход без возбуждения с номинальной частотой вращения вала (измеряется только низкочастотная вибрация);
- холостой ход с различными уровнями возбуждения, обеспечивающими напряжение генератора от 0,4 до 1,0Uном ступенями по 0,2Uном. При сложности осуществления режимов холостого хода с возбуждением меньше номинального допускается измерение вибрации только при Uном. Измерения проводятся при «холодном» (не выше 30 ºС) и при «горячем» (выше 50 ºС) сердечнике;
-параллельная работа с системой в установившемся тепловом состоянии генератора при различных уровнях активной нагрузки, вплоть до номинальной или максимально возможной по условиям эксплуатации, а также в режиме синхронного компенсатора (если генератор эксплуатируется в данном режиме).
И.4.3 Осмотр стальных конструкций статора.
И.4.3.1 Осмотру подлежат узлы крепления сердечника, спинка сердечника и стыки секторов статора, а также штифты нижнего фланца корпуса и узлы крепления корпуса к фундаменту.
И.4.3.2 При осмотре должны быть установлены качественные характеристики, место обнаружения анормальностей и, по возможности, их количественная оценка. Следует обращать особое внимание на:
- наличие контактной коррозии активной стали;
- трещины и обрывы сварных швов узлов крепления сердечника;
- трещины и изломы наборных призм (клиньев);
- разрушение (сколы, выкрашивания) активной стали;
- волна и «домики» активной стали;
- подвижность вентиляционных распорок;
- ослабление распорных домкратов;
- ослабление и выползание штифтов фланца корпуса;
- ослабление затяжки гаек стяжных шпилек сердечника и анкерных болтов.
И.4.3.3 Подробно приемы осмотра по широкому кругу узлов генератора, критерии оценок и форма записи результатов изложены в Приложении М.
И.4.4 Оценка вибрационного состояния стальных конструкций статора гидрогенератора.
И.4.4.1 Оценка вибрационного состояния стальных конструкций по уровню вибрации частоты 100 Гц и низкочастотной вибрации проводится раздельно в соответствии с таблицами И.2 и И.3, которые в зависимости от результатов измерения вибрации и результатов осмотра сердечника статора и узлов его крепления к корпусу, а также корпуса и его крепления к фундаменту предлагают три оценки состояния генератора: «удовлетворительно», «неудовлетворительно» и «недопустимо».
Таблица И.2 - Оценка вибрационного состояния стальных конструкций статора гидрогенератора по составляющей вибрации частоты 100 Гц
|
Оценка |
|||
|
Двойная амплитуда вибрации частоты 100 Гц, мкм |
Результаты осмотра |
||
|
При параллельной работе с системой (сердечник «горячий») |
При холостом ходе с возбуждением (сердечник «холодный») |
||
|
до 30 |
до 50 |
Слабые следы контактной коррозии на спинке сердечника. Повреждений узлов крепления сердечника и ослабления затяжки гаек стяжных шпилек - нет |
Удовлетворительно |
|
более 30 |
более 50 |
Обильная контактная коррозия на спинке сердечника и клиньях корпуса. Повреждений узлов крепления сердечника и ослабления затяжки гаек стяжных шпилек - нет |
Неудовлетворительно |
|
более 30 |
более 50 |
Наличие трещин и изломов в узлах крепления сердечника. Ослабление затяжки гаек стяжных шпилек. Обильная контактная коррозия на спинке сердечника и клиньях корпуса |
Недопустимо |
Таблица И.3 - Оценка вибрационного состояния стальных конструкций статора гидрогенератора по низкочастотным составляющим виброперемещений
|
Оценка |
||
|
Размах низкочастотных гармоник или их суммы на холостом ходу с возбуждением или при параллельной работе с системой, мкм |
Результаты осмотра |
|
|
до 80 |
Повреждений узлов крепления сердечника, ослабления распорных домкратов, выползания штифтов фланца корпуса - нет |
Удовлетворительно |
|
до 180 |
Повреждений узлов крепления сердечника нет. Ослабление распорных домкратов. Выползание отдельных штифтов фланца корпуса |
Неудовлетворительно |
|
более 180 |
Наличие повреждений в узлах крепления сердечника. Ослабление распорных домкратов. Массовое выползание штифтов фланца корпуса |
Недопустимо |
И.4.4.2 По результатам оценки вибрационного состояния генератора принимается решение о его дальнейшей эксплуатации и срокам обследования. Соответствующие рекомендации приведены в таблице И.4.
Таблица И.4 - Рекомендации по дальнейшему контролю вибрации и осмотрам и допустимости эксплуатации гидрогенератора
|
Рекомендуемые решения |
|
|
Удовлетворительно |
Эксплуатация без ограничений. Периодичность измерения вибрации и осмотров - один раз в 4 - 6 лет - до и после капитального ремонта при отсутствии внезапно возникших аномалий |
|
Неудовлетворительно |
Выяснение причин повышенной вибрации и их устранение при первой возможности вывода гидроагрегата в ремонт. До устранения повышенной вибрации проводить измерения и осмотр один раз в год |
|
Недопустимо |
Немедленный вывод генератора в ремонт для устранения повреждений и причин повышенной вибрации. При невозможности немедленного ремонта эксплуатация генератора допускается только по решению технического руководителя ГЭС. При наличии зависимости вибрации от режима работы эксплуатировать гидрогенератор в наиболее «легком» режиме. Контрольные измерения вибрации и осмотры проводить не реже одного раз в полгода |
И.5 Контроль вибрационного состояния лобовых частей обмотки статора.
И.5.1 Причины вибрации.
И.5.1.1 Вибрация лобовых частей обмотки статора содержит составляющую 100 Гц - в нормальном режиме и 50, 100, 150 и 200 Гц - в переходных режимах.
И.5.1.2 Основной причиной повышенной вибрации в нормальных и переходных режимах работы гидрогенератора является наличие слабо демпфированных резонансов лобовых частей обмотки статора вблизи частот возмущающих сил - 50, 100, 150 и 200 Гц. Указанные резонансы зависят от системы и качества крепления обмотки у выхода из паза и у головок.
И.5.1.3 Вибрации лобовых частей обмотки зависят также от плотности заклиновки стержней в пазах статора.
И.5.2 Места измерения вибрации, установка вибропреобразователей, режимы работы генератора при испытаниях и обработка результатов.
И.5.2.1 Вибрация измеряется в радиальном и тангенциальном направлениях на головках верхних и нижних лобовых частей обмотки статора (по возможности не на изоляционных коробках), а также вблизи выхода из паза.
И.5.2.2 Вибропреобразователи рекомендуется заключать в изоляционные обоймы, приклеиваемые к лобовым частям обмотки эпоксидным клеем.
И.5.2.3 Вибропреобразователи устанавливаются не менее, чем на десяти стержнях обмотки.
И.5.2.4 Для определения вибрационного состояния лобовых частей производится снятие их амплитудно-частотных характеристик (АЧХ) в режиме установившегося трехфазного короткого замыкания генератора.
Для снятия АЧХ производят осциллографирование вибросмещений лобовых частей при выбеге гидрогенератора. Закоротку устанавливают на выводах гидрогенератора или за трансформатором. Ток ротора должен быть неизменным, что обеспечивает неизменность тока статора. С этой целью на время испытаний гидрогенератор переводится на резервное возбуждение, либо возбуждение подается от соседнего гидрогенератора и выводятся из работы соответствующие защиты. Уровень возбуждения устанавливается таковым, чтобы при номинальной частоте вращения ротора ток статора был номинальным. Виброграммы снимаются примерно через каждые 5 % изменения частоты вращения ротора в диапазоне 0,4 - 1,2 от номинального значения.
И.5.2.5 Измерения вибрации проводятся при одном тепловом состоянии генератора - «горячем» (не менее 50 ºС).
2А = 2Аj(Ij/Iном)2,
где Ij - ток статора в испытуемом режиме;
Iном - номинальный ток статора;
2Аj - размах вибрации при токе Ij;
2А - размах вибрации при токе Iном;
после чего строятся кривые изменения размаха этой составляющей виброперемещения в зависимости от частоты возмущающей силы, равной удвоенной частоте тока статора.
Результаты измерения вибрации при номинальном токе статора на номинальной частоте вращения, по которым оценивается состояние узла, подвергаются статистической обработке следующим образом. Определяется среднеарифметическое значение вибрации:
= 1/m×Σ2Аi
кз,
где 2Аi кз - размах вибраций в i-ой точке,
m - число вибропреобразователей, установленных в одинаковых местах лобовых дуг и одинаково ориентированных;
С доверительной вероятностью р = 0,975 вычисляется расчетный предельный уровень вибрации:
2Апр.кз =
+ s×t(р),
где ![]()

- эмпирический стандарт,
t(р) - коэффициэнт, зависящий от m и определяемый по таблице:
|
m |
10 |
15 |
20 |
30 |
|
t(р) |
2,23 |
2,13 |
2,09 |
2,04 |
Полученное предельное значение вибрации при номинальном токе статора пересчитывается на нагрузочный режим по соотношению:
2Апр.нагр = 1,3 × 2Апр.кз
и используется далее для оценки вибрационного состояния лобовых частей обмотки статора.
И.5.3 Осмотр лобовых частей обмотки статора.
И.5.3.1 При осмотре лобовых частей обмотки статора необходимо обращать внимание на следующие дефекты:
а) ослабление заклиновки жестких элементов крепления (распорок, дистанционных прокладок и т.д.);
б) ослабление и обрывы бандажных вязок;
в) следы истирания изоляции или покровной ленты в местах соприкосновения с жесткими элементами;
г) течи охлаждающей воды в головках (для генераторов с непосредственным водяным охлаждением);
д) нарушение целостности элементов крепления или стержней обмотки статора (трещины, износ поверхности и т.д.).
И.5.3.2 Подробно приемы осмотра, критерии оценок и форма записи результатов изложены в Приложении М.
И.5.4 Оценка вибрационного состояния лобовых частей обмотки статора.
И.5.4.1 Оценка вибрационного состояния лобовых частей обмотки статора производится с помощью таблицы И.5 по предельному уровню вибрации с частотой 100 Гц, приведенной к номинальному нагрузочному режиму, определяемому в соответствии с п. И.5.2.6., а также по результатам осмотров.
И.5.4.2 По результатам оценки вибрационного состояния лобовых частей обмотки статора принимается решение о ее дальнейшей эксплуатации и сроках технического обследования. Рекомендуемые решения приведены в таблице И.5.
Таблица И.5 - Оценка вибрационного состояния лобовых частей обмотки статора гидрогенератора и рекомендации по дальнейшему контролю вибрации, осмотрам и допустимости эксплуатации гидрогенератора
|
Результаты осмотра |
Оценка |
Рекомендуемые решения |
|
|
до 50 |
Замечаний нет (или обнаружены отдельные ослабления элементов крепления) |
Удовлетворительно |
Вибрационные испытания и осмотры - один раз в 4 - 6 лет - до и после капитального ремонта, или после переходных аварийных режимов |
|
50 - 100 |
Массовые ослабления элементов крепления. Следы истирания. Отдельные течи воды в головках |
Неудовлетворительно |
Восстановление системы креплений при первой возможности. До устранения повреждений измерение вибрации и осмотры - один раз в год |
|
более 100 |
Массовые нарушения целостности элементов крепления. Массовые течи воды в головках |
Недопустимо |
Восстановление или модернизация системы креплений при первой возможности. Измерение вибрации при трехфазном КЗ - один раз в три месяца. При росте уровня вибрации - немедленный вывод в ремонт |
(справочное)
К.1 Общие положения
К.1.1 В настоящем Приложении приведены технологические требования, нормы и допуски, обеспечивающие надлежащее качество сборки и надежную работу узлов и отдельных механизмов гидроагрегатов, нормы и пределы допустимых отклонений от проектных данных, фиксируемые в исполнительной технической документации по монтажу гидроагрегатов и проверяемые при техническом контроле состояния гидроагрегатов в период их эксплуатации.
К.1.2 На обработанных поверхностях закладных частей гидротурбин, подверженных воздействию водотока, резкие уступы в местах соединений не допускаются. Уступы на необработанных поверхностях должны быть сглажены путем их подрубки, шлифовки или опиловки. Величина сглаженных уступов не должна превышать 5 мм при диаметре рабочего колеса до 5 м и 8 мм при диаметре рабочего колеса до 10,5 м. В металлических облицовках указанные уступы не должны превышать 15 % толщины листа.
К.2 Рабочие механизмы гидротурбин
К.2.1 Направляющий аппарат
К.2.1.2 Зазоры между смежными лопатками, не имеющими резинового уплотнения, при закрытом направляющем аппарате и снятом давлении в сервомоторах допускаются только местные. Величины этих зазоров не должны превышать следующих значений:
|
Высота направляющей лопатки, мм |
Величина зазора, мм |
|
500 |
0,05 |
|
1000 |
0,10 |
|
1500 |
0,15 |
|
2000 |
0,20 |
Суммарная длина всех местных зазоров между двумя смежными лопатками не должна превышать 20 % длины тела лопатки.
К.2.1.3 В направляющих аппаратах с резиновым уплотнением лопаток должно обеспечиваться плотное и равномерное сжатие резины по всей длине лопатки без зазоров при сервомоторе, находящемся на стопоре. При этом зазоры между металлическими поверхностями при сжатой резине должны быть в пределах 0,5 - 1,0 мм.
К.2.1.4 Величина полного открытия смонтированного направляющего аппарата должна соответствовать проектной. Отклонение от полного проектного открытия допускается только в сторону его увеличения в пределах, указанных в документации завода-изготовителя.
К.2.1.5 Величину натяга натравляющего аппарата устанавливают соответственно документации завода-изготовителя. При этом минимальное давление в маслонапорной установке (МНУ), обеспечивающее проектный натяг, не должно превышать заданного заводом.
К.2.1.6 Сервомоторы направляющего аппарата должны быть установлены так, чтобы оси их тяг и тяг регулирующего кольца в сочленениях не имели излома в вертикальной плоскости и соединялись с регулирующим кольцом без принудительного усилия.
К.2.1.7 Уплотнительные манжеты в подшипниках направляющих лопаток должны обеспечивать достаточную герметичность. Протечки воды через манжеты допускаются только небольшими прерывистыми струйками, полностью проходящими через сливные трубки.
К.2.1.8 Окончательно отрегулированное при монтаже положение направляющего аппарата должно быть зафиксировано нанесением меток на передаточных звеньях от сервомоторов к регулирующим кольцам и от серег к рычагам направляющих лопаток.
К.2.1.9 Смещение оси крышки гидротурбины относительно оси вала допускается в зависимости от диаметра рабочего колеса в пределах:
|
Диаметр рабочего колеса, м |
Величина смещения, мм |
|
до 3,0 |
0,75 |
|
« 5, |
1,50 |
|
« 7,5 |
2,0 |
|
« 9,5 |
2,5 |
|
« 10,5 |
3,0 |
К.2.1.10 В конструкциях гидротурбин с подшипниками направляющих лопаток, расположенными в крышке турбины, центровка последней производится по соосности лопаток со своими подшипниками, с проверкой вращения лопаток.
К.2.2 Рабочие колеса гидротурбин
К.2.2.1 Уплотнительные кольца, насаженные на обод рабочего колеса радиально-осевого типа целиком или отдельными частями, должны быть надежно закреплены на ободе, плотно обжимать его по окружности, а стыки сборного кольца должны быть заварены и тщательно зашлифованы. Неконцентричность между собой верхнего и нижнего уплотнительных колец и несоосность их с валом допускается в пределах 0,1. величины одностороннего зазора в лабиринтном уплотнении рабочего колеса,
К.2.2.2 Уплотнения рабочего колеса поворотно-лопастного типа должны быть испытаны пробным давлением масла в течение 24 ч при температуре рабочего колеса и масла не ниже 5 °С. Величину пробного давления устанавливает завод-изготовитель. Протечки масла через уплотнения лопастей не допускаются.
К.2.2.3 Высотное положение рабочего колеса в кратере (для вертикальных агрегатов) определяются фактическим положением смонтированных фундаментных и закладных частей. При этом зазоры между вращающимися и неподвижными частями гидротурбины могут иметь отклонения от проектных значений в пределах допусков, приведенных в таблице К.1.
К.2.2.4 Зазоры между лопастями рабочего колеса и камерой поворотно-лопастных гидротурбин (в открытом и закрытом положениях лопастей), зазоры между рабочим колесом и неподвижными частями гидротурбины, а также зазоры в лабиринтных уплотнениях радиально-осевых колес, после соединения валов гидроагрегата и центрировании могут иметь отклонения в пределах 20 % от их номинального значения, установленного заводом-изготовителем.
К.2.2.5 Показания величины угла разворота лопастей поворотно-лопастного рабочего колеса по градуировке на шкале маслоприемника должны соответствовать показаниям угла разворота их по градуировке на фланце лопасти.
Таблица К.1 Зазоры между вращающимися и неподвижными частями гидротурбин
|
Место замера |
Величина отклонения (±мм) в зависимости от диаметра рабочего колеса (м) |
||||||
|
2,0 |
4,0 |
6,0 |
8,0 |
9,5 |
10,5 |
||
|
Высотное положение рабочих колес ПЛ-гидротурбин |
От верхней плоскости нижнего кольца НА до верхнего торца втулки РК |
- |
3,0 |
4,0 |
5,0 |
6,0 |
7,0 |
|
Высотное положение рабочих колес РО-гидротурбин |
Совмещение уплотнительных колец на верхнем ободе РК (вращающегося) и в крышке турбины (неподвижного) |
1,0 |
2,0 |
2,5 |
3,0 |
- |
- |
|
Величина выступа кромок входного сечения рабочих колес РО-гидротурбин |
Верхняя и нижняя входные кромки РК относительно плоскости крышки турбины |
1,0 |
1,0 |
2,0 |
3,0 |
- |
- |
|
Зазоры между рабочим колесом и неподвижными частями гидротурбины и в лабиринтных уплотнениях РО-гидротурбин |
В местах, указанных в заводской и монтажной документации |
В пределах 20 % от заданного проектного зазора |
|||||
К.2.2.6 Когда ротор гидроагрегата находится на подпятнике, вертикальные зазоры между неподвижными и вращающимися частями гидротурбины должны не менее чем на 5 мм превышать заданную заводом-изготовителем величину подъема ротора гидрогенератора на тормозах.
К.2.3 Направляющий подшипник гидротурбины
К.2.3.1 К стыковым соединениям корпуса, вкладыша и ванн направляющего подшипника предъявляются требования, относящиеся к плотным соединениям деталей гидротурбин, изложенные в п.п. К.1.3 и К.2.1.1.
К.2.3.2 Зазоры между вкладышем подшипника и валом, замеренные в четырех направлениях, а в сегментном подшипнике - по каждому сегменту, могут иметь отклонения от их проектного значения в пределах до 20 %.
К.2.3.3 Вертикальный зазор в уплотнении торцового (лепесткового) типа должен устанавливаться с учетом изменения высотного положения вала гидроагрегата при нагрузке.
К.2.3.4 Неравномерность зазоров между расточкой верхнего фланца крышки ванны подшипника и валом не должна превышать 0,75 мм.
К.2.4 Маслоприемник и штанги рабочего колеса поворотно-лопастной гидротурбины
К.2.4.1 Перед установкой маслоприемника на место должны быть проверены соосность и зазоры между втулками и штангой. Эти зазоры должны быть равномерными по окружности втулок и соответствовать проектному значению.
К.2.4.2 Нижний опорный фланец маслоприемника при его установке не должен отклоняться от горизонтали более чем на 0,05 мм на 1 м его диаметра.
К.2.4.3 Неравномерность зазоров между гребенками в основании маслоприемника и в маслоотражателе не должна превышать 0,15 мм.
К.2.4.4 Сопротивление изоляции корпуса маслоприемника и обратной связи комбинатора от корпуса магнитной системы должно быть не менее 1 МОм
К.3 Система регулирования гидротурбин
К.3.1 Маслонапорная установка (МНУ)
К.3.1.1 Масловоздушный котел с установленными на нем аппаратурой, приборами и смонтированным маслопроводом должен быть испытан на отсутствие протечек масла и воздуха. При отключенном масляном насосе, закрытых вентилях и гидроклапанах падение рабочего давления в котле
К.3.1.2 Реле пониженного давления (реле давления с перепадом) должно быть настроено так, чтобы резервный масляный насос включался при давлении в котле, которое ниже номинального рабочего давления на величину, указанную в инструкции завода.
К.3.1.3 Реле аварийно-низкого давления должно давать импульс на остановку агрегата при падении давления в МНУ до минимальной величины, необходимой для закрытия направляющего аппарата турбины. Величина этого давления задается заводом-изготовителем.
К.3.2 Колонка регулятора и обратная связь
К.3.2.1 Время перемещения передаточных механизмов в колонке регулятора, действующих от электропривода, не должно превышать заданного заводом-изготовителем, а ручные приводы должны работать плавно, не требуя значительного усилия.
К.3.2.2 Стрелки указателей на колонке регулятора при крайних положениях сервомотора направляющего аппарата должны показывать полное закрытие и величину полного открытия направляющего аппарата.
К.3.3 Маслопроводы системы регулирования
К.3.3.1 Смонтированные напорные маслопроводы испытываются гидравлическим давлением, равным 1,25 рабочего давления, в течение 5 мин. Сливные маслопроводы испытываются давлением 8 кгс/см2 в течение 5 мин. Протечки в сварных швах н фланцевых соединениях не допускаются.
К.3.3. В местах присоединения трубопроводов к оборудованию регуляторов. МНУ и маслоприемнику не должно создаваться усилий, вызываемых деформацией труб. Трубы должны прочно закрепляться на своих опорах (подвесках).
К.4 Гидрогенераторы
К.4.1 Крестовины гидрогенераторов
К.4.1.1 Крестовины генераторов, независимо от их назначения и места установки (на фундаменте, на статоре), должны быть надежно закреплены на своем основании и зафиксированы штифтами, либо фиксирующими планками, которые должны быть надежно приварены к основанию, где они установлены. Смонтированная крестовина может иметь отклонения от установочных данных в пределах следующих допусков:
положение по высотной отметке относительно фланца вала гидротурбины:
опорная (грузонесущая) крестовина ±2,0 мм;
поддерживающая крестовина ±3,0 мм;
соосность с валом гидроагрегата ±1,5 мм;
негоризонтальность 0,1 мм на 1 м диаметра установочной плоскости.
К.4.1.2 Элементы сборных конструкций крестовин в местах их соединений должны быть плотно закреплены. Надлежащее качество креплений в наиболее ответственных соединениях (лапы) обеспечивается предельной расчетной равномерной затяжкой болтов и плотностью стыкуемых плоскостей. Плотным считается соединение, в которое щуп 0,1 мм не проходит. Допускаются местные неплотности, в которые может проходить щуп 0,5 мм на глубину не более 15 % ширины сопрягаемого соединения. Длина отдельного неплотного участка в соединении не должна превышать 200 мм, а суммарная длина всех неплотных участков на одной стороне соединения не должна превышать 20 % ее длины. Достаточная плотность в соединениях элементов крестовины в случае необходимости, может быть достигнута применением подогнанных по месту металлических прокладок. При этом штифтовка не должна быть нарушена.
К.4.1.3 В гидрогенераторах с электрической изоляцией крестовин, величина сопротивления изоляции должна быть не менее 1,0 МОм.
К.4.2 Ротор гидрогенератора
К.4.2.1 В сборном остове (звезде) ротора должна быть обеспечена предусмотренная заводской документацией посадка и плотность его соединения по стыкам. Качество креплений наиболее ответственных соединений (спины с центральной частью, дисками и втулкой) обеспечивается предельной расчетной равномерной затяжкой болтов (шпилек) и плотностью стыкуемых плоскостей.
В этом случае плотным считается соединение, в которое щуп 0,1 мм не проходит. Допускаются местные неплотности, в которые может проходить щуп 0,1, не более 10 % ширины сопрягаемого стыка, а длина отдельного неплотного участка допускается не более 100 мм. Общая длина всех неуплотненных местных участков не должна превышать в сумме 15 % длины соединяемого стыка.
К.4.2.2 Спрессованные пакеты обода ротора могут иметь отклонения по высоте не более 2 % их проектной высоты. Высота полностью опрессованного обода ротора может иметь отклонение от проектной величины в пределах 0,5 %.
К.4.2.3 Полностью собранный спрессованный и затянутый шпильками обод ротора должен быть надежно расклинен на спицах (остове, звезде) при помощи клиньев с предварительным подогревом обода. Величина натяга нагреваемого обода ротора задается заводом-изготовителем.
К.4.2.4 При навешивании полюсов на обод ротора ближайшие по весу полюса или группы полюсов должны располагаться диаметрально противоположно. Отклонение середины сердечника полюса от средней линии ротора допускается в пределах, указанных в таблице К.2.
Таблица К.2 Допуски по ротору гидрогенератора.
|
Место замера |
Величина отклонения (± мм) в зависимости от диаметра ротора (м) |
|||
|
до 5 |
до 9 |
до 15 |
||
|
Неконцентричность обода ротора |
По радиусу от вала или центра втулки ротора до наружной боковой поверхности обода (как среднее арифметическое замеров по верху и по низу обода) |
0,4 |
0,6 |
0,8 |
|
Неконцентричность полюсов |
По радиусу от вала или центра втулки до внешней плоскости сердечника полюса (как среднее арифметическое замеров по верху и по низу полюса) |
0,5 |
0,8 |
1,0 |
|
Высотное положение полюсов относительно обода ротора |
От середины сердечника полюса до средней линии обода ротора |
5,0 |
8,0 |
10,0 |
|
Биение поверхности трения тормозного диска |
Плоскость трения диска |
3,0 |
3,0 |
4,0 |
К.4.2.6 В полностью собранном роторе могут иметь место отступления от проектных данных в пределах допусков, указанных в таблице К.2.
К.4.3 Статор гидрогенератора
К.4.3.1 Смонтированный на фундаменте статор должен быть надежно закреплен на своих фундаментных плитах, а положение его зафиксировано штифтами, как предусмотрено проектом.
К.4.3.2 Пазовые клинья обмотки статора должны плотно прижимать стержень (катушку) в пазу. Плотность прижатия пазовым клином обмотки контролируется простукиванием. Дистанционные распорки должны быть уложены в зазорах плотно с туго натянутыми бандажами.
К.4.3.3 Изоляция соединений обмотки, уложенной в зонах стыковых соединений статора, должна быть плотно наложенной, без ощутимых пустот и вздутий и не должна деформироваться при сжатии ее рукой. Изоляция соединений обмотки с термореактивной изоляцией производится по инструкции завода-изготовителя.
К.4.3.4 Лобовые части обмотки не должны выступать за пределы внутреннего контура активной стали статора. Отклонения лобовых частей обмотки, уложенной при монтаже, по высоте и зазоры в просветах между ними не должны превышать отклонений в остальной части обмотки, уложенной при изготовлении на заводе-изготовителе.
К.4.3.5 Окончательное высотное положение смонтированного статора относительно ротора определяется положением его средней линии, отклонение которой от средней линии ротора не должно превышать 0,5 % высоты активной стали статора.
Примечания: 1. Среднюю линию ротора определяют как среднее арифметическое середины высоты сердечников всех полюсов ротора.
2. Среднюю линию статора определяют как среднее арифметическое середины высоты активной стали всех сегментов статора.
К.4.3.6 Цилиндричность статора, замеренная до опускания ротора, и концентричное расположение ротора в статоре должны обеспечивать равномерную величину воздушного зазора по всей окружности в соответствии с требованиями пункта К.4.2.5 настоящего Приложения.
К.4.3.7 В гидрогенераторах с водяным охлаждением токопроводящих обмоток (статора, ротора) последние должны быть испытаны гидравлическим давлением дистиллята. Порядок и режим испытаний системы водяного охлаждения определяются техническими условиями и инструкцией завода-изготовителя.
К.4.4 Подпятники и направляющие подшипники
К.4.4.1 Общая нагрузка на подпятник должна быть распределена между сегментами равномерно. Отклонение нагрузки, приходящейся на каждый сегмент, не должно превышать ±5 %.
К.4.4.2 В смонтированном подпятнике должна быть обеспечена концентричность образующей окружности сегментов относительно диска пяты. Неконцентричность их взаимного положения допускается в следующих пределах:
|
Диаметр диска пяты, м |
Допускаемая неконцентричность, мм |
|
до 1 |
1,0 |
|
от 1 до 2 |
1,5 |
|
от 2 до 3 |
2,0 |
|
от 3 до 4 |
2,5 |
К.4.4.3 Фланцевые и стыковые соединения масляных ванн подпятника и подшипников и их крышек должны быть плотными. Протечки масла в местах их соединений не допускаются.
К.4.4.4 Сопротивление изоляции от подшипниковых токов должно быть не ниже 1,0 МОм.
К.4.5 Вспомогательное оборудование гидрогенератора
К.4.5.1 Тормозные домкраты должны быть устойчиво закреплены на своих основаниях, а трущиеся поверхности тормозных колодок установлены в одной горизонтальной плоскости. Отклонение расстояния плоскости трения тормозных колодок до наиболее заниженной части тормозного диска от проектной величины допускается в пределах до 3 мм.
(рекомендуемое)
Нормы контроля технического состояния гидрогенераторов
|
Параметры технического состояния |
Повреждения |
Методы контроля |
Допустимые значения параметров |
Режим контроля |
Принятие решений |
||
|
Обмотка статора |
|||||||
|
Сопротивление меди постоянному току |
Нарушение паек головок, обрывы элементарных проводников |
Измерение сопротивления постоянному току ветвей или фаз |
Значения сопротивлений должны быть приведены к одинаковой температуре. Разность сопротивлений фаз не более 2 %, ветвей - не более 5 %. Разность с исходными сопротивлениями не более 2 % |
При выводе генератора в ремонт |
При недопустимых отклонениях сопротивлений проверяется качество паек головок, методика проверки выбирается ремонтной организацией. При обрыве элементарных проводников дефектный стержень находится методом последовательного деления ветви пополам |
||
|
Сопротивление изоляции |
Глубокие истирания, перегрев, трещины вследствие термомеханических циклов |
Измерение сопротивления мегомметром 2500 В. Значения сопротивления отсчитываются через 15 и 60 секунд после начала измерения. Измерение сопротивления изоляции обмоток, непосредственно охлаждаемых дистиллятом, |
R60″ не менее 10 Мом на 1кВ номинального линейного напряжения. Коэффициент абсорбции Кабс = R60″/R15″ не менее 1,3. |
При выводе генератора в ремонт |
При снижении сопротивления ниже допустимого принимаются меры по обнаружению и устранению дефекта, в том числе испытания повышенным выпрямленным и переменным напряжением до пробоя изоляции; |
||
|
должно производиться после удаления и продувки дистиллята и осушения всего тракта сжатым воздухом. |
величины напряжения не должны превышать нормированные. При низком значении коэффициента абсорбции лобовые части должны быть очищены и помыты. Принимаются меры по выявлению глубоких истираний или трещин изоляции лобовых частей. Производится сушка обмотки статора. |
||||||
|
Электрическая прочность изоляции, преимущественно лобовых частей обмотки. |
Глубокие истирания, перегрев, трещины вследствие термомеханических циклов, загрязнение, увлажнение. |
Испытания повышенным выпрямленным напряжением с измерением токов утечки. |
Отсутствие или наличие пробоя изоляции. Оценка состояния изоляции производится также по коэффициенту нелинейности:
где: Uнб - наибольшее испытательное напряжение; Uнм ≈ 0,5Uнб; Iнб, Iнм - значения токов утечки через 60″ с момента установления напряжений. KU должен быть не более 3. Рост тока при выдержке напряжения на ступени является признаком дефекта изоляции. |
При выводе генератора в ремон. |
При пробое изоляции заменяется пробитый стержень (катушка). При больших токах утечки или недопустимом значении коэффициента нелинейности требуется очистка и промывка обмотки с последующей сушкой, принимаются меры по обнаружению и устранению дефектов лобовых частях обмотки и выводных шин. |
||
|
Коэффициент нелинейности не учитывается, если токи утечки не превосходят 50 мкА. Выдержка напряжения на ступени допускается, если ток утечки не превышает 250 мкА. |
|||||||
|
Электрическая прочность изоляции, преимущественно пазовой части, но также и лобовых частей. |
Ниже перечисленные дефекты на последней стадии развития: рыхлость, глубокие истирания, перегрев, трещины вследствие термомеханических циклов, увлажнение, старение. |
Испытание повышенным напряжением промышленной частоты величиной 1,7UН, приложенным к фазе или ветви относительно корпуса и заземлённых других фаз и ветвей в течение 1 мин. Затем напряжение снижается до номинального и выдерживается 5 мин., ведётся наблюдение за короной в лобовых частях. |
Отсутствие или наличие пробоя изоляции. Признаком неудовлетворительного состояния изоляции лобовых частей является сосредоточенное свечение жёлтого и красного цвета, дым. |
При выводе генератора в ремонт. |
При пробое изоляции заменяется стержень (катушка). При наличии разрядов желтого и красного свечения требуется очистка и промывка обмотки с последующей сушкой, принимаются меры по обнаружению и устранению дефекта в лобовых частях обмотки. |
||
|
Состояние изоляции и токоведущих частей. |
Ниже перечисленные дефекты изоляции и токоведущих частей на ранней стадии развития: рыхлость, глубокие истирания, перегрев, трещины вследствие термомеханических циклов, увлажнение, старение изоляции; усталостное разрушение меди, нарушение контактных соединений. |
Измерение частичных разрядов в рабочем состоянии генератора и на остановленном генераторе при подаче фазного, но не ниже 6 кВ, напряжения промышленной частоты от постороннего источника. Измерения производятся с применением специальной методики и аппаратуры. |
Приведенный уровень частичных разрядов не выше 150 мкВ/м, отсутствие разрядов искрового типа (пазовых разрядов), дуговых разрядов. |
В рабочем состоянии генератора непрерывно и при выводе в ремонт. |
При превышении критического уровня частичных разрядов требуется замена стержней с изношенной изоляцией. В гидрогенераторах с термореактивной изоляцией при наличии пазовых разрядов требуется уплотнение дефектных стержней в пазах. |
||
|
Состояние полупроводящего покрытия изоляции. |
Обрывы и истирание полупроводящей ленты или лака, повреждение пазовым разрядом. |
Обследование извлеченных стержней, измерение мегомметром 2500 В удельного поверхностного сопротивления покрытия, измерение частичных разрядов по пазам статора. |
Отсутствие видимых повреждений. Удельное поверхностное сопротивление пазового покрытия должно составлять 104 - 106 Ом, лобового покрытия 108 - 109 Ом. |
При выводе генератора в ремонт |
При массовом повреждении покрытия вследствие вибрации стержней и пазовых разрядов требуется полная перемотка, в других случаях требуется уплотнение стержней в пазах боковыми волнистыми полупроводящими прокладками. Покрытие лобовых частей следует восстановить. |
||
|
Физико-механические характеристики изоляции |
Общая или локальная рыхлость; истирание в лобовых и доступных для осмотра пазовых частях; локальные признаки повышенного нагрева; порезы, истирания и другие значительные повреждения. |
Осмотр с использованием лупы, эндоскопов, аппаратуры для фотосъёмки. При необходимости осмотр извлеченных верхних стержней (сторон катушек). При осмотре оценивается наличие или отсутствие и степень развития. |
Нормированные показатели допустимой степени развития дефектов отсутствуют. Заключение о состоянии изоляции и её пригодности для дальнейшего использования составляется экспертным путём. |
При выводе генератора в ремонт |
Для принятия решения о работоспособности изоляции назначается экспертная комиссия. При массовых повреждениях изоляции требуется полная перемотка статора. |
||
|
Температура меди |
Перегрев |
Штатный контроль по заложенным термосопротивлениям; испытания на нагревание. |
Температура не выше допустимой для данного класса изоляции. |
В соответствии с графиком заполнения суточных ведомостей температур; в соответствии с методикой испытаний на нагревание. |
Снизить нагрузку генератора до выяснения причины перегрева. |
||
|
Вибрация лобовых частей |
Ослабление бандажных вязок лобовых частей, креплений стержней в пазах, повреждение изоляции. |
Вибрационный контроль на гидрогенераторах мощностью более 50 МВт |
Вибрация с частотой 100 Гц: работоспособное (удовлетворительно), до 50 мкм; неработоспособное (неудовлетворительно), 50 - 100 мкм; предельное (недопустимо), более 100 мкм |
Работоспособное - 1 раз в 4 - 6 лет перед капитальным ремонтом. Неработоспособное, 1 раз в 2 года, до ближайшего планового капитального ремонта. Предельное, не реже 1-го раза в год до выполнения соответствующих ремонтно-профилактических работ. |
Неработоспособное - восстановление бандажных вязок лобовых частей, стержней в пазах статора. Предельное - проведение упомянутых мероприятий, ставится вопрос о модернизации системы крепления или замены обмотки. |
||
|
Состояние крепления обмотки и выводных шин. |
Истирание изоляции в местах прилегания к элементам крепления. |
Оценка крепления обмотки в пазовой части производится на основании осмотров главным образом на выходе из паза и простукиванием пазовых клиньев. Оценка крепления обмотки в лобовых частях производится на основании осмотра и результатам измерения вибрации головок с частотой 100 Гц при номинальной нагрузке. |
Экспертная оценка по результатам осмотра. |
При вводе генератора в эксплуатацию, перед выводом в ремонт и во время ремонта. |
При ослаблении крепления обмотки в пазах требуется уплотнение в пазах и переклиновка. При ослаблении крепления в лобовых частях производится замена вязок (для термореактивной изоляции с применением «препрега»). При массовом ослаблении крепления и глубоких истираниях изоляции требуется перемотка статора. |
||
|
Состояние проходных и опорных изоляторов генераторного напряжения. |
Загрязнение и отпотевание проходных и опорных изоляторов экранированных токопроводов генераторного напряжения после длительного простоя гидрогенератора. |
Испытание изоляторов экранированных токопроводов генератор-трансформатор перед пуском номинальным напряжением. |
Изоляторы должны выдержать испытание номинальным напряжением. |
Перед пуском гидрогенератора после длительного простоя в холодное время года. |
В случае перекрытия изоляторов во время испытаний производится их очистка и вентиляция токопроводов горячим воздухом. |
||
|
Стальные конструкции статора |
|||||||
|
Радиальная «полюсная» (100 Гц) и низкочастотная («оборотная» и кратные ей) вибрация сердечника и корпуса. |
Ослабление, повреждение системы крепления активной стали сердечника, корпуса к фундаменту вследствие повышенных вибраций. |
Вибрационный контроль на работающем агрегате. На остановленном агрегате - осмотр. |
Работоспособное (удовлетворительно), до 30 мкм. Неработоспособное (неудовлетворительно), более 30 мкм, начало накопления дефектов. Предельное (недопустимое), более 30 мкм, наличие серьёзных дефектов и повреждений. Работоспособное (удовлетворительно), до 80 мкм; неработоспособное (неудовлетворительно), 80 - 180 мкм, начало накопления дефектов; |
Работоспособное - 1 раз в 4 - 6 лет, перед капитальным ремонтом. Неработоспособное - 1 раз в год, до выполнения ремонтных работ. Предельное - 1 раз в полгода, до выполнения ремонтных работ. Контроль после капитального ремонта выполняется в случаях реализации рекомендованных восстановительных работ. |
На гидрогенераторах с разъёмным статором при фиксации неработоспособного и предельного состояний в ближайший ремонт выполняется уплотнение стыков секторов сердечника статора с устранением дефектов и повреждений. Выявление причин повышенных вибраций, не связанных с разуплотнением стыков секторов статора, осуществляется с привлечением сторонних организаций. |
||
|
предельное (недопустимое), более 180 мкм, наличие серьёзных дефектов и повреждений. |
|||||||
|
Нарушение формы статора |
Одностороннее магнитное тяжение. Неравномерный нагрев сегментов генераторных подшипников |
Контроль на работающем агрегате электромагнитным методом; метрические измерения на остановленном агрегате при ремонте. |
Dc - степень искажения формы статора; υ - температура сегментов направляющих подшипников. Работоспособное (удовлетворительно): Dc < 5 %; υ < υном. Неработоспособное (неудовлетворительно): Dc = (5 - 15); υ < (υном. + 5). Предельное (недопустимое): Dc > 15; υ > (υном. + 10). Наличие серьёзных дефектов и повреждений. |
Работоспособное - 1 раз в 4 - 6 лет, перед капитальным ремонтом. Неработоспособное - 1 раз в год, до выполнения ремонтных работ. Предельное - 1 раз в полгода, до выполнения ремонтных работ. Контроль после капитального ремонта выполняется в случаях реализации рекомендованных восстановительных работ. |
При фиксации неработоспособного и предельного состояний в ближайший ремонт выполняется коррекция формы статора, относительного положения ротора и статора с устранением возможных дефектов и повреждений. |
||
|
Потери и нагрев сердечника. |
Массовое нарушение лаковой изоляции шихтованных листов активной стали сердечника статора. |
Испытания на потери и нагрев методом кольцевого намагничивания. Сердечники статоров гидрогенераторов с косвенной системой охлаждения обмоток испытываются 90 мин. при индукции 1,0 ± 0,1Т. При непосредственном охлаждении обмотки |
Оценка состояния сердечника производится по результатам измерения нагрева за время испытания и по величине удельных потерь. Наибольшее повышение температуры 25 ºС, наибольшая разность нагревов различных зубцов не более 15 ºС. |
Проводятся во время ремонта генератора при демонтаже ротора. |
При превышении нагревов или удельных потерь относительно допустимых значений решение о мерах по устранению превышений и о работоспособности сердечника должно приниматься экспертной комиссией. |
||
|
статора, испытание проводится 45 мин. при индукции 1,4 ± 0,1Т. Определяются удельные потери Р. Если индукция Висп. отлична от указанных значений, то продолжительность испытаний tисп и удельные потери уточняются по формулам: tисп. = 90 (1,0/Висп.)2 или tисп. = 45 (1,4/Висп.)2; Р1,0 = Рисп. (1,0/Висп.)2 или Р1,4 = Рисп. (1,4/Висп.)2, где: Рисп. - удельные потери, определённые по результатам измерений при испытании. |
Удельные потери в стали не должны превышать их исходные значения при заведомо хорошем состоянии сердечника более чем на 10 %. Если исходных значений нет, то удельные потери не должны быть больше значений, нормированных для различных марок стали. |
||||||
|
Очаги опасного замыкания листов активной стали |
Локальные перегревы активной стали и изоляции обмотки статора. |
Метод высокочастотного сканирования расточки статора с помощью индуктора, подключённого к генератору синусоидального тока частоты 1,5 кГц, напряжения 30 В и уравновешенной индикаторной схеме. Признаком замыкания является расстройство равновесия схемы и увеличение тока питания индуктора. |
Опасность замыкания определяется по результатам градуировки. Зависимость тока индуктора от мощности тепловыделения в месте замыкания практически линейна, поэтому есть возможность оценивать по показанию индикатора расчётную мощность в месте дефекта при рабочих индукциях. |
Во время ремонта генератора. |
В случае обнаружения очагов с опасной мощностью тепловыделения следует провести испытания сердечника на потери и нагрев при кольцевом намагничивании с большой индукцией (1,0 Т или 1,4 Т) для подтверждения наличия дефекта. |
||
|
Плотность прессовки пакетов сердечника. |
Разрушение пакетов активной стали зубцовой зоны. Повреждение изоляции обмотки статора |
Контроль выполняется на остановленном агрегате при выемке ротора или при провороте ротора краном с демонтажем нескольких полюсов. |
Оценка по глубине проникновения тарировочного ножа в пакеты сердечника и по результатам осмотра. Работоспособное (удовлетворительно)- глубина проникновения ножа < 5 мм, замечаний нет. Неработоспособное (неудовлетворительно), > 5 мм, незначительная контактная коррозия. Предельное (недопустимое), > 5 мм, обильная контактная коррозия, повреждения пакетов сердечника, изоляции стержней. |
Работоспособное - 1 раз в 4 - 6 лет, во время капитального ремонта. Неработоспособное - 1 раз в год, до выполнения ремонтных работ. Предельное - 1 раз в полгода, до выполнения ремонтных работ. |
Ремонтно-восстановительные мероприятия проводятся при неработоспособном и предельном состояниях. Устанавливаются немагнитные уплотняющие клинья в ослабленные пакеты активной стали. Устанавливаются «протезы» в разрушенные пакеты. Восстанавливается изоляция стержней обмотки статора. |
||
|
Нагрев сердечника |
Повреждение изоляции обмотки статора. |
Испытания на нагревание. |
Значения температур, округлённые в большую сторону до 5 °С, не должны превышать определённые при испытании на нагревание генератора при вводе в эксплуатацию. |
Производится в нормальных установившихся режимах при испытаниях гидрогенератора на нагревание. |
При наличии перегрева принимаются меры по усилению охлаждения статора или снижается допустимая нагрузка генератора |
||
|
Состояние узлов крепления сердечника к корпусу, корпуса к фундаменту. |
Ослабление, повреждение системы крепления активной стали сердечника, корпуса к фундаменту |
Вибрационный контроль на работающем и осмотр на остановленном агрегате. |
Наличие таких дефектов является недопустимым и требует проведения дополнительных исследований для разработки мероприятий по устранению дефектов и причин их возникновения. |
Производится в нормальных установившихся режимах работы генератора и во время ремонта генератора. |
Выявленные дефекты устраняются. |
||
|
Стальные конструкции ротора |
|||||||
|
Нарушение формы ротора. |
Повышенная низкочастотная, «оборотная» вибрация статора. Ослабление, повреждение системы крепления активной стали сердечника, корпуса к фундаменту. Ослабление плотности посадки обода на спицах ротора. |
Контроль на работающем агрегате электромагнитным методом; метрические измерения на остановленном агрегате при ремонте. |
Работоспособное (удовлетворительно), до 80 мкм, ∆р £ 3 %. Неработоспособное (неудовлетворительно) (80 - 180) мкм, 3 < ∆р £ 8; начало накопления дефектов. Предельное (недопустимое), более 180 мкм, ∆р > 8; наличие серьёзных дефектов и повреждений |
Работоспособное (удовлетворительное) - 1 раз в 4 - 6 лет, перед капитальным ремонтом. Неработоспособное (неудовлетворительное) - 1 раз в год, до выполнения ремонтных работ. Предельное (недопустимое) - 1 раз в полгода, до выполнения ремонтных работ. Контроль после капитального ремонта выполняется в случаях реализации рекомендованных восстановительных работ. |
При фиксации неработоспособного и предельного состояний в ближайший ремонт выполняется коррекция формы ротора с устранением возможных дефектов и повреждений (в том числе излома вала). |
||
|
Плотность посадки обода на спицах ротора. |
«Провисание» обода, разрушение посадочного узла обода на спицах ротора. Ударное взаимодействие обода с тормозными колодками на работающем агрегате. |
На остановленном агрегате при ремонте. |
При подъёме ротора на тормоза аксиальное перемещение обода относительно остова (спиц) ротора остановленного агрегата не должно превышать 5 - 10 мм. |
С учётом результатов контроля низкочастотной («оборотной» и кратных ей) вибраций статора, но не реже 1 раза в 7 - 8 лет. |
Горячая расклиновка обода - равномерная при удовлетворительной форме ротора или с учётом необходимости коррекции формы ротора. |
||
|
Воздушный зазор. |
Повышенные низкочастотная («оборотная» и кратные ей), «полюсная» (100 Гц) вибрации статора, одностороннее магнитное тяжение, неравномерный нагрев сегментов генераторного подшипника; ослабление, повреждение системы крепления активной стали сердечника, корпуса к фундаменту. |
Контроль на работающем агрегате электромагнитным методом; метрические измерения на остановленном агрегате при ремонте. |
Воздушный зазор между статором и ротором в диаметрально противоположных точках не должен отличаться друг от друга более чем на ±20 % от среднего значения, равного их полусумме. |
Периодичность в соответствии с оценкой форм статора, ротора. |
Выполняются ремонтно-профилактические мероприятия в зависимости от результатов вибрационного контроля, контроля форм статора и ротора. |
||
|
Обмотка возбуждения и демпферная система |
|||||||
|
Сопротивление постоянному току обмотки возбуждения. |
Нарушение паяных и контактных соединений, трещины меди обмотки возбуждения. |
Измерение сопротивления постоянному току. Производится в холодном состоянии гидрогенератора для обмотки возбуждения в целом и для каждого полюса в отдельности или попарно. |
Измеренные значения сопротивлений не должны отличаться от исходных при одинаковых температурах более чем на 2 %. |
Во время ремонта генератора. |
Ревизуются паяные и контактные соединения с целью выявления и устранения их дефектов. В случае трещины меди обмотки дефектный полюс перематывается. |
||
|
Сопротивление постоянному току приводится к температуре 15 °С. Кроме того, измеряется переходное сопротивление между катушками полюсов. |
|||||||
|
Сопротивление переменному току. |
Витковые замыкания в обмотке возбуждения. |
Измерение сопротивления обмотки возбуждения переменному току производится при неподвижном роторе. Напряжение промышленной частоты подводится к обмотке каждого полюса или каждой пары полюсов. Величина напряжения определяется из условия 3 В на виток, но не более 200 В. Для сравнения результатов измерения с данными предыдущих измерений необходима идентичность условий: одинаковые напря-жения, аналогичное состояние генератора - вставленный или вынутый ротор, разомкнутая или замкнутая накоротко обмотка статора при вставленном роторе |
Отклонение полученных при обследовании результатов от данных предыдущих измерений или от среднего значения измеренных сопротивлений полюсов или пар полюсов не должно превышать 5 %. |
Во время ремонта генератора. |
При наличии виткового замыкания дефектный полюс перематывается. |
||
|
Электрическая прочность изоляции |
Различные дефекты корпусной изоляции обмотки возбуждения. |
Измерение сопротивления изоляции мегаомметром с номинальным напряжением 1000 В, испытания приложенным повышенным напряжением промышленной частоты, осмотр. |
Сопротивление изоляции при температуре 10 - 30 °С должно быть не менее 1 Мом. Изоляция должна выдерживать в течение 1 мин. испытательное напряжение промышленной частоты, равное шестикратному номинальному напряжению возбуждения, но не менее 1000 В. |
Во время ремонта генератора. |
Дефектный полюс перематывается. |
||
|
Нагрев обмотки |
Нарушение паяных и контактных соединений, трещины меди обмотки возбуждения. |
Испытания на нагрев по стандартной методике. Средняя температура обмотки определяется методом измерения сопротивления при установившихся по нагреву режимах гидрогенератора, указанных в методике. При осмотре, а также с помощью термоэтикеток или термокрасок определяется наличие локальных недопустимых перегревов паяных соединений на перемычках между обмотками соседних полюсов |
Средняя температура обмотки не должна превышать температуру определённую ранее (исходную) при заведомо исправном состоянии генератора, более чем на 5 °С при номинальном токе возбуждения. При этом абсолютное значение средней температуры не должно быть больше допустимых значений для данного класса изоляции. |
Во время ремонта генератора. |
Ревизуются паяные и контактные соединения с целью выявления и устранения их дефектов. В случае трещины меди обмотки дефектный полюс перематывается. |
||
|
Локальные дефекты демпферной системы, стальных конструкций полюсов. |
Следы недопустимого нагрева стержней демпферной системы, мест их заделки в замыкающие сегменты, перемычек демпферной системы между полюсами, полюсных наконечников; - наличие изломов или трещин в элементах демпферной системы, стальных конструкциях ротора; - ослабление расклиновки полюсов на ободе; - ослабление всех болтовых соединений в зоне полюсов. |
Состояние демпферной системы, полюсных наконечников и других стальных элементов ротора оценивается по результатам их осмотра с использованием технических средств. |
Наличие таких дефектов является недопустимым и требует проведения дополнительных исследований для разработки мероприятий по устранению дефектов и причин их возникновения |
Во время ремонта генератора. |
Выявленные дефекты устраняются. |
||
|
Щеточно-контактный аппарат |
|||||||
|
Дефекты щеточно-контактного аппарата: |
Повышенная вибрация и бой контактных колец. |
Выявляются в рабочем режиме гидрогенератора с применением индикатора-микрометра часового типа, а также бесконтактных индикаторов (например, индуктивного типа) |
Величина вибрации и боя не нормированы, опасность оценивается на основе опыта эксплуатации. |
В рабочем состоянии генератора. |
Повышенная вибрация и бой устраняются проточкой колец в допустимых по заводской инструкции пределах. В случае сильной деформации колец требуется их замена. |
||
|
Снижение сопротивления изоляции контактных колец |
Выявляется профилактическими испытаниям. Испытательное напряжение выпрямленное, 0,8 заводского испытательного напряжения. |
Величина сопротивления не ниже 1 МОм. |
Во время ремонта генератора. |
Снижение сопротивления устраняется очисткой и промывкой изоляции. В случае пробоя требуется переизолировка колец. |
|||
|
Загрязнение контактных колец, повышенный износ щеток, ослабление соединения колец с шинами обмотки возбуждения. |
Выявляются осмотром. |
Состояние оценивается экспертным путем. |
В рабочем режиме генератора и во время ремонта. |
Загрязнение удаляется очисткой и промывкой колец. При повышенном износе щеток требуется их замена на более твердые. Ослабление контакта с шинами устраняется подтяжкой или заменой токоведущих болтов. |
|||
|
Перегрев контактных колец и щеток. |
Выявляются измерением их температуры с помощью дистанционного пирометра или измерением инфракрасного излучения при наличии соответствующей аппаратуры, а также визуально по следам перегрева - цветам побежалости. |
Допустимая температура указывается в заводской инструкции. |
В рабочем режиме генератора. |
Проверяется равномерность распределения тока по щеткам, степень прижатия щеток, состояние поверхности контактных колец и наличие политуры. |
|||
|
Повышенное искрение щеток сопровождает большинство дефектов щеточно-контактного аппарата. |
Выявляется осмотром и при помощи специальной аппаратуры регистрации повышенного искрения. |
Точные критерии оценки по результатам осмотра не устанавливаются. При применении специальной аппаратуры оценка производится согласно инструкции по ее эксплуатации. |
В рабочем режиме генератора. |
В первую очередь проверяется достаточность прижатия искрящих щеток к кольцам. Затем проверяется наличие всех выше перечисленных дефектов. |
|||
(обязательное)
Методические указания по проведению осмотров гидрогенераторов
М.1 Введение
Настоящее Приложение устанавливает перечень конструктивных частей гидрогенератора, подлежащих осмотру, методы и приемы осмотра, признаки, параметры и критерии их исправного состояния, перечень возможных отклонений от исправного состояния.
Периодичность осмотров определяется в установленном порядке. Осмотры могут быть приурочены к плановым ремонтам, а также могут быть проведены в объеме, определяемом техническим руководителем ГЭС, после работы гидрогенератора в нештатном (опасном) режиме и/или его повреждений при работе.
Периодичность осмотров может быть изменена на основании результатов предыдущих осмотров и/или освидетельствований, а также в зависимости от состояния конкретного гидрогенератора.
М.2 Порядок составления заключения о техническом состоянии гидрогенератора по результатам осмотра.
М.2.1 Заключение о техническом состоянии гидрогенератора по результатам осмотра составляет комиссия, образованная техническим руководителем ГЭС.
М.2.2 В состав комиссии целесообразно включать:
- уполномоченных представителей подразделений ГЭС,
- специалистов ГЭС, обслуживающих гидрогенераторы,
- представителей (специалистов) привлекаемой ремонтной организации.
В комиссию могут быть введены по согласованию представители завода-изготовителя и других специализированных организаций.
М.2.3 В заключении и приложениях к нему должны содержаться следующие данные:
- технические характеристики: тип гидрогенератора, мощность, напряжение, завод-изготовитель, тип обмотки, тип изоляции, число стержней (катушек);
- дата ввода в эксплуатацию и наработка;
- сведения по повреждениям в работе: даты повреждений, причины, места повреждений, объем ремонта;
- результаты осмотра конструктивных частей гидрогенератора, перечень которых приведен ниже, с указанием обнаруженных отклонений от исправного состояния и обоснования необходимости, объема и сроков ремонта.
М.3 Оформление заключения о техническом состоянии гидрогенератора по результатам осмотра.
Заключение подписывают все члены комиссии и утверждает технический руководитель ГЭС.
М.4 Конструктивные части гидрогенераторов, подлежащие осмотру.
М.4.1 Сердечник и корпус статора.
|
Элементы конструкции, подлежащие осмотру |
Признаки неисправного состояния |
Описание признака |
Способ осмотра |
|
Активная сталь сердечника со стороны спинки и расточки |
Контактная коррозия активной стали и клиньев |
Интенсивность: слабая - крапинки или неравномерный налет красноватого оттенка; обильная - сплошные участки налета густого кирпичного цвета. Оценка площади пораженной поверхности (%) на обследуемом участке |
Визуальный |
|
Местные перегревы |
Характерные пятна или цвета побежалости, их примерная площадь |
Визуальный |
|
|
«Волна» пакетов |
Протяженность волны, ее амплитуда |
Визуальный с помощью линейки |
|
|
Смещение листов в пакетах |
Число смещенных листов, длина выступающей части |
Визуальный с помощью линейки или штангенциркуля с ценой деления 0,1 мм |
|
|
Ослабление прессовки и распушивание |
Глубина проникновения специального контрольного ножа |
Специальный контрольный нож с нанесенными делениями |
|
|
Стыковые зоны сердечника и корпуса |
Выпучивание пакетов активной стали - «домики» |
Число «домиков», их высота |
Визуальный с помощью линейки с ценой деления 1 мм |
|
Относительное смещение пакетов активной стали |
Число смещенных пакетов, величина смещения |
Визуальный с помощью линейки с ценой деления 1 мм |
|
|
Ослабление затяжки гаек стяжных болтов стыковых плит |
Наличие трещин в сварных швах, стопорящих гайки; угол дозатяжки гаек |
Визуальный, гаечный ключ |
|
|
Износ (истирание) изоляционных прокладок в стыках секторов |
Наличие продуктов истирания прокладок - «пыли» желто-серого цвета или кусочков прокладки |
Визуальный |
|
|
Появление или увеличение зазоров в стыках секторов |
Величина зазоров в стыках, соотнесенная с монтажными или ремонтными данными |
Визуальный с применением набора щупов |
|
|
Узлы крепления активной стали сердечника к корпусу |
Трещины и обломы клиньев и их «ласточкиных хвостов» |
Число трещин в клиньях, их размеры или сечение облома. Цвет металла в изломе (тусклый, светлый) |
Визуальный с помощью лупы, линейки и набора щупов |
|
Обломы заплечиков «ласточкиных хвостов» листов активной стали |
Число единичных обломов или длина (вдоль клина) массового повреждения |
Визуальный |
|
|
Трещины и обрывы сварных швов приварышей |
Число швов с обрывами или с трещинами, размеры трещин |
Визуальный с помощью лупы, линейки с ценой деления 1 мм |
|
|
Вентиляционные распорки |
Ослабление крепления и смещение |
Подвижность при шевелении рукой |
Ощупыванием |
|
Стяжные шпильки сердечника |
Трещины и обрывы |
Цвет металла в изломе (тусклый, светлый). Размер трещин |
Визуальный с помощью лупы, линейки с ценой деления 1 мм |
|
Ослабление затяжки гаек |
Состояние стопорных шайб, угол дозатяжки гаек |
Визуальный, гаечный ключ |
|
|
Нажимные гребенки |
Перекос |
Примерный угол перекоса или разница в высоте краев гребенки |
Визуальный с помощью лупы, линейки с ценой деления 1 мм |
|
Излом, трещина, изгиб нажимных пальцев |
Число дефектных нажимных пальцев, характер изгиба или излома |
Визуальный |
|
|
Ослабление затяжки отжимных болтов |
Угол дозатяжки болтов |
Визуальный, гаечный ключ |
|
|
Элементы крепления корпуса статора к фундаменту |
Натиры и выползание штифтов фланца корпуса |
Длина натиров или выползшей части |
Визуальный с помощью лупы, линейки с ценой деления 1 мм |
|
Обрыв стопорных швов и ослабление затяжки гаек анкерных болтов крепления фланца корпуса к фундаментной плите |
Наличие трещин в стопорных швах и угол дозатяжки гаек |
Визуальный, гаечный ключ |
|
|
Выкрашивание бетона у фундаментной плиты и фланца корпуса |
Интенсивность выкрашивания |
Визуальный |
|
|
Элементы крепления верхней крестовины |
Обрыв стопорных швов и ослабление затяжки гаек |
Наличие трещин в стопорных швах и угол дозатяжки гаек |
Визуальный, гаечный ключ |
|
Натиры и выползание штифтов |
Длина натиров или выползшей части |
Визуальный с помощью лупы, линейки с ценой деления 1 мм |
|
|
Воздухоохладители |
Утечка воды из трубок |
Интенсивность протечки |
Визуальный и наощупь |
М.4.2 Обмотка статора.
|
Элементы обмотки |
Признаки неисправного состояния |
Критерий исправного состояния |
Способ обследования |
|
Покровная эмаль лобовых частей перемычек, соединительных шин бандажных колец |
Повреждение эмали на лобовых частях перемычек, соединительных шинах, бандажных кольцах |
Отсутствие повреждений (отслоение, выкрашивание и т.п.) |
Визуальный |
|
Покровная стеклолента лобовых частей |
Разрывы ленты |
Отсутствие разрывов ленты |
Визуальный |
|
Полупроводящее покрытие |
Разрывы асболавсановой ленты |
Отсутствие разрывов асболавсановой ленты |
Визуальный, в пазовой части с применением эндоскопа |
|
Следы коронирования |
Отсутствие следов коронирования в виде белесых пятен |
||
|
Слюдосодержащая изоляция лобовых частей, бандажных колец, перемычек и соединительных шин |
Истирание термореактивной изоляции |
Отсутствие истирания |
Визуальный |
|
Смятие и истирание термопластичной изоляции (микалентной компаундированной, гильзовой и т.п.) |
Глубина смятия (истирания) не более 1,0 мм |
Визуальный |
|
|
Изломы, забоины, разрывы, проколы |
Отсутствие изломов, забоин, разрывов и проколов изоляции лобовых частей, бандажных колец, перемычек и соединительных шин |
Визуальный |
|
|
Вспухание МКИ на выходе из пазов |
Толщина стержня (катушки) на выходе из паза не превышает ширину паза более, чем на 20 %. Число стержней (катушек) не нормируется |
Штангенциркуль с ценой деления 0,1 мм |
|
|
Изоляция паяных соединений |
Почернение, вспухание, осыпание, обгорание изоляции (коробок головок) |
Отсутствие внешних признаков повреждения |
Визуальный |
|
Пазовые клинья |
Ослабление клиньев |
Отсутствие выпавших, расколотых клиньев |
Визуальный |
|
Зазор между стыками клиньев не должен превышать 2 мм |
Линейка с ценой деления 1 мм |
||
|
Отсутствие несовпадения вентиляционных вырезов в клиньях с вентиляционными каналами |
Визуальный |
||
|
Отсутствие ослабления установки концевых клиньев |
Молоток малый 0,3 - 0,5 кг |
||
|
Ослабление установки рядовых клиньев должно быть не более 20 % длины паза |
Молоток малый 0,3 - 0,5 кг |
||
|
Пазовые прокладки |
Выдвижение из паза в зону лобовых частей |
Выдвижение из паза на длину не более 30 мм |
Визуальный, линейка с ценой деления 1 мм |
|
Кронштейны лобовых частей |
Смещение кронштейнов от руки |
Отсутствие смещения |
Визуальный |
|
Бандажные кольца |
Отход бандажного кольца от кронштейна или от лобовой части обмотки |
Отсутствие зазора между кольцом и кронштейном, между кольцом и лобовой частью |
Визуальный |
|
Дистанционные прокладки, распорки, колодки |
Выпавшие прокладки, распорки, колодки |
Отсутствие выпавших прокладок, распорок, колодок |
Визуальный |
|
Шнуровые бандажи |
Разорванные бандажи |
Отсутствие разорванных бандажей |
Визуальный |
|
Ослабленные бандажи |
Отсутствие ослабленных бандажей |
Визуальный |
|
|
Фторопластовые шланги |
Сплошное загрязнение внутренних поверхностей |
- |
Визуальный, с помощью переносной лампы |
|
Забоины, царапины, перегибы |
- |
Визуальный |
|
|
Лобовые части и соединительные шины схемы |
Запыление |
Не нормируется |
Визуальный |
|
Замасливание: - аэрозольная форма; - капельная форма |
Не нормируется |
Визуальный |
|
|
Загрязнение |
Не нормируется |
Визуальный |
|
|
Увлажнение, наличие капельной воды |
Не нормируется |
Визуальный |
М.4.3 Ротор.
|
Элементы конструкции |
Признаки неисправного состояния |
Описание признака |
Способ обследования |
|
Полюса |
Нарушение приварки клиньев |
Число треснувших швов, цвет металла в трещине |
Визуальный |
|
Выползание клиньев |
Наличие натиров и рисок на клиньях, их длина. Звук при пробной забивке кувалдой (глухой или звонкий) |
Визуальный, линейка с ценой деления 1 мм. На слух при пробной забивке |
|
|
Контактная коррозия на клиньях |
Интенсивность коррозии. Примерная площадь на клине и прилегающих частях обода и полюса |
Визуальный |
|
|
Местные перегревы активной стали |
Характерные пятна или цвета побежалости, их примерная площадь |
Визуальный |
|
|
Повреждение корпусной изоляции обмотки |
Обугливание изоляции. Место и степень обугливания |
Визуальный |
|
|
Наличие токопроводящих мостиков |
Визуальный |
||
|
Повреждение витковой изоляции обмотки |
Механическое повреждение изоляции витков. Место и характер повреждения |
Визуальный |
|
|
Термическое повреждение изоляции витков. Место и характер повреждения |
Визуальный |
||
|
Наличие капель оловянно-свинцового припоя между витками обмотки, число капель |
Визуальный |
||
|
Замасливание и запыленность обмотки. Место и площадь |
Визуальный |
||
|
Обод |
Нарушение приварки клиновых шпонок |
Число треснувших швов, цвет металла в изломе |
Визуальный с помощью лупы |
|
Выползание клиновых шпонок |
Наличие натиров и рисок на клиньях, их длина. Звук при пробной забивке кувалдой (глухой или звонкий) |
Визуальный, линейка с ценой деления 1 мм. На слух при пробной забивке |
|
|
Контактная коррозия на клиновых шпонках |
Интенсивность коррозии. Примерная площадь на клиновой шпонке и прилегающих частях обода и спицы. |
Визуальный |
|
|
Спицы |
Трещины и сколы заплечиков клиновой полосы |
Число повреждений на каждой спице. Характер излома |
Визуальный с помощью лупы |
|
Ослабление затяжки гаек |
Наличие трещин в стопорных швах, угол затяжки гаек |
Визуальный, гаечный ключ |
|
|
Натиры и выползние штифтов |
Длина натиров или выползшей части |
Визуальный, линейка с ценой деления 1 мм |
|
|
Токоподвод |
Повреждения изоляции |
Локальные или общие повреждения, их характер (старение, механическое повреждение) |
Визуальный |
|
Нарушение целости элементов крепления |
Число поврежденных или ослабленных зажимов |
Визуальный |
|
|
Контактные кольца |
Неравномерность износа |
Величина неравномерности |
Щуп, лекальная линейка |
|
Следы эрозии |
Число участков со следами эрозии, их площадь или процентное соотношение |
Визуальный |
|
|
Подгары |
Число участков с подгарами, их площадь или процентное соотношение |
Визуальный |
|
|
Матовая поверхность |
Число участков с матовой поверхностью, их площадь или процентное соотношение |
Визуальный |
|
|
Контактные соединения обмотки возбуждения и демпферной обмотки |
Трещины и изломы перемычек обмоток возбуждения и их креплений |
Число поврежденных пластин в перемычке, примерные размеры трещины или сечение излома, цвет металла в изломе |
Визуальный с помощью лупы |
|
Трещины и изломы соединений демпферной обмотки |
Число поврежденных пластин в перемычке, примерные размеры трещины или сечение излома, цвет металла в изломе |
Визуальный с помощью лупы |
|
|
Нарушение крепления и контровки межполюсных и демпферных соединений |
Степень ослабления крепления: сильная - при взаимном перемещении сочленяемых деталей, слабая - при ослаблении затяжки гаек |
Визуальный, гаечный ключ |
|
|
Перегревы перемычек обмоток возбуждения |
Характерные пятна и цвета побежалости, их примерная площадь. Потеки припоя |
Визуальный |
|
|
Перегревы соединений демпферной обмотки |
Характерные пятна и цвета побежалости, их примерная площадь. Потеки припоя |
Визуальный |
М.5 Формуляры регистрации дефектов и повреждений.
М.5.1 Сердечник и корпус статора.
Обнаруженные при осмотре признаки неисправного состояния заносятся в таблицу рекомендуемой формы:
|
Название ГЭС, номер генератора, дата осмотра |
||||||
|
№№ п/п |
Наименование признаков неисправного состояния |
Место обнаружения дефекта |
Оценка признака или его описание |
|||
|
сектор |
клин |
паз (охладитель) |
пакет |
|||
|
1 |
2 |
3 |
4 |
5 |
6 |
7 |
В таблице помимо наименования признака (графа 2) указывают:
- место обнаружения признака: в графе 3 номер сектора по заводской маркировке, в графе 4 номер клина (нумерация клиньев принимается сквозной в каждом секторе - по или против часовой стрелки, что указывается в примечаниях к формулярам), в графе 5 номер паза или охладителя (в случае осмотра со стороны расточки указывается номер паза; если осмотр производится со стороны спинки, то указывается номер охладителя, ближайшего к месту обнаружения дефекта), в графе 6 номер пакета активной стали (нумерация пакетов принимается сверху, либо снизу сердечника, что указывается в примечаниях к формулярам);
- оценка признака или его описание в графе 7.
В графу 2 таблицы заносятся следующие признаки неисправного состояния:
1. Контактная коррозия активной стали и клиньев
2. Местные перегревы активной стали
3. «Волна» пакетов активной стали
4. Смешение листов в пакетах активной стали
5. Ослабление прессовки и распушивание активной стали
6. Выпучивание пакетов активной стали - «домики»
7. Относительное смещение пакетов активной стали
8. Ослабление затяжки гаек стяжных болтов стыковых плит
9. Износ (истирание) изоляционных прокладок в стыках секторов
10. Появление или увеличение зазоров в стыках секторов
11. Трещины и обломы клиньев и их «ласточкиных хвостов»
12. Обломы заплечиков «ласточкиных хвостов» листов активной стали
13. Трещины и обрывы сварных швов приварышей
14. Ослабление крепления и смещение вентиляционных распорок
15. Трещины и обрывы стяжных шпилек сердечника
16. Ослабление затяжки стяжных шпилек сердечника
17. Перекос нажимных гребенок
18. Излом, трещина, изгиб нажимных пальцев
19. Ослабление затяжки отжимных болтов нажимных гребенок
20. Натиры и выползание штифтов фланца корпуса
21. Обрыв стопорных швов и ослабление затяжки гаек анкерных болтов и болтов крепления фланца корпуса к фундаментной плите
22. Выкрашивание бетона у фундаментной плиты и фланца корпуса
23. Обрыв стопорных швов и ослабление затяжки гаек болтов верхней крестовины
24. Натиры и выползание штифтов верхней крестовины
25. Утечка воды из трубок воздухоохладителей
М.5.2 Обмотка статора.
Рекомендуемая форма таблицы:
|
Название ГЭС, номер генератора, дата осмотра |
||||
|
№№ п/п |
Элементы обмотки статора, имеющие дефекты |
Число неисправных элементов |
||
|
Верхняя лобовая часть |
Пазовая часть |
Нижняя лобовая часть |
||
|
1 |
2 |
3 |
4 |
5 |
В графе 2 таблицы перечисляются следующие элементы обмотки статора:
1. Лобовые части и перемычки с повреждением покровной эмали.
2. Лобовые части и перемычки с разрывом покровной стеклоленты.
3. Лобовые части с разрывом полупроводящей ленты.
4. Лобовые части с истиранием или смятием слюдосодержащей изоляции.
5. Лобовые части с изломами, забоинами, разрывами, проколами изоляции.
6. Стержни с МКИ, вспухшие более, чем на 20 %.
7. Паяные соединения, имеющие термическое повреждение изоляции.
8. Ослабленные пазовые клинья.
9. Прокладки, выступающие из пазов.
10. Ослабленные кронштейны.
11. Места отхода бандажных колец от кронштейнов или от лобовых частей обмотки.
12. Выпавшие дистанционные прокладки.
13. Разорванные шнуровые бандажи.
14. Запыление лобовых частей.
15. Форма замасливания лобовых частей (аэрозольная, капельная).
16. Загрязнение лобовых частей и его цвет.
17. Наличие капель воды на лобовых частях
18. Фторопластовые шланги с загрязнением внутренних поверхностей
19. Фторопластовые шланги с механическими дефектами
М.5.3 Ротор.
Рекомендуемая форма таблицы:
|
Название ГЭС, номер генератора, дата осмотра |
||||
|
№№ п/п |
Наименование признаков неисправного состояния |
Место обнаружения |
Оценка признака или его описание |
|
|
№ полюса |
№ спицы |
|||
В графе 2 таблицы перечисляются следующие признаки неисправного состояния:
1. Нарушение приварки клиньев полюсов
2. Выползание клиньев полюсов
3. Контактная коррозия на клиньях полюсов
4. Местные перегревы активной стали полюсов
5. Повреждение корпусной изоляции обмотки
6. Повреждение витковой изоляции обмотки
7. Нарушение приварки клиновых шпонок обода
8. Выползание клиновых шпонок обода
9. Контактная коррозия на клиновых шпонках обода
10. Трещины и сколы заплечиков клиновой полосы остова
11. Ослабление затяжки гаек крепления спицы
12. Натиры и выползание штифтов спицы
13. Повреждения изоляции токоподвода
14. Нарушение целости элементов крепления токоподвода
15. Неравномерность износа контактных колец
16. Следы эрозии на контактных кольцах
17. Подгары на контактных кольцах
18. Матовая поверхность контактных колец
19. Трещины и изломы перемычек обмоток возбуждения и их креплений
20. Трещины и изломы соединений демпферной обмотки
21. Нарушение крепления и контровки межполюсных и демпферных соединений
22. Перегревы перемычек обмотки возбуждения
23. Перегревы соединений демпферной обмотки
(РД 34.31.503-95)
(обязательное)
Н.1 Настоящее Приложение устанавливает объем и порядок контроля состояния паек лобовых частей обмотки статора гидрогенератора с косвенным воздушным охлаждением, мощностью 20 МВт и выше путем измерения температуры на поверхности лобовых частей обмотки вблизи головок.
Контроль паяных соединений является сложной технической задачей по следующим причинам:
обмотка (токоведущие части) находится под высоким напряжением; изоляция головок, как правило, неоднородна и величина теплоперепада от пайки до поверхности изоляции зависит как от конструкции изоляции, так и от ее индивидуального исполнения;
особенности конструкции гидрогенераторов не дают возможности контролировать температуру всех головок обмотки какими-либо бесконтактными методами - например, методом оптической пирометрии.
Для контроля паяных соединений разработан метод косвенной оценки температуры паяного соединения по уровню нагрева поверхности изоляции лобовой дуги стержня вблизи головки, что обеспечивает стабильность измерений и возможность контроля каждого паяного соединения головок как стержневых, так и катушечных обмоток.
Эксплуатационному персоналу ГЭС следует применять настояшее Приложение для организации периодического контроля состояния паяных соединений лобовых частей обмотки статора генератора для предотвращения повреждений и отказов в работе путем своевременного выявления дефектных паек и их ремонта.
Н.2 Осуществлять контроль состояния паяных соединений лобовых частей обмоток статора гидрогенераторов следует через полгода и после первого года эксплуатации вновь введенных генераторов, а также генераторов, на которых проводились ремонтные работы, связанные с перепайкой головок лобовых частей. В дальнейшем проверку состояния паек головок лобовых частей обмотки статора генераторов, которые находятся в эксплуатации менее 10 лет, следует производить один раз в 4 года, а более 10 лет - один раз в 2 года.
Н.3 В качестве термоизмерительных устройств используются термоэтикетки (ТЭ), которые, являясь необратимыми приборами, обладают «памятью» т.е. фиксируют максимальную температуру поверхности, на которой они установлены, что позволяет обнаружить недопустимый нагрев путем осмотра при любых плановых (или внеплановых) остановках гидрогенератора. ТЭ могут применяться не только при проведении испытаний, но и для эксплуатационного контроля температуры паяных соединений.
Н.4 Специальные высокоточные термоиндикаторные этикетки (ТЭ) с липким удерживающим слоем представляют собой многоэлементные измерители температуры поверхности, на которой они установлены и являются измерителями температуры одноразового использования обеспечивающими фиксацию температуры с точностью 1 - 3 ºС в пределах дискретности ряда располагаемых термоиндикаторов плавления.
ТЭ состоят из специальной термоиндикаторной бумаги (теплопроводящая бумага черного цвета с термочувствительными метками из термоиндикаторов плавления), защищенной с двух сторон липкой теплостойкой лавсановой пленкой. Нижняя пленка защищена антиадгезионной технологической бумагой, сохраняющей работоспособность липкого слоя при хранении и удаляемой при наклейке ТЭ. Верхняя пленка обеспечивает герметичность ТЭ и позволяет применять их в условиях замасливания (брызги, пары масла) и влияния влаги.
Срабатывание ТЭ наблюдается очень четко: до срабатывания термочувствительня метка имеет белый или окрашенный цвет (в зависимости от применяемого термоиндикатора), после срабатывания - метка становится черной без градаций по цвету.
Н.5 Конструкция и применяемые материалы обеспечивают работоспособность (ресурс) ТЭ не менее 10000 часов. В течение этого периода сохраняется точность их срабатывания даже при воздействии температуры всего на 10 ºС ниже температуры срабатывания. Замена ТЭ по истечении 10000 часов на новые производится по усмотрению эксплуатационного персонала.
Н.6 В процессе изготовления ТЭ при их градуировке учитывается теплоперепад в конструктивных элементах ТЭ между поверхностью исследуемого узла и термочувствительной краской. Таким образом ТЭ надежно контролируют температуру тех узлов, на которые они наклеены.
Выпускаемый промышленностью ассортимент термокрасок, на основе которых изготовляются ТЭ, позволяет получить ТЭ на следующие значения температур: 60, 70, 80, 95, 105, 115, 125, 130, 137, 142, 155 ºС.
Н.7 Методика контроля предусматривает предварительное определение теплоперепада на участке от паяного соединения до места установки ТЭ. Теплоперепад, определенный испытаниями на одном гидрогенераторе, может быть распространен на однотипные гидрогенераторы данной ГЭС при условии одинаковых технологии и материалов изолировки головок при изготовлении, монтаже и ремонтах, одинаковых сроках эксплуатации (т.е. одинакового старения изоляции). В случае различия в технологии выполнения работы и используемых материалов необходимо определять теплоперепады на каждом гидрогенераторе. Учитывая процессы старения изоляции и возможное изменение ее теплопроводности, целесообразно проверять теплоперепад один раз в 3 - 4 года.
Н.8 Определение теплоперепада производят при помощи термопар, устанавливаемых непосредственно на пайке (зачеканкой головки термопары в отверстие, высверленное в ее монолите) и лепестковых термопар, наклеиваемых вблизи головки лобовой части стержня на монолитной изоляции (т.е. за пределами изоляционной коробочки - между первой и второй бандажными вязками). Там же (на расстоянии не более 2 см) для сопоставления результатов измерений наклеиваются термоэтикетки. Термопары защищаются от обдува по стандартной методике - одним слоем фланели, размером 2´2 см.
На стержневых обмотках термопары устанавливаются выборочно на пяти верхних и пяти нижних головках; на катушечных обмотках устанавливается не менее десяти термопар (на верхних головках). Для установки термопар желательно выбирать «нулевые» и (или) близкие к ним по потенциалу стержни. Вывод концов от термопар осуществляется, как правило, из-под верхней рифленки в удобное для наблюдений место.
В качестве термопар обычно используют пару медь-константан, отградуированную индивидуально в лабораторных условиях.
Схема измерений представлена на рис. 1, а эскиз оснастки лобовых частей термопарами и термоэтикетками - на рис. 2.
Н.9 В качестве измерителя э.д.с. термопар используются цифровые милливольтметры с высоким входным сопротивлением (на пределе 0 - 20 мВ - не менее 10 МОм) и подавлением на входе симметричных помех нормального вида не менее 60 дБ, класса точности 0,2 - 0,5 (например, Ф-30, Щ-300 или Щ-4316). При этом электропитание милливольтметра осуществляется через разделительный трансформатор.
Холодный спай компенсационной схемы измерения термостатируется в термосе с водой или маслом. Температура воды (или масла) контролируется лабораторным ртутным термометром с ценой деления 0,1 ºС.
Н.10 Испытания на нагревание проводятся в режиме 3-фазного К.З. при номинальном значении тока статора и стабильной температуре входящего охлаждающего воздуха. Испытания проводятся до наступления установившегося теплового состояния генератора.
Н.11 Определенный в испытаниях теплоперепад (Δυ) на участке от пайки до места установки термоиндикатора служит для получения критерия оценки состояния пайки. При этом за величину теплоперепада принимается его максимальное значение, определенное отдельно по верхним и нижним лобовым частям.
Н.12 После демонтажа термопар восстанавливается изоляция головок лобовых дуг заливкой в высверленные отверстия эпоксидной смолы с наполнителем (слюдинитовая крошка или кварцевый песок).
Н.13 При проведении испытаний должны соблюдаться все требования правил техники безопасности при работе в электроустановках с напряжением выше 1000 В.
Н.14 После определения теплоперепадов на нескольких паяных соединениях полное обследование состояния паяных соединений обмотки статора гидрогенератора следует проводить в следующем порядке:
- в зависимости от конструктивного выполнения гидрогенератора проводят в необходимом объеме его частичную разборку для обеспечения доступа к лобовым частям обмотки статора; на все стержни обмотки устанавливают ТЭ: для стержневых обмоток - на верхних и нижних лобовых частях, для катушечных - только в верхней части обмотки, где есть пайки;
- производят сборку гидрогенератора, включение его в сеть и проведение теплового режима при номинальной нагрузке; указанную нагрузку выдерживают до наступления установившегося теплового состояния генератора, которое контролируют по системе штатного контроля;
- после проведения нагрузочного режима генератор останавливют для осмотра ТЭ с фиксацией максимального значения температуры на исследуемых стержнях;
- используя полученные данные о величине теплоперепада, определяют уровни нагрева паек:
υп = Δυ + υтэ,
где, υп - температура паяного соединения;
Δυ - максимальное значение теплоперепада на участке пайка-место установки ТЭ, отдельно для верхних и нижних лобовых частей обмотки;
υтэ - температура сработавшего элемента ТЭ.
Выделяются стержни, нагретые выше предельно-допустимых значений, и даются рекомендации по ремонту (перепайке) головок. Согласно ГОСТ 8865-93 длительно допустимая температура термореактивной изоляции класса В на лобовых частях обмотки статора гидрогенератора у меди не должна превышать 130 ºС, а изоляции класса F - 155 ºС.
Н.15 Результаты первичного обследования являются базовыми для сравнения с данными последующего контроля, что в дальнейшем дает возможность проследить динамику нагревов паяных соединений.
Н.16 При массовом срабатывании ТЭ, обнаруженном при последующих контрольных осмотрах, учитывая, что в процессе эксплуатации имело место общее повышение температуры обмотки из-за возможной перегрузки генератора, следует произвести выборочное вскрытие головок и оценить необходимость их перепайки.
После контрольных осмотров все ТЭ со сработавшими метками заменяют новыми.
Н.17 Перед установкой ТЭ на контролируемые узлы необходимо выбрать плоский, гладкий не имеющий заусенцев, бугров или вмятин участок поверхности изоляции или обработать место установки, сравняв все неровности, чтобы осуществить плотное, без воздушных прослоек, прилегание термочувствительного элемента всей его поверхностью к исследуемому узлу. Это обеспечит оптимальную чувствительность и точность срабатывания ТЭ и исключит погрешность в измерении температуры из-за теплоперепада в воздушной прослойке между поверхностью объекта и ТЭ.
Выбранную поверхность необходимо тщательно промыть растворителем (№ 646, № 647, ацетоном или их аналогами), а затем спиртом. В случае значительного увлажнения спирта или его отсутствия можно ограничиться двукратной промывкой растворителем.
За технологический язычок с ТЭ удаляют антиадгезионную бумагу, защищающую липкий удерживающий слой. Липким слоем ТЭ плотно прижимают к месту установки и разглаживают на нем. Для обеспечения более надежного прижатия целесообразно использовать резиновый ролик (рис. 3). Прикатывание осуществляют от середины ТЭ к периферии.
Установленная таким образом ТЭ обеспечивает достоверный контроль температуры объекта, в том числе в условиях капельного воздействия влаги и масла.
Н.18 Установка ТЭ на контролируемую поверхность должна проводиться при окружающей температуре не ниже +15 ºС, поскольку при более низких температурах липкий удерживающий слой не обеспечивает достаточную начальную адгезию к поверхности.
Рис. 1. Схема измерений температуры паек обмотки статора гидрогенератора при помощи термопар
Рис. 2. Схема установки термопар (ТП) и термоэтикеток (ТЭ) на лобовых частях обмотки статора гидрогенератора
Рис. 3. Ролик для прикатывания термоэтикеток
(РД 34.31.306-96)
(обязательное)
П.1 Общая часть
Испытания гидрогенератора на нагревание должны производиться не позднее чем через 6 месяцев после его ввода в эксплуатацию. В дальнейшем в период эксплуатации периодически (один раз в 10 лет) проводят контрольные испытания на нагревание при одном - двух режимах работы. Испытания на нагревание проводят также после полной замены обмотки ротора или статора, или реконструкции системы охлаждения. Гидрогенераторы мощностью до 12 МВт можно не испытывать.
В настоящем Приложении приведены рекомендации по проведению эксплуатационных испытаний на нагревание в целях получения характеристик нагревания генератора, выяснения их соответствия требованиям стандартов и техническим условиям поставки и определения допустимых в эксплуатации нагрузок. В отдельных случаях такие испытания слдует проводить в целях выяснения причин неполадок в системе охлаждения гидрогенератора.
На основании результатов испытаний устанавливают наибольшие допустимые в эксплуатации температуры (с округлением в большую сторону до 5 °С) обмоток статора, ротора, активной стали и охлаждающих сред на выходе из обмоток или сердечника статора при продолжительной работе гидрогенератора с номинальной нагрузкой при номинальных значениях коэффициента мощности, напряжения и параметров охлаждающих сред.
Если наибольшие температуры, полученные по результатам испытаний на нагревание при работе гидрогенераторов при номинальной или длительной максимальной нагрузке, окажутся выше предельно допустимых значений, приведенных в ГОСТ 5616-89, технических условиях или указанных в документации заводом-изготовителем, то мощность испытуемого гидрогенератора должна быть соответственно ограничена до значения, при котором нагрев не будет превышать максимально допустимого впредь до выяснения и устранения причин, вызвавших эти повышенные нагревы.
Если наибольшие температуры, полученные по результатам испытаний на нагревание, ниже предельно допустимых значений, то это еще не может служить основанием для перемаркировки гидрогенератора на большую мощность. При необходимости перемаркировки гидрогенератора, когда повышение мощности желательно для выдачи «запертой» мощности гидротурбины и не ограничивается мощностью трансформатора, должны быть проведены дополнительные специальные испытания по индивидуальной программе, составляемой применительно к каждому случаю. Перед этими испытаниями должны быть проведены соответствующие расчеты и оснастка гидрогенератора дополнительными средствами измерения температуры и других величин. Следует иметь в виду, что после проведения соответствующих испытаний перемаркировка может быть произведена по согласованию с заводом-изготовителем.
П.2 Условия для проведения эксплуатационных испытаний на нагревание
П.2.1 Испытания допустимо проводить на гидрогенераторе, находящемся в исправном состоянии, при нормальной работе всех его основных частей и вспомогательных устройств. Особое внимание должно быть обращено на состояние системы охлаждения. Необходимо также проверить обмотку ротора на отсутствие в ней короткозамкнутых витков. Проверка производится как в неподвижном состоянии, так и при вращении ротора с различными скоростями, вплоть до номинальной (по ГОСТ 10169-77).
У роторов, имеющих витковые замыкания, измерять температуру методом сопротивления нельзя, поскольку значение измеренного сопротивления отличается от действительного, поэтому испытания на нагревание таких машин должны производиться после устранения витковых замыканий.
П.2.2 Все приборы, которыми производятся измерения, должны быть поверены и иметь клейма органов Госповерки.
Запрещается использование приборов, не прошедших метрологическую поверку.
П.3 В объем эксплуатационных испытаний гидрогенератора на нагревание входят:
П.3.1 Определение сопротивления обмотки ротора и заложенных термопреобразователей сопротивления в холодном состоянии.
П.3.2 Проведение четырех опытов на нагревание с нагрузками порядка 0,6; 0,75; 0,9 и 1,0 Pн (активной мощности) при номинальном или близком к нему коэффициенте мощности. При этом напряжение машины не должно отличаться от номинального более чем на 5 %. Допускается проводить испытания на нагревание при напряжении выше номинального более чем на 5 % (по условиям работы ГЭС), однако полная мощность гидрогенератора при этом не должна превышать установленной заводом-изготовителем.
В соответствии с ГОСТ 11828-86 «Машины электрические вращающиеся. Общие методы испытаний» возможно проведение испытания при трех - четырех различных нагрузках в пределах 0,6 номинальной мощности до максимально возможной по условиям работы электростанции (но не ниже 0,9 номинального тока), при которых интервалы между квадратами токов рабочей цепи обмоток были бы примерно одинаковыми для того, чтобы при необходимости обеспечить более точную экстраполяцию полученных зависимостей.
Во время опытов следует измерять:
а) электрические величины, характеризующие работу гидрогенератора;
б) температуру обмотки и стали статора по заложенным термопреобразователям сопротивления;
в) температуру обмотки ротора методом сопротивления;
г) температуру входящего и выходящего охлаждающего газа, а для гидрогенераторов с жидкостным охлаждением также и температуру входящего и выходящего дистиллята;
д) температуру охлаждающей воды на входе и выходе воздухоохладителей;
е) расход воды через воздухоохладители, а для гидрогенераторов с жидкостным охлаждением расход жидкости через обмотки и сердечник и давление жидкости на входе и выходе из обмоток;
Определение расхода воды через охладители желательно во всех случаях и обязательно при испытании новых типов гидрогенераторов и новых типов охладителей, а также при повышенной против нормы температуре входящего газа и других неполадках в системе охлаждения.
Определение расхода газа является обязательным в тех случаях, когда имеет место повышенный нагрев частей гидрогенератора и охлаждающего газа, неравномерность температуры или другие неполадки в системе охлаждения.
П.3.3 Определение регулировочной характеристики, номинального и наибольшего токов возбуждения при номинальных условиях и при отклонении напряжения и тока статора на ±5 % номинальных значений.
П.4 Проведение измерений и требования к измерительным приборам
П.4.1 Во время испытаний на нагревание и при определении регулировочной характеристики измеряют следующие электрические величины:
а) активную и реактивную мощности;
б) ток в обмотке статора (в трех фазах);
в) напряжение обмотки статора (в трех фазах);
г) ток возбуждения;
д) напряжение на кольцах ротора;
е) частоту.
Все указанные величины определяют как по станционным штатным приборам, так и по контрольным приборам, установленным на время проведения испытаний. Определение частоты тока допускается по штатным приборам.
Измерительные приборы в соответствии с требованиями ГОСТ 11828-86 следует подбирать так, чтобы измеряемые значения находились в пределах 30 - 95 % шкалы. Класс точности контрольных приборов должен быть не ниже 0,5, а для приборов, установленных в цепи возбуждения, не ниже 0,2. Контрольные приборы статора подключаются к станционным измерительным трансформаторам. Установка специальных измерительных трансформаторов не требуется. Необходимо лишь проверить, не перегружаются ли трансформаторы тока в результате включения дополнительных приборов, и в случае необходимости принять меры для их разгрузки на время проведения испытаний.
Контрольный шунт, устанавливаемый в цепи обмотки ротора, должен быть класса точности не ниже 0,2. При отсутствии шунтов такого класса можно применять шунты класса 0,5, не снижая при этом требования к приборам, которые к ним подключаются. Допускается использование эксплуатационных шунтов класса не ниже 0,5. Коэффициент мощности определяют расчетом по показаниям контрольных приборов, установленных для измерения тока, активной мощности и напряжения статора. Возможно определение коэффициента мощности по отношению показаний двух ваттметров, установленных для измерения активной мощности. При этом необходимо следить за тем, чтобы измеряемые значения токов и напряжений были не ниже 30 % номинальных токов и напряжений применяемых ваттметров.
При проведении измерений более чем на одном приборе, отсчеты по всем приборам для каждого измерения рекомендуется производить одновременно. Это обязательно при измерении сопротивлений методом амперметра и вольтметра и мощности трехфазного тока - методом двух ваттметров.
П.4.2 Перед испытаниями на нагревание должны быть измерены сопротивление обмотки ротора при постоянном токе в практически холодном состоянии (rх) и температура, при которой проводилось это измерение (qх) по ГОСТ 11828-86. Значение этого сопротивления является исходным для определения превышения температуры обмотки ротора во время испытаний на нагревание. За практически холодное состояние машины согласно ГОСТ 183-74 принимается такое, при котором температура любой части машины отличается от температуры окружающего воздуха не более чем на ±3 °С. Температуру обмотки в холодном состоянии на вынутом роторе или на открытой машине измеряют несколькими (не менее четырех - пяти) термометрами расширения, устанавливаемыми на разных полюсах вдоль обмотки.
Температура окружающего воздуха определяется по ГОСТ 11828-86 как среднее арифметическое из показаний нескольких термометров, расположенных в разных точках вокруг генератора, на высоте, равной половине высоты генератора, и на расстоянии от 1 до 2 м от генератора.
Если по условиям эксплуатации генератор не может быть открыт, допускается измерять rх на закрытом генераторе. При этом необходимо вести периодический контроль за остыванием генератора по установленным температурным индикаторам (термопреобразователям сопротивления или термопарам и термометрам расширения) и приступать к измерению rх только по достижении практически холодного состояния.
Одновременно с измерением rх измеряют температуру по всем установленным измерителям температуры. За температуру обмотки принимают среднюю из всех полученных значений температур.
Термометры расширения должны иметь цену деления не более 1 °С.
У роторов с водяным охлаждением за температуру обмотки принимают среднее из значений температуры воды, входящей и выходящей из обмотки, при условии, что эти значения отличаются друг от друга не более чем на 1 °С, и температура входящей воды не изменяется более чем на 0,5 °С в течение 30 минут, предшествующих измерению сопротивления.
Измерять rх следует методом вольтметра и амперметра. Измерительные приборы должны иметь класс точности не ниже 0,2. Шунт при измерении методом амперметра-вольтметра должен быть класса точности не ниже 0,2.
Как показывает практика испытаний, наиболее просто измерять сопротивление обмотки ротора, подавая питание от аккумуляторной батареи или специального источника постоянного тока, обеспечивающих устойчивый ток порядка 10 А, теми же приборами, которые будут использованы при измерениях в нагрузочных режимах.
Питание подводят к обмотке ротора с помощью специальных зажимов или бандажей из алюминиевых или медных шинок, надеваемых на кольца ротора. Вольтметр должен быть подсоединен отдельными концами непосредственно к кольцам. Подсоединение производят обычно при помощи щупов и только на время отсчетов по приборам.
Измерения следует проводить после включения тока и по окончании переходного процесса, обусловленного индуктивностью ротора. Отсчеты по приборам проводят одновременно по команде.
В случае питания обмотки ротора от резервного возбудителя (или другого мощного источника постоянного тока) током порядка 0,3 - 0,5 номинального, во избежание ошибки от нагрева обмотки во время опыта, длительность последнего должна быть ограничена. Для роторов гидрогенераторов с косвенным охлаждением, у которых номинальная плотность тока составляет около 3,5 - 4 А/мм2, допустимое время отсчета, в течение которого обмотка нагревается не более чем на 1 °С, составляет 1 - 2 мин при токе 0,3 - 0,5 Iном.
Измерения следует производить при нескольких (порядка трех) значениях тока, делая при каждом из них не менее трех отсчетов.
Поскольку обычно в качестве приборов постоянного тока используются одинаковые милливольтметры (один с шунтом, другой с добавочным резистором), рекомендуется для повышения точности измерения rх повторить опыты, меняя указанные приборы местами.
Значение rх подсчитывается как среднее из результатов тех отсчетов, которые не отличаются от среднего значения более чем на 0,5 %. Число таких отсчетов должно быть не менее шести.
Определять rх следует особо тщательно, так как ошибка в этом измерении сказывается на всех последующих измерениях превышения температуры ротора (ошибка в 1 % при измерении дает ошибку примерно в 2,5 °С при определении температуры).
Полученное сопротивление обмотки ротора следует привести к температуре 15 °С для возможности сравнения с данными завода-изготовителя.
П.4.3 Перед испытаниями следует у всех заложенных термопреобразователей сопротивления измерить сопротивления при постоянном токе в холодном состоянии и сопротивление изоляции в соответствии с ГОСТ 11828-86.
Предварительно необходимо по технической документации установить значения сопротивлений соединительных проводов внутри генератора от термопреобразователя сопротивления до выводных зажимов.
Следует также проверить соответствие заводским чертежам маркировки и мест установки термопреобразователей сопротивления.
Целесообразно измерять сопротивление термопреобразователей сопротивления на закрытой машине, а в случае, если она открыта, рекомендуется закрыть торцы брезентом, так как из-за сквозняков в машинном зале температура отдельных частей статора может быть различной. Измерения следует производить не ранее чем через 6 - 7 дней после остановки генератора при условии, что за это время температура в машинном зале существенно не изменялась. При необходимости этот срок можно сократить, вращая генератор с номинальной частотой на холостом ходу без возбуждения после отключения от сети. Критерием достижения установившейся температуры является ее стабилизация во времени и совпадение результатов измерений у термопреобразователей сопротивления, имеющих одинаковые сопротивления соединительных проводов.
Температуру внутри генератора следует измерять термометрами расширения, установленными в щитах и корпусе генератора. При возможности следует поместить в корпус генератора дополнительные термометры. В качестве расчетной температуры берут среднюю из всех измеренных значений температуры.
Сопротивления термопреобразователей сопротивления следует измерять одинарным мостом класса точности не ниже 0,5 или другими приборами, обеспечивающими указанную точность. Подключать измеряющее устройство к зажимам термопреобразователей сопротивления можно либо при помощи щупов, либо используя для этого переключатель, установленный для измерений во время испытаний на нагревание. Необходимо измерить также сопротивление соединительных проводов от зажимов до измерительного моста (включая сопротивление переключателя). Полученные значения сопротивлений термопреобразователей сопротивления (за вычетом сопротивления соединительных проводов внутри и вне генератора) приводят к температуре 0 °С. Полученные сопротивления не должны отличаться от номинального сопротивления термопреобразователей сопротивления при 0 °С более чем на 1 %.
П.4.4 Превышение температуры обмотки ротора над температурой охлаждающей среды следует определять по изменению сопротивления обмотки при постоянном токе при ее нагревании.
Для этого во время опыта должно быть измерено сопротивление обмотки в нагретом состоянии (rх), пользуясь методом вольтметра и амперметра.
Напряжение следует измерять непосредственно на кольцах ротора, чтобы исключить влияние падения напряжения на рабочих щетках. В качестве измерительных щеток следует применять медносетчатые или пластинчатые. Использовать угольные щетки не рекомендуется, так как контактное сопротивление между щеткой и кольцом быстро увеличивается за счет образования пленки на поверхности щетки. Пленка может также образоваться и на меднографитовых щетках с малым содержанием меди, поэтому при применении таких щеток их следует периодически зачищать.
Измерительные щетки должны снабжаться изолированными рукоятками, с помощью которых щетки накладывают на кольца во время измерения. Наиболее удобно устанавливать измерительные щетки в щеткодержатели, из которых предварительно вынуты рабочие щетки. Измерительные щетки должны быть хорошо изолированы от щеткодержателей. Для проверки этого следует сравнивать значения напряжения, измеренного непосредственно на кольцах и на траверсах щеточного аппарата. Напряжение на траверсах больше напряжения на кольцах на значение падения напряжения в рабочих щетках и переходном сопротивлении между кольцами и щетками. Это значение составляет обычно 2 - 5 В.
Наиболее целесообразно производить указанную проверку в начале или конце каждой серии отсчетов.
Провода от измерительных щеток до прибора должны иметь надежную изоляцию, поскольку напряжение на кольцах у современных крупных генераторов достигает 500 В и более. Можно, например, использовать провода ЛПРГС, заключенные в хлорвиниловую трубку.
Отсчеты по контрольным приборам, измеряющим ток и напряжение, должны производить одновременно два наблюдателя. При каждом измерении следует производить не менее трех отсчетов. Сопротивление обмотки ротора подсчитывают как среднее из отсчетов данного измерения.
Превышение температуры обмотки ротора определяется по формуле
![]()
где qх - температура, при которой измерялось сопротивление ротора (rх) в холодном состоянии, °С;
qо - температура входящего охлаждающего газа, °С;
А - число, равное 235 для медной обмотки (без присадки и с присадкой серебра);
rх, rr - сопротивления обмотки ротора, измеренные в холодном и нагретом состояниях, Ом.
Определять превышение температуры следует непосредственно после каждого измерения. Если результаты отдельных отсчетов отличаются друг от друга более чем на 0,5 %, измерение следует повторить.
В современных крупных
гидрогенераторах возбуждение осуществляется выпрямленным переменным током,
напряжение которого имеет довольно значительную переменную составляющую. Хотя
магнито-электрический прибор, которым обычно измеряется напряжение на кольцах
ротора, и не реагируют на эту составляющую, он может перегружаться. Поэтому
перед испытаниями следует измерить эффективное значение напряжения и сравнить
его со средним. Если отношение
превышает 1,5, рекомендуется включать
прибор, измеряющий напряжение, через «Г»-образный LC фильтр с
малым активным сопротивлением. Значения L и C
подбираются так, чтобы отношение
не превышало 1,5. Включать фильтр
следует через плавкие предохранители и таким образом, чтобы емкость находилась
со стороны прибора.
Для прибора, измеряющего ток возбуждения, установка фильтра не требуется.
П.4.5 У гидрогенераторов с косвенным охлаждением превышение температуры обмотки и стали статора над температурой входящего в машину охлаждающего воздуха следует определять по показаниям заложенных в пазы термопреобразователей сопротивления. Термопреобразователи сопротивления, измеряющие температуру обмотки, заложены между стержнями, а измеряющие температуру стали - на дно паза.
В генераторах с непосредственным водяным охлаждением обмотки статора термопреобразователи сопротивления закладываются между стержнями или под клинья в каждом пазу, или в пазах сливных стержней каждой гидравлической ветви, или же прижаты распорками к боковым поверхностям нижних сливных стержней при выходе из паза, а в машинах с полным водяным охлаждением - в сливных шлангах каждого из стержней вне обмотки. Основное назначение этих термопреобразователей сопротивления - контролировать равномерность распределения дистиллята по отдельным стержням обмотки и отсутствие из закупорки.
У генераторов с непосредственным водяным охлаждением термопреобразователи сопротивления, измеряющие температуру стали, закладываются на дно паза.
Сопротивление термопреобразователей сопротивления следует измерять одинарным мостом класс точности не ниже 0,5.
Во время испытаний следует также фиксировать показания щитовых логометров или автоматических регистрирующих устройств.
Мостом должны измеряться сопротивления всех термопреобразователей сопротивления, заложенных в генераторе, независимо от того, подключены они к эксплуатационной системе теплоконтроля или нет.
При измерении мостом переключатель эксплуатационной системы должен быть установлен в такое положение, при котором все измеряемые термопреобразователи сопротивления были бы отключены. При наличии самопишущих приборов это требование трудно выполнить. В этом случае следует иметь в виду, что измерение сопротивления мостом можно производить лишь в то время, когда термопреобразователь сопротивления не подключен к системе теплоконтроля.
У генераторов большой мощности с водяным охлаждением в статор заложено большое количество термопреобразователей сопротивления. Поскольку измерение их сопротивления мостом производится в последние часы опытов каждые полчаса, использовать для этого щупы неудобно. Рекомендуется использовать для этой цели многоканальные переключатели, которые подключаются к сборке термопреобразователей сопротивления на все время испытаний. Перед испытаниями контактная система этих переключателей должная быть тщательно проверена, а сопротивления соединительных концов (включая контакты переключателя) измерены заново.
Переключатели должны быть подключены таким образом, чтобы не вносить искажений в показания эксплуатационной системы теплоконтроля.
При наличии хорошо налаженных самопишущих электронных мостов или автоматизированной системы контроля класса точности не ниже 0,5 допускается контроль теплового состояния генератора при испытаниях производить по этим приборам. При этом перед испытаниями должна быть произведена проверка точности показаний указанных приборов.
Превышение температуры по заложенному термопреобразователю сопротивления определяется по той же формуле, что и превышение температуры обмотки ротора.
Поскольку термопреобразователи сопротивления, используемые в генераторах, имеют стандартное номинальное сопротивление при 0 °С, указанная формула может быть упрощена. Для термопреобразователей сопротивления, изготовленных по ГОСТ 6651-84, номинальное сопротивление при 0 °С составляет 50 Ом, а для термопреобразователей, изготовленных ранее - 53 Ом.
Формулы для расчета соответственно будут иметь вид:
Dq = 4,7(rr - 50) - qo,
Dq = 4,44(rr - 53) - qo.
В эти формулы подставляют значения rr, полученные во время опытов, за вычетом сопротивления соединительных проводов. Последнее представляет сумму сопротивлений соединительных проводов внутри генератора и вне его.
Упрощенная формула значительно облегчает обработку полученных данных, не влияя существенным образом на точность полученных результатов.
П.4.6 Температуру входящего в генератор и выходящего из него газа измеряют по всем установленным на генераторе термометрам и термопреобразователям. Заранее на остановленном генераторе следует осмотреть места установки термометров и термопреобразователей и убедиться в том, что они расположены в потоке газа, температура которого контролируется. Можно (дополнительно к п. П.4.3) проверить правильность показаний термопреобразователей сопротивления, установив в непосредственной близости от них контрольные термометры расширения и сверив затем их показания.
Сопротивления термопреобразователей сопротивления измеряют так же, как это указано в п. П.4.3.
За расчетную температуру холодного газа должна быть принята:
а) для генераторов, у которых охладители установлены вне генератора (в камерах холодного газа) - температура газа на входе в генератор;
б) для генераторов, у которых охладители встроены в корпус - температура газа на выходе из охладителей.
Во всех случаях должно быть определено среднее значение из показаний всех термометров расширения и термопреобразователей, измеряющих температуру холодного газа, если только эти показания расходятся не более чем на 2 - 4 °С.
За температуру нагретого газа, выходящего из генератора, принимается среднее из показаний всех термометров расширения и термопреобразователей, установленных в камерах горячего газа или на входе в охладители.
Особо важное значение имеет измерение температуры нагретого газа на выходе из обмотки статора для генераторов с непосредственным газовым ее охлаждением.
Температура газа, выходящего из колпачков обмотки статора, в значительной степени характеризует нагревание обмотки. Это также относится к температуре газа, выходящего из сердечника статора с аксиальной системой охлаждения. Оба эти значения температуры нормируются и на них обращается особое внимание при эксплуатации генератора. Поэтому необходимо тщательно проверять исправность и правильность установки термопреобразователей сопротивления, измеряющих температуру газа, выходящего из обмотки и сердечника.
У генераторов с непосредственным охлаждением при наличии компрессора определяется также температура до и после него и температура газа, поступающего для охлаждения обмотки ротора (на перепускных участках).
П.4.8 Температура воды, входящей и выходящей из возхдухоохладителей, измеряется термометрами расширения, устанавливаемыми в карманы, вваренные в трубы и заполненные маслом. Карманы следует устанавливать так же, как указано в п. П.4.7. Температура входящей в охладитель воды может измеряться на общем водоводе непосредственно перед разветвлением его по охладителям. Температура выходящей из охладителей воды должна измеряться в непосредственной близости от каждого охладителя, измерять следует термометрами с ценой деления 0,1 °С.
П.4.9 Расход воды через воздухоохладители и дистиллята через обмотки, сердечник и другие конструктивные части следует измерять с помощью сужающих устройств (диафрагм) по перепаду давления.
Измерительные диафрагмы должны устанавливаться на напорных трубопроводах охлаждающей воды каждого охладителя. При отсутствии на трубопроводах отдельных охладителей участков, имеющих достаточную для установки диафрагм длину, можно измерять расход на общем напорном трубопроводе.
Перепад давления на диафрагме измеряется U-образными дифференциальными манометрами. Для их заливки можно применять легкие жидкости, не смешивающиеся с водой (например, тетрабромэтан, бромоформ, четыреххлористый углерод и др.), в зависимости от наблюдаемого перепада давления.
Расход дистиллята через обмотки, сердечник и другие конструктивные элементы определяется по станционным расходометрам. В случае необходимости могут быть установлены дополнительные измерительные диафрагмы.
П.4.10 Определение регулировочных характеристик, номинального и наибольшего токов возбуждения следует производить в соответствии с требованиями ГОСТ 10169-77.
П.4.10.1 Регулировочные характеристики, представляющие собой зависимости тока возбуждения от тока якоря, следует определять при неизменных напряжении, коэффициенте мощности и частоте вращения методом непосредственной нагрузки. Допускается определение регулировочных характеристик методом графического построения.
П.4.10.2 Номинальный ток возбуждения следует определять из регулировочной характеристики, снятой при номинальных мощности, напряжении, коэффициенте мощности и частоте сети. Если при снятии этой характеристики напряжение сети отклонялось от номинального не более чем на ±5 %, можно строить зависимость тока возбуждения от кажущейся мощности и определять значение номинального тока возбуждения для номинальной кажущейся мощности. Номинальный ток возбуждения можно также определить и графоаналитическим способом по диаграмме. Для определения расчетного индуктивного сопротивления хр в соответствии с требованиями ГОСТ 10169-77 используют характеристики холостого хода и короткого замыкания и точку нагрузочной характеристики, снятой при cosj = 0 и токе возбуждения, близком к номинальному. Допускается определять хр методом последовательного приближения. Для этого задавшись xp = 0,85x¢d строят диаграмму для одной из опытных точек регулировочной характеристики, из которой определяют расчетный ток ротора и сопоставляют с опытным значением тока ротора. Если расхождение велико, то значение хр корректируют и опять строят диаграмму для этой же опытной точки регулировочной характеристики. Построение повторяется до тех пор, пока не будет получено хорошее совпадение расчетного и опытного значений тока ротора. Конечное значение хр принимается за расчетное и может использоваться для определения номинального и наибольшего токов ротора, полученных при следующих условиях:
1) U = Uном; I = Iном;
2) U = 1,05Uном; I = 0,95Iном;
3) U = 0,95Uном; I = 1,05Iном.
Наибольший ток возбуждения может определяться как опытным, так и графоаналитическим способом.
Для большинства гидрогенераторов наибольший ток возбуждения соответствует условию U = 1,05Uном.
П.4.10.3 Превышение температуры обмотки следует определять как для номинального, так и для наибольшего тока возбуждения, полученного при отклонении напряжения на ±5 % номинального.
П.5 Требования к режиму при проведении испытаний на нагревание
П.5.1 При проведении каждого опыта должны выполняться следующие требования:
а) заданная нагрузка, температура охлаждающих сред на входе в генератор, расход охлаждающей жидкости (для генераторов с жидкостным охлаждением) должны выдерживаться постоянными на протяжении всего опыта до тех пор, пока не будут достигнуты установившиеся превышения температуры всех частей генератора. Температура считается установившейся, если изменение ее в течение часа не больше 1 °С.
Время, в течение которого температура достигает установившегося значения, составляет ориентировочно:
для генераторов с косвенным охлаждением - 6 - 8 ч;
для генераторов с непосредственным охлаждением - 4 - 5 ч;
б) в течение последних 2 - 3 ч опыта режим должен поддерживаться таким образом, чтобы отклонение значений основных измеряемых величин от установленных было не более:
|
Напряжение статора |
±2,0 % |
|
Давление газа |
±0,01 МПа |
|
Расход охлаждающей жидкости |
±10 % |
|
Температура охлаждающей жидкости |
±0,5 °С |
|
Температура охлаждающего газа |
±1,0 °С |
|
Ток статора |
±3 % |
|
Ток возбуждения |
±1,5 % |
|
Частота вращения |
±1,0 % |
|
Частота тока |
±1,0 % |
Испытание может начато как с практически холодного, так и с нагретого состояния машины. Для сокращения продолжительности испытания допускается кратковременно перегрузить генератор в начале испытания, насколько это допустимо из соображений ее механической и электрической прочности.
В некоторых случаях при сильных колебаниях напряжения в сети следует на время испытаний отключать регулятор возбуждения;
в) рекомендуется проводить испытания при температуре охлаждающего воздуха на входе в генератор, близкой к номинальной (35 - 40 °С). При питании воздухоохладителей водой по замкнутому циклу (эта система принята для многих крупных гидрогенераторов) и при наличии рециркуляции нагретой воды это условие легко выполнимо. У генераторов со встроенными воздухоохладителями следует перед испытаниями отрегулировать значения температуры газа, выходящего из каждого воздухоохладителя, так, чтобы они были практически одинаковыми (не отличались друг от друга более чем на 1 - 2 °С).
Для этого пользуются показаниями термопреобразователей сопротивления, установленных на выходе газа из охладителей.
При отсутствии этих термопреобразователей для воздухоохлавдителей, не имеющих заглушенных трубок, можно таким же образом регулировать температуру не холодного газа, а выходящей из воздухоохладителей нагретой воды. Разница в значениях температуры воды, выходящей из отдельных воздухоохладителей, не должна превышать 1 °С. Расходы воды через воздухоохладители следует регулировать задвижками на сливе при полностью открытых входных задвижках;
г) у машин с водяным охлаждением испытания должны проводиться при номинальной температуре охлаждающего дистиллята (обычно не выше плюс 45 °С) и при номинальном расходе дистиллята.
Удельное сопротивление дистиллята не оказывает существенного влияния на тепловое состояние генератора, однако запрещается проводить испытания при значении сопротивления меньшем чем 100 кОм×см;
д) испытания должны проводиться при напряжении статора близком к номинальному. Во время отдельных опытов отклонения средних значений напряжения не должны превышать 3 - 5 % номинального;
е) испытания следует проводить при коэффициенте мощности, близком к номинальному. Допускаются отклонения от +0,05 до -0,15;
ж) записи всех измеряемых величин производятся в начале режима через час, а в последние два часа режима не реже чем через полчаса;
з) при невозможности поддержания температуры охлаждающего газа или жидкости близкой к номинальной, допускается проводить испытания при температуре охлаждающих сред, реально достижимых на месте испытаний. Однако температура газообразной среды должна быть не ниже 10 °С, а температура жидкой охлаждающей среды, применяемой как для непосредственного, так и для косвенного охлаждения - не ниже точки росы при данном давлении газообразной охлаждающей среды. При нескольких видах охлаждающих сред (газ, вода) разность их температур на входе в машину должна быть не более 10 °С.
П.6 Обработка результатов испытаний
П.6.1 За последний час каждого опыта необходимо подсчитать средние значения всех измеренных величин, вычислить среднюю температуру холодного газа (согласно п.Д.4.6), определить установившиеся превышения температуры отдельных частей генератора над температурой охлаждающей их среды (холодного газа или охлаждающей жидкости).
После этого должны быть построены кривые нагрева - зависимости установившихся превышений температуры от квадрата тока (статора или ротора).
Для всех генераторов с косвенным охлаждением должны быть построены кривые нагрева обмотки статора и стали статора по всем заложенным термопреобразователям сопротивления и обмотки ротора (по средней ее температуре). Особо выделяют кривые нагрева по наиболее нагретому термопреобразователю сопротивления, заложенному между стержнями, и наиболее нагретому термопреобразователю сопротивления, заложенному на дно паза (их строят обычно на отдельном графике).
Для генераторов с непосредственным жидкостным охлаждением должны быть построены те же кривые зависимости, а также кривые зависимости разности температур входящей и выходящей охлаждающей жидкости от квадрата тока статора (и ротора при водяном охлаждении последнего). Кроме того, должны быть построены кривые зависимости превышения температуры по наиболее нагретому термопреобразователю сопротивления, контролирующему обмотку статора, над температурой входящей в обмотку охлаждающей жидкости от квадрата тока статора. Строить кривые нагрева для всех заложенных термопреобразователей сопротивления нет необходимости, достаточно сравнить между собой значения температуры наиболее и наименее нагретых термопреобразователей сопротивления, полученные во время опыта с номинальной (или близкой к ней) нагрузкой.
Кривые зависимости превышения температуры от квадрата тока для большинства генераторов могут быть с достаточной степенью точности представлены в виде прямых в интервалах от 0,6Iст.ном до номинального для тока статора и от 0,4ifном до номинального для тока возбуждения. Однако, необходимо учитывать, что для роторов с самовентилируемой обмоткой (непосредственное охлаждение) эта зависимость отклоняется от линейной.
Если опыты проводились при токах статора и ротора меньших номинальных, кривые могут быть экстраполированы до номинальных значений токов при условии, что наибольшие токи при опытах составляли не менее 90 % номинальных.
При значительном разбросе точек, полученных при различных опытах, следует повторить опыты (полностью или частично).
Целесообразно строить
дополнительно к
кривые зависимости превышения
температуры обмотки ротора от потерь возбуждения Dq = f(Pf), так как при этом учитывается влияние общего уровня нагрева на
сопротивление обмотки ротора.
В тех случаях, когда температура холодного газа при проведении отдельных опытов была различной или значительно отличалась от номинальной, построение кривых нагрева обмотки ротора в зависимости от потерь является обязательным.
Пересчитав зависимость Dq = f(Pf) в зависимость
при номинальном или другом заданном
постоянном значении qхг, строят
кривую зависимости превышения температуры обмотки ротора от квадрата тока
возбуждения для номинальной (или любой другой) температуры холодного газа.
П.6.2 По кривым нагрева определяют наибольшие значения температуры обмоток статора и возбуждения и активной стали статора, а для генераторов с непосредственным охлаждением - также и температуры охлаждающей среды на выходе из обмоток и стали при номинальных нагрузке, коэффициенте мощности, напряжении, температуре охлаждающих сред, давлении и чистоте водорода.
Поскольку в обмотках с непосредственным жидкостным охлаждением перепад температуры от меди к охлаждающей жидкости очень мал, температура жидкости, выходящей из обмотки, может быть принята за среднюю температуру стержней в месте выхода жидкости.
Если наибольшие значения температуры, определенные по кривым нагрева, лежат в пределах, допустимых по стандартам для данного класса изоляции и системы охлаждения генератора, они (с округлением до +5 °С) принимаются за наибольшие допустимые в эксплуатации. Если полученные по кривым нагревания значения температуры оказываются выше допустимых по стандартам, нагрузка генератора должна быть снижена до значения, при котором нагревание не будет превышать допустимого по стандартам.
Наибольшая допустимая в эксплуатации температура (с округлением в пределах +5 °С) указывается в местной инструкции по эксплуатации генератора.
У генератора с жидкостным охлаждением определяется также температура и разница температур между показаниями наиболее и наименее нагретых термопреобразователей сопротивления, контролирующих обмотку статора.
В случае, если указанные температуры или их разности оказываются выше, чем указанные заводом-изготовителем или установленные опытом эксплуатации для данного типа генератора, необходимо принять меры для выяснения причин повышенного нагревания.
П.6.3 У генераторов с косвенным и непосредственным охлаждением разность значений температуры выходящего и входящего охлаждающего воздуха (определенная при номинальном токе) характеризует уровень отводимых газом потерь генератора и состояние системы его охлаждения и не нормируется (используется для сравнения при последующих контрольных испытаниях на нагревание).
П.6.4 Карта допустимых нагрузок генератора составляется на основании кривых нагревания. Исходными условиями при ее составлении являются:
а) сохранение полной мощности (номинальной или максимально длительной) при отклонении напряжения на ±5 % номинального.
При работе генератора с номинальной и максимальной длительной нагрузкой и напряжением, отличающимся от номинального на ±5 %, дополнительное повышение температуры отдельных частей генератора и охлаждающей среды считается допустимым, хотя значение его не нормируется;
б) увеличение мощности генераторов при снижении температуры охлаждающего газа и уменьшение мощности при повышении его температуры.
Токи статора определяются и приводятся соответственно при трех значениях напряжения: Uном; 0,95Uном и 1,05Uном. При необходимости могут быть указаны и промежуточные значения.
В карте нагрузок приводятся два значения тока ротора - номинальное и наибольшее.
Для гидрогенераторов с длиной активной стали до 2 м увеличение мощности разрешается при снижении температуры холодного газа в пределах 20 °С (первая группа), а для турбогенераторов мощностью 25 МВт и более и гидрогенераторов с длиной активной стали более 2 м - в пределах 10 °С (вторая группа).
При большем снижении температуры охлаждающего газа дальнейшее увеличение мощности и соответствующих ей токов статора и ротора не допускается.
Увеличение токов статора не должно превосходить 15 % номинального значения для генераторов первой группы и 10 % номинального для генераторов второй группы во всем диапазоне допустимых отклонений напряжения до ±5 % номинального.
Для генераторов с водяным охлаждением обмотки статора увеличение мощности при снижении температуры охлаждающего воздуха не разрешается, однако, при повышении температуры охлаждающего газа требуется снижение мощности.
В карте нагрузок должны приводиться допустимые токи в обмотках статора и ротора для интервалов температуры не более 5 °С. Допустимый ток определяется для наибольшего значения температуры данного интервала.
В режимах работы генераторов с высокими значениями коэффициентов мощности и при недовозбуждении в дополнение к карте нагрузок могут появиться дополнительные ограничения по условиям нагрева концевых зон статора и обеспечения устойчивости. Эти ограничения установлены в заводской инструкции или в директивных документах, а при их отсутствии - на основании специальных испытаний на нагревание.
П.6.5 Порядок составления карты нагрузок для генераторов с воздушным и жидкостным охлаждением (косвенным и непосредственным) следующий:
а) по регулировочной характеристике и по диаграммам определяют номинальный и наибольший токи ротора;
б) по кривым нагрева находят наибольшие наблюдаемые в эксплуатации температуры обмоток статора и ротора, стали статора, а для генераторов с непосредственным охлаждением - температуры охлаждающего газа на выходе из обмоток и стали;
в) по кривым нагрева определяют допустимые токи, исходя из постоянства наибольших наблюдаемых в эксплуатации температур, отдельно для ротора и статора. Для статора используется та из кривых нагрева (обмотки стали, газа на выходах из обмотки и стали), которая при номинальном токе статора показывает наибольшую температуру по отношению к допустимой.
Для определения допустимых токов возбуждения следует использовать кривую нагревания Dq = f(Pf), так как в ней учтено влияние температуры охлаждающего газа на общее нагревание обмотки. Исходя из постоянства наибольшей в эксплуатации температуры, определяют для верхнего предела каждого интервала температуры холодного газа допустимые Dqf и соответствующие потери на возбуждение (Pf). Допустимый ток возбуждения определяется по формуле:

где rf - сопротивление обмотки ротора при наибольшей наблюдаемой в эксплуатации температуре, Ом.
Если наибольшие наблюдаемые в эксплуатации температуры обмоток статора и ротора превышают допустимые для данного типа генератора, токи должны быть ограничены до значений, при которых температуры не превысят допустимых.
П.6.6 Порядок составления карты нагрузок для генератора с непосредственным водяным охлаждением обмотки статора следующий.
При повышении температуры охлаждающего газа у этих генераторов увеличивается нагрев стали статора и обмотки ротора, а нагрев обмотки статора, охлаждаемой непосредственно водой, меняется незначительно.
При использовании в качестве исходной для составления карты нагрузок кривой нагрева стали статора ограничения тока статора получаются неоправданно большими из-за пологости этой кривой.
В то же время сердечники большинства гидрогенераторов имеют тепловые запасы. Поэтому за исходную для составления карты нагрузок принимают кривую нагрева обмотки ротора. Для полученных из этой кривой допустимых значений тока ротора определяют по регулировочной характеристике допустимые токи статора. Полученные таким образом значения токов статора будут превышать ее, которые можно было бы определить, исходя из кривой нагрева стали статора; соответственно и температуры стали при этих значениях токов будут несколько выше, чем наибольшая наблюдаемая в эксплуатации температура, определенная для номинального режима. Полученные значения температур не должны превышать допустимые для данного типа генератора. Карты нагрузок составляются следующим образом:
а) по регулировочной характеристике и построенным диаграммам определяют номинальный и наибольший токи ротора;
б) по кривой нагрева обмотки ротора находят наибольшие наблюдаемые в эксплуатации температуры обмотки ротора для номинального и наибольшего токов ротора;
в) исходя из постоянства наибольшей наблюдаемой температуры обмотки ротора по кривой его нагрева определяют допустимые токи ротора для интервала температуры холодного газа не более 5 °С (от 40 до 55 °С);
г) по регулировочной характеристике находят токи статора, соответствующие полученным токам ротора;
д) по кривым нагрева сердечника статора проверяют, не превышают ли температуры, соответствующие полученным токам статора, предельно допустимые для данного генератора. Если указанные температуры превышают предельно допустимые, необходимо ограничить токи статора до значений, при которых допустимая температура сердечника не будет превышена;
е) подсчитывают допустимые
токи статора при изменении напряжения на
5 % Uном.
П.7 Порядок составления отчетности по материалам испытаний
П.7.1 Материалы обработки результатов испытаний и составляемая отчетность должны быть точными, полным, наглядными, возможными для безошибочного использования в последующий период.
В отчетность должны быть включены:
а) паспортные и конструктивные данные гидрогенератора;
б) результаты измерения сопротивления обмотки ротора в холодном состоянии, включая результаты предыдущих измерений - заводских и эксплуатационных;
в) данные о термопреобразователях сопротивления - маркировка, места установки (желательно схематическое изображение), сопротивления в холодном состоянии, сопротивления соединительных проводов и изоляции;
г) сводные таблицы средних значений измерений (за последний час каждого опыта):
электрических величин (по контрольным и щитовым приборам);
температур и расхода охлаждающей воды, охлаждающего газа (холодных и нагретых), давления воды (жидкости) на входе и выходе из обмотки;
превышений температуры по всем термопреобразователям сопротивления, заложенным в пазах статора, над температурой охлаждающего газа, а для обмоток, охлаждаемых жидкостью, - над температурой этой жидкости на входе (по данным измерений мостом, логометром или автоматическим регистратором температур);
превышения температуры обмотки ротора над температурой холодного газа (или над холодным дистиллятом для роторов с водяным охлаждением);
д) кривые зависимости превышения температуры обмотки ротора от потерь возбуждения и от квадрата тока ротора;
е) кривые зависимости превышения температуры от квадрата тока статора для:
наиболее нагретых термопреобразователей сопротивления, заложенных на дно паза, между стержнями, под клиньями или на боковой поверхности стержней обмотки статора;
газа, выходящего из колпачков обмотки статора и стали статора (для генераторов с аксиальной системой охлаждения);
жидкости, выходящей из обмотки статора и ротора и охладителей сердечника статора (для генераторов с жидкостным охлаждением);
ж) кривые распределения температуры обмотки и стали статора вдоль паза (для генераторов, имеющих три и более термопреобразователей сопротивления, расположенных по длине паза);
з) кривые распределения температуры по окружности статора;
и) разность значений температуры, измеренной по наиболее и наименее нагретым термопреобразователям сопротивления, заложенным под клинья или на боковой поверхности стержней обмотки статора, при номинальном режиме работы генератора (для генераторов с водяным охлаждением обмотки статора);
к) регулировочная характеристика и данные по определению номинального и наибольшего тока возбуждения при отклонении напряжения и тока статора на 5 % от номинальных значений (желательно привести также характеристики холостого хода и короткого замыкания);
л) данные о наибольших допустимых в эксплуатации температур активных частей генератора;
м) карты допустимых нагрузок генератора;
н) выводы и предложения.
При необходимости в отчет могут быть включены сведения о реконструкциях, ремонтах и данные предыдущих испытаний.
При контрольных испытаниях допустимо составлять лишь протокол с результатами сопоставления.
П.8 Оценка состояния гидрогенератора по результатам испытаний
П.8.1 По результатам испытаний определяют соответствие характеристик нагревания испытанного гидрогенератора стандартам или техническим условиям на поставку. Гидрогенератор соответствует условиям поставки, если значение температуры или превышение температуры его активных частей при номинальных токах меньше или равно тем значениям, которые указаны в стандартах или технических условиях.
Если температура или превышение температуры при номинальном режиме работы выше, чем предусмотрено стандартом, необходимо провести специальные испытания (с установкой дополнительных датчиков температуры) для выяснения и устранения причин повышенного нагревания.
До устранения причин повышенного нагревания вводится ограничение значения токовой нагрузки гидрогенератора, исходя из условий не превышения допустимой температуры или превышения температуры.
(обязательное)
Методика измерения уровня частичных разрядов в обмотке статора гидрогенератора
Р.1 Введение
В процессе эксплуатации изоляция обмоток статоров гидрогенераторов подвергается электрическому, тепловому, механическому и химическому воздействиям, вследствие чего происходит ее постепенное разрушение. В толще корпусной изоляции стержней (катушек) образуются пустоты и расслоения, на ее внешней и внутренней поверхностях - локальные истирания и каверны, происходит проникновение турбинного масла и воды. Если гидрогенератор выработал свой нормативный ресурс, технический менеджмент должен принимать решение о продлении срока его эксплуатации или о его замене, которая не всегда технически и экономически целесообразна
Для обоснованного принятия решения о возможности продления срока службы или о необходимости замены гидрогенераторов требуется квалифицированная оценка их технического состояния, в частности, оценка состояния изоляции.
Надежным методом оценки ухудшения структуры изоляции обмоток статоров гидрогенераторов и высоковольтных электродвигателей является метод измерения частичных разрядов (ЧР), интенсивность которых возрастает по мере старения изоляции. По многочисленным практическим данным интенсивность ЧР в изношенной изоляции в 10 и более раз превышает интенсивность ЧР в изоляции хорошего состояния. Такой метод успешно применяется более 20 лет.
Для оценки состояния изоляции наиболее информативным является измерение ЧР в каждом стержне (катушке) обмотки, поскольку это позволяет не только оценить общее ухудшение состояния изоляции, но и выявить наиболее изношенные стержни и при необходимости заменить их новыми.
Р.2 Описание метода измерения ЧР.
Суть метода состоит в измерении ЧР по пазам статора гидрогенератора, остановленного для ремонта, при этом вывод ротора не обязателен. На обмотку статора пофазно подается от постороннего источника напряжение частоты 50 Гц, величиной не более Uф. Для измерений используются два датчика, которые устанавливаются по концам каждого проверяемого паза и вследствие дифференциальной схемы включения их приемных катушек реагируют только на ток ЧР в изоляции стержней данного паза.
Измерения проводят два оператора, один из которых, находясь в расточке статора или на ободе ротора устанавливает датчики на пазы, а второй - руководитель работ фиксирует показания измерительной аппаратуры и наблюдает на экране осциллографа характеристики ЧР. Опытный оператор по осциллограммам может определить природу ЧР, т.е. разрядный промежуток, который они пробивают: изоляция-изоляция, изоляция-металл, полупроводящее покрытие-металл, металл-металл. Метод позволяет также определить местонахождение ЧР. Для этого один из датчиков передвигается вдоль паза - в момент прохождения его над местом ЧР показания аппаратуры скачком снижаются до нуля.
Для ЧР в полостях корпусной изоляции (промежуток изоляция-изоляция или изоляция-медь) критерием опасного состояния является величина показаний измерительного прибора Е > 150 мкВ/м. Наличие ЧР такой удельной интенсивности означает, что произошло сильное расслоение изоляции или ее отслоение от меди, при этом электрическая и механическая прочность изоляции существенно снизились, ухудшилась теплоотдача меди. Кроме того, токоведущая часть получила возможность вибрировать с резонансной частотой 100 Гц. Установленный выше критерий получен на основе опытных данных завода (Стандарт предприятия «Электросила», СТП БС-6-523-84).
ЧР в промежутке полупроводящее покрытие-металл означают или отслоение от меди, регулирующей поле подложки под корпусной изоляцией, или ослабление крепления стержня в пазу. В первом случае происходит разрушение полупроводящей подложки, рост напряженности поля на углах меди и увеличение вероятности пробоя изоляции. Во втором случае неизбежно возникновение пазового разряда большой мощности, повреждение этим разрядом изоляции, механическое повреждение изоляции и меди (истирание, трещины, излом) вследствие большой амплитуды вибрации.
ЧР в промежутке металл-металл может означать нарушение паяных и болтовых соединений токоведущих частей обмотки статора и выводных шин, нарушение контакта между регулирующими поле фольговыми подложками и медью.
Кроме перечисленных дефектов ЧР могут сопровождать и другие дефекты, например: трещины в проходных изоляторах, глубокие истирания изоляции лобовых частей, сильное поверхностное загрязнение или увлажнение изоляции лобовых частей, опорных и проходных изоляторов генераторного напряжения.
Измерение ЧР, и особенно интерпретация результатов измерений, требуют высокой квалификации и большого практического опыта в этой области, такую работу могут специализированные организации или специально обученные работники электростанций.
Р.3 Организация и техника безопасности проведения измерений ЧР.
Измерения проводятся при подаче на обмотку статора высокого, не менее 6кВ напряжения от постороннего источника. Допуск к работе должен осуществляться по наряду. Измерения ЧР желательно проводить сразу после высоковольтных испытаний изоляции обмотки статора, поскольку схема подачи напряжения для измерений полностью соответствует схеме испытаний. Под руководством производителя работ собирают схему измерений, по его команде производят все операции по подаче и снятию высокого напряжения, установку датчиков на пазы статора, другие необходимые операции.
Установку датчиков в гидрогенераторах производят с помощью изолирующих штанг. В генераторах большой мощности с большим диаметром расточки допускается размещение операторов в расточке и установка датчиков на пазы руками. При этом используются средства защиты - диэлектрические перчатки, боты, резиновые коврики и каски. Вход и выход операторов из расточки разрешается только при снятом напряжении и заземленном высоковольтном выводе испытательного трансформатора. Находящиеся в расточке операторы не подвергаются опасности поражения током даже при пробое изоляции во время измерений, хотя такой пробой маловероятен, поскольку перед измерениями изоляция испытывается напряжением не ниже 2,6Uф. Операторы находятся на массивном заземленном сердечнике статора с удельным активным сопротивлением 0,1 - 0,2 Ом×мм2/м, при этом ток пробоя ограничивается релейной защитой испытательной установки и не может превышать 5 А по высокой стороне по условиям не возникновения дуги и повреждения активной стали. Таким образом, на длине расточки 1 м разность потенциалов активной составляющей тока не может превысить 10 В. Благоприятным фактором является также то, что ток от места пробоя изоляции распространяется вдоль листов активной стали к стяжным призмам и на поверхность расточки не выходит.
(обязательное)
Методика измерения уровня частичных разрядов в обмотке статора гидрогенератора под нагрузкой
С.1 Введение.
Частичные разряды, искрения и микродуги в гидоорогенераторах сопровождают большинство дефектов изоляции и токоведущих частей. Зачастую эти дефекты развиваются быстро и могут привести к аварии гидрогенератора, поэтому непрерывный или достаточно частый периодический контроль разрядов, как дополнение к штатной релейной защите, необходим для генераторов большой мощности, авария которых влечет за собой значительный ущерб.
С.2 Описание аппаратуры.
Аппаратура состоит из датчика, измерительного прибора, кабелей присоединения датчика к прибору, проводов передачи сигнала на панели управления (главного или блочного щитов управления). Схема подключения аппаратуры приведена на рисунке.

От места возникновения разряда по обмотке статора распространяются импульсы напряжения Ut, которые принимаются датчиком и обрабатываются измерительным прибором. Емкостно-индуктивный датчик подключается к нейтрали обмотки статора (место подключения определяется конструкцией нейтрали) и преобразует импульсы напряжения Ut в затухающие колебания Et с частотой 50 - 70 кГц. Конденсатор датчика служит для отстройки от рабочего напряжения; измерительным элементом является импульсный трансформатор, первичная обмотка которого включена последовательно с конденсатором. Измерительный прибор устанавливается в удобном для эксплуатации месте - укрепляется на «стакане» корпуса гидрогенератора, устанавливается в помещении сериесного трансформатора, на блочном или главном щите управления. Подключение датчика к прибору осуществляется экранированным симметричным кабелем.
Датчик подключается непосредственно к токоведущим частям нейтрали обмотки статора, поэтому рабочее напряжение его конденсатора должно быть не ниже максимально возможного перенапряжения. С учетом переходного процесса максимальное перенапряжение в нейтрали не превышает 3Uф при однофазном замыкании на линейном выводе. Величина емкости конденсатора выбирается с таким расчетом, чтобы не влиять на работу релейной защиты от однофазных замыканий в обмотке статора и лежит обычно в пределах 1000 - 2000 пФ. Величина индуктивности первичной обмотки импульсного трансформатора ориентировочно равна 0,01 - 0,02 Гн. Измерительный элемент и, соответственно, вход измерительного прибора защищаются стандартным защитным разрядником типа Р-350 и ОПН.
Измерительный прибор представляет собой узкополосный милливольтметр среднего выпрямленного напряжения сигнала датчика. Прибор имеет схему подавления систематической и случайной помехи, основу которой составляют стробирование и многократное интегрирование-сброс напряжения сигнала. Чувствительность прибора и уровень, на котором подавляется помеха, регулируются в зависимости от конкретных условий работы генератора. Показания прибора отображаются на четырехразрядном цифровом индикаторе. На передней панели прибора имеется светодиод, который загорается при величине сигнала выше критического значения. На выходе прибора имеется «сухой» контакт, посредством которого сигнал можно передавать на световое табло, звуковую или блинкерную сигнализацию на щите управления генератором. При этом можно использовать резервные цепи оперативной сигнализации.
Размеры и вес датчика ясны из их приведенных выше характеристик. Измерительный прибор смонтирован в стальном корпусе, ориентировочные размеры 15´20´40 см, вес около 6 кг, питание от сети 220 В.
С.3 Работа аппаратуры.
Аппаратура устанавливается во время монтажа или ремонта гидрогенератора, в процессе установки производится ее градуировка. После пуска гидрогенератора в течение нескольких дней отслеживается уровень помехи, производится настройка схемы ее подавления и выбор оптимальной чувствительности измерительного прибора. Аппаратура сигнализирует о появлении дефекта тогда, когда величина сигнала датчика превышает выбранный уровень.
Аппаратура в настоящем исполнении самостоятельно не определяет характер и местонахождение дефекта, однако ее показания могут быть связаны с показаниями других каналов контроля состояния гидрогенератора. Кроме того, у каждого конкретного гидрогенератора имеются специфические слабости конструкции и, соответственно, наиболее вероятные дефекты. Например, если обмотка статора не уплотнена в пазах, то имеется вероятность повышенной вибрации стержней и появления пазовых разрядов, которые будут зарегистрированы аппаратурой. Появление сигнала требует останова гидрогенератора в ближайшее время для внепланового обследования с целью обнаружения и устранения дефекта.
(обязательное)
Т.1. Общие положения
Настоящее Приложение составлено на основе накопленного за 16 лет опыта применения излагаемой методики с одновременным учетом опыта эксплуатации гидрогенераторов, на которых в этот период реализованы новые технологические решения: сборка статора «в кольцо», запечка крайних пакетов, применение стали с различным направлением проката листов, различная толщина сегментов. Применен индивидуальный подход к контролю состояния прессовки сердечника статора гидрогенераторов, на которых реализована система крепления активной стали без отжимных болтов с удлиненными нажимными пальцами, и принятию решений по результатам контроля. Обобщены рекомендации по обеспечению плотности прессовки, составляемые заводами-изготовителями и ремонтными предриятиями в индивидуальном порядке для каждого конкретного случая. Методические указания распространяются на вертикальные гидрогенераторы мощностью 10 МВт и выше.
Т.2. Периодичность контроля состояния прессовки сердечника статора гидрогенераторов
В начальный период эксплуатации гидрогенератора после ввода в эксплуатацию (3 - 5 лет), независимо от его конструктивного исполнения необходимо выполнять контроль плотности прессовки пакетов сердечника не реже одного раза в год по методике, изложенной в п. Т.3.
В дальнейшем периодичность контроля должна быть установлена в зависимости от количества мест с ослаблением зубцов.
Если во время каждой из проверок обнаруживается значительное ослабление прессовки, требующее установки более 20 клиньев или «протезирования» активной стали, то проверки должны быть ежегодными.
Если имеется тенденция к стабилизации плотности прессовки (установка при очередном ремонте менее 20 клиньев толщиной до 1 мм и отсутствует необходимость «протезирования» активной стали), то проверки проводятся с периодичностью 1 раз в 2 года.
При полной стабилизации прессовки сердечника (отсутствие необходимости установки клиньев) дальнейшие проверки выполняются:
- на гидрогенераторах с запеченными крайними пакетами - 1 раз в 6 лет;
- на гидрогенераторах с незапеченными крайними пакетами - 1 раз в 3 - 4 года;
- на гидрогенераторах, имеющих систему крепления активной стали без отжимных болтов с удлиненными нажимными пальцами - 1 раз в 2 года.
Т.3 Порядок контроля и восстановления прессовки пакетов сердечника статора гидрогенераторов.
Контроль плотности прессовки на гидрогенераторах с традиционной системой крепления сердечника нажимными гребенками осуществляется в зубцовой зоне на 2 - 3-х крайних пакетах в обоих торцах статора.
На гидрогенераторах, имеющих систему крепления активной стали без отжимных болтов с удлиненными нажимными пальцами, контроль плотности прессовки осуществляют по всей высоте сердечника как в зубцовой зоне, так и на спинке. На этих гидрогенераторах необходимо модернизировать систему крепления или заменить сердечник, планируя выполнение этих работ в рамках технического перевооружения.
Для обеспечения доступа к зубцовой зоне на остановленном агрегате демонтируют перекрытия одного пролета верхней крестовины и соответствующие пролеты верхнего и нижнего воздухоразделяющих щитов, в также два - три полюса ротора. При последовательном провороте ротора осуществляют осмотр и проверку плотности прессовки зубцов сердечника статора, а также обследуют состояние изоляции стержней на выходе из паза. Обследование пакетов спинки сердечника осуществляют со стороны камеры горячего воздуха из воздухоохладителей. В отдельных случаях может быть необходим демонтаж воздухоохладителей.
Особое внимание на гидрогенераторах с разъемным статором следует обращать на зоны стыковки секторов сердечника.
Проверка плотности прессовки производится заостренным клиновидным ножом толщиной 1,5 мм, обычно применяемым заводами - изготовителями в процессе шихтовки сердечника. Ослабление прессовки зубца считается незначительным в том случае, если от усилия руки нож входит между листами активной стали на глубину не более 5 мм. Если нож входит на глубину более 5 мм, ослабление прессовки считается значительным. Причем значительное ослабление прессовки может быть как без выкрашивания, так и с выкрашиванием листов активной стали.
Устранение незначительного ослабления прессовки производится запрессовкой стеклотекстолитовых клиньев СТЭФ (рис. 1). Для этого необходимо расщепить металлической стамеской листы пакета с ослабленной прессовкой на расстоянии 10 - 15 мм от нажимного пальца и в образовавшуюся щель вставить клин из стеклотекстолита СТЭФ (рис. 1 поз. 1), предварительно промазав его по всем поверхностям лаком холодного отверждения или шеллачным лаком. Клинья запрессовываются до отказа ударами молотка. При этом необходимо следить за тем, чтобы при перекосах клин не повредил изоляцию стержней.
При разрезной конструкции зубца и ослаблении обоих полузубцов клин может быть выполнен в двух вариантах:
- отдельные клинья, каждый шириной А1 (рис. 1, вариант 1), для каждого полузубца;
- один общий клин шириной А2 (рис. 1, вариант 2) для обоих полузубцов при одинаковом ослаблении их прессовки (если он не нарушает системы вентиляции).
При неразрезных крайних пакетах клин изготавливают для каждого зубца.
Ширина стеклотекстолитовых клиньев составляет 0,8 ширины зубца или полузубца.
После установки клиньев проверяют прессовку указанным выше способом, причем допускается «закусывание» ножа не более чем на 3 мм.
Устранение значительного ослабления прессовки без выкрашивания активной стали производят запрессовкой клиньев из немагнитной стали между пальцами нажимной гребенки и крайними пакетами (рис. 2). Вначале между листами активной стали прокладывают листовую слюду, промазанную шеллачным лаком или эпоксидным клеем (рис. 2, поз. 1). Размеры вставки слюды выбирают по месту. Далее ударами молотка запрессовывают клин из немагнитной стали Х18НОТ между нажимными пальцами нажимной гребенки и крайним пакетом активной стали (рис. 2, поз. 2). При запрессовке следует не допускать перекоса клиньев, чтобы не повредить изоляцию стержней обмотки. Производят осмотр системы крепления активной стали по всему периметру статора и в случае необходимости подтягивают гайки стяжных шпилек с соответствующей регулировкой отжимных болтов. Проверку плотности прессовки зубцов, на которых производился ремонт, выполняют заостренным ножом, как было описано выше.
Установленные клинья приваривают к нажимным пальцам электродом диаметром 3 мм. При этом в целях предотвращения повреждения изоляции при сварке на стержни накладывают мокрый асбест толщиной 5 мм.
Для устранения значительного ослабления прессовки с выкрашиванием активной стали, кроме перечисленных выше мероприятий, производят «протезирование» активной стали (рис. 3). После тщательного удаления остатков активной стали и запиливания выступающих кромок выкрошенных листов в узкие щели устанавливают листовую слюду (рис. 3, поз. 1). Затем по фактическому профилю разрушенного участка зубца устанавливают специально изготовленную вставку - «протез» из стеклотекстолита СТЭФ (рис. 3, поз. 2). Далее запрессовывают клин из немагнитной стали, конструкция которого должна исключить выпадание вставки в воздушный зазор (рис. 3, поз. 3).
Выполняют общую подпрессовку сердечника, приваривают клинья с соблюдением мер предосторожности в отношении обмотки при сварочных работах.
После выполнения ремонта с протезированием зубцов проводят испытания стали сердечника для выявления возможных местных перегревов.
Т.4 Восстановление плотности посадки стержня обмотки статора на выходе из паза.
При значительных ослаблениях прессовки зубцов крайних пакетов и выкрашивании активной стали демонтируют два крайних клина из пазов, прилегающих к данным зубцам. После распайки стержня в головке его отжимают от соответствующих поверхностей паза и определяют объем механических повреждений изоляции. При обнаружении незначительных механических повреждений микалентной компаундированной изоляции на выходе из паза между участками с поврежденной изоляцией и дном паза устанавливают стеклотекстолитовые прокладки СТЭФ-П. Прокладки и поверхность стержня промазывают полупроводящей эмалью Л57 или ПЛГ-233, а толщину прокладок выбирают по месту. В случае термореактивной изоляции поврежденные участки восстанавливают эпоксидной композицией с последующим покрытием поверхности изоляции стержня в ремонтируемом месте полупроводящей эмалью ПЛГ-233 и уплотнением прокладками из СТЭФ-П после высыхания эмали.
Стержни, на которых обнаружены значительные повреждения изоляции, подвергают высоковольтным испытаниям. Если изоляция выдержала испытания, уплотнение посадки выполняют в соответствии с изложенными выше способами. В случае пробоя изоляции стержень заменяют новым.
Рис. 1.
Рис. 2.
Рис. 3.
(РД 34.31.307-97)
(обязательное)
Методика определения очагов опасного замыкания активной стали сердечника статора гидрогенератора
У.1 Введение.
Методика и соответствующая аппаратура предназначены для выявления очагов замыкания листов активной стали шихтованных сердечников статоров вращающихся электрических машин во время ремонта. Для выполнения работы требуется вывод ротора или снятие нескольких полюсов и провороты ротора краном. Применяемую аппаратуру следует рассматривать как индикаторное устройство, она не является измерительной и не требует стандартизации. Методика, использующая данную аппаратуру, является дополнительной к нормированным испытаниям активной стали на потери и нагрев методом кольцевого намагничивания («Объемы и нормы испытаний электрооборудования»). Аппаратура состоит из генератора тока напряжения 30 В, частоты 1,5 кГц, схемы индикации (генератор тока и схема индикации размещены в одном корпусе, далее по тексту - прибор) и датчика-индуктора. Методика разработана на основе теоретических положений австрийской фирмы «ELIN».
У.2 Принцип работы аппаратуры.
Датчик-индуктор подключается к прибору и устанавливается на активную сталь электрической машины в расточке статора так, как это показано на рисунках 1 и 2.
Рис. 1 Блок-схема присоединений к прибору датчика-индуктора и микроамперметра-индикатора.
Рис. 2. Способ установки датчика на зубцы сердечника статора в месте дефекта.
Ток в катушке датчика-индуктора возбуждает в стали статора сканирующий магнитный поток Фск. В отсутствие замыкания листов схема индикации уравновешена и на микроамперметре индикаторной головки, укрепленной на датчике, показания близки к нулю. При наличии замыкания листов в месте установки датчика-индуктора и образования замкнутого контура, индуктивное сопротивление датчика индуктора уменьшается и происходит нарушение равновесия схемы индикации. Отклонение Δ стрелки индикаторной головки пропорционально мощности Р тепловыделения в месте замыкания в рабочем режиме электрической машины:
Δ ≡ Р = U2/R; (1)
U - напряжение, приходящееся на количество замкнутых листов активной стали в номинальном режиме электрической машины; R - активное сопротивление контура замыкания.
Величина напряжения U определяется путем деления фазного напряжения машины на число N стержней (полусекций катушек) в ветви, на число n пакетов сердечника статора и умножения на отношение l/d длины замыкания в аксиальном направлении к толщине пакета:
U = (Uф/N)/n × (l/d); (2)
Опасным следует считать тепловыделение более 75 Вт, при котором перегрев в месте замыкания составляет 20 - 30 ºС.
В соответствии с выражением (1) производится градуировка схемы перед началом сканирования. Сканирующий магнитный поток датчика-индуктора охватывает в аксиальном направлении один пакет активной стали, поэтому напряжение U в выражении (1) равно напряжению, приходящемуся на один пакет. В качестве примера: для мощных электрических машин U = 5 В на пакет, при Р = 75 Вт получаем R = 0,33 Ом. Из имеющегося набора градуировочных резисторов составляется соответствующее сопротивление и моделируется замыкание вокруг одной из ножек датчика. Показания индикатора при этом будут соответствовать опасному замыканию листов и на них следует ориентироваться при сканировании.
У.3 Организация работы и техника безопасности.
Сканирование выполняется на электрических машинах, выведенных в ремонт с отключением от сети. Обмотка статора должна быть заземлена. Трансформаторы тока и напряжения релейной защиты должны быть отключены для предотвращения обратной трансформации.
Работа может выполняться по распоряжению, оформленному в установленном порядек. Перед подключением прибора к сети 220 В корпус прибора необходимо заземлить.
Датчик-индуктор устанавливается рукой или с помощью штанги (при малом диаметре расточки статора) на зубцы пакета активной стали для градуировки, затем включается тумблер питания прибора. Устанавливается «0» индикатора и производится градуировка с использованием подходящего для конкретной электрической машины градуировочного сопротивления. При сканировании датчик-индуктор с небольшой скоростью плавно перемещается вдоль пазов статора. Укрепленные на датчике-индукторе магниты не позволяют ему отклониться от заданного направления, что существенно облегчает работу оператора.
Если при использовании данной методики в статоре не выявлены опасные очаги замыкания листов активной стали, то по согласованию с главным инженером электростанции проводить нормированные испытания на потери и нагрев не целесообразно. В противном случае такие испытания необходимы для подтверждения результатов и обоснования необходимости ремонта активной стали.
(обязательное)
Ф.1 Общие положения
Ф.1.1 Определение форм ротора и статора гидрогенераторов следует производить при каждом капитальном ремонте, но не реже, чем 1 раз в 5 лет, а также в случае возникновения при подаче возбуждения повышенных низкочастотной вибрации сердечника статора и крестовины, биения вала и температуры сегментов направляющих подшипников. Если предусматривается проведение работы по исправлению форм ротора и статора, то измерение их форм необходимо производить дважды: перед ремонтом и повторно после него.
Ф.1.2 Оценка симметрии воздушного зазора осуществляется с учетом статических и динамических форм, а также величин биения вала. При повышенном биении вала, связанном с наличием дефектов валопровода или узлов гидротурбинного оборудования («излом» вала, небалансы узлов в проточной части и др.), определение форм ротора и статора проводится после устранения причины биения вала.
Статические формы ротора и статора определяют традиционным способом - измерением с помощью щупа при провороте ротора и стрелой при вынутом роторе.
Динамические формы ротора и статора определяются с использованием измерительных витков, устанавливаемых на сердечнике в нескольких сечениях по периметру статора, либо оптоэлектронным устройством, датчик которого устанавливается поочередно в выбранном количестве сечений статора. Возможно использование и других равноценных методов и средств измерения воздушного зазора.
При работе с измерительными витками величину воздушного зазора под каждым полюсом оценивают по уровню э.д.с., наведенной в витке каждым полюсом, при использовании оптоэлектронного устройства - по величине отраженного светового потока, фиксируемого оптоэлектронным датчиком. Измерения с помощью витка выполняют в режиме холостого хода с возбуждением. Измерения оптоэлектронной системой проводятся при различной скорости вращения на холостом ходу без возбуждения и с возбуждением, что позволяет оценить влияние на форму ротора и симметрию воздушного зазора как центробежных, так и электромагнитных сил.
Ф.1.3 Перед измерениями форм ротора и статора должна быть составлена программа работы, которая утверждается главным инженером станции.
Ф.1.4 Протокол измерений должен содержать помимо результатов замеров их графическое отображение. При этом ротор изображается в расточке статора в положениях, при которых имеют место максимальные и минимальные зазоры между ротором и статором. В протоколе указываются также величины биения вала, напряжение холостого хода, маркировка элементов ротора и статора (номера секторов и пазов статора, номера полюсов ротора) и их взаимное положение.
Ф.1.5 По результатам измерения и анализа форм ротора и статора составляют заключение, в котором должны быть даны оценки их несимметрии и рекомендации по ее устранению или снижению. Оценку неравномерности воздушного зазора при неудовлетворительном вибрационном состоянии статора выполняет персонал ГЭС с привлечением в случае необходимости специализированных организаций, имеющих необходимый опыт и лицензии на выполнение указанных работ.
Ф.1.6 Все работы, связанные с определением форм ротора и статора, как на остановленном гидроагрегате, так и при его вращении, должны проводиться с соблюдением правил техники безопасности.
Ф.2 Определение формы ротора.
Ф.2.1 Определение статической формы ротора.
Статическую форму ротора определяют при его провороте. С помощью щупа измеряют зазоры вверху и внизу ротора между серединой каждого полюса и фиксированной произвольной точкой статора.
Результаты измерений оформляют в табличной форме и составляют их графическое отображение: величины зазоров между каждым полюсом ротора и произвольно выбранной точкой статора наносят на график либо в полярных, либо в прямоугольных координатах. При плавной форме огибающей полюсов ротора (без резких, преывшающих 10 - 15 %, отличий в величинах зазоров под соседними полюсами) количественной оценкой искажения является разность между максимальной величиной зазора (Арот.макс.) и средним значением по всем точкам измерения (δрот.ср.), отнесенная к среднему значению. Эта величина, взятая в процентах, определяет степень искажения формы ротора:
∆рот. = [(Арот.макс - δрот.ср.)/δрот.ср]×100 %.
Такой упрощенный анализ допустим при плавно меняющейся форме огибающей полюсов ротора. При сложной форме огибающей полюсов ротора, полученной по результатам последовательного измерения величин зазоров между всеми полюсами и выбранной точкой статора, ее целесообразно разложить в ряд Фурье. Тогда первая гармоническая составляющая будет характеризовать эксцентриситет, вторая - эллиптичность, а более высокие гармоники - более сложные формы искажения ротора. Полученные амплитудные значения гармонических составляющих, отнесенные к величине постоянной составляющей разложения и представленные в %, адекватны приведенному выше определению степени искажения формы ротора. Рекомендуемый анализ позволяет выявить и оценить искажения формы ротора и сопоставить результаты измерений с наблюдаемыми анормальными явлениями - повышенной вибрацией стальных конструкций и нагревами сегментов направляющих подшипников.
Определение статической формы ротора возможно и при его вращении - в режиме холостого хода без возбуждения при минимальной частоте вращения ротора n = (0,1 - 0,2)nном на выбеге без торможения. Такие измерения могут быть осуществлены, например, с помощью оптоэлектронной техники. Результаты измерений оформляются и анализируются аналогично вышесказанному.
Ф.2.2 Определение динамической формы ротора.
Динамическая форма ротора определяется в режимах холостого хода без возбуждения и с возбуждением при изменении частоты вращения. Такие измерения могут быть проведены с помощью оптоэлектронной измерительной техники. При этом имеется возможность раздельной оценки влияния центробежных (при выбеге на холостом ходу без возбуждения) и электромагнитных сил (при подаче возбуждения) на форму ротора, а, следовательно, получить количественную оценку ослабления посадки обода на спицах работающего агрегата.
Измерения должны проводиться вверху и внизу статора или в середине. Результаты измерений оформляются аналогично изложенному в п. Ф.2.1.
Качественная оценка формы ротора может быть проведена с помощью измерительного витка на статоре в режиме холостого хода с номинальной скоростью вращения ротора и уровне возбуждения, обеспечивающем 0,4 - 0,6 Uген.ном..
Ф.3 Определение формы статора.
Использование оптоэлектронной техники для измерений величин воздушного зазора позволяет ввести понятие статической и динамической формы статора. При снижении жесткости узлов крепления (обмятии и выкрашивании «ласточкиных хвостов», ослаблении распорных домкратов корпуса и связи корпуса с фундаментом) форма статора на остановленном и работающем агрегатах может существенно различаться.
Статическая форма статора определяется одновременно с измерением формы ротора при его провороте, однако, в данном случае щупом также измеряются зазоры между каким-либо фиксированным полюсом ротора и несколькими (не менее 8) точками расточки статора, симметрично расположенными по его окружности. Измерения должны проводиться вверху и внизу статора или в середине.
Динамическая форма качественно может быть определена с помощью измерительных витков, однако технология измерения достаточно трудоемка, поскольку требуется стационарная установка нескольких витков, равномерно распределенных вдоль окружности статора. Измерения с помощью оптоэлектронного датчика, помимо обеспечения более надежной информации, менее трудоемки и не требуют специальной остановки агрегата.
Форма статора определяется по величине э.д.с. или интенсивности отраженного светового потока от фиксированного полюса в выбранных точках вдоль окружности статора.
Результаты измерений оформляются в табличной форме и дается их графическое отображение: величины зазоров между симметричными точками статора и определенным полюсом ротора наносятся на график либо в полярных, либо в прямоугольных координатах. При плавной форме огибающей (без резких - более 10 - 15 % - отличий в величинах зазоров в соседних точках измерения) количественной оценкой искажения является разность максимальной величины зазора (Аст.макс.) и среднего значения по всем точкам измерения (δст.ср.), отнесенная к среднему значению. Эта величина, взятая в процентах, определяет степень искажения формы статора:
∆ст. = [(Аст.макс - δст.ср.)/δст.ср]×100 %.
При сложной форме огибающей, полученной по результатам последовательного измерения величин зазоров между симметричными точками статора и определенным полюсом ротора, ее целесообразно разложить в ряд Фурье. Первая гармоническая составляющая будет характеризовать расцентровку, т.е. несовпадение геометрического центра статора и центра вращения ротора; вторая - эллиптичность статора, а более высокие гармоники - более сложные формы искажения статора. Полученные амплитудные значения гармонических составляющих, отнесенные к величине постоянной составляющей разложения и представленные в %, адекватны приведенному выше определению степени искажения формы статора.
Ф.4 Оценка форм ротора и статора и принятие решений.
Оценку неравномерности форм ротора и статора производят раздельно. Рекомендуются следующие градации оценок неравномерности:
для ротора:
∆рот. < 3 % - удовлетворительно;
∆рот. = 3 - 8 % - неудовлетворительно;
∆рот. > 8 % - недопустимо;
для статора:
∆ст < 5 % - удовлетворительно;
∆ст = 5 - 15 % - неудовлетворительно;
∆ст > 15 % - недопустимо.
По результатам оценки форм ротора и статора с учетом повышенной низкочастотной вибрации сердечника статора, биения вала (из-за искажения формы ротора), повышенного односторонного нагрева сегментов направляющих подшипников (из-за искажения формы статора) и результатов осмотра, в соответствии с таблицами Ф.1 и Ф.2 оценивают состояние гидрогенератора и принимают решение о его дальнейшей эксплуатации.
В отдельных случаях, в зависимости от особенностей конкретного генератора, например, при сильном искажении формы статора, но нормальной температуре сегментов направляющих подшипников, рекомендуемые нормы неравномерности необходимо согласовать с заводом-изготовителем.
Таблица Ф.1 Оценка формы ротора и рекомендуемые решения
|
Оценка |
Рекомендуемые решения |
|||
|
Степень искажения формы ротора (статической или динамической), ∆рот., % |
Размах низкочастотных виброперемещений сердечника статора на холостом ходу с возбуждением или при работе в сети, мкм |
Результаты осмотра |
||
|
< 3 |
< 80 |
Замечаний нет |
Удовлетворительно |
Эксплуатация без ограничений |
|
3 - 8 |
< 180 |
Повреждений узлов сердечника нет; ослабление распорных домкратов; контактная коррозия на спинке сердечника и клиньях корпуса; выползание отдельных штифтов фланца корпуса |
Неудовлетворительно |
Разрешается эксплуатация гидроагрегата. Одновременно разрабатывают рекомендации по устранению несимметрии ротора. При первой возможности генератор выводится в ремонт. До проведения ремонта проводить измерение формы ротора один раз в год |
|
> 8 |
> 180 |
Обильная контактная коррозия на спинке сердечника и клиньях корпуса; повреждения активной стали или узлов крепления сердечника; массовое выползание штифтов фланца корпуса; ослабление распорных домкратов (наличие всех перечисленных факторов одновременно необязательно) |
Недопустимо |
Немедленный вывод генератора в ремонт для устранения повреждений и причин недопустимого искажения формы ротора. Возможна эксплуатация генератора по разрешению технического руководителя ГЭС. До ремонта контрольные измерения формы ротора проводить один раз в полугодие |
Таблица Ф.2 - Оценка формы статора и рекомендуемые решения
|
Оценка |
Рекомендуемые решения |
||
|
Степень искажения формы статора (статической или динамической), ∆ст, % |
Температура сегментов направляющих подшипников, ºС |
||
|
< 5 |
< tном. |
Удовлетворительно |
Эксплуатация без ограничений |
|
5 - 15 |
< (tном. + 5 ºС) |
Неудовлетворительно |
Разрешается эксплуатация гидроагрегата. Одновременно разрабатываются рекомендации по устранению несимметрии статора. При первой возможности генератор выводится в ремонт. До проведения ремонта проводить измерение формы статора один раз в год |
|
> 15 |
> (tном. + 10 ºС) |
Недопустимо |
Немедленный вывод генератора в ремонт для исправления формы статора. Ревизия направляющих подшипников и при необходимости их ремонт |
(РД 34.31.305-96)
(обязательное)
Методика оценки технического состояния щёточно-контактного аппарата гидрогенераторов
Щеточно-контактный аппарат (ЩКА) является слабым конструктивным узлом, требующим постоянного надзора и устранения возникающих дефектов без останова и изменения режима работы гидрогенератора. По характеру возникновения дефекты ЩКА классифицируются как перемежающиеся (многократно возникающие и самоустраняющиеся), внезапные (скачкообразное ухудшение одного или нескольких параметров) и постепенные (медленное ухудшение параметров).
В настоящее время на ГЭС проводят постоянный, не реже двух раз за смену осмотр ЩКА, тем не менее, значительная часть его отказов носит внезапный характер. Это указывает на то, что развивающийся дефект не выявляется при осмотре, или его развитие происходит за время, меньшее промежутка между двумя осмотрами. В любом случае во избежание аварий ЩКА на мощных гидрогенераторах необходим переход к непрерывному контролю его состояния. В процессе работы генератора в результате трения щеток и протекания тока на поверхности колец образуется пленка - политура, оказывающая положительное влияние на механические свойства трущейся пары щетка-кольцо и на электрические свойства скользящего контакта. Коэффициент трения щетки о кольцо существенно зависит от величины тока, проходящего через щетку, причем наибольшее значение он имеет при бестоковой работе щетки. Например, у щеток марки ЭГ-2АФ коэффициент трения в бестоковом режиме достигает значения 0,35, а при плотности тока 10 А/см2 он составляет 0,014, т.е. в 25 раз меньше. Для щеток марки 611ОМ значения коэффициента трения соответственно 0,15 и 0,04. Аналогичные соотношения наблюдаются и для скоростей износа щеток. При нормальной работе износ щеток за 1000 часов работы составляет от 1,5 до 8,5 мм для положительного полюса и от 1,5 до 16 мм для отрицательного полюса. При этом кольца истираются от 0,05мм до 0,4 мм (большие значения относятся к более мощным генераторам).
В процессе работы ЩКА находится под воздействием факторов, которые можно разделить на 3 класса: электрические, механические и атмосферные. Сочетания этих факторов могут приводить к возникновению разнообразных дефектов. Статистические данные показывают, что наиболее часто встречающиеся неисправности ЩКА - это загрязнение, износ и бой контактных колец, износ щеток, искрение щеток и повреждение щеткодержателей. Значительная часть отказов обусловлена повреждениями токоподвода в месте его крепления к щетке из-за недостатков технологии производства.
Сценарии развития этих дефектов, построенные на основе анализа повреждений ЩКА, показаны на рисунке 1, из которого следует, что любое нарушение в работе ЩКА сопровождается увеличением степени искрения щеток, поэтому регистрация искрения является лучшим способом контроля состояния ЩКА. Все другие методы имеют те или иные недостатки и, как показала практика, не обеспечивают безаварийную работу ЩКА.
Рис. 1. Сценарии развития дефектов ЩКА.
Х.2 Метод контроля неисправности ЩКА на основе улавливания повышенного искрения щеток.
Разработанная аппаратура основана на регистрации высокочастотного электромагнитного шума, вызванного искрением ЩКА. Наносекундные импульсы искрения имеют широкий гармонический спектр - от 0 Гц до нескольких сот МГц. Однако при распространении импульсов по обмоткам цепи возбуждения фронты сглаживаются, и фактический диапазон частот их гармонических составляющих не превышает 10 МГц. В этом же диапазоне находится основная помеха от коммутаций тока возбуждения, поэтому простым выбором частоты настройки контролирующей аппаратуры от помехи отстроиться нельзя. В то же время задача подавления помехи является главной при контроле исправности ЩКА по степени искрения. В разработанной аппаратуре основным способом подавления является стробирование импульсов помехи, отсечка случайной помехи большой амплитуды, многократное интегрирование-сброс сигнала. Таким образом удается подавить не только систематическую помеху от коммутаций тока возбуждения, но и случайную внешнюю помеху.
Аппаратура состоит из датчиков, измерительного прибора и кабелей присоединения датчиков к прибору. Величина сигнала датчиков отображается на цифровом индикаторе измерительного прибора. В качестве датчиков используются два конденсатора емкостью С = 6800 пФ, Uр = 3 кВ, помещенные в металлических корпусах. В этих же корпусах находятся фильтры верхних частот с частотой среза 1 МГц. Датчики с помощью зажимов типа «крокодил» подключаются к поводкам щеток разных полюсов. Подключение датчиков к входу дифференциального усилителя прибора осуществляется двумя коаксиальными кабелями типа РК-75. Номиналы конденсаторов, индуктивностей и схема входных фильтров измерительного прибора выбраны с учетом согласования их сопротивлений с волновым сопротивлением кабеля. Конденсаторы связи одновременно служат для отстройки от постоянного напряжения обмотки возбуждения, поэтому их номинальное напряжение выбрано с учетом кратности форсировки. Дифференциальное подключение датчиков и низкое входное сопротивление усилителя делают кабельное присоединение практически нечувствительным к внешней помехе. Схема подключения аппаратуры к ЩКА генератора и полдачи сигнала на щит управления приведена на рисунке 2.
Поскольку искрение ЩКА - процесс хаотический, то и показания цифрового индикатора имеют значительный разброс. Однако, как показывает опыт применения аппаратуры, появление серьезной неисправности ЩКА вызывает увеличение степени искрения и, соответственно, показаний индикатора существенно превышающее разброс в нормальном режиме работы ЩКА. К тому же, появление и развитие неисправности длится несколько десятков минут в отличие от нормальных кратковременных колебаний показаний индикатора.
Таким образом, длительное, в течение нескольких десятков минут увеличение сигнала выше порогового значения является признаком появления неисправности и требует ревизии ЩКА. Величина порогового значения устанавливается на каждом конкретном генераторе экспериментально.
Многие генераторы сравнительно небольшой мощности (менее 200 МВт) имеют рабочее электромашинное возбуждение с коллекторным выпрямлением тока возбуждения. Щеточный аппарат возбудителей также требует постоянного надзора и устранения повышенного искрения, вызванного истиранием щеток, нарушением токораспределения по щеткам, повышенной вибрацией коллектора, загрязнением коллектора и т.п. Поскольку коллектор возбудителя электрически непосредственно связан с ЩКА генератора, то контролировать его состояние можно параллельно с состоянием ЩКА, т.е. срабатывание контрольной аппаратуры в случае электромашинного возбуждения может означать появление неисправности и ЩКА генератора и коллектора возбудителя.
Рис. 2. Схема подключения аппаратуры к ЩКА и панели управления гидрогенератором.
Х.3 Установка и работа аппаратуры на гидрогенераторе.
Датчики жестко укрепляются внутри кожуха ЩКА с помощью металлических хомутов и зажимами типа «крокодил» подключаются к поводкам щеток (любых, наиболее доступных) разных полюсов. Поскольку корпуса датчиков заземлены, то во избежание случайного прикосновения к ним электромонтера, обслуживающего ЩКА, корпуса и разъемы соединительных кабелей изолированы. Трасса соединительных кабелей прокладывается до места установки измерительного прибора. Корпус прибора заземляется, к его входу подключаются разъемы соединительных кабелей. К сигнальным контактам на передней панели прибора подключаются провода оперативной сигнализации. Сигнальные табло «повышенное искрение» и «аварийное искрение» устанавливаются на панели управления генератором. Первоначальное включение и настройка аппаратуры производятся разработчиками.
При нормальной работе ЩКА отслеживается в течение 2 - 3 суток уровень сигнала на цифровом индикаторе. Выбирается уставка промежуточного реле из расчета Iср = К × Iн, т.е. ток срабатывания реле должен быть больше тока нормального режима в К раз. Коэффициент К предварительно выбирается при моделировании повышенного искрения ЩКА, в дальнейшем его значение может быть скорректировано при появлении реальной неисправности ЩКА. Срабатывание реле, последующее срабатывание реле времени и появление сигнализации на панели управления требует незамедлительной ревизии ЩКА или коллектора возбудителя. В случае невозможности быстрого устранения неисправности следует остановить генератор для ремонта ЩКА генератора или возбудителя.
(обязательное)
Методические указания по контролю состояния подпятников вертикальных гидроагрегатов
Ц.1 Общие положения
Ц.1.1 Настоящее Приложение устанавливает требования к техническому контролю за состоянием подпятников вертикальных гидроагрегатов всех типов с сегментами, облицованными баббитом, и с эластичными металлопластмассовыми сегментами (ЭМП-сегментами).
Ц.1.2 Приложение содержит методические рекомендации по осуществлению технического контроля за подпятниками эксплуатируемых гидроагрегатов при:
обычной эксплуатации силами персонала ГЭС;
участившихся случаях повреждений силами персонала ГЭС с привлечением специализированных организаций.
Ц.2 Технический эксплуатационный контроль за состоянием подпятника
Ц.2.1 При работе гидроагрегата должны контролироваться: температура сегментов подпятника, температура и уровень масла, наличие потока охлаждающей воды через маслоохладители.
Ц.2.2 Не менее чем в двух сегментах подпятника и в одной точке маслованны должны быть установлены термометрические сигнализаторы, которые при превышении температуры сверх наибольшего установившегося в процессе эксплуатации значения на 5 °С должны давать импульс на сигнал, а в сегментах, кроме того, при превышении на 10 °С - импульс на останов агрегата.
Значения уставок определяются эксплуатационным персоналом на основе опыта эксплуатации или испытаний и вносятся в местную инструкцию.
Ц.2.3. Термометры сопротивления для периодического контроля температуры с визуальным отсчетом должны быть установлены в следующем числе сегментов:
в подпятниках на гидравлической опоре и в однорядных подпятниках на жесткой винтовой опоре - в каждом сегменте;
в двухрядных подпятниках - в половине сегментов каждого ряда (через один сегмент).
Кроме того, по два термосопротивления должно быть установлено в маслованне каждого подпятника.
Ц.2.4 Для повышения чувствительности и снижения инерционности термоконтроля в подпятниках с ЭМП-сегментами следует на рабочей поверхности сегментов выполнить специальные пазы, подводящие тепло от рабочей поверхности сегментов к металлу основания в месте установки термодатчиков. Пазы шириной 2,0 - 2,5 мм должны быть выполнены на всю глубину ЭМП-покрытия (9 - 10 мм), располагаться над термодатчиками и не иметь выхода на контур ЭМП-покрытия (рис. 6). Длина паза l зависит от размеров сегмента и ориентировочно составляет 0,2 - 0,3 от длины L ЭМП-покрытия в тангенциальном направлении в месте выполнения паза.
Рис. 6. Выполнение пазов на ЭМП-сегментах для повышения чувствительности термоконтроля:
1 - фторопласт; 2 - бронзовая проволока; 3 - термобаллон; 4 - стальное основание
Данное мероприятие позволяет повысить показания существующего термоконтроля на 15 - 25 °С и уменьшить его инерционность.
Ц.2.5. Измерения и запись температуры подпятника по датчикам визуального контроля (термосопротивлениям) должны производиться регулярно в установившихся режимах работы с периодичностью, определяемой местной инструкцией.
Ц.2.6. Повышение температуры сегментов с баббитовым покрытием сверх обычных установившихся значений для данного времени года на 3 - 4 °С при сохранении температуры масла на прежнем уровне является признаком ухудшения состояния поверхностей трения. В этом случае гидроагрегат должен быть остановлен при первой возможности для осмотра подпятника и принятия необходимых мер (шабрения сегментов, чистки зеркальной поверхности диска и др.). До вывода в ревизию должно быть максимально ограничено число пусков агрегата и увеличено число измерений температуры (через каждые 2 ч).
Ц.2.7. Повышение температуры одного или нескольких ЭМП-сегментов в подпятнике на гидравлической опоре на 4 - 5 °С выше обычных установившихся значений температур сегментов и продолжающийся рост температуры свидетельствуют о развивающемся повреждении фторопластовой поверхности этих сегментов. В случае отсутствия в этих сегментах термосигнализаторов и при повышении температуры на 10 °С выше первоначального установившегося значения следует остановить агрегат и осмотреть сегменты подпятника.
Ц.2.8. В подпятниках с ЭМП-сегментами, имеющими составное исполнение фторопластового покрытия (из двух состыкованных листов фторопласта), возможны повышенные температуры до 15 - 20 °С отдельных сегментов. Это объясняется неплотностями стыков, в результате чего горячее масло из масляной пленки проходитпод фторопластом, вызывая более интенсивный нагрев датчиков температуры, чем на сегментах с плотными стыками фторопластового покрытия. Отрицательного влияния на работу подпятника неплотности в стыках не оказывают.
Ц.2.9. Повышение температуры масла в ванне подпятника сверх установившегося значения для данного времени года на 3 - 4 °С с последующим повышением температуры сегментов является признаком ухудшения работы маслоохладителей. В этом случае должны быть приняты меры по устранению причин нарушения нормальной работы маслоохладителей (чистка, промыв и др.).
Ц.2.10. Понижение температуры одного или нескольких сегментов однорядного подпятника на жесткой винтовой опоре до значений, близких к температуре масла в ванне (при исправности термоконтроля), свидетельствует о разгрузке этих сегментов, которая может произойти в результате значительных смятий опорных элементов или их разрушений (например, разрушений тарельчатых опор). В подпятнике с ЭМП-сегментами это может произойти также за счет истирания фторопласта на рабочей поверхности этих сегментов.
Ц.2.11 Контроль уровня масла в ванне подпятника должен осуществляться автоматически с подачей сигнала при отклонении уровня от допустимых пределов и визуально по масломерному стеклу.
Нормальный уровень масла и его предельные значения должны быть нанесены на масломерном стекле и указаны в местной инструкции.
Ц.2.12 Уровень масла в ванне подпятника должен проверяться оперативным персоналом не реже одного раза в смену.
Ц.2.13 При повышении уровня масла в ванне подпятника сверх допустимого значения следует взять пробу масла и, если в нем будет обнаружена вода, остановить гидроагрегат для устранения попадания воды в ванну и замены масла. Для гидроагрегатов с надежно работающими подпятниками при обнаружении небольшого количества воды в масле (следы воды) допускается временная работа при постоянном контроле (два раза в смену) за состоянием масла.
Ц.2.14 При снижении уровня масла в ванне подпятника следует взять пробу масла и долить ванну маслом. Для выявления возможной утечки масла через поврежденные трубки маслоохладителей (при самотечной системе технического водоснабжения) увеличить открытие задвижек на напорных водяных трубопроводах и частично прикрыть задвижки на сливных; если после этого уровень масла в ванне повысится, взять пробу масла и при наличии в ней воды действовать согласно п. 8.13. Проверить также плотность закрытия вентилей слива масла.
Ц.2.15 Периодически, в соответствии с графиком, установленным местной инструкцией, производить отбор и анализ масла из ванны подпятника. При несоответствии характеристик масла требованиям ГОСТ 32-74 - заменить его.
Ц.2.16 На сливных трубопроводах охлаждающей воды из маслоохладителей целесообразно предусмотреть в удобных для наблюдения местах прозрачные вставки или окошки для контроля за движением воды или установить расходомеры.
Ц.2.17 Подпятники на гидравлической опоре должны быть оснащены устройствами контроля проседания упругих камер с уставками на сигнал (при проседании на 1 мм больше нормального уровня) и на останов (при проседании на 2 мм больше нормального уровня). Датчики устанавливаются на одной или двух упругих камерах.
Ц.2.18 При ремонтах и ревизиях подпятников на гидравлической опоре должен осуществляться контроль за герметичностью упругих камер одним из двух способов:
измерением расстояния от корпуса подпятника до зеркальной поверхности диска в четырех местах (через 90° по окружности диска);
определением среднего значения проседания всех упругих камер.
Измерения должны производиться при одной и той же температуре подпятника. При отклонении измеряемых значении от первоначальных более чем на 0,5 мм должны быть приняты меры по восстановлению первоначального состояния.
Ц.2.19. При обнаружении трещины на упругой камере подпятника на гидравлической опоре следует перевести подпятник нежесткое опирание, выполнив следующие мероприятия:
удалить обратный клапан для обеспечения свободного вытекания масла из упругих камер;
обжать упругие камеры, опустив ротор агрегата сначала на одну половину сегментов через один, а затем на другую половину сегментов;
оснастить опорные тарелки всех сегментов рычажно-индикаторным устройством контроля нагрузки на сегменты;
произвести регулировку нагрузки на сегменты по деформации опорных тарелок, как на подпятнике на жестких винтовых опорах.
Регулировка нагрузки по проседанию упругих камер не допускается.
Ц.2.20. В подпятниках с ЭМП-сегментами должен осуществляться контроль износа фторопластовой поверхности по истиранию контрольных кольцевых рисок, нанесенных на четырех сегментах (четырех парах сегментов в двухрядных подпятниках) при изготовлении ЭМП-сегментов на заводе (см. рис. 5). Первоначальная глубина контрольных рисок указывается на заводском чертеже. Кроме того, целесообразно измерять толщину каждого сегмента не менее чем в четырех точках и данные заносить в формуляр.
При полном износе контрольных кольцевых рисок дальнейший контроль износа производится путем измерения толщины ЭМП-сегментов не менее чем в четырех фиксированных точках. При износе фторопласта до выхода на поверхность бронзовой основы ЭМП-сегменты должны быть заменены. Допускается временная работа при незначительных местных выходах бронзовой проволоки на рабочую поверхность.
Ц.2.21 В случае появления ненормальностей в работе подпятника, снижения надежности его работы должны быть проведено технические обследование (испытания) с привлечением специализированной организации.
Ц.3 Технические обследования (испытания) подпятников.
Ц.3.1 Технические обследования (испытания) подпятников необходимо производить при участии специализированной организации, которая обязана соблюдать требования, изложенные в настоящем Приложении.
Ц.3.2 Виды натурных испытаний подпятников.
При испытаниях определяют следующих основные характеристики подпятника:
действительную наибольшую нагрузку, действующую на подпятник во время работы гидроагрегата; значение и характер изменения нагрузки на подпятник при пуске с момента начала открытия направляющего аппарата и до достижения нормальной частоты вращения;
температуру сегментов подпятника при наибольшей на него нагрузке;
температуру масла в масляной ванне подпятника;
толщину масляной пленки, разделяющей поверхности трения при наибольшей нагрузке на подпятник.
характер образования масляной пленки, разделяющей поверхности трения при пуске; скорость «всплытия» диска пяты над сегментами;
характер изменения толщины масляной пленки при останове; толщина пленки, разделяющей поверхности трения в течение последнего оборота перед остановом;
потери на трение в подпятнике.
Сравнение полученных при испытаниях характеристик подпятника с расчетными и нормативными показателями позволят судить о работоспособности конструкции подпятника в целом, о запасе ее надежности. Те характеристики, ля которых отсутствуют расчетные и нормативные данные (например, динамика изменения нагрузки на подпятник, характер образования и изменения толщины масляной пленки), следует оценивать на основе накопленного опыта испытаний и эксплуатации подпятников.
Кроме основных характеристик, при испытаниях определяют еще и ряд вспомогательных характеристик, таких, как величина и характер биения зеркальной поверхности диска, разброс температуры отдельных сегментов, пульсация нагрузки и другие, которые позволяют судить о состоянии подпятника, о том, как он изготовлен, смонтирован и налажен.
Причинами ненадежной работы подпятников могут быть: неоптимальная установка тангенциального и радиального эксцентриситетов сегментов, неравномерное распределение нагрузки между сегментами, высокая волнистость зеркальной поверхности диска, недостаточная чистота зеркальной поверхности диска, недостаточная эффективность системы охлаждения, плохо выбранные пусковые установки турбины (пусковое открытие направляющего аппарата и пусковой угол установки лопастей рабочего колеса), повышенная деформация сегментов и др.
Испытания в целях выяснения причин ненадежной работы подпятника проводятся, как правило, в два или более этапов. На первом этапе определяются те же характеристики подпятника, что и при испытаниях по п. М.1.1, и разрабатываются мероприятия по повышению надежности работы подпятника. На последующих этапах испытаний, производится проверка разработанных мероприятий.
Ц.3.2.3 Испытания по сокращенной программе. Такие испытания проводятся в тех случаях, когда ставится конкретная задача, ограниченная определенными условиями. Например, требуется проверить величину биения зеркальной поверхности диска (с повторными измерениями после исправления, если это потребуется) или определить коэффициент трения при пусках (что характеризует состояние поверхностей трения). При таких испытаниях число измеряемых величин и режимов испытаний ограничено. В отдельных случаях даже не требуется разбирать подпятник, как, например, при определении коэффициента трения в подпятнике при пуске.
Испытания по сокращенной программе можно рассматривать как часть испытаний по п. Ц.3.2.1, Ц.3.2.2, методики которых излагается в Приложении.
Ц.4 Определение состояния подпятников перед испытаниями
Ц.4.1 Перед испытаниями подпятника, проводимыми в целях получения действительных характеристик или выяснения причин ненадежной работы (см. пп. Ш.1.1 и Ш.1.2), необходимо провести тщательный осмотр подпятника с измерениями для выяснения его состояния. При этом должны быть определены следующие показатели.
Ц.5 Объем измерений при испытаниях подпятников
Ц.5.1 Наиболее распространенным типом подпятника является подпятник на жестких винтовых опорах с однорядным расположением сегментов. Все другие типы подпятников являются разновидностью этого типа. Поэтому основные рекомендации по испытаниям даются вначале для этого типа подпятника, а затем указываются особенности испытаний других типов.
В зависимости от вида испытаний различными являются объем измерений и режимы исследований.
Ц.6 Режимы испытаний подпятников
Ц.6.1 Исспытания проводятся в различных режимах работы гидроагрегата. В подпятниках, оснащенных баббитовыми сегментами, особое внимание уделяется пускам как наиболее тяжелым режимам работы для подпятника. При испытаниях в целях получения действительных характеристик подпятников проводится серия пусков с различной продолжительностью интервалов между остановами и последующими пусками в такой последовательности:
пуск после подготовительных работ на сегментах, смазанных салом. Работа на холостом ходу не менее 15 ч. Останов;
пуск через 6 - 8 ч после останова. Включение генератора в сеть и плавный набор полной нагрузки. Работа под нагрузкой не менее 3 ч. Останов;
пуск через 4 ч после останова. Работа под нагрузкой не менее 2 ч. Останов;
пуск через 2 ч после останова. Работа под нагрузкой не менее 2 ч. Останов;
пуск через 30 мин после останова. Работа под нагрузкой не менее 2 ч. Останов;
пуск сразу после останова.
После каждого опыта рассматриваются его результаты и, если они положительные, проводится следующий опыт.
После второго или третьего пусков проводятся опыты с различными нагрузками: ступенями (через каждые 10 % мощности гидроагрегата) устанавливаются нагрузки от нуля до наибольшей. Каждый режим выдерживается 10 - 15 мин, после чего производятся измерения.
Подпятники, оснащенные ЭМП-сегментами, являются значительно более надежными в пусковом и режимном отношениях. Их испытания проводятся в такой последовательности:
пуск после подготовительных работ. Пуск производится в обычном порядке без смазки сегментов салом. Работа на холостом ходу 4 - 6 ч. Останов;
пуск через 2 ч после останова. Работа под нагрузкой не менее 2 ч. Останов;
пуск сразу после останова и изменение нагрузки ступенями через каждые 10 % мощности гидроагрегата от нуля до наибольшей. Каждый режим выдерживается 10 - 15 мин, после чего производится измерение. Останов;
пуск сразу после останова и набор номинальной нагрузки. Останов. Режим повторяется 2 - 3 раза;
останов агрегата на выбеге без торможения.
Решение о проведении последующего опыта принимается на основе рассмотрения результатов предыдущего.
Ц.7 Особенности испытаний некоторых типов подпятников
Ц.7.1 Двухрядные подпятники
В соответствии с конструктивными особенностями двухрядных подпятников (удвоенное число сегментов) при их испытаниях увеличено число измеряемых величин. Все измерения проводятся не на одном, а на двух сегментах. На наружном и внутреннем сегментах одной пары измеряется толщина масляной пленки, снимаются температурные поля. Температура в горячей зоне каждого сегмента измеряется на всех наружных и внутренних сегментах. Пульсация усилий измеряется на двух - трех парах сегментов (на внутреннем и наружном сегментах каждой из этих пар. Режимы испытаний двухрядных подпятников как с баббитовыми, так и с ЭМП-сегментами такие же, как и для подпятников с Однорядным расположением сегментов (см. разд. Ш.4).
Ц.7.2 Подпятники на гидравлической опоре
При испытаниях подпятников на гидравлической опоре, оснащенных как баббитовыми так и ЭМП-сегментами, должна быть проверена работа системы гидравлического выравнивания нагрузки между сегментами. Проверка производится сначала перед испытаниями подпятника при определении его состояния, а затем на работающем гидроагрегате. Для этого одновременно с записью биения зеркальной поверхности диска при прокручивании ротора на сегментах, смазанных салом (см. п. Ш.2.1.6), регистрируются вертикальные перемещения всех упругих камер (в отдельных случаях, когда упругих камер 16 и более, допустимо осциллографирование половины других камер - через одну). Вертикальные перемещения упругих камер должны составлять не менее 0,8 биения зеркальной поверхности диска. При испытаниях такая же проверка проводится на работающем гидроагрегате при нормальной частоте вращения.
Если испытания проводятся для выяснения причин ненадежности работы подпятника, то может оказаться необходимым проверить вертикальность опускания всех или части упругих камер при их сжатии во время опускания ротора гидроагрегата с тормозов на подпятник. Для этого регистрируется вертикальное перемещение упругой камеры несколькими датчиками или индикаторами, установленными с разных сторон камеры.
Ц.8 Проведение измерений при испытаниях подпятников
Ц.8.1 Измерение нагрузки, действующей на подпятник
Нагрузка, действующая на подпятник, складывается из двух составляющих: массы ротора гидроагрегата (постоянная составляющая) и гидравлического осевого усилия (переменная составляющая).
Ц.8.1.1 Масса ротора гидроагрегата складывается из масс: ротора генератора, вала генератора, рабочего колеса турбины, вала турбины и других вращающихся частей агрегата. Она может быть вычислена по заводским данным, приведенным на чертежах, или определена путем измерений. Измерения производятся при регулировке нагрузки на сегменты подпятника одним из известных способов [1]. Перед регулировкой производится калибровка опорных тарелок подпятника на прессе, т.е. определяется зависимость деформации опорных тарелок от нагрузки на них.
Калибровка на прессе должна проводиться в условиях, полностью имитирующих условия работы опорных тарелок в подпятнике. Должны быть: опорный вкладыш с диаметром сферической головки, равным диаметру сферической головки опорного болта или вкладыша в подпятнике, реальный сегмент и плита, имеющая толщину такую же, как диск подпятника. В случае невыполнения этих условий зависимость деформации опорной тарелки от приложенного к ней усилия будет неодинаковой на прессе и в подпятнике, и определение массы ротора гидроагрегата окажется невозможным (в этих условиях возможно лишь проведение регулировки нагрузки на сегменты без определения абсолютной нагрузки).
При опускании ротора гидроагрегата с тормозов на сегменты подпятника определяется нагрузка на каждый сегмент. Сумма нагрузок на все сегменты дает массу вращающихся частей агрегата, т.е. массу ротора агрегата.
При многократных подъемах и опусканиях ротора гидроагрегата на тормозах-домкратах и различных высотных положениях регулировочных болтов суммарное значение нагрузки на сегменты, т.е. масса ротора, обычно колеблется в пределах 4 - 8 % среднего значения, что и определяет точность данного способа.
При таком способе определения значение массы ротора может получиться несколько ниже действительного значения из-за наклона вала и трения в направляющих подшипниках. Кроме того, следует учитывать взвешивающее действие воды на рабочее колесо (Архимедову силу), если камера рабочего колеса заполнена водой.
Если масса ротора гидроагрегата определяется при заполненной водой камере рабочего колеса, то это значение массы ротора и берется при вычислении полной нагрузки на подпятник. Если масса ротора агрегата определяется при осушенной камере рабочего колеса, то при определении полной нагрузки на подпятник следует уменьшить ее на значение Архимедовой силы (массы воды в объеме рабочего колеса). Для крупных поворотно-лопастных турбин, взвешивающая сила достигает 3 - 4 % массы ротора агрегата.
Массу вращающихся частей агрегата можно также определить измерением с помощью образцового манометра стабильного давления в тормозной системе генератора при взвешенном на тормозах роторе. Зная значение этого давления и общую площадь поршней тормозных цилиндров, легко подсчитать массу вращающихся частей агрегата.
При определении массы ротора вышеописанным способом нужно следить за наличием на роторе всех деталей и если какие-либо из них отсутствуют, учитывать их массу.
Ц.8.1.2 Гидравлическое осевое усилие, действующее на рабочее колесо турбины, может быть измерено различными способами.
По растяжению вала гидроагрегата. При этом способе на вал турбины или генератора ниже подпятника наклеиваются тензометры и собираются в измерительную схему. Снятие показаний с вращающихся частей осуществляется с помощью токосъема, установленного в наиболее удобном месте вала турбины или генератора.
На рис. 1 показана схема измерения осевого усилия с регистрацией показаний на осциллографе без промежуточного усиления сигнала. На вал наклеиваются четыре тензометра - два вдоль образующей вала (рабочие), два поперек (компенсационные) и собираются в мостовую схему. Чтобы исключить влияние напряжения от изгиба вала, два тензометра - один рабочий и один компенсационный (R1 и К1) наклеиваются на одну сторону вала, а два других (R2 и К2) на противоположную сторону. Если требуется усиление сигнала, можно использовать усилитель постоянного тока. Если испытания проводятся на генераторе подвесного типа и тензометры наклеены на вал генератора между подпятником и ротором, возможна прямая тарировка схемы по усилению, создаваемому массой ротора генератора.
Рис. 1. Схемы измерения осевого усилия на валу:
а - электрическая схема измерения осевого усилия по растяжению
вала и
схема расположения датчиков на валу; б - схема подключения датчиков к
гальванометру
осциллографа; R1 и R2
- рабочие тензометры; К1 и К2 - компенсационные тензометры;
1 - токосъем; 2 - балансировочная приставка; 3 - гальванометр (шлейф)
Опустив ротор гидроагрегата с тормозов-домкратов, отмечают отклонение луча на ленте осциллографа; отклонение луча соответствует массе той части ротора гидроагрегата, которая находится ниже места наклейки тензометров.
Если испытания проводятся на генераторе зонтичного типа или если нет возможности наклеить тензометры между ротором генератора и подпятником на подвесном генераторе, то нельзя провести прямую калибровку массой ротора генератора.
В этом случае осевое усилие определяется следующим образом.
Около токосъема помещается эталонная балка равного сопротивления, на которую наклеены тензометры из той же партии, что наклеены на вал. Тензометры собраны в схему так же, как на валу. Балка подключается к измерительному каналу, на котором регистрируется осевое усилие (на это время тензометры, наклеенные на вал, отключаются). На балке создается прогиб, соответствующий определенному значению напряжения σ, и регистрируется отклонение луча на ленте (или экране) осциллографа. Затем создается разбаланс в схеме путем включения в одно из плеч измерительного моста калибровочного сопротивления (кгс/см2). Определяется, какому значению напряжения (кгс/см2) соответствует калибровочный импульс на ленте осциллографа.
В процессе испытаний по этому калибровочному импульсу определяется масштаб записи (кгс/см2). Переход от значения напряжения растяжения вала к осевому усилию (1C), растягивающему вал, производится по формуле
где σ - напряжение растяжения вала, полученное с осциллограммы, кгс/см2;
Dн и Dв - наружный и внутренний диаметры вала в месте наклейки тензометров, см.
По деформации опорных тарелок подпятника. При этом способе на все опорные тарелки или часть их наклеиваются тензометры, собирается измерительная схема и производится калибровка опорных тарелок на прессе. Можно калибровать опорные тарелки массой ротора гидроагрегата. В этом случае отклонение показаний каждого шлейфа осциллографа при опускании ротора с тормозов на подпятник соответствует массе ротора гидроагрегата.
Если собирается мостовая схема измерений (с использованием регистрирующей аппаратуры без промежуточного усиления), аналогичная рис. 1, то на тарелку наклеиваются два рабочих тензометра, если полумостовая схема - один рабочий тензометр. Наклейка производится вблизи центра тарелки. Компенсационные тензометры наклеиваются на нижнюю сторону специальной компенсационной пластины, закрепленной на тарелке одним концом.
Расположение тензометров на опорной тарелке показано на рис. 2.
Рис. 2. Расположение тензометров на опорной тарелке:
1 - рабочие тензометры; 2 - компенсационные тензометры;
3 - компенсационная пластина; 4 - крепежная пластина
Измерение осевого гидравлического усиления при испытаниях подпятника этим способом проще, чем по растяжению вала, так как не требуется токосъемного устройства, лучше условия для наклейки и сушки тензометров и т.д. Чувствительность также выше, так как напряжения в опорной тарелке в 3 - 4 раза больше, чем нормальные напряжения от растяжения вала. Однако измерение осевого гидравлического усилия по деформации опорных тарелок имеет существенный недостаток: при вращении ротора гидроагрегата в опорных тарелках возникает пульсация напряжений, вызванная биением зеркальной поверхности диска подпятника. Форма пульсации напряжения, записанная на ленте осциллографа, точно соответствует форме биения зеркальной поверхности диска (за один оборот ротора). Поэтому возникает дополнительная погрешность при определении осевого усилия, так как трудно получить нуль усилия перед пуском: если перед пуском над сегментом, по опорной тарелке которого измеряется осевое гидравлическое усилие, находится выступ зеркальной поверхности диска, то полученное после пуска значение осевого гидравлического усилия будет занижено, если над этим сегментом находится впадина, то значение осевого гидравлического усилия будет завышено. Отклонение может достигать 8 - 10 % значения осевого гидравлического усилия.
Поэтому при измерении осевого гидравлического усилия по деформации опорных тарелок желательно производить осциллографирование одновременно по трем - четырем опорным тарелкам, расположенным на равных расстояниях одна от другой, и брать среднее значение полученного осевого гидравлического усилия.
По прогибу грузонесущей крестовины. Измерение осевого гидравлического усилия возможно по прогибу крестовины, на которой расположен подпятник. Датчик прогиба должен закрепляться на кронштейне, установленном на фундаменте здания ГЭС, и упираться в крестовину как можно ближе к ее центру. Место на крестовине, в которое упирается головка датчика, должно быть зачищено, не должно иметь заусенцев и рисок. На генераторе подвесного типа датчик можно закрепить на грузе, подвешенном на крюке мостового крана, и упереть в крестовину.
Калибровка прогиба крестовины по усилию производится массой ротора гидроагрегата: ротор опускается с тормозов-домкратов на подпятник и регистрируется прогиб крестовины. Считая зависимость прогиба крестовины от приложенного усилия прямолинейной, в дальнейших Опытах вычисляется усилие от реакции воды по измеренному прогибу. Значение прогиба крестовины от массы ротора и реакции, воды у крупных генераторов достигает 4 - 5 мм. На такие перемещения должны быть рассчитаны применяемые датчики. Основное неудобство рассмотренного способа измерения заключаются в трудности закрепления датчиков неподвижно относительно крестовины.
По деформации грузонесущей крестовины. Осевое гидравлическое усилие можно измерить по деформации крестовины, на которой размещен подпятник. Для этого на одну из лап крестовины в продольном направлении наклеиваются тензометры сопротивления (рабочие). На компенсационной пластине, закрепленной на крестовине одним концом, наклеиваются компенсационные тензометры. Собирается измерительная схема - мостовая или полумостовая. Калибровка производится массой ротора гидроагрегата.
По деформации опоры пяты. В гидроагрегатах с подпятниками зонтичного типа при опирании на крышку турбины через промежуточный опорный конус возможно определение осевого гидравлического усилия по деформации этого конуса (опоры пяты). На поверхности опорного конуса наклеиваются тензометры: рабочие - вдоль образующей конуса и компенсационные - на специальной компенсационной пластине, крепящейся одним концом к опорному конусу. Собирается схема. Калибровка по усилию производится массой ротора агрегата, аналогично тому, как это делается в вышеописанных случаях.
Не следует определять гидравлическое осевое усилие по вертикальному перемещению опоры пяты, вызванному прогибом крышки гидротурбины, так как прогиб крышки турбины зависит не только от осевого усилия, передаваемого на нее от подпятника через опору пяты, но также и от давления (разрежения) в потоке под крышкой турбины.
Ц.8.2. Измерение толщины масляной пленки
Толщина масляной пленки, разделяющей поверхности трения, является основной характеристикой, определяющей надежность работы подпятника. Она должна измеряться не менее чем в 5 - 6 точках одного сегмента. Датчики толщины масляной пленки должны быть размещены таким образом, чтобы можно было получить тангенциальный профиль масляной пленки по средней линии сегмента и радиальный профиль вдоль сбегающей кромки, где значения пленки наименьшие (рис. 3). При таком размещении датчиков измеряется минимальное значение толщины пленки и форма зазора между сегментом и диском, определяемая деформацией сегмента и диска. Если сегмент имеет длину по средней линии (в направлении вращения) более 450 мм, то должно быть установлено четыре датчика по средней линии и три на сбегающей кромке в радиальном направлении - всего шесть датчиков (рис. 3, а); если длина сегмента меньше 450 мм, то допустима установка трех датчиков по средней линии в направлении вращения и трех вдоль сбегающей кромки - всего пяти датчиков на сегменте. В отдельных случаях невозможно или нежелательно устанавливать датчики в теле сегмента, например, в сегменте с непосредственным водяным охлаждением или в ЭМП-сегментах, учитывая достаточно большие размеры существующих датчиков. В таких случаях следует устанавливать датчики на кронштейнах, приваренных по контуру сегмента на набегающей и сбегающей кромках (рис. 3, в). Крепление кронштейнов к сегментам с помощью винтов нежелательно ввиду возможности ослабления крепления при работе от вибрации и изменения первоначального зазора. Возможна смешанная установка датчиков: центральный в теле сегмента, а остальные по контуру (см. рис. 3, б).
Датчики в сегментах с баббитовым покрытием должны быть установлены с заглублением относительно рабочей поверхности сегментов не менее чем на 0,2 мм, в ЭМП - сегментах - на 0,4 мм.
Калибровка датчиков должна производиться после их установки в сегмент дважды - перед началом испытаний и после их окончания.
Калибровочное устройство должно давать возможность изменять зазор от 0 до 0,5 мм.
Калибровка датчиков, устанавливаемых в ЭМП - сегментах, производится в обе стороны от первоначально установленного нуля (от -0,2 мм до +0,3 мм). Калибровку датчиков, установленных в сегментах с баббитовым покрытием, достаточно провести в одном направлении от 0 до -0,3 мм. Калибровочное устройство должно давать возможность изменять зазор от 0 до 0,5 мм и производить отсчеты не реже чем через 0,02 мм (20 мкм). Поршень калибровочного устройства, имитирующий диск подпятника, должен иметь диаметр, по крайней мере вдвое больший диаметра датчиков.
Наиболее распространенными датчиками для измерения толщины пленки являются индуктивные, в основу которых положена зависимость магнитного сопротивления магнитной цепи от изменения зазора между диском и сегментами, что приводит к изменению ЭДС вторичной обмотки датчика. Зазор изменяется с изменением толщины масляной пленки.
Рис. 3. Различные схемы расположения датчиков толщины масляной пленки в сегментах
Датчики, установленные в теле сегмента между его центром и сбегающей кромкой (датчики 2 и 3 на рис. 3, а), находятся в зоне высокого давления (до 20 МПа при максимальной нагрузке). Поэтому их конструкция должна исключать протечки масла из масляного клина через датчик и через отверстия, в которых датчики установлены.
Показания датчиков не должны зависеть от давления, которое может изменяться от 0 до 20 МПа, и от температуры, которая может изменяться от 10 до 105 °С.
Возможно применение тензометрических датчиков толщины масляной пленки, которые представляют собой тензобалочки, крепящиеся на периферии сегмента и упирающиеся с помощью шарикового или фторопластового наконечника в зеркальную поверхность диска. При образовании масляной пленки увеличивается расстояние между сегментом и диском и уменьшается натяг тензобалочек, что регистрируется на шлейфовом осциллографе.
При использовании тензометрических датчиков толщины масляной пленки они устанавливаются обычно, как показано на рис. 3 - три на набегавшей и три на сбегающей кромке сегмента. Эти датчики калибруются перед их установкой на сегмент и после испытаний.
Ц.8.3 Измерение температуры
Измерения температуры при испытаниях подпятников обычно производятся с помощью термопар. Наиболее подходящими являются термопары хромель-копелевые, которые при разнице температур свободных и рабочих концов 100 °С дают термо-ЭДС 6,95 мВ. Диаметр электродов 0,5 - 1,0 мм. Расположение термопар в сегментах и масляной ванне подпятника с баббитовыми сегментами показано на рис. 4. В каждом сегменте устанавливается по одной термопаре в горячей зоне, а в одном или двух сегментах устанавливается по 16 - 20 термопар для получения температурного поля.
При испытании подпятника с баббитовыми сегментами головки термопар размещаются непосредственно в баббите на глубине 2 - 2,5 мм от уровня рабочей поверхности. Термопары вводятся в слой баббита через отверстия диаметром 3 - 4 мм с тыльной стороны сегмента, головки термопар плотно прижимаются к баббиту. Чтобы термопары плотно держались в отверстиях, они с тыльной стороны расклиниваются. Термопары закладываются в пазы, специально выфрезерованные для этого на тыльной стороне сегментов.
Для получения перепада температур по толщине сегмента с баббитовым покрытием термопары закладываются с тыльной стороны сегмента, для чего сверлятся 4 - 5 отверстий глубиной 8 - 10 мм и в них устанавливается 4 - 5 термопар так, чтобы их головки были плотно прижаты к металлу.
Для получения перепада температур по толщине основания сегмента (по толщине подушки) в четырех - пяти точках подушки (если смотреть в плане) устанавливаются термопары на трех уровнях по толщине - всего 12 - 15 термопар. Провода от этих термопар удобнее всего выводить в пазы подушек, т.е. к верхней плоскости подушки.
При испытаниях подпятника с ЭМП-сегментами измерение температуры производится непосредственно на фторопластовой поверхности в масляном слое, разделяющем поверхности трения. Головки термопар заглубляются на 0,5 мм под уровень рабочей поверхности сегмента. Уплотнение электродов термопар производится с помощью фторопластовых втулок, через которые они пропускаются (рис. 5). Втулки выполняются диаметром на 0,3 - 0,4 мм большим, чем диаметр отверстия в сегментах под них. Сначала электроды пропускаются через отверстия во втулке, и головка термопары располагается заподлицо с ее верхней гранью, а затем втулка с термопарой устанавливается с натягом в отверстие в ЭМП - сегменте с заглублением (0,5 + 0,1) мм. После установки втулки с термопарой производится подготовка рабочей поверхности сегмента по плите.
Для измерения температуры масла в ванне подпятника устанавливаются термопары в различных местах ванны по пути циркуляции масла: над охладителями, под охладителями, в нижней части ванны со стороны выгородки, у входа в межсегментный канал, у выхода из межсегментного канала и т.д. (см. рис. 4). Кроме того, две - четыре термопары устанавливаются на трубках охладителей - на входе и выходе воды.
Для регистрации показаний термопар удобнее всего использовать электронные автоматические потенциометры ЭПП-09, КСП-4 или другие. При большом количестве точек измерений следует применять потенциометры на 24 точки измерения.

Рис. 4. Расположение точек измерения температуры подпятника агрегата № 6 ДДГЭС:
· - термопары у
верхней грани сегмента и подушки; ○ - термопары в середине подушки;
´ - термопары у нижней
поверхности сегмента и подушки. Термопары № 77-98 установлены в масляной
ванне, а № 98-106 - на трубках маслоохладителей; бн, бн1,
бср и бв - датчики биения зеркальной
поверхности диска снаружи, в середине и внутри диска
Рис. 5. Установка термопары на поверхности ЭМП-сегмента:
1 - слой чистого фторопласта; 2 - бронзовые проволочные
спирали; 3 - стальное основание сегмента;
4 - фторопластовая втулка; 5 - термопара, установленная в отверстие и
уплотненная втулкой
Рис. 6. Схемы подсоединения термопар к потенциометрам:
а - схема подсоединения термопар к электронному
автоматическому потенциометру ЭПП-09М;
б - схема подсоединения термопар к переносному потенциометру ПП; 1 - рабочая
термопара;
2 - панель зажимов; 3 - медные соединительные провода; 4 - переключатель; 5 -
регистрирующий орган;
6 - усилитель; 7 - компенсационная термопара; 8 - потенциометр; 9 - термостат
При установке потенциометра рядом с местом измерений (не далее 10 м) свободные концы термопар подсоединяются непосредственно к прибору; при расстоянии от места измерений до места установки потенциометра более 10 м целесообразно применение схемы измерений с одной компенсационной термопарой и медными соединительными проводами (рис. 6, а). По этой схеме рабочие термопары выводятся из масляной ванны подпятника и их свободные концы закрепляются на панели зажимов, установленной на наружной стороне масляной ванны. От панели зажимов до потенциометра соединение осуществляется медными проводами. Для учета разности температур в месте свободных концов термопар и в месте установки потенциометра в измерительную цепь вводится компенсационная термопара, головка которой закрепляется на панели зажимов.
При такой схеме соединения длина рабочих термопар составит 3 - 5 м, а потенциометр можно устанавливать на расстоянии нескольких десятков метров от места измерения температуры. Требуется лишь одна компенсационная термопара (из тех же электродов, что и рабочие термопары) длиной, равной длине соединительных проводов.
Регистрация температуры в установившихся режимах возможна также с помощью ручного переносного потенциометра, к которому поочередно через переключатель подключаются термопары. Чтобы не вводить поправку на термопару свободных концов, в измерительную цепь между переключателем и потенциометром включается встроечная термопара, головка которой помещается в термостат (термос с тающим льдом), имеющий температуру 0 °С (рис. 6, б). Каждая из рабочих термопар поочередно подключается к встречной термопаре, и на потенциометр подается ЭДС, соответствующая разности температур в месте измерения и в термостате, т.е. соответствующая температуре в месте измерения.
Панель зажимов, на которую выведены свободные концы термопар, должна быть плотно закрыта крышкой, чтобы избежать погрешности, связанной с резкими изменениями температуры окружающего воздуха. Такие быстрые изменения температуры возможны в шахте генератора под ротором при включении и отключении воздухоохладителей. Запись показаний термопар возможна также на ленте осциллографа. В этом случае термопары подсоединяются непосредственно на гальванометры осциллографа. Предварительно производится калибровка термопар - каждой на свой гальванометр (шлейф).
При записи показаний хромель-копелевых термопар на ленте осциллографа НОЮ или другого из единой серии Н с применением гальванометров МО, 05 - 0,002 масштаб записи получается 12 - 15 мм осциллограммы на 10 °С изменения температуры без промежуточного усиления.
При данном способе регистрации температуры, измеряемой с помощью термопар, необходимо в течение всех измерений поддерживать постоянной температуру свободных концов. Для этого они должны быть помещены в термостат.
Ц.8.4 Определение потерь на трение в подпятнике
Наиболее приемлемым способом определения потерь на трение в подпятнике является калориметрический метод, т.е. определение потерь, уносимых охлаждающей водой. Для этого необходимо знать расход вода, проходящей через маслоохладители подпятника, и температуру воды на входе и выходе из них. Потери рк (кВт) вычисляются по формуле
Рк = 4,19Qgс(Т2 - Т1), (2)
где Q - расход вода, л/с;
γ - плотность воды, г/см3 (берется для температуры, при которой производятся измерения);
с - удельная теплоемкость вода (практически она составляет 1,0 ккал/(кг×град);
Т1 и Т2 - температура вода соответственно на входе в маслоохладители и выходе из них, °С.
Расход воды удобно измерять с помощью счетчиков вода типа ВТ или сужающего устройства (диафрагмы), врезаемых в трубопровод подвода или отвода вода. Счетчик дает непосредственно объем вода, проходящей по трубопроводу в единицу времени и не требует калибровки. Счетчики вода выполняются с диаметрами условного прохода от 50 мм и выше и должны устанавливаться в горизонтально»! положении на прямом участке трубопровода. Прямой участок трубопровода должен иметь длину 8 - 10 диаметров перед и 3 - 5 диаметров за счетчиком.
Стандартные диафрагмы при диаметре трубопроводов от 50 мм и выше также не требуют калибровки. По падению напора на диафрагме, измеренному с помощью дифманометра, производится вычисление расхода Q, м3/ч
(3)
где d - диаметр диафрагмы, м;
h - показания дифманометра, м;
γ - плотность воды, г/см3;
α - коэффициент расхода.
Правила, которые нужно соблюдать при измерении расхода воды с помощью диафрагмы, конструкции и размеры диафрагм, коэффициенты расхода и другие вопросы приведены в «Правилах измерения расхода газов и жидкостей стандартными сужающими устройствами: РД 50-213-80».
Измерение температуры воды T1 и T2 должно производиться термометрами с ценой деления 0,1 °С, имеющими поверочные свидетельства с поправками. Термометры устанавливаются в карманы, врезанные в трубопроводы подвода и отвода воды. Измерения производятся в установившемся тепловом режиме. Для увеличения точности измерений целесообразно производить их при пониженном расходе воды, так как при этом увеличивается разница температур воды на входе и выходе.
При определении потерь калориметрическим способом разница температур масла в ванне подпятника и воздуха, окружающего маслованну, не должна быть больше 5 °С. При большей разнице следует учитывать потери, отводимые через стенки маслованны путем теплопроводности. Для определения этой части потерь необходимо знать температуру внутренней и наружной поверхности стенки маслованны. Потери через стенку маслованны РСТ (Вт) вычисляются по формуле
(4)
где λ - коэффициент теплопроводности материала маслованны, Вт/(м×град);
tВ - средняя температура внутренней поверхности стенки маслованны, °С;
tH - средняя температура наружной стенки маслованны, °С;
δ - толщина стенки маслованны, м;
F - общая площадь поверхности стенок маслованны, м.
Температура внутренней и наружной поверхности стенки маслованны должна быть измерена в нескольких местах и должно быть вычислено среднее значение. При измерении температуры поверхности стенки ванны головки термопар или термосопротивления должны быть хорошо изолированы от масла внутри ванны и от воздуха снаружи, т.е. должна измеряться строго температура поверхностей стенки и должно быть исключено влияние температуры масла и воздуха на показания термодатчиков.
Потери на трение в подпятнике (Р) определяется как сумма потерь с водой и потерь через стенки маслованны:
Р = Рн - Рст. (5)
Ц.8.5 Измерение биения зеркальной поверхности диска
Для измерения биения зеркальной поверхности диска обычно применяют контактные тензометрические датчики малых перемещений (тензобалочки). Они устанавливаются в межсегментном канале на неподвижной части подпятника (обычно на упоре, препятствующем смещению сегмента в направлении вращения) и упираются с натягом 0,2 - 0,3 мм в зеркальную поверхность диска. Наконечник, упирающийся в зеркальную поверхность диска, выполняется из фторопласта или имеет на конце шарик от шарикоподшипника.
При испытаниях устанавливается четыре датчика: три на одном радиусе у наружного края, в середине и у внутреннего края диска и один - на противоположном радиусе - у наружного края диска.
Возможно применение бесконтактных датчиков биения зеркальной поверхности диска (например, индуктивных). Они устанавливаются в тех же местах. Зазор между датчиками и зеркальной поверхностью диска на остановленном гидроагрегате должен быть не менее 0,8 мм для подпятника с сегментами, облицованными баббитом, так как при максимальной нагрузке на подпятник на работающем агрегате возможно опускание диска (ротора агрегата) на величину до 0,7 мм за счет прогиба опорных тарелок и других упругих элементов опорной системы подпятника. В жестких однорядных подпятниках зазор должен быть не менее 0,6 мм, в подпятниках на гидравлической опоре не менее 0,8 мм. В подпятниках с ЭМП-сегментами этот зазор должен составлять не менее 1,0 мм.
Ц.8.6 Определение коэффициента трения в подпятнике при трогании.
Для определения коэффициента трения в подпятнике в момент трогания необходимо знать нагрузку на подпятник и момент сил сопротивления. Нагрузка на подпятник складывается из массы ротора гидроагрегата и осевого гидравлического усилия, которое может быть определено по растяжению вала гидроагрегата. Момент сил сопротивления при трогании ротора гидроагрегата (т.е. при срыве диска пяты с сегментов) равен моменту приложенных сил и может быть определен по скручиванию вала (запись крутящего момента на валу). Для измерения осевого гидравлического усилия и крутящего момента на валу на вал между рабочим колесом турбины и ротором генератора наклеиваются тензометры сопротивления: для измерения осевого усилия - два вдоль вала (рабочие тензометры) и два поперек (компенсационные тензометры); для измерения крутящего момента - все четыре тензометра под углом 45°. К оси вала и под углом 90° один к другому (рис. 7). Тензометры собираются в мостовые схемы. Чтобы избежать влияния изгибных деформаций, которые могут исказить деформации кручения и растяжения вала, два тензометра из каждого моста (рабочий и компенсационный) наклеиваются на одной стороне вала, а два других - на диаметрально противоположной стороне. Снятие показаний осуществляется с помощью токосъема. Для определения коэффициента трения достаточно записывать изменение осевого гидравлического усилия и крутящего момента только до трогания ротора агрегата. В этом случае можно обойтись без токосъема, а лишь с помощью штыревого разъема, одна половина которого с проводами от тензометров закрепляется на валу, а другая находится на конце проводов, идущих к осциллографу. Перед пуском собранная на валу схема подсоединяется к осциллографу через штыревой разъем. Провода, идущие от разъема на валу, привязываются к неподвижной детали и имеют некоторую слабину. При пуске гидроагрегата и повороте вала на небольшой угол происходит выдергивание штыревого разъема.
Кроме осевого гидравлического усилия и крутящего момента на валу необходимо регистрировать момент, когда происходит трогание ротора гидроагрегата (с помощью контактной щетки или другим способом).
Рис. 7. Электрическая схема измерений при определении коэффициента трения:
1 - тензометры для измерения осевого усилия; 2 - тензометры
для измерения крутящего момента;
3 - штыревой разъем; 4 - балансировочная приставка; 5 - гальванометр (щлейф)
Коэффициент трения при трогании f вычисляется по формуле
(6)
где М - крутящий момент при трогании Н×м;
Р2 - осевое гидравлическое усилие при трогании, H;
G - масса ротора гидроагрегата, Н;
RT - радиус трения (равен радиусу окружности опорных болтов подпятника), м.
Определение напряжений растяжения вала σ производится с помощью эталонной балки равного сопротивления, а переход от напряжений к усилию по формуле (1), как изложено в п. 1 настоящего приложения. Определение касательных напряжений кручения вала τ производится также с помощью эталонной балки равного сопротивления, а переход от деформаций к моменту кручения М(Н×м) по формуле
M = Wt×10, (7)
где W - полярный момент сопротивления, м3.
![]()
Dн и Dвн соответственно - наружный и внутренний диаметры вала, м.
При определении коэффициента трения трогания в подпятниках генераторов подвесного типа целесообразно наклеивать тензометры на вал между ротором генератора и подпятником. В этом случае имеется возможность калибрования схемы измерения осевого усилия массой ротора гидроагрегата, а записываемый в этом месте вала крутящий момент является непосредственно моментом сил сопротивления в подпятнике. В момент трсгания он достигает наибольшего значения, а затем резко уменьшается. При такой записи не требуется отдельно определять, в какой момент происходит трогание ротора гидроагрегата. Точность определения коэффициента трения в этом случае выше.
Ц.8.7 Измерение частоты вращения и угла поворота диска
При испытаниях подпятника необходимо записывать изменение частоты вращения ротора в процессе пусков и, остановов. Это можно делать с помощью таходинамо, соединенного с валом. В этом случае запись частоты вращения на ленте осциллографа получается в виде плавной линии. В случае отсутствия таходинамо частоту вращения можно определять по записи отметки частоты вращения вала (например, с помощью контактной щетки и метки из изоляционного материала, наклеенной на вал) и отметки времени.
В ряде случаев при испытаниях требуется фиксировать угол поворота вала (ротора) гидроагрегата в начальной стадии пуска. Для этого на хорошо зачищенную поверхность вала наклеиваются метки из изоляционного материала (лакоткань, хлорвиниловая лента, калька и т.д.), как показано на рис. 8. При каждом пуске перед первой меткой на минимально возможном расстоянии от нее ставится контактная щетка. При трогании ротора происходит размыкание контакта и затем через каждые 2° поворота вала происходит замыкание и размыкание контакта, что фиксируется на ленте осциллографа одновременно с другими измеряемыми величинами (осевым усилием, толщиной масляной пленки и др.)
Рис. 8. Схема наклейки меток на валу и электрическая схема измерений угла поворота ротора при пуске
Кроме указанных малых меток, на валу наклеивается одна большая метка на расстоянии, соответствующем 30° угла поворота вала от последней малой метки, и размером также соответствующим 30° угла поворота.
Таким образом, при пусках регистрируются углы поворота вала в пределах 90°, причем первые 30° - через каждые 2°. Большая метка может служить для подсчета частоты вращения, если нет записи с помощью таходинамо.
Наклейка меток и установка контактной щетки производится в наиболее удобном месте вала, например, у турбинного подшипника. Щетка ставится с помощью съемного зажима (струбцины) и перед каждым пуском переносится и устанавливается перед первой малой меткой.
(обязательное)
Ш.1. Контроль за состоянием воздушной системы перевода гидроагрегатов в режим синхронного компенсатора (СК).
Измерения производят с помощью манометров класса точности 0,4 и секундомера.
Одновременно с измерениями необходимо осуществлять визуальный контроль, включающий:
осмотр воздухосборников, трубопроводов, компенсаторов, запорной арматуры, промежуточных и анкерных опор;
проверки состояния прокладок фланцевых соединений, уплотнений крышки и вала турбины, цапф и лопаток направляющего аппарата.
Периодичность контроля герметичности воздушной системы не должна превышать 12 месяцев. Контроль герметичности камеры рабочего колеса гидротурбины достаточно произвести после ремонта, если при этом производились работы по устранению негерметичности.
Ш.1.3. Испытания системы СК должны производиться после монтажа, перед вводом системы СК в эксплуатацию, а также после проведения реконструкции или модернизации пневмосистемы и основного гидротурбинного оборудования, которая может вызвать изменение параметров процесса отжатия воды из камеры рабочего колеса.
При испытаниях следует также определять объем воздуха, необходимый для отжатия, потери (вынос) воздуха в нижний бьеф и уточненный уровень воды после отжатия. С этой целью фиксируют давление и температуру в пневмосистеме и камере рабочего колеса, потребляемую гидроагрегатом мощность из электрической сети, время (продолжительность) процесса отжатия, работы запорных органов, устройств подкачки и компрессоров.
Измерения осуществляют с помощью датчиков и осциллографа или образцовых измерительных приборов.
Ш.2. Контроль герметичности воздушной системы.
Ш.2.1 Контроль герметичности воздушной системы осуществляют путем периодического измерения давления в воздухосборниках в течение 2 ч с начала испытаний. Давление регистрируют по контрольному манометру, который устанавливают параллельно рабочему или вместо него.
Испытания проводят при номинальном рабочем давлении в системе при полностью открытой ремонтной и закрытой рабочей запорной арматуре (клапанах, задвижках и др.) и при отключенных компрессорах. Отпуск воздуха потребителю не производится.
Ш.2.2 Герметичность воздушной системы допустимо признать удовлетворительной, если через 2 ч после начала испытаний давление в воздухосборниках понизится не ниже давления уставки на включение компрессоров.
Ш.3 Контроль герметичности камеры рабочего колеса гидротурбины
Ш.3.1 Проверку герметичности камеры рабочего колеса проводят на остановленном гидроагрегате. Пуск сжатого воздуха в камеру осуществляют вручную. Воду отжимают до уровня, близкого к уровню колена отсасывающей трубы. Подачу воздуха в камеру прекращают при давлении воздуха в камере Рк, равном разности между отметками уровня нижнего бьефа УНБ и выбранного уровня отжатой воды УО.
Ш.3.2 Давление в камере фиксируют по контрольному манометру, устанавливаемому вместо рабочего на приборной доске в шахте турбины в точке «за направляющим аппаратом». Перед производством измерений трубку отбора давления необходимо продуть.
Ш.3.3 После отключения подачи сжатого воздуха производят измерение давления в камере рабочего колеса и времени с интервалами, зависящими от интенсивности утечки воздуха.
Ш.4 Контроль утечки воздуха из камеры рабочего колеса турбины при работе в режиме СК
Ш.4.1 В процессе эксплуатации гидроагрегатов в режиме СК необходимо периодически контролировать утечку воздуха q из камеры рабочего колеса, которая при обеспечении герметичности камеры зависит прежде всего от протечек воды через направляющий аппарат.
Ш.4.2 Для осуществления такого контроля необходимо измерить время Т, за которое изменится давление в камере в одних и тех же пределах - от Рк1 до Рк2 (рис. 1, а).

Рис. 1. Контроль утечки воздуха из камеры рабочего колеса турбины при работе в режиме СК:
а - схема; б - кривая изменения утечки воздуха из камеры рабочего колеса турбины
Например, если давление в камере при каком-то уровне отжатия воды составляет Рк = 0,08 МПа, то измерение можно произвести в диапазоне от 0,07 МПа до 0,04 МПа по контрольному манометру, устанавливаемому на приборной доске в шахте турбины в точке «за направляющим аппаратом». Тогда утечка воздуха из камеры рабочего колеса определяется как
,
где q - утечка воздуха, м3/ч;
d1 - диаметр рабочего колеса турбины, м;
h1 и h2 - расстояние от крышки турбины до уровня отжатия (см. рис. 1).
При этом считается, что процесс утечки воздуха должен происходить при неизменной температуре. Сравнивая утечки на отдельных гидроагрегатах, можно определить на каком из них ухудшается состояние уплотнения направляющего аппарата. Для этого на рис. 1, б наносится зона нормальных утечек qнорм, значения которых определяются при наладке системы СК.
Ш.4.3 Значения утечек, полученных при периодических измерениях на данном гидроагрегате, сравниваются со значениями утечек qнорм. Так из рис. 4, б следует, что на гидроагрегате № 9 уровень утечек повышенный: это свидетельствует о нарушении работы уплотнений лопаток направляющего аппарата.
В условиях эксплуатации удобнее оценивать утечки как повышение уровня в камере (м/ч), т.е. hΔР/T (см. рис. 1, а), но при этом следует учитывать изменение нижнего бьефа.
Ш.5 Определение потерь (выноса) воздуха в нижний бьеф
Ш.5.1 При переводе гидроагрегата в режим СК сжатый воздух из пневмосистемы в основном расходуется на заполнение камеры рабочего колеса и потери в нижний бьеф. Для определения расхода воздуха используется формула приведенных объемов, т.е. объем воздуха, содержащийся в емкости V (м3), при давлении Р (МПа) и температуре t (°С) приводится к объему при атмосферном давлении и температуре 0 °С:
![]()
Таким образом, если емкость воздухосборников (системы) - Vc, начальное (перед отжатием воды) и конечное (после отжатия) избыточное давление в них Р1 и Р2 и соответствующие температуры в них t1 и t2, то израсходованный на отжатие до установленного уровня объем воздуха (м3) составит
![]()
Ш.5.2 После достижения установленного уровня отжатой воды в емкости камеры рабочего колеса турбины Vk при давлении Рк и температуре tk остается объем воздуха (м3), равный
![]()
Тогда объем воздуха (м3), унесенного в нижний бьеф в процессе отжатия, составит
Vупр = Vспр - Vкпр.
Ш.5.3 Емкость камеры Vк (м3) определяется по действительным размерам проточной части, заполняемой сжатым воздухом при отжатии воды до отметки уровня отжатия. Для сравнения объемов одной камеры при проведении серии отжатий можно пользоваться формулой для приближенного расчета и не учитывающей емкость камеры рабочего колеса турбины и другие емкости, обусловленные конфигурацией проточной части:
![]()
где D1 - диаметр рабочего колеса турбины, м;
h - расстояние от крышки турбины до уровня отжатой воды, м.
При проведении специальных испытаний часто применяют метод определения потерь, основанный на том, что при отжатии на остановленном гидроагрегате практически отсутствует вынос воздуха в нижний бьеф. Исходя из этого потери воздуха в нижний бьеф (м3) определяют как разность объемов воздуха, истраченного на отжатие до установленного уровня на работающем Vспр и на остановленном Vопр гидроагрегате:
Vупр = Vспр - Vопр.
Ш.6 Уточнение отметки уровня отжатия воды в камере рабочего колеса
Ш.6.1 Для повышения эффективности использования сжатого воздуха при переводе гидроагрегата в режим СК отжатие воды в камере рабочего колеса турбины необходимо производить до оптимального уровня, который не всегда удается определить при проектировании. Поэтому этот уовень уточняют при проведении специальных испытаний. Для этого в первую очередь следует определить верхний предел уровня отжатия воды. С этой целью гидроагрегат переводят в режим СК на ручном управлении. Воду отжимают на 1 - 2 м ниже рабочего колеса. Затем воздух из камеры постепенно выпускают через специальный воздухопровод или клапан срыва вакуума, что приводит к подъему отжатого уровня воды в камере. При этом регистрируют мощность, потребляемая агрегатом из сети, давление в камере и отметка нижнего бьефа. При достижении уровня рабочего колеса происходит захват его лопастной системой с одновременным увеличением потребляемой мощности и гидроагрегат переходит в насосный режим. Момент начала изменения мощности, потребляемой гидроагрегатом из сети, и является критерием достижения уровня рабочего колеса гидротурбины. Таким образом, уровень захвата (УЗ) воды рабочим колесом при давлении в камере Рв и уровне нижнего бьефа УНБ составит
![]()
где hв - давление в камере Рв, м вод.ст.
Ш.6.2 Контроль уровня захвата воды лопастями рабочего колеса турбины может быть также осуществлен методом измерения вибрации крышки турбины, опоры полпятника или биения вала у турбинного подшипника.
С учетом возможных колебаний уровня нижнего бьефа и погрешности уставки автоматичеких устройств подкачки отметку верхнего предельного уровня отжатия воды (м) определяет как
или
.
Нижний предельный уровень (НПУ) отжатия воды следует выбирать из условий экономичности работы устройств впуска и «подкачки» воздуха. При этом следует оценить затрату электроэнергии для восстановления давления в ресиверах, амортизацию компрессоров и другого оборудования в зависимости от частоты его включения при разных отметках нижнего предела уровня отжатия. В большинстве случаев экономически целесообразно выбирать нижний предел отжатия таким, чтобы обеспечить включение «подкачки» воздуха не чаще одного раза в час.
Зная средний нормальный уровень утечки воздуха из камеры рабочего колеса, нижний предел отжатия воды (м) определяется по выражению
![]()
где
- подъем воды в
камере, м/ч.
Ключевые слова: гидроэлектростанция, основное оборудование, эксплуатация, техническое состояние, оценка, методики, нормы, гидравлическая турбина, гидрогенератор, технические системы
СОДЕРЖАНИЕ