|
ФЕДЕРАЛЬНОЕ
АГЕНТСТВО |
||
|
|
НАЦИОНАЛЬНЫЙ |
ГОСТ Р |
Самолеты и вертолеты
УСТРОЙСТВА
АНТЕННО-ФИДЕРНЫЕ
РАДИОСВЯЗИ, НАВИГАЦИИ, ПОСАДКИ И
УПРАВЛЕНИЯ ВОЗДУШНЫМ ДВИЖЕНИЕМ
Общие технические требования,
параметры, методы измерений
|
|
Москва Стандартинформ 2009 |
Цели и принципы стандартизации в Российской Федерации установлены Федеральным законом от 27 декабря 2002 г. № 184-ФЗ «О техническом регулировании», а правила применения национальных стандартов Российской Федерации - ГОСТ Р 1.0-2004 «Стандартизация в Российской Федерации. Основные положения»
Сведения о стандарте
1 РАЗРАБОТАН ФГУП «Научно-исследовательский институт стандартизации и унификации» (ФГУП «НИИСУ») с участием ФГУП «Научно-исследовательский институт авиационного оборудования» (ФГУП «НИИАО»)
2 ВНЕСЕН Техническим комитетом по стандартизации ТК 323 «Авиационная техника»
3 УТВЕРЖДЕН И ВВЕДЕН В ДЕЙСТВИЕ Приказом Федерального агентства по техническому регулированию и метрологии от 3 июня 2009 г. № 182-ст
4 ВЗАМЕН ГОСТ Р 50860 - 96
Информация об изменениях к настоящему стандарту публикуется в ежегодно издаваемом информационном указателе «Национальные стандарты», а текст изменений и поправок - ежемесячно издаваемых информационных указателях «Национальные стандарты». В случае пересмотра (замены) или отмены настоящего стандарта соответствующее уведомление будет опубликовано в ежемесячно издаваемом информационном указателе «Национальные стандарты». Соответствующая информация, уведомление и тексты размещаются также в информационной системе общего пользования - на официальном сайте Федерального агентства по техническому регулированию и метрологии в сети Интернет
СОДЕРЖАНИЕ
|
5 Общие технические требования. 8 6 Параметры антенно-фидерных устройств. 11 7 Методы оценки соответствия параметров антенно-фидерных устройств техническим требованиям.. 17 7.21 Предоставление результатов. 68 Приложение А.. 68 Перечень измерительной контрольной аппаратуры, рекомендуемой для измерения параметров антенно-фидерных систем Приложение Б. 70 Требования по содержанию протокола по результатам измерений Приложение В.. 70 Бланк для нанесения диаграммы направленности измеряемых антенн Приложение Г. 71 График определения коэффициента усиления антенны радиотехнической системы ближней навигации Приложение Д.. 72 График определения коэффициента усиления антенны аппаратуры радиолокационного ответчика режима УВД |
ГОСТ Р 50860-2009
НАЦИОНАЛЬНЫЙ СТАНДАРТ РОССИЙСКОЙ ФЕДЕРАЦИИ
|
Самолеты и вертолеты УСТРОЙСТВА
АНТЕННО-ФИДЕРНЫЕ РАДИОСВЯЗИ, НАВИГАЦИИ, Общие технические требования, параметры, методы измерений Aircrafts
and helicopters. |
Дата введения - 2010-01-01
Настоящий стандарт распространяется на антенно-фидерные устройства (АФУ) самолетов и вертолетов (ВС):
- радиосвязного оборудования диапазона частот 0,25 - 1,50 МГц (диапазона гектометровых волн);
- радиосвязного оборудования диапазона частот 2 - 30 МГц (диапазона декаметровых волн);
- радиосвязного оборудования диапазона частот 100 - 150, 200 - 400 МГц (диапазонов метровых и дециметровых волн);
- оборудования спутниковой системы связи (ССС) диапазонов частот 1525,0 - 1559,0; 1625,5 - 1660,5 МГц;
- навигационного оборудования радиосистем дальней навигации (РСДН) диапазонов частот 10 - 130 кГц (диапазонов мириаметровых и километровых волн);
- автоматического радиокомпаса (АРК) диапазона частот 0,15 - 1,75 МГц (диапазона гектометровых волн);
- радиотехнического оборудования угломерной системы (VOR) диапазона частот 108,0 - 117,975 МГц (диапазона метровых волн);
- курсовых радиоприемников (КРП) радиотехнического оборудования посадки (ILS) диапазона частот 108 - 112 МГц (диапазона метровых волн);
- глиссадных радиоприемников (ГРП) диапазона частот 328,6 - 335,4 МГц (диапазона дециметровых волн);
- маркерных радиоприемников (МРП) частоты (75 ± 0,1) МГц (диапазона метровых волн);
- радиолокационных самолетных ответчиков (СО УВД) диапазонов частот (740 ± 3), (837,5 ± 4), (1030 ± 3), (1090 ± 3) МГц (диапазона дециметровых волн);
- бортовой системы предупреждения и предотвращения столкновений (БСПС) диапазонов частот (1030 ± 3), (1090 ± 3) МГц (диапазона дециметровых волн);
- оборудования спутниковой навигационной системы (СНС) диапазонов частот 1500 - 1700 МГц (диапазона дециметровых волн);
- радиотехнической системы ближней навигации (РСБН) диапазонов частот 873,6 - 1000,5; 726 - 813 МГц;
- радиотехнического оборудования посадки дециметрового диапазона частот 772,0 - 808,0; 905,1 - 966,9 МГц;
- радиотехнического оборудования радиодальномера DME диапазонов частот 962 - 1215 МГц (диапазона дециметровых волн);
- радиотехнического оборудования микроволновой системы посадки (MLS) диапазона частот 5031,0 - 5090,7 МГц (диапазона сантиметровых волн);
- радиовысотомеров малых высот (РВ) диапазона частот 4200 - 4400 МГц (диапазона сантиметровых волн).
Стандарт устанавливает общие технические требования к АФУ радиосвязи, навигации и посадки ВС, их основные параметры и методы измерений (оценки) соответствия требованиям в условиях опытного и серийного производства.
Стандарт не распространяется на радиосистемы специального назначения и на радиосистемы, не входящие в навигационно-посадочный комплекс.
В настоящем стандарте использованы нормативные ссылки на следующие стандарты:
ГОСТ Р 12.4.026-2001 Система стандартов безопасности труда. Цвета сигнальные, знаки безопасности и разметка сигнальная. Назначения и правила применения. Общие технические требования и характеристики. Методы испытаний
ГОСТ 12.1.002-84 Система стандартов безопасности труда. Электрические поля промышленной частоты. Допустимые уровни напряженности и требования к проведению контроля на рабочих местах
ГОСТ 12.1.006-84 Система стандартов безопасности труда. Электромагнитные поля радиочастот. Допустимые уровни на рабочих местах и требования к проведению контроля
ГОСТ 12.1.030-81 Система стандартов безопасности труда. Электробезопасность. Защитное заземление, зануление
ГОСТ 12.2.003-91 Система стандартов безопасности труда. Оборудование производственное. Общие требования безопасности
ГОСТ 12.2.007.0-75 Система стандартов безопасности труда. Изделия электротехнические. Общие требования безопасности
ГОСТ 12.2.032-78 Система стандартов безопасности труда. Рабочее место при выполнении работ сидя. Общие эргономические требования
ГОСТ 12.2.033-78 Система стандартов безопасности труда. Рабочее место при выполнении работ стоя. Общие эргономические требования
ГОСТ 12.3.019-80 Система стандартов безопасности труда. Испытания и измерения электрические. Общие требования безопасности
ГОСТ 19705-89 Системы электроснабжения самолетов и вертолетов. Общие требования и нормы качества электроэнергии
Примечание - При пользовании настоящим стандартом целесообразно проверить действие ссылочных стандартов в информационной системе общего пользования - на официальном сайте Федерального агентства по техническому регулированию и метрологии в сети Интернет или по ежегодно издаваемому информационному указателю «Национальные стандарты», который опубликован по состоянию на 1 января текущего года, и по соответствующим ежемесячно издаваемым информационным указателям, опубликованным в текущем году. Если ссылочный стандарт заменен (изменен), то при пользовании настоящим стандартом следует руководствоваться заменяющим (измененным) стандартом. Если ссылочный стандарт отменен без замены, то положение, в котором дана ссылка на него, применяется в части, не затрагивающей эту ссылку.
В настоящем стандарте применены следующие термины с соответствующими определениями:
3.1 входное сопротивление антенны: Отношение напряжения высокой частоты на зажимах антенны к току питания.
3.2 действующая высота антенны: Коэффициент, имеющий размерность длины антенны, на который надо умножить напряженность электромагнитного поля, чтобы получить напряжение на зажимах антенны.
3.3 диаграмма направленности антенны; ДН: Зависимость амплитуды напряженности поля (или величины, ей пропорциональной), создаваемого в дальней зоне, от направления в пространстве.
3.4 емкость антенны: Емкость вибратора антенны относительно корпуса ВС, измеренная на входных зажимах антенны.
3.5 коэффициент направленного действия; КНД: Отношение квадрата напряженности поля, создаваемого антенной в данном направлении, к среднему (по всем направлениям) квадрату напряженности поля.
3.6 коэффициент полезного действия антенны; КПД: Отношение излучаемой мощности к мощности, подводимой к антенне.
3.7 коэффициент полезного действия фидера: Отношение мощности на нагрузке, включенной в конце фидера, к мощности, подводимой к его входу.
3.8 коэффициент полезного действия антенно-фидерной системы: Произведение коэффициента полезного действия антенны на коэффициент полезного действия фидера.
3.9 коэффициент стоячей волны; КСВН: Отношение действующих значений максимального напряжения (тока) к минимальному напряжению (току).
3.10 коэффициент усиления антенны; КУ: Отношение квадрата напряженности поля, создаваемого данной антенной, к квадрату напряженности поля, создаваемого эталонной антенной, при этом предполагается, что мощности, подводимые к обеим антеннам, одинаковы, а коэффициент полезного действия эталонной антенны равен единице.
3.11 минимально допустимый коэффициент усиления: Величина коэффициента усиления бортовой антенно-фидерной системы, которая обеспечивает на входе приемника сигнал, равный его чувствительности по автоматической регулировке усиления.
3.12 эталонная антенна: Антенна, параметры которой известны.
В настоящем стандарте применены следующие обозначения и сокращения:
АЗН - аппаратура зависимого наблюдения;
АПДД - аппаратура поправки дифференциальных данных;
АРК - автоматический радиокомпас;
АРМ - аварийный радиомаяк;
АРУ - автоматическая регулировка усиления;
АФС - антенно-фидерная система;
АФУ - антенно-фидерное устройство;
АЦП - аналоговый цифровой преобразователь;
БСПС - бортовая система предупреждения и предотвращения столкновений;
VOR - радиотехническое оборудование угломерной системы;
ВЧ - высокая частота;
ГЛОНАСС - глобальная навигационная спутниковая система (Россия);
ГКМВ - гектометровые волны;
ГРП - глиссадный радиоприемник;
ДН - диаграмма направленности;
ДКМВ - декаметровые волны;
DME - радиотехническое оборудование радиодальномерной системы;
ДН - диаграмма направленности;
GPS - глобальная навигационная спутниковая система (США);
ILS - радиотехническое оборудование посадки;
КД - конструкторская документация;
КЛМВ - километровые волны;
КПД - коэффициент полезного действия;
КРП - курсовой радиоприемник;
ВС - воздушное судно (самолет, вертолет);
MB - метровые волны;
MLS - микроволновая система посадки;
МН РЛС - метеонавигационная радиолокационная станция;
МРМВ - мириаметровые волны;
МРП - маркерный радиоприемник;
НД - нормативный документ;
ПЭВМ - персональная электронная вычислительная машина;
RBS - радиотехническая система международной системы УВД;
РСБН - радиотехническая система ближней навигации;
РСДН - радиотехническая система дальней навигации;
РЭО - радиоэлектронное оборудование;
СНС - спутниковая навигационная система;
СП - система посадки;
СО - самолетный ответчик;
S - радиотехническая система адресного ответчика международной системы УВД;
ССС - спутниковая система связи;
ТЗ - техническое задание;
ТУ - технические условия;
УВД - управление воздушным движением;
ФАР - фазированная антенная решетка;
ЭМС - электромагнитная совместимость.
5.1 Требования раздела 5 распространяются на все установленные на ВС АФУ радиотехнического оборудования навигации посадки управления воздушным движением и радиосвязи, а также на обтекатели антенн (в части их свойств, влияющих на характеристики АФУ).
5.2 В составе АФУ РЭО допускается применять антенны, согласующие устройства и фидерные тракты любого типа, технико-эксплуатационные характеристики которых соответствуют требованиям стандартов, ТУ на эти элементы.
ТУ на выбранный тип антенны, ее размещение на ВС в каждом отдельном случае должны быть согласованы с разработчиком РЭО и антенны.
5.3 Электрические характеристики АФУ, установленных на ВС, должны соответствовать требованиям настоящего стандарта, ТУ на эти устройства по зонам обзора, диаграммам направленности, согласованию с входными сопротивлениями бортового оборудования, поляризационным характеристикам, коэффициентам усиления или направленного действия, КПД, действующей длине (высоте).
5.4 Конструктивное выполнение, размещение и монтаж АФУ на ВС должны обеспечивать:
- электрические характеристики НД, а также сохранение их в установленных пределах при условиях эксплуатации ВС и РЭО, использующего данное АФУ;
- удобство технического обслуживания ВС и АФУ, отсутствие помех обзору экипажа и невозможность поломки антенны при техническом обслуживании и т.п.;
- отсутствие повышенной опасности для технического и летного экипажа ВС при техническом обслуживании и в полете, а также при возникновении аварийных ситуаций (вынужденной посадке, обледенении, пожаре и т.п.);
- защиту от ударов молнии, а также защиту от электромагнитного импульса ядерного взрыва;
- минимально возможные аэродинамические сопротивления, габаритные размеры и массу;
- необходимую механическую прочность элементов АФУ, обеспечивающую сохранение их целостности и эксплуатационных характеристик при любых режимах полета ВС;
- максимально возможные развязки между антеннами различных видов РЭО;
- минимальное вмешательство в конструкцию силовых элементов ВС;
- минимальное количество антенн и минимальную протяженность фидерных трактов;
- отсутствие элементов, способствующих концентрации электростатических зарядов, образованию высоковольтного напряжения и возникновению процесса коронирования;
- принудительное отделение антенны в аварийной ситуации, если без ее сброса затруднено или невозможно покидание ВС.
5.5 Размещение и монтаж антенн и фидерных трактов должны обеспечивать удобство доступа к ним для осмотра, монтажа, демонтажа, проверки электрических параметров, подключения измерительной аппаратуры и текущего ремонта, отсутствие помех обзору экипажа и невозможности поломки антенны при техническом обслуживании и т.п.
5.6 В случае необходимости для уменьшения аэродинамического сопротивления, защиты от возможных повреждений в процессе эксплуатации антенны могут быть закрыты радиопрозрачными обтекателями.
Радиотехнические характеристики обтекателей должны быть согласованы с главным конструктором установленной аппаратуры.
Коэффициент радиопрозрачности обтекателей антенны в диапазоне рабочих частот соответствующего РЭО должен быть не менее 0,7.
Обтекатели антенн должны иметь достаточную механическую прочность, а их электрические и механические характеристики не должны изменяться при эксплуатации ВС в различных климатических условиях, включая тропические.
5.7 Конструкция и размещение обтекателей антенн должны обеспечивать удобный монтаж и демонтаж их, а также исключать попадание внутрь обтекателей воды, снега и других жидкостей, либо конструкция обтекателя должна обеспечивать полную герметичность (например, вместе с антенной), исключающую образование конденсата.
5.8 Рекомендуется комплексирование антенн РЭО различного назначения при условии, что при этом не ухудшаются технические характеристики подключаемого оборудования и не накладываются дополнительные требования на его работу. При применении на ВС многофункциональных антенных устройств должно исключаться недопустимое взаимное влияние между комплексируемым оборудованием.
5.9 Рекомендуется применение поверхностных, щелевых, внутрифюзеляжных антенн, а также антенн, основанных на возбуждении корпуса ВС.
5.10 Конструкция антенно-фидерных трактов, согласующих и частотно-разделительных устройств должна предусматривать возможность прибортовки их к корпусу ВС проводящими материалами.
5.11 Размещение и монтаж высокочастотных элементов АФУ должны обеспечивать наименьшие длины высокочастотных линий передач (кабелей, волноводов и т.п.), удобство стыковки элементов с линиями передач.
Крепление и монтаж антенных и других высокочастотных узлов (блоков) следует выполнять невыпадающими болтами или замковыми соединителями с фиксаторами положения узлов (блоков) на месте крепления или иными способами, согласованными с самолетостроительными опытно-конструкторскими бюро.
Крепление элементов АФУ в конструкции ВС, подверженных повышенным температурным, вибрационным и др. неблагоприятным факторам следует разрешать при условии, что элементы АФУ выдерживают такие рабочие условия эксплуатации.
5.12 По длине вибратора антенны, а также на поверхности возбуждающих элементов и в местах их заделки не должно быть острых выступающих концов, плохо заделанных и порванных жил проводов, заусенцев и т.п.
Соединения мест заделок провода в изоляторах должны иметь бандаж (обмотку проволокой с последующей пайкой без применения кислоты).
При установке антенны на корпус ВС, выполненный из композитного материала, должна быть проведена металлизация композитного корпуса ВС на площади, обеспечивающей эффективность работы данной антенны аналогичную эффективности установке ее на металлический корпус.
5.14 Конструкция, размещение и монтаж антенн и высокочастотных линий передач должны обеспечивать максимально возможные значения развязок между различными типами АФУ и РЭО, установленного на ВС.
Значения развязок должны быть оговорены в ТУ на каждый вид оборудования при проектировании комплекса.
5.15 Излучающие радиотехнические устройства в целях радиомаскировки или исключения вредного биологического воздействия на личный состав, как правило, должны комплектоваться эквивалентом антенны.
5.16 Радиопомехи от АФУ различного назначения недолжны превышать норм, указанных в НД.
5.18 Работы по подготовке и проведению контроля параметров АФУ следует проводить с соблюдением требований техники безопасности и биологической защиты экипажа ВС по ГОСТ Р 12.4.026, ГОСТ 12.1.002, ГОСТ 12.1.006, ГОСТ 12.1.030, ГОСТ 12.2.003, ГОСТ 12.2.007, ГОСТ 12.2.032, ГОСТ 12.2.033, ГОСТ 12.3.019, ГОСТ 19705.
5.19 Металлические корпуса оборудования, используемого при контроле, а также металлические листы должны быть заземлены по ГОСТ 12.1.030.
5.20 Системы электропитания, используемые при контроле, - по ГОСТ 19705.
5.21 Перечень контрольно-измерительной аппаратуры, рекомендуемой для измерения параметров АФС, приведен в приложении А.
5.22 Применяемые средства контроля (измерений) параметров АФС, приведенные в приложении А, должны быть поверены по ПР 50.2.006 [1].
5.23 Результаты измерений записывают в таблицы, а по результатам измерений составляют акт (протокол) в соответствии с приложением Б.
6.1 Параметры приемных АФУ диапазонов ГКМВ, КЛМВ и МРМВ для бортового радионавигационного оборудования ВС должны соответствовать таблице 6.1 и 6.2
6.2 Параметры АФУ АРК диапазонов ГКМВ и КЛМВ должны соответствовать таблице 6.1.
Таблица 6.1
|
Норма |
|
|
Диапазон частот, МГц |
0,15 - 1,75 |
|
Действующая высота, м, не менее |
0,1* |
|
Емкость антенны относительно корпуса ВС, пФ, не менее |
24 |
|
* Допускается меньшее значение действующей высоты при условии обеспечения нормальной работоспособности сопрягаемой аппаратуры. |
|
6.3 Параметры АФУ РСДН диапазонов КЛМВ и МРМВ должны соответствовать таблице 6.2.
Таблица 6.2
|
Норма |
|
|
Диапазон частот, МГц |
10 - 130 |
|
Действующая высота, м, не менее |
0,3 |
|
Емкость антенны относительно корпуса ВС, пФ, не менее |
100 |
Примечание - Электрические параметры АФУ АРК и РСДН в соответствии с таблицами 6.1 и 6.2 относятся только к ненаправленным антеннам.
6.4 Параметры приемопередающих АФУ диапазонов ДКМВ и ГКМВ бортового радиосвязного оборудования ВС должны соответствовать таблице 6.3.
Таблица 6.3
|
Норма |
|
|
Электрические антенны |
|
|
Активная составляющая входного сопротивления, Ом, не менее: |
|
|
- в диапазоне 2,00 - 30,00 МГц, |
1 |
|
- в диапазоне 0,25 - 1,50 МГц |
3 |
|
Реактивная составляющая входного сопротивления, Ом, не более: |
|
|
- на частоте 2,00 МГц |
- 2000 |
|
- на частоте 0,25 МГц |
- 15000 |
|
Магнитные антенны |
|
|
Активная составляющая входного сопротивления, Ом, в диапазоне 2,00 - 30,00 МГц, не менее |
0,1 |
|
Реактивная составляющая входного сопротивления, Ом, на частоте 2,00 МГц, не менее |
12 |
|
Частота первого (параллельного) резонанса входного сопротивления, МГц, в диапазоне 2,00 - 30,00 МГц, не менее |
18 |
6.5 Параметры АФУ радиосвязного оборудования диапазонов MB и ДМВ должны соответствовать таблице 6.4.
Таблица 6.4
|
Норма |
|
|
Диапазоны рабочих частот, МГц |
118 - 137 |
|
220 - 400 |
|
|
КСВН АФУ, не более |
3,0 |
|
КПД в фидере питания, не менее |
0,5 |
|
Неравномерность диаграммы направленности в горизонтальной плоскости, дБ, не более |
12 |
|
Примечание - В диаграммах направленности допускается увеличение неравномерности на курсовых углах 90° ± 60° и 270° ± 60° в секторах, имеющих ширину не более 10° на уровне минус 14 дБ от максимума диаграммы направленности, если они не влияют на дальность и качество радиосвязи. |
|
6.6 Параметры АФУ радиотехнического оборудования спутниковой радиосвязи должны соответствовать таблице 6.5.
Таблица 6.5
|
Норма |
|
|
Диапазон рабочих частот, МГц: |
|
|
- прием |
1525,0 - 1559,0 |
|
- передача |
1626,5 - 1660,5 |
|
Поляризация поля |
Круговая |
|
Зона обзора |
Верхняя полусфера |
|
Коэффициент усиления АФУ, дБ, не менее |
0 |
|
КСВН АФУ, не более |
1,5 |
|
Коэффициент эллиптичности, дБ, не более |
6,0 |
6.7 Параметры АФУ АЗН должны соответствовать таблице 6.6.
Таблица 6.6
|
Норма |
|
|
Диапазон частот, МГц |
118 - 136,975 |
|
КСВН, не более |
3,0 |
|
Поляризация поля |
Вертикальная |
|
Диаграмма направленности |
Всенаправленная |
|
Неравномерность распределения вертикальной составляющей поля в горизонтальной плоскости, дБ, не более |
12 |
|
Примечание - В диаграммах направленности допускаются отдельные более глубокие провалы на курсовых углах 90° ± 60° и 270° ± 60°, имеющие ширину сектора не более 10° на уровне минус 14 дБ от максимума диаграммы направленности, если они не влияют на дальность и качество радиосвязи. |
|
6.8 Параметры АФУ радиотехнического оборудования АРМ должны соответствовать таблице 6.7.
Таблица 6.7
|
Норма |
|
|
Рабочие частоты, МГц |
121,5; 406,025 |
|
КСВН, не более |
3,0 |
|
Поляризация поля |
Вертикальная |
|
Диаграмма направленности |
Всенаправленная |
|
Неравномерность диаграммы направленности, дБ, не более |
12 |
6.9 Параметры навигационного АФУ радиотехнического оборудования угломерной системы VOR должны соответствовать таблице 6.8.
Таблица 6.8
|
Норма |
|
|
Диапазон рабочих частот, МГц |
108,000 - 117,975 |
|
КСВН на выходе АФУ, не более |
5,0 |
|
Диаграмма направленности АФУ в горизонтальной плоскости |
Всенаправленная |
|
Неравномерность диаграмм направленности, дБ, не более |
-20 |
|
Коэффициент усиления в горизонтальной плоскости в направлении продольной оси самолета по сравнению с максимумом излучения полуволнового вибратора при наличии у АФУ одного выхода, дБ, не менее (при затухании в фидерном тракте не более 3 дБ) |
- 12 |
|
Поляризация поля |
Горизонтальная |
|
Ослабление вертикальной составляющей поля антенны в направлении продольной оси ВС по отношению к горизонтальной составляющей поля, дБ, не менее |
10 |
|
Примечания 1 При работе с двумя радиоприемниками выходом АФУ считают точку подключения фидера к общему входу приемников. 2 При использовании навигационной антенны угломерной системы VOR в качестве курсовой антенны радиотехнического оборудования посадки ILS она должна соответствовать требованиям раздела 6.11. |
|
6.10 Параметры АФУ маркерного радиотехнического оборудования посадки должны соответствовать таблице 6.9.
Таблица 6.9
|
Норма |
|
|
Рабочая частота, МГц |
75,0 ± 0,02 |
|
Поляризация поля |
Горизонтальная |
|
КСВН на выходе АФУ не более |
5,0 |
|
Размещение антенны |
Должно обеспечивать обзор нижней полусферы |
6.11. Параметры курсовых АФУ радиотехнического оборудования посадки должны соответствовать таблице 6.10.
Таблица 6.10
|
Норма |
|
|
Диапазон рабочих частот, МГц |
108 - 112 |
|
КСВН на выходе АФУ не более |
5,0 |
|
Коэффициент усиления АФУ в горизонтальной плоскости в направлении полета, дБ, не менее: |
|
|
- при наличии одного или двух выходов |
- 10* |
|
- при наличии трех выходов |
- 13* |
|
Неравномерность распределения горизонтальной составляющей поля в переднем секторе ± 90° относительно продольной оси ВС, дБ, не более |
12 |
|
Поляризация поля |
Горизонтальная |
|
Ослабление вертикальной составляющей поля антенны по отношению к горизонтальной составляющей поля в направлении вперед вдоль продольной оси ВС, дБ, не менее |
10 |
|
Развязка между выходами АФУ (при наличии двух или более выходов), дБ, не менее |
6 |
|
* По сравнению с максимумом излучения полуволнового вибратора. Примечания 1 При работе АФУ имеющего один выход с двумя или более приемниками, выходом АФУ считают точку подключения фидера к общему входу приемников. 2 При использовании навигационной антенны угломерной системы VOR в качестве курсовой антенны радиотехнического оборудования посадки ее параметры должны быть в соответствии с таблицами 6.8 и 6.10. |
|
6.12 Параметры глиссадных АФУ радиотехнического оборудования посадки должны соответствовать таблице 6.11.
Таблица 6.11
|
Норма |
|
|
Диапазон рабочих частот, МГц |
328,6 - 335,4 |
|
КСВН на выходе АФУ, не более |
5,0 |
|
Коэффициент усиления АФУ в горизонтальной плоскости в направлении полета: |
|
|
- при наличии одного выхода |
- 10* |
|
- при наличии двух выходов |
- 12* |
|
- при наличии трех выходов |
- 15* |
|
Неравномерность распределения горизонтальной составляющей поля в переднем секторе ± 45° относительно продольной оси ВС, дБ, не более |
6,0 |
|
Поляризация поля |
Горизонтальная |
|
Ослабление вертикальной составляющей поля антенны по отношению к горизонтальной составляющей поля в направлении вперед вдоль продольной оси ВС, дБ, не менее |
10 |
|
Развязка между выходами АФУ при наличии двух выходов, дБ, не менее |
6,0 |
|
* По сравнению с максимумом излучения полуволнового вибратора. Примечание - Размещение антенны должно обеспечивать безопасное расстояние от самой нижней точки ВС до препятствий или поверхности земли при снижении по глиссаде. |
|
6.13 Параметры АФУ радиотехнического оборудования радиодальномерной системы DME должны соответствовать таблице 6.12.
Таблица 6.12
|
Норма |
|
|
Диапазон рабочих частот, МГц |
962 - 1215 |
|
Поляризация поля |
Вертикальная |
|
Зона видимости: |
|
|
- в навигационном режиме |
|
|
на расстоянии 75 % дальности прямой видимости от радиомаяка не должна иметь провалов в горизонтальной плоскости при полете с нулевыми кренами; |
|
|
- в посадочном режиме |
Круговая |
|
не должна иметь более одного провала длительностью не более 10 с в горизонтальной плоскости при выполнении виражей с кренами ± 10° |
от 0° до ± 45° |
|
КСВН на входе АФУ, не более |
2,0 |
|
Затухание в фидерном тракте, дБ, не более |
5,0 |
6.14 Параметры АФУ РСБН должны соответствовать таблице 6.13.
Таблица 6.13
|
Норма |
||
|
Канал посадки |
Канал угломерно-дальномерный |
|
|
Диапазон рабочих частот, МГц: |
||
|
- в приемном режиме |
905,0 - 966, 9 |
873,6 - 1000,5 |
|
- в передающем режиме |
772,0 - 808,0 |
726,0 - 813,0 |
|
Поляризация поля |
Горизонтальная |
Горизонтальная |
|
Неравномерность распределения горизонтальной составляющей поля в горизонтальной плоскости, в переднем секторе ± 90° должна быть, дБ, не более |
12 |
12 |
|
КСВН: |
||
|
- в приемном режиме, не более |
5,0 |
5,0 |
|
- в передающем режиме, не более |
2,5 |
2,5 |
|
Коэффициент усиления антенны в максимуме диаграммы направленности в горизонтальной плоскости, дБ |
Определяют по графику, приведенному в приложении Г |
|
|
Примечания 1 Зона видимости, определенная на расстоянии 75 % дальности прямой видимости от радиомаяка, не должна иметь провалов в горизонтальной плоскости при полете с нулевыми кренами. 2 При установке на ВС двухантенного АФУ допускаются отдельные интерференционные провалы в боковых направлениях 90° ± 40° и 270° ± 40°, не влияющие на работу оборудования. |
||
6.15 Параметры АФУ радиолокационных ответчиков режима «УВД» должны соответствовать таблице 6.14.
Таблица 6.14
|
Норма |
|
|
Диапазон рабочих частот, МГц: |
|
|
- приемный режим |
837,5 ± 4,0 |
|
1030,0 ± 3,0 |
|
|
- передающий режим |
740 ± 3,0 |
|
Поляризация поля |
Горизонтальная |
|
Вертикальная (F = 1030 МГц) |
|
|
КСВН: |
|
|
- в диапазоне (837,5 ± 4,0) МГц, не более |
5,0 |
|
- в диапазоне (740 ± 3,0) МГц, не более |
2,5 |
|
- в диапазоне (1030 ± 3,0) МГц, не более |
2,0 |
|
Зона видимости АФУ |
На удалении 75 % от дальности действия ответчика не должна иметь провалов в горизонтальной плоскости при эксплуатационных углах крена и тангажа |
|
Коэффициент усиления антенны в максимуме диаграммы направленности в горизонтальной плоскости, дБ |
Определяют по графику, приведенному в приложении Д |
|
Примечание - При установке на ВС двухантенного АФУ допускаются отдельные интерференционные провалы в боковых направлениях 90° ± 40° и 270° ± 40°, не влияющие на работу оборудования. |
|
6.16 Параметры АФУ радиолокационных ответчиков для режима RBS должны соответствовать таблице 6.15.
Таблица 6.15
|
Норма |
|
|
Диапазон рабочих частот, МГц: |
|
|
- приемный режим |
1030 ± 3,0 |
|
- передающий режим |
1090 ± 3,0 |
|
Поляризация поля |
Вертикальная |
|
КСВН, не более |
2,0 |
|
Диаграмма направленности |
Всенаправленная в горизонтальной плоскости |
|
Зона видимости |
На удалении 75 % от дальности действия ответчика не должна иметь провалов в горизонтальной плоскости при эксплуатационных углах крена и тангажа |
|
Затухание в фидерном тракте между антенной и приемопередатчиком, дБ, не более |
5,0 |
6.17 Параметры АФУ БСПС должны соответствовать таблице 6.16.
Таблица 6.16
|
Норма |
|
|
Частота, МГц: |
|
|
- передающий режим |
1030 ± 3 |
|
- приемный режим |
1090 ± 3 |
|
Поляризация поля |
Вертикальная |
|
Зоны обзора: |
|
|
- в горизонтальной плоскости |
360° |
|
- в вертикальной плоскости |
± 30° |
|
КСВН, не более |
|
|
- передающий режим |
2,0 |
|
- приемный режим |
2,0 |
6.18 Параметры АФУ радиотехнического оборудования СНС должны соответствовать таблице 6.17.
Таблица 6.17
|
Норма |
|
|
Диапазон рабочих частот, МГц: |
|
|
- GPS |
1575,42 ± 1 |
|
- ГЛОНАСС |
1602 - 1616 |
|
КСВН: |
|
|
- для активных антенн |
2,0 |
|
- для пассивных антенн |
1,5 |
|
Поляризация поля |
Правовинтовая эллиптическая |
|
Зона обзора |
Верхняя полусфера |
|
Коэффициент усиления, дБ, не менее |
|
|
- при угле места 0°, |
От -7,5 до -5,0 |
|
- при угле места 5°, |
-4,5 |
|
- при угле места 10°, |
-3,0 |
|
- при угле места не менее 15° |
-2,0 |
|
Коэффициент эллиптичности, дБ, не более |
3,0 в направлении нормали к плоскости крепежного фланца |
6.19 Параметры АФУ радиовысотомеров малых высот должны соответствовать требованиям таблицы 6.18.
Таблица 6.18
|
Норма |
|
|
Диапазон рабочих частот, МГц |
4200 - 4400 |
|
КСВН, не более |
2,0 |
|
Размещение антенн: |
|
|
- отклонение плоскостей раскрывов антенн от горизонтальной плоскости ВС, ...°, не более |
5,0 |
|
- поляризация поля передающей и приемной антенн каждого комплекта |
Должна совпадать |
|
Примечание - При установке двух комплектов радиовысотомеров поляризации одноименных антенн должны быть взаимно ортогональны. |
|
6.20 Параметры АФУ радиолокационного метеонавигационного оборудования должны соответствовать таблице 6.19.
Таблица 6.19
|
Норма |
|
|
Диапазон рабочих частот, МГц |
9300 - 9500 |
|
Ширина основного лепестка диаграммы направленности антенны на уровне 3 дБ, не более |
10° |
|
Максимальный уровень боковых лепестков диаграммы направленности антенны, дБ, не более |
15 |
6.21 Параметры АФУ радиотехнического оборудования микроволновой системы посадки MLS должны соответствовать таблице 6.20.
Таблица 6.20
|
Норма |
|
|
Диапазон частот, МГц |
5031,0 - 5090,7 |
|
КСВН на входе АФУ, не более |
2,0 |
|
Поляризация поля |
Вертикальная |
|
Примечание - Для обеспечения работы оборудования АФУ должны быть размещены на ВС таким образом, чтобы обеспечивались требуемые зоны обзора. |
|
6.22 Параметры АФУ АПДД должны соответствовать требованиям таблицы 6.21.
Таблица 6.21
|
Норма |
|
|
Диапазон рабочих частот, МГц |
108,025 - 117,950 |
|
КСВН на выходе АФУ, не более |
5,0 |
|
Диаграмма направленности АФУ в горизонтальной плоскости |
Всенаправленная |
|
Неравномерность ДН, дБ, не более |
20 |
|
Коэффициент усиления в горизонтальной плоскости в направлении продольной оси самолета по сравнению с максимумом излучения полуволнового вибратора, дБ, не менее (при затухании в фидерном тракте не более 3 дБ) |
- 10 |
|
Поляризация поля |
Горизонтальная |
|
Ослабление вертикальной составляющей поля антенны в направлении продольной оси ВС по отношению к горизонтальной составляющей поля, дБ, не менее |
10 |
7.1.1 Соответствие технико-эксплуатационных характеристик АФУ следует оценивать путем сопоставления параметров АФУ с требованиями стандартов и ТУ. Соответствие считают доказанным, если параметры АФУ соответствуют требованиям стандартов и ТУ.
В качестве доказательной документации предъявляют отчеты, акты, протоколы (разделы отчетов, актов, протоколов) по результатам измерений.
7.1.2 Соответствие электрических параметров АФУ должно быть оценено путем сопоставления измеренных электрических параметров АФУ требованиям стандартов, ТУ, отчетов, актов, протоколов по результатам измерений.
В качестве доказательной документации предъявляют НД, ТУ, отчеты, акты, протоколы по результатам измерений.
7.1.3 Соответствие правильности конструктивного выполнения и монтажа АФУ на ВС в части получения установленных электрических параметров, удобств технического обслуживания ВС и АФУ (без нарушения целостности антенн), отсутствия помех обзору экипажа, невозможности поломки антенны при техническом обслуживании, в части отсутствия повышенной опасности для технического и летного экипажа, защиты от ударов молнии, минимального аэродинамического сопротивления, габаритов, массы и размеров, обеспечения стойкости к коронированию от электрических разрядов и др., принудительного отделения антенны в случае необходимости при аварийной ситуации следует оценивать путем анализа КД, актов анализа возможностей обеспечения требуемых условий эксплуатации и отчетов, актов (протоколов) измерения параметров АФУ. Соответствие считают доказанным, если правильность выполнения АФУ и его монтаж на ВС соответствуют КД и НД.
В качестве доказательной документации предъявляют отчеты, акты, протоколы (разделы отчетов, актов, протоколов) по измерениям и Руководству по эксплуатации, а также КД на АФУ и ВС.
7.1.4 Соответствие размещения и монтажа АФУ в части обеспечения удобства доступа для осмотра и монтажа, проверки электрических параметров и ремонта следует оценивать путем анализа достаточности мер для обеспечения перечисленных требований при проведении работ, указанных в Руководстве по технической эксплуатации ВС и в процессе его наземного обслуживания. Соответствие считают доказанным, если размещение и монтаж АФУ обеспечивают удобство для осмотра и монтажа, а также проверки электрических параметров и ремонта. В качестве доказательной документации предъявляют отчеты, акты, протоколы (разделы отчетов, актов, протоколов) по результатам проверки.
7.1.5 Соответствие радиотехнических характеристик обтекателей антенн следует оценивать путем анализа материалов испытаний обтекателей и НД на материалы, из которых они изготовлены. Соответствие считают доказанным, если радиотехнические характеристики обтекателей антенн соответствуют НД и материалам измерений. В качестве доказательной документации предъявляют НД, отчеты, акты, протоколы (разделы отчетов, актов, протоколов) по результатам измерений.
7.1.6 Соответствие удобства монтажа обтекателей и исключение возможности попадания внутрь обтекателя жидкостей следует оценивать путем анализа КД на ВС. Соответствие считают доказанным, если монтаж обтекателя соответствует КД на ВС.
В качестве доказательной документации предъявляют КД установки обтекателя на ВС.
7.1.7 Соответствие приемлемости параметров комплексированных антенн следует оценивать путем анализа результатов измерений АФУ. Соответствие считают доказанным, если параметры комплексированных антенн соответствуют техническим требованиям каждой из комплексированных систем.
В качестве доказательной документации предъявляют разделы актов (отчетов) по результатам измерений.
7.1.8 Соответствие АФУ в части возможностей прибортовки радиочастотных кабелей к корпусу ВС следует оценивать путем анализа КД на установку АФУ на ВС. Соответствие считают доказанным, если прибортовка радиочастотных кабелей АФУ к корпусу ВС соответствует КД на установку АФУ на ВС.
В качестве доказательной документации предъявляют КД на установку АФУ на ВС.
7.1.9 Соответствие АФУ в части обеспечения наименьших длин радиочастотных кабелей, удобства стыковки элементов линии передач, недопустимости воздействия повышенных температур и вибрационных нагрузок следует осуществлять путем анализа КД на ВС. Соответствие считают доказанным, если указанные требования соответствуют КД на установку АФУ на ВС и НД.
В качестве доказательной документации предъявляют КД на установку АФУ на ВС.
7.1.10 Соответствие АФУ в части отсутствия острых кромок, плохо заделанных и порванных жил, проводов, заусенцев и заделки проводов следует оценивать путем анализа КД на ВС и внешним осмотром. Соответствие считают доказанным, если АФУ соответствует НД и КД на установку АФУ на ВС.
В качестве доказательной документации предъявляют НД и КД на установку АФУ на ВС.
7.1.11 Соответствие переходного сопротивления между фланцем антенны и обшивкой ВС следует оценивать путем анализа результатов измерения переходного сопротивления на ВС.
Соответствие считают доказанным, если переходное сопротивление между фланцем антенны и обшивкой ВС соответствует 5.13 и КД на установку антенны на ВС.
В качестве доказательной документации предъявляют акты, разделы актов, протоколы по результатам измерения переходного сопротивления на ВС, а также КД на установку АФУ на ВС.
7.1.12 Соответствие обеспечения максимально возможных развязок между АФУ разного электронного оборудования следует оценивать путем анализа материалов расчетов развязок между антеннами при различных вариантах их размещения. Соответствие считают доказанным в части обеспечения максимально возможных развязок между АФУ разного радиоэлектронного оборудования, если указанные требования соответствуют КД на установку АФУ и НД.
В качестве доказательной документации предъявляют отчет по оценке ЭМС радиооборудования комплекса радиоэлектронного оборудования.
7.1.13 Соответствие АФУ в части наличия в его составе эквивалентов антенн следует оценивать путем анализа НД на АФУ. Соответствие считают доказанным, если указанные требования соответствуют НД и Руководству по технической эксплуатации АФУ.
В качестве доказательной документации предъявляют Руководство по технической эксплуатации АФУ и НД.
7.1.14 Соответствие АФУ в части способов крепления его элементов к корпусу ВС следует оценивать путем рассмотрения КД на установку АФУ на ВС. Соответствие считают доказанным в части способов крепления АФУ к корпусу ВС, если АФУ соответствует НД и КД на установку АФУ на ВС.
В качестве доказательной документации предъявляют НД и КД на установку АФУ на ВС.
7.1.15 Соответствие АФУ в части сопротивления изоляции следует оценивать по материалам измерения сопротивления изоляции антенн. Соответствие считают доказанным в части сопротивления изоляции, если указанный параметр соответствует требованиям 5.18 и КД.
В качестве доказательной документации предъявляют акты (разделы актов) по результатам измерения сопротивления изоляции антенн.
Соответствие переходного сопротивления между фланцем антенны и корпусом ВС следует оценивать непосредственно на ВС согласно 5.13.
Соответствие АФУ в части сопротивления изоляции следует оценивать непосредственно на ВС согласно 5.17.
7.3.1.1 Соответствие диапазона частот следует оценивать по НД на АФУ или на радиокомпас. Соответствие считают доказанным, если в НД указан диапазон частот согласно таблице 6.1.
В качестве доказательной документации предъявляют Руководство по эксплуатации на АФУ или на радиокомпас.
- устанавливают измерительный приемник на расстоянии не более 1 м от исследуемой антенны;
- размещают на расстоянии не менее 0,5 м от измеряемой антенны штыревую эталонную антенну с геометрической высотой h, равной 1,0 м (действующая высота h такой антенны в диапазоне аппаратуры АРК равна 0,5 м);
- соединительные проводники от эталонной и измеряемой антенн до входа измерительного приемника, а также проводники заземления должны быть минимальной длины (рекомендуемая длина 3 - 10 см);
- подключают эталонную (штыревую) антенну к входу измерительного приемника, настраивают приемник на заданную частоту и проводят отсчет принятого сигнала Е1;
- не изменяя частоты настройки измерительного приемника, отсоединяют эталонную антенну, присоединяют измеряемую антенну и производят отсчет принятого сигнала Е2;
- действующую высоту измеряемой антенны На, м, вычисляют по формуле
(1)
где Е1 - значение сигнала, принятого эталонной антенной, мкВ;
Е2 - значение сигнала, принятого измеряемой антенной, мкВ;
ha - действующая высота эталонной антенны (для тонкого штыря с геометрической высотой, равной 1 м), равная 0,5 м.
- устанавливают прибор в месте измерения и соединяют корпус прибора с корпусом ВС, на котором проводят измерение заземляющей перемычкой минимальной длины;
- измерение емкости антенны проводят на одной из низших частот диапазона радиокомпаса;
- измерения проводят согласно методике, изложенной в техническом описании прибора;
- настраивают контур прибора в резонанс и проводят отсчет емкости первого измерения С1;
- к потенциальной клемме, предназначенной для подключения измеряемой емкости, подключают антенну;
- настраивают контур прибора в резонанс на этой же частоте и проводят отсчет емкости второго измерения С2;
- емкость антенны Са, пФ, вычисляют по формуле
Са = С1 - С2, (2)
где С1 - емкость первого измерения, пФ;
С2 - емкость второго измерения, пФ.
7.3.1.4 Соответствие считают доказанным, если АФУ обеспечивает параметры согласно таблице 6.1. В качестве доказательной документации используют акты по результатам измерений и НД на АФУ или радиокомпас.
7.3.2.1 Соответствие диапазона частот следует оценивать по НД на АФУ или радиокомпас. Соответствие считают доказанным, если в НД указан диапазон частот согласно таблице 6.1.
В качестве доказательной документации предъявляют НД и Руководство по эксплуатации на АФУ или на радиокомпас.
7.3.2.2 Соответствие параметров АФУ радиокомпаса следует оценивать путем проверки на функционирование радиокомпаса согласно НД. Соответствие считают доказанным, если дальность действия радиокомпаса удовлетворяет НД.
В качестве доказательной документации предъявляют акты по результатам измерений.
7.3.3.1 Соответствие диапазона частот следует оценивать по НД на АФУ. Соответствие считают доказанным, если в НД указан диапазон частот согласно таблице 6.2. В качестве доказательной документации предъявляют Руководство по эксплуатации на АФУ.
7.3.3.2 Соответствие электрических параметров антенн РСДН следует оценивать путем анализа материалов по результатам измерений действующей высоты и емкости приемной ненаправленной антенны в рабочем диапазоне частот.
7.3.3.3 Действующую высоту антенны в рабочем диапазоне частот следует измерять согласно 7.3.1.2.
Соответствие считают доказанным, если АФУ обеспечивает параметры согласно таблице 6.2.
В качестве доказательной документации используют акты, протоколы по результатам измерений.
7.3.3.4 Измерение емкости антенны Са проводят по 7.3.1.3.
Соответствие считают доказанным, если АФУ обеспечивает параметры, приведенные в таблице 6.2.
В качестве доказательной документации используют акты, протоколы по результатам измерений.
7.3.4.1 Соответствие диапазона частот следует оценивать по НД на АФУ. Соответствие считают доказанным, если в НД указан диапазон частот согласно таблице 6.2.
В качестве доказательной документации предъявляют Руководство по эксплуатации на АФУ.
7.3.4.2 Электрические параметры АФУ РСДН в условиях серийного производства следует оценивать непосредственно на ВС путем проверки на функционирование радиотехнической системы РСДН, согласно инструкции по ее эксплуатации. Соответствие считают доказанным, если обеспечивается функционирование РСДН согласно НД.
В качестве доказательной документации представляют акты, протоколы по результатам измерений.
7.3.5.1 Соответствие диапазона частот следует оценивать по НД на АФУ. Соответствие считают доказанным, если в НД указан диапазон частот согласно таблице 6.3. В качестве доказательной документации предъявляют НД на АФУ.
7.3.5.2 Параметры АФУ измеряют на макетах частей ВС, изготовленных в натуральную величину, и на опытных ВС.
7.3.5.3 Макеты ВС следует выполнять из материала с проводимостью, соответствующей проводимости материала обшивки ВС.
7.3.5.4 В непосредственной близости от измеряемой антенны не должно быть выступающих металлических предметов, способных повлиять на результаты измерений.
7.3.5.5 Входные сопротивления антенн с индуктивным импедансом в диапазоне ДКМВ и ГКМВ измеряют с помощью измерителя импедансов типа ВМ-538 или другого аналогичного прибора в соответствии с инструкцией по их эксплуатации.
Активная RA и реактивная ХА, составляющие входного сопротивления антенны, Ом, для |j| £ 70° вычисляют по формулам
RA = |Z|cosj, (3)
ХА = |Z|sinj, (4)
где |Z| - модуль импеданса антенн, Ом;
j - показания индикатора фазы измерителя импедансов.
Для случая, когда |j| > 70°, активное сопротивление RA, Ом, вычисляют по формуле
(5)
где Rp - сопротивление антенного контура при параллельном резонансе, Ом.
Для настройки антенного контура в резонанс при индуктивном импедансе используют магазин емкостей с малыми потерями (tgd £ 0,01).
7.3.5.6 Для настройки антенного контура в резонанс при емкостном импедансе измеряемой антенны используют дополнительную катушку индуктивности. Настройку антенного контура в резонанс осуществляют конденсатором переменной емкости и фиксируют его по индикатору фазы измерителя импедансов (j = 0).
7.3.5.7 Для соединения измерительных приборов с антенной используют проводники минимальной длины с минимальным сопротивлением.
7.3.5.8 Входные сопротивления антенн с емкостным импедансом в диапазонах ДКМВ и ГКМВ измеряют с помощью измерителя добротности типа Е4-7 или другого аналогичного прибора в соответствии с инструкцией по их эксплуатации.
7.3.5.9 Входные сопротивления антенн в диапазонах ДКМВ и ГКМВ с помощью измерителя добротности измеряют в следующем порядке:
- устанавливают на объекте измеритель добротности в непосредственной близости от ввода антенны (рекомендуемая длина соединительных проводников не должна превышать 200 мм);
- включают измеритель добротности и проводят калибровку прибора и установку электрического нуля на выбранных пределах измерения;
- соединяют клемму заземления измерителя добротности с корпусом объекта с помощью короткой металлической перемычки (длина перемычки должна быть минимальной);
- устанавливают на приборе частоту, на которой предполагается проводить измерения;
- подключают к прибору катушку индуктивности, соответствующую выбранной частоте;
- добиваются настройки контура в резонанс и проводят отсчет добротности Q1 внутреннего контура на измерителе добротности без подключенной антенны, а также отсчет емкости внутреннего контура С1 с точностью до десятых долей пикофарады;
- к потенциальной клемме, предназначенной для подключения измеряемой емкости, подключают антенну;
- снова добиваются настройки в резонанс на этой же частоте и проводят отсчет полученных значений добротности Q2 и емкости С2 с подключенной антенной. При этом для уменьшения погрешности в последующих расчетах необходимо, чтобы добротность Q2 находилась в пределах от 1/3 до 2/3 Q1.
В случае невозможности выполнения этого условия при непосредственном подключении антенны к измерительному контуру подсоединение антенны осуществляют через дополнительную емкость Сдоп. В зависимости от типа антенны значения этой емкости находятся в пределах от 1 до 300 пФ и подбираются опытным путем из условия получения требуемой добротности Q2 от 1/3 до 2/3 Q1. Наиболее оптимальным следует считать случай, когда Q2 = 0,5 Q1.
После отсчета значений Q2 и С2 измеряют дополнительную емкость Сдоп. Измерение Сдоп следует проводить на каждой рабочей частоте. Для измерения Сдоп один конец дополнительного конденсатора оставляют подключенным к потенциальной клемме, а второй конец, отключив от антенны, подключают к клемме заземления. После подключения дополнительной емкости контур снова настраивают в резонанс и проводят отсчет значения емкости С3. Дополнительную емкость Сдоп, пФ, вычисляют по формуле
Сдоп = С1 - С3, (6)
где С1 - емкость внутреннего контура при настройке его в резонанс без дополнительной емкости, пФ;
С3 - емкость внутреннего контура при настройке его в резонанс при подключенной дополнительной емкости, пФ.
7.3.5.10 Значения активной составляющей входного сопротивления RA и реактивной составляющей ХА определяют расчетным путем.
При измерениях без дополнительной емкости RA и ХА, Ом, вычисляют по формулам:
(7)
(8)
при измерениях с дополнительной емкостью RA и ХА, Ом, вычисляются по формулам
(9)
(10)
ХА = ХDС + Хдоп, (11)
(12)
(13)
где Q1 - добротность внутреннего контура без подключения антенны, пФ;
С1 - емкость внутреннего контура без подключения антенны, пФ;
Q2 - добротность с подключенной антенной, пФ;
С2 - емкость с подключенной антенной, пФ;
Сдоп - дополнительная емкость, пФ;
f - частота, кГц;
RA - активная составляющая входного сопротивления антенны, Ом;
ХА - реактивная составляющая входного сопротивления антенны, Ом;
ХDС - реактивная составляющая сопротивления разности емкостей, Ом;
Хдоп - реактивная составляющая сопротивления дополнительной емкости, Ом.
7.3.5.11 Соответствие электрических параметров приемопередающих антенн диапазонов ДКМВ, ГКМВ оценивается посредством анализа материалов по результатам измерений и расчетов входных сопротивлений в рабочих диапазонах частот.
Соответствие считают доказанным, если АФУ обеспечивает параметры согласно таблице 6.2.
В качестве доказательной документации используют акты по измерениям и расчеты.
Соответствие диапазона частот следует оценивать по НД на АФУ. Соответствие считают доказанным, если в НД указан диапазон частот согласно таблице 6.3.
В качестве доказательной документации предъявляют НД на АФУ.
Электрические параметры приемопередающих АФУ диапазонов ДКМВ, ГКМВ следует оценивать непосредственно на ВС путем проверки на функционирование оборудования согласно инструкции по его эксплуатации. Соответствие считают доказанным, если функционирование оборудования обеспечивается согласно НД.
В качестве доказательной документации представляют акты, протоколы по результатам измерений.
7.4.1.1 Соответствие диапазона частот следует оценивать по НД на АФУ. Соответствие считают доказанным, если в НД указан диапазон частот согласно таблице 6.4.
В качестве доказательной документации предъявляют Руководство по эксплуатации на АФУ.
7.4.1.2 Соответствие значений КСВН АФУ в рабочих диапазонах частот оценивают путем анализа результатов измерений КСВН в питающем фидере АФУ.
Соответствие считают доказанным, если значения КСВН в рабочих диапазонах частот удовлетворяют параметрам таблицы 6.4.
В качестве доказательной документации используют акты, протоколы по измерениям.
7.4.1.3 КСВН измеряют на макетах частей ВС, изготовленных в натуральную величину, или на реальных ВС.
7.4.1.4 Макеты ВС выполняют из материала, проводимость которого должна соответствовать реальной проводимости материала обшивки ВС.
7.4.1.5 Вблизи исследуемой антенны не должно быть посторонних предметов, способных повлиять на результаты измерений.
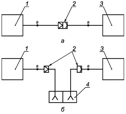
Функциональная схема измерений приведена на рисунке 7.1.
1 - измеритель КСВН с индикатором; 2 - измерительный кабель; 3 - измеряемая антенна
Рисунок 7.1
Соответствие считают доказанным, если АФУ обеспечивает значения КСВН согласно таблице 6.4. В качестве доказательной документации предъявляют акты (протоколы) по результатам измерений.
7.4.1.7 КПД фидера питания определяют расчетным путем на основании справочных данных на параметры выбранного типа фидера и результатов измерения КСВН антенны, выполненного с фидером длиной не более 2 м.
7.4.1.8 Расчет КПД фидера питания следует проводить в следующем порядке:
- определяют значение параметра aL, дБ, для частот рабочего диапазона, на которых было проведено измерение КСВН (a - погонное затухание в фидере питания, дБ/м; L - длина фидера, м);
- вычисляют КПД (h) по формуле
(14)
где hфmax - максимальный КПД фидера, получаемый при КСВН, равном 1, и зависящий от затухания в фидере, который вычисляют по формуле
hфmax =10-0,1 (a, l), (15)
где a - погонное затухание фидерного тракта, дБ/м,
l - длина фидерного тракта, м.
7.4.1.9 Диаграммы направленности антенн измеряют в диапазоне MB на частотах 118, 127, 137 МГц.
7.4.1.10 Диаграммы направленности антенн измеряют на макетах ВС или на моделях ВС, изготовленных в уменьшенном масштабе. Измерения диаграмм направленности на моделях ВС выполняют на частотах рабочего диапазона радиостанции, умноженных на масштаб моделирования. Измеряемые антенны должны быть выполнены в масштабе моделирования.
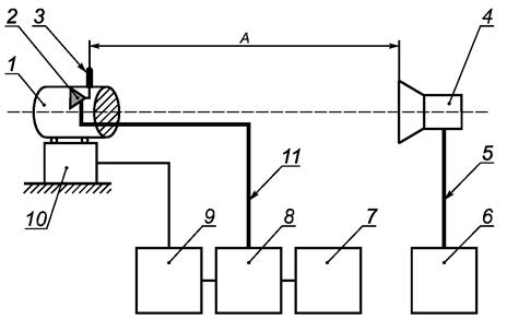
7.4.1.11 Функциональная схема измерения диаграмм направленности антенн при моделировании приведена на рисунке 7.2.
Расстояние А, м, между облучающей антенной и моделью ВС вычисляют по формуле
где L1 - раскрыв измеряемой антенны, равный для фюзеляжных антенн диаметру фюзеляжа, а у килевых антенн - удвоенной высоте киля, м;
L2 - раскрыв облучающей антенны, м;
λ - длина волны, м.
1 - модель ВС; 2 - детекторная секция; 3 - измеряемая антенна (масштабная модель); 4 - облучающая антенна; 5 - фидер питания; 6 - ВЧ генератор; 7 - регистрирующее устройство (самописец, ПЭМВ + АЦП); 8 - усилитель; 9 - пульт управления; 10 - поворотное устройство; 11 - диэлектрическая мачта; 12 - приемный тракт
Рисунок 7.2
7.4.1.12 При измерении диаграмм направленности антенн облучающая антенна должна равномерно облучать раскрыв измеряемой антенны. Наличие достаточной равномерности облучения измеряемой антенны должно удовлетворять условию следующих уравнений:
- при размещении антенны в центре вращения:
- при размещении антенны на расстоянии от центра вращения:
где β - расстояние от центра вращения, м.
7.4.1.13 Диаграммы направленности антенны, установленной на модели ВС, измеряют в следующем порядке:
- устанавливают модель на поворотное устройство в положение, соответствующее измеряемой плоскости;
- устанавливают облучающую антенну на расстоянии А от модели на высоте Н (высоты расположения облучающей антенны и модели ВС должны быть одинаковыми);
- при измерении диаграмм направленности антенны не допускается попадание на модель сигналов, отраженных от земли и других посторонних предметов, влияющих на характеристики измеряемой антенны;
- поворачивают модель в измеряемой плоскости на 360° и измеряют принимаемые сигналы, поступающие от антенны, установленной на модели, во всех азимутальных направлениях;
- по результатам измерений строят график диаграммы направленности на бланке в полярных координатах (см. приложение В).
Примечание - График диаграммы направленности строят пропорционально напряженности поля сигнала в случае нелинейной характеристики приемного тракта. При квадратичной характеристике приемного тракта из отношения величин сигналов извлекают квадратный корень.
7.4.1.14 Диаграммы направленности антенн на макетах ВС измеряют в реальном масштабе по методу, приведенному в 7.4.1.13.
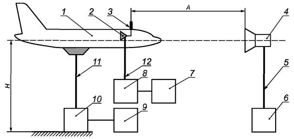
7.4.1.15 Функциональная схема измерения диаграмм направленности антенны, установленной на фрагменте макета ВС, приведена на рисунке 7.3.
1 - фрагмент макета ВС; 2 - детекторная секция; 3 - измеряемая антенна; 4 - облучающая антенна; 5 - фидер питания; 6 - высокочастотный генератор; 7 - регистрирующее устройство (самописец, ПЭМВ + АЦП); 8 - усилитель; 9 - пульт управления; 10 - поворотное устройство; 11 - приемный тракт
Рисунок 7.3
7.4.1.16 Соответствие неравномерности диаграмм направленности антенны в горизонтальной плоскости следует оценивать путем анализа материалов по результатам измерения диаграмм направленности антенны, установленной на модели или фрагменте макета ВС, и расчетов неравномерности в рабочих диапазонах частот. Неравномерность вычисляют как отношение максимального значения напряженности поля по азимуту к его минимальным значениям. В случае использования прибора, проградуированного в децибелах, неравномерность Kдн, дБ, вычисляют по формуле
КДН = Umax - Umin, (19)
где Umax и Umin - соответственно максимальный и минимальный уровни сигнала на выходе бортового АФУ, дБ, полученные в процессе измерений.
На основании результатов измерений в полярных координатах строят нормированную диаграмму направленности измеряемого АФУ (см. приложение В). При этом уровень диаграммы направленности Uдн вычисляют по формуле
где Umax - максимальный уровень сигнала на выходе измеряемого АФУ, дБ, полученный в процессе измерений;
Uj - уровень сигнала на выходе измеряемого АФУ, дБ, при курсовом угле j.
Соответствие считают доказанным, если антенна обеспечивает при установке на конкретном ВС неравномерность диаграмм направленности в горизонтальной плоскости согласно таблице 6.4.
В качестве доказательной документации предъявляют акты (протоколы) по результатам измерений.
7.4.2.1 Соответствие диапазона частот следует оценивать по НД на АФУ. Соответствие считают доказанным, если в НД указан диапазон частот согласно таблице 6.4.
В качестве доказательной документации предъявляют Руководство по эксплуатации на АФУ.
7.4.2.2 Соответствие КСВН на входах (выходах) АФУ следует оценивать непосредственно на ВС. Измерения КСВН АФУ на ВС проводят согласно 7.4.1.6.
Соответствие считают доказанным, если АФУ обеспечивает значения КСВН согласно таблице 6.4.
В качестве доказательной документации предъявляют акты (протоколы) по результатам измерений.
7.5.1.1 Соответствие диапазона частот следует оценивать по НД на АФУ.
Соответствие считают доказанным, если в НД указан диапазон частот согласно таблице 6.5.
В качестве доказательной документации предъявляют НД на АФУ.
7.5.1.2 Соответствие поляризации антенн следует оценивать путем анализа НД на АФУ и КД на установку АФУ на ВС.
Соответствие считают доказанным, если поляризация антенн, указанная в НД, при выбранном их размещении на ВС обеспечивает требуемые поляризационные характеристики.
В качестве доказательной документации предъявляют НД на АФУ и КД на установку АФУ на ВС.
7.5.1.3 Зоны обзора антенн спутниковой радиосвязи при наземных испытаниях следует оценивать путем анализа КД на установку АФУ на ВС и НД на АФУ.
Соответствие считают доказанным в случае, если в НД приведены параметры АФУ согласно таблице 6.5.
7.5.1.4 Соответствие коэффициентов усиления АФУ следует оценивать путем анализа КД на установку АФУ на ВС и НД на АФУ.
Соответствие считают доказанным, если коэффициенты усиления АФУ, указанные в НД, при выбранном размещении их на ВС соответствуют таблице 6.5.
В качестве доказательной документации предъявляют КД на установку АФУ на ВС и НД на АФУ.
Функциональная схема измерений приведена на рисунке 7.1.
Соответствие считают доказанным, если АФУ обеспечивает значения КСВН согласно таблице 6.5.
В качестве доказательной документации предъявляют акты (протоколы) по результатам измерений.
7.5.1.6 Коэффициент эллиптичности антенн радиотехнического оборудования спутниковой радиосвязи оценивают по НД на АФУ и КД на установку АФУ на ВС.
Соответствие считают доказанным, если коэффициент эллиптичности, указанный в НД, соответствует таблице 6.5.
В качестве доказательной документации предъявляют НД и КД на установку АФУ на ВС.
7.5.2.1 Соответствие диапазона частот следует оценивать по НД на АФУ.
Соответствие считают доказанным, если в НД указан диапазон частот согласно таблице 6.5.
В качестве доказательной документации предъявляют НД на АФУ.
7.5.2.2 Соответствие величин КСВН АФУ оценивают по методике согласно 7.5.1.5. Соответствие считают доказанным, если АФУ обеспечивает значения КСВН согласно таблице 6.5.
В качестве доказательной документации предъявляют акты (протоколы) по результатам измерений.
7.5.2.3 Электрические параметры АФУ радиотехнического оборудования спутниковой радиосвязи в условиях серийного производства оценивают непосредственно на ВС путем проверки на функционирование радиотехнического оборудования спутниковой радиосвязи согласно инструкции по его эксплуатации. Соответствие считают доказанным, если обеспечивается функционирование оборудования в соответствии с НД.
В качестве доказательной документации представляют акты, протоколы по результатам проверки.
7.6.1.1 Соответствие диапазона частот следует оценивать по НД на АФУ. Соответствие считают доказанным, если в НД указан диапазон частот согласно таблице 6.6.
В качестве доказательной документации предъявляют Руководство по эксплуатации на АФУ.
7.6.1.2 Соответствие величин КСВН АФУ в рабочих диапазонах частот оценивают путем анализа результатов измерений КСВН в питающем фидере АФУ.
Соответствие считают доказанным, если значения КСВН в рабочих диапазонах частот удовлетворяют параметрам согласно таблице 6.6.
В качестве доказательной документации используют акты, протоколы по измерениям.
7.6.1.3 КСВН измеряют на макетах частей ВС, изготовленных в натуральную величину, или на реальных ВС.
7.6.1.4 Макеты ВС выполняют из материала, проводимость которого должна соответствовать реальной проводимости материала обшивки ВС.
7.6.1.5 Вблизи исследуемой антенны не должно быть посторонних предметов, способных повлиять на результаты измерений.
Функциональная схема измерений приведена на рисунке 7.1.
Соответствие считают доказанным, если АФУ обеспечивает значения КСВН согласно таблице 6.6.
В качестве доказательной документации предъявляют акты (протоколы) по результатам измерений.
7.6.1.7 Диаграммы направленности антенн измеряют на трех частотах (двух крайних и средней).
7.6.1.8 Диаграммы направленности антенн измеряют на макетах ВС или на моделях ВС, изготовленных в уменьшенном масштабе. Измерения диаграмм направленности на моделях ВС выполняют на частотах рабочего диапазона радиостанции, умноженных на масштаб моделирования. Измеряемые антенны должны быть выполнены в масштабе моделирования.
7.6.1.9 Функциональная схема измерения диаграмм направленности антенн при моделировании приведена на рисунке 7.2.
Расстояние А между облучающей антенной и моделью ВС вычисляют по формуле (16).
7.6.1.10 При измерении диаграмм направленности антенн облучающая антенна должна равномерно облучать раскрыв измеряемой антенны. Условия наличия достаточной равномерности облучения измеряемой антенны определяют по формулам (16), (17).
7.6.1.11 Диаграммы направленности антенны, установленной на модели ВС, измеряют в следующем порядке:
- устанавливают модель на поворотное устройство в положение, соответствующее измеряемой плоскости;
- устанавливают облучающую антенну на расстоянии А от модели на высоте Н (высоты расположения облучающей антенны и модели должны быть одинаковыми);
- при измерении диаграмм направленности антенны не допускается попадание на модель сигналов, отраженных от земли и других посторонних предметов, влияющих на характеристики измеряемой антенны;
- поворачивают модель в измеряемой плоскости на 360° и измеряют принимаемые сигналы, поступающие от антенны, установленной на модели, во всех азимутальных направлениях;
- по результатам измерений строят график диаграммы направленности на бланке в полярных координатах (см. приложение В).
Примечание - График диаграммы направленности строят пропорционально напряженности поля как отношение величин сигнала для каждого азимутального направления к максимальной величине сигнала в случае нелинейной характеристики приемного тракта. При квадратичной характеристике приемного тракта из отношения величин сигналов извлекают квадратный корень.
7.6.1.12 Диаграммы направленности антенн на макетах ВС измеряют в реальном масштабе по методике согласно 7.6.1.11.
7.6.1.13 Функциональная схема измерения диаграмм направленности антенны, установленной на фрагменте макета ВС, приведена на рисунке 7.3.
7.6.1.14 Соответствие неравномерности диаграмм направленности антенны в горизонтальной плоскости следует оценивать путем анализа материалов по результатам измерения диаграмм направленности антенны, установленной на модели или фрагменте макета ВС, и расчетов неравномерности в рабочих диапазонах частот.
Неравномерность рассчитывают как отношение максимального значения напряженности поля по азимуту к его минимальным значениям.
В случае использования прибора, проградуированного в децибелах, неравномерность Кдн вычисляют по формуле (19).
На основании результатов измерений в полярных координатах строят нормированную диаграмму направленности измеряемого АФУ (см. приложение В). При этом уровень диаграммы направленности Uдн вычисляют по формуле (20).
Соответствие считают доказанным, если антенна обеспечивает при установке на конкретном ВС неравномерность диаграмм направленности в горизонтальной плоскости согласно таблице 6.6.
В качестве доказательной документации предъявляют акты (протоколы) по результатам измерений.
7.6.2.1 Соответствие диапазона частот следует оценивать по НД на АФУ. Соответствие считают доказанным, если в НД указан диапазон частот согласно таблице 6.6.
В качестве доказательной документации предъявляют Руководство по эксплуатации на АФУ.
7.6.2.2 Соответствие КСВН на входах (выходах) АФУ следует оценивать непосредственно на ВС.
Измерения КСВН АФУ на ВС проводят по 7.6.1.6.
Соответствие считают доказанным, если АФУ обеспечивает значения КСВН согласно таблице 6.6.
В качестве доказательной документации предъявляют акты (протоколы) по результатам измерения.
7.6.2.3 Электрические параметры АФУ аппаратуры зависимого наблюдения в условиях серийного производства оценивают непосредственно на ВС путем проверки на функционирование аппаратуры согласно инструкции по ее эксплуатации. Соответствие считают доказанным, если обеспечивается функционирование аппаратуры согласно НД.
7.7.1.1 Соответствие диапазона частот следует оценивать по НД на АФУ или на оборудование.
Соответствие считают доказанным, если в НД указан диапазон частот согласно таблице 6.7.
В качестве доказательной документации предъявляют Руководство по эксплуатации на АФУ или на оборудование.
7.7.1.2 Соответствие значений КСВН АФУ в рабочих диапазонах частот оценивают путем анализа результатов измерений КСВН в питающем фидере АФУ.
7.7.1.3 КСВН измеряют на макетах частей ВС, изготовленных в натуральную величину, или на реальных ВС.
7.7.1.4 Макеты ВС выполняют из материала, проводимость которого должна соответствовать реальной проводимости материала обшивки ВС.
7.7.1.5 Вблизи исследуемой антенны не должно быть посторонних предметов, способных повлиять на результаты измерений.
Соответствие считают доказанным, если АФУ обеспечивает значения КСВН согласно таблице 6.7.
В качестве доказательной документации предъявляют акты (протоколы) по результатам измерений.
Функциональная схема измерений приведена на рисунке 7.1.
Соответствие считают доказанным, если АФУ обеспечивает величины КСВН согласно таблице 6.7.
В качестве доказательной документации предъявляют акты (протоколы) по результатам измерений.
7.7.1.7 Соответствие поляризации антенн следует оценивать по КД на установку АФУ на ВС и Руководству по эксплуатации на АФУ или на оборудование. Соответствие считают доказанным, если значения поляризации антенн соответствуют указанным в таблице 6.7.
В качестве доказательной документации предъявляют КД на установку АФУ на ВС и Руководство по эксплуатации.
7.7.1.8 Диаграммы направленности антенн измеряют на фиксированных частотах аварийного радиомаяка.
7.7.1.9 Диаграммы направленности антенн измеряют на макетах ВС или на моделях ВС, изготовленных в уменьшенном масштабе. Измерения диаграмм направленности на моделях ВС выполняют на фиксированных частотах аварийного радиомаяка, умноженных на масштаб моделирования. Измеряемые антенны должны быть выполнены в масштабе моделирования.
7.7.1.10 Функциональная схема измерения диаграмм направленности антенн при моделировании приведена на рисунке 7.2.
Расстояние А между облучающей антенной и моделью ВС вычисляют по формуле (16).
7.7.1.11 При измерении диаграмм направленности антенн облучающая антенна должна равномерно облучать раскрыв измеряемой антенны. Условия наличия достаточной равномерности облучения измеряемой антенны определяют по формулам (17), (18).
7.7.1.12 Диаграммы направленности антенны, установленной на модели ВС, измеряют в следующем порядке:
- устанавливают модель на поворотное устройство в положение, соответствующее измеряемой плоскости;
- устанавливают облучающую антенну на расстоянии А от модели на высоте Н (высоты расположения облучающей антенны и модели должны быть одинаковыми);
- при измерении диаграмм направленности антенны не допускается попадание на модель сигналов, отраженных от земли и других посторонних предметов, влияющих на характеристики измеряемой антенны;
- поворачивают модель в измеряемой плоскости на 360° и измеряют принимаемые сигналы, поступающие от антенны, установленной на модели, во всех азимутальных направлениях;
- по результатам измерений строят график диаграммы направленности на бланке в полярных координатах.
Примечание - График диаграммы направленности строят пропорционально напряженности поля как отношение значений сигнала для каждого азимутального направления к максимальному значению сигнала в случае нелинейной характеристики приемного тракта. При квадратичной характеристике приемного тракта из отношения значений сигналов извлекают квадратный корень.
7.7.1.13 Диаграммы направленности антенн на макетах ВС измеряют в реальном масштабе в рабочем диапазоне частот по 7.7.1.12.
Функциональная схема измерения диаграмм направленности антенны, установленной на фрагменте макета ВС, приведена на рисунке 7.3.
7.7.1.14 Соответствие неравномерности диаграмм направленности антенны в горизонтальной плоскости следует оценивать путем анализа материалов по результатам измерения диаграмм направленности антенны, установленной на модели или фрагменте макета ВС, и расчетов неравномерности в рабочих диапазонах частот. Неравномерность вычисляют как отношение максимального значения напряженности поля по азимуту к его минимальным значениям. В случае использования прибора, проградуированного в децибелах, неравномерность Кдн вычисляют по формуле (19).
На основании результатов измерений в полярных координатах строят нормированную диаграмму направленности измеряемого АФУ (см. приложение В). При этом уровень диаграммы направленности Uдн вычисляют по формуле (20).
Соответствие считают доказанным, если антенна обеспечивает при установке на конкретном ВС неравномерность диаграмм направленности в горизонтальной плоскости согласно таблице 6.7.
В качестве доказательной документации предъявляют акты (протоколы) по результатам измерений.
7.7.2.1 Соответствие частот следует оценивать по НД на АФУ или на оборудование. Соответствие считают доказанным, если в НД указан диапазон частот согласно таблице 6.7.
В качестве доказательной документации предъявляют Руководство по эксплуатации на АФУ или оборудование.
7.7.2.2 Соответствие КСВН АФУ следует оценивать непосредственно на ВС.
Измерения КСВН АФУ на ВС проводят по 7.7.1.6.
Соответствие считают доказанным, если АФУ обеспечивает значения КСВН согласно таблице 6.7.
В качестве доказательной документации предъявляют акты (протоколы) по результатам измерений.
7.7.2.3 Электрические параметры АФУ аварийного радиомаяка в условиях серийного производства оценивают непосредственно на ВС путем проверки на функционирование аварийного радиомаяка согласно инструкции по его эксплуатации. Соответствие считают доказанным, если обеспечивается функционирование аварийного радиомаяка согласно НД.
7.8.1.1 Соответствие диапазона частот следует оценивать по НД на АФУ.
Соответствие считают доказанным, если в НД указан диапазон частот согласно таблице 6.8.
В качестве доказательной документации предъявляют НД на АФУ.
7.8.1.2 Соответствие КСВН АФУ следует оценивать путем измерения КСВН на выходе АФУ не менее чем на трех частотах (крайних и средней) рабочего диапазона и не менее чем через каждые 2 МГц. Измерения проводят с помощью измерителя комплексных коэффициентов передачи или с помощью других приборов, предназначенных для измерений КСВН в требуемом диапазоне частот, по методикам, изложенным в их инструкциях. Функциональная схема измерений приведена на рисунке 7.1.
Соответствие считают доказанным, если полученные значения КСВН удовлетворяют параметрам таблицы 6.8.
В качестве доказательной документации предъявляют акт, протоколы по измерениям.
7.8.1.3 Диаграммы направленности антенн измеряют в диапазоне частот навигационного канала. Диаграммы направленности антенн измеряют на фрагментах макетов или моделях ВС, изготовленных в уменьшенном масштабе. При этом измерения диаграмм направленности антенн, установленных на моделях ВС, выполняют на частотах рабочего диапазона, умноженных на масштаб моделирования. Измеряемые антенны должны быть выполнены в масштабе моделирования.
7.8.1.4 Функциональная схема измерения диаграмм направленности антенн, установленных на модели ВС, приведена на рисунке 7.2.
7.8.1.5 Расстояние А между облучающей антенной и моделью ВС вычисляют по формуле (16).
Примечание - Формула (16) определяет расстояние А для измерений при отсутствии отражений электромагнитных волн от местных предметов (в том числе от земли).
7.8.1.6 При измерении диаграмм направленности облучающая антенна должна равномерно облучать раскрыв измеряемой антенны. Условия наличия достаточной равномерности облучения измеряемой антенны определяют по формулам (17), (18).
7.8.1.7 Диаграммы направленности антенн, установленных на моделях ВС, измеряют в следующем порядке:
- устанавливают модель на поворотное устройство в положение, соответствующее измеряемой плоскости;
- устанавливают облучающую антенну на расстоянии А от модели на высоте h (высоты расположения антенны и модели должны быть одинаковыми);
- при измерении диаграмм направленности не допускается попадание на модель сигналов, отраженных от земли и других посторонних предметов, влияющих на характеристики антенн;
- вращают модель в измеряемой плоскости на 360° и измеряют принимаемые сигналы, поступающие от антенны, во всех азимутальных направлениях;
- по результатам измерений строят график диаграммы направленности на бланке в полярных координатах (см. приложение В).
Примечание - Для измерений ДН могут быть использованы другие методы, не ухудшающие точность измерений и аттестованные в соответствии с действующими Положениями.
7.8.1.8 Измерения диаграмм направленности антенн, установленных на фрагментах макетов ВС, проводят на частотах рабочего диапазона по методу, приведенному в 7.8.1.7.
Примечание - График диаграммы направленности строят как отношение измеренного сигнала U для каждого азимутального направления к максимальному измеренному сигналу Umax в случае линейной характеристики приемного тракта, а при квадратичной характеристике приемного тракта из отношения значений сигналов извлекают квадратный корень.
Соответствие считают доказанным, если диаграммы направленности удовлетворяют нормам согласно таблице 6.8.
В качестве доказательной документации предъявляют акт, протоколы по измерениям.
7.8.1.9 Измерения диаграмм направленности АФУ навигационного канала в летных условиях проводят по следующей методике:
- диаграммы направленности определяют путем регистрации принимаемого сигнала при выполнении ВС левых и правых разворотов на 360° с креном не более 10° в зоне действия наземного радиомаяка;
- диаграммы направленности навигационного АФУ определяют не менее чем на трех частотах диапазона, близких к двум крайним и средней частотам.
Примечания
1 При наличии диаграмм направленности, полученных на модели или макете, измерение диаграммы направленности на ВС может выполняться как минимум на одной частоте при условии сходимости результатов моделирования и измерений.
2 Если измеряемая антенна установлена под носовым диэлектрическим обтекателем вблизи от подвижной антенны метеонавигационного радиолокатора, то при измерениях диаграмм направленности антенна радиолокатора должна быть зафиксирована в среднем положении.
Соответствие считают доказанным, если диаграммы направленности удовлетворяют нормам согласно таблице 6.8.
В качестве доказательной документации предъявляют акт, протоколы по измерениям.
7.8.1.10 Соответствие неравномерности диаграмм направленности антенны в горизонтальной плоскости следует оценивать путем анализа материалов по результатам измерения диаграмм направленности антенны, установленной на модели или фрагменте макета ВС, и расчетов неравномерности в рабочих диапазонах частот. Неравномерность вычисляют как отношение максимального измеренного сигнала Umax к минимальному измеренному сигналу Umin в требуемом секторе азимутальных углов. В случае использования прибора, проградуированного в децибелах, неравномерность Кдн вычисляют по формуле (19).
На основании результатов измерений в полярных координатах строят нормированную диаграмму направленности измеряемого АФУ. При этом уровень диаграммы направленности Uдн вычисляют по формуле (20).
Соответствие считают доказанным, если антенна обеспечивает при установке на конкретном ВС значения неравномерности диаграмм направленности в горизонтальной плоскости согласно таблице 6.8.
В качестве доказательной документации предъявляют акты (протоколы) по результатам измерений.
7.8.1.11 Соответствие коэффициента усиления навигационного АФУ проводят при установке антенны на фрагментах макетов ВС или непосредственно на ВС в наземных и летных условиях.
7.8.1.12 Измерения коэффициентов усиления АФУ в наземных условиях проводят как минимум на трех частотах рабочего диапазона. При измерениях КУ используют метод сравнения, заключающийся в том, что уровень сигнала, принимаемый измеряемой антенной, установленной на фрагментах макетов ВС, от облучающей антенны сравнивается с уровнем сигнала, принимаемым эталонной (измерительной) антенной от той же облучающей антенны. Схема измерения КУ представлена на рисунке 7.4.
1 - облучающая антенна; 2 - фрагмент макета ВС; 3 - измеряемая антенна; 4 - эталонная (измерительная) антенна; 5 - фидер питания; 6 - измерительный приемник; 7 - генератор высокой частоты; 8 - соединитель тракта приема; 9 - высокочастотный кабель
Рисунок 7.4
Расстояние между эталонной (измерительной) антенной и облучающей антенной должно быть не менее 60 м. Такое же расстояние должно быть между облучающей антенной и измеряемой антенной, установленной на макете.
Облучающая и эталонная антенны должны находиться на той же высоте h, что и измеряемая антенна.
Для определения уровня сигнала на выходе измеряемой антенны используют селективный микровольтметр или аналогичный измерительный прибор.
Порядок измерения КУ сводится к тому, что облучающую антенну направляют на эталонную антенну так, чтобы их максимумы диаграмм направленности были направлены друг на друга. На приемном устройстве фиксируют показания А1, и затем облучающую антенну направляют максимумом диаграммы направленности на измеряемую антенну, отключают кабель от эталонной антенны и подключают к входу измеряемой антенны и, не изменяя мощности генератора, фиксируют на приемном устройстве показание А2.
Коэффициент усиления измеряемой антенны GA, дБ, вычисляют по формуле
GA = A2 - A1, (21)
где А2 - уровень сигнала на выходе измеряемого АФУ, дБ;
А1 - уровень сигнала на выходе эталонной антенны, дБ.
Соответствие считают доказанным, если полученные значения КУ удовлетворяют параметрам согласно таблице 6.8.
В качестве доказательной документации предъявляют акты (протоколы) по измерениям.
7.8.1.13 Коэффициент усиления АФУ навигационного канала в летных условиях проводят на ВС с помощью компараторного пункта либо по наземным радиомаякам. Наземный компараторный пункт выполняют на базе доработанных радиостанций, рабочий диапазон которых должен включать частоты 108 - 118 МГц и наземных эталонных антенн.
В качестве наземных эталонных антенн используют двухполяризационные антенны типа «волновой канал» с известными коэффициентами усиления в рабочих диапазонах частот.
Компараторный пункт может быть выполнен также на базе штатных приемников аппаратуры ближней навигации и посадки метрового диапазона, но при этом чувствительность приемников должна быть минимальной.
7.8.1.14 Коэффициент усиления измеряемого АФУ с помощью компараторного пункта определяют в следующем порядке:
- измеряемую антенну отсоединяют от штатной аппаратуры и подключают к радиостанции;
- измеряют мощность, подводимую к измеряемой антенне;
- калибруют измерительный приемник наземного компараторного пункта с помощью генератора стандартных сигналов;
- ВС с измеряемой антенной выполняет горизонтальные проходы на тех же высотах и удалениях, на которых производилась калибровка компараторного пункта, в направлениях «от» и «на» компараторный пункт;
- с борта ВС излучают высокочастотный сигнал с помощью измеряемого бортового АФУ при известной подводимой мощности;
- излучаемый сигнал в микровольтах оценивают на входе измерительного приемника компараторного пункта;
- сравнивают полученную зависимость с калибровочной Uвх.эт = f (D), и коэффициент усиления измеряемого АФУ в главном направлении GA, дБ, вычисляют по формуле
где Gэт - коэффициент усиления эталонного АФУ;
РА и Рэт - мощности, подводимые к измеряемому и эталонному АФУ соответственно, Вт;
Uвх.А и Uвх.эт - сигналы на входе измерительного приемника, создаваемые измеряемым и эталонным АФУ соответственно, В.
Соответствие считают доказанным, если полученные значения КУ удовлетворяют параметрам согласно таблице 6.8.
В качестве доказательной документации предъявляют акты (протоколы) по измерениям.
7.8.1.15 Определение коэффициента усиления АФУ навигационного канала по наземным радиомаякам системы VOR проводят в полетах на высотах, близких к 75 % дальности прямой видимости.
Коэффициент усиления АФУ навигационного канала оценивают при выполнении горизонтальных проходов «на» радиомаяк в интервалах удалений от 100 % до 60 % дальности прямой видимости, на которых должны фиксироваться уровни сигналов на выходе измеряемого АФУ. Дальность прямой видимости Dпр, км, вычисляют по формуле
где Н - высота полета, м.
Значение
коэффициента усиления по направлению полета «на» маяк
, дБ, вычисляют по
формуле
где Gизм - коэффициент усиления измерительного АФУ по сравнению с полуволновым вибратором, дБ;
Uборт - уровень сигнала на выходе бортового АФУ, дБ;
Uизм - уровень сигнала на выходе измерительного АФУ, дБ.
Коэффициент
усиления в направлении, противоположном направлению полета «от» маяка
, вычисляют
по формуле
где
- уровень
диаграммы направленности в направлении, противоположном направлению полета,
относительные единицы;
- уровень
диаграммы направленности по направлению полета, относительные единицы.
Полученные входные сигналы должны быть не менее требуемой чувствительности соответствующих приемников для данного типа аппаратуры.
При выполнении полета по маякам на борту ВС должна быть установлена контрольно-записывающая аппаратура, позволяющая регистрировать сигналы на входе приемника и параметры положения самолета.
Измерения проводят на трех частотах рабочего диапазона (двух крайних и средней).
Для АФУ, имеющего два или три выхода, измерение коэффициента усиления следует проводить как при подключении к свободным выходам согласованных нагрузок, так и при комбинации нагрузок, для которых получено максимальное значение КСВН по 7.8.1.2.
Соответствие считают доказанным, если измеренные значения коэффициента усиления АФУ соответствуют таблице 6.8.
В качестве доказательной документации предъявляют акты (протоколы) по измерениям.
7.8.1.16 Соответствие поляризации следует оценивать по НД на АФУ или аппаратуру и по КД на установку антенны на ВС.
Соответствие считают доказанным, если в НД и в КД подтверждается требование по поляризации согласно таблице 6.8.
В качестве доказательной документации предъявляют НД на антенну или аппаратуру и КД для установки антенны на ВС.
7.8.1.17 Соответствие ослабления вертикальной составляющей поля антенны по отношению к горизонтальной составляющей проводят сравнением уровней сигналов, принимаемых измеряемой антенной при горизонтальной и вертикальной поляризациях облучающей антенны (см. рисунок 7.4).
Влияние земли учитывается коэффициентом земли, который определяется сравнением уровней сигналов Uз.вер и Uз.гор на выходе эталонной антенны и облучающей антенны, соответственно при вертикальной и горизонтальной поляризациях обеих антенн.
Для учета влияния земли на результат измерений должно быть выполнено сравнение уровней сигналов, принимаемых эталонной антенной линейной поляризации при ее облучении облучающей антенной, когда обе антенны последовательно устанавливаются сначала в положение, соответствующее горизонтальной поляризации, а затем - вертикальной.
Необходимо, чтобы облучающая антенна устанавливалась на той же высоте, что и измеряемая антенна, установленная на макете фрагмента ВС, расстояние между ними должно быть не менее 60 м.
Значения ослабления вертикальной составляющей поля Косл, дБ, используемые при измерениях селективным микровольтметром или аналогичным прибором, вычисляют по формуле
Косл = UA.гор - UA.вер + (Uз.вер - Uз.гор), (26)
где UA.гор - уровень сигнала на измеряемой антенне при установке облучающей антенны в положение, соответствующее горизонтальной поляризации, дБ;
UA.вер - уровень сигнала на выходе измеряемой антенне при установке облучающей антенны в положение, соответствующее вертикальной поляризации, дБ;
Uз.вер - Uз.гор - разница уровней сигналов, учитывающая влияние земли, дБ.
Соответствие считают доказанным, если полученные значения ослабления вертикальной составляющей в направлении продольной оси ВС соответствуют таблице 6.8.
В качестве доказательной документации предъявляют акт (протокол) по измерениям.
7.8.2.1 Соответствие диапазона частот следует оценивать по НД на АФУ.
Соответствие считают доказанным, если в НД указан диапазон частот согласно таблице 6.8.
В качестве доказательной документации предъявляют НД на АФУ.
7.8.2.2 Соответствие КСВН следует оценивать путем измерения КСВН на выходе АФУ не менее чем на трех частотах (крайних и средней) рабочего диапазона и не менее чем через каждые 2 МГц. Измерения проводят с помощью измерителя комплексных коэффициентов передачи или аналогичными приборами, работающими в требуемом диапазоне частот, по методикам, изложенным в инструкциях по эксплуатации на соответствующие приборы.
Функциональная схема измерений приведена на рисунке 7.1.
Соответствие считают доказанным, если полученные значения КСВН удовлетворяют параметрам согласно таблице 6.8.
В качестве доказательной документации предъявляют акт (протоколы по испытаниям).
7.9.1.1 Соответствие диапазона частот следует оценивать по НД на АФУ.
Соответствие считают доказанным, если в НД указан диапазон частот согласно таблице 6.9.
В качестве доказательной документации предъявляют НД на АФУ.
7.9.1.2 Соответствие поляризации следует оценивать по КД на установку АФУ на ВС. Соответствие считают доказанным, если в НД и КД подтверждается требование по поляризации согласно таблице 6.9.
В качестве доказательной документации предъявляют Руководство по эксплуатации и КД на установку АФУ на ВС.
7.9.1.3 Соответствие КСВН следует оценивать путем измерения КСВН на выходе антенны на рабочих частотах при установке антенны на металлический противовес размером 1×1 м или на фрагментах макетов ВС.
Измерения проводят с помощью измерителя комплексных коэффициентов передачи или аналогичными приборами, работающими в требуемом диапазоне частот, по методикам, изложенным в инструкциях по эксплуатации на соответствующие приборы. Функциональная схема измерений приведена на рисунке 7.1.
Соответствие считают доказанным, если полученные значения КСВН удовлетворяют параметрам, приведенным в таблице 6.9.
В качестве доказательной документации предъявляют акт, протоколы по измерениям.
7.9.1.4 Соответствие размещения антенны следует оценивать по КД на установку АФУ на ВС. Антенну рекомендуется устанавливать в нижней части ВС.
Соответствие считают доказанным, если выполняются требования таблицы 6.9.
В качестве доказательной документации предъявляют НД и КД на установку АФУ на ВС.
7.9.2.1 Соответствие диапазона частот следует оценивать по НД на АФУ.
Соответствие считают доказанным, если в НД указан диапазон частот согласно таблице 6.9.
7.9.2.2 Соответствие поляризации следует оценивать по КД на установку АФУ на ВС. Соответствие считают доказанным, если в НД и КД подтверждается требование по поляризации согласно таблице 6.9.
В качестве доказательной документации предъявляют Руководство по эксплуатации и КД на установку АФУ на ВС.
7.10.1.1 Соответствие диапазона частот следует оценивать по НД на АФУ.
Соответствие считают доказанным, если в НД указан диапазон частот согласно таблице 6.10.
В качестве доказательной документации представляют НД на АФУ.
Примечание - Для АФУ, имеющего два или три выхода, КСВН следует измерять при следующих режимах свободных выходов:
- согласованной нагрузке;
- холостом ходе;
- коротком замыкании и их комбинациях.
Функциональная схема измерений приведена на рисунке 7.1.
Соответствие считают доказанным, если полученные значения КСВН соответствуют таблице 6.10.
В качестве доказательной документации предъявляют акт (протокол) по измерениям.
7.10.1.3 Соответствие коэффициента усиления курсового АФУ следует оценивать в наземных и летных условиях.
7.10.1.4 Соответствие коэффициента усиления курсового АФУ в наземных условиях проводят при установке антенны на фрагментах макетов ВС или непосредственно на ВС.
КУ антенн, установленных на фрагментах макетов ВС или на ВС, следует измерять на открытой площадке размером не менее 60×60 м. На площадке и в радиусе 10 м от антенн не должно быть предметов, отражающих электромагнитные волны.
Измеряемая, эталонная (измерительная) и облучающая антенны должны быть расположены на одной высоте от поверхности земли h - не менее 1,5 м. Расстояние между эталонной антенной и облучающей антенной должно быть не менее 60 м. Такое же расстояние должно быть между облучающей антенной и измеряемой антенной, установленной на макете или на ВС.
7.10.1.5 Измерения КУ АФУ про водят на крайних и средней частотах рабочего диапазона. При измерениях КУ используют метод сравнения, заключающийся в том, что уровень сигнала, принимаемый измеряемой антенной, установленной на фрагментах макетов ВС или на ВС, от облучающей антенны сравнивают с уровнем сигнала, принимаемым эталонной антенной от той же облучающей антенны. Схема измерения КУ представлена на рисунке 7.4.
Для определения уровня сигнала на выходе АФУ используют селективный микровольтметр или аналогичный измерительный прибор.
Порядок измерения КУ сводится к тому, что облучающую антенну направляют на эталонную антенну так, чтобы их максимумы диаграмм направленности были направлены друг на друга.
На приемном устройстве фиксируют показания А1, а затем облучающую антенну направляют максимумом диаграммы направленности на измеряемую антенну, отключают кабель от эталонной антенны и подключают к входу измеряемой антенны и, не изменяя мощности генератора, фиксируют на приемном устройстве показание А2.
Коэффициент усиления измеряемой антенны GA вычисляют по формуле (21).
В качестве измерительной антенны используют полуволновый вибратор.
Измерения проводят на трех частотах рабочего диапазона (двух крайних и средней).
Для АФУ, имеющего два или три выхода, измерение коэффициента усиления следует проводить как при подключении к свободным выходам согласованных нагрузок, так и при комбинации нагрузок, для которых получено максимальное значение КСВН согласно 7.10.1.2.
7.10.1.6 Соответствие считают доказанным, если измеренные значения коэффициента усиления АФУ соответствуют таблице 6.10.
В качестве доказательной документации предъявляют акты (протоколы).
7.10.1.7 Коэффициент усиления курсовых антенн в летных условиях определяют на ВС с помощью компараторного пункта либо по наземным радиомаякам.
Наземный компараторный пункт выполняют на базе доработанных радиостанций, рабочий диапазон которых должен включать частоты 108 - 112 МГц и наземных измерительных антенн.
В качестве наземных измерительных антенн в каждом диапазоне используют двухполяризационные антенны типа «волновой канал» с известными коэффициентами усиления в рабочих диапазонах частот.
Компараторный пункт может быть выполнен также на базе штатных приемников аппаратуры ближней навигации и посадки метрового диапазона, но при этом чувствительность приемников должна быть минимальной.
7.10.1.8 Коэффициент усиления измеряемого АФУ определяют с помощью компараторного пункта в следующем порядке:
- калибруют измерительный приемник наземного компараторного пункта с помощью генератора стандартных сигналов;
- отсоединяют измеряемую антенну от штатной аппаратуры и подключают к радиостанции;
- измеряют мощность, подводимую к измеряемой антенне;
- ВС с измеряемой антенной выполняет горизонтальные проходы на тех же высотах и удалениях, на которых производилась калибровка компараторного пункта, в направлении «на» компараторный пункт;
- с борта ВС излучают высокочастотный сигнал с помощью измеряемого бортового АФУ при известной подводимой мощности;
- оценивают излучаемый сигнал в микровольтах на входе измерительного приемника компараторного пункта;
- сравнивают полученную зависимость с калибровочной Uвх.эт = f (D) и вычисляют коэффициент усиления измеряемого АФУ в главном направлении GA по формуле (22).
Соответствие считают доказанным, если измеренные значения коэффициента усиления АФУ соответствуют таблице 6.10.
В качестве доказательной документации предъявляют акты (протоколы) по измерениям.
7.10.1.9 Определение коэффициента усиления курсовых АФУ по наземным радиомаякам систем посадки внутри СНГ (типа СП, ILS) проводят в полетах на высотах 1000 и 600 м - для курсовых АФУ систем СП и ILS соответственно.
Усиления курсовых АФУ в направлении вперед следует оценивать при выполнении горизонтальных проходов «на» маяк, в которых должны фиксироваться сигналы в микровольтах на входе соответствующих приемников при одиночном комплекте аппаратуры на удалениях 75 и 45 км для курсовых АФУ систем СП и ILS соответственно.
Полученные входные сигналы должны быть не менее требуемой чувствительности соответствующих приемников для данного типа аппаратуры. Для оценки усиления курсового АФУ в требуемых зонах действия в переднем секторе ± 90° измеряют диаграммы направленности. С этой целью необходимо выполнять виражи с креном 10° на высоте 1000 - 8000 м для курсового АФУ и на удалениях, составляющих 75 % дальности прямой видимости. При этом следует фиксировать сигнал на входе приемника через 10° и в экстремальных точках. Диаграммы направленности следует строить с учетом коэффициента зоны и проверять на соответствие нормам. По соотношению сигналов в главном направлении, полученных при выполнении виража и в полетах «на» маяк, необходимо определить входные сигналы в микровольтах в опасных направлениях требуемых зон действия, которые должны быть не менее требуемой чувствительности приемника для аппаратуры данного типа.
По полученным значениям сигналов необходимо построить диаграммы направленности и проверить их на соответствие нормам. При выполнении полета по маякам на борту ВС должна быть установлена контрольно-записывающая аппаратура, позволяющая регистрировать сигналы на входе приемника и параметры положения самолета.
Измерения следует проводить на трех частотах рабочего диапазона (двух крайних и средней). Для АФУ, имеющего два или три выхода, измерение коэффициента усиления следует проводить как при подключении к свободным выходам согласованных нагрузок, так и при комбинации нагрузок, для которых получено максимальное значение КСВН согласно 7.10.1.2.
Соответствие считают доказанным, если измеренные значения коэффициента усиления АФУ соответствуют таблице 6.10.
В качестве доказательной документации предъявляют акты (протоколы) по измерениям.
7.10.1.10 Соответствие неравномерности распределения горизонтальной составляющей поля курсового АФУ оценивают в наземных и летных условиях.
7.10.1.11 Неравномерность диаграмм направленности антенны в наземных условиях следует оценивать по результатам измерения диаграмм направленности антенны, установленной на фрагментах макетов ВС, масштабной модели или на ВС. При этом измерения диаграмм направленности антенн, установленных на моделях ВС, выполняют на частотах рабочего диапазона, умноженных на масштаб моделирования. Измеряемые антенны должны быть выполнены в масштабе моделирования.
7.10.1.12 Функциональная схема измерения диаграмм направленности антенн, установленных на модели ВС, приведена на рисунке 7.2.
7.10.1.13 Расстояние А между облучающей антенной и моделью ВС вычисляют по формуле (16).
Примечание - Формула (16) определяет расстояние А для измерений при отсутствии отражений электромагнитных волн от местных предметов (в том числе от земли).
При измерении диаграмм направленности передающая антенна должна равномерно облучать раскрыв измеряемой антенны.
- устанавливают модель на поворотное устройство в положение, соответствующее измеряемой плоскости;
- устанавливают облучающую антенну на расстоянии А от модели на высоте h (высоты расположения антенны и модели должны быть одинаковыми);
- при измерении диаграмм направленности не допускается попадание на измеряемую антенну сигналов, отраженных от земли и других посторонних предметов;
- вращают модель в измеряемой плоскости на 360° и фиксируют значения принимаемых сигналов, поступающих от антенны, во всех азимутальных направлениях.
По результатам измерений строят график диаграммы направленности на бланке в полярных координатах (см. приложение В).
Примечание - График диаграммы направленности строят как отношение величины измеренного сигнала U для каждого азимутального направления к максимальной величине измеренного сигнала Umax в случае линейной характеристики приемного тракта, а при квадратичной характеристике приемного тракта из отношения величин сигналов извлекают квадратный корень.
Неравномерность диаграмм направленности рассчитывают как отношение максимального значения напряженности поля по азимуту к его минимальным значениям.
7.10.1.15 Диаграммы направленности антенн, установленных на фрагментах макетов ВС, измеряют по методу согласно 7.10.1.14 в рабочем диапазоне частот.
7.10.1.16 Функциональная схема измерения диаграмм направленности антенны, установленной на фрагменте макета ВС, приведена на рисунке 7.3.
Неравномерность вычисляют как отношение максимального измеренного сигнала Umax к минимальному измеренному сигналу Umin в требуемом секторе азимутальных углов. В случае использования прибора, проградуированного в децибелах, неравномерность Кдн, дБ, вычисляют по формуле
Кдн = Umax - Umin, (27)
На основании результатов измерений в полярных координатах строят нормированную диаграмму направленности измеряемого АФУ. При этом уровень диаграммы направленности Uдн вычисляют по формуле (20).
7.10.1.17 Соответствие значений неравномерности диаграмм направленности антенн в горизонтальной плоскости следует оценивать путем анализа материалов по результатам измерения диаграмм направленности антенн, установленных на фрагментах макетов ВС, масштабных моделях и на ВС.
Соответствие считают доказанным, если антенна обеспечивает при установке на конкретном ВС неравномерность диаграмм направленности в горизонтальной плоскости согласно таблице 6.10.
В качестве доказательной документации предъявляют акты (протоколы) по результатам измерений.
7.10.1.18 Соответствие неравномерности распределения горизонтальной составляющей поля при летных испытаниях оценивают путем определения диаграмм направленности АФУ в горизонтальной плоскости.
Диаграммы направленности должны быть определены на трех частотах диапазона, близких к двум крайним и средней.
Диаграммы направленности определяют путем регистрации принимаемого или излучаемого АФУ сигнала при выполнении ВС виражей с креном не более 10° в зоне действия наземного маяка или компараторного пункта, аттестованного в установленном порядке. В качестве центра разворота выбирают точку, в которой уровень регистрируемого сигнала превышает начальное значение на выходе АФУ на 20 дБ. При наличии диаграмм направленности, полученных в наземных условиях (на модели, макете) на трех частотах диапазона, диаграммы направленности в летных условиях должны определяться как минимум на одной частоте и подтверждаться оценкой совпадения с результатами наземных испытаний.
Примечание - Диаграммы направленности курсового АФУ радиотехнического оборудования посадки следует определять при посадочной конфигурации ВС.
Соответствие считают доказанным, если полученные значения неравномерности диаграмм направленности в горизонтальной плоскости в переднем секторе ± 90° соответствуют таблице 6.10.
В качестве доказательной документации предъявляют разделы актов (отчетов) по наземным и летным испытаниям.
7.10.1.19 Соответствие поляризации следует оценивать по КД на установку АФУ на ВС. Соответствие считают доказанным, если в НД и КД подтверждается требование по поляризации согласно таблице 6.10.
В качестве доказательной документации предъявляют НД и КД на установку АФУ на ВС.
7.10.1.20 Соответствие ослабления вертикальной составляющей поля АФУ следует оценивать в наземных и летных условиях.
7.10.1.21 Соответствие ослабления вертикальной составляющей поля курсового АФУ в наземных условиях следует оценивать путем сравнения уровней сигналов, принимаемых измеряемой антенной, размещенной на фрагменте макета ВС или непосредственно на ВС в направлении полета от линейно-поляризованной антенны, расположенной на той же высоте, что и измеряемая антенна, и удаленной от нее не менее чем на 60 м, при установке эталонной антенны в положения, удовлетворяющие горизонтальной и вертикальной поляризациям.
Влияние земли учитывается коэффициентом земли, который определяют сравнением уровней сигналов Uз.вер и Uз.гор на выходе эталонной антенны, облучаемой облучающей антенной, соответственно при вертикальной и горизонтальной поляризациях обеих антенн.
Для учета влияния земли на результат измерений должно быть выполнено сравнение уровней сигналов, принимаемых эталонной антенной линейной поляризации при ее облучении облучающей антенной, когда обе антенны последовательно устанавливаются сначала в положение, соответствующее горизонтальной поляризации, а затем - вертикальной.
Значения ослабления вертикальной составляющей поля Косп вычисляют по формуле (26).
7.10.1.22 Соответствие ослабления вертикальной составляющей поля по отношению к горизонтальной составляющей поля в летных условиях следует оценивать путем сравнения уровней горизонтальной и вертикальной составляющих поля, принятых измерительными антеннами компараторного пункта при выполнении самолетом на высоте не менее 3000 м горизонтальных проходов «на» компараторный пункт в интервале 60 % - 100 % дальности прямой видимости при работе бортового АФУ в передающем режиме.
Для АФУ, имеющих два или три выхода, ослабление вертикальной составляющей поля следует измерять как при подключении к свободным выходам согласованных нагрузок, так и при комбинации нагрузок, для которых получено максимальное значение КСВН по 7.10.1.2.
Соответствие считают доказанным, если полученные значения ослабления вертикальной составляющей поля АФУ по отношению к горизонтальной составляющей поля в направлении вперед вдоль продольной оси самолета удовлетворяют таблице 6.10.
В качестве доказательной документации предъявляют акт по наземным или летным испытаниям.
Соответствие необходимо проводить в следующем порядке:
- собирают измерительную схему в соответствии с рисунком 7.5а;
- подготавливают измерительные приборы к работе согласно их инструкциям по эксплуатации;
- настраивают микровольтметр на частоту генератора;
- определяют микровольтметром уровень сигнала А1;
- размыкают измерительную схему в точках а-а;
- подключают в точки а-а выходы измеряемого АФУ (антенны) согласно рисунку 7.5б;
- определяют микровольтметром уровень сигнала А2;
- вычисляют значение развязки Кр между выходами АФУ (антенны) по формуле
Кр = А1 - А2. (27)
Соответствие считают доказанным, если полученное значение развязки между выходами АФУ соответствует таблице 6.10.
В качестве доказательной документации предъявляют акты по измерениям.
1 - генератор высокочастотных
сигналов (встроенный генератор селективного микровольтметра);
2 - соединитель тракта приема-передачи; 3 - приемное устройство с
индикатором; 4 - выходы измеряемого АФУ
Рисунок 7.5
7.10.2.1 Соответствие диапазона частот следует оценивать по НД на АФУ.
Соответствие считают доказанным, если в НД указан диапазон частот согласно таблице 6.10.
В качестве доказательной документации представляют Руководство по эксплуатации на АФУ.
7.10.2.2 Соответствие КСВН на выходе АФУ следует оценивать непосредственно на ВС согласно 7.10.1.2.
Соответствие считают доказанным, если полученные значения КСВН соответствуют таблице 6.10.
В качестве доказательной документации предъявляют акт (протокол) по измерениям.
7.10.2.3 Соответствие развязки между выходами АФУ (при наличии двух выходов) следует оценивать согласно 7.10.1.23.
Соответствие считают доказанным, если полученное значение развязки между выходами АФУ удовлетворяют параметрам согласно таблице 6.10.
В качестве доказательной документации предъявляют акты по измерениям.
7.11.1.1 Соответствие диапазона частот следует оценивать по НД на АФУ глиссадного канала. Соответствие считают доказанным, если в НД указан диапазон частот согласно таблице 6.11.
В качестве доказательной документации предъявляют Руководство по эксплуатации на АФУ глиссадного канала.
Функциональная схема измерений приведена на рисунке 7.1.
Для АФУ, имеющей два или три выхода, КСВН следует измерять при следующих режимах свободных выходов:
- согласованной нагрузке;
- холостом ходе;
- коротком замыкании и их комбинациях.
Соответствие считают доказанным, если полученные значения КСВН удовлетворяют таблице 6.11.
В качестве доказательной документации предъявляют Руководство по эксплуатации на АФУ.
7.11.1.3 Соответствие коэффициента усиления АФУ следует оценивать в наземных и летных условиях.
7.11.1.4. Соответствие коэффициента усиления глиссадного АФУ в наземных условиях проводят при установке антенны на фрагментах макетов ВС или непосредственно на ВС.
КУ АФУ, установленного на фрагментах макетов ВС или непосредственно на ВС, следует измерять на открытой площадке размером не менее 30×30 м. На площадке и в радиусе 10 м от антенн не должно быть предметов, отражающих электромагнитные волны. Измеряемая, эталонная и облучающая антенны должны быть расположены на одной высоте h от поверхности земли, равной не менее 1,5 м. Расстояние между эталонной антенной и облучающей антенной должно быть не менее 30 м. Такое же расстояние должно быть между облучающей антенной и измеряемой антенной, установленной на макете или на ВС.
7.11.1.5 Измерения КУ АФУ проводят на крайних и средней частотах рабочего диапазона. При измерениях КУ используют метод сравнения, заключающийся в том, что уровень сигнала, принимаемый измеряемой антенной, установленной на фрагментах макетов ВС или на ВС от облучающей антенны, сравнивают с уровнем сигнала, принимаемым эталонной антенной от той же облучающей антенны. Схема измерения КУ представлена на рисунке 7.6.
1 - облучающая антенна; 2 - фрагмент макета ВС; 3 - измеряемая антенна; 4 - эталонная (измерительная антенна); 5 - фидер питания; 6 - измерительный приемник; 7 - генератор высокой частоты; 8 - соединитель тракта приема; 9 - высокочастотный кабель
Рисунок 7.6
Для определения уровня сигнала на выходе антенны используют селективный микровольтметр или аналогичный измерительный прибор.
Порядок измерения КУ сводится к тому, что облучающую антенну направляют на эталонную антенну так, чтобы их максимумы диаграмм направленности были направлены друг на друга. На приемном устройстве фиксируют показания А1, а затем облучающую антенну направляют максимумом диаграммы направленности на измеряемую антенну, отключают кабель от эталонной антенны и подключают к входу измеряемой антенны и, не изменяя мощности генератора, фиксируют на приемном устройстве показание А2. Коэффициент усиления исследуемой антенны GA вычисляют по формуле (21).
В качестве измерительной антенны используют полуволновый вибратор.
Измерения проводят на трех частотах рабочего диапазона (двух крайних и средней).
Для АФУ, имеющего два или три выхода, измерение коэффициента усиления следует проводить как при подключении к свободным выходам согласованных нагрузок, так и при комбинации нагрузок, для которых получено максимальное значение КСВН по 7.11.1.2.
7.11.1.6 Соответствие считают доказанным, если измеренные значения коэффициента усиления АФУ соответствуют таблице 6.11.
В качестве доказательной документации предъявляют акты (протоколы).
7.11.1.7 Коэффициент усиления глиссадных АФУ в летных условиях проводят на ВС с помощью компараторного пункта либо по наземным радиомаякам.
Наземный компараторный пункт выполняют на базе доработанных радиостанций, рабочий диапазон которых должен включать частоты 328 - 336 МГц, и наземных измерительных антенн. В качестве наземных эталонных антенн используют двухполяризационные антенны типа «волновой канал» с известными коэффициентами усиления в рабочих диапазонах частот.
Компараторный пункт может быть выполнен также на базе штатных приемников аппаратуры посадки метрового диапазона, но при этом чувствительность приемников должна быть минимальной.
7.11.1.8 Коэффициент усиления измеряемого АФУ с помощью компараторного пункта следует определять в следующем порядке:
- ВС с измеряемой антенной выполняет горизонтальные проходы на тех же высотах и удалениях, на которых осуществлялась калибровка компараторного пункта, в направлении «на» компараторный пункт;
- измеряемую антенну отсоединяют от штатной аппаратуры и подключают к радиостанции;
- измеряют мощность, подводимую к измеряемой антенне;
- калибруют измерительный приемник наземного компараторного пункта с помощью генератора стандартных сигналов;
- с борта ВС излучают высокочастотный сигнал с помощью измеряемого бортового АФУ при известной подводимой мощности;
- излучаемый сигнал в микровольтах оценивают на входе измерительного приемника компараторного пункта;
- сравнивают полученную зависимость с калибровочной Uвх.эт = f (D) и вычисляют коэффициент усиления измеряемого АФУ в главном направлении GA по формуле (22).
Соответствие считают доказанным, если полученные значения КУ удовлетворяют параметрам согласно таблице 6.11.
В качестве доказательной документации предъявляют акты (протоколы) по измерениям.
7.11.1.9. Определение коэффициента усиления глиссадных АФУ по наземным радиомаякам системы СП/ILS проводят в полетах на высотах 300 - 600 м (высота выполнения предпосадочного маневра);
Усиления глиссадных АФУ в направлении вперед следует оценивать при выполнении горизонтальных проходов «на» маяк, в которых должны фиксироваться сигналы в микровольтах на входе соответствующих приемников при одиночном комплекте аппаратуры на удалениях 18 км.
Коэффициент
усиления глиссадных АФУ оценивают при выполнении горизонтальных проходов «на»
радиомаяк в интервалах удалений от 100 % до 60 % дальности прямой видимости, на
которых следует фиксировать уровни сигналов на выходе измеряемого АФУ.
Дальность прямой видимости Dпр определяют
следующим приближенным соотношением по формуле (23). Значение
вычисляют
по формуле (24).
Полученные входные сигналы должны быть не менее требуемой чувствительности соответствующих приемников для данного типа аппаратуры.
При выполнении полета по маякам на борту ВС должна быть установлена контрольно-записывающая аппаратура, позволяющая регистрировать сигналы на входе приемника и параметры положения самолета.
Измерения следует проводить на трех частотах рабочего диапазона (двух крайних и средней).
Для АФУ, имеющего два или три выхода, измерение коэффициента усиления следует проводить как при подключении к свободным выходам согласованных нагрузок, так и при комбинации нагрузок, для которых получено максимальное значение КСВН согласно 7.11.1.2.
Соответствие считают доказанным, если измеренные значения коэффициента усиления АФУ соответствуют таблице 6.17.
В качестве доказательной документации предъявляют акты (протоколы) по измерениям.
7.11.1.10 Соответствие неравномерности распределения горизонтальной составляющей поля глиссадного АФУ оценивают в наземных и летных условиях.
7.11.1.11 Неравномерность диаграмм направленности антенны в наземных условиях следует оценивать по результатам измерения диаграмм направленности антенны, установленной на фрагментах макетов ВС масштабной модели. При этом измерения диаграмм направленности антенн, установленных на моделях ВС, выполняют на частотах рабочего диапазона, умноженных на масштаб моделирования. Исследуемые антенны должны быть выполнены в масштабе моделирования.
7.11.1.12 Функциональная схема измерения диаграмм направленности антенн, установленных на модели ВС, приведена на рисунке 7.2.
7.11.1.13 Расстояние А между облучающей антенной и моделью ВС вычисляют по формуле (16).
Примечание - Формула (16) определяет расстояние А для измерений при отсутствии отражений электромагнитных волн от местных предметов (в том числе от земли).
При измерении диаграмм направленности облучающая антенна должна равномерно облучать раскрыв измеряемой антенны.
- устанавливают модель на поворотное устройство в положение, соответствующее измеряемой плоскости;
- устанавливают облучающую антенну на расстоянии А от модели ВС на высоте h (высоты расположения антенны и модели должны быть одинаковыми);
- при измерении диаграмм направленности не допускается попадание на измеряемую антенну сигналов, отраженных от земли и других посторонних предметов;
- поворачивают модель в измеряемой плоскости в переднем секторе углов плюс, минус 90° и измеряют принимаемые сигналы, поступающие от антенны, во всех азимутальных направлениях;
- по результатам измерений строят график диаграммы направленности на бланке в полярных координатах.
Примечание - График диаграммы направленности строят как отношение величины измеренного сигнала U для каждого азимутального направления к максимальному измеренному сигналу Umax в случае линейной характеристики приемного тракта, а при квадратичной характеристике приемного тракта из отношения сигналов извлекают квадратный корень.
При измерении диаграмм направленности не допускается попадание на измеряемую антенну сигналов, отраженных от земли и других посторонних предметов.
Неравномерность диаграмм направленности вычисляют как отношение максимального значения напряженности поля по азимуту к его минимальным значениям.
7.11.1.15 Диаграммы направленности антенн, установленных на фрагментах макетов ВС, измеряют методом согласно 7.11.1.14 на частотах рабочего диапазона.
7.11.1.16 Функциональная схема измерения диаграмм направленности антенны, установленной на фрагменте макета ВС, приведена на рисунке 7.3.
Неравномерность диаграмм направленности рассчитывают как отношение максимального значения напряженности поля по азимуту к его минимальным значениям в заданном секторе углов.
7.11.1.17 Соответствие значений неравномерности диаграмм направленности антенн в горизонтальной плоскости следует оценивать путем анализа материалов по результатам измерения диаграмм направленности антенн, установленных на масштабных моделях, фрагментах макетов ВС.
Соответствие считают доказанным, если полученные значения неравномерности диаграмм направленности в горизонтальной плоскости удовлетворяют параметрам согласно таблице 6.11.
В качестве доказательной документации предъявляют акты (протоколы) по результатам измерений.
7.11.1.18 Соответствие неравномерности распределения горизонтальной составляющей поля при летных испытаниях оценивают путем определения диаграмм направленности АФУ в горизонтальной плоскости и их неравномерности. Диаграммы направленности должны быть определены на трех частотах диапазона, близких к двум крайним и средней.
Диаграммы направленности определяют путем регистрации принимаемого или излучаемого АФУ сигнала при выполнении ВС сечений взлетно-посадочного курса с интервалом курсовых углов не менее 10° в требуемой зоне действия, переднем секторе плюс, минус 45° на удалении 18 км предпосадочного маневра. По полученным значениям сигналов строят диаграммы направленности. При наличии диаграмм направленности, полученных в наземных условиях (на модели, макете) на трех частотах диапазона, диаграммы направленности в летных условиях следует определять как минимум на одной частоте и подтверждать оценкой совпадения с результатами наземных испытаний.
Соответствие считают доказанным, если полученные значения неравномерности диаграмм направленности в горизонтальной плоскости в переднем секторе плюс, минус 45° соответствуют таблице 6.11.
В качестве доказательной документации предъявляют разделы актов (отчетов) по наземным и летным испытаниям.
7.11.1.19 Соответствие поляризации следует оценивать по КД на установку АФУ на ВС. Соответствие считают доказанным, если в НД и КД подтверждается требование по поляризации согласно таблице 6.11.
В качестве доказательной документации предъявляют НД и КД на установку АФУ на ВС.
7.11.1.20 Соответствие ослабления вертикальной составляющей поля АФУ относительно горизонтальной составляющей поля следует оценивать в наземных и летных условиях.
7.11.1.21. Соответствие ослабления вертикальной составляющей поля глиссадного АФУ относительно горизонтальной составляющей поля в наземных условиях следует оценивать путем сравнения уровней сигналов, принимаемых измеряемым АФУ, размещенным на фрагменте макета ВС или непосредственно на ВС в направлении полета от линейно-поляризованной антенны, расположенной на той же высоте, что и измеряемая антенна, и удаленной от нее не менее чем на 30 м, при установке эталонной антенны в положения, удовлетворяющие горизонтальной и вертикальной поляризациям. Функциональная схема измерения ослабления вертикальной составляющей поля горизонтальной составляющей поля приведена на рисунке 7.6.
Влияние земли учитывается коэффициентом земли, который определяется сравнением уровней сигналов Uз.вер и Uз.гор на выходе эталонной антенны и облучающей антенны, соответственно при вертикальной и горизонтальной поляризациях обеих антенн.
Для учета влияния земли на результат измерений должно быть выполнено сравнение уровней сигналов, принимаемых эталонной антенной линейной поляризации при ее облучении облучающей антенной, когда обе антенны последовательно устанавливаются сначала в положение, соответствующее горизонтальной поляризации, а затем - вертикальной.
Необходимо, чтобы облучающая антенна устанавливалась на той же высоте, что и измеряемая антенна, установленная на макете фрагмента ВС, расстояние между ними должно быть не менее 30 м.
Значения ослабления вертикальной составляющей поля Косл вычисляют по формуле (26).
7.11.1.22 Соответствие ослабления вертикальной составляющей поля по отношению к горизонтальной составляющей поля в летных условиях следует оценивать путем сравнения уровней горизонтальной и вертикальной составляющих поля, принятых измерительными антеннами компараторного пункта при выполнении самолетом на высоте не менее 3000 м горизонтальных проходов «на» компараторный пункт, в интервал 60 % - 100 % дальности прямой видимости при работе бортового АФУ в передающем режиме.
Для АФУ, имеющих два или три выхода, коэффициент ослабления вертикальной составляющей поля следует измерять как при подключении к свободным выходам согласованных нагрузок, так и при комбинации нагрузок, для которых получено максимальное значение КСВН по 7.11.1.2.
Соответствие считают доказанным, если полученные значения ослабления вертикальной составляющей поля антенны по отношению к горизонтальной составляющей поля в направлении вперед вдоль продольной оси самолета соответствуют таблице 6.11.
В качестве доказательной документации предъявляют акт по наземным или летным испытаниям.
7.11.1.23 Соответствие развязки между выходами АФУ проводят в случае наличия у антенны двух или трех выходов. При измерении развязки между любыми двумя выходами АФУ (при наличии у антенны трех выходов) на третьем выходе АФУ устанавливают согласованную нагрузку.
Соответствие необходимо проводить в следующем порядке:
- собирают измерительную схему в соответствии с рисунком 7.5а;
- подготавливают измерительные приборы к работе согласно их инструкциям по эксплуатации;
- настраивают микровольтметр на частоту генератора;
- определяют микровольтметром уровень сигнала А1;
- размыкают измерительную схему в точках а-а;
- подключают в точки а-а выходы измеряемого АФУ согласно рисунку 7.5б;
- определяют микровольтметром уровень сигнала А2;
- вычисляют значение развязки Кр между выходами АФУ по формуле (27).
Соответствие считают доказанным, если полученное значение развязки между выходами АФУ соответствует таблице 6.11.
В качестве доказательной документации предъявляют акты по измерениям.
7.11.2.1 Соответствие диапазона частот следует оценивать по НД на АФУ глиссадного канала. Соответствие считают доказанным, если в НД указан диапазон частот согласно таблице 6.11.
7.11.2.2 Соответствие КСВН на выходе АФУ следует оценивать непосредственно на ВС по методу, приведенному в 7.11.1.2.
Соответствие считают доказанным, если полученные значения КСВН удовлетворяют параметрам согласно таблице 6.11.
В качестве доказательной документации предъявляют акт (протокол) по результатам измерений.
7.12.1.1 Соответствие диапазона частот следует оценивать по НД на АФУ. Соответствие считают доказанным, если в НД указан диапазон частот согласно таблице 6.12.
7.12.1.2 Соответствие поляризации антенн следует оценивать по НД и по КД на установку АФУ на ВС. Соответствие считают доказанным, если в НД и КД приводят требования по поляризации согласно таблице 6.12.
В качестве доказательной документации предъявляют НД и КД на установку АФУ на ВС.
7.12.1.3 Соответствие зон видимости следует оценивать путем анализа материалов по результатам летных испытаний ВС.
7.12.1.4 Зоны видимости оценивают при летных испытаниях ВС путем определения зон видимости АФУ в полетах по наземным радиомаякам, регламентируемая зона действия которых обеспечивает требуемую дальность. Зоны видимости должны быть определены:
- на удалениях, составляющих не менее 75 % дальности прямой видимости, и высоте, соответствующей максимальной крейсерской высоте полета ВС для DME/N;
- на границе зоны действия посадочного маяка - для DME/P путем регистрации сигнала готовности и сигнала перехода в «Память» радиодальномера DME при выполнении левых и правых виражей с кренами не более 10°.
При наличии провалов в зонах видимости, длительность которых превышает минимальное значение времени памяти по НД на радиодальномер DME, должно быть показано, что работоспособность радиодальномера обеспечивается при выполнении горизонтальных проходов с курсовыми углами, соответствующими обнаруженным провалам, на расстоянии 75 % дальности прямой видимости от радиомаяка DME/N или границе зоны действия радиомаяка DME/Р.
Зоны видимости следует определять с комплектом радиодальномера DME, чувствительность которого должна быть близкой к нижнему пределу по НД.
Соответствие считают доказанным, если полученные зоны видимости соответствуют таблице 6.12.
В качестве доказательной документации предъявляют акт по измерениям.
Измерения проводят с помощью измерителя комплексных коэффициентов передачи или аналогичными приборами, работающими в требуемых диапазонах частот, по методам, изложенным в инструкциях по эксплуатации на соответствующие приборы.
Функциональная схема измерений приведена на рисунке 7.1.
Соответствие считают доказанным, если полученные значения КСВН удовлетворяют параметрам согласно таблице 6.12.
В качестве доказательной документации предъявляют акты (протоколы) по результатам измерений.
Для измерения затуханий элементов фидерного тракта:
- собирают измерительную схему в соответствии с рисунком 7.7;
- подготавливают приборы к работе в соответствии с их инструкциями по эксплуатации;
- настраивают генератор ВЧ сигналов на проверяемую частоту;
- настраивают приемное устройство на частоту генератора по максимальному показанию индикатора приемного устройства;
- фиксируют показание аттенюатора А1 на индикаторе;
- вместо соединителя 2 включают в точки а-а схемы измеряемый фидерный тракт в соответствии с рисунком 7.7;
- изменяя аттенюатором выходную мощность, добиваются на индикаторе приемного устройства прежнего показания и фиксируют новое показание аттенюатора А2;
- вычисляют затухание в измеряемом тракте Di, дБ, по формуле
Di = A1 - A2. (28)
Соответствие считают доказанным, если значение затухания фидерного тракта соответствует таблице 6.9.
В качестве доказательной документации предъявляют акты (протоколы) по измерениям.
1 - генератор высокочастотных
сигналов (встроенный генератор селективного микровольтметра);
2 - измерительный кабель; 3 - приемное устройство с индикатором; 4
- измеряемый фидерный тракт
Рисунок 7.7
7.12.2.1 Соответствие диапазона частот следует оценивать по НД на АФУ. Соответствие считают доказанным, если в НД указан диапазон частот согласно таблице 6.12.
7.12.2.2 Соответствие поляризации антенн следует оценивать по НД и КД на установку АФУ на ВС. Соответствие считают доказанным, если в НД и КД приведены требования согласно таблице 6.12.
В качестве доказательной документации предъявляют КД на установку АФУ на ВС и НД на АФУ.
7.12.2.3 Соответствие КСВН следует оценивать путем измерения КСВН на входе АФУ не менее чем на трех частотах (двух крайних и средней) рабочего диапазона или через каждые 5 МГц по методу, приведенному в 7.12.1.5.
Соответствие считают доказанным, если полученные значения КСВН удовлетворяют параметрам согласно таблице 6.12.
В качестве доказательной документации предъявляют акты (протоколы) по результатам измерений.
7.12.2.4 Соответствие затухания в фидерных трактах следует оценивать путем анализа материалов измерения затухания энергии в реальных фидерных трактах, смонтированных на ВС по методу, приведенному в 7.12.1.6.
Соответствие считают доказанным, если значение затухания фидерного тракта удовлетворяет параметру согласно таблице 6.12.
В качестве доказательной документации предъявляют акты (протоколы) по измерениям.
7.13.1.1 Соответствие диапазона частот следует оценивать по НД на АФУ. Соответствие считают доказанным, если в НД указаны диапазоны частот согласно таблице 6.13.
В качестве доказательной документации предъявляют НД на АФУ.
7.13.1.2 Соответствие поляризации антенн следует оценивать по НД и КД на установку АФУ на ВС. Соответствие считают доказанным, если в НД и КД подтверждаются требования по поляризации согласно таблице 6.13.
В качестве доказательной документации предъявляют КД на установку АФУ на ВС и НД на АФУ.
7.13.1.3 Соответствие зон видимости оценивают при летных испытаниях ВС путем анализа материалов по определению зон видимости (диаграмм направленности) АФУ на трех частотах рабочего диапазона: близких к двум крайним и средней.
При наличии диаграмм направленности, полученных на макете на трех частотах рабочего диапазона, диаграммы направленности или зоны видимости в летных условиях следует определять не менее чем на одной частоте и подтверждать оценкой совпадения с результатами наземных измерений. Зоны видимости АФУ следует определять в полете по наземным радиомаякам. Регламентируемая зона действия должна обеспечивать требуемую дальность на удалении, составляющем не менее 75 % дальности прямой видимости, и высоте, соответствующей максимальной высоте полета. Сигнал готовности и сигнал перехода в режим «память» РСБН регистрирует при выполнении правых и левых виражей с кренами не более 10°. При наличии провалов в зонах видимости, длительность которых превышает минимальные значения памяти по НД на РСБН, должно быть показано, что работоспособность РСБН обеспечивается при выполнении горизонтальных проходов с курсовыми углами, соответствующими обнаруженным провалам на расстоянии 75 % дальности прямой видимости от радиомаяка. Зоны видимости следует определять с комплексом оборудования, чувствительность которого должна быть близкой к нижнему пределу по НД. Зону видимости определяют путем регистрации принимаемого или излучаемого АФУ сигнала при выполнении виражей с кренами не более 10° в зоне наземного маяка.
Соответствие считают доказанным, если полученные зоны видимости (диаграммы направленности) соответствуют таблице 6.13.
В качестве доказательной документации предъявляют акты по измерениям.
7.13.1.4 Соответствие неравномерности диаграмм направленности антенн следует оценивать по результатам измерения диаграмм направленности антенн в рабочих диапазонах частот АФУ, установленных на фрагментах макетов ВС.
7.13.1.5 Функциональная схема измерения диаграмм направленности приведена на рисунке 7.3.
7.13.1.6 Расстояние А между облучающей антенной и измеряемой должно быть не менее шести длин волн.
7.13.1.7 Диаграммы направленности антенн необходимо измерять в следующем порядке:
- устанавливают фрагмент макета ВС с измеряемой антенной на поворотное устройство в положение, соответствующее измеряемой плоскости;
- устанавливают облучающую антенну на расстоянии А от фрагмента макета ВС с измеряемой антенной h (высоты расположения облучающей и измеряемой антенн должны быть одинаковыми);
- при измерении диаграмм направленности облучающая антенна должна равномерно облучать раскрыв измеряемой антенны;
- при измерении диаграмм направленности не допускается попадание на измеряемую антенну сигналов, отраженных от земли и других посторонних предметов, влияющих на параметры антенны;
- вращают фрагмент макета ВС в измеряемой плоскости на 360° и измеряют принимаемые сигналы, поступающие от антенны, во всех азимутальных направлениях;
- по результатам измерений строят график диаграммы направленности на бланке в полярных координатах (см. приложение В).
Примечание - График диаграммы направленности строят как отношение величины измеренного сигнала U для каждого азимутального направления к максимальному измеренному сигналу Umax в случае линейной характеристики приемного тракта, а при квадратичной характеристике приемного тракта из отношения значения сигналов извлекают квадратный корень.
7.13.1.8 Соответствие неравномерности диаграмм направленности антенн в горизонтальной плоскости следует оценивать путем анализа материалов по результатам измерения диаграмм направленности антенн, установленных на фрагментах макетов ВС, и расчетов их неравномерностей в рабочих диапазонах частот. Неравномерности вычисляют как отношение максимального значения напряженности поля по азимуту к его минимальным значениям. В случае использования прибора, проградуированного в децибелах, неравномерность Кдн вычисляют по формуле (19).
На основании результатов измерений в полярных координатах строят нормированную диаграмму направленности измеряемого АФУ (см. приложение В). При этом уровень диаграммы направленности Uдн вычисляют по формуле (20).
Соответствие считают доказанным, если антенна обеспечивает при установке на конкретном ВС значения неравномерности диаграмм направленности в горизонтальной плоскости согласно таблице 6.13.
В качестве доказательной документации предъявляют акты (протоколы) по результатам измерений.
- зоны видимости АФУ определяют путем регистрации принимаемого сигнала при выполнении ВС левых и правых разворотов на 360° с креном не более 10° в зоне действия наземного радиомаяка;
- определение диаграмм направленности навигационного АФУ РСБН следует проводить не менее чем на трех частотах рабочего диапазона, близких к двум крайним и средней частот.
Примечания
1 При наличии диаграмм направленности, полученных на макете, измерение диаграммы направленности на ВС допускается выполнять как минимум на одной частоте при условии сходимости результатов.
2 Если измеряемая антенна установлена под носовым диэлектрическим обтекателем вблизи от подвижной антенны метеонавигационного радиолокатора, то при измерениях диаграмм направленности антенна радиолокатора должна быть зафиксирована в среднем положении.
Соответствие считают доказанным, если диаграммы направленности удовлетворяют нормам согласно таблице 6.13.
В качестве доказательной документации предъявляют акт (протоколы) по измерениям.
7.13.10 Соответствие неравномерности диаграмм направленности антенны в горизонтальной плоскости в летных условиях оценивают по методу, приведенному в 7.13.1.9.
Соответствие считают доказанным, если антенна обеспечивает при установке на конкретном ВС значения неравномерности диаграмм направленности в горизонтальной плоскости согласно таблице 6.13.
В качестве доказательной документации предъявляют акты (протоколы) по результатам измерений.
Измерения проводят с помощью измерителя комплексных коэффициентов передачи или аналогичными приборами, работающими в требуемых диапазонах частот, по методам, изложенным в инструкциях по эксплуатации на соответствующие приборы.
Функциональная схема измерений КСВН приведена на рисунке 7.1.
Соответствие считают доказанным, если полученные значения КСВН удовлетворяют параметрам согласно таблице 6.13.
В качестве доказательной документации предъявляют акты (протоколы) по результатам измерений.
7.13.1.12. Коэффициент усиления антенны в максимуме диаграммы направленности в горизонтальной плоскости должен соответствовать значениям, приведенным на рисунке Г.1, приложение Г.
График построен из расчета обеспечения коэффициента усиления АФУ в максимуме диаграммы направленности в горизонтальной плоскости, минус 10 дБ, по формуле
GАФУ = (GA + λ) > -10, (29)
где GA - коэффициент усиления антенны в максимуме диаграммы направленности в горизонтальной плоскости, дБ.
λ - допустимое затухание во всех элементах фидерного тракта приданном GA, дБ.
Соответствие считают доказанным, если полученные значения КУ удовлетворяют параметрам согласно таблице 6.13.
В качестве доказательной документации предъявляют результаты расчетов.
7.13.2.1 Соответствие диапазона частот следует оценивать по НД на АФУ.
Соответствие считают доказанным, если в НД указан диапазон частот согласно таблице 6.13.
В качестве доказательной документации предоставляют НД на АФУ.
7.13.2.2 Соответствие КСВН следует оценивать путем измерения КСВН на выходе или входе АФУ в приемном и передающем режимах не менее чем на трех частотах (двух крайних и средней) рабочего диапазона или через каждые 5 МГц по методу, приведенному в 7.13.1.11.
Соответствие считают доказанным, если полученные значения КСВН удовлетворяют параметрам согласно таблице 6.13.
В качестве доказательной документации предъявляют акты (протоколы) по результатам измерений.
7.14.1.1 Соответствие диапазона частот следует оценивать по НД на АФУ. Соответствие считают доказанным, если в НД указан диапазон частот согласно таблице 6.14.
В качестве доказательной документации предъявляют Руководство по эксплуатации на АФУ.
7.14.1.2 Соответствие поляризации антенн следует оценивать по НД и указанной в чертежах ориентации антенн на ВС.
Соответствие считают доказанным, если в НД и чертежах подтверждаются требования по поляризации согласно таблице 6.14.
В качестве доказательной документации предъявляют КД на установку АФУ на ВС и Руководство по эксплуатации.
Функциональная схема измерений приведена на рисунке 7.1.
Соответствие считают доказанным, если полученные значения КСВН АФУ соответствуют таблице 6.14.
В качестве доказательной документации предъявляют акты, протоколы по результатам измерений.
7.14.1.4 Соответствие зон видимости оценивают при летных испытаниях ВС путем анализа материалов по определению зон видимости (диаграмм направленности) АФУ на трех частотах рабочего диапазона, близких к двум крайним и средней.
Зоны видимости АФУ определяют в полете по наземным радиомаякам. Регламентируемая зона действия должна обеспечивать требуемую дальность на удалении, составляющем не менее 75 % дальности прямой видимости, и высоте, соответствующей максимальной высоте полета.
Зоны видимости следует определять с комплексом оборудования, чувствительность которого должна быть близкой к нижнему пределу по НД.
Зону видимости определяют путем регистрации принимаемого или излучаемого АФУ сигнала при выполнении виражей с кренами не более 10° в зоне наземного маяка. Соответствие считают доказанным, если полученные зоны видимости (диаграммы направленности) соответствуют таблице 6.14.
Примечание - Допускаются отдельные случайные пропадания отметки ВС на время одного-двух оборотов антенны наземного радиолокатора при частоте вращения не менее 6 об/мин.
В качестве доказательной документации предъявляют акты по измерениям.
7.14.1.5 Коэффициент усиления антенны в максимуме диаграммы направленности в горизонтальной плоскости должен соответствовать значениям, приведенным на рисунке Д.1, приложение Д.
График построен из расчета обеспечения коэффициента усиления АФУ в максимуме диаграммы направленности в горизонтальной плоскости, дБ, минус 13 дБ, по формуле
GАФУ = GA + λ > -13, (30)
где GАФУ - коэффициент усиления АФУ;
GA - коэффициент усиления антенны в максимуме диаграммы направленности в горизонтальной плоскости, дБ.
λ - допустимое затухание во всех элементах фидерного тракта при данном GA, дБ.
Соответствие считают доказанным, если полученные значения КУ удовлетворяют параметрам согласно таблице 6.14.
В качестве доказательной документации предъявляют результаты расчетов.
7.14.2.1 Соответствие диапазона частот следует оценивать по НД на АФУ. Соответствие считают доказанным, если в НД указан диапазон частот согласно таблице 6.14.
В качестве доказательной документации предъявляют Руководство по эксплуатации на АФУ.
7.14.2.2 Соответствие поляризации антенн следует оценивать по НД и указанной в чертежах ориентации антенн на ВС.
Соответствие считают доказанным, если в НД и КД подтверждаются требования по поляризации согласно таблице 6.14.
В качестве доказательной документации предъявляют КД на установку АФС на ВС и Руководство по эксплуатации.
7.14.2.3. Соответствие КСВН АФУ следует оценивать по методу, приведенному в 7.14.1.3.
Соответствие считают доказанным, если полученные значения КСВН АФУ соответствуют таблице 6.14.
В качестве доказательной документации предъявляют акты (протоколы) по результатам измерений.
7.14.3.1 Соответствие диапазона частот следует оценивать по НД на АФУ. Соответствие считают доказанным, если в НД указан диапазон частот согласно таблице 6.15.
В качестве доказательной документации предъявляют Руководство по эксплуатации на АФУ.
7.14.3.2 Соответствие поляризации антенн следует оценивать по НД и указанной в чертежах ориентации антенн на ВС. Соответствие считают доказанным, если в НД и КД подтверждаются требования по поляризации согласно таблице 6.15.
В качестве доказательной документации предъявляют КД на установку АФУ на ВС и Руководство по эксплуатации на АФУ.
7.14.3.3 Соответствие КСВН АФУ следует оценивать путем измерения КСВН на входе (выходе) АФУ как минимум на трех частотах (двух крайних и средней) рабочего диапазона. Измерения проводят с помощью измерителя комплексных коэффициентов передачи или аналогичными приборами, работающими в требуемом диапазоне частот, по методам, изложенным в инструкциях по эксплуатации на соответствующие приборы.
Функциональная схема измерений приведена на рисунке 7.1.
Соответствие считают доказанным, если полученные значения КСВН АФУ соответствуют таблице 6.15.
В качестве доказательной документации предъявляют акты, протоколы по результатам измерений.
7.14.3.4 Соответствие зон видимости оценивают при летных испытаниях ВС путем анализа материалов по определению зон видимости (диаграмм направленности) АФУ на трех частотах рабочего диапазона, близких к двум крайним и средней.
Зоны видимости АФУ определяют в полете по наземным радиомаякам. Регламентируемая зона действия должна обеспечивать требуемую дальность на удалении, составляющем не менее 75 % дальности прямой видимости, и высоте, соответствующей максимальной высоте полета.
Зоны видимости следует определять с комплексом оборудования, чувствительность которого должна быть близкой к нижнему пределу по НД.
Зону видимости определяют путем регистрации принимаемого или излучаемого АФУ сигнала при выполнении виражей с кренами не более 10° в зоне наземного маяка. Соответствие считают доказанным, если полученные зоны видимости (диаграммы направленности) соответствуют таблице 6.15.
Примечание - Допускаются отдельные случайные пропадания отметки ВС на время одного-двух оборотов антенны наземного радиолокатора при частоте вращения не менее 6 об/мин.
В качестве доказательной документации предъявляют акты по измерениям.
7.14.3.5 Соответствие затухания в фидерных трактах следует оценивать путем анализа материалов измерения затухания энергии в реальных фидерных трактах, смонтированных на ВС.
Для измерения затуханий элементов фидерного тракта:
- собирают измерительную схему в соответствии с рисунком 7.5а;
- подготавливают приборы к работе в соответствии с их инструкциями по эксплуатации;
- настраивают генератор ВЧ сигналов на проверяемую частоту;
- настраивают приемное устройство на частоту генератора по максимальному показанию индикатора приемного устройства;
- фиксируют показание аттенюатора А1 на индикаторе;
- вместо соединителя 2 включают в точки а-а схемы измеряемый фидерный тракт в соответствии с рисунком 7.5б;
- изменяя аттенюатором выходную мощность, добиваются на индикаторе приемного устройства прежнего показания и фиксируют новое показание аттенюатора А2;
- вычисляют затухание в измеряемом тракте Δi по формуле (28).
Соответствие считают доказанным, если значение затухания фидерного тракта соответствует таблице 6.15.
В качестве доказательной документации предъявляют акты (протоколы) по измерениям.
7.14.4.1 Соответствие диапазона частот следует оценивать по НД на АФУ. Соответствие считают доказанным, если в НД указан диапазон частот согласно таблице 6.15.
В качестве доказательной документации предъявляют Руководство по эксплуатации на АФУ.
7.14.4.2 Соответствие поляризации антенн следует оценивать по НД и КД на установку АФУ на ВС.
Соответствие считают доказанным, если в НД и КД подтверждаются требования по поляризации согласно таблице 6.15.
7.15.1.1 Соответствие диапазона частот следует оценивать по НД на АФУ. Соответствие считают доказанным, если в НД указан диапазон частот согласно таблице 6.16.
В качестве доказательной документации предъявляют Руководство по эксплуатации на АФУ.
7.15.1.2 Соответствие поляризации антенн следует оценивать по КД на установку АФУ на ВС и Руководству по эксплуатации на АФУ. Соответствие считают доказанным, если значения поляризации антенн соответствуют таблице 6.16.
В качестве доказательной документации предъявляют КД на установку антенны на ВС и Руководство по эксплуатации на АФУ.
7.15.1.3 Соответствие зон обзора следует оценивать при летных испытаниях ВС путем определения зоны видимости АФУ в полетах по наземным вторичным радиолокаторам с регламентируемой зоной действия, обеспечивающей требуемую дальность. Зоны видимости АФУ должны быть определены на удалениях, составляющих не менее 75 % фактической дальности, и высоте, соответствующей максимальной крейсерской высоте полета ВС, путем регистрации наличия сигнала при выполнении виражей с кренами вплоть до максимальных эксплуатационных.
Зоны видимости следует определять с экземпляром аппаратуры БСПС, чувствительность которого должна быть близкой к нижнему пределу по НД. Соответствие считают доказанным, если полученные зоны видимости соответствуют таблице 6.16.
В качестве доказательной документации предъявляют акт по результатам испытаний.
Функциональная схема измерений приведена на рисунке 7.1.
Соответствие считают доказанным, если полученные значения КСВН АФУ соответствуют таблице 6.16.
В качестве доказательной документации предъявляют акты, протоколы по результатам измерений.
7.15.2.1 Соответствие диапазона частот следует оценивать по НД на АФУ. Соответствие считают доказанным, если в НД указан диапазон частот согласно таблице 6.16.
В качестве доказательной документации предъявляют Руководство по эксплуатации на АФУ.
7.15.2.2 Соответствие поляризации антенн следует оценивать по КД на установку антенны на ВС и Руководству по эксплуатации на АФУ.
Соответствие считают доказанным, если значения поляризации антенн соответствуют таблице 6.16. В качестве доказательной документации предъявляют КД на установку антенны на ВС и Руководство по эксплуатации на АФУ.
7.15.2.3 Соответствие КСВН следует оценивать по методу, приведенному в 7.15.1.4.
Соответствие считают доказанным, если полученные значения КСВН АФУ соответствуют таблице 6.16.
В качестве доказательной документации предъявляют акты, протоколы по результатам измерений.
7.16.1.1 Соответствие диапазона частот следует оценивать путем анализа НД на АФУ. Соответствие считают доказанным, если в НД указан диапазон частот согласно таблице 6.17.
В качестве доказательной документации предъявляют НД на АФУ.
7.16.1.2 Измерения КСВН пассивных антенн проводят с помощью измерителя комплексных коэффициентов передачи или аналогичными приборами, работающими в требуемом диапазоне частот, по методам, изложенным в инструкциях по эксплуатации на соответствующие приборы.
Функциональная схема измерений приведена на рисунке 7.1.
Соответствие считают доказанным, если полученные результаты соответствуют таблице 6.17.
В качестве доказательной документации предъявляют акт (протокол) по измерениям.
7.16.1.3 Измерения КСВН активных антенн проводят с помощью измерителя комплексных коэффициентов передачи или аналогичными приборами, работающими в требуемом диапазоне частот, по методам, изложенным в инструкциях по эксплуатации на соответствующие приборы.
Для работоспособности активной антенны в схему измерений КСВН дополнительно включают блок питания.
Функциональная схема измерений приведена на рисунке 7.8.
1 - измеряемая антенна с ВЧ
фидером; 2 - блок питания;
3 - измеритель КСВН с индикатором; 4 -
измерительный кабель
Рисунок 7.8
Соответствие считают доказанным, если полученные результаты соответствуют таблице 6.17.
В качестве доказательной документации предъявляют акт (протокол) по измерениям.
7.16.1.4 Соответствие поляризации антенн следует оценивать путем анализа НД на АФУ.
Соответствие считают доказанным, если значения поляризации антенн соответствуют таблице 6.17.
В качестве доказательной документации предъявляют НД на АФУ.
7.16.1.5 Зоны обзора антенн СНС при наземных испытаниях следует оценивать путем анализа КД на установку АФУ на ВС и НД на АФУ. Соответствие считают доказанным, если в НД приведены параметры АФУ согласно таблице 6.17.
7.16.1.6 Соответствие коэффициента усиления АФУ СНС следует оценивать путем анализа КД на установку АФУ на ВС и НД на АФУ. Соответствие считают доказанным, если коэффициент усиления антенны, указанный в НД, при выбранном размещении ее на ВС соответствует таблице 6.17.
В качестве доказательной документации предъявляют КД на установку АФУ на ВС и НД на АФУ.
7.16.1.7 Соответствие коэффициента эллиптичности антенны следует оценивать путем анализа материалов в НД на АФУ.
Соответствие считают доказанным, если коэффициент эллиптичности антенны, указанный в НД, при выбранном размещении ее на ВС соответствует таблице 6.17.
В качестве доказательной документации предъявляют НД на АФУ.
7.16.2.1 Соответствие диапазона частот следует оценивать путем анализа НД на АФУ. Соответствие считают доказанным, если в НД указан диапазон частот согласно таблице 6.17.
7.16.2.2 Измерения КСВН пассивных антенн проводят с помощью измерителя комплексных коэффициентов передачи или аналогичными приборами, работающими в требуемом диапазоне частот, по методам, изложенным в инструкциях по эксплуатации на соответствующие приборы.
Функциональная схема измерений приведена на рисунке 7.1.
Соответствие считают доказанным, если полученные результаты соответствуют таблице 6.17. В качестве доказательной документации предъявляют акт (протокол) по измерениям.
7.16.2.3 Измерения КСВН активных антенн проводят с помощью измерителя комплексных коэффициентов передачи или аналогичными приборами, работающими в требуемом диапазоне частот, по методам, изложенным в инструкциях по эксплуатации на соответствующие приборы.
При измерении КСВН активной антенны в схему измерений дополнительно включают автономный блок питания. Функциональная схема измерений приведена на рисунке 7.35.
Соответствие считают доказанным, если полученные результаты соответствуют таблице 6.17. В качестве доказательной документации предъявляют акт (протокол) по измерениям.
7.16.2.4 Соответствие поляризации антенн следует оценивать путем анализа НД. Соответствие считают доказанным в случае, если в НД приведены параметры АФУ согласно таблице 6.17.
В качестве доказательной документации предъявляют НД на АФУ.
7.16.2.5 Работоспособность АФУ аппаратуры спутниковой навигационной системы в условиях серийного производства следует оценивать непосредственно на ВС путем проверки на функционирование аппаратуры спутниковой навигационной системы согласно инструкции по ее эксплуатации.
Соответствие считают доказанным, если обеспечивается функционирование аппаратуры согласно НД.
7.17.1.1 Соответствие диапазона частот следует оценивать по НД на радиовысотомер.
Соответствие считают доказанным, если в НД указан диапазон частот согласно таблице 6.18.
В качестве доказательной документации предъявляют НД на радиовысотомер.
7.17.1.2 Соответствие КСВН АФУ следует оценивать путем измерения КСВН на выходе (входе) АФУ не менее чем на трех частотах (двух крайних и средней) рабочего диапазона и не менее чем через каждые 50 МГц. Измерения проводят с помощью измерителя комплексных коэффициентов передачи или аналогичными приборами, работающими в требуемом диапазоне частот, по методам, изложенным в инструкциях по эксплуатации на соответствующие приборы. Функциональная схема измерений приведена на рисунке 7.1.
Соответствие считают доказанным, если полученные значения КСВН удовлетворяют параметрам, приведенным в таблице 6.18.
В качестве доказательной документации предъявляют акт, протоколы по измерениям.
7.17.1.3 Соответствие размещения антенн радиотехнического оборудования РВ оценивается по КД для установки АФУ на ВС и Руководству по эксплуатации на радиовысотомер.
Соответствие считают доказанным, если размещение антенн соответствует таблице 6.18.
В качестве доказательной документации предъявляют КД для установки АФУ на ВС и Руководство по эксплуатации радиовысотомера.
7.17.1.4 Соответствие поляризации антенн следует оценивать по КД на установку АФУ на ВС и Руководству по эксплуатации на радиовысотомер.
Соответствие считают доказанным, если значения поляризации антенн соответствуют таблице 6.18.
В качестве доказательной документации предъявляют КД на установку АФУ на ВС и Руководство по эксплуатации на радиовысотомер.
7.17.2.1 Соответствие диапазона частот следует оценивать по НД на радиовысотомер.
Соответствие считают доказанным, если в НД указан диапазон частот согласно таблице 6.18.
В качестве доказательной документации предъявляют НД на радиовысотомер.
7.17.2.2 Соответствие КСВН АФУ РВ следует оценивать по методу, приведенному в 7.17.1.2.
Соответствие считают доказанным, если полученные значения КСВН соответствуют таблице 6.18. В качестве доказательной документации предъявляют акт, протоколы по измерениям.
7.18.1.1 Соответствие диапазона частот следует оценивать по НД на оборудование.
Соответствие считают доказанным, если в НД указан диапазон частот согласно таблице 6.19.
В качестве доказательной документации предъявляют Руководство по эксплуатации на оборудование.
7.18.1.2 Ширина основного лепестка диаграммы направленности антенны на уровне 3 дБ следует оценивать по НД на АФУ.
Соответствие считают доказанным, если в НД указана ширина основного лепестка согласно таблице 6.19.
В качестве доказательной документации предъявляют НД на оборудование.
7.18.1.3 Максимальный уровень боковых лепестков диаграммы направленности антенны следует оценивать по НД на оборудование.
Соответствие считают доказанным, если в НД указан максимальный уровень боковых лепестков согласно таблице 6.19.
В качестве доказательной документации предъявляют НД на оборудование.
7.18.2.1 Параметры АФУ МН РЛС в условиях серийного производства следует оценивать непосредственно на ВС путем проверки на функционирование оборудования МН РЛС согласно инструкции по его эксплуатации.
Соответствие считают доказанным, если обеспечивается функционирование оборудования согласно НД.
В качестве доказательной документации представляют акты (протоколы).
7.19.1.1 Соответствие диапазона частот следует оценивать по НД на АФУ.
Соответствие считают доказанным, если в НД указан диапазон частот согласно таблице 6.20.
В качестве доказательной документации предъявляют Руководство по эксплуатации АФУ.
7.19.1.2 Соответствие КСВН следует оценивать путем измерения КСВН на входе АФУ не менее чем на трех частотах (двух крайних и средней) рабочего диапазона или через 10 МГц. Измерения проводят с помощью измерителя комплексных коэффициентов передачи или аналогичными приборами, работающими в требуемом диапазоне частот, по методам, изложенным в инструкциях по эксплуатации на соответствующие приборы.
Функциональная схема измерений приведена на рисунке 7.1.
Соответствие считают доказанным, если полученные значения КСВН соответствуют таблице 6.20.
В качестве доказательной документации предъявляют акт, протокол по измерениям.
7.19.1.3 Соответствие поляризации антенн следует оценивать по КД на установку АФУ на ВС и Руководству по эксплуатации на АФУ.
Соответствие считают доказанным, если поляризация антенн соответствует таблице 6.20.
В качестве доказательной документации предъявляют КД на установку АФУ на ВС и Руководство по эксплуатации на АФУ.
7.19.2.1 Соответствие диапазона частот следует оценивать по НД на АФУ.
Соответствие считают доказанным, если в НД указан диапазон частот согласно таблице 6.20.
В качестве доказательной документации предъявляют акты, протоколы по результатам измерений.
7.19.2.2 Соответствие поляризационной структуры поля АФУ MLS следует оценивать по НД на АФУ и КД на установку АФУ на ВС.
Соответствие считают доказанным, если в НД указана поляризация согласно таблице 6.20.
В качестве доказательной документации предъявляют КД на установку АФУ на ВС и Руководство по эксплуатации на АФУ.
7.20.1.1 Соответствие диапазона частот следует оценивать по НД на АФУ.
Соответствие считают доказанным, если в НД указан диапазон частот согласно таблице 6.21.
В качестве доказательной документации предъявляют НД на АФУ.
7.20.1.2 Соответствие КСВН АФУ следует оценивать путем измерения КСВН на выходе АФУ не менее чем на трех частотах (двух крайних и средней) рабочего диапазона и не менее чем через каждые 2 МГц. Измерения проводят с помощью измерителя комплексных коэффициентов передачи или аналогичными приборами, работающими в требуемом диапазоне частот, по методам, изложенным в инструкциях по эксплуатации на соответствующие приборы.
Функциональная схема измерений приведена на рисунке 7.1.
Соответствие считают доказанным, если полученные значения КСВН соответствуют таблице 6.21.
В качестве доказательной документации предъявляют акт (протоколы) по измерениям.
7.20.1.3 Диаграммы направленности антенн измеряют в рабочем диапазоне частот аппаратуры на фрагментах макетов или моделях ВС, изготовленных в уменьшенном масштабе. При этом измерения диаграмм направленности антенн, установленных на моделях ВС, выполняют на частотах рабочего диапазона, умноженных на масштаб моделирования. Измеряемые антенны должны быть выполнены в масштабе моделирования.
7.20.1.4 Функциональная схема измерения диаграмм направленности приведена на рисунке 7.2.
7.20.1.5 Расстояние А между облучающей антенной и моделью ВС вычисляют по формуле (16).
7.20.1.6 При измерении диаграмм направленности облучающая антенна должна равномерно облучать раскрыв измеряемой антенны. Условия наличия достаточной равномерности облучения измеряемой антенны определяют по формулам (17), (18).
7.20.1.7 Диаграммы направленности антенн, установленных на моделях ВС, измеряют в следующем порядке:
- устанавливают модель на поворотное устройство в положение, соответствующее измеряемой плоскости;
- устанавливают облучающую антенну на расстоянии А от модели на высоте h (высоты расположения антенны и модели должны быть одинаковыми);
- при измерении диаграмм направленности не следует допускать попадание на модель сигналов, отраженных от земли и других посторонних предметов, влияющих на характеристики антенн;
- вращают модель в измеряемой плоскости на 360° и измеряют значения принимаемые сигналы, поступающие от антенны, во всех азимутальных направлениях.
Примечание - Если измеряемая антенна установлена под носовым диэлектрическим обтекателем вблизи от подвижной антенны метеонавигационного радиолокатора, то при измерениях диаграмм направленности антенна радиолокатора должна быть зафиксирована в среднем положении;
- по результатам измерений строят график диаграммы направленности на бланке в полярных координатах.
Примечание - График диаграммы направленности строят как отношение измеренного сигнала U для каждого азимутального направления к максимальному измеренному сигналу Umax в случае линейной характеристики приемного тракта, а при квадратичной характеристике приемного тракта из отношения величин сигналов извлекают квадратный корень.
7.20.1.8 Измерения диаграмм направленности антенн, установленных на фрагментах макетов ВС, проводят в реальном масштабе по методу, приведенному в 7.20.1.7.
Соответствие считают доказанным, если диаграммы направленности удовлетворяют нормам согласно таблице 6.21.
В качестве доказательной документации предъявляют акт (протоколы) по измерениям.
7.20.1.9 Измерения диаграмм направленности АФУ АПДД в летных условиях проводят по следующей методике:
- диаграммы направленности определяют путем регистрации принимаемого сигнала при выполнении ВС левых и правых разворотов на 360° с креном не более 10° в зоне действия наземного радиомаяка;
- определение диаграмм направленности АФУ следует проводить не менее чем на трех частотах (двух крайних и средней) рабочего диапазона.
Примечание - При наличии диаграмм направленности, полученных на модели или макете, измерение диаграммы направленности на ВС допускается выполнять как минимум на одной частоте при условии сходимости результатов моделирования и измерений на ВС.
Соответствие считают доказанным, если диаграммы направленности удовлетворяют нормам согласно таблице 6.21.
В качестве доказательной документации предъявляют акт (протоколы) по измерениям.
7.20.1.10 Соответствие неравномерности диаграмм направленности антенны в горизонтальной плоскости следует оценивать путем анализа материалов по результатам измерения диаграмм направленности антенны, установленной на модели или фрагменте макета ВС, и расчетов неравномерности в рабочих диапазонах частот. Неравномерность вычисляют как отношение максимального значения напряженности поля по азимуту к его минимальным значениям. В случае использования прибора, проградуированного в децибелах, неравномерность Кдн вычисляют по формуле (19).
На основании результатов измерений в полярных координатах строят нормированную диаграмму направленности измеряемого АФУ. При этом уровень диаграммы направленности Uдн вычисляют по формуле (20).
Соответствие считают доказанным, если антенна обеспечивает при установке на конкретном ВС значения неравномерности диаграмм направленности в горизонтальной плоскости согласно таблице 6.21.
В качестве доказательной документации предъявляют акты (протоколы) по результатам измерений.
7.20.1.11 Соответствие коэффициента усиления АФУ АПДД проводят при установке антенны на фрагментах макетов ВС или непосредственно на ВС в наземных и летных условиях.
7.20.1.12. Измерения КУ АФУ в наземных условиях производят не менее чем на трех частотах рабочего диапазона аппаратуры АПДД. При измерениях КУ используют метод сравнения, заключающийся в том, что уровень сигнала, принимаемый измеряемой антенной, установленной на фрагментах макетов ВС, от облучающей антенны, сравнивают с уровнем сигнала, принимаемым эталонной антенной от той же облучающей антенны. Схема измерения КУ представлена на рисунке 7.4.
Расстояние между эталонной антенной и облучающей антенной должно быть не менее 60 м. Такое же расстояние должно быть между облучающей антенной и измеряемой антенной, установленной на макете.
Облучающая и эталонная антенны должны находиться на той же высоте что и измеряемая антенна. Для определения уровня сигнала на выходе измеряемой антенны используют селективный микровольтметр или аналогичный измерительный прибор.
Порядок измерения КУ сводится к тому, что облучающую антенну направляют на эталонную антенну так, чтобы их максимумы диаграмм направленности были направлены друг на друга. На приемном устройстве фиксируют показания А1, а затем облучающую антенну направляют максимумом диаграммы на измеряемую антенну, отключают кабель от эталонной антенны и подключают к входу измеряемой антенны и, не изменяя мощности генератора, фиксируют на приемном устройстве показание А2.
Коэффициент усиления измеряемой антенны GA вычисляют по формуле (21).
Соответствие считают доказанным, если полученные значения КУ удовлетворяют параметрам согласно таблице 6.21.
В качестве доказательной документации предъявляют акты (протоколы) по измерениям.
7.20.1.13 Коэффициент усиления антенн АПДД в летных условиях проводят на ВС с помощью компараторного пункта либо по наземным радиомаякам.
Наземный компараторный пункт выполняют на базе доработанных радиостанций, рабочий диапазон которых должен включать частоты 108 - 118 МГц, и наземных измерительных антенн.
В качестве наземных измерительных антенн используют двухполяризационные антенны типа «волновой канал» с известными коэффициентами усиления в рабочих диапазонах частот.
Компараторный пункт может быть выполнен также на базе штатных приемников аппаратуры ближней навигации и посадки метрового диапазона, но при этом чувствительность приемников должна быть минимальной.
7.20.1.14 Коэффициент усиления измеряемого АФУ с помощью компараторного пункта следует определять в следующем порядке:
- измеряемую антенну отсоединяют от штатной аппаратуры и подключают к радиостанции;
- измеряют мощность, подводимую к измеряемой антенне;
- калибруют измерительный приемник наземного компараторного пункта с помощью генератора стандартных сигналов;
- ВС с измеряемой антенной выполняет горизонтальные проходы на тех же высотах и удалениях, на которых проводилась калибровка компараторного пункта, в направлении «от» и «на» компараторный пункт;
- с борта ВС излучают высокочастотный сигнал с помощью измеряемого бортового АФУ при известной подводимой мощности;
- излучаемый сигнал в микровольтах оценивают на входе измерительного приемника компараторного пункта;
- сравнивают полученную зависимость с калибровочной Uвх.эт, равной f (D), и вычисляют коэффициент усиления измеряемого АФУ в главном направлении GA по формуле (22).
Соответствие считают доказанным, если полученные значения КУ удовлетворяют параметрам согласно таблице 6.21.
В качестве доказательной документации предъявляют акты (протоколы) по измерениям.
7.20.1.15 Определение коэффициента усиления АФУ АПДД по наземным системам (маякам) проводят в полетах на высоте 4000 м.
Коэффициент
усиления АФУ оценивают при выполнении горизонтальных проходов «на» радиомаяк в
интервалах удалений от 100 % до 60 % дальности прямой видимости, на которых
следует фиксировать уровни сигналов на выходе измеряемого АФУ. Дальность прямой
видимости Dпр вычисляют по
формуле (23).
Коэффициент усиления
вычисляют по формуле (24).
Коэффициент усиления в направлении, противоположном направлению полета
, вычисляют
по формуле (25).
Полученные входные сигналы должны быть не менее требуемой чувствительности соответствующих приемников для данного типа аппаратуры.
При выполнении полета по маякам на борту ВС должна быть установлена контрольно-записывающая аппаратура, позволяющая регистрировать сигналы на входе приемника и параметры положения ВС.
Измерения следует проводить на трех частотах рабочего диапазона (двух крайних и средней).
Соответствие считают доказанным, если измеренные значения коэффициента усиления АФУ соответствуют таблице 6.21.
В качестве доказательной документации предъявляют акты (протоколы) по измерениям.
7.20.1.16 Соответствие поляризации следует оценивать по НД на АФУ и КД на установку АФУ на ВС. Соответствие считают доказанным, если в НД и в КД подтверждается требование по поляризации согласно таблице 6.21.
В качестве доказательной документации предъявляют НД и КД на установку АФУ на ВС.
7.20.1.17 Соответствие ослабления вертикальной составляющей поля антенны по отношению к горизонтальной составляющей поля следует оценивать по следующей методике:
- измерения ослабления вертикальной составляющей поля измеряемой антенны проводят сравнением уровней сигналов, принимаемых измеряемой антенной при горизонтальной и вертикальной поляризациях облучающей антенны (см. рисунок 7.4). Для учета влияния земли на результат измерений должно быть выполнено сравнение уровней сигналов, принимаемых эталонной антенной линейной поляризации при ее облучении облучающей антенной, когда обе антенны последовательно устанавливают сначала в положение, соответствующее горизонтальной поляризации, а затем - вертикальной;
- необходимо, чтобы облучающая антенна устанавливалась на той же высоте, что и измеряемая антенна, установленная на макете фрагмента ВС, расстояние между ними должно быть не менее 60 м.
Значения ослабления вертикальной составляющей поля Косл, используемые при измерениях селективного микровольтметра или аналогичного прибора, вычисляют по формуле (26).
Соответствие считают доказанным, если полученные значения коэффициента ослабления вертикальной составляющей в направлении продольной оси ВС удовлетворяют параметрам согласно таблице 6.21.
В качестве доказательной документации предъявляют акт (протокол) по измерениям.
7.20.2.1 Соответствие диапазона частот следует оценивать по НД на АФУ.
Соответствие считают доказанным, если в НД указан диапазон частот согласно таблице 6.21.
В качестве доказательной документации предъявляют НД на АФУ.
7.20.2.2 Соответствие КСВН следует оценивать путем измерения КСВН на выходе АФУ не менее чем на трех частотах (крайних и средней) рабочего диапазона и не менее чем через каждые 2 МГц. Измерения проводят с помощью измерителя комплексных коэффициентов передачи или аналогичными приборами, работающими в требуемом диапазоне частот, по методикам, изложенным в инструкциях по эксплуатации на соответствующие приборы.
Функциональная схема измерений приведена на рисунке 7.1.
Соответствие считают доказанным, если полученные значения КСВН удовлетворяют параметрам согласно таблице 6.21. В качестве доказательной документации предъявляют акт (протоколы) по испытаниям.
В результате измерений параметров АФУ предоставляют следующие данные:
- данные, показывающие частотный диапазон измеряемых АФУ;
- схемы проведения измерений параметров АФУ;
- табличные и графические данные, полученные при измерениях АФУ.
Акты (протоколы) оформляют в соответствии с приложением Б.
Диаграммы направленности оформляют в соответствии с приложением В.
Перечень измерительной контрольной аппаратуры, рекомендуемой для измерения параметров антенно-фидерных систем
Таблица А.1
|
Средство контроля и его основные параметры |
Значение параметра |
|
1 Измерительные антенны, диапазон, МГц: |
|
|
1.1 штырь |
0,01 - 30 |
|
1.2 рамочная антенна |
0,01 - 30 |
|
1.3 диполь |
26 - 300; 300 - 1000; 108 - 118; 328 - 336 |
|
1.4 логопериодическая антенна |
87 - 1000; 300 - 2000 |
|
1.5 рупорная антенна |
100 - 1000; 850 - 17400 |
|
1.6 логоспиральная антенна |
200 - 1000; 100 - 10000 |
|
2 Высокочастотный генератор |
|
|
- диапазон рабочих частот, МГц |
2,00 - 18000,00 |
|
- относительная погрешность установки частоты, %, не более |
1 |
|
- выходное напряжение, В, не менее |
1 |
|
- выходная мощность, Вт, не менее |
3 · 10-3 |
|
- режим работы |
НГ, AM, ЧМ и др. |
|
- выходное сопротивление, Ом |
50 |
|
3 Измерители комплексных коэффициентов передачи: |
|
|
- диапазон рабочих частот, МГц |
1 - 1250; 1000 - 4000; 1250 - 4000; 4000 - 12050 |
|
- погрешность измерения КСВН, % К (К - измеренная величина КСВН), не более |
± 3 К |
|
- погрешность измерения коэффициента передачи |Ax| - измеренное значение модуля коэффициента передачи, дБ, не более |
± (0,04 |Ax| + 1) |
|
4 Измерители импеданса: |
|
|
- диапазон рабочих частот, МГц |
0,05 - 110 |
|
- Q, единица, не менее |
5 - 1200 |
|
- Z, Ом |
1 - 30000 |
|
- j, ° |
0 ± 90; 180 ± 90 |
|
- С, пФ |
25 - 450 |
|
5 Измерители сопротивлений: |
|
|
- диапазон, мкОм - МОм |
600 - 20 |
|
6 Селективный микровольтметр: |
|
|
- диапазон рабочих частот, Гц - кГц, |
20 - 100; |
|
кГц - МГц, |
10 - 30; 9 - 3000; |
|
МГц, |
26 - 1000; |
|
- диапазон измеряемых уровней сигналов, дБ |
0 - 125 |
|
- точность измерений уровня сигналов, дБ |
± 0,8 |
|
- установка значений аттенюатора, дБ |
0 - 60 |
|
7 Селективный усилитель: |
|
|
- диапазон рабочих частот, Гц - кГц |
1 - 200 |
|
- коэффициент усиления, дБ, |
10 - 100 |
|
- чувствительность, мкВ |
3 |
|
- выходное напряжение, В, не менее |
1 |
|
- выходное сопротивление, Ом |
50 |
|
8 Электронно-счетный частотомер: |
|
|
- диапазон рабочих частот, Гц - МГц; |
1 - 1500 |
|
МГц |
1500 - 18000 |
|
- уровень входного сигнала для диапазона 1 Гц - 1500 МГц, В |
0,03 - 10 |
|
-уровень мощности входного сигнала для диапазона 1500 - 18000 МГц, мВт |
0,002 - 10 |
|
- диапазон измерения периода, секунды |
1 · 10-8 - 2 · 104 |
|
- относительная погрешность кварцевого генератора |
1,5 · 10-7 |
|
9 Бортовые радиостанции диапазонов ГКМВ, ДКМВ, MB и ДМВ: |
|
|
- диапазон частот, МГц |
0,3250 - 0,5999 |
|
0,2500 - 1,4999 |
|
|
2,000 - 9,9999 |
|
|
2,000 - 17,999 |
|
|
2,000 - 29,9999 |
|
|
100,000 - 150,000 |
|
|
220,000 - 400,000 |
|
|
10 Средства контроля АФУ бортовых радиостанций: |
|
|
- диапазон частот, МГц |
100 - 400 |
|
- мощность, Вт |
2 - 50 |
|
- КСВН, не более |
3,0 |
|
- волновое сопротивление, Ом |
50; 75 |
|
11 Устройство регистрации данных: |
- |
|
- ПЭВМ |
|
|
- АЦП |
Требования по содержанию протокола по результатам измерений
Б.1 Протокол по результатам измерений параметров АФУ на соответствие требованиям стандарта должен содержать следующие разделы:
- цель измерений;
- объект измерений;
- время и место измерений;
- характеристику измерительной установки (схемы, состав аппаратуры);
- методику измерений;
- результаты измерений;
- выводы по результатам измерений;
- заключение.
Б.2 Результаты измерений заносят в таблицу.
Таблица Б.1
|
Измеряемый параметр, наименование АФУ (антенны) |
Частота |
Требование стандарта |
||||
|
F1 |
F2 |
F3 |
... |
Fn |
||
|
Примечание - При необходимости таблицу можно дополнять другими графами. |
||||||
Бланк для нанесения диаграммы направленности измеряемых антенн

Рисунок В.1
График определения коэффициента усиления антенны радиотехнической системы ближней навигации

Рисунок Г.1
График определения коэффициента усиления антенны аппаратуры радиолокационного ответчика режима УВД
Рисунок Г.1
|
Правила по стандартизации |
Государственная система обеспечения единства измерений. Порядок проведения поверки средств измерений |
|
|
Ключевые слова: летательные аппараты, устройства связи антенно-фидерные, навигации, посадки, технические условия, нормативная документация, конструкторская документация на установку |