Occupational safety standards system. Personal protection of hands. Protective gloves against chemicals and micro-organisms. General technical requirements. Methods of testing

ФЕДЕРАЛЬНОЕ АГЕНТСТВО
ПО ТЕХНИЧЕСКОМУ РЕГУЛИРОВАНИЮ И МЕТРОЛОГИИ

НАЦИОНАЛЬНЫЙ
СТАНДАРТ
РОССИЙСКОЙ
ФЕДЕРАЦИИ

ГОСТ Р ЕН
374-
2009

Система стандартов безопасности труда

Средства индивидуальной защиты рук

ПЕРЧАТКИ, ЗАЩИЩАЮЩИЕ ОТ ХИМИКАТОВ
И МИКРООРГАНИЗМОВ

Общие технические требования. Методы испытаний

EN 374-1:2003 Protective gloves against chemicals and micro-organisms - Part 1:
Terminology and performance requirements
EN 374-2:2003
Protective gloves against chemicals and micro-organisms - Part 2:
Determination of resistance to penetration
EN 374-3:2003
Protective gloves against chemicals and micro-organisms - Part 3:
Determination of resistance to permeation by chemicals
(IDT)

Москва
Стандартинформ
2011

Предисловие

Цели и принципы стандартизации в Российской Федерации установлены Федеральным законом от 27 декабря 2002 г. № 184-ФЗ «О техническом регулировании», а правила применения национальных стандартов Российской Федерации - ГОСТ Р 1.0-2004 «Стандартизация в Российской Федерации. Основные положения»

Сведения о стандарте

1. ПОДГОТОВЛЕН ООО «Научно-испытательный центр «Резина и полимерные изделия» на основе собственного аутентичного перевода на русский язык стандарта, указанного в пункте 4

2. ВНЕСЕН Управлением технического регулирования и стандартизации Федерального агентства по техническому регулированию и метрологии

3. УТВЕРЖДЕН И ВВЕДЕН В ДЕЙСТВИЕ Приказом Федерального агентства по техническому регулированию и метрологии от 15 декабря 2009 г. № 1160-ст

4. Настоящий стандарт идентичен международным стандартам ЕН 374-1:2003 «Перчатки, защищающие от химических веществ и микроорганизмов. Часть 1. Термины и эксплуатационные требования» (EN 374-1:2003 «Protective gloves against chemicals and micro-organisms - Part 1: Terminology and performance requirements»), EH 374-2:2003 «Перчатки, защищающие от химических веществ и микроорганизмов. Часть 2. Определение сопротивления прониканию» (EN 374-2:2003 «Protective gloves against chemicals and micro-organisms - Part 2: Determination of resistance to penetration»), EH 374-3:2003 «Перчатки, защищающие от химических веществ и микроорганизмов. Часть 3. Определение сопротивления проницаемости химическим веществам» (EN 374-3:2003 «Protective gloves against chemicals and micro-organisms - Part 3: Determination of resistance to permeation by chemicals»)

Наименование настоящего стандарта изменено относительно наименования указанного европейского регионального стандарта для приведения в соответствие с ГОСТ Р 1.5-2004 (пункт 3.5)

5. ВВЕДЕН ВПЕРВЫЕ

Информация об изменениях к настоящему стандарту публикуется в ежегодно издаваемом информационном указателе «Национальные стандарты», а текст изменений и поправок - в ежемесячно издаваемых информационных указателях «Национальные стандарты». В случае пересмотра (замены) или отмены настоящего стандарта соответствующее уведомление будет опубликовано в ежемесячно издаваемом информационном указателе «Национальные стандарты». Соответствующая информация, уведомление и тексты размещаются также в информационной системе общего пользования - на официальном сайте Федерального агентства по техническому регулированию и метрологии в сети Интернет

СОДЕРЖАНИЕ

1. Область применения. 3

2. Нормативные ссылки. 3

3. Термины и определения. 3

4. Эксплуатационные требования. 4

5. Методы испытания. 5

5.1. Методы испытания герметичности. 5

5.2. Метод определения коэффициента проницаемости. 9

6. Маркировка. 14

7. Информация, предоставляемая изготовителем.. 15

Приложение А (обязательное) Перечень химических веществ для испытаний. 15

Приложение В (справочное) Справочное приложение, используемое для оценки качества в процессе производства. 15

Приложение ДА (справочное) Сведения о соответствии ссылочных международных стандартов ссылочным национальным стандартам Российской Федерации. 16

НАЦИОНАЛЬНЫЙ СТАНДАРТ РОССИЙСКОЙ ФЕДЕРАЦИИ

Система стандартов безопасности труда

Средства индивидуальной защиты рук

ПЕРЧАТКИ, ЗАЩИЩАЮЩИЕ ОТ ХИМИКАТОВ И МИКРООРГАНИЗМОВ

Общие технические требования. Методы испытаний

Occupational safety standards system. Means of personal protection of hands.
Protective gloves against chemicals and micro-organisms.
General technical requirements. Test methods

Дата введения - 2010-12-01

1. Область применения

Настоящий стандарт устанавливает требования к перчаткам, защищающим от химических токсических веществ и/или микроорганизмов, и методы их испытания.

Настоящий стандарт устанавливает методы определения коэффициента проницаемости и герметичности материала перчаток.

2. Нормативные ссылки

Для настоящего стандарта обязательны ссылки на стандарты, приведенные ниже. При датированных ссылках действительно приведенное издание. При недатированных ссылках действительно последнее издание приведенного стандарта (включая изменения).

В настоящем стандарте использованы нормативные ссылки на следующие стандарты:

ЕН 388:2003 Перчатки, защищающие от механических повреждений (EN 388:2003 Protective gloves against mechanical risks)

EH 407:2004 Перчатки, защищающие от термических рисков (тепла и/или огня) (EN 407:2004 Protective gloves against thermal risks [heat and/or fire])

EH 420:2004 Общие требования к перчаткам (EN 420:2004 Protective gloves - General requirements and test methods)

ИСО 2859-1:1999 Процедуры выборочного контроля по альтернативному признаку. Часть 1. Планы выборочного контроля с указанием приемлемого уровня качества (AQL) для последовательного контроля партий (ISO 2859-1:1999 Sampling procedures for inspection by attributes - Part 1. Sampling schemes indexed by acceptance quality limit (AQL) for lot-by-lot inspection

ИСО 23529:2010 Каучук. Общие методы приготовления и кондиционирования испытательных образцов для испытаний физических свойств (Rubber - General procedures for preparing and conditioning test pieces for physical test methods)

3. Термины и определения

В настоящем стандарте применены следующие термины с соответствующими определениями:

3.1 материал для изготовления защитных перчаток (protective glove material): Любой материал или комбинация материалов, используемые для изготовления перчаток, предназначенных для защиты от химических токсичных веществ и микроорганизмов.

3.2 перчатки, защищающие от микроорганизмов (protective gloves against micro-organism): Перчатки, непроницаемые по методу 5.2, пригодны для защиты от бактерий и грибков, но не от вирусов.

3.3 разрушение (degradation): Изменение одного или нескольких механических свойств материала защитных перчаток вследствие контакта с химическим веществом.

Примечание - Разрушение материала перчаток может сопровождаться отслаиванием, набуханием, разложением, обесцвечиванием, хрупкостью, увеличением жесткости и твердости, изменением размеров, внешнего вида.

3.4 проникновение (penetration): Проникновение химического вещества или микроорганизма на надмолекулярном уровне через поры материала, трещины, микроотверстия или другие дефекты материала защитных перчаток.

3.5 проникание (permeation): Проникновение химического вещества через материал защитных перчаток на молекулярном уровне: межмолекулярное взаимодействие химического вещества с поверхностью материала; набухание материала, диффузия молекул через защитный материал; десорбция молекул с внутренней поверхности материала.

3.6 химическое вещество для испытания (test chemical): Химическое вещество или смесь химических веществ, которое используют для определения времени его проницания при испытании в лабораторных условиях.

Примечание - Химическое вещество должно оказывать вредное воздействие на кожу или тело человека.

3.7 проницаемость материала (permeability of the material): Способность химического вещества проникать через конкретный материал или комбинацию материалов.

3.8 коэффициент проницаемости (permeability coefficient): Параметр стационарного процесса диффузии химического вещества через материал определенной толщины, характеризующий количество проникающей при стационарном режиме жидкости через единицу поверхности материала единичной толщины в единицу времени (µг · см-2 · мин-1).

Примечание - Коэффициент проницаемости, определяемый по настоящему стандарту, является условной величиной. Из-за того, что стандарт распространяется, в том числе, и на многослойные материалы, при определении коэффициента проницаемости не учитывается толщина материала.

3.9 время проникания (breakthrough time): Время между моментом нанесения химического вещества на лицевую поверхность материала и моментом его появления на изнаночной стороне материала, рассчитанное по настоящему стандарту.

3.10 газ-носитель или жидкость-носитель (collectiong medium): Газ или жидкость, в которых проникающее химическое вещество свободно растворяется до насыщенной концентрации более чем на 0,5 % по массе или 0,5 % по объему.

3.11 продолжительность выдержки (delay time): Время определения аналитическим контрольно-измерительным прибором появления химического вещества на внутренней стороне образца для испытания.

3.12 замкнутая система (closed loop): Система определения проницания, в которой химическое вещество рециркулирует через секции ячейки для проницания.

Примечание - Замкнутый цикл не применяют к газообразной адсорбирующей среде.

3.13 разомкнутая система (open loop): Система определения проникания, когда накопленное химическое вещество проходит через секции ячейки для проницания без рециркуляции.

Примечание - Разомкнутые системы могут быть использованы как для жидкой, так и для газообразной адсорбирующей среды.

4. Эксплуатационные требования

4.1. Минимальная длина водонепроницаемой области перчатки

Минимальная длина водонепроницаемой области перчатки должна быть равна минимальной длине перчатки в соответствии с ЕН 420.

4.2. Проникание

4.2.1. При необходимости проведения испытаний для определения коэффициента проницаемости материала перчаток в соответствии с требованиями 5.2 к испытаниям допускаются перчатки, прошедшие контроль герметичности в соответствии с 5.1.

Настоящий стандарт не исключает применение других методов оценки показателей, характеризующих процесс диффузии жидкости. Применение этих методов необходимо обосновывать, если они не регламентированы другими стандартами.

4.2.2. Перчатку считают защищающей от микроорганизмов в том случае, если испытания в соответствии с 5.1 подтверждают ее герметичность.

4.3. Проницаемость

4.3.1. Защитные свойства перчаток зависят как от химической природы агрессивного вещества, так и химической природы материала перчаток. Необходимо проводить испытания перчаток каждого вида по отношению к каждому классу химических веществ в соответствии с приложением А. В данном приложении регламентировано, какие вещества являются тестовыми для каждого класса веществ.

Примечание - Приведенное ниже деление на классы стойкости к прониканию основано на показателе «время проникания», определенном в соответствии с таблицей 1. Реальное время защиты перчаток при их использовании на конкретном рабочем месте может значительно отличаться от приведенного в таблице 1 времени проникания.

Таблица 1 - Классы стойкости к прониканию

Время проникания, мин

Классы стойкости к прониканию

Более 10

1

Более 30

2

Более 60

3

Более 120

4

Более 240

5

Более 480

6

4.3.2. Перчатка каждого вида должна соответствовать, по крайней мере, второму классу стойкости к прониканию при испытании как минимум трех классов химических веществ, приведенных в приложении А.

4.4. Механические характеристики

Для каждого типа перчаток, заявленных как защищающие от химических агрессивных веществ и микроорганизмов, в инструкции, представленной изготовителем, должны быть приведены данные по следующим механическим показателям: сопротивление истиранию, сопротивление порезу, сопротивление разрыву, сопротивление проколу, определенным в соответствии с ЕН 388.

5. Методы испытания

5.1. Методы испытания герметичности

5.1.1. Отбор образцов

Для типовых испытаний отбирают по одной перчатке каждого размера, но не менее четырех перчаток. Если одна перчатка не выдержала испытание, то ее регистрируют как не выдержавшую испытание. При производственном контроле, т.е. при осуществлении контроля производителем или аудиторской организацией, испытания проводят в соответствии с приложением В.

5.1.2. Оценка герметичности сжатым воздухом

Перчатку помещают в воду и вовнутрь подают сжатый воздух. Места нарушения герметичности определяются потоком пузырьков воздуха с поверхности перчатки.

Оценка герметичности сжатым воздухом применима не ко всем перчаткам. Для перчаток, разные части которых наполняются воздухом неравномерно, рекомендуется использовать гидравлический метод оценки герметичности.

И в том и в другом случае не принимают во внимание появления капель на расстоянии 40 мм от края водонепроницаемой области.

5.1.2.1. Аппаратура для испытания

5.1.2.1.1. Конический стакан для крепления и дальнейшего испытания перчатки (рисунок 1). Он должен вращаться вокруг оси на 180°.

5.1.2.1.2. Устройство для подачи воздуха.

5.1.2.1.3. Ванна с водой.

5.1.2.1.4. Манометр с диапазоном измерения от 0 кПа до 10 кПа.

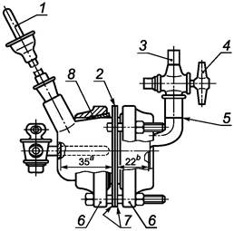
1 - подводка к манометру; 2 - невозвратный клапан; 3 - подводка к панели инструментов; 4 - круглый удерживающий стержень

Рисунок 1 - Конический стакан

5.1.2.1.5. Устройство для контроля необходимого давления.

На рисунке 2 представлена схема установки для оценки герметичности сжатым воздухом.

1 - манометр; 2 - гибкие трубки; 3 - невозвратный клапан; 4 - круглый удерживающий стержень;
5 - подача воды; 6 - манометр; 7 - регулятор давления; 8 - панель инструментов;
9 - подача сжатого воздуха; 10 - ванна

Рисунок 2 - Установка для оценки герметичности сжатым воздухом

5.1.2.2. Методика проведения испытания

5.1.2.2.1. Перчатку аккуратно извлекают из упаковки. Записывают идентификационный номер образца, номер партии, размер партии и наименование торговой марки. Осматривают перчатку на наличие разрывов, отверстий, надрывов. При обнаружении указанных дефектов перчатку регистрируют как не прошедшую визуальный осмотр.

5.1.2.2.2. Перчатку закрепляют на коническом стакане и, опустив перчатку в воду комнатной температуры, наполняют ее воздухом до давления P, кПа, контролируемого манометром по формуле (1)

P = X + p,                                                               (1)

где X - давление воздуха, зависящее от толщины перчаток и определяемое по таблице 2;

p - избыточное давление, определяемое по формуле (2)

p = (Hп) · δ/100,                                                          (2)

где Hп - расстояние от поверхности воды до кончиков пальцев погруженной перчатки;

δ - избыточное давление, задаваемое на каждые 100 мм Hп.

Например, при погружении кончиков пальцев на глубину 250 мм δ составляет 2,5 кПа.

Допустимое значение давления P должно составлять ±10 %.

Перчатку выдерживают при давлении P в течение 2 мин, после чего проводят в течение 30 с ее осмотр с целью выявления возможного появления пузырьков воздуха.

Таблица 2

Номинальная толщина перчатки, e, представленная изготовителем, мм

Давление воздуха X, кПа

e £ 0,3

0,5

0,3 < e £ 0,5

2,0

0,5 < e £ 1,0

5,0

e > 1,0

6,0

5.1.2.2.3. Перчатки длиной до 250 мм погружают в воду вертикально, так чтобы вода покрывала как можно большую поверхность перчатки.

Перчатки длиной более 250 мм погружают в воду под углом, причем глубина погружения кончика среднего пальца должна составлять (250 ± 10) мм. Погружение необходимо осуществлять таким образом, чтобы вода покрывала как можно большую поверхность перчатки.

Перчатку, закрепленную на коническом стакане, поворачивают и осматривают всю ее поверхность на наличие пузырьков воздуха (рисунок 2).

5.1.3. Гидравлический метод оценки герметичности

Перчатку наполняют водой. Места нарушения герметичности определяют по появлению капель воды на внешней поверхности перчатки.

5.1.3.1. Аппаратура

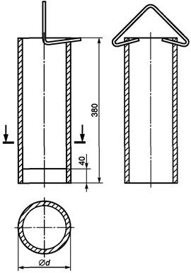
5.1.3.1.1. Используют пластиковую полую трубку длиной 380 мм и таким диаметром, чтобы удерживать испытуемую перчатку. Трубка снабжена крючком у верхнего края. На расстоянии 40 мм от нижнего края нанесена метка (рисунок 3).

5.1.3.1.2. Эластичная лента с закрывающим зажимом или другой зажимный материал.

5.1.3.1.3. Стенд с горизонтальной штангой для удерживания трубки с крючком (рисунок 4). Штанга должна удерживать все количество испытуемых перчаток.

5.1.3.1.4. Устройство для подачи воды объемом не менее 1000 см3 воды.

5.1.3.1.5. Допускается использовать любое другое приспособление для крепления перчатки. Приспособление должно удерживать на стержне перчатку, наполненную водой до 40 мм от края манжеты. Диаметр трубки должен соответствовать диаметру перчатки. Приспособление должно удерживать перчатку, даже если перчатка наполнена большим количеством воды.

5.1.3.2. Методика проведения испытания

5.1.3.2.1. Перчатку аккуратно извлекают из упаковки. Записывают идентификационный номер образца, номер партии, размер партии и наименование торговой марки. Осматривают перчатку на наличие разрывов, отверстий, надрывов. Если указанные дефекты обнаружены, то регистрируют, что перчатка не прошла визуальный осмотр.

5.1.3.2.2. Перчатку надевают на открытый конец пластиковой трубки, совмещая край манжеты с отметкой в 40 мм (рисунок 3), и закрепляют эластичной лентой, чтобы крепление было водонепроницаемым.

Рисунок 3 - Трубка с крючком

Рисунок 4 - Стенд для удерживания трубки

5.1.3.2.3. Перчатку через трубку наполняют водой комнатной температуры объемом 1000 см3, так чтобы достичь отметки в 40 мм.

Примечания

1. Некоторое количество воды может остаться в патрубке, это зависит от материала и размеров испытуемой перчатки.

2. Для исключения чрезмерного растяжения перчатки под весом воды может быть использовано специальное приспособление.

5.1.3.2.4. Перчатку осматривают с целью обнаружения протечки. Не допускается при осмотре перчатки оказывать на нее какое-либо физико-механическое воздействие. С целью обеспечения хорошего обзора поверхности перчатки допускается наклонять ее в ту или иную сторону и/или поворачивать вдоль оси. Капли воды, указывающие на протечку, определяют визуально. Для обнаружения капель на поверхности перчатки допускается обрабатывать ее тальком.

5.1.3.2.5. Если протечка сразу не обнаружена, то перчатку в подвешенном состоянии выдерживают в течение 2 мин, а затем снова проверяют на наличие протечки в соответствии с 5.1.3.2.4.

5.1.3.3. Отчет об испытании

Отчет об испытании должен включать следующую информацию:

- полные идентификационные данные испытуемой перчатки;

- результат визуального осмотра;

- результат оценки герметичности сжатым воздухом и/или гидравлическим способом;

- в случае испытания воздухом - значение используемого давления;

- причины отказа от использования того или иного метода оценки герметичности.

5.2. Метод определения коэффициента проницаемости

5.2.1. Принцип определения коэффициента проницаемости

Определение коэффициента проницаемости материала защитной перчатки по отношению к жидким химическим веществам проводят путем измерения количества проникшего вещества через материал перчатки во времени.

В процессе испытания образец материала перчатки разделяет используемое при испытании химическое вещество и сорбирующую среду, которая может быть газообразной, жидкой или твердой. Проникшее химическое вещество сорбируется и в зависимости от физического состояния сорбирующей среды регистрируется тем или иным методом количественного анализа.

Строят кривую изменения количества проникшей жидкости Q во времени t (рисунок 5). В зоне установившейся постоянной скорости проникания (часть кривой, представляющая собой наклонную прямую линию) вычисляют коэффициент проницаемости.

5.2.2. Сорбирующая среда

Рисунок 5 - Кривая изменения количества проникшей жидкости Q во время t

5.2.2.1. Общее

По возможности необходимо использовать газообразную сорбирующую среду (газ-носитель).

5.2.2.2. Газообразная сорбирующая среда (газ-носитель)

В качестве газообразной сорбирующей среды может применяться сухой воздух, азот или сухой негорючий инертный газ (например, гелий).

Примечание - Газ, используемый для сорбции проникающего через испытуемый образец химического вещества, должен поступать непрерывным протоком.

5.2.2.3. Жидкая сорбирующая среда (жидкость-носитель)

Вода или другая жидкость, которая не влияет на сопротивление материала к проницаемости.

Примечание - Используемая жидкость-носитель предназначена для сорбции проникающего через испытуемый образец химического вещества и, следовательно, должна постоянно циркулировать или перемешиваться.

5.2.2.4. Твердая сорбирующая среда

В тех случаях, когда химическое вещество не может быть сорбировано газообразной или жидкой сорбирующей средой, следует использовать твердый сорбент, например пористый полимер. При использовании твердого сорбента необходимо скорректировать методику испытаний и расчетов результатов испытаний.

5.2.3. Аппаратура

5.2.3.1. Диффузионная ячейка

Детали устройства для испытания не должны взаимодействовать с химическим веществом, используемым при испытании.

Диффузионная ячейка прибора для определения проницаемости состоит из двух стеклянных секций, разделенных испытуемым образцом. Внешняя сторона испытуемого образца контактирует с химическим веществом для испытания, внутренняя - с сорбирующей средой (рисунок 6 и 7).

1 - съемная мешалка, позволяющая постоянно контролировать воздух или азот; 2 - образец; 3 - впускное отверстие;
4 - запорный клапан; 5 - уровень заполнения; 6 - держатель ячейки проницания (фланцы, обычно изготовленные из алюминия);
7 - держатель материала образца (заглушки, обычно изготовленные из фторопласта); 8 - клиновидный удерживающий отсек;
а - секция сбора сорбирующей среды (газообразной или жидкой) общим объемом 100 см3;
b - секция обмена для испытуемого химического вещества

Рисунок 6 - Вариант ячейки для определения проницаемости (вид сбоку)

1 - запорный клапан; 2 - впускное отверстие;
3 - трубка для отбора жидкости или газа;
4 - выпускное отверстие

Рисунок 7 - Вариант ячейки для определения проницаемости (вид сзади)

В представленной конструкции допуск на каждый размер не должен превышать ± 2 мм. Внутренний диаметр открытого конца ячейки равен 51 мм. Варианты конструкции диффузионной ячейки приведены на рисунках 6 и 7.

Вместо стекла могут быть использованы другие материалы, особенно когда испытания проводят с химическими веществами, которые не совместимы со стеклом, например фтористо-водородная кислота.

Открытые концы секций снабжены соединительными шарнирами, впускное и выпускное отверстия секций - соответствующими запорными клапанами.

Выпускное отверстие секции, содержащее химическое вещество для испытания, может быть закрыто заглушкой или клапаном.

В рабочем состоянии две секции удерживаются вместе при помощи фланцев, изготовленных из алюминия, нержавеющей стали или другого подходящего материала. Образец для испытания находится между двумя фланцами (рисунок 6).

Могут быть использованы ячейки других конструкций, обеспечивающие аналогичные условия испытания.

5.2.3.2. Камера с контролируемой температурой, шкаф или водяная баня

Используют камеру с контролируемой температурой, шкаф или водяную баню, способные поддерживать постоянную температуру в пределах ± 1 °C ячейки во время всего испытания. Использование водяной бани для испытаний перчаток без тканевой основы возможно только в тех случаях, когда приняты меры для предотвращения испарения воды, т.е. путем помещения ячейки в водонепроницаемый пакет.

5.2.3.3. Подача газа-носителя (сухой воздух, азот, гелий)

Подача газа осуществляется за счет устройства, включающего регулятор и измеритель потока, соединенного с внутренней стороной секции диффузионной ячейки. Скорость потока через эту секцию должна быть эквивалентна 5 (± 0,5)-кратному изменению объема в минуту. Тщательно измеряют объем собирающей секции путем взвешивания ячейки до и после заполнения секции водой.

Примечание - Необходимая скорость потока достигается за счет использования регулятора или подходящего устройства контроля давления во внутренней стороне секции с сорбирующим веществом или насоса на внешней стороне анализатора. Выбор конструкции определяется в основном методом сбора или обнаружения химического вещества для испытания.

5.2.3.4. Струйный насос и мешалка (в случае с жидкой сорбирующей средой)

Жидкость в собирающей секции ячейки должна тщательно перемешиваться для обеспечения равномерности распределения проникшей жидкости в жидкости-носителе.

Части насоса, мешалки или другого оборудования не должны загрязнять жидкость, проходящую через сорбирующую секцию ячейки.

5.2.3.5. Оборудование для количественного определения химического вещества для испытания или его компонентов в сорбирующей среде

Аналитическая система должна быть достаточно чувствительной к химическому веществу для испытания при измерении скорости проницания в 1 мкг · см-2 · мин-1. Измеряют время запаздывания аналитической системы. Если время запаздывания превышает 60 с, время проникания корректируют по отношению к реальному времени запаздывания. В случае если испытывают смеси, то оборудование должно обеспечивать возможность обнаружить все составляющие компоненты. Вне зависимости от используемого аналитического оборудования давление и поток сорбирующей среды должны поддерживаться постоянными.

Настоящий стандарт предусматривает использование аналитического оборудования для непосредственного проведения измерения концентрации проникшего вещества в потоке газа или жидкости. Допустимо использование сорбентов, оборудования для отбора образцов и методов измерения количества проникшего вещества, связанных со спецификой применяемого аналитического оборудования (например, ультрафиолетовая и инфракрасная спектрофотометрия, газовая и жидкостная хроматография, колометрия, радионуклидный метод).

5.2.3.6. Таймер

Часовое устройство, способное измерять прошедшее время до 480 мин с точностью до секунды.

5.2.4. Образцы для испытания

5.2.4.1. Образец для испытания каждого материала должен иметь такой же диаметр поперечного сечения, что и фланец ячейки проницания (68 мм в случае, если используется рекомендуемая ячейка).

5.2.4.2. Образцы для испытания отбирают из той же области перчатки, которую испытывают на проникание. Если конструкция перчатки однородна, то испытывают три перчатки, отбирая по одному образцу из ладонной части. В том случае, если конструкция перчатки неоднородна, то испытывают по одному образцу каждой части поверхности перчатки, включая швы. При этом дополнительно отбирают по два образца от двух перчаток с наименьшим временем проникания.

5.2.5. Методика проведения испытания

5.2.5.1. Калибровка

Предварительно проводят калибровку аналитического оборудования.

5.2.5.2. Подготовка образцов для испытания и оборудования

Образец для испытания кондиционируют при температуре (23 ± 2) °C в течение 24 ч.

Толщину каждого образца измеряют в пяти точках: первая - в центре образца и четыре остальные в 10 мм от края образца на двух взаимно перпендикулярных диаметрах в соответствии с ИСО 23529.

Образец для испытания помещают между двумя половинками ячейки таким образом, чтобы он не был в напряженном состоянии. Внешняя поверхность материала перчатки должна соприкасаться с химическим веществом для испытания. Плотно закручивают болты, чтобы в системе не было утечек.

Заполненную ячейку помещают в камеру с контролируемой температурой, термошкаф или водяную баню (5.2.3.2) при требуемой температуре.

5.2.5.3. Условия кондиционирования

Стандартная температура испытаний составляет (23 ± 1) °C. Время проникания и коэффициент проницаемости зависят от температуры, поэтому при необходимости в соответствии с назначением перчаток проводят дополнительные испытания при других температурах.

Регулируют подачу газа-носителя или жидкости-носителя (5.2.3.3 и 5.2.3.4). После того, как система стабилизирована и подсоединена к аналитическому устройству (5.2.3.2), подачу газа-носителя или жидкости-носителя еще раз проверяют.

5.2.5.4. Момент начала отсчета количества проникающего химического вещества

Отсчет количества проникающего химического вещества начинают после установления постоянной скорости его диффузии через материал, что соответствует участку кривой изменения во времени количества проникшей через образец жидкости, представляющему собой отрезок наклонной прямой.

5.2.5.5. Методика определения коэффициента проницаемости

5.2.5.5.1. Общее

Испытуемое химическое вещество при заданной температуре с точностью (± 1) °C помещают в секцию обмена ячейки (рисунок 6) и включают таймер (5.2.3.6). При этом секция, содержащая химическое вещество для испытания, должна быть полностью заполнена в течение всего испытания.

5.2.5.5.2. Разомкнутая система

В зависимости от используемого оборудования для оценки коэффициента проницаемости (5.2.3.5) постоянно проводят аналитические измерения либо отбирают отдельные образцы проб через определенные промежутки времени. В последнем случае регистрируют среднее значение времени, прошедшего между последовательным отбором проб и временем проведения испытаний каждого образца.

Коэффициент проницаемости P рассчитывают по формуле

                                                                 (3)

где Ci - концентрация химического вещества в сорбирующей среде в течение времени ti, мкг/дм3;

F - скорость потока сорбирующей среды, дм3/мин;

А - контактирующая поверхность материала образца, см2.

5.2.5.5.3. Замкнутая система

Расчет коэффициента проницаемости между двумя последовательными отборами проб проводят по формуле (4), если проницаемость незначительна по отношению к общему объему химического вещества или химическое вещество для испытания измеряют непосредственно на аналитическом оборудовании.

                                                         (4)

В случае, если проницаемость значительна по отношению к общему объему химического вещества, расчет коэффициента проницаемости между двумя последовательными отборами проб проводят по формуле

                                                  (5)

В случае увеличения концентрации химического вещества в сорбирующей среде после каждого отбора пробы формула (5) принимает вид

                                               (6)

где Pi - коэффициент проницаемости, мкг · см-2 · мин-1;

А - контактирующая поверхность материала образца, см2;

i - индекс, присваиваемый каждому отдельному образцу, начиная с i = 1 для первого образца;

ti - время испытания после удаления i-го образца, мин;

Ci - концентрация химического вещества в сорбирующей среде за время ti, мкг/дм3;

Vt - общий объем диффундирующего химического вещества, дм3;

Vs - объем отдельной пробы, отобранной из сорбирующей среды, дм3.

Примечание - Если коэффициент проницаемости со временем начинает уменьшаться, возможно, что сорбирующая среда становится насыщенной. Метод определения проницаемости следует изменить на разомкнутую систему, а скорость потока увеличить.

5.2.5.5.4. Осмотр на наличие разрушения образца для испытания

Сразу же после вскрытия ячейки осматривают образец для испытания на наличие разрушения и отмечают какие-либо изменения.

5.2.5.6. Выражение результатов

5.2.5.6.1. За результат коэффициента проницаемости принимают минимальное из полученных при параллельных испытаниях значение.

5.2.5.6.2. Регистрируют также температуру испытания (°C) и температурный предел во время испытания.

5.2.6. Отчет об испытании

5.2.6.1. Для каждого испытуемого защитного материала перчатки оформляют отчет об испытании, в котором фиксируют сопротивление материала химическому веществу для испытания и температуру испытания.

5.2.6.2. Записывают данные изготовителя по представленному материалу для испытания.

5.2.6.3. Регистрируют толщину каждого образца материала с точностью до 0,01 мм. Рассчитывают и записывают среднюю толщину образцов для испытания каждого материала.

5.2.6.4. Записывают наименование химического вещества для испытания, в том случае, если он многокомпонентный, - концентрацию каждого компонента, если это известно.

5.2.6.5. В соответствии с 5.2.6 регистрируют результаты испытаний.

5.2.6.6. Отмечают любое отклонение от методики проведения испытания.

5.2.6.7. Фиксируют любые физические изменения образца для испытания (5.2.5.5.4).

5.2.6.8. Для каждого испытуемого защитного материала перчатки записывают всю необходимую информацию: сорбирующая среда, разомкнутая или замкнутая система, количество изменений объема секции в минуту, используемое аналитическое оборудование.

6. Маркировка

Маркировка защитных перчаток должна соответствовать требованиям маркировки по ЕН 420. Используют пиктограммы, приведенные на рисунках 8 и 9. Обе пиктограммы не могут быть использованы для одной перчатки. Пиктограмму сопровождают номером настоящего стандарта.

Для перчаток, соответствующих требованиям 4.3 и 4.2, используют пиктограмму рисунка 8. Она должна сопровождаться кодовой буквой химического вещества в соответствии с приложением А.

Рисунок 8 - Пример химической пиктограммы с информацией

Для перчаток, соответствующих 4.2.1, используют пиктограммы рисунка 9.

Рисунок 9 - Пиктограммы для водонепроницаемых перчаток
с низким уровнем защиты от химических веществ

7. Информация, предоставляемая изготовителем

Информация, предоставляемая изготовителем, должна соответствовать требованиям, приведенным в ЕН 420, и включать перечень химических веществ, по которым были проведены испытания, и классы, которые были получены в результате испытания на проницаемость. Если этот перечень составляет лишь часть необходимой информации, это должно быть четко отражено и дана ссылка, где можно получить дополнительную информацию, например отдельная брошюра, номер телефона или факса, сайт в Интернете и т.д.

Необходимо отметить, что данная информация не отражает действительной продолжительности защиты перчаток на рабочем месте, так как температура, истирание (износ), разрушение также влияют на эксплуатационные характеристики изделия.

Поэтому должен быть указан приемлемый уровень качества и соответствующий уровень контроля для защиты от проницаемости (приложение В).

Приложение А
(обязательное)

Перечень химических веществ для испытаний

Код

Тестовое химическое вещество

Классы химических веществ

А

Метанол

Спирты

В

Ацетон

Кетоны

С

Ацетоннитрил

Эфиры

D

Дихлорметан

Хлорированные углеводороды

Е

Сероуглерод

Серосодержащие органические соединения

F

Толуол

Ароматические углеводороды

G

Диэтиламин

Амины

Н

Тетрагидрофуран

Гетероциклические соединения

I

Этилацетат

Сложные эфиры

J

Н-гептан

Насыщенные углеводороды

K

40 %-ный едкий натр

Щелочи

L

93 %-ная серная кислота

Неорганические кислоты

Приложение В
(справочное)

Справочное приложение, используемое для
оценки качества в процессе производства

Перчатки, отобранные из одной партии, должны быть проверены в соответствии с ИСО 2859. Планы выборочного контроля и приемлемый уровень качества (AQL) должны соответствовать требованиям, приведенным в таблице B.1, или требованиям, установленным потребителем и продавцом, не только в том случае, если эти требования более жесткие.

Таблица В.1

Эксплуатационные уровни

Приемлемый уровень качества

Уровень контроля

Уровень 3

< 0,65

G1

Уровень 2

< 1,5

G1

Уровень 1

< 4,0

S4

Приложение ДА
(справочное)

Сведения о соответствии ссылочных международных стандартов
ссылочным национальным стандартам Российской Федерации

Таблица ДА.1

Обозначение ссылочного международного стандарта

Степень
соответствия

Обозначение и наименование
соответствующего национального стандарта

ЕН 388:2003

IDT

ГОСТ Р ЕН 388-2009 «Система стандартов безопасности труда. Средства индивидуальной защиты рук. Перчатки защитные от механических воздействий. Технические требования. Методы испытаний»

ЕН 407:2004

IDT

ГОСТ Р ЕН 407-2009 «Система стандартов безопасности труда. Средства индивидуальной защиты рук. Перчатки для защиты от повышенных температур и огня. Технические требования. Методы испытаний»

ЕН 420:2004

-

*

ИСО 2859-1:1999

IDT

ГОСТ Р ИСО 2859-1-2007 «Статистические методы. Процедуры выборочного контроля по альтернативному признаку. Часть 1. Планы выборочного контроля последовательных партий на основе приемлемого уровня качества»

ИСО 23529:2010

-

*

* Соответствующий национальный стандарт отсутствует. До его утверждения рекомендуется использовать перевод на русский язык данного международного стандарта. Перевод данного международного стандарта находится в Федеральном информационном фонде технических регламентов и стандартов.

Примечание - В настоящей таблице использовано следующее условное обозначение степени соответствия стандартов:

- IDT - идентичные стандарты.

 

Ключевые слова: перчатки защитные, химические вещества, микроорганизмы, проникание, проницаемость, маркировка, информация производителя