Некоммерческое Партнерство «Инновации в электроэнергетике»
|
|
СТАНДАРТ |
СТО |
СИСТЕМЫ КИП И ТЕПЛОВОЙ АВТОМАТИКИ ТЭС
УСЛОВИЯ СОЗДАНИЯ
НОРМЫ И ТРЕБОВАНИЯ
Дата введения - 2010-01-29
Москва
2009
Предисловие
Цели и принципы стандартизации в Российской Федерации установлены Федеральным законом от 27 декабря 2002 г. № 184-ФЗ «О техническом регулировании», а правила применения стандарта организации - ГОСТ Р.1.4-2004 «Стандартизация в Российской Федерации. Стандарты организаций. Общие положения».
Сведения о стандарте
1. РАЗРАБОТАН Филиалом ОАО «Инженерный центр ЕЭС» - «Фирма ОРГРЭС»
2. ВНЕСЕН Комиссией по техническому регулированию НП «ИНВЭЛ»
3. УТВЕРЖДЕН И ВВЕДЕН В ДЕЙСТВИЕ Приказ НП «ИНВЭЛ» от 31.12.2009 № 101/1
4. ВВЕДЕН ВПЕРВЫЕ
СОДЕРЖАНИЕ
СТАНДАРТ ОРГАНИЗАЦИИ
СИСТЕМЫ КИП И ТЕПЛОВОЙ АВТОМАТИКИ ТЭС
УСЛОВИЯ СОЗДАНИЯ
НОРМЫ И ТРЕБОВАНИЯ
Дата введения - 2010-01-29
1.1 Объектом регулирования настоящего стандарта является процесс разработки и создания по ГОСТ 25866 системы контроля и управления, реализованной на автономных технических средствах (КИПиА), объектом управления которых являются технологические процессы основного и/или вспомогательного оборудования ТЭС по ГОСТ 34.003.
Настоящий стандарт определяет общие требования к системам контроля и управления на автономных технических средствах, относящиеся к:
- стадиям создания, включая:
а) организацию и проведение проектных, строительно-монтажных и наладочных работ по созданию КИПиА, передачу КИПиА в эксплуатацию;
б) организацию мероприятий по подготовке оперативного и ремонтного персонала;
в) создание условий реализации технических требований к подсистемам и техническим средствам КИПиА.
- структуре;
- функционированию и реализации задач контроля и управления и др.;
- техническому обеспечению;
- метрологическому обеспечению;
- показателям надежности и безопасности, обеспечивающим работоспособность систем контроля и управления ТЭС при их функционировании во всех эксплуатационных режимах.
1.2 Настоящий стандарт распространяется на вновь проектируемые и модернизируемые системы контроля и управления теплоэнергетическим оборудованием ТЭС с энергоблоками (агрегатами) мощностью не более 180 МВт, а также на отдельные объекты ТЭС: ХВО, мазутное хозяйство, газовое хозяйство и др., на которых по каким-либо причинам не может быть выполнена система управления на средствах вычислительной техники.
1.3 Настоящий стандарт предназначен для применения лицами и/или организациями, не зависимо от форм собственности:
- владеющими ТЭС и/или осуществляющих функции эксплуатирующей организации;
- проектными, конструкторскими, строительными, монтажными, наладочными и другими организации, привлекаемые заказчиком к созданию системы контроля и управления на «традиционных» технических средствах;
- эксплуатирующими, экспертными и иными специализированными организациями, в любой форме привлекаемые заказчиком к разработке, приемке и экспертизе проектов, выполнению на ТЭС экспериментальных, ремонтных и других видов работ;
- заказчиками при заключении договоров подряда с проектными и иными подрядными организациями на проектирование, изготовление, монтаж, наладку и ввод в работу системы контроля и управления ТЭС;
- проектными, конструкторскими, строительными, монтажными, наладочными и другими организациями (в части касающейся).
1.4 Настоящий стандарт не распространяется на вопросы создания систем контроля и управления ТЭС, относящиеся к сфере действия иных стандартов и не учитывает все возможные особенности исполнения его требований при создании КИПиА, реализуемых на разнотипных технических средствах, для различных технологических объектов или имеющих разный объем функций.
1.5 В развитие настоящего стандарта каждая проектная организация, имеющая право выполнять функции генпроектировщика, может в установленном порядке разработать, утвердить и применять собственный стандарт, учитывающий традиции организации, особенности объектов автоматизации, используемых технических средств и не противоречащий и не снижающий уровень требований настоящего стандарта и заводской документации.
В настоящем стандарте использованы нормативные ссылки на следующие законодательные акты и национальные стандарты:
Федеральный закон № 116-ФЗ от 21.07.97 г. «О промышленной безопасности опасных производственных объектов»
Федеральный закон № 184-ФЗ от 27.12.2002 г. «О техническом регулировании».
ГОСТ Р 1.4-2004 Стандартизация в Российской Федерации. Стандарты организации. Общие положения.
ГОСТ Р 50571.3-2009 Электроустановки низковольтные. Часть 4-41. Требования для обеспечения безопасности. Защита от поражения электрическим током.
ГОСТ Р 51317.4.2-2010 Совместимость технических средств электромагнитная. Устойчивость к электростатическим разрядам. Требования и методы испытаний.
ГОСТ Р 51317.4.4-2007 Совместимость технических средств электромагнитная. Устойчивость к наносекундным импульсным помехам. Требования и методы испытаний
ГОСТ Р ИСО 9001-2008 Системы менеджмента качества. Требования
ГОСТ 2.601-2006 Единая система конструкторской документации. Эксплуатационные документы
ГОСТ Р 8.563-2009 Государственная система обеспечения единства измерений. Методики (методы) измерений
ГОСТ 12.1.004-91 Система стандартов безопасности труда. Пожарная безопасность. Общие требования
ГОСТ 12.1.006-84 Система стандартов безопасности труда. Электромагнитные поля радиочастот. Допустимые уровни на рабочих местах и требования к проведению контроля
ГОСТ 12.1.030-81 Система стандартов безопасности труда. Электробезопасность. Защитное заземление, зануление
ГОСТ 12.2.049-80 Система стандартов безопасности труда. Оборудование производственное. Общие эргономические требования
ГОСТ 13033-84 ГСП. Приборы и средства автоматизации электрические аналоговые. Общие технические условия
ГОСТ 14254-96 Степени защиты, обеспечиваемые оболочками (код IP)
ГОСТ 15150-69 Машины, приборы и другие технические изделия. Исполнения для различных климатических районов. Категории, условия эксплуатации, хранения и транспортирования в части воздействия климатических факторов внешней среды
ГОСТ Р 21.1101-2009 Система проектной документации для строительства. Основные требования к проектной и рабочей документации
ГОСТ 21.408-93 Система проектной документации для строительства. Правила выполнения рабочей документации автоматизации технологических процессов
ГОСТ 25364-97 Агрегаты паротурбинные стационарные. Нормы вибрации опор валопроводов и общие требования к проведению измерений
ГОСТ 25866-83 Эксплуатация техники. Термины и определения.
ГОСТ Р 27.002-2009 Надежность в технике. Термины и определения
ГОСТ 34.003-90 Информационная технология. Комплекс стандартов на автоматизированные системы. Автоматизированные системы. Термины и определения.
ГОСТ 34.601-90 Информационная технология. Комплекс стандартов на автоматизированные системы. Автоматизированные системы. Стадии создания
ГОСТ 15467-79 Управление качеством продукции. Основные понятия. Термины и определения
ГОСТ 16504-81 Система государственных испытаний продукции. Испытания и контроль качества продукции. Основные термины и определения
ГОСТ 23887-79 Сборка. Термины и определения
ГОСТ 24.701-86 Единая система стандартов автоматизированных систем управления. Надежность автоматизированных систем управления. Основные положения
ГОСТ 22269-76 Система «Человек-машина». Рабочее место оператора. Взаимное расположение элементов рабочего места. Общие эргономические требования
СТО 70238424.27.100.037-2009 Системы КИП и тепловой автоматики ТЭС. Организация эксплуатации и технического обслуживания Нормы и требования.
СТО Оперативно-диспетчерское управление в электроэнергетике. Регулирование частоты и перетоков активной мощности в ЕЭС и изолированно работающих энергосистемах России. Требования к организации и осуществлению процесса, техническим средствам (утвержден Приказом ОАО РАО «ЕЭС России» от 31.08.2007 № 535)
СТО 70238424.27.010.001-2008 Электроэнергетика. Термины и определения
СТО 70238424.27.010.002-2009 Тепловые электростанции. Условия создания. Нормы и требования
СТО 70238424.27.100.010-2009 Автоматизированные системы управления технологическими процессами (АСУТП) ТЭС. Условия создания. Нормы и требования.
СТО 17230282.27.010.002-2008 Оценка соответствия в электроэнергетике
Примечание - При пользовании стандартом целесообразно проверить действие ссылочных стандартов и классификаторов в информационной системе общего пользования - на официальном сайте национального органа Российской Федерации по стандартизации в сети Интернет или по ежегодно издаваемому информационному указателю «Национальные стандарты», который опубликован по состоянию на 1 января текущего года и по соответствующим ежемесячно издаваемым информационным указателям, опубликованным в текущем году. Если ссылочный документ заменен (изменен), то при пользовании стандартом следует руководствоваться замененным (измененным) документом. Если ссылочный документ отменен без замены, то положение, в котором дана ссылка на него, применяется в части, не затрагивающей эту ссылку.
В настоящем стандарте применены термины в соответствии с ГОСТ Р 8.563-96, ГОСТ 2.601, ГОСТ 15467, ГОСТ 16504, ГОСТ 23887, ГОСТ 24.701, ГОСТ 25866, ГОСТ 27.002, ГОСТ 34.003 и СТО 70238424.27.010.001-2008, а также следующие термины с соответствующими определениями:
3.1 владелец: Юридическое или физическое лицо, владеющее на законном основании или на балансе которого находится производственный объект и несет юридическую, административную и уголовную ответственность за безопасную его эксплуатацию.
3.2 датчик: Устройство, измеряющее параметр и выдающее выходной сигнал, зависящий от величины этого параметра.
3.3 измерительный канал: Функционально объединенная совокупность технических средств, по которой проходит один последовательно преобразуемый сигнал, выполняющий законченную функцию измерений, имеющая нормированные метрологические характеристики. В измерительный канал входят все агрегатные средства измерений и линии связи от первичного измерительного преобразователя до средств представления информации включительно.
3.4 линия связи: Техническое устройство либо часть окружающей среды, предназначенные или используемые для передачи с минимально возможными искажениями сигналов, несущих информацию об измеряемой величине, от одной конструктивно обособленной части измерительной системы к другой ее части.
3.5 методика выполнения измерений: Подробное описание практических действий, используемых измерении, выполнение которых обеспечивает получение результатов измерений с гарантированной точностью в соответствии с принятым.
3.6 первичный измерительный преобразователь: Измерительный преобразователь, на который непосредственно воздействует измеряемая физическая величина.
3.7 электрический тракт измерительного канала: Часть измерительного канала от выходных клемм первичного измерительного преобразователя до средств представления информации включительно.
АВР - автоматическое включение резерва;
АР - автоматический регулятор;
АС - автоматизированная система;
АСР - автоматическая система регулирования;
АКИПИА - автоматизированная система управления технологическими процессами, выполненная на средствах вычислительной техники
АУГ - автомат управления горелками;
АШ - антрацитовый штыб;
БГ - блок газовый;
БИР - блок искроразрядный;
БЩУ - блочный щит управления;
ВГД - вентилятор горячего дутья;
ВМ - вентилятор мельничный;
ГРП - газораспределительный пункт;
ГрЩУ - групповой щит управления;
ГЩУ - главный щит управления;
ДВ - дутьевой вентилятор;
ДРГ - дымосос рециркуляции газов;
ДУ - дистанционное управление;
ЗЗУ - запально-защитное устройство;
ЗУ - задающее устройство;
ИК - измерительный канал;
ИМ - исполнительный механизм;
ИС - измерительная система;
ИСУ - избирательная система управления;
ИУ - исполнительное устройство;
КВД - коллектор высокого давления;
КИП - контрольно-измерительные приборы;
КИПиА - система контрольно-измерительных приборов и тепловой автоматики;
КНД - коллектор низкого давления;
КСН - коллектор собственных нужд;
KKS - система кодирования;
MB - мельница - вентилятор;
МВИ - методика выполнения измерений;
МВС - мельница валковая среднеходная;
МИУ - медленно действующее интегрирующее устройство,
ММ - молотковая мельница;
МСН - механизм собственных нужд;
МЩУ - местный щит управления;
МЭО - механизм электрический однооборотный;
ОПРЧ - общее первичное регулирование частоты;
ПБ - пожарная безопасность;
ПБР - пускатель бесконтактный реверсивный;
ПВД - подогреватель высокого давления;
ПВК - пыль высокой концентрации;
ПЗК - предохранительно-запорный клапан;
ПИП - первичный измерительный преобразователь;
ПНД - подогреватель низкого давления;
ППБ - правила пожарной безопасности;
ПС - предупредительная сигнализация;
ПСБУ - пускосбросное быстродействующее устройство;
ПСУ - питатель сырого угля;
ПТБ - правила техники безопасности;
ПУ - пульт управления;
РВП - регенеративный воздухоподогреватель;
РГ - рабочая группа;
РК - рабочая комиссия;
РО - регулирующий орган;
РУСН - распредустройство собственных нужд;
РЧВ - регулятор частоты вращения;
САПР - система автоматического проектирования;
САУГ - система автоматизированного управления горелками;
СИ - средство измерения;
СК - стопорный клапан;
СМ - среднеходная мельница;
СПК - специализированная приемочная комиссия;
СУП - система управления приводом;
КИПИА - система управления технологическим процессом;
ТБ - технологическая блокировка;
ТЗ - технологическая защита;
ТОУ - технологический объект управления;
ТС - технологическая сигнализация;
ТСУ - технологический сдаточный узел;
ТЭП - технико-экономические показатели;
УП - указатель положения;
ФГ - функциональная группа;
ФД - фотодатчик;
ФЗ - функциональная задача;
ЦВД - цилиндр высокого давления;
ЦНД - цилиндр низкого давления;
ЦСД - цилиндр среднего давления;
ШБМ - шаровая барабанная мельница;
ЩУ - щит управления;
ЭМК - электромагнитный клапан.
5.1 Участники работ по созданию КИПиА
5.1.1 Процесс создания КИПиА по ГОСТ 34.601 представляет собой совокупность упорядоченных во времени, взаимосвязанных, объединенных в стадии и этапы работ, выполнение которых необходимо и достаточно для создания АС, соответствующей заданным требованиям.
КИПиА может создаваться либо совместно с ТОУ, как его часть, либо как отдельный объект - при модернизации существующей КИПиА.
В разработке КИПиА необходимо максимально использовать имеющиеся заделы в виде готовых (типовых) проектных решений, проектов ранее разработанных систем.
5.1.2 В работах по созданию КИПиА принимают участие заказчик и исполнитель (соисполнитель):
В качестве исполнителя (соисполнителя) могут выступать организации-проектировщики всего проекта, либо отдельных его частей, организации строительные, монтажные, наладочные, специализированные организации для проведения метрологической экспертизы проектной документации и другие.
Привлечение исполнителей (соисполнителей) является прерогативой заказчика или основного исполнителя и должно быть во всех случаях согласовано.
Все организации - участники создания КИПиА должны иметь систему управления качеством, сертифицированную на соответствие ГОСТ Р ИСО 9001.
5.1.3 Основным документом, регулирующим правовые и финансовые отношения сторон, является договор (контракт) между заказчиком и привлекаемыми им проектными, проектно-строительными организациями и другими юридическими и финансовыми лицами. Неотъемлемой частью договора должно быть задание на создание КИПиА.
5.1.4 Взаимоотношения участников работ определяются в зависимости от того, является ли КИПиА частью создаваемого ТОУ или отдельным объектом, с учетом статусов организаций-участников и могут уточняться в пределах этих статусов в хозяйственных договорах, программах и планах-графиках работ.
5.1.5 Работы по созданию КИПиА должны начинаться основным исполнителем после получения от заказчика «Заявки» на создание ТОУ, включая создание КИПиА, или только на создание КИПиА. Заявка составляется заказчиком после проведения конкурсных торгов (тендера) по выбору организации-основного исполнителя и направляется организации, выигравшей конкурс (организации-основному исполнителю) и организации генпроектировщику ТОУ (или КИПиА).
5.2 Стадии и этапы создания КИПиА
5.2.1 Стадии и этапы, выполняемые организациями - участниками работ по созданию КИПиА, устанавливаются в договорах и техническом задании на основе ГОСТ 34.601, и настоящего стандарта.
Создание КИПиА осуществляется, как правило, по следующим стадиям:
- разработка технического задания;
- разработка рабочей конструкторской документации;
- испытание и ввод в действие;
В зависимости от специфики создаваемых КИПиА и условий их создания по ГОСТ 34.601 допускается выполнение отдельных этапов работ до завершения предшествующих этапов, параллельное во времени выполнение этапов работ, включение новых этапов работ (например: сопровождение КИПиА).
5.2.2 Разработка технического задания
5.2.2.1 Основные цели работ на стадии «Разработка технического задания» заключаются в следующем:
- технико-экономическое обоснование создания для данного объекта КИПиА на агрегатных технических средствах, а не АСУТП;
- определение ее сметной стоимости разработки;
- планирование совокупности всех проектных, строительно-монтажных и наладочных работ по ГОСТ 34.601 и сроков их выполнения, а также организаций-исполнителей этих работ;
- формулирование требований к проведению работ по созданию КИПиА, к техническим средствам и материалам, квалификации исполнителей;
- подготовка всех материалов, необходимых для проведения проектных работ.
Основным выходным документом стадии «Задание на создание КИПиА» является техническое задание, содержащее согласованные технические требования к системе и ее элементам, а также план-график работ (ведомость исполнения или другой планирующий документ) по ее созданию с указанием исполнителей. Техническое задание разрабатывается либо как раздел общего задания на создание ТОУ, либо как отдельный документ (при модернизации КИПиА).
Ответственность за разработку технического задания на создание КИПиА несет основной исполнитель.
При необходимости основной исполнитель перед разработкой технического задания может провести обследование ТОУ (особенно в случае модернизации КИПиА).
5.2.2.2 Основанием для начала работ стадии разработки технического задания является заключение договора между заказчиком и основным исполнителем на проведение последним предпроектных работ, заканчивающихся разработкой Технического задания.
5.2.2.3 Проект технического задания должен быть утвержден заказчиком и согласован с исполнителем со всеми организациями-соисполнителями.
5.2.2.4 Техническое задание на создание КИПиА после его утверждения является неотъемлемой частью договора между заказчиком и исполнителем и обязательным исходным документом для всех последующих работ по созданию системы. Все распорядительные документы (приказы, распоряжения и др.), относящиеся к созданию КИПиА, могут входить в техническое задание приложениями.
5.2.3 Разработка рабочей конструкторской документации
5.2.3.1 Целью работ, выполняемых на стадии «Разработка рабочей конструкторской документации», является разработка основных технических решений по создаваемой системе и определение ее сметной стоимости.
Ответственность за разработку несет основной исполнитель.
При необходимости и по согласованию с заказчиком, допускается привлечение других организаций-соисполнителей и выполнение дополнительных работ содержащихся в техническом задании, но не предусмотренных планом-графиком (или другим планирующим документом). Виды и объемы работ, поручаемых организациям-соисполнителям, определяют в соответствующих частных технических заданиях на разработку составных частей. Соисполнители несут ответственность за качество выполнения и результаты поручаемых им работ перед организацией, привлекающей их к выполнению этих работ.
5.2.3.2 Основанием для выполнения работ стадии «Разработка рабочей конструкторской документации» является наличие договора и утвержденного технического задания на создание КИПиА.
5.2.3.3 Исходными материалами для проведения работ стадии являются:
- техническое задание на создание ТОУ или результаты обследования ТОУ в случае модернизации КИПиА;
- технико-экономическое обоснование применения КИПиА, а не АСУТП;
- исходные данные в смежных частях проекта (архитектурные и строительные решения, энергоснабжение, вентиляция и т.д.), характеристики и схемы подключения оборудования, необходимые в процессе проектирования.
5.2.3.4 Работы стадии «Разработка рабочей конструкторской документации» завершаются разработкой:
- проектных решений в виде пояснительной записки, необходимых и достаточных для выпуска рабочей документации;
- локальных сметных расчетов;
- функциональных схем автоматизации ТОУ;
- технических условий на выполнение подсистем КИПиА;
- перечней оборудования и материалов КИПиА;
- планов размещения оборудования в помещениях щитов управления;
- комплекта проектно-сметной документации на систему и ее части, содержащей все необходимые и достаточные сведения для обеспечения выполнения работ по поставке технических средств КИПиА, их монтажу и наладке, вводу КИПиА в действие и ее эксплуатации.
5.2.3.5 Рабочая конструкторская документация (далее - проектная документация) КИПиА утверждается руководством организации - основного исполнителя.
Проектная документация разрабатывается в соответствии с государственными нормами, правилами и стандартами.
Решения, содержащиеся в проектной документации КИПиА, выполненные с обоснованными отступлениями от действующих норм, правил, инструкций, подлежат согласованию с органами и организациями, утвердившими соответствующие нормативные материалы. Документы, содержащие решения без отступлений от действующих правил, дополнительному согласованию не подлежат.
5.2.3.6 Перечень видов документов проектной документации по КИПиА определяют по ГОСТ Р 21.1101, ГОСТ 21.408, настоящему стандарту, а также по стандартам проектных организаций и уточняют в договоре (контракте) между Заказчиком и Исполнителем.
Рекомендуемый состав разрабатываемых документов, приведен в приложения А.
5.2.3.7 Рабочая документация подписывается руководителем проектной организации.
5.2.3.8 В начале работ на данной стадии разрабатывают комплект документации, необходимой для заказа панелей, щитов и пультов и другого оборудования длительного изготовления.
5.2.3.9 Участники работ, привлекаемые к выполнению стадии «Рабочая документация», определяются планом-графиком создания КИПиА. Допускается привлечение других исполнителей. Виды и объемы работ, поручаемых им, определяются соответствующими техническими заданиями и договорами.
5.2.3.10 Проектирование КИПиА может осуществляться в одну стадию в случаях, если система создается с широким использованием типовых решений или путем повторного применения проекта, уже реализованного для аналогичного объекта, или при создании технически несложной системы.
Решение о проведении одностадийного проектирования принимает Заказчик. При утверждении технического задания Заказчик принимает решение о применении:
- типовых решений (оформленных соответствующим образом);
- проектной документации системы-аналога.
5.2.3.11 При одностадийном проектировании документация на создание КИПиА должна содержать полную совокупность основных технических решений, необходимых для рассмотрения при утверждении, включая сметную часть.
5.2.3.12 Перечень документов проектной документации по КИПиА определяют по ГОСТ 21.408, настоящим стандартом, а также стандартами проектных организаций и уточняются Заказчиком и Исполнителем в договоре (контракте).
5.2.4 Стадия «Ввод в действие»
5.2.4.1 «Ввод в действие» представляет собой завершающую стадию работ по созданию КИПиА. Целью работ на данной стадии является ввод системы в промышленную эксплуатацию.
5.2.4.2 Основанием для начала работ по внедрению системы служит готовность соответствующей рабочей документации. Работы проводят в соответствии с планом-графиком, утвержденного Заказчиком и согласованного основным исполнителем, соисполнителями и эксплуатирующей организацией, если она не является заказчиком.
План-график работ по внедрению конкретной КИПиА может предусматривать (в соответствии с техническим заданием) ввод ее в действие очередями. В этом случае каждую очередь (часть) системы следует рассматривать как целую систему, на которую распространяются положения настоящего стандарта.
5.2.4.3 Ответственность за внедрение системы несет Заказчик.
Все организации исполнители отдельных видов работ на стадии «Ввод в действие» несут ответственность за объем и качество выполненных ими работ перед организацией, привлекшей их к участию в работах (заказчиком или основным исполнителем).
5.2.4.4 Организационно работы по внедрению КИПиА оформляются путем подготовки и утверждения необходимых планов-графиков работ, приказов и распоряжений по эксплуатирующей организации и организациям-исполнителям, протоколов и актов, фиксирующих возможность выполнения порученных работ (готовность объекта к их проведению) и приемку выполненных работ.
5.2.4.5 При вводе в действие энергетического оборудования этапы работ по КИПиА должны быть взаимоувязаны с этапами работ на ТОУ.
5.2.4.6 Все законченные строительством, монтажом и наладкой объекты приемки в части КИПиА должна принимать специализированная приемочная комиссия назначаемая заказчиком в соответствии с СТО 70238424.27.100.037-2009, СТО 70238424.27.010.002-2009 и настоящего стандарта. Положение о СПК приведено в Приложении Б.
После подписания акта о приемке выполненных работ завершенные объемы работ переходят под юридическую ответственность эксплуатирующей организации (например: в лице подразделения ТЭС, обслуживающего КИПиА).
5.2.4.7 Объектами приемки КИПиА являются:
- отдельные специализированные помещения, предназначенные под монтаж технических средств КИПиА (после окончания строительно-монтажных работ);
- трубные проводки с отборными и сужающими устройствами, технические средства КИПиА и электропроводки (после окончания монтажных работ);
- системы контроля и управления (после окончания наладочных работ).
5.2.4.8 Объекты приемки КИПиА должны предъявляться к приемке:
- по окончании монтажа - в объемах отдельных ТСУ;
- по окончанию наладки - в объемах ТСУ и (или) функциональных групп.
5.2.4.9 Все объекты приемки должны предъявляться согласно плану-графику ввода в эксплуатацию КИПиА.
План-график ввода в эксплуатацию КИПиА разрабатывается на основе:
- графика ввода в эксплуатацию основного и вспомогательного энергетического оборудования;
- перечня средств контроля и управления, необходимых по каждому ТСУ и (или) ФГ;
- сроков предъявления и продолжительности приемки по каждому объекту.
5.2.4.10 Объекты приемки КИПиА предъявляются СПК в полном соответствии с проектной документацией, утвержденной в установленном порядке.
Запрещается принимать КИПиА с недоделками.
5.2.4.11 Уведомление заказчика подрядной организацией о готовности к сдаче завершенных работ производится в письменном виде.
Уведомление не оформляется в случае ведения журнала приемки при производстве монтажных и наладочных работ.
- комплектом эксплуатационной документации предприятий-изготовителей;
- скорректированной проектной документацией;
- разрешением на внесение изменений в проектную документацию;
- технической (отчетной) документацией, оформленной в процессе производства работ.
Вся документация предъявляется в одном экземпляре.
5.2.4.13 Состав технической (отчетной) документации, предъявляемой при приемке строительно-монтажных работ, приведен в приложении В, а наладочных работ - в Приложении К.
Содержание и форма технической (отчетной) документации устанавливается специализированными подрядными организациями в соответствии с документами на производство монтажных и наладочных работ.
5.2.4.14 По окончании работы СПК техническая (отчетная) и скорректированная проектная документация должна быть передана в технический архив ТЭС для хранения вместе с документами, составленными СПК.
5.2.4.15 Функциями заказчика (эксплуатирующей организации) в части обеспечения приемочных испытаний (проверок) являются:
- организация СПК по приемке КИПиА и участие в ее работе;
- обеспечение СПК скорректированной к началу приемки эксплуатационной документацией (разработанной самостоятельно или с привлечением подрядных организаций) и остальной технической документацией, перечисленной в приложениях В и К;
- оформление технической документации самостоятельно или совместно с подрядчиком - в объеме, указанном в приложения К;
- согласование и утверждение рабочих программ и методик приемочных испытаний (проверок) КИПиА;
- метрологическое обеспечение приемочных испытаний КИПиА;
- составление перечня скрытых работ по КИПиА на основании проектной и нормативной документации;
- принятие решения о применении журналов приемки с учетом местных условий;
- обеспечение условий эксплуатации КИПиА в соответствии с эксплуатационной документацией предприятий-изготовителей технических средств;
- введение эксплуатационного режима в зоне технических средств КИПиА с подачей напряжения;
- организация технологического процесса на технологическом объекте управления (ТОУ) для проведения приемочных испытаний КИПиА;
- обучение оперативного персонала работе в условиях действующих КИПиА;
- оформление начала эксплуатации КИПиА организационно-распорядительными документами;
- техническое обслуживание КИПиА оперативным и ремонтным персоналом в процессе опытной и промышленной эксплуатации.
Заказчик имеет право привлекать подрядную организацию в качестве посредника для совместных работ в СПК по КИПиА.
5.2.4.16 Функциями строительной организации в части обеспечения приемочных испытаний (проверок) являются:
- предъявление к приемке помещений под монтаж технических средств КИПиА и щитов управления;
- составление и согласование с заказчиком программ испытаний гидроизоляции потолочных перекрытий помещений с техническими средствами КИПиА;
- оформление и передача заказчику технической документации в соответствии с требованиями п. 5.2.4.12 и приложения В.
5.2.4.17 Функциями организации, осуществляющей монтажные работы по КИПиА, в части обеспечения приемочных испытаний (проверок) являются:
- предъявление к приемке смонтированных технических средств КИПиА;
- оформление и передача заказчику технической документации в соответствии с требованиями п. 5.2.4.12 и приложения В;
- устранение недоделок монтажных работ, обнаруженных в процессе приемки, наладки и эксплуатации КИПиА в период освоения проектной мощности энергетического оборудования.
5.2.4.18 Функциями организации, осуществляющей наладочные работы по КИПиА, в части обеспечения приемочных испытаний (проверок) являются:
- предъявление к приемке налаженных КИПиА;
- оформление самостоятельно и передача заказчику технической документации по п. 5.2.4.12 и приложению К;
- разработка и передача заказчику на согласование и утверждение рабочих программ и методик приемочных испытаний;
- устранение причин наладочного характера, вызвавших нарушение работоспособности КИПиА в период их опытной эксплуатации.
5.2.4.19 Функциями организаций, осуществляющих проектирование КИПиА, в части обеспечения приемочных испытаний (проверок) являются:
- оформление изменений в проектной документации и авторский надзор в процессе монтажных и наладочных работ:
- участие в проведении приемо-сдаточных испытаний и передача КИПиА в эксплуатацию.
5.2.4.20 Функциями шеф-персонала предприятий-изготовителей энергетического оборудования в части обеспечения приемочных испытаний (проверок) являются:
- контроль содержания технической документации предъявляемой к приемке КИПиА соответствующего оборудования;
- согласование программ приемочных испытаний КИПиА, входящих в состав поставляемого оборудования.
5.2.4.21 Функцией базовой метрологической службы и метрологической службы энергопредприятия в процессе приемки является метрологическое обеспечение приемочных испытаний.
5.2.4.22 Основные этапы стадии «Ввод в действие».
- подготовка предприятия (объекта) к вводу КИПиА в действие;
- строительно-монтажные работы;
- комплектация КИПиА;
- пусконаладочные работы;
- проведение опытной эксплуатации КИПиА;
- проведение приемочных испытаний.
5.2.5 Подготовка ТОУ к вводу КИПиА в действие
5.2.5.1 При подготовке ТОУ к работам по внедрению КИПиА заказчик должен обеспечить:
- комплектацию необходимых штатов оперативного персонала;
- организацию подразделения технического обслуживания КИПиА в необходимом объеме, если такое подразделение отсутствует, или организацию в рамках этого подразделения участка, ответственного за работы по внедрению конкретной КИПиА, а в будущем - за ее эксплуатацию, назначение лиц, ответственных за работы по внедрению отдельных подсистем КИПиА;
- заключение договоров о поставках оборудования в установленном порядке;
- заключение договоров о производстве работ с организациями-исполнителями (на строительные работы, монтаж, наладку и т.п.);
- согласование с исполнителями и утверждение плана-графика работ по внедрению;
- организацию обучения и обучение оперативного и ремонтного персонала, необходимого для эксплуатации системы;
Примечание - Подготовка персонала для эксплуатации КИПиА производится в соответствии с Правилами работы с персоналом [1] и СТО 70238424.27.100.037-2009, СТО 70238424.27.010.002-2009.
- готовность объекта к проведению строительных и монтажных работ по созданию КИПиА;
- допуск организаций-исполнителей к производству порученных им работ и контроль за проведением этих работ.
5.2.5.2 В случае, когда часть системы управления ТП выполнена на базе вычислительной техники, мероприятия по п. 5.2.6.1 являются общими для внедрения КИПиА и АСУТП.
5.2.6 Строительно-монтажные работы
5.2.6.1 Организационное обеспечение проведения строительно-монтажных работ выполняют согласно требованиям настоящего стандарта (Приложений В, Г и Д).
5.2.6.2 Строительные работы проводят специализированные строительные организации по договору с Заказчиком или силами Заказчика в соответствии с проектом производства работ и соответствующей рабочей документацией на систему. Все решения по строительной части рабочей документации должны быть согласованы с генпроектировщиком ТЭС. Законченные строительные работы в части, относящейся к КИПиА, принимаются в порядке, определенном Приложением В и СТО 70238424.27.100.037-2009.
5.2.6.3 Работы по модернизации технологического оборудования, проводимые в связи с созданием КИПиА, выполняются заказчиком и (или) привлекаемыми им специализированными организациями. Законченные работы в части, относящейся к КИПиА, принимаются в порядке, определенном Приложением В и СТО 70238424.27.100.037-2009.
При приемке работ по модернизации проводят необходимые испытания оборудования, которые протоколируют. Результаты работы СПК оформляют в виде акта о приемке работ с приложением протокола испытаний и проверок.
5.2.6.4 Монтажные работы выполняют согласно строительным нормам и правилам в соответствии с проектом производства монтажных работ и рабочим чертежам. Работы выполняют, как правило, специализированные организации, привлекаемые Заказчиком.
Начало монтажных работ фиксируют актом о готовности объекта к монтажу, по форме приведенной в Приложении В. Подписание акта о готовности объекта к монтажу свидетельствует о принятии заказчиком на себя ответственности за сохранность смонтированного и монтируемого (находящегося на монтажной площадке) оборудования.
Окончание монтажных работ (сдача выполненного объема работ и оценка их качества) фиксируют актом СПК. К акту прилагают: перечень документов и сами документы, разрешающие отступления от рабочих чертежей (протоколы согласования отступлений заказчиком и исполнителем) и рабочие чертежи с изменениями, внесенными при проведении монтажных работ.
5.2.7 Комплектование системы КИПиА
Комплектование системы поставляемыми изделиями осуществляет Заказчик. При комплектовании осуществляют получение, входной контроль качества технических средств автоматизации, монтажных изделий и материалов, их хранение и передачу монтажной организации для осуществления монтажа.
Рекомендации по организации и проведению входного контроля приведены в Приложении Г.
Окончание работ фиксируют актом по результатам входного контроля (форма акта приведена в Приложении Г).
5.2.8 Пуско-наладочные работы
5.2.8.1 Пуско-наладочные работы на КИПиА следует группировать условно по следующим этапам:
- подготовительный;
- автономной наладки КИПиА отдельных ФГ;
- комплексной наладки КИПиА;
- опытной эксплуатации.
Характеристика, состав и содержание работ каждого из этих этапов приведены в Приложении Д.
5.2.8.2 Наладочные работы проводят, как правило, силами специализированных организаций, привлекаемых Заказчиком, а также подразделением основного исполнителя, обслуживающим КИПиА.
5.2.8.3 Основанием для начала работ является приказ по предприятию заказчика о готовности объекта к проведению наладочных работ. Приказ издается на основании актов о приемке заказчиком монтажных работ. В приказе указывается персонал предприятия заказчика, обеспечивающий возможность проведения наладочных работ (подача различных видов энергии, обеспечение материалами и т.д.), персонал, осуществляющий устранение возможных дефектов монтажа, персонал, участвующий в предварительных испытаниях системы.
К приказу прилагается план-график проведения работ на этапе «Наладка КИПиА» с указанием непосредственных руководителей отдельных работ и очередности наладки технических средств, отдельных подсистем и системы в целом.
Порядок выполнения работ на этапе регламентируется инструкциями или проектами производства этих работ.
5.2.8.4 В Приложениях Е, Ж, И приведены рекомендации по наладке отдельных подсистем и технических средств КИПиА.
5.2.8.5 Приемку работ по наладке технических средств осуществляет СПК. Окончание работ по наладке оформляют актами приемки. После приемки технических средств их эксплуатацию и обслуживание осуществляет соответствующее подразделение эксплуатирующей организации или привлекаемая Заказчиком специализированная организация.
5.2.8.6 Готовность каждой единицы технологического оборудования совместно с техническими средствами КИПиА к проведению опытной эксплуатации оформляется актом СПК.
5.2.9 Опытная эксплуатация КИПиА
5.2.9.1 Опытная эксплуатация КИПиА проводится силами заказчика с участием основного исполнителя и соисполнителей с целью проверки работоспособности системы, готовности оперативного и ремонтного персонала к работе в условиях промышленной эксплуатации ТОУ.
5.2.9.2 Опытная эксплуатация проводится по программе, разработанной основным исполнителем и утвержденной исполнителем и заказчиком (эксплуатирующей организацией). Длительность опытной эксплуатации устанавливается в пределах от одного до трех месяцев (Приложение К).
5.2.9.3 Основанием для начала опытной эксплуатации КИПиА каждого ТОУ служит утвержденный акт о завершения комплексной наладки системы с результатами предварительных испытаний КИПиА на работоспособность.
5.2.9.4 На этапе опытной эксплуатации выполняются следующие работы:
- включение в опытную эксплуатацию КИПиА всех ФГ;
- определение эксплуатационных характеристик системы;
- необходимая режимная наладка подсистем и устройств;
- коррекция эксплуатационной технической документации.
5.2.9.5 Программа опытной эксплуатации КИПиА в общем случае должна предусматривать:
- проведение проверок технического состояния технических средств;
- выявление фактов и причин неисправности технических средств и их устранение, предварительное определение надежностных характеристик системы; проверку метрологических характеристик измерительных каналов;
- режимную наладку ТЗ, действующих на снижение нагрузки, и АР;
- определение качественных показателей выполнения функций;
- оценку качества работ, выполненных участниками при создании системы;
- проверку готовности оперативного и ремонтного персонала к промышленной эксплуатации КИПиА;
- изменение (при необходимости) настроек отдельных подсистем и коррекцию эксплуатационной документации.
5.2.9.6 На этапе опытной эксплуатации представители основного исполнителя и соисполнителей по согласованию с заказчиком наделяются правом проведения экспериментов с целью выявления особенностей функционирования и необходимости корректировки отдельных реализованных решений.
5.2.9.7 На этапе опытной эксплуатации может применяться вспомогательная аппаратура, стенды, приборы и пр., использовавшиеся при монтажно-наладочных работах и не предусмотренные к использованию при промышленной эксплуатации.
5.2.9.8 Для сбора данных во время опытной эксплуатации используются специальные формы журналов, таблиц, бланков и т.п.
5.2.9.9 Результаты опытной эксплуатации оформляются протоколом, в который вносят результаты анализа полученной в ходе опытной эксплуатации информации, выводы и рекомендации (о доработке КИПиА, представлении КИПиА на приемочные испытания и т.п.). Протокол служит основанием для предъявления КИПиА на приемочные испытания.
5.2.10 Приемочные испытания КИПиА
5.2.10.1 Приемочные испытания проводят с целью проверки соответствия созданной КИПиА требованиям, содержащимся в задании на создание системы, в настоящем стандарте, в технических регламентах и документах по стандартизации, и ввода системы в промышленную эксплуатацию.
5.2.10.2 Приемочные испытания КИПиА организует и проводит Заказчик по инициативе и с участием основного исполнителя и соисполнителей (по представлению исполнителя).
5.2.10.3 Основной исполнитель совместно с Заказчиком представляют на приемочные испытания следующую техническую документацию на систему: техническое задание, технико-экономическое обоснование, протокол опытной эксплуатации, проект программы и методики проведения приемочных испытаний, эксплуатационную документацию.
По требованию СПК дополнительно должны быть представлены: проект системы, рабочие чертежи, результаты предварительных испытаний и другие материалы опытной эксплуатации.
5.2.10.4 Комиссия после изучения представленных материалов принимает решение о готовности (неготовности) КИПиА для проведения приемочных испытаний.
5.2.10.5 Результаты отдельных испытаний и проверок оформляются протоколами.
5.2.10.6 Порядок проведения метрологических испытаний изложен в Приложении Ж.
5.2.10.7 После окончания приемочных испытаний составляется акт приемки системы в промышленную эксплуатацию.
В приложении к акту указывается перечень недостатков, подлежащих устранению перед (после) передачей системы в промышленную эксплуатацию.
5.2.10.8 Доработка системы по результатам опытной эксплуатации и испытаний.
Работы выполняются после завершения приемочных испытаний в случае, если выявлена необходимость внесения исправлений в монтаж технических средств, настройку отдельных функций или дополнительная наладка.
Работы проводят силами основного исполнителя, заказчика и соответствующих соисполнителей.
Результаты работ фиксируются в форме акта, который подписывают участники работ.
По окончании доработки системы составляется акт о передаче ее в промышленную эксплуатацию.
5.2.11 Сопровождение КИПиА
5.2.11.1 Стадию «Сопровождение КИПиА» в договоры (контракты) вносят по решению Заказчика, и, как правило, данная стадия состоит из двух этапов:
- «Выполнение работ в соответствии с гарантийными обязательствами»;
- «Послегарантийное обслуживание».
5.2.11.2 На этапе «Выполнение работ в соответствии с гарантийными обязательствами» осуществляют работы по устранению недостатков, выявленных при эксплуатации КИПиА в течение установленных гарантийных сроков и по внесению необходимых изменений в документацию на КИПиА.
5.2.11.3 На этапе «Послегарантийное обслуживание» осуществляют работы по:
- анализу функционирования системы;
- выявлению отклонений фактических эксплуатационных характеристик КИПиА от проектных;
- установлению причин таких отклонений;
- устранению выявленных недостатков;
- внесению необходимых изменений в документацию на КИПиА.
6.1 Задачи КИПиА
Задачами по контролю и управлению теплоэнергетическим оборудованием на ТЭС являются:
- обеспечение эффективного управления процессами выработки электрической и тепловой энергии (функционирования ТОУ);
- повышение безопасности работы автоматизируемого оборудования;
- эффективное поддержание заданного значения параметров автоматизируемого оборудования;
- повышение надежности работы автоматизируемого оборудования;
- повышение комфортности работы оперативного и обслуживающего персонала.
При создании КИПиА для отдельных технологических узлов ТЭС перечисленные задачи относят и к таким узлам.
6.2 Функции КИПиА
6.2.1 Функции КИПиА разделяют на информационные и управляющие.
К информационным функциям относят:
- представление оперативной информации;
- регистрация параметров;
- технологическая сигнализация.
К управляющим функциям относят:
- управление приводом (дистанционное управление);
- автоматическое регулирование;
- технологические блокировки;
- технологические защиты и защитные блокировки.
6.3 Представление оперативной информации
6.3.1 Объем оперативной информации должен быть достаточным для обеспечения эффективного управления процессами функционирования ТОУ. Оперативная информация включает:
- информацию о текущих значениях теплотехнических и электротехнических параметров;
- информацию о состоянии электродвигателей МСН, выключателей генератора и трансформаторов («Включен», «Отключен»);
- информацию о положении задвижек («Открыта», «Закрыта», «Открывается», «Закрывается», «Остановлена в промежуточном положении»);
- информацию о положении отсечных клапанов («Открыт», «Закрыт») или об одном из этих положений);
- информацию о положении регулирующих органов;
- информацию о состоянии автоматического режимного ввода защит («Введена» или «Не введена»);
- информацию о состоянии автоматических регуляторов (включен -»Автомат», отключен - «Дистанционно»).
6.3.2 Информация о текущих значениях параметров представляется на шкалах показывающих (сигнализирующих и/или регистрирующих) приборов, установленных в оперативном и неоперативном контурах щитов управления или по месту.
6.3.3 Информацию о состоянии электродвигателей МСН, выключателей генератора и трансформаторов, о положении запорной арматуры, о состоянии АР представляется сигнальными устройствами в непосредственной близости от коммутационного устройства управления данным механизмом, задвижкой, регулятором.
6.3.4 Приборы, показывающие положение регулирующих органов, устанавливают рядом с ключами управления или встроены в блоки управления этими органами.
6.3.5 Информация о состоянии автоматического режимного ввода защит в виде световых индикаторов располагается в оперативном контуре щита управления.
6.4 Регистрация параметров
6.4.1 Объем регистрируемой информации должен быть достаточным для расчета и оценки экономических показателей работы теплоэнергетического оборудования, оценки эффективности и правильности действий оперативного персонала в течение смены, выявления причин возникновения и развития нештатных ситуаций.
6.4.2 Для регистрации информации на щитах управления устанавливаются одно- или многоточечные регистрирующие приборы.
6.5 Технологическая сигнализация
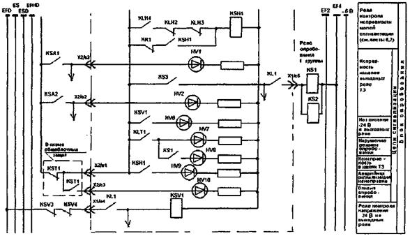
6.5.1 Технологическая сигнализация предназначена для извещения оперативного персонала о возникновении нарушений в технологическом процессе, изменений в составе работающего оборудования и обнаруженных неисправностях аппаратуры КИПиА. Вся ТС автоматически выводится на световые табло на щитах управления или на сигнальные устройства рядом с аппаратами управления.
6.5.2 Технологическая сигнализация подразделяется на аварийную и предупредительную, а также на индивидуальную и групповую.
Технологическая сигнализация должна предусматривать:
- аварийную сигнализацию при аварийных отклонениях параметров, срабатывании технологических защит, аварийном отключении МСН;
- предупредительную сигнализацию об отклонении за установленные пределы технологических параметров;
- предупредительную сигнализацию об изменении состояния автономных систем автоматического управления, расположенных в необслуживаемых помещениях;
- предупредительную сигнализацию о действии АВР механизмов и источников электроснабжения;
- предупредительную сигнализацию о диагностируемых неисправностях устройств КИПиА, отключении автоматов электропитания в электрических сборках и др.
6.5.3 Появление любого индивидуального сигнала должно вызывать включение соответствующего звукового и светового сигналов.
Предупредительные и аварийные световые и звуковые сигналы должны различаться.
Световой сигнал - загорание соответствующего табло или сигнального устройства - сопровождается его миганием.
Звуковой сигнал и мигание световых табло квитируются оперативным персоналом; при этом отключается звук, а световой сигнал переходит на ровное свечение. Свечение табло прекращается только после исчезновения причины, его вызвавшей.
6.5.4 Сигналы о понижении параметров не должны появляться на остановленном оборудовании, поэтому для каждого из них или для групп сигналов организуется автоматический режимный вывод на время, когда эти сигналы не несут технологической информации.
6.5.5 Кроме индивидуальной сигнализации формируются и выводят на специальные табло сигналы групповой сигнализации. Групповая сигнализация выполняется, как правило, для вызова к местным шкафам, сборкам задвижек и пр.
Расшифровка группового сигнала выполняется по месту.
Возникновение каждой новой причины включения группового сигнала должно сопровождаться повторным его миганием. Квитирование мигания группового сигнала выполняется общей кнопкой «Съем мигания».
6.6 Управление приводом (дистанционное управление)
6.6.1 Объектами, на которые распространяется действие функции «Дистанционное управление», являются:
- запорная и регулирующая арматура;
- выключатели электроприводов механизмов собственных нужд;
- выключатели генератора и трансформаторов.
6.6.2 Дистанционное управление предназначено для реализации команд оператора-технолога по управлению оборудованием.
Путем дистанционного управления оператор-технолог обеспечивает:
- выполнение неавтоматизированных предпусковых и пусковых операций;
- выбор эксплуатационного режима установки;
- дублирование управляющих воздействий на арматуру и механизмы средствами дистанционного управления при отказе средств автоматизации (АР, блокировки, АВР);
- опробование схем технологических защит и сигнализаии при подготовке ТОУ к вводу в действие;
- выбор очередности работы механизмов при АВР;
- выполнение послеостановочных операций;
- установку заданий автоматическим регуляторам и т.п.
6.6.3 Должны быть предусмотрены:
- индивидуальное дистанционное управление для ответственных исполнительных устройств и регуляторов;
- избирательное дистанционное управление исполнительными устройствами и регуляторами, для которых не требуется срочная подача команды;
- групповое дистанционное управление технологически связанными между собой исполнительными устройствами.
6.6.4 Индивидуальное дистанционное управление реализуется путем закрепления за каждым объектом управления отдельного, относящегося только к нему, аппарата подачи команд (ключа или кнопок) в оперативном контуре ЩУ.
Избирательное дистанционное управление осуществляется с пультов оперативных контуров ЩУ. Выбор объекта управления осуществляется с помощью цифрового или предметного выбора.
Групповое дистанционное управление используется для управления несколькими объектами одной командой. Для отдельных входящих в группу объектов управления не предусматривается ни индивидуальное, ни избирательное управление. Информация о выполнении поданной команды выдается по отдельным органам управления. В некоторых случаях может быть обеспечена возможность временного разбора группы по команде оперативного персонала и перехода к дистанционному управлению любым из объектов группы с МЩУ.
6.6.5 При дистанционном управлении одним и тем же исполнительным механизмом с нескольких рабочих мест должна предусматриваться блокировка, запрещающая одновременное управление им с двух мест.
6.7 Автоматическое регулирование
6.7.1 Подсистема автоматического регулирования предназначена для управления непрерывными процессами и должна обеспечивать поддержание заданных значений параметров технологического процесса и нагрузки энергоустановки.
Автоматическое регулирование должно осуществляться, как правило, по стандартным законам регулирования (П, ПИ, ПИД) с необходимыми преобразованиями входной и выходной информации.
6.7.2 Схемы автоматического регулирования любого уровня управления должны предусматривать:
- самобалансировку и безударное включение АР в работу по командам оператора или логических устройств;
- индикацию включенного и отключенного состояний регулятора. Структура средств, реализующих АР, должна допускать выделение контуров регулирования с возможностью выполнения в каждом контуре:
- формирования аналогового или импульсного (совместно с исполнительным механизмом) ПИ- и ПИД-законов регулирования;
- математической обработки сигналов (линеаризация, усреднение, извлечение корня);
- динамического преобразования сигналов (фильтрация, демпфирование, дифференцирование и др.):
- нелинейного и аналого-дискретного преобразования сигналов;
- логического преобразования дискретных сигналов. В каждом контуре должны также предусматриваться:
- контроль регулируемого параметра, задания, рассогласования и положения регулирующего органа;
- возможность изменения сигнала задания, способа управления выходным сигналом регулятора (ручного или автоматического), а также структуры регуляторов;
- контроль и изменение режима управления регулирующим органом (автоматическое, дистанционное);
- сигнализация достижения регулирующим органом крайних положений.
Для каждого контура регулирования должна быть предусмотрена возможность взаимодействия с подсистемами технологических защит и блокировок, в том числе осуществления блокировок, обеспечивающих:
- отключение автоматических воздействий на регулирующий орган как в сторону «больше», так и в сторону «меньше»;
- принудительное перемещение регулирующего органа до заданного или до крайнего положения.
6.7.3 Должна быть предусмотрена при необходимости возможность реализации дополнительных алгоритмов автоматического регулирования в том числе:
- ввод опережающих сигналов по возмущающим воздействиям;
- двух- и многоконтурные схемы регулирования (каскадные, со скоростными опережающими сигналами);
- автоподстройка;
- изменение структуры регуляторов при переходе объекта на другой режим работы, возникновении технологических ограничений.
6.7.4 При необходимости должны выполняться предусматриваемые алгоритмами АР дискретные операции, обеспечивающие свойства всережимности (изменение структуры регуляторов, параметров их настройки, переключение входов и выходов). Эти операции должны выполняться без отключения регуляторов по простейшим алгоритмам на основании информации о положении регулирующих органов, состоянии регулятора, достижении пороговых значений технологических параметров и т.д.
6.7.5 Требования к качеству поддержания технологических параметров.
При исправности основного и вспомогательного оборудования и соблюдении заданных условий его эксплуатации должны обеспечиваться:
- устойчивая работа (отсутствие автоколебаний) автоматических регуляторов и ограниченная частота включений регуляторов с релейным выходом, которая при постоянном заданном значении нагрузки не должна превышать в среднем 6 включений в 1 мин;
- поддержание значений регулируемых параметров с отклонениями, не вызывающими срабатывания предупредительной сигнализации.
6.7.6 Требования к регулированию мощности турбоагрегата и (или) блока в соответствии с требованиями к ОПРЧ приведены в Приложении М.
6.7.7 Рекомендации по выполнению АСР турбинного и котельного оборудования приведены в Приложениях И, Л и Н.
6.8 Технологические блокировки
6.8.1 Блокировки технологического оборудования должны решать задачи:
- автоматического управления переключениями и запретами на переключения в технологической схеме объекта при изменениях условий или режима работы оборудования;
- автоматического управления пуском и остановом технологических узлов, для которых не требуется использование пошаговых алгоритмов;
- автоматического включения резервного механизма.
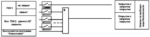
6.8.2 Алгоритмы АВР обеспечивают подключение резервного механизма при аварийном отключении работающего или при недопустимом отклонении поддерживаемого параметра при работающем механизме. Выбор рабочего и резервного механизмов, отключение АВР осуществляет оператор-технолог.
6.8.3 Блокировки безопасности в соответствии с [2] запрещают оперативному персоналу выполнение действий, могущих стать причиной возникновения взрывоопасной ситуации при растопке котла или при переводе его на другой вид топлива.
Блокировки безопасности котлов, оснащенных газовыми блоками фирмы «АМАКС», выполняют в соответствии с Приложениями X, Ц, Ш.
Указания по объему блокировок безопасности для остальных котлов даны в Приложениях Ф и Щ.
6.8.4 Алгоритм блокировки выполняется таким образом, чтобы она не препятствовала ремонтным и наладочным работам, а также опробованию отдельных элементов КИПиА на остановленном оборудовании.
6.9 Технологические защиты
6.9.1 Технологические защиты предназначены для защиты оперативного персонала и теплоэнергетического оборудования в случае возникновения аварийной или предаварийной ситуации путем экстренного автоматического перевода защищаемого оборудования в безопасное состояние.
6.9.2 Подсистема ТЗ предназначена для решения следующих задач:
- контроль появления признаков возникновения аварийных и предаварийных ситуаций: изменения аналоговых сигналов до заданных значений (уставок срабатывания), появления заданного состояния дискретных сигналов или их заданного сочетания;
- отсчет заданной выдержки времени,
- автоматический режимный ввод и вывод защит, срабатывающих при понижении параметра или при отключении механизмов;
- обеспечение возможности неоперативного вывода каждой защиты «на сигнал» (ремонтный вывод защиты);
- формирование команды на выполнение соответствующей программы действия (определенного набора команд на исполнительные устройства ТЗ);
- формирование и представление информации о состоянии и срабатывании ТЗ.
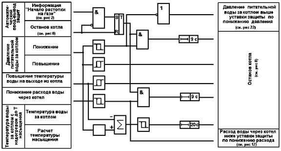
6.9.3 Технологические защиты должны выполняться по техническим условиям и алгоритмам, разрабатываемым при создании КИПиА заводами -изготовителями технологического оборудования и проектными организациями с учетом требований настоящего стандарта. Объем и технические условия на выполнение технологических защит теплоэнергетического оборудования разных типов проектируют в соответствии с Приложениями П, Р, С, Т, У, Ф, X, Ц, Ш.
Значения параметров срабатывания и выдержек времени срабатывания защит определяются заводом-изготовителем защищаемого оборудования или наладочной организацией.
6.9.4 Команды защиты должны иметь наивысший приоритет по отношению к другим дискретным воздействиям.
6.9.5 Вмешательство персонала в работу технологических защит запрещается.
6.9.6 Действие защит должно быть односторонним: изменение состава работающего оборудования, положения (состояния) объектов управления и ввод оборудования в работу после отключения его защитой должны производиться оперативным персоналом после устранения причин, вызвавших срабатывание защиты.
Длительность команд защит, действующих на останов оборудования, как правило, должна быть не менее времени выполнения самой продолжительной операции защиты.
6.9.7 При одновременном действии защит, требующих разной степени разгрузки оборудования, должны выполняться те операции управления, которые обусловлены действием более «сильной» защиты, вызывающей большую степень разгрузки.
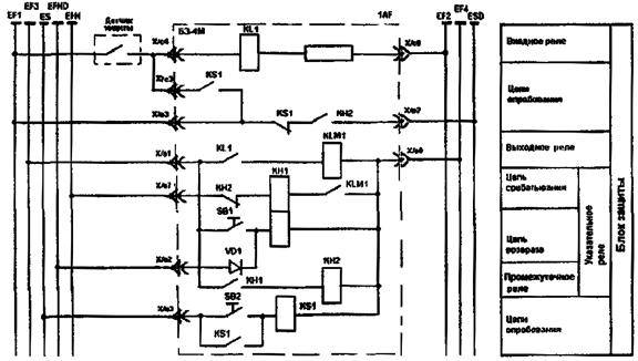
6.9.8 Срабатывание защит должно сопровождаться светозвуковой аварийной сигнализацией.
7.1 Общие требования
Проектирование КИПиА должно вестись специализированными организациями с учетом требований ГОСТ, СНиП, документов Ростехнадзора, стандартов и других нормативных документов, действующих на момент проектирования, а также требований заводов-изготовителей энергетического оборудования.
Для создания КИПиА должны применяться технические средства общепромышленного назначения, имеющие разрешение на применение их в энергетике (сертификат или заключение). Технические средства выбираются с учетом взрывоопасности и запыленности места установки, а также климатической и сейсмической характеристики района размещения ТЭС.
Технические средства КИПиА определяются с учетом типа технических средств контроля и управления, поставляемых совместно с технологическим оборудованием.
В данном разделе изложены требования к элементам КИПиА:
- помещениям;
- трубным проводкам;
- электропроводкам;
- измерительным системам;
- технологической сигнализации;
- системе управления приводом;
- системе автоматического регулирования;
- системе технологических блокировок;
- системе технологических защит;
- щитам управления;
- схемам электропитания подсистем КИПиА.
7.2.1 К помещениям КИПиА относят помещения, не содержащие технологического оборудования, трубопроводов, запорной и регулирующей арматуры:
- помещения средств автоматизации - с первичными преобразователями, релейными панелями, кроссовыми шкафами и др.;
- кабельные полуэтажи (под щитами управления, релейными щитами, помещениями средств автоматизации и др.);
- помещения щитов управления (блочных, групповых, местных).
7.2.2 Требования к условиям эксплуатации технических средств, устанавливаемых в оперативном и неоперативном контурах управления ГрЩУ, БЩУ и ЦЩУ в специально подготовленных помещениях с постоянным присутствием оперативного персонала:
- рабочая температура окружающей среды от 15 до 25 °С;
- предельная температура (на период не более 2 ч) от 10 до 40 °С;
- относительная влажность воздуха от 30 до 75 % при температуре 25 °С;
- предельная влажность воздуха от 20 до 80 % при температуре 25 °С;
- атмосферное давление (группа Р1) от 84,6 до 106,7 кПа;
- вибрация в диапазоне частот от 0,5 до 50,0 Гц с амплитудой 0,15 мм (группа N1);
- напряженность внешних магнитных полей постоянного и переменного тока с частотой 50 Гц до 40 А/м;
- содержание пыли (размер частиц не более 3 мкм) в помещениях не более 1,0 мг/м3.
- освещенность рабочих мест не менее 300 лк согласно [4];
- скорость воздуха на рабочем месте не более 0,5 м/сек.
Технические средства, устанавливаемые в этих помещениях, должны соответствовать ГОСТ 13033.
7.2.3 Требования к условиям эксплуатации технических средств, устанавливаемых в специально подготовленных помещениях без постоянного присутствия оперативного персонала (щит управления ГРП, помещения панелей реле и т.д.):
- рабочая температура окружающей среды от 10 до 40 °С;
- относительная влажность воздуха от 30 до 75 % при температуре 25 °С;
- предельная влажность воздуха от 20 до 80 % при температуре 25 °С;
- атмосферное давление (группа Р1) от 84,6 до 106,7 кПа;
- вибрация в диапазоне частот от 0,5 до 50,0 Гц с амплитудой 0,15 мм (группа N1);
- напряженность внешних магнитных полей постоянного и переменного тока с частотой 50 Гц до 400 А/м;
- содержание пыли в помещениях - в соответствии с требованиями для электротехнических помещений.
Технические средства, устанавливаемые в этих помещениях, должны соответствовать ГОСТ 13033.
7.2.4 Условия эксплуатации технических средств, устанавливаемых вблизи технологического оборудования:
- атмосферное давление 84 - 106,7 кПа;
- вибрация в диапазоне частот от 0,5 до 50,0 Гц с амплитудой 0,1 мм;
- напряженность магнитных полей постоянного и переменного тока до 400 А/м;
- наличие индустриальных радиопомех;
- рабочая температура окружающей среды в нормальных условиях от 10 до 50 °С;
- относительная влажность не более 90 %.
В аварийных режимах допускается температура 60 °С и относительная влажность 95 %.
Технические средства, устанавливаемые вблизи технологического оборудования, должны соответствовать ГОСТ 13033, иметь степень защиты IP54.
7.2.5 Требования к помехозащищенности технических средств КИПиА, устанавливаемых на ТЭС.
Технические средства должны быть устойчивы к воздействию:
- электрических полей переменного тока напряженностью до 10 кВ/м;
- электрических помех промышленной частоты с амплитудой до 100 мВ любой фазы;
- импульсных электрических помех общего типа с амплитудой до 5 В любой длительности или амплитудой до 1,5 кВ при длительности переднего фронта 1,2 мкс и постоянной времени заднего фронта 50 мкс;
- электростатических разрядов согласно ГОСТ Р51317.4.2;
- наносекундных импульсных помех согласно ГОСТ Р 51317.4.4;
- радиоэлектронных помех согласно ГОСТ 12.1.006 ССБТ;
- помех от радиотелефонов и современных переговорных устройств.
7.3 Требования к трубным проводкам
7.3.1 Трубные проводки, относящиеся к КИПиА, начинаются после первичного запорного органа и включают соединительные (импульсные), обогревающие, охлаждающие, питающие трубные проводки с арматурой, присоединителями и крепежными конструкциями; отборные и сужающие устройства; уравнительные и разделительные сосуды.
7.3.2 Проекты трубных проводок, относящихся к КИПиА, предусматривают, в частности:
- наличие антикоррозионного покрытия трубных проводок,
- наличие продувочных линий и дренажей продувки;
- наличие уклонов трубных проводок;
- выполнение изгибов труб (овальность сечения труб в местах изгиба, внутренний радиус кривой изгиба труб) согласно нормалей;
- наличие прокладок под крепежными деталями пластмассовых трубных проводок;
- наличие перегородок и уплотнений при проходе трубных проводок через стены и перекрытия помещений;
- обязательное применение стандартизированных и нормализованных соединителей для разъемных соединений металлических и пластмассовых труб;
- наличие стендов для установки датчиков;
- наличие уравнительных и разделительных сосудов и проектов их установки согласно заводской документации на сосуды;
- наличие на отборных устройствах первичных запорных органов для обеспечения возможности отключения импульсных линий при работе оборудования;
- наличие площадок для обслуживания у заборных устройств, первичных преобразователей и др. технических средств КИПиА.
7.4 Требования к электропроводкам
7.4.1 Электропроводки, относящиеся к КИПиА, включают совокупность проводов и кабелей напряжением до 380 В переменного тока и 440 В постоянного тока с относящимися к ним креплениями, поддерживающими и защитными конструкциями, кабельными сооружениями (кабельными этажами, двойными полами, тоннелями, коробами, каналами и др.), подающих напряжение питания к техническим средствам КИПиА (панелям, пультам, шкафам, стойкам и т.п., а также отдельным техническим средствам, имеющим непосредственную связь как с электропроводками, так и с ТОУ).
7.4.2 Проекты электропроводок, относящихся к КИПиА, предусматривают, в частности:
- наличие рабочего освещения в местах установки первичных преобразователей, исполнительных механизмов и др. технических средств КИПиА;
- гидроизоляцию кабельных каналов, исключающую попадание грунтовых вод;
- наличие противопожарных перегородок в кабельных шахтах;
- заполнение огнестойкими материалами проходов через перегородки кабельных трасс.
7.4.3 Все кабельные связи элементов КИПиА между собой, а также со сборками задвижек, КРУ и другими системами должны выполняться кабелем с медными жилами и изоляцией, не поддерживающей горение.
7.4.4 Уплотнения мест прохода силовых и измерительных кабелей через стены, разделяющие помещения, и уплотнения вводов кабелей в щиты и панели должны обеспечивать плотность или герметичность.
7.4.5 Совмещение в одном кабеле цепей измерения с силовыми и управляющими цепями запрещается.
7.4.6 Цепи измерения, относящиеся к первичным преобразователям, резервирующим друг друга, а также цепи их электропитания должны находиться в разных кабелях, проложенных по возможности по разным трассам.
7.4.7 Цепи управления, относящиеся к исполнительным механизмам, арматуре и др. объектам управления КИПиА, резервирующим друг друга, должны находиться в разных кабелях, проложенных по возможности по разным трассам.
7.5 Требования к измерительным системам
7.5.1 Измерительная система КИПиА представляет собой совокупность технических средств целевого назначения, объединенных в ИК, выполняющих функции измерения параметров: давления, расхода, уровня, температуры, электрических и механических величин, состава веществ и газового анализа и представления информации потребителю.
7.5.2 Проекты измерительных систем, относящихся к КИПиА, выполняются согласно ГОСТ 8.563.1, ГОСТ 8.563.2.
Нормы погрешности измерений технологических параметров электростанций принимаются в соответствии с Приложением Ж.
7.5.3 Условия эксплуатации датчиков и вторичных приборов в зависимости от места их установки см. п. 7.2.
7.6 Требования к системе технологической сигнализации
7.6.1 Система ТС представляет собой совокупность технических средств, выполняющих функции индикации и оповещения оперативного персонала о возникших отклонениях от нормального режима работы оборудования.
Возникновение любого сигнала сопровождается появлением звукового сигнала и мигающего светового сигнала.
7.6.2 Световые табло и лампы сигнализации располагаются в оперативном контуре; в одной из панелей оперативного контура располагается аппаратура, реализующая алгоритмы сигнализации: аварийной (с действием на включение светового табло и сирены) и предупредительной (с действием на включение светового табло и звонка).
7.6.3 На пульте щита управления устанавливаются кнопки «Съем звука», «Съем мигания» и «Опробование световых табло».
7.6.4 Звуковой сигнал отключается оперативным персоналом путем подачи команды кнопкой «Съем звука», либо автоматически по истечении заданного времени (в пределах от 3 до 15 с).
Мигание световых табло «квитируется» оператором путем подачи команды общей кнопкой «Съем мигания», после чего табло продолжает светиться ровным светом до исчезновения сигнала.
При нажатии кнопки «Опробование световых табло» на все табло подается пониженное напряжение для контроля исправности ламп.
7.6.5 Условия эксплуатации технических средств см. раздел 7.2.
7.7 Требования к системе управления приводом (дистанционного управления)
7.7.1 Система управления приводом представляет собой совокупность технических средств, выполняющих функции управления приводом: запорной или регулирующей арматуры, а также выключателями электродвигателей механизмов собственных нужд.
7.7.2 Дистанционное управление приводом осуществляется со щита управления. Если щит управления не располагается в пределах прямой видимости обслуживаемых приводов, предусматривается местное управление ими для проведения наладочных работ и опробования.
Управление приводом арматуры на подводе газа выполняется согласно требованиям [2].
7.7.3 Для механизмов, имеющих автоматическое резервирование, оператор имеет возможность изменять статус механизма в схеме АВР: «Рабочий», «Резервный», «Отключен» и дистанционно воздействовать на механизм.
Для регулирующих органов оператор имеет возможность отключить действие регулятора и управлять регулирующим органом дистанционно.
7.7.4 Если привод имеет автоматическое управление, в его схеме управления предусматривается иерархия команд от разных систем.
7.7.5 Наивысший приоритет для арматуры и механизмов имеют команды электрических и технологических защит. Приоритеты команд от блокировок и от дистанционного управления зависят от многих причин: назначения арматуры или механизма, назначения и алгоритма блокировки - поэтому решение об этих приоритетах принимается в конкретном проекте.
7.7.6 При возможности управления приводом с нескольких мест принимаются меры по недопущению одновременного управления им с двух мест.
Для приводов, расположенных вне главного корпуса и имеющих органы управления на ГрЩУ, БЩУ, ГЩУ и на необслуживаемом местном щите управления (ГРП, мазутонасосная и т.д.), на необслуживаемом щите управления устанавливается переключатель (переключатели), позволяющий управлять приводами с местного щита. Информация о положении переключателя передается на обслуживаемый ЩУ, при переводе управления на местный щит на обслуживаемый щит выдается предупредительный сигнал..
7.7.7 Схема управления задвижкой должна обеспечивать ее плотное закрытие.
7.7.8 Для управления приводом технические средства должны обеспечивать коммутацию электрических цепей со следующими параметрами:
- напряжение 220 В переменного тока при мощности 100 В ∙ А и cosφ 0,8, нагрузка индуктивная (для управления пускателями) - с коммутационной износостойкостью не менее 10000 циклов;
- напряжение 220 В постоянного тока при токе 2,0 А (для управления электромагнитами) - с коммутационной износостойкостью не менее 10000 циклов:
- напряжение 220 В постоянного тока при индуктивной нагрузке (для управления коммутационными аппаратами электродвигателей) с коммутационной износостойкостью не менее 3000 циклов:
- замыкание цепи при токе 5,0 А в течение времени до 1,0 с,
- размыкание цепи при токе 0,25 А.
- напряжение 24 В постоянного тока при индуктивной нагрузке при токе 300 мА (для управления задатчиками, переключателями) с коммутационной износостойкостью не менее 10000 циклов.
7.7.9 Условия эксплуатации технических средств см. раздел 7.2.
7.8 Требования к системе автоматического регулирования
7.8.1 Система автоматического регулирования представляет собой совокупность технических средств, выполняющих функции автоматического регулирования технологических процессов.
7.8.2 Оператор должен иметь возможность включения и отключения регулятора, изменения задания, принудительного открытия или закрытия регулирующего органа.
7.8.3 Технические средства, реализующие автоматические регуляторы, должны обеспечить следующую точность настройки регулятора:
- цена деления шкалы настройки коэффициента пропорциональности должна быть не более 0,05;
- цена изменения масштабных коэффициентов должна быть не более 0,01;
- диапазон изменения постоянных времени дифференцирования и интегрирования должен быть в пределах от 0,5 до 1000,0 с, шаг изменения - не более 0,5 с;
- диапазон изменения минимальной длительности импульсов, подаваемых от регулятора на исполнительный механизм, должен быть в пределах от 0,125 до 3,0 с, шаг изменения - не более 0,1 с.
7.8.4 Рекомендации по разработке систем автоматического регулирования ТЭС даны в Приложениях И, Л, Н.
7.8.5 Условия эксплуатации технических средств см. раздел 7.2.
7.8.6 Требования к регулирующим органам приведены в разделе 8.2.
7.9 Требования к системе технологических блокировок
7.9.1 Система технологических блокировок представляет собой совокупность технических средств, выполняющих функции дискретного автоматического управления (или запретов управления) ИУ в зависимости от состояния ТОУ на разных этапах нормальной эксплуатации.
7.9.2 Действие технологических блокировок, как правило, не должно зависеть от режима работы ИУ (ручной или автоматический).
7.9.3 Технологические блокировки должны выполняться таким образом, чтобы не препятствовать проведению ремонтных и наладочных работ на остановленном оборудовании.
7.9.4 Коммутационные характеристики выходных контактов должны соответствовать требованиям п. 7.7.7.
7.9.5 Условия эксплуатации технических средств см. раздел 7.2.
7.10 Требования к системе технологических защит
7.10.1 Система технологических защит представляет собой совокупность технических средств, выполняющих защитные функции управления (по предотвращению аварии на энергетическом оборудовании) путем обнаружения аварийной ситуации и управления ИУ по специальной программе, позволяющей предотвратить развитие аварии.
7.10.2 При проектировании системы технологических защит должны быть выполнены следующие требования:
- режимный ввод/вывод защит должен быть автоматическим;
- каждая защита должна иметь индивидуальный неоперативный переключатель (накладку), переводящий ее действие на сигнал по команде с рабочего места оператора систем контроля и управления;
- действие защиты должно сохраняться на время, достаточное для выполнения наиболее длительной операции управления, выполняемой по команде данной защиты; на это время налагается запрет на действия оператора на вывод защит и дистанционное управление ИУ, участвующими в защите;
- ввод оборудования в работу после отключения его защитой должен производиться оперативным персоналом после устранения причин, вызвавших срабатывание защиты;
- при одновременном действии защит, требующих разной степени разгрузки оборудования, должны выполняться те операции управления, которые обусловлены действием защиты, вызывающей большую степень разгрузки;
- срабатывание защит должно сопровождаться светозвуковой аварийной сигнализацией.
7.10.3 Рекомендации по выполнению алгоритмов и электрических схем защит даны в Приложениях Э и Ю.
7.10.4 Коммутационные характеристики выходных контактов должны соответствовать требованиям п. 7.7.7.
7.10.5 Условия эксплуатации технических средств см. раздел 7.2.
7.11 Требования к щитам управления
7.11.1 Блочный, групповой или местный щит управления (ЩУ) является рабочим местом оператора-технолога как совокупность:
- средств отображения информации (мнемосхем, индикаторов, табло и др.);
- органов управления и ввода-вывода информации (ключей, кнопок, переключателей и др.);
- вспомогательных средств и документов (защитных средств, мебельного инвентаря, эксплуатационных документов оперативного персонала);
- окружающей среды (санитарно-климатических и производственных условий труда).
7.11.2 При проектировании щитов управления необходимо учитывать эргономические требования ГОСТ 22269.
7.11.3 Организация постов управления различна для электростанций блочных и с поперечными связями.
7.11.4 Для блочных электростанций основными постами управления являются:
- центральный щит;
- блочные щиты управления;
- щиты управления вспомогательных цехов (топливно-транспортного, водоприготовления и очистки воды, ГРП), а также общестанционных установок (компрессорной, электролизной и др.).
7.11.4.1 На центральном щите управления предусматриваются средства управления электротехническим оборудованием ТЭС и соответствующая информация, а также информация о работе блоков и сигнализация о неисправности не обслуживаемых постоянным персоналом участков электростанции.
7.11.4.2 Блочный щит управления служит для централизованного управления всем входящим в блок оборудованием: котлоагрегатом, турбоагрегатом, генератором, блочным трансформатором, трансформатором собственных нужд со всеми относящимися к ним вспомогательными устройствами и механизмами во время пуска блока, его нормальней эксплуатации, планового останова и аварийных ситуаций.
7.11.4.3 Блочный щит управления состоит из оперативной и неоперативной частей. В оперативной части располагаются панели и пульты с приборами и аппаратурой, обеспечивающими контроль основных показателей работы блока и выполнение основных операции по управлению, активная мнемосхема.
7.11.4.4 В видимой оператору неоперативной части располагаются панели, оснащенные показывающими и регистрирующими приборами, а в невидимой части - панели с электронными регуляторами, приборами технологических защит, реле и вспомогательной аппаратурой различного назначения.
7.11.4.5 Приборы и аппаратура управления размещаются на панелях и пультах по принципу их технологической принадлежности. В оперативном контуре допускается выделение основных приборов и аппаратов управления в центральную часть щита.
7.11.4.6 Последовательность расположения панелей в пультов, а также установка приборов на них для всех блоков электростанции принимаются идентичными.
7.11.4.7 Приборы автоматического химического контроля водного режима блока устанавливаются в помещении площадью до 100 м с организованными стоками и вентиляцией. По согласованию с заказчиком допускается установка приборов в помещении машзала. На БЩУ выводится сигнализация о нарушении водного режима блока.
7.11.5 Для электростанций с поперечными связями основными постами управлений являются:
- главный щит управления;
- групповые щиты управления;
- щиты управления вспомогательных цехов (топливно-транспортного, водоприготовления и очистки воды) и общестанционных установок (компрессорной, электролизной и др.).
7.11.5.1 На ГЩУ предусматривается сбор информации о работе основных агрегатов и сигнализация о неисправности не обслуживаемых постоянным персоналом участком электростанции.
7.11.5.2 Групповые щиты управления котлами и турбинами располагаются в одном изолированном помещении по возможности центрально к обслуживаемым агрегатам. Для управления четырьмя агрегатами сооружается один групповой щит.
7.11.5.3 Приборы автоматического химического контроля водного режима устанавливаются в помещении с организованными стоками и вентиляцией.. По согласованию с заказчиком допускается установка приборов в помещении машзала. На ГрЩУ выводится сигнал нарушения водного режима.
7.11.5.4 Дистанционное управление выполняется индивидуальным, избирательным и в отдельных случаях групповым.
7.11.6 Управление общестанционным оборудованием, находящимся вне главного корпуса (топливоподача, мазутонасосная, пиковая котельная, химводоочистка, золоудаление, электролизная, компрессорная и др.) и контроль работы этого оборудования осуществляется со щитов управления, расположенных в помещениях, где это оборудование установлено, или непосредственно по месту расположения соответствующих механизмов.
7.11.6.1 Во всех случаях, за исключением топливоподачи и химводоочистки, контроль и управление выполняются, исходя из отсутствия на этих участках постоянного дежурного обслуживающего персонала, вследствие чего при появлении неисправности в работе оборудования на центральный (главный) шит управления подается общий для каждого участка сигнал. Расшифровка причин сигнала осуществляется в помещении соответствующего участка.
7.11.6.2 В тракте топливоподачи следует автоматизировать управление механизмами и процесс загрузки бункеров топливом.
Дистанционное управление механизмами выполняется с центрального щита топливоподачи, располагаемого в изолированном помещении с допустимым для аппаратуры уровнем вибрации и запыленности (см. раздел. 7.2).
7.11.6.3 В химводоочистке следует предусматривать автоматизацию технологических процессов, режимов регенерации и промывки фильтров и процесса нейтрализации сточных вод.
7.11.6.4 В мазутохозяйстве осуществляется автоматизация технологического процесса, а управление механизмами выполняется со щита мазутонасосной.
7.11.7 Щиты шкафного типа должны быть заземлены, тщательно уплотнены, иметь постоянное освещение, штепсельные розетки на 12 и 220 В. Дверцы щитов должны запираться. Штепсельные розетки должны быть подключены к сети освещения помещений.
Должна быть выполнена телефонная связь между сборками задвижек, панелями аппаратуры защиты, местными щитами управления и блочным или групповым щитом управления
7.12 Требования к схемам электропитания подсистем КИПиА
7.12.1 Электропитание системы управления осуществляется по группам потребителей:
- технологические защиты и их датчики,
- устройства дистанционного управления и блокировки,
- приборы технологического контроля и их датчики,
- устройства аварийной и предупредительной сигнализации,
- системы обнаружения и тушения пожара,
- средства авторегулирования.
Потребители всех групп должны быть разделены на подгруппы по технологическому принципу: для котельного и турбинного отделений.
Распределение по группам и подгруппам должно осуществляться через самостоятельные аппараты токовой защиты, обеспечивающие селективное автоматическое отключение поврежденных участков и позволяющих проводить ремонт элементов сети электропитания без останова основного оборудования.
7.12.2 Электропитание резервирующих друг друга устройств КИПиА должно производиться от максимально независимых источников.
Распределение оперативного тока по группам потребителей должно быть таким, чтобы отдельная неисправность или ремонт элемента сети электропитания не приводили к полному выходу соответствующей группы КИПиА из строя.
7.12.3 Первичными источниками электропитания элементов КИПиА переменным током могут являться две независимые сети, каждая из которых является трехфазной сетью переменного тока 380/220 В, частотой 50 ± 1 Гц.
Характеристики первичных сетей электропитания:
- номинальное линейное напряжение - 380 В (+10 %, -15 %);
- номинальное фазное напряжение - 220 В (+10 %, -15 %);
- число фаз - 3.
7.12.4 Первичными источниками электропитания элементов КИПиА постоянным током могут быть два фидера щита постоянного тока напряжением 220 В (+10 %, -15 %) от аккумуляторной батареи.
Устройства КИПиА должны иметь защиту от подачи напряжения постоянного тока обратной полярности.
7.12.5 Для блочных установок источниками переменного оперативного тока напряжением 220/380 В должны быть шины распределительного устройства собственных нужд 0,4 кВ своего или соседнего энергоблока, от которого не резервируются шины РУСН 0,4 кВ данного энергоблока, инверторы агрегатов бесперебойного питания, шины щита постоянного тока.
7.12.6 Технические средства должны сохранять работоспособность при:
- независимых или одновременных изменениях напряжения сетей переменного и постоянного тока на ±25 % длительностью до 100 мс при электропитании КИПиА от сети переменного и постоянного тока (для технических средств, не реализующих функцию технологических защит),
- при длительных перерывах электропитания в одной из двух питающих сетей;
- при одновременных перерывах электропитания длительностью не более 1 с в двух питающих сетях переменного тока (для технических средств, не реализующих функцию технологических защит);
- при одновременных перерывах электропитания длительностью не более 100 мс в двух питающих сетях постоянного тока;
- при подключении и (или) отключении одной из двух сетей первичного электропитания.
7.12.7 Технические средства, реализующие функцию технологических защит, должны получать электропитание либо от двух фидеров щита постоянного тока, либо от агрегата бесперебойного питания. При отсутствии в здании, где расположены технические средства ТЗ, источника постоянного тока в проекте либо должна быть предусмотрена линия питания от щита постоянного тока, расположенного в другом здании, либо должны быть предусмотрены решения, обеспечивающие безаварийный останов защищаемого оборудования при потере напряжения собственных нужд.
7.12.8 Действие сигнализации об отключении электропитания должно быть обеспечено при полной потере питания, как любой группы потребителей, так и одного из вводов.
8.1 Общие требования к теплоэнергетическому оборудованию и тепловой схеме
8.1.1 Для повышения надежности работы энергетического блока, котлоагрегата, турбоагрегата и упрощения систем их автоматического управления теплоэнергетическое оборудование и тепловая схема должны быть выполнены таким образом, чтобы задачи управления решались с использованием минимального числа органов управления и управление осуществлялось по наиболее простым алгоритмам.
8.1.2 В целях устранения вредных взаимосвязей между отдельными регуляторами через объект регулирования и упрощения систем регулирования следует стремиться к тому, чтобы каждый регулирующий орган существенно влиял на тот параметр, для воздействия на который он предназначен, и слабо влиял на другие регулируемые параметры.
8.1.3 Следует стремиться к тому, чтобы регулирующее воздействие оказывало малоинерционное влияние на регулируемый параметр по сравнению с возмущениями, действующими в эксплуатационных условиях.
8.1.4 Системы дренажей должны группироваться так, чтобы обеспечить возможность управления ими посредством минимального числа запорных органов. Количество воздушников на оборудовании должно быть сведено к минимуму.
8.1.5 Требования к ТОУ исходя из условий его автоматизации даны в Приложении Л.
8.2 Требования к органам управления
8.2.1 Для каждого параметра диапазон его регулирования, зависящий от производительности вспомогательных механизмов и пропускной способности регулирующих органов, должен быть выбран с запасами в обоих направлениях (по отношению к диапазону, определенному из условий статики), учитывающими необходимость динамического перерегулирования (см. п. 7.8).
8.2.2 Регулирующие органы совместно с исполнительными механизмами должны в пределах всего регулировочного диапазона иметь характеристики, близкие к оптимальным (отличающиеся по крутизне от оптимальных во всех точках не более чем в 1,5 раза).
В большей части случаев оптимальной является линейная зависимость между статическим отклонением регулируемого параметра и положением регулирующего органа. Для участков, динамические свойства которых зависят от положения регулирующего органа, оптимальной является криволинейная характеристика, по возможности компенсирующая влияние изменяющейся динамики объекта на поведение замкнутой системы регулирования.
8.2.3 С целью сокращения количества специальных регулирующих органов, используемых только при пусках оборудования, и упрощения алгоритма управления, при выборе основных регулирующих органов следует стремиться, чтобы их характеристики позволяли использовать их также и в пусковых режимах.
8.2.4 Регулирующие органы должны обладать малыми и примерно одинаковыми в обоих направлениях перестановочными усилиями; минимальным пропуском в закрытом положении, не превышающим допустимого для данного органа значения в течение всего межремонтного периода (допустимый пропуск должен оговариваться в техническом задании на разработку регулирующего органа); не иметь существенных люфтов (как правило, не более 2 % полного хода).
8.2.5 Запорные органы должны обладать по возможности малыми перестановочными усилиями, надежно обеспечивать плотное закрытие при дистанционном управлении и иметь надежные средства индикации крайних положений.
8.2.6 Регулирующие и запорные органы, используемые в системах управления и оснащенные электроприводом, должны удовлетворять техническим требованиям по плотности, расходным характеристикам и люфтам. При закрытии запорных органов плотность должна обеспечиваться воздействием системы дистанционного или автоматического управления без «дозакрытия» вручную.
8.2.7 Запорные органы, предназначенные для аварийного управления, должны иметь соленоидный привод от источника постоянного тока. К этой группе относится следующая арматура:
- отсечные клапаны на подводе газа и мазута к котлу,
- стопорные клапаны турбины,
- импульсные клапаны предохранительных клапанов на остром паре и паре промперегрева,
- импульсные клапаны обратных клапанов отборов,
- импульсный клапан обводного клапана подогревателей высокого давления.
Зависимость мощности турбины от положения МИУ должна быть близка в линейной. Время хода МИУ, соответствующего изменению нагрузки от 0 до 100 %, должно составлять от 30 до 40 с, МИУ должно иметь выбег не более 0,5 % и люфт не более 1 % хода, соответствующего изменению нагрузки от 0 до 100 %.
8.2.10 Расходная характеристика парового клапана ПСБУ должна быть близка к линейной.
Расходная характеристика клапана впрыска ПСБУ должна обеспечивать постоянство температуры редуцированного пара при синхронных перемещениях парового клапана и клапана впрыска в условиях постоянства параметров свежего пара и охлаждающей воды.
8.2.11 Клапан, регулирующий уровень воды в конденсаторе, должен иметь близкую к линейной расходную характеристику.
8.3 Требования по обеспечению необходимых измерений
8.3.1 При проектировании технологического оборудования должна быть предусмотрена возможность надежного измерения всех технологических параметров, необходимых для контроля и управления, и удобство обслуживания датчиков.
8.3.2 Все датчики штатных измерений, в том числе и датчики, поставляемые заводами-изготовителями оборудования, должны допускать смену, профилактическое обслуживание и ремонт их во время работы или кратковременных остановов технологического оборудования. При невозможности такого выполнения датчики должны быть резервированы.
8.3.3 Вспомогательные механизмы, являющиеся объектами дискретного управления, должны быть снабжены надежными индикаторами состояния.
8.4 Требования к котельной установке
8.4.1 На блоках для поддержания давления пара перед турбиной в допустимых пределах при регулировании мощности блока, динамические свойства каналов «органы управления нагрузкой котла - давление пара перед турбиной» и «органы управления клапанами турбины - давление пара перед турбиной» должны удовлетворять следующему требованию: при одновременном скачкообразном воздействии на клапаны турбины и органы управления нагрузкой котла на величину, соответствующую изменению нагрузки блока на 10 %, динамические отклонения давления не должны превысить пределы, допустимые для данного блока по условиям надежности.
8.4.2 Для блоков конструкция пусковых впрысков (распиливающее устройство, рубашка) должна обеспечивать возможность их использования для поддержания температуры пара в первичном тракте, начиная с режима, предшествующего толчку турбины, и для поддержания температуры пара промперегрева, начиная с режима, предшествующего включению турбогенератора в сеть.
8.4.3 При применении пылеприготовительных установок, выполненных по схеме прямого вдувания и обладающих значительной инерционностью, для повышения точности поддержания технологических параметров и обеспечения высокой приемистости котлоагрегата должна быть предусмотрена возможность динамической форсировки выноса пыли из мельниц.
Должны быть приняты меры, направленные на то, чтобы отключение любой мельницы при соответствующем изменении производительности других мельниц не приводило к существенному изменению температуры по тракту котлоагрегата.
8.4.4 Пылепитатели и питатели сырого угля котла в комплекте с устройствами управления ими должны обладать стабильными характеристиками и близкой к линейной зависимостью производительности от числа оборотов.
8.4.5 Как правило, изменение нагрузки котла должно обеспечиваться за счет воздействия на регулирующие органы подачи топлива и воздуха без изменения количества топливоподающих устройств и работающих тягодутьевых механизмов во всем диапазоне автоматического регулирования паропроизводительности котлоагрегата.
8.4.6 В пусковых и аварийных режимах работы котлоагрегата должно быть обеспечено измерение с необходимой для этих режимов точностью расходов питательной воды, мазута и газа в диапазоне от 10 до 30 % максимальной нагрузки.
8.4.7 Запасы на динамическое перерегулирование по отдельным регулирующим воздействиям при управлении котельной установкой должны составлять:
- по тяге, дутью и подаче топлива в обоих направлениях 5 % по расходу относительно верхней и нижней границы диапазона регулирования нагрузки котла;
- по расходу питательной воды в направлении максимума 5 %, в направлении минимума 10 % (при этом допускается открытие линии рециркуляции) относительно соответственно верхней и нижней границы диапазона регулирования нагрузки котла;
- по температуре пара промперегрева от 10 до 15 °С (на максимальной нагрузке);
- максимальный расход воды на впрыск должен в 2 - 2,5 раза превышать его расчетное значение.
8.4.8 Требования к объему технической документации
8.4.8.1 На стадии проекта котлоагрегата должна быть выполнена и передана заказчику следующая техническая документация:
- структурная схема автоматизированного управления котлоагрегатом, определяющая объем и функции автоматических устройств;
- структурные схемы автоматического регулирования с указанием основных функциональных элементов и мест измерения контролируемых сигналов;
- структурные схемы защит и блокировок;
- тепловые расчеты (сводные таблицы) для трех значений нагрузки - 100 %; 70 %; 30 % (ориентировочные) DHOM - для каждого из видов топлива, на сжигание которых спроектирован котлоагрегат;
- расчетные динамические характеристики котлоагрегата, необходимые для выбора системы автоматического регулирования;
- расчетные переходные процессы в основных контурах регулирования на средней нагрузке и анализ на основании существующего опыта предлагаемых способов обеспечения работоспособности регуляторов в пределах всего регулировочного диапазона;
- расчеты, обосновывающие выбор регулирующих органов, и технические задания на новые регулирующие органы (указанные расчеты уточняются для принятого варианта котла после выбора вспомогательного оборудования).
8.4.8.2 При подписании технических условий на котлоагрегат должны быть установлены сроки выдачи следующей технической документации:
- структурных схем автоматического регулирования;
- спецификации на аппаратуру автоматического регулирования;
- структурных схем защит и блокировок;
- перечня контролируемых параметров с указанием точек контроля и рекомендаций по месту расположения приборов;
- алгоритмов управления оборудованием;
- сводных таблиц ориентировочных тепловых расчетов при трех значениях нагрузки - 100 %; 70 % и 30 % номинальной - для каждого из видов топлива и режимов, оговоренных в техническом задании на котлоагрегат;
- расчетных динамических характеристик котлоагрегата на двух крайних нагрузках регулировочного диапазона;
- расчетных переходных процессов в контурах регулирования с целью анализа и проверки работоспособности регуляторов в пределах регулировочного диапазона.
8.4.8.3 К моменту пуска котлоагрегата должна быть представлена следующая техническая документация:
- расчеты динамических параметров настройки регуляторов, а также статических зависимостей, необходимых для настройки регуляторов;
- таблицы уставок и выдержек времени технологических защит и сигнализации.
8.5 Требования к турбинной установке
8.5.1 Динамические свойства турбины должны отвечать следующему требованию: графики изменения мощности турбины, вызванного скачкообразным изменением частоты вращения вала турбины или положения органа управления клапанами, на который воздействует регулятор мощности, при постоянстве давления пара перед турбиной должны быть монотонными и отвечать условию: текущее отклонение мощности по отношению к ее установившемуся отклонению должно быть не менее 25 % через 1 с и 55 % через 5 с после возмущения.
8.5.2 Параметры работы системы регулирования паровых турбин должны быть не хуже значений, указанных ниже:
Степень неравномерности регулирования частоты вращения (при номинальных параметрах пара) - 4 - 5 %; для турбин типа Р степень неравномерности допускается 4,5 - 6,5 %.
Местная степень неравномерности по частоте вращения:
- минимальная в любом диапазоне нагрузок, не ниже 2,5 %;
- максимальная в диапазоне нагрузок до 15 % Nном не более 10 %;
- максимальная в диапазоне нагрузок от 15 % Nном до максимальной, не более 6 %.
Степень нечувствительности по частоте вращения, %, не более 0,3; для турбин выпуска до 1950 г. степень нечувствительности допускается до 0,5 %.
Степень нечувствительности регулирования давления пара в отборах и противодавления - 0,3;
- при давлении в отборе (противодавлении) менее 2,5 кгс/см2 (0,25 МПа), кПа, не более 5 %;
- при давлении в отборе (противодавлении) 2,5 кгс/см2 (0,25 МПа) и выше не более 2 %.
Степень неравномерности регулирования давления пара в регулируемых отборах и противодавления должна удовлетворять требованиям потребителя, согласованным с заводом - изготовителем турбин, и не допускать срабатывания предохранительных клапанов (устройств).
Для турбин, участвующих в нормированном первичном и/или автоматическом вторичном регулировании, параметры работы системы регулирования должны соответствовать требованиям СТО утвержденного Приказом ОАО РАО «ЕЭС России» № 535 от 31.08.2007.
8.5.3 Оборудование, связанное с пускосбросными устройствами (ПСБУ), должно проектироваться с учетом максимального быстродействия пускосбросных устройств. Для этого конструкция парового клапана ПСБУ должна соответствовать требованиям, изложенным в п. 8.2.9, трассировка сбросных трубопроводов не должна иметь резких поворотов и должна исключать возможность скопления конденсата.
8.5.4 Схема питания впрысков ПСБУ должна обеспечивать допустимый перепад давлений на клапане впрыска и не допускать значительных изменений параметров охлаждающей воды.
8.5.5 Конструкция подогревателей должна обеспечивать возможность их эксплуатации без отключения по воде и пару при пусках и остановах энергоблока.
8.5.6 Для облегчения задачи регулирования уровня в конденсаторе его постоянная времени (время изменения уровня от нижнего до верхнего допустимого значения при максимально возможном изменении расхода конденсата) должна быть не менее 1 мин.
8.5.7 Циркуляционные насосы с изменяемой производительностью должны допускать автоматическое регулирование расхода воды в пределах 50 - 100 %.
8.5.8 Органы управления регулирующими клапанами турбины должны быть снабжены медленно действующим интегрирующим устройством и быстродействующим пропорциональным устройством с электрическими входами для сигналов управления в нормальных и аварийных режимах (п. 8.2.8).
8.5.9 Регулирующие органы и технологическая схема слива конденсата греющего пара подогревателей должны обеспечивать регулирование уровня конденсата в них при полном изменении нагрузки блока.
8.5.10 Требования к объему технической документации
8.5.10.1 На стадии проекта тепловой схемы турбоустановки должна быть представлена следующая техническая документация:
- структурная схема автоматизированного управления турбоустановкой и его вспомогательным оборудованием, определяющая объем и функции автоматических устройств;
- структурные схемы автоматического регулирования с указанием основных функциональных элементов и мест измерения контролируемых параметров;
- структурные схемы защит и блокировок;
- расчетные динамические характеристики турбоустановки, необходимые для выбора системы автоматического регулирования;
- расчетные переходные процессы в основных контурах регулирования и анализ работоспособности регуляторов в пределах всего регулировочного диапазона;
- расчеты, обосновывающие выбор регулирующих органов, и технические задания на новые регулирующие органы.
8.5.10.2 При подписании технических условий на турбоустановку устанавливаются сроки выдачи следующей технической документации для принятого варианта турбоустановки:
- структурных схем автоматического регулирования;
- спецификации на аппаратуру автоматического регулирования;
- структурных схем защит и блокировок;
- перечня контролируемых параметров с указанием точек контроля, рекомендации по месту расположения приборов;
- алгоритмов управления оборудованием.
8.5.10.3 К моменту пуска турбоустановки должна быть представлена следующая техническая документация:
- расчеты динамических параметров настройки регуляторов, а также статических зависимостей, необходимых для настройки регуляторов;
- таблицы рекомендуемых уставок и выдержек времени технологических защит и сигнализации.
8.6 Требования к электротехническому оборудованию
8.6.1 Все коммутационные аппараты и другие двухпозиционные устройства, требующие дистанционной сигнализации своего положения, должны быть оснащены дискретными датчиками фиксированных положений.
Указанные датчики должны отражать положение контролируемого аппарата с достоверностью, не требующей дополнительной визуальной проверки для выполнения каких-либо последующих операций.
8.6.2 Установочное устройство автоматического регулирования возбуждения турбогенератора должно обеспечивать изменение уставки регулирования в пределах не менее (+12,5) - (-17,5) % номинальной величины регулируемого напряжения.
Изменение уставки должно производиться дистанционно. При этом привод установочного устройства должен быть рассчитан на длительную совместную работу с серийным релейным ПИ-регулятором в режиме постоянного регулирования. Выбег двигателя привода установочного устройства не должен превышать 0,5 % значения его полного рабочего хода.
Система регулирования возбуждения должна обеспечивать максимальное использование нагрузочных возможностей турбогенератора.
Система автоматического регулирования возбуждения турбогенераторов, помимо функций поддержания напряжения на выводах турбогенератора в соответствии с уставкой, изменяемой по заданной программе, должна обеспечивать автоматическое ограничение возбуждения по верхнему и нижнему пределам.
8.6.3 Турбогенераторы энергоблоков, проектируемых без центральных информационно-вычислительных систем, должны поставляться с автономными автоматическими системами контроля.
9.1 Метрологическое обеспечение КИПиА должно включать в себя совокупность организационных мероприятий, технических средств, требований, положений, правил, норм и методик, необходимых для обеспечения единства и требуемой точности измерений.
9.2 Метрологическое обеспечение должно охватывать все стадии создания и эксплуатации КИПиА.
9.3 Метрологическое обеспечение КИПиА осуществляется путем:
- проведения метрологической экспертизы проекта, в состав которого должна быть включена документация, содержащая расчетную оценку погрешностей измерительных каналов;
- использования средств измерения (СИ), включенных в Госреестр СИ, допущенных к применению, имеющих Сертификаты соответствия требованиям российских стандартов по электробезопасности;
- проверки соответствия реализации КИПиА проектным решениям;
- контроля метрологических характеристик измерительных каналов в процессе наладки;
- проведения приемки из наладки измерительных каналов КИПиА;
- проведения метрологической аттестации ИК;
- проведения метрологических испытаний измерительных каналов (ИК) после опытной эксплуатации КИПиА с целью подтверждения их метрологической пригодности;
- периодической поверки и (или) калибровки ИК;
- осуществления метрологического контроля и надзора в процессе эксплуатации КИПиА;
- использования при калибровке современных эталонов, погрешность которых в 3 - 5 раз меньше погрешности калибруемых СИ, позволяющих имитировать сигналы всех типов датчиков.
9.4 В создаваемой КИПиА при реализации метрологического обеспечения должен быть определен перечень измерительных каналов с учетом:
- метрологической совместимости технических средств, используемых в данном измерительном канале;
- метрологической пригодности измерительных каналов для измерения данного параметра с допустимой погрешностью и в установленных единицах;
- метрологической пригодности средств измерений, используемых при наладке и испытаниях системы;
- требований к виду и порядку проведения метрологических испытаний с целью подтверждения метрологической пригодности измерительных каналов, используемых для прямых и косвенных измерений.
9.5 Выполнение работ по метрологическому обеспечению, контроль и надзор за их выполнением осуществляют метрологические службы энергообъединений и энергообъектов или подразделения, выполняющие функции этих служб.
9.6 Поверке подлежат все СИ, относящиеся к сфере государственного контроля и надзора, в том числе эталоны, используемые для поверки и калибровки СИ, рабочие СИ, относящиеся к контролю параметров окружающей среды, обеспечению безопасности труда, используемые при выполнении операций коммерческого учета (расчета) электрической, тепловой энергии и топлива, а также при геодезических работах в соответствии с Приложением Ж.
9.7 Калибровке подлежат все СИ, используемые на энергообъектах для контроля за надежной и экономичной работой оборудования, при проведении наладочных, ремонтных и научно-исследовательских работ, не подлежащие поверке и не включенные в перечень СИ, применяемых для наблюдения за технологическими параметрами, точность измерения которых не нормируется.
9.8 Точность канала измерения должна быть не хуже указанной в Приложении Ж
10.1 Для создания КИПиА должны использоваться технические средства, производимые в соответствии с действующими в РФ стандартами, или имеющие сертификаты на применение в энергетике, что обеспечивает конструктивную и техническую совместимость изделий различных разработчиков.
10.2 Для кодирования технических средств и информации в КИПиА должна обеспечиваться возможность использования единой системы кодирования (например, типа KKS). Рекомендации по применению KKS даны в Приложении Я.
10.3 Представление информации на ГрЩУ, БЩУ и других пунктах управления по форме и взаиморасположению должно быть приближено к проектным изображениям технологических схем и их элементов.
10.4 Базовые конструкции (стойки, каркасы, навесные шкафы и т.п.) должны выполняться в соответствии с действующими стандартами. Конструктивы шкафов, рам, функциональных модулей должны быть унифицированы для всех подсистем КИПиА.
10.5 Должно использоваться минимальное количество номинальных значений питающих напряжений.
11.1 Под надежностью КИПиА, согласно ГОСТ 27.002, следует понимать комплексное свойство сохранять во времени в установленных пределах значения всех параметров, характеризующих способность выполнения КИПиА своих функций в заданных режимах и условиях эксплуатации. КИПиА должна создаваться как восстанавливаемая обслуживаемая система длительного функционирования.
11.2 В качестве показателей надежности технических средств КИПиА (аппаратной надежности) должны быть приняты:
11.2.1 Средняя наработка на отказ в тыс. часов не менее:
- одного датчика - 10,
- одного вторичного прибора - 3,
- одного канала сигнализации - 10,
- одного контура АР - 10,
- одного канала дистанционного управления - 50,
11.2.2 Средний срок службы КИПиА должен быть не менее 15 лет.
11.3 В качестве показателей живучести человеко-машинной системы (функциональной надежности) должны быть приняты следующие:
11.3.1 Вероятность одновременного отказа 1/тыс. часов:
- двух прямо или косвенно резервирующих друг друга датчиков - 1/70,
- двух прямо или косвенно резервирующих друг друга вторичных приборов - 1/30,
- двух каналов сигнализации - 1/80,
- двух прямо или косвенно резервирующих друг друга каналов дистанционного управления - 1/200.
11.3.2 Среднее время поисков отказа и восстановления работоспособности технических средств ТЗ, средств контроля и дистанционного управления непрерывными процессами не должно превышать 2 часа;
11.3.3 Время поисков отказа и восстановления работоспособности остальных технических средств КИПиА не должно превышать 24 часа;
11.4 Функциональная надежность КИПиА определяется:
- степенью резервирования функций и элементов,
- вероятностью возникновения зависимых отказов,
- наличием полного комплекта ЗИП, (исходя из 90 %-ной гарантии годовой эксплуатационной потребности),
- наличием необходимых сервисных средств.
11.5 При определении дополнительного комплекса требований и мер по повышению надежности КИПиА на стадиях ее ввода в эксплуатацию и в период ее эксплуатации необходимо руководствоваться ГОСТ 27.002.
Под безопасностью КИПиА следует понимать комплексное свойство по исключению возникновения ситуаций, опасных для жизни и здоровья людей, участвующих в ее создании и эксплуатации.
При создании КИПиА и обеспечения ее безопасности (включая защиту от поражения электрическим током, снижение электромагнитных влияний, в том числе защиту от импульсных перенапряжений, а также включая пожарную безопасность) следует руководствоваться ГОСТ 12.1.004, ГОСТ 12.1.030, ГОСТ 12.2.049, ГОСТ 14254, ГОСТ Р 50571.3, [3].
Основные требования по безопасности, относящиеся к техническим средствам КИПиА:
- все обслуживаемые технические средства КИПиА должны быть установлены в местах, безопасных для пребывания персонала,
- все технические средства КИПиА по типу защиты человека от поражений электрическим током должны относиться к классу 1,
- все технические средства КИПиА должны иметь степень защиты не ниже IP54 за исключением устройств, находящихся на БЩУ и ГЩУ, степень защиты корпусов которых должна быть не ниже IP34,
- в инструкции по эксплуатации КИПиА должны быть включены специальные разделы требований по безопасности их установки и технического обслуживания.
Эксплуатация КИПиА должна вестись в соответствии со стандартами по организации эксплуатации и технического обслуживания КИПиА СТО 70238424.27.100.037-2009 и ТЭС СТО 70238424.27.010.002-2009.
На всех этапах создания системы КИПиА (проектирование, закупка оборудования и комплектация, монтаж и ввод в эксплуатацию) должны производиться оценка и подтверждение соответствия проводимых работ и технических средств требованиям безопасности, изложенным в технических регламентах и документах по стандартизации.
На этапе проектирования системы производится оценка соответствия разработанного проекта требованиям технического задания, в результате которой Заказчиком подписывается акт сдачи-приемки проекта. По инициативе одной или обеих сторон (Проектировщика и/или Заказчика), а также в случаях их разногласия в оценке соответствия проекта техническому заданию (техническим условиям) на разработку, окончательная оценка соответствия проекта устанавливается путем его добровольной сертификации с оформлением сертификата соответствия.
Оценка соответствия на этапе закупки и комплектации технических средств и материалов производится Заказчиком или специальной комплектующей организацией - Поставщиком. При этом готовая продукция должна сопровождаться сертификатом качества изготовителя, а каждое изделие должно иметь отметку ОТК предприятия-изготовителя.
Перед заключением договора (контракта) на проведение работ заказчик должен требовать от соответствующего исполнителя наличия лицензии (сертификата) на право выполнения этих работ.
На этапе монтажа и наладки технических средств КИПиА и ввода их в эксплуатацию оценка соответствия производится заказчиком с момента поставки вплоть до принятия решения о подтверждении соответствия и возможности безопасной эксплуатации оборудования по истечении нормативных сроков службы. Основной способ оценки соответствия - проведение испытаний.
Заказчик имеет право требовать от основного исполнителя подтверждения соответствия любых показателей, характеризующих качество технических решений проекта, технических средств и материалов, в т.ч. показателей надежности, конструктивной и технологической совместимости, унификации, ремонтопригодности, экологии, эргономики и др., если эти требования были внесены в техническое задание на проектирование, изложены в настоящем стандарте, в технических регламентах или документах по стандартизации.
Оценка соответствия КИПиА должна проводиться в соответствии с СТО 17230282.27.010.002-2008.
Состав комплектов документов на разных этапах проектирования КИПиА
Таблица А1 - Состав комплекта документов проекта КИПиА
|
Наименование типа документа |
Комплект документов осн. исполнителя |
Комплект проектно-сметной документации |
Проектные предложения |
Технический проект |
Одностадийный рабочий проект |
|
Ведомость документов проекта |
+ |
+ |
+ |
+ |
- |
|
Опись книги (книг) |
• |
• |
• |
• |
• |
|
Пояснительная записка к проекту |
+ |
+ |
+ |
+ |
+ |
|
Заключение по результатам обследования объекта (если оно проводилось) |
+ |
+ |
+ |
+ |
+ |
|
Сметный расчет |
- |
+ |
о |
- |
+ |
|
Технические условия на выполнение подсистем КИПиА |
о |
- |
- |
+ |
о |
|
Эскизы общих видов шкафов, щитов и пультов (по требованию Заказчика) |
о |
- |
- |
- |
о |
|
Функциональные схемы автоматизации систем ТОУ (укрупненные) |
+ |
- |
- |
+ |
+ |
|
Планы расположения |
- |
+ |
+ |
- |
+ |
|
Перечень заданий на смежные части проекта |
- |
+ |
+ |
- |
+ |
|
Ведомость оборудования (датчиков, вторичных приборов, исполнительных механизмов и т.д.) и материалов для КИПиА |
- |
+ |
+ |
- |
+ |
В таблице принято:
+ - документ обязательный для данного комплекта;
• - выпуск документа обязателен, если соответствующее проектное решение разрабатывается;
о - вопрос о включении документа в комплект решается разработчиком;
- - документ не разрабатывают.
Примечания -
1. В сметной расчет включают документы, разработанные проектной организацией.
2. Пояснительная записка к комплекту документов на систему содержит сведения, относящиеся только к этой системе, и краткие сведения об общей организации работ.
Таблица А2 - Состав рабочей документации на КИПиА
|
Наименование типа документа |
Комплект документов основанного исполнит. |
Проектно-сметная документация |
Эксплуатационная докум. |
Идентификационный номер документа, устанавливающего требования к содержанию документа |
|
Ведомость документов |
+ |
+ |
- |
ГОСТ Р 21.101-97 |
|
Опись книги (книг) |
+ |
+ |
- |
|
|
Функциональные схемы автоматизации систем ТОУ |
- |
о |
+ |
ГОСТ Р 21.408-95 |
|
Планы расположения |
- |
о |
- |
|
|
Чертежи общего вида и монтажные схемы шкафов, пультов и панелей |
о |
x |
ГОСТ Р 21.408-95 |
|
|
Монтажные схемы внешних кабельных и трубных соединений |
о |
x |
ГОСТ Р 21.408-95 |
|
|
Кабельный журнал |
x |
|||
|
Полные схемы подсистем КИПиА: ТЗ, ТБ, АР, ТС, ДУ |
x |
ГОСТ Р 21.408-95 |
||
|
Принципиальные схемы электропитания |
- |
о |
- |
ГОСТ Р 21.408-95 |
|
Чертежи установки технических средств |
- |
о |
- |
|
|
Задания на выполнение смежных частей проекта |
- |
|||
|
Заказные спецификации на оборудование, изделия и материалы КИПиА |
- |
+ |
- |
ГОСТ Р 21.110-82 |
|
Ведомости потребности в материалах |
- |
+ |
- |
ГОСТ Р 21.110-82 |
|
Общие данные по рабочим чертежам |
- |
+ |
- |
ГОСТ Р 21.110-82 |
|
Локальные сметы |
о |
о |
||
|
Примечания: В таблице принято: + - документ обязательный, • - выпуск документа обязателен, если соответствующее проектное решение разрабатывается, о - вопрос о включении документа в комплект решается разработчиком; - - документ не разрабатывают, х - принадлежность документа к эксплуатационной документации. Проектно-сметная документация разрабатывается проектной организацией и оформляется в соответствии с требованием стандартов СПДС. |
||||
Специализированная приемочная комиссия по приемке КИПиА
Б.1 Цель и задачи
Цель деятельности СПК - определение готовности технических средств и функций КИПиА к эксплуатации.
Задача СПК - проверка предъявленных предметов приемки КИПиА для определения их соответствия проектной документации, требованиям действующих нормативных документов и приемка их в соответствии с требованиями настоящего приложения и Приложений В, Д, Ж, К.
Б.2 Организация комиссии
Б.2.1 Приемку основного и вспомогательного энергетического оборудования на ТЭС осуществляет рабочая комиссия, в состав которой СПК входят как подкомиссия.
Специализированная приемочная комиссия действует как самостоятельная приемочная комиссия по приемке КИПиА, если рабочая комиссия не создается или ее работа завершена.
Б.2.2 СПК создается не позднее, чем за 1 мес. до начала комплексного опробования энергообъекта. При этом должны быть установлены даты начала и окончания работы комиссии с учетом хода строительно-монтажных работ и установленного срока ввода объекта в эксплуатацию.
Б.2.3 Председателем СПК назначается начальник подразделения, эксплуатирующего КИПиА на электрической станции, или один из его заместителей.
Б.2.4 Председатель СПК организует комиссию по приемке КИПиА и непосредственно руководит его деятельностью.
Б.2.5 Состав СПК согласовывается с организациями и предприятиями, представители которых должны принять участие в работе комиссии.
Специализированная приемочная комиссия утверждается на заседании рабочей комиссии или главным инженером ТЭС, если СПК является самостоятельной комиссией.
Б.2.6 Состав СПК определяется с учетом возможности приемки законченных работ по различным предметам приемки в сроки, предусмотренные планом-графиком ввода в эксплуатацию КИПиА.
В состав СПК должны включаться представители:
- заказчика;
- эксплуатирующей организации (от подразделения, обслуживающего КИПиА, и технологических подразделений);
- подрядных строительно-монтажных, головной наладочной и наладочных организаций и метрологической службы (заказчика, энергообъединения).
При необходимости в состав СПК следует дополнительно привлекать представителей:
- авторского надзора проектной организации, предприятий-изготовителей технических средств КИПиА и энергетического оборудования;
- службы стандартизации, органов специального надзора (Ростехнадзора, санитарного и пожарного), инженера-инспектора по ТБ и охране труда и других экспертных организаций.
Б.3 Обязанности, права и ответственность СПК
- предоставить по запросу рабочей комиссии сведения о готовности КИПиА к проведению испытаний энергетического оборудования и др.;
- произвести проверку объемов и качества законченных работ по каждому предмету приемки КИПиА после получения уведомления о предъявлении к приемке законченных работ;
- оформить документы, приведенные в таблице Б1 по результатам испытаний (проверок).
Таблица Б1
|
Примечание |
|
|
1. Ведомость недоделок, дефектов, неисправностей и отказов по техническим средствам и КИПиА |
|
|
2. Акт о необходимости проведения дополнительных проверочных работ по КИПиА |
Оформляется на дополнительные работы, не предусмотренные проектом производства работ и финансированием |
|
3. Акт о готовности помещений к производству монтажных работ |
|
|
4. Акт о приемке технических средств КИПИА после индивидуального испытания |
|
|
5. Журнал приемки |
|
|
6. Протокол испытаний КИПиА |
|
|
7. Акт о приемке в (опытную, промышленную) эксплуатацию |
|
|
8. Журнал технологических защит в автоматики |
Производится запись организационно-распорядительного характера о начале эксплуатации систем |
|
9. Журнал инструктажей |
Б.3.2 Члены СПК в процессе своей деятельности должны руководствоваться:
- настоящим стандартом; СТО 70238424.27.100.037-2009, СТО 70238424.27.010.002-2009;
- перечнем КИПиА пускового комплекса энергетического оборудования;
- планом-графиком ввода в эксплуатацию КИПиА и планом-графиком ввода в эксплуатацию основного и вспомогательного энергетического оборудования;
- нормативными документами, регламентирующими условия безопасности труда;
- документами, определяющими объемы и качество законченных строительно-монтажных и наладочных работ (проектной документацией, нормалями; инструкциями предприятий-изготовителей технических средств КИПиА и энергетического оборудования; эксплуатационной документацией по КИПиА; программами и методиками приемочных испытаний);
- нормами точности измерения технологических параметров (при их наличии).
Б.3.3 Комиссии и ее членам предоставляется право:
- определять необходимость проведения дополнительных (повторных) измерений, отдельных испытаний (опробований), определять их состав и объемы (в пределах утвержденной программы) - во всех случаях, если предыдущие испытания дали отрицательные результаты или результаты вышеуказанных испытаний не дают возможности сделать однозначный вывод о работоспособности системы;
- приостанавливать приемку, если обнаружены нарушения требований настоящего стандарта и нормативных документов к предмету приемки;
- обращаться с предложениями к председателю СПК об участии экспертов и консультантов в процессе приемки; о привлечении к ответственности организаций, виновных в нарушении требований проектной и нормативной документация при производстве работ;
- обжаловать, в случае несогласия, распоряжение председателя СПК перед председателем рабочей комиссии, не приостанавливая выполнение распоряжений, кроме случаев, противоречащих требованиям действующих стандартов или создающих угрозу для безопасности людей или сохранности оборудования.
Б.3.4 Члены СПК привлекаются к ответственности в соответствии с действующим законодательством за несоблюдение:
- правил приемки, изложенных в настоящем стандарте;
- мер безопасности для персонала и оборудования.
Б.4 Порядок работы
Б.4.1 Председатель СПК организовывает работу членов комиссии, разрабатывает план проверок по каждому предмету приемки с учетом местных условий.
Б.4.2 Процесс приемки должен начинаться с проверки выполнения условий предъявления к приемке по каждому предмету приемки отдельно.
При выполнении этих условий члены рабочей группы СПК должны продолжить приемку:
- проверить комплектность и содержание технической документации, согласно требованиям Приложений В, Д, Ж, К;
- произвести обход и осмотр помещений, кабельных и трубных трасс, всех мест установки технических средств КИПиА с целью определения объемов и качества выполненных работ;
- произвести выборочные контрольные измерения по предъявленным предметам приемки;
- принять участие в проведении приемочных испытаний на работоспособность технических средств и систем;
- произвести сравнение полученных результатов приемки с требованиями документов, указанных в п. Б3.1;
- оформить документы по результатам испытаний (проверок).
Члены рабочей группы в процессе приемочных испытаний должны вести наблюдения за ходом испытаний и осуществлять контроль: условий, установленных программой испытаний; технологического режима ТОУ; алгоритма функционирования систем; результатов измерения, обработки данных и регистрации их в протоколе испытаний.
Б.4.3 По результатам проверок СПК оформляет соответствующие документы.
Акт о необходимости проведения дополнительных проверочных работ по КИПиА должен оформляться в случаях обнаружения нарушений, требующих устранения.
Акт о необходимости проведения дополнительных проверочных работ по КИПиА передается председателю рабочей комиссии или техническому руководителю заказчика для принятия окончательного решения..
Ведомость недоделок, дефектов, неисправностей и отказов по техническим средствам и КИПиА передается подрядчику для устранения недоделок и председателю СПК для контроля.
Документы по приемке КИПиА оформляются СПК в трех экземплярах, подписываются членами комиссии, непосредственно принимавшими участие в приемке, и председателем.
Б.4.4 Члены СПК, представители эксплуатирующей организации (подразделения, обслуживающего КИПиА и технологического цеха, обслуживающего ТОУ) должны в течение суток после приемки системы в эксплуатацию дополнительно оформить организационно-распорядительные документы о начале эксплуатации.
Приемка смонтированных технических средств контроля и управления
В.1 Общие положения
В.1.1 Все законченные монтажом технические средства в части КИПиА подлежат предъявлению к приемке СПК.
В.1.2 Объекты приемки из монтажа предъявляются в проектном объеме.
В.1.3 К приемке СПК предъявляются:
- специализированные помещения, предназначенные под монтаж технических средств КИПиА;
- трубные проводки совместно с отборными и сужающими устройствами, уравнительными и разделительными сосудами, электропроводки (совместно с техническими средствами).
В.1.4 Запрещается предъявлять к приемке средства КИПиА (первичные преобразователи, исполнительные механизмы и др.), установленные на технологическом оборудовании, при отсутствии в местах их установки рабочего освещения и площадок обслуживания, предусмотренных проектом.
В.1.5 Приемка смонтированных технических средств КИПиА производится:
- промежуточная (до ввода эксплуатационного режима) с целью определения их готовности к наладке,
- окончательная, после индивидуальных испытаний.
Приемка оформляется журналом или актом.
Акт оформляется на совокупность принятых технических средств КИПиА в пределах ТСУ: по трубным проводкам с отборными и сужающими устройствами совместно с электропроводками со смонтированными техническими средствами.
В.1.6 Все монтажные недоделки, обнаруженные СПК при приемке, устраняются немедленно.
Недоделки монтажных работ, обнаруженные в процессе производства наладочных работ, устраняются в сроки, согласованные с заказчиком и наладочной организацией.
Форма ведомости недоделок приведена в п. В8.3.
В.1.7 Эксплуатационный режим в зоне смонтированных технических средств КИПиА устанавливается в порядке, определенном СНиП 3.05.06-85.
Запрещается вводить эксплуатационный режим в зоне смонтированных технических средств КИПиА при необеспечении условий их эксплуатации согласно документации предприятий-изготовителей.
В.2 Приемка помещений
В.2.1 Предмет приемки
Предметом приемки являются помещения КИПиА, не содержащие технологического оборудования, трубопроводов, запорной и регулирующей арматуры:
- помещения средств автоматизации - с первичными преобразователями, шкафами размножения тоновых сигналов, релейными панелями, кроссовыми шкафами, сборками задвижек и др.;
- кабельные полуэтажи (под щитами управления, релейными щитами, помещениями средств автоматизации и др.);
- помещения щитов управления (блочных, групповых, местных).
В.2.2 Предъявление к приемке
К приемке под монтаж технических средств КИПиА помещения должны предъявляться при выполнении условий:
- закончены все строительно-монтажные работы в пределах помещения;
- оформлена техническая документация согласно п. 5.2.5.10 настоящего стандарта и дополнительный комплект документов к приемке помещений под монтаж технических средств КИПиА по таблице п. В7.
К приемке помещения КИПиА предъявляются группами или отдельно, по мере готовности.
В.2.3 Порядок приемки.
В процессе приемки помещений проверяется завершенность строительно-монтажных работ и состав технической документации.
Строительно-монтажные работы считаются завершенными и помещения подготовленными к монтажу технических средств КИПиА при выполнении следующих работ по:
- сооружению фундаментов (под щиты, пульты, панели и шкафы) кабельных каналов и их перекрытий, проемов для ввода в помещение трубных и электрических проводок;
- электрическому освещению, электропитанию и связи;
- заземляющей сети (логического и защитного заземления);
- системам отопления, вентиляции и кондиционирования воздуха;
- системе пожаротушения;
- остекление всех оконных проемов и установке запоров (замков) на входных дверях;
- закрытию клапанов и люков, уплотнению (герметизации) проемов трубных и электрических проводок несгораемыми материалами, установке уплотняющих прокладок дверей в притворах;
- уборке строительного мусора и завершению всех отделочных работ.
Результаты проверки помещений КИПиА считаются положительными, если:
- все строительно-монтажные работы выполнены в полном соответствии с проектной документацией;
- состав технической документации соответствует перечню документов на помещения под монтаж технических средств КИПиА.
Основанием для оформления акта о готовности помещения к производству монтажных работ по КИПиА является положительный результат проверки.
При наличии данного акта оформляется в установленном порядке разрешение на монтаж технических средств КИПиА.
В.3 Приемка трубных проводок с отборными и сужающими устройствами
В.3.1 Предмет приемки
Предметом приемки являются: соединительные (импульсные), обогревающие, охлаждающие, питающие трубные проводки с арматурой, присоединителями и крепежными конструкциями; отборные и сужающие устройства; уравнительные и разделительные сосуды.
В.3.2 Предъявление к приемке
К приемке смонтированные трубные проводки с отборными и сужающими устройствами должны предъявляться при выполнении следующих условий:
- полностью закончены монтажные работы в части трубных проводок, отборных и сужающих устройств;
- выполнена продувка трубных проводок и проведены испытания их на прочность и плотность; проведена проверка трубных проводок на соответствие их подключения к отборным устройствам и первичным измерительным преобразователям;
- СИ (первичные преобразователи давления, вакуума, уровня и расхода) установлены на рабочие места с подключением трубных и электрических проводок;
- разделительные сосуды, соединительные (импульсные) линии и первичные преобразователи заполнены разделительной жидкостью;
- оформлена техническая документация согласно п. 5.2.5.10 настоящего стандарта и дополнительный комплект документов к приемке трубных проводок по таблице В1;
- смонтированы площадки обслуживания и включено рабочее освещение в местах установки отборных и сужающих устройств, уравнительных и разделительных сосудов согласно проектной документации.
Смонтированные трубные проводки с отборным и сужающими устройствами предъявляются к приемке в полном составе.
В.3.3 Порядок приемки
В процессе приемки смонтированных трубных проводок с отборными сужающими устройствами проверяется:
- соответствие мест установки и выполнения отборных и сужающих устройств рабочему проекту;
- наличие антикоррозионного покрытия трубных проводок, предусмотренного проектом;
- присоединение труб к арматуре в СИ;
- наличие продувочных линий и дренажей продувки;
- надежность закрепления труб на конструкциях;
- значения уклонов трубных проводок и соответствие их проекту;
- выполнение требований к изгибам труб (отсутствие складок, трещин на изогнутой части трубы, овальность сечения труб в местах изгиба, внутренний радиус кривой изгиба труб) согласно нормалей, указанных в проектной документации;
- наличие прокладок под крепежными деталями пластмассовых трубных проводок;
- наличие перегородок и уплотнений при проходе трубных проводок через стены и перекрытия помещений;
- прямолинейность стыковки труб;
- обязательное применение стандартизированных и нормализованных соединителей для разъемных соединений металлических и пластмассовых труб;
- качество сварных соединений (отсутствие наплывов, трещин, подрезов);
- наличие маркировки трубных проводок и надписей на стендах и соответствие их проекту;
- наличие и правильность установки уравнительных и разделительных сосудов согласно заводской документации на сосуды;
- подключение первичных преобразователей.
При приемке отборных устройств уровнемеров переменного перепада проверяется соответствие выполненных врезок перепаду установленных дифференциальных манометров.
Результаты приемки трубных проводок с отборными и сужающими устройствами считаются положительными, если они соответствуют проектной документации; эксплуатационной документации предприятий-изготовителей (сужающих устройств, разделительных и уравнительных сосудов, первичных преобразователей), а состав технической документации соответствует перечню документов на трубные проводки.
Оформление приемки трубных проводок с отборными и сужающими устройствами производится на основании положительных результатов их проверки совместно с принятыми электропроводками со смонтированными техническими средствами согласно п. В4.
В.4 Приемка электропроводок совместно с техническими средствами
В.4.1 Предмет приемки
Предметом приемки по электропроводкам является совокупность проводов и кабелей напряжением до 380 В переменного тока и 440 В постоянного тока с относящимися к ним креплениями, поддерживающими и защитными конструкциями, кабельными сооружениями (кабельными этажами, двойными полами, тоннелями, коробами, каналами и др.).
Электропроводки принимаются совместно с присоединенными к ним техническими средствами КИПиА (панелями, пультами, шкафами, стойками и т.п., а также отдельными техническими средствами, имеющими непосредственную связь как с электропроводками, так и с ТОУ).
В.4.2 Предъявление к приемке
К приемке смонтированные электропроводки совместно с техническими средствами должны предъявляться при выполнении условий:
- приняты в эксплуатацию системы пожаротушения, предусмотренные проектом в помещениях с электропроводками;
- закончены все электромонтажные работы в пределах ТСУ;
- технические средства прошли проверку на комплектность, целостность и работоспособность, а средства измерения - поверку;
- проведены все необходимые испытания и измерения (испытания на плотность защитных трубопроводов во взрывоопасных помещениях и установках; измерение сопротивления изоляции электропроводок и др.);
- оформлена техническая документация согласно п. 5.2.5.12 настоящего стандарта и дополнительный комплект документов к приемке электропроводок по таблице В1;
- смонтированы площадки обслуживания согласно проекта и включено рабочее освещение в местах установки первичных преобразователей, исполнительных механизмов и др. технических средств, предъявленных к приемке.
Электропроводки совместно с техническими средствами предъявляются к приемке в пределах отдельных помещений или ТСУ.
В.4.3 Порядок приемки
В процессе приемки электропроводок совместно с техническими средствами проверяется:
- соблюдение условий предъявления к приемке;
- внешнее состояние шкафов, отдельных технических средств и соответствующих электропроводок;
- состав и содержание технической документации.
Результаты проверки электропроводок считаются положительными, если работы выполнены в полном объеме проектной документации предприятий-изготовителей технических средств:
- проложены все кабельные линии электрических проводок, закреплены и подключены к техническим средствам;
- выполнена гидроизоляция кабельных каналов, исключающая попадание грунтовых вод;
- выполнены соединения и разветвление проводов и кабелей, оконцевание и подсоединение их к зажимам;
- кабели, жилы и провода промаркированы, вывешены адресные бирки, выполнены надписи под аппаратурой, на панелях, пультах, сборках (на дверях сборок с двух сторон), табло, механизмах;
- проведено антикоррозионное покрытие и заземление проводов;
- выполнены противопожарные перегородки в кабельных шахтах и проходы через перегородки кабельных трасс заполнены огнестойкими материалами;
- выполнены все работы по заделке отверстий, борозд, ниш и гнезд (в фундаментах, стенах, перегородках и перекрытиях);
- первичные преобразователи установлены на рабочих местах с подключением в схемы измерения;
- исполнительные механизмы сочленены с органами запорной и регулирующей арматуры;
- состав технической документации соответствует перечню на электропроводки.
Результаты проверки состояния шкафов КИПиА считаются положительными, если:
- их взаимное расположение соответствует проектной схеме расположения;
- выполнено антикоррозионное покрытие металлоконструкций;
- все технические средства проверены на работоспособность и установлены в шкафах согласно схеме расположения;
- навешены двери и установлены замки, навешены поворотные корзины, состыкованы и закреплены все разъемы; установлены все комплектующие устройства (сигнальная арматура и др.);
- распайка на коммутационных и наборных полях соответствует таблице распайки; подвод кабелей соответствует кабельному журналу проектной документации; разделка жил кабеля и подключение его к ряду зажимов соответствует таблице подключений; выполнена экранировка кабельных линий и необходимое заземление в шкафу;
- шкафы подписаны и промаркированы; установлены оконцеватели на жилах кабельных линий внешних связей; адресация жил на ряд зажимов соответствует таблице подключений; наклеена таблица заполнения шкафа блоками.
Результаты проверки смонтированных отдельных технических средств КИПиА считаются положительными, если:
- в процессе монтажа выполнены требования нормативных документов, указанных в рабочем проекте (отраслевых нормалей; чертежей унифицированных узлов и деталей; унифицированных схем соединительных (импульсных) линий; документации предприятий-изготовителей энергетического оборудования и др.;
- технические средства расконсервированы (снята заводская смазка, снят транспортировочный крепеж, произведена ревизия исполнительных механизмов, произведена смазка, подтянут крепеж);
- крепление технических средств к конструкциям, щитам, пультам, стендам и т.п. соответствует эксплуатационной документации предприятий-изготовителей технических средств КИПиА. Крепление первичных преобразователей (осевого сдвига, относительного расширения, искривления вала, вибрации и др.) выполнены надежно, без люфтов, а необходимые зазоры соответствуют формулярам предприятий-изготовителей энергетического оборудования;
- защитное заземление подключено в полном соответствии с проектной и эксплуатационной документацией на технические средства;
- средства измерений поверены и не имеют просроченных отметок о поверке; в паспортах термоэлектрических термометров и термопреобразователей сопротивлений имеются отметки о проведении в установленные сроки ведомственной или государственной поверки; на нестандартизированных СИ имеются свидетельства метрологической аттестации; на приборах СИ имеется поверительное клеймо или пломба;
- выполнены все надписи на пультах, панелях, технических средствах, рядах зажимов и т.п. согласно рабочему проекту;
- объем предъявленных к приемке смонтированных технических средств и их ведомость полностью соответствуют их составу в ТСУ;
- состав технической документации соответствует перечню документов на электропроводки.
Оформление приемки электропроводки со смонтированными техническими средствами производится на основании положительных результатов их проверки в пределах ТСУ совместно с принятыми трубными проводками, с отборными и сужающими устройствами согласно п. В3.
В.5 Приемка устройств взвешивания топлива
В.5.1 Предмет приемки
Приемке из монтажа подлежат устройства взвешивания топлива в движении - вагонные и конвейерные весы.
Предметами приемки являются:
- по вагонным весам - подъездные пути, грузоприемное устройство, технические средства взвешивания;
- по конвейерным весам - автоматические весы и примыкающие к ним участки конвейера.
В.5.2 Предъявление к приемке
К приемке смонтированные вагонные весы должны предъявляться при выполнении условий:
- смонтированы подъездные пути в месте установки весов в соответствии с требованиями эксплуатационной документации предприятия-изготовителя;
- закончены строительно-монтажные работы по установке грузоприемного устройства и стыковке его с подъездными путями;
- выполнен монтаж силоизмерительных и путевых датчиков электрической схемы;
- технические средства взвешивания установлены на подставке, жестко соединенной со стенкой или полом будки взвешивания;
- предъявлена техническая документация в соответствии с п. 5.2.5.12 настоящего стандарта.
К приемке вагонные весы предъявляются в составе ТСУ.
К приемке смонтированные конвейерные весы должны предъявляться при выполнении условий:
- закончен монтаж ленточного конвейера;
- смонтированы автоматические весы в соответствии с эксплуатационной документацией;
- выполнен электромонтаж дистанционной передачи показаний весов с пультом вторичных приборов;
- тракт ленточного конвейера, включая весы, защищен от атмосферных осадков;
- предъявлена техническая документация в соответствии с п. 5.2.5.12 настоящего стандарта.
К приемке конвейерные весы предъявляются в составе ТСУ.
В.5.3 Порядок приемки
В процессе приемки вагонных весов проверяется:
- ширина колеи и длина прямых участков с каждой стороны грузоприемного устройства;
- радиус кривизны пути, сопрягаемого с прямыми участками;
- уклон участков подъездного пути и отклонение от горизонтальной плоскости участков, примыкающих к грузоприемному устройству с каждой стороны;
- качество бетонирования фундамента грузоприемного устройства и подъездного пути с каждой стороны грузоприемного устройства;
- правильность установки грузоприемных блоков на фундаменте и монтажа механической части грузоприемного устройства;
- наличие металлических рукавов на кабелях, идущих от педали по поверхности фундамента в случае отсутствия защитных труб;
- герметизация разъемов силоизмерительных датчиков;
- наличие консервационной смазки на металлических частях, не защищенных лакокрасочным покрытием.
В процессе приемки конвейерных весов проверяется:
- прямолинейность прилегающих к весам участков конвейера и угол наклона конвейера;
- отсутствие на ленте транспортера в местах соединений уступов, утолщений и других дефектов;
- соответствие технических характеристик конвейера типоразмеру установленных весов;
- натяжение ленты конвейера и плотность прилегания ее к роликовым опорам;
- правильность установки роликовых опор на участках, прилегающих к весам;
- монтаж механической и электрической части весов.
Результаты проверки вагонных или конвейерных весов считаются положительными, если работы выполнены в полном соответствии с проектной документацией, эксплуатационной документацией предприятия-изготовителя, работы по электромонтажным проводкам соответствуют требованиям приемки электропроводок.
Основанием для приемки вагонных или конвейерных весов являются положительные результаты проверки.
Приемка смонтированных весов оформляется актом
В.6 Состав технической (отчетной) документации, предъявляемой к приемке строительно-монтажных работ
Таблица В.1
|
Примечание |
|
|
1 |
2 |
|
К приемке помещений под монтаж технических средств КИПиА |
|
|
1. Акт проверки и испытаний автоматических стационарных установок пожаротушения |
|
|
2. Акт приемки систем кондиционирования и вентиляции |
|
|
3. Акт измерения параметров питающего напряжения |
Измерение напряжения на вводе в узел питания |
|
4. Акт проверки осветительной сети на правильность зажигания и горения ламп |
|
|
5. Протокол измерения сопротивления изоляции осветительной сети помещений КИПиА |
|
|
6. Протокол измерения сопротивления заземляющего контура |
|
|
К приемке трубных проводок |
|
|
7. Акт установки сужающего устройства |
|
|
8. Акт испытаний трубных проводок на прочность и плотность |
|
|
9. Акт пневматических испытаний трубных проводок на плотность с определением падения давления за время испытаний |
На трубные проводки, заполняемые горячими, токсичными и сжиженными газами - кроме газопроводов с давлением до 0,1 МПа |
|
10. Акт на обезжиривание арматуры, соединителей и труб |
На трубные проводки, заполняемые кислородом |
|
11. Монтажные испытательные схемы смонтированных трубных проводов с подетальной спецификацией |
На трубные проводки давлением свыше 10 МПа |
|
12. Сертификаты труб |
То же |
|
13. Ведомости индивидуальной приемки труб |
-»- |
|
14. Паспорта и сертификаты на резьбовые соединения, фланцы, фасонные части, линзы, шпильки и гайки, из которых комплектовались соединения трубных проводок |
-»- |
|
15. Паспорта и сертификаты на каждую единицу арматуры с приложенной к ним документацией по ревизии и испытаниям на прочность и плотность |
-»- |
|
16. Паспорта и ведомости на изготовление гнутых отводов из труб |
-»- |
|
17. Ведомости проверки фланцевых соединений |
-»- |
|
18. Ведомости производства сварочных работ с приложением сертификатов на электроды, проволоку и флюсы |
-»- |
|
19. Копии удостоверений сварщиков, производивших сварку трубных проводок |
-»- |
|
20. Журнал сварочных работ |
Отдельно на трубные проводки I и II категории с давлением свыше 10 МПа, а также на трубные проводки, заполняемые взрывоопасными, горючими и токсичными средами |
|
21. Сертификаты материалов: труб, электродов, сварочной проволоки и флюса |
Для трубных проводок, заполняемых взрывоопасными, горючими и токсичными средами |
|
22. Ведомости отборных устройств и арматуры, монтируемых непосредственно в технологические трубопроводы и агрегаты |
|
|
К приемке электропроводок |
|
|
23. Ведомость смонтированных технических средств |
|
|
24. Протокол измерения сопротивления изоляции электропроводок |
|
|
25. Формуляр на установку датчиков механических величин (в составе формуляра на турбину) |
Для осевого сдвига, относительного расширения ротора, искривления ротора |
|
26. Протокол измерения сопротивления изоляции обмоток электродвигателей, смонтированных электроприводов запорной и регулирующей арматуры, соленоидных приводов |
|
|
27. Протокол осмотра и проверки коммутационных аппаратов |
|
|
28. Протокол измерения мегаомметром на 1000 В сопротивлений изоляции жилы кабеля марок ВБВ и АВБВ по отношению к другим жилам, соединенным с землей |
Для взрывоопасных зон |
|
29 Протокол испытаний мегаомметром на 2500 В кабелей марок ВБВ и АВБВ |
Для взрывоопасных зон |
|
30. Протокол испытаний разделительных уплотнений |
Для взрывоопасных зон |
|
31. Протоколы заводских испытаний изделий, имеющих степень защиты оболочек на электрооборудовании напряжением до 1000 В |
|
Организация и проведение входного контроля средств управления на энергопредпрятиях
Г.1 Общие положения
Входной контроль - контроль продукции поставщика, поступившей к потребителю или заказчику и предназначенный для использования при:
- изготовлении,
- ремонте или эксплуатации продукции.
Г.1.1 Входному контролю подлежат средства управления вновь вводимых энергопредприятий, а также новые узлы и детали, устанавливаемые при ремонтах, реконструкциях и модернизациях находящегося в эксплуатации энергооборудования.
Г.1.2 Входной контроль проводится с целью:
Г.1.2.1 Проверки качества оборудования и средств управления и оценки его соответствия требованиям технических условий, проекта и действующих правил Ростехнадзора
Г.1.2.2 Оказания при необходимости воздействия на предприятия-поставщики (заводы-изготовители) путем рекламационной работы для обеспечения ими безусловного выполнения договорных поставок продукции высокого качества, замены бракованной продукции или компенсации понесенных заказчиком финансовых и материальных затрат, вызванных низким качеством поставляемой продукции.
Г.1.3 Входной контроль в период приемки оборудования может выполняться на складах, монтажных площадках и в лабораториях энергопредприятий. При этом хранение средств управления на складах и монтажных площадках должно соответствовать требованиям технической документации заводов-изготовителей этих средств.
Г.1.4 Входной контроль выполняется как до начала, так и в процессе монтажа.
Г.1.5 Ответственность за своевременность, полноту и качество входного контроля, а также своевременность предъявления претензий предприятиям-изготовителям оборудования несет заказчик (энергопредприятие).
Г.1.6 При обнаружении дефектной детали заказчик обязан немедленно вызвать представителя завода-изготовителя или монтажного (ремонтного) предприятия для составления акта и организации устранения брака.
Г.1.7 Дефектные детали должны быть заменены или отремонтированы виновником брака в соответствии с нормативными документами.
Объемы замены или ремонта дефектных деталей, а также объемы последующего контроля однотипных деталей определяются заказчиком совместно с предприятиями, допустившими брак.
Г.1.8 Запрещается поузловая приемка оборудования с деталями, не прошедшими входной контроль, или с деталями, имеющими недопустимые дефекты.
Г.2 Организация входного контроля
Г.2.1 Каждое энергопредприятие на основе настоящего стандарта должно разработать местную инструкцию по входному контролю применительно к конкретным условиям. Местная инструкция утверждается руководителем предприятия, вводится в действие приказом по предприятию и должна быть внесена в перечень действующих на предприятии документов и регулярно пересматриваться и дополняться по мере выхода новых нормативных и руководящих документов.
Знание местной инструкции является обязательным для лиц, ответственных за проведение входного контроля.
Г.2.2 Для выполнения входного контроля средств управления приказом по энергопредприятию должны быть назначены рабочие комиссии (по видам оборудования.
Г.3 Проведение входного контроля
Г.3.1 Входной контроль оборудования начинается на стадии приемки оборудования от транспортных организаций при его разгрузке: визуально определяется целостность упаковки и самих изделий в соответствии с ГОСТ 15150.
Г.3.2 Входной контроль средств измерений, автоматических регуляторов, аппаратуры технологических защит, технологической сигнализации и дистанционного управления осуществляется в три этапа:
Г.3.2.1 Проверка и приемка транспортных средств.
Г.3.2.2 Проверка годности и работоспособности технических средств КИПиА перед сдачей в монтаж осуществляется в соответствии с заводским «Техническим описанием и инструкцией по эксплуатации» и настоящим стандартом.
Проверка годности и работоспособности указанных технических средств проводится специализированными организациями, ведущими пусковую или режимную наладку.
Г.3.2.3 Проверка и приемка технических средств КИПиА в эксплуатацию осуществляется проведением опробования в соответствии с настоящим стандартом.
Г.4 Оформление результатов входного контроля
Результаты входного контроля рабочие комиссии (по видам оборудования) оформляют актами (п. Г5). В акты вносят лишь сведения о выявленных дефектах. Акты подшиваются в паспорта оборудования и хранят постоянно.
Г.5 Форма акта по результатам входного контроля
АКТ ПО РЕЗУЛЬТАТАМ ВХОДНОГО КОНТРОЛЯ
|
Наименование: энергопредприятия __________________________________________ Дата представления информации ____________________________________________ вид энергетического оборудования __________________________________________ средства управления _______________________________________________________
|
Этапы пусконаладочных работ по КИПиА
Д.1 Подготовительный этап
Д.1.1 Цель: организационно-техническое обеспечение проведения пусконаладочных работ по КИПиА.
Д.1.2 Начало: выпуск рабочей документации на КИПиА.
Д.1.3 Окончание: подача напряжения на БЩУ (ГрЩУ), МЩУ, ЩУ.
Д.1.4 Состав и содержание работ.
Д.1.4.1 Изучение и анализ проектной и заводской документации. Определение соответствия проектной документации нормативным документам, типовым решениям и передовому опыту. Разработка замечаний и рекомендации по устранению выявленных недостатков
Д.1.4.2 Организация пусконаладочных работ - составление проекта производства работ
Д.1.4.3 Составление и утверждение программ работ по подсистемам КИПиА.
Д.1.4.4 Комплектация КИПиА.
Д.1.4.5 Организация и оснащение лаборатории. Обеспечение рабочих мест приборами и приспособлениями (в том числе ЗИП и специальным инструментом, поставляемым предприятиями-изготовителями), инструктивно-методическими материалами.
Д.1.4.6 Проведение входного контроля технических средств осуществляют в соответствии с Приложением Г.
Д.1.4.7 Проверка и настройка (регулировка) отдельных технических средств КИПиА, сдача средств измерений в поверку в соответствии с перечнем средств измерений, подлежащих поверке. Настройка и проверка правильности функционирования отдельных технических средств КИПиА, не подлежащих поверке.
Пример настройки и регулировки отдельных технических средств КИПиА дан в Приложении Е.
Д.1.4.8 Приемка помещений ЩУ и КИПиА под монтаж технических средств КИПиА, контроль наличия кондиционирования и вентиляции, отопления, заземления, освещения согласно проекту.
Д.1.4.9 Подготовка технических средств и схем к подаче напряжения питания по проектной схеме.
Д.1.4.10 Испытания и приемка смонтированных технических средств КИПиА.
Д.1.4.11 Разработка эксплуатационной документации.
Д.1.4.12 Организация и проведение обучения оперативного и ремонтного персонала, обслуживающего КИПиА.
Д.1.4.13 Оформление документов (акты, протоколы, журналы и др.) по результатам выполненных работ: проверки и поверки технических средств, учета технических средств и разрешения на их монтаж, приемки смонтированных технических средств.
Д.2 Автономная наладка технических средств и подсистем КИПиА
Д.2.1 Цель: обеспечение готовности подсистем КИПиА к комплексной наладке.
Д.2.2 Начало: оформление документов приемки в наладку смонтированных технических средств.
Д.2.3 Окончание: готовность подсистем КИПиА к включению ТОУ.
Д.2.4 Состав и содержание работ.
Д.2.4.1 Проверка правильности монтажа внутренних связей подсистем КИПиА: коммутации панелей, пультов, шкафов и связей между ними.
Д.2.4.2 Проверка правильности присоединения кабельных связей КИПиА с периферийными устройствами (датчиками, ИМ).
Д.2.4.3 Наладка ИК.
Д.2.4.4 Автономная наладка отдельных элементов подсистем КИПиА по мере их приемки под наладку: СИ. предупредительных и аварийных сигналов, управления отдельными МСН, запорной и регулирующей арматурой, отдельных ТБ и ТЗ с имитацией сигналов от датчиков, МСН и арматуры.
Пример ведения работ по наладке и настройке схем ТЗ приведен в Приложении Е.
Д.2.4.5 Наладка подсистем КИПиА: ИС, ДУ, ТС, ТЗ, ТБ, АСР - при организованном технологическом процессе.
Д.2.4.6 Включение в работу подсистем КИПиА при испытаниях на ТОУ (пусковая наладка).
Д.2.4.7 Проверка функционирования ИК на действующем оборудовании и приемка их в опытную эксплуатацию (согласно Приложению Ж и СТО 70238424.27.100.037-2009).
Д.2.4.8 Оформление технической документации по результатам наладки.
Д.2.4.9 Предварительные испытания. Оформление актов о приемке смонтированных технических средств, документов о передаче в опытную эксплуатацию отдельных подсистем КИПиА.
Д.3 Комплексная наладка
Д.3.1 Цель: обеспечение работоспособности КИПиА в соответствии с требованиям технического задания.
Д.3.2 Начало: включение установки (ТОУ) в работу; наличие устойчивого технологического процесса.
Д.3.3 Окончание: испытание на работоспособность КИПиА при взаимодействии с ТОУ.
Д.3.4 Состав и содержание работ.
Д.3.4.1 Экспериментальное определение характеристик ТОУ.
Д.3.4.2 Коррекция уставок и настроек. Наладка подсистем общеблочного и общестанционного уровня. Обеспечение всех требований технического задания и проектной документации к подсистемам КИПиА.
Д.3.4.3 Корректировка эксплуатационной документации.
Д.3.4.4 Оформление технической документации по результатам наладки.
Д.3.4.5 Окончание предварительных испытаний КИПиА с оформлением приемки в опытную эксплуатацию.
Д.4 Опытная эксплуатация
Д.4.1 Цель: проверка работоспособности КИПиА в режиме опытной эксплуатации. Проверка КИПиА на соответствие техническому заданию и определение возможности ее ввода в промышленную эксплуатацию.
Д.4.2 Начало: подписание акта о приемке подсистем в опытную эксплуатацию.
Д.4.3 Окончание: подписание акта о вводе КИПиА в действие.
Д.4.4 Состав и содержание работ.
Д.4.4.1 Метрологическая аттестация и/или поверка ИК.
Д.4.4.2 Проверка готовности оперативного и ремонтного персонала к промышленной эксплуатации системы.
Д.4.4.3 Проведение проверок технического состояния технических средств КИПиА. Оценка надежности.
Д.4.4.4 Выявление фактов и причин неисправностей технических средств и алгоритмов КИПиА и их устранение.
Д.4.4.5 Дополнительная наладка подсистем, корректировка эксплуатационной документации (при необходимости).
Входной контроль, настройка и регулировка некоторых технических средств КИПиА
Е.1 Панели, пульты и шкафы
Контроль панелей, пультов и шкафов осуществляется путем проверки правильности монтажа электрических соединений по монтажным схемам, которые предварительно сверены с принципиальными или с развернуто-принципиальными схемами.
Правильность монтажа проверяется путем «прозвонки» цепей с помощью источника и прибора контроля напряжения.
Е.2 Функциональные блоки УКТЗ
Входной контроль проводится в соответствии с методикой, изложенной в технических условиях на аппаратуру УКТЗ. Для входного контроля функциональных блоков заводом-изготовителем поставляется испытательный пульт, который представляет собой автоматизированную систему диагностического контроля релейной логики.
Пульт позволяет получить при различных значениях рабочего напряжения следующие сведения о контролируемом блоке:
- общее логическое функционирование блока;
- функционирование контактной группы с указанием характера неисправности (ложно замкнут, ложно разомкнут и др.);
- функционирование индикаторов блока с указанием характера неисправности (ложная работа, отказ).
Пульт позволяет также определить значение погрешности выдержки времени и сопротивление изоляции относительно шасси и аппаратуры, находящейся под другим рабочим напряжением.
Проверка блоков осуществляется в два этапа: подготовка пульта и блока к работе и проверка блока. Возможны два режима проверки - автоматический и ручной.
Заводской пульт проверки блоков не позволяет проверить блоки БЗ-3М1 и БЗ-3М2, поэтому они проверяются «прозвонкой» по схемам электрических соединений.
Е.3 Релейная аппаратура
Е.3.1 В объем проверки реле входят следующие работы:
- внешний осмотр;
- внутренний осмотр;
- проверка состояния механической части и контактной системы и регулировка их в случае необходимости;
- определение электрических характеристик;
- проверка выдержек времени на срабатывание или возврат для реле времени и тех промежуточных реле, для которых эта выдержка задана в инструкции по проверке защиты;
- регулировка реле и повторная проверка его характеристик.
Е.3.2 При внешнем осмотре контролируется:
- соответствие типа установленного реле проекту;
- исправность кожуха и крепежных деталей;
- состояние выводов реле.
Е.3.3 При внутреннем осмотре производят следующие работы:
- очистка реле от пыли, металлических опилок и посторонних предметов;
- визуальный контроль качества пайки и правильности внутренних электрических соединений, целостности катушки и изоляции;
- затяжка винтов и гаек;
- визуальный контроль состояния контактных поверхностей, при необходимости поверхность контакта обрабатывается надфилем и затем полируется стальной пластиной со слабо рифленой поверхностью или плоской деревянной дощечкой; промывка контактов нашатырным спиртом, бензином и другими составами запрещается.
Е.3.4 Проверка механической части реле выполняется в следующем порядке:
- приведение контактной системы реле в соответствие с проектом, если реле допускает переделку контактов;
- проверка легкости хода якоря и отсутствия задеваний и заеданий;
- проверка отсутствия люфтов подвижных частей;
- визуальная оценка величины и равномерности зазора между якорем и сердечником;
- визуальная оценка контактных зазоров и прогиба контактов при замыкании. Для крупногабаритных реле зазор должен быть не менее 3 мм, прогиб - не менее 0,5 - 0,7 мм;
- визуальная проверка одновременности замыкания и размыкания всех контактов.
Е.3.5 Проверка электрических характеристик реле выполняется в следующем объеме.
Для электромагнитных реле с одной обмоткой:
- контроль значения напряжения срабатывания;
- контроль возврата;
- контроль времени срабатывания для реле, имеющих замедление срабатывания или возврата.
Для электромагнитных реле с несколькими обмотками - значение напряжения срабатывания контролируется по каждой обмотке.
Напряжение срабатывания проверяется путем трехкратной скачкообразной подачи напряжения на реле. Рекомендуется устанавливать напряжение срабатывания для промежуточных реле - 65 - 70 % номинального, для реле времени и указательных - 80 % номинального. Более высокое значение напряжения срабатывания может быть причиной несрабатывания при пониженном питающем напряжении, а более низкое - причиной ложного срабатывания при замыкании на землю цепей постоянного тока.
Повышенное напряжение (ток) срабатывания реле обычно указывает на чрезмерную затяжку регулировочных пружин, неправильную сборку движущихся частей, перекосы и заедания подвижной системы, чрезмерно большие зазоры в магнитной системе, неисправность обмотки реле. Обмотку считают исправной, если ее сопротивление отличается от заводских данных не более чем на ±10 % при диаметре провода до 0,16 мм, ±7 % при диаметре 0,17 - 0,25 мм, ±5 % при диаметре более 0,25 мм.
Для промежуточных реле, включенных через добавочный резистор, напряжение срабатывания и отпускания проверяется вместе с резистором и без него. При последовательном включении обмоток промежуточного и указательного реле оба реле должны четко срабатывать при подаче 80 % номинального напряжения.
Напряжение возврата, если оно не указано в технических данных, не нормируется. Основное требование - четкий возврат реле при плавном снятии напряжения.
Для изменения напряжений и токов срабатывания реле применяются приборы класса точности не хуже 1.
Е.3.6 Проверка уставок реле по времени производится с помощью электрического секундомера не менее трех раз. Для реле с часовым механизмом допускается разброс ±0,2 с - при максимальной выдержке времени 9 с и ±0,25 с - при максимальной выдержке 20 с.
Е.3.7 Если электрические или временные характеристики реле отличаются от паспортных данных на значение больше допустимого, производится регулировка реле.
Е.3.8 Изменение электрических характеристик осуществляется следующими способами:
- понижение напряжения (тока) и уменьшение времени срабатывания;
- уменьшение начального зазора между якорем и сердечником или повышение давления пластин размыкающих контактов;
- понижение напряжения (тока) и увеличение времени возврата;
- уменьшение конечного зазора между якорем и сердечником или понижение давления контактных пластин замыкающих контактов;
- уменьшение вибрации при напряжении (токе), близком к напряжению (току) срабатывания;
- регулировка контактов;
- уменьшение вибрации при притянутом якоре, удерживаемом упором,
- регулировкой подвижной системы.
Е.3.9 Регулирование указательных реле
Реле должно иметь следующие характеристики:
- барабанчик реле должен свободно вращаться без заметного трения. Люфт барабанчика вдоль оси вращения должен быть в пре делах 0,2 - 0,5 мм;
- якорь реле в горизонтальном направлении должен иметь не большой люфт, обеспечивающий легкий ход якоря до его упора в сердечник;
- скоба барабанчика должна упираться в отогнутую часть якоря, при этом зацепление между зубом скобы барабанчика и выступом якоря должно быть в пределах 1,0 ÷ 1,5 мм;
- флажок реле не должен выпадать при резком сотрясении панели;
- провал неподвижных контактов должен быть в пределах 1,0 ÷ 2,0 мм;
- при нажатии на скобу возврата барабанчик должен четко возвращаться в исходное положение.
При необходимости следует произвести регулирование реле.
Люфт барабанчика вдоль оси вращения необходимо регулировать изменением положения полуоси.
Люфт якоря в горизонтальном направлении следует устанавливать перемещением скобы при отпущенных винтах ее крепления.
Зацепление между зубом скобы барабанчика и выступом якоря следует регулировать подгибанием регулировочной скобы.
Провал неподвижных контактов следует регулировать их подгибанием.
Напряжение (ток) срабатывания реле необходимо регулировать изменением начального положения якоря и натяжением возвратной пружины, что производится подгибанием регулировочной скобы.
Е.3.10 Регулирование реле импульсной сигнализации
Е.3.10.1 Регулирование заключается в обеспечении правильной настройки исполнительных органон (реле КР) этих реле.
Перемещением упорных винтов реле должны быть отрегулированы так, чтобы якорь четко фиксировался в конечных положениях (нейтральная настройка реле). При этом зазор между контактами должен быть не менее 0,1 мм, а хвостовик якоря в крайних положениях не должен касаться полюсов магнитопровода.
Е.3.10.2 Проверка электрических характеристик реле осуществляется в следующем объеме:
- чувствительность реле;
- возврат реле;
- надежность работы контактов реле.
Е.3.10.3 Чувствительность реле определяется значением импульса тока срабатывания. Значение им пульса тока срабатывания реле зависит от предварительного тока в реле, поэтому проверку, а в случае необходимости и настройку реле следует производить при отсутствии предварительного тока в реле с последующей проверкой значения импульса тока срабатывания при максимальном предварительном токе в реле.
Изменением начального положения якоря правым неподвижным контактом регулируется срабатывание реле при нарастание тока, а изменением начального положения якоря левым неподвижным контактом регулируется срабатывание (возврат) реле.
Е.3.11 После окончания регулировки реле необходимо вновь проверить его электрические характеристики и убедиться, что они находятся в допустимых пределах.
Е.4 Запальник ЗСУ-ПИ
На рисунке Е.1 дана принципиальная электрическая схема пульта управления запальника ЗСУ-ПИ.
Проверка общей работоспособности пульта управления (ПУ) производится следующим образом:
- собрать схему включения ПУ в соответствии с инструкцией завода;
- проверить исправность предохранителей «Пр.сеть» и «Пр.кл»;
- переключатели, расположенные на лицевой панели: «Сеть», «Вкл-ЗСУ», «Авт-Газ» - установить в нижнее, отключенное, положение;
- подать напряжение на ПУ, для чего переключатель «Сеть» перевести в верхнее положение, при этом должны загореться светодиоды на лицевой панели «Сеть», «Фаза»;
- переключатель «Вкл-ЗСУ» установить в положение «Вкл», а переключатель «Авт-Газ» - в положение «Газ», при этом должно сработать реле Р1, загореться светодиод «ЗСУ-Газ» и на контактах 15, 16 разъема относительно контакта 19 должно появиться напряжение 220 В;
- имитировать сигнал о наличии пламени запальника, для чего замкнуть между собой контакты 1 и 2 на разъеме ПУ, при этом должны загореться светодиод «пламя ЗСУ», сработать реле Р2 и замкнуться контакты 8 и 9 на разъеме;
- переключить переключатель «, «Авт-Газ» в положение «Авт», при этом реле Р1 должно по-прежнему быть во включенном состоянии и должен гореть светодиод «ЗСУ-Газ»;
- убрать имитацию сигнала о наличии пламени запальника (разомкнуть контакты 1 и 2 на разъеме), при этом должны погаснуть светодиод «ЗСУ-Пламя», отключиться реле Р1, погаснуть светодиод «ЗСУ-Газ» и исчезнуть напряжение 220 В с контактов 15, 16 разъема ПУ относительно контакта 19.
Проверка электромагнитного клапана (ЭМК) осуществляется следующим образом:
- на вход ЭМК подвести сжатый воздух, давлением 0,1 МПа (1 кгс/см2);
- собрать схему включения ЭМК и открыть его путем подачи напряжения 220 В на его обмотку;
- закрыть ЭМК снятием напряжения с его обмотки.
При открытии ЭМК не должно быть вибрации клапана. В закрытом состоянии ЭМК не должен пропускать воздух. Если на клапане в открытом положении есть вибрация или он пропускает воздух, следует его разобрать, очистить движущиеся элементы, проверить пружину, при необходимости поменять уплотняющую прокладку. Как правило, этих мер достаточно для того, чтобы устранить вибрацию клапана и сделать его плотным.
Рисунок Е.1 - Принципиальная электрическая схема пульта управления запальника
Проверка блока искрового разряда (БИР) и свечи зажигания выполняется следующим образом:
- собрать схему управления БИР и его выходные цепи соединить со свечой зажигания;
- на вход БИР подать напряжение 220 В. По виду искры, появляющейся на свече зажигания, определить работоспособность БИР и свечи. В случае необходимости, если расстояние между электродами свечи и корпусом свечи отличается от 3 мм, установить его. Корпус свечи и электрод зажигания тщательно протереть от грязи.
Е.5 Сигнализатор «ФАКЕЛ-3М»
Е.5.1 Включить сигнализатор без ФД в сеть переменного тока 220 В и установить минимальную задержку на срабатывание выходного реле (шлиц резистора R1 («Задержка») на лицевой панели в крайнем левом положении). Убедиться в отсутствии срабатывания выходного реле К3 по следующим признакам:
- погашена лампа индикации «Факел»;
- разомкнута цепь контактов 7 и 8 на разъеме «Выход».
Установить лампы ГСИ на расстоянии 0,2 - 0,3 м от фото датчика 1, включить ГСИ в сеть постоянного тока 27 В, убедиться в правильности функционирования сигнализатора по следующим признакам:
- лампа индикации «Факел» погашена;
- выходное реле К3 не сработало (цепь контактов 7 - 8 на разъеме «Выход» разомкнута).
Е.5.3 Отключить ФД1 от сигнализатора, подключить ФД1 к разъему «датчик 2» и выполнить контрольные операции по п. Е5.2.
Е.5.4 При несоответствии состояний индикации «Факел» и цепи контактов 7 - 8 «Выход» прибор неисправен и подлежит ремонту.
Е.6 Аппаратура «ВИБРОБИТ-100»
Е.6.1 Перед установкой на оборудование и периодически при эксплуатации производится калибровка аппаратуры. Калибровка первичных преобразователей - датчиков и преобразователей и вторичных измерителей - плат блоков производится раздельно.
Е.6.2 При проведении калибровки выполняются следующие операции:
- внешний осмотр;
- опробование;
- проверка диапазона измерений, определение погрешности измерений и значения коэффициента преобразования.
Е.6.3 При внешнем осмотре должны быть проверены:
- комплектность и чистота калибруемого датчика, преобразователя;
- наличие маркировки;
- отсутствие повреждений.
Е.6.4 Для опробования следует выполнить следующие операции:
- установить датчик на стенде;
- собрать электрическую схему калибровки;
- включить источник и опробовать работу датчика, преобразователя, создавая на стенде изменение параметра.
Электрическая схема калибровки датчиков и преобразователей перемещения приведена на рисунке Е.2.
Электрическая схема калибровки датчиков виброскорости и виброперемещения приведена на рисунке Е.3.
А - датчик, преобразователь; R - магазин сопротивлений; mA - миллиамперметр постоянного тока; В - стабилизатор источника постоянного тока напряжением 24 ± 0,5 В, ток 100 мА
Рисунок Е.2 - Электрическая схема калибровки датчиков и преобразователей перемещения
А - датчик, преобразователь; R - магазин сопротивлений; V - вольтметр переменного тока с входным сопротивлением 1 МОм; В - стабилизатор источника постоянного тока напряжением 24 ± 0,5 В, ток 100 мА
Рисунок Е.3 - Электрическая схема калибровки датчиков виброскорости и виброперемещения
Е.7 Указатель уровня жидкости УЖИ
Настройка указателя в комплекте с токовым реле производится при наличии контролируемого уровня.
Точное определение уставки определяется настройкой токового реле. При настройке комплекта на срабатывание при понижении уровня замыкается замыкающий контакт реле, при повышении - размыкающий.
Порядок контроля работоспособности следующий:
- проверить правильность установки и подключения датчика, подать напряжение питания и подождать 10 мин;
- изменить контролируемый уровень и проконтролировать визуально через стекло изменение положения поплавка. Если поплавок неподвижен, проверить его герметичность и наличие загрязнения сердечника;
- настроить токовое реле на срабатывание при заданном уровне. При невозможности изменения уровня переместить катушку относительно сердечника.
В схеме защиты по уровню в демпферном маслобаке (рисунок Е.5) изменение уровня осуществляется путем закрытия вентиля 6 и последующего открытия вентиля 5.
1 - демпферный бак; 2 - датчики уровня; 3 - обводная труба (Dy 40 - 50 мм); 4 - дренажная труба (Dy 40 - 50 мм); 5, 6 - запорные вентили; 7 - переливная труба; 8 - труба связи по водороду; 9 - ремонтный вентиль; ----- - демонтировать; = = = = = = - смонтировать
Рисунок Е.5 Схема установки датчиков защиты по уровню масла в баке системы уплотнений вала генератора
После снятия напряжения проверить сопротивление изоляции между катушкой и корпусом указателя.
Е.8 Электромагнитные приводы
Е.8.1 При проверке электромагнитных приводов производятся:
- внешний осмотр;
- проверка изоляции между обмотками и корпусом электромагнита (сопротивление изоляции должно быть не менее 10 МОм);
- измерение электрических параметров обмоток;
- проверка правильности соединения обмоток;
- снятие характеристик привода.
Снятие электрических характеристик привода производится после измерения сопротивления и испытания изоляции, при этом определяются напряжение и ток срабатывания. Проверка производится по месту или на специальном стенде при наличии рабочего давления среды в клапане.
При проверке характеристик следует иметь в виду, что обмотки электромагнитов импульсных предохранительных клапанов и автомата безопасности термически неустойчивы и поэтому все измерения необходимо производить быстро, не перегревая обмоток.
Напряжение питания электромагнитов, применяемых в технологических защитах, должно быть равным 220 В при режиме работы с относительной продолжительностью включения 40 %. При необходимости большей продолжительности включения следует снизить подводимое напряжение.
Необходимо помнить следующее.
При отключении электромагнита происходит быстрое снижение магнитного потока, наводящее в катушке электромагнита э.д.с. самоиндукции. Значение индуктированного напряжения возрастает при быстром отключении тока и в некоторых случаях может достигнуть 3 - 4 кВ, т.е. в 15 - 18 раз превышает номинальное напряжение, что не исключает возможности пробоя изоляции катушки электромагнита.
Для ограничения значения перенапряжения параллельно катушке электромагнита подключается так называемый разрядный резистор. При сопротивлении разрядного резистора, в 6 - 8 раз превышающем сопротивление катушки электромагнита, перенапряжение практически снижается до 700 - 800 В.
Следовательно, разрядный резистор выбирается таким образом, чтобы его сопротивление было больше сопротивления катушки в 8 - 10 раз.
Е.8.2 В соответствии с требованиями Ростехнадзора на подводящих газопроводах и мазутопроводах к котлам должны устанавливаться быстрозапорные клапаны, работающие на постоянном токе от аккумуляторной батареи. В котельных, не имеющих постоянного оперативного тока, допускается производить закрытие быстрозапорных клапанов от устройств с предварительно заряженным конденсатором.
Е.8.3 Существующие для защиты ПВД гидроприводы должны обеспечивать быстродействие защиты.
Быстродействие защиты определяется временем с момента замыкания контактов уровнемеров до момента полного закрытия автоматического впускного клапана ПВД. Это время не должно превышать 5 с.
На быстродействие защиты существенное влияние оказывают условия эксплуатации: давление конденсата на гидроприводы, состояние арматуры и самого автоматического впускного клапана ПВД и пр.
Е.8.4 Электромагнитный клапан ИК-40 из комплекта АЗК-4 (Dy 15 мм) предназначен для управления мазутными форсунками и скомпонован с трехфазным электромагнитом переменного тока, рассчитанным на напряжение 380/220 В. При обесточенном положении клапан закрыт. Клапан состоит из электромагнита, запорного органа, регулирующей гайки и возвратной пружины.
Клапан открывается путем перемещения вверх запорного органа якорем электромагнита. Электромагнит собран в отдельном закрытом корпусе и размещен над клапаном, что исключает возможность попадания мазута на обмотку электромагнита. Якорь перемещается внутри изолирующих каркасов втягивающих катушек, защищенных металлическими пластинами, вследствие чего нарушение изоляции невозможно.
Плотность клапана обеспечивается усилием возвратной пружины.
К входному штуцеру мазутного клапана через специальный входной патрубок при отключенном напряжении питания от масляного пресса подается масло давлением до 3 МПа и с помощью мыльно-водного раствора определяется плотность клапана (мыльные пузыри не должны появляться на выходном штуцере или при отсутствии снижения давления перед клапаном). Плотность клапана регулируется гайкой.
Е.8.5 Электромагнитный клапан из комплекта ЗЗУ состоит из запорного клапана и электромагнитного привода.
При подаче напряжения на клапан его сердечник втягивается внутрь электромагнита и открывает проход для газа. При отсутствии напряжения или выходе из строя катушки электромагнита вентиль закрывается под действием пружины и давления газа. Резиновая прокладка обеспечивает плотность.
Проверка работы клапана производится по следующей методике:
- к входному штуцеру клапана подвести воздух давлением до 0,1 МПа (1 кгс/см2),
- подать напряжение питания на клапан и убедиться в открытии клапана,
- отключить напряжение питания и с помощью мыльно-водного раствора убедиться в плотности запирания клапана (на входном штуцере не должны появляться мыльные пузыри).
В случае возникновения вибрации штока клапана отвернуть корпус электромагнита на несколько оборотов, пока не прекратится вибрация штока.
Е.9 Настройка и опробование схем ТЗ
Е.9.1 Проверка правильности присоединения кабельных связей
Проверка электрических цепей защиты осуществляется по монтажным схемам, которые предварительно сверяются с принципиальными либо развернуто-принципиальными схемами.
Правильность присоединения кабелей проверяется «прозвонкой» жил с помощью комплекта из двух телефонных трубок с источниками питания. Перед проверкой жилы кабеля должны быть отсоединены с обеих сторон от зажимов.
Е.9.2 Подача напряжения в схемы
Напряжение в схемы ТЗ подается с соблюдением требований правил техники безопасности.
Перед подачей напряжения должна быть исключена возможность воздействия на исполнительные механизмы путем отключения соответствующих кабельных проводов в панелях защит. Напряжение подается поочередно в схемы, имеющие индивидуальный АП.
После включения АП необходимо проверить наличие и значение напряжения.
Е.9.3 Поузловое опробование схем ТЗ
Входной сигнал защиты формировать либо путем его имитации, либо изменением контролируемого параметра с появлением соответствующей сигнализации.
Проведение опробования:
- проконтролировать срабатывание каждого канала каждой защиты при появлении входного сигнала по имеющимся сигнальным устройствам;
- проверить правильность работы коммутационных устройств в цепях защит (ключей, переключателей, накладок);
- проконтролировать выдержки времени;
- при наличии автоматического режимного ввода-вывода защиты проверить работу устройства автоматического ввода, а также приоритет условий вывода. Условия ввода-вывода защиты имитируются кнопками в блочках защит или перемычками;
- проверить выявление защиты, сработавшей первой;
- для УКТЗ проверить работу схемы опробования от кнопок каждого из блоков БЗ;
- проконтролировать отсутствие сработавших защит и восстановить возможность воздействия схемы защит на исполнительные механизмы;
- проверить действие схемы защит на исполнительные механизмы при имитации срабатывания любой из группы защит, действующих параллельно. Контролировать направление хода исполнительных механизмов, самоудерживание выходных реле, подачу и снятие импульсных команд;
- проверить выполнение команд, поступающих от отдельных защит данной группы, если такие команды предусмотрены;
- выполнить указанные выше операции для всех групп защит;
- проверить соблюдение приоритета отдельных групп защит.
Опробование ТЗ производится при каждом из возможных сочетаний внутренних и внешних условий (положение переключателей, устройств ремонтного вывода, количество подключенных датчиков и т.д.), при этом контролируется срабатывание ТЗ при наличии всех необходимых условий и несрабатывание - при отсутствии любого из них.
Проверка действия схемы защит на исполнительные механизмы может выполняться по мере готовности датчиков и исполнительных механизмов.
Все выявленные неисправности должны быть ликвидированы до пуска защищаемого оборудования.
Приемка в эксплуатацию измерительных каналов информационно- измерительных систем
Ж.1 Основные требования к приемке в эксплуатацию измерительных каналов информационно- измерительных систем
Ж.1.1 Целью работ по приемке измерительных каналов является проверка соответствия точностных характеристик ИК данным проекта КИПиА или приведенным в разделе Ж2.
Ж.1.2 Приемке в эксплуатацию должны быть подвергнуты все ИК, предусмотренные рабочим проектом.
Ж.1.3 Все подготовительные работы по приемке ИК производит персонал соответствующего подразделения ТЭС совместно с персоналом наладочной организации
Ж.1.4 К работам по приемке в эксплуатацию ИК допускаются лица, прошедшие проверку знаний по технике безопасности в объеме, определенном должностной инструкцией, и имеющие отметку в удостоверении о проверке знаний по технике безопасности
Ж.1.5 Персонал наладочной организации:
- обеспечивает установку СИ в месте формирования входного воздействия;
- обеспечивает организацию рабочих мест;
- устанавливает телефонную (радиосвязь) между рабочими местами;
- обеспечивает проведение измерительных процедур.
Ж.1.6 Персонал ТЭС
- несет ответственность за метрологическое обеспечение производимых работ;
- подготавливает бланки протоколов приемки ИК,
- считывает по шкале приборов значения измеряемых величин,
- фиксирует значения влияющих факторов и заносит их в протокол приемки.
Ж.1.7 Приемка в эксплуатацию ИК производится в соответствии с СТО 70238424.27.100.037-2009.
Ж.1.8 При положительных результатах приемки ИК оформляется акт приемки ИК в эксплуатацию.
Ж.2 Нормы погрешности измерений технологических параметров электростанций
Настоящий перечень (таблица Ж2.1) включает основные технологические параметры, участвующие в оперативном контроле и управлении технологическими процессами, а также при планировании, нормировании и составлении отчетности о тепловой экономичности энергетического оборудования тепловых электрических станций, газотурбинных установок, тепловых и электрических сетей и устанавливают нормы погрешности измерений этих параметров в стационарном режиме работы оборудования. В перечне не указаны нормы погрешности при работе энергетического оборудования в нестационарном режиме.
Ж.2.1 Общие положения
Ж.2.1.1 Нормы погрешности измерений технологических параметров, не регламентированные государственными органами, установлены на основе опыта эксплуатации и экспертных оценок специалистов.
Ж.2.1.2 Измерения, подлежащие государственному контролю и надзору, должны осуществляться в соответствии с нормами погрешности, установленными государственными или отраслевыми нормативными документами и методиками выполнения измерений, аттестованными в установленном порядке.
Ж.2.1.3 Нормы погрешности измерений представлены в абсолютных или относительных единицах параметра и учитывают все составляющие погрешности измерений (методические, инструментальные, субъективные).
Ж.2.1.4 Значения норм погрешности измерений приведены для нормальных условий.
Ж.2.1.5 Нормы погрешности измерения параметров, участвующих в расчете технико-экономических показателей, установлены с учетом обеспечения точности комплексных итоговых показателей удельного расхода топлива на отпущенные электроэнергию и тепло в течение.
Если существующие методы измерений не позволяют обеспечить необходимую погрешность измерений отдельных параметров для расчета ТЭП, в скобках таблиц указаны значения, которые необходимо достигнуть путем совершенствования средств измерений.
Таблица Ж2.1 - Нормы погрешности теплотехнических измерений
|
Нормируемая погрешность |
||||
|
для оперативного контроля |
для расчета ТЭП |
|||
|
Абсолютная |
Приведенная, % |
Абсолютная |
Приведенная, % |
|
|
1 Твердое топливо |
||||
|
1.1 Масса в движущемся составе, на ходу (нетто) |
- |
±1,0 |
- |
±1,0 |
|
1.2 Масса в вагоне (нетто) |
- |
±1,75 |
- |
±1,75 |
|
1.3 Масса на движущемся конвейере |
- |
±1,0 |
- |
±1,0 |
|
1.4 Теплота сгорания, низшая, кДж/кг |
±85 |
- |
±85 |
|
|
1.5 Содержание золы, % |
- |
- |
±0,5 |
|
|
1.6 Содержание влаги, % |
- |
- |
±0,3 |
|
|
Пылевоздушная (пылегазовоздушная) смесь перед (за) мельничным вентилятором перед (за) мельницей, в пылепроводах перед горелками: |
||||
|
1.7 температура, °С |
±2,0 |
- |
- |
- |
|
1.8 массовая концентрация кислорода (кроме тощего, экибастузского, ОС, 2СС) |
- |
±5,0 |
- |
- |
|
2 Жидкое топливо |
||||
|
2.1 Масса в движущемся составе |
- |
±0,5 |
- |
±0,5 |
|
2.2 Масса в цистерне (нетто) |
- |
±0,5 |
- |
±0,5 |
|
2.3 Расход топлива, подаваемого в котел |
- |
±2,0 |
±2,0 |
|
|
2.4 Расход топлива в линии рециркуляции от котла |
- |
±3,5 |
- |
±2,0 |
|
2.5 Давление перед горелками |
- |
±2,5 |
- |
- |
|
2.6 Температура перед горелками, °С |
±1,0 |
- |
±1,0 |
±1,0 |
|
2.7 Теплота сгорания низшая, кДж/кг |
±130 |
- |
±130 |
±130 |
|
2.8 Плотность, г/см |
0,0006 |
- |
0,0006 |
- |
|
2.9 Содержание воды, % |
±2,0 |
- |
±2,0 |
- |
|
3 Газообразное топливо |
||||
|
3.1 Расход топлива, подаваемого на установку |
- |
±1,6 |
±1,6 |
|
|
3.2 Температура, °С |
±2,0 |
- |
±2,0 |
- |
|
3.3 Давление |
- |
±1,0 |
±1,0 |
|
|
3.4 Плотность, кг/м3 |
±0,004 |
- |
±0,004 |
- |
|
3.5 Теплота сгорания низшая, кДж/м3 |
±170,0 |
- |
±170,0 |
- |
|
4 Вода |
||||
|
Исходная вода, поступающая на водоподготовителъную установку: |
||||
|
4.1 расход |
- |
±4,0 |
- |
±4,0 |
|
4.2 давление |
- |
±2,5 |
- |
±2,5 |
|
4.3 температура, °С |
±2,0 |
- |
- |
- |
|
Исходная вода на входе в подогреватель: |
||||
|
4.4 давление |
- |
±2,5 |
- |
- |
|
Исходная вода после подогревателя: |
||||
|
4.5 температура, °С |
±1,0 |
- |
±1,0 |
- |
|
Вода на входе (выходе) фильтров: |
||||
|
4.6 Расход |
- |
±2,5 |
- |
- |
|
4.7 Давление |
- |
±2,5 |
- |
- |
|
Вода и реагенты в баках: |
||||
|
4.8 уровень |
- |
±5,0 |
- |
- |
|
Вода на входе в конденсатоочистку: |
||||
|
4.9 расход |
- |
±3,5 |
- |
- |
|
Химически обессоленная вода: |
||||
|
4.10 расход |
- |
±2,5 |
- |
±2,5 |
|
4.11 давление |
- |
±2,5 |
- |
- |
|
4.12 температура, °С |
±2,0 |
- |
±2,0 |
0 |
|
4.13 удельная электрическая проводимость, мкСм/см |
±0,06 |
- |
- |
- |
|
Питательная вода на входе в котел (перед РПК): |
||||
|
4.14 расход |
- |
±2,5 |
- |
±1,5 |
|
4.15 давление |
- |
±2,5 |
- |
±1,0 |
|
4.16 температура, °С |
±3,0 |
- |
±3,0 (±2,0) |
- |
|
4.17 значение рН |
±0,2 |
- |
- |
- |
|
4.18 удельная электрическая проводимость, мкСм/см |
±0,06 |
- |
- |
- |
|
4.19 содержание кислорода |
- |
±10 |
- |
- |
|
4.20 содержание натрия, pNa |
±0,15 |
- |
- |
- |
|
Питательная вода за подогревателем высокого давления: |
||||
|
4.21 расход |
- |
±1,5 |
±2,5 |
|
|
4.22 давление |
- |
±2,5 |
±2,5 |
|
|
4.23 температура, °С |
±3,0 |
- |
±2,5 |
|
|
Питательная вода на стороне нагнетания питательных насосов: |
||||
|
4.24 давление |
- |
±1,5 |
±1,5 |
|
|
Вода за экономайзером: |
||||
|
4.25 температура, °С |
±3,0 |
- |
||
|
Котловая вода: |
||||
|
4.26 расход (непрерывная продувка барабанных котлов) |
- |
±2,5 |
±2,5 |
|
|
4.27 уровень, мм |
±10,0 |
- |
||
|
4.28 значение рН |
±0,2 |
- |
||
|
Питательная вода на впрыск: |
||||
|
4.29 расход |
- |
±2,5 |
±2,5 |
|
|
4.30 давление |
- |
±2,5 |
±2,5 |
|
|
4.31 температура, °С |
±3,0 |
- |
||
|
4.32 массовая концентрация солей в питательной воде, мг/кг |
±8,0 |
- |
||
|
Сетевая вода, поступающая на собственные нужды: |
||||
|
4.33 расход |
- |
±5,0 |
±1,5 |
|
|
4.34 давление |
- |
±2,5 |
±1,5 |
|
|
4.35 температура, °С |
±1,0 |
- |
±1,0 |
|
|
Сетевая вода, возвращаемая от потребителей собственных нужд: |
||||
|
4.36 расход |
- |
±5,0 |
±3,0 (±1,5) |
|
|
4.37 давление |
±2,5 |
±1,5 |
||
|
4.38 температура, °С |
±1,0 |
- |
±1,0 |
|
|
Сетевая вода, проходящая через бойлерную установку: |
||||
|
4.39 расход |
- |
±2,5 |
±1,5 |
|
|
4.40 давление |
- |
±1,5 |
±1,5 |
|
|
4.41 температура на входе и выходе, °С |
±1,0 |
- |
±1,0 |
|
|
Сетевая вода на выводах источника тепла (подающая и обратная линии) |
||||
|
4.42 расход |
- |
±5,0 |
±3,0 (±1,5) |
|
|
4.43 давление |
±1,5 |
±1,5 |
||
|
4.44 температура, °С |
±1,0 |
- |
±1,0 |
|
|
Подпиточная вода теплосети: |
||||
|
4.45 расход |
- |
±2,5 |
±1,5 |
|
|
4.46 давление |
- |
±1,5 |
±1,5 |
|
|
4.47 температура, °С |
±1,0 |
- |
±1,0 |
|
|
4.48 содержание кислорода |
- |
±10 |
||
|
Охлаждающая вода, проходящая через башенный охладитель: |
||||
|
4.49 разность температур |
±20,0 |
±10,0 |
||
|
Исходная, питательная, котловая, охлаждающая и сетевая воды: |
||||
|
4.50 содержание железа в диапазонах концентраций в пробе |
||||
|
0,2 - 0,5 мкг |
±15,0 |
|||
|
0,5 - 1,0 мкг |
±10,0 |
|||
|
10,0 - 50,0 мкг |
±3,0 |
|||
|
10,0 - 50,0 мкг |
±1,0 |
|||
|
4.51 Содержание гидразина в диапазонах концентраций в пробе |
||||
|
0,2 - 0,5 мкг |
±50,0 |
|||
|
0,5 - 1,0 мкг |
±40,0 |
|||
|
1,0 - 5,0 мкг |
±15,0 |
|||
|
3,0 - 8,0 мкг |
±5,0 |
|||
|
4.52 Содержание кремниевой кислоты в диапазонах концентраций в пробе |
||||
|
до 12 мкг |
25 |
|||
|
25 мкг |
20 |
|||
|
50 мкг |
25 |
|||
|
100 мкг |
10 |
|||
|
200 мкг |
5 |
|||
|
Питательная (ее составляющие), химически обессоленная и котловая воды: |
||||
|
4.53 содержание меди в диапазонах концентраций в пробе |
||||
|
0,5 - 1,0 мкг |
±7,0 |
|||
|
1,0 - 5,0 мкг |
±3,0 |
|||
|
5,0 - 10,0 мкг |
±1,0 |
|||
|
5 Воздух |
||||
|
Воздух окружающей среды: |
||||
|
5.1 температура, °С |
±1,0 |
±1,0 |
||
|
5.2 барометрическое давление |
±2,0 |
±0,5 |
||
|
Воздух перед мельницей, вентиляторами, воздухоподогревателями и калориферами: |
||||
|
5.3 расход |
±5,0 |
|||
|
5.4 давление |
±2,5 |
|||
|
5.5 температура, °С |
±3,0 |
±3,0 |
||
|
Воздух за воздухоподогревателями, калориферами, рециркуляция воздуха |
||||
|
5.6 давление |
±2,5 |
±1,0 |
||
|
5.7 температура, °С |
±2,0 |
±2,0 |
||
|
Воздух перед компрессором газотурбинной установки: |
||||
|
5.8 расход (перепад) |
±2,5 |
±1,0 |
||
|
5.9 давление |
±1,0 |
±0,5 |
||
|
5.10 температура, °С |
±1,0 |
±1,0 |
||
|
Воздух за компрессором газотурбинной установки: |
||||
|
5.11 температура, °С |
±2,0 |
±2,0 |
||
|
Воздух на охлаждение газотурбинной установки: |
||||
|
5.12 расход (перепад) |
±2,5 |
±1,0 |
||
|
5.13 давление |
±0,5 |
±0,5 |
||
|
5.14 температура, °С |
±4,0 |
±4,0 |
||
|
6 Продукты сгорания |
||||
|
Газ в верней части топки котла: |
||||
|
6.1 разрежение |
±5,0 |
±1,0 |
||
|
Газ рециркуляции: |
||||
|
6.2 расход |
±5,0 |
|||
|
Газ в поворотных камерах котла: |
||||
|
6.3 температура, °С |
±5,0 |
|||
|
Газ перед воздухоподогревателем: |
||||
|
6.4 разрежение |
±4,0 |
|||
|
6.5 температура, °С |
±5,0 |
±3,0 |
||
|
Газ за воздухоподогревателем и дымососом: |
||||
|
разрежение |
±5,0 |
|||
|
6.7 температура, °С (для котлов с мокрыми скрубберами температура, °С) |
±4,0 ±6,0 |
±3,0 ±3,0 |
||
|
Продукты сгорания перед газотурбинной установкой: |
||||
|
6.8 давление |
±1,6 |
±0,6 |
||
|
6.9 температура, °С |
±10,0 |
±10,0 |
||
|
Продукты сгорания после газотурбинной установки: |
||||
|
6.10 давление |
±1,0 |
±1,0 |
||
|
6.11 температура, °С |
±3,0 |
±3,0 |
||
|
Уходящие газы: |
||||
|
6.12 массовая концентрация О2 |
±10,0 |
|||
|
6.13 массовая концентрация СО |
±10,0 |
|||
|
6.14 массовая концентрация NO2 |
±10,0 |
|||
|
6.15 массовая концентрация SO2 |
±10,0 |
|||
|
6.16 массовая концентрация летучей золы и сажи |
±25,0 |
|||
|
6.17 расход дымовых газов |
±10,0 |
|||
|
7 Пар |
||||
|
Пар к мельницам и на распиливание мазута: |
||||
|
7.1 давление |
±2,5 |
±2,5 |
||
|
Свежий пар за котлом: |
||||
|
7.2 давление |
±1,0 |
±0,6 (±0,4) |
||
|
7.3 расход |
±1,5 |
±1,5 |
||
|
7.4 температура, °С |
±5,0 |
±2,0 |
||
|
7.5 значение рН |
±0,2 |
|||
|
7.6 удельная электрическая проводимость, мкСм/см |
±0,06 |
|||
|
Пар за отдельными ступенями пароперегревателей: |
||||
|
7.7 температура, °С |
±8,0 |
|||
|
Насыщенный и влажный пар за котлом: |
||||
|
7.8 давление |
±1,0 |
±0,6 |
||
|
7.9 температура, °С |
±8,0 |
±8,0 |
||
|
7.10 влажность |
±0,05 |
|||
|
7.11 значение рН |
±0,2 |
|||
|
7.12 удельная электрическая проводимость, мкСм/см |
±0,06 |
|||
|
7.13 содержание натрия pNa |
0,15 |
|||
|
Пар до встроенной задвижки (для прямоточных котлов): |
||||
|
7.14 давление |
±1,5 |
|||
|
7.15 температура, °С |
±8,0 |
|||
|
Пар в тракте холодного перегрева: |
||||
|
7.16 расход |
±1,5 |
±1,5 |
||
|
7.17 давление |
±1,0 |
±1,0 (±0,4) |
||
|
7.18 температура, °С |
±8,0 |
±2,0 |
||
|
Пар в тракте горячего промперегрева перед отсечными клапанами ЦСД: |
||||
|
7.19 давление |
±1,0 |
±0,6 (±0,4) |
||
|
7.20 температура, °С |
±8,0 |
±2,0 |
||
|
Пар, отбираемый из тракта промперегрева на собственные нужды: |
||||
|
7.21 расход |
±2,5 |
±2,5 |
||
|
7.22 давление |
±2,5 |
±2,5 |
||
|
7.23 температура, °С |
±8,0 |
±4,0 |
||
|
Пар, подаваемый на обдувку поверхностей нагрева котла: |
||||
|
7.24 расход |
±3,5 |
±2,5 |
||
|
7.25 давление |
±2,5 |
±2,5 |
||
|
7.26 температура, °С |
±4,0 |
±4,0 |
||
|
Пар перед стопорными клапанами цилиндра высокого давления: |
±1,0 |
|||
|
7.27 давление |
±0,6 (±0,4) |
|||
|
7.28 температура, °С |
±8,0 |
±2,0 |
||
|
7.29 расход |
±1,5 |
±1,5 |
||
|
Пар в регулирующей ступени: |
||||
|
7.30 давление |
±1,0 |
±0,6 |
||
|
7.31 температура, °С |
±8,0 |
±2,0 |
||
|
Пар за цилиндром высокого давления: |
||||
|
7.32 давление |
±1,0 |
±0,4 |
||
|
7.33 температура, °С |
±8,0 |
±2,0 |
||
|
Пар за цилиндром среднего давления |
||||
|
7.34 давление |
±1,0 |
±0,4 |
||
|
7.35 температура, °С |
±3,0 |
±2,0 |
||
|
Пар, подаваемый на питательный турбонасос: |
||||
|
7.36 расход |
±2,5 |
±1,5 |
||
|
7.37 давление |
±1,0 |
±0,6 |
||
|
7.38 температура, °С |
±8,0 |
±3,0 |
||
|
Пар на выхлопе питательного насоса: |
||||
|
7.39 давление |
±1,0 |
±1,0 |
||
|
7.40 температура, °С |
±8,0 |
±2,0 |
||
|
Пар в выносном сепараторе Р-20 пусковых схем с прямоточными котлами: |
||||
|
7.41 расход |
±1,0 |
|||
|
Пар, подаваемый для отпуска тепла: |
||||
|
7.42 расход |
±2,5 |
±2,5 |
||
|
7.43 давление |
±1,0 |
±0,6 |
||
|
7.44 температура, °С |
±8,0 |
±3,0 |
||
|
Пар на выхлопе турбины (с противодавлением): |
||||
|
7.45 расход |
±2,5 |
±1,5 |
||
|
7.46 давление |
±1,0 |
±0,6 |
||
|
7.47 температура, °С |
±8,0 |
±3,0 |
||
|
Пар, подаваемый на турбовоздуходувку |
||||
|
7.48 расход |
±2,5 |
±2,5 |
||
|
7.49 давление |
±1,0 |
±0,6 |
||
|
7.50 температура, °С |
±5,0 |
±3,0 |
||
|
Пар на выхлопе турбовоздуходувки: |
||||
|
7.51 давление |
±1,0 |
±1,0 |
||
|
7.52 температура, °С |
±4,0 |
±2,0 |
||
|
Пар в конденсаторе турбины, питательного турбонасоса, турбовоздуходувки: |
||||
|
7.53 давление в каждой секции (абсолютное) |
±1,0 |
±1,0 |
||
|
7.54 температура, °С |
±1,0 |
|||
|
Переток пара между энергоблоками: |
||||
|
7.55 расход |
±2,0 |
|||
|
Пар, подаваемый на бойлер: |
||||
|
7.56 давление |
±1,0 |
±1,0 |
||
|
7.57 температура, °С |
±4,0 |
±3,0 |
||
|
Пар в котельной: |
||||
|
7.58 давление |
±1,0 |
±1,0 |
||
|
7.59 массовая концентрация солей в паре, мг/кг |
±8,0 |
|||
|
8 Конденсат |
||||
|
Конденсат турбины после обессоливающей установки: |
||||
|
8.1 температура, °С |
±1,0 |
- |
±1,0 |
- |
|
8.2 удельная электрическая проводимость, мкСм/см |
±0,06 |
- |
- |
- |
|
8.3 содержание кислорода |
- |
±10,0 |
- |
- |
|
Конденсат на выходе из конденсатора: |
||||
|
8.4 расход |
- |
±2,5 |
- |
- |
|
8.5 давление |
- |
±1,5 |
- |
±1,5 |
|
8.6 температура, °С |
±1,0 |
- |
±1,0 |
- |
|
8.7 значение рН |
±0,2 |
- |
- |
- |
|
8.8 удельная электрическая проводимость, мкСм/см |
±0,06 |
- |
- |
- |
|
Возвратный конденсат: |
||||
|
8.9 расход |
- |
±2,5 |
- |
±2,5 |
|
8.10 температура, °С |
±2,0 |
- |
±1,0 |
- |
|
8.11 значение рН |
±0,2 |
- |
- |
- |
|
8.12 удельная электрическая проводимость, мкСм/см |
±0,06 |
- |
- |
- |
|
Конденсат на отопление: |
||||
|
8.13 расход |
- |
±4,0 |
- |
- |
|
8.14 температура, °С |
±2,0 |
- |
- |
- |
|
Сточные воды: |
||||
|
8.15 значение рН |
±0,2 |
- |
- |
- |
|
9 Тепловая энергия |
||||
|
9.1 Количество теплоты, отпускаемой с сетевой водой на каждой тепломагистрали выводных коллекторов |
- |
±2,5 |
- |
±2,5 |
|
9.2 Количество теплоты, отпускаемой с сетевой водой, проходящей через бойлерную установку |
±2,5 |
- |
±2,5 |
|
|
9.3 Количество теплоты, отпускаемой с паром на каждой тепломагистрали выводных коллекторов |
±3,0 |
- |
±2,5 |
|
|
9.4 Количество теплоты возвратного конденсата на каждой тепломагистрали |
- |
±2,5 |
- |
±2,5 |
|
10 Тепловая мощность |
||||
|
10.1 Мощность сетевой воды на каждой тепломагистрали |
- |
±3,0 |
- |
- |
|
10.2 Мощность пара, подаваемого для отпуска теплоты, на каждой тепломагистрали |
- |
±4,0 |
- |
- |
|
10.3 Мощность возвратного конденсата на каждой тепломагистрали |
- |
±3,0 |
- |
- |
|
11 Другие параметры |
||||
|
Водород в корпусе генератора (возбудителя): |
||||
|
11.1 давление |
±2,0 |
|||
|
11.2 температура, °С |
±3,0 |
|||
|
Дистиллят в контуре охлаждения статора ротора и сердечника генератора |
||||
|
11.3 расход |
±4,0 |
|||
|
11.4 давление |
±2,0 |
|||
|
11.5 температура, °С |
±2,0 |
|||
|
Жидкость в контуре охлаждения генератора, охлаждающая водород, масло и дистиллят: |
||||
|
11.6 давление |
±4,0 |
|||
|
11.7 температура, °С |
±2,0 |
|||
|
11.8 расход |
±4,0 |
|||
|
Масло уплотнения вала генератора, подаваемое на подшипник турбины после маслоохладителя: |
||||
|
11.9 температура, °С |
±1,0 |
|||
Методические рекомендации по наладке автоматических регуляторов
И.1 Наладка автоматических регуляторов турбинного оборудования ТЭС
В настоящем разделе рассмотрены следующие вопросы:
- регулирование подачи пара на уплотнения вала турбины (И1.1);
- регулирование уровня в регенеративных подогревателях, конденсаторе турбины и деаэраторе (И1.2);
- регулирование давления пара в деаэраторе (И1.3);
- требования к качеству поддержания параметров (И1.4);
- проверка измерительных преобразователей уровня и давления (И1.5);
- проверка регулирующих приборов (И1.6);
- проверка монтажа измерительных преобразователей уровня и давления (И1.7);
- проверка регулирующих органов (И1.8);
- проверка электрических схем, наладка дистанционного и автоматического управления (И1.9);
- расчет параметров настройки регуляторов (И1.10);
- подготовка регуляторов к включению (И1.11);
- включение АСР в работу (И1.12);
- характерные неисправности АСР и методы их устранения (И1.13);
И.1.1 Регулирование подачи пара на уплотнения вала турбины
И.1.1.1 Концевые лабиринтовые уплотнения предотвращают подсос воздуха в турбину и утечки из турбины (рисунок И1.1). На концевые уплотнения ЦНД и задние уплотнения ЦСД пар с небольшим избыточным давлением подается во всех режимах работы турбины, на концевые уплотнения ЦВД и передние уплотнения ЦСД - только при пуске, холостом ходе и малой нагрузке, когда давление в ступенях высокого давления меньше атмосферного; в дальнейшем эти уплотнения работают по принципу самоуплотнения и для поддержания в камерах уплотнений давления следует организовывать отвод пара из них. Пар, проходящий через уплотнения из цилиндров, направляется в камеры соответствующих отборов турбины и в охладитель пара уплотнений, включенный в схему регенерации турбины.
РД-1 и РД-2- регуляторы давления; Д - измерительный преобразователь; ИМ - исполнительный механизм; РК-1 и РК-2 - регулирующие клапаны
Рисунок И1.1 - Схема автоматического регулирования подачи пара на концевые уплотнения турбины К-300-240-3
И.1.1.2 Схема регулирования подачи пара на уплотнения должна обеспечивать поддержание давления в камерах уплотнений на заданном значении во всех режимах работы турбины, так как при понижении давления возможен подсос воздуха в части цилиндров, находящихся под вакуумом; повышение давления может привести к обводнению масла в подшипниках турбин и парению из уплотнений. Для решения этих задач в настоящее время сформировалась технологическая схема уплотнений с раздельным регулированием давления пара в уплотнениях частей низкого и высокого давления турбины с выделением коллекторов (рисунок И1.1) низкого давления (КНД) и высокого давления (КВД).
При пуске турбины из холодного состояния в КНД подается пар от общестанционного коллектора собственных нужд (КСН), КВД соединяется с КНД, пар подается на все уплотнения турбины и регулятор давления РД-1 поддерживает давление в коллекторах (в камерах уплотнений) на заданном значении, воздействуя на клапан РК-1 подвода пара к КНД. В этом режиме возможен также сброс избытка пара из КВД через клапан РК-2 в ПНД № 2.
При переходе уплотнений ЦВД и ЦСД (переднего) в режим самоуплотнения КВД отключается от КНД и производится независимое регулирование давления пара в коллекторах: регулятор РД-1 поддерживает давление в КНД, воздействуя на клапан РК-1 подвода к нему пара; регулятор РД-2 поддерживает давление в КВД, сбрасывая избыток пара в ПНД № 2, и КВД в этом режиме становится отсосным коллектором. По мере набора нагрузки КНД подключается к деаэратору.
При пуске турбины из горячего состояния КНД и КВД изолированы один от другого, к КНД подводится пар от деаэратора, а к КВД - от КСН после электронагревателей, где он перегревается до температуры 300 - 400 °С. Давление в коллекторах поддерживается независимо регуляторами РД-1 и РД-2.
Если схема уплотнений имеет только один коллектор и соответственно один регулятор давления, распределение расхода пара по уплотнениям производится в процессе пусконаладочных работ с помощью настроечных вентилей на линии подачи пара к каждому уплотнению.
И.1.1.3 Объект регулирования давления пара на уплотнения обладает самовыравниванием, что упрощает его автоматизацию.
Регуляторы поддерживают давление в коллекторах уплотнений на уровне 0,115 - 0,120 МПа (1,15 - 1,20 кгс/см2), обеспечивая давление в камерах уплотнений в пределах от 0,103 до 0,105 МПа (от 1,03 до 1,05 кгс/см2). Давление измеряется непосредственно за регулирующими клапанами или в коллекторах уплотнений.
И.1.2 Регулирование уровня в регенеративных подогревателях, конденсаторе турбины и деаэраторе
И.1.2.1 На рисунке И1.2 приведена схема конденсационно-регенеративной установки турбины, предназначенной для конденсации пара, отработавшего в турбине, регенеративного подогрева основного конденсата и питательной воды, деаэрации. В установку входят ПНД, ПВД, деаэратор, а также вспомогательные теплообменники (охладитель пара уплотнений, охладители выпара и др.). Все теплообменники системы регенерации поверхностного типа, за исключением деаэратора и ПНД № 2. Конденсатные насосы 1-й ступени перекачивают основной конденсат турбины через блочную обессоливающую установку (БОУ), охладитель пара уплотнений и ПНД № 1 в ПНД № 2 смешивающего типа, откуда он конденсатными насосами 2-й ступени через ПНД № 3 и 4 и охладители выпара деаэратора направляется в деаэратор 0,7 МПа (7 кгс/см2). Из деаэратора вода подается питательными насосами в котел через ПВД № 6 - 8. Потери конденсата в цикле энергоблока восполняются добавкой обессоленной воды в конденсатор.
Для предотвращения срыва конденсатных насосов вследствие снижения расхода основного конденсата по тракту системы регенерации при закрытии соответствующих регулирующих клапанов регуляторов уровня в конденсаторе и в ПНД № 2 до 30 - 40 % хода автоматически открываются задвижки на линиях рециркуляции конденсатных насосов. Открытие задвижек не влияет на положение уровня в конденсаторе и в ПНД № 2, который определяется только расходом конденсата через регулирующие клапаны.
1 - котел; 2 - турбина; 3 - конденсатор; 4 - деаэратор; 5 - бустерные насосы; 6 - питательный электронасос; 7 - питательный турбонасос; 8 - конденсатные насосы 2-й ступени; 9 - конденсатные насосы 1-й ступени; 10 - охладитель пара уплотнений; 11 - охладитель выпара; 12 - блочная обессоливающая установка; РУ, РП и РД - соответственно регуляторы уровня, питания и давления
Рисунок И1.2 - Схема автоматического регулирования конденсационно-регенеративной установки турбины К300-240-3.
Конденсат греющего пара каскадно сливается из подогревателя с более высоким давлением в подогреватель с более низким давлением. Весь конденсат, образующийся в ПВД, при номинальной нагрузке турбины сливается в деаэратор. При понижении нагрузки турбины до 60 % номинальной перепад давлений между ПВД № 6 и деаэратором оказывается недостаточным для слива конденсата греющего пара в деаэратор; в этом режиме конденсат из ПВД № 6 автоматически направляется в ПНД № 4, а из ПВД № 7 (при достаточном давлении в нем) - в деаэратор. Конденсат греющего пара, образующийся в ПНД № 3 и 4, сливается из ПНД № 3 на сторону всасывания конденсатных насосов 2-й ступени. Конденсат греющего пара, образующийся в охладителе пара уплотнений и в ПНД № 1, сливается в конденсатор; туда же сливается основной конденсат при переполнении ПНД № 2. Конденсат из охладителей выпара направляется в расширитель дренажного бака.
Схемы систем регенерации турбин других типов могут отличаться от приведенной на рисунке И1.2 наличием дополнительных теплообменников, схемами переключений конденсата, греющего пара при снижении нагрузки турбины и др.
И.1.2.2 Согласно рисунку И1.2 все теплообменники системы регенерации, кроме ПНД № 1 и охладителя пара уплотнений, оснащены регуляторами уровня. Конденсатор турбины оснащен двумя регуляторами уровня. При пуске турбины при пониженном вакууме в конденсаторе для предотвращения повреждения фильтров БОУ горячим конденсатом предусмотрена возможность поддержания заданного значения уровня конденсата в конденсатосборнике путем сброса части конденсата помимо БОУ в циркуляционный водовод или в бак запаса грязного конденсата.
В схеме со смешивающим ПНД № 2 (рисунок И1.2) изменение расхода основного конденсата в тракте регенерации производится тремя регулирующими клапанами (по уровню в конденсаторе, ПНД № 2 и деаэраторе), что усложняет автоматизацию этого узла. В схемах регенерации без смешивающих подогревателей, в которых изменение расхода конденсата осуществляется двумя регулирующими органами, взаимосвязь объектов регулирования проявляется в меньшей степени.
Уровень в конденсаторе, ПВД, ПНД, деаэраторе и охладителях регулируется, как правило, регуляторами, которые получают основной сигнал по уровню и сигнал обратной связи от измерительного преобразователя перемещения исполнительного механизма. Регуляторы уровня в конденсаторе, подогревателях и охладителях воздействуют на сливные клапаны, регулятор уровня в деаэраторе - на регулирующий питательный клапан. При повышении уровня в конденсаторе или подогревателях клапан открывается, а в деаэраторе закрывается. В связи с принятой структурой регуляторов уровня они осуществляют пропорциональное регулирование, при котором в установившемся состоянии каждому значению уровня соответствует определенное открытие регулирующего клапана, т.е. регулирование уровня производится со статической ошибкой (неравномерностью). Статические характеристики регулирования приведены на рисунке И1.3. Допустимые пределы неравномерности регулирования определяются допустимыми отклонениями уровня от среднего, которые задаются инструкциями заводов-изготовителей исходя из конструктивных особенностей оборудования.
Следует стремиться к регулированию уровня с минимальной статической ошибкой, что обеспечивает наибольшую экономичность регенеративной установки, а также снижение эрозии трубопроводов и особенно регулирующих клапанов. В случае, если по условиям устойчивости АСР требуется установление неравномерности больше допустимой, схемы регулирования приходится усложнять.
а - со сливным клапаном (в конденсаторе, подогревателе, охладителе); б - с регулирующим питательным клапаном (в деаэраторе); δ - статическая ошибка (неравномерность) регулирования
Рисунок И1.3 - Статические характеристики регулирования уровня воды в теплообменниках
И.1.2.3 Зависимости изменения уровня в подогревателях и охладителях при нанесении возмущения собственными регулирующими клапанами (кривые разгона по уровню) характеризуются небольшим запаздыванием (до 10 с) и отсутствием самовыравнивания. Характер кривых разгона по уровню в конденсаторе зависит от места установки регулирующего клапана и наличия в тепловой схеме блочной обессоливающей установки: если БОУ отсутствует или регулирующий клапан находится до нее, то в динамическом отношении конденсатор подобен подогревателям, при этом некоторое самовыравнивание объекта объясняется увеличением давления на стороне всасывания конденсатных насосов 1-й ступени при повышении уровня в конденсаторе; если есть БОУ и регулирующий клапан установлен за ней, то запаздывание объекта определяется в значительной степени инерционностью БОУ и может достигать 25 - 30 с.
Запаздывание изменения уровня в деаэраторе при изменении подачи химически обессоленной воды в конденсатор превышает 100 с, при подаче обессоленной воды непосредственно в деаэратор запаздывание резко уменьшается до 10 с.
Скорость изменения уровня в теплообменниках системы регенерации пропорциональна степени открытия регулирующего клапана и крутизне его характеристики в зоне возмущения и обратно пропорциональна площади свободного сечения бака в районе нахождения уровня.
Пульсации уровня в теплообменниках системы регенерации носят различный характер: в конденсаторе и деаэраторе они практически отсутствуют, в ПВД составляют ±(10 ÷ 15) мм, в поверхностных ПНД ±(30 ÷ 40) мм, в смешивающих ПНД они достигают ±60 мм. Период пульсаций обычно составляет 2 - 3 с.
И.1.3 Регулирование давления пара в деаэраторе
И.1.3.1 Регулятор давления в деаэраторе (рисунок И1.4) воздействует на подачу греющего пара из отборов турбины, поддерживая заданное давление в головке деаэратора независимо от нагрузки. При снижении нагрузки турбогенератора клапан, регулирующий подачу пара в деаэратор, открывается, так как давление в отборах турбины уменьшается. При снижении давления перед регулирующим клапаном за пределы допустимого схемой управления обычно предусматривается автоматическое переключение питания деаэратора от отбора с более высоким давлением или от постороннего источника (общестанционного коллектора собственных нужд).
И.1.3.2 В динамическом отношении объект регулирования давления в деаэраторе обладает незначительным запаздыванием (до 10 с) и самовыравниванием. Постоянная времени объекта при повышении давления в зависимости от типа деаэратора и нагрузки турбины в пределах от 20 до 60 с. Постоянная времени при понижении давления существенно зависит от недогрева воды, находящейся в деаэраторе, до кипения и от степени отклонения давления: при незначительных отклонениях давления (в пределах от 10 до 20 кПа, или от 0,1 до 0,2 кгс/см2) она практически равна (несколько меньше) постоянной времени при повышении давления.
Измерительный преобразователь давления подсоединяется к средней части головки деаэратора или к паропроводу за регулирующим клапаном, а в случае если в тепловой схеме предусмотрена установка нескольких деаэраторов - к паровой уравнительной линии.
РП4-М1 - регулирующее устройство; БРУ-32 - блок ручного управления; ПБР-3М2.2 - пускатель бесконтактный реверсивный; БСПТ-10 - блок сигнализации положения выходного вала с унифицированным выходом (0-5; 0-20; 4-20 мА); Метран-45-ДИ - датчик давления в деаэраторе; Метран-45-ДД - датчик уровня в деаэраторе; МЭО - механизм исполнительный электрический; 1 - 7 - вентили; 8 - коллектор с.н.; 9 - от растопочного расширителя; 10 - в продувочный коллектор; 11 - пар к КНД уплотнений турбины; 12 - конденсат греющего пара; 13 - основной конденсат от охладителя выпара; 14 - к бустерным насосам; 15 - обессоленная вода в конденсатор; 16 - продувочный коллектор
Рисунок И1.4 - Схема регулирования уровня и давления в деаэраторе
И.1.4 Требования к качеству поддержания параметров
И.1.4.1 Устанавливаются следующие требования к поддержанию технологических параметров авторегуляторами турбоагрегатов:
- устойчивая работа (отсутствие колебаний) АСР и ограниченная частота включений авторегуляторов, которая при постоянном заданном значении нагрузки энергоблока не должна превышать 6 включений в 1 мин;
- максимальные отклонения параметров при постоянной заданной нагрузке турбины во всем диапазоне нагрузок турбоустановки не должны превышать следующих значений:
- давления пара в коллекторе уплотнений ±5 кПа (0,05 кгс/см2);
- уровня воды в конденсаторе ±150 мм;
- уровня конденсата греющего пара в регенеративных подогревателях ±150 мм;
- давления пара в деаэраторе ±20 кПа (0,2 кгс/см2);
- уровня воды в деаэраторе ±200 мм.
И.1.4.2 Как правило, допустимые пределы отклонения уровня в подогревателях, конденсаторе и деаэраторе, задаваемые заводами-изготовителями оборудования, превышают приведенные выше значения.
Кроме того, во всем диапазоне изменения нагрузки турбоустановки переходные процессы в АСР при эксплуатационных возмущениях должны характеризоваться малой колебательностью. При изменении нагрузки турбоустановки с максимально допустимой для данного оборудования скоростью, а также при глубоких возмущениях, связанных, например, с отключением и подключением группы ПВД, срабатыванием технологических защит снижения нагрузки энергоблока, вплоть до собственных нужд или холостого хода турбины, АСР турбоагрегатов не должны допускать отклонения поддерживаемых параметров до уставок срабатывания защит. Регулятор давления в деаэраторе не должен допускать резких изменений давления, приводящих к вскипанию воды на стороне всасывания питательных насосов и их запариванию.
И.1.5 Проверка измерительных преобразователей уровня и давления
И.1.5.1 Измерительные преобразователи уровня и давления, применяемые в АСР, использующих унифицированный сигнал постоянного тока, в зависимости от применяемой аппаратуры имеют предельные значения выходного сигнала 0 и 5; 0 и 20 или 4 и 20 мА постоянного тока. При их проверке следует учитывать, что дифференциальные манометры-уровнемеры при нулевом значении измеряемого параметра имеют выходной сигнал, равный 5 мА.
После внешнего осмотра измерительный преобразователь подключается к источнику давления. Источником давления при проверке преобразователя давления на перепад давлений менее 10 кПа (1000 кгс/м2) и до 0,5 МПа (5 кгс/см2) применяется, например, портативный калибратор давления или задатчик давления. Для проверки измерительных преобразователей давления в деаэраторе используются грузопоршневой манометр и воздушный компрессор, развивающий давление до 1 МПа (10 кгс/см2).
И.1.5.2 В качестве образцовых средств для контроля измеряемой величины могут быть применены образцовые манометры МО, жидкостные микроманометры, а также грузопоршневые манометры МП в случае их использования для проверки преобразователя; для измерения выходного сигнала - миллиамперметры постоянного тока класса точности 0,1; 0,2 на пределы измерения 0 - 7,5 мА (для измерительных преобразователей с выходным сигналом до 5 мА) или 0 - 25 мА (для измерительных преобразователей с выходным сигналом до 20 мА).
И.1.5.3 Проверка измерительных преобразователей производится по заводским инструкциям и включает в себя:
- установку нуля;
- установку диапазона выходного сигнала;
- определение основной погрешности и вариации показаний выходного сигнала.
И.1.5.4 После проверки измерительные преобразователи давления заполняют конденсатом. При заполнении конденсатом датчиков, у которых уравнительный вентиль отсутствует, для заполнения камер соответствующие вентили открывают, а для заполнения конденсатом и вытеснения воздуха из уравнительной линии вентильного блока один из вентилей закрывают, а другой - устанавливают в промежуточное положение. После окончания этой операции последний также закрывают.
Если дифференциальный манометр служит измерительным преобразователем давления, то конденсатом заполняется только плюсовая камера.
И.1.6 Проверка регулирующих приборов
Регулирующие приборы проверяют в лаборатории по заводским инструкциям.
И.1.7 Проверка монтажа измерительных преобразователей уровня и давления
И.1.7.1 Для измерения уровня применяются, как правило, уравнительные сосуды СУ, поставляемые совместно с теплообменниками.
Датчики, измеряющие уровень в теплообменниках и давление пара в коллекторах уплотнений, устанавливаются ниже места измерения. Соединительные линии должны быть проложены по кратчайшему расстоянию вертикально или с уклоном к горизонтали не менее 1:10 в сторону датчика. Длина соединительных линий должна быть не более 15 м, внутренний диаметр - не менее 8 мм. Трубка, соединяющая уравнительный сосуд с корпусом теплообменника, должна иметь внутренний диаметр не менее 12 мм и быть прямой и короткой. При измерении давления с помощью датчика уровня его минусовая камера соединяется с атмосферой.
И.1.7.2 Сосуды и соединительные линии не должны изолироваться, иначе при глубоких сбросах нагрузки турбиной возможно вскипание конденсата в сосуде, что приводит к ложной работе регуляторов (особенно для ПВД).
Для продувки соединительных линий предусмотрены продувочные линии, которые объединяются обычно в общий коллектор, с вентилями (рисунок И1.4). Иногда вместо вентилей на продувочных линиях устанавливаются заглушки 6 и 7 (рисунок И1.5). Продувочные линии для измерительных преобразователей уровня в конденсаторе, как правило, не предусматриваются во избежание дополнительных присосов (рисунок И1.6).
К уравнительным сосудам измерительных преобразователей уровня в конденсаторе и в ПНД подводится линия подпитки от конденсатных насосов, которая врезается в плюсовую соединительную линию у сосуда (рисунок И1.5) или измерительного преобразователя (рисунок И1.6).
БРУ-32 - блок ручного управления; 6 и 7 - заглушки; 8 - вентиль подпитки. (Остальные обозначения рисунок И1.4)
Рисунок И 1.5 - Схема регулирования уровня в подогревателе
И.1.7.3 Запрещается подключать к одному измерительному сосуду измерительные преобразователи КИП, автоматики и защиты. Для каждого из них устанавливаются отдельные сосуды. Запорные вентили могут устанавливаться до сосудов либо после них. Предпочтительна установка вентиля на паровой линии до сосуда, так как в этом случае возможно отключение сосуда для ремонта и опрессовки соединительных линий давлением подпиточной воды; вентиль при этом во избежание образования пробок должен устанавливаться в горизонтальном положении по штоку.
Водяная соединительная линия измерительного преобразователя регулятора уровня в конденсаторе врезается в нижнюю часть конденсатосборника. Паровая линия подсоединяется к конденсатору несколько выше верха конденсатосборника.
СУ - уравнительный сосуд, ДД - измерительный преобразователь (уровнемер) 1 - 5 и 8 - вентили (Остальные обозначения рисунки И1.2 и И1.4)
Рисунок И1.6 - Схема регулирования уровня в конденсаторе турбины
И.1.7.4 Места соединения измерительных преобразователей, находящихся под вакуумом, необходимо тщательно уплотнить, покрыв места возможного подсоса воздуха густой жировой смазкой.
Минусовая трубка измерительных преобразователей уровня в подогревателях подсоединяется к нижней части подогревателя. Врезка минусовой трубки и водоуказательного стекла в сливной трубопровод недопустима, так как при этом появляется дополнительная ошибка измерения, зависящая от скорости потока. Наиболее велика ошибка при измерении уровня в подогревателях, на линии слива которых находятся насосы: в момент включения (кажущийся упуск уровня) и отключения (кажущаяся перепитка) насосов.
И.1.7.5 Измерительные преобразователи устанавливаются, как правило, на стендах в вертикальном положении. Передача выходного сигнала и подключение питания осуществляются независимо двумя отдельными кабелями, причем сигнальный кабель должен быть экранированным.
Заземление измерительного преобразователя через специальный зажим на его корпусе производится проводом сечением не менее 2,5 мм2. Во избежание засорения измерительных преобразователей после их установки они должны быть отключены от соединительных линий и запорные вентили на соединительных линиях должны быть закрыты.
И.1.8 Проверка регулирующих органов
И.1.8.1 На рисунках И1.7 - И1.10 приведены эскизы регулирующих клапанов, применяемых при автоматизации турбинного оборудования, и примеры их сочленений с исполнительными механизмами.
Рисунок И1.7 - Двухпоточные поворотно-золотниковые клапаны
а - конструкция клапана; б - положения поворотного золотника; в - рекомендуемое сочленение; г - коррекция сочленений
Рисунок И.1.8 - Однопоточный поворотно-золотниковый клапан ТКЗ
а - рекомендуемое сочленение однопоточного золотникового клапана БК3; б - коррекция сочленений однопоточного золотникового клапана БКЗ; в - рекомендуемое сочленение двухпоточного золотникового клапана БКЗ
Рисунок И1.9 - Клапаны регулятора давления в деаэраторе
а - двухседельный клапан; б - комбинированный клапан; 1 - регулировочный болт; 2 - внутренний шток; 3 - золотник основного клапана; 4 - основной конденсат; 5 - в схему регенерации; 6 - рециркуляция
Рисунок И1.10 - Клапаны регулятора уровня в конденсаторе
И.1.8.2 Для регулирования уровня в ПНД, ПВД и в деаэраторах наибольшее распространение получили поворотно-золотниковые проходные двухпоточные (рисунок И1.7, а) и однопоточные (рисунок И1.8) клапаны ТКЗ. Для этих же целей применяются поворотно-золотниковые проходные двухпоточные клапаны БКЗ (рисунок И1.7, в). Эти клапаны имеют большой объем типоразмеров: по условному проходу от 50 до 300 мм и по площади проходного сечения от 3,5 до 310 см2.
Для регулирования уровня в подогревателях смешивающего типа применяются также поворотно-золотниковые угловые клапаны ТКЗ.
При осмотре поворотно-золотниковых клапанов следует проверить совпадение механического указателя с рисками на корпусе при полном открытии и закрытии; при полном закрытии клапана должно быть обеспечено перекрытие окон.
Длина рычага клапана R (мм), при которой угол поворота кривошипа ИМ составляет 90°, определяется по формуле
(И1.8.1)
или по приближенной формуле
(И1.8.2)
где φ - рабочий угол поворота рычага регулирующего клапана, град.;
r - длина кривошипа ИМ, мм.
И.1.8.3 Для уменьшения усилий на золотник ИМ рекомендуется размещать таким образом, чтобы в среднем положении кривошип и рычаг клапана были перпендикулярны соединительной тяге (рисунок И1.8, в).
Для удобства настройки сочленения на рычаге клапана имеется несколько отверстий.
Для регулирования давления пара в деаэраторе применяются золотниковые клапаны (рисунок И1.10) или несколько реже поворотно-золотниковые клапаны БКЗ (рисунок И1.7, в).
И.1.8.4 Для золотниковых клапанов длина R (мм) рычага клапана, обеспечивающая поворот кривошипа исполнительного механизма на угол 90°, определяется по формуле
(И1.8.3)
где r - длина кривошипа ИМ, мм;
m - расстояние между осью вращения рычага клапана и местом крепления штока золотника к рычагу, мм;
hраб - рабочий ход клапана, мм.
Для того, чтобы на золотник не действовали никакие усилия, кроме перестановочных, рекомендуется (рисунок И1.9, а):
- обеспечить в среднем положении ИМ и клапана параллельность кривошипа ИМ и рычага клапана и их перпендикулярность тяге;
- обеспечить в среднем положении параллельность тяги штоку золотника;
- установить ИМ таким образом, чтобы расстояние по горизонтали между осями вращения кривошипа ИМ и рычага клапана L = R + r (или L = R - r, если кривошип и рычаг клапана направлены в одну сторону);
- обеспечить длину тяги равной от 3 до 8r.
При выполнении этих рекомендаций сочленения не будут искажать расходную характеристику регулирующих органов.
Сочленения для клапана, изображенного на рисунке И1.9, в, выполняются аналогично, однако в этом случае необязательна перпендикулярность штока и рычага в среднем положении, так как для приведенной конструкции все усилия, отличающиеся от перестановочных, воспринимаются промежуточным шарниром.
И.1.8.5 Клапаны регулятора уровня в конденсаторе поставляются совместно с турбиной заводами - изготовителями турбин. Двухнедельный клапан, поставляемый с турбиной ЛМЗ, изображен на рисунке И1.10, а. При его осмотре следует обратить внимание на отсутствие люфтов в местах сочленения рычага клапана со штоком. Люфт устраняется наплавкой металла с последующей механической обработкой соприкасающихся поверхностей.
Комбинированный клапан уровня и рециркуляции в конденсаторе (рисунок И1.11, б) настраивается по данным заводского чертежа.
Закрыв полностью основной клапан, закручивают болт 1 до соприкосновения внутреннего штока 2 с гайкой золотника 3 основного клапана. Измеряют положение нижнего конца болта и затем закручивают его, как показано на чертеже, чтобы обеспечить начало открытия клапана рециркуляции, когда основной клапан закрывается до 30 - 40 % хода.
Рекомендации по сочленениям ИМ с этими клапанами аналогичны рассмотренным выше (рисунок И1.10). Для регулирования уровня в конденсаторе турбин ЛМЗ применяются также поворотно-золотниковые клапаны БКЗ.
И.1.8.6 Регулирующие органы совместно с ИМ должны в пределах всего регулировочного диапазона иметь рабочие характеристики, близкие к линейным (различающиеся по крутизне во всех точках не более чем в 1,5 раза), и не иметь люфтов, превышающих 2 % полного хода.
Пропуск регулирующих клапанов в закрытом положении не должен превышать 5 - 10 % максимального расхода.
С целью оценки соответствия выбранного регулирующего клапана запроектированной АСР до осмотра регулирующих органов следует произвести их поверочный расчет, который состоит в определении максимального проходного сечения, соответствующего максимальному расходу среды через него.
И.1.8.7 Во время осмотра регулирующих клапанов следует уточнить действительные размеры проходного сечения и рабочего хода клапана, проверить состояние уплотнительных поверхностей, убедиться в отсутствии перекосов и люфтов в сочленениях. Размер проходного сечения окон, вырезанных в золотнике клапана, удобнее всего определять по оттиску на листе бумаги, обернутом вокруг золотника. Снаружи клапана должен иметься указатель полного открытия и закрытия.
После сборки следует проверить легкость хода регулирующего клапана.
Если в результате осмотра окажется, что площадь проходного сечения клапана не соответствует требуемой по расчету (меньше или больше требуемой более чем в два раза), то клапан следует заменить, руководствуясь каталогами на арматуру. В случае, если такая замена не представляется возможной, по требуемой рабочей расходной характеристике клапана (зависимости расхода среды от хода или угла поворота клапана), которая для рассматриваемых АСР принимается линейной, определяется конструктивная характеристика (зависимость изменения площади проходного сечения от хода или угла поворота клапана), профиль проходного сечения и перепрофилируется клапан.
И.1.8.8 До работ по включению регуляторов целесообразно также оценить расчетным путем расходные характеристики клапанов, в особенности тех из них, экспериментальное определение которых в последующем не представляется возможным из-за отсутствия расходомеров (регулирующие клапаны уровня в подогревателях).
Если в результате расчета и построения расходной характеристики окажется, что ее крутизна в пределах регулировочного диапазона различается более чем в 1,5 раза, также производится определение конструктивной характеристики и профиля проходного сечения клапана по заданной (линейной) расходной характеристике.
В условиях электростанций перепрофилирование проходного сечения можно выполнить для большинства регулирующих органов, применяемых для турбинного оборудования.
И.1.8.9 Сочленение ИМ с регулирующим клапаном не должно иметь перекосов и заеданий.
Повороту выходного вала ИМ на 90° должен соответствовать полный ход регулирующего клапана между крайними положениями.
Допустимые значения люфтов и выбегов выходного вала ИМ регламентируются их техническими характеристиками, которые приводятся в инструкциях заводов-изготовителей. Так, для применяемых в АСР турбоагрегатов ИМ люфт выходного вала ИМ не должен превышать 0,75°, а его выбег - 0,5 % полного хода выходного вала для ИМ со временем полного хода 25 с и 0,25 % для ИМ с временем полного хода 63 с.
Сочленения рекомендуется выполнять таким образом, чтобы перестановочные усилия, действующие на затвор регулирующих органов, были малыми и примерно одинаковыми в обоих направлениях.
Расходная характеристика регулирующих органов может быть скорректирована также за счет изменения сочленений, однако эти возможности ограничены. Если расходная характеристика выпуклая, то характеристика сочленений (зависимость угла поворота рычага регулирующего органа от угла поворота кривошипа ИМ) должна быть вогнутой, причем, чем больше выпуклость расходной характеристики, тем больше должна быть вогнутость характеристики сочленений. Это достигается тем, что в положении «Закрыто» регулирующего органа угол ε между кривошипом исполнительного механизма и тягой (рисунки И.1.8, г); И.1.9, б) должен быть максимальным (но не более 170°). При этом, однако, в положении «Открыто» существенно уменьшится крутящий момент.
И.1.9 Проверка электрических схем, наладка дистанционного и автоматического управления
И.1.9.1 Электрические схемы проверяются либо по монтажным схемам, предварительно сверенным с принципиальными, либо по развернутым схемам, составленным перед наладкой. При составлении развернутой схемы условными обозначениями отмечаются все зажимы, панели, шкафы, сборки, стенды, номера кабельных связей.
Правильность монтажа проверяется «прозвонкой» цепей. Провода, находящиеся в пределах одной панели, удобно проверять с помощью омметра или батарейки с лампочкой от карманного фонаря.
Кабели или перемычки между панелями проверяются с помощью телефонного комплекта. Перед проверкой провода отсоединяются от зажимов панелей и аппаратов.
Для регулирующих органов АСР, включенных в схему избирательного управления, опробуется схема общих цепей избирательного управления набором кода (номера) соответствующего регулирующего органа. Реле выбора объекта при этом коммутирует соответствующие шинки управления и групповой указатель положения, а также сигнализирует на мнемосхеме о выборе объекта управления.
И.1.9.2 После подачи напряжения к ИМ настраивается их дистанционное управление. При этом необходимо:
- проверить сочленение ИМ с РО, установить механические упоры в крайних положениях кривошипа;
- установить регулирующий орган в среднее положение и проверить правильность вращения выходного вала при подаче сигнала «Прибавить» и «Убавить». Для ИМ, включенных в схему избирательного управления, подача сигналов производится групповым ключом управления, для ИМ, имеющих индивидуальные ключи управления, - соответствующими кнопками, расположенными на ключе. При выходе кривошипа ИМ на механические упоры следует проверить, что его двигатель не отключается в этом положении в течение 1 мин. Установить кулачки микропереключателей таким образом, чтобы микропереключатели конечных и путевых выключателей срабатывали при подходе кривошипа к механическим упорам. При работе ИМ совместно с пускателями ПБР следует учитывать, что и при отсутствии сигнала на входе пускателя на его выходных зажимах присутствует напряжение. При подключении пускателей ПБР-2М рекомендуется фазу питающего напряжения подключать к зажиму 1 пускателя. В схемах управления с контактными магнитными пускателями проверяется одновременность замыкания контактов;
- настроить блок сигнализации положения токовый в соответствии с инструкцией по эксплуатации, для чего:
- использовать профиль кулачка 0 - 90°;
- переместить регулирующий орган в начальное положение и, установив кулачок в начальное положение профиля по риске, установить выходной сигнал блока, равный нулю, с помощью регулировочного винта;
- переместить регулирующий орган в конечное положение и установить регулировочным винтом конца диапазона выходной сигнал, равный 5,0 мА.
При настройке блока сигнализации положения токового использовать миллиамперметр постоянного тока класса точности не ниже 0,5 на пределы измерения от 0,0 до 5,0 мА или 0,0 до 7,5 мА;
- проверить работу указателя положения УП (индивидуального или группового) при перемещении регулирующего органа из начального положения в конечное (показания УП должны соответствовать 0 и 100 %);
- проверить работу ИМ при дистанционном перемещении из одного крайнего положения в другое, обращая внимание на отсутствие люфтов и выбегов. Люфт выходного вала ИМ определяется визуально или по перемещению конца рычага выходного вала: при допустимом для ИМ люфте в 0,75° это перемещение при длине рычага 250,0 мм составляет 3,3 мм. Причинами повышенного люфта являются повышенный износ зубчатой передачи или люфты в шпонках; они устраняются заменой зубчатой пары или шпонок. Выбег выходного вала ИМ определяется при сочлененном ИМ с регулирующим органом по УП (оценивается значение перемещения регулирующего органа в процентах УП после прекращения действия команды от ключа управления); эта оценка является, однако, достаточно приближенной. Причинами повышенного выбега являются попадание масла на тормозной шкив или тормозную колодку или нарушение настройки тормоза. В первом случае смазка удаляется, во втором - производится настройка электромагнитного тормоза МЭО установкой с помощью регулировочных гаек зазора между якорем и магнитопроводом электромагнита в пределах 2,0 - 2,5 мм. Полный люфт ИМ с регулирующим органом и уточненное значение выбега определяются при необходимости на работающем оборудовании;
- измерить время перемещения ИМ между его крайними положениями.
И.1.9.3 Проверка цепей автоматического управления производится в такой последовательности:
- дистанционно установить регулирующий орган в среднее положение (50 % УП);
- проверить, что технологические блокировки (защиты) не разрывают цепи автоматического управления;
- отключить от регулирующего устройства цепи измерительного преобразователя перемещения; на регулирующем устройстве вызвать непрерывное свечение индикатора «Больше» путем перемещения задатчика (корректора);
- для ИМ, включенного в схему избирательного управления, перевести его на автоматическое управление нажатием кнопки «Авт»; для ИМ, имеющего индивидуальный ключ управления, перевести ключ управления в положение «Авт». При этом регулирующий орган должен открываться; в этом случае следует проверить срабатывание путевых выключателей при полном его открытии. Если регулирующий орган начнет закрываться, следует его немедленно остановить, поменять жилы на зажимах 7 и 9 регулирующего устройства и повторить проверку;
- выполнить аналогичную проверку при свечении индикатора «Меньше» регулирующего устройства;
- повторяя выполнение двух последних операции, проверить разрыв цепей управления авторегуляторов в сторону «Прибавить» и «Убавить» при имитации срабатывания технологических блокировок (защит).
И.1.10 Расчет параметров настройки регуляторов
И.1.10.1 Определение параметров настройки регуляторов обычно выполняется в несколько этапов. Сначала рассчитываются параметры статической настройки, затем рассчитываются или принимаются на основе имеющегося опыта параметры динамической настройки.
Перед первым включением регулятора эти параметры устанавливаются с помощью органов настройки на регулирующем устройстве. В процессе пробных включений и испытаний регуляторов параметры настройки корректируются.
И.1.10.2 На рисунке И.1.11 приведена функциональная схема одноконтурной АСР с жесткой обратной связью.
В АСР входят регулирующее
устройство РП4-М1, блок управления БРУ-32, пусковое устройство ПБР-3М2.2, измерительный
преобразователь регулируемого параметра с коэффициентом передачи
,
измерительный преобразователь перемещения ИМ с коэффициентом передачи Кдп (для АСР с
жесткой обратной связью) и оперативный задатчик РЗД-12, которые в совокупности
образуют собственно регулятор, а также объект регулирования.
В одноконтурной АСР с жесткой обратной связью имеется внутренний контур, замыкающийся жесткой обратной связью по положению клапана, и внешний контур, замыкающийся главной обратной связью по состоянию регулируемого параметра. Параметры динамической настройки этих контуров определяются независимо один от другого.
Принято считать, что статическая настройка определяет точность поддержания регулируемой величины и соотношение входных сигналов в установившихся режимах, а динамическая настройка - характер изменения параметров во времени при переходе от одного установившегося режима к другому. Одни органы настройки регулятора влияют только на статическую или динамическую настройку, а другие - на статические и динамические характеристики регулирования одновременно.
Рисунок И1.11 - Функциональная схема одноконтурной АСР с жесткой обратной связью по положению клапана на аппаратуре АКЭСР-2
И.1.10.3 На функциональной схеме АСР (рисунок И1.11) в рамках для регулирующего устройства указаны органы статической и динамической настройки регулятора. Назначение этих органов, а также условные обозначения параметров, используемых для дальнейших расчетов, приведены ниже:
- параметры, характеризующие технологические требования к АСР:
Хрп,
- текущее и номинальное значения
регулируемого параметра, ед. рег. пар.;
Dзад - диапазон действия задатчика, ед. рег. пар.;
Δ - нечувствительность регулятора, ед. рег. пар.;
δ - статическая ошибка (неравномерность) регулирования, ед. рег. пар.;
- параметры, измерительных преобразователей и исполнительного механизма:
D - диапазон изменения входного сигнала измерительного преобразователя регулируемого параметра, ед. рег. пар.;
d - диапазон изменения выходного сигнала измерительного преобразователя регулируемого параметра, мА;
- коэффициент передачи измерительного преобразователя регулируемого
параметра, мА/ед.
рег. пар.;
Тсм - время полного хода ИМ, с;
п - положение ИМ, % УП;
N - диапазон хода ИМ между путевыми выключателями, % УП;
Кдп - коэффициент
передачи измерительного преобразователя перемещения ИМ, мА/% УП (численно
);
- органы параметров настройки регуляторов для аппаратуры АКЭСР-2:
R7 - резистор, определяющий диапазон действия оперативного задатчика, МОм;
и
- органы
установления номинального значения регулируемого параметра, % диапазона
изменения входного сигнала;
- орган масштабирования
сигнала по регулируемому параметру, дел.,
- орган масштабирования
сигнала от измерительного преобразователя перемещения, ИМ, дел.;
αΣ - орган масштабирования сигнала рассогласования входных параметров, дел.;
αΔ - зона нечувствительности регулирующего устройства, % диапазона изменения входного сигнала;
Тф - постоянная времени фильтра, с;
τи - постоянная времени интегрирования, с;
αп - коэффициент передачи регулирующего устройства, с/% диапазона изменения входного сигнала;
tи - длительность интегральных импульсов, с.
И.1.10.4 В объем статической настройки регуляторов (таблица И1.1) входит:
- определение положения органов настройки регулирующих устройств, обеспечивающих требуемую статическую точность регулирования;
- настройка диапазона действия задатчика (Dзад);
- настройка аппаратуры на
поддержание заданного номинального значения регулируемого параметра
.
Для определения положения органов настройки регулирующих устройств, обеспечивающих требуемую статическую точность регулирования, задаются допустимой нечувствительностью регулятора Δ по регулируемому параметру. Обычно принимается для одноконтурных АСР с жесткой обратной связью:
Δ = (0,02 - 0,05)δ. (И1.10.1)
Зависимость между нечувствительностью и органами настройки регулирующего устройства для аппаратуры АКЭСР-2 определяется выражением
или, так как ![]()
(И1.10.3)
Таким образом, параметры статической
настройки регулирующего устройства αΔ и
, определяющие нечувствительность
регулятора, связаны соотношениями:
(И1.10.4)
или
т.е. для определения одного из параметров (например,
αΔ) нужно задаться другим
.
Диапазон действия задатчика Dзад или цена его деления (Dзад/100 %) определяется исходя из возможности обеспечения оперативного изменения регулируемого параметра от минимально до максимально допустимого по условиям эксплуатации значения.
Обычно принимается для одноконтурных АСР с жесткой обратной связью
Dзад = (0,5 - 1,5)δ. (И1.10.6)
Далее для удобства отсчета цены деления задатчика значение Dзад округляется.
Реостатный оперативный задатчик РЗД-12 подключается на немасштабируемый вход РП4-У-М1 через внутренний задатчик, его диапазон Dзад (мА) зависит от сопротивления резистора R7 внутреннего задатчика:
При установленном заводом сопротивлении резистора R7, равном 1,2 МОм, dзад = 0,5 мА.
Для установления требуемого диапазона действия задатчика Dзад резистор сопротивлением 1,2 МОм нужно заменить на резистор, сопротивление которого (МОм) определяется по формуле
(И1.10.8)
где
принято или
определено по формуле (И1.10.5).
Таблица И1.1
|
Исходные данные |
АСР с жесткой обратной связью (на аппаратуре АКЭСР-2) |
Примечание |
|
|
Определение положения органов настройки, обеспечивающих требуемую статическую точность регулирования (нечувствительность регулятора) |
Δ - из технологических соображений D - характеристика измерительного преобразователя |
|
Обычно задаются αΔ = 0,4 + 0,6 % |
|
Настройка диапазона действия (цены деления) задатчика |
Dзад - из технологических соображений D, d - характеристика измерительного преобразователя
|
|
- |
|
Настройка на поддержание заданного значения регулируемого параметра для одноимпульсных регуляторов |
|
|
- |
|
Определение параметров динамических настроек внешнего контура регулятора уровня |
δ или |
или
|
Для диапазона хода ИМ, равного 100 % |
До включения одноконтурных стабилизирующих АСР
аппаратура ГСП может быть настроена на поддержание заданного номинального
значения параметра
. Для этой цели используется внутренний задатчик с
установлением задания переключателем дискретного задания
от 0 до 90 % через каждые 10 % и потенциометром
со шкалой (-10
÷ 0 ÷ +10) %.
Соответственно для аппаратуры
АКЭСР-2 при известном значении ![]()
Для регуляторов давления пара
на уплотнения турбины, измерительные преобразователи регулируемого параметра
которых могут быть установлены ниже точки измерения давления, при настройке на
поддержание заданного значения параметра следует учесть поправку на массу
столба жидкости в соединительной линии. Тогда в формулу (И1.10.9) вместо
(МПа) подставляют
(И1.10.10)
где Δhл - расстояние по вертикали между точкой измерения давления и мембраной (пружиной) измерительного преобразователя, м.
При работе с нормированным сигналом 4 - 20 мА сигнал внутреннего задатчика РП4-М1 используется также для компенсации входного сигнала 4 мА, при котором напряжение на гнездах О, У должно быть равно (0 ± 2,5) мВ.
И.1.10.5 Параметрами динамической настройки регуляторов давления и внутреннего контура регуляторов уровня являются:
- коэффициент пропорциональности регулятора (внутреннего контура);
- постоянная времени интегрирования;
- длительность интегрального импульса.
Коэффициент пропорциональности внутреннего контура (%УП/%УП) одноконтурной АСР с жесткой обратной связью (рисунок И1.12), состоящего из измерительного преобразователя перемещения ИМ, регулирующего устройства РП4 и ИМ,
(И1.10.11)
Таким образом, при принятом
или определенном по формуле (И1.11.5)
коэффициент пропорциональности
регулятора одноконтурной стабилизирующей АСР устанавливается органом настройки
коэффициента передачи αп аппаратуры АКЭСР-2, а коэффициент
пропорциональности внутреннего контура одноконтурной АСР с жесткой обратной
связью, кроме αп, зависит также от положения
. Постоянная
времени интегрирования τи и длительность интегрального импульса tи
устанавливаются соответствующими органами настройки регулирующих устройств.
Параметры динамической настройки регулятора давления в деаэраторе можно определить по кривой разгона объекта или экспериментально; для регулятора давления пара на уплотнения и внутреннего контура регуляторов уровня параметры динамической настройки, как правило, определяются только опытным путем. Для регуляторов уровня определение этих параметров можно производить на неработающем оборудовании, предварительно задавшись Тф, при этом желательно расчленить ИМ и РО.
Устойчивость и качество
регулирования внешнего контура для регуляторов уровня с жесткой обратной связью
по положению клапана определяются коэффициентом пропорциональности регулятора
(% УП/ед. рег.
пар).
Для аппаратуры АКЭСР-2 (рисунок И1.11)
(И1.10.12)
Принимая во внимание, что
и Кдп = 0,05 мА/% УП,
(И1.10.13)
При использовании с аппаратурой АКЭСР-2 измерительных преобразователей регулируемого параметра с диапазоном изменения выходного сигнала d = 5 мА
(И1.10.14)
Так как регуляторы уровня
осуществляют пропорциональный закон регулирования, при изменении нагрузки
турбины, сопровождающемся изменением положения регулирующего органа, возникает
статическая ошибка (неравномерность) регулирования δ, которая связана с
следующей
зависимостью:
(И1.10.15)
Уменьшение
(например,
увеличением
при неизменном
) повышает устойчивость процесса регулирования, однако при этом
увеличивается неравномерность регулируемого параметра δ, которая может превысить допустимые технологические пределы (п. И1.5).
Оптимальное значение
(неравномерности)
можно определить по кривой разгона объекта, однако обычно для рассматриваемых
АСР этот параметр по динамическим характеристикам объекта не рассчитывается.
На практике неравномерность
регулирования для регулятора уровня в конденсаторе принимается равной 200 - 400
мм (2 - 4 кПа, 200 - 400 кгс/м2), в ПВД и ПНД поверхностного типа
100 - 300 мм (1 - 3 кПа, 100 - 300 кгс/м2), в ПНД смешивающего типа
и деаэраторе 400 - 600 мм (4 - 6 кПа, 400 - 600 кгс/м2), что
соответствует следующим значениям
для регуляторов
уровня: в конденсаторе 0,5 - 0,25 %/мм, в ПВД и ПНД поверхностного типа 1,0 -
0,33 %/мм, в ПНД смешивающего типа и деаэраторе 0,25 - 0,17 %/мм. При указанной
неравномерности обычно обеспечивается удовлетворительное качество регулирования
уровня.
Зависимость между органом масштабирования сигнала от измерительного преобразователя перемещения ИМ и неравномерностью определяется формулами:
- для аппаратуры АКЭСР-2
или при d = 5 мА
(И1.10.17)
В случае, если диапазон хода ИМ между путевыми выключателями N = 100 %,
Рассмотрение вышеприведенных формул показывает, что параметры статических и динамических настроек регуляторов взаимосвязаны. Расчетные параметры настроек не должны выходить за пределы соответствующих шкал с цифровыми отметками, в противном случае необходимо произвести перерасчет, задавшись новыми данными.
Во всех случаях необходимо стремиться к тому, чтобы расчетные значения органов настроек были в середине диапазона настроек для возможности последующей корректировки. Следует иметь в виду, что установление αΔ > (1 ÷ 1,2) % и Тф > (4 ÷ 5) с влияет на динамические параметры регулирующего устройства.
Расчетные формулы для определения параметров настройки регуляторов с жесткой обратной связью сведены в таблицу И1.1.
И.1.11 Подготовка регуляторов к включению
Операции по подготовке регуляторов к включению начинаются не менее чем через 30 мин после подачи напряжения на регулирующую аппаратуру, измерительный преобразователь регулируемого параметра и ИМ.
И.1.11.1 Подготовка регулирующих устройств
Подготовка регулирующих устройств заключается в оценке их общей работоспособности в соответствии с заводскими инструкциями.
При подготовке регулирующих устройств должна быть проверена фазировка оперативных (выносных) задатчиков и измерительных преобразователей.
Фазировка задатчика должна быть такой, чтобы изменение положения задатчика по его шкале в сторону увеличения вызывало загорание индикатора регулирующего устройства, приводящего к перемещению регулирующего органа в направлении увеличения регулируемого параметра, и наоборот. Для регуляторов уровня и давления в деаэраторе и давления пара на уплотнения турбины это означает, что поворот рукоятки задатчика по часовой стрелке должен вызвать загорание индикатора «Больше»; для регуляторов уровня в ПНД, ПВД и конденсаторе - индикатора «Меньше». Если это условие не выполняется, в панели регуляторов меняются местами крайние жилы, идущие от реостатных задатчиков.
Для фазировки измерительных преобразователей регулируемых параметров на неработающем оборудовании для регуляторов давления реостатный задатчик устанавливается в среднее положение, регулирующее устройство настраивается на поддержание заданного значения параметра и рукоятка αрп вводится в расчетное положение. При этом должен загореться (или остаться гореть) индикатор «Больше». Для фазировки измерительных преобразователей уровня при выведенной рукоятке αдп выполняются те же операции и имитируется высокий уровень в теплообменнике уравниванием давления в плюсовой и минусовой камерах дифференциального манометра. При этом для регулятора уровня в деаэраторе на регулирующем устройстве должен загореться (остаться гореть) индикатор «Меньше», для регуляторов уровня в ПНД, ПВД и конденсаторе - индикатор «Больше». Если вышеперечисленные условия не выполняются, два провода, идущие от измерительных преобразователей, меняются местами в панели регуляторов.
Для фазировки измерительных преобразователей перемещения ИМ следует:
- проверить, что при перемещении ИМ от одного крайнего положения до другого ток в цепи измерительного преобразователя изменяется от 0 ± 0,1 до 5 ± 0,1 мА;
- установить регулирующий орган в промежуточное положение;
- ввести αдп в положение 0,1 - 0,2 и сбалансировать при этом регулирующее устройство;
- дистанционно изменить положение регулирующего органа.
Если при этом при открытии регулирующего органа загорается индикатор «Меньше», а при его закрытии «Больше», измерительный преобразователь перемещения сфазирован правильно; в противном случае в панели регуляторов меняются местами провода, идущие от измерительного преобразователя.
И.1.11.2 Подготовка измерительных преобразователей уровня и давления
Подготовка включает в себя:
- продувку соединительных линий;
- заполнение соединительных линий и сосудов конденсатом;
- корректировку нуля измерительного преобразователя;
- включение измерительного преобразователя в работу.
Соединительные линии измерительных преобразователей уровня продуваются в коллектор открытием продувочных вентилей 6 и 7 и плавным открытием на 1 - 3 мин первичных вентилей 4 и 5 (рисунок И1.4).
При отсутствии на соединительных линиях продувочных вентилей от линии отключается измерительный преобразователь или открываются заглушки на продувочных линиях.
Для измерительных преобразователей, находящихся под вакуумом (регуляторы уровня в конденсаторе, ПНД), в тех случаях, когда подпиточная линия врезана после первичного вентиля (рисунки И1.6 и И1.7), продувка плюсовой соединительной линии производится путем открытия вентиля подпитки 8 при закрытом первичном вентиле 4 через плюсовую линию, подходящую к первичному преобразователю, или заглушку 7. Продувка минусовой соединительной линии производится на неработающем оборудовании (при отсутствии вакуума) при наличии достаточного уровня в теплообменнике.
Манометры продуваются при открытых запорном вентиле 3 у измерительного преобразователя и продувочном вентиле 7 плавным открытием первичного вентиля 4 (рисунок И1.4).
Для заполнения сосудов и плюсовой соединительной линии измерительных преобразователей уровня в ПНД и конденсаторе открывается подпиточный вентиль. При этом целесообразно произвести также опрессовку системы давлением подпиточной воды, для чего закрываются первичные вентили и устанавливаются в промежуточное положение вентили датчиков (при внимательном осмотре всей системы).
Заполнение конденсатом соединительных линий и сосудов, находящихся под давлением, после их продувки происходит в течение 1 - 2 ч. Для ускорения этого процесса плюсовые линии первичных преобразователей могут быть частично заполнены конденсатом установкой в промежуточное положение вентилей датчиков. Для ускорения заполнения сосудов ПВД конденсатом иногда искусственно повышается уровень в подогревателе выше верхней точки подключения сосудов.
Не менее чем через 30 мин после подключения к измерительному преобразователю питания с помощью корректора нуля устанавливается выходной сигнал измерительного преобразователя, соответствующий нулевому значению измеряемого параметра (для манометров и перепадомеров 0 или 4 мА, для уровнемеров 5 мА).
Для этого:
- для датчиков уровня закрыть вентильный блок, завернув последовательно до упора вращением по часовой стрелке вентили дифференциального манометра (при этом уравнительная линия между плюсовой и минусовой камерами дифференциального манометра открывается);
- для датчиков давления закрыть вентили 3 и 4 и открыть продувочный вентиль 7 (рисунок И1.4).
Следует учитывать, что при заполнении измерительных преобразователей и соединительных линий конденсатом в них могут остаться пузырьки воздуха, поэтому рекомендуется в течение 2 сут 1 раз в сутки корректировать нуль измерительного преобразователя. Заводы-изготовители рекомендуют также производить корректировку нуля измерительного преобразователя в течение последующих 10 сут 1 раз в 2 сут.
В целях предотвращения постановки датчиков уровня под одностороннее статическое давление включение их в работу производить следующим образом:
- открыть вентильный блок (закрыть уравнительную линию между плюсовой и минусовой камерами), завернув последовательно до упора вращением против часовой стрелки вентили датчика.
Для включения манометров при закрытом продувочном вентиле и открытом запорном вентиле измерительного преобразователя плавно открыть первичный вентиль.
После включения измерительных преобразователей в работу необходимо поддерживать постоянную подпитку конденсатом измерительных сосудов, работающих под вакуумом, через дроссельную шайбу или вентиль 8 (рисунок И1.7), открытый на 1/4 - 1/8 оборота штурвала.
И.1.12 Включение АСР в работу
Ниже приводится последовательность выполнения операций (этапов) по включению АСР в работу, которые необходимо выполнять в полном объеме при первом включении регулятора на головном оборудовании. При повторном включении АСР, а также в случаях, когда имеются данные по настройке АСР на аналогичном оборудовании, некоторые из параметров настройки могут быть приняты в качестве исходных (без выполнения соответствующих расчетов или этапов по включению регуляторов) и при необходимости уточняться.
И.1.12.1 Отстройка от пульсаций регулируемого параметра
Эта операция производится при постоянном значении нагрузки энергоблока и нормальной работе основного оборудования. Дистанционно устанавливается заданное значение регулируемого параметра (для регуляторов уровня с учетом положения регулирующего клапана при заданном значении нагрузки и расчетной неравномерности).
На регулирующих устройствах устанавливаются (для РП4-М1):
- расчетные параметры настройки регуляторов (раздел И1.10) Тф, τи в положение, соответствующее их минимальному значению, αп - в положение ¥;
- оперативные задатчики в
среднее положение. Рукоятками
и
балансируются регулирующие устройства.
Примечание - При работе РП4-У-М1 с сигналом 4 - 20 мА зону нечувствительности следует устанавливать на 25 % меньше расчетного значения.
Если после балансировки индикаторные лампочки вспыхивают чаще 3 - 4 раз в 1 мин, следует выполнить операции по устранению пульсаций до 3 - 4 раз в 1 мин в такой последовательности:
- ввести рукоятку потенциометра Тф до 5 с интервалом 1 с, контролируя снижение уровня пульсаций до допустимого значения;
- если вводом демпфера до 5 с
пульсации не устраняются, постепенно ввести рукоятку потенциометра αΔ до 1
- 1,2 %, после чего для устранения все еще недопустимых пульсаций уменьшать
положение рукоятки
или αΣ (предпочтительнее αΣ, так как при этом не требуется корректировка расчетных
параметров настройки), балансируя регулирующее устройство после каждого
изменения положения рукояток αрп.
При выполнении второй операции увеличение общей нечувствительности регулирующего устройства не должно превышать более чем в 2 раза принятого при расчетах значения Δ.
Как правило, выполнение первой операции является достаточным для устранения пульсаций уровня в ПНД поверхностного типа, а первой и второй операций - в ПНД смешивающего типа.
И.1.12.2 Корректировка расчетных параметров настройки регуляторов
Если пульсация регулирующего параметра устранена вводом только демпфера, то параметры настройки, установленные по расчету, не меняются.
Если пульсация устранена
вводом потенциометра Тф, αΔ или уменьшением положения αрп, то определяется новое фактическое значение нечувствительности
регулятора с использованием формул (И1.10.2)
и (И1.10.3) и сравнивается с
или δ
по формуле (И1.10.1).
Если пульсация устранена
вводом потенциометров Тф, αΔ и
уменьшением положения рукоятки αрп, то определяется фактическая нечувствительность регулятора
с использованием формул (И1.10.2)
и (И1.10.3), корректируется
положение рукоятки
изменением номинала резистора R7
по формуле (И1.10.7), а также
корректируется положение рукоятки αдп по формуле (И1.10.16).
Скорректированные значения органов настройки регуляторов устанавливаются на аппаратуре.
И.1.12.3 Определение параметров динамической настройки быстродействующих контуров регулирования
К быстродействующим контурам регулирования относят АСР давления в деаэраторе и давления пара на уплотнения и внутренний контур регуляторов уровня.
Параметрами динамической
настройки этих контуров (на аппаратуре АКЭСР-2) являются постоянная времени интегрирования τи, длительность интегрального импульса и коэффициент
пропорциональности регулятора давления Кп или внутреннего контура
регулятора уровня
. Органами настройки последнего является
коэффициент передачи αп
регулирующего устройства.
И1.12.3.1 Исходное предварительное значение τи для рассматриваемых АСР выбирается в зависимости от определенного в п. И1.13.1 значения Тф по таблице И1.2.
Для исключения автоколебательного режима регулирующих устройств должно быть выдержано следующее соотношение для органов настройки:
(И1.12.1)
Таблица И1.2
|
τи (с) при Тф (с) |
|||
|
0 - 2 |
2 - 4 |
5 |
|
|
Регулятор уровня с жесткой обратной связью |
5 - 8 |
8 - 20 |
20 |
|
Регулятор давления пара на уплотнения турбины |
8 - 13 |
13 - 20 |
20 - 35 |
|
Регулятор давления в деаэраторе |
20 |
20 - 35 |
35 - 60 |
Для расширения зоны поиска оптимальных значений αп в условиях нормального режима работы регулирующих устройств в качестве исходных надо задаться значениями tи = 0,2 ÷ 0,3 с, определить диапазон значений αп, в котором регулятор работает без автоколебаний, и в качестве исходного выбрать значение αп в середине этого диапазона.
И1.12.3.2 После дистанционной установки нормального значения регулируемого параметра устанавливаются скорректированные параметры настройки регуляторов (кроме αрп = 0 регуляторов уровня) и производится их балансировка. Далее на них устанавливаются определенное ранее положение рукоятки Tф и исходные предварительные значения параметров динамической настройки (п. И1.12.3.1), которые подлежат уточнению.
Примечание - Параметры динамической настройки внутреннего контура регуляторов уровня могут уточняться также на неработающем основном оборудовании.
Регуляторы включаются в работу при спокойном режиме работы основного оборудования. Контроль за работой авторегуляторов после включения ведется по щитовым приборам, УП РО и по индикаторным лампочкам регулятора.
Для определения оптимальных параметров динамических настроек наносится возмущение задатчиком на 10 % и по форме переходного процесса корректируются параметры настройки.
При оптимальной настройке внутреннего контура регуляторов уровня и регулятора давления пара на уплотнения после возмущения задатчиком регулятор за одно - два включения должен переставлять клапан в новое установившееся положение без перерегулирования (рисунок И1.12, а).
а - оптимальный процесс для внутреннего контура регуляторов уровня и регулятора давления пара на уплотнения турбины; б - оптимальный процесс для регуляторов давления в деаэраторе;
в - ![]()
г -
![]()
д -
![]()
е -
![]()
Рисунок И1.12 - Графики для оценки переходных процессов в быстродействующих контурах регулирования
График изменения давления в коллекторе уплотнений практически без отставания повторяет график перемещения регулирующего клапана, поэтому параметры динамической настройки регулятора подачи пара на уплотнения можно подбирать, оценивая характер перемещения регулирующего клапана.
Регулятор давления в деаэраторе при оптимальной настройке должен с максимальной скоростью и без перерегулирования установить новое значение давления (рисунок И1.13, б). Допустимо незначительное перерегулирование процесса. При оценке качества переходных процессов регулятора давления в деаэраторе следует учитывать, что из-за инерционности объекта кривые изменения положения регулирующего органа и давления в деаэраторе имеют различный характер.
Если график переходного процесса отличается от оптимального, то следует скорректировать параметры динамической настройки, определив по виду переходного процесса, какие из них и в каком направлении следует менять.
При этом следует руководствоваться следующим:
- если после одного - двух включений регулятор отрабатывает нанесенное задатчиком возмущение, но входит в режим незатухающих или медленно затухающих колебаний (рисунок И1.12, в), то следует уменьшить αп, добиваясь отработки возмущения за большее количество включений;
- если регулятор приводит регулирующий орган к новому положению после большого числа включений без перерегулирования (рисунок И1.12, г), то следует увеличить αп. Если при этом процесс затянут во времени, значит время интегрирования излишне велико;
- если регулятор за несколько включений отрабатывает возмущение с перерегулированием, затем также за несколько включений возвращается в установившееся состояние (рисунок И1.12, д), то следует увеличить время интегрирования;
- если регулятор, не доводя клапан до нового установившегося состояния, включается в обратную сторону (рисунок И1.12, е), то следует уменьшить время интегрирования.
При корректировке параметров настройки регулятора каждое изменение αп и τи следует производить соответствующими переключателями, устанавливая их в соседнее положение, после чего вновь наносить возмущение задатчиком и проверять качество переходного процесса.
И1.12.3.3 При нахождении оптимальных настроек регулятора в конце переходного процесса могут появляться недопустимые автоколебания. Они могут быть вызваны либо работой регулирующего устройства в зоне собственных автоколебаний, либо повышенным выбегом ИМ или люфтами. В первом случае следует увеличить αп или уменьшить длительность импульса tи до 0,1 с, наблюдая, что при такой длительности импульса ИМ перемещается; если эти меры не дают желаемых результатов, следует увеличить нечувствительность регулятора потенциометром αΔ.
При повышенном выбеге ИМ или наличии значительных люфтов следует принять меры к их устранению (п. И1.9.2).
И.1.12.4 Настройка внешнего контура регуляторов уровня
На регулирующих устройствах устанавливается расчетное или скорректированное значение αрп, устройство балансируется и включается на автоматическое управление.
Задатчиком наносится возмущение, приводящее к изменению уровня на 50 - 100 мм (0,5 - 1,0 кПа; 50 - 100 кгс/м2).
Обычно при правильной настройке внутреннего контура дополнительная подстройка регулятора не требуется, и новое значение уровня устанавливается с незначительным перерегулированием.
Если регулятор работает с повышенной колебательностью по уровню, следует уменьшить коэффициент пропорциональности регулятора (увеличить неравномерность) увеличением положения рукоятки αдп с последующей корректировкой настроек внутреннего контура.
И.1.12.5 Проверка работы АСР во всем диапазоне изменения нагрузки турбины
При проверке работы АСР во всем диапазоне изменения нагрузки турбины следует обращать внимание на поддержание регулируемых параметров с допускаемой технологической точностью и изменение их в допустимых пределах.
Переходные процессы по регулируемым параметрам должны характеризоваться малой колебательностью или ее отсутствием. Число включений регулирующих устройств при постоянном значении нагрузки турбины не должно превышать в среднем 6 включений в 1 мин.
При необходимости в случае наличия расходомеров на регулируемых потоках определяются рабочие расходные характеристики регулирующих органов. По расходным характеристикам определяется пропуск регулирующих органов в закрытом положении, а по характеристикам прямого и обратного хода - значение полного люфта ИМ совместно с регулирующим органом.
Клапаны регуляторов уровня при номинальной нагрузке турбины должны быть открыты на 70 - 80 % полного хода; клапан регулятора давления в деаэраторе - на 40 - 50 %; клапан, регулирующий подачу пара на уплотнения турбины, при холостом ходе турбины должен быть открыт на 70 - 80 % хода.
В случае недостаточной пропускной способности регулирующих органов проходное сечение их должно быть увеличено. В случае чрезмерной пропускной способности клапана можно использовать лишь часть его хода, т.е. настроить сочленение таким образом, чтобы поворотом выходного вала ИМ на 90° обеспечивалось изменение регулирующего расхода в необходимых пределах, или выполнить ограничение хода клапана путевыми выключателями. При этом неравномерность регулирования должна быть пересчитана с использованием формул (И1.10.16) и (И1.10.18) и при необходимости скорректирована изменением положения органов настройки регулирующих устройств.
И.1.13 Характерные неисправности АСР и методы их устранения
Таблица И1.3
|
Внешний признак неисправности |
Дополнительный признак неисправности |
Причина неисправности |
Устранение неисправности |
|
Не действует дистанционное управление. При установке блока управления в положение «Автомат» ИМ не перемещается |
АП серводвигателя автоматически отключен. После включения АП пусковое устройство срабатывает и перемещает регулирующий орган. По внешним признакам (искрение, шум) электродвигатель и пусковое устройство работают с перегрузкой |
Отключение АП из-за перегрузки электродвигателя |
Проверить наличие трех фаз на линии подвода к пусковому устройству и электродвигателю. Поджать винты зажимов пускового устройства. Проверить регулировку и чистоту контактов или выходные напряжения пускового устройства |
|
АП серводвигателя включен. Пусковое устройство срабатывает. На линии подвода к пусковому устройству и после него есть напряжение. При рабочем напряжении на зажимах электродвигателя сервопривод не действует |
Выход из строя электродвигателя |
Убедиться в исправности редуктора, сочленений, отсутствии заклинивания регулирующего органа. Заменить электродвигатель |
|
|
Регулятор не поддерживает заданный параметр, дистанционное управление действует |
Индикаторные лампы не загораются, на зажимах 1 - 2 нет напряжения |
Прекращение питания регулирующего устройства |
Проверить АП, поджать винты в цепях питания регулирующего устройства |
|
Индикаторные лампы загораются, на зажимах 1 - 2 есть напряжение 220 В |
Выход из строя регулирующего устройства |
Заменить регулирующее устройство |
|
|
Регулирующее устройство реагирует на изменение положения ручек корректоров, на зажимах 7 - 8 - 9 при загорании индикаторных лампочек появляется напряжение. Установка блока управления в положение «Автомат» не приводит к перемещению серводвигателя при наличии на выходе регулирующего устройства управляющего сигнала |
Обрыв в цепи автоматического управления |
Найти и устранить обрыв в цепи автоматического управления |
|
|
Выходной сигнал измерительного преобразователя регулируемого параметра равен нулю или не соответствует значению регулируемого параметра |
Выход из строя измерительного преобразователя |
Проверить наличие питания электрической цепи измерительных преобразователей, исправность защитных диодных устройств, плотность соединительных линий. Заменить неисправный измерительный преобразователь или размножитель тока |
|
|
Регулятор не поддерживает заданный параметр. При установке блока управления в положение «Автомат» регулирующий орган стремится занять одно из крайних положений |
Регулирующее устройство не балансируется корректором при закорачивании его входов |
Выход из строя регулирующего устройства, неполадки в системе измерений регулятора |
Заменить регулирующее устройство. Выполнить действия по предыдущему пункту. Измерить входные сигналы регулирующего устройства |
|
Регулятор поддерживает параметр, реостатный задатчик не действует |
Корректор выводит из равновесного состояния сбалансированное регулирующее устройство |
Обрыв среднего провода цепи задатчика |
Устранить обрыв в цепи задатчика |
|
Регулятор поддерживает параметр, но наблюдается произвольное изменение его значения |
При плавном перемещении задатчика на омметре, подключенном к крайнему и среднему зажимам задатчика, наблюдаются броски стрелки |
Плохой контакт в потенциометре задатчика |
Проверить или заменить потенциометр задатчика |
|
Регулятор поддерживает параметр неточно, как будто увеличена нечувствительность регулятора |
Регулирующее устройство исправно. Пульсация параметра по индикаторным лампочкам проявляется слабо |
Неполадки в системе измерений регулятора |
Продуть соединительные линии и устранить подсос воздуха и воздушные пробки в них |
|
Регулятор работает неустойчиво. Наблюдаются автоколебания регулируемой величины |
При отключении регулятора регулируемый параметр перестает колебаться. При подаче на регулирующий орган короткого импульса (0,15 - 0,2 с) он перемещается сильнее положенного |
Дефекты электротормоза или пускового устройства |
Проверить действие и исправность электротормоза серводвигателя. Устранить «залипание» пускового устройства |
|
При отключении регулятора регулируемый параметр перестает колебаться. Для перемещения регулирующего органа необходимо подать на пусковое устройство несколько импульсов продолжительностью 0,15 - 0,3 с |
Люфты и заедания в сервоприводе и регулирующем органе |
Устранить люфты и заедания в сервоприводе и регулирующем органе |
|
|
При отключении регулятора регулируемый параметр перестает колебаться. Люфтов в регулирующем органе и серводвигателе нет. Электротормоз налажен |
Дефект измерительного преобразователя регулируемого параметра «Сбой» динамической настройки регулятора. Засорение соединительных линий |
Заменить дефектный измерительный преобразователь (заедание плунжера). Проверить динамическую настройку регулятора по карте настроек, изменить настройку регулирующего устройства (уменьшить коэффициент передачи, увеличить нечувствительность). Продуть соединительные линии измерительного преобразователя |
|
|
При отключении регулятора регулируемый параметр продолжает колебаться |
Колебания регулируемого параметра из-за технологически х причин |
Устранить технологические причины колебаний регулируемого параметра. Ввести Тдемп (Тф) регулирующего устройства и увеличить нечувствительность |
И.2 Методические указания по наладке системы регулирования процесса горения газомазутных котлов
В настоящем разделе рассмотрены следующие вопросы:
- схемные решения по системам автоматического регулирования процесса горения (И2.2),
- основные этапы при выполнении наладочных работ (И2.3),
- методика расчета системы автоматического регулирования процесса горения (И2.4),
- обеспечение наладочных работ и испытания регуляторов процесса горения (И2.5),
- качество поддержания технологических параметров (И2.6).
И.2.1 Общая часть
Вопрос автоматического регулирования процесса горения газомазутных котлов, сжигающих два вида топлива, является одним из наиболее сложных вопросов в деле автоматизации котельного оборудования тепловых электростанций.
В связанной системе автоматического регулирования энергоблока регулятор топлива является инструментом для поддержания давления пара перед турбиной или электрической мощности генератора. И с этих позиций его значение трудно переоценить. Вопросы автоматического регулирования процесса горения котлов ТЭС должны рассматриваться в контексте решения более общей задачи - регулирования нагрузки, а в конечном счете - электрической мощности энергоблоков и частоты сети.
Помимо регулятора топлива в автоматизации процесса горения участвуют также регуляторы газовоздушного режима. Схемы этих регуляторов отработаны достаточно хорошо, имеют устоявшуюся структуру и успешно эксплуатируются на многих электростанциях. Однако, при совместном сжигании двух видов топлива экономичность этого процесса может быть достигнута только за счет раздельного регулирования воздушных потоков пропорционально количеству газа и мазута, сжигаемых в котле. К сожалению на большинстве котлов существует только один вид регулирующего органа, определяющего количество воздуха, подаваемого в топку - направляющий аппарат дутьевого вентилятора. На таких котлах при совместном сжигании поддерживают избыток воздуха, соответствующий режиму сжигания чистого газа.
На некоторых котлах в технологической схеме воздушного тракта предусмотрено распределение воздуха по ярусам горелок. В воздуховодах, идущих к верхнему и нижнему ярусам, установлены регулирующие шиберы и расходомерные устройства. В этом случае при работе котла на смеси в каждом ярусе горелок сжигается только один вид топлива: как правило, в верхнем - мазут, в нижнем - газ. И кроме регулятора общего воздуха, работающего по соотношению «суммарное топливо - суммарный воздух по ярусам», используются два регулятора, распределяющие воздух к «своему» ярусу. Эти регуляторы также являются регуляторами соотношения, но только «своего» воздуха и «своего» топлива на данный ярус горелок.
Однако при регулировании подачи воздуха в котел возникает проблема, связанная с наличием пульсаций в воздушном тракте. Эти пульсации носят высокочастотный характер, но на котлах, оборудованных регенеративными воздухоподогревателями (РВП), к ним добавляется низкочастотная составляющая, вызванная работой РВП и определяемая частотой его вращения (как правило, 2 - 3 об/мин). Амплитуда пульсаций может достигать больших значений, что при наладке регуляторов воздушного режима, особенно на котлах, работающих с малыми избытками воздуха, вызывает дополнительные сложности. Иногда для обеспечения заданного режима горения с привлечением средств автоматизации приходится изменять типовую структуру регулятора воздуха.
Проблемы наладки системы автоматического регулирования процесса горения тесно связаны с режимными факторами и особенностями самого процесса, но требования к эксплуатации котельного оборудования (совместно-раздельное сжигание газа и мазута, переход на малые избытки воздуха, усложнение режимов работы и конструкции агрегатов и технологических схем) диктуют необходимость особых подходов к структуре систем управления тепловыми процессами и их аппаратурной реализации.
Поэтому, говоря о наладке системы регулирования процесса горения, необходимо выделить и отдельно рассмотреть три основных вопроса: схемное построение системы и структурные решения по регуляторам горения, основные проблемы при наладке регуляторов и способы их решения, а также метод расчета системы, обеспечивающий качественное регулирование процесса горения.
И.2.2 Схемные решения по системам автоматического регулирования процесса горения
На рисунках И2.1 - И2.3 и И2.5 приведены схемы автоматических систем регулирования процесса горения. Структурная схема регулирования расхода (давления) газа и мазута к котлу (рисунок И2.1) состоит из двух регуляторов (газа и мазута) с общим заданием от интегратора регулятора мощности. На входы регуляторов посредством специального переключателя могут подсоединяться как сигналы расхода топлива, так и их давлений. Оба сигнала предварительно преобразованы в соответствии со своей статической зависимостью от нагрузки котла. При раздельном сжигании регулируются расходы топлива. Измерение расхода газа GГ на некоторых станциях выполняется с учетом коррекции по давлению перед измерительным устройством по формуле
где Δр - перепад давлений газа на измерительном устройстве;
р - текущее давление;
рр - расчетное (абсолютное) давление (равное 1 кгс/см2).
При использовании датчиков, измеряющих абсолютное давление (например, датчики типа «Сапфир»), формула (И2.1) принимает вид
(И2.2)
При работе на смеси регулируется давление. Сочетание горелок, сжигающих газ и мазут, в этом случае может быть любым, а их тепловая производительность автоматически поддерживается на одинаковом значении. Фиксация одного из видов топлива (в случае необходимости) при изменении нагрузки может быть достигнута за счет перераспределения количественного состава горелочных устройств, в которых сжигаются газ и мазут. Некоторым недостатком схемы в режиме совместного сжигания является отсутствие в ее составе сигналов по расходам топлива, что при отключении горелки (например, на продувку или при переводе котла на сжигание одного вида топлива) вызывает кратковременные колебания нагрузки блока.
В структурной схеме регулирования расхода общего воздуха (РОВ) к котлу (рисунок И2.2) задающим сигналом является или расход газа, или расход мазута. Использование суммарного сигнала по этим видам топлива для обеспечения работоспособности регулятора в режиме совместного сжигания не всегда представляется возможным ввиду низкой надежности измерения малых расходов. Регулируемым параметром является расход или давление воздуха. Иногда из-за отсутствия на воздуховодах котлов расходомерных устройств в качестве сигнала обратной связи применяется импульс по перепаду давлений на РВП. Для придания регулятору общего воздуха большего быстродействия в режимах изменения нагрузки на его вход может также поступать динамически преобразованный сигнал по расходу топлива (на рисунке И2.2 не показан). Управление исполнительными механизмами направляющих аппаратов двух дутьевых вентиляторов на крупных котлах производится по схеме последовательной (рисунок И2.2) или параллельной (рисунок И2.4) синхронизации. Схема синхронизации предусматривает возможность автоматического управления как двумя, так и одним (любым) направляющим аппаратом в том случае, если автоматическое воздействие на другой в данный момент невозможно.
Рисунок И2.1 - Структурная схема регулирования расхода (давления) газа и мазута к котлу
а - для котлов моноблоков; б - для котлов (корпуса) дубль-блоков
Рисунок И2.2 - Структурная схема регулирования расхода общего воздуха к котлу (РОВ)
Рисунок И2.3 - Структурная схема корректора расхода общего воздуха по содержанию кислорода в дымовых газах
Рисунок И2.4 - Структурная схема системы регулирования расхода подачи воздуха
а - для котлов моноблоков; б - для котлов (корпуса) дубль-блока
Рисунок И2.5 - Структурная схема регулирования разрежения в топке котла
Для формирования статической зависимости на входе корректирующего регулятора по кислороду (рисунок И2.3) используется один из нескольких существующих сигналов, наиболее полно характеризующих нагрузку котла или энергоблока: электрическая мощность генератора, расход топлива или пара. В схеме корректора предусматриваются сигналы, определяющие химическую неполноту сгорания (появление СО) - q3 при сжигании газа и механическую неполноту сгорания (задымленность) - q4 при сжигании мазута. Появление этих сигналов в динамических режимах работы котла (при изменении нагрузки) вызывает кратковременное увеличение расхода воздуха с одновременным запретом на работу регулятора в сторону прикрытия направляющих аппаратов. Использование указанных сигналов в статическом режиме для корректировки соотношения «топливо - воздух» на сегодняшний день пока невозможно в силу неполной однозначной зависимости показаний приборов на q3 и q4 от значения химической или механической неполноты сгорания.
Регулятор разрежения (рисунок И2.5) стабилизирует давление дымовых газов в верхней части топки котла. Для ускорения отработки регулятором внешних возмущений на его вход может поступать динамически преобразованный сигнал по расходу воздуха в котел.
Автоматизация процесса подачи воздуха в котел с использованием импульса по расходу воздуха от труб Вентури является наиболее оптимальным решением. Такие устройства позволяют получить минимальные значения безвозвратной потери напора, что весьма важно при измерении больших расходов, каковыми являются расходы воздуха, подаваемые к горелкам котла. Кроме того, сигнал по расходу обеспечивает работоспособность регулятора при отключении или включении части горелочных устройств на котлах, где эти операции предусмотрены режимными факторами.
На некоторых котлах конструкцией воздуховодов не предусматривается установка труб Вентури или они установлены таким образом, что исключается возможность получения достоверного сигнала по расходу воздуха из-за отсутствия достаточных по длине прямолинейных участков до и после расходомерного устройства (примерно 5 диаметров воздуховода). В этом случае за регулируемый параметр принимается давление воздуха в перемычке (общем коробе) за РВП. Статическая характеристика давления от нагрузки не является линейной и для ее преобразования к линейному виду в схему регулятора должен быть введен элемент извлечения квадратного корня. Однако кривизна статической характеристики существенна лишь при малых нагрузках, когда режимная автоматика, как правило, не работает, а в регулируемом диапазоне изменения расхода воздуха (например, 50 - 100 % номинальной) с допустимой для практики точностью может быть принята за линейную. Опыт наладки регуляторов общего воздуха с импульсом по давлению позволяет сделать вывод о том, что подобные схемы могут обеспечить высокую точность в поддержании требуемых избытков воздуха.
Однако при использовании сигнала по давлению воздуха необходимо учитывать особенности конструкции некоторых котлов, а именно: врезка напорных линий от дымососов рециркуляции дымовых газов (ДРГ) зачастую производится не в топку котла, а в подводящие воздуховоды на участке от общего короба до горелок. Изменение степени рециркуляции ДРГ, например, в сторону увеличения, приводит к повышению давления в подводящих воздуховодах и перемычке и, как следствие этого, к частичной разгрузке дутьевых вентиляторов (ДВ). Снижение расхода воздуха при этом будет происходить не только за счет дополнительной присадки газов рециркуляции, но и за счет ложной работы регулятора воздуха, который, почувствовав повышение давления в перемычке, прикроет направляющие аппараты ДВ.
Для нейтрализации нежелательного эффекта в работе регулятора, связанного с изменением загрузки ДРГ, в схему регулятора следует завести сигнал по сумме положений направляющих аппаратов ДРГ. Действие этого сигнала должно быть направлено таким образом, чтобы, с одной стороны, компенсировать изменение давления воздуха, связанное с изменением степени рециркуляции ДРГ, а с другой стороны, вызвать срабатывание регулятора в направлении загрузки или разгрузки ДВ на величину, определяемую соответственно повышению или понижением давления воздуха в перемычке при перемещении направляющих аппаратов ДРГ.
На основании экспериментальных переходных характеристик по методике, изложенной в разделе И2.4 и И2.7, определяется коэффициент усиления по вновь появившемуся каналу в схеме регулятора общего воздуха - положение направляющих аппаратов ДРГ. По результатам испытаний регулятора общего воздуха (без корректирующего регулятора по кислороду) на нагрузке 170 МВт (энергоблок Т-250) при возмущении направляющими аппаратами ДРГ. можно сделать вывод, что регулятор общего воздуха, являясь регулятором давления, обеспечивает стабильное поддержание расхода воздуха на данной нагрузке (на это указывает постоянство значений содержания кислорода в процессе испытаний) при внешнем возмущении направляющими аппаратами ДРГ, приводящем к изменению основного регулируемого параметра.
На рисунке И2.4 показана структурная схема системы регулирования подачи воздуха в котел. От традиционной она отличается наличием сигнала по положению направляющих аппаратов ДРГ и более современной версией схемы синхронизации (известная и ранее параллельная синхронизация двух исполнительных механизмов с использованием двух ПД-преобразователей). При переводе в ручной режим управления направляющего аппарата любого ДВ схема синхронизации отключается от входов ПД-преобразователей и регулирование осуществляется одним оставшимся в работе направляющим аппаратом.
В практике наладки и эксплуатации систем автоматического регулирования процесса горения, а также в специальной литературе утвердилось мнение, что для котлов, сжигающих жидкое топливо и работающих в широком диапазоне изменения нагрузок, когда возникает необходимость отключения части работающих горелок, метод измерения расхода воздуха по давлению является неприемлемым. Однако, как уже упоминалось, измерение давления воздуха в некоторых случаях оказывается единственной возможностью для организации автоматического регулирования подачи воздуха в котел.
Следует отметить, что отключение отдельных горелок при снижении нагрузки является необходимым условием работоспособности оборудования не только для котлов, сжигающих мазут в форсунках без парового распыла. Довольно часто такие операции проводят и на котлах, оборудованных паромеханическими форсунками, а также при сжигании газа. В этом случае подобный режим нередко проистекает по причине несовершенства, разрегулировки или старения основного оборудования, а порой определенного консерватизма оперативного персонала и стремления сохранить повышенный запас устойчивости по горению (запас по давлению топлива перед горелками) на низкой нагрузке. Эти обстоятельства, однако, весьма серьезны и с ними приходится считаться.
В схеме автоматического регулирования процесса горения таких котлов регулятор общего воздуха может поддерживать давление в перемычке за РВП в соответствии с заданием по давлению сжигаемого топлива. Соотношение этих давлений выбирается из режимной карты и является постоянным для данного типа котла, зависящим только от вида топлива и количества работающих горелок. Статические характеристики давления мазута и давления воздуха при переходе от 6 горелок к 8 (например, котел БКЗ-420) несколько смещаются, однако их крутизна меняется незначительно. Это означает, что зависимость давления воздуха от давления топлива носит примерно одинаковый характер при любом составе горелочных устройств. Следовательно, при включении или отключении горелок регулятор общего воздуха без дополнительной перенастройки установит давление воздуха перед горелками в соответствии с заданием по давлению топлива. При этом, если указанное задание будет соответствовать значению нагрузки котла, то образовавшийся расход воздуха будет также соответствовать нагрузке.
Регулятор топлива выполнен по каскадной схеме. Стабилизирующий контур поддерживает давление топлива за регулирующим клапаном согласно заданию, которое поступает от корректирующего регулятора по кислороду. Корректор поддерживает расход топлива пропорционально заданной нагрузке. Так как отключение - включение горелок является сильным возмущением по топливу для котлов, имеющих небольшое количество горелочных устройств, стабилизация давления в подобных режимах весьма желательна. Особенно это относится к включению горелок, где сопровождающий этот процесс провал давления топлива может усугубиться параллельной работой регулятора расхода.
Таким образом в схеме формируется автоматическое задание регулятору давления топлива, которое определяется нагрузкой котла. При изменении количества работающих горелок для сохранения прежнего расхода топлива (нагрузки) регулятор перемещает клапан в новое положение. При этом перед горелками устанавливается такое давление, которое при новом составе горелочных устройств способно обеспечить первоначальный расход топлива в котел.
В свою очередь регулятор общего воздуха приводит в соответствие давление воздуха с новым установившимся давлением топлива. Этим будет восстановлен существовавший до переключения горелок расход воздуха, а, следовательно, и соотношение «топливо - воздух».
И.2.3 Основные этапы при выполнении наладочных работ
И.2.3.1 Наладка АСР процесса горения, как и любых других систем регулирования, начинается с анализа состояния основного технологического оборудования с позиций его соответствия требованиям автоматизации. При современном развитии технических средств регулирования именно неготовность основного оборудования нередко является препятствием для успешного ввода в работу тех или иных систем автоматизации. Применительно к АСР процесса горения необходимо обращать внимание на следующие факторы:
- состояние, тип и характеристики регулирующих органов подачи газа и мазута к котлу;
- исполнительные устройства и их сочленение с направляющими аппаратами дымососов и ДВ;
- способы измерения и состояние расходомерных устройств подачи топлива и воздуха в котел;
- тип горелочных устройств и диапазон их работы;
- пульсации в газовоздушном тракте;
- технологические ограничения при работе оборудования;
- режимные и конструктивные особенности оборудования, способные оказывать влияние на работу регуляторов.
Комплекс вопросов касающихся регулирующих клапанов подачи жидкого и газообразного топлива в котел рассмотрен в разделе И2.5.
При ревизии исполнительных устройств, воздействующих на направляющие аппараты ДВ и дымососов, проверяется плавность хода (без видимых заеданий) и люфт в сочленениях кривошипа МЭО с рычагом передвижных колец направляющих аппаратов. Незначительные шероховатости и трения в рычажных соединениях обычно преодолеваются усилием исполнительного механизма, мощность которого для данных устройств выбирается, как правило, с запасом (МЭО-4000). Устранить полностью люфт не представляется возможным. Однако при контроле монтажа тех узлов, где присутствие люфта обязательно, но носит прогрессирующий характер, его размер можно изначально уменьшить. Например, за счет обеспечения близких по размеру диаметров шарнирного соединения рычагов и вилки тяги. Желательно (совместно с представителем котельного цеха электростанции) проверить положение направляющих аппаратов при их полном открытии и степень плотности при закрытии. Эти положения должны соответствовать настройке конечных выключателей и механических упоров исполнительных механизмов. Такая работа для ДВ может быть выполнена при останове блока, а для дымососов - во время ремонта.
Для измерения расхода мазута в основном используются устройства, принцип работы которых основан на измерении перепада давлений на сужающем устройстве (сопло «четверть круга»). Проверка измерительного устройства состоит в визуальном контроле плотности разделительных сосудов и импульсных линий. При наличии подтеканий (со стороны импульсных линий) необходимо снять датчик, а сосуды и импульсные линии продуть паром или промыть горячей водой. Замазученный датчик ремонту не подлежит и заменяется на новый. При отсутствии внешних признаков подтекания мазута (сосуд, импульсные линии и накидная гайка датчика чистые) целесообразно проверить скорость изменения сигнала от дифманометра, используемого в схеме регулирования, при изменениях расхода топлива. Сигнал датчика должен установиться на новом значении практически одновременно с перемещением мазутного клапана. Это будет свидетельствовать о том, что сосуды и импульсные линии плотные и заполнены разделительной жидкостью.
Сосуды и импульсные линии со стороны дроссельного устройства должны быть изолированы и расположены на мазутопроводе или в непосредственной близости от него. Иногда выполняют общую изоляцию сосудов совместно с мазутопроводом. Это улучшает динамику сигнала от датчика, но затрудняет обслуживание разделительных сосудов.
При измерении расхода воздуха посредством труб Вентури главная проблема заключается в обеспечении достоверности показаний в точках отбора импульса при большой площади сечения воздуховодов и неравномерности потока воздуха. Для решения этой проблемы отборы как «плюсового», так и «минусового» импульсов производят не менее чем в четырех точках по периметру воздуховода. Первичные отборы объединяются посредством усреднительного кольца, к которому подключаются импульсные линии датчика. Подключение необходимо производить в верхней части воздуховода посредством резьбового соединения. Это позволяет, в случае забивания отборных устройств, отсоединить импульсную линию и продуть усреднительное кольцо. При сварном подключении необходимо в месте подсоединения предусмотреть отверстие для продувки с резьбой под заглушку.
При отсутствии на котле устройств измерения расхода воздуха схему регулятора можно реализовать, используя импульс по давлению воздуха за РВП. Обычно задействуют сигнал по давлению в перемычке (общем коробе) после РВП. Этот параметр удобен еще тем, что задается режимной картой котла.
Наличие на котле паромеханических форсунок обычно обеспечивает постоянство состава горелочных устройств при работе котла в широком диапазоне нагрузок. Такие форсунки меньше подвержены забиванию (коксованию), что позволяет поддерживать давление перед котлом в соответствии с режимной картой и тем самым сохранять неизменной статическую настройку регулятора топлива. При автоматизации процесса горения на котле, сжигающие мазут, регулятор топлива может иметь простую структуру и работать как в режиме поддержания давления, так и расхода топлива. Приступая к наладке системы регулирования процесса горения, наладчик относительно свободен в выборе схемных решений.
На котлах, оборудованных форсунками без парового распыла, при работе на мазуте и снижении нагрузки неизбежно отключение отдельных горелок или их группы. В этом случае для сохранения заданной нагрузки в структуре регулятора топлива должен быть предусмотрен сигнал по расходу мазута. Иногда отключение горелок на низких нагрузках может происходить и при работе котла на газе. Операции по отключению - включению горелок, особенно на котлах малой производительности, являются сильным возмущением для работающей автоматики процесса горения. Поддержание в этом режиме только расхода топлива может оказаться недостаточным и привести к провалу давления (например, при вводе горелки в работу) и, как следствие, к останову котла. Поэтому в подобных переходных режимах наряду с расходом топлива целесообразно стабилизировать и его давление.
Перед наладкой регулятора топлива на котле, сжигающем мазут, необходимо проследить, чтобы клапан рециркуляции мазута в пределах котла был полностью закрыт (на некоторых электростанциях оперативный персонал в нормальных режимах эксплуатации предпочитает держать этот клапан в приоткрытом положении).
Пульсации параметров газовоздушного тракта являются неотъемлемым свойством работы котла. Во избежание частых срабатываний регуляторов разрежения и общего воздуха высокочастотная составляющая этих пульсаций подавляется за счет собственных фильтрующих элементов, входящих в состав серийно выпускаемой аппаратуры регулирования. Низкочастотная составляющая обычно связана с работой РВП и определяется частотой его вращения. При четко выраженных колебаниях (постоянство амплитуды и частоты) разрежения в топке или давления воздуха может быть использован избирательный фильтр, не пропускающий на вход регулятора периодические возмущения заданной частоты.
Однако на практике однозначно наблюдать колебательную составляющую параметра, связанную с вращением РВП, не всегда представляется возможным из-за наличия многочисленных побочных влияний. Так, например, значение частоты вращения двух РВП одного котла никогда не бывает абсолютно одинаковым. В результате, колебания параметров, вызванные работой РВП, могут как складываться и усиливаться, так и взаимно уничтожаться. В последнем случае избирательный фильтр, включенный в измерительную схему регулятора, начинает играть роль мощного демпфирующего элемента, что отрицательно сказывается на работе регулятора.
Введение собственного демпфера, несмотря на широкие возможности современной аппаратуры (максимальная постоянная времени фильтра приборов Протар 9999 сек), снижает чувствительность и быстродействие регулятора. Подавить пульсации, которые носят достаточно хаотичный характер, в некоторых случаях позволяют механические фильтры, устанавливаемые на входе в датчик. Настраивая такой фильтр, необходимо, с одной стороны, ориентироваться на сглаживание пульсаций максимально возможной амплитуды, а с другой - не перейти ту грань, за которой происходит заметное снижение чувствительности датчика в целом.
Приступая к наладке регуляторов процесса горения на действующем котле, необходимо посредством опроса оперативного и ремонтного персонала и изучения имеющейся эксплуатационной документации, а также путем непосредственного визуального контроля познакомиться с режимными особенностями работы оборудования. Прежде всего, это относится к способам сжигания топлива (сжигание топлива одного вида, раздельное - двух видов, раздельно-совместное). Исходя из этого, выбираются или анализируются существующие схемные решения по системам регулирования процесса горения. Ограничения по топливу, возникающие на электростанциях, связаны, как правило, со сжиганием газа. Это топливо отпускается в определенном количестве, и поскольку эксплуатационный персонал стремится использовать его в первую очередь, то распределение газа по котлам может оказаться произвольным. При этом схема регулирования топлива должна обеспечивать стабилизацию расхода газа на заданном значении при одновременном изменении расхода мазута на том же котле в соответствии с суточным диспетчерским графиком нагрузок. При наличии на котле ограничений по тяге или дутью наладку регуляторов целесообразно перенести на послеремонтный период, когда эти ограничения могут быть устранены.
При подаче газов рециркуляции в топку котла схема регулятора общего воздуха может иметь вид, изображенный на рисунках И2.2, И2.3 и И2.4, но без сигнала по положению направляющих аппаратов ДРГ. При врезке напорных линий ДРГ в подводящие воздуховоды к горелкам, но при наличии измерительных устройств по расходу воздуха, управлять подачей воздуха в котел можно также по схемам рисунков И2.2 и И2.3. Если при этом измерение расхода воздуха не производится, то следует перейти к схеме рисунка И2.4.
И.2.3.2 Наряду с обследованием основного оборудования, подлежащего автоматизации, проверяется состояние приборного парка (датчики, пусковые устройства, аппаратура), на базе которого предполагается реализовать систему регулирования. АСР горения может быть выполнена как на аналоговых, так и на микропроцессорных технических средствах. В настоящее время на отечественных электростанциях широкое распространение получили регулирующие приборы Протар и Ремиконт. Оба типа приборов относят к категории свободно программируемых технических средств. Программирование приборов удобнее производить в лаборатории. При этом одновременно с установкой программы может выполняться ее отладка - обнаружение и устранение возможных ошибок при программировании.
И.2.3.3 Режимная карта действующего котла является рабочим документом не только для оперативного технологического персонала электростанции. Для наладчиков, занимающихся внедрением системы регулирования процесса горения, это источник получения исходных данных для статической настройки соотношений «топливо - воздух», «нагрузка - кислород» регулятора общего воздуха. Фрагмент режимной карты котла ТГМП-344А, имеющий отношение к автоматике процесса горения, приведен в Приложении Б. Там же рассмотрен пример использования соотношений основных параметров, участвующих в горении и взятых из режимной карты, для определения статической настройки регуляторов топлива и воздуха.
При выполнении наладочных работ на новых котлах, для которых режимная карта еще не составлена, исходные данные для статической настройки регуляторов определяются на основании текущего эксплуатационного режима и в дальнейшем уточняются.
Информация о расходных характеристиках регулирующих клапанов на газе и мазуте может быть получена в ходе нормальной работы котла. Для этого в регулировочном диапазоне нагрузок (например, 50 - 100 % номинальной) снимается в нескольких точках зависимость «положение клапана - расход топлива». Единственное условие - постоянство давления топлива перед клапаном и неизменное количество горелочных устройств. В некоторых случаях для принятия решения о пригодности клапана к работе в схеме автоматического регулирования подачи топлива снятие его расходных характеристик не является обязательным. Так, например, если номинальная производительность котла достигается при 30 - 40 % полного хода мазутного клапана при времени сервомотора 30 с, то с позиций автоматизации клапан нуждается в реконструкции. Для расчета динамических настроек регуляторов процесса горения необходимо снять следующие кривые разгона (испытания по снятию кривых разгона проводят по специальной программе, утвержденной главным инженером электростанции):
- расход (давление) топлива при возмущении регулирующим клапаном подачи топлива;
- расход (давление) воздуха при синхронном возмущении направляющими аппаратами ДВ;
- содержание кислорода в уходящих газах при возмущении расходом (давлением) воздуха;
- разрежение в топке при синхронном возмущении направляющими аппаратами дымососов.
Снятие динамических характеристик с необходимой для последующего расчета точностью по таким малоинерционным и подверженным пульсациям параметрам, как расход (давление) воздуха и разрежение в топке, представляет немалую трудность. Поэтому в отдельных случаях определение динамических настроек для таких регуляторов (сюда можно добавить и регулятор расхода - давления топлива) допускается производить опытным путем.
И.2.3.4 Определение расчетным путем на основании полученных исходных данных статических и динамических параметров настройки регуляторов - один из этапов выполнения наладочных работ. Задача настройки в целом (включая корректировку расчетных значений на действующем оборудовании) состоит в том, чтобы в заданной системе регулирования выбрать и установить настроечные параметры регулятора, обеспечивающие близкий к оптимальному процесс регулирования Основным требованием, которому должен удовлетворять оптимальный процесс регулирования, является интенсивность затухания переходного режима.
Степенью затухания (колебательности) Ψ называется отношение разности двух соседних положительных амплитуд (А1 и А3) на графике переходного процесса регулирования к первой из соседних амплитуд:
(И2.3)
Степень затухания Ψ равна нулю в том случае, если третья амплитуда равна первой, т.е. когда процесс незатухающий.
Степень затухания Ψ равна единице в том случае, если третья амплитуда равна нулю, что соответствует апериодической форме переходного процесса.
Получение оптимального процесса регулирования (Ψ в пределах 0,75 - 0,9) достигается, в основном, за счет правильного выбора динамических параметров настройки регулятора. Существует несколько методов расчета оптимальной настройки систем регулирования [4 - 6]. В практике выполнения наладочных работ чаще всего используют, так называемые, инженерные методы расчета, основанные на использовании номограмм или формул, которые были получены в результате модельного исследования и обобщения работы АСР различных объектов. На рисунке И2.9 приведены номограммы для определения параметров динамических настроек ПИ-регулятора в одноконтурной замкнутой АСР на объектах с самовыравниванием, обладающих достаточной (не слишком малой) инерционностью, а также формулы ВТИ для объектов, кривые разгона которых имеют формы, подобные изображенным на рисунке И2.8, с любыми временными характеристиками.
В задачу настройки системы автоматического регулирования входит также обеспечение требуемых соотношений различных параметров, правильное дозирование которых определяет надежность и экономичность работы технологического оборудования. Выполнение этой задачи может быть достигнуто путем статической настройки регулятора.
Методика расчета системы автоматического регулирования рассмотрена в разделе И2.4.
И.2.3.5 После завершения монтажных работ по системе автоматического регулирования процесса горения проверяется ее функциональная готовность к работе. Прежде всего, необходимо удостовериться в целостности входных и выходных цепей регулятора. Исправность входных каналов проверяется путем измерения сигнала датчика непосредственно на входе в регулятор и сравнения его с текущим значением технологического параметра. На неработающем котле сигнал по месту установки датчика можно имитировать (необходимость в этом отпадает, если использован датчик с выходным сигналом 4 - 20 мА).
При отсутствии сигнала на входе в регулятор цепи датчика необходимо прозвонить. Если сигнал приходит в искаженном виде, следует проследить всю входную цепочку, например, на предмет правильности установки защитных стабилитронов в случае размножения сигнала от датчика к другим потребителям.
Фазировка входных каналов осуществляется в соответствии с технологическим алгоритмом работы регулятора путем изменения значения сигнала (коэффициента передачи) по данному каналу и его сравнения со знаком изменения сигнала разбаланса регулирующего прибора.
Исправность управляющих цепей проверяется путем кратковременного автоматического воздействия на исполнительный механизм как в одну, так и в другую сторону. При этом уточняется фазировка управляющего воздействия.
На регуляторах устанавливаются параметры динамической настройки, определенные расчетным путем по номограммам или формулам ВТИ (рисунок И2.9) на основании временных характеристик кривых разгона. Методика определения коэффициентов передачи по каналам регулирующих и задающих воздействий, а также зоны нечувствительности рассматривается в следующем разделе.
После установки на регуляторе расчетных параметров настройки производится его пробное включение. Убедившись, что при неизменной нагрузке и отсутствии искусственно наносимых возмущений работа регулятора не вызывает расходящихся колебаний, можно переходить к испытаниям регулятора.
Перед проведением наладочных испытаний составляется и подписывается у главного инженера электростанции соответствующая программа (на каждый регулятор в отдельности или на группу регуляторов), где указывается:
- цель испытаний;
- условия их проведения (нагрузка котла или энергоблока, количество работающих механизмов и горелок и т.п.);
- тип и количество наносимых возмущений;
- предполагаемая длительность переходного процесса;
- условия завершения испытаний;
- ответственные лица.
В дальнейшем для передачи регуляторов в эксплуатацию составляется еще одна программа по проведению приемо-сдаточных испытаний. Так как содержание этих программ во многом повторяет друг друга (разница в том, что в первом случае она отражает интересы исполнителя, во втором - заказчика), то, по согласованию с руководством подразделения, эксплуатирующего КИПиА, они могут быть совмещены.
При проведении испытаний возмущения наносят как ручным задатчиком (при этом уточняется диапазон его действия), так и регулирующим органом. Следует отметить, что у регулятора топлива имеется дополнительный, автоматический задатчик, каковым является интегратор регулятора мощности (Nзд на рисунке И2.1). Поскольку этот задатчик представляет собой основное средство воздействия на регулятор топлива после включения последнего в работу, то при проведении испытаний диапазон его действия и цена деления в обязательном порядке должны быть установлены и выданы оператору котла (блока).
Общий подход к корректировке параметров динамической настройки относительно расчетных значений может быть следующим:
- в каждом опыте меняется только один из двух параметров настройки (коэффициент передачи регулятора или время интегрирования);
- если переходный процесс характеризуется слабой колебательностью (или отсутствием таковой), но большой длительностью, то коэффициент передачи регулятора следует увеличивать, а время интегрирования уменьшать;
- если переходный процесс носит сильно выраженный колебательный характер при нормальной крутизне характеристики регулирующего органа, то коэффициент передачи регулятора должен быть уменьшен;
- если переходный процесс имеет слабую колебательность (3 - 4 разнополярных колебания регулируемого параметра относительно равновесного состояния) и малую длительность, то он близок к оптимальному.
Если снять кривые разгона для объектов регулирования процесса горения по каким-либо причинам не представляется возможным, то определение параметров динамической настройки регуляторов, как указывалось ранее, может быть выполнено экспериментально. При этом для первых пробных включений регулятора на нем устанавливаются настройки, заведомо исключающие появление колебательного или, по крайней мере, расходящегося переходного процесса (заниженный коэффициент передачи регулятора и повышенное время интегрирования). Дальнейшие операции по корректировке настроек производят согласно рекомендациям, изложенным выше.
После настройки быстродействующих контуров регулирования подачи топлива, воздуха и разрежения в топке, регуляторы остаются в работе и уточняется расчетное значение статической настройки соотношения «топливо-воздух». Динамические и статические настройки корректирующего регулятора по кислороду определяются на основании кривых разгона и режимной карты котла. При проведении динамических испытаний корректирующего регулятора возмущение целесообразно наносить ручным задатчиком, причем во избежание появления химической или механической неполноты сгорания сначала в большую сторону, затем - в меньшую. Статическая настройка проверяется и при необходимости уточняется в режиме изменения нагрузки котла при поддержании подчиненным регулятором ранее настроенного соотношения «топливо - воздух» (раздел И2.5).
И.2.3.6 Последовательность настройки и ввода в работу регуляторов процесса горения может быть произвольной. С точки зрения поэтапной завершенности работ наладку целесообразно начинать с регулятора разрежения, затем переходить к регулятору топлива и заканчивать работу настройкой регулятора общего воздуха, который является наиболее трудоемким и сложным узлом в силу необходимости предоставления определенных режимов и нагрузок.
Настройка схемы синхронизации двух исполнительных механизмов по варианту рисунка И2.2 или И2.5 сводится к настройке быстродействующего регулятора соотношения двух параметров (положение направляющих аппаратов ДВ или дымососов). Коэффициенты передачи как по основному каналу, так и по каналу задающего воздействия устанавливаются одинаковыми и максимальными. В варианте рисунка И2.4 синхронизация происходит одновременно посредством двух регуляторов. Однако каждый из них отрабатывает сигнал по разности положений направляющих аппаратов и в этом смысле ничем не отличается от регулятора, реализующего схему синхронизации на рисунке И2.2 или И2.5.
В целом динамическую настройку регуляторов желательно проводить при нагрузке котла, близкой к нижней границе регулировочного диапазона, так как коэффициенты усиления большинства теплоэнергетических объектов возрастают при снижении нагрузки. В этом случае правильно подобранные настройки будут гарантировать устойчивую работу регуляторов также и на нагрузках более высоких. Для быстродействующих регуляторов указанное условие не столь критично и в большинстве случаев такие регуляторы могут обеспечивать хорошее качество регулирования с неизменными настройками во всем диапазоне рабочих нагрузок котла.
Однако иногда динамические параметры настройки регулятора нуждаются в корректировке. Например, при некоторых значениях коэффициента передачи и времени интегрирования регулятор обеспечивает высокое быстродействие на низкой нагрузке, но при максимальной паропроизводительности котла переходный процесс оказывается излишне затянутым. Если подбором компромиссных значений параметров настройки не удается добиться удовлетворительного качества регулирования на всех нагрузках, прибегают к автоматической перенастройке. На аппаратуре Протар и Ремиконт эта операция выполняется программным путем. Для чего может быть использована одна из функций «переключение», посредством которой в исходном состоянии в ячейку С1 (коэффициент пропорциональности) или t1 (постоянная интегрирования) засылаются первоначальные значения параметров настройки, а при срабатывании функции эти значения меняются на новые. И первоначальные, и новые значения настроек размещаются в ячейках П категории «программируемая переменная» и после функционального преобразования пересчитываются с учетом соответствующей размерности. Инициативным сигналом, вызывающим работу функции «переключение», может служить факт достижения параметром, характеризующим нагрузку котла (например, расход топлива) заданного значения.
Для организации «непрерывной» перенастройки (названной так по аналогии с дискретной, рассмотренной выше) используется функция F13 - «кусочно-линейное преобразование», где в качестве входного параметра может быть применен тот же расход топлива, а выход, преобразованный под размерность С1 или t1 постоянно подключен к этим ячейкам.
Соответствующие зависимости для коэффициента передачи и времени интегрирования, обеспечивающие оптимальную работу регулятора на различных нагрузках, предварительно должны быть определены расчетным путем или экспериментально.
Настройка динамических сигналов (динамической связи) по расходу воздуха в схеме регулятора разрежения или по расходу топлива у регулятора соотношения «топливо - воздух» производится после того, как наладочные испытания регуляторов процесса горения закончены и система включена в работу. Так как оптимальные настройки регуляторов определялись из условия устойчивой работы (при заданных показателях) замкнутой системы регулирования при основном возмущении (т.е. поступающем со стороны регулирующего органа), то они не могут быть изменены при настройке канала ввода внешнего возмущения. Другими словами, настройки дифференцированных сигналов по воздуху и топливу не связаны однозначно с настройками собственно контуров регулирования и их выбор предполагает определенную свободу действий для наладчика. Эта формулировка, однако, означает только то, что определение настроечных параметров дифференциатора может производиться экспериментально на работающем оборудовании и не будет влиять на устойчивость основного контура регулирования.
При этом необходимо обращать внимание на следующее:
- в динамике (например, при изменении нагрузки котла) действие дифференциатора должно обеспечивать упреждающее воздействие на регулятор с целью заблаговременного изменения положения регулирующего органа в сторону снятия предполагаемого возмущения;
- влияние дифференциатора не должно быть чрезмерным (как по значению, так и по длительности), чтобы под его воздействием регулируемый параметр не изменил своего значения в сторону, противоположную нанесенному возмущению;
- в результате работы дифференциатора динамические отклонения регулируемого параметра в переходных режимах и длительность самого процесса регулирования должны сократиться.
И.2.4 Методика расчета системы автоматического регулирования процесса горения
Порядок расчета целесообразно изложить для наиболее сложной составной части системы регулирования процесса горения, каковой является регулятор подачи воздуха в котел. Этот регулятор имеет двухконтурную каскадную структуру и состоит из стабилизирующего и корректирующего регуляторов. В этом случае расчет параметров настройки регуляторов топлива и разрежения можно рассматривать как частный случай расчета общей системы, а именно, ее стабилизирующего контура.
Приведенную на рисунке И2.4 схему АСР воздуха с использованием корректирующего импульса по кислороду О2 можно упрощенно представить в виде набора последовательно включенных динамических звеньев (рисунок И2.7, а). Регулятор воздуха Wp(p) и участок воздухопровода Wоб1(p) образуют внутренний контур. Входными величинами этого контура являются управляющие воздействия Хзп1, возмущающие воздействия по расходу топлива и положению направляющих аппаратов ДРГ, а также воздействие корректирующего регулятора Wкор(p). Выходной величиной этого контура является давление воздуха Хрв.
Внутренний контур регулирования поддерживает заданное значение давления воздуха Хрв в соответствии с расходом топлива и степенью загрузки ДРГ, а также в соответствии с сигналом корректирующего регулятора. Так как инерционность участка воздухопровода является весьма незначительной, то может быть достигнуто значительное быстродействие этого контура регулирования без потери устойчивости. Переходные процессы во внутреннем контуре, вызванные изменением нагрузки котла или самопроизвольным изменением расхода топлива, завершаются раньше, чем эти же возмущения существенно повлияют на изменение выходной величины внешнего контура.
Передаточная функция Ф1(р) внутреннего малоинерционного контура регулирования имеет вид
(И2.4)
Внешний контур регулирования образуется корректирующим регулятором Wкор(p), малоинерционным контуром с передаточной функцией Ф1(р) и объектом регулирования с передаточной функцией Wоб2(p), входным воздействием которого является изменение давления воздуха Хрв, а выходным - изменение содержания свободного кислорода О2 в дымовых газах (рисунок И2.7, б).
Внешний контур характеризуется значительной инерционностью. Временная характеристика имеет вид, представленный на рисунке И2.6. Назначением внешнего контура является корректирование действий внутреннего контура в установившемся режиме, так как при компенсации возмущений топливом и загрузкой ДРГ внутренним контуром регулирования возможно появление ошибки из-за изменения качества топлива, нелинейности статических характеристик датчиков и других условий. Инерционность внешнего контура в основном определяется инерционностью датчика газоанализатора на О2 и газозаборным устройством.
Рисунок И2.6 - Временная характеристика внутреннего (а) и внешнего (б) контура системы регулирования подачи воздуха
а - общая; б - эквивалентная; в - внешнего контура
Рисунок И2.7 - Структурные схемы системы регулирования подачи воздуха
Для расчета системы регулирования по внешнему контуру преобразуем структурную схему рисунка И2.7, б к стандартному виду. Обозначив произведение передаточной функции малоинерционного контура Ф1(р) и участка регулирования Wоб2(p) через передаточную функцию приведенного объекта W*об(p), а корректирующий регулятор Wкop(p) - через приведенный регулятор W*р(p), получим структурную схему рисунка И2.7, в.
Передаточная функция Ф2(р) инерционного контура определяется по формуле
(И2.5)
Таким образом, мы получили одноконтурную систему автоматического регулирования, состоящую из объекта регулирования и регулятора, методы расчета которой известны. Такое преобразование допустимо лишь в том случае, когда инерционность внутреннего стабилизирующего контура значительно меньше инерционности внешнего контура. При таком методе расчета приходится иметь дело не в чистом виде с объектом регулирования по внешнему контуру, а с некоторым приведенным объектом.
Таким образом, для определения параметров динамической настройки корректирующего регулятора необходимо определить динамические характеристики приведенного объекта W*об(p) (рисунок И2.7, в). Регулирующим воздействием для приведенного объекта является воздействие корректирующего регулятора или равнозначное воздействие (ручное) через задающий интегратор (рисунок И2.4). Временная характеристика приведенного объекта регулирования по кислороду определяется в следующем порядке: система регулирования подачи воздуха по стабилизирующему контуру с выбранными параметрами динамической настройки включается в работу; стабилизируется режим работы котла (энергоблока); наносится возмущение задающим интегратором (или настроечным задатчиком ЗУЗ рисунка И2.4) и регистрируется во времени изменение содержания кислорода в дымовых газах. Из полученной временной зависимости определяются характеристики приведенного объекта τо, То, Ко и по методу, изложенному ниже, вычисляются параметры динамической настройки корректирующего регулятора.
Однако на стадии предварительного расчета параметров настройки (до включения регулятора в работу), принимая во внимание высокое быстродействие стабилизирующего регулятора, можно считать, что нанесение возмущения во внешний контур стабилизирующим регулятором эквивалентно дистанционному возмущению направляющими аппаратами ДВ. Отсюда характеристики приведенного объекта можно в первом приближении принять равными характеристикам объекта регулирования по внешнему контуру.
Методика определения параметров статической настройки регуляторов основана на составлении уравнений статического равновесия измерительной схемы прибора в некотором диапазоне нагрузок энергоблока, где характеристики датчиков и объекта регулирования линейны. При этом один из коэффициентов уравнения или задается, или определяется при пробных включениях регулятора, другой - рассчитывается из уравнения. Зону нечувствительности рекомендуют выбирать равной половине допустимой статической ошибки регулирования при эксплуатационных возмущениях. Параметры динамической настройки определяются из номограмм или по приближенным формулам в соответствии с характеристиками объекта регулирования. Их техническая реализация осуществляется в соответствии с особенностями аппаратуры и с учетом структуры замкнутого регулирующего контура.
Для обеспечения работоспособности регуляторов, использующих сигнал по топливу как на газе, так и на мазуте (а также и на смеси) без дополнительной статической перенастройки, сигналы расходов мазута и газа перед поступлением в схему регулятора должны быть статически совмещены на входе некоторого промежуточного элемента (например, сумматора), который условно можно назвать сумматором топлива (на рисунке И2.4 показан выходной сигнал этого сумматора, обозначенный Gm = Z(Gг + Gм).
И.2.4.1 Статическая настройка сигналов по расходу топлива
Рассчитываются следующие параметры:
- по Хг(Gг):
(Хг)макс м3/ч;
(Хг)ном м3/ч;
![]()
![]()
- по Xm(Gм):
(Хм)макс м3/ч;
(Хм)ном м3/ч;
![]()
![]()
Если предположить, что γм > γг, то значение коэффициента передачи сигнала по расходу газа (Кг) можно принять равным 1 и наоборот. Тогда чувствительность сигнала по расходу мазута Км рассчитывается по формуле
(И2.6)
где (ΔХг)ном - изменение расхода газа в регулируемом диапазоне нагрузок котла согласно режимной карте, м3/ч;
(ΔХм)ном - то же для мазута, т/ч.
Поскольку характеристики датчиков по расходу газа и мазута к котлу предварительно совмещены на входе сумматора топлива, то дальнейший расчет достаточно произвести только для одного вида топлива, например, мазута.
И.2.4.2 Преобразователи информации и характеристики объектов регулирования
Рассчитываются следующие параметры:
- промежуточный регулируемый параметр
![]()
- основной регулируемый параметр
![]()
- промежуточный задающий параметр
![]()
- основной задающий параметр
![]()
- датчики положения направляющих аппаратов ДВ
![]()
- оперативные задатчики ЗУ1 и ЗУ2
![]()
Задатчик ЗУЗ является наладочным и в полной схеме регулятора подачи воздуха не задействован.
Рабочий диапазон ЗУ1 по регулируемому параметру - ΔХрп2 %О2.
Рабочий диапазон ЗУ2 по регулируемому параметру - ΔХУП %.
Диапазон ЗУ1 и ЗУ2 по выходному сигналу - ΔXзу1 = ΔХзу2 %ЗУ.
τо - условное запаздывание, с; То - условная постоянная времени, с; Ко - статический коэффициент усиления
УП - входное воздействие (положение регулирующего органа); Хзп - задающий параметр; Хрп - регулируемый параметр Wр(р), Wоб(р) - передаточные функции регулятора и объекта регулирования
Рисунок И2.8 - Переходные характеристики объекта с самовыравниванием (а), без самовыравнивания (б) и структурная схема одноконтурной АСР (в)
Характеристики объектов (из экспериментальных переходных характеристик рисунков И2.6, И2.8) следующие:
- по Хрп1 при
возмущении регулирующим органом: τо1 с; Tо1 с; τо1/Tо1; Kо1 ![]()
- по Хрп2 при
возмущении Хрп1 (давлением воздуха)
на нагрузке котла 50 % номинальной: τо1 с; Tо2 с; τо2/Tо2; Kо2 ![]()
- пульсации по Хрп1 при номинальной нагрузке характеризуются амплитудой (Ап кгс/м2) и периодом (Тпс);
- пульсации по Хрп2 отсутствуют.
Показатели качества переходных процессов регулирования в замкнутой АСР (желаемая точность регулирования) следующие:
- по Хрп1:
кгс/м2; Ψ = 0,9
при возмущении по регулирующему каналу;
- по Хрп2:
% О2; Ψ = 0,9 на нагрузке 50 %
номинальной при возмущении по регулирующему каналу.
Дополнительное требование к АСР (из режимной карты):
- соотношение «топливо - воздух» должно быть реализовано АСР при работе котла в регулировочном диапазоне нагрузок, составляющем 50 - 100 % номинальной.
ΔХ2зп = (ΔХм)ном = (Х2зп)ном - (Х2зп)мин т/ч;
ΔХрп1 = (Хрп1)ном - (Хрп1)мин кгс/м2.
Диапазон работы корректирующего контура АСР по Xрп2 (О2) принимается равным (ΔХрп2)кор % О2, что составляет по Xрп1(pв) соответственно
(И2.7)
где Крп1 - коэффициент передачи по Xрп1(рв) на входе регулятора соотношения «топливо - воздух».
Воздействие от корректирующего регулятора на регулятор соотношения «топливо - воздух» передается через интегратор (И) рисунка И2.4, диапазон работы которого после ограничения по максимальному и минимальному сигналу принимается равным 1 (для согласования с диапазонами других сигналов на входе регулятора соотношения «топливо - воздух»), т.е.:
(ΔХ)кор = 1,0 (100 % УП).
При этом коэффициент передачи сигнала от интегратора корректирующего контура АСР по Xрп1(рв) составит:
(И2.8)
И.2.4.3 Расчет соотношения «давление воздуха - УП направляющих аппаратов ДРГ»
При возмущении направляющими аппаратами ДРГ на величину ΔX1зп %УП, значение необходимого статического приращения давления в перемычке за РВП (общем коробе), обеспечивающее сохранение прежнего расхода воздуха на котел, составит ΔХрп1 кгс/м2.
Коэффициент передачи по каналу промежуточного задающего воздействия (от ДРГ) определяется по формуле
(И2.9)
И.2.4.4 Расчет соотношения «топливо - воздух»
Коэффициент передачи по каналу основного задающего воздействия (Gм) определим по формуле
(И2.10)
где Км - коэффициент передачи по расходу мазута на входе сумматора топлива (рисунок И2.4).
Коэффициент передачи по корректирующему параметру Ккор определяется по формуле
(И2.11)
И.2.4.5 Расчет параметров настройки стабилизирующего контура
Коэффициент передачи оперативного задатчика ЗУ2 равен
(И2.12)
где КНА - коэффициент передачи по каналу от датчика положения направляющего аппарата ДВ.
Цена деления оперативного задатчика ЗУ2 находится по формуле
(И2.13)
Зона нечувствительности принимается равной половине допустимой статической ошибки регулирования при возмущении по регулирующему каналу
(И2.14)
Постоянная времени демпфера равна
(И2.15)
где Ап - амплитуда пульсаций, пересчитанная в % по отношению к максимально возможному показанию датчика давления воздуха.
Постоянная времени интегрирования рассчитывается по формуле
(И2.16)
где
- из номограммы рисунка И2.9.
Коэффициент передачи регулятора равен
где
- из номограммы рисунка И2.9.
Для внутреннего контура АСР, где последовательно с регулирующим прибором включен датчик давления воздуха, Кр вычисляется по формуле
(И2.18)
где
- коэффициент передачи собственно регулирующего прибора;
Кизм - коэффициент передачи измерительной схемы прибора.
Приравнивая формулы (И2.17) и (И2.18), получим:
И.2.4.6 Расчет параметров настройки корректирующего контура
Коэффициент передачи оперативного задатчика ЗУ1 вычисляется по формуле
(И2.20)
где Крп2 - коэффициент передачи по Хрп2(О2) на входе корректирующего регулятора.
Значение Крп2 (также как и Крп1) может выбираться произвольно и в
дальнейшем корректируется при пробных включениях регулятора. При этом наладчики
обычно ориентируются на характеристики регулируемого параметра: наличие
пульсаций, диапазон изменения сигнала, крутизну характеристики датчика и т.п.
Выбранное значение коэффициента передачи по параметру не влияет на устойчивость
системы в целом, так как учитывается при расчете коэффициента передачи
регулятора
(формулы (И2.19) и
(И2.27)).
Цена деления оперативного задатчика ЗУ1 определяется из следующего соотношения:
(И2.21)
Настройка блока нелинейных преобразований БНП (соотношение «кислород - нагрузка») осуществляется следующим образом:
Датчик расхода пара
![]()
Принимаем коэффициент передачи по каналу расхода пара на входе БНП равным 1.
Статическую зависимость «кислород - нагрузка» рисунка И2.4 аппроксимируем i-отрезками прямой линии. Для каждого участка аппроксимации имеем:
![]()
![]()
Коэффициент передачи по каналу расхода пара в блоке БНП по каждому участку аппроксимации определяется по формуле
(И2.22)
где Кп - коэффициент передачи по Gn на входе корректирующего регулятора.
Зона нечувствительности находится по формуле
(И2.23)
Постоянная времени демпфирования ввиду отсутствия пульсаций по кислороду может быть принята равной нулю.
Постоянная времени интегрирования определяется по формуле
(И2.24)
где
- из номограммы рисунка И2.9.
Коэффициент передачи регулятора находится из соотношения
где
- из номограммы рисунка И2.9.
Для внешнего контура АСР, где последовательно с регулирующим прибором включен датчик содержания кислорода и выходной интегратор, Кр вычисляется по формуле
Приравнивая формулы (И2.25) и (И2.26), получим формулу
|
Параметр настройки |
τо/То = 0 - 0,2 |
0,2 < τо/То < 1,5 |
τо/То > 1,5 |
|
δ |
1,1ετo |
|
2Ко |
|
Ти |
3,3τо |
0,8/(τо/То) |
0,6τо |
δ - степень связи (величина, обратная коэффициенту передачи регулятора)
б)
а - номограмма для объектов с самовыравниванием при Ψ = 0,9;
б - таблица для объектов с самовыравниванием и без самовыравнивания при Ψ = 0,75
Рисунок И2.9 - Определение параметров динамических настроек ПИ-регулятора в одноконтурной замкнутой АСР
И.2.5 Обеспечение наладочных работ и испытания регуляторов процесса горения
Для успешного выполнения наладки и включения регуляторов процесса горения необходимо предварительно обеспечить нормальное функционирование всех элементов схем регулирования как указано в разделе И2.3.
Важнейшим элементом системы регулирования является регулирующий орган. Характеристики направляющих аппаратов дымососов и ДВ в большинстве случаев удовлетворяют требованиям автоматики. Что же касается регулирующих органов подачи топлива в котел, то на мазутных трубопроводах, как правило, устанавливаются по два клапана (основной и пусковой) поворотного типа.
Недостатком поворотных клапанов является нерегулируемый пропуск среды в закрытом положении, имеющий в процессе эксплуатации тенденцию к росту, что неблагоприятно сказывается на регулировании расхода, особенно при пусках. Профили проходных сечений таких клапанов, выполненные в виде круглых отверстий, или прямоугольных окон в золотнике и гильзе, не обеспечивают требуемых (линейных) расходных характеристик.
По этой причине на электростанциях вместо двух поворотных клапанов подачи мазута в котел по инициативе наладочных организаций устанавливается один всережимный регулирующий шиберный клапан с конструктивной характеристикой, обеспечивающей прямолинейную расходную характеристику. Такой клапан может быть изготовлен на базе серийно выпускаемых (например, Чеховским заводом энергетического машиностроения) шиберных клапанов с условным диаметром, соответствующим диаметру мазутопровода котла. При выборе клапана под переделку необходимо обратить внимание на то, чтобы выбранный клапан был рассчитан на ру ≥ 60 кгс/см2 и оснащен сервоприводом с временем сервомотора не менее 50 - 60 с. Кроме того, ход штока должен быть больше (на величину перекрыши) высоты профиля во избежание недооткрытия клапана на максимальной нагрузке котла. Исполнение клапана принципиально не имеет значения. В шибере или седле клапана протачивается профиль, расчет которого производился из условия обеспечения прямолинейной расходной характеристики для всего диапазона работы котла, включая растопку.
На рисунках И2.10 и И2.11 показаны профили проходных сечений шиберных клапанов, выполненные соответственно в шибере и седле, для клапанов различного условного диаметра, но одинаковой пропускной способности 74,0 т/ч мазута при перепаде давлений 6,0 кгс/см2 (котлы паропроизводительностью до 1000 т/ч).
На рисунках И2.12 и И2.13 даны примеры профилей (в шибере и в седле соответственно) для клапанов также различных типоразмеров, обеспечивающих пропуск мазута в количестве 40 - 45 т/ч (котлы паропроизводительностью до 500 т/ч).
Регулирование расхода газа к котлу, так же как и расхода мазута, осуществляется, в основном, с помощью двух параллельно установленных поворотных заслонок, которым присущи следующие недостатки:
- круглая поворотная заслонка является полнопроходным регулирующим органом и в положении, близком к полному открытию, теряет свою дросселирующую способность и крутизну рабочей характеристики по сравнению с крутизной характеристики в начале открытия, которая, как правило, является чрезмерной;
- поворотная заслонка обладает неплотностью (начальным пропуском) в закрытом положении, достигающей значительных величин (около 10 % максимального пропуска), что существенно затрудняет управление котлом в растопочном режиме.
Рисунок И2.10 - Профиль и конструктивная характеристика мазутного клапана
Рисунок И2.11 - Профиль и конструктивная характеристика мазутного клапана
Рисунок И2.12 - Профиль и конструктивная характеристика мазутного клапана
Рисунок И2.13 - Профиль и конструктивная характеристика мазутного клапана
Центральным ремонтно-механическим заводом (ЦРМЗ) Мосэнерго выпускается (не серийно, а по индивидуальным заказам) газовый регулирующий клапан, в котором устранены указанные выше недостатки, присущие заслоночным регулирующим органам.
Клапаны ЦРМЗ имеют два типоразмера:
Dy 500 мм - для двухкорпусных котлов энергоблоков 300 МВт и котлов производительностью 420 - 640 т/ч;
Dy 400 мм - для котлов производительностью 170 - 320 т/ч.
Клапан двухнедельный поворотного типа выполнен в патрубке соответствующего газопровода. Регулирующими элементами клапана являются разновеликие золотники, выполненные в форме полых полусфер, жестко сидящих на коромысле. Коромысло крепится на валу клапана с помощью шпонки с люфтом. При повороте вала по часовой стрелке из закрытого положения золотники выходят из проходных отверстий седел, тем самым открывая сечение для прохода газа. Профиль золотников в виде полусфер дает квадратичную конструктивную характеристику, следовательно, расходная характеристика клапана близка к линейной.
В закрытом положении золотники плотно прилегают к седлам с помощью резиновых прокладок. Плотность клапана в закрытом положении обеспечивается статическим давлением среды за счет разности усилий, действующих (вследствие перепада давлений) на нижний и верхний золотники. Нерегулируемый пропуск среды составляет не более 1 % максимальной пропускной способности клапана при перепаде давлений среды на клапане 1 кгс/см2, при этом крутящий момент на приводном валу в сторону открытия составляет 7,5 кгм. Рабочий ход клапана - 60°. Исполнительный механизм для привода - МЭО-250/63-0,25-87, МЭО-250/160-0,63-87. Максимальное проходное сечение клапана Dy 500 мм составляет 628 см2, Dy 400 мм - 405 см2.
Приведение в соответствие с требованиями автоматического регулирования характеристик клапанов на газе и мазуте и вытекающее из этого упрощение технологической схемы подачи топлива к котлу (вместо двух клапанов - один) представляет важное значение не только с точки зрения автоматизации. Из процесса эксплуатации исчезает операция (выполняемая оператором вручную) по переходу с пускового клапана на основной и обратно, что положительно влияет на надежность работы основного оборудования.
Налаженные и прошедшие пробные включения с расчетными параметрами настройки регуляторы процесса горения подвергаются динамическим испытаниям на трех нагрузках котла в регулируемом диапазоне: максимальной, минимальной и промежуточной. Возмущения наносят как регулирующим клапаном, так и ручным задатчиком. Корректировка параметров настройки (при необходимости) осуществляется из условия обеспечения максимального быстродействия в отработке возмущений при заданной степени затухания переходных процессов (ψ = 0,75 - 0,9). По результатам испытаний определяются компромиссные настройки регуляторов, приемлемые для всего диапазона нагрузок, или принимается решение о введении автоматической перенастройки регуляторов (раздел И2.3).
И.2.6 Качество поддержания технологических параметров
Качество поддержания технологических параметров регламентируется паспортными данными на конкретное технологическое оборудование, материалами руководящих организаций, отраслевыми и государственными стандартами. В общем случае оно зависит от характеристик оборудования (объекта управления) и систем автоматического регулирования, которыми это оборудование оснащено.
Требования к качеству поддержания технологических параметров составляются с учетом выполнения требований к оборудованию, регулирующим органам и устройствам измерения, изложенным в разделе 8 стандарта, при условии исправности основного и вспомогательного оборудования, соблюдении заданных условий его эксплуатации. Эти требования применительно к системам автоматического регулирования процесса горения сводятся к следующему:
- устойчивая работа (отсутствие автоколебаний) и ограниченная частота включений регуляторов, которая при постоянной заданной нагрузке котла не должна превышать в среднем 6 включений в 1 мин;
- максимальные отклонения основных технологических параметров при постоянной заданной нагрузке котла в пределах регулировочного диапазона нагрузок не должны превышать приведенных ниже значений:
а) давление пара перед турбиной (в режиме номинального давления и при поддержании давления автоматикой котла, включая регулятор топлива) - ±2 %;
б) содержание кислорода в дымовых газах для мазутных котлов при малых избытках воздуха и постоянной времени кислородомера не более 1,5 мин - ±0,2 % O2;
в) то же для остальных котлов - ±0,5 % O2;
г) разрежение в топке - ±2 кгс/м2.
Для регулятора подачи воздуха проводят также статические испытания, где уточняются расчетные соотношения «топливо - воздух» и «кислород - нагрузка», в режимах изменения нагрузки котла от минимальной до максимальной.
Правильность выбранного соотношения «топливо - воздух» проверяется изменением нагрузки при отключенном корректирующем регуляторе по кислороду, без динамических сигналов и отсутствии возмущений со стороны ДРГ. В качестве главного оценочного критерия принимается значение статического отклонения кислорода от заданной режимной зависимости при изменении расхода топлива. Коррекцией коэффициента передачи по каналу расхода топлива добиваются минимально возможных отклонений кислорода при максимально допустимых эксплуатационных изменениях нагрузки.
После завершения настройки регулятора соотношения «топливо - воздух» включается полная схема регулятора воздуха и корректируется статическая зависимость «кислород - нагрузка». Если при работе котла в регулируемом диапазоне корректором устанавливается значение кислорода, отличное от режимных указаний, уточняется коэффициент передачи по каналу расхода пара (на соответствующем участке аппроксимации).
По завершении испытаний максимальные динамические отклонения кислорода от значений, заданных режимной картой, не должны превышать в среднем 0,5 % при нормальной эксплуатационной скорости изменения нагрузки. Эта скорость на блочных энергоустановках лимитируется турбиной и обычно составляет от 3 до 5 МВт/мин. Оптимально настроенный регулятор подачи воздуха обеспечивает необходимые требования по поддержанию воздушного режима на котлах, работающих с малыми избытками воздуха, при этом функции корректирующего регулятора сведены до минимума. Одновременно минимизируется степень влияния дополнительных сигналов, например, скоростного сигнала по изменению расхода топлива на входе регулятора.
Испытания по уточнению расчетного статического соотношения «УП ДРГ - воздух», если регулятор общего воздуха реализован по схеме рисунка И1.4, проводят после проверки на действующем объекте расчетного соотношения «топливо - воздух» и корректировки параметров динамической настройки регулятора. При неизменной нагрузке блока наносится возмущение направляющими аппаратами ДРГ и путем коррекции расчетного коэффициента передачи по каналу УП ДРГ восстанавливается значение кислорода на прежнем уровне после завершения переходного процесса. Такие испытания проводят на минимальной, средней и максимальной нагрузках регулируемого диапазона. Определяется компромиссная настройка коэффициента передачи, дающая удовлетворительные результаты на всех нагрузках.
К.1 Общие сведения
К.1.1 Все системы и функциональные задачи принимаются из наладки в опытную эксплуатацию; а затем - вводят в промышленную эксплуатацию.
К.1.2 Системы и/или задачи должны предъявляться в опытную эксплуатацию перед предъявлением в опытную эксплуатацию соответствующего ТОУ в определенной последовательности (ИС, ТС, СУП, ТБ, ТЗ, АСР), руководствуясь конкретным составом технологических систем управления ТОУ: механизма, агрегата, энергетического блока, и в соответствии с документами рабочего проекта.
К.1.3 Основанием для приемки системы в опытную эксплуатацию являются положительные результаты проверки системы, включая приемочные испытания.
Результаты приемочных испытаний системы считаются положительными, если подтверждены показатели, определяющие ее работоспособность.
К.1.4 Приемочные испытания КИПиА проводят в соответствии с «Программой испытаний» с последующим оформлением протокола испытаний.
К.1.5 При получении отрицательных результатов приемочных испытаний система (задача) подвергается повторным испытаниям после устранения выявленных причин (дефекта, неисправности или отказа).
В случае получения отрицательного результата повторных испытаний системы перечень мероприятий по устранению дефектов, неисправности или отказа должен быть рассмотрен заказчиком на техническом совещании с привлечением всех заинтересованных организаций и предприятий.
К.1.6 Опытная эксплуатация системы может быть совмещена с комплексным опробованием энергетического оборудования или проведена в иной период.
К.1.7 Продолжительность опытной эксплуатации систем определяется по срокам, необходимым для проверки их алгоритма функционирования и готовности персонала к эксплуатации систем.
Длительность опытной эксплуатации зависит от сложности технических средств систем, ТОУ и определяется индивидуально, по таблице К1 (без учета времени их отключения).
Таблица К1
|
Длительность опытной эксплуатации |
|
|
Не требуется режимная наладка |
72 ч |
|
Требуется режимная наладка |
72 ч - 1* мес. |
К.1.8 Приемочные испытания допустимо проводить по частям: до начала и в период опытной эксплуатации, если это предусмотрено в программе испытаний.
Приемка в опытную эксплуатацию в этом случае, оформляется актами при первом вводе в эксплуатацию и после окончания испытаний.
Ввод систем в промышленную эксплуатацию должен производиться по мере окончания сроков опытной эксплуатации каждой отдельной системы без оформления записи в акте или журнале приемки.
К.1.9 Готовность систем к опытной и промышленной эксплуатации оформляется журналом или актом приемки.
К.1.10 Начало опытной и промышленной эксплуатации систем оформляется записью:
- в журнале инструктажей о проведении инструктажа оперативного персонала КИПиА и ТОУ по особенностям эксплуатации принятых систем;
- распоряжения в журналах технологических защит и автоматики, технических средств КИПиА о начале эксплуатации принятых систем.
Необходимость оформления дополнительных организационно-распорядительных документов определяется требованиями других руководящих документов и местными условиями.
К.2 Состав технической документации.
Состав технической (отчетной) документации предъявляемой к приемке строительно-монтажных работ, приведен в табл. К.3, а наладочных работ - в табл. К.2.
Таблица К2
|
Комплект документов на |
Примечание |
||||||
|
ИС |
ТС |
СУП |
ТБ |
ТЗ |
АСР |
||
|
1 Программа и методика испытаний |
+ |
+ |
- |
+ |
+ |
+ |
|
|
2 Общее описание |
- |
- |
- |
- |
+ |
+ |
|
|
3 Паспорт средств измерений |
+ |
+ |
- |
+ |
+ |
- |
|
|
4 Протокол приемки (проверки) электрических трактов ПК |
- |
- |
- |
- |
- |
- |
|
|
5 Перечень параметров, контролируемых СИ, подлежащих госповерке, ведомственной поверке, и перечень параметров, измерение которых осуществляется без нормирования точности |
+ |
- |
- |
- |
- |
- |
По ИК - представляет проектная организация, по ИС - заказчик - |
|
6 Расчет уровнемеров |
+ |
- |
- |
- |
- |
- |
|
|
7 Протокол испытаний систем взвешивания топлива (вагонных и ленточных) |
+ |
- |
- |
- |
- |
- |
|
|
8 Формуляр (паспорт) весоизмерительных устройств топлива |
+ |
- |
- |
- |
- |
- |
Для вагонных и ленточных весов с отметкой госповерителя |
|
9 Протоколы испытаний (проверок) измерительных систем механического состояния турбины |
- |
- |
- |
- |
+ |
- |
|
|
10 Протокол испытаний (проверки) измерительных систем химконтроля |
+ |
- |
- |
- |
- |
- |
|
|
11 Протокол контроля состояния термопреобразователей сопротивления |
+ |
- |
- |
- |
- |
- |
На генераторе, двигателях питательных насосов, мельниц и др. |
|
12 Журнал (карта, протокол) уставок |
- |
+ |
- |
+ |
+ |
+ |
|
|
13 Акт проверки КТС КИПиА |
- |
+ |
+ |
+ |
+ |
+ |
|
|
14 Протокол определения расходной характеристики регулирующего органа |
- |
- |
- |
- |
- |
+ |
При наличии штатного средства измерения расхода |
|
15 Карта настроек |
- |
- |
- |
- |
- |
+ |
|
|
Примечания - 1. Знак «+» означает, что документ обязателен для включения в комплект, «-» означает, что документ в комплект не включают. 2. Обоснование документов, указанных в п.п.: 3, 4 и 13 - 15 - по СНиП 3.05.07-85; в п.п. 7 - 9 и 11 - по эксплуатационной документации предприятий-изготовителей. |
|||||||
Таблица К3
|
Наименование документа к приемке помещений КИПиА в эксплуатацию |
Обоснование документа |
|
1 Протокол проверки и измерения санитарно-климатических условий в помещениях КИПиА |
по эксплуатационной документации предприятий - изготовителей энергетического оборудования; |
|
2 Перечень КИПиА пускового комплекса |
|
|
3 Ведомость документов на рабочем месте оператора-технолога (машиниста) |
Рекомендации по разработке систем автоматического регулирования ТЭС
Л.1 Характеристики оборудования и режимов работы мощных энергоблоков
Л.1.1 Требования к системе автоматического регулирования (АР) энергоблоков в значительной мере определяются применяемым в составе энергоблока оборудованием, тепловой схемой энергоблока и режимами его работы.
Настоящие рекомендации распространяются на отечественные ТЭС, оснащенные энергоблоками мощностью 150, 200, 300, 500, 800 МВт с конденсационными турбинами. Энергоблоки мощностью 150, 200 МВт рассчитаны на докритические параметры пара перед турбиной: давление 13 МПа, температуру 540/540 °С, а энергоблоки мощностью 300 - 800 МВт - на закритические параметры пара: давление 24 МПа и температуру 540/540 °С. Часть энергоблоков мощностью 200 и 300 МВт ранних выпусков выполнена по схеме дубль-блока (два котла, одна турбина), остальные энергоблоки имеют схему моноблока.
Л.1.2 Тепловые и пусковые схемы энергоблоков унифицированы по типам и составу оборудования и укрупненно могут быть разбиты на следующие основные узлы:
- котельная установка;
- турбина;
- конденсатор и система регенерации турбины;
- питательно-деаэраторная установка;
- общеблочное вспомогательное оборудование;
- электрическое оборудование энергоблока (генератор, трансформатор, трансформаторы собственных нужд и др.).
Ниже приведены некоторые характеристики указанных узлов оборудования, влияющие на их автоматизацию. Вопросы регулирования электротехнического оборудования энергоблока (напряжения, возбуждения и др.) в данной работе не рассматриваются.
Л.1.3 Котельные установки имеют П или Т-образную компоновку.
Энергоблоки докритических параметров (200 МВт) оснащаются как прямоточными, так и барабанными котлами, а закритических параметров - только прямоточными котлами.
Прямоточные котлы имеют по два независимых водопаровых тракта (потока) с возможностью раздельного регулирования подачи воды в каждый из них с помощью своего регулирующего клапана. На. каждом из потоков предусматривается установка встроенного растопочного узла, двух или трех впрыскивающих охладителей для регулирования температуры пара и пускового впрыска на выходе из котла.
Встроенный растопочный узел включает в себя задвижку, встроенную в водопаровой тракт; сепаратор, установленный на байпасе встроенной задвижки, и регулирующие дроссельные клапаны на входе в сепаратор и на линиях, отводящих из него воду и пар.
На некоторых котлах (например, энергоблоков 800 МВт) пароперегревательная часть каждого из двух водопаровых трактов разветвляется на два подпотока с соответствующим увеличением количества впрыскивающих охладителей.
Барабанные котлы энергоблоков 200 МВт имеют один регулируемый поток до барабана и двух- или четырехпоточный пароперегреватель (в зависимости от количества котлов в энергоблоке и компоновки котла).
Для регулирования питания предусматриваются три параллельно включенных питательных клапана Dy 50, 100 и 250 мм, первый из которых (наименьший) используется для заполнения котла водой, средний - для регулирования уровня в барабане при пуске, третий для регулирования в нормальных режимах.
Регулирование температуры пара осуществляется аналогично прямоточным котлам двумя или тремя впрыскивающими охладителями. Для впрыска используется собственный конденсат котла, а при пуске - питательная вода. Пусковые впрыски в паропроводы на выходе из котла на барабанных котлах не предусматриваются.
Все рассматриваемые энергоблоки имеют один промежуточный перегрев пара, для регулирования температуры которого, применяются паропаровые теплообменники либо байпасируемые регулировочные поверхности.
Для защиты от недопустимых повышений температуры пара промперегрева предусматриваются впрыскивавшие пароохладители в рассечке промежуточного пароперегревателя.
В пусковых схемах котлов для регулирования давления воды, поступающей на впрыски, предусматриваются устройства «постоянного расхода», состоящие из набора дроссельных шайб и регулирующего клапана на линии сброса питательной воды в деаэратор.
По видам ожигаемого топлива и системам топливоприготовления котельные установки разделяются на:
- сжигающие газообразное и жидкое топливо (газ, мазут);
- пылеугольные с промбункером пыли;
- пылеугольные с системами пылеприготовления прямого вдувания (с молотковыми или среднеходными мельницами, мелющими вентиляторами).
Подача твердого топлива в котлы с промбункером регулируется изменением частоты вращения лопастных питателей пыли, которые оснащаются электродвигателями постоянного тока.
На котлах с прямым вдуванием подача топлива в мельницы регулируется изменением частоты вращения электродвигателей постоянного тока питателей сырого угля (скребковых, ленточных).
Для регулирования частоты вращения электродвигателей постоянного тока применяются тиристорные станции бесступенчатого регулирования, изменяющие напряжение питания регулируемых электродвигателей.
В качестве растопочного топлива на всех пылеугольных котлах используется мазут.
Большинство рассматриваемых котлов рассчитано на работу при уравновешенной тяге и оборудуется, как правило, двумя дымососами и двумя дутьевыми вентиляторами, подача которых регулируется с помощью направляющих аппаратов.
На некоторых энергоблоках мощностью 300 и 800 МВт с газо-мазутными котлами предусмотрена работа котлов под наддувом с полным исключением дымососов или установкой дымососов пониженной мощности.
Приводом для дымососов и дутьевых вентиляторов, а также других тягодутьевых машин (дымососов рециркуляции, мельничных вентиляторов) служат асинхронные электродвигатели. Исключение составляют энергоблоки 800 МВт, где для дутьевых вентиляторов используется турбопривод и регулирование расхода воздуха осуществляется изменением частоты вращения приводных турбин.
Л.1.4 Турбины энергоблоков мощностью от 200 до 800 МВт одновальные, многоцилиндровые, с нерегулируемыми отборами пара и сопловым парораспределением, а энергоблоков 1200 МВт - с дроссельным парораспределением.
Система регулирования турбин рассматриваемых энергоблоков гидравлическая, неравномерность регулирования около 4,5 %. Турбины всех типов в большей или меньшей мере оснащаются устройствами электрической части системы регулирования (ЭЧСР), которые в простейшем случае обеспечивают быструю разгрузку турбины при действии энергосистемной противоаварийной автоматики, а на турбинах 800 МВт, кроме того, выполняют значительную часть функций системы регулирования мощности энергоблока.
Управление частотой вращения турбины при пуске и мощностью . после включения генератора в сеть осуществляется с помощью механизма управления турбины (МУТ), представляющего собой электродвигатель со временем перемещения в пределах неравномерности от 45 до 60 с.
Расход пара на уплотнения турбины, поступающего из нерегулируемого отбора или постороннего источника, регулируется одним клапаном.
Л.1.5 Конденсатор и система регенерации турбины включают в себя конденсатор (или два параллельных конденсатора) для конденсации отработавшего пара и подогреватели системы регенеративного подогрева конденсата.
Удаление конденсата из конденсатора турбины осуществляется конденсатными насосами, а уровень в конденсаторе регулируется клапаном, установленным на стороне их нагнетания. При пусках насосы работают в режиме рециркуляции и уровень поддерживается другим клапаном, установленным на линии рециркуляции.
Регенеративный подогрев конденсата и питательной воды осуществляется соответственно в четырех - пяти подогревателях низкого давления (ПНД) и трех подогревателях высокого давления (МВД). Уровень конденсата греющего пара, поступающего из нерегулируемых отборов турбины, в подогревателях поддерживается регулирующими клапанами, установленными на выходе из этих подогревателей, а также клапаном на стороне нагнетания перекачивающего насоса.
Л.1.6 Вое энергоблоки оснащаются питательно-деаэраторными установками - питательными насосами и деаэраторами с рабочим давлением 0,7 МПа (на энергоблоках 200 МВт - 0,6 МПа), питаемыми в нормальных условиях греющим паром от отборов турбины, а при пусках и аварийных разгрузках - от паропроводов собственных нужд. Для регулирования давления в деаэраторе на соответствующих паропроводах устанавливаются регулирующие клапаны. Уровень в деаэраторе регулируется путем изменения добавка конденсата в конденсатор турбины.
Питательная установка энергоблока 200 МВт состоит из двух или трех питательных электронасосов (ПЭН), один из которых является резервным; энергоблока 300 МВт - из двух питательных насосов (пускорезервного электронасоса, снабженного гидромуфтой и обеспечивающего до 60 % номинальной производительности энергоблока, и основного насоса с турбоприводом, позволяющего за счет изменения частоты вращения регулировать производительность в пределах от 50 до 100 % при работе энергоблока на номинальном давлении и 30 - 100 % при работе энергоблока на скользящем давлении); энергоблоков 500 и 800 МВт - из двух питательных турбонасосов подачей 50 % номинального расхода энергоблока каждый. Конденсационные приводные турбины этих насосов питаются паром от одного из отборов основной турбины, а при пусках и в аварийных режимах - от пуско-сбросных устройств собственных нужд энергоблока.
Л.1.7 Общеблочное вспомогательное оборудование включает в себя пуско-сбросные устройства, редукционно-охладительные установки, сетевые подогреватели, испарители и другое оборудование, определяемое конкретной тепловой схемой энергоблока.
С точки зрения автоматического регулирования наиболее ответственными являются быстродействующие редукционно-охладительные установки (БРОУ), через которые сбрасывается пар из котла в конденсатор турбины при пусках и в аварийных режимах (однобайпасная схема), и БРОУ собственных нужд, через которые подается пар к питательным насосам на энергоблоках 500, 800 и 1200 МВт.
Паровые дроссельные клапаны БРОУ обоих типов должны оснащаться мощным электроприводом, обеспечивающим требуемое быстродействие (время полного открытия от 10 до 15 с). Охлаждение дросселированного пара осуществляется с помощью впрыска.
Л.1.8 Режимы работы энергоблоков охватывают режимы нормальной эксплуатации в регулировочном диапазоне нагрузок, пусковые и аварийные режимы.
При нормальной эксплуатации характер изменения нагрузки отдельных энергоблоков определяется рядом факторов, в частности, типом и маневренными характеристиками оборудования, видом ожигаемого топлива, электрическими связями электростанции, характером нагрузки в энергосистеме и др.
Большинство мощных энергоблоков работает в режиме изменения нагрузки по диспетчерскому графику: номинальная (заданная) нагрузка в дневные и вечерние часы, минимальная - ночью.
Часть энергоблоков, главным образом с газомазутными котлами, принимает участие в более глубоком регулировании параметров энергосистемы (участие в подавлении отклонений частоты, регулирование и ограничение мощности в линиях перетока, локализация аварийных режимов в энергосистеме) как за счет изменения нагрузки в регулировочном диапазоне, так и за счет останова в ночное время и на нерабочие дни.
Под регулировочным диапазоном нагрузок понимается интервал нагрузок, внутри которого мощность энергоблока может изменяться автоматически без изменения состава основного и вспомогательного оборудования и количества включенных горелочных устройств.
Значение регулировочного диапазона зависит от типа оборудования энергоблока, вида ожигаемого топлива и других факторов. Так, при работе на газе или мазуте значение регулировочного диапазона должно составлять от 50 до 70 % номинальной мощности, а при работе на твердом топливе - от 20 до 50 %.
Для энергоблоков мощностью от 300 до 800 МВт, работающих на закритических параметрах пара, характерным является комбинированный режим поддержания давления пара перед турбиной, обеспечивающий существенное повышение экономичности работы энергоблока.
Этот режим предусматривает работу энергоблока в диапазоне нагрузок от 100 до 70 % при номинальном давлении свежего пара перед турбиной и регулирование нагрузки клапанами турбины. При нагрузках менее 70 % клапаны турбины, подводящие пар к двум из четырех групп сопл, остаются полностью открытыми, остальные - полностью закрытыми и нагрузка регулируется путем изменения давления свежего пара перед турбиной. Такой режим требует выполнения системы регулирования с автоматически перестраиваемой структурой.
Пусковые режимы энергоблоков с прямоточными котлами предусматривают пуск по сепараторной схеме - водопаровой тракт котла при пуске разделяется встроенными задвижками па испарительную часть, в которой поддерживается давление, близкое к номинальному, и на перегревательную часть, работающую с переменным давлением пара. Пар в перегревательные поверхности нагрева поступает из встроенного сепаратора. Расход питательной воды в этом режиме поддерживается постоянным, как правило, равным 30 % номинального, вплоть до перехода на прямоточный режим. Одновременно с пуском котла ведется прогрев паропроводов, сначала производится сброс пара через БРОУ в конденсатор турбины, а затем разворот и начальное нагружение турбины. В дальнейшем нагрузка турбины повышается по мере повышения параметров пара на котле. Когда давление пара за котлом становится близким к номинальному, встроенные задвижки открываются.
Регулирование подачи топлива в котел, температуры свежего пара и пара промперегрева осуществляется по программам, зависящим от начального теплового состояния оборудования (главным образом, турбины), и ведется в темпе, обеспечивающем допустимые скорости прогрева металла.
Энергоблоки мощностью 200 МВт с барабанными котлами также пускаются на скользящем давлении. Дополнительным фактором, ограничивающим темп пуска на этих энергоблоках, является скорость и равномерность прогрева барабана котла, что должно учитываться при формировании программ пуска. Температура пара при пуске энергоблоков с барабанными котлами поддерживается теми же впрыскивающими охладителями, которые работают в нормальных режимах.
Л.2 Требования к оборудованию и регулирующим органам, определяемые условиями автоматизации
Л.2.1 Для повышения надежности работы и упрощения системы АР энергоблока его оборудование и тепловая схема должны удовлетворять ряду требований, основные из которых следующие:
- тепловая схема и оборудование энергоблока должны выполняться таким образом, чтобы автоматическое управление ими осуществлялось с использованием минимального числа органов управления. В частности, следует по возможности сокращать количество вспомогательных механизмов, используемых для решения общих задач авторегулирования; уменьшать количество охладителей для регулирования температуры на общем потоке; исключить необходимость регулирования соотношения «топливо-воздух» на каждую горелку;
- каждый регулирующий орган должен влиять, главным образом, на изменение того параметра, для регулирования которого он предназначен, и оказывать малое влияние на другие регулируемые параметры. Так, например, в двухпоточных прямоточных котлах не следует выполнять переброс потоков с одной половины по ширине котла на другую, так как это затрудняет возможность компенсации тепловых перекосов путем перераспределения потоков воды;
- регулирующее воздействие должно влиять на регулируемый параметр с возможно меньшей инерционностью по сравнению с возмущающими воздействиями. Исходя из этого условия должны, в частности, выбираться места размещения охладителей для регулирования температуры пара; пыле приготовительные установки, выполненные по схеме прямого вдувания и обладающие значительной инерционностью, должны предусматривать возможность динамической форсировки выноса пыли из мельниц для компенсации их инерционности при регулировании подачи топлива;
- регулирование нагрузки в пределах регулировочного диапазона должно обеспечиваться за счет воздействия на регулирующие органы подачи топлива без изменения количества находящихся в работе топливоподающих устройств (питателей, горелок);
- для обеспечения необходимой приемистости энергоблока в аварийных режимах при открытии клапанов турбины на 30 % полного хода с одновременным воздействием на органы управления нагрузки котла показатель приемистости текущее и установившееся отклонение мощности энергоблока;
- динамические свойства энергоблока, связанные с поддержанием давления пара перед турбиной за счет воздействия на органы управления нагрузкой котла и клапаны турбины, должны быть таковы, чтобы при одновременном скачкообразном воздействии на оба указанных регулирующих органа на значение, соответствующее изменению нагрузки блока на 10 %, максимальное отклонение давления пара, но превышало допустимые пределы, установленные для энергоблока по условиям надежности;
- в диапазоне регулируемых нагрузок в нормальном (не аварийном) режиме эксплуатации энергоблоки должны допускать изменение мощности без ограничения скорости в пределах ±7 % номинального значения для энергоблоков сверхкритического давления и 10 % для энергоблоков докритического давления. Сверх этих пределов скорость изменения нагрузки энергоблока в том же направлении ограничена значением 0,3 %/мин для энергоблоков сверхкритического давления и 0,5 %/мин для энергоблоков докритического давления;
- для плановых изменений нагрузки (от 2 до 3 раз в сутки) в диапазоне регулируемых нагрузок энергоблоки должны допускать изменение мощности на ±20 % номинальной мощности для энергоблоков сверхкритического давления и на ±25 % для энергоблоков докритического давления, со скоростью до 4 %/мин для энергоблоков с газомазутными котлами и до 2 %/мин для энергоблоков с пылеугольными котлами.
При дальнейшем изменении нагрузки в том же направлении должно допускаться изменение мощности со скоростью не менее 0,7 %/мин для энергоблоков сверхкритического давления и 1 %/мин для энергоблоков докритического давления.
Л.2.2 Основные требования к регулирующим органам:
- диапазоны регулирования должны выбираться с запасом в обоих направлениях по отношению к диапазону, определяемому из условий статических режимов, для обеспечения необходимого динамического перерегулирования.
Эти запасы, в частности, должны составлять: по расходу топлива - по 10 % в обоих направлениях; по тяге и дутью - по 5 % в обоих направлениях; по расходу питательной воды - 5 % в направлении максимума и 10 % в направлении минимума; по температуре пара промперегрева - от 10 до 15 °С при номинальной нагрузке. Максимальный расход воды на охладители свежего пара должен в два раза превышать расчетное (статическое) значение.
Регулировочные характеристики питательных насосов в моноблочных установках с прямоточными котлами должны обеспечивать возможность регулирования общего расхода питательной воды во всем диапазоне регулирования при использовании регулирующих питательных клапанов на потоках для распределения расходов воды по потокам при минимальном дросселировании;
- регулирующие органы в пределах регулировочного диапазона должны иметь, как правило, линейные характеристики с различием между крутизной в разных точках характеристики, не превышающим 1,5.
Для тех участков регулирования, динамические свойства которых зависят от положения регулирующего органа, должны предусматриваться криволинейные характеристики, компенсирующие влияние изменяющейся динамики объекта автоматического регулирования;
- в целях упрощения системы регулирования характеристики отдельных регулирующих органов должны по возможности выбираться с учетом использования этих органов для автоматического регулирования в пусковых режимах;
- перестановочные усилия для привода регулирующих органов должны быть примерно одинаковыми в обоих направлениях;
- пропуск регулирующих органов в закрытом положении должен быть минимальным и должен сохраняться практически неизменным в течение всего межремонтного периода. Допустимое значение пропуска при закрытом регулирующем органе определяется техническими требованиями конкретных контуров регулирования.
Л.2.3 Исполнительные механизмы для привода регулирующих органов должны быть предназначены для работы при:
- температуре окружающего воздуха от минус 30 до плюс 50 °С;
- относительной влажности до 98 % при температуре 35 °С;
- вибрации с частотой до 25 Гц и амплитудой 1 мм;
- наличии в окружающей среде пыли и брызг воды.
Питание исполнительных механизмов должно осуществляться переменным током напряжением 380/220 В частотой 50 ± 1 Гц или 415/240 В частотой 60 ± 1 Гц. Допустимые отклонения напряжения питания от +10 до -15 %.
Исполнительные механизмы должны иметь следующие основные характеристики:
- время полного хода выбирается из нормального ряда в диапазоне от 25 до 160 с;
- люфт не более 1 %;
- выбег выходного вала при сопутствующей нагрузке 50 % номинальной не более 0,5 % при времени полного хода до 40 с и не более 0,25 % при времени полного хода 63 с и более.
Л.3 Требования к объему и качеству автоматического регулирования
Л.3.1 Основными задачами САР энергоблока являются (см. вклейку) регулирование:
- мощности энергоблока в соответствии с требованиями энергосистемы;
- внутриблочных технологических процессов и параметров, обеспечивающее надежную и экономичную работу энергоблока в регулировочном диапазоне нагрузок;
- в пусковых режимах.
Л.3.2 Автоматическое регулирование мощности является наиболее сложной и многообразной задачей в системе регулирования энергоблока.
Это обусловлено, с одной стороны, энергосистемными требованиями к маневренным характеристикам энергоблока, определяющими качество отработки энергоблоком изменений мощности при изменении задания, а также необходимостью взаимодействия с энергосистемными устройствами противоаварийной автоматики, с другой необходимостью учета при регулировании мощности внутриблочных требований по поддержанию давления пара перед турбиной или положения клапанов турбины при работе на скользящем давлении, появлением технологических ограничений, препятствующих требуемым изменениям мощности в широких пределах (ограничений по расходу топлива или воздуха, исчерпанием диапазонов регулирования и др.), действием технологических защит при возникновении аварийных ситуаций и др.
В соответствии с указанными требованиями система АР мощности должна обеспечить:
- изменение активной мощности до заданного значения с заданной скоростью (плановые изменения мощности);
- изменение активной мощности в соответствии с изменением задания, носящим случайный характер (неплановые изменения мощности);
- изменение активной мощности при отклонении частоты в сети за заданные пределы в соответствии с установленной статической характеристикой «частота - мощность»;
- взаимодействие с устройствами противоаварийной автоматики и переход на послеаварийный уровень мощности, задаваемый противоаварийной автоматикой;
- поддержание заданных значений давления свежего пара перед турбиной или положения регулирующих клапанов турбины с разрешением дозированных динамических отклонений указанных параметров - в целях повышения приемистости энергоблока;
- предотвращение понижения давления свежего пара перед турбиной ниже минимально допустимого уровня;
- предотвращение недопустимых термических напряжений в деталях турбины за счет соответствующего ограничения темпа изменения мощности энергоблока;
- минимальное рассогласование между заданным и фактическим значением мощности в случая возникновения технологических ограничений с сохранением при этом основных технологических параметров энергоблока в допустимых пределах;
- перевод энергоблока на заданное значение нагрузки при действии внутриблочных (технологических) защит.
В процессе выполнения перечисленных функций система АР мощности должна воздействовать на мощность турбины, устанавливать задание регуляторам нагрузки котла, осуществлять обработку аналоговой и дискретной информации, поступающей от устройств противоаварийной автоматики, регуляторов котла и турбины, и в случае необходимости изменять свою структуру.
Л.3.3 Регулирование внутриблочных технологических процессов обеспечивается значительным количеством автоматических регуляторов.
В зависимости от мощности энергоблока, планируемых режимов его работы, вида ожигаемого топлива, особенностей тепловой схемы и оборудования, принятых способов регулирования и других факторов количество контуров регулирования на разных энергоблоках колеблется от 50 до 100.
С позиций АР на энергоблоке могут быть выделены следующие основные участки регулирования:
- подачи топлива в котел;
- газовоздушного режима котла;
- подачи питательной воды;
- температуры свежего пара;
- температуры пара промперегрева;
- параметров вспомогательного оборудования турбоустановки;
- параметров общеблочного вспомогательного оборудования.
Регулирование подачи топлива, определяющее нагрузку котла, осуществляется в соответствии с заданием, поступающим от системы регулирования мощности, и должно обеспечить поддержание заданной мощности энергоблока.
Регулятор топлива устанавливает подачу топлива в котел, воздействуя в зависимости от вида сжигаемого топлива на регулирующие клапаны (газ, мазут) или станции бесступенчатого регулирования питателей пыли или сырого угля.

Рисунок Л.1 Обобщенная структурная схема АР энергоблока с прямоточным котлом
На котлах с молотковыми и среднеходными мельницами регулятор топлива в некоторых случаях управляет подачей топлива не непосредственно, а через индивидуальные регуляторы загрузки мельниц. Последние, воздействуя на соответствующие питатели сырого топлива, поддерживают задаваемую регулятором топлива загрузку мельниц; в случае необходимости эти регуляторы позволяют перераспределить нагрузку между отдельными мельницами.
Регулирование газовоздушного режима котла включает в себя автоматическое регулирование подачи воздуха в котел и разрежения в верхней части топки (последнее - на котлах с уравновешенной тягой).
Подача воздуха в котел устанавливается регулятором в соответствии с нагрузкой котла, обеспечивая оптимизацию процесса сжигания топлива. Расход воздуха регулируется воздействием на направляющие аппараты дутьевых вентиляторов (или на частоту вращения турбовоздуходувок), и его значение автоматически корректируется по содержанию свободного кислорода в дымовых газах. Разрежение в топке поддерживается регулятором разрежения, воздействующим на направляющие аппараты дымососов.
Задачи регулирования подачи питательной волн для барабанных и прямоточных котлов существенно различны.
На барабанных котлах АР питания осуществляется трехимпульсным регулятором уровня в барабане котла, воспринимающим сигналы по расходам пара, воды, уровню и воздействующим на регулирующий клапан на линии подачи воды в котел.
Основной задачей АР питания прямоточных котлов является поддержание заданного состояния среды (обычно температуры) в промежуточном сечении водопарового тракта котла на каждом из потоков. Кроме того, при регулировании питания должны решаться и дополнительные задачи: распределение расхода между потоками, минимальное дросселирование потоков в регулирующих питательных клапанах и др. Необходимый расход питательной воды на прямоточных котлах устанавливается регулятором питания путем изменения подачи питательных насосов с обеспечением заданного соотношения между их подачами, а распределение расходов по потокам водопарового тракта производится регулирующими питательными клапанами котла, один из которых находится в положении полного открытия для снижения потерь на дросселирование.
Регулирование температуры свежего пара на каждом из потоков ведется двумя или тремя регуляторами (в зависимости от количества пароохладителей) путем изменения расхода воды, поступающей в соответствующий пароохладитель. Регуляторы выполняются по двухконтурной схеме с опережающим сигналом по температуре пара за впрыском. Кроме того, для обеспечения необходимого диапазона регулирования регулятор, стоящий ближе к выходу из котла, в случае необходимости корректирует в требуемом направлении заданное значение температуры регулятору, стоящему перед ним.
Регулирование температуры пара промперегрева также выполняется по двухконтурной схеме с воздействием на соответствующие регулирующие органы.
Неблагоприятная динамика объекта приводит нередко к необходимости применения ПИД-закона регулирования и использования дополнительных опережающих сигналов по возмущениям.
Регулятор аварийного впрыска настраивается на поддержание температуры несколько большей, чем номинальная; в связи с этим он находится в режиме ожидания и вступает в работу только при повышении температуры пара промперегрева выше установленного значения.
Регулирование параметров вспомогательного оборудования турбо-установки (давления пара, поступающего на лабиринтовые уплотнения турбины; уровня в конденсаторе и регенеративных подогревателях, температуры масла за маслоохладителями) обеспечивается регуляторами, воздействующими на соответствующие регулирующие клапаны. При этом регуляторы уровня, как правило, выполняются статическими (с жесткой обратной связью по положению регулирующего органа).
Регулирование параметров общеблочного вспомогательного оборудования (давления и уровня в деаэраторе, давления и температуры редукционно-охладительных установок, испарительных установок и др.) обеспечивается регуляторами, отличающимися в большинстве случаев простой структурой, а их количество определяется конкретной тепловой схемой энергоблока.
Л.3.4 Автоматическое регулирование в пусковых режимах носит специфический характер, что обусловлено необходимостью выполнения в процессе пуска не только регулирования аналоговых технологических параметров расхода, давления, температуры и др.), но и выполнением ряда дискретных операций для обеспечения нормального функционирования автоматических регуляторов в условиях изменяющихся характеристик объектов управления, возникновения технологических ограничений, изменения состава работающего оборудования и др.
Таким образом, решение задач регулирования в пусковых режимах требует применения комбинированных аналого-дискретных систем.
Характерными особенностями режимов пуска, оказывающими влияние на структуру системы автоматизации пусковых режимов, являются:
- изменение в процессе пуска технологических схем;
- необходимость перехода с одних регулирующих органов на другие;
- существенные изменения условий работы регулирующих органов в процессе пуска;
- значительные изменения статических и динамических характеристик регулируемых участков.
Особенностью АР при пуске является также необходимость программного изменения заданных значений для ряда регулируемых параметров. При этом программы могут быть заданы либо в виде заранее определенных зависимостей от некоторых исходных тепловых состояний энергоблока и времени, либо формироваться на базе математических моделей с использованием непосредственных измерений параметров текущего теплового состояния оборудования энергоблока.
В обоих случаях возникновение технологических ограничений должно сопровождаться приостановом реализации программы и стабилизацией регулируемых параметров на достигнутом уровне.
В процессе пуска на энергоблоках с прямоточными котлами системой пусковой автоматики должны решаться следующие основные задачи:
- увеличение тепловой нагрузки котла по заданной программе; при этом на котлах, работающих на твердом топливе, должно быть предусмотрено регулирование растопочного и основного топлива и автоматический переход на основное топливо на соответствующих этапах пуска;
- регулирование тягодутьевого режима в соответствии с режимом увеличения тепловой нагрузки котла;
- поддержание растопочного расхода питательной воды в каждом из водопаровых трактов котла до выхода на прямоточный режим и регулирование заданного соотношения «топливо - вода» па последующих этапах пуска;
- подъем температуры свежего пара и пара промперегрева по заданным программам;
- поддержание заданного давления среды перед встроенными задвижками в котле до их открытия;
- регулирование сброса среды из встроенных сепараторов с минимальным количеством пара в сбрасываемой среде вплоть до выхода на прямоточный режим;
- поддержание номинального давления свежего пара перед турбиной после открытия встроенных задвижек до окончания процесса пуска;
- регулирование давления воды, подаваемой на впрыски.
На энергоблоках с барабанными котлами задачи АР при пуске такие же, как и на прямоточных котлах (за исключением регулирования, связанного с узлом встроенных сепараторов).
По-иному ведется на барабанных котлах регулирование подачи питательной воды в котел, которая устанавливается пусковым регулятором уровня, учитывающим изменения давления в барабане и связанное с этим изменение плотности воды; по другим критериям формируются на барабанных котлах и программы повышения нагрузки и параметров пара.
Регулирование в процессе пуска осуществляется как штатными (работающими в нормальных режимах), так и специальными пусковыми регуляторами, которые отключаются по окончании соответствующих этапов пуска. Кроме того, в систему автоматики пуска входят устройства, формирующие программы изменения параметров и дискретные команды, необходимые для нормальной работы автоматики в пусковых режимах.
Л.3.5 Качество АР при решении перечисленных выше задач АР энергоблока должно удовлетворять ряду общих требований, а также требованиям, регламентированным техническими условиями на соответствующее оборудование, нормативными и другими документами.
Общим требованием ко всем контурам АР является их устойчивая работа (отсутствие автоколебаний) в пределах регулировочного диапазона, а для пусковых регуляторов - в пусковых режимах.
Для регуляторов с импульсным (релейным) выходом частота включений должна быть ограничена и при неизменном значении заданной нагрузки в среднем не должна превышать 6 включений в минуту.
Показателями качества АР отдельных параметров принимаются:
- максимальное отклонение
регулируемого параметра под влиянием случайно действующих эксплуатационных
возмущений при неизменном значении заданной нагрузки
;
- максимальное отклонение
регулируемого параметра σмакс и
интегральный квадратичный критерий
при скачкообразном изменении заданного
значения нагрузки на 10 %.
Показатели качества регулирования основных общеблочных параметров - мощности турбогенератора, давления свежего пара перед турбиной (в режиме постоянного давления) или положения регулирующих клапанов турбины (в режиме скользящего давления) - в пределах регулировочного диапазона должны быть не хуже значений, приведенных в таблице R.1.
Таблица Л.1
|
Параметр |
% |
% |
I1 (%)2 О |
Примечание |
|
Активная мощность турбогенератора |
±3 |
- |
1500 |
При участии анергоблока в регулировании энергосистемных параметров |
|
12000 |
При стабилизации давления пара перед турбиной |
|||
|
Давление свежего пара перед турбиной |
±2 |
±3 |
1000 |
Для энергоблоков с барабанными котлами |
|
±2 |
2000 |
Для энергоблоков с прямоточными котлами |
||
|
Положение регулирующих клапанов турбины |
±2 |
±5 |
2000 |
В режиме скользящего давления |
Показатели качества регулирования основных параметров котла в пределах регулировочного диапазона нагрузок от 70 до 100 % должны быть не более значений, приведенных в таблице Л.2.
Таблица Л.2
|
|
|
I1 |
|
|
Уровень в барабане котла |
± 20 мм |
± 50 мм |
- |
|
Температура свежего пара на выходе из котла |
±6 °С |
±8 °С |
5000 (°С)2-о |
|
Температура пара промперегрева на выходе из котла |
±6 °С |
±10 °С |
10000 (°С)2-о |
|
Содержание свободного кислорода в дымовых газах: для котлов, работающих на мазуте с малыми избытками воздуха |
±0,2 % |
±0,3 % |
10 (%)2-о |
|
для котлов, работающих без поддержания малых избытков воздуха |
±0,5 % |
±1 % |
200 (%)2-о |
|
Разрежение в верхней части топки котла |
±20 Па (2 кгс/м2) |
± 30 Па (3 кгс/м2) |
- |
Максимальные отклонения (σэ макс) основных регулируемых параметров вспомогательных систем турбоустановки в регулировочном диапазоне нагрузок не должны превышать:
- давления пара в коллекторе лабиринтовых уплотнений турбины ±5 кПа (0,05 кгс/см2);
- уровня воды в конденсаторе турбины ±150 мм;
- уровня конденсата греющего пара в регенеративных подогревателях ±150 мм;
- давления в деаэраторе ±20 кПа (0,2 кгс/см2):
- уровня воды в деаэраторе ±200 мм.
В пусковых режимах максимальные отклонения параметров по отношению к заданным по программам пуска должны быть:
- расхода питательной воды по каждому из водопаровых потоков не более ±10 % заданного;
- температуры свежего и пара промперегрева - не более ±20 °С
Л.4 Требования к техническим средствам автоматического регулирования
Л.4.1 Реализация перечисленных выше задач АР должна осуществляться с помощью комплекса технических средств, обеспечивающих формирование команд управления регулирующими органами в соответствии с заданной структурой системы АР и значением измеренных технологических параметров объектов управления.
Л.4.2 Система АР может выполняться:
- на базе набора приборов (блоков, модулей), входящих в комплект аппаратуры, предназначенной специально для решения задач АР;
- на базе средств микропроцессорной техники;
- в виде комбинированной системы, состоящей из средств микропроцессорной техники и из отдельных блоков аппаратуры АР.
- выходной сигнал - унифицированный сигнал постоянного тока с полным диапазоном изменения в пределах 0 - 5 мА; 0 - 20 мА; 4 - 20 мА; 0 - 10 В и с уровнем пульсаций не более 0,6 %;
- сопротивление нагрузки:
- не более 2,5 кОм для выходного сигнала 0 - 5 мА;
- не более 1,0 кОм для выходного сигнала 0 - 20 и 4 - 20 мА;
- не менее 2,0 кОм для выходного сигнала 0 - 10 В;
- основная погрешность ±0,5, ±1,0 или ±1,5 %. Выбор типа первичного преобразователя определяется необходимой точностью поддержания регулируемого параметра;
- время вхождения выходного сигнала в зону допускаемой основной погрешности (быстродействие) при скачкообразном изменении входного сигнала на 100 % не должно превышать 1,5 с. Указанное время не учитывает инерционности собственно измерителя (термоэлектрического преобразователя, устройств газового анализа и др.), которая определяется конструкцией конкретных технических средств и должна быть по возможности минимальной;
- питание должно
осуществляться от сети переменного тока напряжением
В с частотой 50 ± 1 Гц;
- выходные цепи гальванически отделены от цепей питания я входных цепей;
- работа при температуре окружающей среды от 5 до 60 °С, относительной влажности от 30 до 80 % и не более 98 % при температуре до 35 °С, атмосферном давлении от 84 до 106 кПа (от 630 до 800 мм рт. ст.) и вибрации частотой до 25 Гц и амплитудой до 0,1 мм;
- показатели надежности:
а) вероятность безотказной работы за 2000 ч не менее 0,98;
б) среднее время восстановления не более 1,5 ч;
в) средний срок службы не менее 10 лет.
- принять информацию от первичных и измерительных преобразователей, связанных с объектами управления, и от других блоков системы;
- произвести необходимую статическую и динамическую обработку поступивших сигналов с помощью одного или нескольких соединенных между собой блоков;
- выдать команды (сигналы) на исполнительные механизмы и устройства индикации в соответствии с принятой структурой системы АР;
- изменять параметры статической и динамической настройки и структуру системы при изменении соответствующих дискретных и (или) аналоговых входных сигналов;
- позволять оператору-технологу энергоблока производить ручное (дистанционное) изменение заданных значений регулируемых параметров и отключение (включение) каждого из регуляторов и осуществлять ручное (дистанционное) управление исполнительными механизмами отключенных регуляторов.
В состав блоков (модулей) должны входить следующие блоки:
- регулирующий с непрерывным (аналоговым) выходным сигналом, реализующий П-, ПИ- и ПИД-законы регулирования;
- регулирующий с импульсным (трехпозиционным) выходным сигналом, реализующий ПИ- и ПИД-законы регулирования совместно с исполнительным механизмом с постоянной скоростью;
- динамического преобразования входного сигнала по заданному настройкой закону;
- интегрирования аналогового или импульсных сигналов;
- алгебраических операций;
- нелинейных преобразований;
- выделения экстремального сигнала;
- аналого-релейного преобразования.
Блоки (модули) имеют следующие параметры:
- входы блоков, на которые поступает непрерывный (аналоговый) сигнал, должны быть рассчитаны на прием унифицированного сигнала по п. Л.4.3 и иметь следующие значения входного сопротивления:
а) не более 250 Ом для входного сигнала 0 - 5 мА;
б) не более 80 Ом для входного сигнала 0 - 20 и 4 - 20 мА;
в) не менее 10 кОм для входного сигнала 0 - 10 В;
- выходной сигнал блоков с непрерывным (аналоговым) выходом должен быть унифицированным сигналом с характеристиками по п. Л.4.3;
- входы блоков, рассчитанные на прием дискретных сигналов, должны принимать сигналы в виде замыкания «сухих» контактов и (или) напряжения постоянного тока 24 В;
- дискретные и импульсные выходные сигналы блоков могут выдаваться в виде:
а) замыкания «сухих» контактов;
б) замыкания бесконтактного ключа, гальванически отделенного от входных цепей;
в) изменения выходного напряжения постоянного тока от 2,4 до 24 В.
Основные характеристики регулирующих блоков:
- диапазон изменения (настройки) коэффициента передачи 0,3 - 100 (в блоке с импульсным выходом - для времени полного хода исполнительного механизма 100 с);
- диапазон изменения постоянной времени дифференцирования 1 - 600.с;
- диапазон изменения постоянной времени интегрирования 1 - 1200 с;
- возможность демпфирования входного сигнала с диапазоном настройки постоянной времени демпфера 0 - 20 с;
- автоподстройка коэффициента передачи и (или) постоянной времени интегрирования при изменении соответствующих унифицированных входных сигналов или ступенчатое (не менее трех ступеней.) изменение этих значений при замыкании «сухих» контактов, подключенных к соответствующим входам;
- диапазон настройки как верхнего, так и нижнего уровней ограничения выходного сигнала в регулирующем блоке с аналоговым выходом от 0 до 100 %;
- диапазон настройки зоны нечувствительности от 0,2 до 2,0 %;
- диапазон настройки длительности интегральных импульсов в регулирующем блоке с импульсным выходом от 0,1 до 1,0 с.
Блок динамического преобразования должен осуществлять преобразование входного сигнала по одному из следующих законов, устанавливаемых при настройке: интегральному, дифференциальному, апериодическому, пропорциональному, интегро-дифференциальному.
Основные характеристики блока:
- входной и выходной сигналы согласно п. Л.4.4;
- диапазон настройки коэффициента пропорциональности от 0,1 до 10,0;
- диапазон настройки постоянных времени 1 - 1000 с;
- возможность интегрирования и апериодического преобразования импульсного входного сигнала напряжением ±24 В постоянного тока;
- возможность дополнительного демпфирования входного сигнала с диапазоном настройки постоянной времени демпфера от 0 до 20 с;
- возможность изменения этих значений при замыкании «сухих» контактов, подключенных к соответствующим входам.
Блок интегрирования аналогового или импульсных входных сигналов должен обеспечивать интегральное преобразование указанных сигналов с сохранением информации при перерывах питания и восстановлением выходного сигнала при восстановлении питания.
Основные характеристики блока:
- входной и выходной сигналы согласно п. Л.4.4 также импульсный входной сигнал +24 В постоянного тока;
- диапазон настройки постоянной времени интегрирования от 5 до 2000 с;
- изменение выходного сигнала после перерывов питания не более 0,5 % номинального диапазона;
- возможность ограничения верхнего и нижнего уровней выходного сигнала с диапазоном настройки от 0 до 100 %;
- возможность быстрого (не более 1 с) изменения выходного сигнала в любом из направлений при замыкании «сухих» контактов, подключенных к соответствующим входам.
Блоки алгебраических операций должны включать в себя блок алгебраического суммирования с масштабированием каждого из входных сигналов и блок для выполнения одной из следующих операций, устанавливаемых при настройке: умножение двух сигналов, деление двух сигналов, извлечение квадратного корня.
Основные характеристики блоков:
- входные и выходные сигналы согласно п. Л4.4;
- количество входов в блоке суммирования до четырех с гальваническим разделением один от другого и от остальных цепей, а также дополнительный вход от внутреннего источника (корректора);
- погрешность преобразования гальванического разделения и вычислительных операций не более 0,2 %;
- диапазон изменения масштаба при масштабировании входных сигналов 0 - 100 %.
Блок нелинейных преобразований должен обеспечить возможность кусочно-линейной аппроксимации не менее чем на шести участков входного унифицированного сигнала.
Коэффициент передачи нелинейного элемента должен устанавливаться в диапазоне от -10 до +10, а точки излома характеристики в диапазоне от 0 до 100 %.
Блок выделения экстремального сигнала должен обеспечивать выделение максимального или минимального из четырех входных унифицированных сигналов.
Блок аналого-релейного преобразования должен обеспечить выдачу дискретного (релейного) сигнала, когда разность между двумя входными унифицированными сигналами становится равной или большей нуля.
Основные характеристики блока:
- входные сигналы в соответствии с п. Л.4.4;
- диапазон изменения порога срабатывания от 0 до 100 %;
- диапазон изменения зоны возврата от 0,1 до 5,0 %;
- погрешность срабатывания не более 0,5 %;
- возможность демпфирования одного из входных сигналов с диапазоном настройки постоянной времени демпфера от 0 до 20 с.
Комплект аппаратуры АР должен включать ряд дополнительных устройств, устанавливаемых на щите управления энергоблока и предназначенных для связи оператора-технолога с системой АР.
В состав этих устройств должны входить:
- задатчики для ручного (дистанционного) изменения заданного значения регулируемых параметров;
- задатчик для ручной установки унифицированного сигнала с параметрами по п. R4.3 и погрешностью не более 0,5 %;
- устройство для ручного (дистанционного) управления нагрузкой и безударного переключения с ручного на автоматический режим регулирования блока с аналоговым выходом;
- устройство для ручного (дистанционного) включения и отключения регулирующего блока с импульсным выходом и дистанционного управления исполнительным механизмом;
- индикаторы-указатели положения регулирующего органа (исполнительного механизма) и значения рассогласования регулируемого параметра и задания.
Питание блоков и устройств АР
должно осуществляться от сети переменного тока напряжением
В с частотой 50 ± 1 Гц.
Блоки (модули) комплекта аппаратуры АР должны устанавливаться на щитовых панелях или в шкафах, размещаемых в помещениях средств управления энергоблоком, и должны сохранять свои характеристики при температуре окружающей среды от 5 до 50 °С, относительной влажности от 30 до 80 %, атмосферном давлении от 84 до 106 кПа (от 630 до 800 мм рт. ст.), отсутствии в помещении примесей агрессивных газов и паров, вибрации с частотой до 25 Гц и амплитудой до 0,1 мм.
Показатели надежности и долговечности для каждого из блоков АР:
- вероятность безотказной работы от 0,97 до 0,99 за 2000 ч (в зависимости от технической сложности блока);
- среднее время восстановления для каждого блока (модуля) не более 1 ч;
- средний срок службы не менее 10 лет.
Выполнение общих источников питания для группы блоков (модулей) не должно приводить к заметному снижению надежности системы по сравнению с применением индивидуальных источников питания в каждом из блоков.
Требования к общему первичному регулированию частоты
М.1 Все электростанции ЕЭС и изолированно работающих энергосистем России должны участвовать в ОПРЧ в соответствии с требованиями к организации и осуществлению процесса, техническим средствам регулирования, изложенными в СТО утвержденном Приказом ОАО РАО «ЕЭС России» № 535 от 31.08.2007.
М.2 Готовая к общему первичному регулированию тепловая электростанция, энергоблок должны удовлетворять следующим основным требованиям:
М.2.1 Совокупность энергетического и вспомогательного оборудования, технологической автоматики энергоблока, электростанции, используемые режимы их эксплуатации должны позволять в пределах установленного регулировочного диапазона нагрузок поддерживать диапазон первичного регулирования (ДПР) величиной до 20 % номинальной мощности.
М.2.2 При однократном изменении мощности турбоагрегата в пределах ДПР на ±10 % номинальной под воздействием регулятора частоты вращения (РЧВ) переходный процесс мобилизации первичной мощности должен укладываться в границы, установленные настоящим стандартом, а новая заданная мощность должна поддерживаться всем энергетическим оборудованием и технологической автоматикой энергоблока, электростанции неограниченное время.
В течение переходного процесса и далее при поддержании нового значения мощности технологические параметры режима энергоустановки не должны выходить за допустимые пределы.
При повторных изменениях мощности турбоагрегата под воздействием РЧВ в пределах ДПР с интервалом не менее 10 мин в любом направлении мощность энергоблока, электростанции должна успевать стабилизироваться и удерживаться на новом требуемом значении до следующего изменения.
Переходный процесс после каждого изменения мощности также должен укладываться в границы, установленные настоящим стандартом, а параметры режима энергоустановки не должны выходить за допустимые пределы.
М.2.3 При выходе мощности турбоагрегата под воздействием РЧВ за пределы ДПР средства технологической автоматики не должны допускать нарушений нормального режима энергоустановки либо угрозы ее аварийного останова.
М.2.4 Автоматический регулятор частоты вращения турбины должен постоянно контролировать режим турбоагрегата, обеспечивая устойчивость работы и участие турбоагрегата в первичном регулировании частоты путем автоматического изменения мощности при изменении частоты его вращения.
М.2.5 Мертвая полоса системы первичного регулирования не должна превышать 0,15 Гц (±0,075 Гц при фиксированной уставке по скорости вращения вала и частоте сети).
М.2.6 Статизм по мощности за пределами мертвой полосы должен быть 4 - 6 %.
М.2.7 Режимы оборудования, при которых автоматический регулятор частоты вращения турбоагрегата не может выполнять своих функций, не должны допускаться.
М.2.8 Частотные корректоры регуляторов мощности любых типов должны лишь помогать работе регулятора частоты вращения турбины, не заменяя его и не ухудшая его статических и динамических характеристик, в том числе при аварийных режимах турбоагрегата и энергоблока.
М.2.9 Технологическая автоматика котла и турбины должна способствовать эффективной работе РЧВ турбины путем своевременного изменения их нагрузки в целях поддержания нового заданного значения активной мощности в процессе первичного регулирования частоты без выхода параметров технологического процесса за допустимые пределы.
Н.1 Общие сведения о процессе и объекте
Общие сведения о процессе горения и газомазутных котлах приведены в Приложении И2.
При регулировании подачи топлива и воздуха в котел можно поддерживать как расход этих параметров, так и их давление. Так как расход топлива прямо пропорционален нагрузке котла, то регулятор топлива чаще всего выполняют как регулятор расхода.
В практике автоматизации процесса горения котлов для измерения расхода воздуха применяются как прямые способы измерения с помощью установки в воздушном коробе прямоугольных диафрагм, расходомерных труб Вентури и мультипликаторов, так и косвенные.
Для котлов малой производительности наиболее распространено измерение перепада давлений на участке воздушного тракта. Для котлов с трубчатым воздухоподогревателем таким участком воздушного тракта обычно является воздухоподогреватель, сопротивление которого однозначно определяет расход воздуха. В то же время использование сопротивления регенеративного воздухоподогревателя, применяемого на современных мощных котлах, не дает хорошего результата, так как в этом случае не существует однозначной зависимости между расходом воздуха и сопротивлением воздухоподогревателя. При сжигании твердого и жидкого топлива происходит занос теплообменных поверхностей нагрева регенеративного воздухоподогревателя, поэтому его сопротивление изменяется в процессе эксплуатации. Кроме того, при нарушении уплотнений возникают значительные перетоки воздуха в газоход. Недостатком метода измерения расхода воздуха по сопротивлению воздухоподогревателя является также малое значение перепадов давлений на нем. При этом значение перепада давлений при низких нагрузках опять становится соизмеримым со значением пульсаций.
Другим косвенным показателем расхода воздуха может служить давление воздуха. На сегодняшний день использование именно этого параметра во многом определяет работоспособность регуляторов воздушного режима котлов. На рисунке Н.1 показан пример типовой схемы регулирования нагрузки барабанного котла, работающего на общую паровую магистраль на ТЭС с поперечными связями. Здесь регулятор общего воздуха поддерживает давление воздуха в перемычке за регенеративным воздухоподогревателем (в общем коробе), получая задание по расходу топлива (нагрузке). Статическая характеристика давления воздуха от нагрузки, строго говоря, не является линейной. Однако ее кривизна существенна лишь при малых нагрузках, где режимная автоматика, как правило, не работает, а в регулируемом диапазоне изменения расходов воздуха (например, 50 - 100 % номинального) может считаться линейной (рисунок Н.2).
ГР - главный регулятор; S - разрежение в топке; Gм - расход мазута; О2 - содержание кислорода
Рисунок Н.1 - Типовая схема регулирования нагрузки барабанного котла
Корректирующий регулятор по кислороду (Корр.) на схеме (рисунок Н.1) показан пунктиром. Эти регуляторы из-за отсутствия в настоящее время надежного, малоинерционного, а главное, пригодного в эксплуатации способа измерения содержания кислорода не отличаются высокой работоспособностью и не нашли пока широкого применения на отечественных электростанциях. В большинстве случаев регулирование воздушного режима ведется по схеме «топливо - воздух».
Наладка и испытания системы регулирования процесса горения (рисунок Н.1), в частности на котле БКЗ-420 и на котле ТГМП-344А при сжигании мазута, показали высокую работоспособность схемы с обеспечением необходимого качества регулирования. Указанные типы котлов являются наиболее распространенными на действующих ТЭЦ. Прямоточный котел ТГМП-344А работает в блоке с турбиной Т-250 в режиме поддержания малых избытков воздуха. При этом обеспечение данного режима успешно выполняется автоматикой. В диапазоне нагрузок 50 - 100 % номинальной на котле не изменяется состав горелочных устройств. Иначе обстоит дело при работе котла БКЗ-420. При сжигании мазута в процессе разгружения сначала отключаются две форсунки (из восьми работающих), а при дальнейшем более глубоком снижении нагрузки еще одна.
Рисунок Н.2 - Статические характеристики давления мазута (рм), перепада давлений «воздух - топка» (Δрвт) и расхода мазута (Gм) котла БКЗ-420-140 при работе на шести и восьми форсунках (ф)
Следует отметить, что отключение горелок (в меньшем количестве) происходит и при разгружении на газе.
Статическая характеристика датчика перепада давлений «воздух - топка» (при постоянном разрежении в топке это есть по сути давление воздуха за регенеративным воздухоподогревателем) показана на рисунке Н.2 и состоит из двух примерно эквидистантных, но смещенных отрезков. Как отмечалось ранее, эти отрезки с достаточной степенью точности могут быть аппроксимированы прямыми линиями. Испытания системы регулирования процесса горения на котле БКЗ-420 (без корректора по кислороду) позволяют сделать вывод о том, что как на шести, так и на восьми работающих форсунках автоматика уверенно обеспечивает такие обобщенные показатели качества регулирования, как содержание кислорода в уходящих газах и температура пара на выходе из котла на уровне, определенном режимной картой котла для данной нагрузки.
При постоянной величине разрежения в топке давление воздуха после регулирующего органа (направляющего аппарата дутьевого вентилятора) однозначно связано с расходом. Однако это условие соблюдается при отсутствии переменных сопротивлений в воздушном тракте и постоянном числе работающих горелок. Изменение числа работающих горелок или изменение положения шиберов на горелках вызывает перераспределение характеристики сети после регулирующего органа, в результате чего импульс по давлению воздуха оказывается непредставительным. Кроме того, на некоторых котлах конструкцией воздуховодов предусматривается врезка напорных линий дымососов рециркуляции газов не в топку котла, а в подводящие короба к горелкам. Если в первом случае изменение давления в топке, связанное с изменением степени рециркуляции дымовых газов, быстро устраняется регулятором разрежения и не приводит к изменению характеристик сети, то во втором случае новое установившееся давление в общем коробе заставляет регулятор общего воздуха изменять расход, нарушая правильность соотношения «топливо - воздух».
Однако факт влияния перемещения воздушных шиберов и рециркуляции газов на работу регулятора общего воздуха может быть устранен в процессе наладки основного оборудования и собственно регулятора. Так, положение шиберов на горелках устанавливается, как правило, один раз при первых пусках котла после завершения монтажных работ. Дальнейшие попытки технологической регулировки режима горения посредством перераспределения воздушного потока между горелками в процессе эксплуатации, как показывает опыт наладки котельного оборудования, не дает положительных результатов.
Отстройка регулятора общего воздуха от возмущений, наносимых изменением загрузки дымососов рециркуляции, может быть достигнута посредством введения в схему регулятора импульса по положению направляющих аппаратов дымососов.
Что же касается режима изменения количества включенных горелок, то работа схемы рисунок Н1 в этом режиме происходит следующим образом. При переходе от 6 горелок к 8 (котел БКЗ-420) после открытия воздушных шиберов давление воздуха резко понижается, однако быстро восстанавливается регулятором общего воздуха. После розжига 2 мазутных форсунок расход мазута увеличится из-за снижения сопротивления линии, но будет быстро восстановлен за счет работы регулятора топлива. В результате прежнему значению расхода мазута будет соответствовать новое давление топлива перед горелками (рисунок Н2). Процесс сопровождается значительными колебаниями давления в воздушном тракте благодаря отработке регулятором воздуха возмущений по каналу задания. По завершении процесса давление воздуха останется на прежнем уровне (согласно неизменной нагрузке котла), но при 8 работающих горелках. Это свидетельствует о том, что расход воздуха вырос примерно на 30 %.
При разгружении котла и переходе с 8 горелок на 6 давление топлива устанавливается на повышенном значении при прежнем расходе, который поддерживается регулятором топлива. Соответственно прежним остается и давление воздуха, но при 6 включенных горелках. Таким образом расход воздуха на данной нагрузке котла снизился на 25 % по отношению к оптимальному.
При неработающем корректоре по кислороду восстановить режим может лишь оператор путем изменения задания регулятору общего воздуха. Следует отметить, что существующие способы формирования импульса по содержанию кислорода в уходящих газах обладают большой инерционностью, а некоторые малоинерционные не всегда пригодны к использованию в схемах авторегулирования. По этой причине далее работающий корректирующий регулятор по кислороду будет восстанавливать соотношение «топливо - воздух» после процедуры переключения горелок довольно продолжительное время, что в условиях работы котла с неполным сгоранием топлива (переход с 8 горелок на 6) неприемлемо.
Кроме того, процесс изменения нагрузки на котлах, работающих на общую паровую магистраль, достаточно динамичный. Например, котел БКЗ-420 в плановом режиме может изменить паропроизводительность на 100 т/ч за 10 - 12 мин. При этом оператор дистанционно без дополнительных временных затрат производит изменение состава горелочных устройств с последующим восстановлением соотношений параметров согласно режимным указаниям. Понятно, что восстановление этих соотношений посредством корректирующего регулятора по кислороду продолжительностью 5 - 6 мин плохо вписывается в эту картину. Ручная корректировка задания регулятору общего воздуха после переключения горелок, как об этом упоминалось выше, тоже требует от оператора времени и внимания.
В итоге оперативный персонал котлотурбинного цеха предпочитает порой отключать регуляторы горения в переменных режимах работы котла, если заданный диспетчером диапазон снижения или увеличения паровой нагрузки сопровождается изменением состава горелочных устройств. Наблюдается парадокс: оператор стремится избавиться от автоматики в переменных режимах работы оборудования, т.е. именно тогда, когда эта автоматика призвана облегчить производственный процесс.
Чтобы это назначение авторегуляторов в свете рассматриваемой проблемы действительно выполнялось, необходимо, чтобы работа автоматики в период переключения горелок не только отвечала требованиям соблюдения режимных соотношений, но и протекала в темпе работы оператора котла. Очевидно, что для этого, в первую очередь, необходимо, чтобы регуляторы процесса горения не содержали инерционных параметров, каковым является, в частности, импульс по кислороду. Здесь, естественно, имеется в виду только режим изменения состава горелочных устройств. Во всех остальных режимах полезность использования корректирующего регулятора по кислороду как координатора соотношения «топливо - воздух» не вызывает сомнений.
Н.3 Способы управления подачей топлива и воздуха на котле в режимах изменения количества работающих горелок
В практике наладки и эксплуатации систем автоматического регулирования процесса горения, а также в специальной литературе утвердилось мнение, что для котлов, сжигающих жидкое топливо и работающих в широком диапазоне изменения нагрузок, когда возникает необходимость отключения части работающих горелок, метод измерения расхода воздуха по давлению является неприемлемым. Однако, как было показано в предыдущих разделах настоящей работы, измерение давления воздуха во многих случаях оказывается единственной возможностью для организации автоматического управления подачей воздуха в котел.
В этой связи на рисунке Н.3 показана схема регулирования процесса горения котла, работающего с переменным составом горелочных устройств при отсутствии измерения расхода воздуха. Необходимо еще раз подчеркнуть, что схема ориентирована не только на котлы, сжигающие мазут в форсунках без парового распыла, где отключение отдельных форсунок при снижении нагрузки является необходимым условием работоспособности оборудования. Довольно часто такой режим наблюдается и на котлах, оборудованных паро-механическими форсунками, а также при сжигании газа. В этом случае подобный режим нельзя признать нормальным, и проистекает он из причин несовершенства, разрегулировки или старения основного оборудования, а порой в силу определенного консерватизма оперативного персонала и стремления сохранить повышенный запас устойчивости по горению на низкой нагрузке. Эти обстоятельства, однако, весьма серьезны, и с ними приходится считаться.
В схеме рисунка Н.3 регулятор общего воздуха поддерживает давление в перемычке за регенеративным воздухоподогревателем в соответствии с заданием по давлению сжигаемого топлива. Соотношение этих давлений выбирается из режимной карты (рисунок Н.2) и является величиной постоянной для данного типа котла, зависящей только от вида топлива и количества работающих горелок. Из рисунка Н.2 видно, что крутизна статических характеристик давления мазута и воздуха при переходе от 6 горелок к 8 несколько меняется, однако степень этого изменения одинакова. Это означает, что зависимость давления воздуха от давления топлива носит одинаковый характер при любом составе горелочных устройств.
Таким образом, при включении или отключении горелок регулятор общего воздуха без дополнительной перенастройки установит давление перед горелками в соответствии с требованиями режима для данной нагрузки.
Регулятор топлива выполнен по каскадной схеме. Стабилизирующий контур поддерживает давление топлива за регулирующим клапаном согласно заданию, которое поступает от корректирующего регулятора. Корректор поддерживает расход топлива пропорционально заданной нагрузке.
Таким образом, в схеме формируется автоматическое задание регулятору давления топлива, которое определяется нагрузкой котла. При изменении количества работающих горелок для сохранения прежнего расхода топлива (нагрузки) регулятор перемещает клапан в новое положение. При этом перед горелками устанавливается такое давление, которое при новом составе горелочных устройств способно обеспечить первоначальный расход топлива в котел.
В свою очередь регулятор общего воздуха приводит в соответствие давление воздуха с новым установившимся давлением топлива. Этим будет восстановлен существовавший до переключения горелок расход воздуха, а, следовательно, и соотношение «топливо - воздух».
В схеме на рисунке Н.3 отсутствуют элементы, способные вызвать запаздывание в работе регуляторов. Такие сигналы, как расход и давление, в динамическом отношении являются практически безынерционными. Корректор по кислороду в схеме не задействован. Отдельного разговора заслуживает импульс по положению направляющих аппаратов дымососов рециркуляции (указатель положения направляющих аппаратов дымососов рециркуляции - УПрец). Как отмечалось ранее, если врезка напорных линий дымососов выполнена в подводящие воздуховоды, то изменение степени рециркуляции дымовых газов при неработающем корректоре по кислороду может привести к нарушению соотношения «топливо - воздух». Например, при увеличении загрузки дымососов рециркуляции повысится давление воздуха перед горелками, что заставит регулятор общего воздуха уменьшить загрузку дутьевого вентилятора. В результате при неизменном расходе топлива подача воздуха в котел снизится.
Рисунок Н.3 - Схема регулирования процесса горения котла, работающего с переменным составом горелочных устройств
Введение в схему регулятора общего воздуха сигнала, характеризующего подачу дымососов рециркуляции (в данном случае используется наиболее простой импульс по положению направляющих аппаратов), преследует цель сделать регулятор индифферентным к возмущению изменением загрузки дымососов. Статическая настройка в первом приближении выбирается из соображений уравновешивания на входе регулятора величины возмущения (УПрец) сигналом изменения давления воздуха, соответствующим этому возмущению.
Структура системы регулирования процесса горения, представленная на рисунке Н.3, удовлетворяет всем требованиям, изложенным в разделах H1 и Н2. На котлах, где по различным причинам невозможно или нецелесообразно прямое измерение расхода воздуха и где существует необходимость в изменении состава горелочных устройств, схема обеспечивает поддержание основных параметров и их соотношений, характеризующих топочный процесс как в стационарных, так и в нестационарных, динамических режимах. В последнем случае имеется в виду не только режим переключения горелок, где, как указывалось ранее, схема оперативно отрабатывает нанесенные возмущения и обеспечивает экономичность горения. Важно то, что эта процедура может выполняться одновременно с плановым изменением нагрузки, которое осуществляется от автоматического задатчика главного регулятора или регулятора мощности (если котел работает в блоке с турбиной). В этом случае при переключении горелок давления топлива и воздуха будут устанавливаться не на фиксированном значении, а в соответствии с планомерно изменяющимся заданием от корректирующего регулятора расхода топлива.
Это обстоятельство особенно существенно, так как алгоритмически совпадает с действиями оператора при дистанционном переключении горелок и неработающей автоматике горения. Дело в том, и мы уже говорили об этом, что оператор котла всегда стремится уйти (если это возможно по условиям поддержания заданной нагрузки) от режима работы с низким давлением топлива перед горелками. Так, при расходе пара 320 т/ч (рисунок Н.2) и давлении мазута 34 кгс/см2 обеспечивается хороший распыл на 6 форсунках. Включение 2 дополнительных форсунок при стабилизированном расходе топлива вызывает резкое и глубокое понижение давления. Из-за опасения погасания факела в таком динамическом режиме оператор одновременно с включением дополнительных форсунок увеличивает расход топлива, а, следовательно, и нагрузку котла.
Работа схемы рисунка Н.3 в ситуации, описанной выше, происходит следующим образом.
После розжига двух дополнительных форсунок стабилизирующий контур регулятора топлива, стремясь удержать первоначальное давление, откроет топливный клапан, чем будет исключен динамический провал давления. По факту возросшего расхода топлива корректирующий регулятор уменьшит уставку подчиненному регулятору, что вызовет перемещение мазутного клапана в сторону прикрытия. Прикрытие клапана будет продолжаться до тех пор, пока расход топлива не установится на уровне, соответствующем заданию от главного регулятора. Если это задание в процессе подключения форсунок планово увеличивалось, то установившийся расход будет превышать исходный. Если же процесс изменения состава горелок происходил при фиксированной нагрузке, то новый расход будет равен первоначальному при новом, однако, положении мазутного клапана (это положение изменилось как реакция на изменение характеристики сети после включения двух форсунок). В любом случае давление топлива как функция заданного расхода при 8 работающих форсунках установится на уровне, соответствующем режимной карте котла.
В свою очередь, регулятор общего воздуха на протяжении всех операций с топливом, которые были описаны выше, будет поддерживать соотношение «топливо - воздух». При этом избыточность в подаче воздуха будет наблюдаться только в первый момент перед розжигом мазутных форсунок, когда открываются воздушные шиберы на горелках. По завершении переходных процессов давление воздуха будет установлено регулятором согласно статической настройке, т.е. также в соответствии с режимной картой.
При снижении нагрузки котла после отключения двух мазутных форсунок соотношение «топливо - воздух» будет также кратковременно нарушено, но оно быстро восстановится благодаря работе регулятора воздуха после закрытия воздушных шиберов на отключаемых горелках. Регулятор топлива сначала начнет прикрывать клапан, но потом под воздействием корректора расхода переведет его в новое положение. Это положение может несколько превышать первоначальное, если в период изменения количества работающих форсунок разгрузка котла была приостановлена, а также может быть равно или меньше первоначального, если разгружение котла продолжалось.
Примечания:
Используемый в существующих схемах регулирования процесса горения сигнал по давлению воздуха делает неработоспособной автоматику в технологических режимах, связанных с изменением количества работающих горелок котла.
Применение корректора кислорода не может радикально решить проблему, так как значительная инерционность данного параметра входит в противоречие с динамизмом процесса изменения нагрузки котла, когда и осуществляется включение или отключение горелок.
Приведенная схема регулирования процесса горения позволяет обеспечить работоспособность системы в режимах изменения состава горелочных устройств с сохранением высокого качества регулирования и необходимой точности поддержания режимных соотношений.
П.1 Общая часть
П.1.3 Значения параметров, при которых срабатывают защиты (значения уставок срабатывания), а также значения выдержек времени срабатывания защит устанавливаются заводами-поставщиками оборудования и изменяются только по согласованию с ними. Значения выдержек времени указаны ориентировочно и уточняются по опыту эксплуатации.
Значения уставок, не оговоренные в заводской документации, определяются при наладке защищаемого оборудования.
П.1.4 Объем и технические условия приняты с учетом следующего:
П.1.4.1 Перед каждой газовой горелкой парового или водогрейного котла единичной тепловой производительностью более 420 ГДж/ч установлен предохранительно-запорный клапан (ПЗК) и запорное устройство с электроприводом или ПЗК. Каждая горелка такого котла оснащена запально-защитным устройством (ЗЗУ), обеспечивающим селективный контроль факела горелки во всех режимах работы котла. Растопка котла может начинаться с розжига любой горелки.
П.1.4.2 Перед каждой мазутной горелкой котла установлено хотя бы одно запорное устройство с электроприводом. Второе запорное устройство (первое по ходу мазута к горелке) может иметь ручной привод или электропривод. Каждая горелка, с которой, согласно инструкции по пуКИПиА котла, может начинаться растопка, оснащена ЗЗУ, обеспечивающим селективный контроль факела горелки до ввода защиты по погасанию общего факела в топке котла. Растопка котла может начинаться с розжига любой горелки, оснащенной ЗЗУ.
П.1.4.3 В технических условиях на выполнение защит указано минимально необходимое количество датчиков. В конкретном проекте оно может быть увеличено.
П.1.4.4 Комплект каждой защиты состоит из необходимого количества максимально независимых каналов контроля измеряемой величины (ее измерения и сравнения с уставкой срабатывания), логической схемы получения сигнала защиты, схемы формирования команд на исполнительные устройства, устройства сигнализации и фиксации срабатывания.
- Защита, имеющая два датчика, выполняется либо по схеме «два из двух», либо по схеме «один из двух», имеет два независимых канала контроля измеряемой величины.
Срабатывание защиты, выполненной по схеме «два из двух», происходит при достижении контролируемой величиной установленного предела (уставки срабатывания) в обоих каналах контроля.
Срабатывание защиты, выполненной по схеме «один из двух», происходит при достижении контролируемой величиной установленного предела хотя бы в одном канале контроля.
- Защита, имеющая три датчика, выполняется по схеме «два из трех», имеет три независимых канала контроля измеряемой величины.
Срабатывание защиты происходит при достижении контролируемой величиной установленного предела в любых двух каналах контроля.
П.1.5 Технические условия на автоматический ввод и вывод защит изложены в разделе П5.
П.2 Перечень технологических защит
Защиты, действующие на останов водогрейного котла
П.2.1 Понижение давления воды за котлом.
П.2.2 Повышение давления воды за котлом.
П.2.3 Повышение температуры воды на выходе из котла.
П.2.4 Понижение расхода воды через котел.
П.2.5 Повышение температуры воды на выходе из котла с недогревом до температуры насыщения (выполняется вместо защит по п.п. П2.1 и П2.3 при наличии технической возможности формирования уставки).
П.2.6 Погасание общего факела в топке.
П.2.7 Понижение давления газа.
П.2.8 Понижение давления мазута.
П.2.9 Понижение давления в системе смазки мельниц с прямым вдуванием при централизованной подаче масла.
П.2.10 Отключение всех дымососов.
П.2.11 Отключение всех дутьевых вентиляторов.
П.2.12 Отключение всех вентиляторов первичного воздуха.
П.2.13 Отключение всех мельничных вентиляторов при транспортировке пыли сушильным агентом от этих вентиляторов.
Защиты, действующие на останов парового котла
П.2.14 Повышение уровня в барабане.
П.2.15 Понижение уровня в барабане.
П.2.16 Погасание общего факела в топке.
П.2.17 Понижение давления газа.
П.2.18 Понижение давления мазута.
П.2.19 Понижение давления в системе смазки мельниц с прямым вдуванием при централизованной подаче масла.
П.2.20 Отключение всех дымососов.
П.2.21 Отключение всех дутьевых вентиляторов.
П.2.22 Отключение всех регенеративных воздухоподогревателей.
П.2.23 Отключение всех вентиляторов первичного воздуха.
П.2.24 Отключение всех мельничных вентиляторов при транспортировке пыли сушильным агентом от этих вентиляторов.
Защиты, действующие на останов турбины
П.2.25 Осевое смещение ротора.
П.2.26 Понижение давления в системе смазки.
П.2.27 Повышение давления в конденсаторе.
П.2.28 Повышение частоты вращения ротора.
П.2.29 Повышение виброскорости корпусов подшипников турбоагрегата (для турбин мощностью 50 МВт и выше).
П.2.30 Понижение температуры свежего пара перед турбиной.
П.2.31 Повышение температуры свежего пара перед турбиной ТМЗ.
П.2.34 Понижение расхода воды через обмотку статора генератора (при наличии водяного охлаждения).
П.2.35 Понижение расхода воды на газоохладители генератора (для машин мощностью 60 МВт и выше при наличии промконтура охлаждения или градирен).
П.2.37 Срабатывание защит генератора при внутренних повреждениях блока генератор-трансформатор.
П.2.38 Отключение генератора от сети вследствие внешних повреждений (для теплофикационных турбин, конденсатор которых может работать на сетевой воде).
П.2.39 Повышение перепада давлений на последней ступени турбины с противодавлением.
П.2.40 Повышение давления пара в горизонтальном сетевом подогревателе теплофикационной турбины (при отсутствии полнопроходного предохранительного клапана).
П.2.41 Повышение температуры масла за маслоохладителями турбины ТМЗ при пониженном давлении воды перед маслоохладителями (для турбин, имеющих конденсатор и предназначенных для работы в режиме с противодавлением).
Защиты, действующие на останов питательного насоса
П.2.42 Понижение давления в системе смазки.
П.2.43 Неоткрытие вентиля рециркуляции при достижении минимально допустимого расхода через насос.
П.2.44 Понижение давления на стороне нагнетания.
Защиты, действующие на снижение нагрузки котла до 50 % номинальной
П.2.45 Отключение одного из двух дымососов.
П.2.46 Отключение одного из двух дутьевых вентиляторов.
П.2.47 Отключение одного из двух регенеративных воздухоподогревателей.
П.2.48 Отключение одного из двух вентиляторов первичного воздуха.
П.2.49 Отключение одного из двух мельничных вентиляторов при транспортировке пыли сушильным агентом от этих вентиляторов.
Примечания:
- Значение нагрузки, до которой разгружается котел при отключении одного из двух механизмов, уточняется при наладке по производительности наименее мощного механизма, остающегося в работе.
- При наличии на котле более двух одноименных механизмов необходимость и глубина разгрузки при отключении одного из них определяются в конкретном проекте.
П.2.50 Повышение температуры свежего пара за котлом
Защиты, производящие локальные операции
Защиты котла
П.2.51 Повышение давления свежего пара до уставки открытия предохранительных клапанов (если установлено дистанционно управляемое импульсное предохранительное устройство).
П.2.52 Повышение уровня в барабане.
П.2.53 Потускнение общего пылеугольного факела в топке.
П.2.54 Невоспламенение первой или погасание факела всех газовых горелок, оснащенных ПЗК и ЗЗУ, или всех мазутных горелок, оснащенных ЗЗУ, при растопке котла.
П.2.55 Невоспламенение или погасание факела газовой горелки, оснащенной ПЗК и ЗЗУ, или мазутной горелки, оснащенной всережимным ЗЗУ.
П.2.56 Понижение давления в топке газоплотного котла.
П.2.57 Повышение давления в сепараторе непрерывной продувки котла.
Защиты турбины
П.2.58 Понижение давления в системе смазки до уставки АВР маслонасосов.
П.2.59 Понижение давления в системе смазки до уставки отключения валоповоротного устройства.
П.2.60 Повышение уровня в ПВД.
П.2.61 Понижение давления греющего пара в ПВД (для электростанций с деаэраторами повышенного давления).
П.2.62 Повышение уровня в сетевом подогревателе теплофикационной турбины.
Защиты питательного насоса
П.2.63 Понижение расхода воды через насос.
П.3 Технические условия на выполнение технологических защит
Защиты, действующие на останов водогрейного котла
П.3.1 Понижение давления воды за котлом.
Давление контролируется одним датчиком в трубопроводе до задвижки на выходе из котла.
Защита с выдержкой времени до 9 с действует на останов котла согласно п. П4.1.
П.3.2 Повышение давления воды за котлом.
В защите используется тот же датчик, что и в защите по п. П3.1.
Защита действует на останов котла согласно п. П4.1.
П.3.3 Повышение температуры воды на выходе из котла.
Температура контролируется одним датчиком.
Защита действует на останов котла согласно п. П4.1.
П.3.4 Понижение расхода воды через котел.
Расход контролируется одним датчиком.
Защита с выдержкой времени до 9 с действует на останов котла согласно п. П4.1.
П.3.5 Повышение температуры воды на выходе из котла с недогревом до температуры насыщения (выполняется вместо защит по п.п. П3.1 и П3.3 при наличии аппаратуры формирования уставки).
Температура воды сравнивается с величиной температуры насыщения при данном давлении; зависимость температуры насыщения от давления задается путем линеаризации pi-диаграммы в рабочем диапазоне одним или двумя отрезками прямой линии. Защита срабатывает при повышении температуры воды до значения немного ниже температуры насыщения.
Защита с выдержкой времени до 20 с действует на останов котла согласно п. П4.1.
П.3.6 Погасание общего факела в топке.
Факел в топке (секции топки) контролируется одним комплектом приборов. На котлах с топкой, разделенной двухсветным экраном защита выполняется отдельно в каждой секции топки. Защита срабатывает, если прибор зафиксировал погасание факела в топке (секции топки).
Защита действует на останов котла согласно п. П4.1.
При погасании пылеугольного факела защита действует с выдержкой времени до 9 с.
На котлах со всережимными датчиками факела горелок допускается выполнение защиты с контролем факела каждой горелки. Защита срабатывает при погасании в топке (секции топки) факела всех горелок. При этом защита «Невоспламенение при растопке» (п. П2.53) не выполняется.
П.3.7 Понижение давления газа.
Давление контролируется одним датчиком за регулирующим клапаном на общей линии подвода газа к котлу.
На газовых котлах защита действует на останов котла согласно п. П4.1.
На котлах, сжигающих несколько видов топлива, защита действует на отключение подачи газа согласно п. П.1.1 (действие на запорные устройства на линии подачи газа к котлу - импульсное), а также, если газ является преобладающим топливом (таблица П1.6), - на останов котла согласно п. П4.1.
П.3.8 Понижение давления мазута.
Давление контролируется одним датчиком за регулирующим клапаном на общей линии подвода мазута к котлу.
Защита действует с выдержкой времени до 20 с.
На мазутных котлах защита действует на останов котла согласно п. П4.1.
На котлах, сжигающих несколько видов топлива, защита действует на отключение подачи мазута согласно п. П.1.2 (действие на запорные устройства на линиях подачи мазута к котлу и рециркуляции - импульсное), а также, если мазут является преобладающим топливом (таблица П.1.7), - на останов котла согласно п. П.4.1.
П.3.9 Понижение давления в системе смазки мельниц с прямым вдуванием при централизованной подаче масла.
Давление контролируется одним датчиком.
Защита с выдержкой времени до 9 с. действует на останов котла согласно п. П4.1. при положении «Пыль» переключателя топлива.
П.3.10 Отключение всех дымососов.
Защита срабатывает при отключении выключателей электродвигателей всех дымососов и действует на останов котла согласно п. П4.1.
П.3.11 Отключение всех дутьевых вентиляторов.
Защита срабатывает при отключении выключателей электродвигателей всех дутьевых вентиляторов и действует на останов котла согласно п. П4.1.
П.3.12 Отключение всех вентиляторов первичного воздуха.
Защита срабатывает при отключении выключателей электродвигателей всех вентиляторов первичного воздуха и действует на останов котла согласно п. П.4.1 при положении «Пыль» переключателя топлива.
П.3.13 Откючение всех мельничных вентиляторов при транспортировке пыли сушильным агентом от этих вентиляторов.
Защита срабатывает при отключении выключателей электродвигателей всех мельничных вентиляторов и действует на останов котла согласно п. П4.1 при положении «Пыль» переключателя топлива.
Защиты, действующие на останов парового котла.
П.3.14 Повышение уровня в барабане.
Количество и схема включения датчиков определяются заводом.
На котлах с топкой, разделенной двухсветным экраном, устанавливаются два комплекта защит - по одному с каждой стороны барабана.
Защита действует на останов котла согласно п. П4.2 и на закрытие запорных задвижек и регулирующих питательных клапанов на подводе питательной воды к котлу.
П.3.15 Понижение уровня в барабане.
В защите используются те же датчики, что и в защите по п. П3.14.
Защита действует на останов котла согласно п. П4.2 и на закрытие запорных задвижек и регулирующих питательных клапанов на подводе питательной воды к котлу.
П.3.16 Погасание общего факела в топке.
Факел в топке (секции топки) контролируется не менее, чем двумя комплектами приборов. На котлах с топкой, разделенной двухсветным экраном, факел контролируется отдельно в каждой секции топки.
Защита срабатывает, если все приборы, контролирующие общий факел в топке (секции топки), зафиксировали его погасание, и действует на останов котла согласно п. П4.2.
При погасании пылеугольного факела защита действует с выдержкой времени до 9 с.
На котлах со всережимными датчиками факела горелок допускается выполнение защиты с контролем факела каждой горелки. Защита срабатывает при погасании в топке (секции топки) факела всех горелок. При этом защита «Невоспламенение при растопке» (п. П2.53) не выполняется.
П.3.17 Понижение давления газа.
Количество и схема включения датчиков определяются заводом.
Давление контролируется за регулирующим клапаном на общей линии подвода газа к котлу.
На газовых котлах защита действует на останов котла согласно п. П4.2.
На котлах, сжигающих несколько видов топлива, защита действует на отключение подачи газа согласно п. П4.2.1 (команды на закрытие задвижки и отсечного клапана на линии подвода газа к котлу - импульсные), кроме того, если газ является преобладающим топливом (таблица П1.8), защита действует на останов котла согласно п. П4.2.
П.3.18 Понижение давления мазута.
Количество и схема включения датчиков определяются заводом.
Давление контролируется за регулирующим клапаном на общей линии подвода мазута к котлу.
Защита действует с выдержкой времени до 20 с.
На мазутных котлах защита действует на останов котла согласно п. П.4.2.
На котлах, сжигающих несколько видов топлива, защита действует на отключение подачи мазута согласно п. П4.2.2 (команды на закрытие задвижек и отсечных клапанов на линии подвода мазута к котлу и линии рециркуляции - импульсные), кроме того, если мазут является преобладающим топливом (таблица П1.9), защита действует на останов котла согласно п. П4.2.
П.3.19 Понижение давления в системе смазки мельниц с прямым вдуванием при централизованной подаче масла.
Давление контролируется не менее, чем двумя датчиками. На традиционных средствах защита выполняется по схеме «два из двух».
Защита с выдержкой времени до 9 с. действует на останов котла согласно п. П4.2. при положении «Пыль» переключателя топлива.
П.3.20 Отключение всех дымососов.
Защита срабатывает при отключении всех выключателей электродвигателей дымососов и действует на останов котла согласно п. П4.2.
П.3.21 Отключение всех дутьевых вентиляторов.
Защита срабатывает при отключении всех выключателей электродвигателей дутьевых вентиляторов и действует на останов котла согласно п. П4.2 и на отключение всех дутьевых вентиляторов (команда формируется в схемах управления электродвигателей дутьевых вентиляторов).
П.3.22 Отключение всех регенеративных воздухоподогревателей.
Защита срабатывает при отключении всех выключателей электродвигателей регенеративных воздухоподогревателей и действует на останов котла согласно п. П4.2.
П.3.23 Отключение всех вентиляторов первичного воздуха.
Защита срабатывает при отключении выключателей электродвигателей всех вентиляторов первичного воздуха и действует на останов котла согласно п. П4.2. при положении «Пыль» переключателя топлива.
П.3.24 Отключение всех мельничных вентиляторов при транспортировке пыли сушильным агентом от этих вентиляторов.
Защита срабатывает при отключении выключателей электродвигателей всех мельничных вентиляторов и действует на останов котла согласно п. П4.2. при положении «Пыль» переключателя топлива.
Защиты, действующие на останов турбины.
П.3.25 Осевое смещение ротора турбины.
Защита реализуется комплектом аппаратуры, поставляемым совместно с турбиной.
Защита действует на останов турбины согласно п. П4.3.
П.3.26 Понижение давления в системе смазки турбины.
Количество и тип датчиков, а также схема их включения определяются заводом.
Защита с выдержкой времени до 3 с действует на останов турбины согласно п. П4.3.
П.3.27 Повышение давления в конденсаторе турбины.
Количество и тип датчиков, а также схема их включения определяются заводом.
Защита действует на останов турбины согласно п. П4.3.
П.3.28 Повышение частоты вращения ротора.
Контроль частоты вращения и останов турбины при аварийной частоте вращения обеспечивается системой регулирования турбины.
П.3.29 Повышение виброскорости корпусов подшипников турбоагрегата (для турбин мощностью 50 МВт и выше).
Защита срабатывает при аварийном повышении среднеквадратического значения виброскорости двух соседних опор по поперечной или вертикальной компоненте вибрации или по их сочетанию. Под соседними понимаются подшипники одного ротора или смежные подшипники разных роторов.
Защита с выдержкой времени 2 с действует на останов турбины согласно п. П4.3.
П.3.30 Понижение температуры свежего пара перед турбиной.
Защита выполняется отдельно для каждого подвода свежего пара к турбине.
Защита срабатывает при понижении температуры в стопорном клапане (или в непосредственной близости к нему) и в паропроводе свежего пара, подключенном к этому клапану. Каждая температура контролируется одной термопарой.
Примечание - При небольшой длине линии подвода пара к турбине термопары устанавливаются рядом и защита выполняется по схеме «два из двух».
Защита действует на останов турбины согласно п. П4.3.
П.3.31 Повышение температуры свежего пара перед турбиной ТМЗ.
Защита выполняется с использованием тех же датчиков, что и в защите по п. П3.30.
Защита срабатывает при повышении температуры пара, зафиксированном обоими датчиками, и с выдержкой времени до 3 мин. действует на останов турбины согласно п. П4.3.
П.3.32 Понижение уровня в демпферном маслобаке системы уплотнений вала генератора (для генераторов с водородным охлаждением).
Количество и схема включения датчиков определяются заводом.
Защита с выдержкой времени до 9 с действует на останов турбины согласно п. П4.3.
П.3.33 Отключение всех масляных насосов системы уплотнений вала генератора при отсутствии инжектора (для генераторов с водородным охлаждением).
Защита срабатывает при отключении электродвигателей всех насосов и с выдержкой времени до 9 с. действует на останов турбины согласно п. П4.3.
П.3.34 Понижение расхода воды через обмотку статора генератора (при наличии водяного охлаждения).
Расход контролируется не менее, чем двумя датчиками.
На традиционных средствах защита выполняется по схеме «два из двух».
Защита с выдержкой времени до 2 мин. действует на останов турбины согласно п. П4.3.
П.3.35 Понижение расхода воды на газоохладители генератора (для машин мощностью 60 МВт и выше при наличии промконтура охлаждения или градирен).
Расход контролируется не менее чем двумя датчиками. На традиционных средствах защита выполняется по схеме «два из двух».
Защита с выдержкой времени до 3 мин. действует на останов турбины согласно п. П4.3.
П.3.36 Отключение всех насосов газоохладителей генератора, если вода на охладители подается только от этих насосов (для всех машин мощностью ниже 60 МВт или для машин мощностью 60 МВт и выше при отсутствии промконтура охлаждения и градирен).
Защита с выдержкой времени до 3 мин. действует на останов турбины согласно п. П4.3.
П.3.37 Срабатывание защит генератора при внутренних повреждениях блока генератор-трансформатор.
Защита срабатывает при отключении генератора электрическими защитами от внутренних повреждений блока генератор-трансформатор.
Защита действует на останов турбины согласно п. П4.3.
П.3.38 Отключение генератора от сети вследствие внешних повреждений (для теплофикационных турбин, конденсатор которых может работать на сетевой воде).
Защита срабатывает при отключении генератора от сети любым выключателем или при срабатывании электрических защит, отключающих генератор, и действует на останов турбины согласно п. П4.3 и, независимо от состояния автоматического ввода, - на закрытие обратных клапанов на линиях отборов турбины и на включение блока релейной форсировки системы регулирования турбины.
Если турбина может работать на циркводе, устанавливается специальный ключ (таблицу П1.19) для вывода защиты в этом режиме.
П.3.39 Повышение перепада давлений на последней ступени турбины с противодавлением.
Перепад давлений контролируется одним датчиком.
Защита действует на останов турбины согласно п. П4.3.
П.3.40 Повышение давления пара в горизонтальном сетевом подогревателе теплофикационной турбины (при отсутствии полнопроходного предохранительного клапана).
Количество и схема включения датчиков определяются заводом.
Защита действует на останов турбины согласно п. П4.3.
П.3.41 Повышение температуры масла за маслоохладителями турбины ТМЗ при пониженном давлении воды перед маслоохладителями (для турбин, имеющих конденсатор и предназначенных к работе в режиме с противодавлением).
Каждый параметр контролируется одним датчиком.
Защита действует при достижении уставки обоими параметрами на останов турбины согласно п. П4.3.
Защиты, действующие на останов питательного насоса.
П.3.42 Понижение давления в системе смазки насоса.
Давление контролируется одним датчиком.
Защита с выдержкой времени до 3 с действует на останов ПЭН согласно п. П4.4.
П.3.43 Неоткрытие вентиля рециркуляции при достижении минимально допустимого расхода через насос.
Защита срабатывает при закрытом вентиле рециркуляции, если понизился расход воды через насос. Расход контролируется одним датчиком.
Защита с выдержкой времени до 15 с действует на останов ПЭН согласно п. П4.4.
П.3.44 Понижение давления на стороне нагнетания насоса.
Давление контролируется в напорном патрубке до обратного клапана одним датчиком.
Защита действует на останов ПЭН согласно п. П4.4. При действии защиты минимального напряжения останов ПЭН при понижении давления производится с выдержкой времени до 20 с.
Защиты, действующие на снижение нагрузки котла до 50 % номинальной.
П.3.45 Отключение одного из двух дымососов.
Защита срабатывает при отключении выключателя электродвигателя одного дымососа при включенном выключателе электродвигателя второго дымососа.
Защита с выдержкой времени до 1 с. действует на снижение нагрузки котла до 50 % согласно п. П4.5. Независимо от наличия условий ввода защиты, если были включены оба механизма, защита действует на закрытие направляющего аппарата остановившегося дымососа и на переключение воздействия регулятора разрежения на направляющий аппарат дымососа, оставшегося в работе.
П.3.46 Отключение одного из двух дутьевых вентиляторов.
Защита срабатывает при отключении выключателя электродвигателя одного дутьевого вентилятора при включенном выключателе электродвигателя второго дутьевого вентилятора.
Защита с выдержкой времени до 1 с действует на снижение нагрузки котла до 50 % согласно п. П4.5. Независимо от наличия условий ввода защиты, если были включены оба механизма, защита действует на закрытие направляющего аппарата остановившегося дутьевого вентилятора и на переключение воздействия регулятора общего воздуха на направляющий аппарат дутьевого вентилятора, оставшегося в работе.
П.3.47 Отключение одного из двух регенеративных воздухоподогревателей.
Защита срабатывает при отключении выключателей всех электродвигателей одного РВП при включенном выключателе любого электродвигателя второго РВП и с выдержкой времени до 1 с. действует на снижение нагрузки котла до 50 % согласно п. П4.5.
П.3.48 Отключение одного из двух вентиляторов первичного воздуха.
Защита срабатывает при отключении выключателя электродвигателя одного вентилятора при включенном выключателе электродвигателя второго вентилятора и положении «Пыль» переключателя топлива.
Защита с выдержкой времени до 1 с действует на снижение нагрузки котла до 50 % согласно п. П4.5. Независимо от наличия условий ввода защиты, если были включены оба механизма, защита действует на закрытие направляющего аппарата остановившегося вентилятора и на переключение воздействия регулятора на направляющий аппарат вентилятора, оставшегося в работе.
П.3.49 Отключение одного из двух мельничных вентиляторов при транспортировке пыли сушильным агентом от этих вентиляторов.
Защита срабатывает при отключении выключателя электродвигателя одного вентилятора при включенном выключателе электродвигателя второго вентилятора и положении «Пыль» переключателя топлива.
Защита с выдержкой времени до 1 с действует на снижение нагрузки котла до 50 % согласно п. П4.5. без выполнения операций по отключению топливоподающих устройств.
Примечание - Отключение топливоподающих устройств при срабатывании защит по п.п. П3.48 и П3.49 выполняется схемой технологических блокировок пылесистемы.
П.3.50 Повышение температуры свежего пара за котлом
Температура в каждом паропроводе контролируется не менее, чем двумя датчиками.
Защита выполняется для каждого паропровода (на традиционных средствах - по схеме «два из двух») и с выдержкой времени до 5 мин. действует на снижение нагрузки котла до 50 % номинальной согласно п. П4.5.
Защиты, производящие локальные операции.
Защиты котла
П.3.51 Повышение давления свежего пара до уставки открытия предохранительных клапанов (если установлено дистанционно управляемое импульсное предохранительное устройство).
Защита выполняется на напряжении аккумуляторной батареи.
Давление контролируется двумя датчиками в барабане котла и двумя датчиками за пароперегревателем.
Каждая пара датчиков управляет соответствующей группой импульсных предохранительных клапанов.
Команда на принудительное открытие группы предохранительных клапанов формируется при повышении давления по схеме «один из двух». Команда на принудительное закрытие клапанов формируется при понижении давления по схеме «два из двух».
Через 5 - 10 с. после подачи команды на закрытие напряжение, подаваемое на электромагниты закрытия, автоматически понижается до 50 % номинального.
П.3.52 Повышение уровня в барабане.
Уровень контролируется либо одним датчиком, либо датчиками защит по п.п. П3.14, П3.15.
Защита действует на открытие двух последовательно установленных задвижек на линии аварийного сброса воды из барабана.
После понижения уровня до значения, примерно соответствующего половине уставки открытия, обе задвижки автоматически закрываются.
П.3.53 Потускнение общего пылеугольного факела в топке.
Яркость факела контролируется одним комплектом приборов.
Защита действует на включение мазутных форсунок подхвата факела. На котлах с топкой, разделенной двухсветным экраном, защита выполняется отдельно для каждой секции топки.
П.3.54 Невоспламенение первой или погасание факела всех газовых горелок, оснащенных ПЗК и ЗЗУ, или всех мазутных горелок, оснащенных ЗЗУ, при растопке.
Защита срабатывает при отсутствии факела всех горелок в топке (секции топки).
Защита действует на отключение подачи всех видов топлива к котлу и горелкам, согласно п.п. П4.1.1 - П4.1.4 - для водогрейных котлов и п.п. П4.2.1 - П4.2.4 - для паровых котлов.
П.3.55 Невоспламенение или погасание факела газовой горелки, оснащенной ПЗК и ЗЗУ, или мазутной горелки, оснащенной всережимным ЗЗУ.
Защита срабатывает при погасании факела горелки или невоспламенении топлива в процессе розжига горелки.
Защита действует на отключение запального устройства данной горелки, закрытие запорных устройств на подводе топлива к данной горелке.
П.3.56 Понижение давления в топке газоплотного котла.
Защита выполняется с двумя датчиками (на традиционных средствах - по схеме «два из двух») и действует на отключение всех дымососов.
П.3.57 Повышение давления в сепараторе непрерывной продувки котла.
Давление контролируется одним датчиком. При двухступенчатой схеме включения сепараторов давление контролируется в сепараторе второй ступени.
Защита действует на закрытие запорного устройства на линии непрерывной продувки перед сепаратором котла.
Если к одному сепаратору подключены линии непрерывной продувки нескольких котлов, защита выполняется один раз и действует на закрытие запорных устройств на всех этих линиях.
Защита турбины
П.3.58 Понижение давления в системе смазки до уставки АВР маслонасосов.
Давление масла контролируется на уровне оси турбины одним датчиком на все уставки или несколькими датчиками, по одному на каждую уставку.
При понижении давления масла включается резервный маслонасос с электродвигателем переменного тока.
При последующем понижении давления включается аварийный маслонасос с электродвигателем постоянного тока и, при выполнении защит на микропроцессорных технических средствах, отключается валоповоротное устройство.
П.3.59 Понижение давления в системе смазки до уставки отключения валоповоротного устройства
Давление контролируется одним датчиком.
Защита организуется в цепях питания электродвигателя валоповоротного устройства.
П.3.60 Повышение уровня в ПВД.
Уровень в каждом ПВД контролируется одним датчиком.
Защита действует при повышении уровня в любом ПВД на открытие двух параллельно включенных импульсных запорных устройств, управляющих гидроприводом впускного клапана ПВД, на открытие задвижки на байпасной линии ПВД, закрытие задвижек на входе и выходе воды из группы ЦВД и задвижек на подводе пара к каждому ПВД.
П.3.61 Понижение давления греющего пара в ПВД (для электростанций с деаэраторами повышенного давления).
Давление контролируется в корпусе первого по ходу питательной воды ПВД одним датчиком.
Защита действует на открытие задвижки на линии дренажа конденсата из этого ПВД в конденсатор и на закрытие задвижки на линии дренажа конденсата из первого ПВД в деаэратор. При наличии сброса конденсата из второго ПВД в деаэратор, защита действует также на открытие задвижки на сбросе из второго ПВД в деаэратор и закрытие задвижки на сбросе из второго ПВД в первый.
При восстановлении давления в первом ПВД с выдержкой времени до 15 с. производят обратные переключения.
П.3.62 Повышение уровня в сетевом подогревателе теплофикационной турбины.
Турбина ТМЗ
Уровень в каждом сетевом подогревателе контролируется двумя датчиками, один из которых контролирует уровень в корпусе, второй - в конденсатосборнике подогревателя.
При повышении уровня в корпусе или конденсатосборнике ПСГ-2 защита действует на отключение этого подогревателя: закрытие обратных клапанов и задвижек на линии подачи пара к подогревателю и открытие задвижки на байпасной линии подогревателя. После начала открытия этой задвижки закрываются задвижки на сетевой воде до и после подогревателя.
При повышении уровня в корпусе или конденсатосборнике ПСГ-1 защита действует на отключение группы подогревателей: закрытие обратных клапанов и задвижек на линии подачи пара к ПСГ-2, открытие задвижки на общей байпасной линии. После начала открытия этой задвижки закрываются задвижки на сетевой воде до и после группы подогревателей.
Турбина ЛМЗ
Количество уровнемеров указывается в технических условиях завода. При повышении уровня во втором по ходу сетевой воды подогревателе защита действует на отключение этого подогревателя: закрытие задвижек на сетевой воде до и после подогревателя, а также на открытие задвижки на байпасной линии подогревателя.
При повышении уровня в первом по ходу сетевой воды подогревателе защита действует на отключение группы подогревателей: закрытие задвижек на сетевой воде до и после группы подогревателей, а также на открытие задвижки на общей байпасной линии.
Защиты питательного насоса
П.3.63 Понижение расхода воды через насос.
Расход контролируется датчиком, используемым в защите по п. П.43. Защита срабатывает при понижении расхода воды через насос.
Защита действует на открытие вентиля рециркуляции насоса.
Закрытие вентиля производится автоматически при увеличении расхода через насос с выдержкой времени до 3 мин.
П.4 Действия, выполняемые технологической защитой
П.4.1 Останов водогрейного котла
Останов котла производится путем отключения подачи всех видов топлива к котлу и горелкам:
П.4.1.1 Отключение подачи газа:
- закрытие отсечного клапана и задвижки на линии подвода газа к котлу,
- закрытие запорных устройств на линии подвода газа к каждой горелке,
- открытие запорных устройств на трубопроводах безопасности.
П.4.1.2 Отключение подачи мазута:
- закрытие отсечного клапана и задвижек на линии подвода мазута к котлу,
- закрытие запорных устройств на линии подвода мазута к каждой горелке,
- закрытие запорных устройств на линии рециркуляции мазута.
П.4.1.3 Прекращение подачи твердого топлива: отключение всех механизмов, подающих твердое топливо в котел.
П.4.1.4 Отключение всех запальных устройств:
- закрытие запорных устройств на общей линии подвода газа к запальным устройствам,
- отключение напряжения питания,
- закрытие клапана на линии подвода газа к каждому запальному устройству.
П.4.1.5 Отключение действия регулятора на направляющие аппараты дутьевых вентиляторов.
Примечание - Команды из схемы защит на исполнительные устройства сохраняются в течение времени, достаточного для выполнения наиболее продолжительной операции.
П.4.2 Останов парового котла
Останов котла производится путем выполнения следующих операций:
П.4.2.1 Отключение подачи газа:
- закрытие отсечного клапана и задвижки на линии подвода газа к котлу,
- закрытие запорных устройств на линии подвода газа к каждой горелке,
- открытие запорных устройств на трубопроводах безопасности.
П.4.2.2 Отключение подачи мазута:
- закрытие отсечного клапана и задвижек на линии подвода мазута к котлу,
- закрытие запорных устройств на линии подвода мазута к каждой горелке,
- закрытие запорных устройств на линии рециркуляции мазута.
П.4.2.3 Прекращение подачи твердого топлива: отключение всех механизмов, подающих твердое топливо в котел.
П.4.2.4 Отключение всех запальных устройств:
- закрытие запорных устройств на общей линии подвода газа к запальным устройствам,
- отключение напряжения питания,
- закрытие клапана на линии подвода газа к каждому запальному устройству.
П.4.2.5 Закрытие задвижек на линиях подвода к узлу впрыска питательной воды и собственного конденсата.
П.4.2.6 Отключение действия регулятора на направляющие аппараты дутьевых вентиляторов и прикрытие до заданного значения направляющих аппаратов дутьевых вентиляторов.
П.4.2.7 Наложение запрета на закрытие клапанов подачи вторичного воздуха к горелкам.
П.4.2.8 Открытие на время до 10 мин. задвижек на линии продувки пароперегревателя (выполняется, если есть решение главного инженера ТЭС).
П.4.2.9 Закрытие задвижек на паропроводах за котлом.
Примечание - Команды из схемы защит на исполнительные устройства сохраняются в течение времени, достаточного для выполнения наиболее продолжительной операции.
П.4.3 Останов турбины
Останов турбины производится путем выполнения следующих операций: закрытие стопорных и регулирующих клапанов турбины и других клапанов, управляемых системой регулирования, а также задвижек и их байпасов на линиях подвода пара к турбине и на промышленном отборе пара.
После закрытия стопорных клапанов и задвижек на промышленном отборе выполняются следующие операции:
- закрытие задвижек и их байпасов на линиях подвода пара к турбине и на промышленном отборе пара (повторная команда),
- закрытие обратных клапанов на линиях отбора пара,
- закрытие задвижек на линиях отбора пара к деаэратору, ПВД, ПНД, на собственные нужды и к посторонним потребителям,
- отключение рабочего трансформатора собственных нужд (при отсутствии выключателя в цепи генераторного напряжения),
Примечания - При наличии выключателя в цепи генераторного напряжения трансформатор собственных нужд отключается только при отключенных турбине и выключателе блока.
- отключение генератора от сети и гашение его поля.
Операции по отключению генератора от сети и гашению его поля выполняются после закрытия всех стопорных клапанов при наличии подтверждения от реле обратной мощности.
При срабатывании защит по п.п. П2.24, П2.25, П2.26, П2.28, П2.31, П2.32, П2.33, П2.34, П2.35 генератор отключается после закрытия всех стопорных клапанов без контроля наличия обратной мощности.
Примечание - Команды из схемы защит на исполнительные устройства сохраняются в течение времени, достаточного для выполнения наиболее продолжительной операции.
П.4.4 Останов питательного насоса
Останов ПЭН производится путем отключения выключателя электродвигателя. После отключения выключателя:
- закрывается задвижка на стороне нагнетания насоса,
- закрывается задвижка на трубопроводе питательной воды из промступени,
- открывается вентиль рециркуляции.
Примечание - Команды из схемы защит на исполнительные устройства сохраняются в течение времени, достаточного для выполнения наиболее продолжительной операции.
П.4.5 Снижение нагрузки котла до 50 % номинальной.
Снижение нагрузки котла производится путем снижения расхода топлива.
П.4.5.1 Для котлов, работающих на газе или мазуте:
При включенном регуляторе топлива - отключением от него задающего воздействия и установлением ему фиксированного задания на поддержание нагрузки 50 %.
При отключенном регуляторе топлива - дискретным воздействием на регулирующий орган расхода топлива до достижения соответствующего расхода, контролируемого одним прибором.
П.4.5.2 Для котлов, работающих на твердом топливе:
При включенном регуляторе топлива - отключением от него и от регулятора воздуха задающего воздействия и установлением им фиксированного задания на поддержание нагрузки 50 %.
При отключенном регуляторе топлива - дискретным изменением расхода топлива путем подключения задающего воздействия к СБР.
Кроме того, независимо от состояния регулятора топлива:
Отключается часть топливоподающих устройств следующим образом:
- при числе горелок не более 8 отключается такое количество топливоподающих устройств, чтобы в работе осталось 70 % их общего количества (по специальной программе, учитывающей количество включенных топливоподающих устройств),
- при числе горелок более 8 - отключается 30 % топливоподающих устройств по жесткой программе.
Включаются мазутные форсунки подхвата факела.
Примечания:
- При отключении одного из двух вентиляторов первичного воздуха (п. П2.47) или одного из двух мельничных вентиляторов при транспортировке пыли сушильным агентом от этих вентиляторов (п. П2.48) команда на отключение топливоподающих устройств не подается. Отключение топливоподающих устройств выполняется системой технологических блокировок.
- Алгоритм отключения топливоподающих устройств при сжигании твердого топлива задается котельным заводом.
П.5 Технические условия на выполнение устройств автоматического ввода и вывода технологических защит
П.5.1 Автоматический ввод-вывод предусматривается для предотвращения действия ряда технологических защит, в то время, когда возникновение условий их срабатывания не опасно для защищаемого оборудования, а также для последующего ввода защит при работе защищаемого оборудования.
Если признаки ввода какой-либо из защит этой группы не могут быть однозначно сформулированы или надежно сформированы, ввод ее осуществляется специальным ручным возвратным ключом, устанавливаемым в оперативном контуре щита управления. Вывод защиты осуществляется автоматически.
Защиты, не вводимые автоматически или с помощью специальных ключей, вступают в работу при подаче напряжения электропитания в схемы ТЗ и на датчики защит.
П.5.2 Настоящие технические условия разработаны для автоматического ввода и вывода защит во всех режимах работы защищаемого технологического оборудования за исключением режима расхолаживания, когда параметры пара снижаются раньше, чем отключается оборудование. В последнем случае вывод защит осуществляется с помощью специальных неоперативных коммутационных устройств (накладок, испытательных клемм и т.п.).
П.5.3 Алгоритмы автоматического ввода-вывода защит должны удовлетворять следующим требованиям:
П.5.3.1 Защита автоматически вводится в работу при появлении признака ввода независимо от состояния датчиков и остается включенной до появления признака вывода, после чего защита автоматически выводится.
Аварийная сигнализация вводится и выводится вместе с защитой.
П.5.3.2 При появлении признака вывода и наличии признака ввода приоритет отдается признаку вывода.
П.5.3.3 В оперативном контуре выполняется сигнализация о введенном (выведенном) состоянии защит (группы защит).
П.5.3.4 Каждый из параметров, участвующих в формировании признаков ввода-вывода, может контролироваться одним датчиком.
П.5.4 При формировании признаков ввода-вывода принято:
П.5.4.1 Признак «Закрыты стопорные клапаны турбины» формируется при закрытии всех стопорных клапанов.
П.5.4.2 Признак «Открыт любой стопорный клапан турбины» формируется как инверсия признака «Закрыты стопорные клапаны турбины».
П.5.4.3 Нагрузка котла контролируется по расходу свежего пара за ним.
П.5.4.4 Признак «Начало растопки» формируется следующим образом:
«Не закрыта задвижка на подводе топлива к котлу и начало открываться второе запорное устройство на подводе этого топлива к любой горелке».
Если котел рассчитан на растопку на жидком и газообразном топливе, такой признак формируется для каждого топлива и защита вводится по любому из этих признаков.
П.5.4.5 Признак «Останов котла» формируется при начале выполнения программы автоматического останова котла.
П.5.4.6 Признак «Сработала защита «Невоспламенение при растопке» формируется при срабатывании защиты «Невоспламенение первой или погасание факела всех горелок при растопке котла» (п. П.2.53).
П.5.4.7 Время транспортного запаздывания защит «Невоспламенение» на 1 с больше времени, необходимого для появления факела горелки после открытия второго запорного устройства на подводе топлива к этой горелке.
П.5.4.8 На котлах, рассчитанных на сжигание нескольких видов топлива, включая растопочный мазут, определение преобладающего вида топлива для каждого режима осуществляется:
- на газомазутных котлах - по величине расхода топлива,
- на остальных котлах - переключателем топлива, имеющим по одному положению на каждый вид сжигаемого топлива.
Расход мазута определяется с учетом его рециркуляции в обратную магистраль.
П.5.5 Признаки ввода и вывода защит
Таблица П.1
|
Наименование защиты |
Пункт П |
Признаки |
|
|
ввода |
вывода |
||
|
1 Повышение уровня в барабане |
Дана команда на ввод защиты специальным возвратным ключом. Если измерение уровня производится с коррекцией по параметрам среды, - «Начало растопки» |
Останов котла или сработала защита «Невоспламенение при растопке» |
|
|
2 Понижение уровня в барабане |
То же |
То же |
|
|
3 Понижение давления воды за водогрейным котлом |
Начало растопки |
-»- |
|
|
4 Понижение расхода воды через водогрейный котел |
То же |
-»- |
|
|
5 Погасание общего факела в топке (при контроле общего факела) |
Все приборы контроля общего факела показали его наличие и: - при растопке котла на газе - расход газа более 35 % номинального; |
Останов котла |
|
|
- при растопке на мазуте всех пылеугольных котлов, кроме котлов АО «Сибэнергомаш» и АО ТКЗ,- расход мазута более 90 % растопочного; |
|||
|
- при растопке на мазуте пылеугольных котлов АО «Сибэнергомаш» и АО ТКЗ - включена одна мельница или один питатель пыли и прошло время до 5 мин, достаточное для транспорта пыли в топку; - при растопке на мазуте мазутных и газомазутных котлов - расход мазута более 35 % номинального |
|||
|
6 Понижение давления газа (действие на останов котла) |
Для газовых котлов |
||
|
Начало растопки |
Останов котла или сработала защита «Невоспламенение при растопке» |
||
|
Для газомазутных котлов: |
|||
|
Начало растопки на газе и расход мазута менее 35 % |
Останов котла или сработала защита |
||
|
«Невоспламенение при растопке», или расход мазута более 35 % |
|||
|
Для пылегазовых котлов: |
|||
|
Начало растопки на газе и ПТ - в положении «Газ» |
Останов котла или сработала защита «Невоспламенение при растопке», или ПТ - не в положении «Газ» |
||
|
6а Понижение давления газа (действие на отключение подачи газа) |
Начало растопки на газе |
Останов котла или сработала защита «Невоспламенение при растопке» или закрыта задвижка на газе к котлу |
|
|
7 Понижение давления мазута (действие на останов котла) |
Для мазутных котлов: |
||
|
Начало растопки |
Останов котла или сработала защита «Невоспламенение при растопке» |
||
|
Для газомазутных котлов: |
|||
|
Начало растопки на мазуте и расход газа менее 35 % |
Останов котла или сработала защита «Невоспламенение при растопке», или расход газа более 35 % |
||
|
Для пылеугольных и пылегазовых котлов, где мазут - растопочное топливо: |
|||
|
Начало растопки на мазуте и переключатель топлива (ПТ) - в положении «Растопка на мазуте» |
Останов котла или сработала защита «Невоспламенение при растопке», или ПТ - не в положении «Растопка на мазуте |
||
|
7а Понижение давления мазута (действие на отключение подачи мазута) |
Начало растопки на мазуте |
Останов котла или сработала защита «Невоспламенение при растопке» или закрыта задвижка на мазуте к котлу |
|
|
8 Понижение давления в системе смазки мельниц с прямым вдуванием при централизованной подаче масла |
Возвратный ключ ввода защит в положении «Защиты введены» и ПТ в положении «Пыль» |
Останов котла или ПТ не в положении «Пыль» |
|
|
9 Отключение всех вентиляторов первичного воздуха |
То же |
То же |
|
|
10 Отключение всех мельничных вентиляторов при транспортировке пыли сушильным агентом от этих вентиляторов |
-»- |
-»- |
|
|
11 Потускнение общего пылеугольного факела в топке |
-»- |
-»- |
|
|
12 Отключение всех дымососов |
Начало растопки |
Останов котла или сработала защита «Невоспламенение при растопке» |
|
|
13 Отключение всех дутьевых вентиляторов |
То же |
То же |
|
|
14 Отключение всех регенеративных воздухоподогревателей |
-»- |
-»- |
|
|
15 Повышение давления в конденсаторе турбины |
Давление ниже уставки защиты или частота вращения ротора выше заданной |
Закрыты СК турбины |
|
|
16 Понижение температуры свежего пара перед турбиной |
Открыт любой СК и температура перед ним выше уставки сигнализации |
То же |
|
|
17 Понижение расхода воды на газоохладители генератора |
Открыт любой СК турбины и включен любой насос НТО |
-»- |
|
|
18 Отключение всех насосов газоохладителей генератора |
То же |
-»- |
|
|
19 Отключение генератора от сети вследствие внешних повреждений |
Генератор включен в сеть и открыт любой СК и ключ ввода защиты в положении «Защита введена» |
Закрыты СК турбины или ключ ввода защиты в положении «Защита выведена» |
|
|
20 Понижение давления в системе смазки ПЭН |
Выключатель электродвигателя ПЭН включен |
Выключатель электродвигателя ПЭН отключен |
|
|
21 Понижение давления на стороне нагнетания ПЭН |
Выключатель электродвигателя ПЭН включен и прошло до 20 с |
То же |
|
|
22 Отключение одного из двух дымососов |
Нагрузка котла более 60 % номинальной |
Нагрузка котла менее 50 % номинальной |
|
|
23 Отключение одного из двух дутьевых вентиляторов |
То же |
То же |
|
|
24 Отключение одного из двух регенеративных воздухоподогревателей |
-»- |
-»- |
|
|
25 Отключение одного из двух вентиляторов первичного воздуха |
Нагрузка котла более 60 % номинальной и ПТ в положении «Пыль» |
Нагрузка котла менее 50 % номинальной или ПТ не в положении «Пыль» |
|
|
26 Отключение одного из двух мельничных вентиляторов при транспортировке пыли сушильным агентом от этих вентиляторов |
То же |
То же |
|
|
27 Невоспламенение первой горелки или погасание факела всех горелок при растопке котла |
Для всех котлов, кроме пылеугольных АО ПМЗ: |
||
|
Давление топлива перед котлом выше уставки защиты по понижению давления этого топлива и прошло заданное время (транспортного запаздывания) от начала открытия второго запорного устройства на линии подвода этого топлива к любой горелке |
Закрыта задвижка на топливе к котлу или введена защита «Погасание общего факела в топке» |
||
|
Для пылеугольных котлов АО ПМЗ: |
|||
|
Возвратный ключ ввода защиты в положении «Защита введена» |
Возвратный ключ ввода защиты в положении «Защита выведена» |
||
|
28 Невоспламенение или погасание факела горелки |
Давление топлива перед котлом выше уставки защиты по понижению давления этого топлива и прошло заданное время (транспортного запаздывания) от начала открытия второго запорного устройства на линии подвода этого топлива к данной горелке |
Закрыто наименее быстроходное запорное устройство на линии подвода топлива к данной горелке или введена защита «Погасание общего факела в топке» |
|
Р.1 Общая часть
Р.1.1 Настоящий «Объем и технические условия» распространяется на энергоблоки с барабанными котлами, работающими на твердом, жидком и газообразном топливах и их смесях, моноблоки и дубль-блоки с конденсационными и теплофикационными турбинами.
Документ обязателен для применения на вновь проектируемых и реконструируемых энергоблоках.
Р.1.2 Защиты, не вошедшие в настоящий документ, выполняются по техническим условиям заводов-изготовителей оборудования или в соответствии с требованиями руководящих документов.
Р.1.3 Значения параметров, при которых срабатывают защиты (значения уставок срабатывания), а также значения выдержек времени срабатывания защит устанавливаются заводами-поставщиками оборудования и изменяются только по согласованию с ними. Значения выдержек времени указаны ориентировочно и уточняются по опыту эксплуатации.
Значения уставок, не оговоренные в заводской документации, определяются при наладке защищаемого оборудования.
Р.1.4 Объем и технические условия приняты с учетом следующего:
Р.1.4.1 Два котла, входящие в состав дубль-блока, идентичны по объему и действию технологических защит.
Р.1.4.2 Перед каждой газовой горелкой котла установлен предохранительно-запорный клапан (ПЗК) и запорное устройство с электроприводом или ПЗК. Каждая горелка оснащена запально-защитным устройством (ЗЗУ), обеспечивающим селективный контроль факела горелки во всех режимах работы котла. Растопка котла на газе может начинаться с розжига любой горелки.
Перед каждой мазутной горелкой котла установлено хотя бы одно запорное устройство с электроприводом. Другое запорное устройство (первое по ходу мазута к горелке) может иметь ручной привод или электропривод. Каждая горелка, с которой, согласно инструкции по пуКИПиА котла, может начинаться растопка, оснащена ЗЗУ, обеспечивающим селективный контроль факела горелки до ввода защиты по погасанию общего факела в топке котла. Растопка котла на мазуте может начинаться с розжига любой горелки, оснащенной ЗЗУ.
Р.1.4.3 В технических условиях на выполнение защит указано минимально необходимое количество датчиков. В конкретном проекте оно может быть увеличено.
Р.1.4.4 Комплект каждой защиты состоит из необходимого количества максимально независимых каналов контроля измеряемой величины (ее измерения и сравнения с уставкой срабатывания), логической схемы получения сигнала защиты, схемы формирования команд на исполнительные устройства, устройства сигнализации и фиксации срабатывания.
- Защита, имеющая два датчика, выполняется либо по схеме «два из двух», либо по схеме «один из двух» и имеет два независимых канала контроля измеряемой величины.
Срабатывание защиты, выполненной по схеме «два из двух», происходит при достижении контролируемой величиной установленного предела (уставки срабатывания) в обоих каналах контроля.
Срабатывание защиты, выполненной по схеме «один из двух», происходит при достижении контролируемой величиной установленного предела хотя бы в одном канале контроля.
- Защита, имеющая три датчика, выполняется по схеме «два из трех» и имеет три независимых канала контроля измеряемой величины.
Срабатывание защиты происходит при достижении контролируемой величиной установленного предела в любых двух каналах контроля.
Р.1.4.5 Защиты, производящие снижение нагрузки котла и блока, вводят в эксплуатацию при условии, что отработаны статические режимы работы оборудования при соответствующих пониженных нагрузках и динамические режимы разгрузки, а также необходимые для реализации этих режимов средства автоматизации.
Приведенные в данном документе перечни операций, выполняемых при срабатывании этих защит, могут быть расширены.
Р.1.4.6 Снижение нагрузки блока с теплофикационной турбиной до холостого хода или нагрузки собственных нужд может выполняться только при наличии специального обоснования необходимости этих режимов и обеспечения их схемными решениями.
Р.1.5 Технические условия на автоматический ввод и вывод защит изложены в разделе Р5.
Р.2 Перечень технологических защит
Защиты, действующие на останов блока
Р.2.1 Останов котла моноблока или обоих котлов дубль-блока.
Р.2.2 Осевое смещение ротора турбины.
Р.2.3 Понижение давления в системе смазки турбины.
Р.2.4 Повышение давления в конденсаторе турбины.
Р.2.5 Повышение уровня в ПВД.
Р.2.6 Срабатывание защиты генератора при внутренних повреждениях блока генератор-трансформатор.
Р.2.7 Отключение всех питательных насосов.
Р.2.8 Возникновение асинхронного режима или гашение поля генератора (кроме блоков, в состав которых входит конденсационная турбина и котел (котлы), сжигающий газ и/или мазут).
P.2.9 Отключение генератора от сети вследствие внешних повреждений (кроме блоков с конденсационной турбиной).
Р.2.10 Закрытие стопорных клапанов турбины (кроме блоков, в состав которых входит конденсационная турбина и котел (котлы), сжигающий газ и/или мазут).
Р.2.11 Повышение уровня в деаэраторе.
Защиты, действующие на останов котла
Р.2.12 Прекращение расхода через промежуточный пароперегреватель.
Р.2.13 Повышение уровня в барабане.
Р.2.14 Понижение уровня в барабане.
Р.2.15 Понижение температуры свежего пара за котлом дубль-блока.
Р.2.16 Погасание общего факела в топке.
Р.2.17 Понижение давления газа.
Р.2.18 Понижение давления мазута.
Р.2.19 Понижение давления в системе смазки мельниц с прямым вдуванием при централизованной подаче масла.
Р.2.20 Отключение всех дымососов.
Р.2.21 Отключение всех дутьевых вентиляторов.
Р.2.22 Отключение всех регенеративных воздухоподогревателей.
Р.2.23 Отключение всех вентиляторов первичного воздуха.
Р.2.24 Отключение всех мельничных вентиляторов при транспортировке пыли сушильным агентом от этих вентиляторов.
Защиты, действующие на останов турбины
Р.2.25 Осевое смещение ротора.
Р.2.26 Понижение давления в системе смазки.
Р.2.27 Повышение давления в конденсаторе.
Р.2.28 Повышение частоты вращения ротора.
Р.2.29 Повышение виброскорости корпусов подшипников турбоагрегата.
Р.2.30 Понижение температуры свежего пара перед турбиной.
Р.2.31 Понижение уровня в демпферном маслобаке системы уплотнений вала генератора.
Р.2.32 Отключение всех масляных насосов системы уплотнений вала генератора (при отсутствии инжектора).
Р.2.33 Понижение расхода воды через обмотку ротора или статора генератора (при наличии водяного охлаждения).
Р.2.34 Понижение расхода воды на газоохладители генератора (при наличии промконтура охлаждения или градирен).
Р.2.35 Отключение всех насосов газоохладителей генератора, если вода на охладители подается только от этих насосов (при отсутствии промконтура охлаждения и градирен).
P.2.36 Повышение давления пара в сетевом подогревателе теплофикационной турбины.
Р.2.37 Повышение температуры масла за маслоохладителями турбины ТМЗ при пониженном давлении воды перед маслоохладителями.
Р.2.38 Понижение до нижней уставки температуры свежего пара перед конденсационной турбиной блока с пылеугольным или пылегазовым котлом (котлами).
Защиты, действующие на останов питательного электронасоса
Р.2.39 Понижение давления в системе смазки.
Р.2.40 Неоткрытие вентиля рециркуляции при достижении минимально допустимого расхода через насос.
Р.2.41 Понижение давления на стороне нагнетания.
Защиты, действующие на снижение нагрузки блока до 50 % номинальной
Р.2.42 Отключение одного из двух питательных насосов.
Р.2.43 Отключение от турбины одного из котлов дубль-блока.
Р.2.44 Снижение до 50 % номинальной нагрузки котла моноблока или обоих котлов дубль-блока.
Защиты, действующие на снижение нагрузки блока до 30 % номинальной или до собственных нужд (холостого хода)
Р.2.45 Возникновение асинхронного режима или гашение поля генератора энергоблока с конденсационной турбиной и котлом (котлами), сжигающим газ и/или мазут.
Р.2.46 Отключение генератора от сети вследствие внешних повреждений на энергоблоке с конденсационной турбиной.
Защиты, действующие на снижение нагрузки котла до 50 % или 30 % номинальной
Р.2.47 Отключение одного из двух дымососов.
Р.2.48 Отключение одного из двух дутьевых вентиляторов.
Р.2.49 Отключение одного из двух регенеративных воздухоподогревателей.
Р.2.50 Отключение одного из двух вентиляторов первичного воздуха.
Р.2.51 Отключение одного из двух мельничных вентиляторов при транспортировке пыли сушильным агентом от этих вентиляторов.
Примечания:
- Величина нагрузки, до которой разгружается котел при отключении одного из двух механизмов, уточняется при наладке по производительности наименее мощного механизма, остающегося в работе.
- При наличии на котле более двух одноименных механизмов необходимость и глубина разгрузки при отключении одного из них определяются в конкретном проекте.
Р.2.52 Повышение температуры свежего пара за котлом
P.2.53 Повышение температуры пара промперегрева за котлом
Р.2.54 Закрытие стопорных клапанов конденсационной турбины в блоке с газо-мазутным, газовым или мазутным котлом (котлами).
Защиты, производящие локальные операции
Общеблочные защиты
Р.2.55 Повышение давления свежего пара до уставки включения ПСБУ энергоблоков с конденсационной турбиной.
Р.2.56 Повышение давления свежего пара до уставки открытия предохранительных клапанов.
Р.2.57 Повышение давления пара промперегрева (если установлено дистанционно управляемое импульсное предохранительное устройство).
Р.2.58 Повышение температуры пара, сбрасываемого в конденсатор турбины.
Р.2.59 Повышение давления в конденсаторе турбины.
Защиты котла
Р.2.60 Повышение уровня в барабане.
Р.2.61 Потускнение общего пылеугольного факела в топке.
Р.2.62 Невоспламенение первой или погасание факела всех горелок при растопке котла.
Р.2.63 Невоспламенение или погасание факела газовой горелки или мазутной горелки, оснащенной ЗЗУ.
Р.2.64 Понижение давления в топке газоплотного котла.
Р.2.65 Повышение давления в сепараторе непрерывной продувки котла.
Защиты турбины
Р.2.66 Понижение давления в системе смазки до уставки АВР маслонасосов.
Р.2.67 Понижение давления в системе смазки до уставки отключения валоповоротного устройства.
Р.2.68 Повышение уровня в ПВД.
Р.2.69 Понижение давления греющего пара в ПВД.
Р.2.70 Повышение уровня в сетевом подогревателе теплофикационной турбины.
Защиты питательного насоса
Р.2.71 Понижение расхода воды через насос.
Р.3 Технические условия на выполнение технологических защит
Защиты, действующие на останов блока.
Р.3.1 Останов котла моноблока или обоих котлов дубль-блока.
Защита срабатывает при формировании команды на останов котла моноблока или обоих котлов дубль-блока, а также при формировании команды на останов одного котла дубль-блока, если второй котел отключен от турбины: закрыты ГПЗ и задвижки на горячих паропроводах промежуточного пароперегревателя.
Защита действует на останов блока согласно п. Р4.1.
Р.3.2 Осевое смещение ротора турбины.
Защита реализуется комплектом аппаратуры, поставляемым совместно с турбиной.
Защита действует на останов блока согласно п. Р4.1 и на останов турбины согласно п. Р4.3.
Р.3.3 Понижение давления в системе смазки турбины.
Количество и тип датчиков, а также схема их включения определяются заводом.
Защита с выдержкой времени до 3 с. действует на останов блока согласно п. Р4.1 и на останов турбины согласно п. Р4.3.
Р.3.4 Повышение давления в конденсаторе турбины.
Количество и тип датчиков, а также схема их включения определяются заводом.
Защита действует на останов блока согласно п. Р4.1 и на останов турбины согласно п. Р4.3, а также на закрытие всех сбросов пара и горячей воды в конденсатор. Допускается действие защиты только на те сбросы, поступление среды в которые не прекращается после закрытия стопорных клапанов.
Р.3.5 Повышение уровня в ПВД.
Уровень в каждом ПВД контролируется тремя датчиками. Защита срабатывает при достижении аварийного уровня.
Допускается выполнение защиты с двумя датчиками. Защита срабатывает при повышению уровня в любом ПВД до максимально допустимого значения при наличии подтверждающего сигнала о повышении уровня в том же ПВД до уставки срабатывания локальной защиты. Каждый уровень контролируется одним датчиком.
Защита действует на останов блока согласно п. Р4.1 и на отключение группы ПВД согласно п. Р3.69.
Р.3.6 Срабатывание защиты генератора при внутренних повреждениях блока генератор-трансформатор.
Защита срабатывает при отключении генератора электрическими защитами от внутренних повреждений блока генератор-трансформатор.
Защита действует на останов блока согласно п. Р4.1.
Р.3.7 Отключение всех питательных насосов.
Отключение насоса характеризуется отключением выключателя его электродвигателя.
Защита с выдержкой времени до 9 с. действует на останов блока согласно п. Р4.1.
Р.3.8 Возникновение асинхронного режима или гашение поля генератора (кроме блоков, в состав которых входит конденсационная турбина и котел (котлы), сжигающий газ и/или мазут).
Защита срабатывает от реле-выявителя асинхронного режима или реле, фиксирующего гашение поля генератора, и действует на останов блока согласно п. Р4.1.
На дубль-блоке защита срабатывает, если оба котла подключены к турбине: открыты ГПЗ и задвижки на горячих паропроводах промежуточного пароперегревателя каждого котла.
Р.3.9 Отключение генератора от сети вследствие внешних повреждений (кроме блоков с конденсационной турбиной).
Защита срабатывает при отключении генератора от сети любым выключателем или при срабатывании электрических защит, отключающих генератор, и действует на останов блока согласно п. Р4.1, на закрытие обратных клапанов на линиях отборов турбины и на включение блока релейной форсировки системы регулирования турбины.
Р.3.10 Закрытие стопорных клапанов турбины (кроме блоков, в состав которых входит конденсационная турбина и котел (котлы), сжигающий газ и/или мазут).
Защита срабатывает при закрытии любого стопорного клапана ЦВД и любого стопорного клапана ЦСД - для турбин с промежуточным перегревом пара, или при закрытии всех стопорных клапанов - для турбин без промежуточного перегрева, и действует на останов блока согласно п. Р4.1.
Р.3.11 Повышение уровня в деаэраторе.
Уровень контролируется тремя датчиками.
Защита действует на останов блока согласно п. Р4.1, а также с выдержкой времени 3 с. действует на останов всех конденсатных насосов последней ступени. На блоках с турбиной Т или ПТ защита действует дополнительно - на отключение всех насосов, подающих воду в деаэратор.
Защиты, действующие на останов котла.
Р.3.12 Прекращение расхода через промежуточный пароперегреватель.
Защита выполняется на каждом потоке с использованием трех датчиков
Расход пара контролируется по перепаду давлений между точками на «холодных» паропроводах (за отводом на предохранительные клапаны) и «горячих» паропроводах (на одном из отводов к стопорному клапану ЦСД). Точки отборов располагаются на близких нивелирных отметках.
Защита с выдержкой времени до 20 с. действует на останов котла согласно п. Р4.2.
Р.3.13 Повышение уровня в барабане.
Количество и схема включения датчиков определяются заводом.
На котлах с топкой, разделенной двухсветным экраном, устанавливаются два комплекта защит - по одному с каждой стороны барабана.
Защита действует на останов котла согласно п. Р.4.2 и на закрытие запорных задвижек и регулирующих питательных клапанов на подводе питательной воды к котлу.
Р.3.14 Понижение уровня в барабане.
В защите используются те же датчики, что и в защите по п. Р.3.13.
Защита действует на останов котла согласно п. Р.4.2. и на закрытие запорных задвижек и регулирующих питательных клапанов на подводе питательной воды к котлу.
Р.3.15 Понижение температуры свежего пара за котлом дубль-блока.
Защита выполняется на каждом паропроводе за котлом. Температура контролируется тремя датчиками.
Защита действует на останов котла согласно п. Р4.2.
Р.3.16 Погасание общего факела в топке.
Факел в топке (секции топки) контролируется не менее чем двумя комплектами приборов. На котлах с топкой, разделенной двухсветным экраном, защита выполняется отдельно для каждой секции топки.
Защита срабатывает, если все приборы, контролирующие общий факел в топке (секции топки), зафиксировали его погасание, и действует на останов котла согласно п. Р4.2.
При погасании пылеугольного факела защита действует с выдержкой времени до 9 с.
На котлах со всережимными датчиками факела горелок допускается выполнение защиты с контролем факела каждой горелки. Защита срабатывает при погасании в топке (секции топки) факела всех горелок. При этом защита «Невоспламенение при растопке» (п. Р2.62) не выполняется.
Р.3.17 Понижение давления газа.
Количество и схема включения датчиков определяются заводом.
Давление контролируется за регулирующим клапаном на общем подводе газа к котлу.
На газовых котлах защита действует на останов котла согласно п. Р4.2.
На котлах, сжигающих несколько видов топлива, защита действует на отключение подачи газа согласно п. Р4.2.1 - (при этом команды на закрытие задвижки и отсечного клапана на линии подвода газа к котлу - импульсные), кроме того, если газ является преобладающим топливом (таблица Р1 8), защита действует на останов котла согласно п. Р4.2.
Р.3.18 Понижение давления мазута.
Количество и схема включения датчиков определяются заводом.
Давление контролируется за регулирующим клапаном на общем подводе мазута к котлу.
Защита действует с выдержкой времени до 20 с.
На мазутных котлах защита действует на останов котла согласно п. Р4.2.
На котлах, сжигающих несколько видов топлива, защита действует на отключение подачи мазута согласно п. Р4.2.1 (при этом команды на закрытие задвижек и отсечных клапанов на линии подвода мазута к котлу и линии рециркуляции - импульсные), кроме того, если мазут является преобладающим топливом (таблица Р1.9), защита действует на останов котла согласно п. Р4.2.
P.3.19 Понижение давления в системе смазки мельниц с прямым вдуванием при централизованной подаче масла.
Давление контролируется тремя датчиками.
Защита с выдержкой времени до 9 с. действует на останов котла согласно п. Р4.2. при положении «Пыль» переключателя топлива.
Р.3.20 Отключение всех дымососов.
Защита срабатывает при отключении всех выключателей электродвигателей дымососов и действует на останов котла согласно п. Р4.2, отключение регулятора разряжения и отключение всех дутьевых вентиляторов (выполняется в схемах управления электродвигателей).
Р.3.21 Отключение всех дутьевых вентиляторов.
Защита срабатывает при отключении всех выключателей электродвигателей дутьевых вентиляторов и действует на останов котла согласно п. Р4.2.
Р.3.22 Отключение всех регенеративных воздухоподогревателей.
Защита срабатывает при отключении всех выключателей электродвигателей регенеративных воздухоподогревателей и действует на останов котла согласно п. Р.4.2.
Р.3.23 Отключение всех вентиляторов первичного воздуха.
Защита срабатывает при отключении выключателей электродвигателей всех вентиляторов первичного воздуха и действует на останов котла согласно п. Р4.2. при положении «Пыль» переключателя топлива.
Р.3.24 Отключение всех мельничных вентиляторов при транспортировке пыли сушильным агентом от этих вентиляторов.
Защита срабатывает при отключении выключателей электродвигателей всех мельничных вентиляторов и действует на останов котла согласно п. Р.4.2 при положении «Пыль» переключателя топлива.
Защиты, действующие на останов турбины
Р.3.25 Осевое смещение ротора.
Технические условия на выполнение защиты изложены в п. Р3.2.
Защита действует на останов турбины согласно п. Р4.3 и на останов блока согласно п. Р4.1.
Р.3.26 Понижение давления в системе смазки.
Технические условия на выполнение защиты изложены в п. Р3.3. Защита с выдержкой времени до 3 с. действует на останов турбины согласно п. Р4.3 и останов блока согласно п. Р4.1.
Р.3.27 Повышение давления в конденсаторе.
Технические условия на выполнение защиты изложены в п. Р.3.4. Защита действует на останов турбины согласно п. Р4.3, на останов блока согласно п. Р4.1, а также на закрытие всех сбросов пара и горячей воды в конденсатор. Допускается действие защиты только на те сбросы, поступление среды в которые не прекращается после закрытия стопорных клапанов.
P.3.28 Повышение частоты вращения ротора.
Контроль частоты вращения и останов турбины при аварийной частоте вращения обеспечивается системой регулирования турбины.
Р.3.29 Повышение виброскорости корпусов подшипников турбоагрегата.
Защита срабатывает при аварийном повышении среднеквадратического значения виброскорости двух соседних опор по поперечной или вертикальной компоненте вибрации или по их сочетанию. Под соседними понимаются подшипники одного ротора или смежные подшипники разных роторов.
Защита с выдержкой времени 2 с действует на останов турбины согласно п. Р4.3.
Р.3.30 Понижение температуры свежего пара перед турбиной.
Защита выполняется отдельно для каждого подвода свежего пара к турбине.
Защита срабатывает при понижении температуры в стопорном клапане (или в непосредственной близости к нему) и за котлом, в паропроводе свежего пара, подключенном к этому клапану. Каждая температура контролируется одной термопарой.
Защита действует на останов турбины согласно п. Р4.3.
Р.3.31 Понижение уровня в демпферном маслобаке системы уплотнений вала генератора.
Количество и схема включения датчиков определяются заводом.
Защита с выдержкой времени до 9 с. действует на останов турбины согласно п. Р4.3.
Р.3.32 Отключение всех масляных насосов системы уплотнений вала генератора (при отсутствии инжектора).
Защита срабатывает при отключении электродвигателей всех насосов и с выдержкой времени до 9 с. действует на останов турбины согласно п. Р4.3.
Р.3.33 Понижение расхода воды через обмотку ротора или статора генератора (при наличии водяного охлаждения).
Каждый расход контролируется не менее чем двумя датчиками.
Защита выполняется для каждого расхода (на традиционных средствах - по схеме «два из двух») и с выдержкой времени до 2 мин. действует на останов турбины согласно п. Р4.3.
Р.3.34 Понижение расхода воды на газоохладители генератора (при наличии промконтура охлаждения или градирен).
Расход контролируется не менее чем двумя датчиками. На традиционных средствах защита выполняется по схеме «два из двух».
Защита с выдержкой времени до 3 мин. действует на останов турбины согласно п. Р.4.3.
Р.3.35 Отключение всех насосов газоохладителей генератора, если вода на охладители подается только от этих насосов (при отсутствии промконтура охлаждения и градирен).
Защита с выдержкой времени до 3 мин. действует на останов турбины согласно п. Р.4.3.
Р.3.36 Повышение давления пара в сетевом подогревателе теплофикационной турбины.
Количество и схема включения датчиков определяются заводом.
Защита действует на останов турбины согласно п. Р4.3.
Р.3.37 Повышение температуры масла за маслоохладителями турбины ТМЗ при понижении давления воды перед маслоохладителями.
Каждый параметр контролируется одним датчиком.
Защита действует при достижении уставки обоими параметрами на останов турбины согласно п. Р4.3.
Р.3.38 Понижение до нижней уставки температуры свежего пара перед конденсационной турбиной блока с пылеугольным или пылегазовым котлом (котлами).
Защита выполняется аналогично защите по п. Р3.30. Допускается использование тех же термопар.
Защита действует на останов турбины согласно п. Р4.3.
Защиты, действующие на останов питательного электронасоса.
Р.3.39 Понижение давления в системе смазки насоса.
Давление контролируется одним датчиком.
Защита с выдержкой времени 3 с. действует на останов ПЭН согласно п. Р4.4.
Р.3.40 Неоткрытие вентиля рециркуляции при достижении минимально допустимого расхода через насос.
Защита срабатывает при закрытом вентиле рециркуляции, если понизился расход воды через насос. Расход контролируется одним датчиком.
Защита с выдержкой времени до 15 с. действует на останов ПЭН согласно п. Р4.4.
Р.3.41 Понижение давления на стороне нагнетания насоса.
Давление контролируется в напорном патрубке до обратного клапана одним датчиком.
Защита действует на останов ПЭН согласно п. Р4.4. При действии защиты минимального напряжения останов ПЭН при понижении давления производится с выдержкой времени до 20 с.
Защиты, действующие на снижение нагрузки блока до 50 % номинальной.
Р.3.42 Отключение одного из двух питательных насосов.
Защита срабатывает при отключении выключателя электродвигателя одного питательного насоса, если выключатель электродвигателя другого насоса включен.
Защита с выдержкой времени до 9 с. действует на снижение нагрузки блока до 50 % согласно п. Р4.5.
Р.3.43 Отключение от турбины одного из котлов дубль-блока.
Защита срабатывает при формировании команды на останов одного котла, если второй котел подключен к турбине.
Защита действует на снижение нагрузки блока согласно п. Р4.5.
Р.3.44 Снижение до 50 % номинальной нагрузки котла моноблока или обоих котлов дубль-блока.
Защита срабатывает:
- на моноблоках - при срабатывании любой защиты, переводящей котел на нагрузку 50 % номинальной,
- на дубль-блоках - при срабатывании на обоих котлах защит, переводящих котел на нагрузку 50 % номинальной.
Защита действует на снижение нагрузки блока согласно п. Р4.5.
Защиты, действующие на снижение нагрузки блока до 30 % номинальной или до собственных нужд (холостого хода)
Р.3.45 Возникновение асинхронного режима или гашение поля генератора энергоблока с конденсационной турбиной и котлом (котлами), сжигающими газ и/или мазут.
Защита срабатывает от реле-выявителя асинхронного режима или реле, фиксирующего гашение поля генератора.
При наличии признаков ввода по таблице Р1 33 защита действует на снижение нагрузки блока до 30 % согласно п. Р4.6. При наличии признаков ввода по таблице Р.1 32 защита действует на останов блока согласно п. Р4.1.
Р.3.46 Отключение генератора от сети вследствие внешних повреждений на энергоблоке с конденсационной турбиной.
Защита срабатывает при отключении генератора от сети любым выключателем или при срабатывании электрических защит, отключающих генератор, и действует на закрытие обратных клапанов на линиях отборов турбины и на включение блока релейной форсировки системы регулирования турбины.
При наличии признаков ввода по таблице Р1 31 защита с выдержкой времени до 1 с. действует на снижение нагрузки блока до собственных нужд (холостого хода) согласно п. Р4.7. При наличии признаков ввода по таблице Р.1 30 защита без выдержки времени действует на останов блока согласно п. Р.4.1.
Защиты, действующие на снижение нагрузки котла до 50 % или 30 % номинальной
Р.3.47 Отключение одного из двух дымососов.
Защита срабатывает при отключении всех выключателей электродвигателя одного дымососа при любом включенном выключателе электродвигателя второго дымососа.
Защита с выдержкой времени до 1 с. действует на снижение нагрузки котла до 50 % согласно п. Р4.8. Независимо от наличия условий ввода защиты, если были включены оба механизма, защита действует на закрытие направляющего аппарата остановившегося дымососа и на переключение воздействия регулятора разрежения на направляющий аппарат дымососа, оставшегося в работе.
P.3.48 Отключение одного из двух дутьевых вентиляторов.
Защита срабатывает при отключении всех выключателей электродвигателя одного дутьевого вентилятора при любом включенном выключателе электродвигателя второго дутьевого вентилятора.
Защита с выдержкой времени до 1 с действует на снижение нагрузки котла до 50 % согласно п. Р4.8. Независимо от наличия условий ввода защиты, если были включены оба механизма, защита действует на закрытие направляющего аппарата остановившегося дутьевого вентилятора и на переключение воздействия регулятора общего воздуха на направляющий аппарат дутьевого вентилятора, оставшегося в работе.
Р.3.49 Отключение одного из двух регенеративных воздухоподогревателей.
Защита срабатывает при отключении выключателей всех электродвигателей одного РВП при включенном выключателе любого электродвигателя второго РВП и с выдержкой времени до 1 с. действует на снижение нагрузки котла до 50 % согласно п. Р4.8.
Р.3.50 Отключение одного из двух вентиляторов первичного воздуха.
Защита срабатывает при отключении выключателя электродвигателя одного вентилятора при включенном выключателе электродвигателя второго вентилятора и положении «Пыль» переключателя топлива.
Защита с выдержкой времени до 1 с действует на снижение нагрузки котла до 50 % согласно п. Р4.8 (операции по отключению топливоподающих устройств согласно п. Р4.8.2 - при включенном регуляторе топлива - не выполняются). Независимо от наличия условий ввода защиты, если были включены оба механизма, защита действует на закрытие направляющего аппарата остановившегося вентилятора и на переключение воздействия регулятора на направляющий аппарат вентилятора, оставшегося в работе.
Р.3.51 Отключение одного из двух мельничных вентиляторов при транспортировке пыли сушильным агентом от этих вентиляторов.
Защита срабатывает при отключении выключателя электродвигателя одного вентилятора при включенном выключателе электродвигателя второго вентилятора и положении «Пыль» переключателя топлива.
Защита с выдержкой времени до 1 с действует на снижение нагрузки котла до 50 % согласно п. Р4.8 (операции по отключению топливоподающих устройств согласно п. Р4.8.2 - при включенном регуляторе топлива - не выполняются).
Примечание - отключение топливоподающих устройств при срабатывании защит по п. Р3.51 и Р3.52 выполняется схемой технологических блокировок пылесистемы.
Р.3.52 Повышение температуры свежего пара за котлом.
Температура в каждом паропроводе контролируется не менее, чем двумя датчиками.
Защита выполняется для каждого паропровода (на традиционных средствах - по схеме «два из двух») и с выдержкой времени до 5 мин. действует на снижение нагрузки котла до 50 % номинальной согласно п. Р4.8.
Р.3.53 Повышение температуры пара промперегрева за котлом.
Температура в каждом паропроводе контролируется не менее чем двумя датчиками.
Защита выполняется для каждого паропровода (на традиционных средствах - по схеме «два из двух») и с выдержкой времени до 5 мин. действует на снижение нагрузки котла до 50 % номинальной согласно п. Р4.8.
Р.3.54 Закрытие стопорных клапанов конденсационной турбины в блоке с газо-мазутным, газовым или мазутным котлом (котлами).
Защита срабатывает при закрытии всех стопорных клапанов (для турбин без промперегрева) или любого стопорного клапана ЦВД и любого стопорного клапана ЦСД (для турбин с промперегревом).
При наличии признаков ввода по таблице Р.1 35 защита действует:
- на моноблоках - на снижение нагрузки котла до 30 % согласно п. Р4.10,
- на дубль-блоках - либо на снижение нагрузки обоих котлов до 30 % согласно п. Р4.9, либо на останов одного котла согласно п. Р4.2 и снижение нагрузки второго котла до заданной величины аналогично п. Р4.9.
Кроме того, защита действует на включение ПСБУ согласно п. Р4.11.1.
При наличии признаков ввода по таблице Р.1 34. защита действует на останов котла моноблока или обоих котлов дубль-блока согласно п. Р4.2.
Операции по останову турбоагрегата выполняются согласно п. Р4.3.
Защиты, производящие локальные операции.
Общеблочные защиты
Р.3.55 Повышение давления свежего пара до уставки включения ПСБУ энергоблоков с конденсационной турбиной.
Давление контролируется перед ПСБУ котла одним датчиком.
Защита действует на включение ПСБУ согласно п. Р4.11.2.
Р.3.56 Повышение давления свежего пара до уставки открытия предохранительных клапанов.
Защита выполняется на напряжении аккумуляторной батареи.
Давление контролируется двумя датчиками в барабане котла и двумя датчиками за пароперегревателем.
Каждая пара датчиков управляет соответствующей группой импульсных предохранительных клапанов.
Команда на принудительное открытие группы предохранительных клапанов формируется при повышении давления по схеме «один из двух». Команда на принудительное закрытие клапанов формируется при понижении давления по схеме «два из двух».
Через 5 - 10 с после подачи команды на закрытие напряжение, подаваемое на электромагниты закрытия, автоматически понижается до 50 % номинального.
Р.3.57 Повышение давления пара промперегрева (если установлено дистанционно управляемое импульсное предохранительное устройство).
Защита выполняется на напряжении аккумуляторной батареи.
Давление пара перед пароперегревателем контролируется четырьмя датчиками.
Предохранительные клапаны промперегрева котла делят на две группы, каждая из которых управляется двумя датчиками, контролирующими давление в разных паропроводах.
Команда на принудительное открытие группы предохранительных клапанов при повышении давления формируется по схеме «один из двух». Команда на принудительное закрытие клапанов формируется при понижении давления по схеме «два из двух».
Через 5 - 10 с. после подачи команды на закрытие напряжение, подаваемое на электромагниты закрытия, автоматически понижается до 50 % номинального.
Р.3.58 Повышение температуры пара, сбрасываемого в конденсатор турбины.
Температура пара контролируется в каждом общем паросбросе перед конденсатором. Количество и схема включения датчиков определяются заводом.
Защита действует на закрытие всех сбросных устройств, подающих пар в этот паросброс (кроме сброса из растопочного расширителя), и налагает запрет на их открытие.
Р.3.59 Повышение давления в конденсаторе турбины.
Давление контролируется одним датчиком.
Защита действует на закрытие всех источников подачи среды в конденсатор и налагает запрет на их открытие.
Защиты котла
Р.3.60 Повышение уровня в барабане.
Уровень контролируется либо одним датчиком, либо датчиками защит по п.п. Р3.13 и Р3.14.
Защита действует на открытие двух последовательно установленных задвижек на линии аварийного сброса воды из барабана.
После понижения уровня до значения, примерно соответствующего половине уставки открытия, обе задвижки автоматически закрываются.
Р.3.61 Потускнение общего пылеугольного факела в топке.
Яркость факела контролируется одним комплектом приборов. На котлах с топкой, разделенной двухсветным экраном, защита выполняется отдельно для каждой секции топки.
Защита действует на включение мазутных форсунок подхвата факела
Р.3.62 Невоспламенение первой или погасание факела всех горелок при растопке котла.
Защита срабатывает при отсутствии факела всех горелок в топке (секции топки).
Защита действует на отключение подачи всех видов топлива к котлу и горелкам, согласно п. Р4.2.1. и Р4.2.2.
Р.3.63 Невоспламенение или погасание факела газовой горелки или мазутной горелки, оснащенной ЗЗУ.
Защита срабатывает при погасании факела горелки или невоспламенении топлива в процессе розжига горелки.
Защита действует на отключение запального устройства данной горелки, закрытие запорных устройств на подводе топлива к данной горелке.
Р.3.64 Понижение давления в топке газоплотного котла.
Давление контролируется не менее, чем двумя датчиками. На традиционных средствах защита выполняется по схеме «два из двух». Защита действует на отключение всех дымососов.
Р.3.65 Повышение давления в сепараторе непрерывной продувки котла.
Давление контролируется одним датчиком. При двухступенчатой схеме включения сепараторов давление контролируется в сепараторе второй ступени.
Защита действует на закрытие запорного устройства на линии непрерывной продувки перед сепаратором котла.
Защита турбины
Р.3.66 Понижение давления в системе смазки до уставки АВР маслонасосов.
Давление масла контролируется на уровне оси турбины датчиками, поставляемыми совместно с турбиной.
Для турбин с маслонасосами, имеющими электропривод, защита выполняется следующим образом.
При понижении давления масла или при отключении работающего маслонасоса включается резервный маслонасос с электродвигателем переменного тока.
При последующем понижении давления включается аварийный маслонасос с электродвигателем постоянного тока и отключается валоповоротное устройство.
Для турбин, у которых главный маслонасос установлен на валу, защита выполняется следующим образом.
При понижении давления масла включается резервный маслонасос с электродвигателем переменного тока.
При последующем понижении давления включается аварийный маслонасос с электродвигателем постоянного тока и отключается валоповоротное устройство.
Р.3.67 Понижение давления в системе смазки до уставки отключения валоповоротного устройства
Давление контролируется одним датчиком.
Защита организуется в цепях управления электродвигателя валоповоротного устройства.
Р.3.68 Повышение уровня в ПВД.
Уровень в каждом ПВД контролируется одним датчиком.
Защита действует при повышении уровня в любом ПВД на открытие двух параллельно включенных импульсных запорных устройств, управляющих гидроприводом впускного клапана ПВД, на открытие задвижки на байпасной линии ПВД, закрытие задвижек на входе и выходе воды из группы ПВД и задвижек на подводе пара к каждому ПВД.
Р.3.69 Понижение давления греющего пара в ПВД.
Давление контролируется в корпусе первого по ходу питательной воды ПВД одним датчиком.
Защита действует на открытие задвижки на линии дренажа конденсата из этого ПВД в конденсатор и на закрытие задвижки на линии дренажа конденсата из первого ПВД в деаэратор. При наличии сброса конденсата из второго ПВД в деаэратор, если не сработали защиты по п.п. Р2.45, Р2.46, Р2.54, защита действует также на открытие задвижки на сбросе из второго ПВД в деаэратор и закрытие задвижки на сбросе из второго ПВД в первый.
При восстановлении давления в первом ПВД с выдержкой времени до 15 с. производят обратные переключения.
Р.3.70 Повышение уровня в сетевом подогревателе теплофикационной турбины.
Турбина ТМЗ
Уровень в каждом сетевом подогревателе контролируется двумя датчиками, один из которых контролирует уровень в корпусе, второй - в конденсатосборнике подогревателя.
При повышении уровня в корпусе или конденсатосборнике ПСГ-2 защита действует на отключение этого подогревателя: закрытие обратных клапанов и задвижек на подаче пара к подогревателю и открытие задвижки на байпасной линии подогревателя. После начала открытия этой задвижки закрываются задвижки на линиях сетевой воды до и после подогревателя.
При повышении уровня в корпусе или конденсатосборнике ПСГ-1 защита действует на отключение группы подогревателей: закрытие обратных клапанов и задвижек на подаче пара к ПСГ-2, открытие задвижки на общей байпасной линии. После начала открытия этой задвижки закрываются задвижки на сетевой воде до и после группы подогревателей.
Турбина ЛМЗ
Количество уровнемеров указывается в технических условиях завода.
При повышении уровня во втором по ходу сетевой воды подогревателе защита действует на отключение этого подогревателя: закрытие задвижек на линиях сетевой воды до и после подогревателя, а также на открытие задвижки на байпасной линии подогревателя.
При повышении уровня в первом по ходу сетевой воды подогревателе защита действует на отключение группы подогревателей: закрытие задвижек на линиях сетевой воды до и после группы подогревателей, а также на открытие задвижек на общей байпасной линии.
Защиты питательного насоса
Р.3.71 Понижение расхода воды через насос.
Расход контролируется датчиком, используемым в защите по п. Р3.40.
Защита срабатывает при понижении расхода воды через насос.
Защита действует на открытие вентиля рециркуляции насоса.
Закрытие вентиля производится автоматически при увеличении расхода через насос с выдержкой времени до 3 мин.
Р.4 Действия, выполняемые технологической защитой
Останов блока производится путем выполнения следующих операций:
Р.4.1.1 Останов котла моноблока или обоих котлов дубль-блока (п. Р4.2).
Р.4.1.2 Останов турбины (п. Р4.3).
При останове блока ключом ручного останова котла останов турбины производится после того, как давление пара в камере регулирующей ступени понизилось до заданного значения. Давление контролируется одним датчиком.
Р.4.2 Останов котла
Останов котла производится путем выполнения следующих операций:
Р.4.2.1 Отключение подачи всех видов топлива к котлу и горелкам.
Отключение подачи газа:
- закрытие отсечного клапана и задвижки на линии подвода газа к котлу,
- закрытие запорных устройств на линии подвода газа к каждой горелке,
- открытие запорных устройств на трубопроводах безопасности.
Отключение подачи мазута:
- закрытие отсечного клапана и задвижек на лини подвода мазута к котлу,
- закрытие запорных устройств на линии подвода мазута к каждой горелке,
- закрытие запорных устройств на линии рециркуляции мазута.
Прекращение подачи твердого топлива: отключение всех механизмов, подающих твердое топливо в котел.
Р.4.2.2 Отключение всех запальных устройств:
- закрытие запорных устройств на общей линии подвода газа к запальным устройствам,
- отключение напряжения питания,
- закрытие клапана на линии подвода газа к каждому запальному устройству.
Р.4.2.3 Закрытие задвижек на линиях всех впрысков в контур свежего пара и пара промперегрева.
Р.4.2.4 Отключение действия регулятора на направляющие аппараты дутьевых вентиляторов и дымососов рециркуляции газов и прикрытие до заданного значения направляющих аппаратов дутьевых вентиляторов.
Р.4.2.5 Наложение запрета на закрытие клапанов подачи вторичного воздуха к горелкам.
Р.4.2.6 Открытие задвижек на линии продувки пароперегревателя, если есть требование котельного завода.
Р.4.2.7 Закрытие главных парозапорных задвижек перед турбиной и их байпасов, а также задвижки на перемычке по свежему пару между котлами - для дубль-блоков.
Р.4.2.8 Закрытие задвижек на «холодных» и «горячих» линиях промперегрева (за ЦВД и перед ЦСД) - для дубль-блоков.
Примечание - Команды из схемы защит на исполнительные устройства сохраняются в течение времени, достаточного для выполнения наиболее продолжительной операции.
Р.4.3 Останов турбины
Р.4.3.1 Останов турбины производится путем выполнения следующих операций: закрытие стопорных и регулирующих клапанов турбины и других клапанов, управляемых системой регулирования, а также задвижек и их байпасов на линиях подвода пара к турбине.
Сигнал о закрытии стопорных клапанов турбины формируется:
- при закрытии всех стопорных клапанов - для турбин без промперегрева,
- при закрытии любого стопорного клапана ЦВД и любого стопорного клапана ЦСД - для турбин с промперегревом.
Р.4.3.2 После закрытия стопорных клапанов выполняются следующие операции:
- закрытие задвижек и их байпасов на линиях подвода пара к турбине (повторная команда),
- закрытие обратных клапанов на линиях отбора пара,
- закрытие задвижек на холодных и горячих линиях промперегрева - для дубль-блоков,
- закрытие задвижек на линиях отборов пара к деаэратору, ПВД, ПНД, на собственные нужды и к посторонним потребителям,
- подача резервного пара на деаэратор, паровые эжекторы турбины, уплотнения турбины, калориферы котла,
- открытие задвижек на линиях обеспаривания промперегрева (на турбинах, где нет механического открытия линии обеспаривания),
- отключение рабочего трансформатора собственных нужд (при отсутствии выключателя в цепи генераторного напряжения),
Примечания:
- При наличии выключателя в цепи генераторного напряжения трансформатор собственных нужд отключается только при отключенных турбине и выключателе блока.
- Отключение генератора от сети и гашение его поля.
Р.4.3.3 Для турбин без промперегрева операции по отключению генератора от сети и гашению его поля выполняются после закрытия всех стопорных клапанов при наличии подтверждения от реле обратной мощности.
При срабатывании защит по п.п. Р2.25, Р2.26, Р2.27, Р2.29, Р2.31, Р2.32, Р2.33, Р2.34, Р2.35 генератор отключается после закрытия всех стопорных клапанов без контроля наличия обратной мощности или так же, как при срабатывании остальных защит.
Р.4.3.4 Для турбин с промперегревом операции по отключению генератора от сети и гашению его поля выполняются после закрытия любого стопорного клапана ЦВД и любого стопорного клапана ЦСД, при наличии подтверждения от реле обратной мощности, после понижения давления в линии «холодного» промперегрева. Давление контролируется одним датчиком.
При срабатывании защит по п.п. Р2.25, Р2.26, Р2.27, Р2.29, Р2.31, Р2.32, Р2.33, Р2.34, Р.2.35 генератор отключается либо сразу после закрытия всех стопорных клапанов ЦВД и ЦСД, либо по сигналу о закрытии любого стопорного клапана ЦВД и любого стопорного клапана ЦСД при наличии подтверждении от реле обратной мощности, либо так же, как при срабатывании остальных защит.
Примечание - Команды из схемы защит на исполнительные устройства сохраняются в течение времени, достаточного для выполнения наиболее продолжительной операции.
Р.4.4 Останов питательного электронасоса
Останов ПЭН производится путем отключения выключателя электродвигателя. После отключения выключателя:
- закрывается задвижка на стороне нагнетания насоса,
- закрывается задвижка на трубопроводе питательной воды из промступени,
- открывается вентиль рециркуляции.
Примечание - Команды из схемы защит на исполнительные устройства сохраняются в течение времени, достаточного для выполнения наиболее продолжительной операции.
Р.4.5 Снижение нагрузки блока до 50 % номинальной.
Снижение нагрузки блока производится следующим образом:
Р.4.5.1 Снижается нагрузка турбины регулятором «до себя».
Р.4.5.2 Снижается нагрузка котла моноблока или обоих котлов дубль-блока согласно п. Р4.8.
Р.4.6 Снижение нагрузки блока до 30 % номинальной.
Снижение нагрузки блока производится следующим образом:
- снижается нагрузка котла моноблока или обоих котлов дубль-блока согласно п. Р4.9, на дубль-блоке возможно отключение одного котла согласно п. Р4.2 и снижение нагрузки второго котла до 50 % согласно п. Р4.8,
- подается резервный пар на деаэратор, паровые эжекторы турбины, уплотнения турбины, калориферы котла,
- снижается нагрузка турбины по команде из схемы электрических защит генератора одновременным воздействием на электродвигатель МУТ до понижения давления в камере регулирующей ступени до значения, соответствующего нагрузке 30 % номинальной, и на ЭГП. Давление в камере регулирующей ступени контролируется одним датчиком.
Р.4.7 Снижение нагрузки блока до собственных нужд (холостого хода генератора).
Снижение нагрузки блока производится следующим образом:
- отключается воздействие на МУТ всех регуляторов (нагрузка турбины снижается ее системой регулирования),
- снижается нагрузка котла (котлов) следующим образом.
На газомазутном, газовом или мазутном котле снижение нагрузки производится согласно п. Р4.9 с включением ПСБУ согласно п. Р4.11.1.
На пылевом или пылегазовом котле снижение нагрузки производится путем его погашения на время до 15 мин. с использованием аккумулированного тепла согласно п. Р4.10.
Кроме того, на блоке производится:
- перевод деаэратора, паровых эжекторов турбины, уплотнений турбины и калориферов котла на питание от резервного источника пара,
- переключение сброса конденсата из первого на ходу питательной воды ПВД в конденсатор.
Примечание - На дубль-блоке допускается снижение нагрузки путем отключения одного из котлов и снижения нагрузки второго котла до 50 % согласно п. Р4.8.
Р.4.8 Снижение нагрузки котла до 50 % номинальной.
Снижение нагрузки котла производится путем снижения расхода топлива.
P.4.8.1 Для котлов, работающих на газе или мазуте:
- При включенном регуляторе топлива - отключением от него задающего воздействия и установлением ему фиксированного задания на поддержание нагрузки 50 %,
- При отключенном регуляторе топлива - дискретным воздействия на регулирующий орган расхода топлива до достижения соответствующего расхода, контролируемого одним прибором.
Р.4.8.2 Для котлов, работающих на твердом топливе:
При включенном регуляторе топлива - отключением от него и от регулятора воздуха задающего воздействия и установлением им фиксированного задания на поддержание нагрузки 50 %,
При отключенном регуляторе топлива - дискретным изменением расхода топлива путем подключения задающего воздействия к СБР.
Кроме того, независимо от состояния регулятора топлива:
- отключением части топливоподающих устройств следующим образом:
- при числе горелок не более 8 отключается такое количество топливоподающих устройств, чтобы в работе осталось 70 % их общего количества (по специальной программе, учитывающей количество включенных топливоподающих устройств),
- при числе горелок более 8 - отключается 30 % топливоподающих устройств по жесткой программе.
- включением мазутных форсунок подхвата факела.
Примечания:
- При отключении одного из двух вентиляторов первичного воздуха (п. Р2.50) или одного из двух мельничных вентиляторов при транспортировке пыли сушильным агентом от этих вентиляторов (п. Р2.51) операции по п. Р4.8.2 не выполняются. Отключение топливоподающих устройств выполняется системой технологических блокировок.
- Алгоритм отключения топливоподающих устройств при сжигании твердого топлива задается котельным заводом.
Р.4.9 Снижение нагрузки газомазутного, газового или мазутного котла до 30 % номинальной.
Снижение нагрузки котла производится, путем выполнения следующих операций:
Р.4.9.1 Снижение расхода топлива:
При включенном регуляторе топлива - отключением задающего воздействия от регулятора нагрузки и установления ему фиксированного задания на поддержание нагрузки 30 %,
При отключенном регуляторе топлива - дискретным воздействия на регулирующий орган расхода топлива до достижения соответствующего расхода, контролируемого одним прибором.
Р.4.9.2 Отключение воздействия регулятора общего воздуха и прикрытие до заданного значения направляющих аппаратов дутьевых вентиляторов.
Р.4.9.3 Отключение регулятора температуры пара промперегрева рециркуляцией газов и прикрытие до заданного значения направляющих аппаратов дымососов рециркуляции газов.
P.4.9.4 Закрытие и введение запрета на открытие задвижки на линии впрыска в промежуточный пароперегреватель.
Р.4.9.5 Введение запрета на срабатывание защиты «Прекращение расхода через промежуточный пароперегреватель» (п. Р2.12).
Р.4.10 Погашение пылеугольного, пылегазового котла.
Погашение котла производится, путем выполнения следующих операций:
Р.4.10.1 Отключение подачи всех видов топлива, подведенного к котлу, согласно п. Р.4.2.1.
Р.4.10.2 Отключение запальных устройств согласно п. Р4.2.2.
Р.4.10.3 Закрытие запорных устройств на линиях всех впрысков в контур свежего пара и пара промперегрева (п. Р4.2.5).
Р.4.10.4 Закрытие запорных устройств на байпасе РПК.
Р.4.10.5 Автоматический вывод защит:
«Прекращение расхода через промежуточный пароперегреватель» (п. Р2.12).
«Понижение уровня в барабане котла» (п. Р2.14) - на время до 2,5 мин.
«Понижение температуры свежего пара за котлом дубль-блока» (п. Р2.15).
«Погасание общего факела в топке» (п. Р2.16).
«Понижение давления газа» (п. Р2.17).
«Понижение давления мазута» (п. Р2.18).
«Отключение всех вентиляторов первичного воздуха» (п. Р2.23).
«Отключение всех мельничных вентиляторов при транспортировке пыли сушильным агентом от этих вентиляторов» (п. Р2.24).
«Понижение температуры свежего пара перед турбиной» (п. Р2.30).
«Потускнение общего пылеугольного факела в топке» (п. Р2.61).
Примечание: Автоматический ввод защит производится во время растопки котла при появлении условий ввода (таблица Р1).
Р.4.10.6 Автоматический ввод защиты «Понижение до нижней уставки температуры свежего пара перед турбиной» (п. Р2.38).
Р.4.10.7 Отключение воздействия регулятора общего воздуха на исполнительный механизм.
Р.4.11 Включение ПСБУ
Включение ПСБУ производится по одной из следующих программ:
Р.4.11.1 Полное открытие дроссельных клапанов ПСБУ с последующим включением регулятора давления при действии защит по п.п. Р3.47 и Р3.55.
Р.4.11.2 Открытие дроссельных клапанов таким образом, что команда на открытие снимается либо после полного открытия клапана, либо после понижения давления свежего пара до заданного значения, если давление понизилось раньше, чем открылся клапан - при действии защиты по п. Р.3.56. После снятия команды на открытие включается регулятор давления ПСБУ.
Р.4.11.3 Независимо от программы включения ПСБУ, при начале открытия дроссельного клапана открывается задвижка на подводе конденсата к соответствующему пароприемному устройству конденсатора.
Р.5 Технические условия на выполнение устройств автоматического ввода и вывода технологических защит
P.5.1 Автоматический ввод-вывод предусматривается для предотвращения действия ряда технологических защит, в то время, когда возникновение условий их срабатывания не опасно для защищаемого оборудования, а также для последующего ввода защит при работе защищаемого оборудования.
Если признаки ввода какой-либо из защит этой группы не могут быть однозначно сформулированы или надежно сформированы, ввод ее осуществляется специальным ручным возвратным ключом, устанавливаемым в оперативном контуре щита управления. Вывод защиты осуществляется автоматически.
Защиты, не вводимые автоматически или с помощью специальных ключей, вступают в работу при запуске логической части подсистемы ТЗ и подаче напряжения электропитания на датчики защит.
Р.5.2 Настоящие технические условия разработаны для автоматического ввода и вывода защит во всех режимах работы защищаемого технологического оборудования за исключением режима расхолаживания, когда параметры пара снижаются раньше, чем отключается оборудование. В последнем случае вывод защит осуществляется с помощью специальных неоперативных коммутационных устройств (накладок, испытательных клемм и т.п.).
Р.5.3 Алгоритмы автоматического ввода-вывода защит должны удовлетворять следующим требованиям:
Р.5.3.1 Защита автоматически вводится в работу при появлении признака ввода независимо от состояния датчиков и остается включенной до появления признака вывода, после чего защита автоматически выводится.
Аварийная сигнализация вводится и выводится вместе с защитой.
Р.5.3.2 При появлении признака вывода и наличии признака ввода приоритет отдается признаку вывода.
Р.5.3.3 В оперативном контуре выполняется сигнализация о введенном (выведенном) состоянии защит (группы защит).
Р.5.3.4 Каждый из параметров, участвующих в формировании признаков ввода-вывода, может контролироваться одним датчиком.
Р.5.4 При формировании признаков ввода-вывода принято:
Р.5.4.1 Признак «Закрыты стопорные клапаны турбины» формируется при закрытии любого стопорного клапана ЦВД и любого стопорного клапана ЦСД - на турбинах с промперегревом и при закрытии всех стопорных клапанов - на остальных турбинах.
Р.5.4.2 Признак «Открыт любой стопорный клапан турбины» формируется как инверсия признака «Закрыты стопорные клапаны турбины».
Р.5.4.3 Нагрузка котла моноблока и нагрузка блока контролируется по давлению в камере регулирующей ступени, нагрузка котла дубль-блока контролируется по расходу свежего пара за котлом.
Р.5.4.4 Признак «Начало растопки» формируется следующим образом: не закрыта задвижка на подводе топлива к котлу и начало открываться второе запорное устройство на подводе этого топлива к любой горелке.
Если котел рассчитан на растопку на жидком и газообразном топливе, такой признак формируется для каждого топлива и защита вводится по любому из этих признаков.
Р.5.4.5 Признак «Останов котла» формируется при начале выполнения программы автоматического останова котла.
Р.5.4.6 Признак «Сработала защита «Невоспламенение при растопке» формируется при срабатывании защиты по п. Р2.62.
Р.5.4.7 Время транспортного запаздывания защит «Невоспламенение» на 1 с больше времени, необходимого для появления факела горелки после открытия второго запорного устройства на подводе топлива к этой горелке.
Р.5.4.8 На котлах, рассчитанных на сжигание нескольких видов топлива, включая растопочный мазут, определение преобладающего вида топлива для каждого режима осуществляется:
- на газомазутных котлах - по величине расхода топлива,
- на остальных котлах - переключателем топлива, имеющим по одному положению на каждый вид сжигаемого топлива.
Расход мазута определяется с учетом его рециркуляции в обратную магистраль.
Р.5.5 Признаки ввода и вывода защит
Таблица Р1
|
Пункт Р. |
Признаки |
||
|
ввода |
вывода |
||
|
1 Повышение давления в конденсаторе турбины |
Давление ниже уставки защиты или частота вращения ротора выше заданной |
Закрыты СК турбины |
|
|
2 Отключение всех питательных насосов |
Начало растопки и генератор включен в сеть |
Останов котла или сработала защита «Невоспламенение при растопке» |
|
|
3 Останов обоих котлов дубль-блока |
Открыт любой СК турбины |
Закрыты СК турбины |
|
|
4 Повышение уровня в барабане |
Дана команда на ввод защиты специальным возвратным ключом. Если измерение уровня производится с коррекцией по параметрам среды - «Начало растопки» |
Останов котла или сработала защита «Невоспламенение при растопке» |
|
|
5 Понижение уровня в барабане |
То же |
Останов котла или сработала защита «Невоспламенение при растопке», или действие защиты на погашение котла (п. Р4.10) - на время до 2,5 мин |
|
|
6 Погасание общего факела в топке (при контроле общего факела) |
Все приборы контроля общего факела показали его наличие и: |
Останов котла или действие защиты на погашение котла (п. Р4.10) |
|
|
- при растопке на газе - расход газа более 35 % номинального; |
|||
|
- при растопке на мазуте всех пылеугольных котлов, кроме котлов «Сибэнергомаш» и ТКЗ, - расход мазута более 90 % растопочного; |
|||
|
- при растопке на мазуте пылеугольных котлов «Сибэнергомаш» и ТКЗ - включена одна мельница или один питатель пыли и прошло время до 5 мин, достаточное для транспорта пыли в топку; |
|||
|
- при растопке на мазуте мазутных и газомазутных котлов - расход мазута более 35 % номинального |
|||
|
7 Понижение давления газа (действие на останов котла) |
Для газовых котлов» |
||
|
Начало растопки на газе |
Останов котла или сработала защита «Невоспламенение при растопке |
||
|
Для газомазутгных котлов: |
|||
|
Начало растопки на газе и расход мазута менее 35 % |
Останов котла или сработала защита «Невоспламенение при растопке», или расход мазута более 35 % |
||
|
Для пылегазовых котлов: |
|||
|
Начало растопки на газе и переключатель топлива (ПТ) - в положении «Газ» |
Останов котла или сработала защита «Невоспламенение при растопке», или ПТ - не в положении «Газ», или действие защиты на погашение котла (п. Р.4.10) |
||
|
7а Понижение давления газа (действие на отключение подачи газа) |
Начало растопки на газе |
Останов котла или сработала защита «Невоспламенение при растопке» или закрыта задвижка на газе к котлу |
|
|
8 Понижение давления мазута (действие на останов котла) |
Для мазутных котлов: |
||
|
Начало растопки на мазуте |
Останов котла или сработала защита «Невоспламенение при растопке» |
||
|
Для газомазутных котлов: |
|||
|
Начало растопки на мазуте и расход газа менее 35 % |
Останов котла или сработала защита «Невоспламенение при растопке», или расход газа более 35 % |
||
|
Для пылеугольных и пылегазовых котлов, где мазут - растопочное топливо: |
|||
|
Начало растопки на мазуте и ПТ - в положении «Растопка на мазуте» |
Останов котла или сработала защита «Невоспламенение при растопке», или ПТ - не в положении «Растопка на мазуте», или действие защиты на погашение котла (п. Р4.10) |
||
|
8а Понижение давления мазута (действие на отключение подачи мазута) |
Начало растопки на мазуте |
Останов котла или сработала защита «Невоспламенение при растопке» или закрыта задвижка на мазуте к котлу |
|
|
9 Прекращение расхода через промежуточный пароперегреватель |
Нагрузка котла выше 40 % номинальной |
Нагрузка котла ниже 30 % номинальной или есть команда на автоматический перевод котла на нагрузку 30 % номинальной, или действие защиты на погашение котла (п. Р4.10) |
|
|
10 Понижение давления в системе смазки мельниц с прямым вдуванием при централизованной подаче масла |
Возвратный ключ ввода защит в положении «Защиты введены» и ПТ в положении «Пыль» |
Останов котла или ПТ не в положении «Пыль» |
|
|
11 Отключение всех вентиляторов первичного воздуха |
То же |
Останов котла или ПТ не в положении «Пыль», или действие защиты на погашение котла (п. Р4.10) |
|
|
12 Отключение всех мельничных вентиляторов при транспортировке пыли сушильным агентом от этих вентиляторов |
-»- |
То же |
|
|
13 Потускнение общего пылеугольного факела в топке |
-»- |
То же |
|
|
14 Отключение всех дымососов |
Начало растопки |
Останов котла или сработала защита «Невоспламенение при растопке» (п. Р2.8.9) |
|
|
15 Отключение всех дутьевых вентиляторов |
То же |
То же |
|
|
16 Отключение всех регенеративных воздухоподогревателей |
-»- |
-»- |
|
|
17 Понижение температуры свежего пара за котлом дубль-блока |
Котел подключен к турбине: открыты ГПЗ или их байпасы и температура пара перед турбиной выше уставки сигнализации |
Останов котла или котел отключен от турбины, или действие защиты на погашение котла (п. Р.4.10) |
|
|
18 Понижение температуры свежего пара перед турбиной |
Для моноблока |
||
|
Открыт любой СК и температура перед ним выше уставки сигнализации |
Закрыты СК турбины или действие защиты на погашение котла |
||
|
Для дубль-блока: |
|||
|
Открыт любой СК и температура перед ним выше уставки сигнализации, и паропровод подключен к турбине |
Закрыты СК турбины или действие защиты на погашение котла, или паропровод отключен от турбины |
||
|
19 Понижение расхода воды на газоохладители генератора |
Открыт любой СК турбины и включен любой насос НТО |
Закрыты СК турбины |
|
|
20 Отключение всех насосов газоохладителей генератора |
То же |
То же |
|
|
21 Понижение до нижней уставки температуры свежего пара перед конденсационной турбиной блока с пылеугольным или пылегазовым котлом (котлами) |
Действие защиты на погашение котла |
Закрыты СК турбины или введена защита «Понижение температуры свежего пара перед турбиной» п. Р2.30 |
|
|
22 Понижение давления в системе смазки ПЭН |
Выключатель электродвигателя ПЭН включен |
Выключатель электродвигателя ПЭН отключен |
|
|
23 Понижение давления на стороне нагнетания ПЭН |
Выключатель электродвигателя ПЭН включен и прошло до 20 с |
То же |
|
|
24 Отключение одного из двух питательных насосов |
Нагрузка блока более 60 % номинальной |
Нагрузка блока менее 50 % номинальной |
|
|
25 Отключение от турбины одного из котлов дубль-блока |
То же |
То же |
|
|
26 Отключение одного из двух дымососов |
Нагрузка котла более 60 % номинальной |
Нагрузка котла менее 50 % номинальной |
|
|
27 Отключение одного из двух дутьевых вентиляторов |
То же |
То же |
|
|
28 Отключение одного из двух регенеративных воздухоподогревателей |
-»- |
-»- |
|
|
29 Отключение одного из двух вентиляторов первичного воздуха |
Нагрузка котла более 60 % номинальной и ПТ в положении «Пыль» |
Нагрузка котла менее 50 % номинальной или ПТ не в положении «Пыль» |
|
|
30 Отключение одного из двух мельничных вентиляторов при транспортировке пыли сушильным агентом от этих вентиляторов |
То же |
То же |
|
|
31 Отключение генератора от сети вследствие внешних повреждений (действие на останов) |
Генератор включен в сеть и открыт любой СК |
Закрыты СК турбины |
|
|
Для конденсационных турбин: |
|||
|
Генератор включен в сеть и открыт любой СК, и накладка защиты в положении «Останов» |
Либо закрыты СК турбины, либо накладка защиты в положении «Снижение нагрузки» |
||
|
32. Отключение генератора от сети вследствие внешних повреждений (действие на снижение нагрузки конденсационных турбин) |
Генератор включен в сеть и открыт любой СК, и накладка защиты в положении «Снижение нагрузки» |
Либо закрыты СК турбины, либо накладка защиты в положении «Останов» |
|
|
33 Возникновение асинхронного режима (действие на останов блоков с конденсационной турбиной и котлами, сжигающими газ или мазут) |
Накладка защиты в положении «Останов» |
Накладка защиты в положении «Снижение нагрузки» |
|
|
Кроме того, на дубль-блоках, где оба котла остаются в работе при снижении нагрузки: |
|||
|
или один котел отключен от турбины |
и оба котла подключены к турбине |
||
|
34 Возникновение асинхронного режима (действие на снижение нагрузки блоков с конденсационной турбиной и котлами, сжигающими газ или мазут) |
Накладка защиты в положении «Снижение нагрузки» |
Накладка защиты в положении «Останов» |
|
|
Кроме того, на дубль-блоках, где оба котла остаются в работе при снижении нагрузки: |
|||
|
и оба котла подключены к турбине |
или один котел отключен от турбины |
||
|
35 Закрытие стопорных клапанов (действие на останов) |
Генератор включен в сеть и открыт любой СК |
Прошло заданное время после закрытия СК турбины |
|
|
Для конденсационных турбин с котлами, сжигающими газ или мазут: |
|||
|
Генератор включен в сеть и открыт любой СК, и накладка защиты в положении «Останов» |
Либо прошло заданное время после закрытия СК турбины, либо накладка защиты в положении «Снижение нагрузки» |
||
|
36. Закрытие стопорных клапанов (действие на снижение нагрузки блоков с конденсационной турбиной и котлами, сжигающими газ или мазут) |
Генератор включен в сеть и открыт любой СК, и накладка защиты в положении «Снижение нагрузки» |
Прошло заданное время после закрытия СК турбины либо накладка защиты в положении «Останов» |
|
|
37 Невоспламенение первой горелки или погасание факела всех горелок при растопке котла |
Для всех котлов, кроме пылеугольных ПМЗ: |
||
|
Давление топлива перед котлом выше уставки защиты по понижению давления этого топлива и прошло заданное время (транспортного запаздывания) от начала открытия второго запорного устройства на линии подвода этого топлива к любой горелке |
Закрыта задвижка на топливе к котлу или введена защита «Погасание общего факела в топке» |
||
|
Для пылеугольных котлов ПМЗ: |
|||
|
Возвратный ключ ввода защиты в положении «Защита введена» |
Возвратный ключ ввода защиты в положении «Защита выведена» |
||
|
38 Невоспламенение или погасание факела горелки |
Давление топлива перед котлом выше уставки защиты по понижению давления этого топлива и прошло заданное время (транспортного запаздывания) от начала открытия второго запорного устройства на линии подвода этого топлива к данной горелке |
Закрыто наименее быстроходное запорное устройство на линии подвода топлива к данной горелке или введена защита 6 «Погасание общего факела в топке» п. Р2.16 |
|
С.1 Общая часть
С.1.1 Требования настоящего документа распространяются на:
- системы пылеприготовления с прямым вдуванием пыли в топку котла, оснащённые мельницами молотковыми, среднеходными типа МВС или МПС-2650, мельницами-вентиляторами;
- системы пылеприготовления с промежуточным бункером пыли, оснащённые шаровыми барабанными и молотковыми мельницами.
Принято, что система пылеприготовления с прямым вдуванием состоит из следующего оборудования: бункера сырого топлива, питателя сырого топлива, одной мельницы, индивидуального вентилятора сушильно-вентилирующего агента, установленного перед или за мельницей, сепаратора пыли, пыледелителя, пылеконцентратора, пылегазовоздухопроводов со встроенными клапанами (шиберами), систем смазки и пожаротушения.
Система пылеприготовления с промежуточным бункером пыли дополнительно оснащена циклоном с мигалками и сетками в течке пыли под ним, коробами первичного и/или сбросного воздуха, смесителями пыли, встроенными в основные пылепроводы. К одному промежуточному бункеру с питателями пыли подключается одна или несколько мельниц с относящимися к ним бункерами и питателями сырого топлива, сепараторами, циклонами и индивидуальными вентиляторами.
С.1.2 Настоящий документ является типовым, соответствует Федеральным законам «О промышленной безопасности опасных производственных объектов», «О техническом регулировании», «Об электроэнергетике» и составлен на основании технической документации заводов-изготовителей оборудования систем пылеприготовления. При пересмотре указанных документов или внесения в них изменений настоящий документ должен быть также пересмотрен и в него должны быть внесены соответствующие изменения. Внесение изменений без согласования с инстанцией, утвердившей настоящий документ, не допускается. Документ обязателен для применения на действующем и вновь проектируемом оборудовании.
С.1.3 Защиты и блокировки, не вошедшие в настоящий документ (некоторые защиты и блокировки собственно электродвигателей, некоторые внутренние защиты и блокировки маслостанций систем принудительного жидкого маслоснабжения узлов смазки мельниц, защиты и блокировки опытных образцов мельниц, не поставленных на серийное производство, например МВС-225), выполняются по техническим условиям заводов-изготовителей оборудования, согласованным с котельными заводами, генеральным проектировщиком ТЭС.
Исключение составляют защиты, действующие при повышении температуры и давления пылегазовоздушной смеси в тракте пылеприготовительной установки, для которых значения уставок и места размещения датчиков устанавливаются разрабатываемым стандартом. Уставка срабатывания для локальной защиты, действующей при повышении температуры пылегазовоздушной смеси за мельницей (сепаратором) до первого предела, соответствует максимально допустимому для данной марки топлива значению температуры. Для защиты, действующей на отключение пылеприготовительной установки при повышении температуры до второго предела, уставка срабатывания устанавливается на 10 °С выше уставки локальной защиты.
Для систем пылеприготовления со среднеходными мельницами по требованию завода-изготовителя мельницы максимально допустимая температура пылевоздушной смеси, как правило, определяется по условию обеспечения надёжной работы элементов мельницы.
Измерение температуры пылегазовоздушной смеси должно производиться малоинерционными комплектами измерения (датчик - вторичный прибор). Постоянная времени измерительного комплекта не должна превышать 20 с.
Защита, действующая на отключение системы пылеприготовления при повышении давления в её тракте, выполняется только для систем пылеприготовления, оборудованных взрывными предохранительными клапанами. Значения уставки срабатывания этой защиты должно соответствовать установленному значению давления раскрытия мембран предохранительных клапанов при взрыве в системе пылеприготовления.
С.1.5 Объём технологических защит и блокировок, технические условия на их выполнение определены с учётом следующих положений:
С.1.5.1 При выполнении защит на традиционных технических средствах комплект защиты состоит из необходимого количества каналов контроля измеряемого параметра, логической схемы получения сигнала защиты, схемы формирования команд, действующих на исполнительные механизмы, устройств сигнализации и фиксации срабатывания защит.
Защита, выполненная по схеме «два из двух», или «один из двух», имеет два независимых канала контроля значения измеряемого параметра. Срабатывание защиты, выполненной по схеме «два из двух», происходит при достижении установленного предела (уставки срабатывания) значения контролируемого параметра в обоих каналах контроля. Срабатывание защиты, выполненной по схеме «один из двух», происходит при достижении установленного предела значения контролируемого параметра в любом канале контроля.
С.1.5.2 Для каждой защиты, отключающей систему пылеприготовления при изменении параметра, как правило, устанавливаются два или три датчика.
Для локальных защит и блокировок, как правило, используется один датчик.
С.1.5.3 Для исключения ложной работы защиты по понижению параметра или отключению механизмов автоматически вводят в работу и выводят при появлении соответствующих условий (раздел С5). Защиты, не вводимые автоматически, вводят в действие при подаче напряжения электропитания в их схемы, в том числе и в схемы питания датчиков.
С.1.5.4 Действие защит имеет приоритет перед действием всех других подсистем КИПиА и сохраняется в течение времени, достаточного для выполнения самой длительной защитной операции.
С.1.5.6 Команда на отключение системы пылеприготовления при аварийных останове и разгрузке котла формируется в схеме защит котла.
При останове котла отключаются все системы пылеприготовления и подачи пыли к горелкам котла.
При разгрузке котла отключаются заранее выбранные системы пылеприготовления с прямым вдуванием или системы подачи пыли в топку котла в пылеприготовительных установках с бункером пыли.
Выбор отключаемых систем пылеприготовления осуществляется в схеме защит котла
С.1.5.7 Отключённые действием защит и блокировок автоматические регуляторы, кроме регуляторов температуры пылегазовоздушной смеси за мельницей (сепаратором) и регуляторов расхода сушильно-вентилирующего агента, подаваемого в мельницу, вновь включаются в работу оперативным персоналом после устранения причин срабатывания защиты или блокировки. Регуляторы температуры и расхода включаются автоматически после снятия запрета на их включение, налагаемого блокировками.
С.1.5.8 В цепях управления механизмами и арматурой системы пылеприготовления запрещается устанавливать ключи ввода технологических защит и блокировок. Команды на ИУ по отключённому положению выключателя электродвигателя главного привода мельницы снимаются через промежуток времени, достаточный для выполнения самой длительной операции по останову системы пылеприготовления.
С.1.5.9 В приложении применяются следующие сокращения:
АШ - антрацитовый штыб;
ВГД - вентилятор горячего дутья;
ВМ - вентилятор мельничный;
ВПК - взрывной предохранительный клапан;
ВСА - вентилятор сушильного агента;
MB - мельница-вентилятор;
МВС - мельница валковая среднеходная;
ММ - молотковая мельница;
МПС - среднеходная мельница, изготовленная по лицензии Фирмы «Дойче Бабкок АГ» (Германия);
ПВК - пыль высокой концентрации;
ПСУ - питатель сырого угля;
СМ - среднеходная мельница;
ШБМ - шаровая барабанная мельница.
С.2 Перечень технологических защит
С.2.1 Защиты в системе пылеприготовления с прямым вдуванием и молотковой мельницей
Защиты, действующие на останов системы пылеприготовления
С.2.1.1 Повышение до II предела температуры пылевоздушной (пылегазовоздушной) смеси за сепаратором.
С.2.1.2 Повышение давления в системе пылеприготовления, оборудованной взрывными предохранительными клапанами.
С.2.1.3 Повышение вибрации мельницы (выполняется по согласованию между заводом-изготовителем мельницы и Заказчиком).
С.2.1.4 Уменьшение протока масла через любой подшипник мельницы или её электродвигателя, имеющий принудительную жидкую смазку.
С.2.1.5 Отключение ВСА.
С.2.1.6 При аварийном останове котла.
С.2.1.7 При аварийной разгрузке котла.
Защиты, выполняющие локальные операции
С.2.1.8 Повышение до I предела температуры пылевоздушной (пылегазовоздушной) смеси за сепаратором.
С.2.1.9 Прекращение выхода сырого топлива из бункера.
С.2.1.10 Понижение уровня сырого топлива в бункере системы пылеприготовления с питателями сырого топлива в газоплотном корпусе.
С.2.1.11 Перегрузка мельницы.
С.2.2 Защиты в системе пылеприготовления с прямым вдуванием и среднеходной мельницей типа МВС
Защиты, действующие на останов системы пылеприготовления
С.2.2.1 Повышение до II предела температуры пылевоздушной смеси за сепаратором.
С.2.2.2 Повышение давления в системе пылеприготовления, оборудованной взрывными предохранительными клапанами.
С.2.2.3 Повышение вибрации мельницы (выполняется по согласованию между заводом-изготовителем мельницы и Заказчиком).
С.2.2.4 Понижение давления масла в системе смазки редуктора.
С.2.2.5 Повышение температуры масла в ванне редуктора.
С.2.2.6 Понижение уровня масла в ванне редуктора.
С.2.2.8 При аварийном останове котла.
С.2.2.9 При аварийной разгрузке котла.
Защиты, выполняющие локальные операции
С.2.2.10 Повышение до I предела температуры пылевоздушной смеси за сепаратором.
С.2.2.11 Прекращение выхода сырого топлива из бункера.
С.2.2.12 Понижение уровня сырого топлива в бункере системы пылеприготовления с питателями сырого топлива в газоплотном корпусе.
С.2.2.13 Перегрузка мельницы.
С.2.2.14 Понижение перепада давлений на уплотнениях корпуса мельницы.
С.2.3 Защиты в системе пылеприготовления с прямым вдуванием и среднеходной мельницей МПС-2650
Защиты, действующие на останов системы пылеприготовления
С.2.3.1 Повышение до II предела температуры пылевоздушной смеси за сепаратором.
С.2.3.2 Повышение давления в системе пылеприготовления, оборудованной взрывными предохранительными клапанами.
С.2.3.3 Повышение вибрации мельницы (выполняется по согласованию между заводом-изготовителем мельницы и Заказчиком).
С.2.3.4 Понижение давления масла в системе смазки редуктора.
С.2.3.5 Понижение уровня масла в ванне редуктора.
С.2.3.6 Понижение уровня масла в размольных валках.
С.2.3.7 Повышение температуры масла в размольных валках.
С.2.3.8 Повышение температуры масла в масляной ванне подшипника скольжения.
С.2.3.10 Отключение ПСУ.
С.2.3.11 При аварийном останове котла.
С.2.3.12 При аварийной разгрузке котла.
Защиты, выполняющие локальные операции
С.2.3.13 Повышение до I предела температуры пылевоздушной смеси за сепаратором.
С.2.3.14 Прекращение выхода сырого топлива из бункера.
С.2.3.15 Понижение уровня сырого топлива в бункере системы пылеприготовления с питателями сырого топлива в газоплотном корпусе.
С.2.3.16 Перегрузка мельницы.
С.2.3.17 Понижение перепада давлений на уплотнениях корпуса мельницы.
С.2.3.18 Понижение расхода сушильно-вентилирующего агента.
С.2.4 Защиты в системе пылеприготовления с прямым вдуванием и мельницей-вентилятором
Защиты, действующие на останов системы пылеприготовления
С.2.4.1 Повышение до II предела температуры пылевоздушной (пылегазовоздушной) смеси за сепаратором.
С.2.4.2 Повышение давления в системе пылеприготовления, оборудованной взрывными предохранительными клапанами.
С.2.4.3 Повышение вибрации мельницы (выполняется по согласованию между заводом-изготовителем мельницы и Заказчиком).
С.2.4.4 Повышение температуры подшипников мельницы.
С.2.4.5 При аварийном останове котла.
С.2.4.6 При аварийной разгрузке котла.
Защиты, выполняющие локальные операции
С.2.4.7 Повышение до I предела температуры пылевоздушной смеси за сепаратором.
С.2.4.8 Прекращение выхода сырого топлива из бункера.
С.2.4.9 Понижение уровня сырого топлива в бункере системы пылеприготовления с питателями сырого топлива в газоплотном корпусе.
С.2.4.10 Перегрузка мельницы.
С.2.5 Защиты в системе пылеприготовления с бункером пыли
Защиты, действующие на останов системы пылеприготовления
С.2.5.1 Повышение до II предела температуры пылегазовоздушной смеси за мельницей (сепаратором).
С.2.5.2 Повышение давления в системе пылеприготовления, оборудованной взрывными предохранительными клапанами.
С.2.5.3 Забивание течки пыли под циклоном (выполняется по требованию Заказчика)
С.2.5.4 Повышение вибрации мельницы (выполняется по согласованию между заводом-изготовителем мельницы и Заказчиком).
С.2.5.5 Повышение температуры подшипников мельницы.
С.2.5.6 Уменьшение протока масла через любой подшипник мельницы или её электродвигателя, имеющий принудительную жидкую смазку.
С.2.5.7 Отключение MB.
С.2.5.8 При аварийном останове котла.
С.2.5.9 При аварийной разгрузке котла.
Защиты, выполняющие локальные операции
С.2.5.10 Повышение до I предела температуры пылевоздушной смеси за мельницей (сепаратором).
С.2.5.11 Прекращение выхода сырого топлива из бункера.
С.2.5.12 Понижение уровня сырого топлива в бункере системы пылеприготовления с сушкой топлива дымовыми газами и питателями сырого топлива в газоплотном корпусе.
С.2.5.13 Перегрузка мельницы.
С.2.5.14 Забивание пылепровода к основной горелке.
С.2.6 Защиты для систем принудительного жидкого циркуляционного маслоснабжения узлов смазки мельниц.
С.2.6.1 Понижение уровня масла в баке-отстойнике маслостанции.
С.2.6.2 Понижение давления масла в маслопроводе маслостанции до уставки АВР маслонасосов.
С.3 Технические условия на выполнение технологических защит
С.3.1 Защиты в системах пылеприготовления с прямым вдуванием и молотковой мельницей
Защиты, действующие на останов системы пылеприготовления
С.3.1.1 Повышение до II предела температуры пылевоздушной (пылегазовоздушной) смеси за сепаратором пыли.
Защита выполняется по схеме «один из двух». Датчики устанавливаются в пылепроводе за сепаратором. Значение уставки срабатывания защиты определяется в соответствии с п. С1.4.
Операции по останову системы пылеприготовления производят согласно разделу С4.1.
С.3.1.2 Повышение давления в системе пылеприготовления, оборудованной взрывными предохранительными клапанами
Давление контролируется одним датчиком. Давление рекомендуется контролировать под мембраной в патрубке одного из ВПК, установленных на сепараторе пыли. Значение уставки срабатывания защиты определяется в соответствии с п. С1.4.
Одновременно с отключением электродвигателя мельницы защита независимо от вида размалываемого топлива формирует команду на подачу в мельницу пара согласно п. С4.1.3.
Операции по останову системы пылеприготовления производят согласно разделу С4.1.
С.3.1.3 Повышение вибрации мельницы (выполняется по согласованию между заводом-изготовителем мельницы и Заказчиком)
Значение амплитуды вибрации контролируется комплектом приборов, поставляемых заводом-изготовителем мельницы. Технические условия на выполнение защиты устанавливаются также заводом-изготовителем мельницы.
Операции по останову системы пылеприготовления производят согласно разделу С4.1.
С.3.1.4 Уменьшение протока масла через любой подшипник мельницы или её электродвигателя, имеющий принудительную жидкую смазку
Расход масла контролируется датчиком - реле протока, установленным в маслопроводе перед или за (на линии слива) каждым подшипником мельницы и её электродвигателя.
Защита срабатывает с выдержкой времени до 60 с.
Операции по останову системы пылеприготовления производят согласно разделу С4.1.
С.3.1.5 Отключение индивидуального ВСА
Отключение электродвигателя мельницы осуществляется действием электрической блокировки.
Операции по останову системы пылеприготовления производят согласно разделу С4.1.
С.3.1.6 При аварийном останове котла
По команде, сформированной в схеме защит котла, отключаются электродвигатели всех установленных на котле мельниц. Остальные операции по останову систем пылеприготовления осуществляются согласно разделу С4.1.
С.3.1.7 При аварийной разгрузке котла.
По команде, сформированной в схеме защит котла, отключаются электродвигатели заранее выбранных мельниц. Выбор отключаемых мельниц (систем пылеприготовления) осуществляется в схемах защит котла. Остальные операции по останову систем пылеприготовления осуществляются согласно разделу С4.1.
Защиты, выполняющие локальные операции
С.3.1.8 Повышение до I предела температуры пылевоздушной (пылегазовоздушной) смеси за сепаратором пыли.
Температура контролируется одним из датчиков защиты по п. С3.1.1. Значение уставки срабатывания защиты определяется в соответствии с п. С1.4.
Защита отключает воздействие автоматического регулятора температуры пылевоздушной (пылегазовоздушной) смеси за сепаратором на клапан (клапаны) в тракте присадки низкотемпературного сушильного агента в мельницу и полностью открывает этот клапан (клапаны).
В системе пылеприготовления, оборудованной подачей распылённой воды в тракт сушильно-вентилирующего агента перед мельницей, защита дополнительно открывает арматуру в трубопроводе подачи воды к форсункам.
При понижении температуры пылегазовоздушной смеси ниже уставки срабатывания защиты арматура в трубопроводе подачи воды к форсункам закрывается (импульсная команда) и подключается воздействие регулятора на клапан в тракте присадки низкотемпературного сушильно-вентилирующего агента в мельницу.
С.3.1.9 Прекращение выхода сырого топлива из бункера.
Защита срабатывает при обрыве слоя топлива в питателе сырого топлива (дозаторе двухступенчатого питателя). Наличие слоя топлива в питателе контролируется датчиком, установленным в корпусе питателя (дозатора) максимально близко к бункеру.
Защита отключает воздействие автоматического регулятора загрузки мельницы на частоту вращения электродвигателя питателя топлива (электродвигателей дозатора и транспортёра двухступенчатого питателя), уменьшает частоту вращения электродвигателя (электродвигателей) до минимальной и включает в работу побудители движения топлива в бункере.
При использовании в качестве побудителей движения топлива вибраторов с электромагнитным приводом последние работают в циклическом режиме с продолжительностью включённого состояния до 20 с и отключённого - до 3 мин (значения выдержек времени устанавливаются в соответствии с паспортной термической характеристикой электромагнитного привода вибраторов).
Отключение побудителей движения топлива в бункере производится автоматически после восстановления слоя топлива в питателе. После этого через 10 с подключается воздействие регулятора загрузки мельницы на электродвигатель (электродвигатели) питателя топлива.
С.3.1.10 Понижение уровня сырого топлива в бункере системы пылеприготовления с питателями сырого топлива в плотном корпусе
Защита выполняется на всех системах пылеприготовления, кроме систем с воздушной сушкой топлива, работающих под разрежением.
Минимально допустимый уровень топлива в бункере определяется необходимостью создания газоплотного затвора, предотвращающего образование в бункере сквозной воронки, через которую возможен выброс в надбункерную галерею горячей (горящей) пылегазовоздушной смеси из работающей под давлением системы пылеприготовления или поступление в больших количествах атмосферного воздуха в систему с сушкой топлива дымовыми газами. Уровень контролируется одним датчиком, установленным в бункере на 2 м выше входного патрубка питателя топлива.
Защита с выдержкой времени до 10 с отключает электродвигатель питателя сырого топлива (транспортёра двухступенчатого питателя)
С.3.1.11 Перегрузка мельницы.
Защита срабатывает при повышении токовой нагрузки электродвигателя мельницы или потребляемой им мощности. Уставка выбирается с учётом местных условий эксплуатации несколько ниже значения уставки срабатывания электрической защиты от перегрузки электродвигателя.
Защита с выдержкой времени до 30 с отключает воздействие автоматического регулятора загрузки мельницы на частоту вращения электродвигателя (электродвигателей) питателя сырого топлива и уменьшает частоту его вращения до минимальной.
При понижении электрической нагрузки электродвигателя мельницы ниже значения уставки срабатывания защиты автоматически подключается воздействие регулятора загрузки мельницы на частоту вращения электродвигателя (электродвигателей) питателя топлива.
С.3.2 Защиты в системе пылеприготовления с прямым вдуванием и среднеходной мельницей типа МВС
Защиты, действующие на останов системы пылеприготовления
С.3.2.1 Повышение до II предела температуры пылевоздушной смеси за сепаратором пыли.
Защита выполняется по схеме «один из двух». Температура контролируется в пылепроводе за сепаратором. Значение уставки срабатывания защиты определяется в соответствии с п. С1.4.
Операции по останову системы пылеприготовления производят согласно разделу С4.2.
С.3.2.2 Повышение давления в системе пылеприготовления, оборудованной взрывными предохранительными клапанами
Давление контролируется одним датчиком. Давление рекомендуется контролировать под мембраной в патрубке одного из ВПК, установленных на сепараторе пыли. Значение уставки срабатывания защиты определяется в соответствии с п. С1.4.
Одновременно с отключением электродвигателя мельницы защита независимо от вида размалываемого топлива формирует команду на подачу в мельницу пара согласно п. С4.2.4.
Операции по останову системы пылеприготовления производят согласно разделу С4.2.
С.3.2.3 Повышение вибрации мельницы (выполняется по согласованию между заводом-изготовителем мельницы и Заказчиком)
Значение амплитуды вибрации контролируется комплектом приборов, поставляемых заводом-изготовителем мельницы. Технические условия на выполнение защиты устанавливаются также заводом-изготовителем мельницы.
Операции по останову системы пылеприготовления производят согласно разделу С4.2.
С.3.2.4 Понижение давления масла в системе смазки редуктора
Защита выполняется по схеме «два из двух».
Датчики устанавливаются в маслопроводе за фильтром.
Защита действует при понижении давления масла до 0,7 номинального значения с выдержкой времени до 60 с.
Операции по останову системы пылеприготовления производят согласно разделу С4.2.
С.3.2.5 Повышение температуры масла в ванне редуктора
Защита выполняется с одним датчиком.
Уставка защиты определяется заводом-изготовителем мельницы. Защита действует с выдержкой времени до 60 с.
Операции по останову системы пылеприготовления производят согласно разделу С4.2.
С.3.2.6 Понижение уровня масла в ванне редуктора
Уровень масла контролируется одним датчиком.
Защита действует с выдержкой времени до 60 с.
Операции по останову системы пылеприготовления производят согласно разделуС.4.2.
С.3.2.7 Отключение ВСА
Отключение электродвигателя мельницы осуществляется действием электрической блокировки.
Операции по останову системы пылеприготовления производят согласно разделу С4.2.
С.3.2.8 При аварийном останове котла
По команде, сформированной в схеме защит котла, отключаются электродвигатели всех установленных на котле мельниц. Остальные операции по останову систем пылеприготовления производят в соответствии с разделом С4.2.
С.3.2.9 При аварийной разгрузке котла
По команде, сформированной в схеме защит котла, отключаются электродвигатели заранее выбранных мельниц. Выбор отключаемых мельниц (систем пылеприготовления) осуществляется в схеме защит котла. Остальные операции по останову систем пылеприготовления производят в соответствии с разделом С4.2.
Защиты, выполняющие локальные операции
С.3.2.10 Повышение до I предела температуры пылевоздушной смеси за сепаратором пыли.
Температура контролируется одним из датчиков защиты по п. С3.2.1. Значение уставки срабатывания защиты определяется в соответствии с п. С1.4.
Защита отключает воздействие автоматического регулятора температуры пылевоздушной смеси за сепаратором на клапан (клапаны) в тракте присадки низкотемпературного сушильного агента в мельницу и полностью открывает этот клапан (клапаны).
В системе пылеприготовления, оборудованной подачей распылённой воды в тракт сушильно-вентилирующего агента перед мельницей, защита дополнительно открывает арматуру в трубопроводе подачи воды к форсункам.
При понижении температуры пылегазовоздушной смеси ниже уставки срабатывания защиты арматура в трубопроводе подачи воды к форсункам закрывается (импульсная команда) и подключается воздействие регулятора на клапан в тракте присадки низкотемпературного сушильно-вентилирующего агента в мельницу.
С.3.2.11 Прекращение выхода сырого топлива из бункера.
Защита срабатывает при обрыве слоя топлива в питателе сырого топлива (дозаторе двухступенчатого питателя). Наличие слоя топлива в питателе контролируется датчиком, установленным в корпусе питателя (дозатора) максимально близко к бункеру.
Защита отключает воздействие автоматического регулятора загрузки мельницы на частоту вращения электродвигателя питателя топлива (электродвигателей дозатора и транспортёра двухступенчатого питателя), уменьшает частоту вращения электродвигателя (электродвигателей) до минимальной и включает в работу побудители движения топлива в бункере.
При использовании в качестве побудителей движения топлива вибраторов с электромагнитным приводом последние работают в циклическом режиме с продолжительностью включённого состояния до 20 с и отключённого - до 3 мин (значения выдержек времени устанавливаются в соответствии с паспортной термической характеристикой электромагнитного привода вибраторов).
Отключение побудителей движения топлива в бункере производится автоматически после восстановления слоя топлива в питателе. После этого через 10 с подключается воздействие регулятора загрузки мельницы на электродвигатель (электродвигатели) питателя топлива.
С.3.2.12 Понижение уровня сырого топлива в бункере системы пылеприготовления с питателями сырого топлива в плотном корпусе
Защита выполняется на всех системах пылеприготовления, кроме систем с воздушной сушкой топлива, работающих под разрежением.
Минимально допустимый уровень топлива в бункере определяется необходимостью создания газоплотного затвора, предотвращающего образование в бункере сквозной воронки, через которую возможен выброс в надбункерную галерею горячей (горящей) пылегазовоздушной смеси из работающей под давлением системы пылеприготовления или поступление в больших количествах атмосферного воздуха в систему с сушкой топлива дымовыми газами. Уровень контролируется одним датчиком, установленным в бункере на 2 м выше входного патрубка питателя топлива.
Защита с выдержкой времени до 10 с отключает электродвигатель питателя сырого топлива (транспортёра двухступенчатого питателя)
С.3.2.13 Перегрузка мельницы.
Защита срабатывает при изменении до заданного значения параметра, установленного заводом-изготовителем мельницы.
Защита с выдержкой времени до 30 с отключает воздействие автоматического регулятора загрузки мельницы на частоту вращения электродвигателя (электродвигателей) питателя топлива и уменьшает частоту вращения до минимальной.
При восстановлении контролируемого параметра автоматически подключается воздействие регулятора загрузки мельницы на частоту вращения электродвигателя (электродвигателей) питателя топлива.
Если после разгрузки питателя топлива значение контролируемого параметра будет аварийным в течение 30 с, автоматически отключается электродвигатель питателя топлива (транспортёра двухступенчатого питателя).
С.3.2.14 Понижение перепада давлений на уплотнениях корпуса мельницы
Перепад давлений контролируется одним датчиком.
Защита с выдержкой времени до 30 с отключает воздействие регулятора загрузки мельницы на частоту вращения электродвигателя питателя сырого топлива (электродвигателей двухступенчатого питателя), уменьшает частоту вращения электродвигателя (электродвигателей) питателя до минимальной.
Если в течение 30 с значение перепада давлений будет аварийным, защита отключает электродвигатель питателя топлива (транспортёра двухступенчатого питателя).
С.3.3 Защиты в системе пылеприготовления с прямым вдуванием и среднеходной мельницей МПС-2650
Защиты, действующие на останов системы пылеприготовления
С.3.3.1 Повышение до II предела температуры пылевоздушной смеси за сепаратором пыли.
Защита выполняется по схеме «один из двух». Температура контролируется в пылепроводе за сепаратором. Значение уставки срабатывания защиты определяется в соответствии с п. С1.4.
Операции по останову системы пылеприготовления производят согласно разделу С4.3.
С.3.3.2 Повышение давления в системе пылеприготовления, оборудованной взрывными предохранительными клапанами
Давление контролируется одним датчиком. Давление рекомендуется контролировать под мембраной в патрубке одного из ВПК, установленных на сепараторе пыли. Значение уставки срабатывания защиты определяется в соответствии с п. С1.4.
Одновременно с отключением электродвигателя мельницы защита независимо от вида размалываемого топлива формирует команду на подачу в мельницу пара согласно п. С4.3.4.
Операции по останову системы пылеприготовления производят согласно разделу С4.3.
С.3.3.3 Повышение вибрации мельницы (выполняется по согласованию между заводом-изготовителем мельницы и Заказчиком)
Значение амплитуды вибрации контролируется комплектом приборов, поставляемых заводом-изготовителем мельницы. Технические условия на выполнение защиты устанавливаются также заводом-изготовителем мельницы.
Операции по останову системы пылеприготовления осуществляются в соответствии с разделом С4.3.
С.3.3.4 Понижение давления масла в системе смазки редуктора
Защита выполняется по схеме «два из двух».
Датчики устанавливаются в маслораспределителе перед редуктором. Защита действует при понижении давления масла до 0,11 МПа (1,1 кгс/м2) с выдержкой времени до 60 с.
Операции по останову системы пылеприготовления осуществляются в соответствии с разделом С4.3.
С.3.3.5 Понижение уровня масла в ванне редуктора
Уровень масла контролируется одним датчиком.
Защита действует с выдержкой времени до 60 с.
Операции по останову системы пылеприготовления осуществляются в соответствии с разделом С4.3.
С.3.3.6 Повышение температуры масла в размольных валках
Температура масла контролируется в каждом размольном валке одним датчиком. Защита срабатывает с выдержкой времени до 60 с при повышении температуры масла в любом валке до 125 °С.
Операции по останову системы пылеприготовления производят в соответствии с разделом С4.3.
С.3.3.7 Повышение температуры масла в ванне подшипника скольжения
Температура контролируется одним датчиком. Защита срабатывает с выдержкой времени до 60 с при повышении температуры масла в любом валке до 70 °С.
Операции по останову системы пылеприготовления осуществляются в соответствии с разделом С4.3.
С.3.3.8 Отключение ВСА
Отключение электродвигателя мельницы осуществляется действием электрической блокировки.
Операции по останову системы пылеприготовления выполняются в соответствии с разделом С4.3.
С.3.3.9 Отключение ПСУ
Защита действует при отключении электродвигателя ПСУ с выдержкой времени до 10 с.
Операции по останову системы пылеприготовления производят в соответствии с разделом С.4.3.
С.3.3.10 При аварийном останове котла
По команде, сформированной в схеме защит котла, отключаются электродвигатели всех установленных на котле мельниц. Остальные операции по останову систем пылеприготовления выполняются согласно разделу С4.3.
С.3.3.11 При аварийной разгрузке котла
По команде, сформированной в схеме защит котла, отключаются электродвигатели заранее выбранных мельниц. Выбор отключаемых мельниц (систем пылеприготовления) осуществляется в схеме защит котла. Остальные операции по останову систем пылеприготовления производят в соответствии с разделом С4.3.
Защиты, выполняющие локальные операции
С.3.3.12 Повышение до I предела температуры пылевоздушной смеси за сепаратором пыли.
Температура контролируется одним из датчиков защиты по п. С3.3.1. Значение уставки срабатывания защиты определяется в соответствии с п. С1.4.
Защита отключает воздействие автоматического регулятора температуры пылевоздушной смеси за сепаратором на клапан (клапаны) в тракте присадки низкотемпературного сушильного агента в мельницу и полностью открывает этот клапан (клапаны).
В системе пылеприготовления, оборудованной подачей распылённой воды в тракт сушильно-вентилирующего агента перед мельницей, защита дополнительно открывает арматуру в трубопроводе подачи воды к форсункам.
При понижении температуры пылевоздушной смеси ниже уставки срабатывания защиты арматура в трубопроводе подачи воды к форсункам закрывается (импульсная команда) и подключается воздействие регулятора на клапан в тракте присадки низкотемпературного сушильно-вентилирующего агента в мельницу.
С.3.3.13 Прекращение выхода сырого топлива из бункера.
Защита срабатывает при обрыве слоя топлива в питателе сырого топлива (дозаторе двухступенчатого питателя). Наличие слоя топлива в питателе контролируется датчиком, установленным в корпусе питателя (дозатора) максимально близко к бункеру.
Защита отключает воздействие автоматического регулятора загрузки мельницы на частоту вращения электродвигателя питателя топлива (электродвигателей дозатора и транспортёра двухступенчатого питателя), уменьшает частоту вращения электродвигателя (электродвигателей) до минимальной и включает в работу побудители движения топлива в бункере.
Отключение побудителей движения топлива в бункере производится автоматически после восстановления слоя топлива в питателе. После этого через 10 с подключается воздействие регулятора загрузки мельницы на электродвигатель (электродвигатели) питателя топлива. Если выход топлива из бункера не восстанавливается в течение 10 с, защита действует на отключение электродвигателя питателя сырого топлива (транспортёра двухступенчатого питателя).
С.3.3.14 Понижение уровня сырого топлива в бункере системы пылеприготовления с питателями сырого топлива в плотном корпусе
Минимальный допустимый уровень топлива в бункере определяется необходимостью создания газоплотного затвора, предотвращающего выброс в надбункерную галерею горячей (горящей) пылевоздушной смеси.
Уровень контролируется одним датчиком, установленным в бункере на 2 м выше входного патрубка питателя топлива.
Защита с выдержкой времени до 10 с отключает электродвигатель питателя сырого топлива (транспортёра двухступенчатого питателя).
С.3.3.15 Перегрузка мельницы
Защита срабатывает при изменении до заданного значения параметра, установленного заводом-изготовителем мельницы.
Защита с выдержкой времени до 30 с отключает воздействие автоматического регулятора загрузки мельницы на частоту вращения электродвигателя (электродвигателей) питателя топлива и уменьшает частоту вращения до минимальной.
При восстановлении контролируемого параметра автоматически подключается воздействие регулятора загрузки мельницы на частоту вращения электродвигателя (электродвигателей) питателя топлива.
Если после разгрузки питателя топлива значение контролируемого параметра будет аварийным в течение 30 с, автоматически отключается электродвигатель питателя топлива (транспортёра двухступенчатого питателя).
С.3.3.16 Понижение перепада давлений на уплотнениях корпуса мельницы
Перепад давлений контролируется одним датчиком.
Защита с выдержкой времени до 30 с отключает воздействие регулятора загрузки мельницы на частоту вращения электродвигателя питателя сырого топлива (электродвигателей двухступенчатого питателя), уменьшает частоту вращения электродвигателя (электродвигателей) питателя до минимальной.
Если в течение 30 с значение перепада давлений будет аварийным, защита отключает электродвигатель питателя топлива (транспортёра двухступенчатого питателя).
С.3.3.17 Понижение расхода сушильно-вентилирующего агента на мельницу
Расход контролируется по перепаду давлений на расходомерном устройстве в тракте сушильно-вентилирующего агента перед мельницей.
Защита срабатывает при уменьшении перепада давлений до значения, соответствующего расходу сушильного агента 0,8 номинального.
Защита с выдержкой времени до 10 с отключает воздействие регулятора расхода сушильно-вентилирующего агента на направляющий аппарат ВСА и полностью открывает последний. Кроме того, защита отключает воздействие регулятора загрузки мельницы на частоту вращения электродвигателя (электродвигателей) питателя топлива и уменьшает частоту вращения до минимальной.
Если в течение 30 с значение перепада давлений будет аварийным, защита отключает электродвигатель питателя топлива (транспортёра двухступенчатого питателя).
При увеличении перепада давлений выше значения параметра срабатывания защиты с выдержкой времени до 10 с вводят в работу регуляторы сушильно-вентилирующего агента и загрузки мельницы.
С.3.4 Защиты в системе пылеприготовления с прямым вдуванием и мельницей-вентилятором
Защиты, действующие на останов системы пылеприготовления
С.3.4.1 Повышение до II предела температуры пылегазовоздушной смеси за сепаратором пыли.
Защита выполняется по схеме «один из двух». Температура контролируется в пылепроводе за сепаратором. Значение уставки срабатывания защиты определяется в соответствии с п. С1.4.
Операции по останову системы пылеприготовления производят согласно разделу С4.4.
С.3.4.2 Повышение давления в системе пылеприготовления, оборудованной взрывными предохранительными клапанами
Давление контролируется одним датчиком. Давление рекомендуется контролировать под мембраной в патрубке одного из ВПК, установленных на сепараторе пыли. Значение уставки срабатывания защиты определяется в соответствии с п. С1.4.
Одновременно с отключением электродвигателя мельницы защита отключает электродвигатель питателя сырого топлива.
Операции по останову системы пылеприготовления производят согласно разделу С4.4.
С.3.4.3 Повышение вибрации мельницы (выполняется по согласованию между заводом-изготовителем мельницы и Заказчиком)
Значение амплитуды вибрации контролируется комплектом приборов, поставляемых заводом-изготовителем мельницы. Технические условия на выполнение защиты устанавливаются также заводом-изготовителем мельницы.
Операции по останову системы пылеприготовления осуществляются в соответствии с разделом С.4.4
С.3.4.4 Повышение температуры подшипников мельницы и её электродвигателя
Температура контролируется одним датчиком в каждом подшипнике.
Защита срабатывает с выдержкой времени до 60 с при повышении температуры любого подшипника до 80 °С.
Операции по останову системы пылеприготовления производят согласно разделу С4.4.
С.3.4.5 При аварийном останове котла
По команде, сформированной в схеме защит котла, отключаются электродвигатели всех установленных на котле мельниц. Остальные операции по останову систем пылеприготовления выполняются согласно разделу С.4.4.
С.3.4.6 При аварийной разгрузке котла
По команде, сформированной в схеме защит котла, отключаются электродвигатели заранее выбранных мельниц. Выбор отключаемых мельниц (систем пылеприготовления) осуществляется в схеме защит котла. Остальные операции по останову систем пылеприготовления производят в соответствии с разделом С.4.4
Защиты, выполняющие локальные операции
С.3.4.7 Повышение до I предела температуры пылевоздушной смеси за сепаратором пыли.
Температура контролируется одним из датчиков защиты по п. С3.4.1. Значение уставки срабатывания защиты определяется в соответствии с п. С1.4.
Защита отключает воздействие автоматического регулятора температуры пылевоздушной смеси за сепаратором на клапаны в трактах присадки в систему пылеприготовления горячего и холодного воздуха и низкотемпературных дымовых газов, полностью закрывает клапан присадки горячего воздуха и открывает клапаны присадки холодного воздуха и дымовых газов. Одновременно защита открывает арматуру в трубопроводе подачи воды к распыливающим форсункам, установленным в газозаборной шахте или течке сырого угля перед мельницей.
При понижении температуры пылегазовоздушной смеси ниже уставки срабатывания защиты арматура в трубопроводе подачи воды к форсункам закрывается (импульсная команда) и подключается воздействие регулятора на все клапаны.
С.3.4.8 Прекращение выхода сырого топлива из бункера.
Защита срабатывает при обрыве слоя топлива в питателе сырого топлива (дозаторе двухступенчатого питателя). Наличие слоя топлива в питателе контролируется датчиком, установленным в корпусе питателя (дозатора) максимально близко к бункеру.
Защита отключает воздействие автоматического регулятора загрузки мельницы на частоту вращения электродвигателя питателя топлива (электродвигателей дозатора и транспортёра двухступенчатого питателя), уменьшает частоту вращения электродвигателя (электродвигателей) до минимальной и включает в работу побудители движения топлива в бункере.
При использовании в качестве побудителей движения топлива вибраторов с электромагнитным приводом последние работают в циклическом режиме с продолжительностью включённого состояния до 20 с. и отключённого - до 3 мин (значения выдержек времени устанавливаются в соответствии с паспортной термической характеристикой электромагнитного привода вибраторов).
Отключение побудителей движения топлива в бункере производится автоматически после восстановления слоя топлива в питателе. После этого через 10 с подключается воздействие регулятора загрузки мельницы на электродвигатель (электродвигатели) питателя топлива.
С.3.4.9 Понижение уровня сырого топлива в бункере системы пылеприготовления с питателями сырого топлива в плотном корпусе
Минимальный допустимый уровень топлива в бункере определяется необходимостью создания газоплотного затвора, предотвращающего образование в бункере сквозной воронки, через которую возможно поступление в больших количествах атмосферного воздуха в систему пылеприготовления.
Уровень контролируется одним иком, установленным в бункере на 2 м выше входного патрубка питателя топлива.
Защита с выдержкой времени до 10 с. отключает электродвигатель питателя сырого топлива (транспортёра двухступенчатого питателя).
С.3.4.10 Перегрузка мельницы
Защита срабатывает при повышении токовой нагрузки электродвигателя мельницы или потребляемой им мощности. Уставка выбирается с учётом местных условий эксплуатации несколько ниже значения уставки срабатывания электрической защиты от перегрузки электродвигателя.
Защита с выдержкой времени до 30 с отключает воздействие автоматического регулятора загрузки мельницы на частоту вращения электродвигателя (электродвигателей) питателя сырого топлива и уменьшает частоту его вращения до минимальной.
При понижении электрической нагрузки электродвигателя мельницы значения уставки срабатывания защиты автоматически подключается воздействие регулятора загрузки мельницы на частоту вращения электродвигателя (электродвигателей) питателя топлива.
С.3.5 Защиты в системе пылеприготовления с бункером пыли
Защиты, действующие на останов системы пылеприготовления
С.3.5.1 Повышение до II предела температуры пылегазовоздушной смеси за мельницей (сепаратором пыли) для всех топлив, кроме АШ.
Защита выполняется по схеме «один из двух». Датчики устанавливаются:
- в пылепроводе за мельницей при наличии пылепровода между мельницей и сепаратором;
- в пылепроводе за сепаратором при отсутствии пылепровода между мельницей и сепаратором.
Значение уставки срабатывания защиты определяется в соответствии с п. С1.4.
Операции по останову систем пылеприготовления производят согласно разделу С4.5.
С.3.5.2 Повышение давления в системе пылеприготовления, оборудованной взрывными предохранительными клапанами
Давление контролируется в пылегазовоздухопроводе непосредственно за выходной горловиной ШБМ и независимо от типа мельницы в сепараторе, выходном патрубке циклона и пылегазовоздухопроводе перед или за мельничным вентилятором. Давление в каждой точке контролируется одним датчиком. Давление рекомендуется контролировать под мембраной в патрубке одного из ВПК, установленных в каждом из указанных мест системы пылеприготовления. Значение уставки срабатывания защиты определяется в соответствии с п. С1.4.
Одновременно с отключением электродвигателя мельницы защита действует на:
- отключение электродвигателя мельничного вентилятора и закрытие клапана в пылегазовоздухопроводе перед ним во всех системах пылеприготовления независимо от схемы подачи пыли к горелкам котла;
- открытие арматуры в трубопроводе подачи пара в мельницу во всех системах пылеприготовления независимо от вида размалываемого в них топлива; арматура автоматически закрывается через 3 мин после подачи команды на её открытие.
Операции по останову систем пылеприготовления выполняются в соответствии с разделом 4.5, кроме операций по п.п. С4.5.3 и С4.5.4.
С.3.5.3 Забивание течки пыли под циклоном (выполняется по требованию Заказчика)
Забивание течки пылью контролируется по значению разрежения в корпусе циклона. Штуцер для отбора импульса устанавливается над стыком цилиндрической и конусной частей корпуса циклона наклонно под углом к горизонту более 60°. В стенке штуцера или примыкающей к нему импульсной линии выполняется сквозное отверстие диаметром 3 мм для связи с атмосферой. Аналогичный отбор импульса рекомендуется выполнить из течки под циклоном на расстоянии примерно 800 мм над верхней мигалкой и использовать его в схеме предупредительной сигнализации о забивании течки пыли.
Защита срабатывает с выдержкой времени до 10 с при уменьшении разрежения до «нуля».
Операции по останову системы пылеприготовления производят согласно разделу С4.5, кроме операций по п. С4.5.4.
С.3.5.4 Повышение вибрации мельницы (выполняется по согласованию между заводом-изготовителем мельницы и Заказчиком)
Значение амплитуды вибрации контролируется комплектом приборов, поставляемых заводом-изготовителем мельницы. Технические условия на выполнение защиты устанавливаются также заводом-изготовителем мельницы.
Операции по останову системы пылеприготовления осуществляются в соответствии с разделом С4.5.
С.3.5.5 Уменьшение протока масла через любой подшипник мельницы или её электродвигателя, имеющий принудительную жидкую смазку.
Расход масла контролируется датчиком - реле протока, установленным в маслопроводе перед или за (на линии слива) каждым подшипником мельницы и её электродвигателя.
Защита срабатывает с выдержкой времени 60 с.
Операции по останову систем пылеприготовления выполняются в соответствии с разделом 4.5.
С.3.5.6 Отключение MB
Отключение электродвигателя мельницы осуществляется действием электрической блокировки.
Операции по останову системы пылеприготовления производят в соответствии с разделом С4.5 (операции по п.п. С4.5.3 и С4.5.4 не выполняются).
В системах с транспортом пыли к горелкам сушильно-вентилирующим агентом с помощью мельничного вентилятора дополнительно отключаются питатели пыли следующим образом:
- в установках с раздельными коробами первичного воздуха отключаются все питатели пыли, питающие пылепроводы, подключённые к коробу на линии напора отключённого MB, и закрываются клапаны на линиях отвода от напорного короба к смесителям пыли в этих пылепроводах (импульсная команда);
- в установках с общим для двух MB коробом первичного воздуха отключается определённая группа питателей пыли и закрываются клапаны на линиях отвода от напорного короба к смесителям пыли в пылепроводах, относящихся к отключаемым питателям пыли (импульсная команда).
С.3.5.7 При аварийном останове котла
По команде, сформированной в схеме защит котла, отключаются электродвигатели всех установленных на котле мельниц, питателей сырого угля и пыли, мельничных вентиляторов и вентиляторов горячего дутья, прекращается подача сушильно-вентилирующего агента в мельницы согласно п. С4.5.2, подаются пар и вода в систему пылеприготовления согласно п.п. С4.5.5 и С4.5.6. На котлах с ПВК прекращается подача сжатого воздуха и пара в эжекторы всех систем подачи пыли высокой концентрации к горелкам.
С.3.5.8 При аварийной разгрузке котла.
По команде, сформированной в схеме защит котла, отключаются электродвигатели заранее выбранных питателей пыли и с выдержкой до 10 с закрываются клапаны на линиях отвода от общего короба транспортирующего агента к смесителям пыли, относящимся к отключаемым питателям; с выдержкой времени до 10 с закрывается арматура в трубопроводах подачи сжатого воздуха в смесители пыли и пара в эжекторы конкретных систем ПВК.
Выбор отключаемых питателей пыли осуществляется в схеме защит котла. Остальные операции по останову систем пылеприготовления выполняются согласно п. С4.1.5.
Защиты, выполняющие локальные операции
С.3.5.9 Повышение до I предела температуры пылегазовоздушной смеси за мельницей (сепаратором пыли) для всех топлив, кроме АШ.
Температура контролируется одним из датчиков защиты по п. С3.5.1. Значение уставки срабатывания защиты определяется в соответствии с п. С1.4.
Защита отключает воздействие автоматического регулятора температуры пылевоздушной (пылегазовоздушной) смеси за сепаратором на клапан (клапаны) в тракте присадки низкотемпературного агента в мельницу и полностью открывает этот клапан (клапаны).
В системе пылеприготовления, оборудованной подачей распылённой воды в тракт сушильно-вентилирующего агента перед мельницей, защита дополнительно открывает арматуру в трубопроводе подачи воды к форсункам.
При понижении температуры пылегазовоздушной смеси ниже уставки срабатывания защиты арматура в трубопроводе подачи воды к форсункам закрывается и подключается воздействие регулятора на клапан присадки низкотемпературного сушильно-вентилирующего агента в мельницу.
С.3.5.10 Прекращение выхода сырого топлива из бункера
Защита срабатывает при обрыве слоя топлива в питателе сырого топлива (дозаторе двухступенчатого питателя). Наличие слоя топлива в питателе контролируется датчиком, установленным в корпусе питателя (дозатора) максимально близко к бункеру.
Защита отключает воздействие автоматического регулятора загрузки мельницы на частоту вращения электродвигателя питателя топлива (электродвигателей дозатора и транспортёра двухступенчатого питателя), уменьшает частоту вращения электродвигателя (электродвигателей) до минимальной и включает в работу побудители движения топлива в бункере.
При использовании в качестве побудителей движения топлива вибраторов с электромагнитным приводом последние работают в циклическом режиме с продолжительностью включённого состояния до 20 с и отключённого - до 3 мин (значения выдержек времени устанавливаются в соответствии с паспортной термической характеристикой электромагнитного привода вибраторов).
Отключение побудителей движения топлива в бункере производится автоматически после восстановления слоя топлива в питателе. После этого через 10 с подключается воздействие регулятора загрузки мельницы на электродвигатель (электродвигатели) питателя топлива.
С.3.5.11 Понижение уровня сырого топлива в бункере систем пылеприготовления с сушкой топлива дымовыми газами и питателями сырого топлива в газоплотном корпусе.
Минимальный допустимый уровень топлива в бункере определяется необходимостью создания газоплотного затвора, предотвращающего образование в бункере сквозной воронки, через которую возможно поступление в больших количествах атмосферного воздуха в систему пылеприготовления.
Уровень контролируется одним датчиком, установленным в бункере на 2 м выше входного патрубка питателя топлива.
Защита с выдержкой времени до 10 с. отключает электродвигатель питателя сырого топлива (транспортёра двухступенчатого питателя).
С.3.5.12 Перегрузка мельницы
В системе пылеприготовления с шаровой барабанной мельницей защита срабатывает либо при повышении перепада давлений между входной и выходной горловинами мельницы, либо при повышении уровня пыли в барабане, либо при изменении других параметров, характеризующих загрузку мельницы топливом (шум, вибрация). Значение задействованного в защите параметра контролируется одним датчиком.
В системе пылеприготовления с молотковой мельницей защита срабатывает при повышении токовой загрузки электродвигателя мельницы или потребляемой им мощности. Уставка выбирается с учётом местных условий эксплуатации несколько ниже значения уставки срабатывания электрической защиты от перегрузки электродвигателя.
Защита с выдержкой времени до 30 с отключает воздействие автоматического регулятора загрузки мельницы (при его наличии) на частоту вращения электродвигателя (электродвигателей) питателя сырого топлива (или на высоту слоя топлива в питателе) и уменьшает частоту вращения (высоту слоя топлива) до минимальной. При отсутствии автоматического регулятора загрузки мельницы защита отключает электродвигатель питателя топлива (транспортёра двухступенчатого питателя).
При понижении загрузки мельницы ниже уставки срабатывания защиты подключается воздействие регулятора загрузки мельницы на частоту вращения электродвигателя (электродвигателей) питателя топлива или подключается питатель топлива (электродвигатели транспортёра и дозатора двухступенчатого питателя).
С.3.5.13 Забивание пылепровода к основной горелке
Забивание пылепровода характеризуется уменьшением расхода транспортирующего агента в пылепроводе. Датчик расхода (сопло Вентури) встраивается в каждом отводе от общего короба транспортирующего агента перед смесителем пыли.
Для систем пылеприготовления с подачей пыли в топку горячим воздухом в качестве импульса для защиты может быть использована температура пылевоздушной смеси в пылепроводе за смесителем пыли (перед горелкой), значение которой понижается при забивании пылепровода. Температура контролируется в каждом пылепроводе одним датчиком.
Защита с выдержкой времени до 10 с. отключает электродвигатель питателя пыли.
С.3.6 Защиты для систем принудительного жидкого циркуляционного маслоснабжения узлов смазки мельниц.
С.3.6.1 Понижение уровня масла в баке-отстойнике
Уровень масла контролируется одним датчиком.
Защита отключает электродвигатели маслонасосов и электроподогреватель масла в баке-отстойнике.
С.3.6.2 Понижение давления масла в маслопроводе маслостанции до уставки АВР маслонасосов
Защита выполняется для мельниц, маслостанции которых имеют резервный маслонасос.
Давление контролируется в маслопроводе за маслоохладителем одним датчиком.
Защита включает электродвигатель резервного маслонасоса (АВР).
Отключение резервного насоса производится оперативным персоналом после выявления причины падения давления масла.
С.4 Операции по отключению систем пылеприготовления, выполняемые технологическими защитами и блокировками
С.4.1 Отключение системы пылеприготовления с прямым вдуванием и молотковой мельницей
После отключения защитой электродвигателя мельницы (п. С1.5.5) технологическими блокировками выполняются следующие операции:
С.4.1.1 Прекращение подачи топлива в мельницу
При одноступенчатом питателе сырого топлива отключается электродвигатель питателя.
При двухступенчатом питателе сырого топлива отключается электродвигатель транспортёра, после отключения которого импульсной командой отключается электродвигатель дозатора.
Отключается воздействие регулятора производительности питателя сырого топлива на частоту вращения его электродвигателя (электродвигателей двухступенчатого питателя).
Отключается воздействие регулятора нагрузки котла на регулятор производительности питателя сырого топлива.
С.4.1.2 Прекращение подачи сушильно-вентилирующего агента
Отключается воздействие автоматического регулятора расхода сушильно-вентилирующего агента на его исполнительное устройство (клапан в тракте сушильно-вентилирующего агента перед мельницей или на направляющий аппарат индивидуального ВСА).
При наличии индивидуального ВСА отключается его электродвигатель и закрывается его направляющий аппарат.
Отключается воздействие автоматического регулятора температуры пылегазовоздушной смеси за сепаратором на клапан в тракте присадки низкотемпературного сушильного агента в мельницу.
Закрываются клапан в тракте присадки и два плотных клапана, установленных последовательно в общем тракте сушильно-вентилирующего агента перед мельницей или перед индивидуальным ВСА. После закрытия этих клапанов открывается атмосферный клапан между двумя плотными клапанами.
С.4.1.3 Подача в мельницу пара при размоле всех топлив, кроме углей тощих, экибастузского и кузнецкого марок ОС и 2СС
Открывается арматура в паропроводе подачи пара в мельницу. Через 3 мин от начала действия блокировки арматура закрывается.
С.4.1.4 По дача в мельницу, центробежный и гравитационный (шахтный) сепараторы воды при размоле всех топлив, кроме углей тощих, экибастузского и кузнецкого марок ОС и 2СС
Открывается арматура в трубопроводе подачи воды к распыливающим форсункам и арматура в трубопроводе подачи воды в сепаратор. Через 3 мин от начала действия блокировки вся арматура закрывается импульсной командой.
Примечание - В центробежный сепаратор вода подаётся через штуцер в крышке внутреннего конуса; схема подачи воды в гравитационный сепаратор должна обеспечивать обмыв водой внутренних стенок шахты сепаратора. Продолжительность подачи воды в мельницу и сепаратор определяется временем, необходимым для заполнения водой размольной камеры мельницы на 30 - 50 мм (до торцов бил вертикально опущенных билодержателей) с тем, чтобы уровень воды в размольной камере не препятствовал развороту ротора мельницы при последующем пуске.
С.4.1.5 Отключение вентиляторов воздушного охлаждения обмоток статора электродвигателя мельницы (при их наличии)
С.4.2 Отключение системы пылеприготовления с прямым вдуванием и среднеходной мельницей типа МВС
После отключения защитой электродвигателя мельницы (п. С1.5.5.) технологическими блокировками выполняются следующие операции:
С.4.2.1 Прекращение подачи топлива в мельницу.
При одноступенчатом питателе сырого топлива отключается электродвигатель питателя.
При двухступенчатом питателе сырого топлива последовательно отключаются электродвигатели транспортёра и дозатора.
Отключается воздействие регулятора производительности питателя сырого топлива на частоту вращения его электродвигателя (электродвигателей двухступенчатого питателя).
Отключается воздействие регулятора нагрузки котла на регулятор производительности питателя сырого топлива.
С.4.2.2 Прекращение подачи сушильно-вентилирующего агента в мельницу
Отключается воздействие автоматического регулятора расхода на клапан в тракте сушильно-вентилирующего агента перед мельницами МВС-90А, МВС-105А, МВС-125А, МВС-140А и на направляющий аппарат ВСА мельницы МВС-180.
При наличии индивидуального ВСА отключается его электродвигатель и закрывается его направляющий аппарат.
Отключается воздействие автоматического регулятора температуры пылевоздушной смеси за сепаратором на клапан в тракте присадки низкотемпературного сушильного агента в мельницу.
Закрываются клапан в тракте присадки и два плотных клапана, установленных последовательно в общем тракте сушильно-вентилирующего агента перед мельницей или перед индивидуальным ВСА. После закрытия этих клапанов открывается атмосферный клапан между двумя плотными клапанами.
С.4.2.3 Прекращение подачи распылённой воды в тракт сушильно-вентилирующего агента перед мельницей.
Закрывается арматура в трубопроводе подачи воды к распыливающим форсункам и налагается запрет на её открытие.
С.4.2.4 Подача в мельницу и сепаратор пара при размоле всех топлив, кроме углей тощих, экибастузского и кузнецкого марок ОС и 2СС
Открывается арматура на дренажах трубопроводов подачи пара в мельницу и сепаратор.
Через 30 с после подачи команды на открытие дренажной арматуры открывается арматура на подаче пара в мельницу и сепаратор.
Через 3 мин от начала подачи пара вся арматура закрывается.
С.4.3 Отключение системы пылеприготовления с прямым вдуванием и среднеходной мельницей МПС-2650
После отключения защитой электродвигателя мельницы (п. С1.5.5.) технологическими блокировками выполняются следующие операции:
С.4.3.1 Прекращение подачи топлива в мельницу
При одноступенчатом питателе сырого топлива отключается по импульсной команде электродвигатель питателя.
При двухступенчатом питателе сырого топлива последовательно отключаются последовательно по импульсной команде электродвигатели транспортёра и дозатора.
С.5 Технические условия на выполнение устройств автоматического ввода-вывода технологических защит
С.5.1 Устройства автоматического ввода-вывода предусматриваются для исключения действия ряда технологических защит, если возникновение условий срабатывания данных защит не опасно для защищаемого оборудования, а также для последующего ввода защит при работе защищаемого оборудования.
Защиты, не вводимые автоматически, вводят в действие при подаче напряжения электропитания в их схемы, в том числе в схемы датчиков.
С.5.2 Настоящие технические условия разработаны для автоматического ввода-вывода защит во всех режимах работы защищаемого технологического оборудования.
С.5.3 Алгоритмы устройств автоматического ввода-вывода защит должны удовлетворять следующим требованиям:
С.5.3.1 Защита с аварийной сигнализацией автоматически вводится в работу при появлении признака ввода независимо от состояния датчика и остается включенной до появления признака вывода, после чего защита автоматически выводится.
Аварийная сигнализация выводится вместе с защитой.
С.5.3.2 При появлении признака вывода и наличии признака ввода приоритет отдается признаку вывода.
С.5.3.3 В оперативном контуре выполняется сигнализация о введенном (выведенном) состоянии защит (группы защит).
С.5.3.4 Каждый из параметров, участвующих в формировании признаков ввода-вывода, может контролироваться одним датчиком.
С.5.4 Признаки ввода и вывода защит
Таблица С.1
|
Наименование защиты |
Пункт раздела С2 |
Признаки |
|
|
ввода |
вывода |
||
|
1 Прекращение протока масла через любой подшипник |
Выключатель электродвигателя мельницы включен |
Выключатель электродвигателя мельницы отключен |
|
|
2 Отключение ВСА |
Выключатель электродвигателя мельницы включен |
Выключатель электродвигателя мельницы отключен |
|
|
3 Отключение MB |
То же |
То же |
|
|
4 Отключение ПСУ |
-»- |
-»- |
|
|
5 Понижение давления масла в системе смазки редуктора |
-»- |
-»- |
|
|
6 Понижение уровня масла |
-»- |
-»- |
|
|
7 Прекращение выхода сырого топлива из бункера |
Питатель сырого топлива (дозатор питателя) включен и прошло заданное время (транспортное запаздывание от бункера до датчика) |
Питатель сырого топлива (дозатор питателя) отключен |
|
|
8 Забивание течки пыли под циклоном |
Питатель сырого топлива (дозатор питателя) включен |
То же |
|
|
9 Понижение уровня сырого топлива в бункере |
То же |
-»- |
|
|
10 Понижение перепада давлений на уплотнениях корпуса мельницы |
-»- |
-»- |
|
|
11 Понижение расхода сушильно-вентилирующего агента на мельницу |
-»- |
-»- |
|
|
12 Забивание пылепровода к основной горелке |
2.5.15 |
Питатель пыли включен |
Питатель пыли отключен |
|
13 Понижение давления масла в маслопроводе маслостанции |
Выбран резервный маслонасос |
Не выбрано в резерв ни одного маслонасоса |
|
Т.1 Общая часть
Т.1.1 Настоящий документ распространяется на топливоподачи с продольными конвейерами на бункерной галерее и обязателен для применения на вновь проектируемых топливо-подачах.
Т.1.2 Значения выдержек времени указаны ориентировочно для выбора аппаратуры.
Т.1.3 Комплект защиты состоит из необходимого количества каналов контроля измеряемого значения, логической схемы формирования сигнала защиты и воздействия на исполнительные механизмы, устройств сигнализации и фиксации срабатывания.
Т.1.4 Защита, выполняемая по схеме «два из двух» или «один из двух», имеет два независимых канала измеряемого значения.
Т.1.5 Срабатывание защиты, выполненной по схеме «два из двух», происходит при достижении установленного значения контролируемой величины (уставки срабатывания) в обоих каналах контроля.
Срабатывание защиты, выполняемой по схеме «один из двух», происходит при достижении установленного значения контролируемой величины в любом канале контроля.
Т.2 Перечень технологических защит
Т.2.1 Сход ленты конвейера.
Т.2.2 Повышение уровня в бункерах сырого угля (БСУ) до I предела.
Т.2.3 Повышение уровня в БСУ до II предела.
Т.2.4 Повышение уровня в течке узла пересыпки до I предела.
Т.2.5 Повышение уровня в течке узла пересыпки до II предела.
Т.2.6 Пробуксовка ленты конвейера.
Т.2.7 Продольный разрыв ленты конвейера.
Т.2.8 Поперечный разрыв ленты конвейера и предельное положение грузового устройства.
Т.2.9 Повышение и понижение температуры масла в системе станции жидкой смазки редукторов с принудительной циркуляцией (при наличии данного требования в ТУ завода-изготовителя).
Т.2.10 Понижение давления масла в редукторах с принудительной циркуляцией.
Т.2.11 Понижение давления воды в аспирационных установках.
Т.2.12 Повышение вибрации дробилок.
Т.2.13 Повышение температуры подшипников дробилок.
Т.2.14 Перегрузка электродвигателей основных механизмов (конвейера, питателя, грохота).
Т.2.15 Повышение уровня штабеля под конвейерами, подающими топливо на склад.
Т.2.16 Попадание крупных металлических предметов массой более 100 г (для всех мельниц, кроме барабанно-шаровой).
Т.2.17 Предельное положение натяжного барабана.
Т.2.18 Ограничение хода катучего конвейера.
Т.2.19 Снятие ограждения конвейера (при необходимости).
Т.3 Технические условия на выполнение технологических защит
Т.3.1 Сход ленты конвейера.
Сход ленты конвейера контролируется несколькими парами датчиков положения ленты.
Датчики устанавливаются следующим образом:
- у приводного барабана - две пары датчиков с разных сторон конвейера;
- у натяжного барабана - две пары датчиков с разных сторон конвейера;
- в средней части, конвейера - равное количество пар датчиков с разных сторон конвейера на расстоянии между ними не более 50 м.
Один датчик в каждой паре настраивается на величину отклонения ленты до I предела: от 50 до 70 мм (в зависимости от ширины ленты). Другой датчик этой пары настраивается на величину отклонения ленты до II предела: от 100 до 150 мм.
Защита срабатывает при наличии сигналов от обоих датчиков одной пары и действует на останов конвейера.
Т.3.2 Повышение уровня в БСУ до I предела.
Уровень контролируется одним датчиком, установленным в течке плужкового сбрасывателя (ПС). Защита действует на подъем ПС.
Т.3.3 Повышение уровня в БСУ до II предела
Уровень контролируется одним датчиком, установленном в течке ПС. Защита действует на останов конвейера с выдержкой времени до 5 с.
Т.3.4 Повышение уровня в течке узла пересыпки до I предела. Уровень контролируется одним датчиком, установленным в течке. Защита действует на включение механизмов, способствующих сходу топлива (при их наличии), и выдает предупредительный сигнал.
Т.3.5 Повышение уровня в течке узла пересыпки до II предела Уровень контролируется одним датчиком, установленным в течке. Защита действует на останов конвейера, подающего топливо в узел пересыпки.
Т.3.6 Пробуксовка ленты конвейера.
Защита выполняется по одному из следующих вариантов:
Т.3.6.1 Пробуксовка контролируется общим датчиком, измеряющим отклонение скорости ленты конвейера от заданного значения.
Защита срабатывает при понижении скорости ленты конвейера на 20 % и действует на останов конвейера с выдержкой времени до 5 с.
Т.3.6.2 Пробуксовка контролируется по разности приведенных сигналов двух датчиков частоты вращения, один из которых контролирует частоту вращения приводного барабана, другой - натяжного.
Защита срабатывает при понижении приведенной частоты вращения натяжного барабана на 15 % по сравнению с приведенной частотой вращения приводного барабана и действует на останов конвейера с выдержкой времени до 5 с.
Т.3.7 Продольный разрыв ленты конвейера
Продольный разрыв контролируется датчиками, установленными в зоне загрузки конвейера и в средней части ленты.
Защита действует на останов конвейера при срабатывании любого датчика.
Т.3.8 Поперечный разрыв ленты конвейера и предельное положение грузового устройства.
Поперечный разрыв и предельное положение грузового устройства контролируется одним датчиком. Защита действует на останов конвейера.
Т.3.9 Повышение и понижение температуры масла в системе станции жидкой смазки редукторов с принудительной циркуляцией.
Температура контролируется одним датчиком. Защита действует на останов конвейера.
Т.3.10 Понижение давления масла в редукторах с принудительной циркуляцией.
Давление контролируется одним датчиком.
Защита действует на останов конвейера.
Т.3.11 Понижение давления воды в аспирационных установках.
Давление контролируется одним датчиком.
Защита действует на отключение аспирационных установок.
Т.3.12 Повышение вибрации дробилок.
Вибрация контролируется на каждом подшипнике одним датчиком.
Защита действует на останов дробилки.
Т.3.13 Повышение температуры подшипников дробилки.
Температура контролируется в каждом подшипнике одним датчиком.
Защита действует на останов дробилки при повышении температуры любого из подшипников.
Т.3.14 Перегрузка электродвигателей основных механизмов (конвейера, дробилки, питателя, грохота).
Перегрузка контролируется одним датчиком. Защита действует на останов механизма.
Т.3.15 Повышение уровня штабеля под конвейерами, подающими топливо на склад.
Повышение уровня топлива под каждой течкой контролируется одним датчиком.
Защита действует на подъем плужкового сбрасывателя или на останов конвейера.
Т.3.16 Попадание крупных немагнитных металлических предметов массой более 100 г (для всех мельниц, кроме барабанно-шаровых).
Попадание металлических предметов контролируется контрольным металлоискателем, установленным на последних конвейерах, транспортирующих топливо в БСУ.
Защита действует на останов конвейера.
Т.3.17 Предельное положение натяжного барабана.
Положение натяжного барабана контролируется двумя датчиками положения, один из которых настраивается на уставку предупредительной сигнализации (I предел), а другой - на аварийную уставку (II предел).
Защита срабатывает при наличии сигналов от обоих датчиков и действует на останов конвейера.
Т.3.18 Ограничение хода катучего конвейера.
Ход катучего конвейера контролируется двумя датчиками положения, один из которых настраивается на уставку предупредительной сигнализации, а другой - на аварийную уставку.
Защита срабатывает при наличии сигналов от обоих датчиков и действует на останов катучего конвейера.
Т.3.19 Снятие ограждения конвейера (при необходимости).
Установка ограждений контролируется датчиками положения, расположенными на несъемных частях ограждений.
Защита срабатывает от любого датчика при снятии любой части ограждения и действует на останов конвейера.
Т.4 Технические условия на выполнение блокировок
Т.4.1 Запретные и защитные блокировки в схемах управления механизмами топливоподачи
Т.4.1.1 Запрет пуска механизма без включения в его помещении предупредительного звукового сигнала.
Т.4.1.2 Запрет пуска механизмов в неправильной последовательности (включение предыдущего по ходу топлива механизма разрешается после включения последующего).
Т.4.1.3 Запрет пуска механизмов при неправильном положении распределительного механизма (шибера) в узлах пересыпки, катучего конвейера или ПС (кроме ПС бункерной галереи).
Т.4.1.4 Запрет работы механизмов при неисправности в цепях включения электродвигателей, тормозов, маслонасосов редукторов вентиляторов обдува электродвигателей или устройств подачи воды в рубашку редуктора.
Т.4.1.5 Останов механизмов в последовательности, обратной пуску при полном сходе топлива.
Т.4.1.6 Немедленный останов всех предшествующих по ходу топлива механизмов (кроме дробилок) при аварийном останове любого основного механизма.
Т.4.1.7 Включение и отключение вспомогательного оборудования одновременно с пуском и остановом соответствующего конвейера.
Для отдельного оборудования предусматривается выдержка времени, если это требуется по условиям эксплуатации или ТУ завода-изготовителя (аспирационные установки, сепараторы, станции жидкой смазки редукторов и др.).
Т.4.1.8 Запрет реверса конвейеров без прекращения подачи топлива (для реверсивных катучих конвейеров).
Т.4.2 Блокировки в схемах автоматики загрузки бункеров (АЗБ)
Т.4.2.1 Запрет включения АЗБ при:
- отсутствии напряжения на реле верхнего уровня;
- отсутствии напряжения на реле аварийного уровня I предела;
- отсутствии напряжения на реле аварийного уровня II предела.
Т.4.2.2 Запрет пуска конвейера на бункерной галерее при отсутствии напряжения на реле аварийного уровня II предела.
Т.4.2.3 Запрет пуска конвейера, подающего топливо в узел пересыпки, при отсутствии напряжения на реле .аварийного уровня II предела.
Т.4.3 Блокировки в схемах управления плужковыми сбрасывателями
Т.4.3.1 Подъем ПС по сигналу от датчиков аварийного уровня I или II предела с наложением запрета на его опускание, как при автоматическом, так и при дистанционном и местном управлении при завале течек ПС до I или II предела.
Т.4.3.2 Отключение бункера, назначенного «последним», при завале течки ПС до аварийного уровня I или II предела или при достижении верхнего уровня в этом бункере, опускание ПС на предыдущем незаполненном бункере и назначение этого (предыдущего) бункера «последним
Примечание - Под «последним» бункером понимается:
- физически последний по ходу топлива бункер, за которым нет работающих или незаполненных бункеров;
- бункер, который выделен для сброса оставшегося на тракте топлива, в том числе и физически последний бункер.
При этом все бункера, назначенные «последними», при автоматическом заполнении загружаются до среднего уровня. Вместимость бункеров от среднего уровня до верхнего используется для сброса оставшегося на тракте топлива при плановом останове.
Т.4.3.3 Отключение автоматического управления загрузкой любого бункера и всех последующих бункеров, назначение предыдущего незаполненного бункера «последним» при завале до аварийного уровня I или II предела этого бункера и невыполнении команды на подъем ПС на этом бункере.
Т.4.3.4 Отключение автоматического управления загрузкой любого бункера и всех последующих по ходу топлива бункеров при достижении верхнего уровня в этом бункере и невыполнении команды на подъем ПС на этом бункере и, назначение предыдущего незаполненного бункера «последним».
Т.4.3.5 Отключение бункера, назначенного «последним», от автоматического управления загрузкой, опускание ПС на предыдущем незаполненном бункере (назначение его «последним») при невыполнении команды на опускание ПС с наложением запрета на его подъем при автоматическом, дистанционном и местном управлении.
Т.4.3.6 Отключение автоматического управления нагрузкой любого бункера с наложением запрета на назначение его «последним» при невыполнении команды на опускание соответствующего ПС.
Т.4.3.7 Запрет управления (автоматического, дистанционного и местного) любым ПС данного бункера на одной нитке при назначении этого бункера «последним» на другой нитке.
Т.4.3.8 Подъем ПС на неработающих бункерах с наложением запрета на его опускание при дистанционном и местном управлении, при включении автоматического управления ПС работающих бункеров этой нитки
Т.4.3.9 Запрет на подъем ПС при назначении бункера «последним» при автоматическом, дистанционном и местном управлении.
Т.4.3.10 Отключение бункера от автоматического управления загрузкой при невыполнении команды на опускание.
Т.4.3.11 Снятие запрета на пуск конвейера при завале до аварийного уровня II предела течки ПС при отключении этого бункера от автоматической загрузки.
У.1 Общие положения
У.1.1 Настоящие «Объем и технические условия» составлены на основании [2].
У.1.2 Данная работа распространяется на вновь проектируемые и реконструируемые газорегуляторные пункты (ГРП), общестанционные и блочные, с любым количеством линий редуцирования газа, с одним или двумя регулирующими клапанами на каждой линии, при наличии или отсутствии предохранительных запорных клапанов (ПЗК) на каждой линии или предохранительных сбросных клапанов с пружинным приводом (ПСК). Документ не распространяется на ГРП с регуляторами прямого действия в части командных воздействий на регуляторы и регулирующие клапаны.
У.1.3 Настоящий документ составлен с учетом следующего:
У.1.3.1 Предохранительные сбросные клапаны с пружинным приводом обеспечивают сброс газа при давлении газа за ГРП не более 1,15Рном.
У.1.3.2 Предохранительные запорные клапаны на ГРП устанавливаются, если какой-либо элемент газопроводов в пределах ГРП и на участке от ГРП до ПЗК котлов включительно не рассчитан на давление газа до ГРП.
У.1.3.3 При количестве одинаковых линий редуцирования газа на общестанционном ГРП не менее трех одна из них назначается аварийно-резервной («АВР») и вводится в работу автоматически, остальные линии назначаются рабочими («РАБОТА») и поочередно или одновременно участвуют в регулировании давления газа за ГРП.
На блочном ГРП при наличии двух линий, пропускная способность каждой из которых обеспечивает номинальную нагрузку энергоблока, одна из них назначается рабочей («РАБОТА»), другая - аварийно-резервной («АВР»).
Неисправные или находящиеся в ремонте линии отключаются действием технологических защит и блокировок («ОТКЛЮЧЕНО»).
У.1.3.4 Линия малого расхода при работе ГРП может быть отключена или может участвовать в поддержании давления газа за ГРП.
Линия малого расхода не участвует в работе технологических защит.
У.1.3.5 Каждая линия редуцирования газа, за исключением линии малого расхода, может находиться в одном из трех состояний: «РАБОТА», «АВР», «ОТКЛЮЧЕНО».
Переключатель устанавливается на щите управления одного из котлов (МЩУ, ГрЩУ) или БЩУ, с которого возможно управление арматурой ГРП.
Текущее состояние назначается оператором. Средства выбора определяются при проектировании системы управления ГРП.
У.1.3.6 Давление газа за ГРП поддерживается в пределах 10 % от Рном автоматически регуляторами, действующими на электропривод регулирующего клапана, или регуляторами прямого действия.
У.1.3.7 В цепях управления арматурой ГРП, управляемой с двух мест: необслуживаемого местного щита ГРП и щита управления одного из котлов (МЩУ, ГрЩУ) или БЩУ, предусматривается специальный переключатель выбора места управления, позволяющий управлять арматурой только с одного из щитов. Переключатель имеет два положения и устанавливается на щите ГРП. На щите управления котла, где постоянно дежурит оперативный персонал, выполняется предупредительная сигнализация изменения положения переключателя.
Количество переключателей: один или по количеству ниток - определяется в конкретном проекте.
У.1.3.8 При срабатывании технологической защиты ее команды имеют длительность не менее максимального времени хода для исполнительных устройств данной защиты. Факт срабатывания защиты сигнализируется и при наличии возможности регистрируется.
При переключении управления арматурой со щита ГРП действие на нее технологических защит сохраняется.
У.1.3.9 Защита по повышению давления газа за ГРП выполняется двухступенчатой. Первая ступень защиты одновременно с открытием ПСК запрещает неправильную работу регуляторов давления газа и при наличии на ТЭС других ГРП подает команду на отделение от данного ГРП части котлов с помощью секционных задвижек. Запрет неправильной работы регуляторов может быть организован в их схемах.
Вторая ступень защиты отключает подачу газа на элементы схемы, не рассчитанные на давление до ГРП, путем закрытия ПЗК на ГРП или перед котлом, на котором также зафиксировано повышение давления.
У.1.3.10 Предусматривается предупредительная сигнализация изменения параметра в сторону срабатывания защиты.
У.1.4 В документе не рассмотрен способ автоматического регулирования давления газа за ГРП и технологические блокировки регуляторов. Эти вопросы решаются при проектировании АСУ ГРП.
У.1.5 На действующих ГРП технологические защиты и блокировки могут быть приведены в соответствие с требованиями настоящего документа полностью или в объеме отдельных защит или блокировок решением главного инженера электростанции. Новые ТЗ и блокировки ГРП должны быть выполнены в полном соответствии с данным документом.
У.1.6 На рисунках У.1 - У.6 приведены структурные схемы защит и блокировок ГРП. На рисунке У.7 даны условные обозначения, принятые в структурных схемах.
У.2 Перечень технологических защит и блокировок защиты
У.2.1 Повышение давления газа за ГРП до 1-го предела.
У.2.2 Повышение давления газа за ГРП до 2-го предела.
У.2.3 Понижение давления газа за ГРП.
Блокировки
У.2.4 Перевод линии редуцирования газа в режим «РАБОТА».
У.2.5 Перевод линии редуцирования газа в режим «АВР».
У.2.6 Перевод линии редуцирования газа в режим «ОТКЛЮЧЕНО».
У.2.7 Запрет управления арматурой с двух мест.
У.3 Технические условия на выполнение технологических защит и блокировок
У.3.1 Повышение давления газа за ГРП до 1-го предела.
Давление контролируется за ГРП. Количество датчиков определяется при проектировании.
При давлении, соответствующем началу открытия ПСК, защита налагает запрет на автоматическое открытие всех регулирующих клапанов рабочих линий. Запрет снимается при понижении давления ниже уставки сигнализации повышения давления. Запрет может быть выполнен как блокировка в схеме регулирования.
При наличии на ТЭС двух ГРП и более защита также действует на закрытие секционных задвижек между ГРП.
У.3.2 Повышение давления газа за ГРП до 2-го предела.
Давление контролируется за ГРП тремя датчиками прямого действия - при выполнении защит на традиционных средствах или тремя датчиками с аналоговым выходом (предпочтительно 4 - 20 мА) - при выполнении защит на микропроцессорной технике.
Защита срабатывает при давлении, соответствующем 1,25 максимального рабочего давления.
Если допустимое прочностное давление составляет не менее 140 % максимального рабочего давления, защита срабатывает с выдержкой времени до 20 с.
На ГРП с ПЗК защита действует на закрытие ПЗК всех рабочих линий редуцирования. При последующем понижении давления газа за ГРП до уставки сигнализации по понижению давления защита действует на подключение аварийно-резервной линии.
На ГРП без ПЗК, где элементы газопроводов до ПЗК котлов рассчитаны на давление газа до ГРП, дополнительным условием срабатывания защиты является повышение давления газа после ПЗК любого котла, соединенного с данным ГРП, до уставки по повышению давления за ГРП. Давление контролируется за ПЗК котла до его регулирующего клапана одним или большим количеством датчиков. При повышении давления газа за ГРП и перед любым котлом, соединенным с этим ГРП, защита действует на останов этого котла. Таким образом, отключаются все котлы, на которых одновременно с повышением давления за ГРП зафиксировано повышение давления газа за ПЗК.
На блочных ГРП защита действует на закрытие ПЗК ГРП.
У.3.3 Понижение давления газа за ГРП.
Давление контролируется за ГРП теми же датчиками, что и для защиты по п. У3.2, включенными по той же схеме.
Защита действует на подключение аварийно-резервной линии редуцирования газа (открытие ее входной задвижки и подключение регулятора(ов) давления к регулирующим клапанам) и на отключение всех регуляторов давления газа, действующих на регулирующие клапаны линий, находящихся в режиме «РАБОТА».
У.3.4 Перевод линии редуцирования газа в режим «РАБОТА».
При подаче команды на перевод линии редуцирования в режим «РАБОТА» формируются импульсные команды на:
- открытие входной задвижки;
- открытие выходной задвижки.
Состояние регулирующих клапанов этой линии по отношению к регулятору, поддерживающему давления газа (подключены к регулятору или отключены от него), определяется принятой схемой регулирования давления газа за ГРП.
У.3.5 Перевод линии редуцирования газа в режим «АВР».
При подаче команды на перевод линии редуцирования в режим «АВР» формируются импульсные команды на:
- закрытие входной задвижки;
- открытие выходной задвижки;
- отключение регулирующих клапанов от регулятора (регуляторов) давления и их открытие до установленной величины, определяемой при наладке.
Регулятор давления газа аварийно-резервной линии настраивается на поддержание Рном.
У.3.6 Перевод линии редуцирования газа в режим «ОТКЛЮЧЕНО».
При подаче команды на перевод линии редуцирования в режим «ОТКЛЮЧЕНО» формируются импульсные команды на:
- закрытие входной задвижки;
- закрытие выходной задвижки.
Кроме того, снимается разрешение на воздействие защит и блокировок на задвижки и регуляторы данной линии.
У.3.7 Запрет управления арматурой с двух мест.
Разрешается управление арматурой ГРП с МЩ ГРП, только если переключатель выбора места управления находится в положении «МЩ ГРП».
Разрешается управление арматурой ГРП со щита управления котлом, только если переключатель выбора места управления находится в положении «БЩУ» («ГрЩУ», «МЩУ»).
Рисунок У.1 - Структурная схема защиты по повышению давления газа за ГРП до 1-го предела
Примечания:
- На рисунке представлен вариант контроля давления двумя датчиками дискретного сигнала. При контроле давления другим способом защита выполняется аналогично.
- Схема дана для ГРП, имеющего n линий редуцирования в режиме «РАБОТА».
- Выполняется при наличии на ТЭС двух ГРП и более.

Примечания:
- На рисунке представлен вариант контроля давления тремя датчиками дискретного сигнала. При контроле давления другим способом защита выполняется аналогично.
- Схема дана для ГРП, имеющего n линий редуцирования в режиме «РАБОТА» и одну линию - в режиме «АВР».
- Выдержка времени выполняется, если допустимое прочностное давление составляет не менее 140 % максимального рабочего давления.
Рисунок У.2 - Структурная схема защиты по повышению давления газа за ГРП до 2-го предела для ГРП, на которых установлены ПЗК

Примечания:
- На рисунке представлен вариант контроля давления тремя датчиками дискретного сигнала. При контроле давления другим способом защита выполняется аналогично.
- Выдержка времени выполняется, если допустимое прочностное давление составляет не менее 140 % максимального рабочего давления.
Рисунок У.3 - Структурная схема защиты по повышению давления газа за ГРП, где все элементы газопроводов до ПЗК котлов рассчитаны на давление газа до ГРП

Примечания:
- На рисунке представлен вариант контроля давления тремя датчиками дискретного сигнала. При контроле давления другим способом защита выполняется аналогично.
- Схема дана для ГРП, имеющего п линий редуцирования в режиме «РАБОТА» и одну линию - в режиме «АВР».
- Выдержка времени соответствует максимальному времени хода задвижек, получающих команду при срабатывании данной защиты.
Рисунок У.4 - Структурная схема защиты по понижению давления газа за ГРП

Примечание - Определяется принятой схемой регулирования давления газа за ГРП.
Рисунок У.5 - Структурная схема блокировки по переводу линии редуцирования газа в новый режим
Примечание - Схема дана для задвижек одной линии ГРП.
Рисунок У.6 - Структурная схема блокировок при управлении арматурой ГРП с двух мест
Рисунок У.7 - Условные обозначения, принятые в структурных схемах
Ф.1 Общая часть
Ф.1.1 Документ распространяется на действующие, вновь вводимые в эксплуатацию и модернизируемые котельные установки паропроизводительностью 50 т/ч и выше и водогрейные котельные установки тепловой производительностью 30 Гкал/ч и выше, сжигающие газ и/или мазут, за исключением котельных установок, у которых на линии подвода газа к горелкам установлены газовые блоки фирмы ЗАО «АМАКС». Для этого оборудования выпущен специальный документ.
Ф.1.2 В зависимости от вида сжигаемого топлива предъявляются различные требования к оснащению горелочных устройств арматурой и запально-защитными устройствами (ЗЗУ).
Ф.1.2. При сжигании мазута предъявляются следующие требования:
На вновь проектируемых газомазутных и мазутных котлах мощностью более 100 Гкал/ч на линии подвода мазута к каждой горелке устанавливается запорное устройство с электроприводом и предохранительно-запорный клапан (ПЗК). Горелки оснащаются ЗЗУ.
На вновь проектируемых пылеугольных котлах любой мощности и газомазутных котлах мощностью до 100 Гкал/ч включительно допускается установка на линии подвода мазута к горелке одного запорного устройства с электроприводом и другого - с ручным или электрическим приводом. Все мазутные горелки этих котлов оснащаются ЗЗУ.
На действующих котлах любой мощности допускается установка на линии подвода мазута к горелкам одного запорного устройства с электроприводом и другого - с ручным или электрическим приводом. Горелки, с которых может начинаться растопка этих котлов, оснащаются ЗЗУ, остальные горелки могут быть оснащены запальными устройствами (ЗУ) или ЗЗУ.
При установке на линии подвода мазута к горелке ПЗК и задвижки с электроприводом сначала устанавливается ПЗК, а затем задвижка.
Ф.1.2.2 При сжигании газа предъявляются следующие требования:
На линии подвода газа к горелкам котлов тепловой производительностью более 420 ГДж/ч (100 Гкал/ч) требуется установка двух запорных устройств с электроприводом, в качестве которых могут быть использованы как ПЗК, так и задвижки.
Все газовые горелки этих котлов оснащаются всережимным ЗЗУ, т.е. ЗЗУ, способным обеспечивать селективный контроль факела горелки во всех режимах работы котла.
При установке на линии подвода газа к горелке ПЗК и задвижки с электроприводом рекомендуемый порядок их установки следующий: сначала по ходу газа устанавливается ПЗК, а затем задвижка.
Ф.1.2.3 На котлах, все горелки которых на газе и/или на мазуте оснащены ПЗК, запорным устройством с электроприводом и ЗЗУ («котлы с ПЗК у горелок»), растопка может начинаться с розжига любой горелки. При этом контролируется факел каждой горелки. До ввода защиты по общему факелу горение контролируется защитой, срабатывающей при невоспламенении факела горелки, разжигаемой первой, или при погасании факела всех горелок. При погасании факела второй, третьей и т.д. разжигаемой горелки закрываются защитой запорные устройства на линии подвода топлива к этой горелке.
После ввода защиты по общему факелу контроль факела горелок, оснащенных всережимным ЗЗУ, сохраняется: при погасании факела горелки закрываются защитой запорные устройства на линии подвода топлива к этой горелке.
Ф.1.2.4 На котлах, сжигающих газ, где нет ПЗК на каждой газовой горелке («котлы без ПЗК у горелок»), выделяется растопочная группа горелок, растопка может начинаться с розжига любой из этих горелок.
При растопке на газе контролируется розжиг и горение каждой горелки растопочной группы. До ввода защиты по общему факелу горение контролируется защитой, срабатывающей при неуспешном розжиге или погасании любой горелки растопочной группы. После того, как разожжены все газовые горелки растопочной группы, разрешается розжиг остальных горелок и вводится защита по общему факелу.
Ф.1.2.5 На котлах, сжигающих мазут, где нет ПЗК на каждой мазутной горелке («котлы без ПЗК у горелок»), выделяется группа мазутных горелок, с которых может начинаться растопка котла из разных тепловых состояний. Каждая из этих горелок оснащается ЗЗУ, селективно контролирующим факел горелки хотя бы во время растопки, и растопка может начинаться с розжига любой из этих горелок.
При растопке на мазуте контролируется факел каждой горелки, оснащенной ЗЗУ. До ввода защиты по общему факелу горение контролируется защитой, срабатывающей при невоспламенении факела горелки, разжигаемой первой, или при погасании факела всех горелок, оснащенных ЗЗУ. После ввода защиты по общему факелу сохраняется контроль факела каждой горелки, оснащенной всережимным ЗЗУ: при погасании факела горелки закрываются защитой запорные устройства на линии подвода мазута к данной горелке.
Ф.1.3 Технические условия приняты с учетом следующего:
Ф.1.3.1 На котлах, работающих на нескольких видах топлива, растопка производится с использованием только одного вида топлива.
Ф.1.3.2 Если одно запорное устройство на линии подвода топлива к горелке не имеет электропривода, подача этого топлива к горелке при ее розжиге осуществляется при полностью открытом ручном запорном устройстве с помощью электрифицированного запорного устройства, которое участвует во всех блокировках и защитах.
Ф.1.3.3 Если в качестве ПЗК или других запорных устройств установлена арматура с пневмоприводом, на нее распространяются все условия, принятые для арматуры с электроприводом.
Ф.1.3.4 На котлах, оснащенных двухпоточными газовыми горелками, растопка ведется при закрытых запорных устройствах на периферийной линии подвода газа к горелке, на открытие которых налагается запрет при закрытых запорных устройствах на центральной линии подвода газа к горелке. В защитных блокировках участвуют запорные устройства на центральной линии подвода газа; защиты, отключающие данную горелку, действуют на все запорные устройства.
Ф.1.3.5 Расход мазута измеряется с учетом его рециркуляции в обратную магистраль.
На газомазутных котлах для использования в схемах защит и блокировок допускается определение расхода мазута как приведенной разности между общим расчетным расходом топлива при данной паропроизводительности котла и расходом газа.
Ф.1.3.6 Количество каналов контроля параметра и схема их соединения указаны для защит и блокировок, выполненных на традиционной технике.
Ф.1.3.7 Ввод и вывод защит и блокировок, препятствующих пуску котла, должны производиться:
- на вновь проектируемых котлах и котлах, проекты автоматизации которых выполнены после 01.08.87 г., - автоматически;
- на остальных котлах для защит по погасанию общего факела в топке и основного факела горелок при растопке («Невоспламенение при растопке»), а также всех блокировок - автоматически, для остальных защит - либо автоматически, либо существующими в схемах защит средствами ввода-вывода.
Ф.1.3.8 Признак «Начало растопки» формулируется:
На котлах без ПЗК у газовых горелок при растопке на газе - «не закрыта задвижка на линии подвода топлива к котлу и начало открываться второе запорное устройство на линии подвода этого топлива к любой горелке растопочной группы».
На остальных котлах - «не закрыта задвижка на линии подвода топлива к котлу и начало открываться второе запорное устройство на линии подвода этого топлива к любой горелке».
Ф.1.3.9 Признак «Останов котла» формируется при начале выполнения программы автоматического останова котла («Сработало РОК»).
Ф.1.3.10 Время транспортного запаздывания защит «Невоспламенение» на 1 с больше времени, необходимого для появления факела горелки после открытия второго запорного устройства на подводе топлива к этой горелке.
Ф.1.4 На рисунках Ф.1 - Ф.34 даны логические схемы защит и блокировок, учитывающие различные варианты оснащения горелок котлов запорными и запальными устройствами и различные виды сжигаемого топлива.
Номера рисунков, используемых при проектировании защит и блокировок разных типов котлов, приведены в Ф.4.
Условные обозначения элементов схем приведены в Ф.5.
Ф.1.5 С выходом настоящих Технических условий утрачивают силу «Технические условия на выполнение технологических защит и блокировок при использовании мазута и природного газа в котельных установках в соответствии с требованиями взрывобезопасности» (М.: СПО ОРГРЭС, 1997).
Ф.2 Перечень технологических защит и блокировок
Ф.2.1 Защиты, действующие на останов котла
Ф.2.1.1 Погасание общего факела в топке (рисунки Ф.5 - Ф.9).
Ф.2.1.2 Отключение всех дымососов (рисунок Ф.10).
Ф.2.1.3 Отключение всех дутьевых вентиляторов (рисунок Ф.10).
Ф.2.1.4 Отключение всех регенеративных воздухоподогревателей (рисунок Ф.10).
Ф.2.1.5 Понижение давления газа (рисунки Ф.11 - Ф.14).
Ф.2.1.6 Понижение давления мазута (рисунки Ф.15 - Ф.17).
Ф.2.2 Защиты, действующие на снижение нагрузки котла до 50 % номинальной (рисунок Ф.8)
Ф.2.2.1 Отключение одного из двух дымососов.
Ф.2.2.2 Отключение одного из двух дутьевых вентиляторов.
Ф.2.2.3 Отключение одного из двух регенеративных воздухоподогревателей.
Ф.2.3 Защиты, действующие на прекращение подачи топлива к котлу или горелке
Ф.2.3.1 Невоспламенение или погасание факела любой газовой горелки растопочной группы при растопке котла без ПЗК у газовых горелок (рисунки Ф.20, Ф.22).
Ф.2.3.2 Невоспламенение первой или погасание факела всех газовых горелок, оснащенных ПЗК и ЗЗУ, или всех мазутных горелок, оснащенных ЗЗУ, при растопке котла (рисунки Ф.19, Ф.21, Ф.23).
Ф.2.3.3 Невоспламенение или погасание факела газовой горелки или мазутной горелки, оснащенной всережимным ЗЗУ (рисунок Ф.24).
Ф.2.4 Блокировки
Ф.2.4.1 Запрет подачи топлива к котлу при незакрытии хотя бы одного устройства с электроприводом на линии подвода этого топлива перед любой горелкой (рисунок Ф.32).
Ф.2.4.2 Запрет розжига горелок при растопке котла без вентиляции топки (рисунки Ф.25 - Ф.30).
Ф.2.4.3 Запрет розжига любой газовой горелки, не относящейся к растопочной группе, пока все горелки растопочной группы не будут включены в работу - для котлов без ПЗК у газовых горелок (рисунок Ф.31).
Ф.2.4.4 Прекращение и запрет подачи топлива в горелку в случае полного закрытия шибера на линии подвода воздуха к этой горелке (рисунок Ф.32).
Ф.2.4.5 Запрет подачи топлива в горелку при отсутствии факела запального устройства этой горелки (рисунок Ф.33).
Ф.2.4.6 Запрет подачи топлива в горелку при наличии ложного сигнала от датчика факела горелки (рисунок Ф.33).
Ф.2.4.7 Запрет открытия второго запорного устройства по ходу топлива перед горелкой при неоткрытом первом (рисунок Ф.33).
Ф.2.4.8 Блокировки запорного устройства на трубопроводе безопасности газовой горелки (рисунок Ф.34).
Ф.2.4.9 Блокировки паровой и мазутной магистралей мазутной горелки (рисунок Ф.34).
Ф.3 Технические условия на выполнение технологических защит
Ф.3.1 Защиты, действующие на останов котла
Ф.3.1.1 Погасание общего факела в топке
Факел в топке (секции топки) контролируется: на паровых котлах - не менее чем двумя комплектами приборов, на водогрейных котлах - одним комплектом. На котлах с двусветными экранами факел контролируется отдельно в каждой секции топки.
Защита срабатывает, если все приборы, контролирующие общий факел в топке (секции топки), зафиксировали его погасание.
Защита действует на останов котла.
Защита вводится автоматически, если все приборы контроля общего факела показали его наличие и выполнено одно из следующих условий:
- при растопке на газе котлов, газовые горелки которых оснащены ПЗК, - расход газа более 35 % номинального;
- при растопке на газе котлов, газовые горелки которых не оснащены ПЗК, - открыты вторые запорные устройства на линии подвода газа ко всем горелкам растопочной группы;
- при растопке на мазуте пылеугольных котлов - расход мазута более 90 % растопочного или включена одна мельница, или один питатель пыли и прошло время до 5 мин, достаточное для транспорта пыли в топку;
- при растопке на мазуте мазутных и газомазутных котлов - расход мазута более 35 % номинального.
Защита выводится при останове котла («Сработало реле останова котла - РОК»).
На газовых и газомазутных котлах, оснащенных ПЗК и всережимными ЗЗУ, с количеством горелок не более восьми допускается контроль факела в топке (секции топки) защитой, контролирующей наличие факела каждой горелки. Защита срабатывает при погасании факела всех горелок в топке (секции топки) и действует на останов котла. Защита вводится при начале растопки с выдержкой времени до 9 с и выводится при останове котла. При этом защита «Невоспламенение при растопке» (п. Ф3.3.2) не выполняется.
Ф.3.1.2 Отключение всех дымососов
Защита срабатывает при отключении всех выключателей электродвигателей дымососов и действует на останов котла.
Защита вводится автоматически при начале растопки и выводится при останове котла или срабатывании защиты «Невоспламенение при растопке».
Ф.3.1.3 Отключение всех дутьевых вентиляторов
Защита срабатывает при отключении всех выключателей электродвигателей дутьевых вентиляторов и действует на останов котла.
Защита вводится и выводится автоматически аналогично защите по п. Ф3.1.2.
Ф.3.1.4 Отключение всех регенеративных воздухоподогревателей
Защита срабатывает при отключении всех автоматических выключателей (или электромагнитных пускателей) электродвигателей регенеративных воздухоподогревателей и действует на останов котла. При коммутации силовых цепей электродвигателя контактами электромагнитного пускателя (а не автоматического выключателя) защита действует с выдержкой времени до 9 с.
Защита вводится и выводится автоматически аналогично защите по п. Ф3.1.2.
Ф.3.1.5 Понижение давления газа
На действующих котлах защита выполняется: по схеме «два из двух» - на паровых котлах и с одним датчиком - на водогрейных. На вновь проектируемых котлах количество и схема включения датчиков определяются по п. Ф1.4.6.
Давление контролируется за регулирующим клапаном на общей линии подвода газа к котлу.
На котлах, работающих под наддувом, контролируется разность давлений: газа за регулирующим клапаном на общей линии подвода к котлу и дымовых газов в топке.
На газовых котлах защита действует на останов котла.
На котлах, сжигающих несколько видов топлива, защита действует на прекращение подачи газа:
- закрытие задвижки и ПЗК на линии подвода газа к котлу (импульсная команда);
- закрытие запорных устройств на линии подвода газа к каждой горелке;
- открытие запорного устройства на трубопроводе безопасности каждой горелки.
Действие защиты на прекращение подачи газа: вводится автоматически при начале растопки на газе и выводится при останове котла или срабатывании защиты «Невоспламенение при растопке», или закрытии задвижки на подводе газа к котлу.
Дополнительно, если газ является преобладающим топливом, защита действует на останов котла.
Действие защиты на останов котла вводится автоматически:
- на газовых котлах - при начале растопки;
- на газомазутных котлах - при начале растопки на газе, если расход мазута менее 35 % номинального;
- на пылегазовых котлах - при начале растопки на газе, если переключатель топлива находится в положении «Газ».
Действие защиты на останов котла выводится при останове котла или срабатывании защиты «Невоспламенение при растопке». Кроме того, на газомазутных котлах действие защиты на останов котла выводится при расходе мазута, большем 35 % номинального, а на пылегазовых котлах, когда переключатель топлива переведен из положения «Газ» в др.
Ф.3.1.6 Понижение давления мазута
На действующих котлах защита выполняется: по схеме «два из двух» на паровых котлах и с одним датчиком на водогрейных. На вновь проектируемых котлах количество и схема включения датчиков определяются по п. Ф1.4.6.
Давление контролируется за регулирующим клапаном на общей линии подвода мазута к котлу.
Защита действует с выдержкой времени до 20 с.
На мазутных котлах защита действует на останов котла.
На котлах, сжигающих несколько видов топлива, защита действует на прекращение подачи мазута:
- закрытие задвижки и ПЗК на линии подвода мазута к котлу (импульсная команда);
- закрытие запорных устройств на линии рециркуляции мазута (импульсная команда);
- закрытие запорных устройств на линии подвода мазута к каждой горелке.
Действие защиты на прекращение подачи мазута: вводится автоматически при начале растопки на мазуте и выводится при останове котла или срабатывании защиты «Невоспламенение при растопке», или закрытии задвижки на подводе мазута к котлу.
Дополнительно, если мазут является преобладающим топливом, защита действует на останов котла.
Действие защиты на останов котла вводится автоматически:
- на мазутных котлах - при начале растопки;
- на газомазутных котлах - при начале растопки на мазуте, если расход газа менее 35 % номинального;
- на пылеугольных и пылегазовых котлах - при начале растопки, если переключатель топлива находится в положении «Мазут» («Растопка на мазуте»).
Действие защиты на останов котла выводится при останове котла или срабатывании защиты «Невоспламенение при растопке». Кроме того, на газомазутных котлах действие защиты на останов котла выводится при расходе газа, большем 35 % номинального, а на пылеугольных и пылегазовых котлах, когда переключатель топлива переведен из положения «Растопка на мазуте» в другое положение.
Ф.3.2 Защиты, действующие на снижение нагрузки котла до 50 % номинальной
Ф.3.2.1 Отключение одного из двух дымососов
Защита срабатывает при отключении всех выключателей электродвигателя одного дымососа при любом включенном выключателе электродвигателя другого дымососа.
Защита с выдержкой времени 1 с действует на снижение нагрузки котла до 50 % номинальной и независимо от состояния устройства ввода-вывода защиты при условии, что были включены два механизма - на закрытие направляющего аппарата отключившегося дымососа и на переключение воздействия регулятора разрежения на направляющий аппарат оставшегося в работе дымососа.
Защита вводится при нагрузке котла более 60 % номинальной и выводится при нагрузке менее 50 % номинальной.
Ф.3.2.2 Отключение одного из двух дутьевых вентиляторов
Защита срабатывает при отключении всех выключателей электродвигателя одного дутьевого вентилятора при любом включенном выключателе электродвигателя другого дутьевого вентилятора.
Защита действует, вводится и выводится аналогично защите по п. Ф.3.2.1.
Ф.3.2.3 Отключение одного из двух регенеративных воздухоподогревателей
Защита срабатывает при отключении выключателей всех электродвигателей одного воздухоподогревателя при включенном выключателе любого электродвигателя другого воздухоподогревателя и с выдержкой времени 1 с действует на снижение нагрузки котла до 50 % номинальной.
При коммутации силовых цепей электродвигателя контактами электромагнитного пускателя (а не автоматического выключателя) защита действует с выдержкой времени до 9 с.
Защита вводится и выводится аналогично защите по п. Ф3.2.1.
Ф.3.3 Защиты, действующие на прекращение подачи топлива к котлу или горелке
Ф.3.3.1 Невоспламенение или погасание факела любой газовой горелки растопочной группы при растопке котла без ПЗК у газовых горелок
Защита срабатывает при погасании факела горелки или невоспламенении газа в процессе ее розжига.
Контроль факела начинается через заданное время (время транспортного запаздывания) от начала открытия второго запорного устройства на линии подвода газа к данной горелке и продолжается, пока защита введена.
Защита действует на отключение всех запальных устройств и закрытие запорных устройств на общей линии подвода газа к ним, а также на прекращение подачи всех видов топлива к котлу и горелкам: закрытие запорных устройств на линии подвода жидкого и газообразного топлива к котлу, запрет открытия первого и закрытие обоих запорных устройств на линии подвода топлива к каждой горелке, прекращение подачи твердого топлива в котел, открытие запорных устройств на трубопроводе безопасности каждой газовой горелки. Алгоритм отключения подачи твердого топлива в котел определяется при проектировании.
Защита вводится автоматически при давлении газа перед котлом, превышающем уставку защиты по п. Ф3.1.5. Защита выводится либо при закрытой задвижке на линии подвода газа к котлу, либо при вводе защиты «Погасание общего факела в топке».
Защита срабатывает при отсутствии факела всех контролируемых горелок в топке (секции топки).
Защита действует на отключение всех запальных устройств и закрытие запорных устройств на общей линии подвода газа к ним, а также на прекращение подачи всех видов топлива к котлу и горелкам: закрытие запорных устройств на линии подвода жидкого и газообразного топлива к котлу, запрет открытия первого и закрытие обоих запорных устройств на линии подвода топлива к каждой горелке, прекращение подачи твердого топлива в котел, открытие запорных устройств на трубопроводе безопасности каждой газовой горелки.
На всех котлах, кроме пылеугольных котлов АО ПМЗ, защита вводится автоматически при давлении топлива перед котлом, превышающем уставку защиты по понижению давления этого топлива, если прошло заданное время (время транспортного запаздывания) от начала открытия второго запорного устройства на данном топливе к любой из горелок: газовых, оснащенных ПЗК и ЗЗУ, мазутных, оснащенных ЗЗУ. Защита выводится либо при закрытии задвижки на линии подвода данного топлива к котлу, либо при вводе защиты по погасанию общего факела в топке.
На пылеугольных котлах АО ПМЗ защита вводится и выводится специальным ключом.
Ф.3.3.3 Невоспламенение или погасание факела газовой горелки или мазутной горелки, оснащенной всережимным ЗЗУ
Защита срабатывает при погасании факела горелки или невоспламенении топлива в процессе розжига горелки.
Защита действует на отключение запального устройства данной горелки, закрытие запорных устройств на линии подвода топлива к данной горелке.
На комбинированных газомазутных горелках защита выполняется отдельно для каждого вида топлива.
Защита вводится, если давление топлива перед котлом выше уставки защиты по понижению давления этого топлива и прошло заданное время (время транспортного запаздывания) от начала открытия второго запорного устройства на линии подвода этого топлива к данной горелке. Защита выводится, если закрыто наименее быстроходное запорное устройство на линии подвода этого топлива к данной горелке.
Ф.3.4 Блокировки
Ф.3.4.1 Запрет подачи топлива к котлу при незакрытии хотя бы одного устройства с электроприводом на линии подвода этого топлива перед любой горелкой
Запрет налагается на открытие запорной задвижки на линии подвода топлива к котлу при незакрытом положении хотя бы одного первого запорного устройства на линии подвода этого топлива к любой горелке.
Если проектом предусматривается сигнализация действия блокировки, она выводится при полостью открытой задвижке на линии подвода топлива к котлу.
Ф.3.4.2 Запрет розжига горелок при растопке котла без вентиляции топки
Запрет налагается на включение запального устройства и на открытие первого запорного устройства по ходу топлива, на котором ведется растопка, либо для всех газовых горелок растопочной группы (при розжиге котлов без ПЗК на газе к горелкам), либо для всех горелок (для остальных котлов).
Топка считается провентилированной, если в течение не менее 10 мин расход воздуха через котел соответствовал 25 % расхода при номинальной нагрузке, были включены электродвигатели всех дымососов рециркуляции газов и открытие их направляющих аппаратов соответствовало нагрузке не менее 25 %, а на котлах, где газы вводятся в воздуховоды, дополнительно - полностью открыты клапаны на линии подвода воздуха к точке его смещения с газами.
В случае невозможности измерения расхода воздуха топка считается провентилированной, если в течение не менее 10 мин были включены электродвигатели всех дымососов (для котлов с уравновешенной тягой), дутьевых вентиляторов и дымососов рециркуляции газов и величина открытия их направляющих аппаратов соответствовала нагрузке не менее 25 %, а на котлах, где газы вводятся в воздуховоды, дополнительно полностью открыты клапаны на линии подвода воздуха к точке его смешения с газами.
Отсчет времени вентиляции разрешается после того, как котел был остановлен, т.е. если были закрыты задвижки на линии подвода газа и мазута к котлу и прекращена подача твердого топлива в котел. Алгоритм формирования сигнала о прекращении подачи твердого топлива определяется при проектировании для каждого типа котла. Информация об останове котла запоминается.
Запрет вводится автоматически, если давление любого топлива, на котором может вестись растопка, выше уставки защиты по понижению давления этого топлива. Давление контролируется одним датчиком.
Запрет снимается после окончания вентиляции.
После останова котла или срабатывания защиты «Невоспламенение при растопке» запрет налагается вновь.
Если после того, как топка была провентилирована, отключились все дымососы или все дутьевые вентиляторы, запрет налагается вновь.
Ф.3.4.3 Запрет розжига любой газовой горелки, не относящейся к растопочной группе, пока все горелки растопочной группы не будут включены в работу для котлов без ПЗК у газовых горелок
Запрет налагается на открытие первого запорного устройства на линии подвода газа к каждой горелке, не относящейся к растопочной группе, и на включение запальных устройств этих горелок.
Запрет вводится автоматически при превышении давлением газа уставки защиты по понижению давления газа.
Запрет снимается, если открыты вторые запорные устройства на линии подвода газа ко всем горелкам растопочной группы.
Ф.3.4.4 Прекращение и запрет подачи топлива в горелку в случае полного закрытия шибера на линии подвода воздуха к этой горелке
Формируется команда на закрытие всех запорных устройств на линии подвода топлива к горелке и запрет открытия первого из них, если полностью закрыт шибер на линии подвода воздуха к этой горелке. При наличии нескольких последовательно установленных шиберов на линии подвода воздуха к горелке контролируется положение каждого из них. В случае установки группового шибера на линии подвода воздуха к нескольким горелкам при его закрытии формируется команда на закрытие запорных устройств на линии подвода топлива и запрет открытия первого из них для всех горелок, на которые подается воздух через данный шибер.
Запрет вводится при начале растопки и выводится при останове котла или при срабатывании защиты «Невоспламенение при растопке».
Для мазутных горелок, осуществляющих автоматический подхват пылеугольного факела, блокировка отменяется при срабатывании защиты «Потускнение пылеугольного факела в топке».
Ф.3.4.5 Запрет подачи топлива в горелку при отсутствии факела запального устройства этой горелки
При незакрытой задвижке на линии подвода топлива к котлу налагается запрет на открытие первого по ходу этого топлива запорного устройства перед каждой горелкой, если есть информация об отсутствии факела запального устройства этой горелки; для газомазутных котлов запрет снимается, если введена защита по общему факелу и есть основной факел горелки.
Для мазутных горелок, осуществляющих автоматический подхват пылеугольного факела, запрет отменяется при срабатывании защиты «Потускнение пылеугольного факела в топке».
Для горелок, разжигаемых при аварийном переводе котла на пониженную нагрузку, запрет отменяется при срабатывании защиты, переводящей котел на эту нагрузку.
Ф.3.4.6 Запрет подачи топлива в горелку при наличии ложного сигнала от датчика факела горелки
Налагается запрет на открытие первого по ходу топлива запорного устройства перед горелкой, оснащенной ЗЗУ, если при закрытых первых запорных устройствах на линии подвода всех видов топлива к горелке есть информация о наличии факела этой горелки.
Запрет снимается при вводе защиты «Погасание общего факела в топке».
При незакрытой задвижке на линии подвода топлива к котлу второе запорное устройство на линии подвода этого топлива к горелке не может быть открыто, если не открыто первое по ходу этого топлива запорное устройство.
Со щита управления оба запорных устройства на линии подвода топлива к горелке могут управляться одним ключом, управление ими по месту -раздельное.
Ф.3.4.8 Блокировки запорного устройства на трубопроводе безопасности газовой горелки
Запорное устройство на трубопроводе безопасности автоматически открывается с запретом на закрытие, если закрыты оба запорных устройства на линии подвода газа к горелке.
Запорное устройство автоматически закрывается с запретом на открытие, если открыто первое запорное устройство по ходу газа к горелке.
Ф.3.4.9 Блокировки паровой и мазутной магистралей мазутной горелки
При незакрытой запорной задвижке на линии подвода мазута к котлу налагается запрет на открытие запорного устройства на линии подвода пара на продувку горелки при незакрытом первом запорном устройстве по ходу мазута к этой горелке.
Открытие первого по ходу мазута к горелке запорного устройства запрещается при незакрытом запорном устройстве на линии подвода пара на продувку данной горелки.
Ф.4 Номера рисунков защит и блокировок для разных типов котлов
В зависимости от того, на сжигание каких видов топлива рассчитан котел и от наличия или отсутствия ПЗК на линиях подвода топлива к его горелкам, алгоритмы защит и блокировок для него представлены на рисунках, указанных в таблице Ф.1.
Таблица Ф.1
|
Тип котла по виду топлива |
||||||||||
|
Газовый |
Мазутный |
Газомазутный |
Пылеугольный |
Пылегазовый |
||||||
|
с ПЗК |
без ПЗК |
с ПЗК |
без ПЗК |
с ПЗК |
без ПЗК |
без ПЗК |
с ПЗК (газ) |
без ПЗК |
||
|
Ввод защит при начале растопки |
1 |
2 |
1 |
2 |
3 |
2 |
3 |
|||
|
Условия ввода защит, снижающих нагрузку котла до 50 % номинальной |
4 |
|||||||||
|
Погасание общего факела в топке |
5 |
6 |
5 |
7 |
8 |
9 |
||||
|
Отключение тягодутьевых механизмов и РВП котла |
10 |
|||||||||
|
Понижение давления газа |
11 |
- |
13 |
- |
14 |
|||||
|
Понижение давления газа на котле под наддувом |
12 |
- |
- |
- |
- |
|||||
|
Понижение давления мазута |
- |
15 |
16 |
17 |
17 |
|||||
|
Отключение одного из двух тягодутьевых механизмов и РВП |
18 |
|||||||||
|
Невоспламенение при растопке |
19 |
20 |
19 |
21 |
22 |
19 |
21 |
22 |
||
|
То же для пылеугольного котла ПМЗ |
- |
- |
- |
23 |
- |
|||||
|
Невоспламенение или погасание факела горелки |
24 |
|||||||||
|
Условия вентиляции топки |
25 |
|||||||||
|
Запрет розжига без вентиляции |
26, 31 |
26 |
27, 31 |
28 |
29, 30, 31 |
|||||
|
Запрет розжига горелки, не относящейся к растопочной группе |
- |
31 |
- |
- |
31 |
- |
-31 |
|||
|
Запрет подачи топлива к котлу |
32 |
|||||||||
|
Запрет при прекращении подачи воздуха в горелку |
32 |
|||||||||
|
Запрет розжига горелки: - без факела запальника; - при ложной работе датчика факела горелки |
33 |
|||||||||
|
Запрет открытия второго запорного устройства при закрытом первом |
33 |
|||||||||
|
Блокировки запорного устройства на трубопроводе безопасности |
34 |
- |
34 |
- |
34 |
|||||
|
Блокировки паровой и мазутной магистралей мазутной горелки |
- |
34 |
34 |
34 |
34 |
|||||
Ф.5 Условные обозначения элементов схем
Таблица Ф.2
|
Наименование устройства |
Обозначение |
|
Концевой выключатель запорного устройства в положении «Не открыто» |
|
|
Концевой выключатель запорного устройства в положении «Закрыто» |
|
|
Концевой выключатель запорного устройства в положении «Открыто» |
|
|
Концевой выключатель запорного устройства в положении «Не закрыто» |
|
|
Пороговый элемент, срабатывающий при понижении параметра |
|
|
Пороговый элемент, срабатывающий при повышении параметра |
|
|
Контакт реле, дискретный сигнал |
|
Таблица Ф.3
|
Наименование логического элемента |
Обозначение |
|
«ИЛИ» |
|
|
«НЕ» |
|
|
«И» |
|
|
«И» с одним инверсным входом |
|
|
Триггер (память) |
|
|
Выдержка времени |
|
|
Импульс |
|
Рисунок Ф.1 - Ввод защит при начале растопки и вывод после останова котла. Газовый котел с ПЗК у горелок, мазутный котел с ПЗК у горелок

Рисунок Ф.2 - Ввод защит при начале растопки и вывод после останова котла. Газовый котел без ПЗК у горелок, мазутный котел без ПЗК у горелок, пылеугольный котел

Примечание - Для котлов с ПЗК: «Не закрыто второе запорное устройство на линии подвода газа к любой горелке». Для котлов без ПЗК: «Не закрыто второе запорное устройство на линии подвода газа к любой горелке растопочной группы».
Рисунок Ф.3 - Ввод защит при начале растопки и вывод после останова котла. Газомазутный, пылегазовый котлы

Рисунок Ф.4 - Условия автоматического ввода защит, снижающих нагрузку котла до 50 % номинальной
Примечание - Комплекты 3 и 4 для котлов с двусветным экраном.
Рисунок Ф.5 - Защита по погасанию общего факела в топке. Газовый котел с ПЗК у горелок, мазутный котел

Примечание - Комплекты 3 и 4 для котлов с двусветным экраном.
Рисунок Ф.6 - Защита по погасанию общего факела в топке. Газовый котел без ПЗК у горелок

Примечания:
- Комплекты 3 и 4 - для котлов с двусветным экраном.
- Выполняется один из вариантов в зависимости от наличия или отсутствия ПЗК на линии подвода газа к горелкам.
Рисунок Ф.7 - Защита по погасанию общего факела в топке. Газомазутный котел
Примечания:
- Комплекты 3 и 4 - для котлов с двусветным экраном.
- Условие контролируется для всех котлов, кроме котлов АО ПМЗ. Для котлов АО ПМЗ контролируется условие: «Расход мазута более 90 % растопочного».
Рисунок Ф.8 - Защита по погасанию общего факела в топке. Пылеугольный котел
Примечания:
- Комплекты 3 и 4 - для котлов с двусветным экраном.
- Выполняется один из вариантов в зависимости от наличия или отсутствия ПЗК на линии подвода газа к горелкам
Рисунок Ф.9 - Защита по погасанию общего факела в топке. Пылегазовый котел
Примечание - При коммутации силовых цепей электродвигателей РВП контактами магнитных пускателей защита действует с выдержкой времени до 9 с.
Рисунок Ф.10 - Защита по отключению тягодутьевых механизмов и регенеративных воздухоподогревателей котла
Примечание - Количество датчиков при выполнении защиты на микропроцессорной технике - п. Ф1.4.6.
Рисунок Ф.11 - Защита по понижению давления газа. Газовый котел

Примечание - Количество датчиков при выполнении защиты на микропроцессорной технике п. Ф.1.4.6.
Рисунок Ф.12 - Защита по понижению давления газа на котле, работающем под наддувом. Газовый котел

Примечание - Количество датчиков при выполнении защиты на микропроцессорной технике - п. Ф.1.4.6.
Рисунок Ф.13 - Защита по понижению давления газа. Газомазутный котел
Примечание - Количество датчиков при выполнении защиты на микропроцессорной технике - п. Ф1.4.6.
Рисунок Ф.14 - Защита по понижению давления газа Пылегазовый котел
Примечание - Количество датчиков при выполнении защиты на микропроцессорной технике - п. Ф1.4.6.
Рисунок Ф.15 - Защита по понижению давления мазута. Мазутный котел

Примечание - Количество датчиков при выполнении защиты на микропроцессорной технике - п. Ф1.4.6.
Рисунок Ф.16 - Защита по понижению давления мазута. Газомазутный котел
Примечание - Количество датчиков при выполнении защиты на микропроцессорной технике - п. Ф1.4.6.
Рисунок Ф.17 - Защита по понижению давления мазута. Пылеугольный и пылегазовый котлы

Рисунок Ф.18 - Защита по отключению одного из двух тягодутьевых механизмов или регенеративных воздухоподогревателей котла
Примечание - Алгоритм сигнала о прекращении подачи пыли в котел определяется при проектировании.
Рисунок Ф.19 - Защита «Невоспламенение первой или погасание факела всех газовых горелок, оснащенных ПЗК и ЗЗУ, или всех мазутных горелок, оснащенных ЗЗУ, при розжиге котла». Пылеугольный котел (кроме котлов АО ПМЗ), газовый и мазутный котлы.
Рисунок Ф.20 - Защита «Невоспламенение или погасание факела любой газовой горелки растопочной группы при розжиге котла». Газовый котел без ПЗК у горелок.
Рисунок Ф.21 - Защита «Невоспламенение первой или погасание факела всех газовых горелок, оснащенных ПЗК и ЗЗУ, или всех мазутных горелок, оснащенных ЗЗУ, при розжиге котла». Газомазутный и пылегазовый котлы
Примечание - Алгоритм сигнала о прекращении подачи пыли в котел определяется при проектировании.
Рисунок Ф.22 - Защита «Невоспламенение или погасание факела любой газовой горелки растопочной группы при розжиге на газе котла без ПЗК у газовых горелок». Газомазутный и пылегазовый котлы
Примечание - Алгоритм сигнала о прекращении подачи пыли в котел определяется при проектировании.
Рисунок Ф.23 - Защита «Невоспламенение первой или погасание факела всех газовых горелок, оснащенных ПЗК и ЗЗУ, или всех мазутных горелок, оснащенных ЗЗУ, при розжиге котла». Пылеугольный котел АО ПМЗ
Рисунок Ф.24 - Защита «Невоспламенение или погасание факела газовой или мазутной горелки, оснащенной всережимным ЗЗУ»
Рисунок Ф.25 - Условия вентиляции топки

Примечание - Для котлов с ПЗК: «Запрет открытия первого запорного устройства на линии подвода топлива к каждой горелке». Для котлов без ПЗК: «Запрет открытия первого запорного устройства на линии подвода топлива к каждой горелке растопочной группы».
Рисунок Ф.26 - Запрет розжига горелок при растопке котла без вентиляции топки. Газовый и мазутный котлы

Примечание - Для котлов с ПЗК: «Запрет открытия первого запорного устройства на линии подвода газа к каждой горелке». Для котлов без ПЗК: «Запрет открытия первого запорного устройства на линии подвода газа к каждой горелке растопочной группы».
Рисунок Ф.27 - Запрет розжига горелок при растопке котла без вентиляции топки. Газомазутный котел

Примечание - Алгоритм сигнала о прекращении подачи пыли в котел определяется при проектировании.
Рисунок Ф.28 - Запрет розжига горелок при растопке котла без вентиляции топки. Пылеугольный котел

Примечания:
- Алгоритм сигнала о прекращении подачи пыли в котел определяется при проектировании.
- Для котлов с ПЗК: «Запрет открытия первого запорного устройства на линии подвода газа к каждой горелке». Для котлов без ПЗК: «Запрет открытия первого запорного устройства на линии подвода газа к каждой горелке растопочной группы».
Рисунок Ф.29 - Запрет розжига горелок при растопке котла без вентиляции топки. Пылегазовый котел

Примечания:
- Алгоритм сигнала о прекращении подачи пыли в котел определяется при проектировании.
- Для котлов с ПЗК: «Запрет открытия первого запорного устройства на линии подвода газа к каждой горелке». Для котлов без ПЗК: «Запрет открытия первого запорного устройства на линии подвода газа к каждой горелке растопочной группы».
- Для котлов с ПЗК: «Закрыты первые запорные устройства на линии подвода газа ко всем горелкам». Для котлов без ПЗК: «Закрыты первые запорные устройства на линии подвода газа ко всем горелкам растопочной группы».
Рисунок Ф.30 - Запрет розжига горелок при растопке котла без вентиляции топки. Пылегазовый котел. Вариант ввода блокировки, предложенный АО «ВНИПИЭнергопром»
Рисунок Ф.31 - Запрет розжига газовой горелки, не относящейся к растопочной группе
Рисунок Ф.32 - Запрет подачи топлива к котлу. Запрет при закрытии воздушного шибера перед горелкой
Примечание - Условие вводится для газомазутных котлов.
Рисунок Ф.33 - Запреты при розжиге горелки.
Рисунок Ф.34 - Блокировки запорного устройства на трубопроводе безопасности газовой горелки. Блокировки паровой и мазутной магистралей мазутной горелки
Х.1 Введение
X.1.1 Настоящий документ распространяется на газовые и газомазутные водогрейные котлы типа ПТВМ-180, у которых на линиях подвода газа к горелкам установлены газовые блоки (БГ) фирмы ЗАО НПО «АМАКС». Документ обязателен для применения на вновь проектируемых и реконструируемых котлах.
X.1.2 Настоящий документ дополняет приложение П которое не распространяются на котлы типа ПТВМ и не учитывают особенностей управления БГ, и приложение Ф, которое не распространяется на котлы типа ПТВМ.
X.1.3 При проектировании защит и блокировок горелок, имеющих схему газоснабжения, аналогичную БГ, могут быть использованы решения, принятые в настоящем документе.
Отклонения при проектировании от положений настоящего документа допускаются только по согласованию с изготовителем БГ - ЗАО НПО «АМАКС».
Х.1.4 Блоки газооборудования (БГ), выпускаемые фирмой ЗАО НПО «АМАКС», по сравнению с арматурой, обычно применяемой для оснащения газовых горелок, имеют следующие отличительные особенности:
- наличие газовой регулирующей заслонки, позволяющей осуществлять розжиг горелки при малом расходе газа;
- возможность контроля плотности каждого из запорных устройств на подводе газа к горелке;
- выполнение приводов арматуры БГ на переменном токе таким образом, что при исчезновении напряжения питания арматура переходит в состояние, соответствующее отключению горелки;
- организация индивидуального для каждого БГ отбора газа на ЗЗУ при сохранении возможности централизованного отбора газа;
- комплектность поставки;
- возможность заказа в комплекте с БГ воздушного шибера с плавной характеристикой регулирования.
X.1.5 На котлах типа ПТВМ-180, оснащенных БГ, разрешена установка на подводе газа к парным горелкам одного общего ПЗК, первого по ходу газа к растопочной и нерастопочной горелкам. Вторые по ходу газа ПЗК устанавливаются перед каждой из этих горелок (письмо Госгортехнадзора России № БК-03-35/32 от 10.02.2003 г.).
ЗАО НПО «АМАКС» разработаны и выпускаются две модификации БГ, устанавливаемых на линиях подвода газа к горелкам котлов типа ПТВМ-180.
- БГ-8, реализующий подвод газа к отдельной горелке, ее розжиг, контроль исправности, отключение;
- БГ-13, разработанный для котлов типа ПТВМ, реализующий подвод газа к парным горелкам (растопочной и нерастопочной), их поочередный розжиг, контроль исправности, отключение.
X.1.6 Предусмотрено автоматическое управление горелками, оснащенными БГ. Степень автоматизации управления мазутными форсунками (на газомазутных котлах), задвижками на подводе газа, мазута и сетевой воды к котлу определяется в конкретном проекте.
Х.2 Общие положения
Х.2.1 Технические условия распространяются на вновь вводимые в эксплуатацию и модернизируемые газовые и газомазутные котлы типа ПТВМ-180, газовые горелки которых оснащены блоками газооборудования типа БГ фирмы ЗАО НПО «АМАКС».
Технические условия распространяются на трехсекционные котлы с 20 горелками (в крайних секциях по 4 растопочных и по 4 нерастопочных горелки, в средней секции - 4 растопочных горелки). При другой конструкции котла типа ПТВМ-180 технические условия на выполнение технологических защит и блокировок должны быть соответственно изменены.
Х.2.2 На вновь проектируемых котлах и котлах, модернизируемых с полной заменой технических средств АСУТП котла, все вошедшие в данный документ защиты и блокировки реализуются в ПТК АСУТП котла и в выносных контроллерах управления горелками.
Х.2.3 При частичной модернизации котлов типа ПТВМ, которая заключается только в изменении схемы подвода газа к горелкам и установке БГ, защиты и блокировки по сетевой воде и мазуту, либо приводят в соответствие с требованиями данного документа, либо сохраняются в проектном объеме и исполнении с учетом приложения П
Дополнительные, по сравнению с указанным в документе объемом, защиты и блокировки, выполненные на ТЭС в соответствии с проектом, могут быть сохранены по решению главного инженера ТЭС.
Х.2.4 Технические условия приняты с учетом следующего:
Х.2.4.1 Все газовые горелки котла оснащаются БГ:
- БГ-8 - для одинарных горелок,
- БГ-13 - для парных горелок (растопочной и нерастопочной).
Горелка с БГ-8 оснащена следующей арматурой с электроприводом (рисунок Х.1а): два быстродействующих отсечных клапана на линии подвода газа к горелке (ПЗК1 и ПЗК2), клапан на трубопроводе безопасности, клапан опрессовки, клапан на линии подвода газа к запальнику, а также дроссельная заслонка для регулирования расхода газа, имеющая общий электропривод с воздушным шибером.
Горелка с БГ-13 оснащена следующей арматурой с электроприводом (рисунок Х.1б): три быстродействующих отсечных клапана на линии подвода газа к горелкам (ПЗК1 - общий на две горелки, ПЗК2-1 и ПЗК2-2 - на газе к каждой горелке), клапан на трубопроводе безопасности, клапан опрессовки, клапан на линии подвода газа к запальнику, а также дроссельная заслонка для регулирования расхода газа на растопочную горелку, имеющая общий электропривод с воздушным шибером этой горелки, и воздушный шибер нерастопочной горелки. Дроссельная заслонка для изменения расхода газа на нерастопочную горелку либо не устанавливается, либо имеет ручной привод (определяется при проектировании).
Для реализации алгоритмов управления используются следующие концевые выключатели (KB) арматуры БГ:
- на ПЗК1 - KB «Закрыт»,
- на ПЗК2 (ПЗК2-1, ПЗК2-2) - KB «Закрыт»,
- на общем приводе дроссельной заслонки и воздушного шибера растопочной горелки - KB «Закрыт», «Открыт».
- на приводе воздушного шибера нерастопочной горелки - KB «Закрыт», «Открыт».
Положение остальных клапанов определяется косвенным путем по наличию или отсутствию соответствующего параметра.
Для ПЗК положение «Не закрыт» может определяться по наличию команды на его открытие.
Х.2.4.2 Каждый БГ оснащен ЗЗУ для розжига на газе растопочной горелки и датчиком контроля факела этой горелки Датчик селективно контролирует факел горелки при розжиге котла. Такая характеристика датчика допустима согласно письму - разъяснению Федеральной службы по экологическому, технологическому и атомному надзору № 11-10/3741 от 23.11.05, где сказано, что селективный контроль факела горелки обязателен при розжиге котла.
На газомазутных котлах датчик контролирует и газовый, и мазутный факел.
В тех случаях, когда для реализации технологических блокировок требуется информация о наличии факела растопочной горелки на работающем котле, контролируется информация от датчика факела этой горелки и открытое положение одного из запорных устройств на линиях подвода топлива к этой горелке: ПЗК-2, ПЗК2-1, газовой заслонки или второго по ходу мазута запорного устройства с электроприводом.
Факел нерастопочных горелок не контролируется.
Х.2.4.3 Управление газовой запорной и регулирующей арматурой и воздушным шибером каждой горелки осуществляется:
- с операторской станции, расположенной на щите управления, или от АСУТП котла;
- со шкафа управления, расположенного рядом с данной горелкой;
- по месту вручную.
Управление вентилятором осуществляется:
- с операторской станции, расположенной на щите управления, или от АСУТП котла;
- со шкафа управления вентиляторами котла.
В шкафу управления горелкой реализуется переключение режимов управления при сжигании газа:
- «Дистанционное управление» - индивидуальное управление арматурой БГ с панели шкафа управления с учетом блокировок запорных устройств горелки и команд защит котла и данной горелки,
- «Автоматическое управление» - выполнение одной из программ: «Опрессовка», «Розжиг», «Отключение» - по команде либо с панели шкафа управления, либо с операторской станции (или от АСУТП котла), где реализованы алгоритмы управления, общие для всех горелок или всего котла.
Режим «Дистанционное управление» используется только при наладочных работах. При нормальной работе котла использование этого режима не допускается.
Х.2.4.4 Перед каждой мазутной форсункой газомазутного котла установлено хотя бы одно запорное устройство с электроприводом. Другое запорное устройство может иметь ручной или электропривод. На вновь проектируемых газомазутных котлах перед каждой мазутной форсункой устанавливается один ПЗК и одно запорное устройство с электроприводом.
Настоящие технические условия составлены для котлов с двух запорными устройствами с электроприводом на линии подвода мазута к каждой горелке.
Если на трубопроводе подвода мазута к горелке установлено одно запорное устройство с электроприводом, в алгоритмах всех защит и блокировок контролируется состояние только этого устройства
Х.2.4.5 Управление мазутной арматурой с электроприводом осуществляется со щита управления (или от АСУТП котла) и по месту вручную.
Х.2.4.6 Управление арматурой и механизмами водяного и газовоздушного трактов при полной модернизации осуществляется от АСУТП котла и по месту.
При частичной модернизации либо сохраняется проектное управление этой арматурой (кроме шиберов на воздухе к горелкам), либо создается АСУТП котла, где реализуются схемы управления всей арматурой.
Х.2.4.7 На всех газомазутных котлах типа ПТВМ-180, где установлены БГ, растопка котла осуществляется только на газе и может начинаться с розжига любой растопочной горелки. Розжиг растопочных горелок возможен только на газе.
Х.2.4.8 Нерастопочные горелки не имеют ЗЗУ и зажигаются от «своих» растопочных горелок. При наличии факела растопочной горелки соответствующая нерастопочная горелка может быть разожжена как на газе, так и на мазуте.
При отключении растопочной горелки защитой этой горелки соответствующая нерастопочная горелка также отключается.
Х.2.4.9 Переход на сжигание мазута осуществляется путем подачи мазута в горелку, работающую на газе. После этого подача газа в горелку прекращается.
Переход на сжигание газа осуществляется путем подачи газа в горелку, работающую на мазуте. После этого подача мазута в горелку прекращается и форсунка продувается паром.
Х.2.4.10 При срабатывании защиты горелки закрывается следующая арматура на подводе газа:
- при срабатывании защиты растопочной горелки с БГ-8 - ПЗК1 и ПЗК2;
- при срабатывании защиты растопочной горелки с БГ-13 - ПЗК1, ПЗК2-1, ПЗК2-2;
- при срабатывании защиты нерастопочной горелки с БГ-13 - ПЗК2-2.
ПЗК на трубопроводе безопасности автоматически открывается после закрытия соответствующих ПЗК1 и ПЗК2 (ПЗК2-1, ПЗК2-2). При выполнении программы «Опрессовка» эта блокировка отменяется.
На газомазутных котлах:
- при отключении нерастопочной горелки или горелки с БГ-8 дополнительно закрываются запорные устройства с электроприводом на подводе мазута к этой горелке,
- при отключении растопочной горелки с БГ-13 дополнительно закрываются запорные устройства с электроприводом на подводе мазута к этой и соответствующей нерастопочной горелкам.
Х.2.4.11 При выполнении защит в ПТК АСУТП котла для каждой защиты устанавливается один датчик с аналоговым токовым выходным сигналом (предпочтение отдается датчикам с выходным сигналом 4 - 20 мА) или температурный. Сигнал этого датчика используется во всех остальных подсистемах АСУТП.
Допускается применение датчиков дискретного сигнала, если данный параметр не используется в других подсистемах АСУТП.
Х.2.4.12 Каждая защита имеет сигнализацию срабатывания в оперативном контуре, возможность неоперативного ремонтного вывода, а защиты, реализованные не в ПТК, - устройство запоминания их срабатывания с ручным сбросом памяти.
Х.2.5 Упомянутые в «Технических условиях» уставки и выдержки времени даны ориентировочно и уточняются для каждого котлоагрегата по данным завода-изготовителя или при наладке.
Х.2.6 Автоматический ввод-вывод технологических защит предусматривается для тех защит, возникновение условий, срабатывания которых не всегда опасно для защищаемого оборудования.
Защиты, не вводимые автоматически, вводят в действие подачей напряжения электропитания в их схемы, в том числе - в схемы датчиков.
Настоящие технические условия разработаны для автоматического ввода и вывода защит во всех режимах работы котла, за исключением режима расхолаживания, когда значения параметров снижаются раньше, чем отключается оборудование. В последнем случае вывод защит осуществляется с помощью реальных или виртуальных специальных неоперативных устройств (наладок, испытательных клемм и т.п.).
Х.2.7 Алгоритмы автоматического ввода-вывода защит реализуют следующие общие требования:
Х.2.7.1 Защита автоматически вводится в работу при появлении признака ввода независимо от значения контролируемой величины и остается включенной до появления признака вывода, после чего защита автоматически выводится.
Аварийная сигнализация вводится и выводится вместе с защитой.
Х.2.7.2 При появлении признака вывода и наличии признака ввода приоритет отдается признаку вывода.
Х.2.7.3 В оперативном контуре выполняется сигнализация о введенном (выведенном) состоянии защит (группы защит).
Х.2.7.4 Каждый из параметров, участвующих в формировании признаков ввода-вывода, контролируется одним датчиком.
Х.2.8 При формировании условий ввода-вывода технологических защит принято:
Х.2.8.1 Информация «Начало растопки на газе» формируется следующим образом: «Не закрыта задвижка на линии подвода газа к котлу, не закрыты ПЗК1 и ПЗК2 (ПЗК2-1) на линии подвода газа к любой растопочной горелке».
Х.2.8.2 Информация «Начало растопки на мазуте» формируется следующим образом: «Не закрыта задвижка на линии подвода мазута к котлу, открыто первое и не закрыто второе запорное устройство на линии подвода мазута к любой горелке».
Х.2.8.3 Информация «Останов котла» формируется при формировании команды на автоматический останов котла. Длительность команды защит на исполнительные устройства при останове котла равна длительности выполнения самой продолжительной операции останова.
Х.2.8.4 На газомазутных котлах определение преобладающего вида топлива для каждого режима осуществляется по величине расхода топлива.
Расход мазута определяется с учетом его рециркуляции в обратную магистраль.
Х.2.9 На рисунках Х.2 - Х.22 представлены алгоритмы защит и блокировок котла типа ПТВМ-180.
Большинство приведенных алгоритмов выполнено для газомазутного котла. Алгоритмы для газового котла выполняются путем исключения из приведенных алгоритмов информации и команд, относящихся к сжиганию мазута.
На рисунке Х.23 даны условные обозначения, используемые при создании схем.
Х.3 Перечень технологических защит и блокировок
X.3.1 Перечень технологических защит
Х.3.1.1 Понижение давления воды за котлом.
Х.3.1.2 Повышение давления воды за котлом.
Х.3.1.3 Повышение температуры воды на выходе из котла.
Х.3.1.4 Понижение расхода воды через котел.
Х.3.1.5 Повышение температуры воды на выходе из котла с недогревом до температуры насыщения (выполняется вместо защит по п.п. Х.3.1.1 и Х.3.1.3 при реализации защиты в АСУТП котла).
Х.3.1.6 Невоспламенение первой или погасание факела всех горелок в любой секции топки.
Х.3.1.7 Невоспламенение первой или погасание факела всех горелок котла.
Х.3.1.8 Понижение давления газа к котлу.
Х.3.1.9 Понижение давления мазута к котлу.
Х.3.1.10 Понижение давления воздуха перед горелкой или отключение ее дутьевого вентилятора.
Х.3.1.11 Невоспламенение или погасание факела растопочной горелки.
Х.3.2 Перечень технологических блокировок
Х.3.2.1 Запрет открытия задвижки на линии подвода газа к котлу.
Х.3.2.2 Запрет открытия задвижки на линии подвода мазута к котлу.
Х.3.2.3 Запрет розжига горелок при растопке котла без вентиляции топки.
Х.3.2.4 Запрет подачи газа в растопочную горелку при наличии ложного сигнала от датчика факела этой горелки.
Х.3.2.5 Запрет подачи газа в растопочную горелку при отсутствии факела запального устройства.
Х.3.2.6 Запрет открытия ПЗК2 (ПЗК2-1) растопочной горелки, если не закрыта дроссельная заслонка этой горелки.
Х.3.2.7 Запрет подачи мазута в растопочную горелку при отсутствии факела горелки.
Х.3.2.8 Запрет подачи топлива в нерастопочную горелку, если нет факела соответствующей растопочной горелки
Х.3.2.9 Запрет подачи топлива в горелку при неработающем дутьевом вентиляторе этой горелки.
Х.3.2.10 Блокировки клапана на трубопроводе безопасности газовой горелки
Х.3.2.11 Блокировки паровой и мазутной магистралей мазутной горелки.
Х.3.2.12 Запрет включения дутьевого вентилятора.
Х.3.2.13 Запрет закрытия задвижки на сетевой воде перед котлом.
Х.3.2.14 Запрет закрытия задвижки на сетевой воде за котлом.
Х.4 Технические условия на выполнение технологических защит и блокировок
Х.4.1 Технические условия на выполнение защит
Х.4.1.1 Понижение давления воды за котлом.
Давление контролируется одним датчиком в трубопроводе до задвижки на выходе из котла.
Защита вводится автоматически при начале растопки на газе.
Защита выводится при останове котла.
Защита с выдержкой времени до 9 с действует на останов котла согласно п. Х4.1.12
Х.4.1.2 Повышение давления воды за котлом.
В защите используется тот же датчик, что и в защите по п. Х4.1.1.
Защита действует на останов котла согласно п. Х4.1.12.
Х.4.1.3 Повышение температуры воды на выходе из котла.
Температура контролируется одним датчиком.
Защита действует на останов котла согласно п. Х4.1.12.
Х.4.1.4 Понижение расхода воды через котел.
Расход контролируется одним датчиком.
Защита вводится автоматически при начале растопки на газе.
Защита выводится при останове котла.
Защита с выдержкой времени до 9 с действует на останов котла согласно п. Х4.1.12.
Х.4.1.5 Повышение температуры воды на выходе из котла с недогревом до температуры насыщения (выполняется вместо защит по п.п. Х4.1.1 и Х4.1.3 при реализации защиты в АСУТП котла).
Защита срабатывает при уменьшении разности расчетной температуры насыщения и текущего значения температуры воды.
Температура насыщения рассчитывается для текущего значения давления.
Зависимость температуры насыщения от давления линеаризируется в рабочем диапазоне давлений одним или двумя отрезками прямой линии.
Защита с выдержкой времени до 20 с действует на останов котла согласно п. Х4.1.12.
Х.4.1.6 Невоспламенение первой или погасание факела всех горелок в любой секции топки.
Защита срабатывает при отсутствии факела всех растопочных горелок в секции топки.
Защита вводится автоматически при наличии факела любой растопочной горелки котла, если не закрыт ПЗК1 и прошло время до 15 с с момента подачи команды на открытие ПЗК2 (ПЗК2-1) на линии подвода газа к любой из растопочных горелок данной секции топки
Защита выводится при останове котла.
Защита с выдержкой времени до 180 с действует на останов котла согласно п. Х4.1.12.
Х.4.1.7 Невоспламенение первой или погасание факела всех горелок котла.
Защита срабатывает при отсутствии факела всех растопочных горелок котла
Защита вводится автоматически при давлении газа перед котлом, превышающем уставку защиты по понижению давления, если не закрыт ПЗК1 и прошло время до 15 с с момента подачи команды на открытие ПЗК2 (ПЗК2-1) на линии подвода газа к любой из растопочных горелок котла.
Защита выводится при останове котла.
Защита действует на останов котла согласно п. Х4.1.12.
Х.4.1.8 Понижение давления газа к котлу.
Давление контролируется одним датчиком за регулирующим клапаном на общем подводе газа к котлу.
На газовых котлах.
Защита вводится автоматически при начале растопки на газе.
Защита выводится при останове котла.
Защита действует на останов котла согласно п. Х4.1.12.
На газомазутных котлах.
Действие защиты на отключение подачи газа вводится автоматически при начале растопки на газе и выводится при закрытой задвижке на подводе газа к котлу или при останове котла.
Действие защиты на останов котла вводится автоматически при начале растопки на газе, если при этом расход мазута на котел меньше 35 % номинального.
Действие защиты на останов котла выводится при останове котла, или если расход мазута на котел больше 35 % номинального.
Защита действует на отключение подачи газа согласно п. Х4.1.12 (действие на запорные устройства на линии подачи газа в котел - импульсное), а также, если газ является преобладающим топливом, - на останов котла согласно п. Х4.1.12.
Х.4.1.9 Понижение давления мазута к котлу.
Давление контролируется одним датчиком за регулирующим клапаном на общем подводе мазута к котлу.
Действие защиты на отключение подачи мазута вводится автоматически при начале растопки на мазуте и выводится при закрытой задвижке на подводе мазута к котлу или при останове котла.
Действие защиты на останов котла вводится автоматически при начале растопки на мазуте, если при этом расход газа на котел меньше 35 % номинального.
Действие защиты на останов котла выводится при останове котла, или если расход газа на котел больше 35 % номинального.
Защита срабатывает с выдержкой времени до 20 с.
Защита действует на отключение подачи мазута согласно п. Х.4.1.12 (действие на запорные устройства на линиях подачи мазута к котлу и рециркуляции - импульсное), а также, если мазут является преобладающим топливом, - на останов котла согласно п. Х4.1.12.
Х.4.1.10 Понижение давления воздуха перед горелкой или отключение ее дутьевого вентилятора.
Давление воздуха контролируется одним датчиком.
Защита срабатывает при отключении вентилятора данной горелки с выдержкой времени до 5 с или при понижении давления воздуха за воздушным шибером на подводе воздуха к горелке.
Защита вводится автоматически, если шибер на воздухе к данной горелке открыт и прошло время до 5 с и либо не закрыты ПЗК1 и ПЗК2 (ПЗК2-1, ПЗК2-2) на линии подвода газа к данной горелке, либо открыты оба запорные устройства на линии подвода мазута к данной горелке..
Защита выводится после отключения подачи топлива к данной горелке: закрытия ее ПЗК1 (для нерастопочной горелки - ПЗК2-2) и первого запорного устройства с электроприводом на линии подвода мазута к горелке.
Защита действует на отключение данной горелки согласно п. Х4.1.13.
Х.4.1.11 Невоспламенение или погасание факела растопочной горелки.
Защита срабатывает при погасании факела горелки.
Защита вводится автоматически, если давление газа перед котлом превышает уставку защиты по понижению давления газа и прошло время до 15 с с момента подачи команды на открытие ПЗК2 (ПЗК2-1) данной горелки.
Защита выводится после отключения подачи топлива к данной горелке: закрытия ее ПЗК1 и первого запорного устройства с электроприводом на линии подвода мазута к горелке.
Защита действует на отключение данной горелки согласно п. Х4.1.13.
Х.4.1.12 Операции по останову котла.
Останов котла производится путем отключения подачи всех видов топлива к котлу и горелкам:
Отключение подачи газа:
- закрытие запорных устройств на линии подвода газа к котлу,
- закрытие ПЗК1 и ПЗК2 (ПЗК2-1, ПЗК2-2) всех БГ.
Отключение подачи мазута:
- закрытие запорных устройств на линии подвода мазута к котлу,
- закрытие запорных устройств на линии подвода мазута к каждой горелке,
- закрытие запорных устройств на линии рециркуляции мазута.
Отключение всех запальных устройств:
- закрытие запорных устройств на общей линии подвода газа к запальным устройствам (если такая линия предусмотрена),
- отключение напряжения питания запала каждого запального устройства,
- закрытие клапана на подводе газа к каждому запальному устройству.
Отмена программы «Розжиг» и запуск программы «Останов» всех горелок.
Х.4.1.13 Операции по отключению отдельной горелки.
При срабатывании защиты растопочной горелки с БГ-8 выполняются следующие операции:
- отключение подачи газа в горелку путем закрытия ПЗК1 и ПЗК2,
- отключение подачи мазута в горелку путем закрытия запорных устройств с электроприводом на линии подвода мазута к горелке,
- отключение ЗЗУ данной горелки путем закрытия клапана на подводе газа к запальнику и отключения напряжения запала,
- отмена программы «Розжиг» и запуск программы «Останов» данной горелки.
При срабатывании защиты растопочной горелки с БГ-13 выполняются следующие операции:
- отключение подачи газа в растопочную и нерастопочную горелки путем закрытия ПЗК1, ПЗК2-1, ПЗК2-2,
- отключение подачи мазута в растопочную и нерастопочную горелки путем закрытия запорных устройств с электроприводом на линиях подвода мазута к обеим горелкам,
- отключение ЗЗУ данной горелки путем закрытия клапана на подводе газа к запальнику и отключения напряжения запала,
- отмена программы «Розжиг» и запуск программы «Останов» данной горелки.
При срабатывании защиты нерастопочной горелки с БГ-13 выполняются следующие операции:
- отключение подачи газа в горелку путем закрытия ПЗК2-2,
- отключение подачи мазута в горелку путем закрытия запорных устройств с электроприводом на линии подвода мазута к этой горелке,
- отмена программы «Розжиг» и запуск программы «Останов» данной горелки.
Х.4.2 Технические условия на выполнение блокировок
Х.4.2.1 Запрет открытия задвижки на линии подвода газа к котлу.
Запрещается открытие запорной задвижки на линии подвода газа к котлу, если не выполнено любое из условий:
- закрыты ПЗК1 и ПЗК2 (ПЗК2-1) всех БГ,
- включен любой дутьевой вентилятор в каждой секции топки,
- расход воды через котел больше уставки защиты по понижению расхода.
Х.4.2.2 Запрет открытия задвижки на линии подвода мазута к котлу.
Запрещается открытие запорной задвижки на линии подвода мазута к котлу при незакрытом положении хотя бы одного первого или второго запорного устройства с электроприводом на линии подвода мазута к любой горелке.
Если на трубопроводе подвода мазута к горелке установлено одно запорное устройство с электроприводом, контролируется незакрытое состояние только этого устройства.
Х.4.2.3 Запрет розжига горелок при растопке котла без вентиляции топки.
Запрет налагается на открытие ПЗК1, включение ЗЗУ, а также на запуск программы «Розжиг» всех растопочных горелок.
Топка считается провентилированной, если в течение не менее 10 мин были включены электродвигатели дутьевых вентиляторов трех растопочных горелок с каждой стороны топки, через одну и открыты их воздушные шиберы. Горелки выбираются таким образом, чтобы в каждой секции топки они располагались в шахматном порядке.
Отсчет времени вентиляции разрешается после того, как котел был остановлен, т.е. если были закрыты задвижки или отсечные клапаны на линиях подвода газа и мазута к котлу. Информация об останове котла запоминается.
Запрет вводится автоматически, если давление газа выше уставки защиты по понижению давления.
Запрет снимается после окончания вентиляции.
После останова котла запрет налагается вновь.
Если после того, как топка была провентилирована, отключились все дутьевые вентиляторы любой секции, запрет налагается вновь.
Х.4.2.4 Запрет подачи газа в растопочную горелку при наличии ложного сигнала от датчика факела этой горелки.
Налагается запрет на открытие ПЗК1, если на остановленном котле есть информация о наличии факела данной горелки.
Запрет снимается при вводе оператором информации «Датчик исправен».
Х.4.2.5 Запрет подачи газа в растопочную горелку при отсутствии факела запального устройства.
При давлении газа выше уставки защиты по понижению давления и незакрытом ПЗК1 любой растопочной горелки налагается запрет на открытие ПЗК2 (ПЗК2-1) этой горелки, если нет факела ее запального устройства.
Х.4.2.6 Запрет открытия ПЗК2 (ПЗК2-1) растопочной горелки, если не закрыта дроссельная заслонка этой горелки
При давлении газа выше уставки защиты по понижению давления и незакрытом ПЗК1 любой растопочной горелки налагается запрет на открытие ПЗК2 (ПЗК2-1) этой горелки, если не закрыта ее дроссельная заслонка.
Х.4.2.7 Запрет подачи мазута в растопочную горелку при отсутствии факела горелки.
При давлении мазута выше уставки защиты по понижению давления разрешается открытие первого по ходу мазута запорного устройства на линии подвода мазута к растопочной горелке, если есть факел этой горелки и не закрыт ПЗК2 (ПЗК2-1) этой горелки.
Х.4.2.8 Запрет подачи топлива в нерастопочную горелку, если нет факела соответствующей растопочной горелки.
При давлении газа выше уставки защиты по понижению давления разрешается открытие ПЗК2-2 любого БГ-13, если есть факел соответствующей растопочной горелки и либо открыта ее газовая заслонка, либо открыто второе запорное устройство с электроприводом на линии подвода мазута к данной растопочной горелке.
При давлении мазута выше уставки защиты по понижению давления разрешается открытие первого запорного устройства с электроприводом на линии подвода мазута к нерастопочной горелке, если есть факел соответствующей растопочной горелки и либо открыта ее газовая заслонка, либо открыто второе запорное устройство с электроприводом на линии подвода мазута к данной растопочной горелке.
Х.4.2.9 Запрет подачи топлива в горелку при неработающем дутьевом вентиляторе этой горелки.
При давлении газа выше уставки защиты по понижению давления запрещается открытие ПЗК1 растопочной горелки с БГ-8, если отключен дутьевой вентилятор этой горелки.
При давлении газа выше уставки защиты по понижению давления запрещается открытие ПЗК2-1 растопочной горелки с БГ-13, если отключен дутьевой вентилятор этой горелки.
При давлении газа выше уставки защиты по понижению давления запрещается открытие ПЗК2-2 нерастопочной горелки, если отключен дутьевой вентилятор этой горелки.
При давлении мазута выше уставки защиты по понижению давления запрещается открытие первого запорного устройства с электроприводом на линии подвода мазута к горелке, если отключен дутьевой вентилятор этой горелки.
Х.4.2.10 Блокировки клапана на трубопроводе безопасности газовой горелки.
Клапан на трубопроводе безопасности БГ-8 автоматически открывается с запретом на закрытие, если закрыты ПЗК1 и ПЗК2 и не выполняется программа «Опрессовка».
Клапан на трубопроводе безопасности БГ-13 автоматически открывается с запретом на закрытие, если закрыты ПЗК1, ПЗК2-1 и ПЗК2-2 и не выполняется программа «Опрессовка».
Клапан автоматически закрывается с запретом на открытие, если не закрыт ПЗК1.
Х.4.2.11 Блокировки паровой и мазутной магистралей мазутной горелки.
При давлении мазута выше уставки защиты по понижению давления налагается запрет на открытие запорного устройства на линии подвода пара на продувку горелки при незакрытом первом запорном устройстве на линии подвода мазута к этой горелке.
Открытие первого запорного устройства на линии подвода мазута к горелке запрещается при незакрытом запорном устройстве на линии подвода пара на продувку этой горелки.
Х.4.2.12 Запрет включения дутьевого вентилятора.
Запрещается включение дутьевого вентилятора, если не закрыт шибер на его напоре.
Х.4.2.13 Запрет закрытия задвижки на сетевой воде перед котлом.
Запрещается закрытие задвижки на сетевой воде перед котлом, если не закрыты задвижки на подводе газа и мазута к котлу.
Х.4.2.14 Запрет закрытия задвижки на сетевой воде за котлом.
При давлении воды за котлом выше уставки защиты по понижению давления запрещается закрытие задвижки на сетевой воде за котлом, если не закрыта задвижка на сетевой воде перед котлом.
а - схема БГ-8, б - схема БГ-13
Рисунок X.1 - Схемы БГ
Рисунок Х.2 - Алгоритмы формирования информации «Начало растопки»

Рисунок Х.3 - Алгоритмы защит водяного тракта

Рисунок Х.4 - Алгоритмы защит «Невоспламенение первой или погасание факела всех горелок в любой секции топки» и «Невоспламенение первой или погасание факела всех горелок в котле»

Рисунок Х.5 - Алгоритм защиты «Понижение давления газа к котлу». Газовый котел

Рисунок Х.6 - Алгоритм защиты « Понижение давления газа к котлу». Газомазутный котел

Рисунок Х.7 - Алгоритм защиты « Понижение давления мазута к котлу». Газомазутный котел

Рисунок Х.8 - Алгоритм действия защит на останов котла

Рисунок Х.9 - Алгоритм защит растопочной горелки с БГ-8

Рисунок X.10 - Алгоритм защит растопочной горелки с БГ-13

Рисунок X.11 - Алгоритм защит нерастопочной горелки

Рисунок X.12 - Алгоритмы блокировок при подводе топлива к котлу

Рисунок X.13 - Алгоритм запрета растопки котла без вентиляции топки

Рисунок X.14 - Алгоритм блокировок растопочной горелки с БГ-8 при работе на газе

Рисунок X.15 - Алгоритм блокировок растопочной горелки с БГ-13 при работе на газе

Рисунок X.16 - Алгоритм блокировок растопочной горелки при работе на мазуте

Рисунок X.17 - Алгоритм блокировок нерастопочной горелки при работе на газе

Рисунок X.18 - Алгоритм блокировок нерастопочной горелки при работе на мазуте

Рисунок X.19 - Алгоритмы, блокировок клапана на трубопроводе безопасности газовой горелки

Рисунок Х.20 - Алгоритмы блокировок запорных устройств на мазуте и паре мазутной форсунки

Рисунок Х.21 - Алгоритм запрета включения дутьевого вентилятора
Рисунок Х.22 - Алгоритмы блокировок задвижек на сетевой воде
Рисунок Х.23 - Условные обозначения
Ц.1 Общие сведения
Ц.1.1 Настоящее приложение распространяется на алгоритмы управления блоками газооборудования (БГ), выпускаемыми фирмой ЗАО «АМАКС».
Ц.1.2 Блоки газооборудования, разработанные фирмой ЗАО «АМАКС», в настоящее время устанавливаются на водогрейных и паровых котлах, сжигающих газ.
По сравнению с арматурой, обычно применяемой для оснащения газовых горелок на котлах ТЭС, БГ имеют следующие отличительные особенности:
- наличие газовой регулирующей заслонки, позволяющей осуществлять розжиг горелки при малом расходе газа;
- высокая надежность механической части запорной арматуры;
- возможность контроля плотности каждого из запорных устройств на линии подвода газа к горелке;
- выполнение приводов арматуры БГ на переменном токе таким образом, чтобы при исчезновении напряжения питания арматура закрывалась;
- организация индивидуального для каждой горелки отбора газа на ЗЗУ при сохранении возможности централизованного отбора газа;
- комплектность поставки;
- возможность заказа в комплекте с БГ воздушного шибера с плавной характеристикой регулирования.
Ц.1.3 Некоторые из этих особенностей не позволяют в полном объеме применить для БГ требования приложения Ф. В настоящей работе технические условия на выполнение технологических защит и блокировок сформулированы применительно к БГ ЗАО «АМАКС».
Ц.2 Общие положения
Ц.2.1 Технические условия составлены на основании [2] и руководств по эксплуатации на блоки газооборудования котлов (БГ8.00 РЭ).
Настоящие документ является дополнением к приложению Ф.
Ц.2.2 Технические условия распространяются на газовые горелки, оснащенные блоком газооборудования типа БГ фирмы ЗАО «АМАКС», установленные на действующих, вновь вводимых в эксплуатацию и модернизируемых котлах паропроизводительностью 50 т/ч и выше, а также на вновь вводимых и модернизируемых водогрейных котлах тепловой производительностью 30 Гкал/ч и выше за исключением котлов типа ПТВМ, для которых принимаются специальные решения.
При проектировании защит и блокировок горелок имеющих схему газоснабжения, аналогичную БГ, могут быть использованы решения, принятые в настоящем документе.
Внесение изменений в настоящий документ допускается только по согласованию с инстанциями, его утвердившими.
Ц.2.3 Технические условия приняты с учетом следующего:
Ц.2.3.1 Все горелки котла оснащаются БГ.
Ц.2.3.2 Блок газооборудования включает следующую арматуру с электроприводом на линии подвода газа к горелке (рисунок Ц.1): два быстродействующих отсечных клапана ПЗК1 и ПЗК2, клапан на трубопроводе безопасности, клапан опрессовки, дроссельную заслонку для регулирования расхода газа (регулирующий клапан), а также клапан на линии подвода газа к запальнику.
Рисунок Ц.1 - Схема блока газооборудования
Предохранительно-запорный (ПЗК) и регулирующий клапаны имеют контроль положения «закрыто», положение «открыто» контролируется только у ПЗК. Кроме того, контролируется положение «открыт на 30 %» для ПЗК2 и «открыт до значения, соответствующего минимальной мощности горелки», - для регулирующего клапана. Положение остальных клапанов определяется косвенным путем по наличию или отсутствию соответствующего параметра.
Ц.2.3.3 Каждый БГ оснащен ЗЗУ и всережимным датчиком контроля факела горелки. Растопка котла, оснащенного БГ, может начинаться с розжига любой горелки, при этом контролируется факел каждой горелки.
До ввода защиты с контролем общего факела (если она предусмотрена проектом) факел в топке контролируется по наличию факела хотя бы одной горелки защитой, срабатывающей при погасании факелов всех горелок.
После ввода защиты с контролем общего факела контроль факела горелки сохраняется: при погасании факела данной горелки она отключается.
Ц.2.3.4 Управление запорной и регулирующей арматурой каждой горелки осуществляется:
- с операторской станции, расположенной на щите управления (и/или от АКИПИА котла);
- со шкафа управления, расположенного рядом с данной горелкой;
- по месту вручную.
В шкафу управления осуществляется переключение режимов управления горелки:
«Дистанционное управление» - индивидуальное управление арматурой БГ с панели шкафа управления с учетом блокировок запорных устройств горелки и команд ТЗ котла и данной горелки;
«Автоматическое управление» - выполнение одной из программ: «Опрессовка», «Розжиг», «Отключение» по команде либо с панели шкафа управления, либо с операторской станции (и/или от АКИПИА котла), где реализованы алгоритмы управления, общие для всех горелок или всего котла.
Режим «Дистанционное управление» используется только при наладочных работах. При нормальной работе котла использование этого режима не допускается.
Ц.2.3.5 Подвод газа к ЗЗУ осуществляется следующим образом.
На газовых котлах - по одному из двух вариантов:
- централизованно, когда отбор газа на ЗЗУ выполняется на общей линии подвода газа к котлу и организуется разводка запального газа к каждому ЗЗУ;
- индивидуально на каждую горелку, когда отбор газа к запальнику выполняется после ПЗК1 «своей» горелки.
На газомазутных и пылегазовых котлах:
- если отсутствует запрет розжига котла на мазуте, осуществляется централизованный подвод газа к запальникам от газовой магистрали или от газовых баллонов;
- если розжиг котла на мазуте запрещен, подвод газа к запальникам может осуществляться по любому варианту, предусмотренному для газовых котлов.
В настоящих Технических условиях учтены оба способа подвода газа.
Ц.2.3.6 Технические условия на выполнение технологических защит, действующих на останов котла или на снижение его нагрузки, не зависят от схемы газоснабжения горелки и типа запорной арматуры на трубопроводе подвода газа к ней и потому не изменяются при применении БГ ЗАО «АМАКС», за исключением способа воздействия на отключение горелки (п. Ц3.1).
Ц.2.3.7 Упомянутые в данном документе выдержки времени и величины открытия арматуры даны ориентировочно и уточняются для каждого котла при наладке.
Ц.2.4 В настоящем документе (разд. Ц3 и Ц4) даны ссылки на номера соответствующих пунктов приложения Ф.
Ц.2.5 На рисунке Ц.2 даны условные обозначения, используемые при создании логических схем.
На рисунках Ц.3 - Ц.7 приведены логические схемы защит и блокировок, учитывающие особенности БГ ЗАО «АМАКС».
Ц.3 Технические условия на выполнение технологических защит
Ц.3.1 Технические условия для защит согласно приложению Ф
Технические условия на выполнение следующих защит даны в приложении Ф:
«Погасание общего факела в топке»;
«Отключение всех дымососов»;
«Отключение всех дутьевых вентиляторов»;
«Отключение всех регенеративных воздухоподогревателей»;
«Понижение давления газа»;
«Понижение давления мазута»;
«Отключение одного из двух дымососов»;
«Отключение одного из двух дутьевых вентиляторов»;
«Отключение одного из двух регенеративных воздухоподогревателей»;
«Невоспламенение первой или погасание факела всех мазутных горелок, оснащенных ЗЗУ, при растопке котла».
Действие защит на отключение подачи газа к котлу дано в приложении Ф.
Действие защит на отключение подачи газа к горелкам заключается в выполнении следующих операций:
- закрытие ПЗК1, ПЗК2 и открытие клапанов на трубопроводах безопасности всех горелок;
- отключение всех запальных устройств;
- наложение запрета на индивидуальное дистанционное управление клапанами.
При работе в режиме «Автоматическое управление» дополнительно выполняются операции:
- запуск программ «Останов» всех горелок;
- запрет выполнения программ «Розжиг» всех горелок.
Ц.3.2 Защита, действующая на отключение подачи топлива к котлу
Невоспламенение первой или погасание факела всех газовых горелок при растопке котла на газе.
Защита срабатывает при отсутствии факела всех горелок в топке (секции топки).
Защита действует на отключение подачи газа к котлу: на закрытие запорных устройств на линии подвода газа к котлу, на закрытие ПЗК1, ПЗК2, клапанов на линии подвода газа к запальникам, на отключение напряжения питания запала и на открытие клапанов на трубопроводах безопасности всех горелок; кроме того, защита действует на запуск программ «Останов» всех горелок, работающих в режиме «Автоматическое управление», а также налагает запрет на выполнение программы «Розжиг» этих горелок.
Защита налагает запрет на индивидуальное дистанционное управление клапанами всех горелок.
Защита реализуется централизованно на щите управления и вводится при давлении газа перед котлом, превышающем уставку защиты по понижению давления газа, если открыто на 30 % второе запорное устройство на газе (ПЗК2) к любой из горелок или прошло время до 25 с с момента подачи команды на открытие ПЗК2 любой горелки.
Защита выводится либо при закрытии задвижки на линии подвода газа к котлу, либо при вводе защиты по погасанию общего факела в топке.
Если защита по погасанию общего факела выполняется с контролем факела каждой горелки (на газовых и газомазутных котлах с количеством горелок не более восьми), данная защита не выполняется.
Ц.3.3 Защиты, действующие на отключение подачи топлива к горелке
Ц.3.3.1 Погасание факела газовой горелки
Защита срабатывает при погасании факела горелки. Защита действует на закрытие ПЗК1, ПЗК2, клапана на линии подвода газа к запальнику, на отключение напряжения питания запала и на открытие клапана на трубопроводе безопасности и налагает запрет на индивидуальное дистанционное управление клапанами.
При работе в режиме «Автоматическое управление» защита дополнительно действует на запуск программы «Останов» и отмену программы «Розжиг» данной горелки.
Защита вводится, если ПЗК2 данной горелки открыт на 30 % или прошло время до 25 с с момента подачи команды на открытие ПЗК2.
Защита выводится после отключения данной горелки (закрытия ее ПЗК1 и ПЗК2).
Ц.3.3.2 Понижение давления газа за регулирующим клапаном горелки
Защита срабатывает при понижении давления газа за регулирующим клапаном горелки. Давление контролируется одним датчиком.
Защита действует на закрытие ПЗК1, ПЗК2, клапана на линии подвода газа к запальнику, на отключение напряжения питания запала и на открытие клапана на трубопроводе безопасности, а также налагает запрет на индивидуальное дистанционное управление клапанами данной горелки.
При работе в режиме «Автоматическое управление» защита дополнительно действует на запуск программы «Останов» и отмену программы «Розжиг» данной горелки.
Защита вводится, если регулирующий клапан на газе данной горелки открыт до значения, соответствующего минимальной мощности горелки.
Защита выводится либо после отключения данной горелки (закрытия ее ПЗК1 и ПЗК2), либо если введена защита по погасанию общего факела в топке.
Ц.4 Технические условия на выполнение блокировок.
Ц.4.1 Технические условия согласно приложению Ф.
Технические условия на выполнение блокировки «Запрет подачи топлива к котлу при незакрытии хотя бы одного устройства с электроприводом на линии подвода этого топлива перед любой горелкой» даны в приложении Ф.
Ц.4.2 Запрет розжига горелок при растопке котла без вентиляции топки
Запрет налагается на выполнение программы «Розжиг» всех горелок, работающих в режиме «Автоматическое управление».
Топка считается провентилированной... - далее по тексту п. Ф3.4.2 приложения Ф.
Ц.4.3 Прекращение и запрет подачи топлива в горелку в случае полного закрытия шибера на линии подвода воздуха к этой горелке или при понижении давления воздуха за этим шибером.
Давление воздуха контролируется одним датчиком.
При полностью закрытом шибере на линии подвода воздуха к горелке или при понижении давления воздуха за этим шибером формируется команда на закрытие ПЗК1, ПЗК2, а также налагается запрет на индивидуальное дистанционное управление клапанами данной горелки. Кроме того, для горелки, работающей в режиме «Автоматическое управление», формируется команда на запуск программы «Останов» и отмену программы «Розжиг» данной горелки.
Блокировка вводится при давлении газа перед котлом, превышающем уставку защиты по понижению давления газа, если регулирующий клапан на газе данной горелки открыт до значения, соответствующего минимальной мощности горелки.
Блокировка выводится после отключения данной горелки (закрытия ее ПЗК1 и ПЗК2). Контроль давления воздуха прекращается, если введена защита по погасанию общего факела в топке.
Ц.4.4 Следующие защитные блокировки выполнены в соответствии с приложением Ф, а также реализованы в программе «Розжиг» горелки:
«Запрет подачи топлива в горелку при отсутствии факела запального устройства» (п. Ф3.4.5);
«Запрет подачи топлива в горелку при наличии ложного сигнала от датчика факела горелки» (п. Ф3.4.6);
«Запрет открытия второго запорного устройства по ходу топлива перед горелкой при неоткрытом первом» (п. Ф3.4.7);
«Блокировки запорного устройства на трубопроводе безопасности газовой горелки» (п. Ф3.4.8).
Ц.5 Технические условия на выполнение специфических блокировок БГ
Ц.5.1 Запрет розжига горелки без опрессовки арматуры ее БГ.
Запрет налагается на выполнение программы «Розжиг» без выполнения программы «Опрессовка» данной горелки.
Ц.5.2 Запрет открытия ПЗК2 при незакрытом регулирующем клапане на линии подвода газа к этой горелке
Запрет реализуется во всех режимах работы горелки.
Ц.5.3 Запрет открытия ПЗК2 в случае открытия воздушного шибера, отличного от положения минимального расхода
Запрет реализуется в программе «Розжиг».
Ц.5.4 Запрет открытия клапана опрессовки при незакрытом ПЗК2 данной горелки.
Запрет реализуется в программе «Опрессовка».
Рисунок Ц.2 - Условные обозначения алгоритмов
Рисунок Ц.3 - Алгоритм защиты «Невоспламенение первой или погасанию факела всех горелок в секции топки». Газовый котел

Рисунок Ц.4 - Алгоритм защиты «Невоспламенению первой или погасание факела всех газовых горелок при растопке газомазутного котла на газе»

Рисунок Ц.5 - Алгоритм защиты по погасанию факелагазовой горелки

Рисунок Ц.6 - Алгоритм защит горелки
Рисунок Ц.7 - Алгоритм блокировки по закрытию шибера на линии подвода воздуха к газовой горелке
Ш.1 Введение
Ш.1.1 Настоящий документ распространяется на газовые и газомазутные водогрейные котлы типов ПТВМ-100, ПТВМ-50 и ПТВМ-30, у которых на линиях подвода газа к горелкам установлены газовые блоки (БГ) фирмы ЗАО НПО «АМАКС». Документ обязателен для применения на вновь проектируемых и реконструируемых котлах.
Ш.1.2 Настоящий документ дополняет требования приложения П, которое не распространяются на котлы типа ПТВМ и не учитывают особенностей управления БГ, и приложение Ф, которое не распространяется на котлы типа ПТВМ.
Ш.1.3 При проектировании защит и блокировок горелок, имеющих схему газоснабжения, аналогичную БГ, могут быть использованы решения, принятые в настоящем документе.
Отклонения при проектировании от положений настоящего документа допускаются только по согласованию с изготовителем БГ - ЗАО НПО «АМАКС».
Ш.1.4 Блоки газооборудования (БГ), выпускаемые фирмой ЗАО НПО «АМАКС», по сравнению с арматурой, обычно применяемой для оснащения газовых горелок, имеют следующие отличительные особенности:
- наличие газовой регулирующей заслонки, позволяющей осуществлять розжиг горелки при малом расходе газа;
- возможность контроля плотности каждого из запорных устройств на подводе газа к горелке;
- выполнение приводов арматуры БГ на переменном токе таким образом, что при исчезновении напряжения питания арматура переходит в состояние, соответствующее отключению горелки;
- организация индивидуального для каждого БГ отбора газа на ЗЗУ при сохранении возможности централизованного отбора газа;
- комплектность поставки;
- возможность заказа в комплекте с БГ воздушного шибера с плавной характеристикой регулирования.
Ш.1.5 На котлах типа ПТВМ, оснащенных БГ, разрешена установка на подводе газа к группе зависимых горелок одного общего ПЗК, первого по ходу газа к растопочной и относящимся к ней нерастопочным горелкам. Вторые по ходу газа ПЗК устанавливаются перед каждой из горелок (письмо Госгортехнадзора России № БК-03-35/32 от 10.02.2003 г.).
ЗАО НПО «АМАКС» разработаны и выпускаются следующие модификации БГ, устанавливаемых на линиях подвода газа к горелкам котлов ПТВМ-100, ПТВМ-50, ПТВМ-30:
- БГ, реализующий подвод газа к группе из четырех зависимых горелок (одной растопочной и трем нерастопочным), их поочередный розжиг, контроль исправности, отключение,
- БГ, реализующий подвод газа к группе из трех зависимых горелок (одной растопочной и двум нерастопочным), их поочередный розжиг, контроль исправности, отключение.
Ш.1.6 Предусмотрено автоматическое управление горелками, оснащенными БГ. Степень автоматизации управления мазутными форсунками (на газомазутных котлах), задвижками на подводе газа, мазута и сетевой воды к котлу определяется в конкретном проекте.
Ш.2 Общие положения
Ш.2.1 Технические условия распространяются на вновь вводимые в эксплуатацию и модернизируемые газовые и газомазутные котлы типа ПТВМ-100, ПТВМ-50 и ПТВМ-30, газовые горелки которых оснащены блоками газооборудования типа БГ фирмы ЗАО НПО «АМАКС».
Технические условия выполнены для односекционных котлов с несколькими группами горелок, в каждую из которых входит одна растопочная горелка и 3 или 2 нерастопочных горелки, которые разжигаются от «своей» растопочной. Котлы типа ПТВМ-100 имеют 4 группы по 4 горелки и индивидуальный дутьевой вентилятор на каждую горелку, котлы типа ПТВМ-50 имеют 4 группы по 3 горелки и индивидуальный дутьевой вентилятор на каждую горелку, котлы типа ПТВМ-30 имеют 2 группы по 3 горелки и два общих дутьевых вентилятора.
При другой конструкции котла типа ПТВМ-100, ПТВМ-50 или ПТВМ-30 технические условия на выполнение технологических защит и блокировок должны быть соответственно изменены.
Ш.2.2 На вновь проектируемых котлах и котлах, модернизируемых с полной заменой технических средств АСУТП котла, все вошедшие в данный документ защиты и блокировки реализуются в ПТК АСУТП котла и в выносных контроллерах управления горелками.
Ш.2.3 При частичной модернизации котлов типа ПТВМ, которая заключается только в изменении схемы подвода газа к горелкам и установке БГ, защиты и блокировки по сетевой воде и мазуту приводят в соответствие с требованиями данного документа.
Дополнительные, по сравнению с указанным в документе объемом, защиты и блокировки, выполненные на ТЭС в соответствии с проектом, могут быть сохранены по решению главного инженера ТЭС.
Ш.2.4 Технические условия приняты с учетом следующего:
Ш.2.4.1 Все газовые горелки котла оснащаются БГ:
- БГ для группы из одной растопочной и двух нерастопочных горелок,
- БГ для группы из одной растопочной и трех нерастопочных горелок.
Горелка с БГ оснащена следующей арматурой с электроприводом (рисунок Ш.1):
- один быстродействующий отсечной клапан ПЗК1 на линии общего подвода газа к горелкам
- по одному быстродействующему отсечному клапану на линии подвода газа к каждой горелке: ПЗК2-1, ПЗК2-2, ПЗК2-3, (ПЗК2-4),
- на трубопроводе безопасности,
- клапан опрессовки,
- клапан на линии подводе газа к запальнику (в составе БГ или отдельный),
- дроссельная заслонка для регулирования расхода газа на растопочную горелку, имеющая общий электропривод с воздушным шибером этой горелки,
- воздушные шиберы нерастопочных горелок.
Дроссельные заслонки для изменения расхода газа на нерастопочные горелки либо отсутствуют, либо имеют ручной привод (определяется при проектировании).
Для реализации алгоритмов управления используются следующие концевые выключатели (KB) арматуры БГ:
- на ПЗК1 - KB «Закрыт»,
- на всех ПЗК2 - KB «Закрыт»,
- на общем приводе дроссельной заслонки и воздушного шибера растопочной горелки - KB «Закрыт», «Открыт».
- на приводе воздушного шибера каждой нерастопочной горелки - KB «Закрыт», «Открыт».
Положение остальных клапанов определяется косвенным путем по наличию или отсутствию соответствующего параметра.
Для ПЗК положение «Не закрыт» может определяться по наличию команды на его открытие.
Ш.2.4.2 Каждая растопочная горелка оснащается ЗЗУ. На газовых котлах ЗЗУ входит в состав БГ и осуществляет розжиг горелки на газе. На газомазутных котлах ЗЗУ выполняется с возможностью подвода запального газа от резервного источника для розжига горелки на мазуте.
Ш.2.4.3 Каждый БГ оснащен датчиком контроля факела растопочной горелки Датчик селективно контролирует факел горелки при розжиге котла. (Такая характеристика датчика допустима согласно письму - разъяснению Федеральной службы по экологическому, технологическому и атомному надзору № 11-10/3741 от 23.11.05, где сказано, что селективный контроль факела горелки обязателен при розжиге котла).
На газомазутных котлах датчик контролирует и газовый, и мазутный факел.
В тех случаях, когда для реализации технологических блокировок требуется информация о наличии факела растопочной горелки на работающем котле, контролируется информация от датчика факела этой горелки и открытое положение одного из запорных устройств на линиях подвода топлива к этой горелке: ПЗК2-1, газовой заслонки или запорного устройства с электроприводом на линии подвода мазута.
Факел нерастопочных горелок не контролируется.
Ш.2.4.4 Управление газовой запорной и регулирующей арматурой и воздушным шибером каждой горелки осуществляется:
- с операторской станции, расположенной на щите управления, или от АСУТП котла;
- со шкафа управления, расположенного рядом с данной горелкой;
- по месту вручную.
Управление индивидуальным вентилятором горелки осуществляется:
- с операторской станции, расположенной на щите управления, или от АСУТП котла;
- со шкафа управления вентиляторами котла или по месту.
В шкафу управления горелками реализуется переключение режимов управления при сжигании газа:
- «Дистанционное управление» - индивидуальное управление арматурой БГ с панели шкафа управления с учетом блокировок запорных устройств горелки и команд ТЗ котла и данной горелки,
- «Автоматическое управление» - выполнение одной из программ: «Опрессовка», «Розжиг», «Отключение» - по команде либо с панели шкафа управления, либо с операторской станции (или от АСУТП котла), где реализованы алгоритмы управления, общие для всех горелок или всего котла.
Режим «Дистанционное управление» используется только при наладочных работах. При нормальной работе котла использование этого режима не допускается.
Ш.2.4.5 Перед каждой мазутной форсункой газомазутного котла установлено хотя бы одно запорное устройство с электроприводом. Другое запорное устройство может иметь ручной или электропривод.
Настоящие технические условия составлены для котлов с одним запорным устройством с электроприводом на линии подвода мазута к каждой горелке.
Ш.2.4.6 Управление мазутной арматурой с электроприводом осуществляется со щита управления (или от АСУТП котла) и по месту вручную.
Ш.2.4.7 Управление арматурой и механизмами водяного и газовоздушного трактов при полной модернизации осуществляется от АСУТП котла и по месту.
При частичной модернизации либо сохраняется проектное управление этой арматурой (кроме шиберов на воздухе к горелкам), либо создается АСУТП котла, где реализуются схемы управления всей арматурой.
Ш.2.4.8 На всех газомазутных котлах типа ПТВМ-100, ПТВМ-50 и ПТВМ-30, где установлены БГ, растопка осуществляется либо на газе, либо на мазуте и может начинаться с розжига любой растопочной горелки.
Ш.2.4.9 Нерастопочные горелки не имеют ЗЗУ и зажигаются от «своих» растопочных горелок. При наличии факела растопочной горелки соответствующая нерастопочная горелка может быть разожжена как на газе, так и на мазуте.
При отключении растопочной горелки защитой этой горелки соответствующая нерастопочная горелка также отключается.
Ш.2.4.10 Переход на сжигание мазута осуществляется путем подачи мазута в горелку, работающую на газе. После этого подача газа в горелку прекращается.
Переход на сжигание газа осуществляется путем подачи газа в горелку, работающую на мазуте. После этого подача мазута в горелку прекращается и форсунка продувается паром.
Ш.2.4.11 При срабатывании защиты горелки закрывается следующая арматура на подводе газа:
- при срабатывании защиты растопочной горелки - общий ПЗК1 и ПЗК2 всех горелок данной группы;
- при срабатывании защиты нерастопочной горелки - ПЗК2 данной горелки.
ПЗК на трубопроводе безопасности автоматически открывается после закрытия ПЗК1 и всех ПЗК2 данной группы горелок. При выполнении программы «Опрессовка» эта блокировка отменяется.
На газомазутных котлах:
- при отключении нерастопочной горелки дополнительно закрывается запорное устройство с электроприводом на подводе мазута к этой горелке;
- при отключении растопочной горелки дополнительно закрываются запорные устройства с электроприводом на подводе мазута к этой и всем нерастопочным горелкам данной группы горелок.
Ш.2.4.12 При выполнении защит в ПТК АСУТП котла для каждой защиты устанавливается один датчик с аналоговым токовым выходным сигналом (предпочтение отдается датчикам с выходным сигналом 4 - 20 мА) или температурный. Сигнал этого датчика используется во всех остальных подсистемах АСУТП.
Допускается применение датчиков дискретного сигнала, если данный параметр не используется в других подсистемах АСУТП.
Ш.2.4.13 Каждая защита имеет сигнализацию срабатывания в оперативном контуре, возможность неоперативного ремонтного вывода, а защиты, реализованные не в ПТК, - устройство запоминания их срабатывания с ручным сбросом памяти.
Ш.2.5 Упомянутые в «Технических условиях» уставки и выдержки времени даны ориентировочно и уточняются для каждого котлоагрегата по данным завода-изготовителя или при наладке.
Ш.2.6 Автоматический ввод-вывод технологических защит предусматривается для тех защит, возникновение условий срабатывания которых не всегда опасно для защищаемого оборудования.
Защиты, не вводимые автоматически, вводят в действие при подаче напряжения электропитания в их схемы, в том числе - в схемы датчиков.
Настоящие технические условия разработаны для автоматического ввода и вывода защит во всех режимах работы котла, за исключением режима расхолаживания, когда значения параметров снижаются раньше, чем отключается оборудование. В последнем случае вывод защит осуществляется с помощью реальных или виртуальных специальных неоперативных устройств (наладок, испытательных клемм и т.п.).
Ш.2.7 Алгоритмы автоматического ввода-вывода защит реализуют следующие общие требования:
Ш.2.7.1 Защита автоматически вводится в работу при появлении признака ввода независимо от значения контролируемой величины и остается включенной до появления признака вывода, после чего защита автоматически выводится.
Аварийная сигнализация вводится и выводится вместе с защитой.
Ш.2.7.2 При появлении признака вывода и наличии признака ввода приоритет отдается признаку вывода.
Ш.2.7.3 В оперативном контуре выполняется сигнализация о введенном (выведенном) состоянии защит (группы защит).
Ш.2.8 При формировании условий ввода-вывода технологических защит принято:
Ш.2.8.1 Информация «Начало растопки на газе» формируется следующим образом: «Не закрыта задвижка на линии подвода газа к котлу, не закрыты ПЗК1 и ПЗК2 на линии подвода газа к любой горелке».
Ш.2.8.2 Информация «Начало растопки на мазуте» формируется следующим образом: «Не закрыта задвижка на линии подвода мазута к котлу и не закрыто запорное устройство с электроприводом на линии подвода мазута к любой горелке».
Ш.2.8.3 Информация «Начало растопки» формируется при наличии информации «Начало растопки на газе» или информации «Начало растопки на мазуте».
Ш.2.8.4 Информация «Останов котла» формируется при формировании команды на автоматический останов котла. Длительность команды защит на исполнительные устройства при останове котла равна длительности выполнения самой продолжительной операции останова.
Ш.2.9 На рисунках Ш.2 - Ш.25 представлены алгоритмы защит и блокировок котлов типа ПТВМ-100, ПТВМ-50 и ПТВМ-30.
Большинство алгоритмов выполнено для газомазутного котла. Алгоритмы для газового котла получаются путем исключения из приведенных алгоритмов информации и команд, относящихся к сжиганию мазута.
Почти все алгоритмы выполнены для котла с четырьмя группами горелок. Алгоритмы для котла с двумя группами горелок получаются путем исключения из приведенных алгоритмов информации о состоянии арматуры и датчиков двух из четырех групп горелок.
На рисунке Ш.26 даны условные обозначения, используемые при создании схем.
Ш.3 Перечень технологических защит и блокировок
Ш.3.1 Перечень технологических защит
Ш.3.1.1 Понижение давления воды за котлом.
Ш.3.1.2 Повышение давления воды за котлом.
Ш.3.1.3 Повышение температуры воды на выходе из котла.
Ш.3.1.4 Понижение расхода воды через котел.
Ш.3.1.5 Повышение температуры воды на выходе из котла с недогревом до температуры насыщения (выполняется вместо защит по п.п. Ш.3.1.1 и Ш.3.1.3 при реализации защиты в АСУТП котла).
Ш.3.1.6 Невоспламенение первой или погасание факела всех горелок в топке.
Ш.3.1.7 Понижение давления газа к котлу.
Ш.3.1.8 Повышение давления газа к котлу (выполняется по требованию Заказчика).
Ш.3.1.9 Понижение давления мазута к котлу.
Ш.3.1.10 Отключение всех дутьевых вентиляторов (для котлов с общими дутьевыми вентиляторами)
Ш.3.1.11 Понижение разрежения в топке (выполняется по требованию Заказчика).
Ш.3.1.12 Понижение давления воздуха перед горелкой или отключение ее дутьевого вентилятора (для котлов с индивидуальными дутьевыми вентиляторами на каждую горелку).
Ш.3.1.13 Невоспламенение или погасание факела растопочной горелки.
Ш.3.2 Перечень технологических блокировок
Ш.3.2.1 Запрет открытия задвижки на линии подвода газа к котлу.
Ш.3.2.2 Запрет открытия задвижки на линии подвода мазута к котлу.
Ш.3.2.3 Запрет розжига горелок при растопке котла без вентиляции топки.
Ш.3.2.4 Запрет подачи топлива в растопочную горелку при наличии ложного сигнала от датчика факела этой горелки.
Ш.3.2.5 Запрет подачи топлива в растопочную горелку при отсутствии факела запального устройства или факела горелки.
Ш.3.2.6 Запрет открытия ПЗК2 растопочной горелки, если не закрыта дроссельная заслонка этой горелки.
Ш.3.2.7 Запрет подачи топлива в нерастопочную горелку, если нет факела соответствующей растопочной горелки
Ш.3.2.8 Запрет подачи топлива в горелку при неработающем дутьевом вентиляторе этой горелки (для котлов с. индивидуальными дутьевыми вентиляторами на каждую горелку).
Ш.3.2.9 Блокировки клапана на трубопроводе безопасности газовой горелки
Ш.3.2.10 Блокировки паровой и мазутной магистралей мазутной горелки.
Ш.3.2.11 Запрет включения индивидуального дутьевого вентилятора горелки.
Ш.3.2.12 Запрет закрытия задвижки на сетевой воде перед котлом.
Ш.3.2.13 Запрет закрытия задвижки на сетевой воде за котлом.
Ш.4 Технические условия на выполнение технологических защит и блокировок
Ш.4.1 Технические условия на выполнение защит
Ш.4.1.1 Понижение давления воды за котлом.
Давление контролируется одним датчиком до задвижки на выходе из котла.
Защита вводится автоматически при начале растопки.
Защита выводится при останове котла.
Защита с выдержкой времени до 9 с действует на останов котла согласно п. Ш4.1.14.
Ш.4.1.2 Повышение давления воды за котлом.
В защите используется тот же датчик, что и в защите по п. Ш4.1.1.
Защита действует на останов котла согласно п. Ш4.1.14.
Ш.4.1.3 Повышение температуры воды на выходе из котла.
Температура контролируется одним датчиком.
Защита действует на останов котла согласно п. Ш4.1.14.
Ш.4.1.4 Понижение расхода воды через котел.
Расход контролируется одним датчиком.
Защита вводится автоматически при начале растопки.
Защита выводится при останове котла.
Защита с выдержкой времени до 9 с действует на останов котла согласно п. Ш.4.1.14.
Ш.4.1.5 Повышение температуры воды на выходе из котла с недогревом до температуры насыщения (выполняется вместо защит по п.п. Ш4.1.1 и Ш4.1.3 при реализации защиты в АСУТП котла.).
Защита срабатывает при уменьшении разности расчетной температуры насыщения и текущего значения температуры воды.
Температура насыщения рассчитывается для текущего значения давления.
Зависимость температуры насыщения от давления линеаризируется в рабочем диапазоне давлений одним или двумя отрезками прямой линии.
Защита с выдержкой времени до 20 с действует на останов котла согласно п. Ш4.1.14.
Ш.4.1.6 Невоспламенение первой или погасание факела всех горелок в топке.
Защита срабатывает при отсутствии факела всех растопочных горелок в топке
Защита вводится автоматически при выполнении любого из условий:
- давление газа перед котлом выше уставки защиты по понижению давления, не закрыт ПЗК1 и прошло время до 15с с момента подачи команды на открытие ПЗК2 любой из растопочных горелок;
- давление мазута перед котлом выше уставки защиты по понижению давления, не закрыто запорное устройство с электроприводом на линии подвода мазута к любой из растопочных горелок и прошло 9 с.
Защита выводится при останове котла. Защита действует на останов котла согласно п. Ш4.1.14.
Ш.4.1.7 Понижение давления газа к котлу.
Давление контролируется одним датчиком за регулирующим клапаном на общем подводе газа к котлу.
- На газовых котлах.
Защита вводится автоматически при начале растопки на газе.
Защита выводится при останове котла.
Защита действует на останов котла согласно п. Ш4.1.14.
- На газомазутных котлах.
Действие защиты на отключение подачи газа вводится автоматически при начале растопки на газе и выводится при закрытой задвижке на подводе газа к котлу или при останове котла.
Действие защиты на останов котла вводится автоматически при начале растопки на газе, если при этом закрыты все запорные устройства на линиях подвода мазута к растопочным горелкам.
Действие защиты на останов котла выводится при останове котла, или если открыто запорное устройство на линии подвода мазута к любой растопочной горелке.
Защита действует на отключение подачи газа согласно п. Ш4.1.14 (действие на запорные устройства на линии подачи газа к котлу - импульсное), а также, если газ является единственным топливом, - на останов котла согласно п. Ш4.1.14.
Ш.4.1.8 Повышение давления газа к котлу (выполняется по требованию Заказчика).
В защите используется тот же датчик, что и в защите по п. Ш4.1.7.
- На газовых котлах.
Защита вводится автоматически при начале растопки на газе.
Защита выводится при останове котла.
Защита действует на останов котла согласно п. Ш.4.1.14.
- На газомазутных котлах.
Действие защиты на отключение подачи газа вводится автоматически при начале растопки на газе и выводится при закрытой задвижке на подводе газа к котлу или при останове котла.
Действие защиты на останов котла вводится автоматически при начале растопки на газе, если при этом закрыты все запорные устройства на линиях подвода мазута к растопочным горелкам.
Действие защиты на останов котла выводится при останове котла, или если открыто запорное устройство на линии подвода мазута к любой растопочной горелке.
Защита действует на отключение подачи газа согласно п. Ш4.1.14 (действие на запорные устройства на линии подачи газа к котлу - импульсное), а также, если газ является единственным топливом, - на останов котла согласно п. Ш4.1.14.
Ш.4.1.9 Понижение давления мазута к котлу.
Давление контролируется одним датчиком за регулирующим клапаном на общем подводе мазута к котлу.
Действие защиты на отключение подачи мазута вводится автоматически при начале растопки на мазуте и выводится при закрытой задвижке на подводе мазута к котлу или при останове котла.
Действие защиты на останов котла вводится автоматически при начале растопки на мазуте, если при этом закрыты все ПЗК2.
Действие защиты на останов котла выводится при останове котла, или если не закрыт любой ПЗК2.
Защита срабатывает с выдержкой времени до 20 с.
Защита действует на отключение подачи мазута согласно п. Ш4.1.14 (действие на запорные устройства на линиях подачи мазута к котлу и рециркуляции - импульсное), а также, если мазут является единственным топливом, - на останов котла согласно п. Ш4.1.14.
Ш.4.1.10 Отключение всех дутьевых вентиляторов (для котлов с общими дутьевыми вентиляторами).
Защита вводится автоматически при начале растопки.
Защита выводится при останове котла.
Защита с выдержкой времени до 5 с действует на останов котла согласно п. Ш4.1.14.
Ш.4.1.11 Понижение разрежения в топке (выполняется по требованию Заказчика).
Разрежение контролируется одним датчиком.
Защита вводится автоматически при начале растопки.
Защита выводится при останове котла.
Защита с выдержкой времени до 15 с. действует на останов котла согласно п. Ш.4.1.14.
Ш.4.1.12 Понижение давления воздуха перед горелкой или отключение ее дутьевого вентилятора (для котлов с индивидуальными дутьевыми вентиляторами на каждую горелку).
Давление воздуха контролируется одним датчиком.
Защита срабатывает при отключении вентилятора данной горелки с выдержкой времени до 5 с или при понижении давления воздуха за воздушным шибером на подводе воздуха к горелке.
Защита вводится автоматически, если шибер на воздухе к данной горелке открыт, прошло время до 5 с и либо не закрыты ПЗК1 и ПЗК2 на линии подвода газа к этой горелке, либо открыто запорное устройство с электроприводом на линии подвода мазута к этой горелке.
Защита выводится после отключения подачи топлива к данной горелке: закрытия ПЗК1 (для растопочной горелки) или ПЗК2 (для нерастопочной горелки) и запорного устройства с электроприводом на линии подвода мазута к горелке.
Защита действует на отключение данной горелки согласно п. Ш4.1.15, на запуск программы «Останов» и отмену программы «Розжиг» данной горелки.
Ш.4.1.13 Невоспламенение или погасание факела растопочной горелки.
Защита срабатывает при погасании факела горелки.
Защита вводится автоматически, если либо давление газа перед котлом превышает уставку защиты по понижению давления и прошло время до 15 с с момента подачи команды на открытие ПЗК2 данной горелки, либо давление мазута перед котлом превышает уставку защиты по понижению давления, не закрыто запорное устройство с электроприводом на линии подвода мазута к этой горелке и прошло 9 с.
Защита выводится после отключения подачи топлива к данной горелке: закрытия ее ПЗК1 и запорного устройства с электроприводом на линии подвода мазута к горелке.
Защита действует на отключение данной горелки согласно п. Ш4.1.15, на запуск программы «Останов» и отмену программы «Розжиг» данной горелки.
Ш.4.1.14 Операции по останову котла.
Останов котла производится путем отключения подачи всех видов топлива к котлу и горелкам:
Отключение подачи газа:
- закрытие запорных устройств на линии подвода газа к котлу,
- закрытие ПЗК1 и ПЗК2 всех БГ.
Отключение подачи мазута:
- закрытие запорных устройств на линии подвода мазута к котлу,
- закрытие запорного устройства с электроприводом на линии подвода мазута к каждой горелке,
- закрытие запорных устройств на линии рециркуляции мазута.
Отключение всех запальных устройств:
- закрытие запорных устройств на общей линии подвода газа к запальным устройствам (на газомазутных котлах),
- отключение напряжения питания запала каждого запального устройства,
- закрытие клапана на подводе газа к каждому запальному устройству.
Отмена программ «Розжиг» и запуск программ «Останов» всех горелок.
Ш.4.1.15 Операции по отключению отдельной горелки.
При срабатывании защиты растопочной горелки выполняются следующие операции:
- отключение подачи газа в растопочную и нерастопочные горелки данной группы путем закрытия ПЗК1 и всех ПЗК2,
- отключение подачи мазута в растопочную и нерастопочные горелки данной группы путем закрытия запорных устройств с электроприводом на линиях подвода мазута к этим горелкам,
- отключение ЗЗУ данной горелки путем закрытия клапанов на подводе газа к запальнику и отключения напряжения запала,
- отмена программы «Розжиг» и запуск программы «Останов» горелки.
При срабатывании защиты нерастопочной горелки выполняются следующие операции:
- отключение подачи газа в горелку путем закрытия ее ПЗК2,
- отключение подачи мазута в горелку путем закрытия запорного устройства с электроприводом на линии подвода мазута к этой горелке,
- отмена программы «Розжиг» и запуск программы «Останов» горелки.
Ш.4.2 Технические условия на выполнение блокировок
Ш.4.2.1 Запрет открытия задвижки на линии подвода газа к котлу.
Запрещается открытие запорной задвижки на линии подвода газа к котлу, если не выполнено любое из условий:
- закрыты ПЗК1 и ПЗК2 всех БГ,
- включен любой дутьевой вентилятор,
- расход воды через котел больше уставки защиты по понижению расхода.
Ш.4.2.2 Запрет открытия задвижки на линии подвода мазута к котлу.
Запрещается открытие запорной задвижки на линии подвода мазута к котлу, если не выполнено любое из условий:
- закрыты запорные устройства с электроприводом на линиях подвода мазута ко всем горелкам,
- включен любой дутьевой вентилятор,
- расход питательной воды через котел больше уставки защиты по понижению расхода.
Ш.4.2.3 Запрет розжига горелок при растопке котла без вентиляции топки.
Запрет налагается на открытие ПЗК1 и запорного устройства на линии подвода мазута к растопочной горелке, на включение ЗЗУ, а также на запуск программ «Розжиг» всех растопочных горелок.
Топка считается провентилированной при выполнении указанных условий.
Для котлов с индивидуальными дутьевыми вентиляторами на каждую горелку:
- в течение не менее 10 мин были включены электродвигатели дутьевых вентиляторов всех растопочных горелок и открыты их воздушные шиберы.
Для котлов с общими дутьевыми вентиляторами:
- в течение не менее 10 мин были включены электродвигатели обоих дутьевых вентиляторов, открытие их направляющих аппаратов соответствовало не менее 25 % номинальной нагрузки, и были открыты воздушные шиберы всех растопочных горелок.
Отсчет времени вентиляции разрешается после того, как котел был остановлен, т.е. если были закрыты задвижки или отсечные клапаны на линиях подвода газа и мазута к котлу. Информация об останове котла запоминается.
Запрет на подачу газа в горелки и включение ЗЗУ вводится автоматически, если давление газа выше уставки защиты по понижению давления.
Запрет на подачу мазута в горелки и включение ЗЗУ вводится автоматически, если давление мазута выше уставки защиты по понижению давления.
Запреты снимаются после окончания вентиляции.
После останова котла запреты налагаются вновь.
Если после того, как топка была провентилирована, отключились все дутьевые вентиляторы, запреты налагаются вновь.
Ш.4.2.4 Запрет подачи топлива в растопочную горелку при наличии ложного сигнала от датчика факела этой горелки.
Налагается запрет на открытие ПЗК1 и запорного устройства на линии подвода мазута к горелке, если на остановленном котле есть информация о наличии факела данной горелки.
Запрет снимается при вводе оператором информации «Датчик исправен».
Ш.4.2.5 Запрет подачи топлива в растопочную горелку при отсутствии факела запального устройства или факела горелки.
При давлении газа перед котлом выше уставки защиты по понижению давления и незакрытом ПЗК1 любой растопочной горелки разрешается открытие ПЗК2 этой горелки, если есть факел ее запального устройства или есть факел этой горелки и открыто запорное устройство на линии подвода мазута к ней.
При давлении мазута перед котлом выше уставки защиты по понижению давления разрешается открытие запорного устройства с электроприводом на линии подвода мазута к любой растопочной горелке, если есть факел запального устройства этой горелки или есть факел этой горелки и не закрыт ее ПЗК2.
Ш.4.2.6 Запрет открытия ПЗК2 растопочной горелки, если не закрыта дроссельная заслонка этой горелки.
При давлении газа перед котлом выше уставки защиты по понижению давления и незакрытом ПЗК1 любой растопочной горелки запрещается открытие ПЗК2 этой горелки, если не закрыта ее дроссельная заслонка.
Ш.4.2.7 Запрет подачи топлива в нерастопочную горелку, если нет факела соответствующей растопочной горелки.
При давлении газа перед котлом выше уставки защиты по понижению давления разрешается открытие ПЗК2 любой нерастопочной горелки, если есть факел соответствующей растопочной горелки и либо открыта ее газовая заслонка, либо открыто запорное устройство с электроприводом на линии подвода мазута к этой горелке.
При давлении мазута перед котлом выше уставки защиты по понижению давления разрешается открытие запорного устройства с электроприводом на линии подвода мазута к нерастопочной горелке, если есть факел соответствующей растопочной горелки и либо открыта ее газовая заслонка, либо открыто запорное устройство с электроприводом на линии подвода мазута к этой горелке.
Ш.4.2.8 Запрет подачи топлива в горелку при неработающем дутьевом вентиляторе этой горелки (для котлов с индивидуальными дутьевыми вентиляторами на каждую горелку).
При давлении газа перед котлом выше уставки защиты по понижению давления запрещается открытие ПЗК2 горелки, если отключен дутьевой вентилятор этой горелки.
При давлении мазута перед котлом выше уставки защиты по понижению давления запрещается открытие запорного устройства с электроприводом на линии подвода мазута к горелке, если отключен дутьевой вентилятор этой горелки.
Ш.4.2.9 Блокировки клапана на трубопроводе безопасности газовой горелки.
Клапан на трубопроводе безопасности БГ автоматически открывается с запретом на закрытие, если закрыты ПЗК1 и все ПЗК2 данной группы горелок и не выполняется программа «Опрессовка».
Клапан автоматически закрывается с запретом на открытие, если не закрыт ПЗК1.
Ш.4.2.10 Блокировки паровой и мазутной магистралей мазутной горелки.
При давлении мазута перед котлом выше уставки защиты по понижению давления налагается запрет на открытие запорного устройства на линии подвода пара на продувку горелки при незакрытом запорном устройстве на линии подвода мазута к этой горелке.
Открытие запорного устройства на линии подвода мазута к горелке запрещается при незакрытом запорном устройстве на линии подвода пара на продувку этой горелки.
Ш.4.2.11 Запрет включения индивидуального дутьевого вентилятора горелки.
Запрещается включение дутьевого вентилятора, если не закрыт шибер на его напоре.
Ш.4.2.12 Запрет закрытия задвижки на сетевой воде перед котлом.
Запрещается закрытие задвижки на сетевой воде перед котлом, если не закрыты задвижки на подводе газа и мазута к котлу.
Ш.4.2.13 Запрет закрытия задвижки на сетевой воде за котлом.
При давлении воды за котлом выше уставки защиты по понижению давления запрещается закрытие задвижки на сетевой воде за котлом, если не закрыта задвижка на сетевой воде перед котлом.
Рисунок Ш.1а - Схема газо- и воздухопроводов БГ с тремя нерастопочными горелками

Рисунок Ш.1б - Схема газо- и воздухопроводов БГ с двумя нерастопочными горелками
Рисунок Ш.2 - Алгоритмы формирования информации «Начало растопки»

Рисунок Ш.3 - Алгоритмы защит водяного тракта

Рисунок Ш.4 - Алгоритм защиты «Невоспламенение первой или погасание факела всех горелок»

Рисунок Ш.5 - Алгоритм защит « Понижение или повышение давления газа к котлу». Газовый котел

Рисунок Ш.6 - Алгоритм защит « Понижение или повышение давления газа к котлу». Газомазутный котел

Рисунок Ш.7 - Алгоритм защиты « Понижение давления мазута к котлу». Газомазутный котел

Рисунок Ш.8. - Алгоритм защиты « Отключение всех дутьевых вентиляторов котла»

Рисунок Ш.9 - Алгоритм защиты « Понижение разрежения в топке котла»

Рисунок Ш.10 - Алгоритм действия защит на останов котла

Рисунок Ш.11 - Алгоритм защит растопочной горелки с индивидуальным дутьевым вентилятором

Рисунок Ш.12 - Алгоритм защит нерастопочной горелки с индивидуальным дутьевым вентилятором

Рисунок Ш.13 - Алгоритм защит растопочной горелки котла с общими дутьевыми вентиляторами

Рисунок Ш.14 - Алгоритмы блокировок при подводе топлива к котлу

Рисунок Ш.15 - Алгоритм запрета растопки котла типа ПТВМ-100 без вентиляции топки

Рисунок Ш.16 - Алгоритм запрета растопки котла типа ПТВМ-50 без вентиляции топки

Рисунок Ш.17 - Алгоритм запрета растопки котла типа ПТВМ-30 без вентиляции топки

Рисунок Ш.18 - Алгоритм блокировок растопочной горелки с индивидуальным дутьевым вентилятором

Рисунок Ш.19 - Алгоритм блокировок растопочной горелки котла с общими дутьевыми вентиляторами.

Рисунок Ш.20 - Алгоритм блокировок нерастопочной горелки с индивидуальным дутьевым вентилятором

Рисунок Ш.21 - Алгоритм блокировок нерастопочной горелки котла с общими дутьевыми вентиляторами

Рисунок Ш.22 - Алгоритмы, блокировок клапана на трубопроводе безопасности газовой горелки

Рисунок Ш.23 - Алгоритмы блокировок запорных устройств на мазуте и паре мазутной форсунки

Рисунок Ш.24 - Алгоритм запрета включения индивидуального дутьевого вентилятора
Рисунок Ш.25 - Алгоритмы блокировок задвижек на сетевой воде
Рисунок Ш.26 - Условные обозначения
Щ.1 Общие положения
Щ.1.1 Настоящий документ должен приниматься за основу при разработке системы автоматизированного управления горелками (САУГ) в составе АСУТП ТЭС и при создании специальных микропроцессорных устройств, предназначенных для реализации функций САУГ на ТЭС.
Щ.1.2 С помощью САУГ должны реализовываться следующие управляющие функции:
- дистанционное управление арматурой горелок;
- технологические защиты и блокировки горелок;
- логическое управление розжигом и отключением горелок;
- автоматическое регулирование расхода (давления) газа для горелок, оснащенных регулирующими устройствами на подводе газа в горелку.
Щ.1.3 К САУГ, в составе которой реализуется ряд технологических защит и защитных блокировок, предъявляются повышенные требования к надежности, живучести, ремонтопригодности.
Щ.2 Характеристика технологического объекта и режимы его работы
Объектом управления является горелочное устройство совместно с органами управления подачей газа, мазута, воздуха, пара в горелку, а также запальное устройство со своими органами управления.
В соответствии с [2] на газопроводе перед каждой горелкой котла должны устанавливаться ПЗК и отключающее устройство с электроприводом. Допускается перед каждой горелкой установка двух ПЗК. Допускается также установка индивидуального регулирующего клапана.
Между двумя запорными устройствами устанавливается свеча безопасности с запорным устройством с электроприводом.
На вновь проектируемых газомазутных и мазутных котлах мощностью более 100 Гкал/ч на линии подвода мазута к каждой горелке устанавливается запорное устройство с электроприводом и ПЗК. На действующих котлах любой мощности допускается установка на линии подвода мазута к горелкам одного запорного устройства с электроприводом и другого - с ручным или электрическим приводом.
На подводе воздуха к горелке устанавливаются шиберы или направляющие аппараты.
Для зажигания топлива в горелке, как правило, применяются газовые запальники. Газ к запальнику поступает через газовую задвижку и электромагнитный клапан. Воспламеняется запальный газ от искрового высоковольтного разряда. Для контроля пламени запальника применяют специальные датчики. Для контроля пламени горелки также применяют специальные датчики.
На котлах, все горелки которых оснащены ПЗК, запорным устройством с электроприводом и ЗЗУ, растопка котла может начинаться с розжига любой горелки. На котлах, где нет ПЗК, на каждой газовой или мазутной горелке выделяется растопочная группа горелок и растопка должна начинаться с любой из этих горелок.
Газопроводы котла должны выполняться с возможностью регулирования давления газа перед горелками во время розжига 1-ой и последующих горелок. С этой целью, например, может быть выполнен растопочный сбросной газопровод или каждая горелка может быть оснащена газовой регулирующей арматурой.
Невозможно применение САУГ в случаях когда:
- на подводе топлива к горелкам установлена арматура с ручным приводом;
- технологическая схема розжига горелок не обеспечивает возможность регулирования давления газа перед горелкой во время розжига 1-ой и последующих горелок.
Должна быть предусмотрена возможность управления горелками со щита управления котлом, а также с площадок обслуживания управления горелок, где должны быть установлены специальные шкафы управления.
Схема одного из вариантов газомазутной горелки котла приведена на рисунке Щ.1. Перечень входных дискретных сигналов и выходных команд на ИУ одной горелку, приведен в таблице Щ.3.
Во всех режимах эксплуатации горелок должны соблюдаться требования обеспечения безопасности персонала и обеспечения целостности оборудования.
Объем и последовательность операций по проведению режимов должны соответствовать инструкциям заводов-изготовителей технологического оборудования и эксплуатационным инструкциям.
Рисунок Щ.1 - Схема газомазутной горелки
Щ.3 Общие требования к САУГ
Щ.3.1 Задачами САУГ являются:
- осуществление в соответствии заданным алгоритмом автоматизированного розжига и отключения горелок;
- осуществление ДУ арматурой горелок;
- непрерывный контроль за работой каждой горелки путем контроля наличия основного факела горелки, контроля условий ее работы и контроля состояния исполнительных органов на подаче в горелку топлива, воздуха, пара.
Щ.3.2 Возможны следующие варианты реализации САУГ:
Щ.3.2.1 Вся АСУТП выполнена как распределенная система на базе МПТ, тогда САУГ реализуется в технологической группе котла в отдельных контроллерах, которые образуют МПУ САУГ.
Щ.3.2.2 Вся система управления выполнена на агрегатных средствах (с использованием релейной техники, индивидуальных приборов, табло сигнализации и т.п.), тогда САУГ должна выполняться как отдельное специализированное устройство на базе МПТ.
Щ.3.3 САУГ должна строиться как система «человек-машина», работающая в реальном времени протекания технологических процессов и включающая в себя оперативный технологический и оперативный обслуживающий персонал и комплекс технических и других средств, в том числе посты управления и обслуживания.
Щ.3.4 При реализации САУГ как отдельного ПТК должно быть обеспечено ее согласование по интерфейсу с АСУТП остального оборудования.
Щ.3.5 Логическая часть САУГ должна выполняться на основе унифицированных технических, информационных и программных средств с использованием минимального числа типов и конструктивов и рационального числа форм представления информации.
Щ.3.6 В ПТК САУГ должна быть предусмотрена достаточная избыточность (функциональная, аппаратная, программная) для обеспечения высокой живучести системы, надежности ее работы и ремонтопригодности.
Щ.3.7 САУГ должна быть приспособлена к модернизации, развитию, наращиванию. Объем наращивания функций, программного обеспечения должен обладать 10 %-ным резервом.
Щ.3.8 Основой технических средств логической части САУГ должна быть распределенная микропроцессорная информационно-управляющая система, построенная на унифицированных средствах обработки информации и цифровой связи.
Щ.3.9 Основными средствами отображения информации и оперативного управления должны быть цветные графические видеотерминалы и связанные с ними функциональные клавиатуры. Для варианта САУГ в составе АСУТП блока отдельные мониторы для САУГ выделяться не должны.
Щ.3.10 В САУГ должно быть предусмотрено диагностирование технических и программных средств.
Щ.3.11 САУГ должна строиться с учетом ремонтного обслуживания в одну смену.
Щ.4 Требования к САУГ
Щ.4.1 Требования к структуре и функционированию САУГ
Щ.4.1.1 В варианте по п. Щ3.2.1 САУГ должна входить в состав АСУТП блока и структура построения САУГ должна соответствовать принятой структуре АСУТП блока.
Щ.4.1.2 На рисунке Щ.2 в качестве примера приведен возможный вариант построения структуры ПТК САУГ, входящий в состав ПТК АКИПИА блока.
Рисунок Щ.2 - Структурная схема ПТК системы автоматизированного розжига горелок в составе АСУТП блока
Щ.4.1.3 Структура ПТК специализированной САУГ может отличаться от структуры ПТК в составе АСУТП блока. Возможно совмещение функций всех АРМ в одном комплексе.
В разделе Щ9 дано краткое описание функционирования приведенной на рисунке Щ.2 структуры ПТК САУГ.
Щ.4.1.4 Для оборудования, управляемого САУГ, на верхнем уровне ПТК должны решаться задачи:
- оперативного контроля состояния технологического оборудования горелок, оперативного ДУ оборудованием горелок, пуска программ логического управления горелками, а также все неоперативные функции подсистемы (регистрация, протоколирование и т.п.) и связи с другими внешними системами.
На нижнем уровне ПТК должны решаться задачи:
- сбора и предварительной обработки информации, реализации команд ДУ, логического управления, защиты, блокировки, автоматического регулирования.
Щ.4.1.5 Алгоритмы функций управления должны быть распределены по стойкам соответствующего уровня управления с учетом минимизации потоков информационного обмена и повышения структурной надежности реализации функции управления.
Щ.4.1.6 Рядом с горелками на площадках управления горелками должны устанавливаться шкафы местного управления.. Можно устанавливать один шкаф на несколько горелок.
В шкафу должны устанавливаться органы управления ЗЗУ, а также обеспечивающие ДУ отключающими устройствами подачи топлива в газомазутную горелку.
Щ.4.1.7 Устройство связи с объектом горелок можно размещать вблизи горелок или в неоперативных помещениях щитов управления - ГЩУ, БЩУ.
Щ.4.1.8 Если УСО горелок установлены вблизи горелок, то к УСО в этом случае должны предъявляться повышенные требования по стойкости к внешним воздействиям (п. Щ7.1.4).
Щ.4.2 Функции САУГ (применительно к оборудованию горелок)
Щ.4.2.1 Информационные функции.
Микропроцессорное устройство САУГ должно обеспечить выдачу оператору-технологу информацию о (об):
- готовности программ к выполнению;
- отсутствии условий, разрешающих выполнение программ;
- процессе выполнения программы;
- фактах приостанова программы с расшифровкой первопричины приостанова и формированием предупредительной сигнализации;
- принудительном пуске или приостанове выполнения программ от ТЗ с формированием аварийной или предупредительной сигнализации;
- завершении программ;
- работе ТЗ и ЗБ с формированием аварийной или предупредительной сигнализации;
- состоянии арматуры;
- текущем режиме управления регулирующим органом (автоматическое, дистанционное);
- положении регулирующего органа, а для регулятора верхнего уровня каскадной схемы - о значении аналогового выходного сигнала интегратора;
- текущем значении величины разбаланса регулятора;
- текущем значении заданной величины регулируемого параметра в физических величинах регулируемой величины.
Щ.4.2.2 Управляющие функции.
Общие положения
В САУГ применительно к оборудованию горелок должны реализовываться следующие управляющие функции:
- дистанционное управление;
- логическое управление;
- технологические защиты и защитные блокировки;
- автоматическое регулирование (для горелок, оснащенных регулирующей арматурой на трубопроводе подачи топлива в горелку);
Команды управления ИУ должны формироваться в соответствии со следующими уровнями приоритетов задач управления (перечислены в порядке убывания уровня):
- команды ТЗ и ЗБ;
- команды логического управления САУГ;
- команды ДУ ИУ с пульта АРМ ОТ;
- команды ДУ ИУ с шкафа местного управления при наличии разрешения с пульта АРМ оператора - технолога на управление по месту.
Формирование команды более высокого уровня приоритета должно отменять действия команды низкого уровня.
Определение приоритетов команд должно производиться программными средствами САУГ.
При формировании команд должны выполняться следующие временные характеристики:
для ДУ:
- максимальная задержка прохождения команды от кнопки ВБУ до ИУ - не более 0,5 с;
- максимальная задержка от момента нажатия оператором-технологом кнопки ВБУ до получения подтверждающей информации на дисплее АРМ ОТ - не более 1,5 с;
для ТЗ:
- максимальная задержка прохождения команды от задачи защиты до ИУ - не более 0,1 с;
для автоматического регулирования:
- диапазон изменения длительности управляющего импульса - 0,2 - 3,0 с;
- дискретность изменения длительности управляющего импульса - 0,05 с;
- минимальное значение паузы между управляющими импульсами - 0,3 с.
Дистанционное управление ИУ горелок
Объектами управления функции ДУ являются ИУ горелок - задвижки, ПЗК, электромагнитные клапаны, регулирующие органы на линиях подачи газа, мазута и воздуха в горелки.
Функция ДУ должна воспринимать команды оператора по управлению устройствами в соответствии с заданными приоритетами, формировать команды управления в схемы управления ИУ. По состоянию конечных выключателей и другой дополнительной информации формировать сигналы состояния ИУ для отображения на видеограммах АРМ, регистрации состояния.
Дистанционное управление должно осуществляться оператором-технологом с пульта оперативного контура управления АРМ ОТ, управления и со шкафа местного управления (ШМУ).
Дистанционное управление с АРМ и с местного шкафа должно производиться через ПТК АКИПИА.
Дистанционное управление с местного шкафа может производиться после получения разрешения от оператора-технолога, при этом ДУ с пульта оператора должно блокироваться.
Факт передачи пуска программ логического управления на ШМУ должен сигнализироваться на дисплее АРМ ОТ и на ШМУ.
Основными средствами формирования команд ДУ на АРМ ОТ должны быть устройства координатного указания «мышь».
Дополнительным средством формирования команд ДУ на АРМ ОТ должны быть унифицированные стандартные клавиатуры ПК.
Команды ДУ ИУ должны обрабатываться с учетом приоритетов управления.
ТЗ и ЗБ
Общекотельные защиты реализуются отдельно в соответствующей подсистеме ТЗ АКИПИА блока и от этой подсистемы сигнал поступает в САУГ.
В составе САУГ должны быть реализованы следующие ТЗ и ЗБ:
- невоспламенение или погасание факела любой газовой горелки растопочной группы при растопке котла без ПЗК у газовых горелок;
- невоспламенение первой или погасание факела всех газовых горелок, оснащенных ПЗК и ЗЗУ, или всех мазутных горелок, оснащенных ЗЗУ, при растопке котла;
- невоспламенение или погасание факела газовой горелки или мазутной горелки, оснащенной всережимным ЗЗУ;
- запрет розжига любой газовой горелки, не относящейся к растопочной группе, пока все горелки растопочной группы не будут включены в работу - для котлов без ПЗК у газовых горелок;
- прекращение и запрет подачи топлива в горелку в случае полного закрытия шибера на линии подвода воздуха к этой горелке;
- запрет подачи топлива в горелку при отсутствии факела запального устройства этой горелки;
- запрет подачи топлива в горелку при наличии ложного сигнала от датчика факела горелки;
- запрет открытия второго запорного устройства по ходу топлива перед горелкой при неоткрытом первом;
- блокировки запорного устройства на трубопроводе безопасности газовой горелки;
- блокировки паровой и мазутной магистралей мазутной горелки.
Логическое управление
Функция логического управления должна:
Воспринимать команды оператора по:
- выбору групп горелок;
- выбору горелок;
- выбору вида топлива, на котором разжигаются горелки;
- выбору программ автоматического пуска или отключения горелок;
- пуску программ автоматического пуска или отключения горелок;
Формировать команды управления в схемы управления ИУ через схему выбора приоритетов и систему ДУ ИУ;
Формировать сигналы о(об):
- готовности программ к выполнению;
- отсутствии условий, разрешающих выполнение программ;
- процессе выполнения программы;
- фактах приостанова программы с расшифровкой первопричины приостанова;
- принудительном пуске или приостанове выполнения программ от ТЗ;
- завершении программ.
Пуск программ логического управления горелками должен осуществляться с пульта оперативного контура управления - АРМ ОТ. Допускается осуществлять пуск программ логического управления горелками и со ШМУ горелками.
Пуск программ логического управления со ШМУ может производиться оперативным персоналом после получения разрешения на управление от оператора-технолога.
Разрешение на пуск программ логического управления со ШМУ должно поступать с пульта АРМ ОТ, при этом пуск программ логического управления с пульта АРМ ОТ должен блокироваться.
Факт передачи пуска программ логического управления на ШМУ должен сигнализироваться на дисплее АРМ ОТ и на ШМУ.
Автоматическое регулирование
Автоматические регуляторы должны быть реализованы по стандартным законам (П, ПИ) совместно с исполнительным механизмом постоянной скорости и формировать импульсные управляющие команды «больше», «меньше» на регулирующие устройства.
Каждый контур регулирования должен быть связан с отдельным ВБУ, обеспечивающим следующие функции отображения состояния и управления режимами работы контура АСР:
- индикацию текущего режима управления регулирующим органом (автоматическое, дистанционное);
- индикацию положения регулирующего органа, для регулятора верхнего уровня каскадной схемы - отображение значения аналогового выходного сигнала интегратора;
- индикацию текущего значения величины разбаланса регулятора;
- индикацию текущего значения заданной величины регулируемого параметра в физических величинах регулируемой величины;
- переключение режима управления регулирующего органа «ДУ» - «Автоматическое регулирование»;
- дистанционное управление регулирующим органом командами «больше», «меньше».
Автоматическая система регулирования должна иметь возможность автоматического ввода в работу по разрешающему признаку, формируемому логическими задачами.
Автоматическое отключение АСР с переходом на ДУ регулирующим органом должно осуществляться в следующих случаях:
- при отказе измерения регулируемого параметра;
- при отказе или отсутствии питания схемы управления регулирующим органом;
- при частичной неисправности ПТК с сохранением функции ДУ.
Автоматическое отключение АСР должно сигнализироваться на видеограммах дисплеев АРМ ОТ.
Щ.4.2.3 Вспомогательная (сервисная) функция
Вспомогательная (сервисная) функция - непрерывный автоматический контроль функционирования компонентов ПТК (в том числе сбор и обработка данных о состоянии и функционировании технических и программных средств ПТК).
Функция обеспечивает диагностику состояния технических средств управления с точностью до элемента замены.
Щ.5 Требования к видам обеспечения САУГ
Щ.5.1 Требования к техническому обеспечению
Щ.5.1.1 Комплекс технических средств САУГ должен быть достаточным для реализации всех функций, указанных в настоящих Технических требованиях.
Щ.5.1.2 Технические средства должны обеспечивать возможность осуществления нескольких иерархических уровней управления и иметь модульную структуру, что обеспечивает живучесть системы при отказах и простоту ее обслуживания.
Щ.5.1.3 Комплекс технических средств САУГ как составной части АСУТП должен включать все основные компоненты АСУТП:
- датчики дискретных и аналоговых сигналов;
- устройства ввода/вывода (связи с объектом);
- устройства передачи данных (кабели, цифровые шины);
- устройства накопления и обработки информации (МПУ АУТ);
- шкафы управления, установленные на площадках обслуживания управлением горелок;
- устройства представления информации (видеотерминалы, сигнальные табло);
- устройства связи оператора с технологическим объектом (клавиатура формирования команд управления и вызова информации, кнопки местного щита управления).
Щ.5.1.4 Микропроцессорное устройство АУТ должно принимать следующие входные сигналы:
- дискретный («сухой
контакт»), рассчитанный на напряжение переменного тока
при токе не менее 5
мА;
- дискретный (потенциальный),
рассчитанный на напряжение переменного тока
при токе не менее 10 мА;
- дискретный («сухой контакт»), рассчитанный на напряжение постоянного тока 24 В ± 5 % при токе не менее 10 мА;
- аналоговый унифицированный токовый сигнал 0 - 5 мА, 4 - 20 мА.
Щ.5.1.5 Входы, рассчитанные на прием аналоговых сигналов, в течение неопределенно длительного времени должны выдерживать без повреждения перегрузку, равную 150 % верхнего значения диапазона изменения входного сигнала любой полярности.
Щ.5.1.6 Входное сопротивление УСО для унифицированного токового сигнала должно быть:
- 0,2 - 2,5 кОм для тока 0 - 5 мА;
- 0,1 - 1,0 кОм для тока 0 - 20 (4 - 20) мА.
Щ.5.1.7 Микропроцессорное устройство АУТ должно выдавать следующие управляющие типы сигналов:
- «сухой контакт», рассчитанный на напряжение 220 В переменного тока при мощности 100 В ∙ А и cosφ 0,8, нагрузка индуктивная (для управления пускателями);
- «сухой контакт», рассчитанный на напряжение 220 В переменного тока и ток 1,0 А (для управления электромагнитами);
- «сухой контакт», рассчитанный на напряжение постоянного тока до 110 В при токе до 0,3 А (для управления табло сигнализации ТСС);
- бесконтактный ключ с коммутирующей способностью 24 В при токе до 300 мА, при подаче рабочего напряжения на электродвигатели через тиристорные усилители.
Щ.5.1.8 Все электрические цепи входных устройств должны иметь гальваническое разделение между собой, должны быть отделены от выходных цепей и «земли».
Рабочее напряжение гальванической развязки должно быть не менее:
- 100 В для аналоговых цепей;
- 500 В для дискретных сигналов 24 В;
- 1000 В для дискретных сигналов 220 В.
Для дискретных сигналов допустима групповая гальваническая развязка.
При формировании управляющих сигналов все электрические цепи выходных устройств должны иметь гальваническое разделение между собой, а также должны быть отделены от входных цепей и «земли». Рабочее напряжение гальванической развязки должно быть не менее 1000 В.
Щ.5.1.9 Кабели связи между датчиками, сборками задвижек, местными щитами управления и МПУ АУТ, УСО должны обеспечивать эффективную защиту от помех, вызываемых электромагнитными полями.
Щ.5.2 Требования к программному обеспечению
Щ.5.2.1 Программное обеспечение АУТ должно состоять из базового ПО, независящего от характера технологического процесса, и прикладного ПО, решающего задачи АУТ.
Щ.5.2.2 Все программное обеспечение должно сопровождаться исчерпывающей эксплуатационной документацией согласно системе стандартов ЕСПД (группа 19).
Должно быть обеспечено сопровождение программного обеспечения со стороны разработчиков.
Щ.5.2.3 Программное обеспечение должно содержать библиотеку типовых алгоритмов реализации функций САУГ, предназначенных для выполнения конкретных проектов АСУТП путем редактирования этих алгоритмов пользователем.
Щ.5.2.4 Должна быть обеспечена защита программного обеспечения от ошибочных действий персонала, в частности должно блокироваться внесение непредусмотренных изменений в процессе функционирования АУТ.
Внесение изменений в прикладное ПО в части логических алгоритмов управления должно производиться только после автономной отладки и исключительно на остановленном оборудовании.
Щ.5.2.5 В каждом МПУ должна быть заложена программа самодиагностики, предназначенная для обнаружения отказов датчиков, источников питания, аналого-цифровых преобразователей, запоминающих устройств и др.
Щ.5.2.6 Программное обеспечение МПУ АУТ должно обеспечивать безотказное функционирование КТС и удовлетворять требованиям к пятому (нормальному) уровню безопасности ПО согласно [2].
Щ.5.3 Требования к информационному обеспечению
Информационное обеспечение должно быть достаточным по объему для выполнения соответствующих функций АУТ.
Щ.5.3.1 Для предоставления информации оператору-технологу должны использоваться следующие формы отображения:
- изображения на цветных видеотерминалах;
- сигнализация на сигнальных табло (для специализированных САУГ);
- отображение информации на обобщенной мнемосхеме (для специализированных САУГ);
- показания приборов (для специализированных САУГ);
- звуковые сигналы.
Щ.5.3.2 На видеотерминалах должны применяться следующие виды изображений:
- фрагменты мнемосхемы (видеокадры) топки котла с изображением всех (части) горелок котла;
- фрагменты (видеокадры) конкретных горелок котла;
- текстовые сообщения.
Кроме того, могут применяться изображения виртуальных клавишных полей и другие.
Щ.5.4 Требования к лингвистическому обеспечению
Щ.5.4.1 Лингвистическое обеспечение должно предоставлять удобные средства общения персонала с техническим комплексом.
Щ.5.4.2 Для представления информации должны использоваться общепринятые в отрасли символы, сокращения терминов, условные обозначения.
Щ.5.4.3 Для описания технологических алгоритмов САУГ должны широко использоваться стандартные бланки (формы), разработанные создателями МПУ АУГ или специальные графические объектно-ориентированные языки.
Щ.6 Требования к надежности и безопасности САУГ
Щ.6.1 К ПТК АУГ, в составе которой реализуется ряд ТЗ и ЗБ, предъявляются повышенные требования к надежности, живучести, ремонтопригодности.
Щ.6.2 Технологические защиты и ЗБ подразделяются на две группы:
- группа А, где ТЗ и ЗБ срабатывают в аварийных ситуациях, создающих опасность для жизни персонала и сохранности оборудования;
- группа Б, где ТЗ и ЗБ срабатывают в аварийных ситуациях, создающих опасность повреждения оборудования или сокращения его ресурса.
Перечень ТЗ и ЗБ с указанием к какой из групп они относятся приведен в Щ10.
Щ.6.3 Показатели аппаратной надежности отдельных каналов МПУ АУГ, где реализованы защиты и блокировки, приведены в таблице Щ.1.
Таблица Щ1
|
ТЗ и ЗБ, реализуемые в МПУ АУГ |
Вероятность несрабатывания при запросе, не более |
Параметр потока ложных срабатываний, 1/год не более |
|
|
Критический отказ |
Некритический отказ |
||
|
Группа А |
0,002 |
0,01 |
0,02 |
|
Группа Б |
0,007 |
0,03 |
0,05 |
Критическим отказом ТЗ и ЗБ является несрабатывание при запросе хотя бы одного из особо важных в технологическом отношении ИУ рассматриваемой ТЗ или ЗБ по вине аппаратных средств МПУ АУГ; критический отказ может привести к тяжелым последствиям для персонала и технологического оборудования, если персонал не сумел вовремя продублировать команду МПУ АУГ на данное ИУ.
Некритическим отказом ТЗ и ЗБ является несрабатывание при запросе хотя бы одного из ИУ рассматриваемой ТЗ или ЗБ по вине аппаратных средств МПУ АУГ, однако, наличие последовательно установленных ИУ, имеющиеся резервы времени и ресурсы оперативного персонала дают возможность не допустить или устранить последствия такого отказа.
Показателями аппаратной надежности КТС САУГ (кроме функций ТЗ и ЗБ) являются средняя наработка на отказ и среднее время восстановления устройств, реализующих данную функцию. Значения этих показателей приведены в таблице Щ.2.
Таблица Щ2
|
№ п.п. |
Подсистема, формулировка отказа |
Средняя наработка на отказ, тыс. ч, не менее |
Среднее время восстановления, ч, не более |
|
1 |
Сбор и первичная обработка аналоговой информации: |
||
|
отказ одного канала |
30,0 |
1 |
|
|
одновременный отказ двух и более каналов в одном УСО |
100,0 |
1 |
|
|
одновременный отказ всех каналов одного УСО |
200,0 |
1 |
|
|
2 |
Сбор и первичная обработка дискретной информации: |
||
|
отказ одного канала |
30,0 |
1 |
|
|
одновременный отказ всех каналов одного УСО |
200,0 |
1 |
|
|
3 |
Передача данных по интерфейсным каналам: |
||
|
невозможность обмена данными между двумя любыми абонентами сети |
50,0 |
1 |
|
|
невозможность обмена данными между тремя и более абонентами сети |
100,0 |
1 |
|
|
4 |
Предупредительная и аварийная сигнализация: |
||
|
отказ одного канала |
30,0 |
1 |
|
|
одновременный отказ более одного канала |
100,0 |
1 |
|
|
5 |
Отображение информации оператору-технологу: |
||
|
невозможность вызова одной видеограммы |
10,0 |
1 |
|
|
отсутствие динамической информации по одному каналу |
10,0 |
1 |
|
|
невозможность вызова всех видеограмм одного АРМ ОТ |
200,0 |
1 |
|
|
6 |
Автоматическое регулирование: |
||
|
отказ одного контура АР |
20,0 |
1 |
|
|
одновременный отказ всех контуров АР в пределах одного контроллера |
50,0 |
1 |
|
|
7 |
Логическое управление: |
||
|
отказ одного алгоритма логического управления |
20,0 |
1 |
|
|
одновременный отказ всех программ одного контроллера |
50,0 |
1 |
|
|
8 |
Дистанционное управление: |
||
|
невозможность управления по одному каналу |
200,0 |
1 |
|
|
невозможность управления по двум и более каналам |
300,0 |
1 |
|
|
ложное срабатывание по одному каналу |
1000,0 |
0,5 |
Щ.6.4 Могут быть использованы следующие рекомендации повышения надежности:
- выбор комплектующих элементов блоков, модулей, устройств передачи информации с высокой надежностью;
- увеличение аппаратной, информационной, функциональной и алгоритмической избыточности, обеспечивающей работоспособность деградировавших систем при единичных отказах без останова оборудования;
- повышение надежности программных средств;
- развитие системы диагностики технических и программных средств ПТК;
- выполнение защиты от выдачи ложных команд и ложной информации;
- использование специальных избыточных кодов для защиты информации в процессе обмена;
- повышение резервирования в стойках, выполняющих наиболее ответственные программы по защите технологического оборудования;
- применение специальных методов трассирования кабельных связей, исключающих прокладку резервируемых линий в одном коробе, лотке и т.д.;
- диагностирование периферийного оборудования АКИПИА;
- контроль информации на входе;
- хранение наиболее важной информации и программ в энергонезависимом запоминающем устройстве и реализация постоянного контроля за целостностью хранимой информации.
Щ.7 Требования к эксплуатации САУГ
Щ.7.1 Требования к защите от влияния внешних воздействий
Щ.7.1.1 Технические средства нижнего уровня ПТК АУГ должны отвечать требованиям ГОСТ 13033 и надежно функционировать при следующих показателях окружающей среды:
- рабочая температура окружающей среды, °С +10 - +40;
- предельная температура (кратковременное изменение на период не более 2 ч), °С +5 - +50;
- относительная влажность воздуха, % 30 - 75;
- предельная влажность воздуха, % 20 - 80;
- атмосферное давление (группа Р1), кПа 84,6 - 106,7;
- вибрация в диапазоне частот 0,5 - 50 Гц с амплитудой 0,15 мм (группа № 1);
- внешние магнитные поля постоянного и переменного тока с частотой 50 Гц и напряженностью до 400 А/м;
- внешние электрические поля напряженностью до 10 ± 1 кВ/м;
- содержание пыли в помещениях - в соответствии с требованиями для электротехнических помещений.
Степень защиты КТС АУГ должна быть не ниже IP54.
Щ.7.1.2 Технические средства верхнего уровня ПТК АУГ должны отвечать требованиям ГОСТ 13033 и надежно функционировать при следующих показателях окружающей среды:
|
- рабочая температура окружающей среды, |
- от 15 до 25 °С; |
|
- предельная температура (кратковременное изменение на период не более 4 ч), |
- от 10 до 35 °С; |
|
- относительная влажность воздуха |
- от 20 до 80 %; |
|
- атмосферное давление (группа Р1) |
- от 84,6 до 106,7 кПа; |
|
- вибрация |
- - в диапазоне частот от 0,5 до 50 Гц с амплитудой 0,1 мм; |
|
- внешние магнитные поля |
- постоянного тока и переменного с частотой 50 Гц и напряженностью до 40 А/м; |
|
- напряженность внешних электрических полей |
- до 10 кВ/м; |
|
- содержание пыли в помещениях |
- не выше 1,0 мг/м3 при размере частиц не более 3 мкм. |
Магнитные носители информации должны храниться в металлических шкафах для защиты от воздействия электромагнитных полей.
Щ.7.1.3 Расположенные на площадках обслуживания горелок УСО и ШМУ должны соответствовать ГОСТ 13033, иметь степень защиты IP54 и надежно функционировать при следующих показателях окружающей среды:
|
- рабочая температура окружающей среды |
- от 10 до 50 °С; |
|
- предельная температура (кратковременное изменение на период не более 2 ч) |
- от 5 до 75 °С; |
|
- внешние магнитные поля |
- постоянного и переменного тока с частотой 50 Гц и напряженностью до 400 А/м; |
|
- атмосферное давление |
- от 84,0 до 106,7 кПа. |
Конструктивное исполнение технических средств должно обеспечить защиту от несанкционированного вмешательства в их работу посторонних лиц.
Значения других показателей окружающей среды такие же как для технических средств ПТК АУТ нижнего уровня.
Щ.7.2 Требования к электроснабжению
Щ.7.2.1 Источниками электроснабжения должны быть:
- основной - через АВР от двух независимых вводов сети переменного тока напряжением 380/220 В с максимально допустимыми колебаниями +10 %, -15 % номинального и частотой 50 ± 1 Гц;
- резервный - либо путем инвертирования через АВР от двух независимых вводов постоянного тока (например, напряжением 220 В с максимально допустимыми колебаниями +10, -20 % номинального), либо от специальных для ПТК аккумуляторных батарей.
Способ резервирования уточняется при разработке технического задания на конкретное оборудование.
Датчики САУГ должны запитываться от тех же источников, либо от внутренних источников питания ПТК.
Щ.7.2.2 Работоспособность устройств должна сохраняться при наличии напряжения указанного качества хотя бы на одном из вводов, а также при кратковременных до 5 с отклонениях напряжения питания в пределах +15, -30 % и частоты ±5 Гц.
Щ.7.2.3 При исчезновении питающего напряжения на время до 0,5 с при срабатывании АВР не должно возникать неисправностей в МПУ САУГ.
Щ.8 Перечень входных дискретных сигналов и выходных команд на ИУ, используемые в САУГ на одну горелку.
Таблица Щ3
|
Наименование сигнала (рис. Щ.1) |
Состояние |
Количество сигн. |
Команда |
Количество команд |
|
|
1 |
Быстрозапорный клапан на подводе газа к горелке - 1 |
Открыт, закрыт |
2 |
Открыть, закрыть |
2 |
|
2 |
Задвижка на подводе газа к горелке - 2 |
Открыта, закрыта |
2 |
Открыть, закрыть |
2 |
|
3 |
Задвижка на подводе газа к горелке - 3 |
Открыта, закрыта |
2 |
Открыть, закрыть |
2 |
|
4 |
Задвижка на газопроводе безопасности - 4 |
Открыта, закрыта |
2 |
Открыть, закрыть |
2 |
|
5 |
Электромагнитный клапан ЗЗУ - 5 |
Открыть, закрыть |
2 |
||
|
6 |
Задвижка ЗЗУ - 6 |
Открыта, закрыта |
2 |
Открыть, закрыть |
2 |
|
7 |
Шибер на воздухе - 7 |
Открыт, закрыт |
2 |
Открыть, закрыть |
2 |
|
8 |
Задвижка на подводе мазута - 8 |
Открыта, закрыта |
2 |
Открыть, закрыть |
2 |
|
9 |
Быстрозапорный клапан на подводе мазута к горелке - 9 |
Открыт, закрыт |
2 |
Открыть, закрыть |
2 |
|
10 |
Задвижка на распыл мазута - 10 |
Открыта, закрыта |
2 |
Открыть, закрыть |
2 |
|
11 |
Задвижка на продувке мазутной форсунки - 11 |
Открыта, закрыта |
2 |
Открыть, закрыть |
2 |
|
12 |
Задвижка на продувке мазутной форсунки - 12 |
Открыта, закрыта |
2 |
Открыть, закрыть |
2 |
|
13 |
Задвижка на линии ревизии - 13 |
Открыта, закрыта |
2 |
Открыть, закрыть |
2 |
|
14 |
Факел запальника |
Есть/нет |
2 |
||
|
15 |
Факел газовой горелки |
Есть/нет |
2 |
||
|
16 |
Факел мазутной форсунки |
Есть/нет |
2 |
||
|
17 |
ЗЗУ |
Включить, отключить |
2 |
||
|
18 |
Переключатель в местном шкафу |
Форс, готова к работе/не готова к работе |
2 |
||
|
19 |
Ключи управления арматурой горелки с ШМУ |
Открыть/закрыть |
по 2 для каждой арматуры, |
||
|
20 |
Ключ пуска горелки с ШМУ |
Пуск |
1 |
||
|
21 |
Ключ отключения горелки с ШМУ |
Отключение |
1 |
||
|
Итого: |
62 |
28 |
Щ.9 описание функционирования структуры ПТК САУГ (рисунок Щ.2)
На групповом (блочном) щите управления в оперативном контуре управления располагается АРМ ОТ и АРМ ДИ АСУТП.
Примечание - Применяемые АРМ ОТ, АРМ ДИ, АРМ ПТК, сервер документирования и архива, рабочая станция сервера архива и документ используются также в ПТК АСУТП котла.
АРМ ОТ для САУГ должен выполнять следующие функции:
- прием и обработку информации от контроллеров нижнего уровня;
- обработку команд оперативного дистанционного и автоматического управления оборудования горелок и передачу их на нижний уровень управления;
- отображение состояния технологического оборудования горелок, значений технологических параметров, сообщений сигнализации;
АРМ ДИ предназначен для:
- отображения состояния технологического оборудования горелок на ограниченном количестве фрагментов горелок;
- отображения подробной информации о состоянии и работоспособности элементов ПТК;
- отображения подробной информации о состоянии и работоспособности периферийных устройств АСУТП;
- ручного санкционированного включения/выключения задач защит и блокировок;
- коррекции следующих настроечных параметров задач:
- выдержки времени срабатывания защит и блокировок;
- скорости хода ИУ;
- параметры настройки фильтров входных аналоговых сигналов.
На верхнем уровне АСУТП в неоперативном контуре управления располагается автоматизированное рабочее место конфигурирования и обслуживания ПТК АРМ ПТК.
АРМ ПТК в режиме конфигурирования предназначен для:
- санкционированного доступа к прикладному ПО с целью внесения изменений и дополнений и регистрации внесения изменений;
- ведения и документирования базы данных;
- проведения автономной отладки вновь разработанного или измененного прикладного ПО;
- коррекции следующих настроечных параметров задач:
- выдержки времени срабатывания защит и блокировок;
- контроля за временем хода ИУ;
- параметров настройки фильтров входных аналоговых сигналов.
АРМ ПТК в режиме обслуживания ПТК АСУТП предназначен для:
- отображения подробной информации о состоянии и работоспособности элементов ПТК;
- проведения детальной диагностики функционирования элементов ПТК.
Сервер архива должен выполнять функции:
- сбора и хранения информации о протекании технологического процесса, действиях оператора и задач АСУТП;
- периодической перезаписи накопленной информации на устройстве долговременного хранения большой емкости;
- выдачи по запросу из созданного архива данных за заданный промежуток времени на ЭВМ;
- формирования из информации, сохраняемой на сервере архива, и вывод на печать протоколов по запросу пользователей.
Методические указания по выполнению схем технологических защит теплоэнергетического оборудования ТЭС
Э.1 Общие положения
В работе сформулированы требования к выполнению схем технологических защит теплоэнергетического оборудования ТЭС.
Э.2 Назначение и характеристика ТЗ
Э.2.1 Технологические защиты являются составной частью системы управления технологическими процессами, обеспечивающей безопасную работу оперативного персонала и теплоэнергетического оборудования путем экстренного автоматического перевода защищаемого оборудования в безопасное состояние в случае возникновения аварийной или предаварийной ситуации.
Э.2.2 Каждый теплоэнергетический объект имеет свой набор технологических защит (например, защиты котла, турбины), группа теплоэнергетических объектов, связанна общей технологией производства, имеет общие ТЗ (защиты блока, системы пылеприготовления).
Направление действия защит определяется опасностью возникшей аварийной ситуации: ТЗ может отключать все оборудование или отдельный агрегат или осуществляет разгрузку оборудования на различную глубину (рисунок S.1).
Э.2.3 Подсистема ТЗ решает следующие задачи:
- выявление признака любой из предусмотренных проектом аварийных ситуаций;
- формирование условий срабатывания защиты при возникновении признака аварийной ситуации;
- выполнение программы действия каждой защиты: набора операций, выполняемых на теплоэнергетическом оборудовании при возникновении каждой из аварийных ситуаций и обеспечивающих безопасность обслуживающего персонала и оборудования.
Э.2.4 Для выполнения перечисленных задач каждая защита должна иметь:
- импульсную часть - датчик или несколько датчиков для выявления признака ситуации, в которой защита должна срабатывать;
- логическую часть, где обрабатываются по заданному алгоритму сигналы, сформированные в импульсной части, и формируется условие срабатывания;
- сигнальную часть, где формируется сигнал о срабатывании данной ТЗ;
- исполнительную часть, чаще всего общую для нескольких ТЗ, в которой формируется программа действия ТЗ (одной или нескольких) и сигнал о том, что выполняемся данная программа. Действие ТЗ заключается в формировании дискретных команд на изменение состояния ИУ, которыми являются запорная арматура, выключатели электродвигателей и т.д.
Рисунок Э.1 - Классификация защит по направлению действия
Э.2.5 Основным условием срабатывания любой защиты является появление признака аварийной ситуации: либо изменение состояния одного или нескольких механизмов («Отключение»), либо изменение до определенного значения параметра или соотношения параметров («Повышение», «Понижение»).
Э.2.6 Признак возникновения аварийной ситуации может быть зафиксирован одним или несколькими устройствами контроля (датчиками). Датчиком ТЗ может быть либо датчик дискретного сигнала, либо датчик аналогового сигнала в комплекте с аналого-дискретным преобразователем.
Количество резервирующих друг друга датчиков и схема резервирования определяются требуемой надежностью схемы ТЗ и надежностью используемых датчиков (вероятностью их несрабатывания или ложного срабатывания). Применяются схемы: с одним датчиком, «один из двух», «два из двух» и «два из трех». На рисунке Э.2 даны варианты формирования признака аварийной ситуации при применении датчиков дискретного сигнала.
Обычно для ТЗ выделяются специальные датчики. При выполнении ТЗ на микропроцессорной технике сигнал датчиков ТЗ, обработанный в рамках подсистемы ТЗ, может быть передан в другие подсистемы.
Э.2.7 Защиты, действующие при понижении контролируемого параметра, оперативно выводят на остановленном оборудовании, чтобы не препятствовать пуску защищаемого оборудования. Для большинства таких защит логически или по команде оператора формируется дополнительное условие их срабатывания: «Защита введена в работу».
Ввод-вывод минимальных защит осуществляется либо специальными ПЗ при достижении определенных этапов пуска, либо устройствами автоматического ввода ТЗ. На рисунке Э.2 показан алгоритм такого устройства.
При наличии одинаковых условий ввода и вывода для нескольких ТЗ для них может быть организовано одно общее устройство ввода.
Защиты, не имеющие режимного ввода, вводят в работу подачей напряжения питания в схему ТЗ и на датчики ТЗ.
Рисунок Э.2 - Классификация защит по количеству датчиков и структуре
Э.2.8 Действие защиты заключается в формировании дискретных команд на изменение состояния коммутационной аппаратуры электродвигателей собственных нужд, запорной и регулирующей арматуры. Совокупность этих команд и является программой действия данной защиты. Возможно, что одна и та же программа выполняется при срабатывании нескольких защит.
Действие программы организовано таким образом, что вмешательство в него оперативного персонала невозможно.
На рисунке Э.3 показан алгоритм программы действия ТЗ.
Рисунок Э.3 - Классификация защит по виду команды
Э.2.9 Срабатывание ТЗ сопровождается следующей сигнализацией:
- появлением аварийного звукового сигнала (сирены);
- индикацией названия сработавшей ТЗ (на табло или на экране дисплея);
- индикацией названия выполняемой программы (на табло или на экране дисплея) - необходимость уточняется при проектировании;
- срабатыванием сигнального реле, входящего в состав ТЗ, возврат которого в исходное состояние может быть осуществлен лишь специальной командой дежурного цеха КИПиА; задача этого устройства - контроль первопричины выполнения данной программы. Если данная программа выполняется при срабатывании только одной ТЗ или если срабатывание ТЗ регистрируется с большой разрешающей способностью (например, на МПТ), устройство сигнализации первопричины может не выполняться.
Э.3 Классификация ТЗ
Э.3.1 На рисунках Э.1 - Э.3 показана классификация ТЗ по следующим признакам:
- по направлению действия;
- по структуре:
- количеству датчиков;
- наличию выдержки времени;
- наличию режимного ввода;
- по виду команд.
Э.3.2 В технических условиях на выполнение ТЗ, являющихся заданием на проектирование схем ТЗ, для каждой защиты указываются: контролируемый параметр и ситуация, количество датчиков и схема их включения, наличие и приблизительное значение выдержки времени, наличие и условия режимного ввода и вывода, направление действия.
Для каждой программы действия указываются: исполнительные устройства, на которые подаются команды, вид команды («Открыть», «Закрыть» и т.д.) и ее тип (импульсная, постоянная и т.д.).
В технических условиях указываются также ключи и переключатели, используем в схемах ТЗ.
Вопросы о представлении информации и регистрации для ТЗ решаются в рамках общего проекта системы управления.
Э.4 Общие требования к схемам ТЗ, отключающих оборудование
Э.4.1 Формирование признака аварийной ситуации
Э.4.1.1 Перечень аварийных ситуаций, признак каждой из них и количество датчиков, контролирующих каждый признак, указываются в технических условиях на выполнение защит.
Э.4.1.2 На рисунке Э.4 даны алгоритмы формирования признака возникновения аварийной ситуации с помощью разного количества датчиков дискретного сигнала: одного, двух и трех.
При выполнении ТЗ с одним датчиком (алгоритм № 1) его контакт либо непосредственно используется в схеме, либо подается на устройство гальванического разделения (например, промежуточное реле), которое, кроме разделения, дает возможность увеличить количество приемников сигнала от датчика, если это необходимо.
При выполнении ТЗ с двумя датчиками по схеме «один из двух» (алгоритм № 2) контакты датчиков либо непосредственно используются в схеме, объединяясь путем монтажного «ИЛИ», либо подаются на устройство гальванического разделения, если есть необходимость увеличить количество приемников сигнала от датчиков.
При выполнении ТЗ с двумя датчиками по схеме «два из двух» (алгоритм № 3) контакты датчиков вводят только через устройство гальванического разделения, так как для данной схемы необходимо сигнализировать срабатывание каждого датчика.
При выполнении ТЗ с тремя датчиками (алгоритм № 4) контакты датчиков вводят только через устройство гальванического разделения, так как для данной схемы необходимо дважды использовать информацию о срабатывании, по крайней мере, двух датчиков.
Э.4.1.3 Длительность сигнала о наличии признака аварийной ситуации должна превышать время, необходимое для запуска программы действия защит, поэтому в схемах, выполненных на реле, появление кратковременных сигналов запоминается до поступления информации о запуске программы действия. Например, импульсная информация об отключении генератора вследствие внутренних повреждений запоминается до запуска программы останова блока: срабатывания реле останова блока - РОБ.
Э.4.1.4 При выполнении ТЗ на средствах микропроцессорной техники появляется возможность диагностики исправности параметрических датчиков путем сравнения их сигналов с граничными значениями данного параметра или сравнения между собой сигналов нескольких датчиков одного параметра до сравнения их с уставкой срабатывания защиты. При этом значительно повышается надежность ТЗ за счет более раннего (до достижения уставки) выявления неисправности датчика.
При выходе сигнала датчика за граничные значения датчик немедленно отключается с сигнализацией его неисправности и, если это принято в проекте, изменением структуры, формирующей признак аварийной ситуации: вместо схемы с двумя датчиками - схема с одним, вместо схемы с тремя датчиками - схема с двумя датчиками.
На рисунке Э.5 показан вариант алгоритма обработки сигналов трех датчиков одного параметра. При обнаружении неисправности одного из датчиков при сравнении их сигналов между собой сигнал неисправного датчика исключается из обработки и параметр продолжает контролироваться двумя датчиками.
При наличии только двух датчиков одного параметра сравнение их сигналов между собой не позволяет определить отказавший датчик, если отсутствует дополнительная информация. В этом случае подается аварийный сигнал без реструктуризации системы.
В зависимости от построения системы с уставкой может сравниваться сигнал каждого датчика или один общий сигнал, полученный после сравнения между собой и обработки сигналов всех датчиков данного параметра, участвующих в схемах ТЗ.
Рисунок Э.4 - Алгоритм формирования признака возникновения аварийной ситуации от датчиков дискретного сигнала
Примечания:
- Алгоритм контроля достоверности показаний датчиков выбирается индивидуально для разных ТЗ. Элемент δ здесь эквивалентен допусковому контролю аналогового сигнала по значению и скорости изменения;
А, В - допустимые максимальное и минимальное значения контролируемого параметра V - допустимая скорость изменения параметра; g - допустимое рассогласование между сигналом датчика и средним значением параметра; Z - пороговый элемент с зоной возврата; С, D, Е - уставки срабатывания ТЗ и блокировок
Рисунок Э.5 - Алгоритм обработки аналоговых сигналов датчиков одного параметра
Э.4.2 Организация выдержки времени на срабатывание ТЗ
Э.4.2.1 В технических условиях на выполнение технологических защит указывается выдержка времени на срабатывание некоторых из них (рисунок Э.6).
Если выдержка времени характеризует способность оборудования переносить наличие признака аварийной ситуации или необходима для отстройки от неодновременного отключения одноименных механизмов, она указывается точно.
Если выдержка времени вызвана необходимостью отстройки от АВР, учетом времени разворота механизма или времени транспортного запаздывания, она указывает ориентировочно (например, «до 9 с») и уточняется при наладке.
Рисунок Э.6 - Алгоритм формирования условий срабатывания ТЗ
Э.4.2.2 Выдержка времени реализуется либо с помощью реле времени, либо с помощью блока выдержки времени БВ в УКТЗ, либо программным путем - на МПТ.
Э.4.2.3 Отсчет выдержки времени начинается после появления признака аварийной ситуации при наличии условий режимного ввода ТЗ.
Э.4.3 Организация режимного ввода ТЗ
Э.4.3.1 В технических условиях на выполнение защит, имеющих режимный ввод, указывается либо группа одновременно вводимых защит, к которой относится данная защита (при ручном вводе), либо технологические условия автоматического ввода и вывода этой ТЗ.
Э.4.3.2 Ручной ввод группы защит осуществляется оператором с помощью специального ПЗ, отдельного для каждой группы. Переключатель ввода защит имеет три фиксированных положения, назначаемых в следующем порядке: «Отключено», «Сигнал», «Включено».
При положении переключателя «Отключено» отключены цепи действия и сигнализации всех ТЗ данной группы.
При положении «Сигнал» подключены цепи сигнализации всех защит данной группы. Если при переводе ПЗ из положения «Отключено» в положение «Сигнал» параметр или положение механизмов, контролируемые любой из ТЗ группы, не вошли в норму, подается сигнал о срабатывании соответствующей защиты, но программа ее действия не запускается.
При положении ПЗ «Включено» подключены цепи сигнализации и действия всех защит данной группы.
Переключатели ввода защит устанавливаются в оперативном контуре.
Э.4.3.3 При автоматическом вводе защит выполняется специальное устройство ввода, алгоритм действия которого представлен на рисунке Э.7.
Защита автоматически вводится в работу (разрешается сигнализация ее срабатывания и запуск ее программы действия) при появлении признака ввода (без предварительного контроля срабатывания импульсной части защиты) и остается введенной до появления признака вывода, после чего защита автоматически выводится.
Признаку вывода отдается приоритет перед признаком ввода: при наличии признака ввода и появлении признака вывода ТЗ выводится из работы, при наличии признака вывода и появлении признака ввода ТЗ не вводится.
Рисунок Э.7 - Алгоритм формирования признака автоматического ввода ТЗ
Если несколько ТЗ имеет одинаковые условия автоматического ввода и вывода, для них допускается организация одного общего устройства автоматического ввода. При выполнении схемы на УКТЗ такая организация автоматического ввода создает неудобства при опробовании ТЗ на остановленном оборудовании и не применяется.
В оперативном контуре осуществляется сигнализация - состояния устройства автоматического ввода, включенного или отключенного в зависимости от общей концепции выполнения сигнализации.
Э.4.4 Организация ремонтного вывода ТЗ
Э.4.4.1 Назначение ремонтного вывода - неоперативное отключение действия ТЗ с сохранением сигнализации ее срабатывания (рисунок Э.6). ТЗ, опробование которых предполагается проводить не только на остановленном, но и на действующем оборудовании, обязательно должны иметь ремонтный вывод.
Э.4.4.2 В качестве устройств ремонтного вывода используются контактные накладки, тумблеры. При выполнении технологических защит на средствах микропроцессорной техники ремонтный вывод организуется программным путем и его состояние может быть изменено только с инженерной станции.
Э.4.4.3 Состояние устройства ремонтного вывода контролируется для использования в задаче РАС. Информация о состоянии устройств ремонтного вывода при выполнении их на МПТ регистрируется с указанием времени его изменения и по запросу может быть выведена в оперативный контур.
Э.4.5 Формирование программы действия ТЗ
Э.4.5.1 Программа действия ТЗ может быть общей для нескольких ТЗ или индивидуальной.
Э.4.5.2 К программе действия ТЗ предъявляются следующие требования:
- формировать команды ТЗ на соответствующие исполнительные устройства;
- обеспечивать продолжительность действия команд до тех пор, пока сохраняется причина запуска программы и пока не выполнена самая продолжительная операция данной программы;
- исключить возможность вмешательства оперативного персонала в работу программы до окончания ее действия;
- останавливаться или запрещать действие при запуске программы более высокого приоритета;
- формировать при необходимости импульсные команды заданной длительности.
Э.4.5.3 Команды ТЗ на исполнительные устройства обладают приоритетом перед командами всех других подсистем: дистанционного и функционально-группового управления, авторегулирования, технологических блокировок.
Э.4.5.4 В оперативном контуре может быть выполнена сигнализация запуска программ, отключающих основное оборудование или снижающих его нагрузку.
Э.4.5.5 На рисунке Э.8 дан пример организации программы действия ТЗ.
Э.4.6 Формирование воздействий персонала в схемах ТЗ
Э.4.6.1 В схемах ТЗ предусматривается возможность оперативного аварийного отключения оборудования путем дистанционного оперативного запуска соответствующей программы. Программа запускается импульсным воздействием оператора на ключ или кнопку останова: длительность импульса должна быть достаточной для запуска программы.
Э.4.6.2 Для ТЗ, действующих на глубокую разгрузку оборудования, предусматривается специальный оперативный переключатель (накладка), позволяющий переводить действие этих ТЗ на отключение оборудования.
Э.4.6.3 При возможности сжигания на котле нескольких видов топлива (поочередно или совместно) вид сжигаемого топлива или соотношение количества топлив разного вида при совместном сжигании определяется положением переключателя топлива (ПТ), устанавливаемого в реактивном контуре.
ПТ, используемый в схемах ТЗ, имеет количество положений, равное проектному количеству видов сжигаемого топлива, и устанавливается в положение, соответствующее преобладающему виду топлива, сжигаемого в данный момент. При необходимости формирования информации о совместном сжигании нескольких видов топлива (например, для авторегулирования) устанавливается специальный переключатель топлива, не участвующий в схемах ТЗ.
Рисунок Э.8 - Алгоритм программы действия ТЗ
На газомазутных котлах преобладающий вид сжигаемого топлива может быть определен без помощи ПТ путем контроля расхода газа и мазута (или приведенной разности расхода свежего пара и газа), что должно быть отражено в технических условиях на выполнение ТЗ.
Э.4.6.4 Запрещается устанавливать устройства, позволяющие отключать одну или несколько ТЗ, кроме указанных в пп. Э4.3 и Э4.4.
Э.4.7 Организация двухканальной схемы
Э.4.7.1 На турбинах большой мощности ЛМЗ турбинным заводом предусмотрено устройство раздельного опробования двух параллельно действующих электромагнитов отключения турбины путем поочередного блокирования гидравлических каналов воздействия каждого электромагнита.
Следствием этого явилось выполнение схемы ТЗ, отключающих турбину, в двухканальном варианте: каждая защита формируется дважды с использованием разных датчиков и с воздействием на разные выходные реле защит. На рисунке Э.9 представлен пример двухканального выполнения некоторых ТЗ, действующих на останов турбины.
Рисунок Э.9 - Алгоритм организации двухканальной схемы защит
Э.4.7.2 При двухканальном выполнении защит турбины каждый канал воздействует на «свой» электромагнит всегда, а на «чужой» электромагнит - только, если нет режима «Опробование «своего» электромагнита». На все остальные исполнительные устройства оба канала действуют параллельно. На рисунке Э.21 представлен алгоритм, реализующий программу опробования одного из электромагнитов защиты турбины при двухканальном исполнении схемы защит.
Э.4.7.3 Сигнализация срабатывания каждой защиты формируется однократно параллельным включением воздействий на сигнал от обоих каналов.
Э.4.7.4 Датчики и аппаратура, относящиеся к разным каналам, размещаются на разных панелях и имеют разные источники электропитания.
Э.5 Общие требования к схемам локальных ТЗ
Э.5.1 Локальными принято называть защиты, действующие на отключение отдельных механизмов (дымососов, мельниц, ПН и т.д.), или защиты, действие которых может предотвратить аварийное отключение основного оборудования.
Э.5.2 Требования к схемам локальных ТЗ в основном совпадают с требованиями к схемам ТЗ, отключающих оборудование. Основные отличия следующие:
- как правило, отсутствует необходимость в определении защиты, сработавшей первой;
- для некоторых ТЗ есть необходимость обратного действия после окончания выполнения программы ТЗ и исчезновения причины срабатывания («Повышение уровня в барабане котла до I предела», «Повышение давления свежего пара за котлом» - действие на включение БРОУ, «Повышение давления свежего пара за котлом» - действие на открытие предохранительных клапанов котла и т.д.);
- как правило, не предусматриваются устройства ремонтного вывода.
Э.5.3 Вопрос о выполнении ремонтного вывода для локальных защит решается при конкретном проектировании. Для защит по повышению давления свежего пара за котлом ремонтный вывод не предусматривается.
Э.5.4 К локальным ТЗ относят АВР механизмов собственных нужд. В схемах АВР:
- отсутствуют устройства ремонтного вывода;
- отсутствует необходимость сигнализации срабатывания АВР, так как в оперативном контуре сигнализируется аварийное отключение работавшего механизма и автоматическое включение резервного;
- приняты меры по обеспечению однократности включения резервного механизма;
- устанавливается оперативный переключатель, положение которого характеризует назначение или состояние механизма: «Рабочий», «Резервный», «Отключен». При наличии только двух одноименных механизмов возможна установка либо одного общего переключателя, либо индивидуального переключателя для каждого насоса, при трех одноименных механизмах и более переключатель АВР устанавливается для каждого из них.
Э.5.5 На рисунке Э.10 дан алгоритм АВР двух насосов, имеющих общий переключатель АВР и контроль давления в общей напорной магистрали, на рисунке Э.11 дан алгоритм АВР двух насосов с индивидуальными переключателями и контролем давления до обратного клапана каждого насоса.
Рисунок Э.10 - Алгоритм АВР двух насосов с общим переключателем и контролем давления в напорной магистрали
Рисунок Э.11 - Алгоритм АВР двух насосов с индивидуальными переключателями и контролем давления до обратного клапана каждого насоса
Э.6 Общие требования к схемам защитных блокировок
Э.6.1 Защитными блокировками или блокировками взрывобезопасности называется комплект запретов, налагаемых на управление газовой и мазутной арматурой при растопке котла.
Э.6.2 Защитные блокировки выполняются в соответствии с действующими Правилами безопасности при сжигании природного газа или при сжигании мазута. Они запрещают подачу топлива к котлу или к горелкам, если не выполнены заданные условия, снижающие вероятность возникновения взрывоопасной ситуации.
Э.6.3 Схемы защитных блокировок выполняются в соответствии с алгоритмами, приведенными в действующем руководящем документе.
Схемами не предусмотрено выполнение устройств ремонтного вывода.
Предусматривается сигнализация только о режимах вентиляции топки: «Идет вентиляция», «Топка провентилирована».
Э.6.4 Для котлов с большим количеством горелок по требованию эксплуатационного персонала может быть выполнена сигнализация о том, что не готовы отдельные блокировки для облегчения поиска неисправности.
Э.6.5 Защитные блокировки, общие для всех горелок, вводят автоматически при подаче топлива к котлу, защитные блокировки одной горелки вводят при подаче топлива к этой горелке.
Э.7 Особенности схем ТЗ при выполнении их на разных технических средствах
Э.7.1 Релейная аппаратура
Э.7.1.1 Для обеспечения надежности схем технологических защит питание их осуществляется на напряжении 220 В постоянного тока от аккумуляторной батареи.
Э.7.1.2 В качестве промежуточных реле применяются реле типа РП23, РП24 и действующие с задержкой реле РП251, РП252. Эти реле могут быть заменены на реле типа РП16, РП18. Для реализации выдержки времени используются электромагнитные реле времени типов: РВ112 - РВ143 или моторные реле типа ВЛ.
Для сигнализации и фиксации первопричины срабатывания защит применяются указательные реле РУ21, РЭУ11 или РЭПУ с обмоткой напряжения. Контакты этих реле остаются в сработавшем состоянии после исчезновения причины срабатывания, возврат их в исходное состояние производится персоналом путем механического воздействия на указательное реле.
В качестве устройства ремонтного вывода используется контактная накладка типа НКР-3, позволяющая визуально контролировать разрыв цепи действия защиты.
Вся эта аппаратура размещается на панелях защит, устанавливаемых либо в неоперативном контуре щита управления, либо в специальных помещениях электротехнических устройств.
Э.7.1.3 В качестве датчиков защит используются «сухие» контакты приборов прямого действия (электроконтактных манометров, термометров, сигнализаторов уровня, давления и пр.), контакты сигнальных устройств вторичных приборов, блок-контакты выключателей и пр.
Э.7.1.4 Рассмотрим принципы построения схем на примере защит моноблока.
Все защиты подразделяются на группы, относящиеся к отдельным агрегатам, основного и вспомогательного оборудования:
- общеблочные защиты;
- защиты, действующие на останов котла;
- защиты, действующие на снижение нагрузки котла;
- защиты турбины и технологические защиты генератора;
- защиты питательных насосов;
- защиты БРОУ.
Управление электромагнитами стопорных клапанов турбины также выполняете в объеме технологических защит как отдельная группа.
На рисунке Э.12 дан пример построения схемы общеблочных защит.
Команды на выполнение операций по останову блока подаются контактами выходных реле КСТ, которые включаются при срабатывании любой из защит, действующих на останов блока.
Указательные реле КН1 - КН4 фиксируют срабатывание соответствующей защиты от их контактов включается аварийное табло срабатывания этой защиты. Информация о срабатывании каждой защиты отдельных технологических групп (ПЭН, турбина) фиксируется в схемах защит этих групп.
Контактные накладки S1, S2 служат для ремонтного вывода защит: отключения действия защит на выходные реле КСТ. При этом указательные реле не отключаются.
Из схем электрических защит блока генератор-трансформатор поступает кратковременная (импульсная) информация о срабатывании защиты от внутренних повреждений генератора. Для обеспечения уверенного приема этой информации предусматривается самоудерживание реле KL2, которое отключается только после срабатывания реле КСТ.
Из схемы управления электромагнитами стопорных клапанов турбины в схему общеблочных защит поступает информация об отключении турбины, по которой включается реле KCN, и выдает команду на перевод котла в режим растопочной нагрузки, в том случае, если накладка S3 стоит в положении «Разгрузка».
Включение реле KCN запрещается в случае срабатывания защит останова котла или защит останова блока.
Рисунок Э.12 - Электрическая схема общеблочных защит (лист 1)
↓СК - стопорные клапаны закрыты; ↑СК - стопорные клапаны открыты
Рисунок Э.12 - Электрическая схема общеблочных защит (лист 2)
Если растопочный режим на котле по какой-либо причине не может быть реализован, накладка S3 устанавливается в положение «Останов». В этом случае при отключении турбины срабатывает реле КСТ, производящее останов блока. Следует отметить, что информация об отключении турбины должна быть кратковременной и должна сниматься либо через определенное время (30 с) после закрытия стопорных клапанов, либо после закрытия ГПЗ. В противном случае реле останова блока будет постоянно находиться под напряжением.
Цепь самоудерживания реле останова блока КСТ отключается либо с выдержкой времени после отключения турбины, либо после закрытия ГПЗ (эта информация формируется в схеме управления электромагнитами стопорных клапанов).
На рисунке Э.12 (лист 2) показано выполнение схемы защиты при отключении генератора от сети.
Из схемы электрических защит блока генератор-трансформатор поступает информация об отключении генератора от сети, а также о включенном состоянии генератора. Последняя используется для автоматического ввода защиты.
Реле KLG1 включается во всех случаях при отключении генератора от сети и выдает команду в блок релейной форсировки системы регулирования турбины на форсированное прикрытие регулирующих клапанов в целях удержания турбины на номинальной частоте вращения.
Двухпозиционное реле KQ (как правило, используется реле типа РП8) вводит в действие защиту при отключении генератора из условия, что генератор включен в сеть и открыты стопорные клапаны турбины, и выводит защиту после закрытия стопорных клапанов турбины. Таким образом, если отключение генератора является следствием срабатывания других защит, действующих на останов турбины или блока, защита не срабатывает, так как в этом случае генератор отключается после закрытия стопорных клапанов, когда защита выведена. Реле KLG2 выдает команду на закрытие обратных клапанов турбины (при остановленной турбине команда снимается).
При положении накладки S4 - «Холостой ход» включается реле времени KLT и через 1 с включается реле холостого хода КСХ, контактами которого подаются команды на перевод блока в режим холостого хода. Выдержка времени позволяет отстроиться от срабатывания защит при внутренних повреждениях блока генератор-трансформатор, действующих через реле KL2 на останов блока. Указательное реле КН3 фиксирует перевод блока в режим холостого хода и включает соответствующее табло.
Накладка S4 позволяет перевести действие защиты на останов блока, если режим холостого хода по какой-либо причине не может быть реализован. При этом реле KLG3 включается без выдержки времени. Указательное реле КН4 фиксирует отключение генератора от сети как первопричину действия защиты. Цепь включения КН4 при работе реле KLG3 размыкается контактами КСТ или KL2, чтобы предотвратить срабатывание КН4, когда отключение генератора является следствием срабатывания других защит. При этом реле KLG3 должно быть медленнодействующим (РП252 или РП18) по отношению к реле KL2 для исключения срабатывания КН4 при внутреннем повреждении генератора.
Рисунок Э.13 - Электрическая схема защиты по схеме «два из двух»
На рисунке Э.13 приведена схема защиты по прекращению расхода питательной воды для двухпоточного котла как пример организации защиты по схеме «два из двух». Защита вводится переключателем SAB1 и действует с выдержкой времени, для чего предусмотрено реле времени KLT, общее для обоих потоков.
Организация аварийного сигнала срабатывания защиты и сигнала срабатывания одного из двух датчиков защиты будет рассмотрена ниже (п. Э8.2.4).
На рисунке Э.14 приведен пример организации защиты по схеме «два из трех». Реле сигнализации KLH используется для предупредительной сигнализации срабатывания одного из трех приборов защиты.
Рисунок Э.14 - Электрическая схема защиты по схеме «два из трех»
Исполнительная часть защит, реализующая программу действия, состоит из выходных реле, контактами которых выдаются команды на исполнительные механизмы (двигатели СН, задвижки, клапаны и т.д.). На группу выходных реле действуют защиты, имеющие одну программу действия. В качестве примера на рисунке Э.15 приведена схема исполнительной части защит останова котла.
Реле останова котла KCTN... включаются при действии любой из защит останова котла KLF..., при действии защит останова блока (реле КСТ), а также при отключении котла ключом ручного останова SA1.
После срабатывания реле останова котла самоудерживаются через контакт одного из них (KCTN1). Цепь самоудерживания размыкается не раньше, чем будет выполнена наиболее длительная операция по команде защит, например, закрытие ГПЗ. Тем самым обеспечивается выполнение программы действия защит и исключается возможность вмешательства в нее оператора до полного ее выполнения. Установка коммутационных аппаратов (ключей, накладок и т.д.), отключающих действие выходных реле, не допускается.
Цепь самоудерживания выходных реле сохраняется, пока переключатели ввода защит SAB1, SAB2 находятся в положении «Включено», что обеспечивает срабатывание указательного реле (КН) защиты, сработавшей первой. Питание шинки включения указательных реле EFH (рисунок Э.13) отключается контактом выходного реле KCTN, поэтому указательные реле защит, срабатывание которых явилось следствием останова оборудования, не срабатывают. Таким образом, обеспечивается фиксация первопричины отключения оборудования.
Отключение котла ключом ручного останова SA1 фиксируется указательным реле с токовой обмоткой КНН, контактом которого включается табло «Останов котла ключом». Указательное реле КНС срабатывает во всех случаях работы реле останова котла, кроме воздействия на ключ ручного останова, и включает табло «Аварийный останов котла» (рисунок S.15).
Рисунок Э.15 - Электрическая схема включения выходных реле останова котла
В соответствии с техническими условиями на выполнение защит команда на останов турбины при останове котла защитами поступает сразу, а при действии на ключ ручного останова котла - после понижения давления в камере регулирующей ступени турбины до заданного значения, что дает возможность предотвратить включение БРОУ и открытие импульсно-предохранительных клапанов. Для реализации этого условия предусматривается реле KCTNH. Формирование команды в цепи реле останова турбины показано на рисунке Э.15.
На рисунке Э.16 приведены цепи управления одним из электромагнитов закрытия стопорных клапанов турбины. Второй электромагнит управляется по такой же схеме, но электропитание организовано через другой автоматический выключатель.
Как правило, эти электромагниты потребляют в момент срабатывания постоянный ток 2 А при напряжении 220 В. Для включения электромагнитов используются реле (KCTS1, KCTS2), коммутационная способность контактов которых позволяет коммутировать такие токи (реле типа 8В-6К или РНЕ-66). Электромагнит коммутируется с обоих полюсов, что позволяет избежать его ложного срабатывания при двойном замыкании на землю в цепях управления электромагнитом.
Рисунок Э.16 - Электрическая схема управления электромагнитами стопорных клапанов турбины
Электромагнит не рассчитан на длительное обтекание током, поэтому после отключения турбины напряжение от него отключается контактами реле KLZ1, формирующими признак отключенного состояния турбины: закрыт любой из двух стопорных клапанов ЦВД и любой из двух стопорных клапанов ЦСД. В качестве реле KLZ1 используется реле типа 8В-2К или РНЕ-22 с повышенной коммутационной способностью контактов, причем последовательно включенные контакты этого реле шунтируются цепочкой искрогашения R1 - С1.
Реле KSY1 (РЭС-9, Rобм = 9600 Ом, Iраб = 8,3 - 9,3 мА) контролирует исправность цепи электромагнита, а реле KL1 (РЭС-9, Uном = 6 В) фиксирует его срабатывание.
Э.7.2 Устройства комплектные технологических защит
Э.7.2.1 Устройства комплектные технологических защит созданы в целях повышения надежности, живучести и ремонтопригодности технических средств ТЗ при уменьшении их габаритов.
Применяемые в УКТЗ малогабаритные герметизированные реле типов РЭС-8, РЭС-9 и т.д. выгодно отличаются от применяемых ранее реле серии РП следующими показателями:
- гарантированным ресурсом;
- номинальным напряжением питания;
- объемом профилактического обслуживания;
- габаритными размерами, массой.
Созданные на основе малогабаритных реле унифицированные блоки позволяют реализовать технические условия на выполнение ТЗ, причем надежность подсистемы значительно повышается по сравнению с вариантом выполнения на реле типа РП счет следующих факторов:
- более высокая надежность применяемых реле;
- переход на пониженное напряжение;
- более высокая заводская готовность шкафов защиты;
- расширение объема оперативно диагностируемых элементов схем ТЗ;
- упрощение и убыстрение работ по устранению неисправностей аппаратуры, проводимых путем замены неисправных блоков;
- упрощение работ по опробованию ТЗ.
Таким образом, повысилась ремонтопригодность аппаратуры ТЗ за счет ее блочной компоновки, сократились трудозатраты на обслуживание ТЗ и увеличилась безопасность работы персонала.
Э.7.2.2 Алгоритмы ТЗ реализуются специализированными блоками. В номенклатуру УКТЗ входят следующие типы блоков:
БЗ - блок защит - логическая обработка дискретных сигналов датчиков: одного или двух параллельно (БЗ-1), двух последовательно (БЗ-2) или трех (БЗ-3);
БВ - блок времени - регулируемая выдержка времени;
ББФ - блок указательных реле и фиксации - запоминание событий с включением указательного реле;
БВЗ - блок ввода защит - автоматический ввод и вывод ТЗ;
БИ - блок импульсов - формирование импульсных команд;
БРУ - блок размножения унифицированный - размножение дискретных сигналов;
БС - блок сигнализации - сигнализация срабатывания одного из двух датчиков защиты с централизованной выдержкой времени;
БО - блок опробования - проверка исправности блоков, реализующих ТЗ, цепей аварийной сигнализации.
Команды ТЗ на исполнительные устройства формируются выходными реле, устанавливаемыми в специальных индивидуальных ячейках в шкафу ТЗ.
Э.7.2.3 Каждый шкаф ТЗ рассчитан на установку не более 48 функциональных блоков и не более 54 выходных реле. При необходимости в одном шкафу могут быть размещены несколько групп ТЗ (например, ТЗ, отключающие турбину, и управление электромагнитами стопорных клапанов турбины).
Возможна ситуация, когда одна группа, включающая большое количество ТЗ (например, ТЗ, отключающие котел), располагается в двух соседних шкафах. При этом, как правило, в каждом из шкафов предусматриваются выходные реле защит, реализующие полную программу останова котла. Для котлов большой мощности при большом количестве выходных команд выходные реле защит размещаются в двух шкафах защит таким образом, что в каждом шкафу формируется разный набор команд. В последнем случае при срабатывании выходных реле в одном из шкафов параллельно включенными контактами двух из них подается команда на срабатывание выходных реле, расположенных в другом шкафу. Реализация этой команды контактами двух параллельно включенных реле повышает надежность схемы.
Э.7.2.4 Все контакты, используемые в схемах защит в качестве источника внешней информации и расположенные вне БЩУ и помещения шкафов УКТЗ, например, контакты датчиков, установленных по месту, конечные выключатели задвижек, контакты промреле, фиксирующих отключение двигателей, и т.д. включаются, как правило, на напряжение 220 В постоянного тока. Допускается для этой цели использовать напряжение 24 В постоянного тока.
Все контакты, используемые в схемах защит в качестве источника внешней информации и расположенные на БЩУ, а также вся аппаратура, реализующая логику схем ТЗ, и выходные реле ТЗ включаются на напряжение 24 В постоянного тока.
Для приема информации на разном напряжении существуют разные модификации БЗ: блоки БЗ-М принимают информацию на напряжении 220 В, блоки БЗ-М1 принимают информацию на напряжении 24 В.
Э.7.2.5 Дискретный сигнал от датчиков ТЗ вводится непосредственно в соответствующий БЗ или, если его необходимо использовать в цепях разных блоков, - в БРУ.
Э.7.2.6 Логика схем ТЗ, выполненных на УКТЗ, повторяет логику выполнения схем ТЗ на промреле типа РП и реализуется в блоках таким образом, чтобы все блоки одной группы ТЗ располагались в одном или двух соседних шкафах. На рисунке Э.17 дана структурная схема организации защиты по схеме «два из двух», аналогичная схеме, представленной на рисунке Э.13.
В БВЗ формируется команда на ввод (вывод) ТЗ, в БЗ-2 принимаются дискретные сигналы от двух датчиков о понижении расхода воды, там же размещены сигнальные реле, тумблер ремонтного вывода и выходное реле данной ТЗ. Выдержка времени реализована в БВ. Алгоритм действия ТЗ собирается монтажным путем.
Э.7.2.7 Программа действия ТЗ реализуется на промежуточных реле типа РЭС-8 на 24 В, устанавливаемых в специальных ячейках выходных реле в каждом шкафу ТЗ. Схемы включения этих реле не отличаются от схем включения выходных реле при выполнении ТЗ на релейной.
Рисунок Э.17 - Структурная схема организации защиты на блоках УКТЗ
Э.7.2.8 На рисунке Э.18 приведен образец построения схемы защит турбины на УКТЗ на примере защиты «Понижение температуры свежего пара перед турбиной».
Защита срабатывает при одновременном понижении температуры пара перед стопорным клапаном и за котлом в паропроводе, подведенном к этому стопорному клапану. При наличии двух стопорных клапанов турбины для каждого из них предусматривается независимый комплект защит. На рисунке показан один комплект защиты.
Защита вводится при повышении температуры пара перед стопорным клапаном выше уставки предупредительной сигнализации и выводится после отключения турбины.
Для ввода и вывода защиты установлен блок типа БВЗ (AS2), реле фиксации которого (KQ1) замыкает контакт ввода при появлении условия ввода (при этом размыкается цепь шунтирования входного реле ввода контактом «Т к.1 пр.») или замыкает контакт вывода при появлении условий вывода - замыкании контакта реле-повторителя закрытого положения стопорных клапанов (KL4Z). Контактами реле KQ1 осуществляется включение и отключение цепей защиты при ее автоматическом вводе или выводе: контакты реле KQ1 подготавливают цепи выходных реле защиты, сигнализации, регистрации и выходных реле опробования.
Для облегчения работ по опробованию ТЗ в БВЗ предусмотрена возможность принудительного ввода и вывода ТЗ на остановленном оборудовании.
Защита по схеме «два из двух» реализуется в блоке типа БЗ-2М (2AF1), где формируется команда на выходные реле останова турбины, фиксируется срабатывание защиты с помощью указательных реле КН1 и КН2, формируется информация в схему общеблочных защит о срабатывании одного из двух датчиков (п. Э8.3.4). В БЗ предусмотрена аппаратура для опробования данной ТЗ как в отдельности для каждого канала, так и для обоих каналов одновременно (п. Э9.3).
Для фиксации первопричины срабатывания защит организованы две шинки указательных реле (рисунок Э.18, лист 4). Одна шинка (EFH1) - для ТЗ, действующих одновременно на останов блока и турбины (ТЗ по осевому смещению ротора, по понижению давления в системе смазки, по повышению давления в конденсаторе). Питание с этой шинки снимается при срабатывании реле останова блока (КСТ1). Указательные реле остальных защит подключаются к шинке (EFH2), напряжение с которой снимается после закрытия стопорных клапанов турбины (реле KL5Z).
Шинка EFN1 организуется в схеме общеблочных защит для формирования сигнала о срабатывании одного из двух датчиков защиты (п. Э8.3.4).
Шинка EFS организована для проведения централизованного опробования защит (п. Э9.3).
Рисунок Э.18 - Электрическая схема ТЗ турбины на УКТЗ (лист 1)

Рисунок Э.18 - Электрическая схема ТЗ турбины на УКТЗ (лист 2)

Рисунок Э.18 - Электрическая схема ТЗ турбины на УКТЗ (лист 3)
Рисунок Э.18 - Электрическая схема ТЗ турбины на УКТЗ (лист 4)

Рисунок Э.18 - Электрическая схема ТЗ турбины на УКТЗ (лист 5)
В зависимости от программ, выполняемых при срабатывании различных ТЗ, предусмотрены три разные группы выходных реле, каждая из которых имеет свое реле опробования.
Защита «Повышение давления в конденсаторе турбины» включает реле KCTW1, KCTW2, которые подают команды на останов блока, останов турбины, отключение генератора, закрытие запорной арматуры на линии сброса в конденсатор.
Защиты «Понижение давления масла в системе смазки турбины до II предела» и «Осевое смещение ротора турбины» включают реле KCTW3, KCTW4, которые подают команды на останов блока, останов турбины и отключение генератора.
Команды на реле останова блока при срабатывании защит турбины формируются двумя параллельно включенными контактами разных реле одной группы для повышения надежности схемы.
Все защиты, включая перечисленные выше, действуют на реле отключения турбины KCTS1...KCTS., которые включаются также при действии защит, останавливающих блок и котел, и при отключении турбины ключом. После срабатывания реле останова турбины включаются на самоудерживание, которое снимается через 3 мин после закрытия стопорных клапанов турбины, что обеспечивает возможность выполнения наиболее долгой операции программы останова без вмешательства персонала.
При проектировании выходных цепей ТЗ необходимо иметь в виду, что нагрузка на контакт выходного реле любого блока защит не должна превышать 2 А, что соответствует параллельному включению 9 - 10 выходных реле. В тех случаях, когда необходимо сформировать большое количество командных и информационных воздействий, для чего требуется больше 10 реле, организуется дополнительная группа выходных реле, включаемая контактами по крайней мере двух выходных реле первой группы, контакты включаются параллельно. Реле дополнительной группы формируют наименее ответственные или дублирующие команды ТЗ.
При количестве параллельно включенных выходных реле более четырех для защиты контактов, коммутирующих обмотки этих реле, от перенапряжения при размыкании параллельно их катушкам устанавливаются диоды типа КД202Р.
Э.7.3 Микропроцессорная техника
При проектировании ТЗ на микропроцессорных средствах должны выполняться требования СТО 70238424.27.100.010-2009 и общие указания разделов приложения Э настоящего стандарта.
Э.8 Требования к представлению информации
Э.8.1 Общие требования
Э.8.1.1 В оперативном контуре БЩУ организуется светозвуковая аварийная сигнализация срабатывания каждой защиты. При срабатывании ТЗ основного оборудования (блока, котла и турбины) иногда сигнализируется также наименование выполняемой программы действия ТЗ.
Э.8.1.2 При последовательном срабатывании нескольких ТЗ обеспечивается оперативное и/или неоперативное однозначное определение ТЗ, сработавшей первой.
Э.8.1.3 Для ТЗ, имеющих выдержку времени на срабатывание 20 с и более, может выполняться предупредительная сигнализация о начале отсчета выдержки.
Э.8.1.4 Для ТЗ, выполненных по схеме «два из двух» с использованием датчиков, контролирующих одну величину, сигнализируется факт срабатывания одного из двух датчиков подачей аварийного светового сигнала и предупредительных сигналов: группового светового и звукового. Сигнал отстраивается от возможной неодновременности срабатывания датчиков.
При использовании датчиков, контролирующих разные значения одного параметра: предаварийное и аварийное (например, уровень в ПВД, уровень в демпферном баке), срабатывание только датчика предупредительной сигнализации не является неисправностью и не сигнализируется как неисправность ТЗ, но сигнализируется срабатывание одного датчика, настроенного на аварийную уставку.
Э.8.1.5 Для ТЗ, выполненных по схеме «два из трех», сигнализируется факт срабатывания одного датчика: предупредительные световой и звуковой сигналы. Сигнал отстраивается от возможной неодновременности срабатывания датчиков.
Э.8.1.6 При срабатывании ТЗ выдается инициативная информация в задачи РАС и КДЗ, если они предусмотрены проектом.
Э.8.1.7 В оперативном контуре БЩУ в рамках общей проектной концепции организуется сигнализация положения или состояния ИУ, на которые действуют ТЗ.
Э.8.1.8 Дополнительно к сигналам, указанным в пп. Э8.1.1 - Э8.1.6, на БЩУ организуется сигнализация:
- неисправности электропитания схем ТЗ;
- состояния устройств режимного ввода ТЗ;
- неисправности цепей электромагнитов стопорных клапанов турбины;
- результатов опробования ТЗ при применении специальной системы опробования.
Э.8.2 Выполнение ТЗ на релейной аппаратуре
Э.8.2.1 Срабатывание каждой ТЗ сигнализируется загоранием табло с наименованием данной ТЗ и звуковым аварийным сигналом. Для ТЗ, отключающих основное оборудование или снижающих его нагрузку, дополнительно одновременно с табло сработавшей ТЗ загорается табло с наименованием выполняемой программы, если это предусмотрено проектом.
Э.8.2.2 Защита, сработавшая первой и явившаяся первопричиной отключения оборудования, определяется по срабатыванию ее указательного реле, контакт которого может быть разомкнут только при механическом воздействии персонала. Указательные реле защит, срабатывание которых явилось следствием останова оборудования, не срабатывают, так как при срабатывании выходных реле данной группы ТЗ с них снимается напряжение. На рисунках Э.13, Э.14 показана организация шинки питания указательных реле (EFH).
Э.8.2.3 Сигнализация начала отсчета выдержки времени ТЗ обычно выполняется на отдельных табло или на табло данной ТЗ с предупредительным звуковым сигналом.
В защите, действующей по схеме «два из трех» (рисунок Э.14), срабатывание одного из трех датчиков не приводит к отказу защиты и свидетельствует о неисправности в ее цепях. В этом случае включается предупредительный сигнал от контактов реле KLH. Сигнал должен выполняться с выдержкой времени, обеспечивающей отстройку от разновременного правильного срабатывания датчиков защиты. Сигнал может быть выполнен групповым. В этом случае организуется центральная выдержка времени в схеме сигнализации.
В защите, построенной по схеме «два из двух», срабатывание одного из двух датчиков может явиться как следствием ложного срабатывания этого датчика, т.е. неисправности в цепях защиты, так и следствием несрабатывания второго датчика, т.е. появлением аварийной ситуации.
Сигнализация для схемы «два из двух» организуется следующим образом: включается аварийное табло данной защиты и групповое табло «Сработал один из двух датчиков защиты».
Оператор по другой оперативной информации должен оценить ситуацию на оборудовании и принять соответствующие меры.
Схема организации такой сигнализации приведена на рисунке Э.19. При выполнении схемы сигнализации учтено, что даже при правильной работе схемы срабатывание обоих датчиков может происходить неодновременно. Разновременность работы датчиков не должна приводить к включению сигнала неисправности. Для этого предусматривается групповое реле времени KLT с выдержкой времени до 20 с. Если по истечении заданной выдержки времени второй датчик защиты не сработает, включаются промежуточные реле 1KLTH1, 1KLTH2 и затем реле 2KLTH. Последнее включает групповое табло «Сработал один из двух датчиков защиты».
Реле 1KLTH1, 1KLTH2 включают аварийное табло той защиты, один из датчиков которой сработал, и реле сигнализации KLH1 (KLH...), которое встает на самоудерживание и размыкающим контактом отключает реле времени KLT. Таким образом, KLT оказывается готовым к приему нового сигнала.
Реле включения группового сигнала 2KLTH остается включенным через цепь самоудерживания и контакты реле KLH1 (KLH...) и держит включенным групповое табло до устранения неисправности датчика.
Э.8.2.5 В оперативном контуре предусматривается сигнализация потери напряжения постоянного или переменного тока в цепях ТЗ и сигнал потери напряжения на датчиках ТЗ.
Э.8.2.6 Световая сигнализация состояния устройств автоматического ввода и положения переключателей режимного ввода ТЗ может быть выполнена любым понятным персоналу способом: на табло, лампочках, светодиодах - отдельно для каждого устройства ввода. Состояние ремонтного вывода специальными средствами не сигнализируется.
Рисунок Э.19 - Электрическая схема организации сигнала «Сработал один из двух датчиков защиты» на реле (лист 1)

Рисунок Э.19 - Электрическая схема организации сигнала «Сработал один из двух датчиков защиты» на реле (лист 2)
Э.8.3 Выполнение ТЗ на УКТЗ
Э.8.3.1 Сигнализация срабатывания ТЗ и определение первопричины отключения оборудования на УКТЗ организуется с помощью световых табло так же, как и в релейных схемах (п.п. Э8.2.1, Э8.2.2). Сигнал о срабатывании ТЗ формируется контактом реле-повторителя указательного реле КН1 в блоке БЗ. Факт срабатывания одного из двух датчиков сигнализируется контактом указательного реле КН2 в блоке БЗ-2М.
Табло выполняемой программы включается контактом группового указательного реле.
Э.8.3.2 На лицевых панелях блоков БЗ установлены светодиоды, сигнализирующие срабатывание каждого датчика защиты и самой защиты.
Э.8.3.3 Сигнализация срабатывания одного из трех датчиков защиты организуется по тому же принципу, что и на реле с групповым табло и централизованной выдержкой времени (п. Э8.2.4).
Принцип организации сигнализации на БС показан на рисунок Э.20.
При срабатывании одного входного реле в блоке БЗ-2М, если другое не сработало, срабатывает реле KLH1 в этом блоке и подает напряжение на шинки сигнализации срабатывания одного прибора EFN2 и EFN3, при этом запускается устройство счета времени AT1 в БС.
Если до истечения заданной выдержки времени второе входное реле в БЗ-2М не сработало и напряжение с шинки EFN2 не отключилось, срабатывает устройство счета времени и реле KLT1 в БС. При этом реле KLT1 включает реле KLH1, контактом которого включается групповой сигнал «Сработал один из двух датчиков защиты». Кроме того, от контакта реле KLH1 с небольшой задержкой срабатывает реле KL2, контактом которого включается реле KL1. Контакты реле KL1 задействуются для организации шинки EFN1 в каждом шкафу УКТЗ, в котором установлены блоки типа БЗ-2М. Если количество контактов KL1 меньше, чем количество шкафов, один из контактов размножается в блоке размножения.
При подаче напряжения на шинки EFN1 во всех шкафах в том БЗ-2М, где сработало реле KLH1, срабатывает реле KLH2, фиксирующее неисправность данной ТЗ. При этом загорается табло данной ТЗ, снимается напряжение с шинки EFN2 и отпадает реле KLT1 в БС.
Э.8.3.5 Для организации информации при опробовании ТЗ в оперативном контуре предусмотрены:
- групповое табло «Отмена опробования» при срабатывании неопробуемой защиты;
- табло «Нарушение режима опробования» при задержке на 10 мин опробования одной ТЗ.
Э.8.3.6 В оперативном контуре организуются групповые табло, сигнализирующие возникновение неисправностей электропитания схем:
- табло «Неисправность питания ТЗ» - при исчезновении постоянного тока напряжением 220 В на одном из вводов вводного шкафа питания или при отклонении напряжения 24 В постоянного тока за любым из источников питания любого шкафа УКТЗ на 10 % номинального;
- табло «Земля в цепях питания ТЗ» - при появлении «земли» в цепях 24 В любого шкафа УКТЗ.
Рисунок Э.20 - Электрическая схема организации сигнала «Сработал один из двух датчиков защиты» на УКТЗ (лист 1)

Рисунок Э.20 - Электрическая схема организации сигнала «Сработал один из двух датчиков защиты» на УКТЗ (лист 2)
Э.8.4 Выполнение ТЗ на микропроцессорной технике
Информация, выдаваемая в оперативный контур управления и на рабочее место начальника смены, обслуживающего АСУТП, должна соответствовать указаниям СТО 70238424.27.100.010-2009 и общим требованиям разделов приложения Э настоящего стандарта.
Э.9 Организация схем опробования ТЗ
Э.9.1 Общие требования
Э.9.1.1 Схемы ТЗ должны позволять осуществлять техобслуживание ТЗ путем их периодического опробования как на остановленном, так и на действующем оборудовании. На остановленном оборудовании ТЗ опробуются как с действием на исполнительные устройства, так и с действием только «на сигнал». На действующем оборудовании ТЗ опробуются только «на сигнал».
Э.9.1.2 Опробование ТЗ на остановленном оборудовании проводится таким образом, чтобы охватить как можно больше элементов, включая датчики и ИУ, согласно существующим методикам.
Э.9.1.3 Опробование ТЗ на действующем оборудовании проводится либо путем имитации признака аварийной ситуации на датчике, либо подачей дискретного сигнала на вход схемы ТЗ от датчика или от специального имитирующего устройства.
Э.9.1.4 Опробование ТЗ включает в себя опробование световой аварийной сигнализации.
Э.9.2 Выполнение ТЗ на релейной аппаратуре
Э.9.2.1 Для опробования ТЗ в полном объеме на остановленном оборудовании никаких специальных устройств не предусматривается.
Э9.2.2 При опробовании ТЗ «на сигнал» устройство ремонтного вывода переводится в положение «Отключено».
На рисунке Э.15 показана организация схемы опробования ТЗ «на сигнал». При появлении дискретного сигнала от датчика ТЗ срабатывает ее указательное реле (рисунки Э.13, Э.14) и проверяются ее табло. Цепь выходного контакта ТЗ и срабатывание выходных реле программы при этом не контролируется. Выходной контакт ТЗ контролируется косвенно, так как контактом того же реле включается указательное реле.
Э.9.2.2 На рисунке Э.21 представлена схема опробования одного из двух электромагнитов отключения турбины при двухканальной схеме защит (п. Э4.7). При переводе возвратного ключа SAG1 в положение «Опробование YA1» реле KLC1 включает электромагнит золотника испытания YAS1, который блокирует воздействие YA1 на маслосистему управления турбиной.
После включения YAS1 при нажатом ключе SAG1 срабатывает реле KLC2, контактами которого:
- рвется цепь включения реле KCTS2, включающего второй электромагнит отключения турбины (YA2);
- включается реле KCTS1 включения электромагнита YA1;
- включается реле выдержки времени КТ1.
При успешном включении YA1 уменьшается давление в линии защиты, в результате чего включается реле KQ1 и появляется сигнал «Снижение давления в линии защиты при испытании», одновременно подается команда на реле KLZ1, снимающее напряжение с электромагнита YA1, а также включается цепь самоудерживания реле KLC1.
Для окончания опробования ключ SAG1 переводится в нейтральное положение. После восстановления давления в линии защиты реле KQ1 возвращается в исходное состояние, что приводит к снятию команды с электромагнита YAS1. Золотник испытания также возвращается в исходное состояние.
При отказе электромагнита YA1 срабатывает реле КТ1, подается сигнал «Неисправность электромагнита отключения турбины» и контактами реле KLZ1 снимается напряжение с YA1.
Э.9.3.1 В номенклатуру блоков УКТЗ входит блок типа БО, позволяющий проверить исправность блоков, в которых реализован алгоритм ТЗ, как на работающем, так и на остановленном оборудовании, а также проверить исправность цепей аварийной технологической сигнализации, выполненной на табло типа ТСС. При этом проверяется аппаратура блоков и их разъемы до выходных реле и устройства сигнализации без контроля исправности звукового сигнала.
Э.9.3.2 Дискретный сигнал на вход опробуемого блока может подаваться либо от датчика ТЗ, либо от специального реле опробования, шунтирующего контакт датчика.
Э.9.3.3 Возможны следующие режимы опробования ТЗ или ее элементов:
- от контакта датчика до исполнительного устройства - без применения системы опробования;
- от контакта датчика «на сигнал» с устройством ремонтного вывода в положении «Сигнал» - без применения системы опробования;
- от контакта одного из нескольких датчиков до входного реле в БЗ-2М или в БЗ-ЗМ - без применения системы опробования;
- от контакта датчика до цепей выходных реле с устройством ремонтного в положении «Отключение» - с применением системы опробования при положении «Внешнее опробование» переключателя SAC1 (см рисунок Э.22);
- от контактов реле опробования до исполнительного устройства с устройством ремонтного вывода в положении «Отключение» - с применением системы опробования при положении «Отключено» переключателя SAC1;
- от контактов реле опробования до цепей выходных реле с устройством ремонтного вывода в положении «Отключение» - с применением системы опробования при положении «Опробование» переключателя SAC1.
Э.9.3.4 Для опробования ТЗ от контактов реле опробования в каждом шкафу УКТЗ устанавливается свой БО, с помощью которого опробуются все ТЗ, реализованные на блоках данного шкафа.
Если ТЗ, реализованные в одном шкафу, имеют разные автоматы питания, они разбиваются на группы, каждая из которых опробуется отдельно. В каждую группу может входить до пяти групп параллельно включенных выходных реле, реализующих одну программу действия. Параллельно каждой группе выходных реле ТЗ подключается выходное реле опробования KS. Если схема ТЗ имеет больше пяти программ действия, организуется несколько, но не более трех групп опробования, например, для схемы ТЗ турбины организуется группа собственно ТЗ турбины и группа технологических ТЗ генератора.
Примечания:
- Контроль исправности цепей управления YA1 на схеме не показан.
- Для YA2 и YAS2 схема выполняется аналогично.
Рисунок Э.21 - Организация электрической схемы опробования электромагнита отключения турбины при двухканальной схеме защит (лист 1)

Рисунок Э.21 - Организация электрической схемы опробования электромагнита отключения турбины при двухканальной схеме защит (лист 2)

Рисунок Э.21 - Организация электрической схемы опробования электромагнита отключения турбины при двухканальной схеме защит (лист 3)
Э.9.3.5 Выбор опробуемой группы ТЗ осуществляется переключателем SAC2, который подключает к БО цепи выбранной группы ТЗ. Команда на начало опробования подается переключателем SAC1 (рисунок Э.22).
При этом контактом реле KS1 отключается напряжение 24 В постоянного тока с шинки EFS питания выходных реле защит. После подтверждения обесточения шинки EFS на нее подается пониженное напряжение 6 В постоянного тока контактом реле KSV1, которое другим контактом подает напряжение 24 В с шинки EF3 на шинку ES опробования ТЗ данной группы.
Опробование каждой ТЗ производится путем нажатия кнопки SB2 в соответствующем БЗ. При этом реле опробования в этом блоке (KS) шунтирует контакт датчика, срабатывает вся аппаратура в БЗ, срабатывает реле контроля опробования данной программы KSA, срабатывает схема опробования табло.
При успешном опробовании на БЗ и БО загораются светодиоды, сигнализирующие исправность цепей защиты и аварийной сигнализации.
На рисунке Э.22 (лист 6) показано подключение одного табло типа ТСС-66М к аппаратуре в БО. В схеме сигнализации должны быть предусмотрены реле KL1 и KL2, которые в режиме опробования отключают шинку съема мигания EPDT и шинку звуковой аварийной сигнализации ЕНРТ. При опробовании ТЗ ее указательное реле КН1 подает напряжение на шинку EHPTF и в БО срабатывает реле KLH2. После срабатывания реле К1 в табло его лампы подключаются к шинке мигания. Размыкающим контактом реле KLH2 отключается реле KLH3, после чего включается реле KLH1, которое подает напряжение на шинку EPDTF. Вследствие этого срабатывает реле К2 в табло, переводит лампы на ровное свечение и отключает реле К1, что вызывает отключение реле KLH2. Отключенное состояние KLH2 при включенном KLH1 свидетельствует об исправности аппаратуры табло, что и фиксируется реле контроля исправности цепей сигнализации KSH1 в БО.
Опробование данной защиты заканчивается нажатием на кнопку съема опробования SB1 в БО. При этом разбирается схема опробования данного БЗ и соответствующего табло.
Э.9.3.6 При срабатывании неопробуемой ТЗ подается напряжение на шинку отмены опробования (ESD). При этом срабатывает реле отмены опробования KST1 в БО. Контакты реле KST1 всех блоков БО задействованы на включение центральных реле отмены опробования KST1...KST3 в схеме общеблочных защит. Контактами этих реле отключается питание всех БО. При этом восстанавливается рабочее состояние всех схем ТЗ и аварийной сигнализации.
Для повышения надежности схемы отмены опробования команда на включение этого реле подается не только от указательного реле сработавшей ТЗ через реле отмены опробования (KST) в соответствующем БО, но и от выходных реле, на которые подает команду сработавшая ТЗ. Кроме того, центральные реле отмены опробования включаются при ручном останове котла или турбины.
Э.9.3.7 Для опробования ТЗ, имеющих автоматический ввод, при отсутствии условий ввода в БВЗ предусмотрены кнопки ручного ввода и вывода ТЗ.
Э.9.3.8 В оперативном контуре предусмотрены:
- групповое табло «Отмена опробования» при срабатывании неопробуемой защиты;
- табло «Нарушение режима опробования» при задержке на 10 мин опробования одной ТЗ.
Рисунок Э.22 - Организация электрической схемы опробования ТЗ на УКТЗ (лист 1)

Рисунок Э.22 - Организация электрической схемы опробования ТЗ на УКТЗ (лист 2)

Рисунок Э.22 - Организация электрической схемы опробования ТЗ на УКТЗ (лист 3)
Рисунок Э.22 - Организация электрической схемы опробования ТЗ на УКТЗ (лист 4)

Рисунок Э.22 - Организация электрической схемы опробования ТЗ на УКТЗ (лист 5)
Рисунок Э.22 - Организация электрической схемы опробования ТЗ на УКТЗ (лист 6)

Рисунок Э.22 - Организация электрической схемы опробования ТЗ на УКТЗ (лист 7)
Э.9.4 Выполнение ТЗ на микропроцессорной технике
Микропроцессорные устройства отличаются от других технических средств наличием непрерывной самодиагностики и диагностики исправности и достоверности входных сигналов и выходных команд. Опробование ТЗ, выполненных на МПТ, производится в другом, сокращенном, объеме по сравнению с ТЗ, выполненными на аппаратных средствах: проверяются элементы ТЗ, не контролируемые системой самодиагностики.
Э.10 Размещение элементов схем ТЗ
Э.10.1 Элементы схем ТЗ размещаются в панелях и шкафах по технологическому принципу. Например, ТЗ котла, ТЗ пароводяного тракта, ТЗ турбины, ТЗ блока, локальные ТЗ котла и т.д.
Э.10.2 Разные датчики одного параметра, участвующие в ТЗ, размещаются на разных стендах, имеют разные автоматы питания (АП) и их сигналы передаются по разным кабелям.
Э.10.3 При двухканальном выполнении ТЗ элементы схем разных каналов размещаются в разных панелях.
Э.10.4 Переключатели, участвующие в схемах ТЗ, и ключи отключения оборудования размещаются на пультах управления соответствующим оборудованием в дальнем от оператора ряду аппаратуры.
Э.10.5 Автоматы питания и устройства контроля напряжения устанавливаются либо в панелях и шкафах, где расположена питаемая аппаратура, либо в специальных шкафах питания.
Э.10.6 При размещении элементов схем ТЗ в общих панелях с элементами схем других подсистем для них выделяется часть ряда зажимов с ясной отличительной маркировкой.
Э.11 Требования к организации электропитания схем ТЗ
Э.11.1 Электропитание схем ТЗ должно быть многократно резервировано и не должно пропадать полностью при исчезновении напряжения собственных нужд ТЭС.
Э.11.2 Электропитание датчиков, участвующих в схемах ТЗ, и основных исполнительных устройств ТЗ должно иметь высокую надежность, по возможности такую же, как для электрических схем ТЗ.
Э.11.3 При исчезновении напряжения собственных нужд ТЭС должен быть обеспечен безаварийный останов оборудования: отключение подачи топлива в котел, закрытие стопорных клапанов и клапанов на линиях отбора турбины, включение в работу аварийных маслонасосов смазки турбоагрегата и уплотнений вала генератора, срабатывание (при необходимости) предохранительных клапанов на свежем паре котла. С этой целью электропитание соответствующих ИУ выполняется на постоянном токе. Команда на останов оборудования при исчезновении напряжения собственных нужд организуется либо дистанционно от специальной кнопки в оперативном контуре, либо автоматически по факту потери напряжения.
На объектах, где отсутствует источник напряжения постоянного тока, выполняются схемы, позволяющие «запасать» энергию для выполнения необходимых операций, например, схемы управления отсечными клапанами, получающие электропитание от предварительно заряженных конденсаторов (п. Э11.7).
Э.11.4 Технологические защиты не должны ложно срабатывать при кратковременном (на время АВР) исчезновении напряжения собственных нужд или при самозапуске электродвигателей собственных нужд.
Э.11.5 Должно контролироваться наличие напряжения питания всех элементов системы ТЗ с сигнализацией в оперативном контуре отклонения напряжения за допустимые пределы.
Э.11.6 Электропитание разных датчиков одного параметра должно выполняться от разных вводов питания. При двухканальном выполнении ТЗ электропитание датчиков и аппаратуры, относящихся к разным каналам, должно выполняться от разных вводов питания.
Э.11.7 Требования к электропитанию ТЗ, выполненных на релейной аппаратуре:
- электропитание схем ТЗ осуществляется напряжением 220 В постоянного тока от блочной аккумуляторной батареи. Ввод напряжения питания на панели защит выполняется от двух независимых секций с ручным переключением питающего ввода и контролем напряжения за переключателем.
- в случае отсутствия аккумуляторной батареи (например, в котельных, расположенных отдельно или вдали от аккумуляторной батареи) схемы защит получают питание напряжением 220 В переменного тока. Отсекающие клапаны на линии подвода газа и мазута к котлу, выполняющие защитные функции, закрываются дистанционно путем подачи на электромагнит защелки клапана напряжения 220 В постоянного тока от батареи конденсаторов, предварительно заряженных через специальный блок выпрямления и заряда.
Для электромагнита каждого отсечного клапана (газового и мазутного) предусматривается отдельная батарея конденсаторов, на каждый котел - индивидуальный блок заряда.
При появлении любой команды на закрытие клапана электромагнит защелки ставится под напряжение разряда батареи конденсаторов. При потере напряжения переменного тока реле контроля напряжения с задержкой около 2 с (для отстройки от АВР питающего напряжения) замыкающим контактом подает команду на закрытие клапана. Запасенной энергии конденсаторов достаточно для срабатывания электромагнита защелки, в результате чего закрывается отсечной клапан на газе и котел останавливается.
- каждая группа ТЗ получает питание от отдельного автомата питания с контролем наличия напряжения за ним. В оперативном контуре организуется групповое табло «Нет питания схем ТЗ», которое загорается при понижении напряжения питания любой группы ТЗ до нижнего допустимого предела (187 В).
- для облегчения поиска «земли» в цепях постоянного тока, относящихся к ТЗ, вывод из панели ТЗ к панелям или датчикам, расположенным в другом помещении, рекомендуется организовывать через испытательный зажим.
Э.11.8 Требования к электропитанию ТЗ, выполненных на УКТЗ:
- основным напряжением питания малогабаритных реле, на базе которых выполнены УКТЗ, является напряжение 24 В постоянного тока.
Для питания реле в каждом шкафу защит устанавливаются два вторичных источника питания ВИП 24/10, преобразующие напряжение 220 В переменного тока в 24 постоянного тока. Один из источников питания является рабочим, другой - резервным.
В каждом шкафу защит устанавливается блок контроля питания БКП, который обеспечивает контроль наличия напряжения 24 В постоянного тока на шинах и отклонения его за допустимые пределы, а также контроль появления «земли» в цепях 24 В постоянного тока.
Два блока ВИП и БКП образуют кассету питания схемы защит:
- электропитание контактов датчиков выполняется как на напряжении 24 В, так и на напряжении 220 В постоянного тока (п. Э7.2).
- для обеспечения необходимых уровней напряжения в шкафах защит предусматривается вводной шкаф питания, входящий в комплект УКТЗ. Вводной шкаф имеет стандартное исполнение и рассчитан на подсоединение до 11 шкафов защит.
К вводному шкафу питания подводятся:
- два независимых ввода от щита постоянного тока 220 В;
- два независимых ввода переменного напряжения 380 В;
- переменное напряжение 380 В от аварийного источника питания - АБП.
Автомат бесперебойного питания обеспечивает питание шкафов защит при поте напряжения собственных нужд путем преобразования напряжения 220 В постоянно тока блочной аккумуляторной батареи в напряжение 380 или 220 В переменного тока.
В случае использования АБП с трехфазным выходным напряжением резервные блоки питания в шкафах защит должны подключаться таким образом, чтобы все три фазы АБП были загружены равномерно.
Автомат бесперебойного питания в комплект УКТЗ не входит и должен заказываться отдельно.
Во вводном шкафу питания обеспечивается АВР вводов 380 В переменного тока и вводов 220 В постоянного тока, а также предусмотрен источник питания 6 В постоянного тока для организации цепей опробования.
Во вводном шкафу питания установлено устройство контроля изоляции, которое специальным переключателем может быть подключено к цепям 24 В любого шкафу вместо блока контроля питания этого шкафа.
Э.11.9 Требования к электропитанию ТЗ, выполненных на базе МПТ.
- электроснабжение МПУ ТЗ должно обеспечиваться:
- основное - через АВР от двух независимых вводов сети переменного тока напряжением 380/220 В частоты 50 Гц;
- резервное - от двух независимых вводов постоянного тока напряжением 220 В, инвертированным через АБП.
Количество АБП, их загрузка и подключение определяются при проектировании.
- работоспособность устройств должна обеспечиваться при наличии напряжения заданного качества хотя бы на одном из вводов.
- при АВР питающего напряжения переменного тока с потерей напряжения на время до 1,0 с не должно возникать ложных срабатываний защит и потери информации в памяти МПУ ТЗ.
- при полном исчезновении питания или отклонении его за заданные пределы (+10 % - 15 %) на время более 1,0 с МПУ ТЗ должно отключиться с выдачей сигнала об отключении или (по заказу) с выдачей сигнала на останов оборудования. Повторное включение МПУ ТЗ должно быть санкционированным. При подаче напряжения питания или появлении его после перерыва не должны формироваться ложные выходные команды контроллера.
Ю.1 О контроле вибрации опор подшипников паротурбинных агрегатов
Ю.1.1 Общие положения
Действующий в настоящее время ГОСТ 25364 устанавливает допустимые значения вибрации опор подшипников паротурбинных агрегатов (турбоагрегатов), находящихся в эксплуатации и принимаемых после монтажа или ремонта. Особенностью стандарта по сравнению с действовавшими до последнего времени нормами является переход от контроля вибрации по размаху виброперемещений к контролю по среднеквадратическим значениям виброскоростей опор, установление предельно допустимых для эксплуатации норм вибрации, а также введение диагностического норматива по скачку вибрации, характеризующему начало возникновения какого-либо повреждения.
Современная аппаратура, позволяющая преобразовывать механические колебания в электрические сигналы, существенно расширила возможности измерений и исследований вибрации. Проведенные ОАО «ВТИ» массовые обследования турбоагрегатов мощностью 50 - 800 МВт показали, что вибрация опор состоит из многих гармоник, причем иногда составляющие более высоких гармоник (с частотами 100, 150 Гц) имеют существенные значения амплитуды. В этих условиях применение норм вибрации по размаху виброперемещения приводило к разной оценке вибраций одинаковых амплитуд и частот колебаний в зависимости от того, какую рабочую частоту вращения имеет данный турбоагрегат: например, если вибрация с частотой 100 Гц измерялась на турбине с рабочей частотой вращения 3000 об/мин, то ее норма составляла 30 мкм, а если вибрация той же частоты измерялась на турбине с рабочей частотой вращения 1500 об/мин, то ее норма составляла 50 мкм. С другой стороны, вибрация разных частот колебаний (25, 50, 100, 150 Гц и т.д.), измеренная на одном и том же агрегате, оценивалась одинаково.
Испытания опор типовых турбоагрегатов показали, что значения их динамической податливости существенно различаются. Так для одного и того же турбоагрегата значения абсолютной податливости различных опор отличаются в 3 - 6 раз. Это означает, что одинаковые по значению вынуждающие силы будут вызывать различные размахи колебаний разных опор. В этих условиях контроль вибрации по размаху виброперемещений требовал установления индивидуальных норм вибрации для каждого подшипника турбоагрегата: более жестких норм для опор с меньшей динамической податливостью (передних подшипников турбин) и менее жестких норм для опор с большей динамической податливостью (подшипников РСД и РНД турбин).
Следовательно, для правильного нормирования интенсивности вибрации необходимо учитывать полигармонический состав вибрации опор подшипников, а также существенное различие их динамических податливостей, что невозможно осуществить, используя для контроля вибрации размахи виброперемещений опор. Кроме того, многолетнее нормирование вибрации опор по размаху их перемещений приводило к тому, что в целях обеспечения требующихся нормативов конструкторы турбинных и турбогенераторных заводов шли по пути повышения жесткости опор. В результате при сохранении старых норм остаточных дисбалансов роторов значения размахов колебаний были существенно снижены при сохранении прежних уровней остаточных дисбалансов роторов, т.е. существующий контроль вибрации перестал отражать действительное динамическое состояние агрегата. Возникли также дополнительные проблемы с организацией надежных измерений малых значений виброперемещений в условиях электростанций, оказавшиеся весьма сложными для разрешения.
Исходя из этого, в течение 1960 - 70-х гг. были проведены обширные вибрационные исследования с целью определения наиболее удобного вибрационного параметра, позволяющего создать более совершенные вибрационные нормативы. Таким эффективным параметром для статорных частей вращающихся машин в диапазоне частот 10 - 1000 Гц было признано среднеквадратическое значение виброскорости. На основании этого был создан Международный стандарт ИСО 2372 «Механические вибрации машин с рабочей частотой вращения от 10 до 200 с-1. Основы для разработки нормативных стандартов», который установил, что в качестве критерия оценки вибрации при создании норм вибрации роторных машин с указанными выше частотами вращения следует использовать среднеквадратическое значение виброскорости. На основе этого положения был разработан и выпущен Международный стандарт ИСО 3945, устанавливающий предельно допустимые количественные значения виброскорости для крупных роторных машин.
Ю.1.2 Цель нормирования вибрации
Основная цель нормирования вибрации паротурбинных агрегатов -использование параметров вибрации для диагностики их состояния: констатация нормальной стабильной работы или фиксирование начала возникновения каких-либо повреждений с целью принятия мер для предупреждения развития аварии. Достижение этой цели требует эксплуатации турбоагрегатов с минимально возможным уровнем вибрации подшипников, ибо только такие условия позволяют вести надежный контроль за состоянием машины. Этот принцип нормирования вибрации турбоагрегатов нашел всеобщее признание как у нас, так и за рубежом. Его экономическая целесообразность основывается на резком снижении расходов за счет увеличения длительности межремонтного пробега; возможности экономичной работы турбоагрегата с минимальными зазорами в лабиринтных уплотнениях и минимальными механическими потерями. Статистическая обработка материалов капитальных ремонтов турбинного оборудования показала, что своевременный останов турбоагрегата в 3 - 3,5 раза снижает затраты на капитальный ремонт, не считая потерь, связанных с простоем оборудования.
Ю.1.3 Сопоставление характеристик основных параметров вибрации
Виброперемещение - единственный параметр, не учитывающий частоты вибрации, и поэтому по нему нельзя оценивать полигармоническую вибрацию. Параметр виброперемещение наиболее чувствителен к различиям в конструкции опор, их динамическим свойствам. Увеличение жесткости опор привело к снижению общего уровня их виброперемещений, что при ужесточении норм на вибрацию создало трудности при измерении виброперемещений в условиях влияния различных электромагнитных и других помех, характерных для турбинных цехов электростанций. Виброперемещения опор также не могут служить индикатором задеваний валопроводов о статорные части агрегата, поскольку соотношения колебаний ротора и опоры зависят от отношения их масс, динамических податливостей и отношения частот собственных колебаний ротора и опоры.
Виброускорения являются мерой силового воздействия на опоры и другие детали оборудования. Они имеют большое значение для агрегатов, работающих в условиях высоких напряжений, где нормирование вибрации определяется запасами прочности оборудования. Однако применительно к паротурбинным агрегатам параметр виброускорения вследствие низких его значений для опор подшипников (средние значения виброускорений опор подшипников находятся в пределах от 0,2 до 11,0 м/с2), малой чувствительности при оценке дисбаланса роторов турбоагрегатов - главной причины вибрации турбоагрегатов, не может являться основным и единственным критерием вибрации опор подшипников паротурбинных установок.
Следовательно, целесообразно оценивать интенсивность вибрации статорных элементов паротурбинных агрегатов в диапазоне частот от 10 до 1000 Гц по виброскорости. Виброскорость учитывает частоту вибрации, благодаря чему нормирование по виброскорости представляет собой переход не только к новой количественной, но и качественной оценке вибрации. В отличие от виброускорения, также учитывающего частоту вибрации, виброскорость, являясь промежуточным параметром по отношению к виброперемещению и виброускорению, достаточно хорошо фиксирует присутствие как низкочастотных (например, от дисбаланса роторов), так и высокочастотных составляющих, т.е. пригодна как для оценки балансировки, так и для вибродиагностики. Таким образом, виброскорость как бы «сглаживает» характерные особенности двух других параметров - подчеркивать граничные компоненты вибрационного спектра - или в области низких (виброперемещения), или в области высоких (виброускорения) частот. Этим, в частности, и можно объяснить меньшие разбросы средних значений виброскоростей опор как у турбин разных типов, так и одного типа, т.е. существенно меньшее влияние конструкции опор подшипников на средний уровень виброскоростей. Например, для типовой конструкции современного паротурбинного агрегата при удовлетворительной степени уравновешивания всех роторов виброперемещения его опор, как правило, увеличиваются в направлении от головной части агрегата к генератору, а виброускорения - в обратном направлении. И только виброскорости опор подшипников данного турбоагрегата характеризуются наименьшими отклонениями от заданного среднего уровня.
Ю.1.4 Преимущества параметра виброскорости (среднеквадратического значения)
Параметр виброскорости по сравнению с параметром виброперемещений имеет следующие основные преимущества.
Ю.1.4.1 Учитывается частота вибрации, поскольку амплитуда каждой n-й гармоники виброскорости выражается в виде произведения Vn = An ∙ wn и, следовательно, виброскорость есть мера интенсивности вибрации, определяемая, в частности, через энергию колебательного процесса.
Ю.1.4.2 Большая устойчивость параметра виброскорости к влиянию конструкции опор подшипников, что обеспечивает незначительный разброс уровней виброскоростей опор подшипников разной конструкции (при одинаковой степени силового воздействия) и позволяет установить единое нормативное значение для всех опор подшипников как данного типа турбоагрегата, так и для турбоагрегатов разных типов.
Ю.1.4.3 Более высокая точность и надежность измерений.
Снижение погрешности при переходе к измерению виброскорости осуществляется за счет:
- отсутствия фазочастотной погрешности, составляющей около 8 % при суммарной относительной погрешности измерения размаха колебаний с помощью используемой в энергетике виброаппаратуры ±20 %; в результате суммарная относительная погрешность измерения среднеквадратического значения виброскорости составляет ±10 %;
- нечувствительности показаний аппаратуры к случайным ударам, помехам;
- сужения диапазона измерений при переходе от шкалы 10 - 100 мкм (при измерении размахов колебаний) к шкале 1 - 10 мм/с, а впоследствии и к шкале 1 - 5 мм/с (при измерении виброскорости) с использованием шкалы прибора не в начальной ее части (как для виброперемещений), а в диапазоне от 1/3 до 1/2 ее значения, что приводит к снижению погрешности за счет градуировки и отсчета показаний, устранению перегрузки усилительных цепей и пр.
Ю.1.4.4 Параметр виброскорости пригоден для контроля вибрации любого гармонического состава.
Действительно, учет высокочастотных гармонических составляющих в спектре колебаний подшипников позволяет более правильно оценить интенсивность, опасность вибрации. В качестве примера можно привести случай, когда у турбоагрегата К-300-240 ПО ЛМЗ при размахе колебаний подшипника № 1, равном 20 мкм, одновременно была зафиксирована виброскорость, доходящая до 8 - 10 мм/с. Вскрытие подшипника позволило зафиксировать повреждение вкладыша подшипника. В другом случае повышенное значение виброскорости опоры № 1 турбины К-100-90, доходящее до 12 мм/с при размахе виброперемещений до 40 мкм, было связано с отрывом опоры от фундамента.
В этой связи следует подчеркнуть, что учет высокочастотных составляющих в спектре вибрации путем измерения виброскорости позволяет использовать этот параметр для оценки качества ремонта турбоагрегата: тщательно проведенная ревизия вкладышей подшипников, улучшение прилегания опор подшипников к опорным поверхностям фундамента, улучшение центровки валопровода и спаривания полумуфт даже без проведения балансировочных работ ведут к снижению среднеквадратического значения виброскорости опор подшипников.
Вследствие большей точности и надежности измерений применение параметра виброскорости повышает точность и надежность контроля основной гармоники колебаний (с частотой 50 или 25 Гц), что позволяет надежно использовать его для оценки уравновешенности валопровода турбоагрегата, результатов проведенной балансировки.
Нормированию могут подлежать только стационарные вынужденные колебания, поэтому возможность контроля низкочастотных вибраций следует рассматривать только с точки зрения оценки чувствительности параметра виброскорости к ситуации, при которой низкочастотная вибрация становится опасной для дальнейшей эксплуатации агрегата.
По мере увеличения низкочастотных составляющих вибрации (например, вследствие неравномерных перемещений цапф на масляном слое подшипников в вибрационном спектре) появляются высокочастотные гармоники, что делает параметр виброскорости более чувствительным к нарастанию процесса неустойчивости, чем параметр виброперемещений. С другой стороны, уменьшение выходного сигнала в два раза при непосредственном измерении синусоидальных составляющих низкочастотных вибраций с использованием параметра виброскорости компенсируется повышением точности и надежности измерений. Например, изменение размаха синусоидальных виброперемещений с частотой 25 Гц на 2 мкм соответствует одному делению шкалы (0 - 10 мм/с) прибора виброскорости (0,1 мм/с) и двум делениям в начале шкалы прибора виброперемещений (0 - 100 мкм), измеряющего вибрации с удвоенной погрешностью по сравнению с прибором виброскорости.
В обычных условиях при полигармоническом составе вибрации чувствительность контроля низкочастотных вибраций по виброперемещениям резко снижается. Например, при наложении на оборотную составляющую с частотой 50 Гц и размахом 30 мкм низкочастотной составляющей с частотой 25 Гц и размахом 15 мкм результирующий размах виброперемещений будет не 45 мкм, а в зависимости от фазовых соотношений составляющих 37,5 - 40 мкм, т.е. увеличится не на 50 %, а на 25 - 33 %. При обычно меньшем проценте низкочастотных составляющих изменение суммарного значения вибрации будет на уровне погрешности виброаппаратуры, измеряющей виброперемещения. Если состав вибрации будет более сложным, то чувствительность параметра виброперемещения к низкочастотным составляющим будет еще меньшей.
Ю.1.4.5 Параметр виброскорости позволяет установить единое нормативное значение вибрации для всех подшипников любых типов турбоагрегатов с любой рабочей частотой вращения, а также при контроле вибрации при переменной частоте вращения (во время пуска и останова агрегата). Если в качестве нормативного значения установить среднеквадратическое значение виброскорости Ve, то справедлива зависимость
где An - эквивалентная амплитуда виброперемещения для любой частоты вращения ротора;
ωn - частота вращения ротора.
Например, если Ve = 2,8 мм/с, то для синусоидальной вибрации допустимый размах колебаний опор при частоте 50 Гц будет 25 мкм, а при частоте 25 Гц - 50 мкм. Такой подход особенно важен при использовании вибрационного параметра в системе автоматического контроля работы и защиты турбинного оборудования.
Из формулы (Ю.1) следует, что среднеквадратическое значение виброскорости позволяет сравнивать синусоидальную и полигармоническую вибрацию, однозначно оценивать последнюю через эквивалентное значение виброскорости по формуле
(Ю.2)
где Vэкв - эквивалентное значение виброскорости;
ω - угловая частота, к которой приводится эквивалентное значение амплитуды виброперемещения Аэкв.
Единое нормативное значение виброскорости удобно и при проведении балансировочных работ, поскольку качество балансировки принято оценивать уровнем вибрации во всем возможном диапазоне частот вращения.
Ю.1.4.6 Необходимо отметить универсальность применения параметра виброскорости для оценки вибрации всех статорных элементов турбоустановки. Нормы для фундаментов под крупные турбоагрегаты составлены по закону Аω = 4,5 мм/с, что соответствует Ve = 2,8 мм/с. В стандарте СЭВ нормативным значением вибрации для статоров генераторов принято среднеквадратическое значение виброскорости, равное 4,5 мм/с. Параметр виброскорости включен в санитарные нормы, поскольку критерием воздействия вибрации на организм человека является количество переданной ему колебательной энергии, характеризуемой виброскоростью.
Ю.1.5 Установление нормативных значений вибрации
Установление нормативных значений вибрации осуществлялось на основании опыта эксплуатации турбоагрегатов с учетом основной задачи -диагностирования повреждений в элементах турбоагрегата (включая фундамент) на ранней стадии их возникновения.
В основу положены результаты статистической обработки данных специальных исследований вибрации более 150 турбоагрегатов мощностью 25 - 800 МВт. Было установлено, что совокупность измеренных значений виброскоростей одинаковых опор однотипных турбоагрегатов соответствует характеристике нормального распределения, вследствие чего наиболее вероятным значением параметра вибрации является его математическое ожидание (среднеарифметическое значение).
Разработка стандарта проходила с учетом требований стандарта ИСО 2372-74, согласно которому критерием вибрации является среднеквадратическое значение виброскорости, а значения оценок вибрации должны располагаться на стандартной шкале нормо-чисел с шагом 1:1,6. При сопоставлении полученных среднеарифметических значений виброскоростей опор подшипников турбин с указанной шкалой установлено, что наиболее целесообразным нормативным значением, определяющим условия длительной надежной эксплуатации всех турбоагрегатов, является среднеквадратическое значение виброскорости Vе = 4,5 мм/с, которое соответствует верхней границе среднеарифметических значений виброскоростей опор подшипников всех исследованных турбоагрегатов. Были проанализированы все случаи превышения указанного значения и установлено, что они могут быть устранены в результате виброналадки агрегатов без изменения конструкции последних. Одновременно сочтено целесообразным выделить из общего парка паротурбинных агрегатов установки мощностью 250 МВт и выше, приняв для них более жесткий норматив - 2,8 мм/с.
Реальность выбранных нормативных значений виброскорости была детально проанализирована с точки зрения возможности обеспечения соответствующих этим величинам нормативных уровней гармонических составляющих. В частности, проведенные исследования показали, что нормативное значение вибрации обеспечивается при условии, что основная гармоника не будет превышать 60 % суммарного значения виброскорости, т.е. 2,8 мм/с при норме 4,5 мм/с и 1,8 мм/с при норме 2,8 мм/с. При этом определенный исследованиями средний процент второй гармоники колебаний - 20 %, соответствует существующим конструкциям роторов генераторов. Исключения составляют некоторые двухполюсные роторы генераторов ЛПО «Электросила», что вынудило в ГОСТ 25364 ввести п. 1.4, разрешающий по данной причине увеличение допустимого уровня вибрации при нормальной эксплуатации до 4,5 мм/с (после согласования этого допуска между изготовителем и потребителем в каждом конкретном случае). Была также установлена возможность воздействия на высокочастотные составляющие вибрации (в случае их выпадения из средних значений в 4 - 6 %) путем проведения обычных мероприятий по уменьшению уровня вынуждающих вибрацию сил и повышения качества ремонтных и монтажных операций.
При установлении предельной допустимой границы значений виброскоростей проанализированы экспериментальные данные разброса их значений, характеризуемые среднеквадратическими отклонениями и верхними границами доверительных интервалов, нанесенных на распределение частот встречаемости виброскоростей по каждому компоненту одинаковых опор однотипных турбоагрегатов. На основании сопоставления полученных данных с опытом эксплуатации и наладки турбоагрегатов, а также со шкалой нормо-чисел ИСО, предельно допустимая для эксплуатации всех типов турбоагрегатов виброскорость опор установлена равной 7,1 мм/с. Интервал виброскоростей опор от нормального уровня 2,8 или 4,5 до 7,1 мм/с должен быть использован эксплуатационным персоналом для устранения повышенной вибрации турбоагрегатов в срок, не превышающий 30 календарных суток.
В целях предупреждения развития серьезных аварий турбоагрегата в ГОСТ 25364 введен диагностический признак начала их возникновения - скачок вибрации, вызванный мгновенным разбалансом одного из роторов агрегата - вылетом лопатки или ее куска, либо куска бандажной проволоки. Скачок вибрации устанавливался минимально возможным с точки зрения разрешающей способности используемой виброаппаратуры.
В настоящее время на энергоустановках монтируется стационарная аппаратура для контроля среднеквадратического значения виброскорости опор подшипников. Поскольку шкала измерения аппаратуры от 0,1 до 30 мм/с, а суммарная относительная погрешность измерения виброскорости составляет не более ±4 %, минимально возможное для надежной регистрации скачка виброскорости значение соответствует 1 мм/с, что и указано в ГОСТ 25364. Аппаратура должна включать систему защиты и сигнализации.
Суммарная относительная погрешность аппаратуры для измерения размаха колебаний составляет ±20 %, поэтому с учетом диапазона измерений (10 - 100 мкм) минимальное значение скачка вибрации при контроле виброперемещений пришлось сделать не менее 20 мкм.
Согласно ГОСТ 25364 аппаратура для контроля виброскорости опор подшипников роторных агрегатов с рабочей частотой вращения от 10 до 200 с-1 должна иметь частотный диапазон 10 - 1000 Гц. В наибольшей степени данному требованию удовлетворяют приборы с датчиками, не имеющими резонансов в указанном частотном диапазоне.
Ю.1.6 Основные требования к проведению измерений при контроле вибрации
Наиболее важным объектом контроля и исследований вибрации турбоагрегатов являются опоры подшипников, через которые энергия валопровода передается на фундамент и основание.
Полное представление о вибрации опоры можно иметь по результатам измерений по ее контуру во многих точках. Однако для эксплуатационного контроля эти измерения достаточно осуществить в ограниченном числе точек, расположенных возможно ближе к центру вкладыша подшипника.
Три взаимно перпендикулярных компонента виброскорости в заданной точке опоры, ориентированных относительно оси агрегата, - вертикальный (Vв), поперечный (Vп) и осевой (Vо) - определяют вектор виброскорости в точке замера.
Наиболее представительным местом для оценки колебаний опоры является ее средняя часть, лежащая на пересечении взаимно перпендикулярных осей, проходящих через середину вкладыша подшипника, поэтому в качестве мест установки датчика (точек измерения компонентов вектора) вибрации опоры приняты точки на поверхности опоры подшипника, лежащие на вышеуказанных осях. Вертикальный компонент вибрации следует измерять на верхней крышке подшипника над серединой длины его вкладыша.
Горизонтально-поперечный компонент вибрации следует измерять на уровне оси вала против середины длины вкладыша. Точное измерение этого компонента требует проведения таких измерений с обеих сторон подшипника и усреднения полученных результатов, поскольку поперечная вибрация с левой и правой стороны, как правило, неодинакова. Однако с целью упрощения измерений принято горизонтально-поперечный компонент вибрации измерять только с левой стороны подшипника, если смотреть со стороны переднего подшипника турбины.
Наиболее правильное место измерения горизонтально-осевого компонента вибрации - на уровне оси валопровода у места выхода вала из подшипника. Однако для удобства измерений принято совмещать места измерения обоих горизонтальных компонентов вибрации, что позволяет использовать для этой цели выпускаемые промышленностью двухкомпонентные датчики вибрации.
В некоторых конструкциях подшипников верхние части крышек не имеют жесткой связи с вкладышем. В этом случае вертикальный компонент вибрации приходится измерять там же, где и горизонтальные компоненты вибрации, т.е. на уровне оси вала (подшипника) турбоагрегата против середины длины опорного вкладыша.
Поскольку вибрация - вектор, имеющий как определенное значение, так и направление (фазу), для возможности сопоставления результатов измерения векторов вибрации по разным опорам важно, чтобы при установке датчиков не были перепутаны направления измерений: все датчики горизонтально-поперечных компонентов устанавливают с левой стороны опорного вкладыша, если смотреть со стороны переднего подшипника, а датчики осевых компонентов должны быть одинаково ориентированы по отношению к оси турбины: положительное направление - от головы турбины в сторону генератора.
Вследствие податливости опор и упругого изгиба валопровода турбоагрегата при его работе силы реакции не лежат строго в плоскости, перпендикулярной оси опоры подшипника. Поэтому при работе агрегата часто возникают существенные осевые колебания опор, иногда превышающие остальные компоненты вибрации, а также случаи резонанса опор в осевой плоскости. Все это не может не влиять на общее вибрационное состояние турбоагрегата. Кроме того, осевые компоненты вибрации несут в себе диагностическую информацию. Например, повышенный уровень осевых компонентов смежных подшипников при большом значении составляющих 2-й гармоники колебаний характеризует несоосность (расцентровку) роторов, вид которой может быть определен на основании фазовых соотношений вибрации указанных опор.
Существуют и другие диагностические признаки с использованием осевых компонентов вибрации. Кроме того, осевые вибрации вредно сказываются на работе болтовых соединений, являются причиной появления знакопеременных опрокидывающих моментов при заклинивании перемещений опор и т.п. Поэтому не случайно в международных стандартах ИСО 2372, 3945, в стандартах СЭВ и других вибрационных стандартах имеется четкое требование измерения всех трех компонентов вибрации опор подшипников роторных машин (в том числе и паротурбинных агрегатов): вертикального, горизонтально-поперечного и горизонтально-осевого.
Ю.1.7 Технические условия на выполнение технологической защиты турбоагрегата при повышении виброскорости корпусов подшипников турбоагрегата
Защита по вибрации выполняется для всех турбоагрегатов мощностью 50 МВт и выше по следующим техническим условиям.
Защита срабатывает при повышении среднеквадратического значения виброскорости двух соседних опор по горизонтальной или вертикальной компоненте вибрации или их сочетанию. Под соседними понимают подшипники одного ротора или смежные подшипники разных роторов.
Защита с выдержкой времени 2 с действует на останов турбины. Команда на отключение генератора от сети и гашение его поля при срабатывании данной защиты формируется сразу после закрытия всех стопорных клапанов так же, как при срабатывании защит по осевому сдвигу, понижению давления масла на смазку и т.д.
Уставка срабатывания защиты - 11,2 мм/с. Если применяемая аппаратура контроля виброскорости неудобна для реализации данной величины уставки, она может быть снижена до 10 мм/с.
Защита не имеет режимного ввода и должна быть включена в течение всего времени работы турбоагрегата.
По требованию завода - изготовителя турбины в защите может быть задействована осевая составляющая виброскорости, а также защита может действовать дополнительно на срыв вакуума в конденсаторе.
Для вновь проектируемых ТЭС защита выполняется либо по техническим условиям турбинного завода, либо по данным техническим условиям.
Ю.2 Предложения по выбору аппаратуры, участвующей в схеме технологической защиты турбоагрегата при повышении вибрации
Обеспечение надежности контроля вибрации требует четкого представления о выбираемой и используемой виброаппаратуре и особенностях ее эксплуатации.
Измерять и регистрировать параметры вибрации турбоагрегатов следует с помощью стационарных многоканальных средств измерений для непрерывного контроля виброскорости. Допускается дополнительно контролировать вибрацию турбоагрегатов переносными средствами измерений, в том числе для дублирования измерений, осуществленных стационарными средствами измерений, с целью повышения надежности контроля вибрации.
В состав средств измерений входят датчики вибрации, преобразователи сигналов, устройства для считывания и регистрации показаний.
Средства измерений должны соответствовать требованиям ГОСТ ИСО 2954 и обеспечивать измерение среднеквадратического значения виброскорости по крайней мере от 0,1 до 11,2 мм/с.
Нормативные значения вибрации для оценки вибрационного состояния турбоагрегата приведены в таблице Ю.1.
Кроме того, при выборе аппаратуры измерения вибрации должны учитываться критерии надежности, в особенности, если аппаратура используется в схемах защит по повышению вибрации турбоагрегата.
Таблица Ю.1
|
Максимальное среднеквадратическое значение виброскорости, мм/с |
Ограничение на эксплуатацию |
|
До 4,5 |
Без ограничений |
|
Свыше 4,5 до 7,1 |
Не более 30 сут |
|
Свыше 7,1 до 11,2 |
Не более 7 сут |
|
Свыше 11,2 |
Не допускается |
Предпочтение должно отдаваться приборам с наилучшими показателями надежности:
- вероятность безотказной работы;
- наработка на отказ;
- среднее время восстановления;
- ремонтопригодность.
Для контроля параметров вибрации турбоагрегата в настоящее время используют высокочастотные пьезоэлектрические датчики. Они требуют повышенного внимания к качеству крепежа датчиков, а также к качеству монтажа соединительных проводов и заземления. Выполнение этих основных условий обеспечит правильность контроля вибрации в течение длительного периода эксплуатации виброаппаратуры.
Рекомендации по применению KKS. Основные положения
Я.1 Общие положения
Я.1.1 Применение KKS должно начинаться на этапе проектирования и в первую очередь должно осуществляться на вновь вводимых энергетических блоках с АСУТП, а также на реконструируемых блоках, на которых предусматривается создание АСУТП.
На действующих блоках без АСУТП введение KKS необходимо, если предусматривается автоматизированная обработка информации (например, учет оборудования). Введение KKS на этих блоках осуществляется по решению гл. инженера ТЭС.
Я.1.2 KKS включает наиболее полный перечень кодов, установленный на основе классификации всех объектов (от самых крупных до мелких), встречающихся в практике проектирования, монтажа, наладки и эксплуатации оборудования энергетических предприятий и единый принцип построения идентификаторов для всех объектов, подлежащих маркировке.
Я.1.3 Для решения всех вопросов, связанных с использованием KKS на предприятии должен быть назначен ответственный по KKS. В необходимых случаях между заинтересованными сторонами (предприятиями) должно составляться «Соглашение о применении KKS».
Ответственные по KKS назначают в проектной организации, в организации-разработчике прикладных программ для АСУТП, в организации, осуществляющей инжиниринг АСУТП, в наладочной организации, на энергообъекте.
Я.2 Основные характеристики идентификаторов на основе системы KKS
Я.2.1 Коды KKS позволяют получить идентификаторы для типовых объектов ЭБ ТЭС, подлежащих маркировке при выполнении работ по проектированию, наладке, эксплуатации, а также имеют резерв для идентификации новых объектов.
Я.2.2 Идентификаторы являются унифицированными, простыми по построению. Каждый объект получает свой уникальный идентификатор, однозначно определяющий только этот объект.
Я.2.3 Идентификаторы на основе KKS пригодны для ввода в информационно-вычислительные системы и использования при автоматизированном проектировании.
Я.2.4 Идентификаторы очень удобны для ссылок в документах и делают техническую документацию легко читаемой в части опознания объектов.
Я.3 структура KKS
Я.3.1 KKS представляет систематизированный набор кодов, построенный по принципу «от общих групп к частным подгруппам». С помощью этих кодов могут быть идентифицированы все объекты, среди которых выделены следующие характерные классы:
Я.3.1.1 технологические объекты
Я.3.1.2 монтажные единицы
Я.3.1.3 строительные объекты.
Для каждого класса предусмотрена своя структура идентификатора, отличающегося количеством позиций и их назначением. Так для объектов по п. Я.3.1.1 предусмотрен идентификатор, имеющий максимально 17 позиций, следующих одна за другой (рисунок Я.1); идентификатор объектов по п. Я.3.1.2 и Я.3.1.3 состоит из 13 позиций, разделенных на две части (рисунок Я.2, рисунок Я.3). У идентификатора по п. Я.3.1.2 между двумя частями ставится разделитель -точка «•», который никогда не опускается.
|
0 |
1 |
2 |
3 |
||||||
|
Наименование кода объекта кодирования |
Код установки в целом |
Код технологической системы (функциональный код) |
Код агрегата (в т.ч. контура измерения, регулирования и т.д.) |
Код функциональной части агрегата или контура измерения |
|||||
|
Условное обозначение позиции кода |
G0 |
F0 |
F1F2 F3 |
Fn |
А1 А2 |
An |
A3 |
В1В2 |
Bn |
|
Вид кодирующего знака |
Б или Ц |
Ц |
Б1Б2 Б3 |
Ц1 Ц2 |
Б1Б2 |
Ц1Ц2 Ц3 |
(Б) |
Б1Б2 |
Ц1Ц2 |
|
Примечание - Здесь и далее «Б» - буква, «Ц» - цифра |
|||||||||
Рисунок Я.1 - Структура идентификатора технологического объекта
|
0 |
1 |
2 |
||||||
|
Наименование кода объекта кодирования |
Код установки в целом |
Код конструктива (шкаф, пульт и т.д.) |
Код места установки конструктивного элемента |
|||||
|
Условное обозначение позиции кода |
G0 |
F0 |
F1F2 F3 |
Fn |
А1 А2 |
An |
A3 |
|
|
Вид кодирующего знака |
Б или Ц |
Ц |
Б1Б2 Б3 |
Ц1Ц2 |
• |
Б1Б2 |
Ц1Ц2 Ц3 |
Б3 |
Рисунок Я.2 - Структура идентификатора монтажной единицы
|
0 |
1 |
2 |
||||||
|
Наименование кода объекта кодирования |
Код установки в целом |
Код здания или сооружения |
Код помещения в здании |
|||||
|
Условное обозначение позиции кода |
G0 |
F0 |
F1F2 F3 |
Fn |
А1 А2 |
An |
А3 |
|
|
Вид кодирующего знака |
Б или Ц |
Ц |
Б1Б2 Б3 |
Ц1 Ц2 |
Б1 Б2 |
Ц1Ц2 Ц3 |
Б3 |
|
Рисунок Я.3 - Структура идентификатора строительного объекта
Я.3.2 Для построения идентификаторов используют приведенные в специальных классификаторах коды, состоящие из латинских букв (кроме букв «I и О»), используемых как отдельно так и в сочетаниях. Классификаторы включают коды характерных компонентов объектов электроэнергетики и позволяют практически для всех компонентов электростанции найти соответствующую букву (или сочетание этой буквы с другими), однозначно определяющих данный компонент. Например, в функциональном коде (п. Я.3.1а) одна буква «L» обозначает паровые, водяные и газовые контуры, сочетание двух букв «LA» - систему питательной воды, а сочетание трех букв «LAD» - подогреватели высокого давления от входа подогревателя до выхода из него.
В классификаторах также указывается какие буквы и их сочетания запрещены к использованию, а какие (относится только к сочетаниям) могут использоваться по согласованию с ответственным по KKS. В последнем случае в классификаторе компонент для данного сочетания не указывается и должен быть определен ответственным по KKS.
Я.3.3 Вместе с буквенными кодами в системе KKS используют арабские цифры, которые предназначены для уточнения буквенных кодов. Применение цифр регламентируется правилами, с помощью которых можно по определенной системе обозначить кодируемые компоненты таким образом, что будет понятно к какому конкретному объекту относится данный код или происхождение данного объекта.
Я.4 Структура идентификаторов и принципы их построения
Я.4.1 Позиции идентификаторов всех объектов разбиты на группы (по зарубежной терминологии - уровни), в которые может входить от одной до шести позиций (рисунок Я.1 - Я.3). Каждой группе (уровню) в данном идентификаторе условно присвоен порядковый номер (от 0 до 3). Любой идентификатор начинается с нулевой группы (уровня), в которой используется одна позиция (цифра или буква), кодирующая энергоблок в целом. Обычно на этом месте указывается номер блока или цифра «0», кодирующая общестанционную систему.
Я.4.2 В группах (на уровнях) 1, 2, 3 идентификаторов указывают коды конкретных компонентов, образованных с помощью букв, приводимых в классификаторах KKS и цифр, выделяющих данный компонент из одноименных.
Я.4.3 В системе «KKS» предусмотрены следующие виды компонентов:
Я.4.3.1 технологические системы.
Я.4.3.2 агрегаты.
Я.4.3.3 алгоблоки.
Я.4.3.4 электротехнические устройства.
Я.4.3.5 источники информации.
Я.4.3.6 исполнительные устройства.
Я.4.3.7 электротехнические устройства, установленные в шкафах, на панелях, пультах (модули, блоки).
Я.4.3.8 устройства автоматики, установленные в шкафах, на панелях, пультах (модули, блоки).
Я.4.3.9 здания.
Я.4.3.10 сооружения.
Я.4.3.11 этажи помещений.
Я.4.3.12 противопожарные отсеки.
Я.4.3.13 эстакады и др.
Всего в системе KKS рассмотрено использование более 12000 различных кодов, в которых 75 % составляют коды технологических систем. Структура буквенных кодов KKS применительно к идентификатору по п. Я.3.1.1, включающему наибольшее число групп (уровней) показана на рисунке Я.4.
Я.4.4 Кодировки буквенно-цифровых групп, находящихся в группах (на уровнях) 1 - 3 рассмотрены ниже в зависимости от вида идентификатора.
Я.4.4.1 Для идентификатора по п. Я.3.1.1 на первом уровне используют 6 позиций - первая - цифровая, следующие три - буквенные и последние две - цифровые.
В первой позиции кодируют однотипные большие технологические системы (например, тепловая схема блока может включать два котла, тогда у всех объектов, относящихся к первому котлу, на первой позиции первого уровня будет стоять цифра «1», соответственно для второго котла цифра «2»; для объектов не относящихся ни к первому ни к второму котлу будет стоять цифра «0» и таким образом для такого блока, имеющего номер «1» на первых двух позициях идентификатора по п. Я4.1.1 могут быть сочетания (с учетом нулевой группы) «11», «12», «10», «00»; последнее сочетание, если идентифицируемый объект относится к общестанционному оборудованию и не относится не к одному из котлов.
При кодировке 2-ой, 3-ей, 4-ой позиций используют буквы из классификаторов системы KKS. Примеры классификаторов приведены в приложении А. Цифры на 5-ой и 6-ой позициях детализируют буквенный код, при этом цифры на 5-ой позиции (позиция десятков) идентифицируют отдельные последовательно включенные или более крупные параллельно включенные части системы, а цифры на 6-ой позиции (позиция единиц) позволяют отличить параллельно включенные трубопроводы одной и той же части системы. Рассмотрим примеры.
В соответствии с Я7 код технологических частей, использующих пар в технологической системе подогреватели сетевой воды в тепловой схеме блока № 1 - 10 NAA, код трубопроводов перед подогревателем сетевой воды № 1 10 NAA12, где:
- символ «N» относится к производству технологической энергии для внешних потребителей (например, для теплоснабжения).
- сочетание двух символов «NA» относится к системе технологического пара в производстве технологической энергии для внешних потребителей (например, для теплоснабжения).
- сочетание трех символов «NAA» относится к трубопроводам в системе технологического пара, используемого для производства технологической энергии для теплоснабжения.
Функциональные коды
А Основные группы (системы)
{A ------------------------------------------------------------------------------- Z}
23 группы обозначаемые все ми латинскими буквами кроме «I и О»
(несколько букв запрещены к использованию)
Б Крупные подгруппы (системы)
{АА ----------------------------------------------------- AZ}
{ХА ----------------------------------------------------- XZ}
{ZA ------------------------------------------------------ ZZ}
Более 500 крупных подгрупп обозначаемых сочетаниями всех букв (кроме запрещенных) основной группы со всеми буквами латинского алфавита кроме «I и О». Ряд сочетаний запрещены к использованию. Сочетания, начинающиеся с буквы «Z» в KKS не определены и могут использоваться по согласованию с ответственным по KKS.
В Локальные подгруппы (системы)
{AAA ----------------------------------------------------- AAZ}
{ХАА ----------------------------------------------------- XAZ}
Более 10000 локальных подгрупп обозначаемых сочетаниями всех сочетаний (кроме запрещенных) используемых в крупных подгруппах (см. Б) со всеми буквами латинского алфавита кроме «I и О». Ряд сочетаний в KKS не определены и могут использоваться по согласованию с ответственным по KKS.
Коды агрегатов
А. Главная группа
{А --------------------------------------- J}
9 групп обозначаемых латинскими буквами от А до J; буквы от К до Z запрещены к использованию
Б. Подгруппы
{АА ---------------------------------------------------------------------------- AZ}
↓
{JA ----------------------------------------------------------------------------- JZ}
Более 200 подгрупп обозначаемых сочетаниями всех букв (кроме запрещенных) главной группы со всеми буквами латинского алфавита кроме «О». Ряд сочетаний запрещены к использованию.
Коды функциональных элементов
А Главная группа
7 главных групп, обозначаемых буквами К, М, Q, X, Y, Z и отдельно выделенная группа электротехнических частей агрегатов, обозначаемых всеми буквами латинского алфавита кроме «I и О»
Б Подгруппы
160 подгрупп, обозначаемых сочетаниями букв главной группы со всеми буквами латинского алфавита.
Рисунок Я.4 - Структура буквенных кодов KKS технологических объектов
Цифра «1» номер подогревателя, цифра «2» код одного из параллельных трубопроводов, идущих к этому подогревателю.
Счет компонентов (трубопроводов и др.) всегда ведется в направлении движения среды или энергии.
Код технологических частей, относящихся к деаэратору ЭБ № 1 «10 LAA», код трубопровода идущего к деаэратору 10 LAA 01 где:
- символ «L» означает паровые, водяные, газовые контуры,
- сочетание «LA» - система питательной воды,
- сочетание «LAA» означает деаэрацию в системе питательной воды водяного контура от входа в деаэратор до выхода.
- цифра 0 означает, что на ЭБ только один деаэратор, цифра 1 кодирует конкретный трубопровод, идущий к деаэратору.
Код технологических частей, относящихся к барабану котла № 1 ЭБ № 1 (в тепловой схеме энергоблока два котла) - 11 HAD, где:
- символ «Н» означает производство тепла на ископаемом топливе.
- сочетание НА - система давления, сочетание HAD - технологическая система до барабана котла.
Код технологических частей, относящихся к части высокого давления турбины (от стопорного клапана до патрубка отбора пара) ЭБ № 1-10 МАА, где:
- символ «М» означает основные машинные агрегаты, сочетание МА - паротурбинная установка, сочетание МАА - часть высокого давления паротурбинной установки.
Я.4.4.2 На втором уровне идентификатора по п. Я.3.1.1 представляются коды компонентов, находящихся внутри технологической системы: агрегатов, аппаратов, технологических устройств, арматуры, алгоритмов управления или сигнализации, контуров измерения (прямых и косвенных), источников информации и др. На 2-ом уровне также как и на 1-ом уровне используется 6 позиций - первые две буквенные, три последующие цифровые и последняя может быть цифровая или буквенная; эта позиция является дополнительной, использующейся для отличия одинаковых компонентов (например дублирующих контуров измерения, многоприводных установок - 1-ая скорость, 2-ая скорость и т.д.).
Две буквенные позиции предназначены для кодирования технологического оборудования, контура измерения, алгоритма, исполнительного устройства, источника информации и др. в соответствии с классификаторами KKS. Примеры классификаторов приведены в Я8.
Три цифровые позиции определяют порядковый номер кодируемого компонента и уточняют его назначение (или тип). Для указания порядкового номера условно принимают цифры, стоящие на 2-ой и 3-ей позициях: назначение (или тип) кодируют с помощью цифры, стоящей на первой позиции (например, если кодируется арматура - буквенное обозначение АА, то первая цифра слева будет разной в зависимости от назначения арматуры - регулирующий клапан, задвижка и т.д.); такая же процедура заполнения трех цифровых позиций используется применительно к контурам измерений.
Например:
- идентификатор регулирующего клапана, которому присваивается порядковый номер 1, будет иметь вид АА801 где:
- цифра «8» условно принята для обозначения регулирующего клапана,
- «01» обозначает порядковый номер.
Если регулирующий клапан будет иметь порядковый номер «12», то соответственно его идентификатор будет иметь вид АА812.
Для удобства заполнения цифровых позиций составляется таблица соответствия между присваиваемыми номерами и кодируемым компонентом. Пример приведен в таблице Я.1.
Я.4.4.3 На 3-ем уровне идентификатора по п. Я.3.1.1 используют четыре позиции: первые две - буквенные и следующие две - цифровые. Этот уровень служит для детализации кода 2-го уровня в части отдельных элементов оборудования, источников и потребителей сигналов, сигналов, сформированных в алгоритмах.
Подлежащие уточнению детали (характеристики сигнала) (например, привод насоса, тип датчика - аналоговый или дискретный, тип сигнала, блок управления приводом и т.д.) кодируют двумя буквами в соответствии с классификатором KKS. Пример классификатора приведен в приложении В. Две цифровые позиции служат для записи порядкового номера данной детали (характеристики сигнала).
Заполнение двух цифровых позиций в KKS жестко не регламентировано. Для удобства может быть предварительно составлена таблица, в которой указываются области используемых цифровых значений для кодирования данного элемента. Пример такой таблицы применительно к сигналам приведен в таблице Я.2.
Таблица Я.1 - Примеры цифровых кодов при кодировании арматуры и измерительных контуров
|
Арматура (код АА...) |
Измерительные контуры (код С.) |
|
|
001 - 029 |
арматура в главном потоке среды с приводом (электрическим, гидравлическим, пневматическим) |
аналоговые измерения с дистанционной передачей |
|
031 - 049 |
защитные, предохранительные, регулирующие клапаны без вспомогательной энергии в главном потоке среды |
аналоговые измерения с дистанционной передачей |
|
051 - 099 |
обратные клапаны в главном потоке среды |
дискретные измерения с дистанционной передачей |
|
101 - 199 |
арматура без дополнительного привода (ручная) |
аналоговые измерения с дистанционной передачей |
|
201 - 249 |
Дренажная арматура (но не арматура с электроприводом) |
не используется |
|
251 - 299 |
воздушники (но не арматура с электроприводом) |
не используется |
|
501 - 599 |
не используется |
измерительные приборы с местной индикацией |
|
601 - 699 |
не используется |
дискретные датчики с дистанционной передачей |
|
801 - 899 |
регулирующие клапаны, шиберы и заслонки с приводом (электрическим, гидравлическим, пневматическим) в главном потоке среды |
аналоговые сигналы указателей положения регулирующих клапанов |
|
901 - 999 |
не используется |
обработанные сигналы источников информации (например, сборные сигналы) |
Я.4.4.4 Идентификатор по п. Я.3.1.2 состоит из трех групп (уровней) (включая нулевую).
Структура групп (уровней) 1 и 2 соответствует структуре этих же групп идентификатора по п. Я.3.1.1.
Кодирование позиции нулевой группы (уровня) и первой позиции группы (уровня) 1 приведено в п. Я.4.4.1.
На трех буквенных позициях группы 1 кодируют монтажные единицы -электротехническое устройство или монтажный конструктив устройств контроля, управления (например, шкаф для размещения контроллеров, пульт управления, шкаф промклеммников и др.
Цифровые позиции группы (уровня) 1 служат для счета однотипных электротехнических устройств или монтажных, конструктивов, закодированных одними и теми же сочетаниями букв. Счет ведется слева направо по фасаду устройств, или справа налево с тыльной стороны.
На позициях группы (уровня) 2 идентификатора по п. Я.3.1.2 указывают координаты конструктивного элемента внутри монтажной единицы.
В первых двух буквенных позициях указывают координата места положения по вертикали. При этом предусматривается выделение «этажей», а в пределах каждого этажа «рядов». Первая буква определяет «этаж», вторая буква «ряд» на данном этаже. Счет этажей ведется сверху вниз, счет рядов начинается с левого верхнего угла этажа.
Начальной точкой отсчета, обозначаемой буквами KU, помещенными в круг, считается левый верхний угол по фасаду устройства. Для маркировки этажей и рядов используют буквы от А до Z.
Три цифровые позиции служат для указания координаты по горизонтали. Счет начинается с единицы в третьем разряде.
Дополнительный разряд используется для детализации места положения элемента (например, при необходимости указывается глубина блочка, установленного на пульте).
Таблица Я.2 - Примеры кодов различных сигналов
|
Наименование сигнала |
|
|
ХА01 - ХА14 ХА17 - ХА28 |
Включено/открыто или выключено/закрыто устройство нижнего уровня по команде автоматики |
|
ХА15 |
Пошаговая программа «Пуск» |
|
ХА41 |
Блокировка/АВР в режиме «автоматика» |
|
ХА42 |
Блокировка/АВР отключена |
|
ХА90 |
Сигнал «АВР сработал» |
|
ХА94 |
Включить первое устройство по команде АВР |
|
ХА95 |
Отключить первое устройство по команде АВР |
|
ХА96 |
Включить второе устройство по команде АВР |
|
ХА97 |
Отключить второе устройство по команде АВР |
|
ХА98 |
Включить третье устройство по команде АВР |
|
ХА99 |
Отключить третье устройство по команде АВР |
|
ХВ03 |
Ремонтное положение |
|
ХВ05 |
Управление «по месту» |
|
ХВ06 |
Задвижка в промежуточном положении по команде «стоп» |
|
ХВ41 |
Тестовый режим |
|
ХВ46 |
Аварийное отключение |
|
ХВ47 |
Команда кнопки аварийного останова |
|
ХС11 |
РК подключен к АСР |
|
XC12 |
РК отключен от АСР |
|
XG01 |
Сработал дискретный датчик (нормально открытый контакт) |
|
XG02 |
Сработал дискретный датчик (нормально закрытый контакт) |
|
XH01 |
Сигнал срабатывания по верхней предупредительной уставке (сигнализация) |
|
ХН03 |
Сигнал срабатывания по верхней аварийной уставке (сигнализация) |
|
XH05 |
Сигнал срабатывания по верхней уставке нормального значения (сигнализация) |
|
XH52 |
Сигнал срабатывания по нижней предупредительной уставке (сигнализация) |
|
XH54 |
Сигнал срабатывания по нижней аварийной уставке (сигнализация) |
|
XH56 |
Сигнал срабатывания по нижней уставке нормального значения (сигнализация) |
|
XH91 |
Рассогласование сигналов дублированных датчиков больше допустимого |
|
XK71 |
Защита введена (Разрешение на срабатывание) |
|
XK73 |
Защита выведена кнопкой группового вывода |
|
XK77 |
Защита выведена ремонтной накладкой |
Я.4.4.5 Идентификатор по п. Я.3.1.3 имеет такую же структуру как и идентификатор по п. Я.3.1.2. Разделительный знак в идентификаторе по п. Я.4.1.3 не используется.
Три буквенных позиции группы (уровня) 1 используют для записи идентификатора здания, сооружения, или территории в соответствии с кодами KKS, две цифровые позиции служат для указания зон (этажей, отметок высоты) внутри здания или сооружения. Счет для отметок высот ведется снизу вверх.
Небольшие отличия по высоте отдельных коридоров и площадок не учитываются.
Группа (уровень) 2 предназначена для кодирования конкретного помещения на выбранной отметке здания или сооружения. Для заполнения уровня 2 используется принятая для зданий и сооружений координатная сетка с буквенными и цифровыми осями. Началом отсчета считается пересечение младших цифровой и буквенной осей здания или сооружения.
Первые две буквенных позиции идентифицируют помещение, при этом на первой позиции всегда записывается символ «R» (room), а на второй обозначение буквенной оси.
Я.5 Специфика присвоения идентификаторов в отдельных случаях
Я.5.1 Ниже рассмотрены примеры присвоения идентификаторов некоторым компонентам, при кодировании которых учитывается их технологическая специфика.
Я.5.1.1 Кодирование сложного вспомогательного оборудования Если требуется присвоить идентификатор какому-то агрегату, представляющему сложную систему с собственными вспомогательными технологическими системами (например турбопривод питательного насоса,
имеющий свой конденсатор и другое вспомогательное оборудование), то на первой буквенной позиции группы (уровня) 1 идентификатора по п. Я.3.1.1 записывается символ «X», а на остальных буквенных позициях этой группы (уровня) сочетание символов в соответствии с классификатором (Я.8). Для указанного примера полный идентификатор турбопривода питательного насоса блока № 1 - 10 ХАС
Я.5.1.2 Кодирование обеспечивающих систем
Обеспечивающие системы кодируются, исходя из кода системы, которую они обеспечивают. Например: валковая мельница имеет код - «HFC»: обеспечивающая система воздуха для уплотнения мельницы имеет код «HFW» и соответственно система масла для смазки подшипников мельницы имеет код «HFV».
Контурам измерения, охватывающим собственно измерение, обработку и отображение измеренных величин, присваивается технологический код системы в пределах которой установлен датчик. Например, код системы вентиляции мельницы «HFE», код контура измерения расхода первичного воздуха к мельнице «HFE...CF001». При этом контуры измерения непосредственно кодируют в второй группе (уровне) идентификатора по п. Я.3.1.1, где на первом буквенном месте указывается символ «С» для контуров прямого измерения, символ «F» для контуров косвенного измерения (результаты измерения в этом случае получают путем расчетов); на втором месте указывают код величины, которая измеряется.
При кодировании контуров измерения электрических величин последняя цифра может использоваться для указания конкретной измеряемой величины, например электрический ток - цифра 1, электрическое напряжение - цифра 2 и т.д.
Контуры логической обработки аналоговых или дискретных сигналов кодируют также как контуры измерения (прямого и косвенного), но вместо символов «С и F» символ «Е», а на втором месте указывается в закодированном виде функциональная задача по Я.8, таблица Я.29 (например, сочетание «ЕЕ» означает АВР, сочетание «ED» - технологические блокировки).
Я.5.1.3 Кодирование арматуры
Всю арматуру независимо от ее исполнения, типа привода кодируют двумя буквами «АА».
Я.5.1.4 Кодирование устройств управления
Устройство управления, обслуживающее несколько технологических систем, относящихся к одной основной системе, имеет код этой системы с добавлением символа «Y» вместо символа, находящегося на третьем буквенном месте 1-го уровня идентификатора по п. Я.3.1.1. Например, МАА - ЦВД паровой турбины, MAV - система маслосмазки, MAD - опорные узлы паровой турбины, код общего устройства управления, регулирования и защиты для этих систем - MAY.
Таким же образом можно закодировать общее устройство управления для основных систем. Например, LB - система паропроводов, LC - система конденсата, LY - код общего устройства управления, регулирования и защиты для системы паропроводов и системы конденсата.
Я.5.1.5 Кодирование сигналов
Если требуется указать идентификатор сигнала, то используют следующие символы, которые записывают на первом буквенном месте уровня 3 идентификатора по п. Я.3.1.1:
X - сигнал источника (исходный) и сигнал сформированный из исходного;
Y - сигнал приемника:
Z - логический сигнал, полученный в результате совместной логической обработки сигналов нескольких источников.
Я.5.1.6 Кодирование кабелей
Код кабеля состоит из классифицирующего признака и счетной части. В качестве классифицирующего признака может быть использован как технологический код, так и код монтажной единицы. Счетная часть состоит из 4-х разрядов, с помощью которых можно закодировать тип кабеля и его назначение. Для этого используется цифра, стоящая в первом разряде слева.
Более целесообразно использовать код монтажной единицы, который может быть представлен полностью или только кодом нулевой и первой групп (уровней). При использовании этого кода структура идентификатора имеет вид, приведенный в таблице Я.3.
Таблица Я.3 - Структура идентификатора при кодировании кабеля
|
Счетная часть |
||
|
Код монтажной единицы |
Нумерация кабеля |
|
|
1 уровень |
2 уровень |
|
|
ЦЦ БББ ЦЦ |
ББ ЦЦЦ (Б) |
ЦЦЦЦ |
Счетная часть (номер) кабеля записывается после полного или частичного кода монтажной единицы. Пример значений счетной части кабеля в зависимости от его типа и назначения приведен в таблице Я.4.
Таблица Я.4 - Пример значений счетной части кабеля
|
Вид кабеля/уровень напряжения |
|
|
0001 - 0999 |
силовые кабели > 1 кВ |
|
1001 - 1999 |
силовые кабели < 1 кВ и > 60 В |
|
2001 - 2999 |
кабели техники управления |
|
3000 - 3999 |
кабели измерительных трансформаторов > 60 В |
|
4001 - 4999 |
кабели техники управления > 60 В |
|
5001 - 5999 |
кабели межшкафных связей < 60 В |
|
6001 - 6999 |
кабели контрольные до кроссовых шкафов < 60 В |
|
7001 - 7999 |
кабели управляющие от кроссовых шкафов до исполнительных устройств < 60 В |
|
8001 - 8999 |
кабели для передачи данных (коаксиальные, коммуникационные) и другие спецкабели |
|
9001 - 9999 |
резерв |
При кодировании кабеля, связывающего два устройства с разными системными кодами, в идентификаторе кабеля указывается код той монтажной единицы, чей код по алфавиту стоит раньше.
Я.6 Присвоение идентификаторов
Я.6.1 Первоначально присвоение идентификаторов системам, агрегатам, аппаратам производится на этапе проектирования, для чего общая тепловая и электрическая схема энергоблока делится технологом-проектировщиком в соответствии с функциональными кодами на ряд крупных подгрупп. Для каждой из этих подгрупп разрабатывают свою схему данной крупной подгруппы (СКП) (по зарубежной терминологии - P&I диаграмма), в которой указывают идентификаторы всех показанных на ней технологических объектов.
Я.6.2 СКП передают проектировщику АСУТП, который присваивает идентификаторы объектам, относящимся к АСУТП (контурам измерений, контурам регулирования и др.). Одновременно с участием соответствующих специалистов-проектировщиков присваивают идентификаторы кабелям, монтажным единицам и сооружениям.
Я.6.3 Последние идентификаторы присваивают при разработке прикладного программного обеспечения, при этом используют коды функциональных элементов.
Я.7 Функциональные коды
Таблица Я.5 - Классификатор основных групп
|
Код |
Наименование группы |
|
А |
Электросеть и распределительные устройства |
|
В |
Отбор энергии и обеспечение собственных нужд |
|
С |
Оборудование системы контроля и управления технологическим процессом (КИПиА ) (при смешанных структурах систем аппаратуры можно производить обозначения также по принципу приоритетности в зависимости от основной задачи в рамках КИПиА) |
|
D |
Оборудование КИПиА (использовать только в тех случаях, когда функциональных кодов от СМ до СТ недостаточно для обозначения) |
|
Е |
Топливное хозяйство и система золоулавления и золошлакоудаления |
|
F |
заблокировано |
|
G |
Водоснабжение и канализация |
|
Н |
Традиционное производство тепла |
|
J |
заблокировано |
|
К |
заблокировано |
|
L |
Тракты пара, воды и газов |
|
М |
Главные машинные агрегаты |
|
N |
Производство технологической энергии для внешних потребителей (например, для теплоснабжения) |
|
Р |
Система охлаждающей воды |
|
Q |
Вспомогательная установка |
|
R |
заблокировано |
|
S |
Вспомогательная установка |
|
T |
Заблокировано |
|
U |
Сооружения |
|
V |
Заблокировано |
|
W |
Установка для возобновляемых видов энергии |
|
X |
Тяжелые механизмы (не главные машинные агрегаты) |
|
Y |
Заблокировано |
|
Z |
Оборудование мастерских и административных служб |
Таблица Я.6 - Классификатор крупных подгрупп для основной группы «С» - Оборудование системы контроля и управления технологическим процессом
|
Код |
Наименование подгрупп группы «С» |
|
СА |
Защитная блокировка |
|
СВ |
Функционально-групповое управление, управление частью оборудования |
|
СС |
Подготовка дискретного сигнала |
|
CD |
Управление приводом |
|
СЕ |
Сигнализация |
|
CF |
Измерение, регистрация |
|
CG |
Регулирование (кроме силовой части) |
|
СН |
Защита (кроме защиты реактора) |
|
CJ |
Блочный уровень управления |
|
СК |
ЭВМ СКУТП |
|
СР |
Технические средства СКУТП для контроля, управления по месту |
|
CQ |
ИВС - информационно-вычислительная машина |
|
CR |
Оборудование СКУ П (используется по согласованию с ответственным по KKS) |
|
CS |
Оборудование СКУ ТП - стенды датчиков |
|
CU |
Регулирование (силовая часть) |
|
CV |
Промклеммник |
|
CW |
Щит управления |
|
СХ |
Щит управления местный (например, для цирк, систем) |
|
CY |
Установка связи |
|
CZ |
заблокировано |
Таблица Я.7 - Пример кодирования локальных подгрупп
|
Код |
Наименование локальных подгрупп |
|
CDA |
Шкафы управления приводами |
|
CJD |
Технические средства управления пуском |
|
CUA |
Шкафы усилителей мощности |
Таблица Я.8 - Классификатор крупных подгрупп для основной группы «Н» - Традиционное производство тепла
|
Код |
Наименование подгрупп группы «Н» |
|
НА |
Система, работающая под давлением |
|
НВ |
Несущая конструкция, обшивка, внутренний объем котла |
|
НС |
Устройство очистки поверхности нагрева на стороне дымовых газов |
|
HD |
Золоудаление, шлакоудаление |
|
НЕ |
заблокировано |
|
HF |
Бункер, питатель сырого угля, мельница |
|
HG |
заблокировано |
|
НН |
Главная топка (также электрическая) |
|
HJ |
Растопочное устройство (если существует отдельно) |
|
НК |
заблокировано |
|
HL |
Система воздуха для горения (первичный и вторичный воздух) |
|
НМ |
Система подогрева газа |
|
HN |
Отвод дымовых газов (без очистки дымовых газов) |
|
HP |
Механическое обеспыливание |
|
HQ |
Электрическое обеспыливание |
|
HR |
Химическая очистка дымовых газов методом адсорбирования |
|
HS |
Химическая очистка дымовых газов каталитическим методом |
|
HT |
Химическая очистка дымовых газов методом абсорбирования |
|
HU |
Повторный подогрев дымовых газов |
|
HV |
Система снабжения смазочной средой |
|
HW |
Система снабжения уплотняющей средой |
|
HX |
Система обеспечения рабочей средой устройств управления, регулирования, защиты |
|
HY |
Устройство управления, регулирования, защиты |
|
HZ |
заблокировано |
Таблица Я.9 - Классификатор крупных подгрупп для основной группы «L» - Тракты пара, воды и газов
|
Код |
Наименование подгрупп для основной группы «L» |
|
LA |
Система питательной воды |
|
LB |
Система пара |
|
LC |
Система конденсата |
|
LD |
Конденсатоочистка (БОУ) |
|
LE |
заблокировано |
|
LF |
Общая установка паро-водо-газового тракта |
|
LG |
заблокировано |
|
LH |
заблокировано |
|
LJ |
заблокировано |
|
LK |
Газовый тракт (замкнутая система) |
|
LL |
Газоочистка только при замкнутой системе |
|
LM |
заблокировано |
|
LN |
Подпорное сооружение ГЭС |
|
LP |
Водоприемная система, система верхнего бьефа для ГЭС |
|
LQ |
Водоотводящая система, система нижнего бьефа для ГЭС |
|
LR |
Деривационная установка для ГЭС |
|
LS |
Общая установка для ГЭС |
|
LT |
заблокировано |
|
LU |
заблокировано |
|
LV |
Система обеспечения смазочной средой |
|
LW |
Система обеспечения уплотняющей средой |
|
LX |
Система обеспечения рабочей средой устройств управления, регулирования, защиты |
|
LY |
Устройство управления, регулирования, защиты |
|
LZ |
заблокировано |
Таблица Я.10 - Классификатор крупных подгрупп для основной группы «М» - Главные машинные агрегаты
|
Код |
Наименование подгрупп для основной группы «М» |
|
МА |
Паротурбинная установка |
|
MB |
Газотурбинная установка |
|
МС |
заблокировано |
|
MD |
Ветряная турбоустановка |
|
ME |
Гидротурбинная установка |
|
MF |
Турбонасосная установка на гидроаккумулирующей электростанции |
|
MG |
Гидроаккумулирующая установка |
|
МН |
заблокировано |
|
MJ |
Дизельная установка |
|
МК |
Генераторная установка |
|
ML |
Электродвигательная установка (также двигатель-генератор) |
|
ММ |
Компрессорная установка |
|
MN |
заблокировано |
|
MP |
Общая установка для турбогенератора |
|
MQ |
заблокировано |
|
MR |
Газодвигательная установка |
|
MS |
заблокировано |
|
MT |
заблокировано |
|
MU |
заблокировано |
|
MV |
Система обеспечения смазочной средой |
|
MW |
Система обеспечения уплотняющей средой |
|
MX |
Система обеспечения рабочей средой устройств управления, регулирования, защиты |
|
MY |
Устройство управления, регулирования, защиты |
|
MZ |
заблокировано |
Таблица Я.11 - Классификатор главной группы
|
Код |
Наименование групп |
|
А |
Агрегаты |
|
В |
Аппараты |
|
С |
Контуры прямого измерения |
|
D |
Контуры регулирования |
|
Е |
Обработка сигналов и измеренных величин |
|
F |
Косвенные измерительные контуры |
|
G |
Электротехнические устройства |
|
Н |
Конструктивные узлы главных и больших машин |
|
J |
Ядерно-технические узлы |
|
К |
заблокировано |
|
L |
заблокировано |
|
М |
заблокировано |
|
N |
заблокировано |
|
Р |
заблокировано |
|
Q |
заблокировано |
|
R |
заблокировано |
|
S |
заблокировано |
|
T |
заблокировано |
|
U |
заблокировано |
|
V |
заблокировано |
|
W |
заблокировано |
Таблица Я.12 - Классификатор подгрупп для главной группы «С» - контуры измерения
|
Код |
Наименование контуры измерения группы «С» |
|
СА |
заблокировано |
|
CB |
Излучение (тепловое) |
|
СС |
заблокировано |
|
CD |
Плотность |
|
СЕ |
Электрические величины |
|
CF |
Поток, расход |
|
CG |
Расстояния, длина, положение |
|
СН |
Ручное управление |
|
CJ |
Энергия (тепловая, механическая) |
|
СК |
Время |
|
CL |
Уровень |
|
CM |
Влажность |
|
CN |
заблокировано |
|
CP |
Давление |
|
CQ |
Показатели качества, качественный анализ (анализы, свойства вещества) |
|
CR |
Излучение |
|
CS |
Скорость, обороты, частота (механическая), ускорение |
|
CT |
Температура |
|
CU |
Составные величины (например общий самописец) |
|
CV |
Вязкость |
|
CW |
Сила тяжести, масса |
|
CX |
Поток нейтронов |
|
CY |
Колебания, растяжение |
|
CZ |
заблокировано |
Таблица Я.13 - Классификатор подгрупп для главной группы «D» - контуры регулирования
|
Код |
Наименование контуров регулирования группы «D» |
|
DA |
заблокировано |
|
DB |
Излучение (тепловое) |
|
DC |
заблокировано |
|
DD |
Плотность |
|
DE |
Электрические величины |
|
DF |
Поток, расход |
|
DG |
Расстояния, длина, положение |
|
DH |
Ручное управление |
|
DJ |
Энергия (тепловая, механическая) |
|
DK |
Время |
|
DL |
Уровень |
|
DM |
Влажность |
|
DN |
заблокировано |
|
DP |
Давление |
|
DQ |
Показатели качества, качественный анализ (анализы, свойства вещества) |
|
DR |
Излучение |
|
DS |
Скорость, обороты, частота (механическая), ускорение |
|
DT |
Температура |
|
DU |
Составные величины (например, общий самописец) |
|
DV |
Вязкость |
|
DW |
Сила тяжести, масса |
|
DX |
Поток нейтронов |
|
DY |
Колебания, растяжение |
|
DZ |
заблокировано |
Таблица Я.14 - Классификатор подгрупп для главной группы «Е» - Обработка сигналов и измеренных величин
|
Код |
Наименование подгрупп группы «Е» |
|
ЕА |
Управление, управление блоком |
|
ЕВ |
Управление, управление группой |
|
ЕС |
Управление, управление подгруппой |
|
ED |
Управление (использование по согласованию с ответственным по KKS) |
|
ЕЕ |
Управление, позиционное регулирование |
|
EF |
Заблокировано |
|
EG |
Сигнализация |
|
EH |
Сигнализация, сигнальная установка обычная |
|
EJ |
Сигнализация (использование по согласованию с ответственным по KKS) |
|
EK |
Сигнализация (использование по согласованию с ответственным по KKS) |
|
EL |
Заблокировано |
|
EM |
Специальная ЭВМ (контроль персонала и специальные задачи для АЭС) |
|
EN |
ЭВМ критериев (дисплей критериев) |
|
EP |
Контрольная ЭВМ |
|
EQ |
ЭВМ (использование по согласованию с ответственным по KKS) |
|
ER |
Защита реактора |
|
ES |
Заблокировано |
|
ET |
Заблокировано |
|
EU |
Обобщение сигналов и измеренных величин |
|
EV |
заблокировано |
|
EW |
Защита (использование по согласованию с ответственным по KKS) |
|
EX |
Защита (использование по согласованию с ответственным по KKS) |
|
EY |
Технологическая блокировка (вне связи с агрегатами) |
|
EZ |
Защита, защита агрегатов |
Я.9 Коды функциональных элементов
Таблица Я.15 - Классификатор подгрупп для главной группы
|
Код |
Наименования подгрупп главной группы |
|
К |
Механические части агрегатов |
|
М |
Механические части агрегатов |
|
Q |
Неэлектрические компоненты устройств управления и автоматики |
|
- |
Электротехнические части агрегатов |
|
X |
Исходные (первичные) сигналы |
|
Y |
Применение сигнала |
|
Z |
Происхождение смешанного сигнала |
Таблица Я.16 - Классификатор подгрупп для главной группы «X» - исходные (первичные) сигналы
|
Код |
Наименования подгрупп группы «X» |
|
ХА |
Из функционально-группового управления |
|
ХВ |
Из блоков управления приводами |
|
ХС |
Из обычных регуляторов |
|
XD |
Из защиты реактора, сигналы бинарной обработки |
|
ХЕ |
Из защиты реактора, сигналы из аналоговой и бинарных частей |
|
XF |
Из блоков приоритета управления |
|
XG |
Дискретные сигналы от датчиков |
|
ХН |
Аналоговые сигналы, обработанные в АДП и преобразованные в бинарные |
|
XJ |
Потенциальные сигналы от спецустройств (например, черный ящик) |
|
ХК |
Выработанные защитой агрегата |
|
XL |
Сигналы от щитов и пультов управления, но не формируемые в АСУТП |
|
ХМ |
Потенциальные статические сигналы от аварийной сигнализации |
|
XN |
Сигналы из ИВМ, предназначенные для определения состояния объекта |
|
XP |
Сигналы из супервизорной УВМ |
|
XQ |
Аналоговые сигналы |
|
XR |
От вышестоящих регуляторов |
|
XS |
Шаговые сигналы из функционально-группового управления |
|
XT |
Бинарные сигналы, выработанные техническими средствами управления турбины |
|
XU |
Потенциальные динамические сигналы от аварийной сигнализации |
|
XV |
заблокировано |
|
XW |
Из обычной сигнальной установки |
|
XX |
заблокировано |
|
XY |
заблокировано |
|
XZ |
заблокировано |
Я.10 Примеры идентификаторов
Таблица Я.17
|
А |
Идентификатор агрегата (арматуры) |
- NAD20AA001 |
|
Б |
Идентификатор технологической блокировки или АВР агрегатов |
- NAD20EE001 |
|
В |
Идентификатор управления функциональной подгруппой |
- NAD20EC001 |
|
Г |
Идентификатор управления функциональной группой |
- NAD20EB001 |
|
Д |
Идентификатор управления энергоблоком |
- CJE01EA001 |
|
Е |
Идентификатор контура измерения расхода с коррекцией по температуре и давлению (код исходного контура измерения расхода NAD20CF009) |
- NAD20FF003 |
|
Ж |
Идентификатор контура измерения построенного на нескольких датчиках (код исходных контуров измерения - NAD20CF001, NAD20CF002, NAD20CF003) |
- NAD20CF901 |
|
И |
Идентификатор расчетной величины сформированной из двух физически разнородных величин (например температуры и давления) |
- NAD20FU001 |
|
К |
Идентификатор функционально-группового управления с помощью шаговых команд |
- NAD20ED001XS51 |
|
Л |
Идентификатор контура регулирования давления |
- NAD20DP001 |
|
М |
Идентификатор команды защиты |
- NAD20EZ001ZK11 |
[1] Правила работы с персоналом в организациях электроэнергетики Российской Федерации № 49 от 19.02.2000.
[2] Правила безопасности систем газораспределения и газопотребления ПБ 12.529-03 (Госгортехнадзор России, НТЦ «Промышленная безопасность». М:2003)
[3] СанПиН 2.2.4.1191-03 Электромагнитные поля в производственных условиях.
[4] СанПиН 2.2.1/2.1.1-1278-03 Гигиенические требования к естественному, искусственному и совмещенному освещению жилых и общественных зданий
|
Ключевые слова: КИГ1иА, ТЭС, создание, технические требования, наладка, приемка |
|
Руководитель организации-разработчика Филиал ОАО «Инженерный центр ЕЭС»- «Фирма ОРГРЭС» |
||
|
Директор |
В.А. Купченко |
|
|
Руководитель разработки |
Начальник ЦАСУТП |
В.Г. Михальченко |
|
Исполнитель |
Бригадный инженер |
Н.И. Чучкина |