ФЕДЕРАЛЬНОЕ АГЕНТСТВО
ПО ТЕХНИЧЕСКОМУ РЕГУЛИРОВАНИЮ И МЕТРОЛОГИИ
|
|
НАЦИОНАЛЬНЫЙ |
ГОСТ Р |
ТРАНСФОРМАТОРЫ СУХИЕ
Общие технические условия
IEC 60076-11:2004
Power transformers
Part 11: Dry-type transformers
(MOD)
|
|
Москва Стандартинформ 2013 |
Предисловие
Цели и принципы стандартизации в Российской Федерации установлены Федеральным законом от 27 декабря 2002 г. № 184-ФЗ «О техническом регулировании», а правила применения национальных стандартов Российской Федерации - ГОСТ Р 1.0-2004 «Стандартизация в Российской Федерации. Основные положения»
Сведения о стандарте
1 ПОДГОТОВЛЕН Федеральным государственным унитарным предприятием «Всероссийский электротехнический институт имени В.И. Ленина» (ФГУП «ВЭИ») на основе собственного аутентичного перевода на русский язык международного стандарта
2 ВНЕСЕН Техническим комитетом по стандартизации ТК 37 «Электрооборудование для передачи, преобразования и распределения электроэнергии»
3 УТВЕРЖДЕН И ВВЕДЕН В ДЕЙСТВИЕ Приказом Федерального агентства по техническому регулированию и метрологии от 13 декабря 2011 г. № 1219-ст
4 Настоящий стандарт является модифицированным по отношению к международному стандарту МЭК 60076-11:2004 «Трансформаторы силовые - Часть 11. Сухие трансформаторы» (IEC 60076-11:2004 Power transformers - Part 11: Dry-type transformers) путем изменения содержания отдельных структурных элементов, которые выделены вертикальной линией, расположенной на полях этого текста, а также путем изменения отдельных фраз (слов, значений показателей, ссылок), которые выделены в тексте курсивом. Оригинальный текст структурных элементов примененного международного стандарта и объяснения причин внесения технических отклонений приведены в дополнительном приложении ДВ.
Приложения ДА и ДБ дополняют основные разделы с учетом потребностей национальной экономики Российской Федерации и особенностей российской национальной стандартизации. Кроме того, потребности национальной экономики Российской Федерации и особенности российской национальной стандартизации учтены в дополнительных подпунктах, абзацах, терминологических статьях, которые выделены путем заключения их в рамки из тонких линий, а информация с объяснением причин включения этих положений приведена в указанных пунктах (подпунктах или после соответствующих абзацев или статей) в виде примечаний.
В настоящем стандарте вместо ссылочных международных стандартов использованы соответствующие национальные стандарты Российской Федерации.
Наименование настоящего стандарта изменено относительно наименования указанного международного стандарта для приведения в соответствие с ГОСТ Р 1.5 (пункт 3.5)
5 ВВЕДЕН ВПЕРВЫЕ
Информация об изменениях к настоящему стандарту публикуется в ежегодно издаваемом информационном указателе «Национальные стандарты», а текст изменений и поправок - в ежемесячно издаваемых информационных указателях «Национальные стандарты». В случае пересмотра (замены) или отмены настоящего стандарта соответствующее уведомление будет опубликовано в ежемесячно издаваемом информационном указателе «Национальные стандарты». Соответствующая информация, уведомление и тексты размещаются также в информационной системе общего пользования - на официальном сайте Федерального агентства по техническому регулированию и метрологии в сети Интернет
Содержание
Введение
Настоящий стандарт устанавливает технические требования, методы испытаний, правила приемки сухих трансформаторов общего назначения, в том числе автотрансформаторов, трансформаторов собственных нужд электростанций, трансформаторов для комплектных трансформаторных подстанций (КТП), с учетом специфики сухих трансформаторов.
ГОСТ Р
54827-2011
(МЭК 60076-11:2004)
НАЦИОНАЛЬНЫЙ СТАНДАРТ РОССИЙСКОЙ ФЕДЕРАЦИИ
ТРАНСФОРМАТОРЫ СУХИЕ
Общие технические условия
Dry-type transformers. General specifications
Дата введения - 2012-12-01
Настоящий стандарт распространяется на сухие трансформаторы общего назначения, в том числе на автотрансформаторы, трансформаторы собственных нужд электростанций и трансформаторы для комплектных трансформаторных подстанций (КТП) классов напряжения до 35 кВ включительно.
Стандарт распространяется на оборудование, разработанное после 1 января 2013 г.
Стандарт не распространяется на следующие трансформаторы малой мощности и специальные трансформаторы*:
* Для этих трансформаторов требования настоящего стандарта могут полностью или частично применяться, если на них нет отдельных нормативных документов (далее - НД). Для тех из указанных силовых трансформаторов, на которые имеются отдельные НД, настоящий стандарт распространяется только в той мере, которая специально оговорена в НД на эти трансформаторы.
- газонаполненные сухие трансформаторы с газом, отличным от воздуха;
- однофазные трансформаторы с номинальной мощностью менее 1 кВА;
- трехфазные трансформаторы с номинальной мощностью менее 5 кВА;
- измерительные трансформаторы;
- пусковые трансформаторы;
- испытательные трансформаторы;
- тяговые трансформаторы, устанавливаемые на подвижном составе;
- преобразовательные трансформаторы;
- печные трансформаторы;
- пожаростойкие и шахтные трансформаторы;
- сварочные трансформаторы;
- регулировочные трансформаторы;
- трансформаторы малой мощности со специальными требованиями безопасности.
В настоящем стандарте использованы нормативные ссылки на следующие стандарты:
ГОСТ Р 52719-2007 Трансформаторы силовые. Общие технические условия
ГОСТ 1516.3-96 Электрооборудование переменного тока на напряжения от 1 до 750 кВ. Требования к электрической прочности изоляции
ГОСТ 3484.1-88 Трансформаторы силовые. Методы электромагнитных испытаний
ГОСТ 3484.2-88 Трансформаторы силовые. Испытания на нагрев
ГОСТ 8865-93 (МЭК 60085:1984) Системы электрической изоляции. Оценка нагревостойкости и классификация
ГОСТ 9680-77 Трансформаторы силовые мощностью 0,01 кВА и более. Ряд номинальных мощностей
ГОСТ 9920-89 (МЭК 694-80, МЭК 815-86) Электроустановки переменного тока на напряжение от 3 до 750 кВ. Длина пути утечки внешней изоляции
ГОСТ 13109-97 Электрическая энергия. Совместимость технических средств электромагнитная. Нормы качества электрической энергии в системах электроснабжения общего назначения
ГОСТ 14254-96 (МЭК 60529:1989) Степени защиты, обеспечиваемые оболочками (код IP)
ГОСТ 15150-69 Машины, приборы и другие технические изделия. Исполнения для различных климатических районов. Категории, условия эксплуатации, хранения и транспортирования в части воздействия климатических факторов внешней среды
ГОСТ 15543.1-89 Изделия электротехнические. Общие требования в части стойкости к климатическим внешним воздействующим факторам
ГОСТ 17516.1-90 Изделия электротехнические. Общие требования в части стойкости к механическим внешним воздействующим факторам
ГОСТ 20074-83 Электрооборудование и электроустановки. Метод измерения характеристик частичных разрядов
ГОСТ 22756-77 Трансформаторы (силовые и напряжения) и реакторы. Методы испытаний электрической прочности изоляции
ГОСТ 23216-78 Изделия электротехнические. Хранение, транспортирование, временная противокоррозионная защита, упаковка. Общие требования и методы испытаний
ГОСТ 30830-2002 (МЭК 60076-1:1993) Трансформаторы силовые. Часть 1. Общие положения
Примечание - При пользовании настоящим стандартом целесообразно проверить действие ссылочных стандартов в информационной системе общего пользования - на официальном сайте Федерального агентства по техническому регулированию и метрологии в сети Интернет или по ежегодно издаваемому информационному указателю «Национальные стандарты», который опубликован по состоянию на 1 января текущего года, и по соответствующим ежемесячно издаваемым информационным указателям, опубликованным в текущем году. Если ссылочный стандарт заменен (изменен), то при пользовании настоящим стандартом следует руководствоваться заменяющим (измененным) стандартом. Если ссылочный стандарт отменен без замены, то положение, в котором дана ссылка на него, применяется в части, не затрагивающей эту ссылку.
В настоящем стандарте применены термины по ГОСТ Р 52719 и ГОСТ 30830, а также следующие термины с соответствующими определениями:
3.1 сухой трансформатор: Трансформатор, магнитная система и обмотки которого не погружены в изоляционную жидкость (МЭС 421-01-16).
3.2 сухой невентилируемый защищенный трансформатор: Трансформатор в невентилируемом защитном кожухе без избыточного давления, охлаждаемый путем циркуляции внутреннего воздуха.
3.3 сухой защищенный трансформатор: Трансформатор в вентилируемом защитном кожухе, охлаждаемый путем циркуляции окружающего воздуха.
3.4 сухой незащищенный трансформатор: Трансформатор без защитного кожуха, охлаждаемый путем естественной или принудительной циркуляции окружающего воздуха.
3.5 трансформатор с капсулированными обмотками: Сухой трансформатор, в котором по крайней мере одна из обмоток заключена в твердую изоляцию, которая образует с ней единое целое и защищает ее от увлажнения и загрязнения.
Примечание - Твердая изоляция может быть выполнена методом литья, вакуумно-нагнетательной пропитки либо другим методом.
3.6 трансформатор с монолитной изоляцией: Сухой трансформатор, в котором основной изолирующей средой служит отвержденный электроизоляционный компаунд с наполнителем.
Примечание - Дополнительные по отношению к МЭК 60076-11:2004 термины и определения 3.5 и 3.6 введены с целью учета особенностей российской национальной стандартизации в части испытаний электрической прочности изоляции сухих трансформаторов.
Требования ГОСТ Р 52719 применимы к сухим трансформаторам в той мере, насколько это указано в настоящем стандарте.
4.2.1 Общие положения
Если не оговорено иное, условия эксплуатации должны соответствовать приведенным в 4.2.2 - 4.2.6. При необходимости эксплуатации трансформатора в условиях, отличных от нормальных, следует руководствоваться указаниями 11.2 и/или 11.3.
Высота над уровнем моря не должна превышать 1000 м.
4.2.3 Температура охлаждающего воздуха
Температура охлаждающего воздуха согласно климатическому исполнению У, категории размещения сухих герметичных трансформаторов от 1 до 4, сухих негерметичных от 3 до 4 по ГОСТ 15150. Среднесуточная температура воздуха не выше 30 °С; среднегодовая температура воздуха, определяемая по пункту 3.12 ГОСТ 30830, не выше 20 °С.
4.2.4 Форма кривой питающего напряжения
Форма кривой питающего напряжения должна соответствовать требованиям ГОСТ 13109.
4.2.5 Несимметрия трехфазного питающего напряжения
Несимметрия трехфазной системы напряжений должна соответствовать требованиям ГОСТ 13109.
Относительная влажность окружающего воздуха должна быть менее 93 %. Не должно быть капель воды на поверхности обмоток.
Заказчик в своем заказе должен указать иные условия эксплуатации, не относящиеся к нормальным условиям согласно 4.2. Примерами таких особых условий являются:
- более низкая или более высокая температура окружающей среды, чем указано в 4.2.3;
- ограниченная вентиляция;
- высота установки, превышающая указанное в 4.2.2 значение;
- наличие вредных дымов и паров;
- наличие водяного пара;
- относительная влажность окружающего воздуха превышает предел, указанный в 4.2.6;
- капающая вода;
- солевой туман;
- чрезмерная и абразивная пыль;
- высокое содержание гармоник в токе нагрузки;
- искажение формы кривой напряжения питания;
- коррекция коэффициента мощности и метод коммутации конденсаторов для ограничения броска тока;
- наложение постоянного тока;
- аттестация на сейсмическую безопасность, требующая специального рассмотрения при проектировании;
- экстремальные механические удары и вибрации;
- особые условия транспортирования и хранения, отличные от указанных в 4.5;
- другие условия согласно ГОСТ 30830 (приложение А).
Примечание - Данное положение направлено на учет российской национальной стандартизации.
Требования к трансформатору для эксплуатации в этих особых условиях должны быть согласованы между изготовителем и заказчиком.
Дополнительные требования для нормированных значений и испытаний трансформаторов, спроектированных для работы в условиях, отличных от нормальных условий по 4.2, таких как высокая температура охлаждающего воздуха или высота установки более 1000 м, приведены в 11.2 и 11.3.
Требования к транспортированию и хранению устанавливают в НД на конкретные трансформаторы с учетом ГОСТ 23216.
Если иное не указано в НД на конкретные трансформаторы, условия транспортирования трансформаторов в части воздействия климатических факторов - в соответствии с группой условий хранения по ГОСТ 15150, в части воздействия механических факторов - Л по ГОСТ 23216.
По требованию изготовителя заказчик должен сообщить ожидаемые при транспортировании уровни ударных нагрузок, вибраций и наклонов от вертикали.
Рекомендуется следующий диапазон:
± 5 % ступенями 2,5 % (5 ступеней регулирования) или
± 5 % (3 ступени регулирования).
Как правило, выбор ответвления должен осуществляться при отключенном трансформаторе путем перестановки перемычек или применения устройства переключения без возбуждения (ПБВ).
Примечания
1 Допускается применение регулирования под нагрузкой (РПН), при этом диапазон и число ступеней должны устанавливаться НД на конкретные трансформаторы.
При отсутствии специальных требований заказчика трансформатор должен иметь схему соединения «треугольник - звезда с нулем» с группой соединения 11 согласно приложению Б к ГОСТ Р 52719.
Вводы и отводы нейтрали обмотки НН должны быть выбраны на продолжительную нагрузку током, равным по отношению к номинальному току обмотки НН 25 % для трансформаторов со схемой соединения обмоток Y/YH и 75 % для трансформаторов со схемами соединения обмоток Y/ZH и D/YH. Вводы и отводы нейтрали обмотки ВН трансформаторов классов напряжения от 6 до 35 кВ со схемой соединения обмоток YH/D должны быть выбраны на продолжительную нагрузку током, равным номинальному току обмотки ВН.
Требования и правила приемки в части стойкости при коротких замыканиях должны соответствовать ГОСТ Р 52719.
Примечание - См. ДВ.8 (приложение ДВ).
Изготовитель должен указать номинальные данные трансформатора на табличке согласно разделу 9. Эти номинальные данные должны быть такими, чтобы трансформатор мог нести свой номинальный ток при установившейся нагрузке без выхода за пределы превышения температуры, определенные в разделе 11, при условии, что значение напряжения питания равно номинальному напряжению и что частота питающей сети равна номинальной частоте.
Трансформатор должен иметь заданную номинальную мощность каждой обмотки, которая должна быть указана на табличке трансформатора. При поставке в кожухе трансформатор должен быть рассчитан на номинальную мощность. Номинальная мощность относится к продолжительной нагрузке и синусоидальной форме токов и напряжения. Ее значение является базисным для гарантированных и измеренных при испытании нагрузочных потерь, превышения температуры и напряжения короткого замыкания.
Примечание - Двухобмоточный трансформатор имеет только одно значение номинальной мощности, одинаковое для обеих обмоток. Если трансформатор работает при номинальном напряжении, подаваемом на первичную обмотку, и номинальный ток протекает через выводы этой обмотки, трансформатор принимает соответствующую номинальную мощность для обеих обмоток.
Номинальная мощность соответствует длительному режиму работы. Вместе с тем сухие трансформаторы, соответствующие настоящему стандарту, должны допускать работу при перегрузках. Допустимые систематические нагрузки и перегрузки, в том числе с повышенным износом изоляции, с учетом предшествующей нагрузки трансформатора и температуры охлаждающей среды и кратковременные аварийные (чрезвычайные) перегрузки всех элементов трансформатора, включая комплектующие изделия, должны быть установлены в НД на конкретные трансформаторы.
Примечание - См. ДВ.9 (приложение ДВ).
Предпочтительные значения должны соответствовать ГОСТ 9680.
Допустимые продолжительные превышения напряжения должны соответствовать ГОСТ Р 52719, если в НД на конкретные трансформаторы не указано иное.
Примечание - См. ДВ.10 (приложение ДВ).
Если применяется дополнительное охлаждение при помощи вентиляторов, значения мощности при включенных и отключенных вентиляторах должны быть предметом согласования между изготовителем и заказчиком.
На табличке должны быть указаны оба значения мощности - мощность без вентиляторов и максимальная мощность при включенном вентиляторном охлаждении.
Каждый трансформатор должен быть снабжен табличкой из материала, устойчивого к атмосферным воздействиям, закрепленной на видном месте и содержащей информацию, указанную ниже. Надписи на табличке должны быть нанесены нестираемым способом (таким как травление, гравировка, штамповка или при помощи фотохимического процесса). На табличке должны быть указаны следующие данные:
a) наименование изделия (трансформатор, автотрансформатор) и условное обозначение типа по ГОСТ Р 52719;
b) обозначение НД на трансформатор;
c) товарный знак и наименование предприятия-изготовителя;
d) заводской номер;
e) год изготовления;
f) класс нагревостойкости изоляции для каждой обмотки; первая буква обозначения должна относиться к обмотке высшего напряжения, вторая - к обмотке низшего напряжения; если имеется более двух обмоток, буквенные обозначения должны быть расположены по порядку обмоток от высшего напряжения к низшему;
g) число фаз;
h) номинальная мощность в киловольтамперах для каждого вида охлаждения;
i) номинальная частота в герцах;
j) номинальные напряжения в вольтах или киловольтах всех обмоток, включая напряжения ответвлений, если они имеются;
k) номинальные токи в амперах для каждого вида охлаждения;
l) условное обозначение схемы и группы соединения обмоток по ГОСТ Р 52719;
m) напряжение короткого замыкания в процентах на основном ответвлении при номинальном токе и соответствующей температуре;
n) вид системы охлаждения;
о) полная масса в килограммах или тоннах;
р) уровни изоляции всех обмоток (должны быть указаны испытательные напряжения промышленной частоты и полного грозового импульса для внутренней изоляции в киловольтах);
q) степень защиты;
r) класс климатических условий;
s) класс стойкости к воздействиям окружающей среды;
t) класс воспламеняемости.
Для каждого трансформатора должен быть указан используемый вид системы охлаждения. Обозначения каждого вида охлаждения указаны в таблице 1.
Превышение температуры каждой обмотки трансформатора, предназначенного для эксплуатации при номинальных условиях, по сравнению с температурой охлаждающего воздуха при испытаниях на нагрев в соответствии с разделом 23 не должно быть выше значений, указанных в таблице 2.
Максимальное значение температуры каждой из частей обмотки называется температурой наиболее нагретой точки. Температура наиболее нагретой точки не должна превышать нормированных значений, указанных в таблице 2 (третья графа).
Изоляционные материалы могут применяться отдельно или в комбинациях при условии, что их температуры не превышают значений для соответствующих классов нагревостоикости изоляции, указанных в таблице 2 (первая графа).
Температуры магнитопровода, металлических частей и соприкасающихся с ними материалов не должны достигать значений, которые могли бы привести к разрушению какой-либо части трансформатора.
|
Таблица 2 - Пределы превышения температуры при номинальном токе и температуры наиболее нагретой точки
|
|||||||||||||||||||||||||||
Если трансформатор предназначен для условий работы, при которых температура охлаждающего воздуха превышает одно из максимальных значений, указанных в 4.2.3, пределы превышения температуры должны быть уменьшены настолько же, насколько превышена температура охлаждающего воздуха. Значения должны быть округлены до ближайшего целого значения в градусах Цельсия.
Любые условия в месте установки трансформатора, которые могут привести к ограничению воздушного охлаждения или вызвать высокие температуры окружающего воздуха, должны быть указаны заказчиком.
При отсутствии специального соглашения между изготовителем и заказчиком, для трансформаторов, предназначенных для работы на высоте более 1000 м, но испытанных на нормальной высоте, пределы превышения температуры, указанные в таблице 2, должны быть уменьшены на следующие значения на каждые 500 м высоты установки сверх 1000 м:
- при естественном воздушном охлаждении: 2,5 %;
- при форсированном воздушном охлаждении: 5 %.
Если высота места проведения испытаний более 1000 м, а высота установки менее 1000 м, может быть проведена соответствующая коррекция в обратную сторону.
Любые поправки на высоту установки должны быть округлены до ближайшего целого значения в градусах Цельсия.
Если иное не указано в НД на конкретные трансформаторы, электрическая прочность изоляции должна соответствовать уровню а по ГОСТ 1516.3 для трансформаторов, разработанных с требованием проверки изоляции на отсутствие частичных разрядов по разделу 22 настоящего стандарта, и уровню б по ГОСТ 1516.3 в остальных случаях.
Если трансформаторы, предназначенные для работы на высотах от 1000 до 3000 м над уровнем моря, испытываются на нормальной высоте, испытательные напряжения грозовых импульсов и приложенного напряжения промышленной частоты должны быть увеличены на 1 % на каждые 100 м сверх 1000 м. При высоте более 3000 м уровень изоляции должен быть согласован между изготовителем и заказчиком.
По значению нижней температуры окружающей среды определены следующие четыре класса:
Класс С1: Трансформатор предназначен для эксплуатации при температуре окружающей среды не ниже -5 °С, но при транспортировании и хранении допустима температура окружающей среды вплоть до -25 °С.
Класс С2: Трансформатор предназначен для эксплуатации, транспортирования и хранения при температуре окружающей среды до -25 °С.
Класс С3: Трансформатор предназначен для эксплуатации, транспортирования и хранения при температуре окружающей среды до -45 °С (климатическое исполнение У1 по ГОСТ 15150).
Класс С4: Трансформатор предназначен для эксплуатации, транспортирования и хранения при температуре окружающей среды до -60 °С (климатическое исполнение УХЛ1 по ГОСТ 15150).
Примечание - Дополнительные по отношению к МЭК 60076-11 классы климатических условий С3 и С4 добавлены для учета характерных климатических и географических особенностей Российской Федерации.
Принадлежность трансформаторов к классам С1, С2, С3 и С4 должна быть подтверждена специальными испытаниями согласно разделу 27.
Примечание - Трансформаторы для наружной установки должны быть снабжены кожухом или иметь другую аналогичную защиту.
Условия окружающей среды для сухих трансформаторов определяются по влажности, конденсации влаги, загрязнению и температуре окружающей среды.
Примечание - Эти факторы важны не только в течение периода эксплуатации, но также при транспортировании и хранении до установки.
Применительно к влажности, конденсации и загрязнению определены следующие три класса:
Класс Е0: Не может быть никакой конденсации влаги на трансформаторе, а загрязнение незначительно. Это обычно соответствует внутренней установке в чистом и сухом помещении.
Класс Е1: Возможна нерегулярная конденсация влаги на трансформаторе (например, когда трансформатор отключен). Возможно ограниченное загрязнение.
Класс Е2: Частая конденсация влаги или сильное загрязнение, или комбинация и того и другого.
Принадлежность трансформаторов к классам Е1 и Е2 должна быть подтверждена специальными испытаниями согласно разделу 26.
По воспламеняемости и характеру горения определены следующие два класса:
Класс F0: Не рассматривается опасность возникновения пожара. За исключением характеристик, присущих конструкции трансформатора, не принимаются специальные меры по ограничению воспламеняемости. При этом эмиссия токсичных веществ и непрозрачного дыма должна быть сведена к минимуму.
Класс F1: Трансформаторы подвержены опасности возникновения пожара. Должна быть ограниченная воспламеняемость. Эмиссия токсичных веществ и непрозрачного дыма должна быть сведена к минимуму.
Принадлежность трансформаторов к классу F1 должна быть подтверждена специальными испытаниями согласно разделу 28.
Примечание - Измерения, выполненные согласно разделу 28, должны иметь стандартное отклонение результатов не более 10 °С.
Если трансформатор объявлен как принадлежащий к комбинации классов климатических условий, стойкости к воздействиям окружающей среды и воспламеняемости, то испытания, которые должны доказать его принадлежность к указанным классам, проводят на одном и том же трансформаторе в последовательности, указанной в таблице 3.
Испытания согласно разделам 26, 27 и 28 должны быть проведены на одном трансформаторе, представляющем тип конструкции.
Таблица 3 - Последовательность испытаний
|
Раздел (пункт) |
Классы |
|||||||
|
климатических условий |
стойкости к воздействиям окружающей среды |
воспламеняемости |
||||||
|
С1 |
С2 |
Е0 |
Е1 |
Е2 |
F0 |
F1 |
||
|
1 Термическая ударная нагрузка при -5 °С |
Да |
Нет |
- |
- |
- |
- |
- |
|
|
2 Термическая ударная нагрузка при -25 °С (С2); при -45 °С (С3); при -60 °С (С4) |
Нет |
Да |
- |
- |
- |
- |
- |
|
|
3 Испытания на конденсацию влаги |
- |
- |
Нет |
Да |
Нет |
- |
- |
|
|
4 Испытание на конденсацию и проникновение влаги |
- |
- |
Нет |
Нет |
Да |
- |
- |
|
|
5 Испытание на воспламеняемость |
- |
- |
- |
- |
- |
Нет |
Да |
|
При выпуске с завода трансформаторы должны быть испытаны согласно требованиям разделов 15 - 23. Трансформаторы, находившиеся в эксплуатации, могут быть испытаны в соответствии с этими требованиями, но значения испытательных напряжений должны быть снижены до 85 %, однако гарантированные значения, относящиеся к новым трансформаторам, при этом неприменимы.
Испытания должны быть выполнены у изготовителя или на подходящей испытательной станции, если соглашением между изготовителем и заказчиком на стадии заказа не оговорено иное.
Испытания изоляции согласно разделам 19, 20 и 21 должны быть проведены на трансформаторе при температуре, близкой к температуре испытательной лаборатории.
Испытания должны быть проведены на полностью собранном трансформаторе с установленными необходимыми составными частями.
Обмотки с ответвлениями должны быть включены на свои основные ответвления, если соглашением между изготовителем и заказчиком не оговорено иное.
Базисные значения для всех характеристик при испытаниях, кроме испытаний изоляции, должны соответствовать нормальным условиям, если в соответствующих разделах не оговорено иное.
Измерения проводят согласно ГОСТ 3484.1.
Проверки проводят согласно ГОСТ 3484.1.
Измерения проводят согласно ГОСТ 3484.1.
Результаты измерений потерь и напряжения короткого замыкания должны быть приведены к температуре, равной 20 °С плюс среднее превышение температуры, указанное в графе 2 таблицы 2 для заданного класса нагревостойкости обмоток.
Если в трансформаторе имеются обмотки с различными классами нагревостойкости, результаты приводятся к температуре, соответствующей обмотке с наибольшим классом нагревостойкости.
Измерения проводят согласно ГОСТ 3484.1.
Испытания проводят согласно ГОСТ 22756.
Испытательное напряжение должно быть приложено в течение 60 с.
Испытательные напряжения обмоток номинальным напряжением 3 кВ и выше должны соответствовать ГОСТ 1516.3. Изоляция обмоток (относительно земли и других обмоток), имеющих номинальное напряжение ниже 3 кВ, должна выдерживать приложенное от постороннего источника напряжение, равное 5 кВ для трансформаторов с нормальной изоляцией обмотки высшего напряжения и 3 кВ для трансформаторов с нормальной изоляцией обмотки высшего напряжения.
Испытания проводят согласно ГОСТ 22756.
Испытательное напряжение должно быть равно удвоенному номинальному напряжению.
Длительность выдержки испытательного напряжения должна быть равна 60 с при частоте до 100 Гц включительно. При частоте f более 100 Гц длительность выдержки испытательного напряжения в секундах должна быть равна 60 · 100/f, но не менее 15 с.
Требования к электрической прочности изоляции при напряжениях грозовых импульсов должны соответствовать ГОСТ 1516.3. Испытания проводят по ГОСТ 22756.
Испытания должны быть выполнены полными и срезанными грозовыми импульсами обеих полярностей (положительной и отрицательной, по три импульса каждой полярности).
Примечания.
2 При испытании напряжением грозового импульса могут возникнуть емкостные частичные разряды в воздухе, которые, не представляя опасности для изоляции трансформатора, могут привести к изменениям формы импульса тока, при этом форма импульса напряжения изменяется незначительно или совсем не изменяется. В этом случае рекомендуется повторить испытания приложенным и индуктированным переменным напряжением по разделам 19 - 20. С учетом отмеченного выше, небольшие искажения формы волны тока не являются основанием для отбраковки.
Измерения характеристик частичных разрядов проводят согласно ГОСТ 20074.
Для сухих трансформаторов с капсулированными обмотками и трансформаторов с монолитной изоляцией такие измерения должны входить в программу приемо-сдаточных испытаний. Для других сухих трансформаторов допускается не проводить такие измерения, если иное не оговорено между заказчиком и изготовителем.
Измерения характеристик частичных разрядов должны проводиться на обмотках трансформатора с наибольшим рабочим напряжением Uн.р ≥ 3,6 кВ.
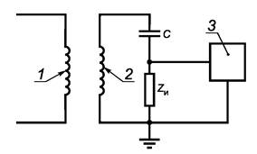
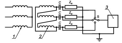
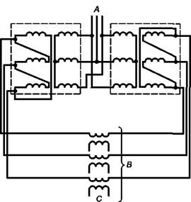
Типовые схемы, применяемые для измерения характеристик частичных разрядов, показаны на рисунках 1 и 2. На этих рисунках С - это свободный от частичных разрядов высоковольтный конденсатор с соответствующим номинальным напряжением (имеющий значение емкости, большее по сравнению с емкостью калиброванного генератора С0). Он включен последовательно с измерительным полным сопротивлением Zи и подсоединен к каждому выводу обмотки высокого напряжения.
В обмотках и в измерительной цепи происходит затухание импульсов, вызванных частичными разрядами. Калибровка измерительной цепи должна проводиться согласно требованиям ГОСТ 20074 путем подачи импульсов от стандартного калибровочного генератора на вывод обмотки высшего напряжения трансформатора. Предпочтительно, чтобы калибровочный генератор имел частоту повторения порядка одного импульса за полупериод частоты, применяемой при испытании трансформатора.

1 - обмотка низшего напряжения; 2 - обмотка высшего напряжения; 3 - измерительный прибор
Рисунок
1 - Типовая схема измерения характеристик частичных разрядов
однофазных трансформаторов

1 - обмотки
низшего напряжения; 2 - обмотки высшего напряжения, соединенные по схеме
«треугольник или звезда»;
3 - измерительный прибор; S - переключатель
Рисунок
2 - Типовая схема измерения характеристик частичных разрядов
трехфазных трансформаторов
Измерение частичных разрядов должно проводиться после завершения всех испытаний изоляции. Обмотка низшего напряжения должна быть запитана от трехфазного или однофазного источника в зависимости от числа фаз трансформатора. Напряжение должно быть по возможности синусоидальной формы, частота должна быть выше номинальной частоты, чтобы избежать чрезмерного тока возбуждения в течение испытания. Процедура испытаний должна быть такой, как указано в 22.4.1 и 22.4.2.
22.4.1 Трехфазные трансформаторы
22.4.1.1 Основная процедура испытаний
Трехфазные сухие трансформаторы должны быть испытаны согласно схеме и графику, приведенным на рисунке 3.

Рисунок 3 - График изменения напряжения во времени при измерении
характеристик частичных разрядов
(основная процедура испытаний)
В начале испытания индуктированное междуфазное напряжение поднимают до значения 1,8Uн и выдерживают в течение 30 с, где Uн - номинальное напряжение. Затем напряжение плавно снижают до междуфазного значения 1,3Uн и выдерживают не менее 3 мин, в течение которых должны быть измерены характеристики частичных разрядов (рисунок 3).
22.4.1.2 Дополнительная процедура испытаний
Дополнительное испытание используется для трансформаторов, предназначенных для сетей с изолированной нейтралью или с нейтралью, заземленной через большое полное сопротивление, и которые могут длительно работать в условиях однофазного замыкания на землю. Испытания проводят по требованию заказчика.

Рисунок 4 - График изменения напряжения во времени при измерении
характеристик частичных разрядов
(дополнительная процедура испытаний)
Испытания проводят при заземлении одного из линейных выводов. В начале испытания индуктированное междуфазное напряжение поднимают до значения 1,3Uн и выдерживают в течение 30 с. Затем напряжение плавно снижают до междуфазного значения Uн и выдерживают не менее 3 мин, в течение которых должны быть измерены характеристики частичных разрядов (рисунок 4). Это испытание должно быть повторено при заземлении другого линейного вывода.
22.4.2 Однофазные трансформаторы
Для однофазных трансформаторов значение Uн должно быть равно линейному напряжению или напряжению между фазой и землей в зависимости от схемы включения трансформатора. Напряжение должно прикладываться таким же образом, как для трехфазного трансформатора.
Трехфазные трансформаторы, комплектуемые из трех однофазных трансформаторов, должны быть испытаны как трехфазные трансформаторы.
Максимальный уровень частичных разрядов должен быть не более 10 пКл, если в НД на конкретные трансформаторы не указано иное.
Примечания
1 Максимальный уровень частичных разрядов, нормированный в настоящем стандарте, относится в основном к сухим трансформаторам с капсулированными обмотками и трансформаторам с монолитной изоляцией. Для всех других сухих трансформаторов при требовании проведения соответствующих измерений максимальный уровень должен быть указан в НД на конкретные трансформаторы.
2 См. ДВ.17.2 (приложение ДВ).
3 Особое внимание должно быть уделено трансформаторам, оснащенным дополнительными устройствами, например разрядниками.
Испытания проводят согласно ГОСТ 3484.2. Испытания на нагрев трехфазных трансформаторов должны быть проведены при трехфазном питании.
По выбору изготовителя трансформаторы испытывают одним из следующих методов: условной нагрузки, взаимной нагрузки и непосредственной нагрузки.
При испытаниях методом условной нагрузки общее превышение температуры каждой из обмоток Dqобм при номинальных условиях (пункт 5.1.3 ГОСТ 3484.2) следует определять по результатам двух отдельных испытаний в режиме холостого хода и короткого замыкания по формуле

где
- измеренное превышение температуры
обмотки над температурой охлаждающей среды в режиме холостого хода, °С;
- измеренное превышение
температуры обмотки над температурой охлаждающей среды в режиме короткого
замыкания, °С;
К1 = 0,8 при естественном воздушном охлаждении и 0,9 при принудительном воздушном охлаждении.
Для всех типов трансформаторов, указанных в разделе 3, с целью определения достижения установившегося теплового режима термопары или термометры должны быть установлены в центральной части верхнего ярма и как можно ближе к внутренним проводникам обмотки низшего напряжения в верхней ее части. Для трехфазных трансформаторов измерения проводят на центральном стержне магнитной системы.
Испытания проводят согласно ГОСТ 12.2.024.
Требования к стойкости при коротких замыканиях сухих трансформаторов должны соответствовать ГОСТ Р 52719. Требования к стойкости при ударных толчках током должны быть установлены в НД на конкретные трансформаторы.
Испытания на стойкость при коротких замыканиях и ударных толчках током проводят согласно ГОСТ 20243.
Примечание - См. ДВ.19 (приложение ДВ).
После испытаний на стойкость при коротком замыкании должны быть повторены измерения характеристик частичных разрядов согласно требованиям раздела 22. Полученные значения не должны превышать максимальных значений, указанных в 22.5.
Испытания устанавливают принадлежность трансформаторов к классам стойкости к воздействиям окружающей среды, определенным в 13.2. Последовательность испытаний указана в 13.4.
Если не оговорено иное, испытания должны выполняться на одном полностью собранном трансформаторе со всеми установленными частями (требуемыми для испытаний).
Трансформатор и его части должны быть новыми и чистыми, без какой-либо дополнительной обработки поверхности изоляционных частей.
Результаты испытаний на стойкость к воздействиям окружающей среды, проведенных на трансформаторе, могут быть распространены на другие трансформаторы, разработанные с применением тех же конструктивных критериев, таких как:
- такая же концепция конструкции (например, вид изоляции, тип обмотки, степень защиты и т. д.);
- те же основные изоляционные материалы.
26.3.1 Трансформаторы класса Е1
Данное испытание является испытанием на конденсацию влаги.
Трансформатор должен быть помещен в испытательную камеру с регулируемой температурой и влажностью.
Размеры камеры должны быть в 5 раз больше прямоугольного параллелепипеда, описанного вокруг трансформатора. Зазоры между частями трансформатора и стенками, потолком и разбрызгивающими соплами должны быть не менее наименьшего расстояния между фазами и другими частями, находящимися под напряжением, и не менее 150 мм.
Температура воздуха в испытательной камере должна быть такой, чтобы обеспечить конденсацию влаги на трансформаторе.
Влажность в испытательной камере должна быть выше 93 %. Это может быть обеспечено путем периодического или непрерывного распыления воды.
Удельная проводимость воды должна быть в диапазоне от 0,1 до 0,3 См/м.
Положение механического разбрызгивающего устройства должно быть таким, чтобы трансформатор не подвергался непосредственному смачиванию.
При испытаниях не должно быть падения капель воды с потолка на трансформатор.
Трансформатор должен быть выдержан в воздухе с относительной влажностью более 93 % не менее 6 ч без приложения напряжения.
Не позднее чем через 5 мин после этого трансформатор должен быть подвергнут следующим испытаниям индуктированным напряжением:
- трансформаторы с обмотками, предназначенными для работы в сетях с глухозаземленной нейтралью, или с заземлением нейтрали через низкое полное сопротивление, должны быть испытаны напряжением 1,1 номинального в течение 15 мин;
- трансформаторы с обмотками, предназначенными для работы в сетях с изолированной нейтралью или с заземлением нейтрали через большое полное сопротивление, должны быть испытаны индуктированным напряжением в течение трех последовательных промежутков времени по 5 мин. Во время испытаний каждый из выводов обмотки высшего напряжения поочередно должен быть соединен с землей, а между другим выводом и землей должно быть приложено напряжение 1,1 номинального напряжения. Трехфазное испытание может быть заменено однофазными испытаниями с соединением двух незаземленных фаз между собой.
Рекомендуется проведение этих испытаний в испытательной камере.
Во время приложения напряжения не должно происходить перекрытий, а визуальная проверка не должна обнаруживать заметных повреждений.
26.3.2 Трансформаторы класса Е2
Эти испытания включают в себя испытания на воздействие конденсации и на проникновение влаги. Испытания на конденсацию должны быть проведены согласно 26.3.1, за исключением значений удельной проводимости воды, которая должна быть в диапазоне от 0,5 до 1,5 См/м.
В начале испытания на проникновение влаги трансформатор должен находиться в сухом состоянии. Он должен быть выдержан в климатической камере без приложения напряжения в течение 144 ч.
Температура в климатической камере должна быть (50 ± 3) °С, а относительная влажность (90 ± 5) %. По истечении этого времени и после выдержки в течение не более 3 ч в нормальных окружающих условиях трансформатор должен быть подвергнут испытанию изоляции переменным приложенным и индуктированным напряжением, но испытательные напряжения должны быть снижены до 80 % нормированных значений.
Во время испытаний изоляции не должно происходить перекрытий и пробоев, а визуальная проверка не должна обнаруживать заметных следов повреждений.
Испытания должны подтвердить принадлежность трансформаторов к классам климатических условий, определенным в 13.1. Последовательность испытаний указана в 13.4.
Результаты климатических испытаний, проведенных на трансформаторе, могут быть распространены на другие трансформаторы, разработанные с применением тех же конструктивных критериев, таких как:
- такая же концепция конструкции (вид изоляции, тип обмотки, степень защиты и т. д.);
- такое же среднее превышение температуры обмоток (согласно таблице 1);
- те же проводниковые материалы;
- те же основные изоляционные материалы.
Испытания проводят на полностью собранном трансформаторе без кожуха. По согласованию между изготовителем и заказчиком испытания могут быть проведены на всех обмотках, снятых с магнитопровода. Последующая проверка изоляции должна быть выполнена после повторной установки испытуемых обмоток в трансформатор.
Окружающая температура в камере должна быть измерена не менее чем в трех местах, расположенных на расстоянии 0,1 м от внешней поверхности и на середине высоты объекта. В качестве базисного значения температуры принимается среднее значение этих измерений.
Должна быть выполнена следующая процедура испытаний:
a) температура воздуха в испытательной камере должна быть постепенно снижена до - (25 ± 3) °С в течение 8 ч, а затем поддерживаться на этом уровне в течение по меньшей мере 12 ч до достижения установившегося режима;
b) затем температуру следует постепенно повысить до - (5 ± 3) °С в течение 4 ч. Эту температуру следует поддерживать по меньшей мере 12 ч до достижения установившегося режима;
c) термическая ударная нагрузка должна быть осуществлена путем возбуждения испытуемой обмотки (с твердой изоляцией) током, равным двойному номинальному току. Ток должен протекать до тех пор, пока средняя температура испытуемой обмотки не достигнет значения, соответствующего превышению температуры согласно таблице 2 плюс 40 °С (максимальная температура окружающей среды в нормальных условиях эксплуатации). Достижение средней температуры определяется по изменению сопротивления. Термическая ударная нагрузка должна быть осуществлена одним из следующих методов:
1) испытание при питании постоянным током: испытание на термическую ударную нагрузку проводится путем пропускания постоянного тока заданной величины через испытуемую обмотку. Для трехфазных трансформаторов ток должен проходить через все обмотки, соединенные последовательно. Измерение сопротивления для контроля средней температуры обмотки при испытании может быть осуществлено методом вольтметра-амперметра.
Примечание 1 - Для соединения обмоток последовательно может потребоваться демонтаж перемычек между обмотками;
2) испытание при питании переменным током: испытание на термическую ударную нагрузку проводится путем пропускания переменного тока заданной величины через испытуемую обмотку при закороченном состоянии другой обмотки (других обмоток). Для трехфазных трансформаторов должна быть использована симметричная система токов. Измерение сопротивления обмоток для определения их средней температуры при испытании должно быть выполнено на постоянном токе методом наложения измерительного тока на испытательный переменный ток или другим эквивалентным методом;
3) альтернативный метод испытания при питании переменным током: через трансформатор должен быть пропущен двойной номинальный ток при закороченном состоянии одной из обмоток. Контроль температуры каждой обмотки осуществляется путем считывания показаний термодатчиков, закрепленных вблизи нижней и верхней частей поверхности обмотки. Перед основными испытаниями датчики должны быть откалиброваны при калибровочном испытании двойным номинальным током и при нормальной окружающей температуре.
Датчики калибруются путем сравнения их показаний с превышением температуры обмотки измеренным методом сопротивления. В этом случае определяются показания датчиков, соответствующие превышению температуры по таблице 2 плюс 40 °С. Такие же показания датчиков должны быть получены в испытаниях, которые начинаются при низких температурах окружающего воздуха.
Примечание 2 - Необходимо принять меры, чтобы некоторые обмотки не были термически перегружены вследствие различного поведения частей трансформатора при переходных термических процессах;
d) после термической ударной нагрузки трансформатор должен быть доведен до температуры (25 ± 10)°С.
27.3.2 Критерии успешности испытаний
Не позднее 12 ч после окончания испытаний на термическую ударную нагрузку трансформатор должен быть подвергнут приемо-сдаточным испытаниям изоляции приложенным и индуктированным напряжением, но со снижением испытательных напряжений до 80 % нормированных значений.
Дополнительно на трансформаторах с капсулированными обмотками должно быть выполнено измерение частичных разрядов в соответствии с разделом 22. Испытательное напряжение должно быть не более сниженного значения индуктированного напряжения (160 % номинального), а измеренные значения не должны превосходить значений, нормированных для приемо-сдаточных испытаний.
При внешнем осмотре не должно наблюдаться видимых нарушений, таких как трещины или разрывы.
27.4.1 Методика испытаний
Методика испытаний должна соответствовать 27.3.1, кроме этапа b. Для классов С2, С3 и С4 на этапе а температура воздуха в испытательной камере должна быть выдержана на уровне - (25 ± 3)°С, - (45 ± 3) °С и - (60 ± 3) °С, соответственно.
27.4.2 Критерии успешности испытаний
Критерии успешности испытаний в соответствии с 27.3.2.
Необходимо свести к минимуму выделение токсичных газов и непрозрачного дыма из трансформатора в случае пожара. Следует избегать применения галогеносодержащих материалов. Проверка выделения газов, вызывающих коррозию, и вредных газов должна быть проведена согласно 28.2. При этом трансформатор не должен вносить значительный вклад в энергию внешнего пожара. Поведение при горении должно быть определено испытаниями по 28.3.
Обнаружение выделения газов, вызывающих коррозию, и вредных газов должно быть проведено на малых количествах горючих материалов, присутствующих в трансформаторе.
Испытания должны быть способны обнаружить присутствие таких компонентов, как хлористый водород (HCI), цианистый водород (HCN), бромистый водород (НВr), фтористый водород (HF), двуокись серы (SO2), формальдегид (НСНО).
Детали процедуры испытаний и допустимые уровни могут быть согласованы между заказчиком и изготовителем, если они не определены в национальных нормативных документах.
28.3.1 Объект испытаний
Испытания должны быть выполнены на одном комплекте фазы трансформатора без кожуха, содержащем обмотки высшего и низшего напряжения, стержень магнитопровода и изоляционные компоненты. Стержень магнитопровода может быть заменен моделью из материала с приблизительно такими же размерами и термическими свойствами, как оригинал. Ярмо не должно моделироваться, а отводы обмотки высшего напряжения обрезаются на верхнем и нижнем уровнях обмотки.
Внешний диаметр круглой обмотки или максимальный поперечный размер некруглой обмотки при испытаниях должны быть от 400 до 500 мм.
Примечание - По согласованию могут испытываться обмотки большего или меньшего размера.
28.3.2 Распространение результатов испытаний
Результаты испытаний на воспламеняемость, проведенных на одном трансформаторе, могут быть распространены на другие трансформаторы, разработанные с применением тех же конструктивных критериев, таких как:
- такая же концепция конструкции (например, наличие или отсутствие твердой изоляции обмоток, тип обмотки, степень защиты и т. д.);
- такое же среднее превышение температуры обмотки (согласно таблице 2);
- те же проводниковые материалы;
- те же основные изоляционные материалы.
28.3.3 Испытательная установка
28.3.3.1 Испытательная камера
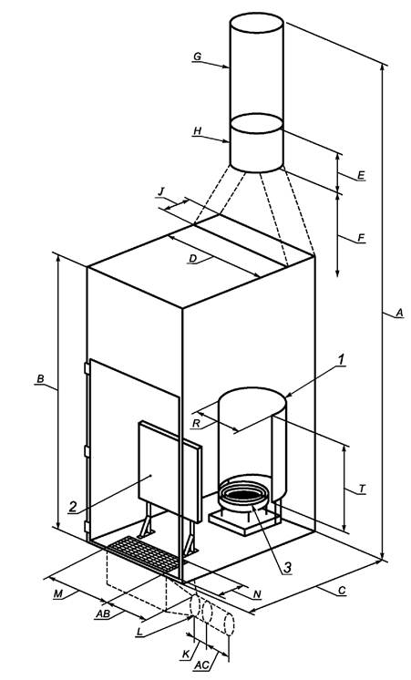
Конструкция испытательной камеры показана на рисунке 5. Стенки должны быть изготовлены из термостойкой стали толщиной от 1,5 до 2,0 мм с термической изоляцией, имеющей теплопроводность приблизительно 0,7 Вт/(м2 · °С). Если возможно, должны быть встроены огнестойкие окна. Размеры испытательной камеры приведены в таблице 4.
Таблица 4 - Размеры испытательной камеры (рисунки 5 и 6), мм
|
В |
C |
D |
Е |
F |
G |
Н |
|||
|
Минимум |
Максимум |
Минимум |
Максимум |
||||||
|
9000 |
3500 |
4000 |
2000 |
1000 |
600 |
1500 |
2000 |
500 |
500 |
|
|
|||||||||
|
J |
К |
L |
М |
N |
P |
Q |
R |
S |
Т |
|
300 |
400 |
350 |
800 |
400 |
800 |
500 |
900 |
400 |
1200 |
|
|
|||||||||
|
U |
V |
W |
X |
Y |
Z |
АА |
АВ** |
АС** |
|
|
500 |
175 |
300 |
30 |
40 |
20 |
50 |
1000 |
1000 |
|
|
* Приблизительная высота. ** Минимальный размер. |
|||||||||
Камера должна быть снабжена вытяжной трубой с внутренним диаметром приблизительно 500 мм и каналом для впуска воздуха диаметром приблизительно 350 мм. Разность уровней между впускным отверстием камеры и газоотводом в трубе должна быть приблизительно 9 м. Воздух поступает снизу в испытательную камеру через колосниковую решетку 400 ´ 800 мм2 и удаляется через трубу с внутренним сечением около 0,3 м2.
В вытяжной трубе должна быть измерительная секция диаметром 500 мм и длиной не менее 600 мм, нижний конец которой расположен на расстоянии от 1,5 м до 2 м выше уровня крыши камеры.
В канале для впуска воздуха должна быть измерительная секция диаметром 350 мм и длиной не менее 400 мм на расстоянии не менее 1 м от места впуска воздуха в испытательную камеру и до канала впуска.
В вытяжной трубе и (или) в канале для впуска воздуха должен быть предусмотрен дроссельный вентиль на случай, если не требуется форсирование воздушного потока. Испытательная камера должна быть устроена таким образом, чтобы влиянием ветра на количество поступающего воздуха можно было пренебречь.
28.3.3.2 Источники воспламенения (см. рисунок 5)
Главным источником тепла является этиловый спирт (теплотворная способность 27 МДж/кг), горящий в сосуде, который может быть подразделен концентрическими кольцевыми перегородками. Наружный диаметр сосуда должен быть по крайней мере на 100 мм больше внешнего диаметра наружной обмотки. Внутренний диаметр сосуда должен быть по крайней мере на 40 мм меньше внутреннего диаметра внутренней обмотки.
Уровень спирта в сосуде в начале процесса горения должен быть равен (30 ± 1) мм, что соответствует времени горения приблизительно 20 мин.
Вторым источником тепла является вертикально расположенная плоская электрическая радиаторная панель высотой приблизительно 800 мм и шириной приблизительно 500 мм, содержащая нагревательные резисторы общей мощностью 24 кВт с регулируемым источником питания для поддержания температуры панели 750 °С. Напротив панели должен быть расположен полуцилиндрический металлический экран диаметром 900 мм и высотой 1,2 м.
Примечание - При испытании блока обмоток с внешним размером более 500 мм экран можно не устанавливать.
При помощи термопар или эквивалентным методом должны быть измерены следующие температуры:
- входящего воздуха;
- выходящего воздуха;
- верхнего торца обмотки низшего напряжения (факультативно);
- верхнего торца обмотки высшего напряжения (факультативно);
- нижнего и верхнего торца стержня магнитопровода или его модели (факультативно);
- в канале между магнитопроводом и обмоткой низшего напряжения (факультативно);
- в канале между обмотками низшего и высшего напряжения (факультативно).
Примечание - Расположение измерительных датчиков показано на рисунке 6.
28.4.2 Другие измеряемые величины
- прохождение света в измерительной секции; это измерение должно выполняться вдоль оптического пути сквозь дым на длине не менее 500 мм;
Примечание - Если
коэффициент пропускания света равен X, а длина
оптического пути в метрах равна р, значение коэффициента пропускания
света, отнесенное к 1 м пути, будет равно
;
- расход воздуха на входе;
- расход газа в вытяжной трубе (факультативно).
Камера должна быть откалибрована не ранее чем через 40 мин после включения радиаторной панели на 24 кВт.
Измеряемый поток воздуха во входной измерительной секции должен быть отрегулирован до установившегося значения 0,21 м3/с ± 15 % при 20 °С. Если испытательная установка основана на естественном поступлении воздуха, воздушный поток может быть отрегулирован вентилем или эквивалентным устройством. В том случае, если испытательная установка работает с форсированным поступлением воздуха, воздушный поток может быть отрегулирован при помощи системы вентиляции.
Примечание - Для получения требуемого в установившемся режиме воздушного потока может потребоваться дополнительная регулировка.
Испытуемый объект должен быть установлен в испытательную камеру, как указано на рисунке 6, с соблюдением следующих условий:
- расстояние между радиаторной панелью и поверхностью наружной обмотки должно быть приблизительно 175 мм;
- начальный уровень спирта в сосуде должен быть приблизительно на 40 мм ниже уровня обмотки трансформатора.
Примечание - В некоторых случаях необходимо соглашение между изготовителем и заказчиком в зависимости от конструкции испытуемого объекта;
- полуцилиндрический металлический экран должен быть расположен напротив радиаторной панели и концентрично с испытуемым объектом;
- температура испытательной камеры, входящего воздуха и испытуемого объекта в начале испытаний должна быть от 15 °С до 30 °С;
- сосуд должен быть наполнен спиртом непосредственно перед испытанием (фактически за 5 мин).
Испытание начинается в момент, когда спирт подожжен и включена радиаторная панель (24 кВт). Через 40 мин радиаторная панель должна быть отключена. Значения параметров, указанных в 28.4.1 и 28.4.2, должны быть записаны на протяжении 60 мин после начала испытания или на протяжении всего испытания.
Испытуемый объект должен быть взвешен перед испытаниями и после них с погрешностью не более ± 0,5 %. Материал, представляющий стержень, и материал обмоток должны быть взвешены отдельно.
Протокол испытаний должен содержать следующую информацию:
a) результаты испытаний примененных материалов (если потребовал заказчик);
b) общие рассчитанные значения массы и тепловой энергии горючих материалов (если это возможно) и измеренную массу испытуемого объекта;
c) результаты калибровки испытательной камеры (расход воздуха, температуры в измерительных секциях, настройка регулировочного вентиля или газоотводящей системы и т. д.);
d) полное описание метода проведения испытаний, включая период времени горения спирта и поступления электроэнергии;
e) потеря массы горючих материалов во время испытаний (с погрешностью не более 10 %) и расчетное выделение тепла, МДж (если возможно);
f) записи температур во время испытаний от их начала (поджога спирта) с интервалами не более 2 мин;
g) коэффициент пропускания света в измерительной секции, непрерывно замеряемый во время испытания (%);
h) расход входящего воздуха в измерительной секции при испытаниях, замеряемый с интервалами не более 2 мин;
i) видимое состояние объекта после испытаний.
Испытуемый объект считается выдержавшим испытания, если удовлетворены следующие критерии:
a) превышение температуры газов в измерительной секции над температурой окружающей среды во время испытаний не более 420 °С;
b) через 5 мин после отключения радиаторной панели (45 мин после начала испытаний) превышение температуры газов в измерительной секции отводящей трубы над температурой окружающей среды не более 140 °С и уменьшается при измерениях с интервалами 10 мин;
c) через 60 мин после начала испытаний превышение температуры газов в измерительной секции отводящей трубы не более 80 °С. Соблюдение этих условий должно показать, что горение прекратилось.
Примечание - При естественной циркуляции воздуха может быть допущено более высокое значение превышения температуры, если накопленная тепловая энергия препятствует падению температуры;
d) среднее арифметическое значение коэффициента пропускания света в измерительной секции для оптического пути через дым на протяжении 1 м за период с 20-й по 60-ю минуту с момента начала испытаний должно быть не менее 20 % (индикаторное значение).
Предельные отклонения измеряемых параметров трансформаторов от нормированных не должны превышать значений, указанных в таблице 2 ГОСТ Р 52719.
Трансформатор, конструкция которого не предусматривает защиту от прямого соприкосновения, должен быть снабжен хорошо видимым элементом (предупреждающим плакатом или специальным знаком), обозначающим опасность и выполненным в соответствии с ГОСТ Р 12.4.026.
Конструкция оболочки (кожуха) зависит от места установки трансформатора и условий окружающей среды. Тип кожуха должен быть определен соответствующей ссылкой на ГОСТ 14524.
Трансформатор должен быть снабжен выводом для подсоединения провода защитного заземления. Все неизолированные металлические части, не находящиеся под напряжением, должны быть соединены с выводом заземления.
Требуемые при запросах и заказах сведения приведены в ГОСТ 30830 (приложение А).
1 - экран; 2 - радиаторная панель; 3 - сосуд со спиртом
Рисунок 5 - Испытательная камера
Примечание - См. таблицу 4 для размеров от А до Z и от АА до ZZ.
1 - экран; 2
- радиаторная панель; 3 - сосуд со спиртом; 4 - катушки; 5 -
сердечник; 6 - выпуск воздуха;
7 - положение выводов испытуемого объекта; 8 - измерительные
датчики; 9 - впуск воздуха
Рисунок 6 - Детали испытательной камеры
Примечание - См. таблицу 4 для размеров от А до Z и от АА до ZZ.
Ввод в эксплуатацию и безопасность сухих трансформаторов
А.1 Инструкции и руководства по эксплуатации
Изготовитель должен предоставить заказчику инструкции по эксплуатации, содержащие требования к установке, транспортированию, монтажу, техническому обслуживанию и эксплуатации, в частности при поставке опытного образца для данного заказчика. Если иное не оговорено в контракте, рекомендуется передача этих материалов заранее, на стадии заказа, чтобы дать возможность заказчику проверить правильность установки и облегчить организацию транспортирования и монтажа, если это возможно.
А.2 Ввод в эксплуатацию
А.2.1 Общие положения
Безопасность при применении трансформатора может быть рассмотрена с разных сторон:
a) внутренняя безопасность трансформатора с целью исключения опасных событий вследствие внутренних повреждений;
b) безопасность вследствие последовательности предупредительных мероприятий от неизбежных событий;
c) ограничение последствий внешних событий.
Национальные законы и регламенты должны устанавливать мероприятия по повышению безопасности по указанным выше перечислениям b) и с).
Национальные стандарты определяют необходимые к рассмотрению требования к установке.
Следующие подразделы содержат несколько примеров мероприятий, которые должны быть предприняты изготовителем и заказчиком для обеспечения приемлемого уровня безопасности.
А.2.2 Внутренняя безопасность
Выполнение требований, содержащихся в настоящем стандарте, обеспечивает необходимую надежность против возникновения внутренних повреждений в трансформаторе. На основные составные части распространяются соответствующие стандарты. Должны быть выполнены инструкции изготовителя по нагрузочной способности и руководства по нагрузке, регламентируемые национальными стандартами.
При этом следует принять во внимание следующее:
- уровни изоляции и испытания;
- максимальное тепловыделение при гарантированных и полученных при испытаниях потерях;
- максимальную температуру при эксплуатации;
- систематическое обслуживание трансформатора, его составных частей и защитных устройств;
- инструкции по эксплуатации должны содержать руководство по техническому обслуживанию в зависимости от состояния оборудования;
- использование трансформаторов класса F1 в случае вероятности возникновения пожара (внешнего или внутреннего).
А.2.3 Меры безопасности при вводе в эксплуатацию
Эти меры устанавливаются национальными законами, регламентами и стандартами.
Проектировщики электроустановки должны, по крайней мере, рассмотреть следующий перечень вопросов:
- способность системы охлаждения поддерживать температуру окружающего воздуха ниже установленного наибольшего предела;
- надлежащую защиту от грозовых и коммутационных перенапряжений;
- защиту от сверхтоков и необходимую стойкость трансформатора при коротких замыканиях;
- другие защитные устройства на самом трансформаторе (контакты на устройствах температурной индикации и пр.) и электроустановке (реле, предохранители и пр.);
- риски и последствия, противопожарные мероприятия при пожаре, возникающем в самом трансформаторе или в других местах;
- ограничение доступа для предотвращения контакта с частями трансформатора, находящимися под напряжением, или нагретыми частями и для ограничения присутствия людей при аварии;
- ограничение распространения шума за пределами установки;
- для шин и кабелей может оказаться необходимым ограничение магнитного поля;
- мероприятия по предотвращению загрязнения окружающего воздуха;
- предотвращение выделения и накопления газов.
А.2.4 Проектировщики электроустановки должны обеспечить следующие мероприятия:
- достаточную вентиляцию для сохранения температуры вокруг трансформатора ниже предела, указанного в 4.2.3, если иное не предусмотрено соглашением между изготовителем и заказчиком;
- надлежащие меры для поддержания температуры окружающего воздуха выше нижнего предела, указанного в 4.2.3, если не оговорено иное;
- надлежащую защиту от перенапряжений.
Примечание - Должно быть обращено особое внимание на перенапряжения, возникающие при отключении выключателем намагничивающего тока трансформатора ранее его естественного перехода через нуль. Такие переходные процессы часто повторяются несколько раз в течение одной операции отключения с возрастанием максимальных значений напряжения;
- наличие устройств или систем для немедленного отключения трансформатора от питающей сети в случае протекания больших токов;
- защиту от нагрева расположенными вблизи источниками тепла;
- минимальное количество «карманов» для возможного накопления дыма и газа;
- ограниченную доступность для безопасности;
- ограничение уровня звука снаружи установки, если это необходимо;
- ограничение уровня магнитных полей (главным образом от соединительных проводов и шин) вокруг установки посредством экранов на установке или надлежащих расстояний.
(Требования данного приложения дополняют требования международного стандарта МЭК 60076-11:2004 с целью учета основополагающих стандартов, действующих в Российской Федерации и устанавливающих правила приемки трансформаторов.)
ДА.1 Общие положения
Для контроля соответствия трансформатора требованиям настоящего стандарта установлены следующие правила приемки и категории испытаний: приемо-сдаточные, типовые и периодические.
ДА.2 Приемо-сдаточные испытания
ДА.2.1 Приемо-сдаточным испытаниям должен быть подвергнут каждый трансформатор.
ДА.2.2 Перед приемо-сдаточными испытаниями необходимо провести внешний осмотр трансформатора и проверку на соответствие рабочим чертежам.
ДА.2.3 Программа приемо-сдаточных испытаний должна содержать следующие проверки, испытания и измерения:
- проверку коэффициента трансформации и группы соединения обмоток (проводится согласно разделу 16);
- испытание электрической прочности изоляции приложенным и индуктированным переменным напряжением (проводится согласно разделам 19 и 20);
- измерение характеристик частичных разрядов (проводится согласно разделу 22);
- проверку потерь и тока холостого хода (проводится согласно разделу 18);
- проверку потерь и напряжения короткого замыкания на основных ответвлениях для всех пар обмоток трансформаторов (проводится согласно разделу 17); для трансформаторов мощностью не более 25 кВА допускается проводить эту проверку выборочно из партии трансформаторов одного типа, при этом число трансформаторов в партии и правила проверки должны быть определены в НД на конкретные трансформаторы;
- испытание устройств РПН (если имеются) в сборе с трансформатором в следующем объеме:
проверка последовательности действия контактов, если она не проводилась до установки устройства РПН на трансформатор,
проверка правильности сочленения монтируемых на трансформаторе составных частей устройства РПН,
измерение крутящего момента на валу привода с проверкой работы механической блокировки ручного управления,
проверка правильности работы блокировки электродвигателя привода, проверка устройства РПН под напряжением путем 4-5-кратной прогонки по всему диапазону регулирования;
- измерения следующих параметров для сравнения с результатами измерений их в эксплуатации:
сопротивления обмоток постоянному току (проводится согласно разделу 15),
диэлектрических параметров изоляции (сопротивления изоляции, тангенса угла диэлектрических потерь и емкости, проводится согласно ГОСТ 3484.3),
потерь холостого хода при малом напряжении для трансформаторов мощностью 10 МВА и более (проводится согласно разделу 18).
ДА.3 Типовые испытания
ДА.3.1 Типовым испытаниям должен быть подвергнут трансформатор единичного производства, образец (образцы) из опытной партии на соответствие требованиям настоящего стандарта.
ДА.3.2 Программа типовых испытаний должна содержать указанные ниже испытания и проверки.
ДА.3.2.1 Испытания, проверки и измерения по ДА.2; при этом дополнительно следует проводить измерение потерь и напряжения короткого замыкания на крайних ответвлениях.
ДА.3.2.2 Испытание электрической прочности изоляции напряжениями грозовых импульсов (проводится согласно разделу 21).
ДА.3.2.3 Испытание на нагрев (проводится согласно разделу 23).
ДА.3.2.4 Акустические испытания (проводятся согласно разделу 24).
ДА.3.2.5 Приемка в части стойкости при коротких замыканиях и ударных толчках током (проводится согласно разделу 25).
ДА.3.2.6 Испытания на стойкость к воздействиям окружающей среды (проводятся согласно разделу 26).
ДА.3.2.7 Климатические испытания (проводятся согласно разделу 27).
ДА.3.2.8 Испытания на пожарную безопасность (проводятся согласно разделу 28).
ДА.3.2.9 Испытания для проверки кожуха на соответствие установленной степени защиты (проводятся согласно ГОСТ 14524).
ДА.3.2.10 Измерение сопротивления нулевой последовательности-для трехфазных двух обмоточных трансформаторов без боковых ярм, имеющих схему соединения обмоток Ун/Д (согласно ГОСТ 3484.1), в остальных случаях такие измерения проводят по требованию заказчика по согласованной с ним методике.
ДА.3.2.11 Проверка массы (взвешиванием) для трансформаторов мощностью до 1,6 МВА включительно (проводится по методике изготовителя).
ДА.3.3 Допускается не проводить следующие виды типовых испытаний на основе сравнения с трансформатором аналогичной конструкции (прототипом), изготовленным на том же предприятии и успешно выдержавшим соответствующие испытания, если соблюдены условия, перечисленные ниже:
- испытание на нагрев - если рассматриваемый трансформатор имеет мощность, равную или меньшую (но не более чем вдвое), чем его прототип, аналогичные конструкции обмоток и магнитной системы, вид охлаждения, конструкцию охлаждающей системы, а превышения температуры рассматриваемого трансформатора по сопоставительному расчету с учетом результатов испытаний на нагрев прототипа соответствуют нормам, приведенным в 11.1;
- испытание электрической прочности изоляции напряжениями грозовых импульсов - в случаях, предусмотренных ГОСТ 1516.3;
- испытания на стойкость при коротком замыкании - в случаях, предусмотренных ГОСТ Р 52719;
- испытания для проверки кожуха на соответствие установленной степени защиты -если рассматриваемый трансформатор и прототип имеют защитные оболочки (кожухи), идентичные по конструкции и технологическому процессу изготовления;
- акустические испытания - если рассматриваемый трансформатор и прототип имеют идентичные магнитные системы, активные части и системы охлаждения, а номинальная частота и индукция в магнитной системе рассматриваемого трансформатора не выше, чем у прототипа.
ДА.4 Периодические испытания
ДА.4.1 Периодическим испытаниям следует подвергать трансформаторы серийного производства в объеме типовых испытаний и проверок.
Испытания изоляции должны быть проведены в объеме типовых испытаний, за исключением испытаний изоляции напряжениями грозовых импульсов.
ДА.4.2 Периодические испытания следует проводить не реже одного раза в 5 лет для трансформаторов мощностью менее 10 МВА и одного раза в 8 лет для трансформаторов мощностью 10 МВА и более. Дополнительно должен быть проведен контроль показателей надежности.
ДА.4.3 Допускается не проводить периодические испытания на нагрев, стойкость при коротком замыкании и стойкость к ударным толчкам нагрузки, проверки кожуха на соответствие установленной степени защиты, а также акустические испытания и проверку массы (взвешиванием), если документально подтверждено отсутствие рекламаций о выходах из строя трансформаторов в эксплуатации, связанных с дефектами конструкции или изготовления, а также в тех случаях, если производство аттестовано по системе качества в соответствии с ГОСТ Р ИСО 9001.
ДА.5 Если при испытаниях хотя бы один из параметров трансформатора не будет соответствовать требованиям настоящего стандарта и/или НД на конкретный трансформатор, то после устранения причины возникновения дефектов проводят повторные испытания параметров по пункту несоответствия и другим пунктам, зависимым от вносимого изменения.
Если трансформатор не выдержал испытания на стойкость при коротком замыкании и/или ударных толчках током из-за повреждения только одного элемента, то по согласованию с заказчиком допускается не проводить повторное испытание, если изготовитель гарантирует устранение причины повреждения за счет применения дополнительных мер, проверенных на моделях или на других испытанных трансформаторах аналогичной конструкции.
Если для устранения причин дефектов или оценки результатов испытаний на стойкость при коротком замыкании проводилась разборка магнитной системы, то допускаются предельные отклонения измеряемых параметров потерь и тока холостого хода от нормированных значений 25 % и 60 % соответственно.
ДА.6 Допускается проводить различные виды типовых и периодических испытаний на одном или нескольких представительных образцах данного трансформатора одного завода-изготовителя, за исключением испытаний по разделам 26 - 28, которые должны быть выполнены на одном и том же образце.
Трансформаторы, имеющие отличия в обозначении, но одинаковые конструктивные параметры применительно к конкретному виду испытаний, могут быть рассмотрены как представительные образцы для данного вида испытаний.
ДА.7 Протоколы типовых и периодических испытаний, а также результаты опыта короткого замыкания по фазам (напряжения, токи) должны быть предъявлены заказчику по его требованию.
(Требования данного приложения дополняют требования международного стандарта МЭК 60076-11:2004 с целью учета основополагающих стандартов, действующих в Российской Федерации и устанавливающих требования к составным частям, комплектности, маркировке и упаковке, охране окружающей среды, надежности и гарантии изготовителя.)
Требования к составным частям, комплектности, маркировке и упаковке, охране окружающей среды, надежности и гарантии изготовителя должны соответствовать ГОСТ Р 52719.
ДВ.1 Температура охлаждающего воздуха
Температура охлаждающего воздуха не должна быть выше:
40 °С в любое время;
30 °С в среднем в наиболее теплый месяц;
20 °С в среднем в течение года и не должна быть ниже:
-25 °С для трансформаторов наружной установки;
-5 °С для трансформаторов внутренней установки,
причем среднемесячные и среднегодовые значения определяются согласно пункту 3.12 МЭК 60076-1.
ДВ.2 Форма кривой питающего напряжения
Форма волны питающего напряжения должна быть приблизительно синусоидальной.
Примечание - Это требование обычно не является критичным для большинства питающих сетей, но подлежит проверке в установках, предназначенных для преобразовательных нагрузок. В этих случаях принимается за правило, что не должно быть ни более 5 % общего содержания гармоник, ни более 1 % четных гармоник в соответствии с МЭК 61000-2-4. Такое же замечание относится и к гармоникам тока с точки зрения нагрузочных потерь и превышения температуры согласно МЭК 61378-1.
ДВ.3 Несимметрия трехфазного питающего напряжения
Для трехфазных трансформаторов система питающих напряжений должна быть приблизительно симметричной.
ДВ.4 Электромагнитная совместимость (ЭМС)
Трансформатор должен считаться пассивным элементом в отношении излучения и восприимчивости к электромагнитным возмущениям.
Примечание - Пункт ДВ.4 содержит оригинальный текст пункта 4.3 МЭК 60076-11.
ДВ.5 Условия транспортирования и хранения
Все трансформаторы должны быть пригодны для транспортирования и хранения при температуре окружающего воздуха до -25 °С.
Изготовитель должен быть проинформирован об ожидаемых уровнях ударов, вибраций и наклонов от вертикали при транспортировании.
Применимы требования раздела 5 МЭК 60076-1. Предпочтительным диапазоном регулирования является:
± 5 % при ступенях ± 2,5 % (5 ступеней регулирования) или
± 5 % (3 ступени регулирования).
Выбор ответвления должен осуществляться при отключенном трансформаторе путем перестановки перемычек или устройства переключения без возбуждения (ПБВ).
При отсутствии специальных требований заказчика трансформатор должен иметь схему соединения «треугольник - звезда с нулем» с группами соединения 5 или 11 согласно разделу 6 МЭК 60076-1. Вывод и отводы нейтрали должны быть рассчитаны на полный фазный номинальный ток обмотки.
ДВ.8 Стойкость при коротких замыканиях
Трансформатор должен удовлетворять требованиям МЭК 60076-5. Если заказчик требует проведения испытаний для подтверждения выполнения этого требования, это должно быть указано в контракте.
Номинальная мощность соответствует длительному режиму работы; вместе с тем сухие трансформаторы, соответствующие настоящему стандарту, могут быть перегружены в соответствии с указаниями по перегрузке, данными в МЭК 60076-12.
ДВ.10 Работа при напряжении выше номинального
При предписанном значении Um трансформатор должен быть способен работать без повреждения вследствие перевозбуждения, если коэффициент трансформации и частота превышают соответствующие номинальные значения не более чем на 5 %.
Примечание - Эти требования применимы только для относительно редких случаев работы в течение ограниченного периода времени, например при аварийных условиях работы или экстремальных пиковых нагрузках.
ДВ.11 Табличка номинальных данных
ДВ.11.1 Табличка номинальных данных, закрепленная на трансформаторе
Номинальные выдерживаемые напряжения для всех обмоток должны быть указаны в табличке номинальных данных. Принципы стандартной маркировки проиллюстрированы в разделе 5 МЭК 60076-3.
ДВ.11.2 Табличка номинальных данных, закрепленная на кожухе
На кожухе каждого трансформатора должна иметься табличка номинальных данных из материала, устойчивого к атмосферным воздействиям, закрепленная на видном месте и содержащая данные, указанные в 9.1. Надписи на табличке должны быть нанесены нестираемым способом (таким как травление, гравировка, штамповка или при помощи фотохимического процесса).
Примечание - Пункты ДВ.11.1 и ДВ.11.2 содержат оригинальный текст пунктов 9.1 и 9.2 МЭК 60076-11 соответственно.
ДВ.12 Обозначение систем охлаждения
ДВ.12.1 Условные обозначения способов охлаждения
Для каждого трансформатора должен быть указан используемый способ охлаждения. Обозначения каждого вида охлаждения указаны в таблице ДВ.1.
Таблица ДВ.1 - Буквенные обозначения
ДВ.12.2 Комбинации обозначений
Система охлаждения трансформатора, для которого изготовителем указана номинальная мощность, обозначается двумя буквами для каждого метода охлаждения, например:
- трансформатор с естественной циркуляцией воздуха обозначается AN;
- трансформатор с естественной циркуляцией воздуха при указанной номинальной мощности и с принудительной циркуляцией воздуха при большей мощности обозначается AN/AF.
ДВ.13 Нормальные пределы превышения температуры
Максимальное из значений температуры каждой из частей обмотки данного класса нагревостойкости называется температурой наиболее нагретой точки. Температура наиболее нагретой точки не должна превышать значений, указанных в таблице 1 МЭК 60076-12. Эта температура может быть измерена, однако приблизительные значения для практических целей могут быть рассчитаны при помощи уравнения 1 из пункта 5.8 МЭК 60076-12 при значениях Z и q, указанных в пункте 5.8 МЭК 60076-12.
ДВ.14.1 Общие положения
Если трансформатор предназначен для общего применения в коммунальных или промышленных сетях, уровни изоляции должны быть такими, как указано в рядах 1 или 2 таблицы ДВ.2.
Таблица ДВ.2 - Нормированные испытательные напряжения, принятые в европейской практике
|
Наибольшее рабочее напряжение |
Кратковременное (одноминутное) напряжение переменного тока, кВ |
Напряжение полного грозового импульса, кВ |
|
|
Ряд 1 |
Ряд 2 |
||
|
£ 1,1 |
3 |
- |
- |
|
3,6 |
10 |
20 |
40 |
|
7,2 |
20 |
40 |
60 |
|
12,0 |
28 |
60 |
75 |
|
17,5 |
38 |
75 |
95 |
|
24,0 |
59 |
95 |
125 |
|
36,0 |
70 |
145 |
170 |
Выбор между рядами 1 и 2 должен быть сделан в зависимости от уровня воздействующих грозовых или коммутационных перенапряжений, вида системы заземления нейтрали и, если применимо, типа устройства защиты от перенапряжений (см. МЭК 60071).
Таблица ДВ.3 - Нормированные испытательные напряжения, принятые в североамериканской практике
|
Уровни изоляции сухих трансформаторов, используемых в системах с основным уровнем изоляции (BIL) 200 кВ и менее |
||||||||||||
|
Максимальное |
Номинальное |
Кратковременное |
Основной уровень изоляции для грозового импульса (BILs) общего назначения (максимальное значение 1,2 мкс) |
|||||||||
|
10 |
20 |
30 |
45 |
60 |
95 |
110 |
125 |
150 |
200 |
|||
|
0,25 |
0,25 |
2,5 |
Нет |
|
|
|
|
|
|
|
|
|
|
0,6 |
0,6 |
3 |
S |
1 |
1 |
|
|
|
|
|
|
|
|
1,2 |
1,2 |
4 |
S |
1 |
1 |
|
|
|
|
|
|
|
|
2,75 |
2,5 |
10 |
|
S |
1 |
1 |
|
|
|
|
|
|
|
5,6 |
5 |
12 |
|
|
S |
1 |
1 |
|
|
|
|
|
|
9,52 |
8,7 |
19 |
|
|
|
S |
1 |
1 |
|
|
|
|
|
15,5 |
15 |
34 |
|
|
|
|
S |
1 |
1 |
|
|
|
|
18,5 |
18 |
40 |
|
|
|
|
|
S |
1 |
1 |
|
|
|
25,5 |
25 |
50 |
|
|
|
|
|
2 |
S |
1 |
1 |
|
|
36,5 |
34,5 |
70 |
|
|
|
|
|
|
|
2 |
S |
1 |
|
Срезанный импульс: Минимальное предразрядное время, мкс |
1 |
1 |
1 |
1,3 |
2 |
2 |
1,8 |
2 |
2,3 |
2,7 |
||
|
Примечание S - Стандартное значение. 1 - Повышенные уровни, при применении разрядников с повышенным уровнем защиты. 2 - Пониженные уровни, при применении разрядников с пониженным уровнем защиты. |
||||||||||||
ДВ.15 Испытание изоляции приложенным переменным напряжением (приемо-сдаточные испытания)
Испытания проводят согласно разделу 11 МЭК 60076-1. Испытательные напряжения должны соответствовать таблице ДВ.2 или ДВ.3.
Испытательное напряжение должно быть приложено в течение 60 с между испытуемой обмоткой и всеми остальными обмотками, магнитопроводом, основанием трансформатора и оболочкой, соединенными с землей.
ДВ.16 Испытания изоляции напряжениями грозовых импульсов (типовые испытания)
Испытания проводят согласно разделу 13 МЭК 60076-1.
Испытательные напряжения должны соответствовать значениям, указанным в таблице ДВ.2 или ДВ.3.
Параметры испытательного импульса: 1,2 мкс ± 30 % / 50 мкс ± 20 %.
Испытательное напряжение должно иметь отрицательную полярность. При испытаниях к линейному выводу должен быть приложен один калибровочный импульс с напряжением от 50 % до 75 % нормированного испытательного напряжения, а затем три импульса нормированного напряжения.
ДВ.17 Измерение характеристик частичных разрядов (приемо-сдаточные и специальные испытания)
Измерения частичных разрядов должны проводиться на всех сухих трансформаторах. Измерения должны быть проведены согласно МЭК 60270 и приложению А МЭК 60076-3.
ДВ.17.2 Допустимый уровень частичных разрядов
Максимальный уровень частичных разрядов должен быть 10 пКл.
ДВ.18 Испытание на нагрев (типовые испытания)
ДВ.18.1 Общие положения
Испытания проводят согласно требованиям пунктов 5.1, 5.2.3, 5.4, 5.5 и 5.6 МЭК 60076-2. Испытания на нагрев трехфазных трансформаторов должны быть проведены при трехфазном питании.
ДВ.18.2 Методы нагрузки
Изготовитель может выбрать любой из следующих методов испытаний.
ДВ.18.2.1 Метод условной нагрузки
Этот метод применим для сухих трансформаторов в кожухе или без кожуха, или в общем кожухе с естественным или принудительным воздушным охлаждением.
Превышение температуры устанавливается путем последовательного проведения режимов короткого замыкания (нагрузочные потери) и холостого хода (потери холостого хода).
Температура трансформатора должна быть установлена в соответствии с окружающей средой испытательной станции. Должно быть измерено сопротивление обмоток высшего и низшего напряжения. Значения этих сопротивлений используются как базисные значения для расчета превышений температуры обеих обмоток. Также должна быть измерена окружающая температура испытательной станции.
Для трехфазных трансформаторов сопротивление должно измеряться между средним и одним из крайних линейных выводов.
Расположение точек измерения (как для термометра, измеряющего окружающую температуру, так и датчиков, устанавливаемых на трансформаторе, если они имеются) должно быть одинаково для измерения базисной и конечной температур.
Испытания при коротком замыкании обмотки должны быть проведены при номинальном токе, протекающем через одну из обмоток, и при закороченном состоянии другой обмотки и должны продолжаться до достижения установившегося состояния обмоток и магнитопровода согласно ДВ.18.4. Превышение температуры Dqc должно быть измерено методом сопротивления или методом наложения.
Испытания при холостом ходе, при номинальном напряжении и номинальной частоте должны продолжаться до достижения установившейся температуры для обмотки и магнитопровода, причем должно измеряться превышение температуры обмотки Dqе.
Процедура испытаний должна быть следующей:
- испытание при коротком замыкании обмотки продолжается до установления температуры магнитопровода и обмотки; после этого должно быть проведено испытание при холостом ходе снова до установившейся температуры магнитопровода и обмотки, или такой:
- испытание при холостом ходе продолжается до установившейся температуры магнитопровода и обмотки; после этого должно быть проведено испытание при коротком замыкании обмотки снова до установления температуры магнитопровода и обмотки.
Результирующее превышение температуры
для
каждой обмотки при номинальном токе и номинальном возбуждении магнитопровода
вычисляется по формуле
![]()
где
-
результирующее превышение температуры обмотки;
Dqc - температуры обмотки в режиме короткого замыкания;
Dqе - индивидуальное превышение температуры обмотки в режиме холостого хода;
K1 = 0,8 при естественном воздушном охлаждении и 0,9 при принудительном воздушном охлаждении.
ДВ.18.2.2 Метод взаимной нагрузки1)
1) Продолжительность испытания можно уменьшить путем возбуждения магнитопровода в течение некоторого времени (желательно не менее 12 ч) перед приложением испытательного тока.
Этот метод применяют, если имеется два одинаковых трансформатора и есть необходимое испытательное оборудование. Он применим для сухих трансформаторов в кожухе или без кожуха, или в общем кожухе с естественным или форсированным воздушным охлаждением.
Температура трансформатора должна быть установлена в условиях окружающей среды испытательной станции. Должно быть измерено сопротивление обмоток высшего и низшего напряжения. Значения этих сопротивлений используются как базисные значения для расчета превышений температуры обеих обмоток. Также должна быть измерена окружающая температура испытательной станции.
Расположение точек измерения должно быть одинаково для измерения базисной и конечной температуры.
Для трехфазных трансформаторов сопротивление должно измеряться между средним и одним из крайних линейных выводов.
Два трансформатора, один из которых является испытуемым, соединяются параллельно, причем предпочтительно возбуждение внутренней обмотки при номинальном напряжении. Протекание номинального тока нагрузки достигается путем установки различных коэффициентов трансформации или путем ввода добавочного напряжения. Испытание продолжается до достижения установившегося режима температур обмоток и магнитопровода. Схемы приведены на рисунках ДВ.1 и ДВ.2.
|
А - источник напряжения номинальной частоты для потерь холостого хода; В - источник для номинального тока номинальной частоты для потерь короткого замыкания; С - вольтодобавочный трансформатор |
А - источник напряжения номинальной частоты для потерь холостого хода; В - источник для номинального тока номинальной частоты для потерь короткого замыкания; С - вольтодобавочный трансформатор |
|
Рисунок ДВ.1 - Пример метода взаимной нагрузки - однофазная схема |
Рисунок ДВ.2 - Пример метода взаимной нагрузки - трехфазная схема |
ДВ.18.2.3 Метод непосредственной нагрузки1)
1) Продолжительность испытания можно уменьшить путем возбуждения магнитопровода в течение некоторого времени (желательно не менее 12 ч) перед приложением испытательного тока.
Этот метод применим только к трансформаторам малой мощности.
Одна из обмоток, предпочтительно внутренняя обмотка, возбуждается номинальным напряжением, к другой обмотке подсоединяется такая нагрузка, чтобы в обеих обмотках протекал номинальный ток.
ДВ.18.3 Поправка для превышения температуры при уменьшенном токе
Если ток It при испытании меньше номинального тока IN, но не менее 90 % IN, превышение температуры обмотки Dqt при достижении установившегося режима для обмотки и магнитопровода, измеренное методом сопротивления, должно быть приведено к номинальной нагрузке по формуле:
![]()
где DqN - превышение температуры обмотки при номинальной нагрузке;
Dqt - превышение температуры обмотки при испытательном токе;
IN - номинальное значение тока;
It - ток при испытании.
Значение q должно быть равно: 1,6 для охлаждения AN; 1,8 для охлаждения AF.
ДВ.18.4 Определение установившегося режима
За окончательное значение превышения температуры принимается значение, когда температура становится постоянной; считается, что это состояние достигнуто, если превышение температуры изменяется менее чем на 1 К в 1 ч.
Для определения достижения установившегося режима должны применяться термопары или термометры на следующих поверхностях:
- для всех типов трансформаторов, указанных в разделе 3: в центральной части верхнего ярма и как можно ближе к внутренним проводникам обмотки низшего напряжения в верхней ее части. Для трехфазных трансформаторов измерения проводят на центральном стержне магнитной системы.
ДВ.19 Испытания на стойкость при коротком замыкании (специальные испытания)
Испытания проводят согласно требованиям МЭК 60076-5.
После испытаний на стойкость при коротком замыкании должны быть повторены измерения характеристик частичных разрядов. Полученные значения не должны превышать максимальных значений, указанных в ДВ.17.2.
ДВ.20 Испытание на термическую ударную нагрузку трансформаторов класса С2
Методика испытаний должна соответствовать 27.3.2, кроме этапа б).
Ключевые слова: трансформаторы сухие, общие технические условия, область применения, нормативные ссылки, условия работы, основные параметры, технические требования, правила приемки, методы контроля, транспортирование, хранение