МЕЖГОСУДАРСТВЕННЫЙ СОВЕТ ПО СТАНДАРТИЗАЦИИ,
МЕТРОЛОГИИ И СЕРТИФИКАЦИИ
(МГС)
INTERSTATE COUNCIL FOR STANDARDIZATION, METROLOGY AND CERTIFICATION
(ISC)
|
МЕЖГОСУДАРСТВЕННЫЙ |
ГОСТ |
ТРУБЫ БЕТОННЫЕ БЕЗНАПОРНЫЕ
Технические условия
|
|
Москва Стандартинформ 2017 |
Предисловие
Цели, основные принципы и основной порядок работ по межгосударственной стандартизации установлены в ГОСТ 1.0-2015 «Межгосударственная система стандартизации. Основные положения» и ГОСТ 1.2-2015 «Межгосударственная система стандартизации. Стандарты межгосударственные, правила и рекомендации по межгосударственной стандартизации. Правила разработки, принятия, обновления и отмены»
Сведения о стандарте
1 РАЗРАБОТАН Акционерным обществом «Научно-исследовательский, проектно-конструкторский и технологический институт ВНИИжелезобетон» (АО «ВНИИжелезобетон») при участии Научно-исследовательского республиканского унитарного предприятия по строительству «Институт БелНИИС» («Институт БелНИИС», Беларусь, г. Минск)
2 ВНЕСЕН Техническим комитетом по стандартизации ТК 465 «Строительство»
3 ПРИНЯТ Межгосударственным советом по стандартизации, техническому нормированию и сертификации в строительстве (протокол от 22 ноября 2016 г. № 93-П)
За принятие проголосовали:
|
Краткое
наименование страны |
Код страны
по |
Сокращенное
наименование национального |
|
Армения |
AM |
Минэкономики Республики Армения |
|
Казахстан |
KZ |
Госстандарт Республики Казахстан |
|
Киргизия |
KG |
Кыргызстандарт |
|
Россия |
RU |
Росстандарт |
4 Приказом Федерального агентства по техническому регулированию и метрологии от 2 декабря 2016 г. № 1921-ст межгосударственный стандарт ГОСТ 20054-2016 введен в действие в качестве национального стандарта Российской Федерации с 1 июля 2017 г.
5 ВЗАМЕН ГОСТ 20054-82
Информация об изменения к настоящему стандарту публикуется в ежегодном информационном указателе «Национальные стандарты», а текст изменений и поправок - в ежемесячном информационном указателе «Национальные стандарты». В случае пересмотра (замены) или отмены настоящего стандарта соответствующее уведомление будет опубликовано в ежемесячном информационном указателе «Национальные стандарты». Соответствующая информация, уведомление и тексты размещаются также в информационной системе общего пользования - на официальном сайте Федерального агентства по техническому регулированию и метрологии в сети Интернет (www.gost.ru)
Содержание
ГОСТ 20054-2016
МЕЖГОСУДАРСТВЕННЫЙ СТАНДАРТ
ТРУБЫ БЕТОННЫЕ БЕЗНАПОРНЫЕ
Технические условия
Concrete non-pressure pipes. Specifications
Дата введения - 2017-07-01
1.1 Настоящий стандарт распространяется на бетонные безнапорные трубы (далее - трубы), предназначенные для прокладки подземных трубопроводов, транспортирующих самотеком бытовые, производственные и атмосферные сточные воды, в том числе при наличии агрессивного воздействия транспортируемых сточных вод.
1.2 Стандарт не распространяется на водопропускные трубы, укладываемые под насыпями автомобильных и железных дорог, а также трубы для микротоннелирования, монтируемые продавливанием.
1.3 Трубы допускается применять на территориях со средней температурой наружного воздуха наиболее холодной пятидневки - не ниже минус 40 °С с обеспеченностью по нормативным документам1), действующим на территории государства, принявшего настоящий стандарт.
__________
1) В Российской Федерации - с обеспеченностью 0,92 по СП 131.13330.2012 «СНиП 23.01-99* Строительная климатология» (с изменением № 2).
1.4 Не допускается применение труб в районах вечной мерзлоты и на территориях с сейсмичностью более 7 баллов по нормативным документам2), действующим на территории государства, принявшего настоящий стандарт.
__________
2) В Российской Федерации действует СП 14.13330.2014 «СНиП II-7-81* Строительство в сейсмических районах» (с изменением № 1).
1.5 При укладке труб в просадочных грунтах (кроме слабопросадочных) и пучинистых (кроме слабопучинистых) по классификации ГОСТ 25100 и нормативных документов3), действующих на территории государства, принявшего настоящий стандарт, необходимо в проектах трубопроводов предусматривать специальные инженерные мероприятия, исключающие воздействие таких грунтов на трубы.
__________
3) В Российской Федерации действует СП 34.13330.2012 «СНиП 2.05.02-85* Автомобильные дороги».
В настоящем стандарте использованы нормативные ссылки на следующие межгосударственные стандарты:
ГОСТ 12.1.005-88 Система стандартов безопасности труда. Общие санитарно-гигиенические требования к воздуху рабочей зоны
ГОСТ 12.1.007-76 Система стандартов безопасности труда. Вредные вещества. Классификация и общие требования безопасности
ГОСТ 12.1.019-794) Система стандартов безопасности труда. Электробезопасность. Общие требования и номенклатура видов защиты
__________
4) В Российской Федерации действует ГОСТ Р 12.1.019-2009.
ГОСТ 12.1.030-81 Система стандартов безопасности труда. Электробезопасность. Защитное заземление, зануление
ГОСТ 12.2.003-91 Система стандартов безопасности труда. Оборудование производственное. Общие требования безопасности
ГОСТ 12.3.002-75 Система стандартов безопасности труда. Процессы производственные. Общие требования безопасности
ГОСТ 12.4.021-75 Система стандартов безопасности труда. Системы вентиляционные. Общие требования
ГОСТ 17.2.3.02-2014 Правила установления допустимых выбросов загрязняющих веществ промышленными предприятиями
ГОСТ 8267-93 Щебень и гравий из плотных горных пород для строительных работ. Технические условия
ГОСТ 8736-2014 Песок для строительных работ. Технические условия
ГОСТ 8829-94 Изделия строительные железобетонные и бетонные заводского изготовления. Методы испытаний нагружением. Правила оценки прочности, жесткости и трещиностойкости
ГОСТ 10060-2012 Бетоны. Методы определения морозостойкости
ГОСТ 10178-85 Портландцемент и шлакопортландцемент. Технические условия
ГОСТ 10180-2012 Бетоны. Методы определения прочности по контрольным образцам
ГОСТ 12730.0-78 Бетоны. Общие требования к методам определения плотности, влажности, водопоглощения, пористости и водонепроницаемости
ГОСТ 12730.3-78 Бетоны. Метод определения водопоглощения
ГОСТ 12730.5-84 Бетоны. Методы определения водонепроницаемости
ГОСТ 13015-2012 Изделия бетонные и железобетонные для строительства. Общие технические требования. Правила приемки, маркировки, транспортирования и хранения
ГОСТ 16338-85 Полиэтилен низкого давления. Технические условия
ГОСТ 17624-2012 Бетоны. Ультразвуковой метод определения прочности
ГОСТ 18105-2010 Бетоны. Правила контроля и оценки прочности
ГОСТ 22690-2015 Бетоны. Определение прочности механическими методами неразрушающего контроля
ГОСТ 22733-2002 Грунты. Метод лабораторного определения максимальной плотности
ГОСТ 23009-78 Конструкции и изделия бетонные и железобетонные сборные. Условные обозначения (марки)
ГОСТ 23732-2011 Вода для бетонов и строительных растворов. Технические условия
ГОСТ 24547-81 Звенья железобетонные водопропускных труб под насыпи автомобильных и железных дорог. Общие технические условия
ГОСТ 25100-2011 Грунты. Классификация
ГОСТ 26433.0-85 Система обеспечения точности геометрических параметров в строительстве. Правила выполнения измерений. Общие положения
ГОСТ 26433.1-89 Система обеспечения точности геометрических параметров в строительстве. Правила выполнения измерений. Элементы заводского изготовления
ГОСТ 26633-2012 Бетоны тяжелые и мелкозернистые. Технические условия
ГОСТ 26996-86 Полипропилен и сополимеры пропилена. Технические условия
ГОСТ 30108-94 Материалы и изделия строительные. Определение удельной эффективной активности естественных радионуклидов
ГОСТ 31108-2003 Цементы общестроительные. Технические условия
ГОСТ 31384-2008 Защита бетонных и железобетонных конструкций от коррозии. Общие технические требования
Примечание - При пользовании настоящим стандартом целесообразно проверить действие ссылочных стандартов в информационной системе общего пользования - на официальном сайте Федерального агентства по техническому регулированию и метрологии в сети Интернет или по ежегодному информационному указателю «Национальные стандарты», который опубликован по состоянию на 1 января текущего года, и по соответствующим ежемесячным информационным указателям, опубликованным в текущем году. Если ссылочный стандарт заменен (изменен), то при пользовании настоящим стандартом следует руководствоваться заменяющим (измененным) стандартом. Если ссылочный стандарт отменен без замены, то положение, в котором дана ссылка на него, применяется в части, не затрагивающей эту ссылку.
В настоящем стандарте применены следующие термины с соответствующими определениями:
3.1 диаметр условного прохода трубы di: Геометрический параметр поперечного сечения трубы, равный диаметру условного круглого прохода (без учета допускаемых отклонений), по которому проводят гидравлический расчет трубопровода.
3.2 полезная длина трубы l: Длина трубы, фактически учитываемая при проектировании и монтаже трубопроводов.
3.3 лоток: Нижняя часть трубы в рабочем положении, расположенная симметрично относительно вертикального диаметра.
3.4 шелыга: Верхняя часть трубы в рабочем положении, расположенная симметрично относительно вертикального диаметра.
3.5 радиальное прессование: Высокопроизводительный способ изготовления труб из жестких бетонных смесей с использованием немедленной распалубки, основанный на уплотнении бетона вращающейся роликовой головкой, характеризующийся пониженными энергоемкостью и металлоемкостью.
3.6 вибропрессование: Способ изготовления труб из жестких бетонных смесей с использованием немедленной распалубки, основанный на уплотнении бетона вибрацией и подпрессовкой, характеризующийся пониженными энергоемкостью и металлоемкостью и обеспечивающий получение изделий с высокими физико-механическими характеристиками.
3.7 безнапорные трубы: Трубы, предназначенные для сооружения трубопроводов, по которым транспортируют жидкости самотеком неполным сечением (до 0,95 внутреннего диаметра трубы).
3.8 раструбные трубы: Трубы, имеющие на одном конце раструб, а на другом конце втулочную часть, входящую в раструб при монтаже трубопровода.
3.9 трубы с подошвой: Трубы, имеющие в рабочем положении снизу плоскую опорную поверхность.
3.10 стыковые поверхности: Поверхности концевых участков труб, взаимно сопрягаемые при монтаже трубопроводов.
3.11 трубы фальцевые: Трубы, имеющие по торцам взаимно сопрягаемые поверхности в пределах толщины стенки трубы.
4.1 Классификация, основные параметры и размеры
4.1.1 Трубы, имеющие цилиндрическую форму пропускного отверстия, в зависимости от наружной геометрической формы и вида соединения подразделяют на следующие типы:
БТ - цилиндрические раструбные, со стыковыми соединениями, уплотняемыми герметиками или другими материалами;
БТП - то же с подошвой;
БТС - цилиндрические раструбные, со ступенчатой стыковой поверхностью втулочного конца трубы, стыковые соединения которых уплотняются резиновыми кольцами;
БТСП - тоже с подошвой;
БТФ - фальцевые цилиндрические со стыковыми соединениями, уплотняемыми герметиками или другими материалами;
БТФП - тоже с подошвой.
Допускаются другие типы труб, например с овальным или эллиптическим отверстием, нормируемые техническими условиями или стандартами организаций и изготовляемые по рабочим чертежам, утвержденным в установленном порядке.
4.1.2 По несущей способности трубы подразделяют на две группы в зависимости от расчетной высоты засыпки грунтом до верха основной цилиндрической части трубы:
|
1 - при высоте засыпки не более |
2 м; |
|||||
|
2 - |
» |
» |
» |
» |
» |
4 м. |
4.1.3 Геометрические размеры, форма и размеры стыкового соединения, показатели расхода бетона и стали должны соответствовать указанным в рабочих чертежах. Внешний вид и форма труб всех типов приведены в приложении А.
4.1.4 Трубы имеют диаметр условного прохода di 150, 200, 300, 400, 500, 600, 800, 1000 и 1200 мм.
При технико-экономическом обосновании трубы могут иметь другие значения диаметра условного прохода, например: 250, 350, 700 и 900 мм.
4.1.5 Геометрические параметры труб должны соответствовать указанным в рабочих чертежах. Рекомендуемые размеры труб приведены в приложении Б.
Допускается по согласованию с заказчиком изготовление труб других размеров (до 3,0 м - для труб диаметром свыше 500 мм).
4.1.6 Трубы обозначают марками в соответствии с требованиями ГОСТ 23009.
Марка трубы состоит из буквенно-цифровых групп, которые разделяют дефисом.
В первой группе приводят обозначение типа трубы, диаметр ее условного прохода di в сантиметрах и полезную длину l в дециметрах.
Во второй группе указывают группу по несущей способности, обозначаемую арабскими цифрами.
В третьей группе, при необходимости, приводят дополнительные характеристики труб:
- стойкость к воздействию агрессивной среды, характеризуемую показателями проницаемости бетона, обозначаемыми прописными буквами: П - пониженная, О - особо низкая, и вид агрессии: Щ - щелочная, К - кислотная, X - хлориды, С - сульфаты;
- показатель стойкости внутреннего защитного покрытия, обозначаемый строчными буквами: к - кислотостойкое, щ - щелочестойкое, х - химически стойкое.
Пример условного обозначения (марки) трубы при заказе
Труба бетонная цилиндрическая раструбная со стыковым соединением, уплотняемым резиновым кольцом или другим эластичным материалом, внутренним диаметром 600 мм, полезной длиной 2,0 м, второй группы по несущей способности, изготовленная из бетона пониженной проницаемости:
БТ 60.20-2-П
4.2 Технологические и конструктивно-эксплуатационные требования
4.2.1 Трубы следует изготовлять в соответствии с требованиями настоящего стандарта по технологической документации и рабочим чертежам, утвержденным в установленном порядке.
4.2.2 Трубы рекомендуется изготовлять способом радиального прессования, а в случае использования внутреннего полимерного чехла и необходимости получения бетона пониженной и особо низкой проницаемости - вибропрессованием.
При технико-экономическом обосновании допускается изготовление труб другими методами.
4.2.3 Прочностные характеристики труб должны обеспечивать их эксплуатацию при расчетной высоте засыпки грунтом в следующих усредненных условиях:
- основание под трубой - грунтовое плоское для труб без подошвы диаметрами условного прохода di до 500 мм включительно и труб с подошвой всех диаметров или грунтовое профилированное с углом охвата 90° для труб без подошвы di более 500 мм;
- засыпка грунтом плотностью 1,8 т/м3 с нормальным уплотнением (Купл = 0,85 - 0,92 с учетом требований ГОСТ 22733) для труб без подошвы диаметром условного прохода di до 800 мм включительно и труб с подошвой всех диаметров или повышенным уплотнением Купл ≥ 0,93 для труб без подошвы диаметром условного прохода di более 800 мм;
- временная нагрузка на поверхности земли от подвижных транспортных средств класса НК-100 (Н14), в том числе при совмещении дороги с трамвайными путями, по нормативным документам1), действующим на территории государства, принявшего настоящий стандарт.
__________
1) В Российской Федерации действует СП 35.13330.2011 «СНиП 2.05.03-84* Мосты и трубы».
Допускается проектировать трубы под конкретные инженерно-геологические условия их укладки и эксплуатации.
4.2.4 Трубы должны удовлетворять требованиям расчета по предельному состоянию первой группы для бетона с учетом его неупругих деформаций.
4.2.5 Значения нагрузок на трубы от давления грунта засыпки рекомендуется определять по нормативным документам2), действующим на территории государства, принявшего настоящий стандарт.
__________
2) В Российской Федерации действует СП 66.13330.2011 «Проектирование, строительство напорных сетей водоснабжения и водоотведения с применением высокопрочных труб из чугуна с шаровидным графитом» (с изменением № 1).
4.2.6 В проекте трубопровода с использованием труб по настоящему стандарту должны быть указания по использованию фасонных элементов (отводов, конических переходников, фитингов).
Для труб рекомендуется использовать фасонные детали по номенклатуре нормативных документов2), действующих на территории государства, принявшего настоящий стандарт.
__________
2) В Российской Федерации действует СП 66.13330.2011 «Проектирование, строительство напорных сетей водоснабжения и водоотведения с применением высокопрочных труб из чугуна с шаровидным графитом» (с изменением № 1).
4.2.7 Трубы должны быть прочными и при испытаниях нагружением выдерживать контрольные нагрузки, назначаемые в соответствии с требованиями ГОСТ 8829 и указанные в рабочих чертежах.
4.2.8 Качество труб по показателям водонепроницаемости следует устанавливать по результатам испытаний на действие внутреннего гидростатического давления, равное 0,05 МПа.
4.2.9 Расчетный срок эксплуатации труб - не менее 50 лет.
4.3 Требования к бетону
4.3.1 Для изготовления труб следует применять тяжелые и мелкозернистые бетоны по ГОСТ 26633 класса по прочности на осевое растяжение не ниже Bt3,2 и дисперсно-армированные бетоны класса не ниже Bt3,6.
4.3.2 Качество материалов, применяемых для приготовления бетона, должно обеспечивать выполнение технических требований, установленных настоящим стандартом, и удовлетворять требованиям следующих стандартов:
- цемент - ГОСТ 10178 и ГОСТ 31108;
- заполнители - ГОСТ 8267 и ГОСТ 8736 (наибольшая крупность зерен крупного заполнителя 10 мм). Применение крупного заполнителя с процентным содержанием зерен пластинчатой и игольчатой формы более 25 % допускается при положительных результатах испытаний труб на водонепроницаемость, прочность и трещиностойкость;
- вода - ГОСТ 23732.
Для достижения требуемой прочности бетона на осевое растяжение (не менее Bt3,6) рекомендуется применение дисперсного армирования бетона полипропиленовым фиброволокном по нормативным документам1), действующим на территории государства, принявшего настоящий стандарт. Массу или объем вводимого в бетонную смесь фиброволокна определяет предприятие - изготовитель труб.
__________
1) В Российской Федерации действуют ТУ 2272-001-73312871-2008 «Фиброволокно микроармирующее».
4.3.3 Отпускная прочность бетона должна быть не менее 90 % проектной - в теплый период года и 95 % - в холодный.
По согласованию с потребителем допускается поставка труб с отпускной прочностью не менее 80 % проектной при условии, что до их укладки изготовитель гарантирует достижение бетоном проектной прочности на осевое растяжение.
За холодный период года принимают период, характеризующийся среднемесячной температурой наружного воздуха 0 °С и ниже в соответствии с нормативными документами2), действующими на территории государства, принявшего настоящий стандарт.
__________
2) В Российской Федерации действует СП 131.13330.2012 «СНиП 23.01-99* Строительная климатология» (с изменением № 2).
4.3.4 Фактическая прочность бетона (отпускная и в проектном возрасте) должна соответствовать требуемой, назначенной по ГОСТ 18105 в зависимости от нормируемой прочности бетона и показателя достигнутой однородности прочности бетона.
4.3.5 Водонепроницаемость бетона труб должна соответствовать марке, установленной в проектной документации конкретного сооружения, указываться в заказе на изготовление и быть не ниже марки W6 для труб нормальной проницаемости, W8 - пониженной проницаемости и W10 - особо низкой проницаемости.
4.3.6 Марки бетона труб по морозостойкости и водонепроницаемости устанавливают в проектах конкретных трубопроводов в соответствии с требованиями ГОСТ 31384 и указывают в заказе на их изготовление, но не ниже F150 и W4 соответственно.
4.3.7 Водопоглощение бетона труб, предназначенных для эксплуатации в агрессивной среде, не должно превышать 5 % по массе.
4.4 Требования к стыковому соединению труб и материалам, применяемым для их герметизации
4.4.1 Конструкция стыкового соединения должна обеспечивать его герметичность и неразъемность в процессе эксплуатации.
4.4.2 Для герметизации стыковых соединений труб применяют уплотнительные кольца из эластомерных материалов, например из резины круглого или трапециевидного сечения, герметики и другие материалы, соответствующие требованиям действующих нормативных документов.
4.4.3 Минимальный размер зазора между стыковыми поверхностями труб должен составлять, мм, не менее: 10 - для труб диаметром 150 - 600 мм; 12 - для труб диаметром 800 - 1200 мм.
4.4.4 Номинальный диаметр (толщина) уплотнительных колец должен быть таков, чтобы после монтажа труб (с учетом допускаемых отклонений размеров стыкуемых поверхностей раструба и втулки) обеспечивалось сжатие уплотнительной манжеты круглого сечения от 25 % до 45 % номинального диаметра, а манжеты специального сечения - от 25 % до 50 % ее толщины.
Удлинение уплотнительного кольца при натяжении (после установки) должно составлять от 5 % до 10 %. Твердость материала уплотнительных манжет по Шору должна быть от 40 до 50 единиц.
4.4.5 Стыковое соединение труб должно обеспечивать поворот трубопровода на угол не менее 1°30ʹ.
4.4.6 Изделия из эластомерных материалов, применяемые для герметизации стыковых соединений труб, должны отвечать требованиям соответствующих нормативных документов.
4.5 Дополнительные требования к трубам, предназначенным для эксплуатации в агрессивной среде
4.5.1 При наличии агрессивного воздействия транспортируемой жидкости трубы должны обеспечивать выполнение дополнительных требований, установленных ГОСТ 31384 и проектной документацией по нормативным документам1), действующим на территории государства, принявшего настоящий стандарт.
__________
1) В Российской Федерации действуют СП 28.13330.2012 «СНиП 2.03.11-85 Защита строительных конструкций от коррозии» (с изменением № 1) и СП 32.13330.2012 «СНиП 2.04.03-85 Канализация. Наружные сети сооружения» (с изменением № 1).
4.5.2 Комплектующие уплотнительные материалы для труб, предназначенных для эксплуатации в условиях воздействия агрессивной и биологически активной среды, должны удовлетворять дополнительным требованиям, установленным в проектной документации.
4.5.3 В трубах, применяемых в канализационных коллекторах, транспортирующих сильноагрессивные жидкости и при наличии средне- и сильноагрессивной газовой среды, используемый в качестве внутреннего защитного покрытия материал в виде полимерных чехлов должен обладать химической стойкостью не ниже, чем у полиэтилена (РЕ) по ГОСТ 16338 или полипропилена (РР) по ГОСТ 26996, и иметь толщину листа от 3 мм и более.
Для надежного механического закрепления чехлов в бетоне лист должен иметь дискретные (точечные) анкерующие элементы высотой 10 - 15 мм, расположенные в шахматном порядке числом не менее 300 и не более 500 шт. на 1 м2 поверхности покрытия или Т-образные анкерные элементы высотой 12 - 16 мм с расстоянием между ними 24 - 40 мм, толщиной стойки не менее 3 мм и полки не менее 6 мм и отвечать требованиям технических условий на полимерные листы, действующих на территории государства, принявшего настоящий стандарт.
4.6 Требования к точности изготовления труб
4.6.1 Значения фактических отклонений геометрических размеров труб не должны превышать предельных отклонений, указанных в таблице 1.
Таблица 1 - Отклонения геометрических размеров труб
В миллиметрах
|
Диаметр условного |
Предельные отклонения от номинальных размеров труб |
||||||||||
|
всех типов |
типов БТ и БТП |
типов БТФ и БТФП |
типов БТС и БТСП |
||||||||
|
Внутренний |
Толщина |
Полезная |
Глубина |
Наружный |
Внутренний |
Диаметр |
Глубина |
Наружный |
Внутренний |
Глубина |
|
|
150 - 250 |
±3 |
±3 |
+10 -5 |
±3 |
±3 |
±3 |
- |
- |
- |
- |
- |
|
300 - 700 |
±4 |
±4 |
±4 |
±4 |
±4 |
±2 |
±2 |
±2 |
±2 |
±2 |
|
|
800 - 1200 |
±5 |
±5 |
±5 |
±5 |
±5 |
||||||
4.6.2 Отклонение от прямолинейности профиля продольного сечения трубы (измеряемое по образующей цилиндрической части), мм, не должно превышать:
3 - при полезной длине трубы до 2,0 м;
5 - при полезной длине трубы свыше 2,0 м.
4.6.3 Отклонения от перпендикулярности торцевых и боковой поверхности бетонных труб всех типов и железобетонных труб типов БТФ и БТФП не должны превышать, мм, при диаметре условного прохода трубы di, мм:
150 - 250 - 22;
300 - 600 - 3;
700 - 1200 - 5.
4.7 Требования к качеству поверхностей
4.7.1 Размеры раковин, местных наплывов и впадин на бетонных поверхностях труб и их торцах, а также сколы бетона ребер на торцах не должны превышать значений, указанных в таблице 2.
Таблица 2 - Дефекты на поверхностях и торцах труб
Размеры в миллиметрах
|
Вид поверхности |
Предельно допускаемые размеры |
||||
|
раковин |
местных наплывов (высота) и |
сколов бетона (торцов) |
|||
|
Диаметр |
Глубина |
Глубина |
Суммарная |
||
|
1 Наружная и внутренняя |
15 |
5 |
5 |
- |
- |
|
2 Стыковая в трубах БТС, БТСП, БТФ и БТФП |
4 |
3 |
1 |
- |
- |
|
3 Торцевая |
15 |
5 |
5 |
5 |
50 |
4.7.2 Трещины на внутренней и наружной поверхности труб не допускаются. Усадочные и технологические трещины шириной раскрытия не более 0,1 мм не являются основанием для их выбраковки при условии, что они удовлетворяют требованиям настоящего стандарта по водонепроницаемости и прочности.
4.8 Комплектность
Предприятия - изготовители труб должны поставлять потребителю трубы типов БТС и БТСП в комплекте с резиновыми уплотняющими кольцами. По согласованию с потребителем допускается поставка труб без уплотняющих колец.
4.9 Маркировка
4.9.1 Маркировку труб следует проводить по ГОСТ 13015.
4.9.2 Маркировочные надписи следует наносить водостойкой черной краской (по трафарету) на наружную поверхность раструба или у одного из торцов фальцевой трубы.
5.1 Трубы, изготовленные по настоящему стандарту, относятся к пожаро- и взрывобезопасным строительным изделиям.
5.2 Трубы из тяжелого бетона относят к 4-му классу опасности (вещества малоопасные) по ГОСТ 12.1.007.
В процессе производства труб предельно допустимая концентрация (ПДК), мг/м3, в воздухе рабочей зоны:
8,0 - портландцемент (силикатосодержащие пыли);
1,0 - песок (кремния диоксид - кварц).
5.3 В условиях хранения и эксплуатации трубы не выделяют в окружающую среду токсичных веществ и не оказывают при непосредственном контакте вредного действия на организм человека, работа с ними не требует применения специальных средств индивидуальной защиты.
5.4 Санитарный контроль содержания вредных веществ в воздухе рабочей зоны устанавливают по специальным методикам и осуществляют в соответствии с нормативными документами1), действующими на территории государства, принявшего настоящий стандарт.
__________
1) В Российской Федерации действует СП 1.1.1058-01 «Организация и проведение производственного контроля за соблюдением санитарных правил и выполнением санитарно-противоэпидемиологических (профилактических) мероприятий».
Санитарно-химические исследования воздуха выполняют в соответствии с ГОСТ 12.1.005, ГОСТ 12.1.007 и нормативными документами1), действующими на территории государства, принявшего настоящий стандарт.
__________
1) В Российской Федерации действуют ГН 2.2.5.1313-03 «Предельно допустимые концентрации (ПДК) вредных веществ в воздухе рабочей зоны».
5.5 Оптимальные параметры микроклимата на рабочих местах в производственных помещениях должны соответствовать значениям, приведенным в нормативных документах2), действующих на территории государства, принявшего настоящий стандарт.
__________
2) В Российской Федерации действуют СанПиН 2.2.4.548-96 «Гигиенические требования к микроклимату производственных помещений» (таблица 1).
5.6 Помещения, в которых ведут работы по производству труб, должны быть оборудованы приточно-вытяжной вентиляцией согласно нормативным документам3), действующим на территории государства, принявшего настоящий стандарт, и ГОСТ 12.4.021, содержание выделяемых вредных веществ в концентрациях, не превышающих ПДК в воздухе рабочей зоны производственных помещений, - в соответствии с требованиями нормативных документов1), действующих на территории государства, принявшего настоящий стандарт. Помещения должны быть обеспечены питьевой водой и оснащены с учетом требований нормативных документов4), действующих на территории государства, принявшего настоящий стандарт.
__________
1) В Российской Федерации действуют ГН 2.2.5.1313-03 «Предельно допустимые концентрации (ПДК) вредных веществ в воздухе рабочей зоны».
3) В Российской Федерации действует СП 60.13330.2012 «СНиП 41-01-2003 Отопление, вентиляция и кондиционирование воздуха».
4) В Российской Федерации действует СП 131.13330.2012 «СНиП 23.01-99* Строительная климатология» (с изменением № 2).
5.7 Производственное оборудование должно отвечать требованиям ГОСТ 12.2.003, ГОСТ 12.3.002, ГОСТ 12.1.019, ГОСТ 12.1.030 и нормативным документам5), действующим на территории государства, принявшего настоящий стандарт.
__________
5) В Российской Федерации действует ГН 2.2.2.1327-03 «Гигиенические требования к организации технологических процессов, производственному оборудованию и рабочему инструменту».
5.8 Эквивалентный уровень звука в производственных помещениях должен соответствовать требованиям нормативных документов6), действующих на территории государства, принявшего настоящий стандарт.
__________
6) В Российской Федерации должен быть не более 80 дБА, действуют СИ 2.2.4/2.1.8.562-96 «Шум на рабочих местах, в помещениях жилых, общественных зданий и на территории жилой застройки».
5.9 Нормы радиационной безопасности должны соответствовать требованиям нормативных документов7), действующих на территории государства, принявшего настоящий стандарт. Радиационно-гигиеническую оценку материалов, применяемых для изготовления труб, осуществляют по документам о качестве, выдаваемым предприятиями - поставщиками данных материалов.
__________
7) В Российской Федерации действуют СанПиН 2.6.1.2523-09 «Нормы радиационной безопасности (НРБ-99/2009)».
Удельная эффективная активность естественных радионуклидов в трубах, применяемых в пределах населенных пунктов и зон перспективной застройки, должна быть не более 740 Бк/кг, а применяемых вне населенных пунктов - не более 1350 Бк/кг.
5.10 К работе по производству труб допускаются лица не моложе 18 лет, прошедшие предварительный медицинский осмотр, а также профессиональную подготовку, вводный инструктаж по технике безопасности труда, производственной санитарии. Периодичность проведения инструктажей на рабочих местах и проверка знания рабочих по охране труда и безопасному ведению процессов - не реже одного раза в 6 мес.
5.11 В целях охраны атмосферного воздуха от загрязнения выбросами вредных веществ должен быть организован постоянный контроль соблюдения предельно допустимых выбросов, утвержденных в установленном порядке в соответствии с ГОСТ 17.2.3.02 и нормативными документами8), действующих на территории государства, принявшего настоящий стандарт.
__________
8) В Российской Федерации действуют ГН 2.1.6.1338-03 «Предельно допустимые концентрации (ПДК) загрязняющих веществ в атмосферном воздухе населенных мест».
6.1 Приемку труб следует проводить партиями в соответствии с требованиями ГОСТ 13015 и настоящего стандарта. В состав партии включают трубы одного типа, последовательно изготовленные предприятием по одной технологии из материалов одного вида и качества в течение не более 1 мес.
Число труб в партии должно быть, шт., не более:
|
1000 - |
для труб диаметром до |
300 мм (включительно); |
|
500 - |
тоже |
400 - 700 мм; |
|
200 - |
« |
800 - 1200 мм. |
6.2 Приемку труб по показателям прочности и водонепроницаемости, а также водонепроницаемости, морозостойкости и водопоглощения бетона и дополнительно - удельной эффективной активности естественных радионуклидов в бетоне следует проводить по результатам периодических испытаний.
6.3 Испытания труб по прочности следует проводить перед началом их массового производства, при изменении технологии изготовления и далее в процессе серийного производства не реже одного раза в месяц путем нагружения двух труб от следующего числа изготовленных труб, шт.:
|
1000 - |
для труб диаметром |
150 - 250 мм; |
||
|
500 - |
» |
» |
» |
300 - 700 мм; |
|
200 - |
» |
» |
» |
800 - 1200 мм. |
При получении неудовлетворительных результатов проводят повторное испытание удвоенного числа труб. При неудовлетворительном результате повторных испытаний партию считают не выдержавшей испытания, и трубы переводят в более низкую группу по несущей способности, а трубы первой группы принимают поштучно.
6.4 Периодические испытания труб на водонепроницаемость, а также бетона труб на водонепроницаемость и водопоглощение проводят перед началом массового производства и далее не реже одного раза в 3 мес. Если трубы предназначены для эксплуатации в неагрессивной среде, проверку водопоглощения бетона не проводят.
Испытаниям на водонепроницаемость подвергают две трубы, отобранные из одной партии.
При получении неудовлетворительных результатов хотя бы при испытании одной трубы проводят повторное испытание удвоенного числа труб. При неудовлетворительном результате повторных испытаний партию считают не выдержавшей испытание, и трубы принимают поштучно.
6.5 Периодические испытания по показателю удельной эффективной активности естественных радионуклидов в бетоне проводят при первичном подборе состава бетона, а также при изменении качества применяемых материалов, когда удельная эффективная активность естественных радионуклидов в новых материалах превышает соответствующие характеристики ранее применяемых материалов.
6.6 Приемку труб по показателям прочности бетона (классу по прочности на сжатие и отпускной прочности), соответствия арматурных изделий рабочим чертежам, прочности сварных соединений, точности геометрических параметров, толщины защитного слоя бетона до рабочей арматуры, ширины раскрытия трещин и качества бетонных поверхностей проводят по результатам приемо-сдаточных испытаний.
6.7 Приемку труб по показателям точности геометрических параметров, толщины защитного слоя бетона до рабочей арматуры, качества бетонных поверхностей, кроме стыковой поверхности раструба и втулочной части, ширины раскрытия трещин, контролируемых путем измерений, следует осуществлять путем одноступенчатого выборочного контроля.
6.8 Каждая партия труб должна сопровождаться документом о качестве по ГОСТ 13015, в котором должны быть указаны:
- наименование и адрес предприятия-изготовителя;
- номер и дата выдачи документа;
- номер партии;
- наименование и марка трубы;
- число труб каждой марки;
- класс бетона по прочности на осевое растяжение;
- отпускная прочность бетона;
- марка бетона по водонепроницаемости;
- марка бетона по морозостойкости (по требованию заказчика).
7.1 Испытания труб нагружением для контроля их прочности следует проводить в соответствии с требованиями ГОСТ 8829 и настоящего стандарта по схеме приложения В и на нагрузки, указанные в рабочих чертежах.
7.1.1 Испытаниям подвергают одну трубу или вырезанный из ее цилиндрической части отрезок длиной не менее 1 м. Для испытаний может быть использована труба, прошедшая гидростатическое испытание на водонепроницаемость.
7.1.2 Трубы устанавливают горизонтально на два деревянных бруса, уложенных параллельно продольной оси трубы на неподвижное основание. Сверху на трубу устанавливают деревянный брус вдоль верхней образующей цилиндрической части и на него устанавливают стальную траверсу. Деревянные брусья должны иметь размеры, указанные в таблице 3.
Таблица 3 - Размеры деревянных брусьев
В миллиметрах
|
Диаметр условного прохода трубы di |
150 - 300 |
300 - 500 |
600 - 1000 |
|
Ширина и высота бруса |
25 |
50 |
80 |
В целях равномерной передачи нагрузки на трубу под верхний и нижний брусы укладывают выравнивающий слой цементного раствора или полосы листовой резины толщиной 20 - 30 мм. Резиновые полосы должны иметь твердость по Шору от 45 до 60 единиц.
Жесткость траверсы должна быть такой, чтобы ее прогиб при максимальном нагружении по балочной схеме не превышал 1/720 длины испытуемой трубы.
7.1.3 Силовые установки и измерительные приборы, установленные на стенде, должны обеспечивать возможность измерения нагрузки на трубу с погрешностью ±3 %.
7.1.4 Нагружение при испытании проводят ступенями, равными 0,1 контрольной нагрузки. На каждой ступени нагрузку наращивают равномерно в течение 2 - 3 мин и выдерживают трубу под этой нагрузкой в течение 10 мин.
7.1.5 Прочность бетонных труб оценивают значением нагрузки, вызывающей раздробление бетона от сжатия, свидетельствующее, что сопротивление трубы действию данной нагрузки исчерпано.
7.1.6 Прочность трубы считается обеспеченной, если ее разрушение произошло при нагрузке, равной или превышающей контрольную нагрузку для проверки прочности, указанную в рабочих чертежах.
7.2 Испытания труб на водонепроницаемость проводят гидростатическим методом на горизонтальных стендах или на сопротивление просачиванию воды сквозь стенки при вертикальном положении труб.
7.2.1 Гидростатические испытания труб типов БТС и БТСП на водонепроницаемость следует проводить по схеме, приведенной на рисунке Г.1 приложения Г, на установках, имеющих заглушки со стыками, конструкция которых аналогична конструкции стыкового соединения, принятого для труб указанных типов, и уплотняющие кольца или прокладки, входящие в комплект поставки труб.
Испытания труб типов БТ, БТП, БТФ и БТФП необходимо проводить на установках с плоскими заглушками по схеме, приведенной на рисунке Г.2 приложения Г.
Трубу герметически закрывают с обоих концов заглушками и наполняют водой, не допуская образования «воздушных мешков». Затем в течение 1 мин равномерно повышают давление до 0,05 МПа и выдерживают трубу под давлением в течение 10 мин.
Значение давления определяют на уровне шелыги трубы манометром, обеспечивающим точность измерения до 0,005 МПа.
До испытания допускается замачивать трубы в течение 48 ч в ванне или на испытательном стенде путем заполнения их водой.
Трубы считают выдержавшими испытание на водонепроницаемость, если к моменту его окончания не будет обнаружено просачивание воды сквозь стенку в виде течи или отдельных капель, а для труб типов БТС и БТСП - также просачивание воды под уплотнительным кольцом.
Появление сырых пятен на наружной поверхности трубы не является основанием для ее выбраковки.
7.2.2 Испытания труб в вертикальном положении на просачивание воды сквозь стенки проводят для труб при отсутствии горизонтального стенда для гидростатических испытаний и при условии согласования такого метода с проектировщиком и заказчиком.
Испытание проводят (для раструбных труб раструбом вниз) согласно основным положениям пункта 4.8 ГОСТ 24547.
Промежутки времени, через которое проверяют состояние трубы, наполненной водой, должны соответствовать требованиям таблицы 4.
Трубы считают выдержавшими испытания на сопротивление просачиванию воды сквозь стенки, если после выдержки воды под давлением, указанным в таблице 4, на их наружной поверхности не будут обнаружены потеки или вытекание воды.
Если при испытаниях труб на наружной поверхности одной из них будут обнаружены потеки или вытекание воды под давлением, испытания повторяют в соответствии с 6.4.
Таблица 4 - Показатели труб для испытания на водонепроницаемость
|
Длина трубы, м |
Время выдержки трубы, ч, под гидростатическим давлением Рн, кПа (кгс/см2), в уровне |
|||
|
верха трубы |
низа трубы |
|||
|
1 (0,01) |
10 (0,1) |
15 (0,15) |
20 (0,2) |
|
|
1,0 |
48 |
40 |
- |
- |
|
1,5 |
48 |
- |
35 |
- |
|
2,0 |
48 |
- |
- |
30 |
7.3 Прочность бетона на осевое растяжение определяют по ГОСТ 10180 на образцах, изготовленных вибрированием из бетонной смеси рабочего состава.
Для оценки прочности бетона труб результаты испытания вибрированных образцов умножают на переводной коэффициент, значение которого устанавливают опытным путем при организации производства труб и изменении технологии их изготовления, но не реже одного раза в 1,5 года.
7.4 Прочность бетона на сжатие допускается определять ультразвуковым методом по ГОСТ 17624 или механическими методами неразрушающего контроля по ГОСТ 22690.
7.5 Водонепроницаемость бетона определяют по ГОСТ 12730.0 и ГОСТ 12730.5 на образцах, изготовленных вибрированием из бетонной смеси рабочего состава.
7.6 Водопоглощение бетона труб определяют по ГОСТ 12730.0 и ГОСТ 12730.3 на образцах, отобранных из разных мест трубы. Образцы должны быть без видимых трещин.
7.7 Морозостойкость бетона определяют по ГОСТ 10060 на образцах, изготовленных вибрированием из бетонной смеси рабочего состава.
7.8 Удельную эффективную активность естественных радионуклидов в бетоне определяют по ГОСТ 30108.
7.9 Геометрические размеры, отклонения от перпендикулярности торцевых плоскостей, качество поверхностей труб проверяют методами, установленными ГОСТ 26433.0 и ГОСТ 26433.1. При этом:
- толщину стенок труб измеряют по торцам труб в четырех местах по двум взаимно перпендикулярным диаметрам;
- наружные диаметры втулочного конца раструбных труб, внутренний диаметр и глубину раструба измеряют по двум взаимно перпендикулярным диаметрам (максимальному и минимальному). Внутренний диаметр раструба следует измерять в средней части его глубины l2;
- внутренний диаметр цилиндрической части трубы измеряют по двум взаимно перпендикулярным диаметрам - максимальному и минимальному на расстоянии 0,2 - 0,4 м от торца трубы;
- диаметры и глубину фальцев в фальцевых трубах измеряют по двум взаимно перпендикулярным диаметрам. Диаметры фальцев измеряют в середине их глубины l2;
- длину трубы измеряют по четырем образующим в двух диаметрально противоположных сечениях.
8.1 Трубы необходимо транспортировать и хранить в соответствии с требованиями ГОСТ 13015 и настоящего стандарта.
8.2 Транспортирование и хранение труб следует проводить в рабочем положении, опирая на инвентарные прокладки или опоры другого типа из дерева или других материалов, обеспечивающих сохранность труб.
Перекатка труб допускается только по подкладкам, укладываемым таким образом, чтобы трубы не опирались раструбами и втулочными концами на подкладки или на пол.
Трубы допускается транспортировать и хранить в вертикальном положении при обеспечении их устойчивости.
8.3 Трубы следует хранить на складе готовой продукции в штабелях или контейнерах, рассортированными по маркам. Число рядов труб в штабеле по высоте в зависимости от диаметра условного прохода должно быть не более указанного в таблице 5.
Трубы в рядах укладывают так, чтобы раструбы двух смежных рядов были обращены в разные стороны.
Таблица 5 - Число рядов труб в штабеле
|
Диаметр условного прохода трубы di, мм |
Число рядов труб в штабеле, шт. |
|
150 - 250 |
7 |
|
300 - 400 |
5 |
|
500 - 700 |
4 |
|
800 - 1200 |
3 |
8.4 Под нижний ряд штабеля по плотному, выровненному основанию должны быть уложены параллельно две подкладки - каждая на расстоянии 0,2 длины трубы от ее торцов. Конструкция подкладок должна препятствовать раскатыванию нижнего ряда труб и соприкосновению раструбов труб с полом склада.
8.5 Погрузку, транспортирование и разгрузку труб следует проводить, соблюдая меры, исключающие возможность их повреждения.
8.6 Автомобили или железнодорожный подвижной состав, предназначенные для перевозки труб в горизонтальном положении, должны иметь седлообразные подкладки, исключающие возможность смещения и соприкосновения труб между собой или опирания раструба на дно транспортного средства.
9.1 Предприятие-изготовитель гарантирует соответствие поставляемых труб требованиям настоящего стандарта при соблюдении транспортными организациями правил транспортирования, а потребителем - условий применения и хранения, установленных настоящим стандартом.
9.2 Гарантийный срок хранения и эксплуатации труб, в течение которого изготовитель обязан устранять обнаруженные потребителем скрытые дефекты, устанавливается не менее чем два года с даты отгрузки потребителю, но не более 2,5 лет с даты изготовления.
9.3 При поставке труб с отпускной прочностью бетона на сжатие менее значения, отвечающего проектному классу бетона, изготовитель гарантирует достижение бетоном проектной прочности на сжатие, определяемой по результатам испытаний контрольных образцов, хранившихся в нормальных условиях по ГОСТ 10180 в возрасте 28 дней с момента изготовления.

Рисунок А.1 - Общий вид труб типа БТ

Рисунок А.2 - Общий вид труб типа БТП

Рисунок А.3 - Общий вид труб типа БТС

Рисунок А.4 - Общий вид труб типа БТСП

Рисунок А.5 - Общий вид труб типа БТФ

Рисунок А.6 - Общий вид труб типа БТФП
Таблица Б.1 - Основные размеры трубы
В миллиметрах
|
|
Внутренний диаметр di |
Рекомендуемые размеры |
|||
|
Типы труб |
Полезная длина l |
Минимальная толщина стенки t |
Глубина раструба l2 |
Глубина фальца l2 |
|
|
БТ |
150 |
1000 |
25 |
50 |
- |
|
200 |
1500 |
30 |
50 |
||
|
300 |
45 |
80 |
|||
|
400 |
55 |
100 |
|||
|
500 |
2000 |
65 |
100 |
||
|
600 |
75 |
100 |
|||
|
800 |
95 |
110 |
|||
|
1000 |
105 |
110 |
|||
|
1200 |
130 |
120 |
|||
|
БТП |
600 |
2000 |
75 |
100 |
- |
|
800 |
95 |
110 |
|||
|
1000 |
105 |
110 |
|||
|
1200 |
130 |
120 |
|||
|
БТС |
400 |
1500 |
55 |
145 |
- |
|
500 |
2000 |
65 |
155 |
||
|
600 |
75 |
155 |
|||
|
800 |
95 |
165 |
|||
|
1000 |
105 |
175 |
|||
|
БТСП |
600 |
2000 |
75 |
155 |
- |
|
800 |
95 |
165 |
|||
|
1000 |
105 |
175 |
|||
|
1200 |
130 |
120 |
|||
|
БТФ |
300 |
1500 |
45 |
- |
25 |
|
400 |
55 |
25 |
|||
|
500 |
2000 |
65 |
30 |
||
|
600 |
75 |
35 |
|||
|
800 |
95 |
55 |
|||
|
БТФП |
1000 |
2000 |
105 |
- |
75 |
|
1200 |
130 |
75 |
|||
|
Примечание - В таблице приведены значения полезной длины l, толщины стенки t, глубин раструба и фальцев l2 для различных типов труб, которые рекомендуется принимать при разработке рабочих чертежей труб. При экономическом обосновании допускаются изготовление и применение труб других размеров. |
|||||

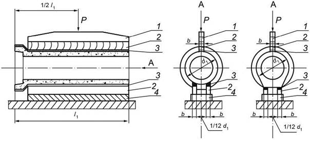
1 - траверса; 2 - деревянные бруски; 3 - резиновые прокладки или цементно-песчаный раствор; 4 – основание
Рисунок В.1 - Схема испытаний цилиндрических труб нагружением
1 - труба; 2
- рама гидростенда; 3 - подвижная заглушка; 4 - уплотнительные
кольца; 5 - гидроцилиндр; 6 - неподвижная заглушка;
7 - тележка; 8 - манометр; 9 - вентиль подачи воды; 10
- вентиль слива воды; 11 - воздушный вентиль
Рисунок Г.1 - Схема испытания на водонепроницаемость труб типов БТС и БТСП
1 - труба; 2
- тяжи; 3 - подвижная заглушка; 4 - манометр; 5 - уплотнительные
прокладки; 6 - опора; 7 – неподвижная заглушка;
8 - вентиль подачи воды; 9 - вентиль выпуска воздуха
Рисунок Г.2 - Схема испытания на водонепроницаемость труб типов БТ, БТП, БТФ и БТФП
Ключевые слова: трубы бетонные, геометрические параметры, технические требования, бетон, правила приемки, методы контроля, прочность, водонепроницаемость